ПРАВИТЕЛЬСТВО МОСКВЫ
МОСКОМАРХИТЕКТУРА
РЕКОМЕНДАЦИИ
ПО
ПРОЕКТИРОВАНИЮ
ЭНЕРГОЭФФЕКТИВНЫХ
ОГРАЖДАЮЩИХ КОНСТРУКЦИЙ
ЗДАНИЙ СИСТЕМЫ «ЮНИКОН»
2002
1. Разработаны по заданию Управления экономической, научно-технической и промышленной политики в строительной отрасли (г Москва) коллективом в составе: проф. Рахманова В.А. (руководитель работы), с.н.с., к.т.н. Мелихова В.И. (зам. руководителя работы), с.н.с., к.т.н. Лемыша Л.Л. (ответственный исполнитель), с.н.с., к.т.н. Довжика В.Г., к.т.н. Мишукова Н.Е., к.т.н. Остринского Ю.С. (ВНИИжелезобетон), проф. Григорьева Ю.П., инж. Никитина Е.Е., инж. Гриневского А.А., к.т.н. Зурабяна А.С., инж. Суркова В.И., инж. Н.Н. Федорова (МНИИТЭП) и проф., д.т.н. Залесова А.С. (НИИЖБ) при участии проф., д.т.н. Горпинченко В.М., к.т.н. Пономарева О.И., к.т.н. Насонкина В.Д. (ЦНИИСК им. В.А. Кучеренко).
2. Согласованы Управлением экономической, научно-технической и промышленной политики в строительной отрасли, ЦНИИСК им. В.А. Кучеренко, НИИЖБ.
3. Подготовлены к изданию Управлением перспективного проектирования и нормативов Москомархитектуры.
4. Утверждены и введены в действие указанием Москомархитектуры от 15.07.02 г. № 53.
СОДЕРЖАНИЕ
Одним из основных направлений научно-технического прогресса в строительстве в условиях реформируемой экономики России является обеспечение повышенных требований к теплосбережению, экологической безопасности и комфортности жилых и общественных зданий. На решение этих задач направлено, в частности, использование нового вида высокоэффективных полистиролбетонов плотностью 150-550 кг/м3 в наружных ограждающих конструкциях системы «Юникон» для жилых и общественных зданий.
Теплоэффективные ограждающие конструкции с применением полистиролбетона системы «Юникон» включают наружные стены, утепленные покрытия, чердачные перекрытия, перекрытия над холодными подвалами, техподпольями, проездами, создающими в совокупности вокруг здания теплоизолирующую оболочку, которая обеспечивает высокое термическое сопротивление и экологическую безопасность.
Полистиролбетонные стеновые изделия за счет своих теплофизических и прочностных показателей выполняют одновременно функции стенообразующего материала и утеплителя.
Разработанные с применением полистиролбетонных элементов проектные решения зданий показали, что при соблюдении повышенных требований СНиП II-3-79* (изд. 1998 г.) «Строительная теплотехника» обеспечиваются значительные экономические преимущества от их использования.
Полистиролбетон и сборные конструкции из него (стеновые блоки, перемычки, плиты утеплителя) производятся в настоящее время по технологии ВНИИжелезобетона на его дочернем предприятии ЗАО «Юникон-ЗСК». Предусмотрено также возведение ограждающих конструкций из монолитного полистиролбетона.
Система «Юникон для жилых и многих типов общественных зданий может применяться в следующих вариантах:
сборный:
- кладка в ненесущих (навесных) наружных стенах из блоков плотностью 250-300 кг/м3 преимущественно для жилых зданий высотой до 25 этажей включительно, а также для общественных зданий различной этажности;
- кладка в самонесущих стенах из блоков плотностью 350-400 кг/м3 с опиранием в пределах 2-х этажей;
- кладка в несущих стенах из блоков плотностью 400-550 кг/м3 для зданий до 2-х этажей;
- утепление стен, перекрытий и покрытий плитами плотностью 150-200 кг/м3;
сборно-монолитный:
- кладка в несущих наружных стенах из пустотных или полупустотных блоков плотностью 250-350 кг/м3 с образованием каналов, армируемых и замоноличиваемых для создания несущего железобетонного каркаса зданий до 12 этажей;
монолитный:
- 2-х и 3-х слойные стеновые конструкции плотностью 200-300 кг/м3, элементы утепленных покрытий и перекрытий плотностью 150-200 кг/м3, перемычки ломаного и криволинейного очертания в плане из полистиролбетона плотностью 300-500 кг/м3.
Полистиролбетонные теплоизоляционные плиты плотностью 150-200 кг/м3 имеют прочность, достаточную для их использования в покрытиях зданий без устройства армированной стяжки из цементно-песчаного мелкозернистого бетона под гидроизоляционный ковер.
Полистиролбетонные изделия имеют высокую точность (допуски ±1,5÷3,0 мм), что позволяет их монтаж выполнять на клею при толщине швов неармированных 2-3 мм и армированных - 3-4(5) мм и при сниженном расходе клея существенно повысить теплозащитные свойства стены. Для монтажа полистиролбетонных блоков используется клеевая композиция КМК, разработанная институтом «ВНИИжелезобетон», клей на основе сухой смеси модифицированной рецептуры 26-ЯМ, выпускаемой Московским опытным заводом сухих смесей, или сухой смеси марки ТМ-17М, выпускаемой ОАО «Фирма «Бера» (г. Москва).
К настоящему времени полистиролбетонные изделия системы «Юникон» применены на нескольких десятках построенных и строящихся объектах, в т.ч. на 25-ти этажных жилых домах в Братеево (5 зданий), на 18 зданиях до 15 этажей в Куркино, 2-х этажных коттеджах в Жулебино (г. Москва), в Красногорском р-не Московской области, в Тульской и Пермской областях.
Перспективность ограждающих конструкций системы «Юникон», основанной на применении изделий из полистиролбетона, подтверждается ее высокими технико-экономическими показателями, нарастающим использованием в различных регионах России, а также разработкой ГОСТа, нормалей на проектирование и строительство и других нормативных документов.
Технико-экономическое сравнение стоимости стен из полистиролбетонных блоков с показателями стен из ячеистого бетона и из кирпича с утеплением подтверждает высокую эффективность системы «Юникон» (см. Приложение 5).
Настоящие «Рекомендации...» содержат классификацию ограждающих конструкций этой системы, основные положения по их расчету и проектированию, физико-технические характеристики материалов и кладки из полистиролбетонных элементов, рекомендуемую номенклатуру полистиролбетонных элементов, рекомендации по расчету и конструированию ограждающих конструкций, примеры прочностных, теплофизических расчетов и расчетов по пожарной безопасности и звукоизоляции.
В «Рекомендациях...» рассмотрены наружные ограждающие конструкции: стены из сплошных, пустотных и полупустотных (с трапециевидными выступами) блоков; монолитные стены; прямолинейные, криволинейные и ломаные в плане перемычки; покрытия и перекрытия с применением монолитного и плитного полистиролбетонного утеплителя. Они относятся к проектированию жилых, общественных, административных и бытовых зданий, расположенных в ветровых районах 1а и 1 (для районов с большей ветровой нагрузкой требуется уточнение допустимой этажности зданий).
Система ограждающих конструкций «Юникон» включает теплоэффективные конструкции наружных стен, покрытий (чердачных перекрытий), перекрытий над неотапливаемыми подвалами (техподпольями) и проездами, создающими в совокупности вокруг здания теплоизолирующую оболочку из особо легкого бетона - полистиролбетона, обеспечивающую выполнение требований СНиП II-3-79* (изд. 1998 г.) «Строительная теплотехника» и МГСН 2.01-99 «Энергосбережение в зданиях. Нормативы по теплозащите и тепловодоэлектроснабжению», а также необходимую прочность и экологическую безопасность.
Ограждающие конструкции системы «Юникон» разделяют по нескольким классифицирующим признакам: назначению, статической функции, технологии возведения и конструктивному решению.
По назначению разделяют конструкции для наружных стен и для утепления перекрытий и покрытий.
По статической функции стены могут быть ненесущими (поэтажно опираются на перекрытие в пределах одного этажа и воспринимают преимущественно ветровую нагрузку), самонесущими (имеют высоту до 2-х этажей и опираются на одно перекрытие, воспринимают нагрузку от собственного веса и ветровую с передачей нагрузки на 2 перекрытия), несущие высотой до 2-х этажей включительно (воспринимают нагрузки от перекрытий, перегородок, крыши и др., собственного веса и ветрового давления).
По технологии возведения различают сборные конструкции (кладка из сплошных блоков), сборно-монолитные конструкции (кладка из перекрестно-пустотных и полупустотных блоков с последующим армированием и бетонированием пустот), монолитные конструкции.
Система «Юникон» включает следующие конструктивные решения:
- наружные стены (ненесущие, самонесущие и несущие) с применением сплошных полистиролбетонных блоков;
- сборно-монолитные конструкции несущих наружных стен;
- наружные стены (ненесущие, самонесущие и несущие) из монолитного полистиролбетона;
- конструкции покрытий и перекрытий с использованием теплоизоляционных полистиролбетонных плит или монолитного полистиролбетона.
Ограждающие конструкции системы «Юникон» используются в зданиях с различными несущими конструктивными системами - каркасными, каркасно-стеновыми, стеновыми из различных материалов (железобетонные - сборные и монолитные, стальные, кирпичные и др.).
Конструкции системы «Юникон» применяют в зданиях с нормальным температурно-влажностным режимом и неагрессивной средой. Применение стен из полистиролбетона в помещениях с влажным режимом допускается при наличии на внутренней поверхности стен пароизоляционного покрытия.
Стеновые ограждающие конструкции выполняются в виде кладки из сплошных полистиролбетонных блоков на клеевой композиции с облицовкой наружной стороны лицевым пустотелым кирпичом толщиной в 1/2 кирпича, а с внутренней стороны, как правило, в виде армированного штукатурного слоя. Также возможна облицовка кладки с обеих сторон отделочно-защитными слоями в виде армированной штукатурки. С внутренней стороны допускается облицовка кладки гипсоволокнистыми листами (ГВЛ).
Для условий Москвы и Московской области полистиролбетонные блоки могут иметь толщину В=250*, 300*, 295 и 375 мм. Возможно также использование блоков большей толщины. Этот набор блоков позволяет получить номинальную толщину стены (без учета отделочных и облицовочных слоев), отвечающую дробную модулю М/2=50 мм и унифицированному ряду толщин стен из панелей и блоков. При этом по толщине стены укладывается, как правило, один блок.
Высота блоков составляет 295, 296*, 375, 371* и 446 мм, что позволяет получать необходимые параметры стен здания при уменьшении числа теплопроводных горизонтальных кладочных швов.
Длина стеновых блоков L принимается из условия ограничения массы блоков 40-50 кг, что связано с их укладкой «вручную» двумя рабочими. В зависимости от плотности полистиролбетона и размеров поперечного сечения длина стеновых блоков L равна 595, 598*, 895, 898* и 1195, 1198* мм. Длина перемычек составляет 1195, 1198*, 1495, 1498*, 1795, 1798*, 2095, 2098*, 2395, 2398*, 2695, 2698* и 2995, 2998* мм.
* Размеры даны для осваиваемой ОАО «Юникон-ЗСК» новой номенклатуры изделий, изготавливаемых по резательной технологии.
Для перемычек используются блоки с арматурой в растянутой зоне полистиролбетона, заанкеренной в нем с помощью специальных устройств (уголков, поперечных стержней и др.). Размеры анкерных приспособлений определяют из условия недопущения смятия полистиролбетона при растяжении арматурных стержней.
Выбор конструкции наружных стен из полистиролбетонных блоков, характеризуемых маркой по плотности полистиролбетона, с которой связаны показатели прочности и теплопроводности, толщина стен и способы их усиления, определяется из расчета прочности на действие вертикальных и горизонтальных нагрузок в зависимости от высоты стены и этажности здания, а также из теплотехнического расчета и минимизации стоимости ограждающих конструкций.
По плотности применяемых сплошных полистиролбетонных блоков наружные стены разделяются на две основные группы: стены из полистиролбетона средней плотности марок D250-D350 и стены из полистиролбетона повышенной плотности марок D400-D550.
Монтаж блоков производится на клеевых композициях. Толщина клеевых швов 2...4 мм. Блоки могут укладываться горизонтально или устанавливаться вертикально.
Минимальная толщина стен жилых зданий из полистиролбетона средней плотности (без учета толщины облицовочных слоев) для климатических условий г. Москвы составляет 250/300 (295) мм (при D250), 325/350 мм (при D300) и 350/375 мм (при D350), где цифры в числителе относятся к модифицированному полистиролбетону, а знаменателе - обычному полистиролбетону по ГОСТ Р 51263-99.
Стеновые конструкции из полистиролбетонных блоков средней плотности применяют в качестве ненесущих (навесных) стен в зданиях до 25 этажей. Эти стены поэтажно опираются на междуэтажные перекрытия и крепятся к ним или (и) к внутренним наружным стенам.
Толщина стен из полистиролбетона повышенной плотности (без учета облицовочных слоев) для климатических условий г. Москвы составляет 425 мм (при D400), 475 мм (при D450), 525 мм (при D500), 600 мм (при D550).
Стеновые конструкции из полистиролбетонных блоков повышенной плотности применяются в качестве самонесущих стен в зданиях до 7 этажей и несущих стен в зданиях до 2-х этажей.
Самонесущие стены высотой до 2-х этажей из этих блоков воспринимают свой собственный вес и ветровую нагрузку. Несущие стены высотой 1-2 этажа, кроме собственного веса и ветровой нагрузки, воспринимают нагрузку от перекрытий и покрытий (крыши) со всеми постоянными и временными нагрузками, действующими на них.
В сборно-монолитных стенах используются полистиролбетонные блоки и монолитный железобетон.
В сборно-монолитных стенах полистиролбетонные блоки выполняют следующие функции:
- обеспечивают требуемую теплоизоляцию стен;
- являются несъемной опалубкой для тяжелого несущего бетона.
В системе ограждающих конструкций «Юникон» для сборно-монолитных стен применяют два вида блоков:
- перекрестно-пустотные блоки, имеющие вертикальные и горизонтальные каналы-пустоты. После их монтажа на стройплощадке каналы образуют внутреннюю полую решетку. Ее армируют и заполняют монолитным, как правило, тяжелым бетоном, после чего в стене создается внутренний железобетонный несущий каркас, воспринимающий воздействующие на стену нагрузки;
- полупустотные блоки (блоки с трапециевидными выступами), имеющие открытые с одной стороны пазы. После их монтажа на стройплощадке, установки внутренней (со стороны помещений) съемной или несъемной опалубки, армирования и бетонирования образуется несущая железобетонная диафрагма, воспринимающая все действующие на стену нагрузки.
Наружная поверхность стены со стороны полистиролбетонных блоков имеет как правило защитно-декоративное покрытие из штукатурного слоя по стальной сетке. Для отделки фасадной стороны стены могут также применяться облицовка лицевым пустотелым кирпичом или плиткой из мелкозернистого бетона, а для внутренней - влагостойкие гипсоволокнистые плиты, одновременно играющие роль несъемной опалубки при бетонировании несущей диафрагмы.
Сборно-монолитные конструкции системы «Юникон» могут применяться в жилых и общественных зданиях с несущими стенами, воспринимающих значительные вертикальные нагрузки, в домах до 7-12 этажей.
Стены из монолитного полистиролбетона могут быть ненесущими, самонесущими и несущими. Они применяются в зданиях со сложной конфигурацией наружных стен.
Одним из преимуществ наружных стен из монолитного полистиролбетона является отсутствие вертикальных и горизонтальных швов, которые снижают термическое сопротивление стены (уменьшают коэффициент теплотехнической однородности). При применении монолитного полистиролбетона отпадает необходимость резки полистиролбетонных блоков на строительной площадке и исключаются, связанные с ней, отходы (обрезки).
Бетонирование монолитных стен может производится либо с применением «товарного» полистиролбетона, производимого централизованно на специально оборудованных бетоносмесительных узлах, либо с использованием полистиролбетона, изготовляемого в построечных условиях на мобильной установке.
Для утепления покрытий, чердачных перекрытий и перекрытий над неотапливаемыми подвалами, техподпольями и проездами может применяться как сборный (в виде теплоизоляционных плит), так и монолитный полистиролбетон.
Полистиролбетон, применяемый для этих целей, имеет марку по средней плотности D150 и D200.
Толщина теплоизоляции определяется теплотехническим расчетом. Сборные теплоизоляционные плиты утеплителя имеют толщину 80 и 100 мм. При устройстве теплоизоляции в несколько слоев швы между плитами устраивают в разбежку.
В покрытиях зданий при устройстве гидроизолирующего ковра по верху теплоизоляционных полистиролбетонных плит не требуется устраивать специальную армированную стяжку из мелкозернистого бетона, а при использовании монолитного полистиролбетона достаточно иметь выравнивающую неармированную стяжку толщиной не более 5 мм и при этом можно устраивать уклоны для внутреннего водостока.
2.1. Наружные стены из полистиролбетона системы «Юникон» должны удовлетворять требованиям по несущей способности, теплотехническим требованиям, требованиям долговечности, пожарной и экологической безопасности.
2.2. Требования по несущей способности должны обеспечиваться расчетом стен на действие вертикальных нагрузок от собственного веса стен и дополнительных нагрузок, приходящихся на стены, а также на действие горизонтальных (в основном ветровых) нагрузок.
2.3. Кроме обычных расчетов конструкций из полистиролбетона на действие ветровой нагрузки в стадии эксплуатации необходимы также расчеты на действие этой нагрузки в стадии возведения.
2.4. Теплотехнические требования, включающие требования по сопротивлению теплопередаче и паропроницанию, должны обеспечиваться согласно норм СНиП II-3-79* «Строительная теплотехника» (изд. 1998 г.) и МГСН 2.01-99 «Энергосбережение в зданиях».
2.5. Пожарная безопасность должна обеспечиваться соблюдением требованием СНиП 21-01-97 «Пожарная безопасность зданий и сооружений», СНиП 2.08.01-89* «Жилые здания» и Заключения от 25.12.2000 г. Госстроя РФ № 9-18/664 и МВД РФ № 20/22/4578 (Приложение 3).
2.6. Требования по долговечности должны обеспечиваться применением полистиролбетона необходимой морозостойкости и устройством защитных покрытий.
2.7. Нагрузки на наружные стены с применением полистиролбетона определяются в соответствии с указаниями СНиП 2.01.07-85 «Нагрузки и воздействия».
2.8. Наружные стены из сплошных полистиролбетонных блоков и монолитного полистиролбетона рассчитывают в соответствии со СНиП 2.03.01-84 «Бетонные и железобетонные конструкции» и «Методикой расчета несущей способности стен зданий с применением полистиролбетона (основные положения)», изложенной в Приложении к письму ЦНИИСКа им. В.А. Кучеренко № 4-914 от 31.10.2001 г.
При этом влияние клеевых швов между блоками учитывается с помощью коэффициента условий работы К, на который умножаются расчетные сопротивления полистиролбетона: сопротивление сжатию Rв - на коэффициент К=0,7; сопротивление осевому растяжению Rвt и растяжению при изгибе Rвtf - на коэффициент К=0,85. При расчете монолитных стен коэффициент условий работы К=1.
2.9. Стены из сплошных полистиролбетонных блоков рассчитывают на усилия от вертикальных нагрузок, включая собственный вес конструкций и усилия от горизонтальных (ветровых) нагрузок по предельным состояниям первой и второй группы как внецентренно сжатые элементы.
2.10. Допускается расчет ненесущих стен из сплошных полистиролбетонных блоков производить только на действие изгибающих моментов от горизонтальных нагрузок.
2.11. Расчет прочности стен из полистиролбетонных блоков с армированными штукатурными или усиленных армоцементными слоями производится как композитных элементов, включающих наружный и внутренний или только внутренний армированный штукатурный или армоцементный слой и промежуточный слой из полистиролбетона, по нормальным и наклонным сечениям, а также по контактным швам сопряжения полистиролбетонного слоя и армоцементных слоев.
Кроме того, усиленные стены рассчитываются по раскрытию нормальных трещин в растянутом армоцементном слое.
2.12. Расчет прочности стен со слоями усиления - армированными штукатурными или армоцементными слоями по нормальным сечениям производится по общим правилам, приведенным в СНиП 2.03.01-84* «Бетонные и железобетонные конструкции». При этом в расчете учитывается работа слоев усиления в составе полного поперечного сечения.
2.13. При расчете элементов стен (монолитных или из блоков), оштукатуренных с обеих или с одной стороны по стальной сетке, сопротивление штукатурки учитывается при выполнении следующих условий:
а) прочность цементно-песчаного (известково-цементно-песчаного) штукатурного раствора на сжатие Rшт выше соответствующей прочности полистиролбетона Rпсб, т.е. Rпсб£Rшт;
б)
обеспечена прочность на сдвиг контактного шва между штукатурным слоем и
полистиролбетоном; при этом должно выполняться условие
*).
*) Обозначения по СНиП 2.03.01-84
При расчете в сжатой зоне учитывается только сопротивление штукатурного слоя, т.е. сопротивление сжатию штукатурной сетки во внимание не принимается.
В растянутой зоне работа штукатурного слоя не учитывается, а вертикальные стержни штукатурной сетки рассматриваются как продольная растянутая арматура.
Кирпичная облицовка, соединенная с основной частью стены гибкими связями, в состав комплексного сечения основной части стены не входит. Принимается, что усилия от поперечной ветровой нагрузки между основной частью стены и кирпичной облицовкой распределяются пропорционально их жесткости EJ. При этом основная часть стены рассчитывается с учетом одностороннего расположения штукатурного слоя.
В расчете простенков на ветровую нагрузку при их опирании на стойки фахверка или на несущие поперечные стены, т.е. в тех случаях, когда работают на растяжение вертикальные клеевые швы, в расчет комплексного сечения вводится дополнительный коэффициент g=0,85, учитывающий возможное неполное заполнение клеем вертикальных швов.
2.14. Расчет прочности стен со слоями усиления по наклонным сечениям производится по общим правилам, приведенным в СНиП 2.03.01-84* как для элементов без поперечной арматуры. При этом оценка прочности производится с учетом сопротивления полистиролбетона в составе поперечного сечения.
2.15. Расчет по раскрытию трещин стен со слоями усиления производится по общим правилам, приведенным в СНиП 2.03.01-84*. При этом в расчете учитывается работа этих слоев в составе полного поперечного сечения.
2.16. Расчет прочности, трещиностойкости и деформативности перемычек из полистиролбетона производится в соответствии с «Указаниями по проектированию перемычек для наружных стен зданий системы «Юникон», разработанными ВНИИжелезобетоном и рекомендованными Госстроем РФ (письмо от 15.08.2000 г. № ЛБ-3517/9).
При расчете перемычек по нормальным сечениям принимается, что растягивающие усилия воспринимаются продольной арматурой, а сжимающие усилия - слоем полистиролбетона.
При расчете перемычек по наклонным сечениям оценка прочности производится исходя из сопротивления полистиролбетона.
Растянутая арматура перемычек должна иметь по длине анкерные приспособления для передачи давления на полистиролбетон, площадь которых определяется из условия недопущения смятия полистиролбетона.
2.17. Коэффициенты в расчетных формулах по СНиП 2.03.01-84*, учитывающие вид бетона, для полистиролбетона принимаются такими же, как для ячеистого бетона.
2.18. Расчет несущей способности, жесткости и трещиностойкости стен с внутренним железобетонным каркасом (сборно-монолитные стены с применением перекрестно-пустотных и полупустотных блоков) производится по указаниям СНиП 2.03.01-84*. При этом сопротивление полистиролбетона допускается не учитывать.
2.19. В стенах из сплошных полистиролбетонных блоков, усиленных фахверком, горизонтальная ветровая нагрузка воспринимается стальными стойками, которые рассчитывают согласно указаниям СНиП II-23-81* «Стальные конструкции».
2.20. Прочность полистиролбетонных блоков в стадии их изготовления, транспортирования и монтажа должна быть обеспечена расчетом согласно СНиП 2.03.01-84* «Бетонные и железобетонные конструкции».
2.21. Монолитные бетонные и железобетонные элементы в зданиях с ограждающими конструкциями системы «Юникон» должны быть запроектированы и рассчитаны в соответствии с указаниями СНиП 2.03.01-84*.
3.1.1. Для кладки наружных стен из полистиролбетонных элементов применяют сплошные блоки (рядовые, простеночные и перемычечные (армированные) по ТУ 5741-159-00284807-96 (с изм. 1, 2, 3, 4), полупустотные и пустотелые блоки по ТУ 5741-148-00284807-96 из полистиролбетонов классов по прочности В0,35-В2,5 марок D250-D550.
3.1.2. Требования к полистиролбетону в зависимости от типа наружной стены по характеру эксплуатационных нагрузок и этажности зданий приведены в табл. 3.1.
Таблица 3.1
Требования к основным характеристикам полистиролбетона для кладки наружных стен зданий
|
Область применения |
Класс по прочности на сжатие |
Марка по |
||
|
плотности |
морозостойкости |
|||
|
Ненесущие |
Для закладки межэтажного пространства в многоэтажных (до 25 этажей) домах с монолитным или сборным каркасом |
В0,35-В0,75 |
D250-D300 |
F25-F50 |
|
Самонесущие |
Для стен, воспринимающих нагрузки только от вышележащих стен 2 этажей без опирания на эти стены перекрытий |
В0,75-В1,5 |
D350-D400, D250 при наличии фахверка |
F35-F50 |
|
Несущие: - из сплошных блоков |
Для наружных стен малоэтажных (1-2 этажа) домов, на которые полностью или частично опираются перекрытия |
В2-В2,5 |
D400-D550 |
F35-F100 |
|
- из пустотных и полупустотных элементов |
Для наружных стен 3-12 этажных домов с полным или частичным опиранием перекрытий |
В0,5-В1,0 |
D250-D350 |
F25-F50 |
3.1.3. ВНИИжелезобетоном разработана технология получения экологически чистого особо легкого пенополистирольного заполнителя насыпной плотностью 8-12 кг/м3 (при двухстадийном вспенивании) и 15-20 кг/м3 (при одностадийном вспенивании), составы вяжущего и смеси, технология приготовления с введением специальных добавок и условия ускоренного твердения, позволяющие получать модифицированный экологически чистый полистиролбетон с улучшенными теплотехническими характеристиками и повышенной прочностью при данной плотности. Эта специальная технология реализована на дочернем предприятии института «ВНИИжелезобетон» «Юникон-ЗСК» для изготовления сплошных блоков и теплоизоляционных плит.
3.1.4. Расчет и проектирование ограждающих конструкций из модифицированного полистиролбетона осуществляется по той же методике, что и для обычного полистиролбетона. При этом расчетные и нормативные характеристики модифицированного полистиролбетона принимаются по данным, приведенным в таблицах 3.2-3.3 настоящего раздела. Теплотехнические характеристики модифицированного полистиролбетона рекомендованы к применению при проектировании и расчетах ограждающих конструкций зданий на основании требований ГОСТ Р 51263-99 и письма Госстроя РФ № ЛБ-3512/9 от 14.08.2000 г.
3.1.5. Соотношение между классом полистиролбетона по прочности на сжатие и маркой по плотности зависит от насыпной плотности и зернового состава пенополистирольного заполнителя, активности применяемого цемента, вида и эффективности вводимых в состав полистиролбетона минеральных и химических добавок, условий твердения бетона.
Рекомендуемые соотношения между классами и марками полистиролбетона принимают по данным табл. 3.2 и 3.3.
Таблица 3.2
Плотность полистиролбетона в зависимости от его прочности
|
Марка по плотности |
|||
|
марка |
класс |
обычная технология |
спецтехнология (модифицированный полистиролбетон) |
|
М3,5 |
- |
D250-D300 |
D200-D250 |
|
М5 |
В0,35 |
D250-D300 |
D200-D250 |
|
М7,5 |
В0,5 |
D300-D350 |
D250-D300 |
|
М10 |
В0,75 |
D350-D400 |
D300-D350 |
|
М15 |
В1,0 |
D400-D450 |
D350-D400 |
|
М20 |
В1,5 |
D450-D500 |
D400-D450 |
|
М25 |
В2,0 |
D500-D550 |
D450-D500 |
|
М35 |
В2,5 |
D550-D600 |
D500-D550 |
Таблица 3.3
Рекомендуемые соотношения между плотностью и прочностью полистиролбетона
|
Класс по прочности на сжатие |
Средняя прочность на сжатие, МПа |
Ближайшая марка по прочности |
||||
|
обычный полистиролбетон |
модифицированный полистиролбетон |
обычный полистиролбетон |
модифицированный полистиролбетон |
обычный полистиролбетон |
модифицированный полистиролбетон |
|
|
D200 |
- |
В0,35 |
0,25 |
0,4 |
М2,5 |
М3,5 |
|
D250 |
В0,35 |
В0,5 |
0,5 |
0,7 |
М5 |
М7,5 |
|
D300 |
В0,5 |
В0,75 |
0,73 |
1,02 |
М7,5 |
М10 |
|
D350 |
В0,75 |
В1,0 |
1,00 |
1,4 |
М10 |
М15 |
|
D400 |
В1,0 |
В1,5 |
1,45 |
1,9 |
M15 |
М20 |
|
D450 |
В1,5 |
В2,0 |
1,8 |
2,7 |
М20 |
М25 |
|
D500 |
В2,0 |
В2,5 |
2,3 |
3,4 |
М25 |
М35 |
|
D550 |
В2,5 |
- |
3,3 |
- |
М35 |
- |
3.1.6. Теплофизические показатели обычного и модифицированного полистиролбетона, необходимые для теплотехнических расчетов наружных ограждающих конструкций, принимаются по табл. 3.4.
Таблица 3.4
Теплотехнические характеристики полистиролбетонов
|
Коэффициент теплопроводности в сухом состоянии, Вт/м°С |
Расчетное массовое отношение влаги в материале при условиях эксплуатации, % |
Расчетные коэффициенты при условиях эксплуатации |
|||||||||
|
А |
Б |
теплопроводности, Вт/м°С |
паропроницаемости, мг/мчПа А, Б, обычн., модиф. |
||||||||
|
обычный |
модифицированный |
обычный |
модифицированный |
обычный |
модифицированный |
А |
Б |
||||
|
обычный |
модифицированный |
обычный |
модифицированный |
||||||||
|
D150 |
0,055 |
0,045 |
4 |
3,5 |
8 |
7 |
0,057 |
0,05 |
0,060 |
0,054 |
0,135 |
|
D200 |
0,065 |
0,055 |
4 |
3,5 |
8 |
7 |
0,070 |
0,06 |
0,075 |
0,063 |
0,12 |
|
D250 |
0,075 |
0,065 |
4 |
3,5 |
8 |
7 |
0,085 |
0,069 |
0,090 |
0,073 |
0,11 |
|
D300 |
0,085 |
0,075 |
4 |
3,5 |
8 |
7 |
0,095 |
0,080 |
0,105 |
0,085 |
0,10 |
|
D350 |
0,095 |
0,087 |
4 |
3,5 |
8 |
7 |
0,110 |
0,094 |
0,120 |
0,100 |
0,09 |
|
D400 |
0,105 |
0,097 |
4 |
3,5 |
8 |
7 |
0,120 |
0,105 |
0,130 |
0,115 |
0,085 |
|
D450 |
0,115 |
0,110 |
4 |
3,5 |
8 |
7 |
0,130 |
0,118 |
0,140 |
0,126 |
0,080 |
|
D500 |
0,125 |
0,120 |
4 |
3,5 |
8 |
7 |
0,140 |
0,128 |
0,155 |
0,137 |
0,075 |
|
D550 |
0,135 |
0,130 |
4 |
3,5 |
8 |
7 |
0,155 |
0,140 |
0,175 |
0,148 |
0,070 |
3.1.7. Полистиролбетон отличается повышенной прочностью на осевое растяжение и растяжение при изгибе. Нормативные и расчетные сопротивления сжатию, осевому растяжению и растяжению при изгибе следует принимать по данным табл. 3.5 и 3.6.
Таблица 3.5
Нормативные и расчетные сопротивления полистиролбетона
|
Нормативные сопротивления полистиролбетона Rbn, Rbtn, Rbtnf и расчетные сопротивления для предельных состояний второй группы Rbser, Rbtser, Rbtfser при классе бетона по прочности на сжатие, МПа |
|||||||
|
В0,35 |
В0,5 |
В0,75 |
В1,0 |
В1,5 |
В2,0 |
В2,5 |
|
|
Сжатие осевое (призменная прочность), Rbn и Rbser |
0,35 |
0,5 |
0,75 |
1,0 |
1,5 |
1,8 |
2,1 |
|
Растяжение осевое, Rbtn и Rbtser |
0,12 |
0,15 |
0,21 |
0,26 |
0,3 |
0,32 |
0,35 |
|
Растяжение при изгибе, Rbtnf и Rbtfser |
0,23 |
0,27 |
0,38 |
0,47 |
0,55 |
0,58 |
0,64 |
Таблица 3.6
Расчетные сопротивления полистиролбетона
|
Расчетные сопротивления полистиролбетона для предельных состояний первой группы Rb, Rbt, Rbtf при классе бетона по прочности на сжатие, МПа |
|||||||
|
В0,35 |
В0,5 |
В0,75 |
В1,0 |
В1,5 |
В2,0 |
В2,5 |
|
|
Сжатие осевое (призменная прочность), Rb |
0,25 |
0,35 |
0,55 |
0,75 |
1,05 |
1,4 |
1,75 |
|
Растяжение осевое, Rbt |
0,07 |
0,09 |
0,12 |
0,15 |
0,18 |
0,20 |
0,23 |
|
Растяжение при изгибе, Rbtf |
0,14 |
0,16 |
0,22 |
0,28 |
0,32 |
0,35 |
0,40 |
3.1.8. Значения начального модуля упругости полистиролбетона зависят от его прочности и могут приниматься по данным табл. 3.7.
Таблица 3.7
Модуль упругости полистиролбетона
|
Начальный модуль упругости полистиролбетона при сжатии и растяжении Ев·10-3, МПа, при классе (марке) бетона по прочности на сжатие |
|||||||
|
В0,35 (5) |
В0,5 (7,5) |
В0,75 (10) |
В1,0 (15) |
В1,5 (20) |
В2,0 (25) |
В2,5 (35) |
|
|
D250 |
0,35 |
0,45 |
- |
- |
- |
- |
- |
|
D300 |
0,40 |
0,50 |
0,60 |
- |
- |
- |
- |
|
D350 |
0,50 |
0,60 |
0,70 |
1,1 |
- |
- |
- |
|
D400 |
- |
0,70 |
0,80 |
1,2 |
1,3 |
- |
- |
|
D450 |
- |
- |
- |
1,3 |
1,4 |
1,6 |
- |
|
D500 |
- |
- |
- |
- |
1,45 |
1,7 |
1,9 |
|
D550 |
- |
- |
- |
- |
1,60 |
1,8 |
2,0 |
3.1.9. При своей малой плотности полистиролбетон характеризуется низким водопоглощением и высокой водостойкостью. Ориентировочные значения этих показателей приведены в табл. 3.8.
Таблица 3.8
Водопоглощение и водостойкость полистиролбетона
|
Водопоглощение, % по |
Коэффициент размягчения |
||
|
массе |
объему |
||
|
D250 |
50-60 |
12-15 |
0,8-0,85 |
|
D300 |
53-45 |
11-14 |
0,85-0,9 |
|
D350 |
30-40 |
11-13 |
0,9-0,95 |
|
D400 |
25-35 |
10-12 |
0,9-0,95 |
|
D450 |
20-30 |
9-12 |
0,9-0,95 |
|
D500 |
15-25 |
8-11 |
0,95-1,0 |
|
D550 |
10-20 |
7-10 |
0,95-1,0 |
3.1.10. Сравнительно малая усадка монолитного полистиролбетона, значения которой приведены в табл. 3.9, наряду с высокой прочностью при растяжении уменьшают опасность трещинообразования полистиролбетона в наружных стенах зданий.
Таблица 3.9
Усадочные деформации монолитного полистиролбетона
|
Усадка, мм/м |
|
|
D250 |
0,65-0,7 |
|
D300 |
0,55-0,65 |
|
D350 |
0,50-0,60 |
|
D400 |
0,45-0,55 |
|
D450 |
0,40-0,50 |
|
D500 |
0,35-0,45 |
|
D550 |
0,3-0,4 |
3.1.11. Полистиролбетон обладает сравнительно высокой деформативностью. Значения предельных деформаций при сжатии ξ (при сравнительно низкой прочности) находятся в пределах 1,2-2,2 мм/м и эта величина не зависит от класса полистиролбетона по прочности на сжатие. Коэффициент Пуассона (μ) полистиролбетона колеблется в пределах 0,2-0,3 и в среднем равен 0,27.
3.1.12. Морозостойкость полистиролбетона (обычного и модифицированного) плотностью D250 и выше, оцениваемая по методике ГОСТ 10060.0 (1 метод) при соблюдении соответствующей технологии имеет марку не ниже F25 (минимальное значение для бетона наружных стен). С ростом прочности и плотности полистиролбетона его марка по морозостойкости повышается (табл. 3.10).
Таблица 3.10
Морозостойкость полистиролбетона
|
Марка по морозостойкости |
|
|
D250 |
F25-F35 |
|
D300 |
F35-F50 |
|
D350 |
F35-F50 |
|
D400 |
F35-F50 |
|
D450 |
F35-F75 |
|
D500 |
F50-F100 |
|
D550 |
F75-F100 |
3.1.13. Полистиролбетон относится к слабогорючим материалам, имеет группу горючести Г1.
Группа воспламеняемости при марке по средней плотности D300...D550 - В1, при D150...D250 - B2.
Группа дымообразующей способности при марке по средней плотности D300...D550 - Д1, при D150...D250 - Д2.
Изделия из полистиролбетона могут применяться при малоэтажном домостроении (1-2 этажа) без особых конструктивных решений, обе спечивающих огнестойкость ограждающих конструкций. В зданиях повышенной этажности (до 25 этажей) огнестойкость ненесущих ограждающих конструкций из полистиролбетона обеспечивается наличием с наружной стороны кладки из лицевого пустотелого кирпича толщиной 1/2 кирпича и нанесением на внутреннюю поверхность стены штукатурного раствора марки не менее М50 толщиной 20 мм по металлической сетке, а также нанесением на наружную поверхность стены слоя штукатурного раствора марки не менее М100. Толщина штукатурных слоев не менее 20 мм. На откосах оконных и дверных проемов стен толщина штукатурного слоя должна составлять не менее 30 мм. При этом наружный отделочный слой должен наносится по закрепленной на возведенной стене металлической оцинкованной сетке из проволоки диаметром 1...1,2 мм со стороной ячейки не более 10 мм.
3.1.14. Физико-технические характеристики штукатурных растворов, в том числе нанесенных на металлическую сетку, закрепленную на стене из полистиролбетона посредством стальных анкеров, расположенных в клеевых швах, принимаются по данным СНиП 2.03.01-84* как для мелкозернистого бетона группы А классов В3,5-В7,5.
3.1.15. Прочностные и деформативные характеристики тяжелого и мелкозернистого бетонов классов В15-В25 для замоноличивания наружных стен из склеенных перекрестно-пустотных и полупустотных полистиролбетонных элементов принимают по данным СНиП 2.03.01-84.
Технические требования к клеевым кладочным композициям по ТУ 2513-203-00284807-98 (композиция КМК), ТУ 5745-013-05668056-99 (сухая клеевая композиция 26-ЯМ), ТУ 5745-001-464781149-99 (сухая клеевая композиция ТМ-17М) для монтажа полистиролбетонных блоков приведены в табл. 3.11.
Таблица 3.11
|
Наименование показателя |
Требования надежности (критерий эффективности) |
Методы испытания |
|
|
1 |
2 |
3 |
4 |
|
1. |
Температурная область применения клеевой композиции в построечных условиях: |
|
|
|
- обычный клей, в т.ч. поризованный |
+5 °С - +40 °С |
|
|
|
- клей зимнего твердения |
+5 °С - -20 °С |
|
|
|
2. |
Жизнеспособность клеевой композиции при температуре ее применения (начало схватывания), мин. |
15-120 |
|
|
3. |
Подвижность, см |
8-14 |
|
|
4. |
Рекомендуемая толщина клеевого шва, мм |
2-4 |
|
|
5. |
Максимальная толщина клеевого шва, не стекающего с вертикальной поверхности полистиролбетонных изделий, мм, не менее |
6 |
|
|
6. |
Гарантированный период времени для выверки проектного положения полистиролбетонного блока после склеивания, мин. |
от 10 до 30 |
|
|
7. |
Конфекционная липкость (начальное сцепление) клеевой композиции к полистиролбетону, МПа, не менее |
0,002 |
ГОСТ 14760 |
|
8. |
Прочность клея на сжатие в 28 сут, МПа, не менее |
|
|
|
- плотного |
10 |
|
|
|
- поризованного |
2,5 |
|
|
|
9. |
Предел прочности клея при изгибе, МПа, не менее |
|
|
|
- плотного |
2,5 |
|
|
|
- поризованного |
1,2 |
|
|
|
10. |
Объемная масса (плотность) клея, кг/м3 |
|
|
|
- плотного |
1400-1800 |
|
|
|
- поризованного |
600-800 |
|
|
|
11. |
Время формования равнопрочного соединения с полистиролбетоном, ч: при +20 °С: |
|
|
|
- плотного |
6-24 |
ГОСТ 14760 |
|
|
- поризованного при -15 °С: |
24-36 |
||
|
- зимнего твердения |
72-150 |
|
|
|
12. |
Трещиностойкость |
Появление трещин в затвердевшем клее не допускается |
ГОСТ 310.3 с изм. |
|
13. |
Коэффициент водостойкости клея, не менее |
0,95 |
|
|
14. |
Морозостойкость клеевого соединения (шва), циклы, не менее |
|
ГОСТ 10060.0, 1 и 2 методы и ГОСТ 7025 - одностороннее замораживание ГОСТ 25485 |
|
- плотного |
50 |
||
|
- поризованного |
35 |
||
|
15. |
Линейная усадка клеевого соединения, мм/м, не более |
|
|
|
- плотного |
0,5 |
||
|
- поризованного |
0,3 |
||
|
16. |
Коэффициент теплопроводности клеевого соединения в сухом состоянии, Вт/(м°С), не более |
|
|
|
- плотного |
0,4 |
|
|
|
- поризованного |
0,2 |
|
|
|
17. |
Горючесть клея |
негорючий |
|
|
18. |
Токсичность клея и его компонентов |
нетоксичный (не ниже IV класса опасности) |
|
|
19. |
Защита от коррозии стальной арматуры |
клей должен обеспечивать защиту стальной арматуры от коррозии, аналогично цементно-песчаному раствору |
3.3.1. Особенностью работы кладки из сплошных полистиролбетонных блоков является то, что прочность клеевой композиции швов (марка клея по прочности на сжатие М25÷М100 в зависимости от типа клея) существенно выше прочности полистиролбетонных блоков (марка полистиролбетона по прочности на сжатие М5÷М35 в зависимости от плотности полистиролбетона).
Другой особенностью кладки из полистиролбетонных блоков является относительно высокая прочность полистиролбетона на растяжение при изгибе (Rвtf/Rв≈0,56÷0,23), что в какой-то мере сглаживает неравномерность распределения напряжений.
3.3.2. На прочность кладки влияют дефекты, связанные с производством блоков и их склейкой. Это - неровность граней блоков и отсюда различная толщина швов, неравномерность нанесения клея, в т.ч. наличие пропусков (пустошовка) и др.
По указанным причинам прочность кладки существенно ниже прочности исходных материалов - полистиролбетона и клея.
3.3.3. При расчете стен с применением полистиролбетонных блоков влияние клеевых швов между блоками учитывается с помощью коэффициента условий работы К, значения которого указаны в п. 2.8.
Таблица 4.1
|
Вид изделий |
Эскиз |
Марка |
Размеры мм |
Класс (марка) по прочности на сжатие |
Марка по средней плотности |
Масса изделия |
||
|
L |
В (Н) |
Н (В) |
масса, стали, кг |
|||||
|
1 |
2 |
3 |
4 |
5 |
6 |
7 |
8 |
9 |
|
Рядовые стеновые блоки сплошные |
|
СБР1-В0,5D250 |
595 |
295 (375) |
375 (295) |
В0,5 |
D250 |
20,4 |
|
- |
||||||||
|
СБР1-B0,75D300 |
595 |
295 (375) |
375 (295) |
В0,75 |
D300 |
24,3 |
||
|
- |
||||||||
|
СБР2-B0,5D250 |
295 |
295 (375) |
375 (295) |
В0,5 |
D250 |
10,1 |
||
|
- |
||||||||
|
СБР2-B0,75D300 |
295 |
295 (375) |
375 (295) |
В0,75 |
D300 |
12,1 |
||
|
- |
||||||||
|
Простеночные блоки сплошные |
|
СБПр1-B0,5D250 |
595 |
295 |
375 |
В0,5 |
D250 |
19,0 |
|
- |
||||||||
|
СБПр1-В0,75D300 |
595 |
295 |
375 |
В0,75 |
D300 |
22,7 |
||
|
- |
||||||||
|
СБПр2-B0,5D250 |
295 |
295 |
375 |
В0,5 |
D250 |
8,7 |
||
|
- |
||||||||
|
СБПр2-В0,75D300 |
295 |
295 |
375 |
В0,75 |
D300 |
10,5 |
||
|
- |
||||||||
|
СБПр3-B0,5D250 |
595 |
375 |
295 |
В0,5 |
D250 |
18,8 |
||
|
- |
||||||||
|
СБПр3-B0,75D300 |
595 |
375 |
295 |
В0,75 |
D300 |
22,4 |
||
|
- |
||||||||
|
СБПр4-B0,5D250 |
295 |
375 |
295 |
В0,5 |
D250 |
8,5 |
||
|
- |
||||||||
|
СБПр4-В0,75D300 |
295 |
375 |
295 |
В0,75 |
D300 |
10,2 |
||
|
- |
||||||||
|
|
СБПр5-В0,5D300 |
595 |
295 |
375 |
В0,5 |
D250 |
17,6 |
|
|
- |
||||||||
|
СБПр5-В0,75D300 |
595 |
295 |
375 |
В0,75 |
D300 |
21,1 |
||
|
- |
||||||||
|
СБПр7-B0,5D250 |
595 |
375 |
295 |
В0,5 |
D250 |
17,2 |
||
|
- |
||||||||
|
СБПр7-В0,75D300 |
595 |
375 |
295 |
В0,75 |
D300 |
20,5 |
||
|
- |
||||||||
|
Перемычки |
|
|
1195 |
140 |
295 |
В0,75 |
D300 |
18 |
|
0,308 |
||||||||
|
|
1195 |
180 |
235 |
В0,75 |
D300 |
19,1 |
||
|
0,408 |
||||||||
|
|
1195 |
180 |
295 |
В0,75 |
D300 |
23,8 |
||
|
0,408 |
||||||||
|
|
1195 |
295 |
235 |
В0,75 |
D300 |
36,4 |
||
|
0,68 |
||||||||
|
|
1495 |
140 |
295 |
В0,75 |
D300 |
23,3 |
||
|
0,461 |
||||||||
|
|
1495 |
180 |
235 |
В0,75 |
D300 |
18,7 |
||
|
0,55 |
||||||||
|
|
1495 |
180 |
295 |
В0,75 |
D300 |
29,9 |
||
|
0,55 |
||||||||
|
|
1495 |
295 |
235 |
В0,75 |
D300 |
39,2 |
||
|
0,891 |
||||||||
|
|
1795 |
140 |
295 |
В0,75 |
D300 |
28,1 |
||
|
0,708 |
||||||||
|
|
1795 |
180 |
235 |
В0,75 |
D300 |
28,6 |
||
|
0,475 |
||||||||
|
|
1795 |
180 |
235 |
В0,75 |
D300 |
29,0 |
||
|
0,857 |
||||||||
|
|
1795 |
180 |
295 |
В0,75 |
D300 |
35,8 |
||
|
0,562 |
||||||||
|
|
1795 |
295 |
235 |
В0,75 |
D300 |
47,2 |
||
|
1,324 |
||||||||
|
|
1795 |
295 |
235 |
В0,75 |
D300 |
48,1 |
||
|
2,248 |
||||||||
|
|
2095 |
140 |
235 |
В1,0 |
D400 |
35,9 |
||
|
1,454 |
||||||||
|
|
2095 |
140 |
295 |
В0,75 |
D300 |
32,9 |
||
|
0,876 |
||||||||
|
|
2095 |
180 |
235 |
В0,75 |
D300 |
33,8 |
||
|
1,045 |
||||||||
|
|
2095 |
180 |
295 |
В0,75 |
D300 |
41,9 |
||
|
0,78 |
||||||||
|
|
2395 |
140 |
235 |
В0,75 |
D300 |
29,8 |
||
|
0,67 |
||||||||
|
|
2395 |
140 |
235 |
В1,0 |
D400 |
40,7 |
||
|
1,32 |
||||||||
|
|
2395 |
140 |
295 |
В0,75 |
D300 |
38,1 |
||
|
1,53 |
||||||||
|
|
2395 |
180 |
235 |
В0,75 |
D300 |
39,9 |
||
|
1,646 |
||||||||
|
|
2395 |
180 |
295 |
В0,75 |
D300 |
48,1 |
||
|
1,095 |
||||||||
|
|
2695 |
140 |
235 |
В1,5 |
D500 |
57,0 |
||
|
2,2 |
||||||||
|
|
2695 |
140 |
295 |
В1,0 |
D400 |
57,5 |
||
|
1,016 |
||||||||
|
|
2695 |
180 |
235 |
В1,0 |
D400 |
58,7 |
||
|
1,718 |
||||||||
|
|
2695 |
180 |
295 |
В0,75 |
D300 |
54,4 |
||
|
1,486 |
||||||||
|
|
2995 |
140 |
235 |
В1,0 |
D400 |
50,2 |
||
|
0,899 |
||||||||
|
|
2995 |
140 |
295 |
В1,0 |
D400 |
64,0 |
||
|
2,018 |
||||||||
|
|
2995 |
180 |
235 |
В0,75 |
D300 |
48,0 |
||
|
1,163 |
||||||||
|
|
2995 |
180 |
295 |
В0,75 |
D300 |
61,4 |
||
|
2,528 |
||||||||
|
|
1195 |
115 |
295 |
В2,0 |
D500 |
25,4 |
||
|
0,25 |
||||||||
|
|
1495 |
115 |
295 |
В2,0 |
D500 |
31,8 |
||
|
0,36 |
||||||||
|
|
1795 |
115 |
295 |
В2,0 |
D500 |
38,3 |
||
|
0,52 |
||||||||
|
|
2095 |
115 |
295 |
В2,0 |
D500 |
44,6 |
||
|
0,65 |
||||||||
|
|
2395 |
115 |
295 |
В2,0 |
D500 |
51,6 |
||
|
1,16 |
||||||||
|
|
2695 |
115 |
295 |
В2,0 |
D500 |
58,2 |
||
|
1,5 |
||||||||
|
|
2995 |
115 |
295 |
В2,0 |
D500 |
64,5 |
||
|
1,51 |
||||||||
|
Теплоизоляционные плиты |
|
ПТ9.6.1-D150 |
900 |
600 |
100 |
М2-М3,5 |
D150 |
10,3 |
|
- |
||||||||
|
ПТ9.6.1-D200 |
900 |
600 |
100 |
М2,5-М5 |
D200 |
13,5 |
||
|
- |
||||||||
|
ПТ6.6.0,8-D200 |
600 |
600 |
80 |
М2,5-М5 |
D200 |
7,2 |
||
|
- |
||||||||
|
Доборные стеновые элементы |
|
СДЭ1-B0,5D250 |
900 |
600 |
100 |
В0,5 |
D250 |
16,7 |
|
- |
||||||||
|
СДЭ1-B0,75D300 |
900 |
600 |
100 |
В0,75 |
D300 |
20,0 |
||
|
- |
||||||||
|
СДЭ2-B0,5D250 |
600 |
600 |
80 |
В0,5 |
D250 |
8,9 |
||
|
- |
||||||||
|
СДЭ2-B0,75D300 |
600 |
600 |
80 |
В0,75 |
D300 |
10,7 |
||
|
- |
||||||||
|
СДЭ3 |
295 (375) |
375 (295) |
60-235 |
В0,5; В0,75 |
D250; D300 |
2,1-9,6 |
||
|
- |
||||||||
Примечания:
1. Масса блоков и плит приведена с учетом отпускной влажности в % по объему: 4 - для D150, 5 - для D200, 6 - для D250, 7 - для D300, 10 - для D400 и 12 - для D500.
2. Марки стеновых блоков и доборных стеновых элементов приняты в соответствии с ТУ 5741-159-00284807-96** (с изм. № 1, 2, 3, 4). При этом наименование вида бетона (полистиролбетон) для краткости опущено.
3. Марки теплоизоляционных плит приняты в соответствии с ТУ 5760-160-00284807-96* (с изм. № 1, 2). При этом наименование вида бетона для краткости опущено.
4. Марки перемычек приняты в соответствии с Альбомом рабочих чертежей (шифр 22-2000) «Полистиролбетонные армированные перемычки для теплоэффективных стен зданий системы «Юникон» ВНИИжелезобетона».
5. По согласованию заказчика с изготовителем номенклатура полистиролбетонных изделий может предусматривать другие размеры, классы по прочности и марки по плотности, отличные от предусмотренных в ТУ и Альбомах рабочих чертежей, например, включать простеночные блоки с толщиной четверти 140 и 180 мм.
6. Для теплоизоляционных плит и добора размеры L и В являются максимальными. Меньшие размеры L и В могут быть получены распиливанием плит.
7. По согласованию заказчика с изготовителем толщина доборных элементов СДЭ3 может приниматься в пределах 60-235 мм.
|
Тип блока |
Эскиз |
Марка |
Размеры, мм |
Класс по прочности на сжатие |
Марка по средней плотности |
Масса, кг |
||
|
L |
В |
H |
||||||
|
Рядовые |
|
1СБР-30 |
2998 |
300 |
298 |
В0,5/В1,0 |
D250/D350 |
54,7/76,5 |
|
1СБР-27 |
2698 |
300 |
298 |
В0,5/В1,0 |
D250/D350 |
49,5/69,2 |
||
|
1СБР-9 |
898 |
300 |
295 |
В0,5/В1,0 |
D250/D350 |
16,6/23,2 |
||
|
|
2СБР-18 |
1798 |
300 |
148 |
В0,5/В1,0 |
D250/D350 |
16,6/23,2 |
|
|
2СБР-15 |
1498 |
300 |
148 |
В0,5/В1,0 |
D250/D350 |
13,8/19,4 |
||
|
Торцевые |
|
СБТ-18 |
1798 |
300 |
148 |
В0,5/В1,0 |
D250/D350 |
19,4/27,1 |
|
СБТ-15 |
1498 |
300 |
148 |
В0,5/В1,0 |
D250/D350 |
16,0/22,4 |
||
|
С четвертью |
|
СБЧ-18 |
1798 |
300 |
208 |
В0,5/В1,0 |
D250/D350 |
27,4/38,0 |
|
СБЧ-15 |
1498 |
300 |
208 |
В0,5/В1,0 |
D250/D350 |
22,8/31,6 |
||
|
Тип блока |
Эскиз |
Марка |
Размеры, мм |
Класс по прочности на сжатие |
Марка по средней плотности |
Масса, кг |
||
|
L |
В |
Н |
||||||
|
Рядовые |
|
СБР1-3 |
295 |
295 |
375 |
В0,5 |
D250 |
9,0 |
|
СБР2-3 |
295 |
595 |
375 |
В0,5 |
D250 |
19,4 |
||
|
СБР1-6 |
595 |
295 |
375 |
В0,5 |
D250 |
18,0 |
||
|
СБР2-6 |
595 |
595 |
375 |
В0,5 |
D250 |
34,9 |
||
|
СБР1-9 |
895 |
295 |
375 |
В0,5 |
D250 |
27,0 |
||
|
СБР2-9 |
895 |
595 |
375 |
В0,5 |
D250 |
58,5 |
||
|
СБР1-12 |
1195 |
295 |
375 |
В0,5 |
D250 |
36,1 |
||
|
СБР2-12 |
1195 |
595 |
375 |
В0,5 |
D250 |
77,9 |
||
|
Простеночные |
|
СБПр-3 |
295 |
295 |
375 |
В0,5 |
D250 |
8,5 |
|
СБПр-6 |
595 |
295 |
375 |
В0,5 |
D250 |
17,0 |
||
|
СБПр-9 |
895 |
295 |
375 |
В0,5 |
D250 |
25,5 |
||
|
СБПр-12 |
1195 |
295 |
375 |
В0,5 |
D250 |
34,0 |
||
|
Угловые |
|
СБУ-3 |
295 |
433 |
433 |
В0,5 |
D250 |
16,6 |
|
СБУ-6 |
595 |
433 |
433 |
В0,5 |
D250 |
33,2 |
||
|
СБУ-9 |
895 |
433 |
433 |
В0,5 |
D250 |
49,8 |
||
|
СБУ-12 |
1195 |
433 |
433 |
В0,5 |
D250 |
66,4 |
||
|
Перемычки |
|
СБП1-15 |
1495 |
120 |
295 |
В1,0/В0,75 |
D350/D300 |
22,8/19,6 |
|
СБП2-15 |
|
250 |
235 |
|
|
37,9/32,4 |
||
|
СБП1-18 |
1795 |
120 |
295 |
В1,0/В0,75 |
D350/D300 |
27,4/23,5 |
||
|
СБП2-18 |
|
250 |
235 |
|
|
45,4/39,1 |
||
|
СБП1-21 |
2095 |
120 |
295 |
В1,0/В0,75 |
D350/D300 |
31,9/27,5 |
||
|
СБП2-21 |
|
250 |
235 |
|
|
53,1/45,6 |
||
|
СБП1-24 |
2395 |
120 |
295 |
В1,0/В0,75 |
D350/D300 |
36,5/31,5 |
||
|
СБП2-24 |
|
250 |
235 |
|
|
60,6/52,2 |
||
|
|
СБПГ |
595 |
375 |
295 |
В1,0/В0,75 |
D350/D300 |
19,1/16,5 |
|
5.1.1. Кладка стен из полистиролбетонных блоков производится на клеевых композициях. Расчетная толщина клеевых швов горизонтальных (армированных) - 4 (5) мм, вертикальных (неармированных) - 2 (3) мм.
5.1.2. Для цокольной части фасадной стены и первых нежилых этажей применение полистиролбетона не рекомендуется.
5.1.3. При облицовке стен лицевым пустотелым кирпичом в рабочей документации обязательно указание о порядовке полистиролбетонных блоков и кирпичной облицовки. При этом швы кирпичной кладки и полистиролбетонных блоков должны совпадать по уровню.
5.1.4. Между верхом кладки из полистиролбетонных блоков и перекрытием следует оставлять зазор, обеспечивающий независимость деформаций плит перекрытия и наружных стен. Зазор рекомендуется заполнять минеральной ватой на каменной основе. Величина зазора определяется допустимыми деформациями плиты перекрытия (1/200÷1/400 пролета плиты), но не менее 15 мм и не более 30 мм.
5.1.5. Крепление верха кладки из полистиролбетонных блоков к примыкающей к ней плите перекрытия допускается осуществлять металлическими штырями, забиваемыми в кладку у плит перекрытий или через отверстия, оставленные в перекрытиях. Размеры, количество и шаг штырей рекомендуется определять расчетом из условия недопущения смятия полистиролбетона в зоне их анкеровки при воздействии на стену ветровых нагрузок. Расстояние от места установки штыря до края полистиролбетонного блока принимается не менее 100 мм.
5.1.6. Опирание кирпичного облицовочного слоя рекомендуется осуществлять на несущие конструкции перекрытий с термовкладышем или на закрепленные к несущим конструкциям металлические опорные элементы. При этом для стен жилых зданий рекомендуется применение полистиролбетонных блоков плотностью 250 кг/м3 и толщиной 295 мм.
5.1.7. Для утепления наружной монолитной железобетонной несущей стены полистиролбетонные блоки плотностью 250 кг/м3 толщиной 295 мм для жилых зданий укладываются с применением, при необходимости, доборных элементов, изготавливаемых на ЗАО «Юникон-ЗСК» или на стройплощадке путем разрезки блоков. Блоки опираются на консольные выпуски плит перекрытия с термовкладышами.
5.1.8. Для повышения несущей способности навесных стен, для которых основной нагрузкой является ветровая, штукатурный слой толщиной 20 мм выполняется из цементно-песчаного раствора марки 100 и выше для фасадов и марки не ниже 50 с внутренней стороны и при этом армируется оцинкованной стальной сеткой (с фасадной стороны здания) и не оцинкованной (с внутренней стороны) из проволоки диаметром 1...1,2 мм с ячейкой, сторона которой принимается не более 10 мм. Эта сетка должна быть надежно заанкерена в клеевых горизонтальных швах с помощью стержней из проволоки Æ3 ВрI с крючками на концах, к которым вязальной проволокой привязывается штукатурная сетка.
5.1.9. Каждый анкер крепления облицовочных слоев состоит из двух стержней диаметром Æ3 ВрI: один стержень служит для крепления наружной (фасадной) облицовки, другой для крепления облицовки с внутренней стороны стены. Стержни каждой пары (одного анкера) расположены на расстоянии 60 мм друг от друга и в средней части толщины блока стыкуются внахлестку с перепуском (длиной нахлестки) 100 мм. Стержни анкеруются в горизонтальных швах за счет наличия на концах крючков и сцепления с клеем. Таким способом осуществляется гибкая связь между внутренним и наружным облицовочным слоем и не допускается образование «мостика холода». Для надежной анкеровки стержней швы должны быть полностью заполнены клеевой композицией.
5.1.10. Анкерующие стержни для наружных облицовочных слоев (штукатурки или кирпича) стен жилых зданий выполняются из оцинкованных стержней (проволоки). При этом расчет стены на восприятие ветровой нагрузки должен проводиться как 3-х слойной композитной конструкции.
Для зданий I класса ответственности (по классификации приложения к СНиП 2.01.07-85) с целью повышения надежности работы наружных стен на восприятие расчетных ветровых нагрузок необходимо предусматривать для фасадов использование высококачественной штукатурки марки не ниже M100 по рекомендациям ЦНИИСКа им. В.А. Кучеренко, проводить расчет стены на ветровые нагрузки как 2-х слойной конструкции (полистиролбетонная кладка из блоков с внутренним армированным штукатурным слоем) и при необходимости использовать полистиролбетонные блоки плотностью D300-D350 толщиной 375 мм.
5.1.11. Возможно для крепления сеток штукатурного слоя, а также для усиления внецентренно сжатых стен, армировать горизонтальные клеевые швы зигзагообразными стальными сетками из проволоки диаметром 3 мм или сетками для армоцементных конструкций диаметром 0,5-1,2 мм (СНиП 2.03.03-85, Приложение 2).
5.1.12. При поперечном армировании стальные связи для крепления облицовочных слоев из армированного штукатурного слоя или лицевого пустотелого кирпича следует укладывать так, чтобы места крепления располагались на расстоянии не более 600 мм по горизонтали и 300 (375 мм) по вертикали.
5.1.13. Для зданий средней и повышенной этажности не допускается применение в стенах полистиролбетонных блоков без их облицовки с фасадной стороны кирпичом или армированной штукатуркой и с внутренней стороны слоем армированной штукатурки или гипсоволокнистыми листами (ГВЛ) в 2 слоя (толщина не менее 20 мм).
5.1.14. Толщина слоя штукатурки на откосах должна быть не менее 30 мм у оконных и дверных блоков и не менее 20 мм у края откосов с обязательным армированием штукатурного слоя стальными сетками.
5.1.15. В случае необходимости, в соответствии с расчетом, стена из полистиролбетонных блоков для обеспечения ее работы на ветровые нагрузки может быть усилена стальным фахверком. Стойки фахверка устанавливаются изнутри здания (см. рис. 6.3).
5.1.16. Стальные стойки фахверка рассчитываются на восприятие ветровой нагрузки, как правило, без участия стены по условиям прочности и жесткости. Рекомендуется, чтобы их прогиб не превышал 1/500 пролета.
5.1.17. Антикоррозионная защита закладных деталей и связей в узлах крепления наружных полистиролбетонных стен к несущим конструкциям зданий осуществляется в соответствии со СНиП 2.03.11-85* «Защита строительных конструкций от коррозии». При этом допускается замена протекторного грунта ХВ-784 с цинковым напылением на менее дефицитные и менее дорогие материалы, например полиуретановый грунт «Стилпейнт» (Германия). Во всех случаях закладные детали должны быть защищены слоем цементно-песчаного раствора класса по прочности не ниже В15 толщиной не менее 20 мм.
5.2.1. Ненесущие наружные стены из сплошных полистиролбетонных блоков с оштукатуриванием фасадной и внутренней стороны для зданий средней и повышенной этажности рекомендуется проектировать с неполным опиранием полистиролбетонных блоков на перекрытия или фасадные ригели (рис. 5.1). При этом консольный свес нижнего ряда блоков стены верхнего этажа не должен превышать 1/3 ширины блока В.
Для устойчивости положения блоков при их монтаже, кроме установки временных креплений (подкосов) под нижний ряд блоков, рекомендуется подкладывать временные опоры, например, деревянные подкладки на месте расположения теплоизоляционной плиты в торце плиты перекрытия. После проектного закрепления стены к несущим конструкциям здания временные крепления демонтируются.
Перемычки равновысокие или разновысокие оштукатуриваются с боковых и нижней сторон по стальной мелкоячеистой сетке, при этом нижний штукатурный слой имеет толщину 30 мм.
Торец фасадной части перекрытия или ригеля утепляется вставкой из полистиролбетона плотностью D150-D200 или этой вставкой (снаружи) и слоем негорючего эффективного утеплителя.
5.2.2. При проектировании ненесущих наружных стен с балконами (лоджиями) из сплошных полистиролбетонных блоков с оштукатуриванием фасадной и внутренней стороны следует предусматривать утепление перекрытий термовкладышами и опирание блоков на перекрытие (фасадные ригели) и балконные плиты (рис. 5.2).
Балконные плиты или консольная часть плиты перекрытия отделяются от основной части плиты перекрытия вставками (вкладышами) из эффективного негорючего утеплителя толщиной не менее 175 мм, разделенными железобетонными шпонками. Шпонки расположены на расстоянии, например 1200 мм друг от друга.
5.2.3. Ненесущие наружные стены из сплошных полистиролбетонных блоков с облицовкой фасадной стороны стен лицевым пустотелым кирпичом и внутренней стороны армированной штукатуркой (рис. 5.3) следует проектировать с опиранием полистиролбетонных стеновых блоков и кирпичной облицовки на перекрытие или фасадный ригель с термовкладышем. С этой целью две части фасадного ригеля или перекрытия соединены между собой шпонками (рис. 5.4), расположенными с шагом, например 1200 мм. В конкретных проектах зданий толщина и шаг шпонок между термовкладышами определяются прочностными и теплотехническими расчетами.
Облицовочный кирпич опирается на консольный выпуск перекрытия всей опорной поверхностью. Возможно опирание кирпича с напуском не более 1/3 его толщины, т.е. не более 40 мм. В этом случае ниша под кирпичной облицовкой и торцом перекрытия заполняется кладкой из резаного лицевого пустотелого кирпича толщиной 35 мм, которая приклеивается к торцу плиты перекрытия.
Возможно также неполное опирание лицевого пустотелого кирпича на стальной уголок, который приваривается к закладным деталям, располагаемым в торце плиты перекрытия (рис. 5.9, 5.10).
Внутренние несущие железобетонные стены в узлах стыковки с наружными полистиролбетонными входят в эти стены (рис. 5.4) не более, чем на 40 мм (включая штукатурный слой), в связи с чем не ухудшаются теплофизические характеристики наружных стен. Облицовочный кирпичный слой, расположенный над оконным проемом, опирается на стальные уголки, устанавливаемые на кирпичную кладку в простенках.
Кирпичная облицовка крепится к полистиролбетонным блокам с помощью стальных анкеров, расположенных в совпадающих горизонтальных швах кладки из стеновых блоков и кладки из облицовочного кирпича. Шаг анкеров из проволоки Æ3 ВрI должен быть не более 600 мм по горизонтали и 300...400 мм по вертикали, т.е. они укладываются в каждый горизонтальный клеевой шов между стеновыми блоками.
5.2.4. При проектировании наружных стен из сплошных полистиролбетонных блоков с облицовкой фасадной стороны лицевым пустотелым кирпичом с расшивкой швов и армированной штукатуркой внутренней стороны балконные плиты (рис. 5.5) выполняются как продолжение плиты перекрытия (фасадного ригеля). Балконные плиты отделяются от фасадного ригеля или плиты перекрытия термовкладышами из эффективного негорючего утеплителя толщиной не менее 175 мм и соединяются с плитой (фасадным ригелем) шпонками. Шпонки расположены на расстоянии, например 1200 мм друг от друга. В местах расположения балконной двери выполняется порог. Для этого рекомендуется использовать полистиролбетонный стеновой блок (или его часть), облицованный армоцементным слоем толщиной 20 мм из мелкозернистого бетона класса по прочности не ниже В20 с армированием в два ряда мелкоячеистой стальной сеткой. Облицовка армоцементом делается с целью защитить порог от ударов, которые возможны при эксплуатации балкона (лоджии).
1 - рядовые полистиролбетонные блоки, 2 - полистиролбетонные перемычки, 3 - армированный штукатурный слой, 4 - полистиролбетонная теплоизоляционная плита, 5 - железобетонная плита перекрытия, 6 - мягкая негорючая прокладка, 7 - доборный полистиролбетонный блок
Рис. 5.1. Вертикальное сечение наружной ненесущей стены со штукатурными отделочными слоями
1 - рядовые полистиролбетонные блоки, 2 - полистиролбетонные перемычки, 3 - армированный штукатурный слой, 4 - термовкладыш, 5 - железобетонная плита перекрытия, 6 - балконная плита, 7 - доборный полистиролбетонный блок
Рис. 5.2. Вертикальное сечение ненесущей наружной стены со штукатурными отделочными слоями при ее опирании на перекрытие с балконной плитой
1 - рядовые полистиролбетонные блоки, 2 - полистиролбетонные перемычки, 3 - облицовочный пустотелый кирпич, 4 - термовкладыш, 5 железобетонная плита перекрытия, 6 - доборный полистиролбетонный блок, 7 - мягкая негорючая прокладка, 8 - армированный штукатурный слой, 9 - стальной уголок
Рис. 5.3. Вертикальное сечение ненесущей стены с кирпичной фасадной облицовкой
I-I (см. рис. 5.3)
1 - железобетонная плита перекрытия с отверстиями для термовкладышей, 2 - несущая поперечная железобетонная стена, 3 - облицовочный пустотелый кирпич, 4 - термовкладыш, 5 - железобетонные шпонки плиты перекрытия
Рис 5.4. Горизонтальное сечение ненесущей наружной стены с кирпичной облицовкой в плоскости перекрытия
1 - рядовые полистиролбетонные блоки, 2 - полистиролбетонные перемычки, 3 - облицовочный пустотелый кирпич, 4 - термовкладыш, 5 - железобетонная плита перекрытия, 6 - армированный штукатурный слой, 7 - балконная плита, 8 - доборный полистиролбетонный блок
Рис. 5.5. Вертикальное сечение ненесущей наружной стены с кирпичной фасадной облицовкой при ее опирании на перекрытие с балконной плитой
5.2.5. При утеплении монолитных несущих железобетонных наружных стен сплошными полистиролбетонными блоками с отделочным армированным штукатурным слоем с фасадной стороны, плита перекрытия выпускается консолью за грань фасадной поверхности монолитной железобетонной несущей стены. Фасадная (торцевая) сторона консоли утепляется полистиролбетонной теплоизоляционной плитой (рис. 5.6). Полистиролбетонные блоки имеют неполное опирание на железобетонную консоль по аналогии с решением, принятым для ненесущей стены (см. рис. 5.1). В отдельные горизонтальные швы кладки между полистиролбетонными блоками забиваются монтажные стальные элементы «Г»-образной формы, которые с помощью стальных соединительных монтажных элементов привариваются к закладным деталям монолитных несущих стен.
5.2.6. При утеплении монолитных несущих железобетонных наружных стен сплошными полистиролбетонными блоками с облицовкой фасадной стороны лицевым пустотелым кирпичом, плита перекрытия выпускается консолью на грань фасадной поверхности монолитной железобетонной несущей стены (рис. 5.7). В консоли устраивается термовкладыш из эффективного негорючего утеплителя. При этом две части консоли соединяются между собой шпонками, расположенными на расстоянии, например 1200 мм друг от друга. Кирпичная облицовка опирается на консоль перекрытия. В отдельные горизонтальные швы кладки между полистиролбетонными блоками в них забиваются монтажные стальные элементы «Г»-образной формы, которые с помощью стальных соединительных элементов привариваются к закладным деталям монолитных несущих стен.
5.2.7. При утеплении монолитных несущих железобетонных наружных стен с оконным проемом сплошными полистиролбетонными блоками с облицовкой фасадной стороны лицевым пустотелым кирпичом, плита перекрытия выпускается консолью за грань фасадной поверхности монолитной железобетонной несущей стены (рис. 5.8). Перемычки из полистиролбетона опираются на кладку из полистиролбетонных блоков в простенках. Облицовочный кирпичный слой, расположенный над оконным проемом, опирается на стальные уголки, устанавливаемые на кирпичную кладку в простенках.
В консоли перекрытия устраиваются термовкладыши из эффективного негорючего утеплителя. При этом две части консоли соединяются между собой шпонками, расположенными на расстоянии примерно 1200 мм друг от друга.
Облицовочный кирпичный слой опирается на консоль перекрытия и крепится к полистиролбетонным блокам стальными оцинкованными анкерами из проволоки Æ3 BpI, расположенными в клеевых горизонтальных швах кладки из полистиролбетонных блоков и совпадающих по высоте растворных швах кирпичной облицовки. Анкера расположены на расстоянии друг от друга не более 600 мм по горизонтали и не более 400 мм по вертикали.
5.2.8. При необходимости крепления к кирпичным фасадам здания к ненесущей стене навесного оборудования, в зоне крепления над перекрытием часть стены рекомендуется выполнить из утолщенной кладки из полнотелого кирпича и вставки из полистиролбетона плотностью D150-D200 (рис. 5.9). Кладка усиливается горизонтальными и вертикальными арматурными стержнями, которые привариваются к закладным деталям плиты перекрытия или заанкериваются в ней.
1 - полистиролбетонные блоки, 2 - железобетонная несущая плита, 3 - армированный штукатурный слой, 4 - полистиролбетонная теплоизоляционная плита, 5 - железобетонная плита перекрытия, 6 - железобетонная опорная консоль
Рис. 5.6. Вертикальное сечение несущей наружной стены с оштукатуренной фасадной поверхностью
1 - полистиролбетонные блоки, 2 - железобетонная несущая плита, 3 - облицовочный пустотелый кирпич, 4 - термовкладыш, 5 - железобетонная плита перекрытия, 6 - железобетонная опорная консоль
Рис. 5.7. Вертикальное сечение несущей наружной стены с кирпичной фасадной облицовкой
1 - полистиролбетонные блоки, 2 - полистиролбетонные перемычки, 3 - облицовочный пустотелый кирпич, 4 - термовкладыш, 5 - железобетонная плита перекрытия, 6 - несущая железобетонная стена, 7 - стальной уголок
Рис. 5.8. Вертикальное сечение по проему несущей наружной стены с кирпичной фасадной облицовкой
1 - полистиролбетонные блоки, 2 - полистиролбетонные перемычки, 3 - облицовочный пустотелый кирпич, 4 - вставка из полистиролбетонной теплоизоляционной плиты, 5 - железобетонная плита перекрытия, 6 - утолщенная кладка из полнотелого кирпича для крепления навесного оборудования на фасаде здания, 7 - опорный уголок облицовки
Рис. 5.9. Вертикальное сечение наружной ненесущей стены для случая крепления на кирпичный фасад навесного оборудования
5.2.9. При проектировании монолитных ненесущих наружных стен из полистиролбетона рекомендуется их опирание производить на плиты перекрытий с термовкладышем. Монолитные стены должны иметь расчетную и конструктивную арматуру в соответствии с указаниями п. 5.48 СНиП 2.03.01-84. Кроме того, необходимо предусмотреть противоосадочную арматуру в виде горизонтальных сеток с шагом по высоте не более 600 мм. Арматурный каркас стен включает армирование перемычек. Этот каркас должен с помощью сварки соединяться с выпусками арматуры из плиты перекрытия или ее закладными деталями.
5.2.10. При проектировании криволинейных или ломаных в плане наружных стен из полистиролбетона с использованием кирпичной облицовки их опирание рекомендуется производить на плиты перекрытия с термовкладышами. Перемычки этих стен выполняются из полистиролбетона монолитными с пространственным арматурным каркасом, связанным с арматурой перекрытия, а сборные прямолинейные перемычки в месте их сопряжения подвешиваются к несущим перекрытиям (рис. 5.10 и рис. 5.11).
5.2.11. Ненесущие наружные стены из монолитного полистиролбетона с оштукатуриванием наружной и внутренней стороны по стальной мелкоячеистой сетке рекомендуется проектировать с полным опиранием блоков на перекрытие с термовкладышами (без свесов). При этом термовкладыш из эффективного негорючего утеплителя защищается от увлажнения асбестоцементным листом (рис. 5.12).
Для крепления штукатурной сетки, из монолитного полистиролбетона делаются выпуски из проволоки Æ3 BpI, которые пропускаются через отверстия в опалубке и после ее снятия отгибаются для образования крючков. В теле стены выпуски привязываются к арматуре, расположенной в монолитном полистиролбетоне и располагаются с шагом не более 600 мм по горизонтали и не более 400 мм по вертикали.
Стена армируется расчетной и конструктивной арматурой, в т.ч. противоосадочными горизонтальными сетками, расположенными на расстоянии не более 600 мм друг от друга.
Перемычка над оконным (дверным) проемом также из монолитного полистиролбетона армируется стальным пространственным каркасом.
5.2.12. Несущие стены из сплошных полистиролбетонных блоков плотностью 400-550 кг/м3 с оштукатуриванием наружной и внутренней стороны по стальной мелкоячеистой сетке рекомендуется проектировать для зданий высотой 1-2 этажа с применением сборных многопустотных железобетонных плит перекрытий (рис. 5.13).
Железобетонная плита перекрытия опирается на усиленные полистиролбетонные перемычки или на доборные стеновые полистиролбетонные элементы, уложенные на эти перемычки. Полистиролбетонные перемычки с плоским горизонтальным арматурным каркасом усиливаются в растянутой зоне внешним армированием из стальных уголков или армируются при изготовлении пространственным каркасом, позволяющим передавать на перемычки нагрузку от плиты перекрытия вместе с полезной нагрузкой на нее.
Глубина опирания плит перекрытия на стену должна быть не менее двух третей толщины стены (без учета отделочных слоев). По противопожарным требованиям все пустоты сборных плит перекрытия, ориентированные к наружной стене, заделываются на глубину опирания плиты минеральной ватой, смоченной в цементно-песчаном растворе, или закладываются бетонными вкладышами.
Торец перекрытия утепляется эффективным негорючим утеплителем.
1 - полистиролбетонные блоки, 2 - полистиролбетонные ломаные в плане перемычки, 3 - облицовочный пустотелый кирпич, 4 - термовкладыш, 5 - железобетонная плита перекрытия, 6 - опорный уголок кирпичной облицовки
Рис. 5.10. Вертикальное сечение наружной ненесущей стены с кирпичной фасадной облицовкой и ломаными в плане полистиролбетонными перемычками
1 - полистиролбетонные блоки, 2 - полистиролбетонные монолитные криволинейные в плане перемычки, 3 - облицовочный пустотелый кирпич, 4 - термовкладыш, 5 - железобетонная плита перекрытия, 6 - опорный стальной уголок облицовки
Рис. 5.11. Вертикальное сечение наружной ненесущей стены с кирпичной фасадной облицовкой и криволинейными в плане полистиролбетонными монолитными перемычками
Рис. 5.12. Ненесущая стена из монолитного полистиролбетона с кирпичным фасадом
Рис. 5.13. Несущая стена из полистиролбетонных блоков с оштукатуриванием наружной и внутренней сторон
5.2.13. Несущую стену из сплошных полистиролбетонных блоков плотностью 400-550 кг/м3 с облицовкой наружной поверхности лицевым пустотелым кирпичом и оштукатуриванием внутренней поверхности цементно-песчаным раствором по стальной мелкоячеистой сетке рекомендуется проектировать с опиранием блоков на перекрытие со свесами в сторону фасада здания и утеплением торца перекрытия эффективным негорючим утеплителем. Перекрытие рекомендуется проектировать из сборных многопустотных железобетонных плит, укладываемых на стены, в т.ч. на перемычки или доборные элементы (рис. 5.14). Глубина опирания плит перекрытия на стену должна быть не менее двух третей толщины полистиролбетонных блоков. Все пустоты сборных железобетонных плит, ориентированные к фасадной стороне стены, заделываются на глубину опирания плиты минеральной ватой, смоченной в цементно-песчаном растворе, или закладываются бетонными вкладышами.
Кирпичная облицовка несущих стен из сплошных полистиролбетонных блоков опирается на фундаментные конструкции зданий высотой до 2-х этажей включительно.
Перемычки усиливаются стальными уголками. Эти уголки и низ перемычек защищаются от огневого воздействия при пожаре армированным штукатурным слоем толщиной 30 мм.
5.2.14. Несущие стены с применением полистиролбетонных блоков плотностью 250-350 кг/м3 в жилых и общественных зданиях высотой до 12 этажей рекомендуется проектировать с использованием перекрестно-пустотных блоков. Перекрестно-пустотные блоки служат несъемной опалубкой для внутреннего каркаса из монолитного железобетона и одновременно выполняют функции утеплителя стены (рис. 5.15 и 5.16).
Блоки имеют вертикальные и горизонтальные пустоты круглого и полукруглого сечения. После монтажа блоков и их склеивания в стене образуется система взаимно перпендикулярных каналов, создающих внутреннюю решетку. Каналы армируют каркасами и заполняют бетоном, после чего в стене образуется внутренний несущий железобетонный каркас, воспринимающий все нагрузки на стену. На внутренний железобетонный каркас стены опирается монолитная железобетонная плита перекрытия.
Горизонтальные каналы рядовых блоков, выходящие на угол здания, «закрывают» торцевыми блоками, в которых горизонтальные каналы отсутствуют. Аналогично горизонтальные каналы рядовых блоков, выходящие на откосы оконных и дверных проемов, «закрывают» блоками с четвертью.
Пустотные блоки имеют облицовку из армированной штукатурки; армирование выполняется стальной сеткой из стержней Æ1 мм с ячейкой 10(20)×10(20) мм. Для крепления сетки используют скобы из проволоки Æ3 ВрI с крючками на концах. На наружный крючок привязывают штукатурную сетку, другой служит для анкеровки скобы в железобетонном каркасе.
5.2.15. Несущие наружные стены общественных зданий с применением полистиролбетона плотностью 250-350 кг/м3 со значительными нагрузками на эти стены рекомендуется проектировать с использованием полупустотных блоков (блоков с трапециевидными выступами), которые служат несъемной опалубкой и утеплением наружных стен (рис. 5.17, 5.18).
Кроме несъемной полистиролбетонной опалубки с фасадной стороны стены, для возведения несущей части стены - монолитной ребристой железобетонной диафрагмы - используется съемная щитовая опалубка (или оставляемая опалубка, например, из армоцементных плит или влагостойких ГВЛ), устанавливаемая со стороны помещения.
Монолитная ребристая железобетонная диафрагма воспринимает все действующие на стену нагрузки.
Рядовые полупустотные стеновые блоки имеют в углах пазы, с помощью которых образуются ребра диафрагмы (см. номенклатуру блоков); ребра диафрагмы армируют каркасами, а полку диафрагмы - сеткой.
Монолитное железобетонное перекрытие опирается на несущую железобетонную диафрагму. Для образования надоконной (наддверной) перемычки используют монолитный железобетонный элемент и специальные армированные полистиролбетонные блоки.
Рис. 5.14. Несущая стена из полистиролбетонных сплошных блоков с облицовкой фасада лицевым пустотелым кирпичом
1 - рядовой блок, 2 - торцевой блок, 3 - блок с четвертью, 4 блок-плита, 5 - монолитная железобетонная стена, 6 - монолитное железобетонное перекрытие, 7 - армированная штукатурка, 8 - прорези в полистиролбетоне, выполняемые на стройплощадке и заполняемые бетоном для решетки, 9 - оси элементов внутренней железобетонной решетки
Рис. 5.15. Несущая стена из полистиролбетонных перекрестно-пустотных блоков
Рис 5.16. Вертикальное сечение несущей стены из полистиролбетонных перекрестно-пустотных блоков (обозначения на рис. 5.15)
1 - рядовой блок, 2 - угловой блок, 3 - блок с четвертью, 4 - железобетонная монолитная ребристая диафрагма, 5 - перемычка, 6 - монолитная железобетонная внутренняя стена, 7 - армированная штукатурка
Рис 5.17. Ненесущая наружная стена из полупустотных блоков (блоков с трапециевидными выступами)
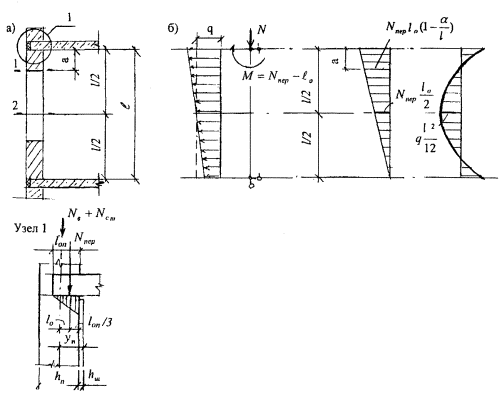
Рис. 5.18. Вертикальное сечение по оконному проему несущей стены из полупустотных блоков (наименование поз. см. рис. 5.17)
5.3.1. В надоконной части оконного и дверного проемов укладываются две равновысокие перемычки или две разновысокие перемычки, или одна перемычка шириной, равной толщине стенного блока.
При двух равновысоких или одной широкой перемычке верхняя четверть образуется за счет армированного штукатурного слоя толщиной 30 мм по низу наружной перемычки или по низу кирпичной облицовки. В последнем случае штукатурка также защищает от коррозии стальной уголок, на который опирается кирпичная облицовка, и от огневых воздействий при пожаре.
При двух разновысоких перемычках обеспечивается образование верхней четверти. При этом низкая перемычка в опорных зонах укладывается на подкладки из полистиролбетона.
5.3.2. Перемычки над оконными и дверными проемами выполняются из полистиролбетона класса по прочности не ниже В0,75 с армированием растянутой зоны плоским горизонтальным арматурным каркасом, состоящим из продольной и поперечной арматуры, а также анкерующих приспособлений в виде поперечных стержней, полосы, уголка или других элементов, приваренных к продольным стержням.
5.3.3. При необходимости проектирования ломаных или криволинейных в плане перемычек рекомендуется ориентироваться на их изготовление на стройплощадке в виде монолитных элементов по заданному криволинейному или ломаному профилю в плане здания. Перемычки армируются пространственным арматурным криволинейным или ломаным в плане каркасом из продольной и поперечной арматуры, а также анкерующих элементов из отрезков уголка, полосы и др., приваренных к продольным арматурным стержням. В месте излома перемычек или по длине их пролетов рекомендуется предусматривать дополнительные выпуски для «подвески» перемычки к несущим конструкциям здания, например, к плитам перекрытия.
5.3.4. Рекомендуется при проектировании ломаных или криволинейных в плане перемычек в виде монолитных элементов их арматурный каркас объединять с арматурным каркасом несущих конструкций здания, в частности с плитами перекрытий вышележащего этажа или с фасадными ригелями. При этом высоту перемычек рекомендуется назначать равной расстоянию от верха проема до плит перекрытия вышележащего этажа или до фасадного ригеля.
5.3.5. При проектировании ломаных и криволинейных перемычек, «подвешенных» к вышерасположенному покрытию, в связи с возможным прогибом перекрытия и соответствующим перемещением перемычки между перемычкой и расположенными ниже полистиролбетонными стеновыми элементами рекомендуется предусматривать зазор, заполняемый сжимаемым негорючим материалом, например минеральной ватой на каменной основе.
5.3.6. Допускается проектирование ломаных перемычек из нескольких прямолинейных перемычек с «подвеской» узлов сопряжения к плитам перекрытия. При этом узлы подвески рекомендуется объединять уголками, служащими опорами для облицовочного кирпичного слоя, или специального уголка под перемычками в случае отсутствия кирпичной облицовки.
5.3.7. Рекомендуется армирование ломаных и криволинейных перемычек выполнять в виде пространственного каркаса.
5.4.1. Утепленные покрытия над отапливаемым помещением рекомендуется проектировать с применением монолитного теплоизоляционного полистиролбетона плотностью 150-200 кг/м3 (рис. 5.19), при использовании которого упрощается формирование уклонов для водостока. Возможно также применение в качестве утеплителя полистиролбетонных плит плотностью 150-200 кг/м3.
Толщину монолитного полистиролбетона или число слоев полистиролбетонных теплоизоляционных плит определяют на основе расчета сопротивления теплопередаче покрытия.
Полистиролбетон плотностью 150-200 кг/м3 (марки по прочности на сжатие не менее М2) имеет прочность, позволяющую выполнять кровельное покрытие без устройства специальной армированной толстой растворной стяжки. В то же время может быть использована выравнивающая растворная стяжка толщиной не более 5 мм.
Полистиролбетон укладывается на железобетонные плиты покрытия по слою пароизоляции.
5.4.2. Утепление чердачного перекрытия при неотапливаемом чердаке рекомендуется проектировать с применением полистиролбетонных теплоизоляционных плит - рис. 5.20.
Для утепления используется полистиролбетон плотностью 150-200 кг/м3 при марке по прочности не менее М2.
Толщину утеплителя из полистиролбетона определяют на основе теплотехнического расчета чердачного перекрытия в совокупности с утепленным покрытием.
С учетом нагрузок от людей и оборудования на чердачном перекрытии определяют толщину растворной стяжки по верху теплоизоляционного слоя не менее 30 мм.
5.4.3. Утепление перекрытий над неотапливаемым подвалом (техподпольем, проездом) рекомендуется проектировать с применением монолитного полистиролбетона или полистиролбетонных теплоизоляционных плит (рис. 5.21).
Для утепления используется полистиролбетон плотностью 150...200 кг/м3 и прочностью 2...3,5 кг/см2.
Толщину монолитного полистиролбетона или число слоев полистиролбетонных теплоизоляционных плит определяют из расчета сопротивления теплопередаче перекрытия.
В связи с тем, что нагрузки на перекрытие над неотапливаемым подвалом (техподпольем, проездом) могут быть значительными, по верху полистиролбетонного утеплителя рекомендуется выполнять армированную стальными сетками растворную стяжку толщиной не менее 30 мм.
5.5.1. Опирание на железобетонные перекрытия сплошных полистиролбетонных блоков в наружных ненесущих стенах, оштукатуриваемых с фасадной и внутренней стороны, рекомендуется принимать с напуском, не превышающим 1/3 толщины блока В (рис. 5.22). Перемычки выполняются со штукатуркой боковых (фасадной и внутренней) и нижней сторон, причем с нижней стороны штукатурка имеет толщину 30 мм. Фасадная часть перекрытия или фасадного ригеля утепляется вставкой из теплоизоляционной плиты плотностью 150-200 кг/м3 толщиной 100 мм и негорючим эффективным утеплителем (при толщине блоков В>295 мм). Под плитой перекрытия оставляется зазор (деформационный шов), заполняемый мягким негорючим материалом.
1 - монолитный полистиролбетон, 2 - железобетонная плита перекрытия, 3 - термовкладыш, 4 - полистиролбетонные блоки, 5 - штукатурка по металлической сетке
Рис. 5.19. Утепление кровельных покрытий с применением монолитного полистиролбетона
1 - железобетонная плита перекрытия, 2 - полистиролбетонная теплоизоляционная плита, 3 - деформационный шов
Рис. 5.20. Утепление чердачного перекрытия при неотапливаемом чердаке с применением полистиролбетонных теплоизоляционных плит
1 - железобетонная плита перекрытия, 2 - теплоизоляционная полистиролбетонная плита D150-200
Рис. 5.21. Утепление перекрытий над неотапливаемым подвалом (техподпольем, проездом)
1 - рядовой полистиролбетонный блок, 2 - полистиролбетонные перемычки, 3 - штукатурный армированный слой, 4 - полистиролбетонная теплоизоляционная плита, 5 - железобетонная плита перекрытия, 6 - внешний откос, 7 - внутренний откос, 8 - деформационный шов из негорючей минваты, 9 - доборный полистиролбетонный блок
Рис. 5.22. Вариант узла опирания наружной ненесущей стены со штукатурными отделочными слоями на перекрытие
5.5.2. В узлах опирания наружных ненесущих стен из сплошных полистиролбетонных блоков, оштукатуриваемых с фасадной и внутренней стороны, на железобетонные перекрытия и балконные плиты рекомендуется проектировать опирание блоков одновременно на эти конструкции (рис. 5.23). Между балконными плитами и плитами перекрытия или фасадными ригелями устраиваются термовкладыши из эффективного негорючего утеплителя толщиной не менее 175 мм.
Под плитой перекрытия и балконной плитой оставляется зазор (деформационный шов), заполняемый мягким негорючим материалом, что предохраняет стеновые полистиролбетонные элементы от передачи на них давления при прогибе перекрытий.
5.5.3. В узлах опирания наружных ненесущих стен из сплошных полистиролбетонных блоков с облицовкой с фасадной стороны лицевым пустотелым кирпичом с расшивкой швов и штукатуркой с внутренней стороны рекомендуется проектировать полное опирание блоков на плиту перекрытия (рис. 5.24). Термовкладыш из эффективного негорючего утеплителя, например, негорючий минеральной ваты, следует проектировать толщиной, определяемой теплотехническим расчетом, но не менее 175 мм. Фасадный слой из облицовочного кирпича рекомендуется опирать на перекрытие или фасадный ригель без свеса. Возможны другие решения опирания кирпича, которые приведены в п. 5.2.3 и на рис. 5.24а, 5.24б и 5.24в.
Под плитой перекрытия оставляется зазор (деформационный шов), заполняемый мягким негорючим материалом.
Облицовочный кирпичный слой на уровне верха проема опирается на стальной уголок, закрепленный в кладке простенков.
5.5.4. В узлах опирания наружных ненесущих стен из сплошных полистиролбетонных блоков с облицовкой фасадной стороны лицевым пустотелым кирпичом на железобетонные плиты перекрытия и балконные плиты рекомендуется проектировать опирание стеновых блоков одновременно на эти конструкции (рис. 5.25).
Под плитой перекрытия и балконной плитой выполняется деформационный шов в виде зазора, заполняемого мягким негорючим материалом. Толщина зазора должна быть не менее прогиба перекрытия при длительном действии нагрузок.
Низ кирпичной облицовки и полистиролбетонных перемычек, включая стальной уголок для опирания кирпичной облицовки, должен быть защищен слоем штукатурки толщиной не менее 30 мм. Указанный штукатурный слой выполняет функции верхней надоконной четверти и защиты полистиролбетона и стальных элементов от огневых воздействий при пожаре.
5.5.5. В узлах опирания кладки из сплошных полистиролбетонных блоков для утепления монолитных несущих железобетонных наружных стен с кирпичной облицовкой рекомендуется проектировать полное опирание блоков на консоли железобетонных плит с термовкладышами (рис. 5.27).
Под этими консолями выполняется технологический шов, позволяющий укладывать нижерасположенный блок или доборный стеновой элемент на клеевой шов без нарушения равномерного распределения слоя клея (приподняв блок над слоем клея). Технологический зазор заполняется негорючим материалом.
Устройство перемычек и их облицовка кирпичом под проемами производится аналогично наружным стенам из полистиролбетонных блоков без монолитных несущих стен (рис. 5.28).
5.5.6. В узлах опирания кладки из сплошных полистиролбетонных блоков для утепления монолитных несущих железобетонных наружных стен с отделкой фасадов штукатурным слоем рекомендуется проектировать опирание блоков на консоль перекрытия со свесом не превышающем 1/3 толщины блока (рис. 5.26). Под консолью перекрытия выполняется технологический шов (зазор), заполняемый негорючим материалом. Технологический шов нужен для удобства укладки верхнего ряда блоков (стеновых доборных элементов). Торец железобетонной консоли утепляется полистиролбетонной теплоизоляционной плитой.
1 - полистиролбетонные блоки, 2 - полистиролбетонные перемычки, 3 - штукатурный армированный слой, 4 - термовкладыш, 5 - железобетонная плита перекрытия, 6 - внешний откос, 7 - внутренний откос, 8 - клеевой шов, 9 - деформационный шов из негорючей минваты, 10 - балконная плита
Рис. 5.23. Вариант узла опирания наружной ненесущей стены со штукатурными отделочными слоями на перекрытие с балконной плитой
1 - полистиролбетонный рядовой блок, 2 - полистиролбетонная перемычка, 3 - облицовочный кирпич, 4 - термовкладыш, 5 - железобетонная плита перекрытия, 6 - опорный уголок облицовки, 7 - полистиролбетонный доборный блок, 8 - деформационный шов
Рис. 5.24. Вариант узла опирания наружной ненесущей стены с кирпичной фасадной облицовкой на перекрытие
1 - полистиролбетонный рядовой блок, 2 - полистиролбетонная перемычка, 3 - облицовочный кирпич, 4 - термовкладыш, 5 - железобетонная плита перекрытия, 6 - опорный уголок облицовки, 7 - полистиролбетонный доборный блок, 8 - деформационный шов
Рис. 5.24а. Вариант узла опирания наружной ненесущей стены с кирпичной фасадной облицовкой на перекрытие
Рис. 5.24б. Вариант опирания кирпичной кладки на уровне верха проема
Рис. 5.24в. Вариант опирания облицовочной кирпичной кладки на уровне перекрытия и верха проема
1 - полистиролбетонные блоки, 2 - полистиролбетонные перемычки, 3 - облицовочный пустотелый кирпич, 4 - термовкладыш, 5 - железобетонная плита перекрытия, 6 - внешний откос, 7 - внутренний откос, 8 - клеевой шов, 9 - деформационный шов, 10 - балконная плита
Рис. 5.25. Вариант узла опирания наружной ненесущей стены с кирпичной фасадной облицовкой на перекрытие с балконной плитой
1 - полистиролбетонные блоки, 2 - монолитная железобетонная несущая наружная стена, 3 - штукатурный армированный отделочный слой, 4 - полистиролбетонная теплоизоляционная плита, 5 - железобетонная плита перекрытия, 6 - опорная железобетонная консоль, 7 - клеевой шов, 8 - технологический шов, 9 - железобетонная консоль
Рис. 5.26. Вариант узла опирания утепления монолитной несущей стены на консоль с оштукатуренной фасадной поверхностью
1 - полистиролбетонные блоки, 2 - несущая железобетонная стена, 3 - облицовочный пустотелый кирпич, 4 - термовкладыш, 5 - железобетонная плита перекрытия, 6 - железобетонная опорная консоль, 7 - клеевой шов, 8 - технологический шов
Рис. 5.27. Вариант узла опирания наружной несущей стены с кирпичной облицовкой
1 - полистиролбетонные блоки, 2 - полистиролбетонные перемычки, 3 - облицовочный пустотелый кирпич, 4 - термовкладыш, 5 - железобетонная плита перекрытия, 6 - несущая монолитная железобетонная стена, 7 - опорный уголок кирпичной облицовки, 8 - сетка армирования откоса, 9 - железобетонная консоль
Рис. 5.28. Вариант узла опирания утепления наружной несущей стены с кирпичной облицовкой (вертикальное сечение по проему)
5.5.7. Крепление навесного оборудования и устройств к внутренней стороне ненесущих полистиролбетонных стен рекомендуется проектировать с использованием значений допускаемых нагрузок на крепежные элементы в стенах из полистиролбетонных блоков (Приложение 6). При значительных нагрузках (более 100 кг) рекомендуется применять пластмассовый дюбель диаметром 14 мм и более в пробке из высокопрочного гипсового раствора (рис. 5.29). Возможны варианты крепления пластмассовых распорных дюбелей на кладочном клею.
5.5.8. Крепление навесного оборудования и устройств к наружной стороне ненесущих полистиролбетонных стен рекомендуется проектировать с усилением этих стен вставкой из кирпичной кладки, опирающейся на плиту перекрытия с термовкладышами или на плиту перекрытия с металлическими пластинами, и слоем из эффективного негорючего утеплителя (рис. 5.30). При необходимости кирпичная кладка усиливается стальной арматурой, приваренной к закладным деталям перекрытия.
5.6.1. Перемычки с плоским арматурным каркасом в растянутой (нижней) зоне, воспринимающих вертикальные (от вышерасположенных полистиролбетонных элементов и облицовки стен) и горизонтальные нагрузки (от ветрового давления на окна или двери, передаваемые через крепления столярных блоков к перемычкам), выполняются из полистиролбетона плотностью D500, что обеспечивает их прочность на косой изгиб (изгиб одновременно в вертикальной и горизонтальной плоскостях) и кручение, связанное с передачей горизонтального усилия по низу перемычки, при вертикальной нагрузке qв=150 кгс/м и горизонтальной нагрузке менее qг=75 кгс/м. При этом наружная перемычка толщиной 115 мм (при блоках толщиной В=295 мм) или 140 мм при толщине блоков В=375 мм должна по низу крепится к внутренней перемычке толщиной 140 мм или 180 мм при толщине блоков, соответственно В=295 мм и В=375 мм (рис. 5.31).
Крепление наружной перемычки к внутренней осуществляется с помощью уголков Ð125×80×7 длиной L=120 мм, устанавливаемых с шагом 500-600 мм в зависимости от длины перемычки. Указанные уголки прикрепляются к наружной перемычке двумя распорными дюбелями Æ8 мм (дюбели сопротивляются отрыву) и одним дюбелем Æ8 мм (дюбель сопротивляется срезу).
Участок между перемычками заполняется эффективным утеплителем, что позволяет повысить сопротивление теплопередаче подпроемного участка фасада.
Столярные блоки прикрепляются к внутренней перемычке круглыми стальными штырями Æ16А1, забиваемыми в полистиролбетон перемычки с шагом, определяемым из условия недопущения смятия полистиролбетона. В связи с этим допустимый шаг штырей составляет а=40÷115 см в зависимости от высоты расположения окна над уровнем земли (учитывается увеличение ветрового давления с повышением уровня расположения окна).
5.6.2. Оконные и дверные блоки допускается крепить к стенам из полистиролбетона (в случае, если это подтверждается расчетом) с помощью круглых штырей диаметром не более 20 мм или плоских штырей толщиной не менее 4 мм. Длина заделки штырей в полистиролбетон, размеры сечения и их количество определяется расчетом из условия недопущения смятия полистиролбетона при воздействии ветровой нагрузки и прочности штырей при их изгибе (рис. 5.32). Количество штырей принимается для оконных блоков не менее чем по три штуки на вертикальные и две на горизонтальные стороны. Расстояние от штыря до поверхности полистиролбетонного блока не должно превышать 100 мм.
Рис. 5.29. Крепление навесного отопительного оборудования к внутренней стороне полистиролбетонных стен
Рис. 5.30. Крепление навесного оборудования и устройств к наружной стороне полистиролбетонных стен


Шаг круглых штырей Æ16А1, L=15 см а равен:
|
z=80 м |
а=40 см |
|
z=60 м |
а=45 см |
|
z=40 м |
а=60 см |
|
z=20 м |
а=115 см |
z - высота окна над уровнем земли
Рис. 5.31. Установка разновысоких перемычек и крепление столярных блоков к ним
1 - полистиролбетонные блоки, 2 - оконная (дверная) коробка, 3 - деревянная прокладка («черная» коробка), 4 - круглый анкер (круглый штырь), забиваемый в полистиролбетон через просверленное в коробке отверстие, 5 - противопожарная прокладка, 6 - плоский анкер (плоский штырь), забиваемый в полистиролбетон, 7 - саморез, с помощью которого деревянная прокладка крепится к опорной плите плоского анкера, 8 - гвозди, с помощью которых оконная (дверная) коробка крепится к деревянной прокладке
Рис. 5.32. Крепление оконного (дверного) блока к стене из сплошных полистиролбетонных блоков
5.6.3. Дверные блоки допускается крепить к стенам из полистиролбетонных блоков средней и повышенной плотности с помощью плоских штырей толщиной 6 мм, шириной 75 мм или с помощью круглых штырей диаметром не более 20 мм. Штыри должны находится на расстоянии от поверхности полистиролбетона не менее чем 100 мм. Длина анкеровки и количество стержней определяются расчетом при воздействии ветровой нагрузки, но не менее 100 кг/м2.
Количество штырей определяется расчетом из условия обеспечения прочности полистиролбетона при смятии и штырей при изгибе, но не менее, чем по четыре штуки на вертикальную и две на горизонтальную сторону.
5.6.4. Рекомендуется расстояние от угла оконных и дверных блоков до первого штыря принимать не более 250 мм и не менее 150 мм (рис. 5.33).
5.6.5. Допускается для крепления оконных и дверных блоков использовать гвозди диаметром 5-6 мм, забиваемые в деревянные пробки размером не менее 60×60×150 мм без их дополнительной анкеровки, в случае, если эти пробки по специальному заказу устанавливаются в полистиролбетонные стеновые блоки при их изготовлении. При этом расстояние от поверхности пробки до наружной поверхности полистиролбетонных блоков должна быть не менее 120 мм.
5.6.6. Допускается для крепления оконных и дверных блоков использовать гвозди диаметром 5-6 мм, забиваемые в деревянную обвязку вокруг проемов. При этом обвязка крепится к стенам из полистиролбетонных блоков штырями, в соответствии с расчетом полистиролбетона на смятие при воздействии ветровой нагрузки.
5.6.9. Возможным вариантом крепления оконных и дверных блоков с помощью плоских штырей является применение этих штырей с «шляпкой» на конце (см. рис. 5.32б). Деревянная обвязка вокруг проемов с помощью саморезов крепится к «шляпкам» забитых в полистиролбетон плоских штырей, а к обвязке гвоздями 5-6 мм прибивается оконный (дверной) блок. Такое решение рекомендуется использовать в тех случаях, когда устройство пазов в оконных блоках (п.п. 5.6.7; 5.6.8) затруднительно.
5.6.10. Крепление оконных и дверных блоков к монолитным ломаным или криволинейным перемычкам из полистиролбетона рекомендуется выполнять плоскими штырями или круглыми стержнями, в случае, если пространственный арматурный каркас объединен с арматурным каркасом перекрытия. При этом штыри и стержни рассчитываются из условия смятия полистиролбетона при воздействии ветровой нагрузки. Зазор между перемычкой и оконным или дверным блоком должен быть не менее возможного прогиба плиты перекрытия и заполняться минватой на каменной основе.
5.6.11. Крепление оконных и дверных блоков к ломаным или криволинейным перемычкам из полистиролбетона, собранным из прямолинейных перемычек по номенклатуре полистиролбетонных изделий, с «подвеской» узлов их сопряжения к перекрытиям, рекомендуется проектировать по аналогии с креплением этих блоков к прямолинейным перемычкам.
Рис. 5.33. Крепление оконных (дверных) блоков к стенам и перемычкам из полистиролбетона посредством штырей
5.6.12. Деревянные пробки, доски-перемычки (деревянные ветровые ригели) и деревянные элементы обвязки оконных (дверных) блоков должны быть антисептированы и антипиренованы.
5.6.13. Все деревянные элементы крепления оконных и дверных блоков, выходящие за пределы плоскости проемов, должны быть защищены штукатурным раствором толщиной не менее 20 мм по стальной сетке.
5.6.15. Допускается для уплотнения зазоров между стеной и оконными (дверными) блоками по периметру применять монтажные пены при наличии сертификата, разрешающего их применение для этих целей, и противопожарные прокладки по п. 5.6.14.
5.6.16. Примыкание оконных и дверных блоков к четвертям проемов рекомендуется осуществлять через уплотнительные прокладки (герметик).
5.7.1. Поверхности стен из полистиролбетонных блоков или монолитного полистиролбетона защищаются от огневого воздействия при пожаре и механических повреждений с наружной (фасадной) стороны облицовкой из штукатурного раствора или лицевого кирпича и с внутренней стороны облицовкой из штукатурного раствора или гипсоволокнистыми листами (ГВЛ) в два и более слоев толщиной не менее 20 мм.
5.7.2. Штукатурный раствор марки 50...100 цементно-песчаный или цементно-известково-песчаный для отделки полистиролбетонных стен должен иметь толщину не менее 20 мм по поверхности стены и не менее 30 мм по поверхности откосов оконных (дверных) проемов. Штукатурный раствор наносится по стальной мелкоячеистой сетке с размерами ячейки не более 10×10 мм из проволоки диаметром 1,0...1,2 мм. С фасадной стороны стены проволока штукатурной сетки должна иметь цинковое покрытие. Штукатурная сетка должна быть расположена в середине толщины штукатурного слоя.
5.7.3. Кирпичная облицовка толщиной 120 мм выполняется из лицевого пустотелого кирпича марки не ниже M100 на растворе марки не ниже М50. Кладка кирпичной облицовки в горизонтальных растворных швах на уровне горизонтальных клеевых швов между полистиролбетонными блоками должна иметь арматурный оцинкованный стержень Æ6 AI, который с помощью вязальной проволоки соединяется с выпусками (анкерами) из кладки полистиролбетонных блоков.
5.7.4. Крепление штукатурной сетки рекомендуется выполнять вязальной проволокой (оцинкованной с фасадной стороны) к выпускам анкеров (связей) которые располагаются в горизонтальных швах кладки с шагом не более 600 мм. Выход штукатурной сетки из вертикальной плоскости не должен превышать 5 мм на расстоянии 1 м.
5.7.5. Анкерные связи, соединяющие облицовочные (отделочные) слои (из штукатурки или кирпича) с полистиролбетонными блоками, выполняются из арматурной проволоки ВрI диаметром 3 мм с анкерующими полукольцами в клеевом шве и крюками в месте крепления отделочных сеток. Связи крепления двух противоположных отделочных слоев выполняется с нахлесткой не менее 100 мм (рис. 5.34).
5.7.6. Крепление отделочных слоев возможно выполнять с помощью стальных сеток, закладываемых в клеевые горизонтальные швы между полистиролбетонными блоками с целью уменьшения толщины горизонтальных швов, которые должны быть не более 4(5) мм. Рекомендуется использовать сетки для армоцементных конструкций из проволоки диаметром 0,5-1,2 мм (СНиП 2.03.03-85 «Армоцементные конструкции», приложение 2). Могут быть также использованы зигзагообразные сетки, в которых поперечные и продольные арматурные стержни диаметром 3 мм расположены в одной плоскости.
По толщине стены укладываются две сетки с расстоянием между ними 50 мм, что позволяет по сравнению с армированием одной сеткой, укладываемой на толщину полистиролбетонного блока, избежать образования «мостика холода».
К сеткам в швах кладки стеновых блоков вязальной проволокой привязывают штукатурные сетки.
Рис. 5.34. Крепление отделочных слоев в кладке из полистиролбетонных блоков
5.7.7. Для дополнительного сцепления отделочного слоя с кладкой из полистиролбетонных блоков металлические сетки в горизонтальных швах кладки рекомендуется устанавливать с выпусками на 5 мм из плоскости стены.
5.7.8. При учете сопротивления армированных штукатурных слоев при оценке прочности стены на действие ветровой нагрузки эти слои должны выполняться из цементно-песчаного раствора марки не ниже M100, а армирующие стальные сетки располагаться без стыков или со стыками внахлестку.
5.7.9. Штукатурные слои на откосах оконных и дверных блоков следует выполнять в месте примыкания к оконным (дверным) блокам толщиной не менее 30 мм, а на втором крае поперечного сечения откоса толщиной не менее 20 мм.
Штукатурные сетки заводятся на откос из плоскости стены.
5.7.10. В случае наличия на уровне верха проема деревянной доски ветрового ригеля штукатурную сетку откоса рекомендуется крепить к ней гвоздями.
5.8.1. Крепление монолитных ломаных и криволинейных в плане перемычек из полистиролбетона к плитам перекрытия или фасадным ригелям рекомендуется осуществлять с помощью арматурных выпусков (рис. 5.35, 5.36). Выпуски должны соединять арматурный каркас перемычек с указанными выше несущими конструкциями, при этом не передавать нагрузки на полистиролбетонные перемычки.
5.8.2. Крепление ломаных перемычек, составленных из сборных прямолинейных перемычек, к несущим конструкциям здания рекомендуется осуществлять с помощью металлических тяг (см. рис. 5.35). Тяги могут быть запроектированы, например из полосовой стали, и соединять узлы сопряжения прямолинейных перемычек с закладными деталями плит перекрытий или фасадных ригелей. При наличии облицовки из кирпича его опирание осуществляется на металлический уголок, который в пролете «подвешивается» к несущим конструкциям.
5.8.3. «Подвешенные» ломаные и криволинейные перемычки деформируются вместе с несущими конструкциями, к которым они закреплены. Чтобы избежать давления на оконные (дверные) блоки и опорные полистиролбетонные блоки при прогибе элементов перекрытия, между перемычками и расположенными под ними конструкциями следует оставлять зазор заполненный мягким негорючим материалом.
5.9.1. Основной способ крепления наружных навесных стен из сплошных полистиролбетонных блоков или монолитного полистиролбетона состоит в забивке в полистиролбетон стальных монтажных элементов, которые представляют собой прямые или Г-образной формы штыри прямоугольного или круглого сечения.
1 - полистиролбетонные блоки, 2 - полистиролбетонная монолитная перемычка, 3 - облицовочный кирпич, 4 - термовкладыш, 5 - железобетонная плита перекрытия, 6 - уголок-опора кирпичного облицовочного слоя, 7 - закладная деталь железобетонной плиты, 8 - опорный уголок облицовочного слоя, 9 - выпуски арматурного каркаса перемычки c опорными анкерами, 10 - арматурный каркас перемычки, 11 - уголок анкеровки продольной арматуры перемычки, 12 - сетка армирования откосов, 13 - выпуски вязальной проволоки для крепления сеток откосов, 14 - оконный блок, 15 - штырь крепления оконного блока, 16 - минвата на камерной основе, 17 - упругая негорючая прокладка, 18 - втулки, приваренные к закладной детали.
Рис. 5.35. Вариант узла крепления в пролете монолитных ломаных в плане перемычек
1 - полистиролбетонные блоки, 2 - полистиролбетонная монолитная перемычка, 3 - облицовочный кирпич, 4 - опорная пластина уголка кирпичной облицовки, 5 - железобетонная плита, 6 - металлические уголки опоры кирпичного облицовочного слоя, 7 - резаные полистиролбетонные блоки, 8 - арматурный каркас перемычки, 9 - уголки для анкеровки продольной арматуры перемычки.
Рис. 5.36. Вариант узла крепления в пролете монолитных ломаных в плане перемычек
5.9.2. С помощью стальных соединительных элементов (накладок), которые привариваются с одной стороны к плоским (прямоугольного сечения) штырям и с другой стороны к закладным деталям железобетонных перекрытий или стен, монтажные элементы и вместе с ними конструкции наружных полистиролбетонных стен соединяются с несущими железобетонными конструкциями здания. Соединительные элементы, как правило, располагаются в пазах, выполненных на верхней поверхности стеновых полистиролбетонных элементов, с тем чтобы сварные швы размещались на уровне горизонтальных швов между стеновыми элементами без их подрезки. Между нижней поверхностью соединительных элементов и верхней поверхностью расположенных под ними полистиролбетонных элементов должен находится воздушный зазор толщиной не менее 10 мм для того, чтобы защитить полистиролбетон от чрезмерного нагрева во время приварки соединительных элементов.
5.9.3. Крепление к перекрытию ненесущих стен из полистиролбетонных блоков (в простенках и на глухих участках) производится с помощью стальных монтажных элементов, забитым в полистиролбетонные блоки и привариваемых к закладным деталям перекрытия (рис. 5.37 и 5.38).
5.9.4. Возможно соединение штырей с монолитным железобетонным перекрытием без использования сварки. Для этого в перекрытии оставляются технологические «окна» через которые в расположенные ниже полистиролбетонные элементы забивают стальные штыри. Затем штыри замоналичивают, заполняя «окна» цементно-песчаным раствором или бетоном.
Такой способ крепления рекомендуется для соединения ненесущих стен к перекрытию при неполном опирании полистиролбетонных блоков (в ошткуатуриваемых с фасада стенах).
5.9.5. Крепление ненесущих полистиролбетонных стен к внутренним несущим железобетонным стенам производится путем забивки в полистиролбетон Г-образных монтажных элементов и приварки их с помощью соединительных элементов к закладным деталям несущих стен (рис. 5.39).
5.9.6. Крепление полистиролбетонных блоков, утепляющих наружные несущие железобетонные стены, производятся с помощью Г-образных монтажных элементов, забиваемых в полистиролбетонные блоки, и соединяемых с закладными деталями железобетонных стен приваркой соединительных накладок (рис. 5.40).
5.9.7. Монтажные элементы, забиваемые в полистиролбетон наружных стен, должны находится не ближе 100 мм от ближайшей поверхности полистиролбетона.
5.9.8. Крепление полистиролбетонных стен к опорным участкам плит перекрытий рекомендуется осуществлять клеем толщиной 4 мм, применяемым для кладки стен из полистиролбетонных блоков. При этом опорный участок железобетонных плит должен иметь ровную гладкую поверхность с «минусовыми» допусками (-5 мм) согласно СНиП 3.03.01-87 «Несущие и ограждающие конструкции», табл. 11.
5.9.9. Крепление наружных стен из монолитного полистиролбетона к внутренним несущим железобетонным стенам рекомендуется выполнять с помощью сварки анкеров, выпущенных из монолитного полистиролбетона, к закладным деталям внутренних несущих стен.
5.9.10. Рекомендуется в несущих железобетонных плитах перекрытия оставлять вертикальные арматурные выпуски, соединяемые с арматурным каркасом монолитных полистиролбетонных наружных стен при его установке на перекрытия.
5.9.11. Крепление штырей к плите перекрытия допускается осуществлять с помощью специальных направляющих, например металлических трубок, замоноличенных в вертикальном положении в плите перекрытия (см. рис. 5.35). Отверстия трубок закрываются паклей, и после кладки полистиролбетонных блоков стен через трубки забиваются штыри, входящие в верхние ряды полистиролбетонных блоков или доборных стеновых элементов. Зазор между трубкой и штырем замоноличивается цементно-песчаным раствором.
5.9.12. Крепление стен из полистиролбетонных блоков в процессе строительства здания рекомендуется осуществлять с помощью временных приспособлений, например раскосов, соединяющих верх возводимой кладки с железобетонными перекрытиями.
1 - полистиролбетонные блоки, 2 - полистиролбетонная плита утеплителя плотностью 150 - 200 кг/м3, 3 - железобетонная плита перекрытия, 4 - закладная деталь плиты перекрытия, 5 - монтажный элемент, забиваемый сверху в полистиролбетонные блоки, 6 - деформационный зазор, заполняемый мягким негорючим материалом
Рис. 5.37. Крепление оштукатуренной с фасада ненесущей стены из сплошных полистиролбетонных блоков к перекрытию (в простенках и на глухих участках)
1 - полистиролбетонные блоки, 2 - железобетонная плита перекрытия, 3 - термовкладыш, 4 - монтажный элемент, забиваемый сверху в полистиролбетонные блоки, 5 - закладная деталь плиты перекрытия, 6 - деформационный зазор, заполняемый мягким негорючим материалом
Рис. 5.38. Крепление ненесущей стены с кирпичным фасадом из сплошных полистиролбетонных блоков (в простенках и на глухих участках) к перекрытию с термовкладышами
1 - полистиролбетонные блоки, 2 - внутренняя несущая железобетонная стена, 3 - закладная деталь несущей стены, 4 - монтажный «Г»-образный элемент, забиваемый сверху в полистиролбетонные блоки, 5 - накладка (-50×4), 6 - теплоизоляционный доборный блок плотностью 150 - 200 кг/м3
Рис. 5.39. Крепление стены из сплошных полистиролбетонных блоков к внутренней несущей железобетонной стене
1 - полистиролбетонные блоки, 2 - железобетонная несущая торцевая стена, 3 - закладная деталь торцевой стены, 4 - монтажный «Г»-образный элемент, 5 - накладка (-50×4), 6 - вертикальный клеевой шов
Рис. 5.40. Крепление кладки из сплошных полистиролбетонных блоков к торцевой несущей железобетонной стене
6.1. Ненесущие (навесные) стены из сплошных блоков выполняются высотой на один этаж и прикрепляются к верхнему перекрытию, а также к поперечным несущим стенам с помощью стальных монтажных элементов. Эти стены воспринимают в основном только ветровую нагрузку. Оконные и прочие проемы перекрываются армированными полистиролбетонными перемычками, которые воспринимают кроме собственного веса вес блоков и доборных стеновых элементов между перемычкой и перекрытием, а также вес штукатурных слоев и навесного оборудования. Расчет этих перемычек приведен в пп. 6.43…6.49. В отдельных случаях специально армированные перемычки воспринимают также горизонтальную нагрузку от ветрового давления на оконные (дверные) заполнения.
6.2. Простенки, располагаемые вне несущих поперечных стен, рассчитываются как свободно опертые балки на действие равномерно распределенной нагрузки от ветра, определяемой согласно СНиП 2.01.07-85 «Нагрузки и воздействия».
Для зданий высотой менее 40 м нормативное значение ветровой нагрузки w, принимается равным
где коэффициент k (см. табл. 6 СНиП 2.01.07-85) определяется по уровню, проходящему по средине высоты рассматриваемого этажа.
*) Не оговоренные обозначения здесь и далее приняты по СНиП 2.03.01-84*
Для зданий 40 м и более ветровая нагрузка принимается равной
, (6.2)
где wp - пульсационная составляющая ветровой нагрузки, определяемая по формуле
где z - высота рассматриваемого уровня, м;
H - высота здания, м;
ξ - коэффициент динамичности, определяемый
по графику на черт. 2 СНиП
2.01.07-85 при логарифмическом декременте колебаний δ=0,3 в
зависимости от
, где w0
- нормативное значение ветрового давления, кгс/м2, Т
- период собственных колебаний, сек-1, который приближенно можно
принять равным 0,021Н; при ε £
0,05 значение ξ можно определять по формуле
;
wmh - средняя составляющая ветровой нагрузки, вычисляемая по формуле (6.1), где k определяется при z=Н;
ς - коэффициент пульсации давления ветра, принимаемый по табл. 7 СНиП 2.01.07-85 при z=Н;
v - коэффициент корреляции пульсаций давления ветра, принимаемый по табл. 9 СНиП 2.01.07-85 при χ=Н и ρ=В; - Н и В ширина здания с наветренной стороны.
6.3. За расчетный пролет простенка l принимается расстояние в свету между перекрытиями (рис. 6.1). Ветровая нагрузка собирается с грузовой площади шириной, равной расстоянию между серединами смежных проемов. Погонная нагрузка q, действующая на простенок, равна
где b - ширина простенка;
bл и bп - ширина левого и правого проемов;
w - ветровая нагрузка определяется по п. 6.2;
γf=1,4 - коэффициент надежности по нагрузке;
γn - коэффициент надежности по назначению, принимаемый равным:
- для зданий 1го класса (учебные заведения, больницы, детские сады, и т.п.) - 1,0;
- для зданий 2го класса (жилые и прочие общественные здания) - 0,95;
а расчетный момент равен
. (6.5)
Рис. 6.1. К расчету простенка на ветровую нагрузку
6.4. Простенок с двумя штукатурными армированными слоями (внутренним и внешним) рассчитывается на действие момента M, определяемого согласно п. 6.3. при аэродинамическом коэффициенте с=0,8 (положительное давление ветра). При этом учитываются сжатый штукатурный слой и растянутая арматура в растянутом (внутреннем) штукатурном слое. Расчет ведется из условия
где hп и hш - толщина соответственно полистиролбетонной кладки и штукатурного слоя.
В качестве арматуры используются стальные сетки, рекомендуемые для армоцементных конструкций СНиП 2.03.03-85, приложение 2, с расчетным сопротивлением Rs=2500 кгс/см2. Штукатурный слой выполняется из цементно-песчаного или цементно-известково-песчаного раствора марки не ниже 50 и не ниже марки полистиролбетона. Кроме того, плотность полистиролбетона должна быть не менее 200 кг/м3.
6.5. Простенок с кирпичной облицовкой и внутренним штукатурным армированным слоем рассчитывается на действие момента М, определенного согласно п. 6.3 как при с=0,8, так и при с=- 0,6 (отрицательное давление ветра)*.
* Знак «плюс» у аэродинамического коэффициента с соответствует направлению давления ветра на соответствующую поверхность, знак «минус» - от поверхности.
Сначала расчет выполняется без учета кирпичной облицовки. При положительном давлении ветра расчет ведется из условия
где h0 - рабочая высота сечения, равная hп + hш/2;
х - высота сжатой зоны, равная
;
- расчетное сопротивление
сжатию полистиролбетонной кладки, принимаемое равным произведению сопротивления
сжатию полистиролбетона по табл. 3.6 и коэффициента условий работы кладки К=0,7,
учитывающего влияние клеевых швов.
Остальные обозначения - см. п.п. 6.3. и 6.4.
При отрицательном давлении ветра расчет ведется из условия
где
- расчетное сопротивление кладки из
полистиролбетонных блоков растяжению при изгибе, принимаемое равным
произведению сопротивления полистиролбетона растяжению при изгибе по табл. 3.6 и
коэффициента условий работы кладки K=0,85, учитывающего влияние клеевых швов;
Wred
- момент сопротивления приведенного сечения, включающего в
себя площадь полистиролбетона, а также площадь сжатого штукатурного слоя,
умноженную на отношение модулей упругости раствора и полистиролбетона
.
Модуль упругости Еш принимается по табл. 18 СНиП 2.03.01-84 «Бетонные и железобетонные конструкции» как для мелкозернистого бетона группы Б естественного твердения в зависимости от класса бетона В=0,07М, где М - марка раствора, или по табл. 6.1.
Модуль
упругости кладки из полистиролбетонных блоков
принимается равным произведению модуля
упругости полистиролбетона по табл. 3.7 и коэффициента условий
работы кладки K=0,8,
учитывающего влияние клеевых швов. Значение Wred
определяется по формуле
, (6.9)
где Ired - момент инерции приведенного сечения;
уred - расстояние от центра тяжести приведенного сечения до растянутой грани полистиролбетонного блока у кирпичной облицовки.
В случае, если условия (6.7) или (6.8) не удовлетворяются, момент М можно уменьшить, распределив его между кирпичной облицовкой и основной частью стены пропорционально их жесткостям, определяемым следующим образом:
жесткость облицовки
где α - упругая характеристика кладки, принимаемая по табл. 15 СНиП II-22-81 «Каменные и армокаменные конструкции»;
R - расчетное сопротивление сжатию кладки, принимаемое по табл. 2 СНиП II-22-81;
hобл - толщина кирпичной облицовки.
Жесткость основной части стены
При этом следует проверить прочность облицовки из условия
где Rtb - расчетное сопротивление кирпичной кладки растяжению при изгибе по не перевязанному сечению, принимаемое по табл. 10 СНиП II-22-81. Коэффициент 0,85 при Rtb вводится для исключения сверхдопустимых растягивающих напряжений в не перевязанных швах кирпичной кладки;
G - вес облицовки, расположенной выше расчетного сечения.
. (6.13)
При выполнении условия (6.12) кирпичная облицовка объединяется гибкими связями с полистиролбетонной частью стены. При этом сплошная приклейка облицовки к основной части стены не требуется. Однако необходимо предусматривать противопожарные рассечки в образовавшейся воздушной прослойке толщиной 5 мм.
При не выполнении условий (6.7), или (6.8), или (6.12) расчет стены с кирпичной облицовкой, объединенной с полистиролбетонной частью стены гибкими связями и приклеенной к ней клеевым швом (5 мм) или цементно-песчаным раствором (10 мм), при действии ветровой нагрузки (положительном (напор) или отрицательном (отсос) давлении) производится как элемента комплексного сечения, включающего кирпичную облицовку, цементно-песчаный или клеевой шов, полистиролбетонную часть стены и армированной слой штукатурки. При этом принимается гипотеза плоских сечений и напряжения в различных точках сечения определяются по схеме приведенного сечения, причем растягивающие напряжения в неперевязанных (горизонтальных) швах кирпичной облицовки не должна превышать 0,85Rtb, что исключает сверхдопустимые растягивающие напряжения.
6.6. Самонесущие стены из сплошных блоков плотностью 350-400 кг/м3 выполняются высотой до двух этажей включительно, но не более 10 м. Они прикрепляются гибкими связями к перекрытиям и к поперечным несущим стенам или к фахверковым стойкам. Самонесущие стены должны воспринимать кроме ветровой нагрузки также собственный вес (включая вес облицовки), вес заполнения проемов и вес навесного оборудования.
6.7. Простенок, располагаемый вне несущих поперечных стен или фахверковых стоек, рассматривается как неразрезная балка, опорами которой служат места крепления простенка к перекрытиям (рис. 6.2). Пролетная часть такой балки рассчитывается на действие ветровой нагрузки аналогично расчету ненесущих стен согласно пп. 6.3-6.5. При этом момент принимается равным М=ql2/12. При одинаковых пролетах балки достаточно проверить только верхний ее пролет.
6.8. Если прочность простенка на изгиб не обеспечивается, то по ширине этого простенка устанавливаются фахверковые стойки, прикрепленные гибкими связями к простенку, а также к верхнему и нижнему перекрытиям. Пример установки фахверковых стоек приведен на рис. 6.3. Сечение этих стоек подбирается так, чтобы момент, действующий на стену, стал меньше его предельного значения для стены Мпр за счет перераспределения между стеной и фахверковыми стойками пропорционально их жесткостям. В этом случае суммарная жесткость фахверковых стоек должна быть не менее
где Вст - жесткость стены; для простенка с двумя штукатурными слоями Вст определяется по формуле (6.11); для простенка с кирпичной облицовкой и одним штукатурным слоем Вст равна сумме жесткостей облицовки и основной части стены, определяемых по формулам (6.10) и (6.11);
Мпр - правая часть условий (6.6)-(6.8).
При
этом, если прочность простенка с кирпичной облицовкой не обеспечивается как при
положительном, так и при отрицательном давлении ветра, в формуле (6.14)
следует учитывать максимальное отношение
из
этих двух расчетных случаев.
Рис. 6.2. К расчету самонесущих рам
Рис. 6.3. Пример установки фахверковых стоек
6.9. Несущие стены из сплошных блоков плотностью 400-550 кг/м3 выполняются высотой на 1-2 этажа. При этом они воспринимают, кроме ветровой нагрузки и нагрузки от собственного веса, также нагрузки от перекрытий и покрытий, опираемых на них.
6.10. Простенки, располагаемые вне поперечных несущих стен, рассчитываются на внецентренное сжатие. При этом продольная сила N складывается из нагрузки от ближайшего перекрытия Nnep, суммы нагрузок от других вышерасположенных перекрытий Nв и от веса стены (включая вес штукатурных слоев, заполнения проемов и навесного оборудования) Ncm на участке высотой от рассматриваемого сечения до верха стены. Ширина рассчитываемой стены, а также грузовых площадей, с которых собираются нагрузки от перекрытий, равна b+(bл+bп)/2. Очертание грузовых площадей принимается по рис. 6.4.
Сила Nnep прикладывается в соответствии со схемой на рис. 6.5. Силы Nв и Ncm прикладываются в центре тяжести приведенного сечения простенка.
Рассматриваются 2 сечения:
- сечение 1 располагается на уровне верха проема; при этом момент от ветровой нагрузки не учитывается;
- сечение 2 располагается на уровне середины высоты этажа.
При этом учитывается момент от отрицательного давления ветра q (т.е.
при с=-0,6), см. п. 6.5, равный
.
, (6.15)
где h0 - рабочая высота, равная hп+1,5hш;
х - высота сжатой зоны, определяемая следующим образом:
а)
если
(где ξR - см. табл. 6.1),
то
x=x1;
б) если x>ξRh0, то
, (6.16)
где
;
;
;
;
-
см. п. 6.5,
ψ и ω - см. табл. 6.1.
М - момент внешних сил относительно центра тяжести сечения, равный:
для сечения 1
; (6.17)
для сечения 2
, (6.18)
где η и η1 - коэффициенты продольного изгиба, определяемые согласно п. 6.13;
a, l, lоп - см. рис. 6.5;
b, hn, hm, Rs, As - см. пп. 6.3. и 6.4;
и Rbш
- расчетные сопротивления сжатию соответственно
полистиролбетонной кладки и штукатурного слоя (см. табл. 6.1).
Таблица 6.1.
Характеристики раствора штукатурного слоя
|
Rbш, кгс/см2 |
Eш 10-3, кгс/см2 |
ξR |
ψ |
ω |
|
|
50 |
19,3 |
66,3 |
0,630 |
6,02 |
0,735 |
|
75 |
27,2 |
95,3 |
0,623 |
5,92 |
0,728 |
|
100 |
38,2 |
120,3 |
0,613 |
5,78 |
0,719 |
|
|
|||||
Примечания:
1. Расчетное сопротивление раствора Rbш принято по табл. 13 СНиП 2.03.01-84, как для мелкозернистого бетона класса, равного 0,07 от марки раствора, с учетом gb2=0,9.
2. Модуль упругости раствора Еш принят по табл. 18 СНиП 2.03.01-84, как для мелкозернистого бетона группы Б естественного твердения класса, равного 0,07 от марки раствора.
3. Значение ξR определено по формуле (25) СНиП 2.03.01-84 при ssp=2500 кгс/см2, ssc,u=5000 кгс/см2.
Рис. 6.4. Схема определения грузовой площади стены
Рис. 6.5. Конструктивная (а) и расчетная (б) схемы несущей стены
где х - высота сжатой зоны, равная
, (6.20)
уn - расстояние от центра сжатия до сжатой зоны, равное
(6.21)
М - момент внешних сил относительно центра сжатия, определяемый следующим образом:
1) для сечения 1
2) для сечения 2
, (6.23)
где е0 - эксцентриситет силы Nпер относительно центра сжатия сечения, равный
;
yred - расстояние от центра тяжести приведенного сечения до сжатой грани, равное
; (6.24)
;
и
Еш - модули упругости кладки из полистиролбетонных блоков
(см. п. 6.5)
и штукатурного слоя (см. табл. 6.1).
6.13. Коэффициент продольного изгиба η для сечения 2 определяется по формуле
, (6.25)
где Ncr - условная критическая сила, равная
где lred - момент инерции приведенного сечения.
Для сечения 1 при а<l/3 коэффициент продольного изгиба η1 определяется по интерполяции между η1=1 для сечения у верхнего перекрытия и η1=η для сечения на расстоянии а=l/3 от верхнего перекрытия, т.е.
. (6.27)
При а>l/3 η1=η.
6.14. Места опирания перекрытия на полистиролбетонную кладку должны быть проверены на смятие из условия
, (6.28)
где N
- полная нагрузка на уровне низа перекрытия, собранная со всех
перекрытий при расчетной ширине грузовых площадей
.
- см. п. 6.5.
6.15. Участки глухих стен, отстоящие от поперечных стен далее, чем на l/2, рассчитываются согласно пп. 6.11 и 6.12, принимая ширину b простенка и ширину грузовых площадей для вертикальных и ветровых нагрузок равными 1 см. При этом сечение 1 принимается на уровне опирания верхнего перекрытия.
6.16. Элемент крепления - штырь прямоугольного или круглого сечения, забиваемый в полистиролбетон на расстоянии не менее 100 мм от боковой (перпендикулярной ветровому напору) поверхности полистиролбетонной части стены, рассчитывается как балка на упругом основании, загруженная силой N и моментом M=N·l3 как показано на рис. 6.6. При этом проверяется прочность полистиролбетона на смятие из условия
и прочность самого элемента крепления на изгиб из условия
где N - сила, приходящаяся на элемент крепления (рис. 6.6б);
Rb - расчетное сопротивление сжатию полистиролбетона, принимаемое по табл. 3.6;
b и l - ширина и глубина заделки в полистиролбетон элемента крепления;
av и aт - коэффициенты принимаемые по графикам на рис. 6.7 в зависимости от приведенной длины балки l/λ;
λ - упругая характеристика элемента крепления (см), как балки на упругом основании, равная
, (6.31)
где k - отпорность полистиролбетонного основания штыря, принимаемая равной Еbb/300, кгс/см2;
Ry - расчетное сопротивление стали штыря изгибу по пределу текучести (СНиП II-23-81* « Стальные конструкции»);
W - момент сопротивления сечения штыря;
j - коэффициент, учитывающий защепленность не забитого конца штыря. При свободном конце j=1; при защемленном конце, приваренном к закладной детали или забетонированной в «окне» перекрытия j=0,5;
EI
- жесткость элемента крепления (кгс·см2); для
элемента крепления в виде пластин толщиной t
;
для элемента крепления круглого сечения
.
Проверка прочности элементов крепления производится по формулам (6.29 и 6.30) как в случае креплений полистиролбетонных стен к несущим элементам здания, так и в случае крепления оконных (дверных) блоков к полистиролбетонным стенам.
а - конструктивная схема б - расчетная схема
Рис. 6.6. К расчету креплений полистиролбетонных стен
Рис. 6.7. График зависимости av и ат от приведенной длины балки
6.17. При креплении стены к верхнему перекрытию сила N принимается равной
(6.32)
где q, l - см. п. 6.3., при этом коэффициент с=-2 или с=+0,8 в зависимости от места расположения крепления (см. СНиП 2.01.07-85 «Нагрузки и воздействия» п. 6.6). При этом к нижнему перекрытию стеновые элементы крепятся с помощью клеевой композиции;
п - число элементов крепления на расчетном участке шириной b.
При креплении наружной стены к несущей внутренней поперечной стене и к верхнему и нижнему перекрытиям сила N определяется по опорной реакции стены, как пластины, опертой по трем сторонам (рис. 6.8) и загруженной равномерно распределенной нагрузкой qp=wgfgn, кгс/см2. Тогда наибольшая сила N, действующая на крепление, расположенное посредине высоты этажа, равна
где k1 - см. табл. 6.2;
lk - расстояние между креплениями.
Таблица 6.2
|
а/l |
£0,5 |
0,67 |
0,71 |
0,77 |
0,83 |
0,90 |
1,0 |
1,20 |
1,3 |
³1,50 |
|
k1 |
0,401 |
0,450 |
0,460 |
0,467 |
0,474 |
0,478 |
0,487 |
0,494 |
0,497 |
0,501 |
Такой расчет дает завышенную величину силы N. Поэтому в случае необходимости силу N можно снизить, рассчитав стену как пластину с отверстиями с помощью компьютерных программ (например, программа «Лира» и ее модификации).
Рис. 6.8. К расчету силы N
Расстояние между креплениями lk находится из условия
,
где Nпр - усилие, воспринимаемое креплением по формуле (6.29) или (6.30).
Элементы крепления, как правило, рекомендуется принимать в виде пластины толщиной 4...5 мм, длиной 150-250 мм. Рекомендуемая ширина пластины - 50...70 мм.
6.18. Прочность стены должна быть проверена в стадии возведения без учета штукатурных слоев на действие ветровой нагрузки w, определенной согласно п. 6.2 и уменьшенной на 20 %. Необходимо рассмотреть вариант положительного (напор) давления ветра (с=+0,8) и отрицательного (отсос) ветрового давления (с=-0,6).
6.19. При расчете простенка, расположенного вне несущих поперечных стен, рассматриваются 2 случая:
Случай 1. Кладка из полистиролбетонных блоков возведена до перекрытия, но не закреплена за него. Остекленные оконные (дверные) блоки еще не установлены.
Простенок
рассчитывается как консоль с расчетным сечением по низу смежных проемов на
действие ветровой нагрузки, собранной с площади стены шириной
без учета проемов и длиной от низа смежных
проемов до низа перекрытия (рис. 6.9). При этом аэродинамический коэффициент с
принимается равным 0,8 для бескаркасных зданий (ветровая нагрузка с фасадной
стороны) и 1,4 для каркасных зданий (ветровая нагрузка с двух сторон: 0,8+0,6).
Случай 2. Кладка из полистиролбетонных блоков возведена до перекрытия и закреплена за него.
Оконные (дверные) блоки установлены, штукатурка еще не выполнена. Кладка кирпичной облицовки выполняется одновременно с кладкой полистиролбетонных блоков.
Простенок рассчитывается как балка с расчетным сечением посредине высоты этажа пролетом l на действие момента M=ql2/12, где q - ветровая нагрузка, собранная с площади шириной bр, включающей проемы; при этом принимается с=0,8 для любого типа здания.
Для случаев 1 и 2 расчет ведется из условия
где
-
см. п. 6.5;
G - вес стены шириной bр, расположенной выше расчетного сечения с учетом коэффициента gf=0,9.
При наличии кирпичной облицовки момент М может быть уменьшен путем его распределения между облицовкой и основной частью стены пропорционально их жесткостям аналогично указаниям п. 6.5. В этом случае следует проверить также прочность облицовки из условия (6.12).
Рис. 6.9. К расчету простенка, расположенного вне несущих поперечных стен
Рис. 6.10. К расчету части простенка между стеной и балконной дверью
6.20. При расчете части простенка, расположенного между поперечной несущей стеной и балконной дверью, рассматривается случай, когда неоштукатуренная стена доведена до перекрытия, но не закреплена за него. Стена рассчитывается как пластина, жестко заделанная внизу, шарнирно опертая сбоку и не опертая по двум другим сторонам (рис. 6.10), на действие равномерно распределенной нагрузки qp=wgfgn, (кгс/см2). Максимальный момент на ширине 1 м у не опертого бокового края простенка определяется по формуле
, (6.35)
где kn - см. табл. 6.3.
Таблица 6.3
|
а/l |
£0,5 |
0,6 |
0,8 |
1,0 |
1,2 |
1,5 |
2,0 |
³3,0 |
|
kn |
0,065 |
0,140 |
0,215 |
0,284 |
0,337 |
0,388 |
0,445 |
0,485 |
Расчет ведется из условия
где gn - плотность полистиролбетонной кладки.
При наличии кирпичной облицовки момент М также может быть уменьшен аналогично расчету простенка вне поперечной стены.
6.21. В случае невыполнения условия (6.34) или условия (6.36) стена до закрепления ее постоянными креплениями должна быть укреплена инвентарными устоями или иными связями, препятствующими ее горизонтальным смещениям.
Крепление с помощью инвентарных устоев или других временных связей стен следует предусмотреть до затвердения штукатурных слоев в случае, если прочность стены в рассматриваемой стадии обеспечивается только при учете армированного штукатурного слоя.
Кроме того, в процессе возведения кладки с клеевой композицией, еще не набравшей прочности, требуется установка временных креплений.
Пример 1. Дано: схема ненесущей стены по рис. 6.11; стена состоит из полистиролбетонных блоков толщиной 29,5 см, внутреннего армированного штукатурного слоя толщиной 2 см и наружной кирпичной облицовки толщиной 12 см; здание каркасное жилое 25и этажное (без учета цокольного этажа), расположенное в г. Москве; высоты всех этажей 3,0 м; перекрытие над цокольным этажом находится на высоте 2 м над уровнем земли; полистиролбетон класса В0,35 марки по средней плотности D250; штукатурный раствор марки 50; кирпичная кладка из кирпича марки 75 на растворе марки 50.
Требуется проверить прочность стены в стадиях эксплуатации и возведения и запроектировать крепление стены к верхнему перекрытию и к поперечным несущим стенам.
Рис. 6.11. Конструктивная схема ненесущей стены с кирпичным фасадом
Расчет. Проверим прочность межоконного простенка в стадии эксплуатации согласно п. 6.5. Для этого предварительно определим ветровую нагрузку, действующую на простенок, располагаемый на верхнем 25м этаже согласно п. 6.2. Высота здания составляет H=25·3+2=77 м > 40 м, следовательно учитываем пульсационную составляющую ветровой нагрузки. Середина верхнего этажа находится на высоте z=77-3/2=75,5 м. Принимая тип местности В (городская территория), по табл. 6 СНиП 2.01.07-85 определяем коэффициент k.
.
Для г. Москвы (1-й ветровой район) w0=23 кгс/м2. Тогда средняя составляющая ветровой нагрузки при с=0,8 равна
кгс/м2.
Определяем пульсационную составляющую ветровой нагрузки wp, по формуле (6.3).
Период
собственных колебаний здания
сек-1. Тогда параметр
; а
коэффициент динамичности
.
Определим
коэффициент k
при z=H=77 м:
. Тогда
wmh=23·1,428·0,8=26,27
кгс/м2. Определяем по табл. 7 СНиП 2.01.07-85 коэффициент ς при
z=77
м и типе местности B:
. По
табл. 9 СНиП 2.01.07-85
определяем v
при χ=H=77 м и ρ=В=40 м:
.
Тогда
кгс/м2 и
кгс/м2.
Из рис. 6.11 имеем b=60 см, bл=210 см, bп=150 см, l=280 см. Для жилых зданий gn=0,95. Тогда согласно формуле (6.4)
кгс/м.
Таким образом, расчетный момент в простенке при положительном давлении ветра (с=0,8) равен
кгс·м,
а при отрицательном давлении
кгс·м.
Проверяем
прочность без учета кирпичной облицовки при положительном давлении ветра из
условия (6.7).
На ширине простенка 60 см при шаге проволок 10 мм располагается 60 проволок Æ1
мм, т.е.
см2.
Принимая hn=29,5
см, hш=2
см, Rs=2500
кгс/см2, из табл. 3.6 Rb=2,5 кгс/см2,
получаем
кг/см2,
тогда
кгс·см
= 293,11 кгс·м > М=156,6 кгс·м,
т.е. прочность при положительном давлении ветра обеспечена.
Проверим
прочность облицовки путем исключения сверхдопустимых растягивающих напряжений в
не перевязанных (горизонтальных) швах кирпичной кладки (см. п. 6.5), что
обеспечивается выполнением неравенства
, где sw - нормальные
растягивающие напряжения в кладке.
В данном примере кирпичная облицовка связана с полистиролбетонными блоками только гибкими связями (без приклейки к ним), поэтому момент от ветровой нагрузки, передаваемый на облицовку, равен
кгс·м,
где
кгс·см2,
кгс·см2
(определение величин Jred
и
приведено ниже).
Предельный момент, воспринимаемый кирпичной облицовкой, равен
кгс·м
> 12,27 кгс·м,
где при растворе марки 50 Rtb=1,2 кг/см2 (табл. 10 СНиП II-22-81).
Следовательно, прочность кирпичной облицовки обеспечена.
Для
проверки прочности при отрицательном давлении ветра определяем геометрические
характеристики приведенного сечения простенка, включающего полистиролбетонную
часть стены и армированный штукатурный слой. Из табл. 6.1 при марке раствора 50
находим его модуль упругости Еш=66300 кгс/см2. Из
табл. 3.7
при D250
и В0,35 находим Еb=3500
кгс/см2. Тогда
кгс/см2,
площадь Ared=60·29,5+60·2·66300/2800=1770+2841=4611 см2;
расстояние от центра тяжести до растянутой грани
см;
момент инерции
см4;
момент сопротивления
см3.
Из
табл. 3.6
при В0,35 находим Rbtf=1,4
кгс/см2. Тогда
кгс/см2,
кгс·см=194
кгс·м > М=117,5 кгс·м,
т.е. прочность простенка обеспечена без учета кирпичной облицовки при любом направлении ветра. На других этажах прочность простенков заведомо обеспечена, поскольку на них при тех же размерах действует меньшая ветровая нагрузка.
Проверим
прочность кирпичной облицовки, объединенной с полистиролбетонной частью стены
гибкими связями. Воспринимаемый его момент равен
, где Вк.о
- изгибная жесткость кирпичной облицовки, Вст - изгибная
жесткость стены с приведенным сечением, включающим полистиролбетонную часть
стены и армированную штукатурку.
Жесткость полистиролбетонной части оштукатуренной стены равна
кгс·см2.
Жесткость кирпичной облицовки равна
кгс·см2,
где a - по табл. 15 СНиП II-12-81 (a=1000);
R - по табл. 2 СНиП II-12-81 (R=11 кгс/см2).
кгс·м.
Предельный момент, воспринимаемый кирпичной облицовкой, при котором не возникают в кладке сверхдопустимые растягивающие напряжения, равен
кгс·м > 11,75 кгс·м,
где Rtb=0,8 кгс/см2 для раствора марки 25 (табл. 10 СНиП II-12-81).
Следовательно, прочность кирпичной облицовки на гибких связях без приклейки к поверхности полистиролбетона обеспечена.
Определим необходимое количество элементов крепления межоконного простенка к верхнему перекрытию, исходя из условий (6.29) и (6.30). При этом учтем, что часть креплений забивается непосредственно в простенок плотностью D250, а часть креплений в опорные зоны полистиролбетонных перемычек, укладываемых на простенок (D300, В0,75). Принимаем каждый элемент крепления в виде пластины сечением 50´5 мм с длиной забивки l=200 мм (рис. 6.6).
Тогда его жесткость равна
кгс·см2,
а момент сопротивления равен W=5·0,52/6=0,208 см3.
Отпорность основания из полистиролбетона плотностью D250 равна
кгс/см2,
а из полистиролбетона плотностью D300 (В0,75)
кгс/см2;
см;
;
см;
.
Согласно табл. 3.6 для полистиролбетона класса В0,35 Rb=2,5 кгс/см2, класса В0,75 Rb=5,5 кгс/см2.
Зазор между плитой перекрытия и расположенным ниже полистиролбетонным блоком равен l3=15 мм.
Из рис. 6.7 при l/λ250=2,15 коэффициенты av и ат равны:
av=0,177, аm=0,107;
при l/λ300=2,56
аv=0,16, am=0,08.
Из условия (6.29), исходя из прочности полистиролбетона на смятие, определяем предельное усилие на одно крепление
кгс;
кгс.
Проверим прочность на изгиб элемента крепления (плоского штыря)
кгс·см
< Ry·W=2300·0,208=478,4
кгс·см;
кгс·см < 478,4 кгс·см.
Опорная реакция простенка как свободно опертой на перекрытие балки равна
кгс.
Примем, что 2 крепления забиты в простенок между перемычками и по 1 креплению забито в каждую опираемую на простенок перемычку. Тогда суммарное предельное усилие креплений равно:
кгс > 223,72 кгс.
Забивать штыри в перемычку между ее опорными частями не рекомендуется.
Определим необходимый шаг крепления к несущей поперечной стене и к верхнему перекрытию участка наружной стены, примыкающего к поперечной несущей стене по формуле (6.33). Будем исходить из того, что данный участок стены расположен от угла здания на расстоянии более 1,5 м (иначе следовало бы учесть отрицательное ветровое давление с коэффициентом с=-2).
Поскольку
а/l=120/280=0,43
£
0,5 шаг lk
должен быть равен
, где
Nnp - предельное усилие, воспринимаемое креплением при плотности D250 (Nпр=41,74 кгс). Из табл. 6.2 находим k1=0,401.
Равномерно распределенная нагрузка qp равна
кгс/м2=0,00666 кгс/см2.
Отсюда
см.
Размещаем крепления с поперечной стеной с шагом 50 см.
Проверим прочность стены в стадии возведения до закрепления стены за верхнее перекрытие согласно пп. 6.18 и 6.19. Поскольку здание каркасное, расчетную равномерно распределенную ветровую нагрузку в этой стадии определяем с учетом коэффициента с=1,4 и снижения на 20 %
кгс/м2,
где qp= wgfgn=50,06·1,4·0,95=66,6 кгс/м2.
Согласно рис. 6.10 и рис. 6.8 площадь стены, учитываемая при расчете простенка равна
м2,
а ее статический момент относительно расчетного сечения, расположенного по низу смежных проемов, равен
м3.
Тогда момент от ветра в расчетном сечении равен
кгс·м.
Вес стены площадью 1,62 м2 при плотности gn=250 кг/м3 равен
кгс.
Проверяем условие прочности (6.34)
кгс·см=109,4 кгс·м < M=173,6 кгс·м.
т.е. при не учете кирпичной облицовки прочность не обеспечена.
Уменьшим момент М, распределив его между кирпичной облицовкой и стеной. Жесткость стены в стадии возведения равна
кгс·см2, жесткость кирпичной
облицовки равна
кгс·см2.
Тогда момент, действующий на стену, равен
кгс·м > 109,4 кгс·м,
т.е. даже при учете кирпичной облицовки прочность в стадии возведения не обеспечена. В этом случае на время вплоть до соединения стены с верхним перекрытием простенок должен быть закреплен от горизонтальных смещений устоями, подкосами или другими временными креплениями.
Проверим прочность стены после закрепления ее за верхнее перекрытие. Ветровую нагрузку при этом собираем с площади шириной bр=2,4 м, учитываем коэффициент с=0,8 и снижение ветровой нагрузки в стадии возведения на 20 %. Тогда
кгс/м.
Момент в расчетном сечении равен
кгс·м
< 109,4 кгс·м,
т.е. прочность в этой стадии обеспечена и, следовательно, инвентарные устои можно снимать сразу после закрепления стен за верхнее перекрытие.
Пример 2. Дано: схема ненесущей стены верхнего этажа здания по рис. 6.12; стена состоит из полистиролбетонных блоков толщиной 29,5 см, внутреннего и внешнего штукатурного слоя толщиной по 2 см; середина этажа находится на высоте z=84 м; здание общественное 1го класса надежности высотой H=87 м расположено в г. Москве; полистиролбетон класса В0,5 марки по средней плотности D250.
Требуется проверить прочность стены в стадии эксплуатации и запроектировать крепление стены к покрытию и к поперечным несущим стенам.
Рис. 6.12. Конструктивная схема ненесущей стены с оштукатуриванием
Расчет. Проверим прочность межоконного простенка согласно п. 6.4. Для этого предварительно определим ветровую нагрузку. По табл. 6 СНиП 2.01.07-85 при z=84 м и типе местности В (городская территория) определим коэффициент k
.
Тогда средняя составляющая ветровой нагрузки при w0=23 кгс/м2 (1й район) равна
кгс/м2.
Поскольку высота здания H=87 м > 40 м, определим пульсационную составляющую ветровой нагрузки wp.
Период
собственных колебаний здания
сек-1. Тогда
< 0,05, а коэффициент динамичности
.
Определим коэффициент k при z=H=87 м:
.
Тогда wmh=23·1,50·0,8=27,6 кгс/м2. По табл. 7 СНиП 2.01.07-85 определим коэффициент ς при z=87 м и типе местности В:
.
По табл. 9 указанного СНиП определим v при χ=Н=87 м и ρ=B=40 м:
.
Тогда
кгс/м2
и
кгс/м2.
Из рис. 6.11 имеем b=90 см, bл=bп=210 см, l=400 см. Для здания 1го класса gn=1,0. Тогда согласно формуле (6.4)
кгс/м.
Расчетный момент в простенке равен
кгс·м.
Проверим
условие прочности (6.6). При шаге проволок
штукатурной сетки 10 мм на ширине простенка 90 см располагается 90 проволок Æ1
мм, т.е.
см2. Принимая hn=29,5 см, hш=2,0
см и Rs=2500
кгс/см2, получаем
кгс·см=556,8
кгс·м > М=435,5 кгс·м,
т.е. прочность простенка обеспечена.
Определим необходимое количество элементов крепления стены к покрытию, исходя из условий (6.29) и (6.30). Принимаем каждый элемент крепления в виде пластины сечением 50´4 мм. Тогда его жесткость равна
кгс·см2,
а момент сопротивления равен W=5·0,42/6=0,133 см3.
Из табл. 3.7 при D250 и В0,50 находим Eb=4500 кгс/см2. Тогда отпорность основания равна
кгс/см2;
см.
Из табл. 3.6 при В0,50 находим Rb=3,50 кгс/см2. Пластина крепления приварена к закладной детали перекрытия как показано на рис. 6.6а. Зазор между плитой перекрытия и расположенным ниже полистиролбетонным блоком l3=15 мм, длина забивки пластины в полистиролбетон l=250 мм. Из условия (6.29) определяем предельное усилие на одно крепление
кгс,
где
, a αv=0,14,
αm=0,062
определяем из рис. 6.7.
Проверим прочность штыря на изгиб
кгс·см < RуW=2300·0,133=305,9 кгс·см.
Опорная реакция простенка на междуэтажное перекрытие как свободно опертой балки равна
кгс.
Необходимое число креплений равно
.
Принимаем п=8. На участке b+(bл+bп)/2=3 м крепления следует устанавливать с шагом 300/8=37,5 см.
Определим
необходимый шаг креплений стены к поперечной несущей стене по формуле (6.33),
т.е.
.
Поскольку а/l=0,45/4,0=0,11
< 0,5, из табл. 6.2 находим k1=0,401.
Равномерно распределенная нагрузка qp равна
(при gf=1,4
и gn=1,0)
кгс/м2=0,00726 кгс/см2.
Отсюда
см.
Принимаем шаг креплений к поперечной стене=50 см.
Пример 3. Дано: общественное 2х этажное здание с несущими стенами из сплошных блоков; схема здания представлена по рис. 6.13; стена состоит из блоков толщиной hn=37,5 см, внутреннего штукатурного слоя толщиной hш=2 см и наружной кирпичной облицовки толщиной 12 см; блоки из полистиролбетона класса В1,5 марки по средней плотности D400; штукатурный раствор марки 50; перекрытие из многопустотных плит с расчетным весом 360 кгс/м2, раздельное покрытие из ребристых плит с расчетным весом 175 кгс/м2, полезная нагрузка на перекрытие 200 кгс/м2.
Требуется проверить прочность межоконного простенка.
Рис. 6.13. Конструктивная схема несущей стены с кирпичной облицовкой
Расчет. Проверим прочность простенка 1го этажа вне поперечных стен в сечении на уровне верха окон.
Собираем вертикальную нагрузку на простенок с грузовой площади шириной
cм.
Расчетная нагрузка на 1 м2 перекрытия:
|
многопустотные плиты |
360 кгс/м2; |
|
пол |
150 кгс/м2; |
|
временная нагрузка |
200·1,2=240 кгс/м2; |
|
Итого: |
qпер=750 кгс/м2. |
Сила Nпер на простенок от этой нагрузки
кгс.
Расчетная нагрузка на 1 м2 покрытия:
|
два слоя ребристых плит |
2·175=350 кгс/м2; |
|
слой утеплителя из полистиролбетона D200 толщиной 29,5 см |
0,295·200·1,2=70,8 кгс/м2; |
|
водоизоляционный ковер |
30·1,3=39 кгс/м2; |
|
снеговая нагрузка 3го района |
100·1,4=140 кгс/м2; |
|
Итого: |
560 кгс/м2. |
Сила Nв на простенок от этой нагрузки
кгс/м2.
Определим нагрузку от веса стены с учетом штукатурки и оконного заполнения, но без учета кирпичной облицовки, на уровне верха окна 1го этажа.
Согласно рис. 6.13 площадь простенка в пределах высоты окна
0,9·2,3=2,07 м2.
Суммарная площадь стен над окнами первого и второго этажа в пределах расчетной ширины bр=3 м
3(1,9+2,0)=11,7 м2.
Итого, площадь стен: 2,07+11,7=13,77 м2.
Вес заполнения оконных проемов во 2м этаже при весе 1 м2 заполнения 10 кгс
2,1·2,3·10=48,3 кгс.
С учетом веса 1 м2 штукатурки, равного 0,02·1800=36 кгс, плотности полистиролбетонной кладки 430 кг/м3 (с учетом влажности полистиролбетона) и коэффициента gf=1,2 сила Ncm на простенок равна
кгс.
Итого, полная сжимающая сила равна
кгс.
Проверяем прочность согласно п. 6.12.
Из табл. 6.1 определим характеристики раствора штукатурного слоя:
Rbш=19,3 кгс/см2; Еш=66300 кгс/см2.
Из
табл. 3.7
при В1,5 и D400
находим Eb=13000
кгс/см2, из табл. 3.6 Rb=10,5 кгс/см2.
Тогда
кгс/см2;
кгс/см2;
.
Определяем расположение центра сжатия и центра тяжести приведенного сечения простенка
см,
см.
Момент инерции приведенного сечения простенка равен
см4.
По формуле (6.26) определяем коэффициент продольного изгиба η, приняв
кгс,
.
Из рис. 6.13 имеем а=70 см. Тогда, поскольку l/3=400/3=133,3 см > а=70 см,
.
По формуле (6.22) определяем расчетный момент М относительно центра сжатия. Из рис. 6.13 имеем lon=18,5 см. Тогда
см,
кгс·см.
Определяем высоту сжатой зоны
см.
Проверяем условие (6.19)
кгс·см > M=92687
кгс·см, т.е. прочность простенка 1-го этажа на уровне верха окон обеспечена.
6.22.
Стены из монолитного полистиролбетона могут быть ненесущими, самонесущими и
несущими. Расчет этих стен аналогичен расчету стен из сплошных
полистиролбетонных блоков, приведенному в пп. 6.1-6.16. При этом значения
расчетных сопротивлений кладки из полистиролбетонных блоков
и
заменяются
на расчетные сопротивления полистиролбетона соответственно при изгибе Rbtf
и сжатию Rb,
приведенные в табл. 3.6.
При учете веса полистиролбетона его плотность в расчетах несущей способности принимается в запас равной марке по средней плотности, увеличенной на 50 кг/м3 за счет 5 % влажности по объему.
Расчет креплений монолитных стен к перекрытиям и несущим поперечным стенам выполняется согласно п. 6.16.
Расчет
монолитных стен в стадии возведения производится согласно пп. 6.18, 6.19
только для случая 2 с заменой в условии (6.34) значения
на Rbtf.
Дано: схема общественного здания из примера 3 (см. рис. 6.13); несущие стены из монолитного полистиролбетона толщиной 30,0 см с внутренним штукатурным слоем толщиной 2 см и наружной кирпичной облицовкой; полистиролбетон класса В1,5 и марки по средней плотности D450; штукатурный раствор марки 50; перекрытие и покрытие из многопустотных сборных плит с расчетным весом 360 кгс/м2, полезная нагрузка на перекрытии 400 кгс/м2.
Требуется проверить прочность межоконного простенка.
Расчет. Проверим прочность простенка 1го этажа вне поперечных стен в сечении на уровне верха окон.
Собираем вертикальную нагрузку на простенок с грузовой площади шириной
cм.
Расчетная нагрузка на 1 м2 перекрытия:
|
многопустотные плиты |
360 кгс/м2; |
|
пол |
150 кгс/м2; |
|
временная нагрузка |
400·1,2=480 кгс/м2; |
|
Итого: |
qпер=990 кгс/м2. |
Сила Nпер на простенок от этой нагрузки
кгс.
Расчетная нагрузка на 1 м2 покрытия:
|
многопустотные плиты |
360 кгс/м2; |
|
слой утеплителя из полистиролбетона D200 толщиной 30 см |
0,3·200·1,2=72 кгс/м2; |
|
водоизоляционный ковер |
50·1,3=65 кгс/м2; |
|
снеговая нагрузка 3го района |
100·1,4=140 кгс/м2; |
|
Итого: |
637 кгс/м2. |
Сила Nв на простенок от этой нагрузки
кгс/м2.
Определим нагрузку от веса стены с учетом штукатурки и оконного заполнения, но без учета кирпичной облицовки, на уровне верха окна 1го этажа.
Согласно рис. 6.13 площадь простенка в пределах высоты окна
0,9·2,3=2,07 м2.
Суммарная площадь стен между окнами в пределах расчетной ширины bр=3 м
3(1,9+2,0)=11,7 м2.
Итого, площадь стен: 2,07+11,7=13,77 м2.
Вес заполнения оконных проемов во 2м этаже при весе 1 м2 заполнения 10 кгс
2,1·2,3·10=48,3 кгс.
С учетом веса 1 м2 штукатурки, равного 0,02·1800=36 кгс, плотности полистиролбетона 450 кг/м3 и коэффициента gf=1,2 сила Ncm на простенок равна
кгс.
Итого, полная сжимающая сила на простенок равна
кгс.
Проверяем прочность согласно п. 6.12.
Из табл. 6.1 определяем характеристики раствора штукатурного слоя
Rbш=19,3 кгс/см2; Еш=66300 кгс/см2.
Из табл. 3.7 при В1,5 и D450 находим Eb=14000 кгс/см2, из табл. 3.6 Rb=10,5´0,9=9,45 кгс/см2 (коэффициент gb2=0,9 учитывает длительность действия нагрузки).
Тогда
.
Определяем расположение центра сжатия и центра тяжести приведенного сечения простенка
см,
см.
Момент инерции приведенного сечения простенка равен
см4.
По формуле (6.26) определяем коэффициент продольного изгиба η, приняв
кгс,
.
Из рис. 6.13 имеем а=70 см. Тогда, поскольку l/3=400/3=133,3 см > а=70 см,
.
По формуле (6.22) определяем расчетный момент М относительно центра сжатия. Из рис. 6.13 имеем lon=18,5 см. Тогда
см,
кгс·см.
Определяем высоту сжатой зоны
см.
Проверяем условие (6.19)
кгс·см > M=90141
кгс·см, т.е. прочность сечения 1 обеспечена и, следовательно,
обеспечена прочность стены.
Простенки, располагаемые вне поперечных стен, рассчитываются как крайние стойки железобетонной рамы, ригелями которой являются участки перекрытий между осями смежных проемов, т.е. шириной bпр+(bл+bп)/2, и пролетом l, равным расстоянию между осью простенка и осью внутренней стены (рис. 6.14).
Расчетная схема рамы принимается по рис. 6.15. При этом жесткость стойки по высоте простенков (т.е. между оконными проемами) принимается равной жесткости стены из плоскости шириной bпр+(bл+bп)/2. Рассчитываются сечения простенка у верхнего и у нижнего края проема. При одинаковом армировании и сечении простенков по всей высоте здания наиболее опасными сечениями могут быть сечения 1, 2, 3 и 4 по рис. 6.15. Ветровые нагрузки можно не учитывать ввиду малого их влияния на прочность несущих железобетонных конструкций.
6.24. Расчет рамы производится как линейно-деформируемой системы. При одинаковых высотах этажей и нагрузках на них допускается моменты в простенках определять из упрощенного расчета фрагментов рам по рис. 6.16.
6.25. Сечения простенка рассчитываются на внецентренное сжатие как тавровое сечение с ребром шириной b, равной суммарной средней ширине всех ребер простенка согласно пп. 6.26 и 6.27. При этом в сечении у нижнего края проема сжатая зона располагается со стороны ребра (рис. 6.18а), а в сечении у верхнего края проема - со стороны полки (рис. 6.18б).
Расчетное сопротивление бетона сжатию Rb принимается с учетом коэффициентов условий работы gb2 > 0,9 и gb5=0,85 по табл. 6.3.
Расчетное сопротивление арматуры Rs класса А-III равно: 3600 кг/см2 - при d=6 и 8 мм и 3750 кг/см2 - при d ³ 10 мм. При использовании арматуры других классов - см. СНиП 2.03.01-84*.
Арматура в каждом ребре простенка устанавливается в виде сварного плоского каркаса, состоящего из двух одинаковых продольных стержней диаметром d не более 20 мм и не менее 12 мм и поперечных стержней с шагом не менее 20d. Для обеспечения работы на сжатие стержня, расположенного в ребре, толщина бокового защитного слоя бетона принимается не менее 1,5d. Защитный слой бетона у крайней грани ребра и полки (стенки) должен быть не менее d. Простенок армируется стержнями с шагом не менее 20d.
Рис. 6.14. Конструктивная схема стены из полупустотных элементов

Iпер - момент инерции сечения участка
перекрытия шириной ![]()
Iст - момент инерции сечения участка стены
шириной ![]()
Iп - момент инерции сечения простенка шириной bпр
1, 2, 3, 4 - расчетные сечения
Рис. 6.15. Расчетная схема рамы
|
а) для покрытия |
|
|
б) для средних перекрытий |
|
|
в) для нижнего перекрытия |
|
; ![]()
K1, K2, K3 - коэффициенты K, определяемые по графику на рис. 6.18.
в зависимости соответственно от
,
,
, и от ![]()
Рис. 6.16. К определению моментов из упрощенного фрагмента рамы
Рис. 6.17. График зависимости (к-t)
Рис. 6.18. К расчету сечения со сжатой зоной
6.26. Сечение со сжатой зоной со стороны ребра (рис. 6.18а) рассчитывается следующим образом:
а)
если
, из
условия
где h0, а’, у0 - см. рис. 6.18а;
х - высота сжатой зоны, принимаемая равной:
если
(где
- граничная относительная
высота сжатой зоны бетона, принимаемая по табл. 6.4),
,
если
,
,
где
,
ψ и ω - см. табл. 6.4;
б)
если
,
расчет ведется из условия
, (6.39)
где
;
;
;
;
;
.
6.27. Сечения со сжатой зоной со стороны полки (рис. 6.20б) рассчитывается следующим образом:
а)
если
, из
условия
б)
если
, из
условия
, (6.41)
где х - высота
сжатой зоны, принимаемая равной
;
- площадь свеса полки.
При
этом если
(
- см. табл. 6.4),
высота сжатой зоны определяется по формуле:
,
где
;
;
αs, αn - см. формулы (6.38);
ψ и ω - см. табл. 6.4.
Таблица 6.4
|
В15 |
В20 |
В22,5 |
В25 |
|
|
Rb (кгс/см2) |
66 |
90 |
101 |
113 |
|
ω |
0,797 |
0,778 |
0,769 |
0,760 |
|
ψ |
4,84 |
4,56 |
4,43 |
4,31 |
|
|
0,661 |
0,638 |
0,627 |
0,617 |
|
|
||||
Примечание. Табличные значения
и
ψ даны при
диаметре арматуры 10 мм и более.
6.28. При отсутствии проемов между поперечными стенами глухая стена рассчитывается аналогично указаниям пп. 6.23-6.27, принимая ширину стены и перекрытия равной расстоянию между ребрами стены, и рассчитывая сечения на уровнях верхней и нижней граней перекрытия.
Дано: жилое 12ти этажное здание со стенами, выполненными с применением полупустотных блоков; схема здания - по рис. 6.19; сечение простенка - по рис. 6.20; бетон монолитной части стены из бетона класса В20; блоки из полистиролбетона марки по плотности D250; продольная арматура в ребрах Æ12АIII; здание расположено в г. Москве.
Требуется проверить прочность железобетонной части простенка.
Рис. 6.19. Упрощенная расчетная схема стен из полупустотных элементов
Рис. 6.20. Сечение простенка с ребрами
Рис. 6.21. Схема определения грузовой площади стены
Расчет. Проверим прочность сечения простенка у верхнего края проема верхнего этажа (сечение 1 рис. 6.15).
Определяем нагрузку на простенок от покрытия Nпок. Расчетная нагрузка на 1 м2 покрытия:
|
вес монолитной плиты покрытия толщиной 16 см |
0,16·2500·1,1=440 кгс/м2 |
|
вес утеплителя из полистиролбетона D200 толщиной 30 см |
0,3·200·1,2=72 кгс/м2 |
|
вес водоизоляционного ковра |
40·1,3=52 кгс/м2 |
|
Итого, постоянная нагрузка равна |
564 кгс/м2. |
|
снеговая нагрузка для 3го района (г. Москва) |
100·1,4=140 кгс/м2 |
|
Итого, полная нагрузка на 1 м2 равна |
704 кгс/м2. |
Определим грузовую площадь для расчетной ширины стены, равной расстоянию между осями окон 1,2+1,5=2,7 м, согласно рис. 6.19 и рис. 6.21
м2.
Тогда с учетом снеговой нагрузки Nпок=704·6,008=4229,6 кгс, без учета снеговой нагрузки Nnoк=564·6,008=3388,5 кгс.
Поскольку
одному полистиролбетонному блоку (рис. 6.21) площадью сечения
20·20+10·30=700 см2 соответствует полное сечение стены площадью
30·36=1080 см2, доля тяжелого бетона в этом сечении составляет
. Тогда
вес 1 м2 площади стены с учетом gf > 1 равен
кгс/м2,
а вес всей стены над окнами 405·2,7·0,5= 546,8 кгс.
Итак, продольная сила, действующая на рассматриваемое сечение, равна
кгс.
Определим момент в этом сечении, используя расчетную схему на рис. 6.16а. Для этого определяем геометрические характеристики сечений простенка, стены и покрытия.
Сечение
простенка представляем в виде тавра с ребром (см. рис. 6.20) шириной b=3·10=30 см, высотой сечения h=26
см, шириной свесов полки
см и толщиной полки hf=6 см.
Тогда площадь сечения
см2;
расстояние от центра тяжести до края со стороны полки
см;
момент инерции простенка
см4.
При ширине стены 270 см число железобетонных ребер равно 270/30=9, а их общая ширина 9·10=90 см. Тогда
см2;
см;
см4.
Момент инерции сечения плиты покрытия:
см4.
Принимаем усредненное расстояние оси стены и простенка от внутренней грани этой стены равным 9,5 см. Тогда расчетный пролет перекрытия (ригеля рамы) равен (рис. 6.19).
см,
а погонная жесткость
ригеля (перекрытия)
см3.
Из рис. 6.18 имеем высоту окна Н0=150 см и a2=50 см. Тогда
см3;
;
.
По графику на рис. 6.17 при t=t2=0,333 и b=1,23 находим k2=k=0,74.
Равномерно распределенная нагрузка на ригель покрытия равна
кгс/м=19,06 кгс/см.
По формуле при схеме а рис. 6.16 определяем момент в стене по оси узла
кгс·см=0,781
тс·м.
Момент в сечении 1 простенка
тс·м.
Проверяем
прочность сечения согласно п. 6.26, принимая As=3,39
см2 (3Æ12),
см;
см. Из табл. 6.4 имеем Rb=90 кг/см2.
Поскольку
см < hf=6
см,
прочность сечения проверяем из условия (6.40)
![]()
кг·см=3,273 тс·м > М=2,822 тс·м,
т.о. прочность этого сечения обеспечена.
Проверим прочность сечения простенка у нижнего края проема верхнего этажа (сечение 2, рис. 6.17).
Расчетная нагрузка на 1 м2 перекрытия:
|
вес монолитной плиты перекрытия при ее толщине 20 см |
0,2·2500·1,1=550 кг/м2; |
|
вес пола |
100 кгс/м2; |
|
временная нагрузка жилого помещения |
150·43=195 кгс/м2; |
|
Итого: |
845 кгс/м2. |
Тогда равномерно распределенная нагрузка на ригель (плита перекрытия шириной 2,7) равна
кгс/м=22,82 кгс/см.
Определяем
момент в сечении, используя расчетную схему б на рис. 6.16.
Из рис. 6.18
имеем а1=100 см. Тогда
. По
графику на рис. 6.17 при t=t1=0,667
и b=1,23
находим k1=k=0,55. Выше были определены k2=0,74
и in=500,6
см3.
Момент инерции сечения плиты перекрытия
см4.
Тогда
см3.
По формуле при схеме б рис. 6.16 определяем момент по оси узла
кгс·см=0,44 тс·м.
Момент в сечении 1 простенка
тс·м.
Определим продольную силу в сечении. При этом от покрытия учитываем только постоянную нагрузку 564 кгс/см2. Вес стены площадью 2,7+1,2·1,5=4,5 м2 равен 4,5·404,5=1820,2 кгс. Тогда
кгс.
Проверяем
прочность сечения согласно п. 6.26, принимая
см.
Поскольку
см <
см
и
x1=1,93
см <
см, прочность сечения проверяем из условия (6.37)
при х=x1=1,93
см.
кгс·см =3,624 тс·м > М=0,189 тс·м,
т.е. прочность этого сечения обеспечена.
6.29. В этих стенах рассчитывается по всем предельным состояниям только внутренний железобетонный каркас, образованный заполнением бетоном каналов полистиролбетонных блоков.
6.30. Основными несущими элементами внутреннего железобетонного каркаса стен являются стойки. Планки позволяют распределить усилия между стойками при их неравномерном загружении, например, передать часть усилия с наиболее нагруженной крайней стойки простенка у оконного (дверного) проема на менее нагруженные соседние стойки. Отдельные элементы внутреннего каркаса могут быть бетонными, т.е. без расчетной арматуры.
Определение усилий в стойках на «глухих» участках стен от вертикальных нагрузок
6.32. При монолитных перекрытиях усилия в стойках определяют из расчета многоэтажной рамы с жесткими узлами сопряжения стоек стен и перекрытия (рис. 6.22). Ригелями рамы являются участки перекрытия (полосы) шириной а и пролетом l, где а - шаг стоек, внутреннего железобетонного каркаса, l - расстояние между осью стоек и осью внутренней опоры (внутренней продольной стены, продольной балки или другой конструкции в зависимости от конструктивного решения здания). Расчет рамы допускается производить как линейно деформируемой системы по известным методам строительной механики.
Усилия в стойках могут быть также определены упрощенным способом путем расчета фрагментов рамы в соответствии со схемами и зависимостями, приведенными на рис. 6.23. Если узел опирания перекрытия на среднюю опору рассчитан и заармирован как жесткий, то и в расчетной схеме он принимается как жесткий. В остальных случаях этот узел рассматривается как шарнирный.
6.33. При сборных перекрытиях стойки стен рассматривают как вертикальные разрезные балки, горизонтальными опорами которых являются перекрытия. Принимаем, что давление от перекрытия на стойку передается по треугольной эпюре (рис. 6.24). Нагрузку на стойку собирают с участка перекрытия (полосы) шириной а и длиной l/2, где а и l - см. п. 6.32. В соответствии с принятой расчетной схемой эпюра моментов в стойке в пределах этажа имеет форму треугольника с максимальным моментом у верхней опоры (рис. 6.24).
Рис. 6.22. Пример эпюры моментов в раме, загруженной вертикальной нагрузкой при монолитных перекрытиях
Определение усилий в стойках межоконных простенков от вертикальных нагрузок
6.34. Стойки простенка загружены неравномерно, так как грузовая площадь для крайней стойки (у оконного или дверного проема) может быть значительно больше, чем для средних стоек (рис. 6.27). Вследствие сопротивления изгибу планок происходит перераспределение усилий с более нагруженных на менее нагруженные стойки.
Рис. 6.23. Упрощенное определение моментов при монолитных перекрытиях в стойках: а) верхнего этажа, б) среднего этажа, в) нижнего этажа
Рис. 6.24. Моменты в стойках при сборных перекрытиях
f=l/2 - при сборе нагрузок на стойки простенка при сборном перекрытии; f=l - при определении нагрузки на раму, содержащие стойки простенка и перекрытия шириной bпер
Рис. 6.25. Участки для сбора нагрузок на крайние (1, 3) и среднюю (2) стойки простенка
а) продольная сила на простенок, передаваемая перекрытием, расположенном непосредственно над этим простенком, прикладывается к стойкам в соответствии с грузовой площадью для каждой стойки (рис. 6.27);
б) продольная сила на простенок, передаваемая стенами, перекрытиями и покрытием, расположенными выше перекрытия, непосредственно опираемого на рассматриваемые стойки, распределяется на эти стойки при их числе п £ 6 следующим образом.
Продольная сила на крайнюю стойку перераспределяется на две соседние с ней стойки, при этом допускается принимать равномерное распределение нагрузок на три стойки этой группы.
Соответственно принимают, что в простенке с двумя или тремя стойками они загружены равномерно, т.е. продольное усилие на стойку равно полному усилию на простенок, деленному на число стоек в простенке.
При
четырех или пяти стойках в простенке рассматривают независимо две прилегающие к
проемам группы из трех стоек с равномерным распределением продольных сил между
стойками в каждой группе. Усилия в средних стойках, принадлежащих одновременно
двум группам, принимают по более нагруженной группе. Найденные таким образом
предварительные усилия в стойках
следует умножить на поправочный коэффициент
,
где Nпрост - продольное усилие на простенок, найденное в соответствии с грузовой площадью на простенок от нагрузок, приложенных выше перекрытия, непосредственно опирающегося на рассматриваемые стойки;
n - число стоек в простенке.
При шести стойках в простенке рассматривают две группы из трех стоек. В каждую группу входят последовательно расположенные стойки со стороны левого или правого проема;
в) в стене (простенке) с числом стоек п > 6 при определении продольных сил от стен, перекрытий и покрытия, расположенных выше перекрытия ближайшего по отношению к верху рассчитываемых стоек, выделяют участки из трех стоек, примыкающих к проемам. Для стоек каждого участка усилия, найденные в соответствии с грузовыми площадями, усредняются. За пределами этих участков стойки рассчитывают на усилия, определяемые согласно грузовым площадям, т.е. как на «глухих» участках стен (пп. 6.31-6.33).
6.36.
При монолитных перекрытиях моменты в стойках простенка, вызванные деформацией
вышерасположенного перекрытия, определяют из расчета рамы, аналогичного расчету
по п. 6.32.
При этом рассматривается рама, состоящая из обобщенной стойки с жесткостью Вs, равной
сумме жесткостей n
стоек простенка, и ригеля - полосы перекрытия пролетом l и шириной b, где
b
- расстояние между серединами примыкающих к простенку проемов.
Найденный на обобщенную стойку момент Ms
затем распределяют равномерно на все стойки простенка общим
числом n,
т.е. момент в стойке равен
.
6.37. При сборных перекрытиях моменты в стойках простенка, связанные с деформацией вышерасположенного перекрытия, определяют от нагрузок, найденных в соответствии с грузовой площадью для каждой стойки. Моменты от этих нагрузок вычисляют так же, как на участке глухой стены (п. 6.33), т.е. в опорном сечении момент находят, исходя из треугольной эпюры давления от перекрытия на стойку (рис. 6.24), а по высоте стены в пределах этажа эпюра моментов имеет форму треугольника.
Расчет усилий в элементах перемычек над оконными (дверными) проемами от вертикальных нагрузок
6.38. Перемычки представляют собой железобетонную решетку, защемленную на опорах в решетке стены (рис. 6.26). Одна из планок этой решетки, на которую непосредственно передается нагрузка от перекрытия (балка под сборным перекрытием или ребро монолитного перекрытия), имеет сечение большее, чем другие планки. Усилия в элементах решетки могут быть найдены известными методами строительной механики (как составной балки или рамной системы).
Допускается упрощенный способ расчета, основанный на том, что основная часть нагрузки воспринимается планкой (балкой), сопряженной с перекрытием. Поперечную нагрузку между планками распределяют пропорционально их жесткостям. Каждая планка рассматривается как упруго защемленная на опорах балка.
Опорный момент в каждой планке пролетом l определяется по формуле:
, (6.42)
где р - равномерно
распределенная нагрузка на планку,
;
q - нагрузка от перекрытия и собственного веса перемычки;
Bпл,
- соответственно, жесткость
рассчитываемой планки и сумма жесткостей всех n планок перемычки;
iпл,
- соответственно, погонная жесткость рассчитываемой планки (Впл/l) и
сумма погонных жесткостей всех стержней, сходящихся в опорном узле этой планки;
K - коэффициент, учитывающий перемещение (повороты и линейные смещения) смежных с опорным узлов элементов решетки стены (K=0,5).
Момент в стойке простенка у оконного (дверного) проема в опорном узле планки равен:
, (6.43)
где iст - погонная жесткость рассчитываемой стойки (Bcm/hcm)
а - внутренний каркас перемычки;
б - схема для упрощенного расчета планки и крайних стоек простенка на момент от изгиба планки
Рис. 6.26. К расчету перемычек на вертикальную нагрузку
Определение усилий в стойках от ветровой нагрузки, нормальной к плоскости стены
6.39. Ветровая нагрузка, направленная перпендикулярно плоскости стены, распределяется между стойками пропорционально грузовой площади, определяемой по поверхности стены (рис. 6.27). При этом наиболее нагруженными являются стойки у оконных (дверных) проемов.
При
монолитных перекрытиях на действие ветровой нагрузки интенсивностью p стойку можно рассчитывать как защемленную
по концам балку пролетом l=Н
(Н - расстояние между центрами узлов сопряжения стоек и перекрытий).
Опорные моменты в стойках равны
.
При
сборных перекрытиях, которые разрезают стойки, превращая их в шарнирно опертые
на уровне перекрытий балки, наибольший момент возникает в середине высоты
стойки, где он равен
.
Расчет стоек на прочность
6.40. Стойки рассчитываются как бетонные или железобетонные элементы согласно СНиП 2.03.01-84* на действие центрально приложенной силы N и геометрической суммы моментов, действующих из плоскости стены (от нагрузки на перекрытие и ветровых нагрузок из плоскости стены) и в плоскости стены (моменты от планок перемычек).
При отсутствии арматуры стойка рассчитывается как бетонный элемент при расчетном сопротивлении Rb с учетом коэффициента gb2=0,9. В случае недостаточной прочности в стойке устанавливается арматура либо в виде одного центрально расположенного стержня, либо в виде каркаса из 3-х одинаковых стержней (рис. 6.28).
Во всех случаях в значении Rb учитываются коэффициенты условий работы: gb2, равный 1,1 или 0,9 в зависимости от учета или неучета ветровой нагрузки, и gb5=0,85.
6.41. Стойки, неармированные, а также армированные одним стержнем, рекомендуется рассчитывать упрощенным способом с помощью графика на рис. 6.29. Расчет ведется из условия
где an находится по графику в
зависимости от
и
.
Рис. 6.27. Расчет стоек на ветровую нагрузку, направленную перпендикулярно плоскости стены при монолитных (а) и сборных (б) перекрытиях
6.42. Моменты из плоскости стены умножаются на коэффициент продольного изгиба η, определяемый по формуле
где N - суммарная продольная сила во всех стойках простенка;
Ncr - условная критическая сила, равная
,
где I - суммарный момент инерции всех стоек простенка;
l0 - расчетная длина, равная высоте этажа;
, но не менее ![]()
Мw - момент от ветровой нагрузки;
Rb - расчетное сопротивление бетона;
D - диаметр сечения стойки.
При
наличии арматурного каркаса Ncr
увеличивается на
, где
Is,
- сумма моментов инерции сечения арматурных стержней всех стоек простенка.
Рис. 6.28. Армирование стойки
;
; ![]()
![]()
![]()
Рис. 6.29 График несущей способности стоек
Рис. 6.30 План стены из перекрестно-пустотных элементов (к примеру расчета)
Рис. 6.31. К определению моментов в стойках стен
Дано:
план стены 1-го этажа из перекрестно-пустотных блоков по
рис. 6.32;
примыкающие перекрытия из монолитного бетона пролетом lр=510
см толщиной h=16
см; узлы опирания перекрытий на среднюю опору рассчитаны на восприятие
отрицательного момента; высота этажа 300 см; продольные силы на стойки
простенка, передаваемые стенами, перекрытиями и покрытием, расположенными выше
верхнего примыкающего к простенку перекрытия, и соответствующие грузовым
площадям каждой стойки, равны
=24,6
тс;
=
=
=6,15
тс;
=18,45
тс (индексы соответствуют номерам стоек по рис. 6.32); нагрузки на перекрытия
(с учетом собственного веса): верхнее междуэтажное qм=800
кгc/м2,
нижнее (над подвалом) - qп=860
кгс/см2; вес 1 м2 стен 450 кг; стойки и перекрытия из
бетона класса В25; в центре крайних стоек установлены стержни Æ12АIII, диаметр стоек 16 см.
Требуется проверить прочность стоек простенка.
Расчет.
Определение моментов в стойках от вертикальных нагрузок
Моменты определяем из расчета фрагмента рамы по рис. 6.31.
Вычисляем
погонные жесткости обобщенной стойки простенка и перекрытия шириной
см:
см3;
см3.
Нагрузка
на междуэтажное перекрытие шириной 3 м
тс/м.
По формуле при схеме б) рис. 6.23 вычисляем моменты в узле сопряжения стойки с верхним перекрытием в сечениях I и II (рис. 6.31).
тс·м.
При
равномерном загружении этим моментом всех стоек внутреннего каркаса простенка
момент на 1 стойку равен
тс·м.
Опорная реакция этого перекрытия на простенок равна
тc
Отсюда, длина площадки, с которой собирается нагрузка на простенок, равна
м.
Определяем силы, приложенные к стойкам от верхнего перекрытия в соответствии с грузовыми площадями для каждой стойки (см. рис. 6.30):
тс;
тс;
тс.
Суммарная
сила, приложенная на все стойки простенка от нагрузок, расположенных
выше верхнего примыкающего к простенку перекрытия, равна
тс.
Производим
перераспределение сил
согласно п. 6.35.
Определяем усредненные силы в группах стоек: 1, 2, 3 и 4, 5.
В
1-й группе
тс;
во
2-й группе
тс.
Таким
образом, предварительные значения сил
на стойки равны:
N1=N2=N3=12,3 тc; N4=N5=10,25 тс,
а
их сумма равна
тс.
Находим
поправочный коэффициент
.
Тогда окончательные значения сил Ni от нагрузок, приложенных выше верхнего примыкающего к рассчитываемому простенку перекрытия, равны
N1=N2=N3=12,3·1,071=13,17 тc; N4=N5=10,25·1,071=10,98 тс,
что в сумме равно сумме заданных сил Nпрост=61,5 тс.
Определяем полные продольные силы в сечении II, добавив к силам Ni силы Nin от нагрузок на верхнем перекрытии
тс;
тс;
тс;
тс.
Определяем моменты в узле сопряжения стойки с нижним перекрытием, т.е. при нагрузке, равной qn=0,86·3=2,58 тс/м, используя формулу при схеме в) рис. 6.25
тс·м.
Момент
в сечении III
каждой
стойки равен
тс·м.
Продольные
силы в сечении III
определяем, добавляя к силам
вес стен 1-го этажа. При этом для крайних
стоек учитываем наличие проема, для чего на вес стен условно вводим коэффициент
0,4:
тс;
тс;
тс;
тс.
Проверка стоек на прочность
Проверим
прочность сечения III
стойки 1, как наиболее нагруженного. При этом моменты от ветровой нагрузки не
учитываем, поскольку на уровне 1-го этажа эти моменты весьма малы. В связи с
отсутствием на этом уровне перемычки моменты в плоскости стены отсутствуют.
Тогда расчетный момент равен М=0,32 тс·м. Расчетная продольная сила N=15,9
тс. Радиус сечения стойки r=8
см, его площадь
см2. Площадь сечения стержня Æ12
As=1,13
см2. Расчетное сопротивление бетона с учетом коэффициента
gb2=0,9
и gb5=0,85
равно
кгс/см2.
Расчет ведем с помощью графика на рис. 6.29.
Определяем
значения
;
.
При этих значениях по графику находим значение an=0,90.
Проверяем условие (6.44)
кгс > N=15900
кгс,
т.е. прочность крайних стоек обеспечена.
Проверим прочность бетонной стойки 2 в том же сечении III. Продольная сила N=14,1 тс. Момент тот же. Расчетное сопротивление бетона принимаем с учетом коэффициента gb9=0,9, т.е. Rb= 113·0,9=101,7 кгс/см2.
По
и as=0 из графика находим an=0,64.
Тогда
кгс < N=14,1 тс,
т.е. прочность стоек 2 и 3 не обеспечена и их следует усилить арматурным стержнем.
Прочность стоек 4 (неармированной) и 5 (армированной) обеспечена, поскольку для них условие (6.44) выполняется:
N=11,9
тс <
тс;
N=13,1
тс <
тс.
6.43. Перемычки изготавливаются из полистиролбетона марки по средней плотности не менее D300 при классе по прочности на сжатие не менее В0,75.
В качестве рабочей продольной арматуры в растянутой зоне рекомендуется применять стержни из проволоки класса ВрI диаметром 3...5 мм. Количество стержней продольной арматуры должно быть не менее двух.
Для обеспечения анкеровки продольной растянутой арматуры в полистиролбетоне на ее концах должны быть предусмотрены концевые анкерные приспособления в виде поперечных стержней, пластин или углов, к которым прикрепляются стержни продольной арматуры с помощью контактной сварки или других способов, обеспечивающих надежность соединения.
Для обеспечения совместимой работы полистиролбетона и растянутой арматуры по длине перемычки, кроме указанных концевых анкерных приспособлений, должны быть выполнены промежуточные анкерные приспособления в виде поперечных стержней из арматуры класса AI диаметром 10...14 мм.
Анкерные приспособления должны обеспечивать передачу давления от продольной растянутой арматуры на полистиролбетон при условии недопущения его смятия.
Расчет прочности сечений, нормальных к продольной оси элемента
6.44. Расчет прочности по нормальным сечениям проводится из условия
, (6.46)
где Rs - расчетное сопротивление арматуры растяжению с учетом коэффициента условий работы gs, определяемого по формуле
Аs.anc - суммарная площадь поверхности анкеров, через которую передается давление на полистиролбетон, расположенных на участке перемычки от опоры до рассматриваемого сечения.
В формуле (6.47) расчетное сопротивление арматуры Rs учитывается без коэффициентов условий работы арматуры.
,
но не более
, (6.48)
где Rb - расчетное сопротивление полистиролбетона осевому сжатию с учетом коэффициента условий работы gв2=0,9, т.е. произведение значения сопротивления Rв по табл. 3.6 на коэффициент gв2=0,9.
Расчет прочности сечений, наклонных к продольной оси элемента
6.45. Расчет прочности наклонных сечений на действие поперечной силы производится из условия
где Rbt - расчетное сопротивление полистиролбетона осевому растяжению с учетом коэффициента работы gв2=0,9, т.е. произведение значения сопротивления Rbt по табл. 3.6 на коэффициент gв2=0,9.
6.46. Расчет прочности наклонных сечений на действие изгибающего момента производится у грани свободной опоры перемычки с учетом работы концевых анкерных приспособлений из условий
; (6.50)
; (6.51)
; (6.52)
; (6.53)
; (6.55)
где As.anc1 - площадь смятия полистиролбетона в месте контакта с концевыми анкерными приспособлениями;
с
- длина проекции наклонного сечения, принимаемая равной
;
d - расстояние от точки приложения опорной реакции до грани опоры.
Расстояние у принимается не более расстояния от точки приложения опорной реакции до первого промежуточного анкерного приспособления в виде поперечных стержней из арматуры класса AI диаметром 10...14 мм.
Расчет по образованию нормальных трещин
6.47. Расчет по образованию нормальных трещин производится из условия
где Мn - момент от действия полной нагрузки с учетом коэффициента надежности по нагрузке gf=1.
Расчет по образованию наклонных трещин
6.48. Расчет по образованию наклонных трещин производится из условия
где Qn - поперечная сила от действия полной нагрузки с учетом коэффициента надежности по нагрузке gf=1.
Расчет по деформациям
6.49. При отсутствии нормальных и наклонных трещин от действия нормативных нагрузок (выполнение условий (6.56) и (6.57)) расчет по деформациям производится из условия
; (6.58)
; (6.59)
; (6.60)
;
; (6.62)
. (6.63)
Расчет анкеровки
6.50. Анкеровка арматуры (в полистиролбетоне) обеспечивается специальными конструктивными мероприятиями - установкой анкерных приспособлений (поперечных стержней, уголков и др.), передающих на полистиролбетон давление от растяжения арматуры на площади, достаточной для недопущения его смятия.
Полудлина перемычки разбивается на «n» участков. Число участков зависит от длины перемычки (n=2...5). Первый участок (i=1) имеет длину a1»y и содержит концевые анкерные устройства (упоры) площадью As.anc.i.
На
остальных участках i-тое
приспособление расположено вблизи середины i-гo участка длиной
.
Площадь передачи давления As.anc.i определяется из
условия
где Мi, Мi-1 - изгибающие моменты в начале и в конце i-го участка;
;
xi - высота сжатой зоны бетона в сечении по i-му анкерному приспособлению;
.
Дано:
Перемычка
по альбому рабочих чертежей
«Полистиролбетонные армированные перемычки для теплоэффективных стен зданий
системы «Юникон» ВНИИжелезобетона» (шифр 22-2000).
Перемычка
прямолинейная в плане прямоугольного сечения высотой h=295 мм, шириной b=140 мм, длиной L=2395
мм,
мм (рис. 6.32); полистиролбетон марки
по плотности D400
и класса по прочности на сжатие В1,0; расчетная нагрузка на перемычку с учетом
собственного веса q=150
кгс/м.
Армирование перемычек предусмотрено горизонтальным каркасом в растянутой зоне. Продольная арматура из обыкновенной проволоки 2 Æ5BpI. Для анкеровки к ее концам приваривают концевые анкерные приспособления в виде трех поперечных стержней Æ16AI. Для обеспечения совместной работы полистиролбетона и растянутой арматуры по длине перемычки, кроме концевых анкерных приспособлений, к продольной арматуре привариваются промежуточные анкерные приспособления в виде четырех поперечных стержней Æ16AI (на полудлине перемычки).
Площадь
поперечного сечения продольных стержней 2 Æ5ВрI равна As=0,393 см2.
Поперечные анкерующие стержни имеют длину 7 см, площадь поверхности, через
которую передается давление на полистиролбетон концевых анкерных стержней
см2, то же промежуточных анкерных
стержней
см2.
Расчет выполняется согласно пп. 6.43...6.50.
Класс по прочности - В1,0
Марка по плотности - D400
Несущая способность - 150 кг/м
Рис. 6.32. Армирование и расчет перемычки СБП - 240II/150Б
1. Расчет прочности сечений, нормальных к продольной оси элемента
Находим изгибающий момент в сечении, расположенном в середине пролета
кгс·м.
Коэффициент условий работы растянутой арматуры, определяемый по формуле
,
при Rb=7,5 кгс/см2 и Rs=3700 кгс/см2 равен
.
Расчетное
сопротивление арматуры с учетом коэффициента условий работы gs
(
) равно
кгс/см2.
Определяем предельный по прочности момент по формуле (6.45)
;
;
см;
кгс·м > 97 кгс·м,
т.е. прочность по нормальному сечению в середине пролета обеспечена.
2. Расчет прочности сечений, наклонных к продольной оси элемента
2.1. Расчет наклонных сечений на действие поперечной силы.
Находим максимальную поперечную силу Qmax
кг.
Предельная поперечная сила по прочности наклонного сечения по формуле (6.49) равна
,
где Rbt
- расчетное сопротивление полистиролбетона осевому растяжению
с учетом коэффициента работы gв2=0,9,
равное
кгс/см2.
кгс > 170,63 кгс,
т.е. прочность наклонных сечений на действие поперечной силы обеспечена.
2.2. Расчет наклонных на действие изгибающего момента.
Момент в конце наклонного сечения определяем по формуле (6.54)
,
где у - меньшее из двух значений:
y1 - расстояние от точки приложения опорных реакций до первого промежуточного анкерного приспособления; согласно рис. 6.32 у1=34 см;
,
см; d - расстояние от точки приложения опорной
реакции до грани опоры, d=3
см; y2=53+3=56
см.
Отсюда у=34 см,
кгс·м.
Предельный момент в нормальном сечении, расположенном в конце наклонного сечения на расстоянии 34 см от точки приложения опорной реакции, равен
;
;
кгс/см2;
см;
см;
кгм > 49,33 кгм,
т.е. прочность наклонных сечений на действие изгибающего момента обеспечена.
3. Расчет по образованию нормальных трещин
Момент от нормативных нагрузок в сечении, расположенном в середине пролета, при коэффициенте надежности по нагрузке gf=1,2 определяем по формуле
кгс·м.
Момент, воспринимаемый сечением при образовании нормальных трещин, найдем по формуле (6.56)
кгс·м > 80,8 кгс·м,
т.е. нормальные трещины в перемычке не образуются. Так как Мпред=139,24 кгс·м > Мcrc=90,51 кгс·м, то опасность хрупкого разрушения отсутствует.
4. Расчет по образованию наклонных трещин
Максимальная поперечная сила от нормативных нагрузок равна
кгс.
Поперечную силу, воспринимаемую сечением при образовании наклонных трещин, найдем по формуле (6.57)
кгс > 142,2 кгс,
т.е. наклонные трещины в перемычке не образуются.
5. Расчет по деформациям
Поскольку отсутствуют нормальные и наклонные трещины от действия нормативных нагрузок, кривизну определяем по формуле (6.61)
;
;
; Eв=1,2·104
кгс/см2.
см4;
см-1.
Прогиб перемычки равен
<
см,
т.е. прогиб перемычки меньше предельно допустимого.
6. Расчет анкеровки
В соответствии с рис. 6.32 полудлина пролета перемычки разбивается на 5 участков длиной аi: а1=265 мм, а2=а3=а4=150 мм, а5=422,5 мм. Находим изгибающие моменты в конце каждого участка
кгс·м;
кгс·м;
кгс·м;
кгс·м;
кгс·м.
Требуемая площадь передачи давления с анкера на полистиролбетон As.anc.i определяется по формуле (6.64)
;
см.
см2 < 33,6
см2;
см2 < 1,6·7=11,2
см2;
см2 < 11,2
см2;
см2 < 11,2
см2;
см2 < 11,2
см2.
Таким образом, принятые анкера обеспечивают совместную работу арматуры и полистиролбетона и не приводят к его смятию.
7.1.1. Теплотехнические расчеты ограждающих конструкций из полистиролбетона системы «Юникон» включают:
- определение приведенного сопротивления теплопередаче для всех типов ограждающих конструкций (наружные стены, утепленные покрытия и перекрытия) и сравнение их с требованиями табл. 1б СНиП II-3-79* (изд. 1998 г.) и МГСН 2.01-99 с учетом данных СНиП 23-01-99;
- определение сопротивлений воздухопроницанию и паропроницанию наружных стен и проверку их соответствия нормативным критериям, рассчитываемым согласно положений гл. 5 и 6 СНиП II-3-79*;
- проверку обеспечения условия невыпадения конденсата на внутренней поверхности ограждающих конструкций для наружных стен и утепленных покрытий, в т.ч. совмещенных;
- расчет тепловой инерции ограждающей конструкции по формуле (2) СНиП II-3-79* (при необходимости).
7.1.2. Расчетные температуры наружного и внутреннего воздуха, относительная влажность воздуха внутри здания, температура точки росы и характеристика отопительного периода (ГСОП) принимаются по данным СНиП 23-01-99, ГОСТ 30494-96 и МГСН 2.01-99.
В связи с вводом в действие СНиП 23-01-99 «Строительная климатология» (взамен СНиП 2.01.01-82) изменились некоторые климатические параметры холодного периода года, нормируемые для г. Москвы. В частности, расчетная температура наиболее холодной пятидневки с обеспеченностью 0,92 принята tн=-28 °C (вместо -26 °С), средняя температура воздуха за отопительный период - tот.пер.=-3,1 °C (вместо -3,6 °С), и продолжительность отопительного периода - Zот.пер.=214 сут. (вместо 213 сут.).
С учетом новых исходных климатических параметров уточнены нормативные требования по градусо-суткам отопительного периода (ГСОП) и приведенному сопротивлению теплопередаче наружных стен, значения которых для зданий, строящихся в г. Москве, приведены в табл. 7.1.
Таблица 7.1
|
Температура внутреннего воздуха, °С, tв |
ГСОП, °С·сут |
Приведенное сопротивление теплопередаче стен, м2°С/Вт, Rо |
||
|
номинальное |
допускаемое* |
|||
|
Жилые, общеобразовательных учреждений |
20 |
4943 |
3,13 |
2,97 |
|
Поликлиник и лечебных учреждений, домов-интернатов |
21 |
5157 |
3,20 |
3,04 |
|
Дошкольных учреждений |
22 |
5371 |
3,28 |
3,12 |
* Примечание. Допускаемое Rо принимается на 5 % ниже номинального согласно Примечания к п. 3.4.2 МГСН 2.01-99.
Для других видов ограждающих конструкций нормируемое сопротивление теплопередаче определяется с использованием ГСОП, указанных в табл. 7.1 и требований табл. 1б СНиП II-3-79* (изд. 1998 г.).
7.1.3. Теплотехнические характеристики обычного и модифицированного полистиролбетона, необходимые для теплотехнических расчетов, приведены в табл. 3.4.
7.1.4. Теплотехнические характеристики материалов (кроме полистиролбетона), используемых в ограждающих конструкциях системы «Юникон», приведены в табл. 7.2.
Таблица 7.2
|
пп |
Наименование материала |
Плотность, кг/м3 |
Расчетные коэффициенты для условий эксплуатации «Б» |
|
|
Теплопроводность, Вт/(м°С) |
Паропроницаемость, мг/(м·ч·Па) |
|||
|
1. |
Железобетон |
2500 |
2,04 |
0,03 |
|
2. |
Цементно-песчаный раствор (штукатурный) |
1800 |
0,93 |
0,09 |
|
3. |
Кладка из облицовочного пустотелого керамического кирпича на цементно-песчаном растворе |
1400 |
0,58 |
0,16 |
|
4. |
Пенополиуретан |
40 |
0,04 |
0,05 |
|
5. |
Минераловатные плиты |
150 |
0,047 |
0,055 |
|
75 |
0,045 |
0,052 |
||
|
6. |
Кладочный клей |
|
|
|
|
- плотный |
1400-1650 |
0,7 |
0,12 |
|
|
- поризованный |
600-700 |
0,32 |
0,17 |
|
|
7. |
Филизол (рубероид) |
600 |
0,17 |
0,001 |
|
8. |
Битум кровельный |
1400 |
0,27 |
0,008 |
|
9. |
Сталь |
7850 |
58 |
0 |
|
10. |
Древесина (сосна, ель поперек волокон) |
500 |
0,18 |
0,06 |
|
11. |
Полиэтилен |
920 |
0,42 |
0 |
7.1.5. Коэффициент теплотехнической однородности кладки из полистиролбетонных блоков на клеевых композициях, учитывающий влияние теплопроводных швов толщиной 2-4 мм, принимается rкл=0,92 для плотных клеев и rкл=0,98 для поризованных клеев.
7.1.6. Коэффициент теплотехнической однородности - r фрагмента фасадной стены из полистиролбетонных блоков плотностью D250-D300 и толщиной 295-375 мм, используемый для предварительных расчетов приведенного сопротивления теплопередаче, при условиях применения перемычек из полистиролбетона плотностью D300, утепления торцов монолитных перекрытий и фасадных ригелей (для оштукатуренных по фасаду стен) и термовкладышей из негорючей минваты толщиной не менее 175 мм со шпонками толщиной не более 80 мм (для стен с кирпичным фасадом), без врезки внутренних стен в наружные, а также применения проемов с четвертями, принимается по данным НИИстройфизики равным:
- для оштукатуренных с обеих сторон стен r=0,92;
- для облицованных снаружи пустотелым кирпичом и оштукатуренных с внутренней стороны стен r=0,87.
7.1.7. В расчетах сопротивления воздухопроницанию ограждающих конструкций системы «Юникон» сопротивление воздухопроницанию полистиролбетонного слоя толщиной 100 мм принимается для плотностей D150-D200 равным 100 м2·ч·Па/кг и для D250-D350 - 130 м2·ч·Па/кг.
7.1.8.
Расчетные коэффициенты теплоусвоения полистиролбетона для условий эксплуатации
«Б», вычисленные по формуле Примечания 1 Приложения 3* СНиП II-3-79*
, составляют
для материала плотностью D250
- s=1,51
Вт/(м2°С) и D300
- s=1,79
Вт/(м2°С).
В табл. 7.3 приведен перечень мероприятий по оптимизации конструктивно-технических решений ненесущих наружных стен из полистиролбетонных блоков для зданий с монолитным несущим каркасом (остовом), направленных на выполнение требований по приведенному сопротивлению теплопередаче и повышение коэффициента теплотехнической однородности, а также обеспечение условия невыпадения конденсата на внутренней поверхности ограждающей конструкции при минимизации стоимостных затрат.
Мероприятия по оптимизации конструктивно-технических решений ненесущих наружных стен полистиролбетонных блоков
Таблица 7.3
|
пп |
Группа и наименование мероприятий |
Характер мероприятия |
|
1 |
2 |
3 |
|
I. Общие конструктивные решения здания |
||
|
1. |
Применение несущих каркасов без фасадных ригелей |
Рекомендуемое |
|
2. |
Применение фасадных ригелей, сдвинутых в глубь здания для обеспечения возможности размещения теплоизоляционной проставки необходимой толщины между ригелем и наружным облицовочным слоем |
Рекомендуемое |
|
Примыкание к наружной стене внутренней (поперечной) железобетонной несущей стены с врезкой ее на 40 мм (включая штукатурный слой) |
Обязательное |
|
|
4 |
Утепление торца внутренней (поперечной) железобетонной несущей стены (по п. 3) слоем плитного утеплителя толщиной 20-25 мм |
Рекомендуемое |
|
II. Общие конструктивные решения наружных стен |
||
|
5. |
Использование полистиролбетонных перемычек |
Обязательное |
|
6. |
Применение для оконных и дверных проемов обрамляющих четвертей: из кирпича (при наружной кирпичной облицовке) или специальных оштукатуренных полистиролбетонных простеночных блоков с четвертями, образующих вертикальные четверти, и разновысоких перемычек, образующих верхнюю горизонтальную четверть (при фасадном оштукатуривании) |
Обязательное для вертикальных четвертей, рекомендуемое для верхней горизонтальной четверти |
|
7. |
Применение оконных и дверных коробок из дерева или пластика |
Обязательное |
|
8. |
Применение теплоизоляционных проставок толщиной не менее 100 мм между наружной облицовкой и торцами перекрытий, а также фасадной стороной ригеля и торцом врезаемой внутренней (поперечной) стены из полистиролбетонных теплоизоляционных плит плотностью 150-200 кг/м3 (при наружном оштукатуривании стен) |
Обязательное для стен оштукатуриваемым фасадом |
|
Применение в железобетонных перекрытиях над стенами термовкладышей (рекомендуемый шаг - 1200 мм) из жестких негорючих минераловатных плит. При этом ширина железобетонных шпонок между термовкладышами должна приниматься минимально возможной по прочностному расчету (желательно не более 80 мм), а их толщина - максимальной с учетом надежного опирания полистиролбетонных блоков (но не менее 175 мм) |
Обязательное для стен с кирпичным фасадом |
|
|
10. |
При применении термовкладышей в перекрытии по п. 9 примыкание внутренней (поперечной) железобетонной стены не должно переходить в шпонки, а располагаться напротив средней части термовкладыша |
Обязательное |
|
III. Конструктивные решения кладки из полистиролбетонных блоков |
||
|
11. |
Применение блоков толщиной 295 мм плотностью D250 для жилых зданий и толщиной 375 мм плотностью D250-300 для общественных зданий |
Рекомендуемое |
|
12. |
Устройство кладочных швов минимальной толщины: горизонтальных (с проволочными анкерами) - 3-4 мм и вертикальных - 2-3 мм при средней расчетной толщине - 3 мм |
Обязательное |
|
13. |
Применение специальных кладочных клеев, использование кладочных растворов запрещается |
Обязательное |
|
14. |
Применение кладочных клеев с минимальной плотностью, желательно поризованных (при обеспечении расчетной прочности кладки) |
Рекомендуемое |
|
15. |
Запрещается использование сквозных арматурных сеток в горизонтальных кладочных швах для анкеровки штукатурки или фасадной кирпичной кладки |
Обязательное |
|
16. |
Применение для анкеровки штукатурки или кирпичной кладки анкеров из проволоки диаметром не более 3 мм, располагаемых в горизонтальных клеевых швах |
Обязательное |
|
17. |
Раздельное (для наружной и внутренней облицовки) расположение анкерных хомутов с разбежкой (отстоящих друг от друга на расстояние 60 мм). Применение сквозных хомутов запрещается |
Обязательное |
|
IV. Конструктивные решения перемычек и надпроемных узлов |
||
|
18. |
Использование полистиролбетонных перемычек, армированных плоским каркасом только в нижнем поясе, поперечные стержни которого имеют защитные слои в полистиролбетоне (расстояние до наружной поверхности) - 30-35 мм |
Обязательное |
|
19. |
Установка над проемами спаренных полистиролбетонных перемычек, разделенных слоем негорючей минеральной ваты толщиной 10-20 мм |
Рекомендуемое |
|
V. Конструктивные решения кирпичной фасадной облицовки |
||
|
20. |
Использование эффективного лицевого многощелевого или с круглыми пустотами кирпича минимальной объемной плотности с морозостойкостью не менее F35 (щелевые пустоты должны быть расположены перпендикулярно тепловому потоку) |
Обязательное |
|
21. |
Устройство невентилируемых воздушных прослоек толщиной 5-10 мм между кирпичом и полистиролбетонными блоками |
Рекомендуемое |
|
22. |
При необходимости сплошного приклеивания кирпичной кладки к полистиролбетонным блокам предусматривать неприклеиваемые участки размерами 200(L)´300(H) мм с воздушным невентилируемым зазором толщиной 5-10 мм напротив шпонок термовкладышей в монолитных перекрытиях, не выходящих на фасад |
Обязательное |
|
23. |
Применение 1,5-го многощелевого кирпича или пустотных керамических камней с использованием «теплых» кладочных растворов |
Рекомендуемое |
7.3.1. Определение приведенного сопротивления теплопередаче наружных стен и проверка обеспечения условия невыпадения конденсата на их внутренней поверхности должна производится по температурным полям, рассчитываемым по специальным компьютерным программам.
7.3.2. Для предварительной оценки приведенного сопротивления теплопередаче наружных стен из полистиролбетонных блоков плотностью D250-D300 и выбора их толщины и плотности его расчет производится по формуле
, (7.1)
где r - коэффициент теплотехнической однородности наиболее представительного фрагмента фасада здания. Принимается по данным п. 7.1.6;
aв и aн - коэффициенты теплообмена, соответственно, у наружной и у внутренней поверхности стены (по данным СНиП II-3-79* для вертикальных стен aв=8,7 Вт/(м2°С) и aн=23 Вт/(м2°С);
δПСБ - толщина полистиролбетонного блока, м;
rкл - коэффициент теплотехнической однородности кладки (принимается согласно п. 7.1.5);
λПСБ - расчетный коэффициент теплопроводности полистиролбетона для условий эксплуатации «Б», Вт/(м°С), принимаемый по данным ГОСТ Р 51263-99 (Приложение Д) или по п. 7.1.3;
- суммарное термическое сопротивление облицовочных
слоев;
Rв.п. - термическое сопротивление невентилируемой воздушной прослойки, м2°С/Вт, принимаемое по данным СНиП II-3-79*, Приложение 4.
7.3.3. В соответствии с п. 3.4.2. МГСН 2.01-99 приведенное сопротивление теплопередаче наружных стен следует рассчитывать без учета заполнений светопроемов: в целом для здания, либо для фасада здания, либо для одного промежуточного этажа с проверкой зон теплопроводных включений, углов и откосов проемов на температуру точки росы внутреннего воздуха.
По компьютерной программе вычисляются средние величины тепловых потоков qi характерных участков, на которые разбивается каждый фрагмент стены.
Приведенное сопротивление теплопередаче фрагмента стены рассчитывается по формуле
где Fi и Ri соответственно площадь и сопротивление теплопередаче i-ого расчетного участка.
При этом
где tв и tн - расчетные температуры внутреннего и наружного воздуха.
7.3.4. По МГСН 2.01-99 требования по теплозащите имеют два подхода:
- предписывающий, когда учитываются поэлементные требования к теплозащите ограждающих конструкций. В этом случае приведенное сопротивление теплопередаче ограждающей конструкции должно быть не менее требуемого, определяемого по табл. 1б СНиП II-3-79* (изд. 1998 г.) в зависимости от ГСОП. МГСН 2.01-99 допускает для конкретных конструктивных решений наружных стен приведенное сопротивление теплопередаче не более чем на 5 % ниже требуемого при обязательном увеличении сопротивления теплопередаче горизонтальных ограждений с тем, чтобы приведенный трансмиссионный коэффициент теплопередачи совокупности горизонтальных и вертикальных наружных ограждений был не выше значения, определяемого по п. 2.1* СНиП II-3-79* (изд. 1998 г.);
- потребительский подход, когда учитываются требования по теплозащите здания в целом. В этом случае расчетный удельный расход тепловой энергии системой отопления здания за отопительный период должен быть не больше нормативного. При этом минимально допустимое приведенное сопротивление теплопередаче ограждающих конструкций должно быть не менее значений, приведенных в п. 2.1* СНиП II-3-79* (изд. 1998 г.) для 1-ого этапа (табл. 1а) и санитарно-гигиенических и комфортных условий, определяемых по формуле (1) СНиП II-3-79* (изд. 1998 г.).
7.3.5. Наружные стены зданий из блоков или монолитного полистиролбетона, оштукатуренные с обеих сторон, ввиду незначительной толщины и высокой паропроницаемости штукатурных слоев при рассмотрении вопроса паропроницаемости условно относятся к однослойным ограждающим конструкциям.
Наружные стены зданий из полистиролбетона, облицованные снаружи кирпичной кладкой и оштукатуренные с внутренней стороны, при рассмотрении вопроса паропроницаемости условно относятся к двухслойным конструкциям, внутренний слой которых имеет сопротивление паропроницанию более 2,0 м2·ч·Па/мг.
В наружных стенах зданий из полистиролбетона с внутренним несущим железобетонным слоем, указанный слой значительно увеличивает сопротивление паропроницаемости стены, являясь дополнительном элементом с очень высоким сопротивлением паропроницанию (более 6,0 м2·ч·Па/мг). Вследствие этого согласно п. 6.4 СНиП II-3-79* для всех приведенных выше видов наружных стен жилых зданий и большинства типов общественных зданий (за исключением бассейнов, банно-прачечных комбинатов и т.п.), имеющих внутренние помещения с сухим и нормальным влажностным режимом, определять и проверять сопротивление паропроницанию конструкции не требуется.
7.3.6. Для наружных стен общественных зданий, имеющих помещения с влажным и мокрым режимом, следует предусматривать устройство пароизоляции перед внутренней поверхностью полистиролбетонного слоя, а определение и проверку сопротивления паропроницанию конструкции необходимо проводить в обязательном порядке.
Исходные данные по зданию и наружной стене
25-этажный жилой дом в г. Москве с наружными оштукатуренными с обоих сторон стенами из полистиролбетонных блоков плотностью D250 толщиной 295 мм, укладываемых на плотном клею.
Допускаемое
приведенное сопротивление теплопередаче стены составляет согласно данным табл. 7.1
=2,97
м2°С/Вт.
Расчет приведенного сопротивления теплопередаче (предварительный).
Предварительный расчет проводим по формуле (7.1), принимая следующие исходные данные:
- коэффициент теплотехнической однородности стены r=0,92 (согласно п. 7.1.6);
- коэффициент теплообмена у внутренней поверхности стены aв=8,7 Вт/(м2°С) и у наружной поверхности стены aн=23 Вт/(м2°С) (согласно СНиП II-3-79*);
- толщина полистиролбетонного блока - δПСБ=0,295 м;
- расчетный коэффициент теплопроводности обычного полистиролбетона плотностью В250 - λПСБ=0,09 Вт/м°С (согласно данным табл. 3.4);
- коэффициент теплотехнической однородности кладки из полистиролбетонных блоков на клею rкл=0,92 (согласно п. 7.1.5);
- толщина штукатурных отделочных слоев δшт=0,02 м;
- расчетный коэффициент теплопроводности штукатурного слоя из цементно-песчаного раствора λшт=0,93 Вт/м°С (согласно данным табл. 7.2).
Величину приведенного сопротивления теплопередаче наружной стены для ее предварительной оценки определяем по преобразованной формуле (7.1)
м2°С/Вт.
Сравнение
приведенного расчетного и допускаемого сопротивления теплопередаче показывает,
что
м2°С/Вт
и
, т.е.
незначительно
(только на 0,3 %) отличается от
и
может быть уточнено расчетом по температурным полям с учетом конкретных
технических решений.
7.3.8. Пример расчета по температурным полям приведенного сопротивления теплопередаче наружной стены из полистиролбетонных блоков с оштукатуриваемым фасадом
Исходные данные и методика расчета
Общие исходные данные по зданию и наружной стене приняты по п. 7.3.7.
Конструктивно-техническое решение наружной стены показано на рис. 7.1. Стена опирается на фасадный железобетонный ригель высотой 190 мм, наружная поверхность второго (также как и торцовая поверхность железобетонного перекрытия высотой 160 мм) утеплена теплоизоляционной вставкой толщиной 100 мм из полистиролбетонной плиты плотностью D150. Ригель сдвинут вглубь здания под торцом перекрытия, вследствие чего он утеплен дополнительной вставкой из минераловатной плиты толщиной 75 мм. Внутренние несущие поперечные железобетонные стены имеют незначительную врезку в наружную стену (на глубину 40 мм, включая штукатурный слой) и утепление доборным полистиролбетонным теплоизоляционным блоком плотностью 200 кг/м3, и поэтому при теплотехническом расчете зона примыкания внутренней стены может отдельно не рассматриваться.
Фрагмент фасада стены с разбивкой его на расчетные участки представлен на рис. 7.2.
Допустимое приведенное сопротивление теплопередаче по данным табл. 7.1 и составляет 2,97 м2°С/Вт.
Расчетные коэффициенты теплопроводности материалов стены приведены в табл. 3.4 и 7.2.
Расчет по температурным полям проведен с вычислением средней величины теплового потока qi расчетных участков по формулам (8)-(10) СНиП II-3-79*. При этом использовалась компьютерная программа «MEDTF 2 2.6» для расчета двухмерных температурных полей строительных конструкций.
Вычисление приведенного сопротивления теплопередаче фрагмента производилось по формулам (7.2) и (7.3), приведенным в п. 7.3.3.
Рис. 7.1. Эскизы сечения оштукатуренной стены с Т-образным ригелем по оконному проему и узла примыкания внутренней стены
Рис. 7.2. Схема разбивки характерного фрагмента оштукатуренной стены с фасадным ригелем
Результаты расчета
Результаты расчета приведенного сопротивления теплопередаче фрагмента наружной стены представлены в табл. 7.4.
Таблица 7.4
|
№№ пп, i |
Параметры расчетных участков |
Средняя величина теплового потока, qi, Вт/м2 |
Приведенное сопротивление теплопередаче, Ri, м2°С/Вт |
|
||
|
Характеристика |
Размеры, м |
Площадь, Fi, м2 |
||||
|
1. |
Простенок и подоконная часть |
0,75´2,365+0,75´0,885 |
2,4375 |
14,91 |
3,22 |
0,757 |
|
2. |
Перемычка с ригелем и перекрытием |
0,635´0,9 |
0,5715 |
18,68 |
2,57 |
0,222 |
|
3. |
Перемычки с сопряженной частью простенка |
0,5´0,635 |
0,3175 |
16,78 |
2,86 |
0,111 |
|
4. |
Перемычка в зоне внутренней стены с сопряженной частью простенка |
0,1´0,635 |
0,0635 |
17,39 |
2,76 |
0,023 |
|
5. |
Оконный откос вертикальный |
0,05´1,48 |
0,074 |
22,02 |
2,18 |
0,034 |
|
|
ИТОГО: |
|
3,464 |
|
|
1,147 |
На основании данных табл. 7.4. приведенное сопротивление теплопередаче характерного фрагмента составляет
м2°С/Вт
Условное сопротивление теплопередаче, рассчитанное по формулам (4) и (5) СНиП II-3-79* с учетом влияния кладочных швов (rкл=0,92), составляет
м2°С/Вт.
Коэффициент теплотехнической однородности фрагмента наружной стены (с учетом влияния кладочных швов) составляет
![]()
Заключение по результатам расчета
Сравнение приведенного расчетного и допускаемых сопротивлений теплопередаче показывает, что
м2°С/Вт,
т.е. требования по теплозащитным качествам удовлетворяются и корректировок толщины и плотности полистиролбетонных блоков не требуется.
Значение коэффициента теплотехнической однородности r практически соответствует данным НИИстройфизики.
Величина
приведенного сопротивления теплопередаче фрагмента наружной стены
м2°С/Вт должна быть использована в
энергетическом паспорте здания при расчете удельного расхода тепла на его
отопление.
Исходные данные по зданию и наружной стене
17-этажный жилой дом в г. Москве с наружными стенами, отделанными снаружи лицевым пустотным кирпичом и оштукатуренными по внутренней поверхности, из полистиролбетонных блоков плотностью D250 толщиной 295 мм, укладываемых на плотном клею.
Кирпичная облицовка принята в полкирпича с плотным примыканием через цементно-песчаный раствор толщиной 10 мм между облицовкой и полистиролбетоном, толщина внутреннего штукатурного слоя - 20 мм.
Допускаемое
приведенное сопротивление теплопередаче стены составляет согласно табл. 7.1
м2°С/Вт.
Расчет приведенного сопротивления теплопередаче (предварительный).
Для предварительного расчета приведенного сопротивления теплопередаче принимаем следующие исходные данные:
- коэффициент теплотехнической однородности стены r=0,87 (согласно п. 7.1.6);
- коэффициент теплообмену у внутренней поверхности стены aв=8,7 Вт/(м2°С) и у наружной поверхности стены aн=23 Вт/(м2°С) (согласно п. 1.3 СНиП II-3-79*);
- толщина полистиролбетонных блоков - δПСБ=0,295 м;
- расчетный коэффициент теплопроводности обычного полистиролбетона плотностью В250 - λПСБ=0,09 Вт/м°С (согласно данным табл. 3.4);
- коэффициент теплотехнической однородности кладки на плотном клею из полистиролбетонных блоков rкл=0,92 (согласно данным п. 7.1.5);
- толщина кирпичной облицовочной кладки (в полкирпича) δкир=0,12 м;
- расчетный коэффициент теплопроводности кирпичной кладки из облицовочного пустотного кирпича на цементно-песчанном растворе λкир=0,58 Вт/м°С (согласно данным табл. 7.2);
- толщина внутреннего штукатурного отделочного слоя δшт=0,02 м;
- расчетный коэффициент теплопроводности штукатурного слоя из цементно-песчаного раствора λшт=0,93 Вт/м°С (согласно данным табл. 7.2)
Суммарное термическое сопротивление облицовок стены составит
м2°С/Вт.
Величину приведенного сопротивления теплопередаче наружной стены для ее предварительной оценки определяем по формуле (П7-1), приведенной в п. 7.3.2
м2°С/Вт.
Сравнение приведенных расчетного и допускаемого сопротивления теплопередаче показывает, что
м2°С/Вт,
т.е.
выше
и оно может быть уточнено расчетом по
температурным полям с учетом конкретных технических решений.
7.3.10. Пример расчета по температурным полям приведенного сопротивления теплопередаче наружной стены из полистиролбетонных блоков с кирпичным фасадом
Исходные данные и методика расчета
Общие исходные данные по заданию и наружной стене приняты по п. 7.3.9.
Конструктивно-техническое решение наружной стены показано на рис. 7.3. Наружная стена запроектирована без фасадных ригелей с железобетонным перекрытием толщиной 220 мм, торец которого утеплен термовкладышами из минераловатной плиты толщиной 175 мм со шпонкой шириной 80 мм. Внутренние несущие поперечные железобетонные стены примыкают к наружной стене без врезки.
Фрагмент фасада стены с разбивкой его на расчетные участки представлен на рис. 7.4.
Допустимое приведенное сопротивление теплопередаче по данным табл. 7.1 составляет 2,97 м2°С/Вт.
Расчетные коэффициенты теплопроводности материалов стены приведены в табл. 3.4 и 7.2.
Расчет по температурным полям проведен с вычислением средней величины теплового потока qi расчетных участков по формулам (8)-(10) СНиП II-3-79*. При этом использовалась компьютерная программа «MEDTF 2 2.6» для расчета двухмерных температурных полей строительных конструкций.
Вычисление приведенного сопротивления теплопередаче фрагмента производилось по формулам (7.2) и (7.3), приведенным в п. 7.3.3.
Рис. 7.3. Эскиз сечения стены по оконному проему с кирпичным фасадом
Результаты расчета
Результаты расчета приведенного сопротивления теплопередаче фрагмента наружной стены представлены в табл. 7.5
Таблица 7.5
|
№№ пп, i |
Параметры расчетных участков |
Средняя величина теплового потока, qi, Вт/м2 |
Приведенное сопротивление теплопередаче, Ri, м2°С/Вт |
|
||
|
Характеристика |
Размеры, м |
Площадь, Fi, м2 |
||||
|
1. |
Плита перекрытия, сопряженная с простенками (I-1) |
2´0,45´(0,34+0,22+0,2) |
0,684 |
16,67 |
2,88 |
0,24 |
|
2. |
Простенок II-2 |
2´(3,0-0,76)´0,55 |
2,464 |
14,04 |
3,42 |
0,72 |
|
3. |
Плита перекрытия с перемычкой над проемом, сопряженная с подоконной частью и порогом балконной двери (III-3) |
2,4´0,76 |
1,824 |
18,11 |
2,65 |
0,69 |
|
4. |
Плита перекрытия, сопряженная с простенком (1-4) |
2´0,75´0,76 |
1,14 |
16,67 |
2,88 |
0,4 |
|
5. |
Плита перекрытия с перемычкой над проемом, сопряженная с подоконной частью (III-5) |
1,5´0,76 |
1,14 |
18,11 |
2,65 |
0,43 |
|
6. |
Простенок II-6 |
2´(1,5´0,85+0,74´0,9) |
3,882 |
14,04 |
3,42 |
1,14 |
|
7. |
Подоконники IV-7 |
2´1,5´0,74 |
2,22 |
14,04 |
3,42 |
0,65 |
|
9. |
Вертикальные откосы (V-8) |
2´0,5×(2,24+1,5) |
0,374 |
21,82 |
2,2 |
0,17 |
|
10. |
Зона опирания перемычки с плитой перекрытия, сопряженная с простенком (VI-9) |
4´0,15´0,76 |
0,456 |
15,92 |
3,01 |
0,15 |
|
|
ИТОГО: |
|
14,18 |
|
|
4,59 |
На основании данных табл. 7.5 приведенное сопротивление теплопередаче характерного фрагмента составляет
м2ос/Вт.
Условное сопротивление теплопередаче, рассчитанное по формулам (4) и (5) СНиП II-3-79* с учетом влияния кладочных швов (rкл=0,92), составляет
м2ос/Вт.
Коэффициент теплотехнической однородности характерного фрагмента наружной стены (с учетом влияния кладочных швов) составляет
.
Заключение по результатам расчета
Сравнение приведенных расчетного и допускаемого сопротивлений теплопередаче показывает, что
м2°С/Вт,
т.е. требования к конструкции по теплозащите удовлетворяются.
Значение r близко к данным НИИстройфизики.
Величина
приведенного сопротивления теплопередаче фрагмента наружной стены
м2°С/Вт
должна быть использована в энергетическом паспорте на здание при расчете
удельного расхода тепла на его отопление.
Исходные данные по зданию и наружной стене взяты из п. 7.3.9.
Расчет требуемого сопротивления воздухопроницанию проводим по формуле (29) СНиП II-3-79*
,
где DР - разность давления воздуха на наружной и внутренней поверхности ограждающей конструкции, Па;
Gн - нормативная вохдухопроницаемость ограждающей конструкции, кг/(м2·ч).
DР определяется по формуле (30) СНиП II-3-79*
,
где Н - высота здания, которую принимаем для 25-и этажного дома равной Н=3·25=75 м;
gн и gв - удельный вес в Н/м3 соответственно наружного и внутреннего воздуха, определяемый по формуле (31) СНиП II-3-79*
![]()
где t=tв и t=tн - соответственно, для расчетных температур наружного и внутреннего воздуха (gн=14,13 н/м3 и gв=11,73 н/м3);
υ - максимальная из средних скоростей ветра по румбам за январь, повторяемость которых составляет 16 % и более; принимаем по данным СНиП 23-01-99 υ=5,1 м/с.
Нормативную воздухопроницаемость определяем по табл. 12* СНиП II-3-79* - Gн=0,5 кг/(м2·ч).
Определяем разность давления воздуха на наружной и внутренней поверхности наружной стены
Па.
Имея все исходные характеристики, подсчитываем значение требуемого сопротивления воздухопроницанию
м2·ч·Па/кг
Расчетное сопротивление воздухопроницанию наружной стены подсчитываем по формуле (32) СНиП II-3-79*
,
где Rи.кир, Rи.ПСБ и Rи.шт - сопротивление воздухопроницанию слоев стены: наружной отделки - кладки из пустотелого кирпича, полистиролбетона и внутреннего штукатурного слоя.
По данным Приложения 9* СНиП II-3-79* принимаем Rи.кир=2 м2·ч·Па/кг и Rи.шт=373 м2·ч·Па/кг.
По данным п. 7.1.7 настоящих Рекомендаций принимаем Rи.ПСБ=2,95·130=383,5 м2·ч·Па/кг.
Имея сопротивления воздухопроницанию слоев наружной стены, определяем
м2·ч·Па/кг.
Расчетное сопротивление воздухопроницанию наружной стены существенно превышает требуемое значение, т.к.
м2·ч·Па/кг,
вследствие чего требование по воздухопроницанию удовлетворяется со значительным запасом.
Для заполнения энергетического паспорта здания определяем расчетную воздухопроницаемость глухого участка наружной стены, используя формулу (29) СНиП II-3-79*
кг/(м2·ч)
Это значение G меньше нормативной воздухопроницаемости, т.к.
кг/(м2·ч).
7.5.1. Для расчетов сопротивления теплопередаче утепленных покрытий и перекрытий используются формулы (3)-(5) СНиП II-3-79* (изд. 1998 г.).
Допускается для расчетов утепленных покрытий с негоризонтальными наружными поверхностями, обеспечивающим внутренний водосток, принимать среднюю величину толщины слоя полистиролбетонного утеплителя.
При этом, при проверке условия невыпадения конденсата на внутренней поверхности утепленного покрытия в расчете используется минимальная проектная толщина утеплителя.
7.5.2. Пример теплотехнического расчета совмещенного покрытия административного здания с утеплителем из монолитного полистиролбетона.
Исходные данные по зданию и покрытию
Административное здание общественного назначения в г. Москве с совмещенным (безчердачным) покрытием, состоящим из несущей сплошной железобетонной плиты толщиной 160 мм, пароизоляционного слоя из полиэтиленовой пленки толщиной 2 мм, теплоизоляционного слоя из монолитного полистиролбетона плотностью D200 средней толщиной 330 мм и минимальной толщиной 30 мм (у водослива), выравнивающей стяжки из цементно-песчаного раствора средней толщиной 5 мм, а также гидроизоляционного покрытия из 3-х слоев рубероида на битумной мастике, соответственно, толщиной по 1,5 и 2,0 мм.
Расчет требуемого приведенного сопротивления теплопередаче
Согласно табл. 7.1 количество градусо-суток отопительного периода при расчетной температуре внутреннего воздуха tв=20 °С составляет ГСОП=4943 °С·сут.
Используя данные табл. 1б* СНиП II-3-79* (изд. 1998 г.), находим требуемое приведенное сопротивление теплопередаче покрытия
м2°С/Вт.
Расчет приведенного сопротивления теплопередаче
В соответствии с формулами (4) и (5) СНиП II-3-79* приведенное сопротивление теплопередаче утепленного полистиролбетоном покрытия определяется из выражения
![]()
где Rнec, Rп, RПСБ, Rв.с и Rг - соответственно термические сопротивления несущего элемента, пароизоляции, полистиролбетонного утеплителя, выравнивающей стяжки и гидроизоляции;
aв и aн - коэффициенты теплообмена, соответственно, у внутренней и у наружной поверхности покрытия.
Значения исходных расчетных параметров принимаем:
термическое сопротивление несущей железобетонной плиты покрытия при ее толщине δжб=0,16 м и коэффициенте теплопроводности λжб=2,04 м2°С/Вт (согласно Приложения 3 к СНиП II-3-79*)
м2°С/Вт;
суммарное термическое сопротивление пароизоляции и выравнивающей стяжки коэффициентом теплопроводности λп=0,42 Вт/м°С и λв.с=0,93 Вт/м°С (согласно табл. 7.2) толщинами δп=0,002 м и δв.с=0,005 м составит
м2°С/Вт;
термическое сопротивление теплоизоляционного слоя из полистиролбетона средней толщиной δПСБ=0,33 м плотностью D200 с λПСБ=0,075 Вт/м°С (согласно ГОСТ Р 51263-99)
м2°С/Вт;
термическое сопротивление гидроизоляции из 3-х слоев рубероида толщиной δру6=0,0015 м и битумной мастики толщиной δбит=0,002 м с коэффициентами теплопроводности λруб=0,17 Вт/м°С и λбит=0,27 Вт/м°С (согласно Приложения 3* СНиП II-3-79*)
м2°C/Bт;
коэффициенты теплоотдачи покрытия принимаем согласно СНиП II-3-79* для внутренней поверхности aв=8,7 Вт/(м2°С) и для наружной поверхности aн=23 Вт/(м2°С).
Приведенное сопротивление теплопередаче утепленного покрытия составит
м2°С/Вт.
Приведенное расчетное сопротивление теплопередаче покрытия равно требуемому
м2°С/Вт=
м2°С/Вт,
следовательно условие теплозащиты удовлетворяется.
Проверка условия невыпадения конденсата на внутренней поверхности покрытия
Согласно табл. 3.1 МГСН 2.01-99 при расчетной температуре внутреннего воздуха в помещении tв=+20 °С температура точки росы на внутренней поверхности ограждающей конструкции будет равна td=+10,7 °C.
В соответствии с указанием п. 7.4.1 условие невыпадения конденсата проверяем для участка покрытия с минимальной проектной толщиной утеплителя.
Приведенное
сопротивление теплопередаче этого участка (без учета пароизоляции и стяжки) с
толщиной утеплителя
м составит
м2°С/Вт.
По формуле (2.24) «Пособия к МГСН 2.01-99» определяем температуру на внутренней поверхности покрытия при минимальной расчетной температуре наружного воздуха
,
т.е. условие невыпадения конденсата удовлетворяется.
8.1.1. Общие положения
Нормируемыми параметрами для наружных ограждающих конструкций (окна, стены) являются величины R, Rw и RА тран., где
R - частотные характеристики звукоизолирующей способности ограждения в дБ;
Rw - индекс звукоизоляции воздушного шума в дБ;
RА тран. - звукоизоляция внешнего шума, создаваемого потоком транспорта в дБА.
Первая величина (R) необходима для акустических расчетов при застройке квартала (жилого дома) вблизи шумных предприятий (ЦТП, промышленные цеха, ТП, ГРП, РТС и др.). Rw - используется для оценки звукоизоляции в основном внутренних ограждающих конструкций.
Третья величина (RА тран., дБА) необходима для акустических расчетов при воздействии на наружные ограждения шумов городских транспортных потоков.
При проектировании определяют частотные характеристики ограждающих конструкций, расчетные значения индексов звукоизоляции, которые сравнивают с нормируемыми значениями, указанными в МГСН 2.04-97 и СНиП II-12-77.
8.1.2. Пример расчета параметров звукоизоляции оштукатуренной наружной стены из полистиролбетонных блоков жилого здания
Исходные данные
Стена состоит из 2-х штукатурных слоев 2´20 мм, g=1600 кг/м3 и полистиролбетона толщиной d=375 мм, g=300 кг/м3.
Расчет частотной характеристики наружной стены
Расчет выполнен по методике, изложенной в Пособии к МГСН 2.04-97
Для штукатурных слоев принимаются*):
*) Обозначения параметров приняты по СНиП II-12-77.
fв=10000/20=50 Гц; Rв=34 дБ;
fc=20000/20=1000 Гц; Rc=28 дБ;
m1=32; m2=32; Ед=8,5·105 Па;
Гц
m1 и m2 - поверхностная плотность штукатурных слоев, кг/м2;
Ед - динамический модуль упругости полистиролбетонных блоков, Па.
Построение
частотной характеристики звукоизолирующей способности R, дБ, стены дало расчетные значения Rw,
и RА тран.,
приведенные
в табл. 8.1.
Таблица 8.1
|
Величина |
Среднегеометрические частоты 1/3 октавных полос, Гц |
Индекс |
||||||||||||||||
|
100 |
125 |
160 |
200 |
250 |
320 |
400 |
500 |
640 |
800 |
1000 |
1250 |
1600 |
2000 |
2500 |
3200 |
|||
|
1. |
Rp, дБ |
33 |
34 |
36 |
38 |
40 |
42 |
44 |
45 |
43 |
42 |
39 |
42 |
45 |
48 |
50 |
53 |
Rw=45 дБ |
|
Rнорм, дБ |
33 |
36 |
39 |
42 |
45 |
48 |
51 |
52 |
53 |
54 |
55 |
56 |
56 |
56 |
56 |
56 |
|
|
|
Lэтал, дБА |
55 |
55 |
57 |
59 |
60 |
61 |
62 |
63 |
64 |
66 |
67 |
66 |
65 |
64 |
62 |
60 |
RАтран.=41 дБА |
|
Расчет индексов звукоизоляции воздушного шума и внешнего транспортного шума
Расчет
индекса звукоизоляции воздушного шума Rw, дБ выполнен в соответствии с нормами МГСН
2.04-97. Из сопоставления с нормативными значениями Rн, дБ (табл. 8.1, п.
2) получено, что индекс изоляции воздушного
шума рассматриваемой стены составляет Rw=45 дБ, что ниже требуемого для
межквартирных перегородок (
>52
дБ) и приближается к требуемому для глухих межкомнатных
перегородок (
>43
дБ).
Индекс изоляции транспортного шума рассматриваемой конструкцией составляет RАтран.=41 дБА (см. табл. 8.1, п. 3).
Таким образом, глухая наружная стена из полистиролбетона толщиной 375 мм (g=300 кг/м3) с двумя штукатуренными слоями 2´20 мм может обеспечить выполнение норм МГСН 2.04-97 и СНиП II-12-77 при уровне звука транспортного шума у фасада здания не более LАэкв≈74 дБА в дневное время суток, и не более LАэкв≈64 дБА в ночное время суток. При наличии окон допустимые уровни звука у фасада, как правило, будут меньше 74 дБА. В связи с этим в каждом конкретном случае потребуется более подробный акустический расчет, учитывающий звукоизолирующие свойства окон и их площади.
При изменении плотности полистиролбетона g и его динамического модуля упругости Ед необходимо проводить расчет звукоизолирующей способности стены в соответствии с методикой Пособия к МГСН 2.04-97 «Проектирование звукоизоляции ограждающих конструкций жилых и общественных зданий».
Оценка результатов расчета
Как
показал расчет частотной характеристики звукоизолирующей способности R стены и индекса звукоизоляции воздушного
шума Rw,
его величина составляет 45 дБА, что ниже требуемой величины для межквартирных
перегородок (
>52
дБ) и несколько выше требуемой величины для межкомнатных
перегородок (
>43
дБ).
Глухая наружная стена рассматриваемой конструкции способна обеспечить нормативный уровень проникающего шума городского транспорта в жилое помещение (40 дБА в дневное время) при уровне шума у фасада не более 74 дБА в дневное время суток (64 дБА в ночное время суток).
8.2.1. Общие положения
Данные по горючести, воспламеняемости и дымообразующей способности полистиролбетона приведены в п. 3.1.13.
Полистиролбетон имеет группу горючести Г-1 и при проектировании ограждающих конструкций на его основе должны предусматриваться мероприятия, зависящие от этажности и функционального назначения здания.
Основные рекомендации в части обеспечения пожарной безопасности ограждающих конструкций системы «Юникон» с применением сборного и монолитного полистиролбетона изложены в совместном заключении от 25.12.2000 г. Госстроя РФ (№ 9-18/604) и МВД РФ (№ 20/22/4578). При этом должны учитываться положения и требования СНиП 21-01-97* и СНиП 2.08.01-89*.
Существо рекомендаций сводится к необходимости защиты полистиролбетона от внешних и внутренних огневых воздействий в ограждающих конструкциях системы «Юникон», например, оштукатуриванием толщиной не менее 20 мм по металлической сетке, облицовкой кирпичом (не менее, чем в одну четверть) и использованием других негорючих материалов.
Примеры использования негорючих материалов в узлах наружных стенах из полистиролбетонных блоков, примыкающих к оконным (дверным) проемам, приведены на рис. 8.1 и 8.2. Так при применении деревянных и пластмассовых оконных (дверных) коробок они должны отделяться от контакта с полистиролбетоном негорючими (например, асбестовыми) прокладками, а в качестве теплоизоляционных проставок и термовкладышей целесообразно использовать негорючую минеральную вату. Оштукатуренные армированные откосы в проемах имеют толщину не менее 30 мм.
При использовании стальных несущих деталей (уголки, пластины) рекомендуется их покрытие антикоррозионными и противопожарными красками, например, выпускаемые фирмой «Крилак».
Согласно указанным рекомендациям Госстроя РФ и МВД РФ полистиролбетонные изделия и элементы, а также монолитный полистиролбетон системы «Юникон» могут быть использованы в жилых и общественных зданиях различных степеней огнестойкости, в т.ч. I-ой, и классов конструктивной пожарной опасности, в т.ч. СО. В частности, при соблюдении противопожарных требований полистиролбетон может использоваться в ограждающих конструкциях (наружные стены, покрытия и перекрытия) в жилых зданиях высотой до 25 этажей включительно.
Для армированных полистиролбетонных конструкций, например перемычек, требуется проведение расчета предела огнестойкости.
8.2.2. Пример расчета предела огнестойкости полистиролбетонных перемычек
Исходные положения
Основной особенностью работы и расчета полистиролбетонных перемычек является то, что сопротивление арматуры перемычек зависит, в основном, от работы анкерных приспособлений, расположенных примерно с равным шагом по длине перемычки. При растяжении арматуры анкерные приспособления передают давление на полистиролбетон, площадь этих приспособлений определяется из условия недопущения смятия полистиролбетона. Поскольку прочность на сжатие (смятие) полистиролбетона существенно зависит от температуры его нагрева, целью расчета является определение (проверка) этой температуры (с учетом наличия штукатурного слоя толщиной 20 мм) с тем, чтобы на уровне расположения анкерных устройств температура полистиролбетона при пожаре не превышала критического уровня.
Рис. 8.1. Узел примыкания оконного (дверного) блока к полистиролбетону. Горизонтальный разрез
Рис. 8.2. Узел примыкания оконного (дверного) блока к полистиролбетону перемычек. Вертикальный разрез
Расчет производим в соответствии с «Рекомендациями по расчету пределов огнестойкости бетонных и железобетонных конструкций» (НИИЖБ, 1986 г.) и «Рекомендациями по обеспечению пожарной безопасности ограждающих конструкций зданий и сооружений с использованием блоков из полистиролбетона ВНИИжелезобетона» (НИИЖБ, 1998 г.).
Согласно этим рекомендациям расчетный коэффициент теплопроводности полистиролбетона применяется для условий эксплуатации «А», а коэффициент условий работы полистиролбетона gbt при плотности ρ=300 кг/м3 равен:
при температуре t=20 °C - gbt=1;
при температуре t=100 °C - gbt=0,7;
при температуре t=200 °C - gbt=0,05.
С учетом того, что несущая способность конструкции при пожаре проверяется при действии нормативной нагрузки, равной примерно 0,5 от расчетной несущей способности, температура полистиролбетона в месте расположения анкерных устройств должна быть не выше ≈100 °С (при этом расчетное усилие в арматуре снижается на ≈30 %, что допустимо).
Определяем
температуру на уровне центра тяжести анкерных стержней dанк=10 мм,
приваренных к продольным стержням Æ3BpI. С учетом штукатурного слоя расстояние от
поверхности штукатурки до указанного уровня равно
, где
20 мм·b
- приведенная толщина штукатурного слоя, 20 мм - защитный слой полистиролбетона
до низа арматуры, 3 мм - диаметр продольной арматуры, 5 мм=dанк/2 - радиус
анкерного стержня.
Определение приведенной толщины штукатурного слоя
Поскольку
указанные выше рекомендации приводят методику расчета пределов огнестойкости
для однослойных конструкций, определим приведенную толщину штукатурного слоя к
слою полистиролбетона. Для определения коэффициента приведения b
необходимо вычислить коэффициенты температуропроводности
для штукатурного слоя из мелкозернистого
песчаного бетона с ρ=1900 кг/м3 и полистиролбетона с ρ=300
кг/м3.
Коэффициент теплопроводности определяем по формуле
;
удельную теплоемкость по формуле
,
t - температура материала (принимаем t=100 °C).
Согласно «Рекомендациям по обеспечению пожарной безопасности ограждающих конструкций зданий и сооружений с использованием блоков из полистиролбетона ВНИИжелезобетона» имеем:
|
Материал |
Средняя плотность, ρ, кг/м3 |
Значения параметров |
|||
|
А, Вт/(м°С) |
В, Вт/(м°С) |
С, кДж/(кг°С) |
Д, кДж/(кг°С) |
||
|
Полистиролбетон |
300 |
0,095 |
- |
1,06 |
0,00048 |
|
Песчаный бетон |
1900 |
1,04 |
-0,00058 |
0,75 |
0,00063 |
Вт/(м°С);
Вт/(м°С).
кДж/(кг°С);
кДж/(кг°С).
;
;
![]()
Приведенная к полистиролбетону толщина штукатурного слоя равна 2 см·0,454=0,91 см.
Расчетное расстояние от обогреваемой поверхности до полистиролбетона по центру анкерного устройства равно:
х=0,91+2,8=3,71 см.
Определение температуры прогрева на уровне центра тяжести анкерующих стержней Æ10 мм
Находим осредненный коэффициент температуропроводности ared по формуле
,
где w - эксплуатационная (массовая) влажность полистиролбетона, w=7 %;
П2 - массовая доля пенополистирола в полистиролбетоне, П2=7 %.
![]()
Определим толщину L, начавшегося прогреваться слоя бетона
,
t - время обогрева конструкции. Для конструкций самонесущих и ненесущих (навесных) стен согласно СНиП 2.01.02-85 предел огнестойкости t=0,5 часа,
м.
Определим
величину
,
х - расстояние, м, от рассматриваемой точки сечения до обогреваемой поверхности, х=0,0371 м;
j1 - коэффициент, зависящий от плотности бетона, для ρ=300 кг/м3 j1=0,3 (согласно упомянутым выше Рекомендациям НИИЖБа).
м.
Относительное расстояние r равно
.
Температура полистиролбетона на расстоянии 3,71 см (с учетом толщины штукатурного слоя, приведенного к полистиролбетонному слою) от обогреваемой поверхности равна t=20+(1220-20)(1-0,798)2=69 °C, что меньше 100 °С, и поэтому не приводит к существенному снижению прочности полистиролбетона на уровне расположения анкерующих устройств.
Выводы по результатам расчета
Для установленной в навесной стене здания перемычки из полистиролбетона плотностью D300 с защитным слоем до арматуры - 20 мм и оштукатуренной снаружи на толщину не менее 20 мм, пожарная безопасность (предел огнестойкости не менее 0,5 ч) обеспечивается в соответствии с требованиями новой редакции СНиП 21-01-97 «Пожарная безопасность зданий и сооружений» (п. 5.18 табл. 4).
8.3.1. Пенополистирольный заполнитель может являться источником выделения в окружающую среду вредных веществ, в частности свободного стирола.
8.3.2. Полистиролбетон в изделиях и в конструкциях не должен выделять во внешнюю среду вредные химические вещества в количествах, превышающих предельно допустимые концентрации (ПДК), утвержденные Минздравом РФ.
8.3.3. При приготовлении и применении полистиролбетона должен соблюдаться согласованный с ВНИИжелезобетоном комплекс мероприятий по экологической безопасности полистиролбетона и изготовленных из него изделий. В комплекс входят специальная обработка и детоксикация пенополистирольного заполнителя, а при необходимости - полистиролбетонной смеси и изделий, обеспечивающие величину предельно допустимой концентрации свободного стирола, выделяющегося из затвердевшего полистиролбетона в воздушной среде, не превышающую 0,002 мг в 1 м3 воздуха.
8.3.4. Основные мероприятия по обеспечению экологической безопасности применения полистиролбетонных изделий и конструкций в жилищном строительстве регламентированы Технологической инструкцией ТИ.011.1-3-00284807-96.
8.3.5. Для обеспечения экологической безопасности применения сборного и монолитного полистиролбетона для жилых зданий и объектов социального назначения (дошкольных, общеобразовательных и лечебных учреждений, поликлиник и домов-интернатов) рекомендуется использовать специальные классы детоксицирующих добавок объемного (типа КМ) и поверхностного (типа «Стизол») применения. Эти добавки могут вводится как в полистиролбетон, так и во внутренний отделочный штукатурный слой наружных стен.
8.3.6. Оценка экологической безопасности технических решений ограждающих конструкций системы «Юникон» проводится на стадии проектной документации на конкретные объекты соответствующими организациями санитарного надзора.
(обязательное)
СНиП II-3-79* (изд. 1998 г.) «Строительная теплотехника»
СНиП 23-01-99 «Строительная климатология»
СНиП 2.08.01-89* «Жилые здания»
СНиП 2.08.02-89 «Общественные здания и сооружения»
СНиП 2.09.04-87* «Административные и бытовые здания»
СНиП II-22-81 «Каменные и армокаменные конструкции»
СНиП 2.03.01-84* «Бетонные и железобетонные конструкции»
СНиП 3.03.01-87 «Несущие и ограждающие конструкции»
СНиП 2.01.07-85 «Нагрузки и воздействия»
СНиП 21-01-97* «Пожарная безопасность зданий и сооружений»
СНиП II-12-77 «Защита от шума»
СНиП II-26-76 «Кровли»
ГОСТ Р 51263-99 «Полистиролбетон. Технические условия»
ГОСТ 30494-96 «Здания жилые и общественные. Параметры микроклимата в помещениях»
ТУ 5741-159-00284807-96* «Блоки из полистиролбетона стеновые сплошные. Технические условия» (с изм. 1, 2, 3, 4)
ТУ 5760-160-00284807-96* (с изм. 1, 2) «Плиты полистиролбетонные теплоизоляционные. Технические условия»
ТУ 5745-224-00284807-01 «Полистиролбетон особо легкий для монолитных ограждающих конструкций»
ТУ 5741-148-00284807-96 «Блоки «Юникон» стеновые опалубочные из полистиролбетона»
ТУ 5745-013-05668056-99. Смесь сухая растворная «Клей строительный для стеновых пористых материалов», рецепт 26ЯМ
ТУ 5745-001-46478149-99 «Смеси сухие строительные штукатурные, штукатурно-плиточные, клеевые, универсальные, шпаклевочные, кладочные и монтажные «Победит», рецепт ТМ-ПМ»
ТУ 2513-203-00284807-98 «Композиции минеральные клеевые для изделий из особо легких бетонов системы «Юникон»
«Нормали на проектирование и строительство зданий системы «Юникон» с применением полистиролбетонных изделий». Москомархитектура, 1999 г.
ТИ 011.0-3-00284807-95 «Комплекс мероприятий по обеспечению экологической безопасности применения полистиролбетонных изделий и конструкций в жилищном строительстве» ВНИИжелезобетон
Гигиеническое заключение на полистиролбетонные изделия системы «Юникон» № 77.ФЦ.31.574.П.1313.11.99 от 12.01.99 г. Федерального центра Госсанэпиднадзора Минздрава России
Заключение по пожарной безопасности системы «Юникон» от 25.12.2000 г. Госстроя РФ (№ 9-18/604) и МВД РФ (№ 20/22/4578)
Указания по проектированию перемычек из полистиролбетона для наружных стен зданий системы «Юникон». ВНИИжелезобетон. 2000 г. (согласованы НИИЖБ и рекомендованы Госстроем РФ письмом от 15.08.00 г. № ЛБ-3517/9)
Полистиролбетонные армированные перемычки для теплоэффективных стен зданий системы «Юникон» ВНИИжелезобетона. Рабочие чертежи полистиролбетонных перемычек с армированием растянутой зоны стальными каркасами (шифр 22-2000)
Письмо Госстроя РФ от 14.08.00 г. № ЛБ-3512/9 «О теплотехнических характеристиках модифицированного полистиролбетона»
Заключение НИИСФ от 26.08.99 г. по теплофизическим свойствам наружных самонесущих стен жилых и общественных зданий из полистиролбетонных блоков плотностью 250 кг/м3
Заключение по теплотехническим свойствам ненесущих наружных стен системы «Юникон» ВНИИжелезобетона из полистиролбетонных блоков с толщиной кладки 295 мм (приложение к письму Мосгосэкспертизы от 26.12.2000 г. № МТЭ-3/1724)
Заключение ЦНИИСК им. В.А. Кучеренко от 28.12.2000 г. по несущей способности простенков с применением полистиролбетонных блоков в многоэтажных зданиях при действии на них ветрового напора
Методика расчета несущей способности стен зданий с применением полистиролбетона (основные положения). ЦНИИСК им. В.А. Кучеренко и ВНИИжелезобетон (согласована НИИЖБ), 2000 г.
Пособие по проектированию каменных и армокаменных конструкций. ЦНИИСК им. В.А. Кучеренко, 1988 г.
Письмо ЦНИИСК им. В.А. Кучеренко от 31.10.01 г. № 4-914 с приложением уточненной «Методики расчета несущей способности стен зданий с применением полистиролбетона (основные положения)»
МГСН 2.01-99 «Энергосбережение в зданиях»
Пособие к МГСН 2.01-99. Москомархитектура, 2000 г.
МГСН 2.04-97 «Допустимые уровни шума, вибрации и требования к звукоизоляции в жилых и общественных зданиях»
Пособие к МГСН 2.04-97. Москомархитектура, 1998 г.
Рекомендации по расчету пределов огнестойкости бетонных и железобетонных конструкций. НИИЖБ, 1986 г.
Рекомендации по обеспечению пожарной безопасности ограждающих конструкций зданий и сооружений с использованием блоков из полистиролбетона ВНИИжелезобетона. НИИЖБ, 1998 г.
Пособие «Кровли. Технические требования, правила приемки, проектирование, строительство, методы испытаний», ЦНИИпромзданий, 1997 г.
(справочное)
Гибкие связи - пластины или стержни, как правило, стальные прямоугольного или круглого сечения гибкие в плоскости, нормальной к продольной оси элемента, части которого они соединяют.
Доборные полистиролбетонные элементы - детали из полистиролбетона, имеющие ограниченное применение, которые формуются в заводских условиях или выпиливаются в заводских условиях или на стройплощадке.
Железобетонные шпонки - железобетонные элементы, объединяющие две части перекрытий или стен, которые воспринимают поперечные силы и изгиб.
Клеевая композиция - клей для кладки полистиролбетонных блоков или приклеивания к ним облицовки стен из кирпича или плит.
Криволинейные перемычки - перемычки над оконными или дверными проемами, имеющие в плане кривизну.
Ломаные перемычки - перемычки, состоящие из отдельных расположенных в плане под углом друг к другу прямолинейных элементов.
Монолитный полистиролбетон - полистиролбетон, формуемый в построечных условиях.
Ненесущие ограждающие конструкции (навесные стены) - наружные ограждающие конструкции, поэтажно опирающиеся на перекрытия в пределах одного этажа, воспринимающие собственный вес, а также ветровую нагрузку.
Несущие ограждающие конструкции - ограждающие конструкции, воспринимающие собственный вес, ветровую нагрузку, нагрузку от перекрытий и покрытий (крыши) со всеми постоянными и временными нагрузками, действующих на них.
Облицовочный слой - наружный или внутренний отделочный слой из штукатурки, или из кирпичной кладки, или из облицовочных плит.
Перекрестно-пустотные блоки - стеновые блоки из полистиролбетона с полукруглыми пазами, которые после монтажа образуют в стене вертикальные и горизонтальные круглые каналы, заполняемые тяжелым бетоном.
Полистиролбетон - особо легкий бетон на цементном вяжущем и вспененном полистирольном заполнителе, требования к которому установлены ГОСТ Р 51263-99.
Прямолинейные перемычки - прямолинейные в плане перемычки прямоугольного поперечного сечения.
Полупустотные блоки - стеновые блоки из полистиролбетона с пазами трапециевидной формы на боковой поверхности, которые после монтажа блоков в совокупности с внутренней щитовой опалубкой образуют в стене полость, заполняемую тяжелым бетоном.
Самонесущие ограждающие конструкции - ограждающие конструкции, опирающиеся на перекрытия в пределах двух и более этажей, воспринимающие собственный вес, а также ветровую нагрузку.
Фасадный ригель - ригель в плоскости фасада, являющийся элементом несущего каркаса здания.
Фрезерование полистиролбетонных блоков - придание блокам различной формы в заводских или построечных условиях.
Штыри - стальные монтажные элементы круглого или прямоугольного сечения, используемые для крепления оконных (дверных) блоков к полистиролбетону стен и полистиролбетонных стен с несущим конструкциям здания.
Эффективный утеплитель - утеплитель с высокой теплоизолирующей способностью.
Генеральному директору
института «ВНИИжелезобетон
Рахманову В.А.
111524, Москва, ул. Плеханова, 7
на № 1-BP/633 от 08.12.2000 г.
Управление стандартизации, технического нормирования и сертификации Госстроя России совместно с Главным управлением государственной противопожарной службы МВД России, рассмотрев в части обеспечения пожарной безопасности разработанный ОАО «ВНИИжелезобетон» Альбом технических решений ограждающих конструкций жилых и общественных зданий системы «Юникон» с применением сборного и монолитного полистиролбетона (Шифр: 10-1248) от 10.11.2000 г., сообщают следующее:
1. Полистиролбетонные изделия и элементы, а также монолитный полистиролбетон системы «Юникон» могут быть использованы в жилых и общественных зданиях различных степеней огнестойкости, в т.ч. I-ой, и классов конструктивной пожарной опасности, в т.ч. СО, в качестве:
- несъемной опалубки в виде кладки из пустотных или полупустотных блоков для формирования встраиваемого в нее железобетонного каркаса из обычного тяжелого бетона при возведении наружных стен, преимущественно несущих и самонесущих;
- самостоятельного конструкционного материала для возведения наружных ненесущих стен (заполнение проемов между смежными междуэтажными перекрытиями на этаж) из монолитного полистиролбетона или в виде кладки из сплошных блоков, в том числе с применением полистиролбетонных армированных перемычек и доборных плит, для многоэтажных зданий, а также для возведения из монолитного полистиролбетона или в виде кладки из сплошных блоков наружных самонесущих и несущих стен для малоэтажных (1-2 этажа) зданий;
- теплоизоляционного материала в виде плит или монолита для утепления железобетонных перекрытий над неотапливаемыми («холодными») подвалами, проездами, перекрытий неотапливаемых чердаков и бесчердачных покрытий.
Исключение составляют здания класса функциональной пожарной опасности Ф1.1 высотой два и более этажей и класса Ф4.1 высотой более четырех этажей, в которых применение стеновых конструкций по системе «Юникон» с представленными техническими решениями, кроме выполняемых из кладки полупустотных пенополистиролбетонных блоков с встраиваемым в нее и обращенным внутрь здания железобетонным ребристым каркасом-диафрагмой из монолитного тяжелого бетона с толщиной полки не менее 5 см, не допускается.
2. Высота конкретных зданий, для которых в несущих, самонесущих и ненесущих стенах предусматривается применение пустотных, полупустотных или сплошных полистиролбетонных блоков, перемычек, доборных плит и монолитного полистиролбетона системы «Юникон», должна определяться в соответствии с действующими противопожарными нормами, в зависимости от установленных показателей пределов огнестойкости и класса пожарной опасности стен.
3. Пределы огнестойкости конструкций стен с применением монолитного и сборного полистиролбетона по системе «Юникон» должны определяться на основании стандартных огневых испытаний или утвержденных в установленном порядке расчетов.
4. При расчете предела огнестойкости по признаку потери несущей способности (R) наружных несущих и самонесущих стен, выполняемых в виде кладки из перекрестно-пустотных полистиролбетонных блоков с встраиваемым в нее железобетонным каркасом-решеткой, температуру тяжелого бетона этого каркаса следует принимать не менее 200 °С.
5. В полистиролбетоне системы «Юникон» должны использоваться гранулы полистирола вспененного самозатухающего ПСВ-С.
6. Наружные несущие стены из пустотных и полупустотных полистиролбетонных блоков с встраиваемым железобетонным каркасом (внутренней ортогональной решеткой или примыкающей ребристой диафрагмой), а также наружные несущие, самонесущие и ненесущие стены из монолитного полистиролбетона или сплошных блоков, в том числе с применением полистиролбетонных перемычек и доборных плит, и утепляемые полистиролбетоном железобетонные перекрытия над неотапливаемыми подвалами, проездами, железобетонные чердачные перекрытия и бесчердачные покрытия для обеспечения их класса пожарной опасности КО должны отвечать следующим требованиям:
- средняя объемная плотность полистиролбетона в стенах должна составлять не менее 250 кг/м3;
- на участках между наружной (со стороны фасада) облицовкой стен и обращенными в сторону фасада торцами примыкающих железобетонных перекрытий и железобетонных внутренних стен, в пределах высоты и ширины этих торцов, допускается применять теплоизоляционные вставки («термовкладыши») из полистиролбетона со средней плотностью 150…200 кг/м3 или эффективных негорючих утеплителей; полистиролбетон этой же плотности может использоваться для устройства теплоизоляции поверх перекрытий над неотапливаемыми подвалами, проездами, поверх перекрытий неотапливаемых чердаков и бесчердачных покрытий;
- в качестве кладочных растворов для полистиролбетонных изделий и элементов должны применяться негорючие составы (клеи);
- стены должны иметь с обеих сторон облицовку в виде цементно-песчаной штукатурки толщиной не менее 20 мм по стальной мелкоячеистой сетке, при этом на откосах оконных и дверных проемов стен ее толщина должна составлять не менее 30 мм;
- с внешней стороны зданий облицовка стен может также выполняться в виде кладки из керамического кирпича толщиной в четверть кирпича и более, а изнутри зданий - из гипсоволокнистых листов (ГВЛ) в два-три слоя, со сдвигом стыков ГВЛ по слоям, суммарной толщиной ГВЛ не менее 20 мм по плоскости стены и не менее 30 мм на откосах оконных и дверных проемов;
- в стенах из пустотных или полупустотных блоков с встраиваемым железобетонным каркасом их облицовка должна заанкериваться в тяжелый бетон каркаса, в стенах из монолитного полистиролбетона или сплошных блоков - в массив полистиролбетона и горизонтальные швы кладки соответственно; шаг расстановки стальных анкеров для крепления облицовок - не более 0,6´0,3(0,4) м, глубина заделки анкеров в стены из монолитного полистиролбетона или сплошных блоков - не менее 150 мм, специальных стальных дюбелей для крепления облицовок из ГВЛ - не менее 120 мм;
- для конструкций наружных стен, выполняемых из полупустотных полистиролбетонных блоков с обращенным внутрь здания слоем из монолитного железобетона (ребристой диафрагмой), устройство защитной облицовки изнутри здания, за исключением поверхности полистиролбетонных надоконных и наддверных перемычек, откосов оконных и дверных проемов, на которые выходит полистиролбетон, не требуется;
- утепляемые железобетонные перекрытия над неотапливаемыми подвалами (подпольями, проездами) и утепляемые железобетонные чердачные перекрытия должны иметь поверх слоя теплоизоляции из полистиролбетона стяжку толщиной не менее 30 и 20 мм соответственно, выполненную из обычного тяжелого или мелкозернистого бетона;
- торцы оконных и дверных коробок в наружных стенах, по всей площади их примыкания к полистиролбетону соответствующих проемов, должны быть отделены от него негорючими теплоизоляционными прокладками толщиной не менее 5 мм.
7. При устройстве кровли поверх утепляемых полистиролбетоном покрытий следует руководствоваться положениями совместного письма Госстроя России и ГУГПС МВД России № 13-443/ № 20/2.2/1343 от 24.06.97 г., принимая во внимание, что полистиролбетон относится к материалам группы горючести Г1.
8. Все воздушные каналы в перекрытиях и покрытиях, со стороны их торцов, примыкающих к наружным стенам системы «Юникон», должны быть заделаны по всей площади поперечного сечения каналов заглушками из обычного тяжелого бетона или цементно-песчаного раствора на длину не менее 50 мм от соответствующего торца перекрытия.
9. Проектирование жилых и общественных зданий с наружными стенами, утепляемыми перекрытиями и покрытиями системы «Юникон» следует осуществлять в соответствии с представленными в вышеуказанном Альбоме техническими решениями и с учетом соответствующих требований п. 1…8 настоящего письма. Положения п. 1…8 настоящего письма следует внести в Альбом технических решений в качестве особых требований.
10. Письмо Управления стандартизации, технического нормирования и сертификации Госстроя России № 9-18/506 от 22.12.1999 г. с момента подписания настоящего письма утрачивает силу.
|
Заместитель начальника Управления стандартизации, технического нормирования и сертификации Госстроя России |
Заместитель начальника Главного управления Государственной противопожарной службы МВД России |
|
Н.Н. Поляков |
В.П. Молчанов |
|
ГОСУДАРСТВЕННЫЙ КОМИТЕТ РОССИЙСКОЙ ФЕДЕРАЦИИ ПО СТРОИТЕЛЬСТВУ И ЖИЛИЩНО-КОММУНАЛЬНОМУ КОМПЛЕКСУ ЗАМЕСТИТЕЛЬ ПРЕДСЕДАТЕЛЯ 117987, ГСП-1, Москва, ул. Строителей, 8, корп. 2 14.08.00 № ЛБ-3512/9На № 1-19/3788 21.07.00 О теплотехнических характеристиках полистиролбетона |
Генеральному директору ВНИИжелезобетона РАХМАНОВУ В.А. 111524, Москва, ул. Плеханова, 7 |
Госстрой России рассмотрел вопрос о теплотехнических характеристиках модифицированного полистиролбетона для изделий, выпускаемых Опытно-производственной базой ВНИИжелезобетона, и учитывая результаты научно-технической работы НИИСФ по исследованию расчетных значений теплопроводности модифицированного полистиролбетона, разрешает ВНИИжелезобетону принимать теплотехнические характеристики модифицированного полистиролбетона для изделий, изготовляемых на Опытно-производственной базе ВНИИжелезобетона по специальной технологии, согласно таблице.
|
Характеристика материала в сухом состоянии |
Расчетное массовое отношение влаги в материале (при условиях эксплуатации), W, % |
Расчетные коэффициенты (при условиях эксплуатации) |
||||
|
плотность, кг/м3 |
коэффициент теплопроводности, Вт/м°С |
коэффициент теплопроводности, λ, Вт/м°С |
паропроницаемость, μ, мг/м·ч·Па |
|||
|
А |
Б |
А |
Б |
А и Б |
||
|
150 |
0,045 |
3,5 |
7 |
0,050 |
0,054 |
0,135 |
|
200 |
0,055 |
3,5 |
7 |
0,060 |
0,063 |
0,120 |
|
250 |
0,065 |
3,5 |
7 |
0,069 |
0,073 |
0,110 |
|
300 |
0,075 |
3,5 |
7 |
0,080 |
0,085 |
0,100 |
|
350 |
0,087 |
3,5 |
7 |
0,094 |
0,100 |
0,090 |
|
400 |
0,097 |
3,5 |
7 |
0,105 |
0,115 |
0,085 |
|
450 |
0,110 |
3,5 |
7 |
0,118 |
0,126 |
0,080 |
|
500 |
0,120 |
3,5 |
7 |
0,128 |
0,137 |
0,075 |
|
550 |
0,130 |
3,5 |
7 |
0,140 |
0,148 |
0,070 |
Л.С. Баринова
1. Отделку фасадов рекомендуется осуществлять облицовочным кирпичом с расшивкой швов или отделкой штукатурным слоем по металлической сетке. При этом возможно создание различными способами рельефов и применение различных способов индустриальной отделки.
2. Отделка фасадов штукатуркой по металлической сетке с созданием рельефа с помощью лекал, правил и фрезеровкой полистиролбетонных блоков может осуществляться с подвесных подмостей.
3. Кладка из полистиролбетонных блоков позволяет кроме плоских стен создавать ломаные и криволинейные в плане фасады в виде эркеров. В зависимости от формы эркеров выбирается тип отделки полистиролбетонной кладки. Примеры форм эркеров приведены на рис. П5.1.
4. Пластика фасада зданий с наружными стенами из полистиролбетонных блоков может быть достигнута путем создания различных форм изменением отделки кладки блоков в построечных условиях, т.е. слоем штукатурки 30-50 мм с применением лекал и правил (рис. П5.2).
5. Для создания более глубокого рельефа на наружных стенах из полистиролбетонных блоков допускается изменение отделки в построечных условиях фрезерованием кладки с последующим оштукатуриванием (рис. П5.3).
6. Одним из эффективных способов повышения архитектурной выразительности фасадов является выдвижение части блоков из плоскости стены, например, путем применения блоков различной толщины, которые также могут подвергаться фрезерованию. Такими способами можно создавать пилястры, горизонтальные пояса (фризы) и другие архитектурные элементы (рис. П5.4).
7. Основные виды возможной индустриальной отделки полистиролбетонных блоков представлены на рис. П5.5.
8. Для кладки из полистиролбетонных блоков рекомендуются изменения структуры раскладки блоков, обрамления проемов и использование различных колористических решений фасадов. Фасад с арочными проемами шириной до 1,2 м может иметь раскладку, представленную на рис. П5.6, а с проемами шириной более 1,5 м - раскладку, представленную на рис. П5.7.
9. Архитектурные решения фасадов зданий связаны с особенностями их отделки и индивидуального решения на каждом конкретном объекте. Пример архитектурного решения фасадов экспериментальных 5-и этажных жилых домов с наружными стенами из полистиролбетонных блоков представлен на рис. П5.8. Другой пример архитектурного решения фасада 16-и этажного жилого дома с наружными стенами из полистиролбетонных блоков представлен на рис. П5.9.
Рис. П5.1. Примеры архитектурных форм эркеров при кладке из полистиролбетонных блоков
Рис. П5.2. Примеры отделки кладки блоков в построечных условиях слоем штукатурки 30-50 мм с применением лекал и правил
Рис. П5.3. Пример отделки в построечных условиях фрезерованием кладки с последующей штукатуркой для образования более глубокого рельефа
Рис. П5.4. Конструктивные способы обогащения пластики наружных стен из полистиролбетонных блоков различной толщины, в том числе путем фрезерования на стройке
1 - штукатурный отделочный слой с последующей окраской
2 - отделка под кирпич
3, 4 - матричная отделка
5 - отделка крупноразмерной рельефной декоративной плиткой из мелкозернистого бетона
6 - отделка штукатуркой с мраморной крошкой
7 - отделка декоративным рельефным штукатурным слоем
8 - отделка декоративным штукатурным слоем под «Байрамикс»
Рис. П5.5. Виды индустриальной отделки полистиролбетонных блоков
Рис. П5.6. Пример арочных проемов шириной до 1,2 м
Рис. П5.7. Пример арочных проемов шириной более 1,5 м
Рис. П5.8. Примеры архитектурных решений фасадов экспериментальных 5-ти этажных жилых домов в Южном Бутово с наружными стенами из полистиролбетонных блоков
Рис. П5.9. Пример архитектурного решения фасада 16-ти этажного дома с наружными стенами из полистиролбетонных блоков
|
№№ пп |
Наименование крепежного элемента |
Глубина заделки в стену, мм, не менее |
Диаметр анкерующего элемента, мм, не менее |
Толщина штукатурного слоя, мм, не менее |
Вид нагрузки |
Расстояние от сдвигающей силы до стены, мм |
Допускаемая нагрузка, Р, кг, не более |
|
1. |
Шуруп, завинченный насухо |
25 |
5 |
- |
Сдвигающая при изгибе крепежного элемента |
5 |
5 |
|
2. |
Шуруп, завинченный в деревянную пробку |
50 |
20 |
- |
то же |
5 |
15 |
|
3. |
Пластмассовый дюбель, забитый насухо |
40 |
10 |
- |
то же |
- |
10 |
|
100 |
10 |
20-25 |
то же |
5 |
125 |
||
|
100 |
10 |
20-25 |
то же |
50 |
40 |
||
|
4. |
Стержень Æ14AIII на клее КМК |
100 |
20 |
- |
то же |
5 |
75 |
|
100 |
20 |
- |
то же |
50 |
30 |
||
|
150 |
20 |
20-25 |
то же |
10 |
200 |
||
|
150 |
20 |
20-25 |
то же |
50 |
85 |
||
|
5. |
Пластмассовый дюбель Æ14АIII в пробке из гипсового раствора |
100 |
80 |
- |
то же |
10 |
400 |
|
100 |
80 |
- |
то же |
50 |
200 |
||
|
150 |
80 |
20-25 |
то же |
10 |
500 |
||
|
150 |
80 |
20-25 |
то же |
50 |
250 |
||
|
6. |
Пластмассовый дюбель на клее ПВА |
100 |
10 |
25 |
Выдергивающая |
- |
21 |
|
100 |
10 |
- |
- |
15 |
|||
|
7. |
Стержень Æ14АIII на клее КМК |
100 |
20 |
- |
то же |
- |
150 |
|
150 |
20 |
20-25 |
то же |
- |
200 |
||
|
8. |
Пластмассовый дюбель Æ14АIII в пробке из гипсового раствора |
150 |
80 |
- |
то же |
- |
300 |
|
150 |
80 |
20-25 |
то же |
- |
500 |
Примечание.
1. Значения допускаемой нагрузки, приведенные в таблице, относятся к стеновым блокам из полистиролбетона с маркой по средней плотности D350.
При применении блоков из полистиролбетона с маркой по средней плотности D250 приведенные в таблице значения допускаемой нагрузки уменьшают в 1,5 раза.
2. Значения допускаемой нагрузки, получены на основе опытных данных. В опытах использовался раствор на высокопрочном гипсе.
Расчеты экономических показателей и сравнительный технико-экономический анализ выполнены для 9-ти вариантов глухих участков ненесущих наружных стен и для 4-х типов взаимозаменяемых конструкций жилых зданий, отвечающих теплотехническим требованиям МГСН 2.01-99, включая стены из полистиролбетона, ячеистого бетона, 3-х слойные кирпичные стены с утеплителями и навесные панели.
Эти расчеты и анализ выполнены на основе сметно-нормативной документации МТСН 81-98 в нормах и ценах 1998 года с пересчетом в цены сентября 2001 года (МТСН 81-98, выпуск 11, сборник № 09/2001-98 сентябрь 2001 года «Коэффициенты пересчета стоимости строительства, определенной в нормах и ценах МТСН 81-98, в текущий уровень цен»), и «Порядка обоснования технико-экономических показателей при проектировании и строительстве энергоэффективных жилых и общественных зданий в г. Москве», введенного в действие с 01 июля 2001 года директивным письмом Первого заместителя Премьера Правительства Москвы В.И. Ресина от 26.07.2001 г. № 25-08-497/1-1.
В расчетах экономических показателей учтены следующие особенности по конструктивным элементам:
1. По группам вариантов, предусматривающих применение стеновых ячеистобетонных и полистиролбетонных блоков, принято наружное оштукатуривание по металлической оцинкованной сетке и внутреннее оштукатуривание по металлической сетке без оцинковки.
2. Вариант применения трехслойной кирпичной стены предусматривает исполнение наружного слоя из лицевого многощелевого кирпича с оштукатуриванием только внутренней поверхности.
3. Толщина штукатурных слоев по всем вариантам принята 20 мм, при этом использована расценка на оштукатуривание для толщины 30 мм с соответствующей корректировкой.
4. Конструктивное решение трехслойной кирпичной стены определено в виде кирпичной кладки толщиной 250 мм со стороны внутренней поверхности, утепляющего слоя из пенополистирола толщиной 150 мм или минваты толщиной 175 мм и наружного слоя из лицевого многощелевого кирпича толщиной 120 мм, при общей толщине стены с учетом штукатурного слоя 540 и 565 мм.
5. В технико-экономическое сравнение вариантов конструкций стен, кроме конструкций стен из мелкоштучных материалов, включены конструкции навесных трехслойных железобетонных панелей типа «Моспарт» и «Моспромстройматериалы», которые могут рассматриваться как взаимозаменяемые с другими аналоговыми вариантами (для применения в зданиях с несущим монолитным остовом или каркасом, а также других типов зданий, не входящих в систему крупнопанельного домостроения).
Результаты расчетов приведены в таблице П7-1.
СРАВНИТЕЛЬНЫЕ ТЕХНИКО-ЭКОНОМИЧЕСКИЕ ПОКАЗАТЕЛИ ВАРИАНТОВ НАРУЖНЫХ НЕНЕСУЩИХ СТЕН ЖИЛЫХ ЗДАНИЙ
(в базовых нормах и ценах MTCH 81-98 с пересчетом в цены на 01.10.2001 г.)
|
Показатели |
Полистиролбетонные блоки системы «Юникон» с отделкой фасадов |
Блоки из ячеистого бетона |
Кирпич с утеплителем |
Ж/б панели |
|
|||||
|
ЗАО Моспарт» |
ОАО «Моспромстройматериалы» |
|||||||||
|
Люберецкого КСМиК |
ОАО «Коттедж» Самара |
ОАО «Гомельстройматериалы» |
из пенополистирола ПСБС-40 |
из минераловатных плит П-150 |
||||||
|
штукатуркой |
кирпичом |
|
||||||||
|
Толщина стены, мм в том числе по слоям: |
335 |
445 |
840 |
640 |
740 |
540 |
565 |
350 |
350 |
|
|
- блоки |
295 |
295 |
800 |
600 |
700 |
|
|
|
|
|
|
- штукатурка* |
20(В)+20(Н) |
20(В) |
20(В)+20(Н) |
20(В)+20(Н) |
20(В)+20(Н) |
20(В) |
20(В) |
|
|
|
|
- кирпич эффективный |
|
120 |
|
|
|
120 |
120 |
|
|
|
|
- кирпич сплошной |
|
|
|
|
|
250 |
250 |
|
|
|
|
- утеплитель |
|
|
|
|
|
150 |
175 |
150 |
150 |
|
|
Плотность блоков, кг/м.куб |
250 |
250 |
600 |
400 |
500 |
|
|
|
|
|
|
Сметная стоимость с учетом накладных расходов, сметной прибыли и НДС, руб/кв.м |
1262,6 |
1419,7 |
2033,8 |
2297,9 |
1838,8 |
1806,3 |
1912,3 |
1909,3 |
2015,4 |
|
|
% |
100 |
112,4 |
161,1 |
182,0 |
145,6 |
143,1 |
151,5 |
151,2 |
159,6 |
|
|
Трудозатраты, чел-ч/кв.м |
3,8 |
4 |
6 |
5,2 |
5,6 |
6 |
6,6 |
0,9 |
0,9 |
|
|
% |
100 |
105,3 |
157,9 |
136,8 |
147,4 |
157,9 |
173,7 |
23,7 |
23,7 |
|
* Н - наружная, В - внутренняя
|
_________________________________________________________ |