МЕЖГОСУДАРСТВЕННЫЙ СТАНДАРТ
РЫЧАГИ ВИЛЬЧАТЫЕ
Конструкция
ИПК ИЗДАТЕЛЬСТВО СТАНДАРТОВ
Москва
МЕЖГОСУДАРСТВЕННЫЙ СТАНДАРТ
|
РЫЧАГИ ВИЛЬЧАТЫЕ Конструкция Fork levers. Design |
ГОСТ 12476-67 |
Дата введения 01.07.67
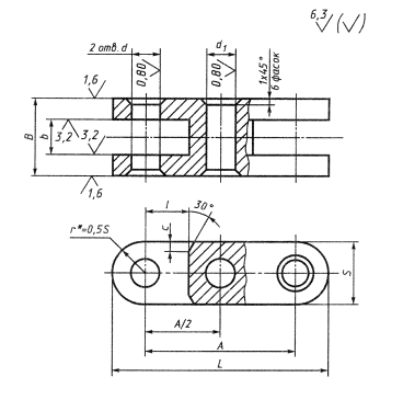
1. Конструкция и размеры вильчатых рычагов должны соответствовать чертежу и таблице.

* Размер для справок.
Размеры, мм
|
Обозначения рычагов |
Применяемость |
А |
b Н11 |
d* Н7 или Н11 |
d1 Е8 или Н11 |
B d11 |
S |
l |
с |
L |
Масса, кг |
|
7018-0511 |
|
40 |
10 |
8 |
8 |
20 |
16 |
12 |
2,5 |
56 |
0,069 |
|
7018-0512 |
|
50 |
66 |
0,094 |
|||||||
|
7018-0513 |
|
12 |
10 |
10 |
25 |
20 |
16 |
3,0 |
70 |
0,135 |
|
|
7018-0514 |
|
60 |
80 |
0,174 |
|||||||
|
7018-0515 |
|
16 |
12 |
12 |
32 |
25 |
20 |
4,0 |
85 |
0,254 |
|
|
7018-0516 |
|
80 |
105 |
0,380 |
|||||||
|
7018-0517 |
|
100 |
125 |
0,515 |
|||||||
|
7018-0518 |
|
80 |
20 |
16 |
16 |
40 |
32 |
25 |
5,0 |
112 |
0,550 |
|
7018-0519 |
|
100 |
132 |
0,751 |
|||||||
|
7018-0520 |
|
125 |
157 |
1,002 |
|||||||
|
7018-0521 |
|
100 |
25 |
20 |
20 |
50 |
40 |
30 |
6,0 |
140 |
1,095 |
|
7018-0522 |
|
125 |
165 |
1,487 |
|||||||
|
7018-0523 |
|
160 |
200 |
2,036 |
* В случае применения штифтов типа 1 по ГОСТ 3128 - поле допуска отверстия d-K7. Соответственно в условном обозначении указывать поле допуска К7.
Пример условного обозначения вильчатого рычага размерами А-40мм, 6=10 мм, с полем допуска диаметров d и d1 - Н11:
То же, с полями допусков диаметра d - H7, d1 - E8:
(Измененная редакция, Изм. № 1, 2).
2. Материал - сталь марки 45 по ГОСТ 1050. Допускается замена на стали других марок с механическими свойствами не ниже, чем у стали марки 45.
3. Твердость - 36,5...41,5 HRCэ.
4. Неуказанные предельные
отклонения размеров: ![]()
3, 4. (Измененная редакция, Изм. № 2).
5. (Исключен, Изм. № 1).
6. Покрытие - Хим. Окс. прм (обозначение покрытия - по ГОСТ 9.306).
7. Маркировать партию деталей одного типоразмера на таре или упаковке с указанием условного обозначения.
6, 7. (Измененная редакция, Изм. № 2).
8. Пример применения вильчатого рычага указан в приложении.
(Введен дополнительно, Изм. № 2).

ИНФОРМАЦИОННЫЕ ДАННЫЕ
1. РАЗРАБОТАН И ВНЕСЕН Министерством тяжелого, энергетического и транспортного машиностроения СССР
Министерством станкостроительной и инструментальной промышленности СССР
РАЗРАБОТЧИКИ
В.В. Андреев; В.Н. Дзегиленок, канд. техн. наук; В.А. Петрова; К.И. Сокольский; А.З. Старосельский (руководитель темы); А.В. Хренова; Т.А. Шестакова
2. УТВЕРЖДЕН И ВВЕДЕН В ДЕЙСТВИЕ Постановлением Комитета стандартов, мер и измерительных приборов при Совете Министров СССР от 03.01.67 № 52
3. ССЫЛОЧНЫЕ НОРМАТИВНО-ТЕХНИЧЕСКИЕ ДОКУМЕНТЫ
|
Обозначение НТД, на который дана ссылка |
Номер пункта |
|
ГОСТ 3128-70 |
6 2 1 |
4. Постановлением Госстандарта СССР от 17.03.88 № 568 снято ограничение срока действия
5. ПЕРЕИЗДАНИЕ (октябрь 1999г.) с Изменениями № 1, 2, утвержденными в июне 1980г., марте 1988г. (ИУС 9-80, 6-88)
|
_________________________________________________________ |