
ГОСУДАРСТВЕННЫЙ СТАНДАРТ СОЮЗА ССР
СИСТЕМА ПРОЕКТНОЙ ДОКУМЕНТАЦИИ ДЛЯ СТРОИТЕЛЬСТВА
ОБОЗНАЧЕНИЯ
ХАРАКТЕРИСТИК ТОЧНОСТИ
ГОСТ 21.113-88
(СТ СЭВ 6073-87)
ГОСУДАРСТВЕННЫЙ СТРОИТЕЛЬНЫЙ КОМИТЕТ СССР
Москва
ГОСУДАРСТВЕННЫЙ СТАНДАРТ СОЮЗА ССР
|
Система проектной документации для строительства ОБОЗНАЧЕНИЯ ХАРАКТЕРИСТИК ТОЧНОСТИ System of design documentation for
construction. |
ГОСТ (CT СЭВ 6073-87) |
Дата введения 01.01.89
Настоящий стандарт устанавливает правила обозначения характеристик точности геометрических параметров зданий, сооружений и их элементов на строительных чертежах.
Стандарт не распространяется на чертежи сооружений, при определении характеристик точности размеров которых необходимо учитывать искривление поверхности земли.
1.1. Характеристики точности, установленные в соответствии с требованиями ГОСТ 21778-81, указывают для геометрических параметров, подлежащих контролю точности.
1.2. Характеристики точности, которые должны быть приведены один раз для одного параметра, указывают непосредственно на изображениях, а характеристики точности, относящиеся к повторяющемуся параметру, указывают в технических требованиях на чертежах.
2.1. Характеристики точности линейных и угловых размеров указывают числовыми значениями предельных отклонений в соответствии с требованиями ГОСТ 2.307-68.
2.2. Характеристики точности ориентации (взаимного положения) поверхностей (например, их точек, линий, ребер, граней) одного или двух элементов либо элемента относительно заданного направления указывают числовыми значениями допусков или предельных отклонений с условными обозначениями по табл. 1.
|
Виды допусков и отклонений ориентации и положения |
Условные обозначения |
|
Параллельности |
|
|
Перпендикулярности |
|
|
Наклона |
|
|
Вертикальности |
|
|
Горизонтальности |
|
|
Соосности |
|
|
Симметричности |
|
|
Совмещения ориентиров |
|
|
Совпадения поверхностей |
|
2.3. Характеристики точности формы профиля или поверхности строительных элементов и конструкций указывают числовыми значениями допусков или предельных отклонений с условными обозначениями по табл. 2.
|
Виды допусков и отклонений формы |
Условные обозначения |
|
Прямолинейности |
— |
|
Плоскостности |
|
|
Пропеллерности |
|
|
Круглости |
|
|
Цилиндричности |
|
|
Формы заданного профиля |
|
|
Формы заданной поверхности |
|
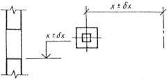
2.4. Характеристики точности высотного положения и положения в плане элемента или конструкции (например, их точек, граней, поверхностей) относительно базы (например, разбивочного ориентира, плоскости, грани, точки, отметки) указывают числовыми значениями предельных отклонений от номинального значения геометрического параметра, определяющего расстояние между элементом и базой в соответствии с черт. 1.

2.5. Графическое оформление на чертежах обозначений характеристик точности геометрических параметров по п.п. 2.2 - 2.4 (например, рамки допусков, соединительные линии, значения допусков или предельных отклонений, базы) должно соответствовать ГОСТ 2.308-79.
При обозначении на чертежах характеристик точности установки элементов (в табл. 1 - совмещение ориентиров, совпадение поверхностей) базы не указывают.
2.6. Обозначение и числовое значение характеристики точности, относящейся к поверхности элемента, ограниченной контуром, указывают в рамке согласно черт. 2, направляющая линия должна заканчиваться точкой внутри контура поверхности.
![]()
2.7. Характеристики точности ориентации двух граней или поверхностей элементов в случаях, когда ни одна из них не является базой, указывают в рамке с соединительной линией, заканчивающейся стрелками (черт. 3). Если нет специальных указаний, требование распространяется на всю длину элементов.

2.8. При необходимости указания на чертеже технологического процесса, к которому относятся характеристики точности геометрического параметра, в том числе функционального, следует применять следующие буквенные обозначения:
М - процесс изготовления элементов;
S - процесс разбивки;
Е - процесс установки элементов;
В - функциональный геометрический параметр.
Буквенное обозначение вписывают в дополнительную рамку, помещаемую слева от рамки, в которой указывают допуски или предельные отклонения.
Если буквенное обозначение относится к геометрическому параметру по п. 2.1, оно приставляется непосредственно за предельным отклонением (например, 6000 ± 6 S).
2.9. При обозначении на чертежах характеристик точности установки элементов следует указывать монтажные ориентиры.
Ориентиры обозначают:
1) зачерненным треугольником на монтажном горизонте или ранее установленном элементе.
На разрезе ориентир для установки элемента в плане помещают под линией монтажного горизонта вершиной вверх (черт. 4); ориентир для установки элемента по высоте показывают направленным по горизонтали (Черт. 5).


На плане ориентир помещают симметрично линии (оси, грани элемента), относительно которой выполняется установка (черт. 6);
2) незачерненным треугольником на устанавливаемом элементе. Этот ориентир помещают симметрично на линии (оси) или грани устанавливаемого элемента.
При этом вершины каждой пары треугольников должны быть направлены друг к другу.

ИНФОРМАЦИОННЫЕ ДАННЫЕ
1. ВНЕСЕН Государственным строительным комитетом СССР
2. Постановлением Государственного строительного комитета СССР от 12.09.88 № 186 стандарт Совета Экономической Взаимопомощи СТ СЭВ 6073-87 „Единая система конструкторской документации СЭВ. Чертежи строительные. Обозначения характеристик точности" введен в действие непосредственно в качестве государственного стандарта СССР с 01.01.89
3. ВВЕДЕН ВПЕРВЫЕ
4. ССЫЛОЧНЫЕ НОРМАТИВНО-ТЕХНИЧЕСКИЕ ДОКУМЕНТЫ
|
Обозначение НТД, на который дана ссылка |
Номер пункта |
|
2.1 |
|
|
2.5 |
|
|
1.1 |
|
_________________________________________________________ |