ГОСТ 21.408-93
МЕЖГОСУДАРСТВЕННЫЙ СТАНДАРТ
СИСТЕМА ПРОЕКТНОЙ ДОКУМЕНТАЦИИ
ДЛЯ СТРОИТЕЛЬСТВА
ПРАВИЛА
ВЫПОЛНЕНИЯ РАБОЧЕЙ
ДОКУМЕНТАЦИИ АВТОМАТИЗАЦИИ
ТЕХНОЛОГИЧЕСКИХ ПРОЦЕССОВ
ГОССТРОЙ РОССИИ
Москва
Предисловие
1 РАЗРАБОТАН Государственным проектным, конструкторским институтом «Проектмонтажавтоматика» и Центральным научно-исследовательским и проектно-экспериментальным институтом по методологии, организации, экономике и автоматизации проектирования (ЦНИИпроект)
ВНЕСЕН Госстроем России
2 ПРИНЯТ Межгосударственной научно-технической комиссией по стандартизации и техническому нормированию в строительстве 10 ноября 1993 г.
За принятие стандарта проголосовали:
|
Наименование государства |
Наименование органа государственного управления строительством |
|
Азербайджанская Республика |
Госстрой Азербайджанской Республики |
|
Республика Армения |
Госупрархитектуры Республики Армения |
|
Республика Беларусь |
Госстрой Республики Беларусь |
|
Республика Казахстан |
Минстрой Республики Казахстан |
|
Кыргызская Республика |
Госстрой Кыргызской Республики |
|
Российская Федерация |
Госстрой России |
|
Республика Таджикистан |
Госстрой Республики Таджикистан |
|
Украина |
Минстройархитектуры Украины |
3 ВВЕДЕН ВПЕРВЫЕ
4 ВВЕДЕН В ДЕЙСТВИЕ с 1 декабря 1994 г. в качестве государственного стандарта Российской Федерации постановлением Госстроя России от 5 апреля 1994 г. № 18-26
СОДЕРЖАНИЕ
|
|
4.1. Состав основного комплекта рабочих чертежей систем автоматизации |
|
|
|
||
|
|
||
|
|
||
|
|
4.5 Схемы (таблицы) соединений и подключения внешних проводок |
|
|
|
4.6 Чертежи расположения оборудования и внешних проводок систем автоматизации |
|
|
|
||
|
5 Эскизные чертежи общих видов нетиповых средств автоматизации |
||
|
Перечень основных комплектов рабочих чертежей систем автоматизации технологических процессов |
||
|
Пример выполнения схемы автоматизации развернутым способом |
||
|
Пример выполнения схемы автоматизации упрощенным способом |
||
|
Пример выполнения принципиальной пневматической схемы контура управления |
||
|
Пример выполнения принципиальной схемы пневмопитания |
||
|
Условные графические обозначения |
||
|
Пример выполнения чертежа установки |
||
МЕЖГОСУДАРСТВЕННЫЙ СТАНДАРТ
Система проектной документации для строительства
ПРАВИЛА ВЫПОЛНЕНИЯ РАБОЧЕЙ ДОКУМЕНТАЦИИ
АВТОМАТИЗАЦИИ ТЕХНОЛОГИЧЕСКИХ ПРОЦЕССОВ
System of design documents for
construction.
Roles of industrial process automation working documentation execution
Дата введения 1994-12-01
Настоящий стандарт устанавливает состав и правила оформления рабочей документации систем автоматизации технологических процессов и инженерных систем (далее - систем автоматизации) проектируемых объектов строительства различного назначения.
Требования настоящего стандарта распространяются на рабочую документацию технического обеспечения АСУ ТП, разрабатываемую по ГОСТ 34.201.
Стандарт не распространяется на рабочую документацию систем автоматизации централизованного управления энергоснабжением.
В настоящем стандарте использованы ссылки на следующие стандарты:
ГОСТ 2.701-84 ЕСКД. Схемы. Виды и типы. Общие требования к выполнению
ГОСТ 2.702-75 ЕСКД. Правила выполнения электрических схем
ГОСТ 2.710-81 ЕСКД. Обозначения буквенно-цифровые в электрических схемах
ГОСТ 2.722-69 ЕСКД. Обозначения условные графические в схемах. Машины электрические
ГОСТ 2.732-68 ЕСКД. Обозначения условные графические в схемах. Источники света
ГОСТ 2.741-68 ЕСКД. Обозначения условные графические в схемах. Приборы акустические
ГОСТ 2.780-68 ЕСКД. Обозначения условные графические в схемах. Элементы гидравлических и пневматических сетей
ГОСТ 2.781-68 ЕСКД. Обозначения условные графические в схемах. Аппараты гидравлические и пневматические направляющие и регулирующие, приборы контрольно-измерительные
ГОСТ 2.782-68 ЕСКД. Обозначения условные графические. Насосы и двигатели гидравлические и пневматические
ГОСТ 2.784-70 ЕСКД. Обозначения условные графические. Элементы трубопроводов
ГОСТ 2.785-70 ЕСКД. Обозначения условные графические. Арматура трубопроводная
ГОСТ 2.788-74 ЕСКД. Обозначения условные графические. Аппараты выпарные
ГОСТ 2.789-74 ЕСКД. Обозначения условные графические. Аппараты теплообменные
ГОСТ 2.790-74 ЕСКД. Обозначения условные графические. Аппараты колонные
ГОСТ 2.791-74 ЕСКД. Обозначения условные графические. Отстойники и фильтры
ГОСТ 2.792-74 ЕСКД. Обозначения условные графические. Аппараты сушильные
ГОСТ 2.793-79 ЕСКД. Обозначения условные графические. Элементы и устройства машин и аппаратов химических производств. Общие обозначения
ГОСТ 2.794-79 ЕСКД. Обозначения условные графические. Устройства питающие и дозирующие
ГОСТ 2.795-80 ЕСКД. Обозначения условные графические. Центрифуги
ГОСТ 8.417-81 ГСИ. Единицы физических величин
ГОСТ 21.101-93 СПДС. Основные требования к рабочей документации
ГОСТ 21.110-95 СПДС. Правила выполнения спецификации оборудования, изделий и материалов
ГОСТ 21.401-88 СПДС. Технология производства. Основные требования к рабочим чертежам
ГОСТ 21.404-85 СПДС. Автоматизация технологических процессов. Обозначения условные приборов и средств автоматизации в схемах
ГОСТ 21.614-88 СПДС. Изображения условные графические электрооборудования и проводок на планах
ГОСТ 34.201-89 Информационная технология. Комплекс стандартов на автоматизированные системы. Виды, комплектность и обозначение документов при создании автоматизированных систем
ГОСТ 14202-69 Трубопроводы промышленных предприятий. Опознавательная окраска, предупреждающие знаки и маркировочные щитки
3.1 Рабочую документацию систем автоматизации выполняют в соответствии с требованиями настоящего стандарта, ГОСТ 21.101 и других взаимосвязанных стандартов Системы проектной документации для строительства (СПДС) и Единой системы конструкторской документации (ЕСКД).
3.2 В состав рабочей документации систем автоматизации включают:
- рабочие чертежи, предназначенные для производства работ по монтажу технических средств автоматизации* (основные комплекты рабочих чертежей систем автоматизации марок А ... , приведенные в приложении А);
- эскизные чертежи общих видов нетиповых средств автоматизации;
- спецификацию оборудования, изделий и материалов (далее - спецификация оборудования).
3.3 Одновременно с рабочей документацией систем автоматизации разрабатывают техническую документацию на изготовление и поставку на объект строительства технических средств автоматизации, в том числе:
- опросные листы на приборы;
- карты заказа на электроаппараты;
- таблицы соединений и подключения проводок в щитах и пультах**;
- документацию для заказа комплексов средств централизованного контроля и регулирования, телемеханики, вычислительной техники, программно-технических комплексов, микропроцессорных средств и контроллеров, систем и установок пневмоавтоматики и др. (далее - комплексы технических средств***).
________
* К техническим средствам автоматизации относят приборы, регуляторы, функциональные блоки, исполнительные механизмы, регулирующие органы (далее - приборы), а также электроаппараты, щиты, пульты, комплексы и др. средства автоматизации.
** Выполняют при необходимости.
*** Выполняют по требованию заказчика
3.4 На чертежах и схемах элементы систем автоматизации изображают сплошной толстой основной линией, технологическое оборудование, коммуникации и строительные конструкции изображают упрощенно - сплошной тонкой линией.
4.1.1 В основной комплект рабочих чертежей систем автоматизации марки А ... (далее основной комплект) в общем случае включают:
- общие данные по рабочим чертежам;
- схемы автоматизации;
- схемы принципиальные (электрические, пневматические);
- схемы (таблицы) соединений и подключения внешних проводок;
- чертежи расположения оборудования и внешних проводок;
- чертежи установок средств автоматизации.
4.1.2 Объекты управления (отделения, системы, установки, агрегаты, аппараты) и относящиеся к ним средства автоматизации, не связанные между собой и имеющие одинаковое оснащение системами автоматизации, изображают на схемах и планах расположения один раз, поясняя текстовыми указаниями.
4.1.3 Основной комплект допускается оформлять самостоятельными документами с присвоением им базового обозначения, марки основного комплекта и добавлением (через точку) порядкового номера документа (арабскими цифрами).
Пример - ХХХХ-ХХ-АТХ1.1; ХХХХ-ХХ-АТХ1.2 и т. д.
4.1.4 Для объектов с небольшим объемом монтажных работ по автоматизации допускается объединять рабочие чертежи автоматизации различных технологических процессов и инженерных систем в один основной комплект, если их монтаж осуществляет одна монтажная организация. Объединенному основному комплекту присваивают марку АК.
4.1.5 В случае применения приборов с радиоизотопными методами измерения рабочие чертежи для их монтажа выделяют в самостоятельный основной комплект.
4.2.1 Общие данные по рабочим чертежам (далее - общие данные) выполняют по ГОСТ 21.101. При этом ведомость спецификаций не составляют.
4.2.2 Дополнительно к указанным в ГОСТ 21.101 данным включают:
- таблицу исходных данных и результатов расчетов сужающих устройств (не поставляемых промышленностью) по форме 1*;
- таблицу исходных данных и результатов расчетов регулирующих органов по форме 2*;
- перечень закладных конструкции, первичных приборов (размещаемых на технологическом, санитарно-техническом и другом оборудовании и коммуникациях) по форме 3.
В перечень закладных конструкций, первичных приборов и средств автоматизации включают:
- закладные конструкции, предназначенные для установки приборов измерения температуры, отборных устройств давления, уровня, состава и качества вещества;
- первичные приборы (объемные и скоростные счетчики, сужающие устройства, ротаметры, датчики расходомеров и концентратомеров);
- поплавковые и буйковые датчики уровнемеров и сигнализаторов уровня;
- регулирующие клапаны.
_______
* Если сужающие устройства и регулирующие органы являются составной частью систем автоматизации, поставляемых комплектно с оборудованием, указанные таблицы не выполняют.
4.2.3 При оформлении основного комплекта отдельными документами в состав общих данных включают ведомость документов по форме 2 ГОСТ 21.101, а в каждый из последующих документов - ведомость рабочих чертежей документа по форме 1 ГОСТ 21.101 и ссылку на общие данные.
Форма 1 Исходные данные и результаты расчетов сужающих устройств

Окончание формы 1

Форма 2 Исходные данные и результаты расчетов регулирующих органов

Окончание формы 2

Форма 3 Перечень закладных конструкций, первичных приборов

Окончание формы 3

4.3.1 Схемы автоматизации разрабатывают в целом на технологическую (инженерную) систему или ее часть - технологическую линию, блок оборудования, установку или агрегат.
Схему автоматизации допускается совмещать со схемой соединений (монтажной), выполняемой в составе основного комплекта марки ТХ по ГОСТ 21.401, или со схемами инженерных систем.
4.3.2 На схеме автоматизации изображают:
1) технологическое и инженерное оборудование и коммуникации (трубопроводы, газоходы, воздуховоды) автоматизируемого объекта (далее - технологическое оборудование);
2) технические средства автоматизации или контуры контроля, регулирования и управления*;
3) линии связи между отдельными техническими средствами автоматизации или контурами (при необходимости).
___________
* Контур контроля, регулирования и управления - это совокупность отдельных функционально связанных приборов, выполняющих определенную задачу по контролю, регулированию, сигнализации, управлению и т. п.
4.3.3 Технологическое оборудование на схемах автоматизации рекомендуется изображать в соответствии со схемой соединении, принятой в основном комплекте марки ТХ или схемами инженерных систем. При этом допускается упрощать изображение технологического оборудования, не показывая на схеме оборудование, коммуникации и их элементы, которые, не оснащаются техническими средствами автоматизации и не влияют на работу систем автоматизации.
4.3.4 При отсутствии в основном комплекте марки ТХ схемы соединений технологическое оборудование изображают с учетом требований следующих стандартов:
- оборудование - по ГОСТ 2.780, ГОСТ 2.782, ГОСТ 2.788, ГОСТ 2.789, ГОСТ 2.790, ГОСТ 2.791, ГОСТ 2.792, ГОСТ 2.793, ГОСТ 2.794, ГОСТ 2.795;
- коммуникации в зависимости от транспортируемых сред в соответствии с приложением 3 ГОСТ 14202;
- трубопроводную запорную арматуру, используемую в системах автоматизации (не регулирующую) - по ГОСТ 2.785.
Условные графические и буквенные обозначения приборов и контуров контроля и управления принимают по ГОСТ 21.404. Буквенные обозначения измеряемых величин и функциональных признаков приборов указывают в верхней части окружности (овала).
Линии связи между приборами и контурами контроля и управления изображают на схемах сплошной тонкой линией независимо от вида сигналов и количества проходов и труб.
4.3.5 Схемы автоматизации выполняют двумя способами:
1) развернутый, при котором на схеме изображают состав и место расположения технических средств автоматизации каждого контура контроля и управления.
2) упрощенный, при котором на схеме изображают основные функции контуров контроля и управления (без выделения входящих в них отдельных технических средств автоматизации и указания места расположения).
4.3.6 Развернутый способ выполнения схем автоматизации
4.3.6.1 Технологическое оборудование изображают в верхней части схемы.
Приборы, встраиваемые в технологические коммуникации, показывают в разрыве линии изображения коммуникаций в соответствии с рисунком 1, устанавливаемые на технологическом оборудовании (с помощью закладных устройств) показывают рядом - в соответствии с рисунком 2.
4.3.6.2 Остальные технические средства автоматизации показывают условными графическими обозначениями в прямоугольниках, расположенных в нижней части схемы. Каждому прямоугольнику присваивают заголовки, соответствующие показанным в них техническим средствам.
Первым располагают прямоугольник, в котором показаны внещитовые приборы, конструктивно не связанные с технологическим оборудованием, с заголовком «Приборы местные», ниже - прямоугольники, в которых показаны щиты и пульты, а также комплексы технических средств (при необходимости).
Заголовки прямоугольников, предназначенных для изображения щитов и пультов, принимают в соответствии с наименованиями, принятыми в эскизных чертежах общих видов, для комплексов технических средств - в соответствии с их записью в спецификации оборудования.
4.3.6.3 На схеме автоматизации буквенно-цифровые обозначения приборов указывают в нижней части окружности (овала) или с правой стороны от него, обозначения электроаппаратов - справа от их условного графического обозначения.
При этом обозначения технических средств присваивают по спецификации оборудования и составляют из цифрового обозначения соответствующего контура и буквенного обозначения (прописными буквами русского алфавита) каждого элемента, входящего в контур (в зависимости от последовательности прохождения сигнала).
При большом количестве приборов допускается применять обозначения, в которых первый знак соответствует условному обозначению измеряемой величины, последующие знаки - порядковому номеру контура в пределах измеряемой величины.
Электроаппараты, входящие в систему автоматизации (звонки, сирены, сигнальные лампы, табло, электродвигатели и др.) показывают на схеме графическими условными обозначениями по ГОСТ 2.722, ГОСТ 2.732, ГОСТ 2.741 и присваивают им буквенно-цифровые обозначения по ГОСТ 2.710.
4.3.6.4 Линии связи допускается изображать с разрывом при большой протяженности и/или при сложном их расположении. Места разрывов линий связи нумеруют арабскими цифрами в порядке их расположения в прямоугольнике с заголовком «Приборы местные».
Допускается пересечение линий связи с изображениями технологического оборудования. Пересечение линий связи с обозначениями приборов не допускается.
4.3.6.5 На линиях связи указывают предельные (максимальные или минимальные) рабочие значения измеряемых (регулируемых) величин по ГОСТ 8.417 или в единицах шкалы выбираемого прибора. Для обозначения разрежения (вакуума) ставят «минус». Для приборов, встраиваемых непосредственно в технологическое оборудование и не имеющих линий связи с другими приборами, предельные значения величин указывают рядом с обозначением приборов.
4.3.6.6 Технологическое оборудование допускается не изображать на схеме в случаях, когда точки контроля и управления в технологических цехах немногочисленны (например, в рабочей документации по диспетчеризации). В этом случае в верхней части схемы вместо изображения технологического оборудования приводят таблицу по рисунку 3, в графах которой указывают наименование оборудования и коммуникаций.
|
Вход в цех гидрогенизации |
|
|
Исходный продукт |
Азот |
4.3.6.7 Пример выполнения схемы автоматизации развернутым способом приведен в приложении Б.
4.3.7 Упрощенный способ выполнения схем автоматизации
4.3.7.1 При упрощенном способе выполнения схем автоматизации контуры контроля и управления, а также одиночные приборы наносят рядом с изображением технологического оборудования и коммуникаций (или в их разрыве) по рисункам 1 и 2.
В нижней части схемы рекомендуется приводить таблицу контуров в соответствии с приложением В. В таблице контуров указывают номера контуров и номер листа основного комплекта, на котором приведен состав каждого контура.
4.3.7.2 Контур (независимо от количества входящих в него элементов) изображают в виде окружности (овала), разделенного горизонтальной чертой. В верхнюю часть окружности записывают буквенное обозначение, определяющее измеряемый (регулируемый) параметр и функции, выполняемые данным контуром, в нижнюю - номер контура. Для контуров систем автоматического регулирования, кроме того, на схеме изображают исполнительные механизмы, регулирующие органы и линию связи, соединяющую контуры с исполнительными механизмами.
Предельные рабочие значения измеряемых (регулируемых) величин указывают рядом с графическими обозначениями контуров или в дополнительной графе таблицы контуров.
4.3.7.3 Состав каждого контура должен быть приведен на:
- принципиальной (электрической, пневматической) схеме контроля, регулирования и управления;
- схеме соединений внешних проводок.
4.3.7.4 Когда на схемах автоматизации сложно привести полный состав элементов контура, разрабатывают структурную схему контура, пример выполнения которой приведен на рисунке 4.
Пример выполнения структурной схемы

Рисунок 4
4.3.7.5 Пример выполнения схемы автоматизации упрощенным способом приведен в приложении В.
4.4.1 В зависимости от назначения и применяемых средств автоматизации разрабатывают:
- принципиальные электрические и пневматические схемы контуров контроля регулирования и управления;
- принципиальные схемы питания.
Принципиальные электрические схемы управления электроприводами оборудования и трубопроводной арматуры включают в состав основного комплекта при управлении ими со щитов и пультов систем автоматизации.
Принципиальные схемы контуров контроля и регулирования допускается не разрабатывать, если взаимные связи приборов и аппаратов, входящих в них, просты и однозначны и могут быть показаны на других чертежах основного комплекта. Допускается совмещение схем различного функционального назначения (например, схемы питания со схемой управления) с соблюдением правил выполнения этих схем, приведенных ниже.
4.4.2 Электрические схемы выполняют по ГОСТ 2.701 и ГОСТ 2.702. На электрических схемах допускается:
- не приводить обозначения выводов электроаппаратов, если они приведены в технической документации на щиты и пульты;
- не включать в обозначение элементов квалифицирующие символы.
4.4.3 Схемы с применением комбинированных средств автоматики (пневматических и электрических) выполняют по ГОСТ 2.701.
4.4.4 На принципиальных схемах данные о технических средствах записывают в перечень элементов по ГОСТ 2.701.
Допускается в перечень элементов записывать аппаратуру группами соответственно местам их установки. Этим группам присваивают заголовки и указывают их в графе «Наименование».
Пример - «Аппараты по месту», «Щит управления» и т. п.
4.4.5 На пневматических схемах контуров контроля и управления показывают:
- приборы, входящие в состав контуров;
- пневматические командные линии связи и линии пневмопитания;
- линии подвода электропитания.
Импульсные линии связи, подводящие измеряемые и регулируемые среды к датчикам, измерительным приборам и регуляторам на пневматических схемах не изображают.
4.4.6 Приборы (за исключением исполнительных механизмов и регулирующих органов, изображаемых по ГОСТ 21.404) показывают упрощенно в виде прямоугольников. При этом показывают:
- в кружках, располагаемых по контуру прямоугольника - обозначения входных и выходных присоединений приборов (штуцеров) для подключения командных линий связи и питания, установленных в технической документации на прибор, или на соответствующей схеме;
- внутри прямоугольника - буквенно-цифровое обозначение прибора.
4.4.7 Обозначения присоединительных штуцеров наиболее распространенных приборов приведены в таблице 1.
|
Обозначение штуцера |
Назначение |
|
1 |
Программа |
|
2 |
Выход |
|
3 |
Вход (переменная) |
|
4 |
К включающему реле регулирующего устройства |
|
5 |
питания сжатым воздухом |
|
6 |
Задание |
|
7 |
К исполнительному механизму |
Если прибор имеет несколько присоединительных штуцеров одного назначения, то в их обозначение через дефис включают порядковый номер.
Пример - 2-1, 2-2, 2-3;
4.4.8 Обозначение прибора состоит из буквенного обозначения, соответствующего функциональному назначению прибора, и его порядкового номера.
Пример - РУ1, РУ2, Ф1, Ф2.
Буквенные обозначения наиболее распространенных приборов и элементов пневмоавтоматики принимают по таблице 2.
|
Наименование |
Обозначение |
|
Датчик |
Д |
|
Вторичный измерительный прибор |
ВИП |
|
Измерительный механизм показывающий |
ИМ-П |
|
Измерительный механизм самопишущий |
ИМ-С |
|
Измерительное устройство |
ИУ |
|
Ручной задатчик |
РЗ |
|
Станция управления |
СУ |
|
Программный задатчик |
ПЗ |
|
Регулирующее устройство |
РУ |
|
Регулирующее устройство соотношения |
РУС |
|
Кнопки переключающих устройств и станций управления: |
|
|
- ручное дистанционное управление |
Р |
|
- автоматическое управление |
А |
|
- программное регулирование |
АП |
|
- регулятор включен |
Вкл. |
|
- регулятор отключен |
Откл. |
|
Усилитель мощности |
УМ |
|
Устройство алгебраического суммирования |
УС |
|
Устройство предварения |
УП |
|
Устройство умножения на постоянный коэффициент |
УУ |
|
Блок ограничения сигнала |
БО |
|
Пневматический сигнализатор |
ПС |
|
Пневмотабло |
ПТ |
|
Реле переключения |
РП |
|
Панель управления |
ПУ |
|
Исполнительный механизм |
ИМ |
|
Позиционер |
П |
|
Манометр контрольный |
МН |
|
Фильтр воздуха |
Ф |
|
Стабилизатор (редуктор) давления воздуха |
СД |
|
Вентиль запорный |
ВН |
|
Кран трехходовой |
К |
4.4.9 Станции управления и отдельные переключающие устройства выполняют упрощенно, в развернутом виде, в выбранном рабочем положении (ручном, автоматическом и др.) с указанием режима, для которого приведены элементы переключающих устройств.
Регулирующие органы показывают на схемах в случаях, если они являются общими с исполнительными механизмами.
4.4.10 Линии связи на пневматических схемах выполняют сплошными тонкими линиями, линии электропитания - штрихпунктирными тонкими линиями. Стрелками указывают направление пневматического сигнала. Линии питания сжатым воздухом, электропитания и сброс воздуха в атмосферу допускается наносить по рисунку 5.
|
|
линия питания сжатым воздухом
|
|
|
сброс в атмосферу |
|
|
линия электропитания |
4.4.11 На пневматических схемах питания показывают:
- главный и распределительные коллекторы;
- сети воздуховодов от коллекторов до пневмоприемников;
- стабилизаторы давления воздуха и фильтры;
- контрольные манометры;
- запорную арматуру;
- резервные и продувочные вентили;
- воздухосборники (при необходимости).
На схемах питания воздуховоды не нумеруют и пневмоприемники не изображают. При этом, в нижней части схемы приводят таблицу с характеристикой пневмоприемников (позиционные обозначения в соответствии со схемой автоматизации, типы, расход сжатого воздуха, места установки).
4.4.12 Условные графические обозначения, применяемые на схемах питания, принимают по следующим стандартам:
|
- фильтры воздуха |
по ГОСТ 2.793 |
|
- стабилизаторы давления воздуха |
по ГОСТ 2.785 |
|
- вентили запорные, краны трехходовые |
по ГОСТ 2.785 |
|
- манометры контрольные |
по ГОСТ 2.781 |
|
- трубопроводы сжатого воздуха |
по ГОСТ 2.784 |
4.4.13 На схемах пневмопитания указывают диаметры условных проходов труб коллекторов и ответвлений воздухопроводов к пневмоприемникам. Над линией, изображающей коллектор, указывают давление, под линией - расход сжатого воздуха.
4.4.14 В перечне элементов к пневматическим схемам, указывают:
- в графе «Поз. обозначение» - обозначение прибора по 4.4.8;
- в графе «Наименование» - наименование прибора и его тип;
- в графе «Примечание» - обозначения приборов, указанные на схемах автоматизации.
Пример выполнения перечня элементов приведен на рисунке 6.
|
Поз. обозначение |
Наименование |
Кол. |
Примечание |
|
|
Аппараты по месту |
|
|
|
Д1, Д2 |
Ротаметр пневматический РП-16ЖУЗ |
2 |
44б, 45а |
|
ИМ |
Клапан регулирующий фланцевый |
1 |
44д |
|
|
25ч37нж |
|
|
|
|
Щит управления |
|
|
|
ВИП |
Прибор контроля пневматический |
1 |
44в |
|
|
показывающий ПКП.2 |
|
|
|
РУ |
Устройство регулирующее пневматическое пропорционально-интегральное |
1 |
45г |
|
|
ПРЗ.31М1 |
|
|
4.4.15. Примеры выполнения принципиальных пневматических схем приведены в приложениях Г и Д.
4.5.1 Общие требования
4.5.1.1 Соединения и подключения внешних проводок показывают в виде схем или таблиц.
4.5.1.2 Схемы соединении и подключения выполняют, как правило, раздельно для каждого автоматизируемого блока, монтаж которого осуществляют независимо от других. При этом, в наименовании схемы дополнительно указывают наименование блока.
Пример - Блок насосов. Схема соединений внешних проводок.
4.5.1.3 Рекомендуется на схемах соединений внешних проводок приводить подключения электропроводок к приборам, установленным непосредственно на технологическом оборудовании и коммуникациях, а также к одиночным внещитовым (местным) приборам.
При незначительном объеме электропроводок, подключаемых к техническим средствам автоматизации, эти подключения допускается приводить па схеме соединений, не выполняя схемы подключения.
4.5.1.4 Подключения электропроводок к групповым установкам приборов, щитам и пультам, комплексам технических средств рекомендуется приводить на самостоятельных схемах подключения.
4.5.1.5 Технические средства, для которых на схемах приводят подключения электропроводок, изображают упрощенно внешними очертаниями или в виде прямоугольников, в которых:
- вводные элементы (например, гермовводы, сальники) - по контуру прямоугольника показывают условными графическими обозначениями по ГОСТ 2.702;
- входные и выходные элементы показывают в виде кружков (для круглых штепсельных разъемов) или прямоугольников (например, для сборок и колодок зажимов и др. элементов соответствующей формы).
4.5.1.6 Обозначения (внещитовых приборов), порядковый номер и тип (соединительных коробок) указывают над полкой линии выноски, под полкой - обозначение и/или номер листа установки (рисунок 7)

Для остальных технических средств внутри прямоугольника указывают их наименование, а также:
- номер листа (обозначение документа) чертежа установки (для групповой установки);
- обозначение эскизного чертежа общего вида (для щитов и пультов).
4.5.1.7 Обозначения жил кабелей и проводов на схемах и таблицах соединений и подключения принимают в соответствии с принципиальными электрическими схемами.
4.5.2 Правила выполнения схем соединений внешних проводок.
4.5.2.1 На схеме соединений в общем случае приводят:
- первичные приборы и исполнительные механизмы, установленные непосредственно на технологическом оборудовании и коммуникациях;
- внещитовые приборы и групповые установки приборов;
- щиты, пульты, комплексы технических средств;
- внешние электрические и трубные проводки между всеми техническими средствами автоматизации;
- защитное заземление и зануление систем автоматизации;
- перечень элементов по ГОСТ 2.701.
4.5.2.2 Первичные приборы и исполнительные механизмы изображают в верхней части схемы под таблицей данных, выполняемой по рисунку 8. Ниже располагают внещитовые приборы, щиты и др. технические средства.
|
Наименование параметра |
|
|
Категория трубной |
|
|
Обозначение чертежа |
|
|
Поз. обозначение |
|
4.5.2.3 Технические средства автоматизации, для которых на схеме не приводят подключения электропроводок, изображают:
- приборы - условными графическими обозначениями по ГОСТ 21.404;
- групповые установки, соединительные коробки, щиты и пульты, комплексы технических средств - в виде прямоугольников, в которых указывают их наименование, обозначение и/или номер листа, на котором приведены схемы подключения;
- единичные щиты и пульты - в соответствии с рисунком 9;
- протяжные коробки - в виде прямоугольников, внутри которых штриховыми линиями показывают разветвление жгутов проводов - в соответствии с рисунком 10;
- составные щиты и пульты - в соответствии с рисунком 11.
|
Щит установки XXХХ-ХХ-ATX1.2, |


4.5.2.4 Внешние электрические и трубные проводки выполняют отдельными сплошными основными толстыми линиями. При этом проводки, проложенные в коробках, изображают двумя параллельными тонкими линиями на расстоянии 3-4 мм друг от друга.
Для каждой проводки, над изображающей ее линией, приводят техническую характеристику (тип, марку кабеля, провода, трубы и т. д.) и длину проводки. Допускается длину указывать под линией проводки. Для электропроводок в защитных трубах под линией указывают характеристику и длину защитной трубы.
Контрольным кабелям и защитным трубам, в которых проложены жгуты проводов, присваивают порядковые номера. Порядковые номера коробам присваивают с добавлением буквы К.
Пример - 1К, 2К и т. д.
Трубным проводкам (импульсным, командным, питающим, дренажным, вспомогательным и др.), в т. ч. пневмокабелям, присваивают порядковые номера с добавлением перед ними цифры 0.
Номера проводок указывают в окружностях, помещаемых в разрыве линий.
4.5.2.5 Импульсные трубные проводки высокого давления (свыше 10 МПа) изображают на схемах соединении во фронтальной диметрической проекции с указанием всех элементов проводок.
4.5.2.6 Защитные заземление к зануление систем автоматизации показывают па схемах соединении с применением графических условных обозначений в соответствии с таблицей E.I (приложение Е).
Жилам кабелей и проводов, используемых в качестве пулевых защитных проводников, присваивают шаровое обозначение с добавлением буквы «N».
Пример - 801N.
4.5.2.7 Технические требования к схеме в общем случае должны содержать:
- ссылки на схемы автоматизации, на которых указаны позиционные обозначения приборов;
- пояснения по нумерации кабелей, проводов, труб, коробов (при необходимости);
- указания по защитному заземлению и занулению электроустановок.
4.5.2.8 В перечень элементов, выполняемый по ГОСТ 2.701, включают:
- запорную арматуру;
- соединительные и протяжные коробки;
- кабели, провода, пневмокабели;
- материалы для защитного заземления и зануления оборудования и проводок.
Графу «Поз. обозначение» не заполняют.
4.5.2.9 Для сложных соединений электропроводок в системе автоматизации (например, при преобладании систем управления электроприводами), когда применяют многожильные магистральные кабели, соединение проводок целесообразно показывать по упрощенной схеме, отражающей только структуру проводок. В этом случае все приборы показывают условными обозначениями в соответствии со схемой автоматизации (без таблицы данных), остальные технические средства - в виде прямоугольников.
Линии связи (независимо от количества прокладываемых проводов, кабелей, коробов) показывают одной линией, без указания характеристик и длины проводок, над линией связи указывают номера проводок.
Для такой схемы выполняют таблицу соединении внешних проводок, в которой приводят все остальные сведения, необходимые для монтажа проводок.
Пример выполнения схемы соединения внешних проводок приведен на рисунке 12.

4.5.3 Правила выполнения схем подключения внешних проводок
4.5.3.1 На схеме подключения в общем случае показывают подключения проводок к групповым установкам внещитовых приборов, соединительным коробкам, щитам (включая клеммные), пультам, комплексам, их составным частям. При сложных подключениях к одиночным внещитовым приборам, электроаппаратам и др. Техническим средствам (например, для отдельных типов газоанализаторов н концентратомеров, пускателей, кнопочных постов управления), их также показывают на схеме подключения.
4.5.3.2 На схеме подключения приводят и наносят:
- изображения устройств, к которым подключают проводки (по п. 4.5.1.5);
- подключение к ним жил кабелей, проводов и труб и их обозначения (по п. 4.5.1.7);
- отрезки кабелей, труб в соответствии со схемой соединении. Отрезки кабелей и труб, противоположные подключению, заканчивают фигурной скобкой со ссылкой на обозначение и/или номер листа основного комплекта, на котором приведена схема соединений.
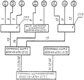
Пример изображения подключения внешних проводок к единичному односекционному щиту приведен на рисунке 13.

4.5.4 Правила выполнения таблиц соединений и подключения внешних проводок.
4.5.4.1 Таблицу соединении выполняют по форме 4. На первом листе таблицы приводят перечень элементов и технические требования.
4.5.4.2 В графах таблицы соединений указывают:
- в графе «Кабель, жгут, труба» - номер электрической или трубной проводки;
- в графе «Направление» - наименование или обозначение технических средств автоматизации, от которых (откуда) и к которым (куда) направлена данная соединительная проводка;
- в графе «Направление по чертежам расположения» - адрес прокладки внешних проводок;
- в графе «Измерительная цепь» ставят «плюс» - только для измерительных цепей;
- в графе «Чертеж установки» - обозначение чертежа установки приборов средств автоматизации, указанных в подзаголовке «Откуда» графы «Направление».

Окончание формы 4

Остальные графы заполняют в соответствии с их наименованиями. При этом в графе «Кабель, провод» не указывают фактическую длину, а в графе «Труба» дополнительно указывают толщину стенок труб, в т. ч. защитных, для пневмокабеля - его марку и количество труб.
4.5.4.3 Таблицу подключения выполняют по форме 5 по разделам, соответствующим наименованиям технических средств (например, щиты, пульты, соединительные коробки). Их наименования записывают в таблицу в виде заголовка и подчеркивают его.
В таблицу записывают вначале электрические проводки, затем (с нового листа) трубные.
В таблице между записями разных устройств рекомендуется оставлять свободные строки.

4.5.4.4 В графах таблицы подключения указывают:
- в графе «Кабель, жгут» - номер кабеля, жгута проводов, провода, пневмокабеля, подключаемого к устройству, указанному в заголовке;
- в графе «Проводник» - обозначения жил кабелей, проводов, пневмокабелей. Если два проводника подключают к одному выводу (зажиму), рядом с обозначением проводника ставят «звездочку»;
- в графе «Вывод» - обозначение вывода и номер зажима (сборки переборочных соединителей и номер соединителя), т. е. место подключения жил кабеля (труб) в данном устройстве.
4.6.1 На чертежах расположения (планах, разрезах, фрагментах, узлах) оборудования и внешних проводок систем автоматизации (далее - чертежи расположения) в общем случае показывают и приводят:
- контуры зданий (сооружений) с расположением технологического оборудования и коммуникаций;
- технические средства автоматизации;
- потоки проводок, одиночные электрические и трубные проводки, несущие и опорные конструкции для их прокладки;
- проходы проводок через стены и перекрытия;
- спецификацию к чертежам расположения по форме 7 ГОСТ 21.101.
4.6.2 На чертежах расположения приводят:
- координационные оси здания (сооружения);
- отметки чистых полов этажей и площадок, на которых устанавливают технические средства автоматизации;
- классы взрыво- и пожароопасных зон, категорию и группу взрывоопасных смесей и границы взрывоопасных зон в помещениях и наружных установках в соответствии с требованиями Правил устройства электроустановок (ПУЭ) - при наличии на объекте взрыво- и пожароопасных зон.
Пример - В-Ia (IT2 винилацетат).
4.6.3 На чертежах расположения допускается не указывать:
- приборы (ртутные термометры, манометры и т. д.), расположенные на технологическом оборудовании и трубопроводах и не имеющие подключаемых к ним линий связи;
- защитные заземление и зануление систем автоматизации.
4.6.4 Расположение технических средств автоматизации и внешних проводок в помещениях контроля и управления, а также в помещениях датчиков рекомендуется выполнять на отдельных листах.
4.6.5 Планы расположения выполняют, как правило, в том же масштабе, что и планы с расположением технологического оборудования и основных трубопроводов.
4.6.6 Наименование и обозначение технологического оборудования указывают внутри его контура или на полке линии-выноски.
4.6.7 Условные графические обозначения приборов, несущих и опорных конструкций для прокладки внешних проводок принимают по таблице Е.2. Рядом с условными графическими обозначениями приборов указывают их позиционные обозначения, принятые по спецификации оборудования (рисунок 14).
![]()
Конструкциям узлов крепления проводок, а также несущим конструкциям для прокладки внешних проводок присваивают позиции по спецификации к чертежу расположения и указывают их на полках линий-выносок; номера кабелей, проводов и труб указывают в прямоугольниках (шрифтом 2,5 мм) под полкой линии-выноски в соответствии с рисунком 15.
|
|
|
4.6.8 Условные графические изображения щитов, пультов, одиночных и групповых установок приборов, внешних проводок, соединительных и протяжных коробок принимают по ГОСТ 21.614.
Номера соединительных и протяжных коробок указывают (по схеме или таблице соединений) на полке линии-выноски.
4.6.9 Технические средства, а также потоки электрических и трубных проводок на чертежах расположения привязывают к координационным осям или конструкциям зданий и сооружений. Для потоков электрических и трубных проводок на разрезах указывают отметку низа или верха прокладки потока.
Одиночные приборы допускается не привязывать.
4.6.10 Нумерацию электрических и трубных проводок указывают в следующих местах потока и случаях:
- у средств автоматизации, щитов и пультов, соединительных и протяжных коробок и т. д. (в начальной и конечной точках);
- у ответвления проводки от потока;
- при изменении количества кабелей, проводов и труб в потоке;
- при переходе в смежное помещение или на другой этаж.
4.6.11 Указания об особенностях прокладки электрических и трубных проводок приводят на полках линий-выносок, как показано на рисунках 16 и 17.
4.6.12 Допускается выполнять чертежи расположения адресным методом, при котором изображают только несущие конструкции без указания номеров прокладываемых проводок. Изображения потоков, коробов, лотков, кабельных конструкций разбивают на участки, которым присваивают порядковые номера.
Номера участков проставляют на линиях-выносках в окружностях и на границе изменения указывают количество кабелей, проводов и труб, проложенных на конструкциях в соответствии с рисунком 18. Номера участков указывают также в таблице соединений в графе «Направление по чертежам расположения».

4.6.14 Технические требования в общем случае должны содержать:
- ссылки на строительные, технологические и др. чертежи, в которых размещены элементы автоматизации, закладные конструкции, тоннели, каналы, проемы, и т. п., с указанием обозначений этих чертежей и организации-разработчика;
- указания о совместной прокладке электрических проводок;
- ссылки на схемы соединений внешних проводок, на основании которых выполнялись чертежи расположения;
- ссылки на строительные нормы и правила, на основании которых необходимо вести монтаж систем автоматизации;
- методы уплотнения проходов (при необходимости).
4.6.15 В спецификацию к чертежу расположения включают:
- несущие и опорные конструкции;
- трубные блоки;
- конструкции проходов проводок через стены и перекрытия зданий и сооружений;
- конструкции узлов установки и крепления для прокладки проводок;
- монтажные изделия и материалы.
Графу спецификации «Масса» не заполняют.
4.7.1 При отсутствии типовых чертежей в составе основного комплекта выполняют чертежи установок приборов, щитов, пультов, крепления электрических н трубных проводок (далее - чертежи установок) как при их отдельном монтаже, так и при их сборке в блоки систем автоматизации (блоки СА).
4.7.2 На чертежах установок в общем случае показывают:
- упрощенное изображение несущей конструкции и расположенные на ней приборы, рамки для надписей (при необходимости);
- подключение к приборам внешних проводок;
- размеры между осями приборов;
- спецификацию по форме 7 ГОСТ 21.101;
- таблицу надписей для рамок по форме 6.

Пример выполнения чертежа установки приведен в приложении Ж.
4.7.3 В спецификацию к чертежу установки включают изделия и материалы в следующей последовательности:
- технические средства автоматизации;
- изделия для установки и крепления (рамы, стопки, кронштейны и т. д.);
- изделия и детали, необходимые для монтажа электрических и трубных проводок (соединительные коробки, соединители и т. д.);
- кабели, провода, трубы.
4.7.4 Чертежи установки приборов и закладных конструкции на технологическом и инженерном оборудовании и коммуникациях выполняют в основных комплектах рабочих чертежей соответствующих марок (ТХ, ОВ, ВК и др.).
5.1 Эскизные чертежи общих видов нетиповых средств автоматизации разрабатывают:
- на детали, конструкции и устройства, применяемые при установке средств автоматизации (далее - эскизные чертежи устройств) при отсутствии типовых чертежей или в случае невозможного применения типовых чертежей опорных конструкций, конструкций крепления к строительным основаниям новых технических средств или при работе приборов в особых условиях (например, агрессивных средах);
- на щиты и пульты (кроме серийно выпускаемых щитов и пультов автоматизации конкретного технологического или инженерного оборудования, например, щитов котлов, компрессоров, приточных вентсистем).
5.2 Эскизные чертежи устройств
5.2.1 Эскизный чертеж определяет конструкцию нетипового устройства и содержит его упрощенное изображение, основные параметры и технические требования к изделию в объеме исходных данных (задания), необходимых для разработки конструкторской документации.
5.2.2 На каждое нетиповое устройство выполняют отдельный эскизный чертеж. Исключение составляет группа устройств, обладающих общими конструктивными признаками, на которые допускается выполнять групповой чертеж.
5.2.3 Эскизному чертежу присваивают самостоятельное обозначение, состоящее из обозначения основного комплекта рабочих чертежей по ГОСТ 21.101, через точку шифра Н и порядкового номера эскизного чертежа.
Пример - 2345-11-АТХ.Н1; 2345-11-АТХ.Н2.
5.3 Эскизные чертежи общих видов щитов и пультов
5.3.1 Эскизные чертежи общих видов щитов, стативов, пультов (далее - чертежи щитов) разрабатывают на единичные и составные щиты.
5.3.2 Чертеж единичного щита в зависимости от функционального назначения щита и его конструктивных особенностей содержит:
- спецификацию;
- вид спереди;
- вид на внутренние плоскости;
- фрагменты видов;
- таблицу надписей по форме 6.
5.3.3 На виде спереди единичного щита показывают приборы, аппараты сигнализации и органы управления, элементы мнемосхем, надписи о назначении приборов.
При вводе проводок в щиты (шкафные, в т. ч. малогабаритные) в верхней части поля чертежа размещают вид на крышку щита, на котором указывают вводы для электрических и трубных проводок.
5.3.4 На чертеже вида на внутренние плоскости щитов боковые стенки, поворотные конструкции, крышки и т. п., находящиеся в разных плоскостях, изображают условно развернутыми в плоскости чертежа.
Над изображением помещают заголовок «Вид на внутренние плоскости (развернуто)».
5.3.5 На изображения плоскостей наносят:
- приборы, электроаппараты и пневмоаппараты;
- изделия для монтажа электрических и трубных проводок;
- элементы крепления внутрищитовой аппаратуры;
- жгуты электрических и трубных проводок.
5.3.6 Чертеж составного щита разрабатывают для сложных многопанельных (многошкафных) щитов. На чертеже приводят спецификацию и вид спереди.
На виде спереди составного щита технические средства автоматизации не показывают.
Вид спереди на составной щит, имеющий в плане сложную конфигурацию, изображают условно развернутым до совмещения в одну плоскость. Над изображением выполняют надпись «Развернуто». На поле чертежа для такого щита помещают схематичное изображение всего щита в плане.
5.3.7 Спецификацию щита выполняют по форме 7 ГОСТ 21.101. При этом графу «Масса» допускается не заполнять.
Спецификация составного щита содержит два раздела:
- сборочные единицы;
- стандартные изделия.
Единичные щиты, имеющие чертежи общих видов, включают в раздел «Сборочные единицы».
Вспомогательные элементы, не имеющие чертежа общего вида, включают в раздел «Стандартные изделия». Спецификация единичного щита, как правило, состоит из разделов:
- документация;
- детали;
- стандартные изделия;
- прочие изделия;
- материалы.
В раздел «Документация» включают таблицы соединений и подключения.
В раздел «Детали» включают нетиповые детали для установки приборов и аппаратуры внутри щитов (угольники, рейки), элементы (символы оборудования и коммуникаций) мнемосхем.
В раздел «Стандартные изделия» включают:
- щитовые конструкции;
- другие стандартные изделия.
В раздел «Прочие изделия» включают все приборы и аппаратуру, монтажные изделия по группам в следующей последовательности:
- приборы;
- электроаппараты;
- трубопроводная арматура;
- изделия для электромонтажа;
- изделия для монтажа трубных проводок;
- изделия для нанесения надписей.
В раздел «Материалы» включают электрические провода, указанные в таблице соединений, и трубы.
6.1 Спецификацию оборудования, изделий и материалов выполняют по ГОСТ 21.110.
В спецификацию оборудования включают все виды технических средств автоматизации, в том числе изделия индивидуального изготовления, которые должны быть смонтированы при выполнении монтажных работ.
6.2 Спецификация оборудования в общем случае состоит из разделов:
- приборы;
- комплексы технических средств;
- щиты и пульты;
- электроаппараты;
- трубопроводная арматура;
- кабели и провода;
- материалы;
- монтажные изделия;
- технические средства автоматизации, поставляемые комплектно с оборудованием.
6.3 Приборы рекомендуется записывать в спецификацию по параметрическим группам.
6.4 В подраздел «Технические средства автоматизации, поставляемые комплектно с оборудованием», включают средства автоматизации, поставляемые комплектно с технологическим или инженерным оборудованием ч устанавливаемые при выполнении монтажных работ.
6.5 Допускается при необходимости выполнять спецификацию щитов и пультов самостоятельным документом.
В этом случае спецификациям присваивают следующие наименования и обозначения:
- спецификация оборудования, изделий и материалов - С1;
- спецификация щитов и пультов - С2.
Подраздел С1 «Щиты и пульты» не выполняют, если все примененные для автоматизации объекта щиты и пульты учтены в С2.
(справочное)
ПЕРЕЧЕНЬ ОСНОВНЫХ КОМПЛЕКТОВ РАБОЧИХ ЧЕРТЕЖЕЙ СИСТЕМ АВТОМАТИЗАЦИИ ТЕХНОЛОГИЧЕСКИХ ПРОЦЕССОВ
|
Наименование основного комплекта |
Марка |
|
Системы автоматизации технологических процессов. (Контроль и регулирование технологических параметров, системы автоматизированного управления технологическим процессом (АСУТП), диспетчеризация технологического процесса, автоматизация узла, установки) |
АТХ |
|
Автоматизация систем пылеудаления |
АПУ |
|
Автоматизация систем отопления и вентиляции |
АОВ |
|
Автоматизация систем водоснабжения и канализации |
АВК |
|
Автоматизация наружных систем водоснабжения (насосные станции, системы оборотного водоснабжения) |
АНВ |
|
Автоматизация наружных систем водоснабжения и канализации |
АНВК |
|
Автоматизация газораспределительных устройств (ГРУ) |
АГСВ |
|
Автоматизация газораспределительных пунктов (ГРП) |
АГСН |
|
Автоматизация устройств теплоснабжения (тепловых пунктов) |
АТС |
|
Автоматизация тепломеханических решений котельных |
АТМ |
|
Автоматизация систем пожаротушения, дымоудаления |
АПТ |
|
Автоматизация холодильной установки |
АХС |
|
Автоматизация компрессорной станции (установки воздухоснабжения) |
АВС |
(справочное)
ПРИМЕР ВЫПОЛНЕНИЯ
СХЕМЫ АВТОМАТИЗАЦИИ
РАЗВЕРНУТЫМ СПОСОБОМ

(справочное)
ПРИМЕР ВЫПОЛНЕНИЯ
СХЕМЫ АВТОМАТИЗАЦИИ
УПРОЩЕННЫМ СПОСОБОМ

|
Номер контура |
2 |
3 |
4, 5, 6 |
7 |
8 |
|
Номер |
2 |
2 |
2 |
2 |
2 |
(справочное)
ПРИМЕР ВЫПОЛНЕНИЯ ПРИНЦИПИАЛЬНОЙ ПНЕВМАТИЧЕСКОЙ СХЕМЫ КОНТУРА УПРАВЛЕНИЯ

(справочное)
ПРИМЕР ВЫПОЛНЕНИЯ
ПРИНЦИПИАЛЬНОЙ СХЕМЫ
ПНЕВМОПИТАНИЯ

|
|
Поз. обозначение |
92в |
92в |
92б |
44в |
|
44б |
44д |
44д |
44г |
|
Характеристика |
Тип
|
ПП11.1 |
ПП11.1 |
КСП-3 |
ПВ3.2 |
|
ДСП |
ПП1.5 |
ПП1.5 |
ПРЗ.31 |
|
пневмоприемника |
Расход сжатого воздуха, м3/ч |
0,36 |
0,36 |
0,5 |
0,42 |
|
0,18 |
0,18 |
0,18 |
0,36 |
|
|
Место установки |
Щит управления |
|
Аппараты по месту |
Щит цеха гидролиза |
|||||
(рекомендуемое)
УСЛОВНЫЕ ГРАФИЧЕСКИЕ ОБОЗНАЧЕНИЯ
Таблица E.1
|
Наименование |
Обозначение |
|
Защитный проводник, присоединяемый к корпусу электрооборудования |
|
|
Жила кабеля или провода, используемая в качестве нулевого защитного проводника и присоединяемая к корпусу электрооборудования |
|
|
Защитный проводник электрооборудования, присоединяемый к броне, оболочке кабеля или защитной трубе |
|
|
Наименование |
Обозначение |
|
|
Приборы и средства автоматизации: |
|
|
|
- отборные устройства, первичные измерительные преобразователи (датчики), встраиваемые в технологическое оборудование и трубопроводы |
|
|
|
- внещитовые приборы, исполнительные механизмы, электроаппаратура и другое оборудование, устанавливаемое вне щитов |
|
|
|
Несущие конструкции (короба, мосты, лотки, трубные блоки и т. п.) на планах |
|
|
|
- на прямолинейных участках |
|
|
|
- на поворотах |
|
|
|
- при разветвлении |
|
|
|
- проводки (поток) уходят на более высокую отметку или приходят с более высокой отметки |
|
|
|
- проводки (поток) уходят на более низкую отметку или приходят с более низкой отметки |
|
|
|
- прополки (поток) пересекают отметку, изображенную на плане, сверху вниз пли снизу вверх и не имеют горизонтальных участков в пределах данного плана |
|
|
|
- проводки (поток) уходят на более высокую или более низкую отметку, охватываемую данным планом |
|
|
|
Несущие и опорные конструкции (коробя, мосты, литии, трубные блоки, кабельные конструкции и т. п.) в разрезах: |
|
|
|
- короба, горизонтальная прокладка по стене |
|
|
|
- мосты, лотки, горизонтальная прокладка по стене |
|
|
|
- трубные блоки, горизонтальная и вертикальная прокладка по стене |
|
|
|
- кабельные конструкции, установка на стене |
|
|
(справочное)
ПРИМЕР ВЫПОЛНЕНИЯ ЧЕРТЕЖА УСТАНОВКИ

Ключевые слова: схема автоматизации, принципиальные электрические и пневматические схемы, таблицы соединений и подключения внешних проводок, технические средства, технические требования, щиты и пульты
|
_________________________________________________________ |