Научно-исследовательский институт организации и управления в строительстве (НИИОУС) Госстроя СССР
Согласовано
с главным инженером треста
Оргтехстрой-II Ю.А. Покровским
и с главным инженером
Первого строительно-монтажного треста В.Н. Лукиным
МЕТОДИЧЕСКИЕ РЕКОМЕНДАЦИИ
ПО КОНТРОЛЮ КАЧЕСТВА МОНТАЖА ПОДКРАНОВЫХ ПУТЕЙ
Москва 1985
Рецензент - Первый строительно-монтажный, трест (Шпаковский А.В.) Научный редактор - к.т.н., доц. Сухов А.Н.
Рекомендации разработаны по заданию треста Оргтехстрой-II и Первого строительно-монтажного треста. На основе обобщения опыта дана методика выполнения контрольных измерений геометрических параметров подкрановых путей на стадии их сооружения и в период эксплуатации.
Рекомендации рассчитаны на специалистов, занятых инструментальным контролем и обеспечением точности монтажа подкрановых путей. Они могут быть использованы также при чтении лекций на курсах повышения квалификации инженерно-технических работников строительно-монтажных организаций.
Безопасность работы и нормальные условия эксплуатации грузоподъемных кранов на рельсовом ходу, долговечность и надежность подкрановых конструкций в значительной, мере зависят от соблюдения проектной геометрии подкрановых путей.
Контроль соблюдения проектных геометрических параметров подкрановых путей как в стадии их сооружения, так и в период эксплуатации выполняется, как правило, геодезическими методами. От геодезических измерений, выполняемых для достижения необходимой точности, зависит качество установки подкрановых путей и достоверность определения фактического положения элементов.
Специалист, выполняющий контроль геометрических параметров путей, должен четко знать требуемую точность измерений, параметры, подлежащие контролю, и их предельные, отклонения от проектных, методы измерения, и приборы, обеспечивающие необходимую точность.
Поскольку в строительстве используется большое количество грузоподъемных, кранов, различающихся по конструкции, назначении и способу перемещения грузов, то при выборе того или иного типа крана следует руководствоваться их характеристиками, приведенными в приложении.
В период строительства подкрановых путей строительная организация (генподрядчик, субподрядчик) должна выполнять разбивку основных осей и вынос отметки подкрановых путей от геодезической основы, созданной заказчиком [5, 7].
При выполнении работ субподрядной организацией генподрядчик, обязан до начала работ передать ей по акту геодезическую разбивку основных осей и отметок, закрепленных в натуре.
В процессе строительства генподрядная или субподрядная организация (каждая в соответствии с выполненными ими работами) должна осуществлять геодезический контроль, который заключается:
в инструментальной проверке фактического положения возводимых конструкций в плане и по высоте;
в исполнительной геодезической съемке фактического положения элементов конструкций, закрепленных постоянно по окончании монтажа;
в составлении и оформлении исполнительной схемы: планово-высотного положения подкранового пути.
Согласно СНиП III-2-75, в обязанности генподрядных организаций входит выборочный контроль выполненных субподрядными организациями работ в части соблюдения геометрических параметров проекта. Субподрядная организация обязана предоставлять генподрядной организации необходимые материалы и сведения по геодезическим работам.
Исполнительная геодезическая съемка геометрических параметров подкрановых путей перед сдачей их в эксплуатацию должна выполняться геодезической службой строительной организации. В процессе эксплуатации подкрановых путей периодические исполнительные съемки обязаны выполнять линейные ИТР, ответственные за безопасную эксплуатацию кранов и других грузоподъемных механизмов, эксплуатирующихся на подкрановых путях.
Линейные ИТР, занятые на исполнительной съемке подкрановых путей, должны пройти соответствующее обучение и сдать экзамены на право выполнения этих работ. Лица, не сдавшие экзамены, не допускаются к эксплуатации подкрановых путей. Знания линейных ИТР в области геодезического контроля подкрановых путей должны проверяться соответствующей комиссией в установленные сроки.
2.1. При сооружении рельсовых путей рекомендуется пользоваться сборными инвентарными секциями с деревянными полушпалами, из деревометаллических звеньев и с железобетонными балками. Их геометрические параметры даны на рис. 1.
Характеристики полушпал и рельсов подкранового пути должны соответствовать допустимому давлению на ходовые колеса крана (см. табл. 1). Для эксплуатации башенных кранов с восемью ходовыми колесами и нагрузкой от колеса на рельс до 30 тс следует использовать инвентарные секции с железобетонными балками.

Рис. 1 Инвентарные секции рельсовых путей: а - с деревянными полушпалами; б- из деревометаллических звеньев; в - с железобетонными балками
Характеристики полушпал и рельсов, применяемых для устройства подкрановых путей, в зависимости от давления на ходовые колеса крана
|
Давление на ходовое колесо, тс |
Полушпалы |
Рельсы |
|||
|
Тип |
Длина, мм |
Расстояние между осями полушпал, мм |
Тип |
ГОСТ |
|
|
Секция (l = 12,5 м ) с деревянными полушпалами |
|||||
|
До 15 |
IIIА,IIIБ |
1375 |
600 |
Р-38 |
3542-47 |
|
От 15 до 20 |
IА, IБ |
1375 |
550 |
Р-43 |
7173-54 |
|
От 20 до 23 |
IА, IБ |
1375 |
550 |
Р-50 |
|
|
От. 23 до 28 |
IА, IБ |
1375 |
550 |
Р-65 |
8161-75 |
|
Секция деревометаллическая |
|||||
|
До 15 |
IIIА, IIIБ |
1375 |
570 |
Р-38 |
3542-47 |
|
От 15 до 21 |
IА, IБ |
1375 |
570 |
Р-43 |
7173-54 |
|
От 21 до 28 |
IА, IБ |
1375 |
570 |
Р-50 |
|
2.2. При контрольных съемках определение геометрических осей рельсов выполняется с учетом геометрических параметров, приведенных в табл.2. Величина кривизны рельса в горизонтальной плоскости не должна быть более 1/500 его длины. Вертикальный, горизонтальный и приведенный износы рельсов не должны превышать величин, указанных в табл.3 (приведенный износ головки рельса равен сумме вертикального и половины горизонтального износа).
Расстояния между осями полушпал должны соответствовать величинам, указанным в табл.1., а предельные, отклонения этих расстоянии должны быть не более +80 мм.
Геометрические параметры рельсов, учитываемые при геодезической съёмке
|
Профиль |
Тип рельса |
Размеры, мм |
Масса 1 м длины (без отверстия), кг |
||
|
А |
Б |
В |
|||
|
|
Р-38 |
68 |
135 |
114 |
38,4 |
|
Р-43 |
70 |
140 |
114 |
44,6 |
|
|
Р-50 |
72 |
152 |
132 |
51,6 |
|
|
Р-65 |
75 |
180 |
150 |
64,64 |
|
Величина предельного износа головки рельса (мм)
|
Вид износа |
Тип рельса |
|||
|
Р-65 |
Р-50 |
Р-43 |
Р-38 |
|
|
Вертикальный |
10 |
9 |
8 |
4 |
|
Горизонтальный |
13 |
11 |
10 |
10 |
|
Приведенный: |
|
|
|
|
|
при приемке |
11 |
9 |
8 |
8 |
|
при эксплуатации |
15 |
12 |
12 |
9 |
2.3. При устройстве наземных подкрановых путей должны соблюдаться геометрические параметры, указанные на рис.2.
Требования к нижнему строению пути (земляное полотно и водосток) в период приемки его в эксплуатацию несколько отличаются от требований, предъявляемых во время эксплуатации.

Рис. 2. Строение наземного подкранового пути:
А - размер колеи, Б - минимальное расстояние от
выступающей части здания, штабелей груза или других предметов, Д - ширина
призмы полотна поверху;
1 - балластная призма, 2 - полушпала, 3 - рельсы, 4 - стена здания, n - откосы
боковых сторон.
Площадка под подкрановый путь в период ее приемки должна иметь односкатный поперечный уклон в сторону водоотвода в пределах от: 0,008 до 0,01 (8-10 мм на 1 м) и продольный уклон не белее 0,003 (3 мм на 1 м).
Водоотвод должен иметь трапецеидальный поперечный профиль глубиной 0,35 м и шириной по дну 0,25 м с откосами 1:1 (для песчаных грунтов 1:1,5). Уклон для водоотводных канав должен быть 0,002-0,003 (2-3 мм на 1 м).
Требования, предъявляемые к верхнему строению пути (балластный слой, опорные элементы, рельсы, рельсовые крепления и др.) сводятся к следующему.
Расстояние от нижнего края балластной призмы подкранового пути до края дна котлована должно быть не менее 1,5 глубины котлована плюс 400 мм для песчаных и супесчаных грунтов и не менее глубины котлована плюс 400 мм для глинистых грунтов.
Откосы боковых сторон балластной призмы должны быть 1:1,5. Рекомендуется устраивать раздельные балластные призмы с шириной поверху 1750 мм. Минимальное расстояние от выступающей части здания до оси ближнего, рельса, как и другие контролируемые параметры, зависят от типа крана (см. табл. 4).
Взаимное смещение торцов стыкуемых рельсов в плане и по высоте, зазоры в стыках рельсов, отклонение рельсового пути от прямолинейности, разность отметок головок рельсов на длине пути 10 м не должны превышать величин, указанных в табл. 5.
Размер колеи должен проверяться на всем протяжении рельсового пути в средней его части и на стыках.
Контролируемые геометрические параметры
|
Тип крана |
Нагрузка от колеса на рельс, тс |
Размер колеи и предельное отклонение, мм |
Разность отметок поперечных, мм |
Минимальный радиус криволинейного участка пути, м |
Мин. расстояние от выступающей части здания до оси рельса, мм |
Ширина земляного полотна, мм |
Глинистый (суглинистый) грунт |
||
|
при укладке |
при эксплуатации |
Расст. между осями полушпал, мм |
Толщина балласта, мм |
||||||
|
1 |
2 |
3 |
4 |
5 |
6 |
7 |
8 |
9 |
10 |
|
МБТК-80 |
12 |
5000±5 |
20 |
50 |
6 |
2000 |
8450 |
600 |
100 |
|
МСТК-90 |
13,5 |
5000±-5 |
20 |
50 |
6 |
2000 |
8450 |
550 |
100 |
|
КБ-60 |
14 |
4000±4 |
16 |
40 |
6 |
1800 |
7250 |
500 |
100 |
|
МСК-5-20 |
16 |
4000±4 |
16 |
40 |
6 |
2300 |
7900 |
500 |
190 |
|
КБк-100.1 |
16,5 |
4500±5 |
18 |
45 |
7 |
1950 |
8100 |
500 |
190 |
|
МБСТК-80/100 |
16,8 |
5000±5 |
20 |
50 |
6 |
2000 |
8600 |
500 |
200 |
|
КБ-100 |
18,8 |
4500±5 |
18 |
45 |
7 |
1950 |
8150 |
500 |
230 |
|
МСК-8/20(МСК-7,5/20) |
19 |
5000±5 |
20 |
50 |
6 |
2300 |
8950 |
500 |
240 |
|
КБ-100.100.0 решетч. |
20 |
4500±5 |
18 |
45 |
7 |
1950 |
8250 |
500 |
250 |
|
КБ-100-0С, КБ-100.1 |
20 |
4500±5 |
18 |
45 |
7 |
1950 |
8250 |
500 |
250 |
|
МСК-3-5-20 |
21 |
4000±4 |
16 |
40 |
25 |
2000 |
7450 |
700 |
100 |
|
МСК-5-20А |
21 |
4000±4 |
16 |
40 |
7 |
2300 |
8000 |
500 |
250 |
|
КБ-100-0М |
21 |
4500±5 |
18 |
45 |
7 |
1950 |
8200 |
500 |
270 |
|
С-464 |
21,6 |
4000±4 |
16 |
40 |
7 |
2200 |
7900 |
500 |
260 |
|
КБ-100.2 |
21,8 |
4500±5 |
18 |
45 |
7 |
1950 |
8200 |
500 |
260 |
|
М3-5-10 |
22,8 |
6000±6 |
24 |
60 |
- |
1300 |
9000 |
500 |
260 |
|
КБ-306 (С-981) |
23,9 |
4500±4 |
18 |
45 |
7 |
2050 |
8150 |
500 |
250 |
|
С-981А |
24 |
4500±4 |
18 |
45 |
8,5 |
2050 |
8250 |
500 |
250 |
|
МСК-10-20 (МСК-7-25) |
24 |
6500±7 |
26 |
65 |
8 |
2000 |
10300 |
500 |
250 |
|
БКСМ-5-5А |
24,2 |
4500±5 |
18 |
45 |
12 |
1300 |
7500 |
500 |
260 |
|
БКСМ-7-9 |
24,8 |
6000±6 |
24 |
60 |
25 |
1300 |
9000 |
500 |
240 |
|
МСК-250 |
25 |
7500±8 |
30 |
60 |
10 |
1450 |
10600 |
500 |
250 |
|
БКСМ-5-9 |
25,6 |
4500±5 |
18 |
45 |
12 |
1300 |
7450 |
500 |
250 |
|
КБ-160.2, КБ-160.4 |
26 |
6000±6 |
24 |
60 |
7 |
1700 |
9450 |
500 |
300 |
|
КБ-404 (КС-250) |
26,2 |
6000±6 |
24 |
60 |
7 |
2000 |
9750 |
500 |
300 |
|
БКСМ-5-10 (Т-223) |
27 |
6000±6 |
24 |
60 |
25 |
1400 |
9150 |
500 |
300 |
|
КБк-160.2 |
26,8 |
6000±6 |
24 |
60 |
7 |
1700 |
9450 |
500 |
300 |
|
БКСМ-7-5 |
27,6 |
4500±5 |
18 |
45 |
12 |
1300 |
7550 |
500 |
300 |
|
КБ-405 |
29,15 |
6000±6 |
24 |
60 |
7 |
1700 |
9700 |
500 |
450 |
Предельные отклонения осей рельсов крановых путей от проектного положения при укладке и в процессе эксплуатации (мм)
|
Контролируемый параметр |
Мостовые краны |
Башенные краны |
Козловые краны |
Портальные краны |
Мостовые перегружатели |
|||||
|
При укладке |
в процессе эксплуатации |
при укладке |
в процессе эксплуатации |
при укладке |
в процессе эксплуатации |
при укладке |
в процессе эксплуатации |
при укладке |
в процессе эксплуатации |
|
|
1 |
2 |
5 |
4 |
5 |
6 |
7 |
8 |
9 |
10 |
11 |
|
Разность отметок головок рельсов в поперечном сечении: |
|
|
|
|
|
|
|
|
|
|
|
на опорах |
15 |
20 |
16-30* |
45-65* |
10 |
15 |
15 |
30 |
20 |
30 |
|
в пролете |
20 |
25 |
- |
- |
- |
- |
- |
- |
- |
- |
|
Разность отметок рельсов на соседних колоннах (по длине рельса) при расстояниях между ними L |
|
|
|
|
|
|
|
|
|
|
|
менее 10 м |
10 |
15 |
- |
- |
- |
- |
- |
- |
- |
- |
|
более 10 м |
1/1000L (но не более 15 мм) |
- |
- |
- |
- |
- |
- |
- |
- |
|
|
Расстояние между осями крановых рельсов |
10 |
15 |
4-8 |
4-8 |
8 |
12 |
5 |
10 |
30 |
40 |
|
Взаимное смещение торцов стыкуемых рельсов: |
|
|
|
|
|
|
|
|
|
|
|
в плане |
2 |
3 |
2 |
2 |
1 |
2 |
1 |
3 |
1 |
2 |
|
по высоте |
2 |
3 |
3 |
3 |
1 |
2 |
2 |
3 |
1 |
2 |
|
Отклонение рельса от прямой линии (для мостовых кранов участке 40 м, для башенных - 10 м, остальных - 30 м) |
15 |
20 |
20-25 |
20-25 |
15 |
20 |
15 |
20 |
15 |
20 |
|
Зазоры в стыках рельсов (при температуре 0°С и длине рельса 12,5 м)* |
4 |
4 |
6 |
6 |
6 |
6 |
б |
6 |
б |
6 |
|
Разность отметок головок рельсов на длине пути 10 м |
- |
- |
30 |
100 |
20 |
30 |
15 |
20 |
20 |
30 |
*При изменении температуры на каждые 100°С допуск изменяется на 1,5 мм
Примечание. В графах 6 и 7 приводятся значения для козловых кранов пролетом до 30 м. Для кранов с большим пролетом предельные отклонения принимаются по нормам для мостовых перегружателей (см. графы 10, 11)
Предельное отклонение от прямолинейности должно быть не более 20 мм на длине 10 м для кранов с жесткой ходовой рамой и не более 25 мм для кранов с балансирными ходовыми тележками.
Горизонтальность головок рельсов на всем протяжении пути проверяют в средней части каждого рельса и в зоне болтового стыка. Продольный уклон пути не должен быть более 0,003 (3 мм на 1 м), а поперечный - не более 0,004 (4 мм на 1 м). Должно предусматриваться одно звено длиной 12,5 м с поперечным и продольным уклонами не более 0,002 (2 мм на 1 м) для стоянки крана в нерабочее время.
2.4. Перед сдачей в эксплуатацию подкранового пути выполняется его исполнительная геодезическая съемка с обязательным составлением, исполнительной схемы горизонтальности рельсов и поперечного профиля пути, включая его нижнее и верхнее строения (рис. 3).
В дальнейшем, при эксплуатации контрольные съемки подкрановых путей выполняются через каждые 20-24 рабочие смены с записью результатов в сменном журнале крана [1]. Съемка выполняется прорабами или мастерами, ответственными за эксплуатацию путей. В эти же сроки проверяются размер колеи, параллельность рельсов в горизонтальной плоскости, величина упругой просадки, которая измеряется при подъеме максимального груза на крюке крана и при угле поворота стрелы в плане относительно оси его пути на 45°, без передвижения крана. Величина упругой просадки рельсовых путей под колесами крана не должна превышать 5 мм.
Проверка горизонтальности подкранового пути должна проводиться не реже одного раза в месяц и через 5-10 дней в период оттаивания грунта, а также каждый раз после ливневых дождей.

Рис. 3. Исполнительная схема планово-высотного положения наземного подкранового пути: стрелками показаны направления смещения оси рельса от проектного положения (отклонения отметок головок рельсов от горизонта показаны в мм) ;проектная отметка горизонта равна 160,000; проектная ширина колеи равна 6000 мм
2.5. В период эксплуатации подкранового пути происходят изменения геометрических размеров верхнего и нижнего его строения, которые не должны превышать следующих величин:
- для поперечного или продольного уклона пути 0,01 (1 см на 1 м);
- для взаимного смещения торцов стыкуемых рельсов в плане 2 мм и по высоте 3 мм;
- для упругой просадки рельсовых путей под колесами крана 5 мм.
Кроме того, проверяют износ головки рельсов, который не должен превышать величин, указанных в табл.3 для различных типов рельсов, а также размер колеи, предельные отклонения которой для различных типов кранов приведены в табл. 4 (гр. 3).
2.6. Геодезические измерения наземного подкранового пути выполняются следующим образом.
Геодезические измерения нижнего строения пути состоят из нивелирования площадки, выполняемого перед устройством земляного полотна, и нивелирования земляного полотна, выполняемого после его возведения. Для этого нивелируемую поверхность разбивают на квадраты со сторонами, равными ширине пути.
Измерения выполняют нивелирами типа Н-3 или другими равноточными инструментами. До начала работ нивелир должен быть проверен и при необходимости исправлен. Отсчеты выполняют по двум сторонам (черной и красной) рейки типа РН-3 при одной установке нивелира или по одной стороне (черной) рейки при двух установках нивелира, с изменением его горизонта.
За исходный пункт принимают репер или другую "твердую" точку, абсолютная отметка которой известна в Балтийской системе высот. Допускается принимать отметку исходной точки в условной системе высот. Схема нивелирования показана на рис.4, а пример записи результатов приведен в табл. 6.
Запись результатов нивелирования земляного полотна
|
Нивелируемая точка |
Отсчеты по рейке |
Отметка |
||
|
назад |
вперед |
превышение |
точки |
|
|
1 |
2 |
3 |
4 |
5 |
|
Рп |
1000 |
|
|
100,000 |
|
I |
|
1700 |
-700 |
99,300 |
|
2 |
|
1710 |
-710 |
99,290 |
|
3 |
|
1725 |
-725 |
99,275 |
|
4 |
|
1740 |
-740 |
99,260 |
|
5 |
|
1758 |
-758 |
99,242 |
|
6 |
|
1770 |
-770 |
99,230 |
|
7 |
|
1784 |
-784 |
99,216 |
|
8 |
|
1799 |
-799 |
99,201 |
|
9 |
|
1814 |
-814 |
99,186 |
|
10 |
|
1862 |
-862 |
99,138 |
|
11 |
|
1846 |
-846 |
99,154 |
|
12 |
|
1828 |
-828 |
99,172 |
|
13 |
|
1813 |
-813 |
99,187 |
|
14 |
|
1803 |
-803 |
99,197 |
|
15 |
|
1781 |
-781 |
99,219 |
|
16 |
|
1765 |
-765 |
99,235 |
|
17 |
|
1758 |
-758 |
99,242 |
|
18 |
|
1745 |
-745 |
99,255 |
|
19 |
|
2125 |
-1125 |
98,875 |
|
20 |
|
2129 |
-1129 |
98,871 |
|
21 |
|
2147 |
-1147 |
98,853 |
|
22 |
|
2166 |
-1166 |
98,834 |
|
23 |
|
2187 |
-1187 |
98,813 |
|
24 |
|
2197 |
-1197 |
98,803 |
|
25 |
|
2221 |
-1221 |
98,779 |
|
26 |
|
2219 |
-1219 |
98,781 |
|
27 |
|
2252 |
-1252 |
98,748 |
|
Рп |
1001 |
|
|
|
На исполнительной схеме нижнего строения пути (рис. 5) показывают размеры земляного полотна, его поперечный и продольный уклоны, величину откосов полотна, размеры и уклоны водоотвода, профиль и размеры земляного полотна на криволинейных участках. Кроме того, составляется схема поперечного разреза земляного полотна (рис. 6).
Геодезические измерения верхнего строения пути включают исполнительную геодезическую съемку планово-высотного положения пути, выполняемую по полной и сокращенной схеме, или только съемку высотного положения.

Рис. 4. Схема нивелирования полотна (в условной системе высот):
□ - марка (Н = 100,000 м)
Ä - место установки нивелира

Рис. 5. Исполнительная схема земляного полотна

Рис. 6. Схема поперечного разреза земляного полотна
Исполнительная съемка по полной схеме выполняется перед сдачей подкранового пути в эксплуатацию. При этом в процессе съемки определяют следующие параметры:
1) расстояние от выступающих частей строящегося или существующего: здания или сооружения до оси ближайшего к зданию или сооружению рельса (при этом учитывается проектное положение выступающих частей возводимого здания, сооружения);
2) расстояние от края балластной призмы (нижнего) до края дна котлована;
3) поперечное: сечение, одной-двух шпал или полушпал, их длину и расстояние между ними (их осями), а также расстояние между металлическими стяжками;
4) тип рельса, вертикальный, горизонтальный и приведенный износ головок рельса;
5) расстояние между рельсовыми стыками и зазоры в стыках;
6) размер колеи через каждые 6,25 м на всем протяжении подкранового пути;
7) прямолинейность рельсов подкранового пути;
8) отметки головок рельсов подкранового пути через каждые 6,25 м;
9) величину упругой просадки головки рельсов.
Съемка пути по сокращенной схеме выполняется через каждые 20-24 рабочие, смены крана. В этом случае определяются геометрические параметры 6-8 (см. перечень выше) с записью результатов в сменном журнале крана. Особенное внимание следует обратить на состояние звена для стоянки башенного крана в нерабочее время.
Нивелирование подкранового пути (съемка только высотного положения) выполняется не реже одного раза в месяц, а в период оттаивания грунта - через 5-10 дней и каждый раз после ливневых дождей.
Измерения геометрических параметров 1-5 не вызывает затруднений. Несколько сложнее обстоит дело с измерением параметров 6-9. Для измерения размера колеи и прямолинейности рельсов применяют теодолит типа 2Т5 или 2Т2, а также другие теодолиты с точностью отсчета не менее 5''. Для этого на расстоянии β = 0,5÷1,0 м от оси рельса на одном конце пути забивают штырь в точке α (рис.7) и центрируют над ним теодолит. Наводят визирную ось трубы теодолита на штырь в точке α', установленный на таком же расстоянии от оси рельса на другом конце пути. Затем прикладывают рейку последовательно в точках 1,2…,n (см. рис.7,)перпендикулярно оси рельса в горизонтальной плоскости и берут по ней отсчеты γ1, γ2,…, γn. Отсчеты берут по вертикальной нити зрительной трубы теодолита с точностью до 1 мм. Далее, от данного направления теодолитом откладывают угол 90° (поочередно в точках α и α') и на расстоянии примерно 0,5-1 м от оси второго рельса забивают штыри в точках б и б'. При этом расстояния d между точками a, б и а', б', должны быть равны с точностью до 1 мм. Затем центрируют теодолит над точкой б и выполняют измерения в той последовательности, что и на точке а.
На исполнительной схеме показывают стрелками направление отклонений рельсов от прямой линии у стыков и посредине, а над стрелками отмечают его величину ∆(в мм). Если при отсчете по рейке получена величина γ меньше, расстояния β(0,5 м), то направление смещения рельса показывают внутрь пути со знаком минус, а если γ больше β, то смещение рельса показывают в противоположную сторону со знаком плюс.

Рис. 7. Схема измерения прямолинейности рельсов и ширины колеи.
Величина смещения вычисляется как разность между отсчетами по рейке и расстоянием от оси рельса до теодолита, т.е. ∆n = γn-βn- Например, в нашем случае для точки 2 будем иметь ∆2 = 495-500 = -5 мм, а для точки 3 ∆3 = 520-500 = +20 мм.
Измеренную ширину колеи Dn между двумя смещенными точками вычисляют как сумму двух измеренных по рейке расстояний γ1 и γn+1 и постоянного расстояния d между направлениями a-a' и б-б':
D1=d+γ1+γn+1
D2=d+γ2+γn+2
………………………
Dn=d+γn+γn+n
где n - порядковый номер точки.
С учетом полученных результатов измерения будем иметь:
D1 = 5000+495+500 = 5995 мм;
D2 = 5000+515+495 = 6010 мм и т.д.
Контроль вычислений можно выполнить по формуле
Dn=Шk+∆n+∆n+n
где Шk - проектная ширина колеи.
При замере зазоров в стыках рельсов следует учитывать температуру рельсов. Все размеры должны быть приведены к температуре 0°С. На каждые ±10° отклонения температуры рельсов от 0°С следует вводить поправку в результаты измерений, равную ±1,5 мм. Исправленный натурный замер зазора (С) определяется по формуле:
С = q+0,15·t°C,
где q - действительный размер зазора, полученный в процессе измерения; t'- температура рельса в градусах по Цельсию в момент измерений.
Например, если измерения выполнялись при температуре +10°С и зазор в стыке рельсов в плане оказался равным 1 мм, то при 0°С стык будет иметь зазор 2,5 мм, т.е. С = 1+0,15·10 = 2,5 мм. Если измерения выполнялись при температуре -10°С и зазор в стыке рельсов в плане оказался 5 мм, то на схеме нужно указать величину зазора 3,5 мм, т.е. C = 5+0,15·(-10) = 3,5 мм.
Отметки головок рельсов, определяемые через 6,25 м (в стыках и посредине при длине рельсов 12,5 м), измеряют аналогично нивелированию нижнего строения пути.
На исполнительной схеме подкранового пути, сдаваемого в эксплуатацию, необходимо показать устройство заземления. Эту работу должен выполнять специалист электротехнической службы.
3.1. Надземный рельсовый подкрановый путь выполняется по проектным чертежам, на которых указываются предельные отклонения от проектных геометрических параметров элементов пути.
В зависимости от грузоподъемности кранов следует использовать рельсы различных типов (см. табл.7).
Смещение продольной оси подкрановой балки на опорной поверхности (площадке) колонны от проектного положения не должно превышать ±8 мм, а отклонение отметок верхних полок подкрановых балок на двух соседних колоннах вдоль ряда и на двух колоннах в одном поперечном разрезе пролета от проектных не должно превышать ±16 мм (СНиП III-16-80).
При монтаже крановых путей для кранов грузоподъемностью до 20 т могут использоваться железнодорожные: рельсы, для кранов большей грузоподъемности используются специальные крановые рельсы, характеристики которых даны в табл. 8.
Основные характеристики мостовых кранов, типы рельсов, рекомендуемых для них
|
Грузоподъемность, т |
Пролёт крана, м |
Крановый габарит здания, мм |
Габарит крана от оси головки рельса, мм |
Тип рельса |
|
|
вверх |
наружу |
||||
|
10 |
На 1,5 м менее пролета здания |
2250 |
1900 |
260 |
КР-70 |
|
20/5 |
2650 |
2400 |
260 |
-“- |
|
|
30/5 |
2950 |
2750 |
300 |
-“- |
|
|
50/10 |
3350 |
3150 |
300 |
КР-80 |
|
|
80/20 |
На 2 м менее пролета здания |
4000 |
3700 |
400 |
КР-100 |
|
100/20 |
При пролёте 30-36 м |
|
|
||
|
4400 |
4000 |
400 |
|
||
|
200/32 |
На 2.5м менее пролета здания |
5200 |
4800 |
500 |
КР-120 |
|
250/32 |
При пролете 36 м: |
|
|
||
|
320/32 |
5600 |
5200 |
500 |
|
|
|
6300 |
5900 |
500 |
|
||
|
350/75+10 |
На 3 м менее пролета здания |
6400 |
6100 |
500 |
КР-140 |
|
При пролете 36 м: |
|
|
|||
|
6800 |
6500 |
500 |
|
||
|
500/125+10 |
7400 |
7100 |
650 |
КР-140 |
|
|
При пролете 36 м: |
|
|
|||
|
7800 |
7500 |
650 |
|
||
Крепление железнодорожных рельсов типа Р-38 и Р-43 следует выполнять на крюках (рис. 8), а крановых рельсов типа КР-50 ÷ КР-140 на планках (рис. 9 и 10). При установке рельса на железобетонную балку прокладывается упругая прорезиненная лента толщиной 8-10 мм. Смещение оси подкранового рельса от оси подкрановой балки не должно превышать 20 мм для железобетонных балок и 15 мм для металлических балок.
После окончания монтажа крана, согласно СНиП III-Г.10.1.69 (п. 3.5), должны быть выполнены геодезическая проверка геометрии подкрановых путей, соответствующие исполнительные: чертежи, которые прилагаются к акту приемки пути.
Характеристики крановых рельсов
|
Тип крановых рельсов |
Основные размеры рельсов, мм |
Обозначение размеров |
||
|
а |
в = б |
g |
|
|
|
КР-50 |
50 |
90 |
20 |
|
|
КР-60 |
60 |
105 |
24 |
|
|
КР-70 |
70 |
120 |
28 |
|
|
КР-80 |
80 |
130 |
32 |
|
|
КР-100 |
100 |
150 |
38 |
|
|
КР-120 |
120 |
170 |
44 |
|
|
КР-140 |
140 |
190 |
50 |
|
Примечание: Цифра в марке рельса означает ширину его головки (в мм)

Рис. 8. Крепление крановых рельсов на крюках:
1 - крюки, 2 - крановый рельс, 3 - металлическая подкрановая балка, 4 - пружинная шайба, 5 - гайка

Рис. 9. Крепление крановых рельсов на планках:
1 - болт, 2 - шайба, 3 - планка, 4 - пружинная шайба, 5 - гайка, 6 - подкрановый рельс, 7 - металлическая подкрановая балка

Рис. 10. Крепление крановых рельсов к железобетонным балкам на планках:
1 - упругая прорезиненная лента, 2 - рельс, 3 - болт, 4 - шпилька, 5 - гайка, 6 - шайба (пластина), 7 - упругая прорезиненная прокладка, 8 - лапка, 9 - металлическая трубка, 10 - подкрановая балка, 11 - колонна
3.2. Согласно действующим нормативным документам, при приемке крана в эксплуатацию должны контролироваться геометрические параметры, приведенные в табл. 5.
При монтаже подкрановых балок контролируют совмещение геометрических осей их низа с осевыми ориентирными рисками, размеченными на консолях колонн. Подкрановую балку устанавливают в проектное положение путем откладывания проектного расстояния от выноски, смещенной параллельно разбивочной оси, до продольной геометрической оси верха подкрановой балки (см.рис.11). Иногда при установке подкрановой балки в проектное положение приходится смещать геометрическую ось, низа балки с геометрической оси консоли из-за погрешностей монтажа. Такое смещение должно быть не более 8 мм. В случае больших отклонений необходимо согласование с авторским надзором, которое выполняется при составлении акта приемки смонтированных конструкций.
Установку верха балок по высоте контролируют отмером расстояния до верха балки от отметки, вынесенной на внутреннюю грань верхней части колонны. Величина отклонения от проекта высотного положения верха полки подкрановой балки определяется как разность значений определенной в натуре и проектной ее отметок.
Перед монтажом подкрановых балок должна быть выполнена съемка высотного положения консолей колонн. Если полученные, отклонения превышают допустимые значения, то должно быть получено конструктивное, решение авторского надзора по обеспечению горизонтальности верха монтируемых подкрановых балок. Выравнивание верха консолей обычно; выполняют металлическими прокладками и столиками.
3.3. При установке подкрановых балок в проектное планово-высотное положение необходимо обеспечить соблюдение следующих условий:

Рис. 11. Схема контрольных замеров и ориентирных рисок:
1 - параллельная выноска от разбивочной оси колонн, 2 - проектный размер от выноски до геометрической оси подкрановой балки, 3 - высотная отметка, 4 - расстояние от отметки до верха балки, 5 - геометрическая ось балки, 6 - подкрановая балка, 7 - колонна, 8 - ориентирная риска, отмечающая положение проектной оси подкранового рельса
- расстояние от продольной оси колонн до оси катков крана должно быть 750 мм для кранов грузоподъемностью до 50 т и 1000 мм для кранов большей грузоподъемности;
- расстояние от внутренней грани верхней части колонны до выступающих частей торца мостового крана должно быть не менее 75 мм для кранов грузоподъемностью 75 т и выше и не менее 60 мм для кранов грузоподъемностью до 50 т. Указанное расстояние измеряется при таком положении крана, когда средние осевые плоскости подкранового рельса и колес с соответствующей стороны крана совпадают. При других положениях крана это расстояние может быть меньше, но в этом случае должна быть обеспечена проходимость установленного крана с зазором не менее 25 мм;
- допускаемое приближение верха крана к низу вышележащей строительной конструкции должно быть не менее 100 мм для кранов легкого, среднего и тяжелого, режимов работы и 250 мм для кранов весьма тяжелого режима работы.
3.4. Последовательность геодезических работ, при монтаже надземного подкранового пути следующая.
При установке подкрановых рельсов в проектное положение ориентируются на выноски, параллельные разбивочным осям (см. рис.11),закрепленные на боковых гранях колонн на подкрановых балках, а для установки рельсов по высоте - на вынесенные на внутренних гранях колонн отметки проектного положения головок рельсов подкранового, пути. Допускается контроль положения монтируемых рельсов в плане выполнять по нитяному отвесу, перемещаемому по струне, закрепленной на кронштейнах над проектной осью рельсов.
После окончания монтажа рельсов и их закрепления в проектном положении выполняют исполнительную съемку их планово-высотного положения.
Съемку подкрановых балок выполняют от разбивочных осей, закрепленных, как правило, открасками на плоскостях колонн, способом бокового: нивелирования.
Для этого теодолит устанавливают на некотором удалении от оси колонн в точке 1 (рис. 12). На другом конце здания устанавливают горизонтальную рейку, совмещая ее ноль с риской, определяющей разбивочную ось, и ориентируют зрительную трубу теодолита наведением на отсчет по рейке, равный величине удаления теодолита от разбивочной оси. Затем рейку устанавливают на концах каждой балки, совмещая ее ноль с геометрической осью верхней части балки, и по вертикальной нити сетки зрительной трубы теодолита берут отсчеты по рейке. Отсчеты записывают на соответствующую схему. Аналогичные измерения выполняют при установке теодолита во второй точке. Для контроля измеряют расстояние между точками установки теодолита. Сложенное с расстоянием от оси колонн до точек установки теодолита, оно должно дать величину пролета здания.
Высотное положение подкрановых балок определяют геометрическим нивелированием. Для этого устанавливают нивелир на одной из подкрановых балок, расположенной ближе к середине цеха. Устанавливая нивелирную рейку поочередно на оба конца каждой балки, берут отсчеты, которые записывают в журнал геодезических измерений.
Аналогичные работы выполняют и при съемке рельсов подкранового пути.
По материалам измерений составляют исполнительную схему (рис.13). При съемке надземных подкрановых путей допускается установка нивелира не на балке, а на уровне пола. При этом для нивелирования применяется специальная Т-образная нивелирная рейка. Установка нивелира на уровне пола позволяет выполнять измерения в более безопасных условиях, чем при установке его на подкрановых путях.

Рис. 12. Схема замеров при плановой исполнительной съемке подкрановых балок:
1 - места установки теодолита, 2 - откраска разбивочной оси на колоннах, 3 - колонна, 4 - балка, 5 - геометрическая ось балки, 6 - отсчет по рейке, 7 - створная линия, 8 - рейка, 9 - отсчет по рейке, 10-замер от оси колонны до базового створа

Рис. 13. Исполнительная схема надземного подкранового пути: стрелками показаны направления смещения оси рельса от прямой (расстояния и отметки даны в мм); отклонения головки рельса от горизонтали даны относительно проектной отметки 150, 300 м; на разрезе показаны минимальные размеры
Изготовление, монтаж и приемка подвесных путей производятся в соответствии с требованиями СНиП III-18-75 и Правилами устройства и безопасной эксплуатации грузоподъемных кранов. Предельные отклонения размеров подвесных крановых путей при их монтаже и эксплуатации указаны в табл. 9.
Таблица 9
Предельные отклонения размеров подвесных путей от проектных параметров
|
Контролируемый параметр |
Тали ручные и электрические |
Двух- и многоподвесные краны |
Двух- и многоопорные подвесные краны со стыковочными замками |
|||
|
при монтаже |
при эксплуатации |
при монтаже |
при эксплуатации |
при монтаже |
При эксплуатации |
|
|
Уклон нижнего ездового пояса на смежных опорах вдоль пути |
1/1500 |
1/1000 |
1/1500 |
1/1000 |
1/1500 |
1/1000 |
|
Разность отметок нижних ездовых поясов соседних балок в поперечном сечении (мм): |
|
|
|
|
|
|
|
на опорах |
- |
- |
6 |
10 |
2 |
3 |
|
в пролете |
- |
- |
10 |
15 |
2 |
3 |
|
Смещение балки с продольной разбивочной оси(мм) |
- |
- |
3 |
4 |
3 |
4 |
При изготовлении элементов крепления путей предусматривается их возможная выверка по высоте в пределах 30 мм путем соответствующего набора прокладок (см. рис.14)и в плане в пределах 40 мм путем перемещения относительно болтов подвесного столика (для возможности такого перемещения в столике делают овальные отверстия). Исходя из указанных величин возможной выверки рельсов подвесных путей при предварительной установке их в проектное положение погрешность не должна превышать ±15 мм по высоте и ±20 мм в плане

Рис. 14. Крепление подвесных крановых путей и монорельсов: а - на подвесном столике, б - на прижимных лапках;
1 - элемент фермы, 2 - закладная деталь, 3 - болт, 4 - гайка, 5 - прокладки для выверки, 6 - подвесной столик с овальными отверстиями шириной d + 40 мм (где d - диаметр болта), 7 - рельс, 8 - прижимные лапки
Перед предварительной установкой крановых путей необходимо выполнить, исполнительную съемку высотного положения нижнего пояса ферм и ригелей по всей длине пути в местах крепления рельсов. Если отклонения превышают указанные величины, следует предусмотреть индивидуальное конструктивное решение на крепление путей к конструкции здания, согласованное с авторским надзором.
Так как условия работы на высоте при монтаже подвесных крановых путей затрудняют использование нивелиров и теодолитов, то для контроля прямолинейности пути допускается использование натянутой проволоки или капроновой лески, а для проверки горизонтальности различных уровней.
Исполнительную съемку смонтированных путей выполняют геодезическими методами, используя для этого теодолиты, нивелиры и другие приборы.
Перед исполнительной съемкой необходимо проверить неподвижность крепления рельсов. Для этого осуществляют пробные прогоны крана вдоль пути. Если при пробном прогоне кран не проходит вдоль всего, пути (причиной чего может являться не только нарушение проектной геометрии пути, но и отклонение размеров между ездовыми роликами тележки, которые обжимают нижний пояс балки), то необходимо проверить размеры между роликами. В случае необходимости они регулируются прокладками в местах креплений к тележке.
Для съемки планового положения рельсов теодолит, устанавливают на полу здания на удалении 30-50 см от оси рельса. Съемку выполняют способом бокового нивелирования (см.рис.15). При этом применяют рейку особой конструкции или с помощью автомобильного подъемника поднимают рабочего-замерщика с нивелирной рейкой на уровень путей (рис.16).
Высотное положение подвесных путей определяют с помощью нивелира и специально оборудованной рейки с отвесом. Для этого нивелирную рейку наращивают деревянным брусом, а вертикальность ее установки контролируют по отвесу.
Исполнительная схема подвесных путей приведена на рис.17. Для съемки подвесных путей можно применять и специально изготовленные приспособления в сочетании с лазерными приборами.
При установке и эксплуатации подъемников следует руководствоваться требованиями, изложенными в их технических паспортах.
Так, для подъемников ПГС 800-50/80 допускаются отклонения направляющих швеллеров секций мачты от вертикали не более 20 мм по всей высоте мачты.
Отклонение мачты подъемника МГП-1000 от вертикали не должно превышать более 0,001 ее высоты.
Отклонение поверхности фундамента под опорную часть подъемника от горизонта не должно превышать 0,001 его длины или ширины. Проверку геометрических размеров выполняют путем соответствующих измерений один раз в месяц или через 200 часов работы подъемника.
Кроме этого контролируют положение анкеров, установленных на здании и в основании подъемника и служащих для его крепления, проверяют также расстояние от центра подъемника до стены здания, которое назначают 2,66 м или 3,15 м, в зависимости от требований проекта.

Рис. 15. Схема геодезической съемки подвесных крановых путей с применением специальной рейки:
1 - теодолит, 2 - рейка, 3 рельс

Рис. 16. Схема геодезической съемки планового положения подвесных крановых путей с применением автомобильного подъемника:
1 - теодолит, 2 - рейка, 3 - рабочий, 4 - рельс

Рис. 17. Исполнительная схема положения подвесного кранового пути:
стрелками обозначают направление смещения (в мм) рельса от проектного положения; цифры у стрелок показывают величину смещения (в мм); у выносных линий показывают отклонения отметок
Перед установкой подъемника обычно производят исполнительную съемку его основания и по ее результатам составляют исполнительную схему (рис. 18). На исполнительной схеме показывают привязку граней основания подъемника к осям здания и к ближайшей к подъемнику стене, а также отклонение от проекта отметок углов и центра основания площадки. Кроме того, показывают привязку по высоте площадки подъемника к нулевому горизонту здания, абсолютная отметка которого также должна быть указана на схеме.
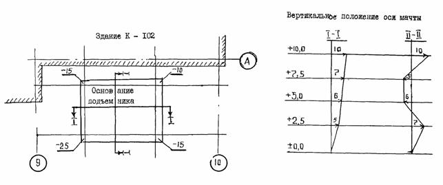
После установки подъемника и при последующих проверках его положения выполняют исполнительную съемку, т.е. определяют вертикальность его мачты в двух взаимно перпендикулярных направлениях и отклонение от горизонта основания подъемника рис.19.
Исполнительная съемка основания подъемника не вызывает особых затруднений. Устанавливают теодолит на удаление до одного метра от стены и ориентируют коллимационную плоскость зрительной трубы вдоль линии, параллельной оси здания (например, оси А; см. рис. 18).
Приставляя нивелирную рейку к стене, определяют взятием отсчета расстояние от створа до стены. Так же определяют расстояние до ближайших граней основания подъемника. Далее, повернув зрительную трубу на 90°, с помощью рулетки определяют расстояние от ее коллимационной плоскости до ближайших граней основания подъемника и осей здания (на рис. 18 оси 9 и 10).
Потом рулеткой замеряют габаритные размеры основания. Высотные отметки основания в точках опирания подъемника определяют геометрическим нивелированием. При этом рекомендуется определить фактическую отметку перекрытия первого этажа здания и сравнить ее с проектным значением.

Рис. 18. Исполнительная схема основания подъемника. Отклонения верха основания подъемника от горизонта, абсолютная отметка которого равна 145,500, а в системе высот здания +1,000 (размеры и отметки приведены в мм)

Рис. 19. Исполнительная схема вертикальности мачты подъемника и высотного положения его основания (показаны в мм условные отметки от горизонта, абсолютная отметка которого равна 145,50, а в системе высот здания +1,000)
Башенный кран - стреловой поворотный, грузоподъемный механизм, перемещающийся по наземному подкрановому пути. Основные параметры:
грузоподъемность от 0,5 до 75 т
вылет стрелы до 40 м
высота подъема до 80 м
скорость передвижения до 40 м/мин
ширина колеи от 2,5 до 10 м
Мостовой кран - грузоподъемный механизм, содержащий раму с ходовыми колесами. По раме перемещается грузовая тележка. Ходовые колеса крана перемещаются по надземному подкрановому пути, установленному на подкрановых балках, которые опираются на консоли колонн или отдельные подкрановые стойки. Основные параметры крана:
грузоподъемность от 1 до 500 т
длина пролета от 4 до 42 м
скорость передвижения до 120 м/мин
Козловой кран - грузоподъемный механизм, у которого горизонтальное пролетное строение опирается на опоры, перемещающиеся по
наземным рельсовым путям. Основные параметры:
грузоподъемность от 1 до 500 т
длина пролета от 4 до 32 м
скорость передвижения 20-50 м/мин
В последнее время на строительстве высотных здании стали применять пристенные башенные краны, рама которых устанавливается неподвижно на специальный фундамент, и крепится к последнему анкерными болтами. С увеличением высоты возводимого, здания рама-башня крана наращивается. Она крепится специальными кронштейнами к колоннам каркаса здания. Это обстоятельство требует точной разбивки положения крана с обязательной привязкой к осям и отметкам возводимого здания. Тщательный геодезический контроль должен выполняться и при возведении фундамента башни крана, и при установке анкерных болтов. В противном случае могут возникнуть трудности при креплении рамы крана к конструкциям возводимого здания.
Кроме указанных, существуют и другие типы кранов, но все они обычно имеют наземные или надземные подкрановые пути, методика геодезического контроля геометрических параметров которых имеет некоторое различие.
1. Ганьшин В.Н., Репалов И.М. Геодезические работы при строительстве и эксплуатации подкрановых путей. М.: Недра, 1980.
2. Донских И.Е. Створный метод измерения смещений сооружений. М.: Недра, 1974.
3. Инструкция по устройству, эксплуатации и перебазированию рельсовых путей строительных башенных кранов. СН 78-79. М.: Стройиздат, 1980.
4. Положение о взаимоотношениях организаций генеральных подрядчиков с субподрядными организациями./Госстрой СССР и Госплан СССР. М., 1970.
5. Правила устройства и безопасной эксплуатации грузоподъемных кранов. М.: Металлургия, 1981.
6. СНиП III-2-75. Геодезические работы в строительстве. М.: Стройиздат, 1976.
7. СНиП III-Г.10.1-69. Подъемно-транспортное оборудование. Правила производства и приемки работ. М.: Стройиздат, 1970.
8. Кружицкий И.П., Спельман Е.П. Справочник по строительным, машинам и оборудованию. М.: Воениздат, 1980.
|
_________________________________________________________ |