ОЦЕНКА ВЛИЯНИЯ НА ПОЖАРНУЮ ОПАСНОСТЬ ТРАНСПОРТНЫХ ЭСТАКАД РАСПОЛОЖЕННЫХ ВБЛИЗИ НИХ АВТОЗАПРАВОЧНЫХ СТАНЦИЙ
Ю.Н. Шебеко, зам. нач. НИЦ ПП и ПЧСП, нач. отд., д-р техн. наук, проф., Д.М. Гордиенко, зам. нач. отд., нач. сектора, канд. техн. наук, В.Л. Малкин, ведущий науч. сотр., канд. техн. наук, Д.С. Кириллов, науч. сотр., И.М. Смолин, ведущий науч. сотр., канд. техн. наук, В.А. Колосов, ведущий науч. сотр., канд. техн. наук, Е.В. Смирнов, ст. науч. сотр. (ФГУ ВНИИПО МЧС России)
Рассмотрены вопросы обеспечения пожарной безопасности транспортных эстакад. Проанализировано, какое влияние оказывают расположенные вблизи этих эстакад автозаправочные станции (АЗС) на их пожарную опасность. Приведены характерные аварийные ситуации с пожарами на АЗС и рассчитаны размеры участков эстакад, пораженных опасными факторами пожара. Определены участки, имеющие высокий уровень пожарной опасности и представляющие угрозу для людей, находящихся на них, отмечена необходимость разработки дополнительных противопожарных мероприятий для таких участков эстакад.
Резкое увеличение парка автомобилей и, как следствие, ухудшение экологической обстановки, связанное, в частности, с уменьшением пропускной способности автомобильных дорог, обусловливают возрастание потребности в расширении, реконструкции и строительстве новых автотранспортных структур. К сложным транспортным узлам относятся пересечения шоссе, проспектов и улиц. В целях повышения пропускной способности на этих участках необходимо провести реконструкцию существующих и организовать дополнительные съезды-выезды, для устройства которых целесообразно использовать эстакады.
Проектирование эстакад происходит в реальных условиях, когда уже построены и эксплуатируются развязки автомобильных дорог, имеющие соответствующую инфраструктуру, в том числе автозаправочные станции (АЗС). В связи с этим эстакады проектируются с отступлениями от требований норм [1] в части минимально допустимых расстояний между АЗС и указанными эстакадами.
Для разработки мероприятий, направленных на обеспечение требуемого уровня пожарной безопасности эстакад, необходимо оценить влияние на их пожарную опасность расположенных вблизи них АЗС. Указанная оценка основывается на результатах расчета размеров зон поражения опасными факторами пожара на АЗС при различных сценариях его развития.
Особенностью такой оценки является то, что эстакады и действующие АЗС расположены на разных уровнях по высоте. В этом случае необходимо использовать методики расчета опасных факторов пожара, позволяющие учесть характерные для данного взаиморасположения сценарии развития пожара, в частности, при определенных условиях (длина пламени пожара, скорость ветра) пролетные строения эстакад могут подвергаться непосредственному воздействию открытого пламени.
В настоящей работе объектами для исследования являются:
- автозаправочные станции жидкого моторного топлива (АЗС-А и АЗС-Б);
- участки пролетного строения эстакад № 1 и 2.
В состав указанных АЗС входит комплекс зданий и сооружений, предназначенных для приема, хранения и выдачи жидкого моторного топлива, обеспечения пожарной и экологической безопасности, а также сервисного обслуживания водителей и пассажиров.
На рис. 1 показана схема расположения рассматриваемых АЗС и проектируемых участков эстакад. На схеме приведены расстояния от участков эстакад № 1 и 2 до зданий и сооружений, входящих в состав АЗС-А и АЗС-Б.
АЗС-А предназначена для заправки транспортных средств бензином А-95, А-92, А-80, а также дизельным топливом. Выдача бензина осуществляется на топливораздаточных колонках (ТРК) № 1-4 дизельного топлива - на ТРК № 5.
АЗС-Б осуществляет заправку транспортных средств также бензином А-95, А-92, А-80 и дизельным топливом. Выдача бензина и дизельного топлива осуществляется на каждой из ТРК АЗС-Б (ТРК №1-4).

Рис. 1. Схема расположения АЗС и эстакад:
1 - участок эстакады № 1; 2 - участок эстакады № 2;
а - АЗС-А: 3 - аварийный резервуар; 4 - резервуары хранения топлива; 5 - операторная; б - площадка АЦ; 7 - ТРК № 5 (дизельное топливо); 8 - ТРК № 4 (бензин); 9 - ТРК № 3 (бензин); 10 - ТРК № 2 (бензин); 11 - ТРК № 1 (бензин);
б - АЗС-Б: 12 - площадка АЦ; 13 - ТРК№ 3 (бензин и дизельное топливо); 14 - ТРК №4 (бензин и дизельное топливо); 15 - ТРК № 1 (бензин и дизельное топливо); 16 - ТРК № 2 (бензин и дизельное топливо); 17 - аварийный резервуар; 18 - резервуары хранения топлива; 19 - операторная
Для доставки и слива топлива в емкости АЗС применяют полуприцепы-цистерны (АЦ) с номинальной вместимостью резервуара от 10 до 20 т.
Участки эстакад № 1 и 2 запроектированы в виде пролетного строения на монолитных железобетонных опорах круглого сечения. Пролетные строения выполнены из монолитной железобетонной плиты переменной толщины (от 0,3 до 2 м). Эстакады № 1 и 2 не имеют пешеходных дорожек.
При проектировании эстакад № 1 и 2 допущены следующие отступления от норм [1] в части минимально допустимых расстояний.
♦ Не соответствуют нормативным требованиям (минимально допустимое расстояние в соответствии с [1] - 12 м) расстояния от проекции участка проектируемой эстакады № 1 до следующего оборудования АЗС-А:
- до ТРК-3 и ТРК-4, выдающих бензины различных марок, - 7,7 м;
- ТРК-5, выдающей дизельное топливо, - 7,5 м.
♦ Не соответствуют нормативным требованиям (минимально допустимое расстояние в соответствии с [1] - 12 м) расстояния от проекции участка эстакады № 2 до следующего оборудования АЗС-Б:
- до ТРК-3 и ТРК-4, выдающих дизельное топливо и бензины различных марок - 5,1 м;
- резервуаров хранения жидкого моторного топлива - 8,0 м;
- аварийного резервуара - 7,0 м;
- сливного колодца - 8,5 м;
- границ площадок для автоцистерны - 6,9 м.
Для оценки последствий возможных пожаров на рассматриваемых объектах, прежде всего, необходимо провести анализ характерных аварийных ситуаций и определить количество пожароопасных веществ, поступающих в окружающее пространство в результате их реализации.
Для участка эстакады № 2 вблизи АЗС-Б, при нарушении минимально допустимых по нормам [1] расстояний до площадки АЦ и ближайших ТРК (№ 3 и 4), характерно наличие (в случае пожара на АЗС) угрозы воздействия опасных факторов пожара и его распространения на эстакаду № 2. Такая же ситуация складывается на эстакаде № 1 вблизи АЗС-А (нарушены расстояния до ТРК № 3, 4 и 5).
Таким образом, для оценки влияния АЗС-А и АЗС-Б на пожарную опасность рассматриваемых участков эстакад № 1 и 2 необходимо провести анализ характерных аварийных ситуаций на указанных выше топливораздаточных колонках и площадке полуприцепа-автоцистерны и оценить их последствия.
Территория АЗС характеризуется наличием постоянно действующих источников воспламенения (транспортные средства), следовательно, существует вероятность воспламенения вышедшего в окружающее пространство горючего. Поэтому в качестве инициирующих аварийную ситуацию с пожаром событий рассматриваются сценарии, реализация которых связана с выходом горючей среды в окружающее пространство:
а) разгерметизация топливного бака транспортного средства, заправляемого на ТРК № 3-5 АЗС-А;
б) разгерметизация автоцистерны на АЗС-Б;
в) разгерметизация топливного бака транспортного средства, заправляемого на ТРК № 3 и 4 АЗС-Б.
Следует отметить, что воспламенение топлива, вышедшего из топливного бака заправляемого транспортного средства, может привести к пожару самого автомобиля. С учетом того, что на ТРК АЗС-А и АЗС-Б возможна заправка грузовых транспортных средств, имеющих большие размеры, пожар такого автомобиля может представлять опасность и для конструктивных элементов эстакады, и для людей, и для транспортных средств, находящихся на эстакаде.
Габаритные размеры транспортных средств, допущенных правилами [2] на дороги общего пользования и не ограниченных специальными правилами, должны быть не более: длина 20 м, ширина 2,6 м, высота 4 м, что сравнимо с высотой участков эстакад (высота нижней поверхности пролетного строения участка эстакады № 1 равна 11,74 м, пролетного строения эстакады № 2 - 8,65 м). Заметим, что в соответствии с [3] площадь разлития при проливе 130 л топлива (типичная вместимость топливного бака грузового автомобиля по бензину) составляет 130 м2. Также следует отметить, что время горения автомобиля значительно превосходит время полного сгорания топлива, разлитого из бака автомобиля.
Исходя из вышеизложенного, можно сделать следующий вывод. В случае реализации аварийных ситуаций, связанных с разгерметизацией топливного бака заправляемого автомобиля, в силу своих размеров и времени существования большую опасность как для людей, находящихся на эстакаде, так и для ее конструктивных элементов представляет пожар автомобиля, по сравнению с пожаром пролива горючего из топливного бака, который может инициировать пожар автомобиля.
Площадка АЦ на АЗС-Б в соответствии с нормами [1] оборудована отбортовкой и аварийным подземным резервуаром, предотвращающими растекание топлива за пределы этой площадки. АЦ оборудована устройствами, предотвращающими ее разрушение в случае попадания в очаг пожара, например, при пожаре пролива топлива в результате ее разгерметизации.
Таким образом, в настоящей работе для оценки влияния АЗС-А и АЗС-Б на уровень пожарной опасности участков эстакад № 1 и 2 в качестве максимальных проектных пожаров рассматриваются следующие сценарии развития указанных выше аварийных ситуаций:
- пожар заправляемого автомобиля;
- пожар пролива топлива в границах отбортовки площадки АЦ на АЗС-Б.
Опасными факторами, характерными для рассматриваемых сценариев развития аварийных ситуаций, являются:
- непосредственное воздействие пламени и высокотемпературных продуктов горения;
- тепловое излучение пламени.
Для пожара пролива жидкости или горения твердых материалов высота пламени, согласно нормам [3] и стандарту [4], может быть определена по формуле
где М - удельная массовая скорость выгорания топлива, кг/(м2·с);
ρв - плотность окружающего воздуха, кг/м3;
g - ускорение свободного падения, g = 9,81 м/с2;
d - эффективный диаметр пролива, м, вычисляемый по формуле
(2)
где F - площадь пролива или очага горения твердых материалов, м2.
Следует отметить, что использование формулы (1) для вычисления высоты пламени при наличии ветра не позволяет учесть удлинение и наклон пламени в направлении ветра. Руководством [5] предлагаются следующие формулы для расчета длины пламени (L, м) и угла (Θ, рад) его отклонения от вертикального положения:
где Uв - скорость ветра, м/с;
Uс - характерный масштаб скорости, м/с, вычисляемый по формуле
(4)
Для угла отклонения пламени от вертикального положения Θ справедливо соотношение [5]:
tgΘ /cosΘ = 0,666(Fr)0,333(Re)0,117, (5)
где Fr - число Фруда, определяемое по формуле:
(6)
Re - число Рейнольдса, которое может быть найдено по формуле:
(7)
где v - кинематическая вязкость воздуха, м2/с.
Угол отклонения пламени от вертикального положения Θ, рад, определяется из тригонометрического соотношения
(8)
где с = tgΘ/cosΘ.
В настоящей работе за длину пламени принималась максимальная из величин, рассчитанных по формулам (1) и (3), а угол наклона пламени определялся с помощью формул (5)-(8). При этом рассматривался диапазон скоростей ветра от 0 до 15 м/с (поскольку в этом диапазоне обеспечивается наибольшее воздействие пожара на пролетные строения эстакады).
Интенсивность теплового излучения q, кВт/м2, для пожара пролива жидкости или при горении твердых материалов вычисляется по формуле [3] - [5]:
где Ef - среднеповерхностная плотность теплового излучения, кВт/м2;
Fq - угловой коэффициент облученности;
τ - коэффициент пропускания атмосферы.
Значения удельной массовой скорости выгорания и среднеповерхностной плотности теплового излучения пламени для жидких моторных топлив, обращающихся на АЗС-А и АЗС-Б (бензин и дизельное топливо), приводятся в нормах [3] и стандарте [4]. Согласно этим данным, массовая скорость выгорания и среднеповерхностная плотность теплового излучения, взятая для конкретного диаметра очага пожара бензина, превосходят соответствующие характеристики дизельного топлива. Следовательно, как видно из формул (1), (3), (9), длина пламени и интенсивность его теплового излучения при пожаре пролива бензина, определенные по вышеуказанным формулам, при прочих равных условиях больше этих величин, рассчитанных по тем же формулам для дизельного топлива. Поэтому при рассмотрении аварийной ситуации, связанной с разгерметизацией АЦ на АЗС-Б, с определенным запасом надежности предполагалось, что она заполнена бензином.
Коэффициент пропускания атмосферы τ, согласно [3], [4], вычисляется с помощью формулы
τ = ехр(-7·10-4 r), (10)
где r - расстояние до источника теплового излучения (пламени), м.
Угловой коэффициент облученности Fq -это отношение энергии теплового излучения, переносимой в единицу времени через единицу площади поверхности облучаемого объекта, к среднеповерхностной плотности теплового излучения пламени при отсутствии поглощения излучения окружающей средой. Для случая, когда источник излучения - тело, ограниченное поверхностью площади А2, облучаемый объект - произвольно ориентированная единичная площадка dA1, коэффициент облученности определяется, согласно руководству [5], по выражению
(11)
где х - расстояние между центрами элементарных площадок dA1 и dA1;
β1, β2 - углы между нормалями к площадкам соответственно dA1 и dA1 и линией, соединяющей центры этих площадок (рис. 2).

Рис. 2. Взаимное расположение источника излучения и облучаемого объекта
В [3]- [5] предлагается оценивать величину Fq следующим образом:
где Fv и Fh - значения Fq для случаев, когда облучаемый объект является соответственно вертикальной и горизонтальной площадкой.
При оценке размеров зон поражения опасными факторами пожара пролива бензина в случае разгерметизации АЦ на АЗС-Б форма поверхности разлившегося горючего, ограниченная отбортовкой, заменялась эквивалентным по площади кругом (площадь отбортовки равна 30,8 м2), расположенным на расстоянии 6,9 м от края участка эстакады № 2. На рис. 3 приведена схема взаимного расположения участка эстакады № 2 и места пролива бензина.

Рис. 3. Схема взаимного расположения участка эстакады № 2 и места пролива бензина при разгерметизации АЦ на АЗС-Б
На рис. 4 представлены результаты расчета положения верхней кромки пламени при пожаре пролива бензина в результате разгерметизации АЦ на АЗС-Б. Сплошной линией и точками показано положение ближней к эстакаде точки верхней части поверхности пламени при различных скоростях ветра в направлении эстакады. Кроме этого, на рисунке обозначены контуры пролетного строения эстакады № 2.

Рис. 4. Положение верхней кромки пламени при пожаре пролива бензина в результате разгерметизации АЦ при различной скорости ветра
Как видно на рис. 4, при скорости ветра в направлении эстакады примерно 3 м/с нижняя часть пролетного строения эстакады подвергается непосредственному воздействию пламени. При скоростях ветра примерно 15 м/с пламя облучает удаленную от очага пожара поверхность участка эстакады № 2.
Для рассматриваемого сценария развития аварийной ситуации, связанной с разгерметизацией АЦ АЗС-Б, с помощью формул (9)-(12) был проведен расчет размеров зоны поражения людей, находящихся на эстакаде, тепловым излучением пламени (здесь и далее под размером зоны поражения тепловым излучением подразумевается длина участка эстакады, в пределах которого интенсивность теплового излучения пламени в точках на поверхности эстакады, ближайших к очагу пожара, превышает безопасную для человека величину 4 кВт/м2 [4] в исследуемом диапазоне скоростей с /четом возможности любого направления ветра). Результаты этого расчета представлены в таблице.
На ТРК № 3 и 4 АЗС-Б, ТРК № 5 АЗС-А осуществляется заправка транспортных средств дизельным топливом, поэтому, учитывая, что большинство крупногабаритных грузовых автомобилей работают на дизельном топливе, при оценке размеров зон поражения опасными факторами при проектном пожаре на указанных топливораздаточных колонках рассматривается горение автомобиля длиной 20 м, шириной 2,6 м и высотой 4 м. За величину удельной массовой скорости выгорания принимается скорость выгорания древесины, которая составляет 0,0393 кг/(м2·с) [6]. Среднеповерхностная плотность теплового излучения принимается с определенным запасом надежности, равным 60 кВт/м2.
На рис. 5 приведена схема взаимного расположения горящего автомобиля и эстакады № 2 при пожаре автомобиля на ТРК № 3 АЗС-Б.

Рис. 5. Схема взаимного расположения эстакады №2и горящего автомобиля на ТРК № 3 АЗС-Б
При определении расстояния от автомобиля до проекций эстакады учитывалось, что он расположен на расстоянии 1 м от ТРК.
При оценке размеров зон поражения опасными факторами пожара форма пламени моделировалась призмой, ребра которой наклоняются и удлиняются в направлении ветра, основанием этой призмы является верхняя поверхность горящего транспортного средства.
На рис. 6 представлены результаты расчета положения верхней кромки пламени при пожаре автомобиля. Сплошной линией и точками показано положение ближней к эстакаде точки верхней части поверхности пламени при разных скоростях ветра в направлении эстакады. Кроме этого, на рисунке обозначены контуры пролетного строения участка эстакады № 2.

Рис. 6. Положение верхней кромки пламени при пожаре автомобиля на ТРК № 3 АЗС-Б
Из данных, приведенных на рис. 6, следует, что при скорости ветра от 0 до 8 м/с эстакада может быть охвачена пламенем при пожаре грузового транспортного средства на АЗС.
Для этого случая также был определен размер зоны поражения тепловым излучением пламени. Расчет проводился по формулам (9)- (12), его результаты приведены в таблице.
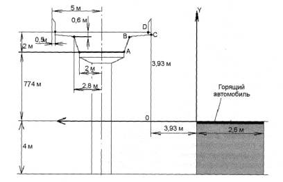
Рассмотрим сценарий развития аварийной ситуации, связанный с пожаром автомобиля на ТРК № 5 АЗС-А. На рис. 7 приведена схема взаимного расположения автомобиля и эстакады № 1. При определении расстояния от автомобиля до проекций эстакады, как и в предыдущем случае, учитывалось, что автомобиль находится на расстоянии 1 м от ТРК.

Рис. 7. Схема взаимного расположения эстакады № 1 и горящего автомобиля на ТРК № 5 АЗС-А
На рис. 8 представлены результаты расчета положения верхней кромки пламени при пожаре автомобиля на ТРК № 5 АЗС-А. Сплошной линией и точками показано положение ближней к эстакаде точки верхней части поверхности пламени при различных скоростях ветра в направлении эстакады. Кроме этого, на рисунке обозначены контуры пролетного строения участка эстакады № 1.

Рис. 8. Положение верхней кромки пламени при пожаре автомобиля на ТРК № 5 АЗС-А
Из данных, приведенных на рис. 8, следует, что при небольших скоростях ветра (до 5 м/с) участок эстакады подвергается непосредственному воздействию пламени. При скоростях ветра примерно 10 м/с и более пламя облучает дальнюю (от очага пожара) сторону участка эстакады № 1.
Размеры зоны поражения тепловым излучением для этого случая определялись также с помощью формул (9) - (12). Соответствующие данные приведены в таблице.
Рассмотрим теперь пожар автомобиля ТРК № 4 АЗС-А. Предполагается, что горящий автомобиль имеет следующие размеры: длина 5 м, ширина 2,6 м, высота 3,5 м. Такой выбор размеров объясняется тем, что на данной ТРК осуществляется заправка транспортных средств только бензином, а крупногабаритные транспортные средства, имеющие размеры больше указанных, преимущественно работают на дизельном топливе.
На рис. 9 приведена схема взаимного расположения автомобиля и эстакады № 1. При определении расстояния от автомобиля до проекций эстакады, как и в двух предыдущих случаях, учитывалось, что автомобиль располагается на расстоянии 1 м от ТРК.

Рис. 9. Схема взаимного расположения эстакады №1 и горящего автомобиля на ТРК № 4 АЗС-А
На рис. 10 представлены результаты расчета положения верхней кромки пламени при пожаре автомобиля на топливораздаточной колонке № 4 АЗС-А. Сплошной линией и точками показано положение ближней к эстакаде точки верхней части поверхности пламени при различных скоростях ветра в направлении эстакады. Кроме этого, на рисунке обозначены контуры пролетного строения эстакады № 1.

Рис. 10. Положение верхней кромки пламени при пожаре автомобиля на ТРК № 4 АЗС-А
Из данных, приведенных на рис. 10, следует, что в рассматриваемом диапазоне скоростей ветра пламя не достает до пролетного строения эстакады. Для этого случая по формулам (9)- (12) определен размер зоны поражения тепловым излучением. Эти величины приведены в таблице.
В настоящей работе не рассматриваются отдельно пожар автомобиля на ТРК № 4 АЗС-Б и пожар автомобиля на ТРК № 3 АЗС-А, так как по высоте и положению пламени относительно соответствующих эстакад и по размерам зон поражения тепловым излучением эти сценарии развития аварийных ситуаций идентичны рассмотренным случаям пожаров автомобилей на ТРК № 3 АЗС-Б и ТРК № 4 АЗС-А.
Максимальная высота пламени и размеры зон поражения тепловым излучением в разных сценариях развития аварийной ситуации
|
Сценарий развития аварийной ситуации |
Максимальная высота пламени Нмах, М |
Размер зоны поражения тепловым излучением, м |
Пояснения относительно расположения зоны поражения тепловым излучением |
|
Пожар пролива бензина в границах отбортовки площадки АЦ АЗС-Б |
12,0 |
48 |
По 24 м в каждую сторону вдоль эстакады от точки на поверхности эстакады, находящейся напротив геометрического центра очага пожара |
|
Пожар автомобиля на ТРК № 3 АЗС-Б |
15,2 |
56 |
18 м вдоль эстакады от точки на поверхности эстакады, находящейся напротив границы горящего автомобиля длиной 20 м |
|
Пожар автомобиля на ТРК № 4 АЗС-Б |
15,2 |
56 |
18 м вдоль эстакады от точки на поверхности эстакады, находящейся напротив границы горящего автомобиля длиной 20 м |
|
Пожар автомобиля на ТРК № 5 АЗС-А |
15,2 |
58 |
19 м вдоль эстакады от точки на поверхности эстакады, находящейся напротив границы горящего автомобиля длиной 20 м |
|
Пожар автомобиля на ТРК №4 АЗС-А |
10,4 |
27 |
11 м вдоль эстакады от точки на поверхности эстакады, находящейся напротив границы горящего автомобиля длиной 5 м |
|
Пожар автомобиля на ТРК № 3 АЗС-А |
10,4 |
27 |
11 м вдоль эстакады от точки на поверхности эстакады, находящейся напротив границы горящего автомобиля длиной 5 м |
В таблице приведены данные о максимальной высоте пламени и размерах зон поражения тепловым излучением людей, находящихся на эстакаде, для рассматриваемых сценариев развития аварийных ситуаций на АЗС-А и АЗС-Б.
Следует отметить, что полученные данные по максимальной высоте пламени для пожара автомобилей, удельная массовая скорость выгорания которых бралась по древесине, хорошо согласуются с экспериментальными данными, в соответствии с которыми высота факела пламени от верхнего уровня штабеля при горении древесины (пиломатериалов) равна примерно 2-3 высотам штабеля [7].
Как свидетельствуют полученные данные, на эстакадах имеются опасные по тепловому излучению пожара участки, размещение которых соответствует расположению очага пожара. Кроме того, в результате оценки последствий реализации рассматриваемых сценариев развития аварийных ситуаций установлено, что при пожаре автомобиля на ТРК № 3 или 4 АЗС-Б участок эстакады № 2 может быть охвачен пламенем с двух сторон. Аналогично при пожаре автомобиля на ТРК № 5 АЗС-А при малых скоростях ветра пламя достает ближайшей к очагу пожара стороны эстакады № 1.
Следовательно, существует необходимость разработки дополнительных мероприятий, направленных на защиту людей, находящихся на эстакадах (например, установка защитных экранов). Требуемые размеры защитных экранов могут быть определены на основе полученных результатов расчета максимальной высоты пламени и размеров зон поражения тепловым излучением при реализации рассматриваемых сценариев развития аварийных ситуаций на АЗС-А и АЗС-Б.
Если в случае пожара пролива топлива на площадке АЦ АЗС-Б положение очага пожара фиксированно, то при пожаре автомобиля расположение очага может варьироваться. Это обстоятельство необходимо учитывать при проектировании защитных экранов. Защитный экран должен перекрывать зоны поражения тепловым излучением при каждом сценарии развития аварийной ситуации и для любого возможного места расположения очага пожара.
С учетом того что при пожаре автомобиля на ТРК № 3 или 4 АЗС-Б участок эстакады № 2 может быть охвачен пламенем с двух сторон, защитный экран следует устанавливать как с одной, так и с другой стороны этого участка эстакады.
В связи с тем что при пожаре автомобиля на ТРК № 5 АЗС-А и скоростях ветра примерно 10 м/с и более пламя облучает удаленную от очага пожара сторону участка эстакады № 1, защитный экран на этом участке эстакады также следует устанавливать по обе ее стороны.
Следует отметить, что высота защитных экранов должна превышать как максимально возможную высоту пламени (с учетом поправки на высоту эстакады), так и максимальную высоту транспортного средства, допускаемого к проезду по эстакадам.
1. НПБ 111-98*. Автозаправочные станции. Требования пожарной безопасности.
2. Правила дорожного движения Российской Федерации.
3. НПБ 105-03. Определение категорий помещений, зданий и наружных установок по взрывопожарной и пожарной опасности.
4. ГОСТ Р 12.3.047-98. Пожарная безопасность технологических процессов. Общие требования. Методы контроля.
5. CPR 14E. Methods for the calculation of physical effects. («Yellow Book»). Den Haag, Committee for the Prevention of Disasters. 1997.
6. ГОСТ 12.1.004-91*. Пожарная безопасность. Общие требования.
7. Копылов Н.П., Горностаев В.В., Доброхотов Н.П. Горение и тушение пожаров на складах лесопиломатериалов: Обзорная информ. - М.: ГНИЦУИ МВД СССР, 1985. - 31 с.
(Журнал «Пожарная безопасность» №2 2007 г.)
|
Краткое описание рассматриваемых объектов Анализ характерных аварийных ситуаций на участках эстакады
|
|
_________________________________________________________ |