
Справочная энциклопедия дорожника
I
ТОМ
Строительство и реконструкция автомобильных дорог
Под редакцией заслуженного деятеля науки и техники РСФСР, д-ра техн. наук, проф. А.П. Васильева
МОСКВА
2005
Содержание
Васильев А.П. и др.
Строительство и реконструкция автомобильных дорог: Справочная энциклопедия дорожника (СЭД). Т. I / А.П. Васильев, Б.С. Марышев, В.В. Силкин и др.; Под ред. д-ра техн. наук, проф. А.П. Васильева. - М.: Информавтодор, 2005.
В настоящем I томе СЭД «Строительство и реконструкция автомобильных дорог» изложены этапы развития и совершенствования сети автомобильных дорог России и технологии их строительства. Подробно рассмотрены вопросы технологии возведения земляного полотна в различных природно-климатических условиях; технологии и организации работ по строительству дорожных одежд; особенностей технологии работ по реконструкции автомобильных дорог. Большое внимание уделено новым дорожно-строительным материалам и проблемам материально-технического обеспечения дорожного строительства, включая предприятия по разработке горных пород, битумные и эмульсионные базы, асфальтобетонные и цементобетонные заводы, полигоны изготовления железобетонных изделий, склады и т.д. Отдельные разделы посвящены методам организации и обеспечения качества дорожно-строительных работ, приведены производственно-технологические параметры машин и оборудования для строительства и реконструкции дорог.
Предлагаемый материал рассчитан на широкий круг инженерно-технических работников и специалистов дорожного хозяйства, научных работников, преподавателей и студентов автодорожных вузов, техникумов и колледжей.
Коллектив авторов: А.П. Васильев - предисловие, разд. 1.1, 1.2, главы 12, 20, 22, разд. 30.2; В.М. Азиев - разд. 13.2, 13.3, главы 30, 31, 32, 33; Н.В. Горелышев - главы 18, 19; В.Н. Ефименко - разд. 15.7, 15.8, 21.1-21.5; Е.В. Жустарева - разд. 35.3; B.C. Исаев - разд. 15.1-15.6, 21.6; М.С. Коганзон - разд. 1.3, 1.4, главы 7, 8, 14; Ю.М. Львович - главы 3, 4, 6, 9, 10, 11, разд. 7.5, 13.1, 35.1, 35.2; Д.Г. Мепуришвили - глава 36; Б.С. Марышев - главы 18, 19, 34, 37, 38, 39, разд. 35.4; В.П. Носов - главы 2, 5; И.А. Плотникова - глава 16; В.В. Силкин - главы 23, 24, 25, 26, 27, 28, 29; В.В. Ушаков - глава 17; И.Н. Фролова - глава 34, разд. 29.1, 30.4, 33.1 (в части изложения соответствующих положений согласно новых нормативных документов); Ю.М. Яковлев - разд. 12.7.
Разделы, подготовленные совместно, повторены у каждого соавтора.
Рецензенты:
ОАО Центрдорстрой - генеральный директор В.С. Арутюнов;
Управление автомобильных дорог администрации Волгоградской области - зам. начальника управления, докт. техн. наук В.С. Боровик.
Координатор проекта ФГУП «ИНФОРМАВТОДОР»
Руководитель проекта Д.Г. Мепуришвили
Ответственный исполнитель по координации работ И.Н. Фролова
Настоящая «Справочная энциклопедия дорожника» состоит из 4-х томов, в каждом из которых представлены сведения по отдельным направлениям развития дорожного хозяйства: том I - Строительство и реконструкция автомобильных дорог, том II - Ремонт и содержание автомобильных дорог, том III - Дорожно-строительные материалы, том IV - Дорожная наука.
Перед составителями предлагаемой серии справочных материалов стояла сложная и трудноразрешимая задача, которая происходит уже из самого названия: справочная энциклопедия. Аналогов такого издания в дорожной литературе не имеется.
Слово «справочная», означает, что это издание должно иметь характер справочника, то есть содержать четкую и краткую информацию в виде таблиц, графиков, формул, предназначенных для использования в практической деятельности специалистами-дорожниками. Слово «энциклопедия» имеет смысл, во многом противоположный первой задаче издания. Оно означает широкое, всеохватывающее описание состояния и основных направлений развития дорожного хозяйства страны, понятное широкому кругу читателей, в том числе и не имеющим специального дорожного образования.
В предлагаемой работе предпринята попытка объединить две указанные задачи. В настоящем I томе «Строительство и реконструкция автомобильных дорог» в краткой форме описывается история развития технологии и организации строительства и реконструкции дорог с первого периода их появления именно как автомобильных до настоящего времени, отмечается роль ученых и специалистов в создании различных технологий, способов и методов строительства, в том числе устаревших и не применяющихся на практике. Но основное внимание уделено описанию современных технологий, методов и способов строительства и реконструкции автомобильных дорог, которые применяются в настоящее время на практике; получили отражение вопросы развития производственных баз для приготовления дорожно-строительных материалов, контроля качества работ; применяемых в технологических процессах машин и механизмов. Эти вопросы излагаются полно и подробно, в форме справочного пособия, содержащего не только описание, но и схемы, количественные данные, таблицы, графики и расчетные формулы. Эта информация может быть полезным практическим пособием работникам дорожно-строительного производства, проектировщикам дорог при выборе технологий, методов и способов производства работ, подборе составов материалов и контроле качества работ и т.д.
Авторы отдают себе отчет в том, что не все вопросы освещены одинаково детально и полно и с благодарностью примут замечания и пожелания по дальнейшему совершенствованию издания.
Первые автомобили появились в России в 1901 г. и вскоре возникла проблема приспособления существующей дорожной сети к одновременному пропуску гужевых повозок и автомобилей. Появился термин «автогужевые дороги». Объем строительства таких дорог до первой мировой войны был незначителен, преимущественно по стратегическим направлениям к границам и для занятия безработных из голодных губерний. Было построено так называвшееся «голодное шоссе» от Новороссийска до Батума. Протяженность дорог с твердыми покрытиями (булыжные мостовые, щебеночные и гравийные) не достигала 21 тыс. км; дорог с покрытиями капитального типа не было совсем. После окончания гражданской войны было построено много грунтовых дорог, названных населением «грейдерами». Однако оставленные без систематического надзора и ухода они быстро разрушались.
В 1928 году была разработана первая производственная инструкция по устройству покрытий с применением «битумных» вяжущих материалов при улучшении грунтовых дорог и дорог с щебеночными и гравийными покрытиями, которые обеспечивали нормальный проезд автомобилей. Более полное отражение особенности совмещенного автогужевого движения нашли в «Технических условиях, правилах и нормах для изысканий, проектирования, постройки, ремонта и содержания автогужевых дорог и мостовых сооружений на них» Цудортранса НКПС СССР 1931 г. Однако невысокие требования ТУ к транспортно-эксплуатационным характеристикам автогужевых дорог и отсутствие технических рекомендаций по использованию вяжущих материалов в конструкции дорожной одежды предопределили их недолгий срок действия. В 1934 г. были разработаны новые Технические условия (ТУ 1934 г.), в которых были уже учтены достижения дорожной науки и техники в части устройства дорожной одежды, включая усовершенствованный тип покрытия.
В 1928 г. был принят первый пятилетний план развития народного хозяйства, и во всех последующих пятилетках вплоть до 1990 г. программы по развитию дорожной сети страны являлись составной частью каждого пятилетнего плана.
В первой и второй пятилетках (1928-1938 гг.) около 87 % вновь строящихся дорог составляли грунтовые и грунтовые улучшенные и около 13 % дорог строилось с покрытием переходного и облегченного типа, главным образом из местных материалов. Только на наиболее напряженных участках дорог на подходах к железнодорожным станциям, пристаням и крупным городам устраивались усовершенствованные покрытия облегченного и капитального типа. Это были в основном тонкослойные покрытия, устраиваемые методом пропитки и поверхностной обработки, получает развитие технология смешения материалов на дороге или в установке. Началось строительство асфальтобетонных покрытий и строительство опытных участков цементобетонных покрытий.
Крупным шагом по пути технического прогресса в дорожном строительстве стала разработка под руководством проф. Г.Д. Дубелира «Технических условий на сооружение автомобильных дорог и мостов» утвержденных Гушосдором НКВД СССР в 1938 г. Новый нормативный документ принципиально отличался от всех предыдущих технических условий. В ТУ 1938 г. впервые была дана классификация автомобильных дорог на три технических класса, приведены технические нормативы основных элементов дорог для каждого класса, определены типы покрытий дорожных одежд и их применяемость в зависимости от класса дороги. Нормативно были установлены типы покрытий:
переходный тип (грунтово улучшенные, черные грунтовые, гравированные, щебеночные и шлаковые, гравийные и др.). Наибольшее распространение получили щебеночные и гравийные покрытия из гравия или щебня толщиной 18-20 см на песчаном подстилающем слое толщиной 10-20 см;
усовершенствованный тип (черные гравийные, черные щебеночные или шлаковые и покрытия из холодного асфальтобетона - все они назывались черными дорогами, а также клинкерные мостовые). Толщина чернощебеночных и черногравийных покрытий составляла 4-8 см, толщина щебеночного или гравийного основания 14-18 см и подстилающего слоя 10-20 см;
капитальный тип (асфальтобетон, цементобетон, а также брусчатые и мозаичные мостовые). Эти покрытия устраивались в основном на дорогах I и II классов при интенсивности движения 1000 авт./сут и более. Конструкция дорожной одежды с асфальтобетонным покрытием состояла из одного-двух слоев асфальтобетона общей толщиной 4-8 см, щебеночного или гравийного слоя толщиной 18-20 см и песчаного подстилающего слоя толщиной 10-20 см.
При этом потребовались определенные коррективы нормативных документов. Главдорупром при СНК РСФСР были приняты новые «Технические условия и правила проектирования и постройки автомобильных дорог и искусственных сооружений», в которые внесено несколько принципиальных изменений: по новой классификации устанавливалось, что автомобильные дороги подразделяются на пять технических классов; внесены дополнения в основные технические нормативы; установлены нормы ширины полосы отвода и др. ТУ 1939 г. действовали до 1955 г. Одновременно отечественными учеными и инженерами создаются новые технологии строительства дорог, промышленность строительных материалов, дорожных машин, в том числе асфальтобетонных установок конструкции инженера Гудмана.
Быстрое развитие автомобильного транспорта России в годы перед началом Второй мировой войны потребовало корректировки дорожной политики в сторону увеличения удельного веса строительства усовершенствованных гудронированных, асфальтобетонных и цементобетонных покрытий. Эта политика начала реализовываться в начале третьей пятилетки (1938-1942 г.г.), когда темпы развития сети дорог с твердым покрытием существенно возросли, широкое распространение получил метод народной стройки дорог.
В период Великой Отечественной войны дорожные организации были заняты в основном восстановлением разрушенных дорог и мостов в районах боевых действий и сохранением существующих дорог остальной территории России.
В первые годы после войны основные усилия были направлены на восстановление, ремонт и реконструкцию разрушенных дорог, а затем на строительство новых. Народное хозяйство начало восстанавливаться и уже в 1948 г. производство автомобилей превзошло довоенный уровень, а в 1950 г. превысило его в два раза. Получила свое развитие и дорожная сеть. Были построены и реконструированы крупные автомагистрали, возрастала доля усовершенствованных покрытий (асфальтобетонных, черногравийных и чернощебеночных) в общей протяженности строящихся дорог. Тем не менее, состояние дорожной сети не удовлетворяло требованиям народного хозяйства, поскольку доля дорог с твердым покрытием в РСФСР составляла всего около 13 %.
Крупным этапом развития технических основ строительства автомобильных дорог явились «Нормы и технические условия проектирования автомобильных дорог» (НиТУ 128-55) 1955 г., разработанные под руководством канд. техн. наук Н.Ф. Хорошилова. Принципиальным отличием этих норм являлось то, что с их выходом из технической литературы окончательно исчезло понятие «автогужевые дороги». Существенные изменения были внесены и в классификацию дорожных покрытий: усовершенствованные (капитальные и облегченные), переходные и низшие.
Характерной чертой этого периода явилось ускорение темпов строительства дорог с усовершенствованными, главным образом, облегченными типами покрытий и массовая замена небольших деревянных мостов на железобетонные трубы и мосты. Необходимость такого ускорения следовала из опыта эксплуатации ранее построенных дорог.
Однако, в конце 40-х - начале 50-х гг. с увеличением объемов строительства новых дорог были допущены некоторые послабления в требованиях к применявшимся материалам, конструкциям дорожных одежд, отметкам земляного полотна и качеству производства работ. В результате уже через 2-3 года на этих дорогах появились деформации и разрушения дорожной одежды. В целях устранения подобных явлений Союздорнии и его филиалы провели широкие обследования состояния дорог, на основании которых в 1956 г. в дополнение к НиТУ 128-55 были изданы «Основные указания по проектированию и строительству автомобильных дорог», в которых были повышены требования к прочности дорожной одежды.
В 1958 г. был принят Указ Президиума Верховного Совета СССР «Об участии колхозов, совхозов, промышленных, транспортных и других предприятий и хозяйственных организаций в строительстве и ремонте автомобильных дорог». Старый порядок трудового участия населения в дорожных работах был отменен. Это позволило заметно увеличить темпы развития дорог, прежде всего местного значения. Другим крупным решением стало постановление ЦК КПСС и Совета Министров СССР «О плане строительства автомобильных дорог на 1959-1965 годы», в котором впервые был установлен дополнительный источник финансирования в виде целевых отчислений на строительство дорог республиканского и областного значения в размере 2 % от доходов по эксплуатации автомобильного транспорта. Указанные решения создали базу для развития и совершенствования дорожной сети с начала семилетки и в последующие годы.
В 1961 г. была принята классификация работ по ремонту и содержанию дорог, в которой предусмотрено требование в процессе капитального ремонта доводить все параметры дорог до норм, соответствующих присвоенной технической категории с учетом перспективы развития движения на ремонтируемой дороге, что практически означало реконструкцию дороги. Классификация вошла в «Технические правила ремонта и содержания автомобильных дорог» ВСН 22-63, разработанные Союздорнии с участием МАДИ. В целом это прогрессивное решение в дальнейшем отрицательно отразилось на состоянии эксплуатируемой сети дорог, так как явилось основанием выделенные на ремонт и содержание средства направлять на реконструкцию и даже на строительство новых дорог в ущерб ремонту и содержанию существующих.
Недостатком в развитии дорог этого периода, который начал проявляться весьма заметно, явилось несоответствие прочности дорожных одежд построенных ранее дорог возрастающей нагрузке от автомобилей вследствие чего происходил быстрый износ и разрушение дорог. Во многом такое положение произошло потому, что нецентрализованные средства финансирования, получаемые по Указу, не обеспечивались материальными ресурсами и распылялись по множеству мелких объектов при строительстве местных дорог.
В конце 50-х гг. в дорожной политике наметилось стремление к исключению грунтовых дорог из сети дорог общего пользования, в результате чего протяженность последних начала сокращаться: с 1950 по 1960 г. сеть дорог общего пользования сократилась на 57 тыс. км. За период с 1960 по 1970 г. сократилась еще на 215,7 тыс. км.
С января 1964 г. вступил в действие СНиП II-Д.5-62 Нормы проектирования автомобильных дорог общей сети Союза ССР. В этих нормах было сохранено пять категорий автомобильных дорог, но увеличены пределы среднесуточной перспективной интенсивности движения, которая стала назначаться для проектирования элементов дороги и дорожной одежды.
Произошедшие изменения сфер применения различных типов покрытий существенно снизили требования к прочности дорожных одежд по сравнению с НиТУ 128-55. Так, если в нормах 1955 г. при интенсивности движения более 3000 авт./сут. требовалось устраивать только усовершенствованный капитальный тип покрытия, то в СНиП II-Д.5-62 при интенсивности 6000 авт./сут допускалось устраивать усовершенствованный облегченный тип покрытия. Если в старых нормах покрытия переходного типа допускалось устраивать только при интенсивности до 400 авт./сут, то в нормах 1962 г. их можно было устраивать даже на дорогах III категории при интенсивности движения до 3000 авт./сут, чем и стали широко пользоваться на практике.
Еще одним крупным недостатком СНиП II-Д.5-62 явилось включение в него ГОСТ 9314-59 «Весовые параметры и габариты автомобилей и автопоездов», в соответствии с которым все автомобили были разделены на две группы:
группа А - автомобили и автопоезда с осевой нагрузкой 10 т, предназначенные для эксплуатации на автомобильных дорогах I и II категорий, имеющих усовершенствованные капитальные типы покрытий;
группа Б - автомобили и автопоезда с осевой нагрузкой 6 т, предназначенные для эксплуатации на всех автомобильных дорогах общей сети.
Практически это означало, что только на дорогах I категории было обязательным устройство дорожных одежд, рассчитанных на пропуск автомобилей с осевой нагрузкой 10 т. Уже на дорогах II категории это было необязательным, а на дорогах IV категории, составляющих основную часть дорожной сети, - невозможным.
Если учесть, что по НиТУ 128-55 дорожные одежды всех дорог рассчитывались на пропуск автомобилей с осевой нагрузкой 9,1 т и при меньших интенсивностях требовалось устраивать более капитальные одежды, то станет ясно, что СНиП II-Д.5-62 заложил нормативную базу для значительного ухудшения транспортно-эксплуатационных качеств дорожных одежд и покрытий.
Такой подход был обусловлен необходимостью скорейшей ликвидации бездорожья, когда снижение требований к прочности дорожных одежд позволяло уменьшить их строительную стоимость и построить больше дорог с твердым покрытием, что и подтверждено увеличением темпов строительства дорог в VIII и IX пятилетках. Однако дальнейший опыт показал, что дороги с малопрочной дорожной одеждой быстро разрушаются под действием движения тяжелого транспорта, требуют все больше затрат на ремонт и содержание и в итоге перестраиваются - или разрушаются.
С 1 июля 1973 г. вступил в действие СНиП II-Д.5-72, в котором сохранены основные принципы и положения проектирования дорог, изложенные в СНиП II-Д.5-62.
В части дорожных одежд была расширена сфера применения покрытий усовершенствованного капитального и облегченного типов на дорогах II категории и ограничена возможность строительства переходного типа на дорогах III категории. Начиная с 1975 г. новые дороги I-II категорий начали строить с дорожной одеждой, рассчитанной на пропуск автомобилей с осевой нагрузкой 10 т, а все остальные дороги по-прежнему проектировались и строились в расчете на пропуск автомобилей с осевой нагрузкой 6 т, то есть хуже, чем по НиТУ 128-55.
Автомобильная промышленность взяла курс на увеличение грузоподъемности грузовых автомобилей за счет повышения осевых нагрузок до 8-10 т, несмотря на то, что основная часть существующих дорог имела дорожные одежды, рассчитанные на осевую нагрузку 6 т.
В 1975 г. был отменен ГОСТ 9314-59 на весовые параметры и габариты автомобилей и автопоездов, что открыло возможность бесконтрольно увеличивать осевую нагрузку грузовых автомобилей и их грузоподъемность. За период с 1960 по 1980 г. средняя грузоподъемность грузовых автомобилей возросла с 3,4 до 5,0 т. Заметно возросло число автомобилей грузоподъемностью выше 5 т: к 1980 г. их доля в транспортном потоке увеличилась в 4 раза, а к 1990 г. возросла в 6 раз по сравнению с 1970 г. (табл. 1.1).
Таблица 1.1
Динамика изменения структуры парка грузовых автомобилей в период 1970-1990 гг.
|
Годы |
Для автомобилей по грузоподъемности, % |
||||||
|
до 2 т |
2-5 т |
всего |
в том числе |
||||
|
5-8 т |
8-10 т |
10-15 т |
15 т |
||||
|
1970 |
4,70 |
88,70 |
6,60 |
5,00 |
1,60 |
- |
- |
|
1975 |
11.25 |
73,75 |
15,00 |
2,11 |
6,73 |
2,92 |
3,24 |
|
1980 |
13,40 |
62,25 |
24,35 |
4,17 |
10,37 |
4,18 |
5,63 |
|
1985 |
18.65 |
49,90 |
31,45 |
5,51 |
11,96 |
4,30 |
9,68 |
|
1990 |
21,20 |
42,20 |
36,60 |
6,14 |
12,49 |
4,72 |
13,25 |
В условиях роста интенсивности движения и осевых нагрузок обострилась проблема повышения прочности и капитальности дорожной конструкции. Дорожные одежды начали рассчитывать по новому методу так, чтобы они могли обеспечивать достаточную прочность и работоспособность дорог I и II категории.
В десятой пятилетке (1976-1980 гг.) особое внимание было обращено на развитие сети внутрихозяйственных дорог с твердым покрытием. Было издано несколько постановлений правительства и разработана программа «Дороги Нечерноземья», которая предусматривала ускоренное развитие дорожной сети в этом регионе. При этом темпы роста сети дорог общего пользования оставались на прежнем уровне и даже несколько снизились. Эта тенденция сохранялась практически до конца 1990 г.
С января 1987 г. введен в действие СНиП 2.05.02-85 взамен СНиП II Д.5-72. В нем сделана попытка учесть отрицательный опыт эксплуатации дорожных одежд, рассчитанных на пропуск автомобилей с осевой нагрузкой 6 т. Этот опыт показал, что невозможно запретить движение в расчетный период по любым дорогам автомобилям и автобусам с осевой нагрузкой более 6 т, тем более, что проезд каждого большегрузного автомобиля не приводит сразу к разрушению дороги. Однако в результате повторных воздействий от проездов тяжелых автомобилей происходит накопление необратимых остаточных деформаций, следствием чего является быстрый износ и разрушение дорожных одежд. Исходя из этого, в СНиП 2.05.02-85 предусмотрено обязательное проектирование дорожных одежд для дорог I, II и III категорий под расчетную нагрузку 10 тс, а для дорог IV-V категорий под нагрузку 6 тс. Внесены изменения в классификацию типов дорожных одежд, которые стали называться одеждами капитального, облегченного, переходного и низшего типов. Таким образом, только с 1987 г. на всех дорогах III категории было узаконено строительство прочных дорожных одежд, отвечающих современным требованиям. На дорогах IV и V категорий по-прежнему устраивают тонкослойные малопрочные конструкции дорожных одежд.
Учитывая растущую долю тяжелых автомобилей, прогрессирующие темпы износа дорожных одежд и ухудшения состояния дорог под их действием, начиная с 80-х г. все большее внимание уделяется сооружению покрытий усовершенствованного капитального и облегченного типов (по классификации СНиП II-Д.5-72) или дорожных одежд капитального и облегченного типов (по классификации СНиП 2.05.02-85) как при строительстве новых, так и при ремонте конструкции существующих дорог.
В этот период продолжилась тенденция увеличения доли дорог с цементобетонными покрытиями в общей протяженности дорог с твердыми покрытиями и соответствующее уменьшение доли дорог с гравийными и щебеночными покрытиями, не обработанными вяжущими. В 1986 г. доля дорог с одеждой капитального и облегченного типов превысила половину протяженности всех дорог.
В период 1986-1990 гг. ежегодные объемы строительства и реконструкции дорог общего пользования составляли от 8 до 12 тыс. км. Это были наивысшие темпы дорожного строительства в России. В целом, доля дорог с твердым покрытием в сети дорог общего пользования возросла с 38,6 % в 1970 г. до 64,6 % в 1980 г. В то же время протяженность дорог общего пользования сократилась с 543,1 тыс. км до 497,8 тыс. км, или на 45,3 тыс. км в связи с исключением грунтовых дорог из сети дорог общего пользования.
Серьезное изменение дорожной политики произошло в период после 1991 г., когда был принят Закон РСФСР от 18.10.1991 г. «О дорожных фондах в РСФСР». Это внебюджетный фонд целевого назначения, формируемый за счет средств налогоплательщиков. Этим законом все автомобильные дороги общего пользования разделены по их принадлежности к собственности на федеральные и территориальные.
В условиях общего экономического кризиса того периода в стране принятие закона сыграло огромную роль в сохранении потенциала дорожных организаций, хотя и не обеспечило возможности сохранения, а тем более повышения темпов развития дорожной сети. Объемы строительства и реконструкции дорог общего пользования в 1991-1995 гг. снизились до 4-6 тыс. км в год, а объемы работ по ремонту и содержанию в 1,5-2 раза. Протяженность дорожной сети составила в 1990 г. 455,4 тыс. км, что почти в 2 раза меньше, чем в 1940 г.
Принципиально изменилась политика по отношению к внутрихозяйственным и ведомственным дорогам. Начиная с 1990 г. многие из этих дорог, имеющих твердое покрытие, стали переводиться в сеть дорог общего пользования с твердым покрытием, которая стала увеличиваться в основном за счет передачи внутрихозяйственных дорог. Объем ежегодно передаваемых дорог составлял от 5 до 15 тыс. км и более. Вместе с этим в 1990 г. прекратилось сокращение протяженности сети дорог общего пользования и начался их прирост.
Задачи по развитию дорожной сети на период 1995-2000 гг. были определены в «Программе совершенствования и развития автомобильных дорог Российской Федерации «Дороги России», утвержденной постановлением Правительства Российской Федерации от 08.12.94 № 1310. Указом Президента Российской Федерации «О президентской программе «Дороги России» от 06.12.1995 г. № 1220 указанной программе был придан статус президентской. Было разработано два варианта программы дорожных работ на 1995-2000 г., один из которых исходил из пессимистического, а другой из оптимистического прогноза развития экономики (табл. 1.2).
Таблица 1.2
Объемы основных дорожных работ на период 1995-2000 гг., предусмотренные программной развития «Дороги России»
|
Работы |
Единица измерения |
Вариант 1 |
Вариант 2 |
||||
|
Федеральные дороги |
Территор. дороги |
Всего |
Федеральные дороги |
Территор. дороги |
Всего |
||
|
Ремонт дорог с усовершенствованным покрытием |
км |
33300 |
143700 |
177000 |
33300 |
180700 |
214000 |
|
Ремонт дорог с переходным и низшим типом покрытия |
км |
5100 |
171200 |
176300 |
5100 |
195100 |
200200 |
|
Ремонт мостов |
км |
128,0 |
280,6 |
408,6 |
128,0 |
280,6 |
408,6 |
|
Строительство новых дорог |
км |
1185 |
23100 |
24285 |
1185 |
45300 |
46485 |
|
Реконструкция существующих дорог |
км |
2898 |
29000 |
31898 |
4283 |
35100 |
39383 |
|
Строительство мостов и путепроводов |
км |
38,7 |
25,7 |
64,4 |
38,7 |
25,7 |
64,4 |
В соответствии с программой «Дороги России» протяженность дорог общего пользования намечалось увеличить до следующих показателей:
|
|
Вариант 1 |
Вариант 2 |
|
|
Всего автомобильных дорог общего пользования, тыс. км |
696,8 |
708,0 |
|
|
в том числе: |
федеральных |
42,8 |
44,0 |
|
территориальных |
654,0 |
664,0 |
|
Фактически за время реализации президентской программы «Дороги России» в период 1995-2000 г. г. построено и реконструировано 33596 км автомобильных дорог общего пользования, в том числе 4318 км федеральных [1, 70].
Фактическая протяженность дорог общего пользования в России на 2000 г. составила 579,0 тыс. км, в том числе федеральных 46,4 тыс. км, территориальных 532,6 тыс. км. По протяженности дорог общего пользования Россия возвратилась к 1970 г. (рис. 1.1).

Рис. 1.1. Показатели развития сети автомобильных дорог общего пользования России: 1 - общая протяженность; 2 - грунтовые дороги; 3 - дороги с твердым покрытием
Следует отметить, что достигнутый на конец XX века уровень развития дорожной сети России далеко не соответствует потребностям социально-экономического развития страны.
Расчеты показывают, что минимально необходимая протяженность дорог общего пользования с твердым покрытием составляет 1500 тыс. км (Васильев А.П. Состояние дорожной сети и концепция ее дальнейшего развития // Автомоб. дороги. - 1992. - № 3. - С. 1 - 4). За нижний порог насыщения территории России автомобильными дорогами следует принять 2000 тыс. км, при котором все населенные пункты будут связаны дорогами с твердым покрытием, а наиболее крупные населенные пункты на освоенной территории будут иметь в среднем по две и более надежно функционирующие транспортные связи.
Создание такой сети позволит считать, что с бездорожьем в России покончено, решена крупная социальная проблема транспортного обеспечения населения страны и создана транспортная инфраструктура для успешного экономического развития государства. Усилия дорожников России на многие годы вперед должны быть направлены на достижение этой цели.
Наряду со строительством новых дорог большие задачи заключаются в приведении существующих дорог в соответствие требованиям движения. Многие из них имеют малопрочную дорожную одежду, не позволяющую пропускать движение современных грузовых автомобилей. Другие исчерпали пропускную способность или имеют много опасных для движения мест.
Все они подлежат полной или частичной реконструкции.
За шесть лет реализации президентской программы «Дороги России» 1995-2000 гг. реконструировано 15029 км автомобильных дорог общего пользования, в том числе федеральных 2263 км и территориальных 12766 км (табл. 1.3).
Таблица 1.3
|
Значение дороги: |
Протяженность реконструируемых дорог по годам, км |
||||||
|
1995 |
1996 |
1997 |
1998 |
1999 |
2000 |
1995-2000 |
|
|
Всего |
2700 |
2592 |
1805 |
2298 |
2601 |
3033 |
15029 |
|
В том числе: федеральные |
273 |
222 |
99 |
557 |
568 |
544 |
2263 |
|
территориальные |
2427 |
2370 |
1706 |
1741 |
2033 |
2589 |
12766 |
За этот же период в России построено 18567 км автомобильных дорог общего пользования, в том числе 2032 км федеральных и 16535 км территориальных. Таким образом, объемы работ по реконструкции сопоставимы с объемами работ по строительству новых дорог. Тем не менее, достигнутые темпы реконструкции дорог совершенно не удовлетворяют реальной потребности в этих работах.
При сложившихся годовых объемах ежегодно реконструируется 5-6 км из каждой тысячи километров существующих дорог, то есть средний срок от ввода дороги в эксплуатацию до реконструкции составит от 160 до 200 лет. Опыт показывает, что, как правило, реконструкция автомобильных дорог необходима после 3-4 капитальных ремонтов на дорогах с высокой интенсивностью и после 4-6 капитальных ремонтов на дорогах с низкой интенсивностью в зависимости от типа дорожной одежды, темпов роста интенсивности движения и своевременности выполнения капитального и других видов работ по ремонту и содержанию автомобильных дорог.
Ориентировочные объемы работ по реконструкции дорог можно получить, используя данные о протяженности дорог с разными типами дорожных одежд (табл. 1.4). Выполненные расчеты носят ориентировочный характер, поскольку методика расчета требуемого объема работ по реконструкции дорог отсутствует. Тем не менее, эти расчеты показывают, что ежегодные объемы работ по реконструкции дорог необходимо увеличить не менее чем в два раза.
Таблица 1.4
Расчет требуемого объема работ по реконструкции автомобильных дорог
|
Категория дороги |
Тип дорожной одежды |
Срок службы до капитального ремонта, лет |
Расчетное количество капитальных ремонтов до реконструкции |
Протяженность в составе дорожной сети, км и доля, подлежащая реконструкции |
Ориентировочные годовые объемы реконструкции, км |
|
I |
капитальный |
16 |
3 |
4000×0,85 |
70 |
|
II |
капитальный |
15 |
3 |
28000×0,85 |
530 |
|
III |
капитальный |
12 |
4 |
50000×0,75 |
780 |
|
III |
облегченный |
И |
4 |
60000×0,5 |
680 |
|
IV |
облегченный |
9 |
5 |
200000×0,4 |
1780 |
|
IV-V |
переходный |
3 |
8 |
180000×0,3 |
2250 |
|
Итого |
|
|
|
|
6090 |
Примечание. Доля дорог, подлежащая реконструкции, считается на период после расчетного количества капитальных ремонтов.
Другой важный вывод, вытекающий из выполненных расчетов, состоит в том, что наибольшие объемы работ предстоит выполнить на дорогах III-IV категорий с облегченным типом дорожных одежд и на дорогах IV-V категорий с переходным типом дорожных одежд. Таким образом, реконструкция существующих дорог в ближайший период будет занимать все большую долю в общих объемах дорожных работ России.
Особого внимания при строительстве новых и реконструкции существующих дорог требует проблема повышения капитальности дорожных покрытий, вызванная существенным увеличением осевых нагрузок тяжелых грузовых автомобилей и относительной доли их в составе транспортных потоков.
Отражением этих изменений явились повышенные требования к прочности дорожных одежд, предусмотренные в новых нормах ОДН 218.046-01 «Проектирование нежестких дорожных одежд», разработанных коллективом специалистов Союздорнии и его филиалов, МАДИ (ГТУ), СибАДИ, Росдорнии и других организаций под общим руководством проф. В.Д. Казарновского и канд. техн. наук В.М. Юмашева, [65].
С появлением автомобилей на дорогах возникла проблема создания научно-технической базы и подготовки специалистов для строительства автомобильных дорог. Известную роль в этом сыграла кафедра «Обыкновенных дорог» Петроградского института инженеров путей сообщения, возглавляемая видным ученым в области проектирования и изысканий шоссейных дорог профессором Г.Д. Дубелиром. В 1924 г. на четырех курсах Ленинградского и Московского институтов инженеров путей сообщения и несколько позднее в Московском высшем техническом училище им. Баумана вводится специализация в области местного транспорта. В Ленинградском институте к руководству кафедрой «Дорожное дело» был привлечен военный инженер, позднее профессор, Л.В. Новиков. С 1926 г. кроме курса дорожного дела вводятся курсы по грунтовым дорогам, усовершенствованным дорогам, дорожным машинам, автомобилям и т.д.
В Ленинградском институте инженеров путей сообщения к педагогической работе по специальности «Местный транспорт» привлекаются ассистенты Н.Н. Иванов (позднее докт. техн. наук, проф. Московского автомобильно-дорожного института, лауреат Государственных премий), А.И. Анохин (впоследствии докт. техн. наук, проф. Ленинградского, а затем Сибирского автомобильно-дорожных институтов) и В.В. Арнольд (впоследствии докт. техн. наук, проф.) и др. (Богомолов А.И. Развивалась сеть дорог, росли кадры дорожников // Автомоб. дороги. - 1967. - № 11. - С. 8-9).
Наряду с подготовкой инженеров в Москве организуется Высшая автодорожная школа, в задачу которой входила переподготовка специалистов для автомобильного транспорта и дорожного строительства. В конце 20-х г. г. отделения местного транспорта в Ленинградском и Московском институтах инженеров путей сообщения были преобразованы в автодорожные факультеты, а через некоторое время (в конце 1930 г.) на базе автодорожного факультета МИИТ и Высшей автодорожной школы был организован Московский автомобильно-дорожный институт. В 1931 г. на базе факультета организуется Ленинградский автомобильно-дорожный институт. Одновременно такие институты создаются в Харькове, Саратове и Омске. Так проходила организация автодорожных высших учебных заведений, подготовивших большое число специалистов высокой квалификации.
Великая Отечественная война нарушила планомерное развитие автодорожного образования. Был разрушен полностью Харьковский автомобильно-дорожный институт. Многие профессора, преподаватели, аспиранты и студенты вступили в ряды Советской Армии. В рядах армии были профессора и преподаватели Н.В. Орнатский, Ю.Н. Даденков, А.К. Бируля, Л.Л. Афанасьев, В.Ф. Бабков, А.П. Хмельницкий, С.М. Полосин-Никитин, Б.Г. Решетников, Ф.Н. Пантелеев, А.М. Антонов, К.Н. Прокофьев, B.C. Кириллов и многие другие.
По окончании войны в связи с дальнейшим развитием автодорожного хозяйства потребность в инженерных кадрах резко возросла. Создается Киевский автомобильно-дорожный институт, затем организуются факультеты по подготовке инженеров автомобильного транспорта и дорожного строительства в новых вузах союзных республик.
В организации автодорожного образования и воспитании высококвалифицированных дорожных кадров заложен большой труд профессоров П.В. Сахарова, П.Н. Шестакова, Н.В. Орнатского, А.А. Милашечкина, И.И. Прокофьева, Л.Л. Афанасьева, В.Ф. Бабкова, Г.И. Зеленкова, И.А. Романенко, М.И. Волкова, Ю.Н. Даденкова, В.Т. Федорова и др.
Первые исследовательские работы в области дорожного хозяйства были направлены на изучение грунтов как материала для строительства дорог. Во вновь созданных в 1930 г. автодорожных институтах, в Ленинградском и Московском университетах были организованы кафедры грунтоведения и механики грунтов.
Одной из первоочередных задач дорожников того времени было улучшение грунтовых дорог, состояние которых по мере роста автомобильного движения становилось все более неудовлетворительным. Для повышения эффективности использования грунта и других местных материалов, как, например, гравия были разработаны и теоретически обоснованы оптимальные смеси, получившие широкое применение для устройства проезжей части дорог. В успешном использовании грунтов в дорожном строительстве решающую роль сыграли труды профессоров Н.Н. Иванова, Н.В. Орнатского, М.М. Филатова, В.В. Охотина. В их монографиях и руководствах были изложены основные результаты многолетних исследований в этой области и даны практические рекомендации строителям (Н. Иванов, А. Бируля, А. Калерт, В. Михайлов, Н. Пузаков, Н. Хартута. За годы советской власти создана отечественная дорожная наука // Автомоб. дороги. - 1967. - №7. - С. 10-12).
С 1935 г. начались исследования по уплотнению грунтов в насыпях. В этих исследованиях приняли участие докт. техн. наук Н.Н. Иванов, канд. техн. наук М.Я. Телегин, а затем докт. техн. наук А.К. Бируля и канд. техн. наук В.И. Бируля. Вопросы уплотнения грунта и других материалов нашли свое дальнейшее развитие в работах докт. техн. наук И.Я. Хархуты и канд. техн. наук Ю.М. Васильева. После 1941 г. был издан учебник для автодорожных вузов «Грунтоведение и механика грунтов», составленный профессорами Н.В. Орнатским, В.Ф. Бабковым и др.
Изучение грунтов слабых оснований, выполненное под руководством Н.П. Кузнецовой, Н.Н. Иванова, А.А. Арсеньева, позволило получить ценные теоретические и практические выводы для постройки земляного полотна на болотах.
С целью повышения прочности и устойчивости земляного полотна, а также для разработки новых норм на его проектирование были использованы методические работы профессоров А.Ф. Лебедева, М.И. Сумгина (исследовательское бюро ЦУМТ), а также работы Н.А. Пузакова, начатые им в 30-х гг. в ЛАДИ под руководством проф. Г.Д. Дубелира. На основе наблюдений пучинных станций, организованных в 1936-1940 гг., опубликованы материалы Н.В. Орнатского, Н.А. Пузакова, А.Я. Тулаева, С.Л. Бастамова, Л.А. Преферансовой по исследованию пучинообразования на дорогах и регулированию водного режима дорожных оснований. В последующие годы были проведены крупномасштабные, в том числе региональные исследования водно-теплового режима земляного полотна и мер повышения его устойчивости. Крупными итоговыми работами в области теории влагонакопления в грунтах земляного полотна и рекомендаций по повышению его устойчивости явились докторские диссертации и монографии Н.А. Пузакова, И.А. Золотаря, В.М. Сиденко, А.Я. Тулаева, Э.М. Доброва, Н.Е. Евгеньева, Н.Я. Хархуты, Ю.М. Васильева, Э.К. Кузахметовой, В.Д. Казарновского, В.И. Рувимского, В.П. Носова, Е.И. Шелопаева, А.И. Ярмолинского, A.M. Кулижникова, А.В. Линцера.
При строительстве автомобильных дорог в районах, не обеспеченных каменными материалами, важное значение имеет широкое использование местных грунтов для устройства дорожных одежд. С первых дней существования Дорожно-исследовательского бюро ЦУМТа (1923-1925 г. г.) разработке различных методов укрепления грунтов уделялось много внимания. Значительный вклад в это дело внес М.М. Филатов. Его труд «Основы дорожного грунтоведения» был издан в 1936 г.
Способы укрепления грунтов, основанные на использовании различных местных вяжущих материалов и скелетных добавок для строительства временных дорог и аэродромов, нашли широкое применение особенно в годы войны. С 1956 г. получают распространение комплексные методы укрепления грунтов, разработанные Союздорнии и многими другими научно-исследовательскими коллективами. Эти методы сочетают в себе активное воздействие на грунт портландцемента, извести или битума, а также химических веществ, изменяющих коллоидно-химическую природу грунта и способствующих ускоренному формированию структуры укрепленного грунта.
Начавшееся практическое внедрение способов укрепления грунтов получило широкое признание и поддержку инженеров-производственников.
В разработку методов укрепления грунтов большой вклад внесли профессора В.М. Безрук, А.К. Бируля, Н.Н. Иванов, а также А.Н. Лысихина, Л.Н. Ястребова и многие другие. К важнейшим научным исследованиям, которые начали развивать более 70 лет тому назад, относятся работы по механике грунтов земляного полотна и теории прочности дорожных одежд Н.Н. Иванова, П.П. Пономарева и др. На основе лабораторных и производственных исследований, анализа зарубежных данных и наблюдений за эксплуатируемыми дорогами в Союздорнии разработан метод расчета дорожных одежд нежесткого типа, которым руководствовались все проектные организации Советского Союза. В этой работе участвовали профессора Г.И. Покровский, А.М. Кривисский, В.Ф. Бабков, М.Б. Корсунский, А.В. Герберт-Гейбович, А.К. Бируля и др.
Впоследствии метод расчета дорожных одежд нежесткого типа совершенствовался и развивался, а инструкция по проектированию таких одежд неоднократно перерабатывалась и переиздавалась с участием ученых Ю.М. Яковлева, В.Д. Казарновского, Ю.М. Васильева, А.П. Васильева, В.П. Носова, М.С. Коганзона, А.В. Смирнова, В.М. Сиденко, А.Я. Тулаева, Б.С. Радовского, В.К. Некрасова, Е.А. Золотаря, В.И. Рувимского и других специалистов.
По мере развития автомобильного транспорта и роста интенсивности движения все более остро выявлялась необходимость строительства дорог с усовершенствованными покрытиями, в которых каменные материалы прочно объединялись бы битумом, дегтем, эмульсией, цементом, известью. Уже в 1925 г. в Крыму были проведены первые опыты по устройству усовершенствованных покрытий с применением дегтя, а затем битума. Эти опыты в дальнейшем распространились по всей стране. С 1928 г. начато строительство асфальтобетонных, а с 1930 г. - цементобетонных покрытий.
Большой коллектив ученых и производственников, положивших начало строительству дорог с усовершенствованными черными покрытиями, - П.В. Сахаров, Н.Н. Иванов, А.Я. Тихонов, А.И. Мезерина, А. К. Бируля, А.А. Калерт, Б.А. Козловский, В.В.Михайлов, А.И. Лысихина, Ф.Н.Пантелеев, М.Г. Старицкий, В.А. Зинюхин, Г.А. Саркисьянц, И.Я. Птицин, С.Т. Сохранский - разработал теоретические основы строительства дорог с черными покрытиями, нормативные документы по технологии производства работ, требования на материалы, а также рекомендации по контролю качества.
В послевоенный период в связи с ростом строительства автомагистралей (Москва - Симферополь, Киев - Харьков - Ростов, Ростов - Орджоникидзе и др.), расширились исследования в области черных покрытий и пополнился состав исследователей (И.А. Рыбьев, Б.И. Ладыгин, М.И. Волков, М.А. Зелейщиков, Н.В. Горелышев, Е.Н. Козлова, Л.Б. Гезенцвей, М.Ф. Никишина, А.С. Колбановская, В.В. Молеванский, Г.К. Сюньи, В.М. Гоглидзе, З.С. Бицкинашвили и др.). Участие большого коллектива ученых и производственников позволило не только коренным образом, с учетом современных требований, переработать основные технические нормативные документы по устройству асфальтобетонных и других черных покрытий (ГОСТы, Инструкции, Указания), но и опубликовать крупные монографии и учебные пособия, которыми широко пользуются в нашей стране и за рубежом.
Над повышением прочности и долговечности черных покрытий, которые являются доминирующими на дорогах России, продолжали трудиться многие специалисты-дорожники. К наиболее крупным работам в этой области следует отнести исследования по теории асфальтобетона (Н.Н. Иванов, И.А. Рыбьев), позволившие научно обосновать ряд вопросов структурообразования этого материала, уточнить требования и предложить технологический процесс приготовления смеси и ее применения в дорожных покрытиях. К числу наиболее крупных обобщений и исследований в области асфальтобетона относятся работы Л.Б. Гезенцвея, Н.В. Горелышева, И.В. Королева, А.Н. Богуславского, А.В. Руденского, В.А. Золотарева, В.Н. Кононова, Б.И. Ладыгина, Я.В. Ковалева, В.Н. Яромко.
Большое значение для повышения качества и долговечности черных покрытий имеют исследования, связанные с улучшением свойств дорожных битумов и с применением поверхностно-активных веществ (В.В. Михайлов, А.С. Колбановская, Р.С. Ахметова). В этих исследованиях теоретически обоснованы и сформулированы требования к дорожным битумам, определена оптимальная их структура и даны предложения по технологии получения битумов оптимальной структуры с учетом природы перерабатываемой нефти. Исследования в области поверхностно-активных и модифицирующих веществ позволили научно обосновать механизм их действия на свойства битума и битумоминеральных материалов и показать их огромное влияние на повышение водоустойчивости, морозоустойчивости черных покрытий (В.В. Михайлов, И.М. Руденская, Л.М. Гохман, И.А. Плотникова и др.).
Используя эффект взаимодействия свежеобразованной поверхности минеральных материалов (при дроблении или обдирке) с органическими вяжущими материалами, Л.Б. Гезенцвей предложил способ активации минерального порошка для повышения качества асфальтобетона. С целью повышения сдвигоустойчивости и транспортно-эксплуатационных качеств (шероховатости) дорожных покрытий предложены и широко внедряются каркасные асфальтобетонные смеси, разработанные под руководством Н.В. Горелышева. Перечисленные работы в области теории асфальтобетона, структурообразования битумов и битумоминеральных материалов, технологии производства работ по строительству черных покрытий являются новым шагом в области повышения их прочности и долговечности.
Научные исследования по применению неорганических вяжущих материалов для устройства дорожных покрытий в СССР начались в 1930-1931 г. г. В это время И.П. Александрин в лаборатории Ленинградского института инженеров транспорта вел первые исследования физико-технических свойств дорожного цементного бетона. Тогда же были устроены первые участки цементобетонных покрытий на дорогах Белоруссии, а в 1935 г. - на дороге Москва - Горький. В 1937 г. Союздорнии и его Ленинградский филиал начали более широкие исследования дорожного бетона и разработали первые конструкции цементобетонных покрытий и технологию их устройства с применением комплексной механизации (И.П. Александрин, Ф.Т. Резник, А.Н. Защепин, Н.В. Чиняев). На основе экспериментальных работ, проведенных на опытном участке Союздорнии в 1937-1938 г. г. на автомагистрали Москва - Минск, были разработаны технические нормативы и технология устройства цементобетонных покрытий, а также технические требования к бетоноукладочным машинам.
Всесторонние исследования технологии дорожного бетона, методов проектирования и устройства бетонных покрытий были возобновлены после окончания Великой Отечественной войны. В этот период группа научных работников Союздорнии (А.Н. Защепин, Ф.М. Иванов, Т.Ю. Любимова, В.А. Шильников, М.С. Зельманович) под руководством С.В. Шестоперова и А.В. Саталкина провели исследования по структурообразованию, повышению долговечности и деформативных свойств дорожного бетона, разработали требования к портландцементам для дорожного бетона, исследовали свойства бетона с поверхностно-активными добавками. Совместно с цементной промышленностью был организован выпуск пластифицированного цемента.
Проведены исследования и производственный опыт дали возможность разработать технические правила по строительству дорог с бетонными покрытиями. В 1957 г. впервые в СССР был разработан ГОСТ на дорожный бетон. Исследования в области конструкций цементобетонных покрытий имели целью повышение их надежности и экономичности, а также изучение работы покрытия в комплексе с работой основания и земляного полотна. Развитию этих исследований посвящены работы С.В. Коновалова, В.А. Чернигова. A.M. Шейнина, Л.А. Феднера, В.В. Ушакова, В.И. Орловского, Э.Р. Пинуса и др.
Теоретические и экспериментальные исследования по технологии дорожного бетона, конструкциям бетонных покрытий и технологии их устройства обобщены в ряде нормативных документов (СНиП, ГОСТы, Инструкции), которые позволяют проектировать и строить дороги с бетонными покрытиями на современном научном уровне.
Большой вклад в развитие методов организации дорожных работ, внедрения новых технологий и средств механизации внесли А.А. Арсеньев, А.М. Антонов, М.И. Вейцман, B.C. Боровик, Б.Н. Гришаков, А.С. Еленович, Е.М. Зейгер, С.В.Коновалов, Е.Ф.Левицкий, Б.С. Марышев, В.М. Могилевич, Б.М. Орешкин, СМ. Полосин-Никитин, А.К. Петрушин, М.Н. Ритов, Г.А. Рамаданов и многие другие.
Сеть автомобильных дорог России создавалась в течение многих лет. В процессе эксплуатации дороги постепенно изнашиваются физически, устаревают морально и перестают отвечать возрастающим требованиям движения транспортных потоков. В настоящее время значительная часть существующих дорог требует реконструкции. Дорожная наука долгое время не уделяла этой проблеме должного внимания. В 1978 г. по инициативе проф. В.Ф. Бабкова вышла первая монография «Реконструкция автомобильных дорог», подготовленная коллективом ученых МАДИ (В.Ф. Бабков. В.М. Могилевич, В.К. Некрасов, Ю.М. Ситников, А.Я. Тулаев).
Исследования проблем реконструкции автомобильных дорог продолжаются в МАДИ (ГТУ) под руководством профессора А.П. Васильева. В 1998 г. издана книга «Реконструкция автомобильных дорог. Технология и организация работ» (авторы А.П. Васильев, Ю.М. Яковлев, М.С Коганзон, А.Я. Тулаев, П.П. Петрович, М.Г. Горячев). На основании обобщения результатов выполненных исследований разработаны первые нормы реконструкции автомобильных дорог.
Круг исследований по проблемам строительства и реконструкции дорог непрерывно расширяется. Появляются новые технологии, материалы, средства механизации и методы организации работ. Дорожная наука России продолжает развивать и совершенствовать научно-техническую базу дорожного хозяйства.
Основной целью строительства автомобильной дороги является создание комплекса ее инженерных сооружений с заданными потребительскими свойствами при минимальных затратах финансовых, материальных, трудовых ресурсов и при минимальных сроках строительства.
Технический уровень принятых проектных решений и технологические способы их осуществления в процессе строительства предопределяют транспортно-эксплуатационное состояние вновь построенной и вводимой в эксплуатацию автомобильной дороги; эффективность и качество дорожного строительства непосредственно зависят от применяемой технологии работ и ее соответствия проектным и нормативным требованиям к потребительским свойствам автомобильной дороги.
Технология дорожно-строительного производства - способы, приемы и последовательность изготовления дорожно-строительной продукции или выполнения строительно-монтажных и других видов работ (например, способы разработки грунта, способы и режимы приготовления бетонных смесей - непрерывным или периодическим процессом, принудительным или свободным перемешиванием и т.д.), обеспечивающие рациональное использование всех ресурсов (материалов, машин, энергии, трудовых затрат и др.).
Технология - составная часть строительного процесса, включающего заготовительные, транспортные (кроме технологического транспорта) и другие работы, а также энергетическое, водо- и теплотехническое обеспечение и т.д.
Технология дорожного строительства включает в себя физические (например, механические и др.), физико-химические (твердение бетона, извести и др.), а также иные механизированные, автоматизированные способы и процессы обработки и переработки материалов и полуфабрикатов, обработки и монтажа изделий, в результате осуществления которых создаются отдельные конструктивные элементы и автомобильная дорога в целом как комплекс инженерных сооружений с заданными потребительскими свойствами.
Перечисленные процессы носят название технологических. В состав современной технологии дорожного строительства входит также технический контроль качества выполняемых процессов, операций и готовой продукции.
В результате обобщения данных науки и практики по всем видам дорожно-строительных работ разработаны правила выполнения и описания технологических процессов в виде регламентов, технологических карт и других документов. Однако по целому ряду сложных вопросов технологические основы строительства автомобильных дорог продолжают формироваться. Среди них можно выделить, например, автоматизированное управление технологическими процессами, обеспечивающее с заданной вероятностью требуемые потребительские свойства дорожных сооружений.
Развитие технологии дорожного строительства происходило постепенно по мере развития конструктивных решений и расширения номенклатуры материалов и машин, применяемых для строительства дорог. Первоначально были механизированы отдельные технологические операции и процессы. Например, резание грунта, перемещение грунтов и других дорожно-строительных материалов, уплотнение грунтов и дорожно-строительных материалов.
Постепенно основные дорожно-строительные процессы стали выполнять с помощью комплексной механизации, что позволило сократить использование ручного труда на дорожных работах. Примерами комплексной механизации являются работы по возведению земляного полотна с помощью современных дорожно-строительных машин, устройство оснований из щебня с помощью автогрейдеров или щебнеукладчиков и самоходных катков, устройство асфальтобетонных и цементобетонных покрытий укладчиками не оборудованными следящими системами для обеспечения ровности и др.
Следующим этапом развития является частичная автоматизация отдельных технологических процессов, в частности, автоматизированный контроль поперечного уклона и обеспечение ровности при устройстве покрытий и оснований с помощью электронной следящей системы, автоматизированное соблюдение заданного состава смеси при ее приготовлении на автоматизированных асфальто- и цементобетонных заводах.
Технологические решения должны обеспечивать выполнение работ в заданные сроки, быть наиболее экономичными, энергосберегающими, обеспечивать высокое качество выполняемых работ при соблюдении требований охраны природы. Одним из основных направлений совершенствования методов строительства автомобильных дорог в настоящее время является автоматизация производственных процессов. Автоматизированы многие производственные предприятия (АБЗ, ЦБЗ и др.), линейная дорожная техника (укладчики, планировочные машины и др.), как правило, оборудована системами автоматического регулирования (САР).
Другим важным направлением развития технологии строительства автомобильных дорог является комплексная механизация и автоматизация основных технологических процессов за счет использования дорожно-строительных машин с рабочими органами, оснащенными САР. Такие машины могут обеспечивать высокие темпы и качество работ, что способствует повышению экономической эффективности дорожного строительства. Частичная и полная автоматизация дорожно-строительных машин необходима и эффективна в случаях, когда человек не может с требуемой точностью и в заданном режиме управлять машиной из-за предела его физиологических возможностей или в силу небезопасности такого управления. Важным резервом совершенствования дорожно-строительных машин является повышение их единичной мощности.
За счет изменения и развития технологии производства работ, в том числе за счет применения более совершенных машин, более эффективных материалов, использования более точных и производительных средств контроля качества можно обосновать выбор наиболее оптимального по стоимости варианта производства работ. Так, например, использование следящих систем позволяет в автоматизированном режиме с заданной вероятностью обеспечить требуемую ровность.
Снижение стоимости дорожного строительства достигается за счет широкого использования местных дорожно-строительных материалов, отходов промышленности, рациональной организации работ, продления строительного сезона с постепенным переходом к круглогодичной технологии работ, оптимальной стадийности строительства, применения новых высокоэффективных материалов и конструкций и т.д.
Технология работ отвечает на вопросы, как и какими средствами выполнять технологические операции и процессы. Организация работ отвечает на вопросы когда, где и кому из работающих выполнять технологические операции и процессы, представляет собой увязку используемых для строительства ресурсов во времени и пространстве. Специфическая трудность дорожного строительства состоит в том, что в обычных атмосферных условиях при переменных во времени температуре и влажности необходимо обеспечить формирование требуемых свойств дорожных сооружений и, в первую очередь, их прочности.
Критериями выбора оптимального варианта технологии работ в конкретных условиях строительства являются качество и стоимость сооружения. В общем случае качество автомобильной дороги охватывает ее транспортно-эксплуатационные, технологические, экологические, эргономические, эстетические и другие свойства, включая ожидаемый срок службы. Интегральным критерием уровня качества автомобильной дороги обычно является ее эффективность, оцениваемая как отношение полезного эффекта от эксплуатации к суммарным затратам на строительство и эксплуатацию дороги.
Дальнейшее совершенствование методов строительства автомобильных дорог связано с решением ряда крупных проблем, среди которых можно выделить как наиболее важные следующие проблемы:
развитие методов оценки строительно-технических свойств грунтов и разработка эффективных способов их укрепления вяжущими материалами и добавками поверхностно-активных, гидрофобизирующих и других химических веществ, применение различных геосинтетических материалов с целью армирования, дренирования, защиты грунтов от эрозии и т.п.;
изучение структуры, прочности, коррозионной стойкости минеральных материалов (щебня, гравия), побочных продуктов (шлака и др.) и отходов промышленности (хвосты, флюсы и др.), совершенствование способов их применения, использования и оценки свойств;
исследование свойств органических вяжущих (битумы, дегти, эмульсии, битумосодержащие горные породы) с добавками полимерных, поверхностно-активных, структурирующих и других химических веществ; совершенствование способов получения и применения органических вяжущих;
совершенствование технологии строительства асфальтобетонных покрытий из различных видов смесей с учетом их технологических особенностей, изучение особенностей поведения асфальтобетона в дорожных покрытиях в различных районах страны;
исследование неорганических вяжущих, химических добавок (противоморозных, пластифицирующих и др.), создание дорожных бетонов с высокими сроками службы в различных условиях эксплуатации;
разработка технологии строительства бесшовных непрерывно армированных цементобетонных покрытий и оснований, в том числе из укатываемого бетона;
разработка научных основ дорожного машиностроения, расширение номенклатуры и типоразмеров дорожных машин;
создание современных асфальтобетонных и цементобетонных заводов, битумных и эмульсионных баз, камнедробильных заводов на основе комплексной механизации, автоматизации и передовой технологии работ;
создание электронных высокоточных и производительных приборов для контроля качества дорожных работ.
Под работоспособностью автомобильной дороги понимают свойство обеспечивать в течение заданного периода эксплуатации до ее реконструкции расчётный объем автотранспортных перевозок и допустимый уровень обслуживания движения. Работоспособность автомобильной дороги, представляющей собой комплекс дорожных инженерных сооружений, зависит от работоспособности каждого из них. Одним из основных дорожных сооружений является система «дорожная одежда - земляное полотно», которую принято называть дорожной конструкцией.
Длительное время под работоспособностью дорожной одежды подразумевали технико-экономический показатель, характеризующий полезную работу дороги за время ее службы. Он определялся массой грузов и транспортных средств (массой брутто), пропущенной через данное сечение автомобильной дороги, в результате чего она приходила в предельное состояние, при котором необходим ее ремонт. Работоспособность за период от сдачи дороги в эксплуатацию до капитального ремонта или между капитальными ремонтами называлась полной, за период от сдачи ее в эксплуатацию до среднего ремонта или между средними ремонтами - частичной. В настоящее время в связи с радикальными изменениями состава движения на автомобильных дорогах указанный технико-экономический показатель нуждается в уточнениях.
Под работоспособностью дорожной одежды понимают свойство обеспечивать в течение заданного периода эксплуатации до ее капитального ремонта расчетный объем автотранспортной работы и допустимый уровень обслуживания движения. Заданный период эксплуатации дорожной конструкции (дорожной одежды и рабочей зоны земляного полотна) обычно равен периоду времени от ввода автомобильной дороги до ее реконструкции или между двумя последовательными реконструкциями. В течение этого периода дорожная конструкция должна обладать показателями и характеристиками, обеспечивающими требуемый уровень потребительских свойств автомобильной дороги, в том числе:
геометрические элементы, соответствующие требуемой пропускной способности, скорости, безопасности и удобству движения;
прочность дорожной конструкции;
ровность дорожного покрытия;
сцепные свойства покрытия проезжей части.
Фактический срок службы дорожной одежды оценивают по изменению во времени основных показателей ее эксплуатационного состояния - прочности и ровности. Исследования привели к выводу, что изменение ровности дорожного покрытия во времени, в свою очередь, зависит от прочности дорожной одежды в целом и суммарного размера пропущенного движения. В связи с этим обеспечение прочности дорожной конструкции и ее основного элемента - дорожной одежды - является важнейшим условием обеспечения работоспособности автомобильной дороги и одной из главных ее задач.
Чтобы обеспечить требуемые потребительские свойства автомобильной дороги, в процессе ее строительства необходимо выполнить ряд условий:
обеспечить требуемую прочность и устойчивость земляного полотна;
обеспечить прочность дорожной одежды, в том числе в зонах контакта между ее конструктивными слоями;
обеспечить начальную (строительную) и эксплутационную ровность проезжей части.
Прочность и устойчивость грунта земляного полотна в рабочем слое оценивают по величине коэффициента прочности по сопротивлению сдвигу, то есть активным касательным напряжениям от действия расчетной транспортной нагрузки. Прочность монолитных слоев дорожной одежды оценивают по величине коэффициента прочности по сопротивлению растяжению при изгибе от действия расчетной транспортной нагрузки. Прочность дорожной конструкции в целом оценивают по величине коэффициента прочности по общему модулю упругости (сопротивлению вертикальному упругому перемещению под действием расчетной транспортной нагрузки).
Для обеспечения прочности и устойчивости земляного полотна при строительстве дорожной конструкции требуется обеспечивать в допустимых пределах однородность (то есть уменьшить по возможности величину коэффициентов вариации) строительно-технических свойств грунтов по слоям их разработки и отсыпки в земляном полотне; однородность влажности и толщины слоев грунта при их уплотнении; водоотвод в карьерах и на месте строительства; оптимальную влажность и максимальную плотность используемых грунтов; требуемую ровность отсыпаемых слоев грунта земляного полотна.
При строительстве конструктивных слоев из песка, щебеночных и гравийных материалов необходимо контролировать и обеспечивать в допустимых пределах однородность материалов по составу и строительно-техническим свойствам в местах их заготовки и укладки; однородность влажности и толщины слоев при их уплотнении; требуемые влажность, близкую к оптимальной, плотность и ровность конструктивных слоев из указанных материалов; исключение движения автомобилей по неуплотненным слоям из щебеночного и гравийного материалов.
При строительстве конструктивных слоев из материалов, обработанных органическими вяжущими, следует обеспечивать чистоту, ровность и прочность нижележащего слоя; однородность слоя по составу, физико-механическим свойствам и температуре при укладке; требуемую среднюю температуру смеси при уплотнении, плотность, толщину и ровность слоя.
При строительстве конструктивных слоев дорожной одежды из материалов, обработанных неорганическими вяжущими (цемент и др.) необходимо обеспечивать однородность состава и физико-механических (в том числе прочностных) свойств исходных для бетона материалов; однородность состава, подвижность (удобоукладываемость) и физико-механические свойства цементобетонной смеси; стабильность технологических режимов работы комплекта бетоноукладочных машин; требуемый средний уровень подвижности смеси; толщину укладываемого слоя и его ровность при уплотнении; стабильность влажности бетона в процессе его твердения; исключение движения автомобилей по бетону в начальный период его твердения.
При строительстве дорожных одежд необходимо создать условия для того, чтобы исключить или уменьшить в ходе строительства деструктивные процессы (процессы разрушения) и способствовать по возможности процессу структурообразования. Например, не допускать раскалывания щебенок и округление их углов (перекат) при уплотнении; не допускать возникновения температурно-усадочных трещин посредством эффективного ухода за бетоном; замедлять процессы старения битума. Целесообразно повышать в пределах имеющихся возможностей начальные эксплуатационные качества (повышать средние значения и снижать коэффициенты вариации показателей прочности, ровности, шероховатости) верхнего слоя покрытия, осуществлять оперативный контроль качества выполнения технологических операций с корректировкой по результатам контроля параметров технологических процессов с целью поддержания стабильного оптимального технологического режима работы машин.
Для повышения качества дорожного строительства целесообразно использовать отдельные положения теории надежности технических систем. Под надежностью автомобильной дороги понимают вероятность того, что дорога в течение заданного периода эксплуатации обеспечит требуемый объем транспортной работы с установленными эксплуатационными показателями движения. В наибольшей степени отдельные положения теории надежности развиты применительно к обеспечению прочности дорожных одежд.
В теории надежности технических систем различают безотказность (в том числе начальную), ремонтопригодность, долговечность (или наработку на отказ), сохраняемость.
Под безотказностью автомобильной дороги понимают вероятность того, что фактические значения показателей потребительских свойств дороги будут соответствовать их требуемым значениям. Под начальной безотказностью автомобильной дороги понимают вероятность того, что в момент окончания строительства и сдачи дороги в эксплуатацию фактические значения показателей потребительских свойств дороги соответствовали их требуемым значениям. Для определения вероятности отказа по тому или иному показателю необходимо установить закон и параметры закона распределения случайной величины, характеризующей изменчивость этого показателя. Под отказом понимают событие, заключающееся в полной или частичной утрате работоспособности автомобильной дороги.
Под ремонтопригодностью автомобильной дороги понимают ее свойство восстанавливать свою работоспособность в результате проведения соответствующих ремонтных работ. Под долговечностью автомобильной дороги понимают период времени, в течение которого она сохраняет работоспособное состояние, то есть обеспечивает транспортную работу с установленными эксплуатационными показателями движения в течение периода времени от сдачи дороги в эксплуатацию до ее реконструкции или между двумя последовательными реконструкциями.
Отказы автомобильных дорог возникают, как правило, вследствие влияния существенных дефектов дорожных сооружений. Отказы могут быть внезапными и постепенными, полными и частичными, очевидными и скрытыми. Отказы дорожной одежды обычно имеют постепенный характер. Отказ дорожной одежды по прочности физически характеризуется образованием неровностей поверхности дорожной одежды в продольном и поперечном направлении, связанных с прочностью конструкции (продольные неровности, колея, усталостные трещины), с последующим развитием других видов деформаций и разрушений (частые трещины, сетка трещин, выбоины, просадки, проломы и т.д.). Номенклатура дефектов и методика их количественной оценки определяются специальными нормами, используемыми при эксплуатации дорог.
В
качестве количественного показателя отказа дорожной одежды как элемента
инженерного сооружения линейного характера используют предельный коэффициент
разрушения
, представляющий собой отношение суммарной протяженности (или
суммарной площади) участков дороги, требующих ремонта из-за недостаточной
прочности дорожной одежды, к общей протяженности (или суммарной площади)
участков дороги или к общей протяженности (или общей площади) дороги между
корреспондирующими пунктами. Значения
на последний год службы в зависимости от капитальности
дорожной одежды и категории дороги принимают в соответствии с отраслевыми
дорожными нормами [4].
В табл. 1.5 приведены экспериментальные данные, характеризующие зависимость величины предельного коэффициента разрушения дорожной одежды от уровня ее надежности по прочности и от коэффициента ее прочности (по модулю упругости).
Таблица 1.5
|
Предельный коэффициент разрушения |
Уровень надежности |
Коэффициент прочности |
|
0,002 |
0,998 |
1,40 |
|
0,01 |
0,99 |
1,27 |
|
0,02 |
0,98 |
1,21 |
|
0,03 |
0,97 |
1,17 |
|
0,04 |
0,96 |
1,14 |
|
0,05 |
0,95 |
1,11 |
|
0,06 |
0,94 |
1,09 |
|
0,08 |
0,92 |
1,05 |
|
0,10 |
0,90 |
1,02 |
|
0,15 |
0,85 |
0,96 |
|
0,20 |
0,80 |
0,91 |
|
0,30 |
0,70 |
0,83 |
|
0,40 |
0,60 |
0,76 |
Математически эта зависимость может быть выражена следующим образом:
где (1.1)
(1.2)
Fр - вероятная площадь дорожной одежды с разрушениями;
F - общая площадь дорожной одежды на данном участке;
Р - вероятность (обеспеченность), численно равная отношению площади одежды, не подверженной разрушениям, к общей площади одежды на данном участке; эту вероятность принято называть надежностью дорожной одежды по прочности, ее численное значение определяют по формуле:
Р = 0,5 + Ф(u), (1.3)
(1.4)
(1.5)
Ф(-u)= - Ф(u), где (1.6)
Кпр - текущее (случайное) значение коэффициента прочности дорожной одежды по модулю упругости
![]()
Еф - фактическое среднее значение модуля упругости дорожной одежды, МПа;
Еmin - минимально допустимое значение требуемого модуля упругости дорожной одежды, МПа;
- среднеквадратичное отклонение
модуля упругости дорожной одежды, МПа; для эмпирических данных, приведенных в
табл. 1.1,
= 0,249;
-
математическое ожидание (среднее значение) коэффициента прочности дорожной
одежды, имеющей разрушения; для данных, приведенных в табл. 1.5:
(1.7)
Ф(u) - интегральная функция, зависящая от изменения верхнего предела интегрирования u; Ф(u) является нечетной функцией, что выражено в формуле (1.6); функция Ф(u) табулирована (табл. 1.6) [47]:
Таблица 1.6
|
u |
Ф(u) |
|
0,00 |
0,0000 |
|
0,50 |
0,1915 |
|
1,00 |
0,3413 |
|
1,50 |
0,4332 |
|
2,0 |
0,4772 |
|
2,50 |
0,4938 |
|
3,00 |
0,49865 |
Для практических целей удобнее пользоваться формулой, аппроксимирующей данные табл. 1.6:
(1.8)
При заданном уровне надежности дорожной одежды можно определить требуемый коэффициент прочности по модулю упругости
(1.9)
Формулы (1.8) и (1.9) получены на основе результатов исследований проф. Ю.М. Яковлева.
Для того чтобы уменьшить отрицательное влияние неизбежной изменчивости прочностных свойств дорожной одежды, а также условий строительства, необходимо обосновать при проектировании и обеспечить при строительстве рациональный запас прочности. Как показали данные опыта строительства и эксплуатации автомобильных дорог и результаты исследований, большинство показателей, характеризующих прочностные свойства дорожной конструкции (модули упругости материалов конструктивных слоев и грунтов, прочность на растяжение при изгибе, сопротивление сдвигу, толщина, плотность, влажность, сцепление слоев и др.), подчиняются, как правило, нормальному закону распределения случайных величин (закону Гаусса). Частным случаем применения этого закона являются формулы (1.3-1.6). Данный закон характерен для случайной величины, зависящей от ряда факторов, каждый из которых вносит относительно небольшой вклад в ее общую изменчивость. Нормальный закон выражается дифференциальной функцией распределения плотности вероятности
(1.10)
и интегральной функцией
F(u) = 0,5 + Ф(u), где (1.11)
![]()
σ - среднеквадратическое отклонение;
а - математическое ожидание случайной величины х;
Ф(u) - табулированная функция (функция Лапласа).
На рис. 1.2 представлены дифференциальная и интегральная кривые распределения модуля упругости дорожной одежды, соответствующего нормальному закону. Изменчивость прочности характеризуется коэффициентом вариации, равным
где (1.12)
σЕ и Еср - среднее квадратическое отклонение и среднее арифметическое значение модуля упругости дорожной одежды.

Рис. 1.2. Дифференциальная f(E) и интегральная F(E) кривые распределения Е
При помощи организационно-технологических мероприятий можно уменьшить изменчивость (вариацию) прочностных показателей дорожной одежды, что позволяет пропорционально снизить запас прочности, расход материалов и стоимость строительства дорожной одежды при обеспечении заданного уровня ее надежности.
Земляное полотно является одним из основных элементов автомобильной дороги. Конструкции земляного полотна разрабатывают на основе данных о рельефе местности, почвенно-грунтовых, геологических, гидрологических и климатических условиях, руководствуясь типовыми поперечными профилями, технологическими указаниями и нормами.
Конструкция земляного полотна должна сохранять прочность и устойчивость при многократных проездах транспортных средств, воздействиях атмосферы и других природных явлениях. На протяжении всего срока службы дороги геометрическая форма земляного полотна должна оставаться неизменной. Основными параметрами конструкции земляного полотна являются ширина, высота насыпи или глубина выемки, крутизна откосов, уклоны поверхности (рис. 2.1, 2.2).

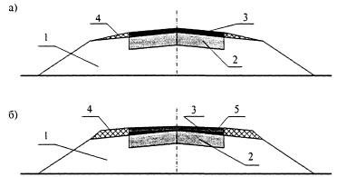
Рис. 2.1. Конструкции земляного полотна в поперечном профиле на участках насыпей:
а - высотой до 2 м; б- высотой до 2 м с боковыми резервами; в - высотой от 2 до 6 м; г - высотой от 6 до 12 м.
А - ширина возводимого земляного полотна; В - ширина дорожного полотна; b - ширина проезжей части
При наличии неблагоприятных условий земляное полотно возводят по индивидуальным проектам. К таким условиям относят: насыпи высотой более 12 м; выемки глубиной более 12 м; наличие слабых грунтов в основании насыпей или болота глубиной более 4 м; расположение дороги на оползневых склонах, при использовании избыточно засоленных грунтов, в случаях если дорога может быть подвержена воздействию селевых потоков, камнепадов, снежных лавин и других явлений.
С целью увеличения устойчивости земляного полотна, сокращения объемов работ и уменьшения занимаемой территории применяют конструкции с армированным земляным полотном. К тому же армирование повышает модуль упругости грунта в 1,5 - 2 раза. Для армирования применяют геосинтетические и металлические сетки и решетки, а также нетканые синтетические материалы.
Для повышения прочности земляного полотна из слабых грунтов применяют различные методы укрепления. Это достигается посредством перемешивания грунта с малоактивными вяжущими материалами (зола, молотый шлак, бокситовый шлам и др.), добавками другого грунта и получения оптимальной смеси по зерновому составу. Возможно укрепление цементом или известью повышающих водостойкость и прочность грунта в несколько раз.
Конструкция земляного полотна подвергается динамическому действию транспортных средств и статическому воздействию расположенных выше масс грунта и дорожной одежды. Кроме нагрузок на грунты воздействуют еще погодно-климатические факторы, которые вызывают процессы попеременного увлажнения-высыхания и замерзания-оттаивания. Во время этих процессов изменяются физико-механические свойства грунтов и, в частности, прочность, модуль упругости, сцепление, сдвигоустойчивость. Особенность конструкций земляного полотна состоит в том, что напряжения в грунтах, возникающие от действия транспортных средств, с глубиной быстро затухают, в то время как от расположенных выше масс грунта возрастают (рис. 2.3). Значительные напряжения от проезжающих автомобилей возникают в верхней части насыпей, в так называемой динамически активной зоне, глубиной 0,6-1,0 м от поверхности покрытия.

Рис. 2.2. Конструкции земляного полотна в поперечном профиле на участках выемок:
а - глубиной до 5 м на снегозаносимых участках; б - глубиной до 12 м с безоткосными полками

Рис. 2.3. Изменение удельной нагрузки по глубине
На верхнюю часть земляного полотна в большей степени воздействуют погодно-климатические факторы, вызывая существенные изменения свойств грунта. В земляное полотно проникает часть влаги при выпадении атмосферных осадков и стоке поверхностных вод, а также в результате капиллярного поднятия влаги при наличии грунтовых вод. Интенсивность изменения количества влаги в грунте земляного полотна зависит от вида грунта, количества атмосферных осадков, продолжительности увлажнения поверхностными или грунтовыми водами и от температурного режима. При замерзании происходит накопление влаги и увеличение объема грунта (пучинообразование). При оттаивании замерзшего грунта происходит его разуплотнение и большая потеря прочности и сопротивляемости внешним нагрузкам (до 30-60 % при супесчаных и суглинистых грунтах и 70-80 % при пылеватых разновидностях). Снижение прочности и возникающие при оттаивании просадочные деформации зависят от скорости оттаивания. Чем быстрее происходит оттаивание, тем больше падает прочность грунтов.
В результате замерзания и оттаивания грунтов, из-за неравномерного накопления влаги может происходить неравномерное поднятие дорожной одежды. Воздействие природных факторов на земляное полотно в разных климатических районах существенно отличается. В северных районах, где близко к поверхности расположены вечномерзлые грунты и промерзание происходит наиболее быстро (10-16 см/сут), миграция влаги в период замерзания незначительна. Это вызывает небольшое морозное пучение грунта. В южных районах, где грунтовые воды залегают глубоко, увлажнение грунта может происходить главным образом за счет атмосферных осадков или поступления влаги из оросительных систем. Благодаря короткому зимнему периоду и небольшим температурам в этих районах, как правило, не происходит морозное пучение и разуплотнение грунта, не наблюдается переувлажнение и потеря прочности грунтов. Однако в отдельных случаях при неблагоприятном сочетании атмосферных явлений пучение возможно. Наиболее неблагоприятными для земляного полотна являются средние климатические условия, зоны избыточного увлажнения, для которых характерны сравнительно длительные зимние периоды. Осенний дождливый период с последующим медленным промерзанием создает наиболее благоприятные условия для влагонакопления и морозного пучения грунтов.
Прочность и устойчивость земляного полотна достигается ограничениями максимальной крутизны откосов в зависимости от высоты насыпей и глубины выемок, отводом поверхностных вод, необходимым возвышением бровки над уровнем поверхностных и грунтовых вод, посредством послойного уплотнения насыпных грунтов, укреплением откосов насыпей и выемок для предохранения от оползения, размыва и развеивания ветром.
Геометрическая форма и конструкция земляного полотна должны способствовать безопасному движению и смягчать последствия при аварийных съездах автомобилей с дороги. Параметры поперечного профиля должны обеспечивать минимальную заносимость дороги снегом или песком. При выборе конструкций земляного полотна следует стремиться к тому, чтобы занимать по возможности минимальную территорию, не нарушать естественный ландшафт, способствовать визуальной привлекательности и отвечать экологическим требованиям.
Грунтами называют любые горные породы, слагающие верхние слои земной коры, преимущественно затронутые процессами выветривания, а в самой верхней части - почвообразованием. По совокупности признаков грунты делят на классы, группы, подгруппы, типы, виды и разновидности. В соответствии с принятой классификацией по характеру структурных связей различают два класса грунтов: скальные и нескальные.
Скальные грунты характеризуются высокой прочностью связей между зернами, залегают в виде сплошного или трещиноватого массива, поддаются разработке только после предварительного рыхления. Скальные грунты различают по прочности в водонасыщенном состоянии (табл. 2.1), степени размягчаемости в воде (табл. 2.2) и степени растворимости в воде (табл. 2.3).
Крупнообломочные и песчаные грунты подразделяют на разновидности в зависимости от зернового состава (табл. 2.4). Наибольшее распространение в дорожном строительстве имеют глинистые грунты, их разновидности представлены в табл. 2.5.
Требования к грунтам, допускаемым к их использованию при строительстве земляного полотна автомобильных дорог, определяются их физическими свойствами. К наиболее существенным физическим свойствам относят: максимальную плотность грунта (при стандартном уплотнении), плотность сухого грунта, плотность минеральных частиц грунта, влажность (при естественном залегании и оптимальная), пористость, высота капиллярного поднятия, коэффициент фильтрации, размываемость, липкость.
Таблица 2.1
|
Разновидность скальных грунтов |
Предел прочности на сжатие Rс, МПа |
|
Очень прочные |
> 120 |
|
Прочные |
120-50 |
|
Средней прочности |
50-15 |
|
Малой прочности |
15-5 |
|
Пониженной прочности |
5-3 |
|
Низкой прочности |
3-1 |
|
Весьма низкой прочности |
< 1 |
Таблица 2.2
|
Разновидности по степени размягчаемости скальных грунтов |
Коэффициент размягчаемости Кр |
|
Неразмягчаемые Размягчаемые |
0,75 < 0,75 |
Примечание. Коэффициент размягчаемости определяют как отношение прочности в водонасыщенном состоянии к прочности в воздушно-сухом.
Таблица 2.3
|
Разновидности по степени растворимости |
Растворимость, г/л |
|
Нерастворимые |
< 0,01 |
|
Труднорастворимые |
0,01-1 |
|
Среднерастворимые |
1-10 |
|
Легкорастворимые |
> 10 |
Таблица 2.4
|
Разновидности крупнообломочных и песчаных грунтов |
Массовая доля частиц от общей массы сухого грунта |
|
Крупнообломочные |
|
|
Грунт глыбовый (при преобладании окатанных камней - валунный) |
Масса камней крупнее 200 мм > 50 % |
|
Грунт щебеночный (при преобладании окатанных частиц - галечниковый) |
Масса зерен крупнее 10 мм > 50 % |
|
Грунт дресвяный (при преобладании окатанных частиц - гравийный) |
2мм > 50 % |
|
Песчаные |
|
|
Песок гравелистый |
Масса зерен крупнее 2 мм > 25 % |
|
Песок крупный |
0,5 мм > 50 % |
|
Песок средней крупности |
0,25 мм > 50 % |
|
Песок мелкий |
0,1 мм > 75 % |
|
Песок пылеватый |
0,1 мм > 75 % |
Таблица 2.5
|
Вид грунта |
Разновидность глинистых грунтов |
Массовая доля песчаных частиц зерен размером от 2 до 0,05 мм, % |
Число пластичности Wп |
|
Супесь |
Легкая крупная |
> 50 |
1 < Wп < 7 |
|
Легкая |
> 50 |
||
|
Пылеватая |
20-50 |
||
|
Тяжелая пылеватая |
< 20 |
||
|
Суглинок |
Легкий |
> 40 |
7 < Wп < 12 |
|
Пылеватый |
> 40 |
||
|
Тяжелый |
> 40 |
12 < Wп < 17 |
|
|
Тяжелый пылеватый |
> 40 |
||
|
Глина |
Песчаная пылеватая |
Меньше, чем пылеватых размером 0,05-0,005 мм |
17 < Wп < 27 |
|
Жирная |
Не нормируют |
Wп > 27 |
Примечания: 1. Для супесей легких крупных учитывают массовую долю частиц и зерен размером от 2 до 0,25 мм.
2. К наименованию разновидности глинистого грунта добавляют характеристику «гравелистый» (при окатанных частицах) или «щебенистый» (при неокатанных частицах), если массовая доля зерен в нем крупнее 2 мм от 20 до 50 %
Плотность грунта - отношение массы грунта, т, включая массу воды в его порах к занимаемому этим грунтом объему V, включая поры δо = m/V . Зависит от пористости и влажности.
Плотность сухого грунта - отношение массы сухого грунта (исключая массу воды в порах) ко всему занимаемому грунтом объему, вычисляют по формуле:
где (2.1)
W - фактическая влажность грунта.
Плотность минеральных частиц γ - отношение массы сухого грунта (исключая массу воды в его порах) к занимаемому этим грунтом объему. В среднем γ составляет: для песков - 2,66, для супесей - 2,7, для суглинков - 2,71, для глин - 2,74, для чернозема - 2,4.
Пористость п - отношение в процентах объема пор в грунте Vп ко всему занимаемому грунтом объему V. Коэффициент пористости е - отношение в долях единицы объема пор Vп в грунте к объему твердых частиц VT:
где (2.2)
Y - плотность минеральных частиц в грунте;
δСГ - плотность сухого грунта.
Влажность абсолютная ω - отношение массы воды к массе абсолютно сухого грунта. Относительная влажность (степень влажности) S или коэффициент водонасыщения - отношение массы воды в грунте к объему пор, выражается в долях единицы
(2.3)
где (2.4)
mв - масса воды;
mсг - масса сухого грунта.
По степени влажности крупнообломочные и песчаные грунты относят к маловлажным S = 0-0,5, водонасыщенным S = 0,8-1.
Пластичность - способность грунта изменять форму под воздействием внешних усилий без изменения объема. Пластичность проявляется в определенных интервалах влажности, называемых пределами пластичности. Верхнему пределу пластичности соответствует влажность ωвпп, при превышении которой грунт переходит в текучее состояние (граница текучести). Нижнему пределу пластичности ωнпп - соответствует влажность, при которой цилиндр диаметром 3 мм, раскатанный из грунта, начинает крошиться, перестает быть пластичным.
Разность ωвпп - ωнпп = 1 называется числом пластичности и является важным классификационным показателем глинистых (связных) грунтов. К супесям относят глинистые грунты с числом пластичности от 1 до 7, к суглинкам от 7 до 17, к глинам более 17.
Липкость - способность влажного грунта прилипать к поверхности твердых предметов. Липкость определяют по величине усилия, необходимого для отрыва прилипшего предмета от грунта, колеблется для грунтов разных разновидностей 0,05-0,02 МПа.
Коэффициент фильтрации - кажущаяся скорость фильтрации воды при гидравлическом градиенте, равным 1. Гидравлический градиент является безразмерной величиной, характеризующей потерю напора на единицу фильтрационного пути J = (H1 - H2)/L. Фактическая скорость движения воды через грунт выше, чем коэффициент фильтрации, так как перемещение воды происходит не через полное сечение грунта, а лишь через его поры между частицами. В табл. 2.6 приведены коэффициенты фильтрации для разных грунтов.
Таблица 2.6
|
Грунт |
Коэффициент фильтрации, м/сут. |
|
Скальный |
|
|
Слаботрещиноватый (доломиты, мел, мергели, сланцы) |
5-20 |
|
Трещиноватый |
20-60 |
|
Сильнотрещиноватый |
Более 60 |
|
Крупнообломочный |
|
|
Галечник: с песком |
20-100 |
|
чистый |
Менее 200 |
|
Гравий: с песком |
75-100 |
|
чистый |
100-200 |
|
Песчаный |
|
|
Пылеватый с преобладающей фракцией 0,01-0,05 мм |
0,5-1 |
|
Мелкозернистый с преобладающей фракцией 0,1-0,25 мм |
10-15 |
|
Среднезернистый с преобладающей фракцией 0,25-0,5 мм |
20-25 |
|
Крупнозернистый с преобладающей фракцией 0,5-1 мм |
60-75 |
|
Глинистый |
|
|
Глина |
Менее 0,001 |
|
Суглинок: тяжелый |
0,05-0,01 |
|
легкий |
0,4-0,005 |
|
Супесь: плотная |
0,1-0,01 |
|
рыхлая |
1-0,01 |
|
Торф |
|
|
Малоразложившийся |
4,5-1 |
|
Среднеразложившийся |
1-0,15 |
|
Сильноразложившийся |
0,15-0,1 |
Коэффициент разрыхления - отношение объема разрыхленного грунта к объему грунта в природном состоянии, колеблется от 1,1 до 1,35. Для скальных пород и для мерзлых грунтов может достигать значения 1,8.
При строительстве земляного полотна могут встречаться особые разновидности грунтов, отличающиеся специфическими свойствами. К ним относятся засоленные грунты, биогенные грунты, торфы, мерзлые и вечномерзлые грунты и пучинистые грунты.
Грунты считают засоленными, если суммарное содержание легко- и среднерастворимых солей (степень засоленности) для глинистых грунтов превышает 5 %, для песков - 0,5 %, полускальных и валунных более 2 % при содержании песчаного заполнителя менее 40 % или пылеватого и глинистого заполнителя менее 30 % и 0,5 %, если количество песчаного или другого заполнителя более указанных значений. Степень засоленности определяется содержанием легко- и среднерастворимых солей в процентах от массы абсолютно сухого грунта.
К биологическим (озерным, болотистым) грунтам относят сапропели, разновидности которых устанавливают по относительному содержанию органических веществ. Эти грунты образуются как осадок в воде глинистых грунтов при наличии микробиологических процессов, их различают по относительному содержанию органических веществ. Виды биологических грунтов показаны в табл. 2.7.
Таблица 2.7
|
Вид грунта |
Содержание органических веществ |
Вид грунта |
Содержание органических веществ |
|
Сапропели |
Глинистые и песчаные грунты |
||
|
Минеральные Среднеминеральные Слабоминеральные |
0,1-0,3 0,3-0,5 > 0,5 |
Слабозаторфованные Среднезаторфованные Сильнозаторфованные |
0,1-0,25 0,25-0,4 0,4-0,5 |
Сапропель - пресновидный ил, образовавшийся при саморазложении органических (преимущественно растительных) остатков на дне застойных водоемов и содержащий более 10 % органических веществ; имеет коэффициент пористости, как правило, более 1; содержание частиц более 0,25 мм не превышает 5 %.
Торф - органоминеральный грунт, образовавшийся в результате естественного отмирания и неполного разложения болотных растений в условиях повышенной влажности при недостатке кислорода и содержащий 50 % и более органических веществ.
Структурные и механические характеристики болотных грунтов приведены в табл. 2.8.
Таблица 2.8
|
Показатель |
Тип болотного грунта |
|||||
|
I. Торф |
II. Торф минерализованный, органические илы |
III. Органоминерализованный ил, грунт заторфованный |
||||
|
I A. Осушенный (уплотненный) |
I Б. Рыхлый (полностью насыщенный) |
II A Осушенный (уплотненный) |
II Б. Водонасыщенный |
III A. Осушенный (уплотненный) |
III Б. Суспензионный (жидкий) |
|
|
Структурные признаки |
Губчато-волокнистое строение |
Маловолокнистое раздробленное строение |
Слабоагрегатное строение |
|||
|
Содержание минеральных веществ |
2-12 |
10-40 |
> 40 |
|||
|
Содержание волокон крупнее 0,25 мм, % |
60 |
60-10 |
10 |
|||
|
Сопротивление сдвигу, кПа |
40-20 |
20-10 |
20-10 |
10-6 |
40-10 |
10 |
|
Модуль осадки при давлении 50 кПа |
20-35 |
35-50 |
10-25 |
20-35 |
5-15 |
15-40 |
|
Водопроницаемость, Ко, см/сут |
2-5 |
5-20 |
0,01 |
0,1 |
0,001 |
0,001 |
К вечномерзлым относят грунты, находящиеся в мерзлом состоянии в течение многих лет непрерывно. Поверхностный слой грунта, замерзающий зимой и полностью оттаивающий летом, выделяют как слой сезонного промерзания. В зоне вечной мерзлоты оттаивающий летом слой называют деятельным слоем, ниже которого расположен слой вечномерзлого грунта. Тип и вид мерзлых грунтов принимают в соответствии со свойствами грунтов после их оттаивания.
Мерзлые грунты состоят из минеральной части, пор, льда и незамерзшей воды. Поэтому дополнительно к характеристикам талых грунтов для мерзлых грунтов вводят такие показатели, как суммарная влажность и льдистость. Суммарная влажность мерзлого грунта выражается в долях единицы и определяется как отношение всех видов содержащейся в нем воды и льда к массе скелета грунта. Льдистость мерзлого грунта - это отношение содержащегося в нем объема льда к объему мерзлого грунта.
К пучинистым относят пески мелкие и пылеватые, а также глинистые грунты и крупнообломочные с глинистым заполнителем. Степень морозной пучинистости грунтов оценивают в соответствии с табл. 2.9.
Таблица 2.9
|
Разновидность грунтов |
Группа по степени пучинистости |
|
Песок гравелистый, крупный и средней крупности с содержанием частиц мельче 0,05 мм до 2 % |
I |
|
Песок гравийный крупный, средней крупности и мелкий с содержанием частиц мельче 0,05 мм до 15 %. |
II |
|
Супесь легкая крупная, супесь легкая, суглинок легкий и тяжелый, глины |
III |
|
Песок пылеватый, супесь пылеватая, суглинок тяжелый пылеватый |
IV |
|
Супесь тяжелая пылеватая, суглинок легкий пылеватый |
V |
Все грунты, применяемые при строительстве земляного полотна, разделяют на четыре категории по трудности разработки. В табл. 2.10 указаны признаки для отнесения грунта к той или иной категории в зависимости от применяемых дорожно-строительных машин.
Таблица 2.10
|
Наименование и краткая характеристика грунта |
Разработка грунтов |
|||
|
одноковшовыми экскаваторами |
скреперами |
бульдозерами |
автогрейдерами (грейдерами) |
|
|
Галька и гравий всех видов крупностью до 80 мм, без валунов (крупнее 80 мм - с валунами) |
I, II |
II |
II |
II |
|
Глина: |
||||
|
жирная, мягкая и насыпная, слежавшаяся всех видов, твердая (без примесей) |
II |
II |
II |
II, III |
|
с примесью 10 % и более щебня, гальки или гравия |
III |
- |
II |
III |
|
мореная с валунами (в количестве до 30 %) |
IV |
- |
III |
- |
|
Грунт растительного слоя: |
||||
|
без корней и валунов |
I |
I |
I |
I |
|
с примесью гравия, щебня или строительного мусора |
II |
- |
III |
- |
|
Лесс: |
||||
|
естественной влажности, всех видов с примесью гравия и гальки |
I |
I |
I |
I |
|
сухой и отвердевший (с примесью) |
I |
II |
III |
II |
|
Мерзлый грунт, песчаный и супесчаный, глинистый и суглинистый, предварительно разрыхленный |
II-IV |
III-IV |
III |
- |
|
Песок: |
||||
|
всех видов естественной влажности |
I |
II |
II |
II |
|
сухой, сыпучий с примесью |
I |
II |
III |
- |
|
сухой барханный, дюнный |
- |
II |
III |
- |
|
Скальный: |
||||
|
предварительно разрыхленный |
IV |
- |
III |
- |
|
не требующий разрыхления |
IV |
- |
IV |
- |
|
Солонка и солонец: |
||||
|
мягкий |
I |
I |
I |
I |
|
отвердевший |
III |
II |
III |
III |
|
Суглинок: |
||||
|
легкий, лессовидный тяжелый и слежавшийся |
I |
I |
I |
I |
|
с примесью щебня, гравия и строительного мусора |
II |
II |
II |
II |
|
Супесь всех видов (в том числе с примесью гравия, щебня, строительного мусора) |
I |
II |
II |
II |
|
Строительный мусор: |
||||
|
рыхлый |
II |
- |
II |
- |
|
слежавшийся сцементированный |
III |
- |
III |
- |
|
Торф: |
||||
|
без корней и с корнями толщиной до 30 мм |
I |
I |
I |
I |
|
с корнями толщиной более 30 мм |
II |
II |
III |
- |
|
Чернозем и каштановые земли: |
||||
|
естественной влажности |
I |
I |
I |
I |
|
отвердевшие |
II |
II |
III |
III |
|
щебень |
II |
- |
II |
- |
|
Шлак: |
||||
|
котельный всех видов |
I |
I |
I |
II |
|
металлургический |
II |
- |
III |
- |
Для насыпей применяют грунты, состояние которых под действием природных факторов не изменяется или изменяется незначительно, что не влияет на их прочность и устойчивость в земляном полотне. К таким грунтам относят: скальные неразмягченные породы, крупнообломочные, песчаные (кроме мелких и пылеватых), супеси легкие и крупные. Эти грунты применяют для возведения земляного полотна без ограничений. Грунты глинистые, мелкие и пылеватые пески, размягчаемые скальные грунты, некоторые грунты особых разновидностей также пригодны для строительства земляного полотна, но при этом необходимо учитывать некоторые ограничения.
Возможность и целесообразность применения этих грунтов устанавливают в зависимости от местных условий с учетом технико-экономических соображений. Например, глины мергелистые, сланцевые и жирные, грунты меловые тальковые и трепелы пригодны для отсыпки насыпей в благоприятных условиях, то есть в сухих местах, а на участках с неблагоприятными гидрологическими условиями, на поймах рек, в низинах, где уровень грунтовых вод высокий или может быть с длительным подтоплением поверхностными водами, эти грунты могут быть применены только для верхней части насыпи.
Для нижней части насыпей, длительно или постоянно подтопляемых водой, можно применять скальные или крупнообломочные грунты, песок крупный или средней крупности, а также супесь легкую крупную с массовой долей глинистых частиц не более 6 %.
Не применяют для насыпей грунты: глинистые избыточно засоленные; глинистые, влажность которых выше допустимой; торф, ил, мелкий песок и глинистые грунты с примесью ила и органических веществ; верхний почвенный слой, содержащий в большом количестве корни растений; тальковые, пирофилитовые грунты и трепелы для насыпей на переувлажненном основании и на участках, где возможен длительный застой воды; содержащие гипс в количестве, превышающем нормы.
Источниками грунта для отсыпки насыпей являются: выемки, грунтовые карьеры и боковые резервы.
Объем потребного грунта для насыпей определяют по формуле
Vгр = Vн К1, где (2.5)
Vн - объем сооружаемой насыпи, м3;
К1 - коэффициент относительного уплотнения.
где (2.6)
δн - плотность грунта (требуемая) в насыпи, г/см3;
δe - плотность грунта в естественном состоянии (в карьере, выемке или резерве), г/см'.
Насыпи, как правило, возводят из однородных грунтов, но при необходимости их можно отсыпать и из разных грунтов, однако располагать эти грунты надо отдельными слоями. Предпочтительно в верхней части насыпи (1,0-1,5 м) применять более прочные грунты, потому что эта часть насыпи обычно подвергается более интенсивному воздействию природных факторов и транспортных средств. При отсыпке нижней части из дренирующих грунтов толщина этого слоя должна быть больше высоты капиллярного поднятия в этом грунте, чтобы предотвратить приток воды в верхнюю часть насыпи.
Строительство земляного полотна включает следующие технологические процессы: разбивку земляного полотна; строительство временных дорог; расчистку территории в пределах дорожной полосы; снятие растительного грунта и укладку его в штабели; строительство дренажных и водоотводных канав; разработку грунта в выемках и карьерах; перемещение грунта в насыпь или отвал; послойное разравнивание грунта в насыпи, уплотнение грунта; планировку поверхности земляного полотна; перемещение и разравнивание растительного грунта на поверхности откосов; укрепление откосов земляного полотна.
Для выполнения указанных технологических процессов используют специальные дорожно-строительные машины, предназначаемые для земляных работ. В их число входят: автогрейдеры, бульдозеры, экскаваторы, скреперы, одноковшовые погрузчики, катки, трамбующие машины, планировщики откосов, кусторезы, корчеватели, канавокопатели. Для транспортирования грунта на значительные расстояния применяют автомобили-самосвалы.
В зависимости от рельефа местности изменяется конструкция земляного полотна, насыпи чередуются с выемками, изменяется направление и поперечная крутизна косогорных участков, постоянно изменяется высота насыпей и глубина выемок. В связи с этим изменяются объемы работ и трудоемкости отдельных технологических процессов. Все это определяет различия в выполнении отдельных технологических процессов или технологии в целом. Совокупность технологических процессов по строительству земляного полотна разделяют на следующие три группы: подготовительные работы, основные работы и отделочные работы.
Подготовительные работы - восстановление трассы, отвод и закрепление земель в постоянное пользование, расчистка полосы отвода, разбивка земляных сооружений, устройство водоотводных канав и дренажей.
Основные работы - разработка выемок и отсыпка насыпей. В состав этих работ входят такие технологические процессы, как рыхление и планировка грунта, уплотнение основания насыпей, разработка и транспортирование грунта в места отсыпки насыпей и отвалов, послойное разравнивание и уплотнение грунта в насыпи.
Отделочные работы - планировка поверхности земляного полотна, укрепление откосов насыпей и выемок, восстановление растительного слоя на территориях, отведенных во временное пользование.
Для всех технологических процессов следует разработать или подобрать типовые технологические карты, в которых предусматривают машины соответствующей производительности для каждой операции и указывают схемы перемещения машин в процессе работы. Количество машин должно обеспечивать заданный темп работ при минимальных расходах на их выполнение.
При выборе типов и марок машин необходимо учитывать следующие условия: вид работ и технологического процесса; тип, разновидность и состояние грунта; дальность его транспортирования; сроки выполнения работ, требуемый темп работы и рельеф местности.
Выбор машин для различных условий и технологических процессов производят на основании сравнения возможных вариантов по технико-экономическим показателям. Ориентировочный выбор машин можно выполнить с помощью табл. 2.11.
Таблица 2.11
|
Виды работ и условия их выполнения |
Расстояние транспортирования грунта, м |
Рекомендуемые машины |
Рекомендуемые типоразмеры машин, mc при годовом объеме земляных работ на объекте, тыс. м3 |
||||||
|
50 |
100 |
200 |
500 |
1000 |
2000 |
3000 |
|||
|
Разработка мелких выемок с перемещением грунта в насыпь |
До 50 |
Бульдозеры на гусеничных тракторах |
3-10 |
3-10 |
5-10 |
5-10 |
5-10 |
10-25 |
10-25 |
|
До 50 |
Бульдозеры на колесных тракторах |
3-5 |
3-5 |
5-10 |
5-16 |
5-15 |
5-15 |
5-15 |
|
|
100-50 |
Скреперы с ковшом объемом, м3 |
До 5 |
До 8 |
7-8 |
7-8 |
15-25 |
15-25 |
15-25 |
|
|
Разработка выемок и грунтовых карьеров с перемещением грунта в насыпь |
500-3000 |
Скреперы с ковшом объемом, м3 |
9 |
9 |
9-15 |
9-25 |
15-25 |
15-25 |
15-25 |
|
500 и более |
Экскаваторы с ковшом емкостью, м3 |
0,3 |
0,3-0,5 |
0,3-0,65 |
0,5-1,25 |
0,65-1,6 |
0,65-1,6 |
0,65-1,6 |
|
|
500 и более |
Автомобили-самосвалы грузоподъемностью, т |
3,5-5 |
3,5-5 |
3,5-7 |
3,5-7 |
5-12 |
5-12 |
5-12 |
|
|
500 и более |
Самоходные фронтальные погрузчики грузоподъемностью, т |
- |
- |
0,8-1,5 |
2-4 |
2-4 |
2-4 |
9-4 |
|
|
500 и более |
Автомобили-самосвалы грузоподъемностью, т |
- |
- |
5-7 |
10-12 |
10-12 |
12-25 |
12-25 |
|
|
Самоходные фронтальные погрузчики грузоподъемностью, т |
- |
- |
3-7 |
5-7 |
5-12 |
5-12 |
5-12 |
||
|
Автомобили-самосвалы грузоподъемностью, т |
- |
- |
12-25 |
12-25 |
Более 25 |
Более 25 |
Более 25 |
||
|
Насыпи на подходах к мостам и дамбам на поймах рек |
До 2000 |
Гидромеханизация |
- |
- |
- |
+ |
+ |
+ |
+ |
|
Возведение насыпей из боковых резервов |
До 15 |
Автогрейдер мощностью, кВт |
90-110 |
90-110 |
- |
- |
- |
- |
- |
|
Бульдозеры на гусеничных тракторах |
3-10 |
3-10 |
5-10 |
10-15 |
10-15 |
10-25 |
10-25 |
||
|
Бульдозеры на колесных тракторах |
3-5 |
3-5 |
5-10 |
5-15 |
5-1 |
5-15 |
5-15 |
||
|
Скреперы с ковшом объемом, м3 |
До 5 |
До 8 |
7-8 |
7-8 |
15-25 |
15-25 |
15-25 |
||
Для основных работ по разработке и транспортированию грунта рекомендуют применять бульдозеры при дальности перемещения грунта до 100 м; скреперы при благоприятных грунтовых условиях и дальности транспортирования более 100 м; экскаваторы для разработки любых грунтов, кроме скальных. Транспортные средства выбирают в зависимости от расстояния перевозки и состояния временных дорог для транспортирования грунта. При разработке очень прочных грунтов их рыхлят взрывным способом. Наряду с экскаваторами применяют самоходные фронтальные погрузчики. Они особенно эффективны при легких грунтах, при плотных грунтах требуется предварительное рыхление и в дополнение к ним необходимы рыхлители или бульдозеры.
Оптимальный вариант при выборе машин устанавливают путем сравнения различных конкурирующих вариантов по основным технико-экономическим показателям: стоимости работ; затратам энергии; выработке на одного рабочего. Расчеты по определению оптимального варианта целесообразно выполнять с помощью ЭВМ, тогда можно рассмотреть не только варианты применения того или иного вида машин, но и варианты применения различных моделей машин, сочетания основных и вспомогательных машин. Для решения этих задач составляют технологические карты. Часто эти вопросы решают с помощью расчетов, учитывающих средние условия в целом для всей дороги или участка большого протяжения.
При этом определяют общие объемы по видам основных машин (объемы бульдозерных работ, скреперных, экскаваторных и др.), рассчитывают составы отрядов и производят сравнение вариантов по так называемым приведенным затратам.
Следует стремиться выполнять земляные работы в наиболее теплые и сухие периоды года, когда грунты находятся в талом состоянии и влажность их близка к оптимальной. В таком состоянии грунты хорошо разрабатывать и уплотнять. Большое значение имеют более благоприятные условия движения машин по грунту и временным землевозным дорогам. Таким периодом года в районах с умеренным климатом является весенне-летний и часть осеннего. Для южной части II дорожно-климатической зоны с конца апреля до начала третьей декады октября естественная влажность грунтов близка к оптимальной, глинистые грунты не слишком налипают на рабочие органы землеройных машин, а песчаные, наоборот, имеют некоторую связность, что также благоприятно для ведения работ. Все это способствует выполнению работ с необходимым качеством и позволяет наиболее эффективно использовать производительность применяемых машин. Ориентировочные даты начала и конца благоприятных периодов для различных географических районов России и некоторые данные для расчета количества рабочих смен приведены в табл. 2.12.
Земляные работы при необходимости можно выполнять в зимний период года, но это требует дополнительных затрат материальных и трудовых ресурсов на очистку от снега, на разрыхление замерзших грунтов, на мероприятия по предотвращению промерзания и просушивание грунта. Более сложные условия работы повышают риск в точном выполнении технологических правил и могут приводить к снижению качества работ. В некоторых районах зимой условия работ, напротив, оказываются лучшими. В южных районах России, где промерзание грунтов незначительно, а снежный покров отсутствует или небольшой толщины, зимний период может оказаться более благоприятным для ведения земляных работ. В других случаях промерзание грунтов может быть положительным фактором для производства земляных работ. В заболоченных районах в летнее время проезд машин по грунтовым дорогам затруднен, а иногда даже невозможен, поэтому, несмотря на усложнение выполнения некоторых процессов, это решение может оказаться рациональным или даже единственно возможным.
При разработке скальных грунтов их промерзание практически не имеет значения.
Крупные специализированные организации по выполнению земляных работ стремятся хотя бы часть земляных работ отнести на зимнее время, чтобы не было простоя машин и особенно транспортной техники.
Опыт показывает целесообразность заблаговременного строительства земляного полотна. Заранее построенное земляное полотно является более стабильным, дефекты, обнаруженные перед строительством дорожной одежды, могут быть легко устранены. При строительстве дорог с капитальными типами покрытий это условие является обязательным. При устройстве покрытий облегченного или переходного типов допускают строительство дорожной одежды сразу после возведения земляного полотна. Тогда общий срок строительства составляет меньше двух лет и период ведения земляных работ обычно устанавливают в зависимости от времени устройства дорожной одежды.
При одновременном ведении земляных работ и работ по устройству дорожной одежды между ними должен быть участок готового земляного полотна - задел, необходимый на случай задержки в земляных работах из-за неблагоприятной погоды, выхода из строя отдельных машин или по другим причинам. Величина задела зависит от темпа работ по устройству дорожной одежды и некоторых других конкретных условий на объектах. При расчетах, связанных с определением срока ведения земляных работ, этот фактор также должен быть принят во внимание. Сроки ведения земляных работ в зимнее время устанавливают с учетом климатических условий, характера грунтов, их влажности и промерзания. Количество календарных дней и рабочих смен определяют расчетом, исключая неблагоприятные периоды.
Важнейшим технологическим процессом при строительстве земляного полотна является уплотнение, которое обеспечивает требуемую прочность и устойчивость грунтов. От качества работ по уплотнению зависят фактические значения модуля упругости, угла внутреннего трения и сцепления, и, следовательно, способность конструкции дорожной одежды сохранять прочность в течение заданного срока службы.
В грунтах, обладающих низкой плотностью, при воздействии транспортных нагрузок накапливаются остаточные деформации. Недостаточно уплотненные грунты отличаются неоднородностью, меньшей плотностью, имеют просадки, что приводит к нарушению ровности проезжей части дорог. С увеличением плотности грунта снижается его водопроницаемость. Чем плотнее грунт, тем меньше диапазон изменения влажности грунта под воздействием атмосферных явлений и соответственно меньше вероятность морозного пучения.
Таблица 2.12
|
Рай- |
Дорожно-климатические зоны |
Сроки производства земляных работ |
Количество нерабочих дней |
Коли- |
Принятая сменность |
Расчет- |
|||||||||||
|
дата начала |
дата окончания |
календарное количество дней |
выход- |
ремонт и про- |
простой по организа- |
внутри- |
простой по атмосферным причинам |
из них в марте, октябре, ноябре и декабре |
в апреле, мае, июне, июле, августе и сентябре |
Средний коэффи- |
|||||||
|
общее к-во дож- |
из них падает на нера- |
кол-во дней про- |
итого не- |
||||||||||||||
|
Ев- |
I |
5/VI |
25/IX |
112 |
16 |
5 |
3 |
2 |
13 |
3 |
10 |
36 |
76 |
- |
2 |
2,00 |
150 |
|
II |
10/V |
10/Х |
153 |
22 |
6 |
4 |
3 |
12 |
2 |
10 |
45 |
108 |
1 |
2 |
1,95 |
210 |
|
|
II |
25/IV |
20/Х |
179 |
27 |
8 |
5 |
4 |
14 |
3 |
11 |
55 |
124 |
1 |
2 |
1,85 |
230 |
|
|
III |
20/IV |
30/Х |
183 |
30 |
8 |
5 |
4 |
9 |
2 |
7 |
54 |
129 |
1 |
2 |
1,85 |
240 |
|
|
IV |
I/IV |
15/IХ |
228 |
36 |
10 |
6 |
5 |
9 |
2 |
7 |
64 |
164 |
1 |
2 |
1,80 |
295 |
|
|
V |
25/III |
25/XI |
245 |
39 |
10 |
6 |
5 |
7 |
2 |
5 |
65 |
180 |
1 |
2 |
1,80 |
325 |
|
|
Горы |
25/III |
20/XI |
240 |
38 |
10 |
6 |
5 |
17 |
4 |
13 |
72 |
168 |
1 |
2 |
1,80 |
300 |
|
|
Черно- |
5/III |
20/XII |
290 |
46 |
12 |
7 |
5 |
26 |
6 |
20 |
90 |
200 |
1 |
2 |
1,60 |
320 |
|
|
Запад- |
II |
20/V |
30/IX |
134 |
19 |
6 |
4 |
3 |
17 |
4 |
13 |
45 |
89 |
- |
2 |
2,00 |
180 |
|
III |
5/V |
10/Х |
157 |
23 |
7 |
4 |
3 |
6 |
1 |
5 |
42 |
115 |
1 |
2 |
1,95 |
22 |
|
|
IV |
1/V |
10/Х |
163 |
25 |
7 |
4 |
3 |
4 |
1 |
3 |
42 |
121 |
1 |
2 |
1,95 |
235 |
|
|
Горы |
5/V |
10/Х |
157 |
23 |
7 |
4 |
3 |
10 |
2 |
8 |
45 |
112 |
1 |
2 |
1,95 |
220 |
|
|
Высоко- |
1/IV |
25/IX |
116 |
17 |
5 |
3 |
2 |
16 |
3 |
13 |
40 |
76 |
- |
2 |
2,00 |
150 |
|
|
Восточ- |
I |
20/V |
30/IX |
133 |
19 |
6 |
4 |
3 |
9 |
2 |
7 |
39 |
94 |
- |
2 |
2,00 |
190 |
|
II |
25/V |
30/IX |
128 |
19 |
5 |
3 |
2 |
16 |
3 |
13 |
42 |
86 |
- |
2 |
2,00 |
170 |
|
|
III |
10/V |
5/Х |
148 |
21 |
6 |
4 |
3 |
3 |
- |
3 |
37 |
111 |
1 |
2 |
1,95 |
215 |
|
|
IV |
5/V |
10/Х |
157 |
23 |
7 |
4 |
3 |
4 |
1 |
3 |
40 |
117 |
1 |
2 |
1,95 |
230 |
|
|
Горы |
5/V |
5/Х |
122 |
22 |
5 |
3 |
2 |
16 |
4 |
12 |
44 |
78 |
1 |
2 |
1,95 |
150 |
|
|
Горы |
1/VI |
20/IХ |
111 |
20 |
5 |
3 |
2 |
36 |
9 |
27 |
57 |
64 |
- |
2 |
2,00 |
130 |
|
|
Даль- |
I |
20/V |
5/Х |
108 |
19 |
4 |
2 |
1 |
16 |
4 |
12 |
38 |
70 |
1 |
2 |
1,95 |
140 |
|
II |
1/V |
15/Х |
167 |
26 |
7 |
4 |
3 |
20 |
4 |
16 |
56 |
111 |
1 |
2 |
1,85 |
205 |
|
|
III |
15/IV |
5/Х |
204 |
31 |
9 |
5 |
3 |
18 |
4 |
14 |
62 |
142 |
1 |
2 |
1,80 |
200 |
|
|
Горы |
20/V |
20/Х |
158 |
22 |
7 |
4 |
3 |
15 |
3 |
12 |
48 |
110 |
1 |
2 |
1,80 |
200 |
|
Обследования и диагностика автомобильных дорог показывают, что одной из причин преждевременных повреждений является недостаточная плотность грунта земляного полотна. Это относится ко всем участкам дорог, расположенным на земляном полотне и в насыпях и в выемках. По этим причинам уплотнению подлежат как насыпные грунты, так и основания насыпей и поверхностные слои грунтовых оснований в выемках. Уплотнение земляного полотна является обязательным, и это требование зафиксировано действующими строительными нормами и правилами и технологическими регламентами по строительству земляного полотна автомобильных дорог [83, 86, 87].
Уплотнение грунтов окупается экономией, достигаемой за счет уменьшения толщины дорожной одежды, уменьшения затрат на ремонт автомобильной дороги и снижения транспортных расходов.
Принципиальный подход к определению требуемой плотности грунта состоит в том, чтобы в результате уплотнения плотность стала такой, при которой не будет происходить накопления остаточных деформаций земляного полотна от действующих повторных расчетных нагрузок и изменений влажности грунта. Увеличение плотности грунта до требуемых значений обеспечивает стабильность основных параметров прочности грунта, делает их мало изменяющимися под влиянием сезонных колебаний температуры и влажности.
На основе элементарного представления о грунте как о трехфазной системе, без учета его структурных особенностей, применяют следующее выражение для единичного объема грунта:
где (2.7)
δ - плотность скелета грунта, г/см3;
Y - плотность минеральных частиц, г/см3;
W - массовая доля влажности грунта, %;
V - объем воздуха, %;
1 - единичный объем грунта (1 см3).
Отсюда плотность грунта:
(2.8)
Значение Y изменяется в узких пределах: для супесчаных грунтов Y = 2,65-2,55 г/см3, для глинистых и пылеватых супесчаных грунтов Y = 2,68; для тяжелых суглинистых и тяжелых глинистых Y = 2,7; для суглинистых Y = 2,6. Наибольшая плотность соответствует пористости грунта в диапазоне 4-6 % (6 % для песчаных и супесчаных грунтов, 5 % для пылеватых супесчаных, суглинистых и глинистых и 4 % - для тяжелых суглинистых и пылеватых глин).
Процесс уплотнения состоит в вытеснении воздуха из пор грунтов, отжатия воды и уменьшения толщины водных пленок, что достигается механическим воздействием уплотняющих машин. Отжатие воды из грунта происходит медленно и не играет заметной роли в уплотнении из-за малого времени воздействия нагрузок при уплотнении машинами. Поэтому в процессе уплотнения при фактической влажности происходит главным образом удаление воздуха.
Для получения наиболее плотной структуры необходимо, чтобы влажность грунта была такой, при которой объем защемленного воздуха находится в указанных выше пределах: 4-6 %. При этом образуются наиболее прочные гидратные оболочки, обеспечивающие минимальную фильтрацию и наименьшее разбухание грунта, а следовательно, и наивысший возможный модуль упругости. Если влажность грунта ниже, то есть объем пор, занятый воздухом, выше указанной величины, не создается устойчивой структуры и при увлажнении грунт легко разбухает и тем больше, чем выше влажность. При недостаточной плотности, наоборот, доуплотняется и дает осадку. Модуль упругости в обоих случаях падает. При повышении влажности грунта в процессе уплотнения часть пор заполняется водой, вытесняющей воздух. Структура грунта становится неустойчивой, особенно при ударном уплотнении, а модуль упругости уменьшается.
Принято считать, что для каждого грунта существуют оптимальные влажность и плотность, зависящие от его минералогического и гранулометрического состава. Оптимальная влажность соответствует определенной работе, затраченной на уплотнение грунта. Эта работа определяется массой катка и числом его проходов или массой уплотняющего груза, высоты его падения и числа ударов. Большей работе по уплотнению соответствует меньшая оптимальная влажность. На рис. 2.4 показано, как меняются плотность и оптимальная влажность для разных значений работы по уплотнению. С некоторым приближением можно считать, что оптимальная влажность близка к максимальной молекулярной влажности, то есть влажности, при которой вся вода в грунте находится в связанном состоянии.
Экспериментально оптимальную влажность определяют с помощью прибора стандартного уплотнения Союздорнии по ГОСТ 22733-2002, последовательно определяя стандартную плотность при переменных значениях влажности грунта. Влажность соответствующую максимальной плотности считают оптимальной.
В южных районах, где естественная влажность ниже, следует предварительно увлажнять грунт или увеличивать работу по уплотнению для достижения требуемой плотности.
Ориентировочные значения влажности, %, для наиболее распространенных грунтов приведены ниже:
пески мелкие и пылеватые 8-13
супеси легкие и тяжелые 9-15
суглинки легкие 12-18
тяжелые и тяжелые пылеватые суглинки 14-20
пылеватые и тяжелые пылеватые супеси, легкие пылеватые суглинки 15-22
глины пылеватые и песчанистые 16-26
глины жирные 20-30
Содержание воздуха при стандартной плотности для разновидностей грунтов в среднем составляет: супесь - 8...10 %, тяжелый суглинок - 3...4 %, суглинок - 4...5 %, глина - 4...6 %.
Требования к уплотнению грунта и назначение необходимой плотности устанавливают в соответствии с уровнем напряженного состояния конструкции земляного полотна. При этом учитывают, что верхняя часть насыпи, иногда называемая рабочим слоем, испытывает динамические напряжения от транспортных средств и в наибольшей мере подвержена воздействию атмосферных явлений. Эти напряжения затухают с глубиной. Другая часть напряжений в земляном полотне, вызываемая собственным весом насыпи наоборот увеличивается с глубиной. Таким образом, в средней части насыпи уровень напряжений и соответственно требования к плотности грунта ниже, чем в верхней и нижней.

Pиc. 2.4. Изменение оптимальной плотности и оптимальной влажности при разном уплотнении:
1 - стандартное уплотнение (СССР); 2-усиленное уплотнение (США); 3 - линия нулевых пор
Требуемую плотность грунта определяют обычно по следующей формуле:
δтр = δст×Кукл, где (2.9)
δтр - требуемая плотность, г/см3;
δст - максимальная плотность по прибору стандартного уплотнения, г/см3;
Кукл - коэффициент уплотнения, устанавливаемый по СНиП 2.05.02-85.
Коэффициент уплотнения регламентируется строительными нормами в зависимости от категории дороги, типа дорожной одежды, дорожно-климатической зоны и конструкции земляного полотна.
Уплотнение грунта осуществляют одним из следующих способов: укаткой, трамбованием и вибрированием. В зависимости от способа уплотнения средства для уплотнения разделяют на катки, трамбующие машины или плиты и виброплиты или виброплощадки. Возможны комбинированные средства в виде виброкатков, оказывающих наряду со статическим воздействием также вибрационное действие на грунт. Подробные характеристики машин и оборудования для уплотнения грунтов приведены в разд. 38.4.
Катки для уплотнения грунтов могут быть прицепными, полуприцепными и самоходными. Перемещение прицепных и полуприцепных катков осуществляют специальными тягачами или тракторами.
Наиболее распространенными уплотняющими машинами в дорожном строительстве являются прицепные и самоходные катки. Для уплотнения грунтов применяют чаще всего следующие разновидности катков: гладковальцовые, кулачковые и вибрационные. Катки с гладкими вальцами применяют для уплотнения связных и малосвязных грунтов, слоями не более 0,25 м.
При выполнении земляных работ в зимнее время и при необходимости уплотнения грунта, содержащего мерзлые комья, применяют решетчатые катки, которые измельчают такие комья и уплотняют грунт. Решетчатые катки применяют также для уплотнения сухих комковатых грунтов.
Трамбование является универсальным способом уплотнения, пригодным для большинства грунтов. Его применяют для уплотнения грунтовых оснований, существующих насыпей, а также при уплотнении насыпного грунта в стесненных условиях. Посредством трамбования можно уплотнять грунт слоями большой толщины. Трамбование позволяет достигать плотности грунта выше максимальной стандартной. Этот способ допускает уплотнение грунта с влажностью выше и ниже оптимальной. Трамбование можно использовать для уплотнения прочных комковатых грунтов, в том числе и крупнообломочных. При уплотнении слоев большой толщины (1-2 м), а также для достижения плотности грунта выше стандартной максимальной плотности используют свободно падающие с высоты 2-6 м трамбующие плиты массой 2-15 т.
Вибрационное уплотнение применяют для уплотнения крупнообломочных, песчаных и других малосвязных грунтов. Одномерные пески эффективно уплотняются только вибрированием. Прицепными и самоходными виброкатками массой 4-5 т рекомендуют уплотнять грунт слоями 0,40-0,50 м, катками с большей массой можно уплотнять песчаные грунты на глубину 0,6-0,8 м. В табл. 2.13 приведены сводные данные по условиям применения различных способов уплотнения.
|
Тип машин |
Уплотняемый грунт и условия работы |
Применение в зимнее время |
Применение в узких местах |
Толщина слоя, см |
Производительность, м3/час |
|
Катки прицепные решетчатые |
Рыхлые связные и несвязные в зимнее время, гравелистые и крупнообломочные при линейных работах |
Целесообразно |
Невозможно |
25-35 |
100-200 |
|
Виброплиты самоходные тяжелые |
Несвязные гравелистые при линейных работах (тяжелые плиты) и несвязные в «узких» местах (легкие плиты) |
Нецелесообразно |
Возможно |
35-40 |
20-50 |
|
Вибрационные прицепные катки |
Несвязные, в том числе гравелистые при линейных работах |
Нецелесообразно |
Невозможно |
30-40 |
200-300 |
Большая номенклатура средств для уплотнения грунта выпускаемых отечественными и зарубежными предприятиями ставит задачу выбора уплотняющих средств перед каждой строительной организацией, участвующей в выполнении земляных работ при строительстве автомобильных дорог. С другой стороны, при выполнении работ на конкретном объекте в определенных условиях также приходится решать задачу выбора из имеющегося в организации парка машин.
При выборе уплотняющих машин учитывают погодно-климатические условия, физико-механические свойства грунтов, ограничения по срокам и директивный темп ведения работ. Критерием для выбора оптимального варианта служат минимальные затраты на достижение требуемого качества уплотнения при выполнении ограничений каждого конкретного объекта.
Машины для уплотнения грунтов входят в состав механизированных отрядов, где основными являются землеройно-транспортные машины. Поэтому производительность машин для уплотнения должна соответствовать производительности отряда.
В соответствии с выбранной машиной для уплотнения грунта следует разработать технологию уплотнения. При этом следует установить толщину уплотняемого слоя, режим уплотнения - количество проходов катка по одному следу или число ударов трамбующей плиты, скорость движения катка, схему перемещения уплотняющей машины.
При определении толщины уплотняемого слоя необходимо учитывать тип и разновидность грунта, его начальную плотность, тип катка, его массу, требуемую плотность грунта. Оптимальную толщину уплотняемого слоя или число проходов (ударов) уплотняющих машин по одному следу, необходимых для достижения требуемой плотности, можно установить пробной укаткой или вычислить по следующим формулам:
число проходов для катков
(2.10)
число ударов для трамбующих машин
где (2.11)
Ауд - удельная работа машин для уплотнения связных грунтов при Купл = 0,95 - 0,20 Дж/см3; при Купл = 0,98 - 0,40 Дж/см3; при Купл = 1 - 0,60 Дж/см3; для несвязных грунтов значения Ауд уменьшают в 1,5 раза;
Но - толщина уплотняемого слоя в плотном теле, см;
q - линейное давление катка, Н/см;
;
qо - статическое давление
трамбующего органа машины, Н/см2;
;
Q - масса катка или трамбующей плиты, Н;
В - ширина рабочей площади катка, см;
F - площадь сопротивления трамбующей плиты, см2;
f - коэффициент сопротивления движению катка;
В случае применения кулачковых катков толщина уплотняемого слоя и число проходов соответственно
и
где (2.12)
l - длина кулачка, см;
b - минимальный размер опорной части поверхности кулачка, см;
hp - толщина рыхлого слоя у поверхности, см;
S - поверхность вальца, см2;
F - опорная поверхность кулачка, см2;
m - общее число кулачков;
k - коэффициент, учитывающий неравномерность перекрытия поверхности кулачками, среднее значение которого можно принять равным 1,3.
Толщина отсыпаемых слоев грунта, как правило, должна быть одинаковой, а число проходов катка может быть различным в зависимости от требований к плотности грунта, изменяющихся от расположения слоя по высоте насыпи. Влажность грунта при уплотнении должна отличаться от оптимальной не более, чем указано в табл. 2.14.
Таблица 2.14
|
Тип грунта |
Отклонение от оптимальной влажности Wo при Купл |
|
|
0,98 |
0,95 |
|
|
Пески пылеватые, супеси легкие, крупные |
0,8-1,35 |
0,75-1,6 |
|
Супеси легкие и пылеватые |
0,8-1,25 |
0,75-1,35 |
|
Супеси тяжелые пылеватые, суглинки легкие и легкие пылеватые |
0,85-1,15 |
0,8-1,3 |
|
Суглинки тяжелые и тяжелые пылеватые |
0,9-1,09 |
0,85-1,2 |
Общие положения. В состав подготовительных работ входят:
восстановление выноса трассы на местность и создание геодезической разбивочной основы;
перенос и переустройство воздушных и кабельных линий связи, электропередачи, трубопроводов, коллекторов и др.;
снос или перенос из отведенной территории зданий и сооружений;
восстановление и закрепление трассы дороги;
расчистка дорожной полосы;
обеспечение предпроизводственного водоотвода; расчистка территорий, отведенных под карьеры и резервы;
подготовка и усиление сети автомобильных дорог, намечаемых к использованию в период строительства;
строительство производственных предприятий, временных жилых поселков.
В особых климатических и грунтовых условиях, а также в городах и населенных пунктах проектом организации строительства могут быть предусмотрены дополнительные виды подготовительных работ (предварительное осушение, водопонижение, сооружения для защиты от оползней, лавин, осыпей и т. п.). Все виды подготовительных работ выполняются в течение подготовительного периода, на продолжительность которого в соответствии с указаниями СНиП 1.04.03-85 может быть увеличен нормативный срок строительства объекта.
Подготовительные работы выполняют в сроки, установленные общим графиком организации строительства (что должно быть отражено в проекте), как правило, до начала основных работ по сооружению земляного полотна. На крупных объектах с продолжительностью строительства более одного сезона следует совмещать сроки выполнения подготовительных и основных (как сосредоточенных, так и линейных) работ, в составе комплексного потока по сооружению земляного полотна. При этом работы по оформлению и выноске в натуру отвода земель, сносу и переносу зданий, сооружений и коммуникаций могут выполняться на крупных объектах по отдельным графикам в составе общего срока строительства с учетом гарантированного опережения подготовительных работ на данном участке.
Перенос и переустройство пересекаемых трассой линий связи, электропередачи и трубопроводов должны осуществляться по проектам специализированных проектных организаций, которые устанавливают характер и объемы работ и целесообразные методы их выполнения. Эти работы, как правило, должны выполнять специализированные строительно-монтажные организации по подрядному договору с генеральной подрядной строительной организацией.
Организация и методы сноса и переноса зданий и сооружений определяются их размерами и капитальностью. В случае необходимости сноса или переноса крупных и капитальных зданий и сооружений такие работы должны выполняться по специальному проекту.
Временные сооружения производственного и бытового назначения, жилые здания строятся, как правило, по типовым проектам, в состав которых должны входить указания по организации и производству строительных работ.
Восстановление и закрепление трассы. При восстановлении трассы необходимо выполнять геодезические работы с целью переноса проекта на местность и контроля соответствия проекту размеров и высотных отметок сооружения. Полнота и качество геодезических работ во многом определяет качество строительства.
До начала строительства, включая подготовительные работы, выполняется восстановление обозначенных в период проектных изысканий: оси трассы (или узловых точек летного поля аэродромов), осей искусственных сооружений, границ отведенной территории, а также геодезической разбивочной основы, служащей для привязки отметок и расстояний к государственной геодезической сети. Эти работы, включая изготовление и установку знаков, выполняются заказчиком. Состав, размещение и форма знаков разбивочной и геодезической основы регламентируются проектной документацией.
Точность построения разбивочной основы и выноса проекта на местность для дорог в соответствии с нормативными требованиями должна обеспечивать величины средних квадратических погрешностей не более приведенных в табл. 3.1.
Таблица 3.1
|
Назначение |
Угловые измерения, град. |
Линейные измерения |
Превышение на 1 км хода, мм |
|
Для дорог в пределах застраиваемой территории |
10 |
|
10 |
|
Для дорог вне застраиваемых территорий |
30 |
|
15 |
При выносе проекта на местность проводится восстановление обозначенной при проектных изысканиях трассы или разбивочной сетки аэродрома и установка дополнительных знаков закрепления. Трасса закрепляется плановыми осевыми знаками на прямых участках не менее чем через 0,5 км, а также на углах поворота трассы. Высотные реперы устанавливают не реже чем через 0,5 км. При сложном рельефе расстояние сокращается с учетом конкретных условий. Главными элементами разбивочной основы являются поперечники, на которых закрепляются, кроме осевых, боковые створные столбы, обозначения границ полосы отвода, выносимые знаки и т. п.
Состав закрепления на местности проектов мостов и труб определяется в соответствии с требованиями СНиП 3.06.04-91; для аэродромов - в соответствии с требованиями СНиП 32-03-96; для зданий различного назначения - СНиП 3.01.03-84.
Для внутренних дорог предприятий и городских дорог дополнительные требования к геодезической разбивочной основе могут устанавливаться в том числе органами местного управления.
Основные знаки и реперы должны быть надежно закреплены на местности врытыми столбами или кольями с соответствующей маркировкой фиксируемых точек. В маркировке черной несмываемой краской указывают сокращенное наименование организации, выполнившей геодезические работы, номер или плановое положение знака, высотную отметку (в случаях ее определения), год установки.
Углы поворота трассы (УТ) закрепляют четырьмя знаками: в вершине угла (на месте установки теодолита) забивают потайной колышек вровень с поверхностью земли. УТ и по радиусу 0,7 м вокруг него выкапывают канавку глубиной 15 см. Грунтом, полученным при отрывке канавки, прикрывают потайной колышек. На расстоянии 2 м по направлению наружной биссектрисы угла закапывают угловой опознавательный столб с маркировкой. На продолжении сторон угла за пределами предстоящих земляных работ устанавливают еще два опознавательных столба - ОС. Вершину угла поворота - УС привязывают с фиксацией в документации к двум-трем постоянным предметам на местности (элементы зданий, крупные деревья и т. п.).
Если вершина угла поворота размещена за пределами строительных работ, ее можно закреплять насыпным конусом земли высотой 0,5 м, диаметром 1,3 м. Кол, соответствующий точке вершины угла, забивают вровень с землей. По подошве конуса выкапывают канавку глубиной 15 см. На расстоянии 20 см от УТ забивают кол - сторожок с соответствующей маркировкой.
Для закрепления на местности начала и конца трассы или отдельных участков устанавливают осевые створные столбы. Створные столбы размещают в пределах визуальной видимости, как правило, через 0,5 км, в равнинной местности и на гребнях возвышений в пересеченной местности. Столбы аналогичной конструкции устанавливаются на основных точках разбивки аэродромов в начале и конце ВПП.
Закрепление основных точек разбивки искусственных сооружений (осевые, концевые) выполняется кольями с выноской на угловые (опознавательные) столбы. Пикеты и плюсовые точки трассы, начало и конец каждой кривой обозначают кольями, забитыми вровень с поверхностью земли, со сторожками, размещаемыми в 15-20 см. Промежуточные основные точки трассы закрепляют по поперечникам, размещаемым в равнинной местности не реже чем через 500 м, а в пересеченной местности - в пределах расстояния видимости.
При закреплении трассы устанавливаются постоянные и временные реперы. Для постоянных реперов рекомендуется использовать металлические марки в стенах зданий и сооружений, выходах скальных пород или знаки из отрезков труб, рельсов на бетонном фундаменте.
Все основные точки опорной разбивочной сети закрепляются за пределами рабочей зоны выносными кольями. Выносные колья устанавливаются, как правило, в створе поперечников или на нормалях к пикетным знакам, исходя из обеспечения видимости в поперечном и продольном направлениях. Выносные знаки линейных точек привязываются по расстоянию к 2-3 другим знакам или постоянным предметам, высотные выносные точки (выносные реперы), кроме того, привязываются к отметкам. В условиях пересеченного рельефа или при опасности утраты выносные знаки дублируются через 10-20 м по поперечнику.
Выносные знаки размещают вблизи границы полосы отвода вне зоны производства работ и возможных путей перемещения машин и автотранспорта. Допускается использование для выносных знаков обозначений на выходах скальных пород, стенах сооружений и т. п. Все установленные знаки фиксируются в геодезическом журнале установленной формы.
Работы по переносу (восстановлению) трассы в натуре оформляются документами по формам, приведенным в СНиП 3.01.03-84 «Геодезические работы в строительстве». Система установленных знаков в натуре совместно с технической документацией на нее передается от заказчика подрядчику по рабочему акту не позднее чем за 10 дней до начала работ на данном участке.
Производство каких-либо работ, включая расчистку отведенной территории и снос строений, до получения официальных документов об отводе и выносе на местность знаков разбивочной основы не допускается. Во время производства земляных и других видов работ должны быть приняты меры по обеспечению сохранности знаков разбивки. Все поврежденные в процессе работ знаки должны немедленно восстанавливаться с соответствующей инструментальной проверкой.
Геодезические работы по непосредственной разбивке сооружений, входящих в комплекс автомобильной дороги или аэродрома (земляное полотно, грунтовое основание, искусственные сооружения, здания, водоотвод и др.), а также по геодезическому контролю в ходе строительства выполняются геодезической службой подрядчика в составе технологических процессов строительства данных сооружений. В простых случаях допускается выполнение рабочей разбивки и геодезического контроля силами линейного персонала.
Расчистка и подготовка полосы отвода. До начала земляных работ территории постоянного и временного отвода в пределах границ, переданных в натуре подрядчику и обозначенных на местности знаками, должны быть полностью освобождены от воздушных и кабельных линий электропередач и связи, трубопроводов, коллекторов, а также зданий и сооружений, посторонних предметов. Сохранение воздушных или подземных линий допускается в случаях, обусловленных проектной документацией при условии принятия совместно с владельцем линии (организацией, ответственной за эксплуатацию) мер, полностью исключающих ее повреждение, обеспечивающих безопасность ведения работ и своевременную установку устройств, предусмотренных проектом для защиты в период эксплуатации.
Работы по переносу и переустройству линий, сносу и переносу зданий и сооружений должны, как правило, выполняться специализированными организациями, определенными владельцами.
Расчистку полосы отвода от леса, кустарника, пней, порубочных остатков, крупных камней, строительного мусора и др. осуществляют по отдельным участкам в порядке очередности производства на них работ по возведению земляного полотна.
В пределах площадок, отводимых для строительства предусмотренных проектом постоянных и временных зданий и сооружений, деревья удаляют лишь на площадях, которые будут непосредственно заняты этими зданиями и сооружениями.
При прохождении трассы через местность, покрытую лесом, для работ по его удалению организуется самостоятельный комплексный поток. В состав работ по подготовке просеки входит: подготовка лесосеки, валка леса, обрубка сучьев, сбор и удаление порубочных остатков, трелевка хлыстов к временным складам, разделка хлыстов на сортаменты, погрузка и вывоз деловой древесины или дров, корчевание пней.
Подготовка лесосеки включает уборку сухостойных и зависших деревьев, вырубку кустарника и мелколесья, прокладку трелевочных волоков и организацию временного склада, где предусматривается разделка хлыстов на сортаменты, складирование и отгрузка полученной деловой древесины или дров, прокладка в необходимых случаях тракторных путей и временных дорог.
Трелевочные волоки и временные склады должны размещаться в пределах отведенной территории, а в случае невозможности - в местах, определенных проектом, с соответствующим оформлением временного отвода. Вывоз древесины и отходов за пределами отведенной полосы производится по временным дорогам, проложенным в соответствии с проектом, и по дорогам существующей сети.
Лес удаляют, как правило, лесовальными машинами или моторными пилами. Высота пней должна быть минимальной. Для направленной валки деревьев, облегчающей трелевку, применяют различные приспособления (валочные вилки, валочные лопатки и др.). Лес валят преимущественно в зимний период, так как это обеспечивает лучшие условия просушки дорожной полосы в весеннее время до начала земляных работ и облегчает трелевку и вывоз полученного при прорубке просеки леса по зимнему пути, особенно при наличии заболоченности.
Допускается валка деревьев без спиливания вместе с корнями с использованием для трелевки в места разделки бульдозеров и корчевателей-собирателей на тракторах класса 100 кН и более. При валке деревьев и кустарника вместе с корнями необходимая сортировка и полная вывозка древесины производится до начала работ по удалению плодородного слоя почвы. Удаление леса или кустарника вместе с плодородным слоем почвы не допускается.
Просеку по ширине следует разбивать на 2-3 пасеки (полосы), располагаемые вдоль просеки. Трелевочные волоки шириной 5 м прорубают вдоль каждой пасеки по ее центру. Временные склады располагают вне рабочей пасеки в пределах ранее разработанной пасеки или на свободном от леса месте.
Валку деревьев надлежит выполнять только в дневное время звеньями, работающими одно от другого на расстоянии не менее 50 м. При валке леса в лесной и таежной местности с большими объемами работ следует руководствоваться Технологическими нормами и пособиями, разработанными для предприятий лесной промышленности.
На участках просек с кустарниками и мелколесьем при толщине стволов до 10-15 см расчистка дорожной полосы может выполняться с помощью кустореза с последующим собиранием срезанных кустов и деревьев и вычесыванием корней с помощью корчевателя-собирателя или бульдозерно-рыхлительного агрегата.
Собирание в кучи порубочных остатков и мелколесья (обрубленных сучьев, вершин, срезанного кустарника) выполняют корчевателем-собирателем после вывозки с пасеки хлыстов. Места для укладки порубочных остатков выбирают так, чтобы кучи не мешали последующим работам по корчевке пней, вычесыванию корней и возведению земляного полотна. Кучи должны располагаться не ближе 8 м от стены леса.
Порубочные остатки, мелколесье, выкорчеванные пни должны вывозиться для промышленной переработки или в места складирования, отведенные органами лесного хозяйства. Сжигание остатков на месте допускается по согласованию с лесхозом и органами пожарного надзора в установленное ими время.
Пни высотой не более 10 см допускается оставлять в основании земляного полотна, предназначенного для усовершенствованных облегченных, переходных и низших покрытий на дорогах III-V категории при насыпях более 1,5 м, а также в тех случаях, когда проектом не предусмотрено полное удаление дерново-растительного слоя (переходы через болота, неустойчивые склоны и т. п.).
Возможность оставлять пни в полосе расчистки за пределами основания земляного полотна (резервы, кавальеры, бермы, а также в местах выемок, траншей, резервов, берм и т. п.) должна быть определена проектом. В грунтовых основаниях аэродромных покрытий оставление пней не допускается.
Корчевку пней следует выполнять корчевателями-собирателями, а при небольших объемах работ - бульдозерами. При корчевке крупных пней с сильно развитой корневой системой в целях облегчения корчевки корни подкапывают и подрубают. Вычесывание корней, оставшихся после корчевки пней и срезки кустарника и мелколесья, осуществляется корчевателем-собирателем.
При реконструкции аэродромов удаление старых покрытий производится в том случае, если это предусмотрено проектом. Взлом покрытий выполняется навесными рыхлителями с последующей погрузкой в автосамосвалы погрузчиками или со сдвижкой обломков бульдозером в установленные проектом места. При толщине бетонных покрытий более 20 см и малой степени их растрескивания необходимо перед рыхлением раздроблять плиты.
На площадях, предназначенных для притрассовых карьеров и резервов, до начала их разработки должны быть выполнены подготовительные работы, обеспечивающие непрерывность последующей эксплуатации. Для разработки карьеров и резервов в зимнее время в состав подготовительных работ включаются специальные мероприятия по ограничению промерзания грунта. Для обеспечения условий работы в темное время суток зона работ должна быть оборудована освещением.
Создание геодезической разбивочной основы для карьеров заключается в выносе на местность реперов и в обозначении контуров разработки. Контуры обозначают выносными столбами, закрепляющими границы выработки на углах и на прямых участках, с установкой не реже чем через 50 м.
В проекте разработки карьеров должны быть указаны места отвалов вскрыши и отдельно - временного складирования грунта плодородного слоя почвы, предназначенного для рекультивации. Места отвалов грунта, пригодного для насыпей, в том числе из выемок, должны иметь обозначение контуров на месте.
При подготовке к срезке грунта на больших площадках (строительство ВПП и др.) целесообразно устраивать сеть водоотводных канав или систему дренажа с выводом воды за пределы летного поля.
Проектом организации строительства может быть предусмотрено частичное или полное устройство постоянных водоотводных или осушительных сооружений в подготовительный период, до начала основных работ.
При подготовке к работе карьеров или резервов должны быть прокопаны выездная и разрезная траншеи, подготовлен рабочий забой. Траншеи, ведущие к рабочему забою, должны иметь организованный поверхностный сток со сбором и выпуском воды за пределы забоя и подъездных путей. При наличии уклона местности и стока в сторону резерва или выемки следует предварительно устраивать перехватывающую (нагорную) канаву.
Разбивочные работы. Рабочая разбивка выполняется с целью обеспечения соответствия проекту всех геометрических размеров земляного полотна и является развитием геодезической разбивочной основы, фиксирующей вынос на местность линейных и высотных геометрических параметров. Рабочая разбивка производится геодезической службой исполнителя земляных работ.
Рабочую разбивку выполняют после снятия плодородного слоя почвы, расчистки, планировки и уплотнения основания непосредственно перед производством работ. Сначала рабочие поперечники строят с использованием геодезической разбивочной основы в местах перелома профиля поверхности и по нормалям в характерных точках кривых. Далее выполняется попикетная разбивка поперечников с установкой специальных знаков, по которым в процессе работ с помощью вешек, визирок и откосников можно определить требуемые размеры и отметки в любой точке земляного полотна.
Разбивку поперечников выполняют с помощью теодолита, который устанавливают над осевой пикетной точкой. По линии, составляющей 90° к направлению оси, откладывают мерной лентой проектные размеры и фиксируют колышками со стержнями подошву насыпи или бровку выемки с записью в журнале отметок колышков, а также границу кюветов, других элементов земляного полотна, боковых резервов. Отметки фиксируют только по тем точкам, которые будут использоваться для выноса высотных параметров.
Рабочие поперечники с обозначением характерных точек вешками и визирками устраивают: на прямых - через 50 м; на вогнутых кривых - через 10-20 м; на горизонтальных и выпуклых кривых - через 20-50 м.
Край откоса насыпи или выемки, а также бровки бокового резерва обозначают прихватыванием плуга или рыхлителя. Высотная и плановая разбивка насыпей и выемок должна контролироваться с переносом характерных точек через каждые 1,0-1,5 м по высоте.
В процессе производства земляных работ используется система знаков, в основном, переносных: вешки, визирки, откосники, которые позволяют операторам машин соблюдать проектные размеры и высоты, вынесенные на поперечниках.
Вешки устанавливают или выставляют в створах между плановыми точками на поперечниках или разбивочных осях летного поля; визирки - между высотными отметками; откосники - в дополнение к вешкам при планировке откосов.
Временные дороги для нужд строительства. Подъездные и внутриобъектные, в том числе землевозные дороги должны обеспечивать выполнение необходимого объема перевозок для нужд строительства в период, определенный графиком поставки соответствующих материалов. Категорию дорог и тип покрытия назначают на основе ожидаемой интенсивности движения с учетом срока службы и сезонности перевозок. В состав проекта организации строительства (ПОС) должны быть включены рабочие чертежи плана, продольного профиля и конструкций временных дорог.
Для нужд строительства следует максимально использовать существующую дорожную сеть. При необходимости проектом должно быть предусмотрено улучшение существующих дорог (устройство дополнительных слоев покрытий, усиление труб и мостов). Параметры дорог общей сети, улучшенных для целей строительства, должны соответствовать требованиям СНиП 2.05.02-85 «Автомобильные дороги».
Проезд транспортных средств и дорожных машин за пределами отведенной для строительства территории допускается только по временным дорогам или специально выделенным маршрутам общей сети.
При выполнении земляных работ в зимнее время в I и II климатических зонах следует устраивать зимние автомобильные дороги в соответствии с ВСН 137-89 «Инструкция по проектированию, строительству и содержанию зимних автомобильных дорог в условиях Сибири и Северо-востока СССР».
После окончания эксплуатации все временные землевозные дороги (за исключением участков, принятых в состав общей или внутрихозяйственной сети дорог) должны быть рекультивированы путем выравнивания под общий уровень окружающей местности и засыпки слоем почвенного грунта.
Снятие растительного грунта. Плодородный слой почвы, включая дерново-растительный слой, должен быть снят на всей площади, занимаемой насыпями, выемками, резервами, карьерами и другими сооружениями дорожного комплекса. Границы в плане, толщина снятия и места складирования грунтов плодородного слоя почвы определяются проектом. Качественные показатели и нормы снятия плодородного слоя почвы установлены ГОСТ 17.5.3.06-85.
Разбивка работ по снятию почвы заключается в выноске в натуру границ срезки и контуров штабелей складирования. Для разбивки границ срезки используют вешки высотой 1,0-1,5 м, устанавливаемые через 20-25 м. Контуры валов складирования обозначают кольями; границу срезки до начала работ - бороздой (плугом или рыхлителем).
В целях предупреждения поломки или засыпки установленные ранее знаки выноса проекта на местность следует защитить ограждениями из трех реек, скрепленных верхними концами «в шатер», или обозначить специальными вешками. После окончания снятия плодородного слоя почвы установленная для этой работы разбивка снимается.
Если подлежащий снятию слой имеет высокую плотность или в нем остались корни после удаления леса, до начала срезки рыхлят слой или вспахивают многокорпусными плугами.
Плодородный слой почвы снимают, как правило, в талом состоянии. При затрудненной проходимости машин допускается снимать почву в весенний период при оттаивании грунта на соответствующую глубину.
Плодородный слой почвы срезают и перемещают в места складирования бульдозерами или автогрейдерами, применяя следующие схемы работ:
при возведении насыпей из привозного грунта, когда ширина полосы, с которой должен быть срезан слой почвы, не превышает 25 м, используют челночную схему поперечного перемещения грунта по отношению к оси дороги;
при возведении насыпей из боковых резервов или высоких насыпей, а также при разработке глубоких выемок, когда дорожная полоса имеет ширину 30-40 м и более, срезку и перемещение почвы следует производить сначала с одной половины полосы, начиная зарезание от оси, а затем с ее другой половины, по так называемой, поперечной или поперечно-участковой схеме движения;
при больших объемах работ по снятию почвенного слоя (толстый слой, большая ширина дорожной полосы) сначала производят срезку почвы с перемещением автогрейдером или бульдозером с поворотным отвалом в продольные валы, из которых позднее грунт перемещают бульдозерами за пределы дорожной полосы. При этом поперечное перемещение почвы на половине ширины дорожной полосы производят косыми проходами бульдозера (под углом к продольной оси дороги), чтобы при каждом проходе обеспечивалась полная загрузка бульдозера, соответствующая его мощности. Такая схема называется продольно-поперечная.
При удалении почвенного грунта с площадей большой ширины используется схема с образованием валов-штабелей в контуре сооружения. До начала последующего вида работ почвенный грунт должен быть вывезен в установленные проектом места складирования автотранспортом с погрузкой погрузчиками.
При вертикальной планировке площадей и полос с травяным покровом шире 50 м допускается сбор почвенного грунта в поперечные валы в пределах контура с последующим распределением по спланированной захватке.
Штабели почвенного грунта размещаются с учетом рельефа местности и других местных условий при ширине полосы до 25 м, как правило, с одной стороны; при большей ширине - с двух сторон с разрывами для проезда строительных машин, стока поверхностных вод. В лесных массивах, на пашнях и других ценных землях хранение почвенного грунта осуществляют на специально выделяемых для этих целей площадях.
При снятии, складировании плодородного слоя почвы должны быть приняты меры, предотвращающие его потери (размыв, раздувание), а также снижение его качества (смешивание с подстилающими слоями, корнями, лесоотходами, загрязнение и т. п.). При сроке складирования более года поверхность валов почвенного грунта укрепляют посевом трав или другими способами, предусмотренными проектом.
Основные мероприятия по подготовке основания земляного полотна. До начала возведения насыпи подготовленная поверхность основания должна быть спланирована бульдозером. Ямы, траншеи, котлованы и другие местные заглубления, в которых может застаиваться вода, заполняют послойно с уплотнением до требуемой плотности для основания (СНиП 2.05.02-85, табл. 22). Для обеспечения водоотвода на горизонтальных участках придается поперечный уклон от оси не менее установленного для поверхности покрытия.
При использовании в качестве основания сильносжимаемых недренирующих грунтов (торф, ил, глины малой плотности и др.), а в насыпи - дренирующих грунтов - при выравнивании следует создавать в средней части строительный подъем, величина которого должна быть больше величины расчетной осадки основания, предусмотренной проектом.
Уплотнение грунтового основания низких насыпей и грунтовых слоев под низом рабочего слоя дорожной одежды в выемках и нулевых местах выполняется в случаях, предусмотренных СНиП 2.05.02-85 и СНиП 3.06.03-85. Грунты основания уплотняют непосредственно перед отсыпкой вышележащих слоев грунта или слоев дорожной одежды (аэродромного покрытия).
Если требуемая глубина уплотнения превышает толщину слоя, эффективно уплотняемого применяемыми средствами, излишний слой грунта следует удалить бульдозером и проводить уплотнение нижележащего слоя. После уплотнения и разравнивания нижнего слоя удаленный грунт возвращают и уплотняют до требуемой плотности.
При реконструкции дорог с использованием существующей насыпи растительный грунт с обочин и откосов реконструируемой насыпи удаляют и перемещают на границу полосы отвода для последующей рекультивации. При невозможности использования его биологических свойств распределяют в основании дополнительной части. Перед отсыпкой дополнительных слоев поверхность старой насыпи должна быть разрыхлена на глубину 10-15 см с уплотнением совместно с последующим слоем. Необходимость разборки и удаления слоев старой дорожной одежды устанавливается проектом.
До начала работ по возведению насыпи водопропускные и коммуникационные трубы, как правило, должны быть закончены полностью и засыпаны с обеих сторон на ширину не менее 4 м с каждой стороны, сверху - слоем толщиной, не менее указанной в проекте, с послойным уплотнением до требуемой плотности. При этом перемещение и разравнивание грунта, а также уплотнение катками выполняется продольными по отношению к трубе проходами машин при одновременном наращивании насыпи с обеих сторон. Необходимо постоянно осуществлять контроль за приближением машины к стенке трубы с целью избежания ее сдвига или возможного разрушения. Толщина слоя грунта поверх трубы, при которой возможно уплотнять грунт засыпки и пропускать машины и транспорт, должна быть указана в проекте трубы, но не менее предусмотренной действующими нормами.
Общие положения. Для регулирования водно-теплового режима земляного полотна используется комплексный подход, направленный на исключение попадания воды в рабочий слой насыпей и выемок, с целью предохранения конструктивных слоев дорожной одежды от деформаций, связанных с потерей несущей способности. К таким деформациям относится, в первую очередь, пучение.
В соответствии с требованиями СНиП 2.05.02-85 основным решением для обеспечения устойчивости и прочности земляного полотна и дорожной одежды является возвышение поверхности покрытия над расчётным уровнем грунтовых вод, верховодки или длительно (более 30 суток) стоящих поверхностных вод, а также над поверхностью земли на участках с необеспеченным поверхностным стоком или над уровнем кратковременно (менее 30 суток) стоящих поверхностных вод, которое должно соответствовать, например, для II дорожно-климатической зоны от 1,1 до 2,4 м в зависимости от грунта рабочего слоя.
При невозможности обеспечения требуемого возвышения покрытия над расчётными уровнями поверхностных и грунтовых вод должны быть предусмотрены следующие мероприятия: устройство морозозащитно-дренирующего слоя; регулирование водно-теплового режима земляного полотна с помощью гидроизолирующих, теплогенерирующих, дренирующих или капилляро-прерывающих прослоек; укрепление или улучшение грунта рабочего слоя с помощью вяжущих; использование армирующих геосинтетических прослоек; понижение уровня подземных вод с устройством дренажа. Указанные мероприятия особенно эффективны при их комплексном использовании.
Водоотводные и дренажные сооружения являются непосредственными элементами земляного полотна согласно СНиП 2.05.02-85. Они подразделяются:
на сооружения открытого водоотвода: водоотводные канавы, кюветы, водоотводные и водосбросные лотки;
сооружения закрытого водоотвода: дренажи траншейные (подкюветный, закюветный, перехватывающий), откосные, горизонтальные, застенные, пластовые.
Поверхностный водоотвод. К открытому водоотводу относятся водоотводные канавы, кюветы, водоотводные и водосбросные лотки для отвода воды с проезжей части. Сроки и время их устройства в общем технологическом цикле и предусмотренном для конкретных условий регламенте устанавливаются проектом, в частности, проектом организации строительства и производства работ, как правило, до начала устройства дорожной одежды.
В тех случаях, когда условия производства работ по сооружению земляного полотна и дорожной одежды позволяют обеспечить сохранность сооружений водоотвода открытого типа в период основных работ, предусмотренные проектом конструкции водоотвода такого типа рекомендуется выполнять до начала указанных основных работ. Особенности организации строительства в этом случае должны быть отражены в проекте производства работ.
Работы по устройству открытого водоотвода включают следующие виды технологических операций:
разбивочные работы с закреплением планового и высотного расположения водоотводного сооружения относительно земляного полотна или его отдельных конструктивных элементов с учётом установленных проектом мест сброса воды;
нарезку канавы заданного профиля;
доработку профиля или его профилировку с приданием проектной конфигурации откосов и основания;
устройство слоя песчаной или щебёночной подготовки перед укреплением (если они предусмотрены проектом);
устройство конструкций укрепления дна и откосов канавы.
Во всех случаях защитное покрытие (конструкции укрепления) следует устраивать непосредственно после доработки профиля и устройства песчаной или щебёночной подготовки.
Канавы глубиной до 0,4 м нарезают тяжёлыми автогрейдерами; глубиной 0,4-0,7 м - бульдозерами или кустарниковыми плугами с профильными отвалами; глубиной 0,7-1,5 м - специальными канавокопателями плужного или роторного типа; а глубиной более 1,5 м - экскаваторами, в частности, многоковшовыми с обратной лопаткой. Допускается применение одноковшовых экскаваторов, оборудованных профильным ковшом, а при отсутствии профильного ковша допускается использование обычного ковша с последующей доработкой откосов канав и профилировкой их вручную.
При устройстве водосбросных лотков, размещаемых на откосах насыпей, канавы, необходимые для их заглубления, устраивают при помощи экскаваторов с ковшом «обратная лопата» или типа УДС.
При устройстве водоотводных, водосбросных и других типов канав вынимаемый из них грунт используют для сооружения насыпей, если он по составу и состоянию удовлетворяет требованиям СНиП 2.05.02-85. В противном случае грунт удаляется в кавальер.
В качестве защитного покрытия откосов и дна канав используют травосеяние, щебневание дна с устройством травяного покрова на откосах, сборные покрытия из плит, цементогрунт или асфальтобетон, сборные профильные элементы, геосинтетические и геопластиковые материалы. Ориентировочные трудозатраты на укрепительные работы приведены в табл. 4.1. При укреплении канав травосеянием механизация укрепительных работ обеспечивается методом гидропосева. Возможны варианты посева трав вручную.
Таблица 4.1
|
Вид укрепления |
Трудозатраты на 1000 м2 чел/дн. |
|
|
общие |
ручных работ |
|
|
Травяной покров |
1-2 |
- |
|
Щебневание дна канав |
60 |
40 |
|
Монолитный бетон толщиной 10 см |
120 |
67 |
|
Асфальтобетон толщиной 8 см |
110 |
60 |
|
Цементогрунт толщиной 15 см |
120 |
70 |
|
Сборная бетонная плита на гравийном основании |
100 |
82 |
|
Сборные железобетонные лотки |
95 |
48 |
Облицовку канав бетонными плитами выполняют вручную или с использованием автомобильного крана грузоподъёмностью до 6 т. Укладку сборных элементов на подготовленный профиль канавы осуществляют только после устройства слоя подготовки (песок, гравийно-песчаная смесь, щебень, геотекстиль); омоноличивание сборных элементов и устройство швов осуществляют вручную цементным раствором, мастиками, уплотняющими прокладками или другими материалами, предусмотренными проектом. Укрепление канав монолитными покрытиями (бетон, асфальтобетон или грунт, укреплённый вяжущими) осуществляют при ручном распределении материала и уплотнении его при помощи виброреек, площадочных вибраторов и ручных катков.
Для механизации укрепления канав монолитным бетоном рекомендуется использовать специальный отряд машин (табл. 4.2) с применением скользящей виброформы, выполненной по профилю канавы и перемещаемой при помощи трактора или лебёдки, установленной на виброформу. Для уплотнения и формования бетона используют 4 глубинных вибратора. Доставку и загрузку бетона в форму осуществляют автобетоносмесителями.
Таблица 4.2
|
Наименование машин |
Выполняемые операции |
Потребность машин на 4 лотка по 20 м, маш.-смен |
Затраты труда на 80 пог. м лотка, чел./дн. |
|
Экскаватор |
Разработка траншеи для лотка, планировка откосов |
1,2 |
6,0 в том числе ручные работы 3,6 |
|
Кран автомобильный грузоподъёмностью 6 т |
Разгрузка и установка блоков лотка и оголовков |
4,4 |
18,4 в том числе ручные работы 14 |
|
Автосамосвалы грузоподъёмностью более 5-7 т |
Подготовка материалов и конструкций |
По расчёту |
- |
|
Трамбовка ручная |
Уплотнение грунта в пазухах |
0,1 |
0,1 |
Устройство сборных лотков (водосбросов) из железобетонных блоков включает следующие операции (табл. 4.2):
отрывку траншеи под блоки лотка и блоки оголовков;
устройство щебёночной подготовки под оголовки;
установку блоков лотка и оголовков;
заделку швов на стыках блоков;
засыпку пазух грунтом с уплотнением и планировкой откосов по обеим сторонам лотка.
Устройство водосбросов с проезжей части дороги из сборных бетонных лотков, размещаемых на откосах, с устройством гасителя включает:
отрывку котлована под гаситель, лоток на обочине и траншею под телескопический лоток по откосу насыпи;
устройство щебёночной подготовки;
установку упорного блока и монтаж телескопического лотка;
заделку швов в стыках блоков;
засыпку пазух грунтом с уплотнением грунта и планировкой откосов по обеим сторонам лотка;
установку бортовых блоков открытого лотка и плит гасителя.
Работы целесообразно вести специальным отрядом машин.
Дренажные сооружения для регулирования подземного стока. Дренажные сооружения, предназначенные для регулирования подземного стока в конструкциях низких насыпей и выемок земляного полотна, включают подкюветные, закюветные перехватывающие откосные, присыпные и врезные дренажные устройства, а также бестраншейные трубчатые и застенные элементы.
Работы по устройству перехватывающего, подкюветного и закюветного дренажей (траншейные дренажи) включают следующие операции:
подготовку трассы дренажа;
рытьё траншей с осушением и временным креплением их стенок;
подготовку основания под дренажные трубы с устройством в необходимых случаях предусмотренного проектом водонепроницаемого вертикального экрана с низовой стороны;
укладку и засыпку труб дренирующим материалом (песком, щебнем) и заполнение верха траншей местным глинистым грунтом с последующим их уплотнением и устройством водонепроницаемого замка.
До начала рытья траншей для перехватывающего, подкюветного и закюветного дренажа необходимо подготовить трассу: осуществить разбивку и привязку; закрепить ось траншей колышками и вешками; удалить пни, камни, кустарники и пр.; спланировать рабочую площадь для работы землеройных машин. Для рытья траншей рекомендуется применять многоковшовые экскаваторы или экскаваторы с обратной лопатой.
В тех случаях, когда имеется вероятность поступления поверхностных вод в дренажную траншею, рекомендуется предусматривать временные водоотводные канавы или лотки. В определённых случаях целесообразно использовать откачивание воды в приямок при помощи насосов.
При поступлении в траншею грунтовых вод с расходом, превышающим 1 л/сек, её необходимо осушать с помощью иглофильтровых водопонижаюших или других насосных установок. Боковые стенки траншеи крепят инвентарными щитами с применением стоек и распорок. Технология осушения, а также крепления траншеи инвентарными щитами должна быть отражена в проекте производства работ.
Устройство траншейных дренажей всех типов рекомендуется выполнять в сухое время года. При наличии грунтов повышенной влажности, переувлажнённых, а также в случае поступления в траншею поверхностных или грунтовых вод работы по устройству дренажей рекомендуется выполнять отдельными захватками с предварительным полным или частичным осушением.
В случае заглубления согласно проекту основания дренажа в водоупорный слой грунта на 0,2-0,5 м на дно траншеи следует укладывать слой уплотнённого щебня или гравия толщиной не менее 5 см. Если основание дренажа размещено выше водоупорного слоя, в качестве основания под трубы насыпают гравийно-щебёночный слой, уложенный на слой песка толщиной 10 см.
При устройстве перехватывающего дренажа во избежание просачивания воды в сторону земляного полотна вдоль ближайшей к нему стенки траншеи устраивают водонепроницаемый экран из рулонных изолирующих материалов (изол, рубероид, полиэтиленовая плёнка и т. п.).
В качестве дренажных труб применяют асбоцементные трубы с пропилами, трубофильтры и пластмассовые перфорированные трубы. При укладке в траншею через дренажные трубы протягивают оцинкованную проволоку, необходимую для прочистки при их эксплуатации. Концы проволоки закрепляют в смотровых колодцах.
Для наблюдения за работой дренажа и прочистки труб через каждые 50-80 м согласно требованиям проекта, а также на всех переломах дренажа в плане и продольном профиле устраивают смотровые колодцы из звеньев железобетонных труб диаметром 1 м, которые монтируют при помощи крана. На каждом смотровом колодце должна быть установлена бетонная или металлическая крышка для защиты от засыпки грунтом, снегом, другими материалами и предметами.
Поверх уложенных дренажных труб на высоту 30-40 см отсыпают одноразмерный гравий или щебень (сначала фракции 40-70 мм, а затем фракции 5-10 мм) и потом до уровня грунтовых вод - средний или крупный песок. По поверхности песка укладывают противофильтрационный замок из водонепроницаемого материала или битумной плёнки (норма розлива 4-5 л/м2).
Вместо отсыпки из гравия и щебня рекомендуется использовать оборачивание труб геотекстильным материалом с коэффициентом фильтрации не менее, чем у гравия или щебня. Верхнюю часть траншеи засыпают местным глинистым грунтом. Устройство дренажа целесообразно вести специальным отрядом машин. Для засыпки траншей применяют экскаваторы или бульдозеры, оборудованные открылками. Для уплотнения песка и местного грунта используют электровибраторы или ручные трамбовки. По мере засыпки траншей крепления стенок разбирают.
Открытые лотки в местах примыкания к дренажам укрепляют сборными бетонными элементами или мощением камнем с заливкой швов цементным раствором. Лоток укрепляют на длине не менее 2 м.
Откосный врезной дренаж сооружают после устройства подкюветного или перехватывающего трубчатого дренажа. Очерёдность их строительства устанавливается проектом, а также ПОС и ППР.
До начала работ на местности производят разбивочные работы: намечают точки поворота траншей, места примыкания к трубчатому дренажу, оси траншей, ширину траншей, места разгрузки материалов.
Для рытья траншеи экскаватор устанавливают на продолжении оси траншеи у подошвы откоса и разрабатывают грунт отдельными захватками, начиная от места примыкания траншеи к трубчатому дренажу. При значительной длине откоса экскаватор после отрывки нижней части траншеи устанавливают у бровки откоса. Траншею продолжают разрабатывать в направлении снизу-вверх.
Вынутый из траншеи грунт вывозят на автосамосвалах, а дно траншеи зачищают и планируют вручную. Боковые стенки траншеи при необходимости укрепляют щитами с применением стоек и распорок.
Для заполнения нижней части траншеи используют гравий или щебень, который подают в траншею экскаватором-планировщиком. После планировки слоя щебня и его уплотнения поверх этого слоя укладывают слой песка с разравниванием и уплотнением. Верхнюю часть траншеи заполняют глинистым грунтом нормальной влажности, который также подают в траншею экскаватором-планировщиком и укладывают слоями толщиной не более 30 см с уплотнением каждого слоя. По мере заполнения траншеи крепления стенок разбирают.
Для повышения долговечности работы откосного дренажа и уменьшения кольматации слоя щебня рекомендуется этот слой устраивать в оболочке из геотекстильного материала. При использовании геотекстиля в траншею опускают полотнище необходимой ширины с креплением его боковых концов к стенкам траншей, укладывают слой щебня, и после разравнивания и уплотнения последнего концы геотекстильного полотнища заворачивают на поверхность этого слоя. При этом устройство песчаного слоя не требуется. При сооружении откосного дренажа наличие местного грунта на контакте откосного дренажа с трубчатым дренажом не допускается. При выполнении последующих отделочных работ на откосах поверхность заполненных дренажных траншей покрывают слоем растительного грунта с посевом трав.
Присыпной откосный дренаж, устраиваемый в выемках, целесообразно размещать таким образом, чтобы его нижняя часть была расположена на полке. При этом должна быть обеспечена водонепроницаемость основания под дренажными трубами путём устройства экранов из перемятой глины, грунта, обработанного вяжущими или вязкого битума, а также водонепроницаемыми геосинтетическими материалами. Устройство откосного дренажа необходимо начинать сразу же после разработки соответствующего яруса выемки.
Для этой цели сначала возле подошвы откоса роют траншею глубиной 0,3-0,5 м, дно и откосы которой тщательно изолируют от поступления воды, оставляя выпуск для низа водоносного горизонта. В траншею укладывают трубофильтры, перфорированные пластмассовые или асбоцементные трубки с устройством обратного фильтра. В качестве материала для обратного фильтра можно использовать геотекстильные материалы. Далее отсыпают слои дренажа, предусмотренные проектом, а также верхний защитный слой с планировкой поверхности и укреплением её гидропосевом трав.
Для повышения эффективности работы присыпного откосного дренажа рекомендуется использовать геотекстильный материал. В этом случае на спланированную поверхность откоса укладывают полотнища из геотекстильного материала с оборачиванием нижнего конца полотнища вокруг дренажной трубы, укладывают поверх полотнища слой из песка и после этого устраивают верхний защитный слой с планировкой поверхности и её укреплением.
Перехватывающий траншейный дренаж, предусмотренный проектом на откосах выемок, следует устраивать после завершения разработки каждого яруса выемки, планировки откосов и устройства полки, где должен быть расположен дренаж.
При устройстве перехватывающих траншейных дренажей на склонах и косогорах, в том числе и оползневых, необходимо, чтобы в проекте (в том числе в ППР) было определено конкретное место расположения дренажного сооружения. В случае вероятности оползневых подвижек в результате рытья траншеи для дренажа рекомендуется устройство траншеи выполнять под защитой удерживающих конструкций, например, буронабивных или забивных свай.
Горизонтальный бестраншейный дренаж располагают у подошвы откоса выемки или её отдельных ярусов, а также в пределах верховой или низовой части склона, на котором располагается земляное полотно. Технология сооружения горизонтального бестраншейного дренажа включает:
подготовительные работы;
устройство водоприёмного коллектора или водоотводного лотка возле подошвы откоса;
монтаж дрен из гибких гофрированных труб;
бурение скважин с установкой обсадных труб;
извлечение бурового шва и введение в обсадные трубы дрен;
извлечение обсадных труб и обустройство устья скважин.
При длине дрен до 30 м в грунтах, обеспечивающих устойчивость стенок скважин до введения в них дрен, допускается бурение скважин без обсадных труб.
Подготовительные работы по устройству бестраншейного горизонтального дренажа включают планировку поверхности грунта на строительной площадке, устройство временных подъездных путей для транспортировки материалов и оборудования, доставку на площадку геотекстильного материала и дренажных труб и их складирование, транспортировку технологического оборудования, разбивку мест для бурения горизонтальных скважин.
В случае необходимости применения водоотводного лотка его устраивают перед бурением скважин. При наличии оползневых подвижек водоотводные лотки устраивают с гибким покрытием, например, из геотекстильных материалов, обработанных битумом (расход битума 2-4 л/м2), а также из объёмных пластиковых решёток.
Технология сооружения застенного дренажа осуществляется при устройстве сборных и монолитных подпорных стен и включает следующие операции:
формирование на тыльной (обращенной к грунту) поверхности стены и её отдельных элементов продольных и поперечных каналов и устройство в её нижней части дренажных окон;
навешивание на стену геотекстильного материала;
укладку в основании стены на уровне дренажных окон перфорированной трубы;
обёртывание нижнего конца полотнища вокруг дренажной трубы и её фиксацию;
засыпку застенного пространства местным грунтом (обратная засыпка).
Дополнительные слои основания, как правило, выполняют три функции. Они обеспечивают несущую способность, дренируют поверхностную воду и обеспечивают морозостойкость дорожной одежды. Дополнительные слои основания дорожной одежды могут состоять из песка с коэффициентом фильтрации Кф не менее 1 м/сут или гравийно-песчаной (щебёночно-песчаной) смеси (ГОСТ 25607-94 и СНиП 2.05.02-85, табл. 25).
В тех случаях, когда функция дренирования подстилающих слоев может быть исключена для морозозащитных слоев, допускается применять слабопучинистые пески с Кф не менее 2 м/сут, которые удовлетворяют требованиям по сдвиговым характеристикам (по расчёту на прочность) и морозоустойчивости дорожной одежды.
Перед устройством дополнительных слоев оснований должна быть тщательно подготовлена поверхность рабочего слоя основания. Она должна быть уплотнена до Купл = 0,98-1,0 (при асфальтобетонных покрытиях и цементобетонных покрытиях и основаниях соответственно) и спланирована с приданием проектных поперечных уклонов. Уплотнение осуществляют при помощи средних и тяжёлых катков с гладкими вальцами или кулачковыми. Катки могут быть статического действия или с вибрационным воздействием. Выбор осуществляется на основе пробного уплотнения. Планировку рекомендуется выполнять тяжёлыми автогрейдерами или профилировщиком.
Основы технологии строительства водонепроницаемых и капилляропрерываюших слоев. Гидроизолирующие (водонепроницаемые) слои из рулонных материалов (изол, полиэтиленовая плёнка стабилизированная сажей и др.) устраивают, начиная с низовой (по отношению к направлению стока воды) стороны, с перекрытием полос гидроизолирующего материала на 0,1 м. При укладке отдельные полотнища необходимо между собой склеивать или сваривать.
Первый слой грунта поверх гидроизолирующего слоя должен отсыпаться на толщину не менее 0,25 м способом «от себя» и разравниваться распределителями или бульдозерами. После того как первый слой будет уплотнён, дальнейшую отсыпку разрешается производить обычным способом.
Нарушение гидроизолирующего слоя в процессе укладки на него грунта не допускается. Движение транспортных средств по нему запрещается.
На непучинистых участках допускается применять гидроизолирующую прослойку из битумогрунта. При этом поверхность обрабатываемого грунтового слоя должна быть тщательно спрофилирована. Обработка слоя толщиной не менее 8-10 см может быть выполнена дорожной фрезой или однопроходной грунтосмесительной машиной. Гидроизолирующая прослойка может быть также устроена из грунта или песка, обработанного битумом в передвижной или стационарной грунтосмесительной установке.
Дренирующие и капилляропрерывающие слои из геотекстильных материалов должны устраиваться, начиная с низовой (по отношению к направлению стока воды) стороны. Полотнища материала следует укладывать внахлёст с перекрытием полотен на 0,3 м или сшивать механизированным способом. Допускается склеивание полотен.
Первый слой грунта поверх геотекстильного материала должен отсыпаться на толщину не менее 0,35 м в уплотнённом состоянии способом «от себя» и разравниваться распределителями или бульдозерами.
При устройстве гидроизолирующих и капилляропрерывающих слоев необходимо проверить качество планировки и соответствие поперечных уклонов проектным, герметичность швов полотнищ гидроизолирующего слоя через каждые 100 м дороги.
Теплоизоляционные плиточные материалы (пенопласт и др.) следует укладывать с обеспечением равномерного опирания плит на поверхность земляного полотна. При необходимости следует выравнивать поверхность земляного полотна песком.
При двух- и трёхярусном теплоизолирующем слое швы нижележащего ряда плит необходимо перекрывать вышележащими плитами. Первый над плитами слой дорожной одежды следует отсыпать на толщину не менее 0,25 м в плотном теле способом «от себя».
Контроль качества. При устройстве теплоизолирующих слоев из бетонов, каменных материалов, обработанных вяжущими, укреплённых грунтов и золошлаковых смесей необходимо контролировать качество смесей путём определения прочности образцов материалов согласно требованиям соответствующих разделов СНиП 3.06.03-85.
При устройстве теплоизолирующих слоев из пенопласта необходимо проверять равномерность опирания плит на поверхность земляного полотна и толщину первого слоя дорожной одежды над пенопластом.
При устройстве дренирующих, капилляропрерывающих и гидроизолирующих прослоек необходимо проверять толщину и гранулометрический состав слоев грунта над и под прослойкой, качество стыковки полотнищ материала и толщину первого слоя дорожной одежды над прослойкой. Толщину первого слоя дорожной одежды и толщину слоев грунта над и под прослойкой следует контролировать линейкой в 3 точках на поперечнике (по оси и у бровок земляного полотна) не реже чем через 100 м.
При устройстве морозозащитного слоя из непучинистых или слабопучинистых грунтов контроль качества грунта следует проводить в карьере путём отбора соответственно не менее 3 и 10 проб из каждых 500 м3 песчаного грунта и проводить их испытание с определением содержания пыли и глины и величины коэффициента фильтрации по ГОСТ 25584-90. Допускается устанавливать величину коэффициента фильтрации расчётным путём в зависимости от гранулометрического состава песчаного грунта.
Плотность материалов слоя необходимо контролировать в 3 точках на поперечнике (по оси и у кромок проезжей части) не реже чем через 100 м согласно ГОСТ 5180-84. Для текущего контроля допускается использовать ускоренные и полевые экспресс-методы и приборы.
Гранулометрический состав слоев грунта над и под гидроизолирующей прослойкой следует контролировать 1 раз в смену.
Подготовка поверхности дренирующих и морозозащитных слоев перед устройством технологических слоев и слоев основания. Поверхность дренирующих и морозозащитных слоев должна быть уплотнена и спланирована. Уплотнение указанных слоев из песка осуществляют сначала при помощи виброкатков с гладким и кулачковым вальцом. Окончательно уплотняют при помощи катков с гладким вальцом без вибрационного воздействия. Используются средние катки. Корректировка средств уплотнения выполняется на основе пробной укатки. Схема движения катков челночная, от краёв к середине с перекрытием смежных следов на 1/3. Планировку выполняют при помощи средних автогрейдеров с приданием поверхности проектных поперечных уклонов.
Объемы работ при строительстве земляного полотна на автомобильных дорогах в большой степени зависят от категории дороги и рельефа местности. В зависимости от категории дороги изменяются ширина земляного полотна, требования к максимальному продольному уклону и минимальному возвышению бровки земляного полотна над поверхностью земли. От рельефа местности зависят преобладающие типы поперечных профилей земляного полотна: в равнинной местности невысокие насыпи с высотой малоизменяющейся по длине дороги, в пересеченной и холмистой местности имеют место чередующиеся насыпи и выемки, при этом глубина выемок и высота насыпей изменяются в широком диапазоне.
Выбору способов и технологий строительства земляного полотна предшествует решение задачи о распределении земляных масс. Длительное время было принято считать, что оптимальным вариантом продольного профиля дороги считается такой, при котором объем грунта, полученного при разработке выемок, равен объему грунта, необходимого для отсыпки насыпей. Однако при расположении дороги в равнинной местности на участках большой протяженности может не быть выемок. К тому же в выемках может быть грунт не пригодный для отсыпки насыпей. В этих случаях следует использовать другие источники грунта - боковые резервы или грунтовые карьеры. Баланс земляных масс определяется следующим соотношением:
VH = VВ + VБP + VГК, где (5.1)
VH - объем грунта, требуемый для отсыпки насыпей;
VВ - объем грунта получаемый при разработке выемок;
VБР - объем грунта из боковых резервов;
VГК - объем грунта из грунтовых карьеров.
Распределение земляных масс осуществляется в следующей последовательности:
на основе попикетной ведомости объемов земляных работ строят линейный график (рис. 5.1);

Рис. 5.1. График распределения земляных масс (в скобках приведены объемы перемещаемого грунта, без скобок - профильный объем с учетом уплотнения)
проводят анализ геологического разреза в местах расположения выемок и оценивают возможность использования получаемых из выемок грунтов для отсыпки насыпей;
определяют объем грунта из выемки пригодного для отсыпки насыпей VВ;
выделяют участки с невысокой насыпью и оценивают возможность устройства вдоль этих участков боковых резервов с учетом ценности земель, условий водоотвода и пригодности грунтов;
вычисляют объем грунта, который можно получить из боковых резервов, VБР;
проводят геологические изыскания и согласование с землепользователями возможных мест расположения грунтовых карьеров;
определяют условия разработки и запасы грунта потенциальных грунтовых карьеровVГK;
определяют границы зон действия грунтовых карьеров;
вычисляют объемы требуемого из каждого карьера грунта VjГК;
проверяют баланс земляных масс.
В общем случае при рассмотрении всей дороги баланс земляных масс принимает вид:
где (5.2)
VН - общая потребность в насыпном грунте;
- объем грунта из выемки с
номером к; р - общее число выемок;
р - общее число выемок;
- объем грунта
из бокового резерва с номером i; п - общее
число боковых резервов;
- объем грунта из грунтового
карьера с номером j;
m - общее число грунтовых карьеров.
При составлении баланса земляных масс необходимо учитывать, что плотность грунта в насыпи больше, чем плотность естественного грунта в выемках, боковых резервах, грунтовых карьерах, то есть объем грунта из каждого источника должен быть увеличен в соответствии с соотношением этих плотностей.
При установлении зон действия грунтовых карьеров следует иметь в виду, что стоимость грунта, доставляемого из грунтовых карьеров, зависит от удаленности данного карьера от трассы автомобильной дороги, наличия и толщины вскрыши, затрат на подготовку подъездных дорог от карьера до трассы и стоимости разработки грунта, связанной с применяемым оборудованием.
Таким образом, стоимость одного кубометра грунта, доставляемого на трассу из карьера, будет определяться формулой:
С = Стр + Ср + Спр, где (5.3)
С - стоимость 1 м3 грунта доставленного на трассу, руб/м3;
Стр - стоимость транспортирования 1 м3 грунта от карьера до места укладки в насыпи, руб/м3;
Ср - стоимость разработки 1 м3 грунта в данном карьере, руб/м3;
Спр - примерная стоимость подготовительных работ данного карьера, отнесенная к 1 м3 руб/м3.
Решение задачи по установлению границ зон рационального применения грунта из каждого карьера можно представить графически (рис. 5.2).

Рис. 5.2. Определение зон действия грунтовых карьеров
В результате распределения земляных масс работы по строительству земляного полотна распределяют на следующие три группы: отсыпка насыпей из грунта выемок; отсыпка насыпей из грунта карьеров и отсыпка насыпей из боковых резервов. В случае если весь или часть грунта из выемок не пригодна для отсыпки, выделяется группа работ по разработке выемок с перемещением грунта в отвал.
Каждый из указанных источников грунта имеет присущие ему преимущества и недостатки. Преимущества грунта из выемок состоят в том, что в этом случае минимальный ущерб наносится природе, не требуется дополнительная территория для резервов или карьеров, нет необходимости в специальных площадках (отвалах) для размещения грунта из выемок. Как правило, грунт направляется из выемки в рядом расположенную насыпь, что уменьшает дальность перемещения грунта и сокращает затраты на строительство земляного полотна. Недостатком являются ограничения в выборе грунта, приходится работать с тем грунтом, что оказался в месте расположения выемки, он может быть пылеватым, переувлажненным или засоленным. Недостатком также является сам факт наличия выемки, ее снегозаносимость, более сложный водно-тепловой режим, трудности эксплуатации.
Основное преимущество насыпей из грунта боковых резервов состоит в том, что грунт перемещается на небольшое расстояние и стоимость возведения земляного полотна минимальна. Однако наличие вдоль дороги резерва приводит к тому, что в нем скапливается стекающая с дороги и прилегающей местности вода. Это приводит к заболачиванию резерва, избыточному увлажнению грунта насыпи, что существенно ухудшает условия работы дорожной одежды. Принято считать, что грунт из боковых резервов целесообразно применять для дорог низких технических категорий и в районах с сухим климатом.
При строительстве дорог I-III категорий отдают предпочтение насыпям, отсыпаемым из карьерного грунта. В этом случае представляется возможным при выборе места расположения карьера подобрать тип грунта, при разработке карьера удалять прослойки непригодного грунта. При необходимости возможно обогащение пылеватых глинистых грунтов посредством добавления к ним песчаных грунтов и перемешивания до укладки в насыпь. В этом случае удается достигать более высокого качества земляного полотна и получать насыпи со стабильными свойствами. Однако стоимость строительства насыпей из грунта карьеров, как правило, выше стоимости строительства насыпей из грунта выемок и боковых резервов.
Принято различать два способа отсыпки насыпей: послойный и с головы. Послойный способ предполагает разделение насыпи на горизонтальные слои толщиной до 50 см с доставкой грунта, его разравниванием и уплотнением. Толщина слоя устанавливается в зависимости от используемого оборудования для уплотнения.
Основное достоинство этого способа - возможность достижения высокой и одинаковой плотности грунта по всему сечению насыпи от нижних до верхних слоев. Такой способ позволяет вести отсыпку насыпей из различных грунтов (рис. 5.3, а).
При строительстве земляного полотна на участках пересечения болот, при размещении насыпи на слабых избыточно-увлажненных грунтах, при пересечении оврагов и в других случаях, когда осуществлять послойную укладку грунта становится затруднительно, а иногда невозможно, применяют способ отсыпки насыпи «с головы», то есть весь объем грунта до проектной отметки насыпают сразу, и так на всем протяжении участка (рис. 5.3, б).
Недостаток этого способа - необходимость уплотнения грунта сразу на всю высоту насыпи, что - труднодостижимо. В этом случае требуется время, чтобы дополнительное уплотнение произошло под действием собственного веса и проезжающих автомобилей.
Возможна и комбинация указанных способов - нижнюю часть насыпи отсыпают «с головы», а несколько верхних слоев - послойно (рис. 5.3, в).
Разработка выемок в зависимости от их глубины возможна несколькими способами. При глубине до 6 м наиболее часто применяется лобовой способ, когда экскаватор в состоянии разрабатывать грунт сразу по всему сечению. При невозможности лобового способа при выемках глубиной более 6 м сечение выемки разбивают на несколько ярусов. Разработку выемок можно вести в поперечном (при коротких и широких выемках) и продольном направлениях. Это позволяет увеличивать темп ведения работ.
В проекте организации работ по строительству земляного полотна предусматривают разделение дороги на участки с одинаковым видом работ: насыпи из выемок, насыпи из боковых резервов, насыпи из грунта карьеров.
В большинстве случаев грунт из выемок используют для отсыпки насыпей на смежных участках дороги. В зависимости от дальности перемещения грунта возможны три технологии с применением бульдозеров, скреперов или автомобильно-экскаваторных комплексов. При разработке коротких и неглубоких выемок и перемещении грунта в смежные насыпи при дальности, не превышающей 100 м, применяют бульдозеры, работающие по ярусно-траншейной схеме (рис. 5.4).
Разработку выемок начинают с участков, наиболее близких к насыпи. В зависимости от поперечного сечения выемки и параметров бульдозера определяют число ярусов и траншей, по которым перемещают грунт.

Рис. 5.3. Схема отсыпки насыпей: а) послойная, б) «с головы», в) комбинированная

Рис. 5.4 Последовательность разработки стенок при разработке нижнего яруса выемки и полок откосов выемки:
1-3 - ярусы, 4 - крайняя стенка (стенки разрабатывают одновременно с разработкой полок откоса); 5 - траншея; 6 - полки; а - ширина захвата при проходе бульдозером
Разработку верхнего яруса начинают вслед за разбивкой и обозначением границ выемки. Каждый ярус на всю ширину и длину выемки разрабатывают продольными траншеями с оставлением между ними стенки шириной до 1 м. Грунт перемещают в насыпь и укладывают слоями требуемой толщины. Траншею постепенно углубляют в сторону насыпи, что позволяет перемещать значительный объем грунта за один цикл. Стенки траншеи срезают после разработки верхнего яруса по всей длине выемки и срезанный грунт перемещают в насыпь. По такой же схеме разрабатывают и остальные ниже расположенные ярусы. Образовавшиеся ступенчатые откосы выравнивают бульдозером, движущимся сверху вниз и сдвигающим срезанный грунт в крайнюю траншею, из которой его перемещают в насыпь.
Отсыпку каждого слоя в насыпь следует начинать с крайних боковых полос с последующим смещением к оси дороги. При этом необходимо предусматривать запас по толщине слоя 10-20 % на уплотнение. Разравнивание готового слоя выполняют автогрейдером, а затем уплотняют.
К концу смены последний отсыпанный слой должен быть тщательно спланирован, чтобы обеспечить сток в случае выпадения атмосферных осадков.
Производительность бульдозера при разработке грунта, м3/см:
где (5.4)
Тcv - продолжительность смены, час;
V - объем грунта, перемещаемый бульдозером, м3;
Кп - коэффициент потери грунта при перемещении;
Кв - коэффициент использования рабочего времени;
Ку - коэффициент условий работы бульдозера (табл. 5.1);
tн - продолжительность резания грунта, сек;
tп - время, необходимое для переключения передач, сек;
Lп - дальность перемещения грунта, м;
Lхх - расстояние от места укладки грунта до места разработки, м;
Vп, Vxx - скорость бульдозера при перемещении грунта и при возврате к месту разработки, м/сек.
Объем грунта, перемещаемого бульдозером при одном проходе, определяют по формуле:
где (5.5)
В - длина отвала бульдозера, м;
Н - высота отвала, м;
Кпр - коэффициент учитывающий тип грунта, табл. 5.1;
Кр - коэффициент разрыхления грунта.
Таблица 5.1
|
Значение коэффициента Ку при уклоне местности |
|||
|
под уклон |
на подъем |
||
|
i ‰ |
Kу |
i ‰ |
Kу |
|
0-5 |
1-0,67 |
0-5 |
1-1,33 |
|
5-10 |
0,67-0,5 |
5-10 |
1,33-1,94 |
|
10-15 |
0,5-0,4 |
10-15 |
2,25-2,68 |
Перечисленные параметры, зависящие от технических особенностей бульдозеров, приводятся в справочниках по дорожным машинам.
Коэффициент условий работы Ку зависит от уклона местности, который может быть положительным при перемещении грунта под уклон и отрицательным при перемещении на подъем.
В состав отряда машин включают также автогрейдер для разравнивания грунта и катки для уплотнения.
При разработке выемок и перемещении грунта в насыпи на расстояние более 100 м наиболее эффективным является применение отрядов с ведущей машиной скрепер. В табл. 5.2 приведены ориентировочные сферы применения скреперов с ковшами различной емкости в зависимости от дальности перемещения грунта.
Таблица 5.2
|
Емкость ковша, м3 |
Дальность перемещения, м |
|
Прицепные скреперы |
|
|
3 |
< 250 |
|
6 |
300-350 |
|
10 |
350-600 |
|
15 |
600-1500 |
|
Самоходные скреперы |
|
|
6 |
< 1500 |
|
10 |
1500-2500 |
|
15 |
2500 - 3000 |
Резание грунта и заполнение ковша скрепера необходимо выполнять на прямолинейных участках, используя следующие приемы резания, показанные на рис. 5.5:
стружкой одинаковой толщины по всей длине резания;
стружкой переменной толщины клинообразной формы, применяется при разработке любых грунтов на горизонтальных участках;
стружкой гребенчатой формы с попеременным заглублением и выглублением ковша, применяется при разработке сухих песчаных и супесчаных грунтов на горизонтальных и наклонных участках.

Рис. 5.5. Схема набора грунта: а - траншейно-гребенчатая; б - ребристо-шахматная; 1-15 - последовательность проходов; b - ширина захвата грунта; L - путь наполнения ковша (стрелкой показано направление движения скреперов)
Для более эффективного заполнения ковша участки набора грунта размешают в шахматном порядке, используя шахматно-гребенчатую или шахматно-ребристую схемы показанные на рис. 5.5.
При разработке сухих песчаных грунтов для лучшего заполнения ковша целесообразно предварительное увлажнение грунта, дополнительный эффект по улучшению наполнения ковша в этих условиях дает также заполнение на подъемах с уклоном 2-3°.
При разработке выемок предпочтительным является направление движения скрепера под уклон, что облегчает резание грунта и повышает производительность за счет большей скорости движения.
Скреперами можно разрабатывать песчаные, супесчаные, глинистые и суглинистые грунты. Ограничением для применения скреперов являются заболоченные участки, участки с переувлажненным грунтом, сыпучие однородные пески, наличие в грунте включений валунов, территории, не очищенные от кустарника и пней, разработка плотных грунтов без предварительного рыхления.
Толщина отсыпаемого слоя определяется применяемыми средствами для уплотнения и ограничена техническими параметрами скрепера.
Производительность скрепера, м3/смену:
(5.6)
Тсм - продолжительность смены, час;
q - емкость ковша скрепера, м3;
Кв - коэффициент использования рабочего времени;
Кн - коэффициент наполнения ковша, зависит от вида грунта (табл. 5.3);
tрез + tп + tпов + tразгр + tхх - время, затрачиваемое соответственно на резание грунта, перемещение грунта, повороты скрепера, разгрузку ковша, холостой ход,
n - число переключений передач;
tпер - время, затрачиваемое на одно переключение передач, с;
Кр - коэффициент разрыхления грунта (табл. 5.4).
Таблица 5.3
|
Условия работы скрепера |
Коэффициент наполнения ковша |
||
|
Сухой рыхлый песок |
Супесь и средний суглинок |
Тяжелый суглинок и глина |
|
|
Без толкача |
0,5-0,7 |
0,8-0,95 |
0,65-0,75 |
|
С толкачем |
0,8-1,0 |
1,0-1,2 |
0,9-1,2 |
Время резания и разгрузки определяют посредством деления пути зарезания Lрез и пути разгрузки Lразгр на соответствующие скорости. (Ориентировочные значения этих параметров приведены в табл. 5.5, 5.6).
Отсыпку слоя грунта скрепером выполняют «от себя», чтобы использовать проезд груженого скрепера для уплотнения отсыпанного грунта. В плотных грунтах при резании грунта для увеличения производительности применяют толкачи. Число скреперов, обслуживаемых одним толкачом, определяют по формуле:
где (5.7)
tт - время цикла толкача при резании грунта;
tc - время цикла скрепера.
Таблица 5.4
|
Вид грунта |
Влажность, % |
Плотность грунта в естественном состоянии, г/см3 |
Коэффициент разрыхления грунта Кр |
|
Песок сухой |
- |
1,5-1,6 |
1-1,2 |
|
Песок влажный |
12-15 |
1,6-1,6 |
1,1-1,2 |
|
Легкая супесь |
7-10 |
1,5-1,7 |
1,1-1,2 |
|
Супесь и суглинки |
4-6 |
1,6-1,8 |
1,2-1,4 |
|
Средний суглинок |
15-16 |
1,6-1,8 |
1,2-1,3 |
|
Сухой пылеватый суглинок |
8-12 |
1,6-1,8 |
1,3-1,4 |
|
Тяжелый суглинок |
17-19 |
1,65-1,8 |
1,2-1,3 |
|
Сухая глина |
- |
1,7-1,8 |
1,2-1,3 |
Таблица 5.5
|
Грунт |
Длина пути резания Lрез, при емкости ковша скрепера, м3 |
|||
|
2,2-3,0 |
6-8 |
10 |
15 |
|
|
Супесь |
15-20 |
20-40 |
30 |
35 |
|
Суглинок легкий |
20-25 |
25-35 |
40 |
40 |
|
тяжелый |
25-30 |
40-50 |
60 |
70 |
Таблица 5.6
|
Толщина слоя отсыпки, м |
Длина пути разгрузки, м, при емкости ковша скрепера, в м3 |
|||
|
2,2-3,0 |
6-8 |
10 |
15 |
|
|
0,15 |
10 |
15 |
23 |
- |
|
0,2 |
7 |
11 |
17 |
24 |
|
0,25 |
6 |
9 |
14 |
10 |
|
0,3 |
5 |
8 |
11,5 |
16 |
|
0,35 |
4 |
6,5 |
10 |
14 |
|
0,4 |
- |
- |
9 |
12 |
Длина пути резания грунта при совместной работе скрепера и толкача в супесчаных и суглинистых грунтах сокращается до 10-12 м, в глинистых до 15-18 м, при этом толщина стружки увеличивается до 25 %.
При работе в выемках грунт разрабатывают ярусами высотой 0,5-0,8 м. Ярус начинают разрабатывать с самой высокой отметки и укладывают грунт в самую низкую точку насыпи. По мере разработки выемки уступы, образующиеся в поперечном сечении выемки, срезают автогрейдерами или бульдозерами.
Производительность скрепера при отсыпке грунта в насыпь зависит от выбора схемы движения скрепера (рис. 5.6).

Рис. 5.6. Схемы движения скрепера при разгрузке грунта в выемке с перемещением его в насыпь: а - из выемки в насыпь; б - из выемки в две насыпи
При разработке узкой выемки большой протяженности с отсыпкой грунта в две насыпи с обоих сторон выемки выгодно принять движение скрепера по сквозной схеме. В этом случае уменьшается количество поворотов и повышается производительность скреперов.
При дальности перемещения грунта, превышающей 1 км, при разработке выемок и грунтовых карьеров в качестве ведущей машины широко применяют экскаваторы. В зависимости от категории грунта по трудности разработки и от других условий применяют экскаваторы с различным рабочим оборудованием: прямая лопата, обратная лопата и драглайн.
Экскаваторы, оборудованные прямой лопатой, часто применяют при разработке выемок и грунтовых карьеров, при этом в зависимости от месячного темпа ведения работ выбирают экскаватор с соответствующей емкостью ковша (табл. 5.7).
Таблица 5.7
|
Месячный темп земляных работ, тыс. м3 |
До 20 |
20-60 |
60-100 |
Свыше 100 |
|
Емкость ковша, м3 |
0,65 |
1-1,25 |
2 |
2-4 |
Для более эффективного использования экскаваторов перед началом работы необходимо:
подготовить временные землевозные дороги;
предусмотреть съезды в забой и выезды из него;
обеспечить отвод поверхностных вод от забоя, водопонижение или отвод грунтовых вод;
при разработке в ночное время подготовить освещение.
В состав комплексного отряда по отсыпке насыпей из грунта выемок и карьеров обычно включают:
бульдозеры для снятия растительного или другого грунта, не пригодного для отсыпки насыпи, а также для устойчивого поддержания подъездных землевозных дорог в проезжем состоянии и для разравнивания грунта, доставленного транспортными средствами;
автогрейдеры для послойного разравнивания и планировки поверхности насыпи и выемки;
катки или другие уплотняющие средства для уплотнения грунта.
Перед разработкой выемки должно быть выполнено дополнительное геологическое обследование для уточнения условий залегания грунтов. При неоднородных грунтах следует разработать детальные схемы последовательности разработки выемки и укладки грунта в насыпь, обеспечивающие устойчивость и однородность земляного полотна.
Разработку выемок начинают с низовой стороны, чтобы у забоя был обеспечен отвод воды. В случаях глубоких выемок вначале проходят пионерную траншею. Разработку пионерной траншеи выполняют боковым забоем, когда транспортные средства размещают сбоку от экскаватора, или лобовым забоем, когда транспортные средства следуют за экскаватором и располагаются сзади него (рис. 5.7).

Рис. 5.7. Схема разработки выемки: а - боковым забоем; б - лобовым забоем
Лобовым забоем разрабатывают первые проходки ярусов выемки или карьера в случае отсутствия пионерных траншей, а также неглубокие короткие выемки, если их можно выполнить за один проход.
Разработка боковым забоем обеспечивает лучшие условия для подъезда и погрузки траншейных средств, уменьшается угол поворота стрелы экскаватора, повышается производительность. Размеры забоев определяют в зависимости от технических параметров экскаваторов, приведенных в табл. 5.8.
Для обеспечения необходимого наполнения ковша высота забоя не должна быть менее значений, указанных в табл. 5.9.
Разработку пионерных траншей производят лобовым забоем нормальной ширины или уширенным (рис. 5.8).
Таблица 5.8
|
Емкость ковша экскаватора, м3 |
Расположение транспортных средств по отношению к экскаватору |
|||||||
|
в одном уровне |
в разных уровнях |
|||||||
|
расстояние, м, от оси экскаватора до подошвы |
ширина забоя по дну, м |
расстояние, м, от оси экскаватора до подошвы |
ширина забоя по дну, м |
радиус погрузки при наибольшей высоте выгрузки, м |
наибольшая высота от подошвы забоя до верха борта транспортного средства, м |
|||
|
откоса |
забоя |
откоса |
забоя |
|||||
|
0,5 |
4,6 |
4,8 |
9,4 |
2,1 |
4,8 |
6,9 |
6,6 |
4,1 |
|
0,75 |
5,4 |
6,3 |
11,7 |
2,2 |
6,3 |
7,4 |
7,4 |
4,8 |
|
1 |
5,8 |
6,4 |
12,2 |
2,4 |
6,4 |
7,8 |
7,8 |
5,0 |
|
2 |
7,0 |
7,4 |
14,4 |
4,9 |
7,4 |
10,2 |
10,2 |
5,5 |
Таблица 5.9
|
Группа грунта по трудности разработки |
Минимальная высота забоя при емкости ковша экскаватора, м3 |
||
|
0,65 |
1 |
2 |
|
|
I |
0,7 |
0,7 |
0,9 |
|
II |
1,0 |
1,15 |
1,3 |
|
III |
1,5 |
1,8 |
2,0 |

Рис. 5.8. Схема разработки выемки уширенным забоем: 1 - траектория перемещения экскаватора; 2 - места стоянки экскаватора
Для перемещения грунта, разрабатываемого экскаваторами, применяют автомобили-самосвалы и прицепные землевозные тележки грузоподъемностью до 40 т. Грузоподъемность транспортных средств не должна быть менее следующих значений в зависимости от емкости ковша экскаватора (табл. 5.10).
Таблица 5.10
|
Емкость ковша |
0,65 |
1,6 |
2,5 |
4,6 |
|
Наименьшая грузоподъемность |
4,5 |
7 |
12 |
18 |
Сменную производительность экскаватора вычисляют по формуле:
где (5.8)
Тсм - продолжительность смены, час;
q - емкость ковша, м3;
Kв - коэффициент использования сменного времени;
Кн - коэффициент наполнения ковша (табл. 5.11);
tu - продолжительность цикла в данном забое, сек; tu=t,+t,+t:+tB;
tз - время заполнения ковша, сек;
t1, t2 - время на поворот стрелы при выгрузке и при возврате к месту заполнения ковша, сек;
tв - время на выгрузку, сек;
Кр - коэффициент разрыхления грунта (табл. 5.12).
Таблица 5.11
|
Вид грунта |
Группа грунта |
Коэффициент наполнения ковша Кн |
|
|
прямой лопатой |
обратной лопатой |
||
|
Глина |
|
|
|
|
при влажности W1 = Wо |
II |
0,8-1,18 |
0,98-1,06 |
|
при влажности W1 > Wо |
III |
1,3-1,5 |
1,18-1,28 |
|
Глина плотная |
|
|
|
|
при влажности W1 = Wо |
IV |
1,0-1,1 |
0,95-1,0 |
|
при влажности W1 > Wо |
IV |
1,25-1,4 |
1,1-1,04 |
|
Суглинок при естественной влажности W1 = Wо |
II |
1,05-1,12 |
0,8-1,0 |
|
Суглинок при W1 > Wо |
II |
1,2-1,32 |
1,15-1,25 |
|
Песок и гравий влажный |
1,11 |
1,15-1,23 |
1,1-1,2 |
|
Песок, гравий при W1 > Wо |
I, V |
0,95-1,02 |
0,8-0,9 |
|
Взорванные скальные породы |
V, VI |
0,75-0,9 |
0,55-0,8 |
Примечание: Wo - оптимальная влажность грунта; W1 - фактическая влажность в момент разработки.
Количество транспортных средств, необходимое для перевозок грунта, определяют расчетом для каждого конкретного случая с учетом фактических условий работы и дальности перемещения грунта в насыпь. При выборе транспортных средств для совместной работы с экскаватором следует руководствоваться следующим:
емкость кузова транспортного средства должна быть в 4 раза больше емкости ковша экскаватора;
фронт погрузки должен быть достаточным для размещения двух транспортных средств;
состояние подъездных дорог должно обеспечивать высокие скорости движения.
Таблица 5.12
|
Группа грунта |
Коэффициент разрыхления, Кр |
|
I |
1,1 |
|
II |
1,2 |
|
III |
1,25 |
|
IV (мелкодробленые породы) |
1,4 |
|
IV (крупнодробленые породы) |
1,5 |
Основным преимуществом насыпей, возводимых из боковых резервов, являются минимальные затраты на их строительство вследствие малых дальностей перемещения грунта, в большинстве случаев не превышающих 20 м. Однако в этом случае требуется значительное увеличение полосы отвода для строительства дороги, а при завершении строительства требуются большие затраты на рекультивацию рабочей зоны и тщательная планировка дна и откосов резерва.
В период строительства бывают трудности в обеспечении нормальных условий работы машин в дождливую погоду из-за избыточного увлажнения грунта. Глубина резерва бывает ограничена при высоком уровне грунтовых вод. Наблюдения за участками дорог на земляном полотне из грунта боковых резервов показывают, что такие участки в процессе эксплуатации дороги чаще подвержены преждевременному разрушению вследствие ухудшения условий водоотвода и заболачивания прилегающей к дороге территории.
По этим причинам грунт из боковых резервов в настоящее время применяют лишь в ограниченных случаях: при расположении дороги в малонаселенных местах, на землях, не пригодных для сельского хозяйства, при строительстве дорог низких категорий и местного значения, на участках с высотой насыпей, не превышающих 1 м.
Длительное время при строительстве земляного полотна из грунта боковых резервов применяли грейдеры. В качестве тягачей использовали обычные тракторы сельскохозяйственного назначения или бульдозеры. Значительная часть автомобильных дорог с покрытиями низшего типа в довоенный период была построена с применением грейдеров. Доступность этих машин и низкая стоимость земляных работ были их преимуществами. Однако по мере возрастания требований к земляному полотну и распространению усовершенствованных покрытий на автомобильных дорогах стали применять более совершенные и специальные машины.
В настоящее время для разработки боковых резервов и перемещения грунта в насыпь главным образом применяют автогрейдеры и бульдозеры. Возможно также применение скреперов, грейдер-элеваторов и одноковшовых погрузчиков.
Строительство насыпей из боковых резервов автогрейдерами целесообразно выполнять на участках значительной длины с одинаковой высотой насыпи не выше 0,75 м.
Производительность автогрейдеров при возведении насыпей из боковых резервов зависит от длины захватки. Наиболее эффективное использование этих машин может быть достигнуто при длине захватки 400-500 м.
При возведении земляного полотна из боковых резервов переломы продольного профиля следует сгладить автогрейдером или бульдозером. Плотные сухие грунты в жаркое время необходимо предварительно рыхлить и увлажнять.
Для увеличения производительности автогрейдера при разработке и перемещении предварительно разрыхленных грунтов рекомендуется использование удлиненных отвалов.
При выполнении основных операций - зарезании, перемещении и разравнивании - изменяется положение ножа автогрейдера, которое определяется углами захвата, резания и наклона (рис. 5.9).

Рис. 5.9. Углы установки ножа автогрейдера: α - резания - а; б - захвата - β; в - наклона - γ
Угол захвата - угол поворота ножа в горизонтальной плоскости по отношению к продольной оси автогрейдера. В зависимости от угла захвата изменяются ширина резания и дальность поперечного смещения грунта. Меньшему значению угла соответствует меньшее сопротивление резанию, для более плотных и прочных грунтов при резании применяют меньший угол захвата. При перемещении угол захвата увеличивают.
Угол резания - угол между ножом и поверхностью грунта. Чем больше сопротивление грунта, тем более острым должен быть угол резания.
Угол наклона - угол между поверхностью грунта и режущей кромкой ножа. Угол наклона выбирается в зависимости от сопротивления грунта резанию и массы автогрейдера. Для достижения наибольшей производительности требуется правильная установка ножа автогрейдера, как показано на рис. 5.9 и в соответствии с данными табл. 5.13.
Таблица 5.13
|
Рабочие операции |
Углы, град. |
||
|
захвата |
резания |
наклона |
|
|
Зарезание: |
|
|
|
|
разрыхленного грунта |
30-35 |
До 40 |
До 15 |
|
несвязного |
До 40 |
До 35 |
До 15 |
|
Перемещение: |
|
|
|
|
влажных грунтов |
46-50 |
35-40 |
До 15 |
|
сухих грунтов |
35-45 |
40-45 |
До 18 |
|
Разравнивание: |
|
|
|
|
с уплотнением |
70-90 |
50-60 |
До 2 |
|
без уплотнения |
55-60 |
45-50 |
До 3 |
Общее число проходов автогрейдера при отсыпке насыпи высотой 0,75 м может достигать 300-400. Требуемое число проходов автогрейдера, необходимое для разработки резерва, можно вычислить по формуле:
где (5.9)
F - площадь поперечного сечения резерва, м2;
Кпз - коэффициент перекрытия проходов при резании грунта - 1,7;
f - площадь сечения стружки от 0,12 до 0,2 м2.
Необходимое число проходов автогрейдера для перемещения грунта в насыпь из двухстороннего бокового резерва можно определить по формуле:
Nп = Nр(lп/l)×Kn, где (5.10)
lп - дальность перемещения грунта (расстояние от центра сечения половины насыпи до центра сечения бокового резерва);
l - дальность смещения грунта за один проход автогрейдера, м;
Кп - коэффициент перекрытия проходов при перемещении грунта - 1,15.
Число проходов автогрейдера для перемещения грунта составляет около 25 % от общего числа проходов, необходимых для строительства насыпи.
Грунт укладывают в насыпь начиная от ее оси одним из следующих способов: послойно с разравниванием слоями 0,15-0,2 м; в полуприжим с валиками высотой 0,3 м; в прижим с увеличенными по высоте валиками до 0,4-0,5 м. Второй и третий способы применяют при разработке грунтов с влажностью, близкой к оптимальной. При выборе способа следует учитывать применяемые средства для уплотнения.
Работы следует вести на двух захватках: на одной резать и перемещать грунт в очередной слой насыпи, на другой планировать и уплотнять ранее уложенный слой грунта.
Производительность автогрейдера, м3/смену, при строительстве насыпи из бокового резерва определяют по формуле:
где (5.11)
Кв - коэффициент использования рабочего времени;
L - длина захватки, м; f - площадь стружки, м2;
Vр - скорость движения при резании грунта, км/ч;
n - число проходов, необходимое для перемещения грунта на один проход резания;
Vn - скорость при перемещении грунта, км/час;
tпов, tпер - продолжительность одного разворота и одной перестановки отвала, ч (tпов = 0,33, tпер = 0,01).
При отсыпке насыпей из боковых резервов можно использовать бульдозеры, при этом возможно перемещать грунт, двигаясь в продольном направлении, так же как при работе автогрейдера, или в поперечном направлении. При схеме с поперечным перемещением грунта бульдозером выделяют следующие операции, составляющие рабочий цикл бульдозера: резание грунта, перемещение грунта, укладка грунта, возвращение назад или холостой ход. От продолжительности этих операций зависит производительность бульдозера.
Наибольшая мощность требуется при выполнении резания грунта. В зависимости от прочности грунта и условий работы применяют резание: прямой стружкой постоянного сечения при легких грунтах, клиновой стружкой при средних грунтах и гребенчатой стружкой при тяжелых (рис. 5.10).
При поперечном перемещении грунта обычно используют челночную схему движения. Для повышения производительности грунт перемещают в траншеях, как показано на рис. 5.11.
Бульдозеры работают в траншеях, разделенных стенками шириной 0,5-0,8 м. Боковые стенки препятствуют уменьшению объема грунта, перемещаемого перед отвалом бульдозера. Каждую новую траншею начинают после достижения намеченной глубины предыдущей. После разработки грунта в траншее последними проходами бульдозера срезают разделявшие траншею стенки, используя грунт для отсыпки верхнего слоя насыпи.
Для сокращения потерь грунта и более полного использования мощности двигателя применяют боковые открылки и козырьки к отвалу бульдозера.
Работы по отсыпке насыпи из боковых резервов выполняют попеременно на двух половинах ее ширины. Отсыпав слой грунта на половину ширины земляного полотна из одного резерва, бульдозер переходит в резерв на другой стороне и досыпает из него слой насыпи на всю ширину земляного полотна по длине захватки.

Рис. 5.10. Схемы резания грунта бульдозером: а - прямоугольная; б - клиновая; в - гребенчатая (стрелкой показано направление движения бульдозера)

Рис. 5.11. Траншейный способ разработки грунта при отсыпке насыпи: 1 - траншея; 2 - стенки траншеи; 3, 4 - срезка стенок траншеи соответственно поперечными и косыми проходами; 5-8 - объемы перемещаемого грунта
Насыпи отсыпают слоями, толщина которых зависит от типа уплотняющих средств. Перед уплотнением каждый слой разравнивают автогрейдером или бульдозером, при этом необходимо обеспечивать поперечный уклон поверхности каждого слоя.
В дождливую погоду особое внимание следует уделять обеспечению водоотвода. В жаркую погоду целесообразно сокращать длину захватки, предотвращая высыхание грунта до уплотнения.
При легких, но не сыпучих и не переувлажненных грунтах в равнинной местности возможно применение грейдер-элеваторов на участках, где разность рабочих отметок не превышает 0,2 м. Предпочтительными считаются захватки длинной 500-800 м. При двухсторонних резервах разработку их ведут по круговой схеме проходов. Для удобства выполнения разворота между захватками оставляют разрывы в 10-15 м, которые устраняются бульдозерами или автогрейдерами. При нормальных условиях работы конвейер грейдер-элеватора следует устанавливать под углом к горизонту не более 22°.
Для уменьшения сопротивления резанию режущую кромку диска по мере затупления затачивают. Чтобы исключить неравномерный износ диска его периодически поворачивают.
Применение грейдер-элеваторов приводит к интенсивному разрыхлению грунта, что делает необходимым выполнять большее число проходов катка при уплотнении.
Проложение трассы дороги в сильнопересеченной горной местности с учетом отказа от резкого сечения рельефа в качестве основного типа земляного полотна включает насыпи на склонах, а также земляное полотно в полке. Расположение земляного полотна на склонах во многих случаях связано с пересечением оползневых участков и устраивается согласно требованиям СНиП 2.05.02-85.
Конструкции земляного полотна на косогорах обосновывают расчетами с учетом устойчивости косогора (склона) как в природном состоянии, так и после окончания строительства.
На устойчивых горных склонах крутизной более 1:3 земляное полотно, как правило, располагают в полке, врезанной в косогор. При определенных условиях, которые зависят от инженерно-геологических особенностей косогора (склона) и комплекса инженерных решений самой трассы автомобильной дороги (подходы к искусственным сооружениям, специальные конструкции и т.п.), насыпь располагают на склоне под защитой удерживающих сооружений.
На склонах крутизной 1:10-1:5 земляное полотно проектируют в виде насыпи без устройства уступов в основании. При крутизне склонов от 1:5 до 1:3 земляное полотно рекомендуется сооружать в зависимости от конкретных условий проложения трассы в виде насыпи, полунасыпи-полувыемки либо в полке. В основании насыпи и полунасыпи-полувыемки следует устраивать уступы шириной 3-4 м и высотой до 1 м.
Комплекс общих требований при этом включает согласование с ландшафтом и эстетические требования; сохранение и защиту окружающей геологической среды; обеспечение устойчивости откосов и особенно склонов, которые, собственно, определяют возможность и характер размещения насыпей на них.
На стабильных склонах насыпь не должна снижать их устойчивость как в процессе строительства, так и в период эксплуатации. Это требование может быть обеспечено только на основе инженерно-геологической оценки системы насыпь-склон. Конструкцию земляного полотна необходимо запроектировать таким образом, чтобы не допустить разрушений низовых откосов; возможности смещения насыпи по поверхности склона; разрушающего воздействия поверхностных и подземных вод с верховой стороны насыпи на ее общий водный режим и режим самого склона. С точки зрения эстетических требований целесообразно, предусматривая согласованный с конкретным ландшафтом архитектурный облик всей дороги, располагать земляное полотно (при наличии разделительной полосы) в разных уровнях (ступенчатое расположение проезжих частей). Подобное рациональное и экономичное решение обеспечивает не только эстетически воспринимаемый вид дороги, но и позволяет в значительной степени повысить устойчивость земляного полотна против сползания по склонам и косогорным участкам; снизить подверженность размыву откосов земляного полотна; уменьшить общий объем земляных работ.
В горной местности, где основным типом становится земляное полотно, располагаемое в полке, возрастают требования к устойчивости откосов, поскольку при их разрушении возможны не только традиционные случаи снижения безопасности движения (например, уменьшение ширины проезжей части, ограничение скорости), но аварийные и даже катастрофические ситуации. Здесь должны быть решены следующие задачи: размещение земляного полотна на наиболее благоприятных по напластованию и падению коренных пород элементов рельефа и с минимальной мощностью делювиальных и элювиальных отложений на них; обеспечение долговечности верховых и низовых откосов; надежное сочленение насыпной и естественной частей всей конструкции земляного полотна. В случае широкого земляного полотна для многополосных автомагистралях целесообразно раздельное их размещение в пределах одного или нескольких элементов рельефа. При этом возможно значительное смещение по высоте. Удовлетворение требований, предъявляемых к устойчивости и надежности земляного полотна автомобильных дорог в горной местности, практически невозможно без рассмотрения принципов выбора рациональных типов противооползневых конструкций (подпорных и одевающих стен, композиций из армогрунта, буронабивных свай и других типов). Эстетические требования заключаются в согласовании горных дорог с ландшафтом, в оформлении обнаженных скальных и грунтовых откосов и элементов удерживающих противооползневых конструкций, обеспечивающих устойчивость земляного полотна и геологической среды.
Наиболее сложный случай - расположение земляного полотна, когда трасса автомобильной дороги неизбежно пересекает оползневые склоны. В практике встречаются три возможных варианта пересечения оползней: возле подошвы (языковой части) оползня; его средней и верхней частей. Конкурирующим вариантом по отношению к конструкциям земляного полотна на оползневом склоне здесь целесообразно рассматривать эстакадные решения, особенно в тех случаях, когда автомобильная дорога пересекает оползень небольшого протяжения перпендикулярно его оси при возможности заглубления опор в устойчивые коренные породы. Пересечение оползней эстакадами является весьма удобным способом прохождения активных оползней, но не предусматривает (практически исключает) защитные мероприятия по стабилизации самого склона и расположенных на нем или вблизи него дорожных объектов. По этой причине в ряде случаев эстакадный вариант не находит широкого применения.
Указанное не исключает использования эстакадного варианта пересечения оползней, стабилизация которых известными методами нецелесообразна и неэффективна (например, крупных оползней-потоков).
Принципы и характер расположения земляного полотна на оползневых склонах прежде всего зависят от типа оползня, его механизма, динамики и расчетной сферы взаимодействия с участием автомобильной дороги. Основное требование заключается в том, чтобы земляное полотно на оползневом склоне в период строительства и эксплуатации не вызывало активных подвижек склона, способствовало его стабильности и устойчивости. Кроме того, от рационального расположения земляного полотна и его типа (насыпь, выемка) на оползневом склоне во многом зависят состав и объем наиболее дорогостоящих удерживающих противооползневых конструкций, без которых практически невозможно обеспечить устойчивость ни дороги, ни оползневого склона. Общих рекомендаций для весьма разнообразных оползневых условий здесь нет, однако целесообразно руководствоваться следующими основными требованиями.
Недопустимо размещать высокие насыпи в верхней и средней частях оползневого склона, так как это связано со значительной его пригрузкой, снижением устойчивости и последующей активизацией. Проектирование и устройство насыпи в подошве сыграют положительную роль в стабилизации оползня - устойчивость склона резко возрастает. При этом необходимо учитывать характер поверхности смещения в зоне ее выхода у подошвы (крутизну, глубину) и характеристики прочности в этой зоне, особенно значения угла внутреннего трения. Следует отметить, что именно в тех случаях, когда невозможно избежать расположения насыпи в верхней и средней частях оползневого склона, целесообразно предусматривать эстакады или виадуки (если можно обеспечить устойчивость их опор).
Выемки нежелательны в любой части оползневого склона, но наибольшую опасность они представляют в его нижней и средней частях, так как неизбежно вызовут активизацию оползня. Устройство выемок в верхней части оползневого склона в меньшей степени отражается на снижении его устойчивости, но требует повышенного внимания к обеспечению устойчивости откосов и низовой части склона.
Принципы обеспечения устойчивости определяются типом и характером расположения земляного полотна на местности, его плановым и высотным взаимодействием с элементами рельефа в районе проложения трассы и устойчивостью этих элементов.
Многообразие вариантов расположения земляного полотна на элементах рельефа или в их среде, а также степени их устойчивости требует определенного подхода к назначению принципа обеспечения устойчивости рассматриваемой системы в целом и ее отдельных элементов. Целесообразно выделить следующие основные принципы обеспечения устойчивости:
устойчивость системы «земляное полотно - элемент рельефа» не требует обеспечения устойчивости элементов рельефа как в процессе строительства, так и при дальнейшей эксплуатации дороги;
устойчивость системы может быть обеспечена только в случае обеспечения устойчивости взаимодействующих с ней элементов рельефа;
для требуемой стабильности и эксплуатационной надежности системы необходимо обеспечить устойчивость конструктивных элементов земляного полотна и взаимодействующих с ним элементов рельефа.
В практике проектирования и строительства автомобильных дорог в оползневых районах может быть использован один из указанных принципов или их комплекс.
Выбор принципа обеспечения устойчивости системы «земляное полотно-элемент рельефа» должен базироваться на анализе результатов оценки устойчивости, когда выявлены основные причины и факторы, которые уже вызвали оползневые процессы или могут способствовать их проявлению, определено значение оползневого давления.
Роль каждого из факторов, выявленных в процессе инженерно-геологических изысканий и оценки устойчивости, может быть установлена путем нахождения зависимости K = f(ai). К - коэффициент устойчивости системы «земляное полотно - элемент рельефа»; аi - исследуемый фактор, например, уровень подземных вод, влажность в зоне сдвига грунтов на предполагаемой поверхности смещения, сейсмический фактор, расстояние места расположения насыпи от бровки срыва оползня. На основе анализа графической зависимости K = f(ai) и при необходимости интерполяции ее до значений аi, когда общий коэффициент устойчивости системы становится равным 1, определяют критическое значение исследуемого фактора и такое его значение, когда К = Ктреб.
При этом устанавливается отдельно в количественном выражении роль силовых, климатических и геологических факторов в устойчивости системы «земляное полотно - элемент рельефа» и в выборе принципа ее обеспечения.
При выборе принципа обеспечения устойчивости необходимо прежде всего учесть конкретный тип конструкции земляного полотна и характер его расположения на элементах рельефа. Исходя из основных особенностей расположения земляного полотна на элементах рельефа или в их среде целесообразно дифференцировать рассмотренные принципы обеспечения устойчивости. При строительстве автомобильных дорог встречаются следующие случаи расположения земляного полотна на местности: высокая насыпь на горизонтальном основании; насыпь на устойчивом склоне; глубокая выемка в массиве грунта с горизонтальной дневной поверхностью; глубокая выемка, врезаемая в склоне; полка в устойчивом или оползневом склоне; насыпи на оползневом склоне с различным расположением их на поверхности склона (по длине его образующей). В каждом случае необходим комплексный подход к проектированию противооползневых конструкций для обеспечения устойчивости земляного полотна на основе системного анализа и результатов обшей оценки.
Выбор противооползневых конструкций целесообразно осуществлять в рамках основных групп мероприятий по обеспечению устойчивости рассматриваемых систем. Можно выделить три группы таких мероприятий: предупреждающие; направленные на уменьшение сдвигающих сил; связанные с увеличением удерживающих сил.
Предупреждающие мероприятия, назначаемые в процессе проектирования дороги, должны базироваться на рекомендациях, полученных в результате инженерно-геологического анализа и отражающих возможность обеспечения устойчивости откосов и склонов достаточно простыми решениями и конструкциями, гарантирующими в то же время устойчивость всей системы в течение длительного периода. К числу таких решений относятся также предложения о целесообразности пересечения трассой оползневых участков или отказ от строительства на них либо возможность их прохождения при помощи эстакад и виадуков. Защитные и предупреждающие мероприятия в ряде случаев могут оказаться технически и экономически более приемлемыми, чем конструктивные решения, однако при условии, если они полностью удовлетворяют требуемому принципу обеспечения устойчивости системы в целом. Использование предупреждающих мероприятий во многом определяется искусством и опытом проектировщика и инженера-геолога, которые должны быть хорошо осведомлены о конкретных условиях района строительства, знать природу и причины развития оползней в нем или возможных форм нарушения устойчивости откосов, а также иметь данные об эффективности предлагаемых решений на эксплуатируемых дорогах в аналогичных условиях.
Уменьшение сдвигающих сил в большинстве случаев как в отечественной, так и зарубежной практике основано на снижении крутизны склонов и откосов земляного полотна; применении дренажа; уменьшении веса грунта как материала для сооружения насыпей; рациональном расположении насыпи на склоновом участке, в том числе и оползневом. Такие решения базируются на преимущественно гравитационном характере сдвигающих сил, так как они зависят от веса грунта и заключенной в нем воды. Указанные решения конкретизируются в виде индивидуальных проектов для каждого отдельного случая в зависимости от типа земляного полотна, степени устойчивости склона (как элемента рельефа), общей оползневой обстановки. Не останавливаясь подробно на характере решений, связанных с изменением крутизны склонов и откосов (уположение, разгрузка оползневого тела, устройство берм и т. п.) и устройством дренажа, укажем на использование в зарубежной практике строительства дорог методов, основанных на уменьшении веса грунта (для снижения сдвигающих сил путем применения легких материалов).
Установлена, например, целесообразность устройства насыпей на оползневых склонах и неустойчивых основаниях из котельных шлаков, различных зол, капсулированных древесных опилок, выветрелых сланцев, ракушечника. В последнее время для снижения веса насыпей и уменьшения напряжений в их основаниях используют полистироловые плиты, что предотвращает развитие оползневых подвижек в склонах и обеспечивает устойчивость основания.
Увеличение удерживающих сил используется в качестве основной группы мероприятий, особенно в тех случаях, когда система «земляное полотно - элемент рельефа» представлена в виде системы «насыпь - оползневой склон». В отечественных и зарубежных источниках указывается, что развитие оползней, приводящих к нарушениям устойчивости склонов и откосов, может быть обусловлено: увеличением активных сдвигающих сил; уменьшением сил сопротивления (в том числе прочностных и реологических характеристик грунта); одновременным воздействием указанных факторов. В связи с этим в рамках третьей группы мероприятий существуют два варианта, которые могут быть использованы для принципиального решения возникающих в процессе проектирования и строительства задач: использование внешних удерживающих сил для компенсации и сбалансирования сдвигающих напряжений в склонах и откосах, а также для активного им противодействия; увеличение прочности грунтов.
Выбор одного из них или разумное и целесообразное комбинирование конструктивных решений осуществляются на основе рассмотрения, анализа и технико-экономического сравнения вариантов. Такие варианты включают независимо от конкретных способов увеличения удерживающих сил два основных направления: приложение удерживающих внешних сил в пассивных зонах склона или откоса и повышение прочности грунта в активных зонах, в том числе и в зоне фактического активного смешения оползневых грунтов. В первом случае используют противооползневые конструкции удерживающего типа, а во втором - дренаж, химическое закрепление, электроосмос, термическую обработку и другие решения.
В качестве примера комбинирования конструктивных решений из числа указанных способов можно привести варианты противооползневых удерживающих сооружений в сочетании с дренажом, термической обработкой, поверхностным укреплением.
Общие положения. Строительство земляного полотна автомобильных дорог в горной местности осложняется, как правило, тем, что в местах проложения трассы существуют крутые склоны с интенсивным проявлением экзогенных процессов (оползни, обвалы, вывалы, осыпи) на определенном участке малой протяженности В связи с эти рекомендуется при составлении проекта производства работ (ППР) учитывать инженерно-геологические особенности участка или группы участков, которые различаются по указанным признакам. Рекомендуется назначать технологию производства работ по сооружению земляного полотна, учитывая особенности конструкции насыпи или выемки, региона строительства в целом, строение склона (косогора) и свойства слагаемых пород.
В ППР необходимо предусмотреть комплекс технологических мероприятий, обеспечивающих устойчивость природных склонов и откосов выемок в процессе строительства и последующей эксплуатации дороги.
При разработке ППР, выборе технологии, машин и метода буровзрывных работ учитывают наличие трещин в разрабатываемом массиве и характер слоистости осадочных пород.
Наличие трещин в скальных изверженных породах снижает устойчивость склонов и откосов выемок. Падение трещин под углом более 35° в сторону дороги способствует возникновению оползней, обвалов, вывалов уже в процессе производства работ. Безопасным является падение трещин в сторону массива.
Слоистость приводит к ослаблению массива в склонах и откосах, особенно при их подрезке или подработке.
С увеличением угла встречи простирания слоистости с продольной осью дороги устойчивость откосов и склонов резко возрастает. Наиболее устойчивое положение угла встречи напластования по отношению к оси дороги будет 90°. При совпадении азимута простирания слоистости с направлением оси дороги подрезаемые или подрабатываемые склоны и откосы выемок разрушаются только по плоскостям напластования.
При строительстве дорог в горных условиях основные трудности связаны с разработкой скальных пород, сокращением фронта работ, ограниченной транспортной доступностью рабочей зоны, перемещением, разравниванием, уплотнением крупнообломочных грунтов, отделочными работами.
При недоступности рабочей зоны для непосредственной работы машин первый этап строительства должен включать прокладку пионерной дороги по проектируемой трассе. Если прокладка пионерной дороги по запроектированной трассе невозможна, ее устраивают в максимальном приближении к ней с подходами к зоне работ отдельных сооружений. В этом случае по самой трассе прокладывается пешеходная тропа.
Рыхление и разработка скальных пород, относящихся по трудности разработки к V группе и выше, выполняется взрывным методом. Взрывной метод рекомендуется использовать также для образования глубоких выемок массовыми взрывами на выброс или целенаправленными взрывами для сооружения насыпей в труднодоступных местах горного рельефа.
На всех этапах производства работ должны постоянно приниматься меры на откосах и склонах для предупреждения геодинамических явлений (оползни, осыпи, лавины и т. п.), которые могут представлять опасность для работающих людей, техники, сооружений. В этих целях до начала работ, а также в процессе разработки горных склонов должно быть организовано постоянное наблюдение за устойчивостью как отдельных скальных обломков, так и всего склона с верховой стороны. В случае обнаружения признаков неустойчивости должны быть немедленно приняты меры безопасности, например, подрывание и удаление нависающих каменных глыб. При наличии действующих оползней, интенсивных обвалов, крупных вывалов буровзрывные работы выполняются только для рыхления мелкошпуровыми зарядами.
Работы по сооружению земляного полотна на косогорах, устойчивых и оползневых склонах включают: подготовительный комплекс, связанный с разбивочными работами, снятием растительного грунта; устройство построечного водоотвода, стоянок для размещения техники, специальных противооползневых сооружений; основные работы по сооружению земляного полотна, располагаемого на различных элементах склонового рельефа или в его среде и комплекс противооползневых мероприятий.
Следует иметь в виду, что выбор технологии связан также с необходимостью разработки делювиальных, скальных или полускальных пород, а также их использования в виде крупнообломочных грунтов для отсыпки насыпей. Последнее зависит от прохождения трассы в условиях сильнопересеченной местности.
Сооружение насыпей и выемок. Сооружение земляного полотна в горной местности включает устройство следующих конструкций в зависимости от условий проложения трассы в конкретном регионе и районе горной местности, их гипсометрических, геоморфологических и инженерно-геологических особенностей: земляное полотно в полке, полунасыпь-полувыемка, выемка в скальном массиве, насыпь из скальных или крупнообломочных грунтов.
Выбор технологии разработки выемок и сооружения насыпей определяется конструктивными особенностями земляного полотна, категорией скальных пород по трудности их разработки, источниками получения скального или крупнообломочного грунта для земляного полотна насыпей.
Сооружение земляного полотна в полках на прижимных участках с крутизной склона более 1:3 в скальных породах выполняют путем взрывания с последующей экскавацией взорванной массы, ее транспортировкой на участки насыпи. При наличии на склонах делювиальных отложений земляное полотно в полке разрабатывают путем первоначальной подрезки склона мощными бульдозерами класса 250-300 тс с последующей доработкой экскаваторами и транспортировкой крупнообломочных грунтов автосамосвалами.
Сооружение насыпей и выемок на косогорах крутизной 1:3 и более выполняется методом последовательного нарезания полок для выемок или полувыемок или уступов в основании насыпи. Нарезание уступов (полок) выполняется, как правило, начиная с верхнего яруса. При обеспеченной устойчивости откоса и необходимости создания проезда для ведения буровых работ первая полка вырабатывается на уровне нижней бровки выемки (полки).
Разработку выемок в скальных породах ведут сразу с небольшим перебором во избежание последующей трудной и дорогостоящей работы по снятию недовыбранного тонкого слоя скальных грунтов. Выравнивают земляное полотно до проектных отметок мелким рваным камнем и щебнем.
Разработку выемок в делювиальных грунтах, размягчаемых и сильно выветрелых разборных, трещиноватых породах рекомендуется выполнять по схеме «скользящей полки», когда после осуществления пионерной траншеи-забоя, необходимой для размещения и безопасной работы экскаватора, к нему сверху вниз грунт разрабатывается и перемещается мощными бульдозерами класса 250-300 тс. При помощи экскаватора происходит последующая доработка грунта и его погрузка в транспортные средства с перемещением на участки сооружения насыпей.
Для образования ровных поверхностей откосов при устройстве выемок и полувыемок в благоприятных инженерно-геологических условиях (слабая трещиностойкость пород, раздельность на прямоугольные отдельности с вертикальным направлением плоскостей раздела, способность пород к хрупкому сколу и т. п.) применяют контурное взрывание.
Выбор метода и параметров рыхления скального и крупнообломочного грунта следует осуществлять в соответствии с группой грунта по трудности разработки, с областью и условиями его применения. При превышении расчетного количества негабаритов в разрыхленном грунте и их максимального размера необходимо вносить соответствующие изменения в схему и параметры рыхления.
До выполнения буровзрывных работ производят снятие и удаление растительного покрова, плодородного слоя почвы и вскрышных пород. При мощности вскрышных пород не более 1/3 глубины выработки рыхление скального грунта допускается производить без их удаления.
Буровзрывные работы и погрузку рыхленой скальной породы экскаваторами можно вести параллельно. При этом первые работы должны выполняться с опережением. Если для рыхления в выемках или уступах глубиной до 5 м применяют метод шпуровых зарядов, буровзрывные работы следует выполнять с опережением, обеспечивающим не менее чем сменный запас взорванной породы. При этом должно быть выдержано минимальное расстояние опережения в соответствии с Едиными правилами безопасности при взрывных работах (М.: Недра, 1985).
Перед началом работы экскаватора негабариты, расположенные в верхнем слое взорванного грунта, дробятся дополнительными взрывами. В процессе разработки выемки негабариты отваливают в сторону и затем также дробят взрывами, перемещая взорванную породу бульдозером к экскаваторному забою.
При разработке полувыемок на скальных косогорах сначала устраивают полку для рабочего проезда шириной 3,5 м, обеспечивающую возможность прохода основных машин (буровых станков, экскаваторов, бульдозеров, автомобилей-самосвалов и др.). Затем полку уширяют, доводя земляное полотно до проектного очертания.
При разработке выемок рыхление скальных пород до требуемых размеров частиц должно обеспечиваться надлежащей технологией буровзрывных работ и исходить из требуемых условий уплотнения, предусмотренных СНиП 2.05.02-85. Дробление крупных негабаритных обломков осуществляется накладными зарядами. Этот метод применяют при ограниченной производительности компрессоров или при отсутствии бурильных молотков и незначительном количестве негабарита. Оставшиеся на откосах и основной площадке выемки выступы скального грунта также дробятся.
При взрывных методах разработки и рыхления недоборы по основанию выемок не допускаются. Недоборы по поверхности откосов не должны превышать 0,2 м при условии обеспечения их устойчивости. Величина переборов после окончательной зачистки дна и откосов выемок не должна быть больше значений, указанных в табл. 6.1.
При доработке выемок в скальных грунтах после взрывов на выброс следует соблюдать следующий порядок работ:
дробление расположенных на поверхности негабаритов, образовавшихся при взрыве траншеи;
разравнивание навалов разрыхленного грунта бульдозером;
удаление экскаватором взорванного грунта с откосов (оборка откосов);
снятие независающих камней и козырьков экскаватором и мелкими взрывами;
доработка выемки до проектного очертания взрывами; выравнивание основной площадки.
Таблица 6.1
|
Скальные грунты |
Допустимые величины переборов, см при разработке |
|
|
взрывным способом, методом шпуровых зарядов |
отбойными молотками |
|
|
Малопрочные, средней прочности и прочные трещиноватые |
20 |
10 |
|
Прочные и очень прочные нетрещиноватые |
10 |
5 |
Примечание. При буровых работах под водой и на морских акваториях и рейдах размеры переборов устанавливаются проектом организации строительства.
При ярусной разработке выемок каждый ярус должен быть доработан до проектного контура и очищен до начала работ на следующем ярусе.
При сооружении насыпей из крупнообломочных грунтов, являющихся продуктом рыхления или выветривания скальных пород, максимальный размер частиц глыбовой фракции должен назначаться в зависимости от толщины уплотняемого слоя, типа и технических параметров уплотняющих средств и физико-механических характеристик грунта, но не должен превышать 2/3 толщины уплотняемого слоя.
Негабаритные обломки, размеры которых не удовлетворяют указанным требованиям, допускается укладывать в боковых (откосных) частях и в нижнем слое насыпи в один ряд таким образом, чтобы они не попадали в рабочий слой насыпи.
При укладке в основание насыпи негабаритных обломков для исключения неравномерных осадок вследствие просыпания мелкозернистого заполнителя из вышележащих слоев в нижележащие следует устраивать прерывающие прослойки из щебенистых (галечниковых), песчаных или глинистых грунтов.
Отсыпку насыпи из крупнообломочных грунтов производят бульдозером способом «от себя» таким образом, чтобы наиболее крупные обломки располагались в нижних частях насыпи. Наиболее рационально применение бульдозера с универсальным отвалом, который позволяет в процессе распределения производить отбраковку негабаритов с последующей укладкой их в боковую часть насыпи.
Различают две схемы распределения крупнообломочного грунта: продольную и диагональную. В зависимости от способа отсыпки грунта продольная и диагональная схемы распределения могут быть односторонней или двухсторонней.
При осевой отсыпке применяется двухсторонняя схема распределения, при боковой отсыпке - односторонняя.
Рационально для отбраковки негабаритов применять специально оборудованные отвалы со смешанным сортировальным устройством по типу рыхлителя.
Перед уплотнением боковые части насыпи, включая откосы, выполненные из негабарита, выравнивают грунтом более мелких фракций. При устройстве земляного полотна на косогорах с крутизной более 1:3 выравнивание целесообразно устраивать из грунтов с песчаным заполнителем по способу расклинцовки.
Разработку крупнообломочных грунтов после взрывных работ целесообразно производить экскаватором с вместимостью ковша 0,65-1 м3 с погрузкой в транспортные средства. При необходимости окучивания грунта отвала негабаритов на горизонтальных поверхностях и склонах крутизной до 1:3 применяют бульдозеры.
При слоистом залегании легковыветривающихся размягчаемых пород, перемежающихся со слоями глинистых грунтов, разработку ведут на всю толщину забоя с учетом того, чтобы в разрабатываемых грунтах содержалось 30-40 % (по массе) глинистого мелкозема. В противном случае разработку ведут отдельными слоями.
Укладка и уплотнение крупнообломочных грунтов. Крупнообломочные грунты каркасной и несовершенно-каркасной структуры из прочных водостойких пород следует уплотнять, как правило, вибрационным способом. Крупнообломочные грунты, содержащие более 30 % глинистого заполнителя, уплотняют при влажности, не превышающей допустимых значений для тяжелых супесей и легких суглинков, а при содержании глинистого заполнителя менее 30 % - при влажности, не превышающей допустимых значений для легких и пылеватых супесей.
Уплотнение крупнообломочных грунтов, прочность которых составляет менее 5,0 МПа (50 кг/см2), следует осуществлять в два этапа: на первом - решетчатыми катками; на втором - катками на пневматических шинах массой не менее 25-30 т. При использовании размягчаемых крупнообломочных грунтов работы должны производиться в сухую погоду с минимальными разрывами во времени между отдельными технологическими операциями.
Способы и технические средства уплотнения легко выветривающихся неводостойких крупнообломочных грунтов назначают из условия обеспечения разрушения агрегатов до заполнения пор мелкоземом. Для повышения эффективности разрушения агрегатов производят их периодическое увлажнение.
Хорошие результаты дает технологическая схема уплотнения в два этапа: на первом (непосредственно после разравнивания и увлажнения) - решетчатыми катками, которые осуществляют дополнительное дробление грунта, на втором - тяжелыми катками на пневматических шинах. Требуемая степень уплотнения грунтов достигается после 10-12 проходов по одному следу катков на пневматических шинах массой 25-30 т. Для крупнообломочных грунтов малой прочности эффективно уплотнение трамбованием.
При невозможности обеспечения разрушения агрегатов неводостойких пород следует предусматривать их защиту в насыпи от воздействия погодно-климатических факторов. При устройстве защитных слоев из глинистых или суглинистых грунтов последние досыпаются на заданную толщину послойно вровень со слоем обломочного грунта и уплотняются совместно с ним.
При устройстве защитного слоя толщиной 15-20 см из грунтов, укрепленных органическими вяжущими, грунт предварительно смешивается с вяжущими материалами в стационарных или передвижных установках и вывозится автомобилями-самосвалами к месту укладки. Для распределения смеси на поверхности откосов рекомендуются бульдозеры или экскаваторы-планировщики. В качестве уплотняющих средств могут быть применены площадочные вибраторы или виброрейки, перемещаемые по откосу сверху-вниз или снизу-вверх.
Контроль качества работ при сооружении земляного полотна на косогорах, устойчивых и оползневых склонах помимо общих требований, предусмотренных СНиП 3.06.03-85, включает: контроль за восстановлением, закреплением и разбивкой земляного полотна на отмеченных элементах рельефа; контроль качества нарезки уступов (с соблюдением проектных геометрических параметров), за соблюдением технологии разработки косогоров и склонов при устройстве земляного полотна в полке и последовательностью комплекса противооползневых мероприятий (водоотвода, дренажных и удерживающих конструкций).
Организация работ по строительству автомобильных дорог при наличии оползней включает два самостоятельных вопроса: сооружение земляного полотна и строительство комплекса противооползневых конструкций, установленных проектом. Последовательность этих работ определяется конкретными условиями территории, расположением земляного полотна, составом и типами противооползневых конструкций и должна быть оговорена в проектной и расчетной документации. В практике встречается несколько вариантов организации последовательности выполнения земляных работ и устройства противооползневых конструкций: строительство комплекса противооползневых конструкций до сооружения земляного полотна; выполнение противооползневых конструкций в процессе его сооружения; строительство противооползневых конструкций после возведения насыпей или разработки выемок.
Как правило, первая схема наиболее целесообразна при строительстве дороги на оползневых склонах, когда сооружение земляного полотна возможно только под непосредственной защитой поддерживающих сооружений или после проведения мероприятий по регулированию поверхностного и подземного стока. Вторая схема применяется при расположении земляного полотна в глубоких выемках и высоких насыпях. Например, по мере разработки каждого яруса выемки осуществляют укрепление откосов и сооружение дренажных конструкций. Третья схема используется во многих случаях при строительстве дорог в горных условиях, когда в частности после устройства земляного полотна в полке сооружают верховые подпорные стенки или анкерные конструкции.
Безусловно, многообразие сложных условий строительства автомобильных дорог в оползневых или потенциально оползневых районах требует творческого применения указанных схем с последующей разработкой до конкретных технологических и организационных решений в проектах производства работ. В данном разделе рассматриваются только общие вопросы организации строительства в оползневых районах и не освещается специфика строительства конкретных видов противооползневых конструкций, которая отражена в других главах.
Помимо особенностей, связанных с последовательностью выполнения земляных работ и строительства противооползневых конструкций, необходимо отметить, что технология производства земляных работ во многом зависит от принципов проектирования (по отношению к рельефу) автомобильных дорог. Различают следующие виды индивидуальных технологических схем организации производства земляных работ: разработку глубоких выемок и сооружение высоких насыпей; сооружение насыпей на склонах с пересечением оползневых участков; устройство земляного полотна в полках. Одним из наиболее сложных случаев производства работ является их проведение на аварийных объектах, когда оползнями разрушены участки эксплуатируемых дорог.
Установленный неоднократными обследованиями факт нарушения устойчивости естественных склонов и откосов земляного полотна в процессе строительства автомобильных дорог в различных регионах нашей страны убедительно показывает, что влияние технологических факторов может иметь существенное, а в некоторых случаях превалирующее значение.
К технологическим факторам в данном случае относятся: способ и время разработки выемок или сооружения насыпей, способ и время строительства противооползневых конструкций. Указанные факторы можно объединить в общую технологическую систему строительства индивидуальных конструкций земляного полотна, которая будет оказывать при ее реализации те или иные воздействия на устойчивость откосов земляного полотна и прилегающих к нему склонов, особенно оползневых.
Анализ строительства автомобильных дорог в оползневых районах показал, что воздействие технологической системы на устойчивость склонов и откосов проявляется в следующем.
Неудачно выбранное направление ведения работ при разработке глубоких выемок может привести к развитию в откосах оползней. Степень интенсивности производства земляных работ влияет на параметры устойчивости откосов в процессе строительства. Так при коротком фронте ведения работ и высокой скорости разработки выемки в откосах (при рабочей глубине разработки) не успевают возникать деформации, приводящие к оползням, что позволяет придавать откосам рабочих ярусов более крутые углы. Сооружение же высоких насыпей и насыпей на склонах (в том числе и на оползневых) напротив требует более медленного режима отсыпки грунта, обусловленного необходимостью тщательного уплотнения грунта, а также постепенной передачей нагрузки от веса насыпи на склоновое основание, что обеспечивает его устойчивость и дальнейшую стабильность.
Существенное влияние на развитие оползней в склонах и откосах оказывают порядок и сроки выполнения их проектной конфигурации. Наиболее распространенная ошибка в этом плане связана с устройством берм, ярусов, дренажных конструкций и укрепительных работ на откосах не в процессе разработки выемок и сооружения насыпей, а после их завершения. Особое значение имеет технологическая последовательность сооружения насыпей на склонах. В проектах производства работ должен быть заложен такой принцип ведения работ, который бы гарантировал устойчивость наклонного основания при сооружении земляного полотна. В частности, например, во многих случаях устойчивость насыпей на склонах была нарушена из-за неправильного способа производства работ: вместо последовательного сооружения насыпи с низовой стороны склона работы выполнялись с верховой стороны, что приводило к развитию неуплотненных зон в откосных частях, перенапряжению склонового основания, развитию оползней как в склонах, так и в откосах насыпей.
Весьма важное значение приобретают технологические факторы при ведении земляных работ на оползневых склонах или в их среде. Правильная расстановка землеройно-транспортной техники, определение необходимого темпа, выдерживание требуемой глубины разработки или крутизны откоса обеспечивают не только возможность выполнения проектных решений, но и их дальнейшую надежность при эксплуатации участка дороги, а также степень сохранности в стабильном состоянии самого оползневого склона.
Планировка площадей. Состав и виды работ по планировке грунтовых поверхностей по заданным отметкам устанавливается проектом в зависимости от назначения планируемых площадей в общих геометрических параметрах автомобильных дорог и аэродромов, их инфраструктуры.
При планировке грунтовых площадей для конструктивных элементов, непосредственно работающих под нагрузками (грунтовые покрытия аэродромов, грунтовые элементы дорожного комплекса, грунтовые части летного поля), в состав планировочных работ включают следующие технологические операции: выравнивание бульдозером с допустимым отклонением от проектных отметок ±10 см (предварительный этап планировки), уплотнение катками с одновременным выравниванием автогрейдером (окончательная планировка). При необходимости устройства дерново-травяных покрытий по спланированной поверхности нанесение и обработка почвенного слоя производится с учетом агротехнических требований к запланированному посадочному материалу.
При планировке грунтовых поверхностей для целей благоустройства, улучшения стока (рекультивированные выработки, территории между сооружениями, резервные площади) в состав работ включаются: выравнивание бульдозером или грейдером с нанесением при необходимости почвенного слоя заданной толщины, предусмотренной проектом.
Планировочные работы при сооружении земляного полотна включают: планировку основания перед началом отсыпки; планировку отсыпаемых слоев до уплотнения и после уплотнения с приданием поперечных уклонов; планировку обочин, конусов и откосов.
На предварительном этапе планировки применяются бульдозеры класса тяги 100-150 кН. Рабочие отметки предварительной планировки должны назначаться с учетом запаса объемов грунта на осадку при уплотнении, величина которого назначается по результатам пробного уплотнения. На участках, где грунты по трудности разработки не соответствуют бульдозерным работам, предварительно осуществляют рыхление грунта при помощи рыхлителей.
Окончательная планировка производится после завершения всех земляных работ и устройства коммуникаций. Планировка выполняется грейдерами или длиннобазовыми планировщиками в едином потоке с уплотнением катками. Допускаемые отклонения от проектных отметок устанавливаются в соответствии с требованиями СНиП 3.06.03-85 в зависимости от назначения планируемых поверхностей и площадок.
Планировка откосов. Основным действенным мероприятием, направленным на обеспечение местной устойчивости склонов и откосов, является укрепление их поверхности. Выбранные конструкции должны предотвратить или не допустить (а в некоторых случаях обеспечивать последовательно совместный эффект) развитие деформаций локального скольжения, оплывин, сплывов, эрозии.
Тип конструкции укрепления необходимо выбирать прежде всего в зависимости от общих задач, которые решаются для реализации намеченного принципа обеспечения устойчивости геотехнической системы «земляное полотно - элемент рельефа». Выбор конструкции обусловлен рабочей отметкой земляного полотна, крутизной склона или откоса, показателями физико-механических свойств грунтов, наиболее опасными погодно-климатическими воздействиями, а также гидрологическим режимом подтопления в случае подтопляемых склонов и откосов.
Все конструкции укрепления откосов и склонов в зависимости от их функции по защите грунта от внешних силовых и погодно-климатических воздействий могут быть разделены на три группы:
биологические типы, предназначенные для зашиты откосов и склонов от эрозии, сплывов, оплывин в районах с благоприятными грунтовыми и климатическими условиями;
несущие конструкции, предназначенные для компенсации сдвигающих усилий, возникающих в грунте поверхностных слоев откосов и склонов, а также силовых воздействий паводковых и поверхностных вод;
защитные и изолирующие конструкции, которые должны изолировать поверхностные слои грунта склона или откоса от температурных воздействий, впитывания атмосферных осадков, отводить грунтовые воды.
Для защиты склонов и откосов неподтапливаемых насыпей, сухих (нескальных) выемок в благоприятных климатических и грунтовых условиях, а также подтапливаемых насыпей при скорости течения менее 0,6 м/сек и в отсутствии волн в качестве основного типа укрепления рекомендуются конструкции первой группы. Дерновый покров следует использовать для укрепления откосов только при его наличии в непосредственной близости от строительного объекта и в случае экономической целесообразности.
Для укрепления склонов и откосов неподтапливаемых насыпей, сложенных глинистыми грунтами, легко выветривающимися скальными породами, грунтами особых разновидностей, переувлажненными грунтами, откосов подтапливаемых насыпей, а также выемок и склонов с водоносными горизонтами можно применять конструкции трех групп. Их комбинируют между собой в зависимости от инженерно-геологических условий строительства на основе технико-экономического сравнения вариантов с учетом времени действия защиты.
Основной принцип использования всех конструкций укрепления - обеспечить устойчивость и стабильность грунта в пределах активной зоны путем регулирования интенсивности ее образования и конечного значения при помощи защитных или изолирующих конструкций, несущих типов конструкций, компенсирующих уменьшение прочности грунта в пределах активной зоны; комбинацией этих способов.
Каждый из указанных типов конструкций имеет свою область применения в зависимости от типа склона, его предыстории, откоса земляного полотна и эффекта зашиты. Когда речь идет об укреплении откосов, особенно высоких насыпей, глубоких выемок или выемок, образованных в результате подрезки склона, то на их поверхности необходимо в кратчайшие сроки создать травяной покров, используя комплексные и комбинированные решения, например, решетчатые конструкции с гидропосевом трав при одновременной высадке кустарников, синтетические сетчатые материалы и др.
Решетчатые конструкции являются весьма действенным типом укрепления, обеспечивающим немедленный эффект зашиты. При этом следует иметь в виду, что выбор конструкций и технологии их строительства должен быть направлен на создание условий, препятствующих эрозии и выветриванию.
Окончательная планировка поверхности земляного полотна на отметках рабочего слоя (низа дорожной одежды) с приданием поперечных уклонов и доуплотнением поверхностного слоя, а также планировка и укрепление откосов насыпей производится после полного выполнения проектного очертания насыпи или выемки.
В зависимости от рабочей отметки планировка ведется путем срезки грунта бульдозером класса тяги 100 кН или автогрейдером тяжелого типа с откосником и удлинителем отвала, откосопланировщиком или экскаватором с двухотвальным скребком (планировочной рамой, ковшом). Выбор машин для планировки и уплотнения поверхности производится согласно табл. 6.2. Планировку подсыпкой на взрыхленную поверхность производят как исключение на малых площадях и при условии последующего уплотнения этих мест.
При планировке с одновременной срезкой грунта и перемещением его вниз на первом этапе выравнивают надоткосные площадки, оформляют бермы в соответствии с разбивкой. Сопряжение поверхности откоса с верхней площадкой земляного полотна выполняют на заключительном этапе.
Планировку откосов насыпей или выемок до 1,5 м осуществляют 2-4 проходами тяжелого автогрейдера или бульдозера с откосниками и удлинителями отвала. Срезаемый с откоса грунт используется для рекультивации боковых резервов или его собирают в штабели для перемещения в обочины насыпи, на съездах и других целей. При этом срезаемый грунт не должен мешать водоотводу.
Таблица 6.2
|
Машины |
Высота откоса, м |
Крутизна откоса |
Производительность в смену, м2 |
Потребность в машинах на 1000 м2 откоса, маш.-смен |
|
Планировка откосов |
||||
|
Бульдозер универсальный |
1-3,5 |
1:1,5 (1:2) |
7000 |
0,14 |
|
Бульдозер универсальный класса тяги 100 кН |
6-12 |
1:2 (1:3) |
8900-10000 |
0,10 |
|
Автогрейдер тяжелого типа с откосником и удлинителем отвала |
3,5 |
1:1,5 (1:2) |
5000 |
0,20 |
|
Экскаватор-планировщик |
до 12 |
1:1,5 |
2400 |
0,42 |
|
6-10 |
1:1,5 |
3200 |
0,31 |
|
|
Уплотнение грунта |
||||
|
Виброкаток или виброплита, навешенные на стрелу экскаватора |
до 6 |
1:1,5 (1:3) |
4250-5000 |
0,20 |
|
То же |
12 |
1:1,5 (1:2) |
5000-5300 |
0,20 |
Планировку откосов насыпей или выемок до 6 м осуществляют откосопланировщиком с нижней стоянки, а откосов до 12 м с верхней и нижней стоянок. Ширина планируемого участка откоса с одной стоянки должна быть не более 2 м, а перекрытие - 0,5 м. Планировка откосов от 6 м до 12 м ведется с использованием экскаватора-планировщика. Планировка откосов высотой более 12 м выполняется в процессе устройства каждого яруса.
Пологие откосы (крутизной 1:2 и положе) планируют с помощью бульдозеров, перемещающихся по откосу сверху вниз с принудительно опущенным отвалом (при гидравлическом управлении) или задним ходом снизу-вверх с отвалом, свободно опущенным на грунт (при канатном управлении). При этом его отвал не должен наполняться грунтом более чем на 2/3 высоты.
Для обеспечения уплотнения откосной части насыпей высотой более 6 м рекомендуется в процессе ее сооружения увеличивать ширину уплотняемых технологических слоев на 0,3-0,5 м с каждой стороны с последующей в процессе планировки срезкой лишнего грунта с откоса и перемещением его на последующие захватки.
Организация укрепления откосов насыпей, конусов и выемок должна обеспечивать возможность механизации работ и минимальные затраты труда. Рекомендуется выполнять укрепительные работы с использованием отряда машин (табл. 6.3). Показатели трудоемкости типовых конструкций укрепления откосов приведены в табл. 6.4.
Таблица 6.3
|
Машины |
Выполняемые операции |
Потребность в машинах на 1000 м2 откоса, маш.-смен |
|
Экскаватор-планировщик либо бульдозер класса тяги 100 кН |
предварительная планировка откоса |
0,4 |
|
распределение растительного слоя |
0,3 |
|
|
рытье траншеи под упорную призму (при укреплении сборной решеткой) |
0,1 |
|
|
Машина для гидропосева трав |
гидропосев трав |
0,2 |
|
Автомобильный кран грузоподъемностью 6 т |
Погрузка и выгрузка. Установка элементов решетки и железобетонных блоков. Подача на откос материалов для заполнения ячеек |
2,9 |
|
Автомобильный транспорт (бортовые машины - для железобетонных изделий, самосвалы - для грунта и строительных материалов) |
Транспортировка материалов (растительного или укрепленного грунта, щебня), железобетонных блоков, элементов решетки |
10 |
Для создания на откосах травяного покрова, который является основным способом укрепления грунтовых поверхностей, рекомендуется применять метод гидропосева, посев по растительному грунту вручную или механизированным способом, а также укладку дерновых лент.
Основные технологические процессы устройства укрепления откосов гидропосевом включают: заготовку (при необходимости) почвенного грунта; его распределение и планировку на поверхности откосов; приготовление рабочей смеси из семян трав и вяжущего удобрения; нанесение ее на откос; полив после нанесения смеси и в последующие периоды.
Таблица 6.4
|
Конструкции |
Трудовые затраты на 1000 м2 укрепления, чел./дн |
|
Травяной покров гидропосевом семян по слою растительного грунта толщиной 10 см |
8 |
|
То же, по синтетической геосетке |
10 |
|
Сборная решетка (в том числе и геосинтетическая) с заполнением ячеек растительным грунтом и посевом трав |
70 |
|
То же, с заполнением ячеек цементогрунтом |
90 |
|
То же. с заполнением ячеек щебнем |
90 |
Рабочую смесь (мульчу) для гидропосева приготавливают на специально организованной базе, где должны иметься складские помещения для хранения семян и удобрений, емкости для хранения пленкообразующих материалов, вибросита с ячейками 10×10 мм для просеивания опилок или установка для измельчения соломы, весы для семян и удобрений, грузоподъемные средства для заправки рабочей смесью гидросеялки. Заправка смесью гидросеялки осуществляется при включенной системе перемешивания.
Почвенный грунт распределяют на установленную проектом толщину сразу после планировки поверхности откосов, как правило, с помощью машин и оборудования, используемых при планировочных работах. Применяется также схема работ, по которой почвенный (растительный) грунт завозится на обочину и распределяется сверху вниз.
Сухие откосы перед распределением почвенного грунта необходимо предварительно увлажнять с использованием поливомоечных машин.
В случае предполагаемых размывов откосов земляного полотна в период формирования дернового покрова перед распределением растительного грунта на поверхность откосов рекомендуется укладывать мешковину или сетки из геосинтетических материалов. Укладку рулонов сетки осуществляют путем их раскатки сверху вниз по откосу с перекрытием на 10-20 см и закреплением их колышками в пределах обочин. Закрепление концов полотен в грунте выполняют путем нарезки автогрейдером на расстоянии 0,3-0,5 м от бровки откосов канавки глубиной 0,2-0,3 м, укладки концов полотен в канавку и заполнения ее грунтом при повторном проходе автогрейдера либо другими способами, оговариваемыми в проекте.
Гидропосев трав машиной типа ДЭ-16 (или другого типа) производят двумя проходами машины вдоль подошвы откоса или бермы.
Скорость движения машины подбирают опытным путем в зависимости от длины образующей откоса. На откосах высотой 10-12 м смесь распределяют при кратковременных остановках машины через 20-25 м; на откосах высотой 12-24 м - с верхней и нижней стоянок машины, поворачивая гидромонитор в горизонтальной плоскости по дуге 80° - 100°; а в вертикальной плоскости - в пределах ±40° от горизонтали, обеспечивая гидропосев по всей длине откоса на ширину 10-12 м. Следует избегать стекания смеси с откоса и образования ручьевых размывов. Места заправок машины смесью целесообразно располагать на середине укрепляемого участка с радиусом действия машины не более 10 км.
При необходимости зашиты от проникновения через поверхность откосов атмосферных осадков гидропосев, осуществляемый без использования в составе наносимой смеси пленкообразующих, рекомендуется осуществлять по защитному слою, предварительно уложенному на поверхность откоса, например, по геотекстильному материалу в виде сеток, или последующим нанесением вяжущего.
Основные технологические процессы укрепления откосов искусственными материалами включают: приготовление рабочих смесей (цементобетон, грунт, обработанный вяжущим, мелкозернистая сухая бетонная смесь и т.п.); вывозку на откосы рабочих смесей, щебня, железобетонных блоков для упорной призмы, пластиковых георешеток, сборных бетонных, железобетонных и асфальтобетонных плит, элементов решетчатых конструкций, биоматов; укладку и уплотнение рабочих смесей или щебня; монтаж блоков плит, георешеток и сборных решетчатых конструкций; заполнение ячеек, пластиковых георешеток, решетчатых конструкций рабочими смесями, растительным грунтом, щебнем, гидропосевом трав и т.п.
До начала укрепления откосов земляных сооружений бетонными плитами или сборными решетчатыми конструкциями индустриального изготовления у подошвы откоса устраивают монолитный или сборный бетонный упор. Сборный упор устраивают, укладывая блоки принятого размера в траншею на щебеночное основание.
Бетонные блоки упорной призмы заранее распределяют вдоль траншеи краном соответствующей грузоподъемности на расстоянии 1,5 м от нее. Щебень для устройства основания под блоки выгружают из транспортных средств на расстоянии 1,0-1,5 м от бровки траншеи через каждые 12-13 м.
Щебень распределяют в траншее вручную слоем 11-12 см и планируют по визирной рейке, контролируя шаблоном толщину слоя, а затем уплотняют послойно ручными трамбовками типа ИЗ-4502.
Установку блоков на каждом участке протяженностью 10-15 м следует окончательно выверять в плане по шнуру и в профиле с помощью визирок, помещенных с обоих концов блока.
Швы в стыках между блоками заполняют цементопесчаным раствором состава 1:2. Через каждые 10-15 м необходимо устраивать швы расширения, в которые закладывают строганые доски толщиной 15-20 мм. Монтажные петли на блоках отгибают или срезают.
После установки сборных железобетонных блоков пазухи упорной призмы засыпают щебнем фракции 40-70 мм слоями толщиной 10 см с послойным его уплотнением ручными трамбовками.
При устройстве упорной призмы придерживаются следующих допусков относительно проектных размеров: глубина траншеи ±10 %, ширина ее ±5 см; толщина слоя щебеночной подготовки ±10 %; положение блоков в плане после установки, превышение одного блока над другим на стыках и величина зазора между блоками ±5 мм.
После установки бетонного упора на него необходимо нанести размеры сборных элементов укладываемой конструкции и перенести их на поверхность откоса по образующим, перпендикулярным к опорной линии с обозначением осевых линий разбивочными колышками. Для решетчатых конструкций с диагональным расположением элементов разбивку осуществляют по диагонали ячеек. Элементы конструкций следует укладывать снизу-вверх. Сменная захватка должна соответствовать участку откоса, укрепленного на полную высоту.
При монтаже решетчатых конструкций треугольной конфигурации элементы наращивают рядами. Необходимое удлинение верхних рядов на криволинейных участках (конусах путепроводов) компенсируют путем увеличения зазоров в стыках. Ромбическую конструкцию монтируют в диагональном направлении снизу-вверх.
После укладки элементов решетчатых конструкций их объединяют в узлах покрытыми битумом металлическими штырями диаметром не менее 10 мм и длиной не менее 0,5 м или скобами, которые забиваются вручную. Для железобетонных сваек предварительно бурят отверстия заданного диаметра и глубины мотобуром типа Д-10 или другим буровым инструментом. Стыки необходимо омоноличивать цементным раствором (состав 1:2) после окончания монтажных работ. Бетонные поверхности в стыках смачивают предварительно водой, затем уплотняют штыковкой и поверхности заглаживают мастерком. После монтажа решетчатых конструкций ячейки необходимо заполнить предусмотренным проектом материалом, который подают автомобильным краном.
Почвенный грунт, щебень и цементогрунт на откосах высотой до 6 м и крутизной 1:1,5 следует сдвигать с обочины и разравнивать откосопланировщиком, затем досыпать нужный материал или выбрать лишний вручную. Толщина слоя из цементогрунта и щебня в ячейке должна на 2-3 см превышать высоту сборного элемента (запас на уплотнение). После планировки цементогрунт и щебень необходимо уплотнить ручными трамбовками или виброплощадками.
При гидропосеве трав непосредственно на грунт откоса сборные элементы решетчатой конструкции должны быть утоплены в предварительно разрыхленную поверхность откоса на глубину, равную 0,9-1,0 толщины элемента.
Плиты укладывают на прослойку из геотекстильного нетканого материала или щебеночное основание в зависимости от особенностей конструкции, обусловленной проектом, которое устраивают путем распределения и уплотнения на поверхности откоса слоя щебня, предварительно заготовленного у бровок насыпей и выемок. С помощью бульдозеров щебень сталкивают вниз и равномерно распределяют.
Уплотняют слой щебня катками, площадочными вибраторами или механическими трамбовками. Укладка щебня при отрицательных температурах разрешается только на откосе из несмерзшихся несвязных грунтов. При этом щебень необходимо укладывать в сыпучем состоянии.
Для подъема плит автомобильные краны оборудуют траверсами с попарно разноплечими монтажными тросами или цепями со стальными крюками.
Монтаж плит ведут рядами снизу-вверх по поверхности откоса в определённой последовательности. Краном плиту снимают с автомобиля или берут из штабеля и стрелой грубо наводят на место укладки. Затем опускают ее вниз таким образом, чтобы подошва оказалась на 3-5 см ниже верха уложенных смежных плит. Движением стрелы плиту направляют так, чтобы ее поперечная грань соприкасалась с поперечной гранью уложенной плиты. Движением стрелы «на себя» уменьшают до минимума зазор в продольном шве между укладываемой и уложенной плитами. Затем плиту опускают на прослойку из геотекстиля или щебеночное основание так, чтобы она коснулась их одновременно всей подошвой.
При использовании геотекстильных материалов взамен щебеночного основания или устройства обратного фильтра из зернистого материала под бетонными плитами на подтопляемых откосах полотна из геотекстильных материалов укладывают параллельно бровке откоса снизу-вверх, причем нижнее полотно геотекстиля укладывают под бетонные блоки упорной призмы с выводом конца полотна за пределы блока на 0,2 м. Полотна геотекстиля на поверхности откоса укладывают с закреплением его кромок деревянными или металлическими штырями. При укладке геотекстиля под решетчатыми покрытиями на участках временного подтопления смежные полотна соединяют битумной мастикой, сваркой или сшивкой.
Укрепление откосов монолитными бетонными покрытиями проводят по щебеночной или песчаной подготовке. Для подачи бетонной смеси на поверхность откоса используют краны, оборудованные бункерами с затворами. Распределяют смесь по поверхности откоса откосопланировщиками, работающими с верхней и нижней стоянок.
Смеси уплотняют двумя-тремя проходами виброрейки, продвигаемой по направляющим, выставленным с помощью геодезических приборов.
Рабочие смеси для укрепления откосов методом пневмонабрызга приготавливают из цемента, песка, щебня или гравия. Сухие смеси должны быть использованы в течение 2-4 часов с момента их приготовления. Смеси выгружают из автомобилей-самосвалов в накопительные бункеры или на металлические листы (во избежание попадания грунта или скальной породы) с последующей перегрузкой в бункеры бетоншприцмашины, обеспечивающей их смешение с водой, подаваемой от насосной станции, укладку и уплотнение. Добавки-ускорители схватывания и твердения цемента в рабочие смеси для пневмонабрызга следует вводить вместе с водой затворения.
В связи с линейным характером укрепительных работ на объектах дорожного строительства комплект машин и механизмов для пневмонабрызга рекомендуется размещать на автоприцепе, предусмотрев возможность получения электроэнергии и воздуха от электростанций и передвижных компрессорных установок.
Основные операции на поверхности скального или грунтового откоса рабочие выполняют, находясь в специальной подвесной люльке на выносной стреле шарнирных автогидроподъемников. Рабочий управляет соплом, шарнирно закрепленным в люльке.
Процесс пневмонабрызга необходимо начинать с увлажнения через сетку подготовленной скальной поверхности с помощью воздушно-водяной струи. Расстояние от среза сопла до укрепляемой поверхности должно составлять 0,9-1,1 м, а струю бетона следует направлять перпендикулярно к поверхности откоса. Для равномерного распределения слоя защитного покрытия оператор в процессе набрызга должен перемещать сопло одновременно вкруговую и в горизонтальном направлении. Толщина образуемого слоя обратно пропорциональна скорости таких перемещений. В первую очередь заполняют углубления на поверхности и выравнивают «рваный» профиль выемки.
Укрепление поверхности откосов из скальных легко выветривающихся, выветрелых пород, крупнообломочных размягчаемых пород (например, аргиллитов, алевролитов, сланцев и т. п.) необходимо осуществлять по металлической монтажной сетке, сортамент которой устанавливается проектом. Монтажная сетка крепится за пределами бровки откоса несущими анкерами, а на поверхности откоса - монтажными штырями.
После нанесения материала монтажная сетка должна быть утоплена в набрызг-материале. Толщина слоя облицовки над сеткой - не менее 20 мм. Пневмонабрызг следует осуществлять по возможности непрерывно.
Песчаные откосы и придорожные полосы в районах песчаных пустынь укрепляют розливом жидких вяжущих материалов в следующем порядке: приготовление на стационарной базе жидких вяжущих материалов; доставка вяжущих материалов к месту работ; приготовление рабочего состава; распределение рабочего состава (медленно распадающаяся битумная эмульсия) по закрепляемой поверхности.
Агрегат для розлива эмульсии состоит из тягача, размещенного на нем разбрызгивателя в виде дождевального аппарата и мотопомпы (пожарного автомобиля со сменными шлангами длиной до 250 м и брандспойтом), приемной цистерны вместимостью 10-15 м3, установленной на пневмоколесной тележке, сцепленной с тягачом. Площадь розлива с одной стоянки составляет около 3 га.
Для горного рельефа характерны чередование хребтов или горных массивов с долинами и межгорными впадинами, резкие колебания высотных отметок не менее чем на 500 м, наличие горных склонов различной крутизны.
В отличие от земляного полотна в равнинной местности земляное полотно горных дорог часто размешается на склонах; высокие насыпи чередуются с глубокими выемками и полувыемками; конструкция земляного полотна нередко предусматривает строительство крупных и сложных специальных сооружений; постройку земляного полотна в скальных грунтах ведут взрывным способом. Стоимость этих работ достигает 55-60 % общей стоимости дороги. Общие особенности производства работ при строительстве автомобильных дорог в горной местности состоят в следующих отличиях.
Важнейшие для строительства факторы могут резко изменяться на очень коротких отрезках склонов. Под воздействием денудационных процессов, снежных лавин, селей, обвалов, оползней, сейсмических и других явлений участки земляного полотна горных дорог могут разрушаться. Поэтому на наиболее трудных участках горных дорог строят противообвальные, противооползневые, противоселевые и противолавинные сооружения.
При возведении земляного полотна, как правило, снижается устойчивость подсекаемой или нагружаемой части склона. Наиболее вероятно нарушение устойчивости склонов в оползневых районах, при производстве взрывных работ, при разработке котлованов. В горных условиях возможны резкая перемена погоды; ливни, вызывающие разрушение откосов строящихся насыпей и выемок, катастрофическое повышение уровня горных потоков и сходы селей; оттепели, способствующие образованию снежных лавин. Строительство горных дорог ведется в районах со слаборазвитой сетью железных и автомобильных дорог, что затрудняет создание производственной базы строительства и развития фронта работ. При строительстве земляного полотна в скальных породах и в рыхло-обломочных грунтах необходимо выполнять массовые взрывные работы.
Таблица 7.1
Классификация горных пород по шкале проф. М.М. Протодьяконова
|
п/п |
Степень крепости породы |
Породы |
Коэффициент крепости пород, f |
|
I |
В высшей степени крепкие |
Наиболее крепкие, плотные и вязкие кварциты и базальты. Исключительные по крепости другие породы |
20 и более |
|
II |
Очень крепкие |
Очень крепкие гранитовые породы. Кварцевый порфир, очень крепкий сланец. Менее крепкие, нежели указанные выше кварциты. Самые крепкие песчаники и известняки |
15 |
|
III |
Крепкие |
Гранит (плотный) и гранитовые породы. Очень крепкие песчаники и известняки. Кварцевые рудные жилы. Крепкий конгломерат. Очень крепкие железные руды |
10 |
|
IIIа |
Тоже |
Известняки (крепкие). Некрепкий гранит. Крепкие песчаники. Крепкий мрамор, доломит, колчеданы |
8 |
|
IV |
Довольно крепкие |
Обыкновенный песчаник. Железные руды |
6 |
|
IVa |
Тоже |
Песчанистые сланцы. Сланцевые песчаники |
5 |
|
V |
Средней крепости |
Крепкий глинистый сланец. Некрепкий песчаник и известняк, мягкий конгломерат |
4 |
|
Va |
Тоже |
Разнообразные сланцы (некрепкие), плотный мергель |
3 |
|
VI |
Довольно мягкие |
Мягкий сланец. Очень мягкий известняк, мел, каменная соль, гипс. Мерзлый грунт, антрацит. Обыкновенный мергель. Разрушенный песчаник, сцементированная галька |
2 |
|
VIa |
Тоже |
Щебенистый грунт. Разрушенный сланец, слежавшийся сланец, слежавшиеся галька и щебень, крепкий каменный уголь. Отвердевшая глина |
1,5 |
|
VII |
Мягкие |
Глина (плотная). Мягкий каменный уголь. Крепкие наносы, глинистый грунт |
1,0 |
|
VIIa |
Тоже |
Легкая песчанистая глина, лесс, гравий |
0,8 |
|
VIII |
Землистые |
Растительная земля. Торф, легкий суглинок, сырой песок |
0,6 |
|
IX |
Сыпучие |
Песок, осыпи, мелкий гравий, насыпная земля, добытый уголь |
0,5 |
|
X |
Плывучие |
Плывуны, болотистый грунт, разжиженный лесс и другие разжиженные породы, грунты |
0,3 |
Для ориентировочной оценки горных пород, выбора бурильных машин и методов взрывных работ используют классификацию горных пород по коэффициенту крепости f (табл. 7.1). Принято, что порода с прочностью на раздавливание при одноосном сжатии 9,8× 106 н/м2 имеет коэффициент крепости, равный единице.
Буровые работы. При строительстве дорог в горных условиях для создания полувыемок или выемок взрывным способом предварительно производят буровые работы. Бурением создают взрывные выработки (рис. 7.1) для размещения заряда взрывчатых веществ (ВВ) внутри взрываемой среды. ВВ - химические соединения или механические смеси, которые под действием внешнего импульса (нагревание, удар, искры огня) способны взрываться.

Рис. 7.1. Взрывные выработки:
1 - рукав; 2 - шурф; 3 - котловая скважина; 4 - скважины; 5 - шпур; 6 - зарядные камеры; 7 - рассечка; 8 - штольня
Взрывные выработки подразделяют на шпуры, скважины, котловые шпуры и скважины, рукава, зарядные камеры. Вспомогательными выработками являются вертикальные шурфы сечением 1,0×1,2 м и горизонтальные штольни и рассечки сечением 1,0×1,6 м. Шпуры и скважины бывают вертикальные, наклонные и горизонтальные.
Процесс бурения состоит в разрушении породы и удалении буровой крошки из шпура или скважины. Наиболее распространенными разновидностями механического способа бурения являются шарошечный, пневмоударный и перфораторный. При шарошечном бурении разрушения породы достигают за счет ее окола зубцами конусообразной шарошки, перекатывающейся вокруг оси шарошечного долота под действием приложенного к нему осевого давления.
При ударно-шарошечном бурении над шарошечным долотом устанавливают пневмоударник, который наносит удары по долоту с частотой 1000-2000 в минуту, увеличивая в 1,3-1,6 раза скорость бурения по сравнению с обычным шарошечным. Перфоратор разрушает породу главным образом за счет удара, энергия которого определяется скоростью движения поршня. Число ударов достигает 1500-3000 в минуту. При разрушении породы вращательное движение бура играет второстепенную роль. Буровую мелочь (муку) из скважин и шпуров удаляют промывкой водой или продувкой сжатым воздухом.
Основной на буровых работах является машина шарошечного бурения на базе гусеничного трактора, которая бурит скважины на глубину до 30 м диаметром до 140-150 мм в скальных грунтах, а в нескальных - до 350 мм. Производительность бурения в смену в некрепких скальных породах 40-80 м, в крепких скальных 15-25 м, в нескальных - 120 м. В стесненных условиях применяют станки пневмоударного бурения, позволяющие бурить вертикальные и наклонные скважины диаметром 105 мм. Производительность бурения 15-35 м/смену в зависимости от крепости породы. Глубина бурения до 25-35 м.
Шпуры бурят пневматическими бурильными молотками (перфораторами), работающими с компрессорной станцией производительностью 10 м3/мин. Буровые работы начинают с прокладки тропы и полки. Для обработки откосов, устранения нависей и заколов применяют откосные скважины.
Взрывные работы. Взрыв - быстрое самораспространяющееся химическое превращение ВВ в сильно нагретые (2000-4000 ºС) газы, которые, мгновенно расширяясь, производят работу разрушения, метания и сотрясения.
Различают инициирующие, бризантные и метательные ВВ.
Инициирующие ВВ - гремучая ртуть, азид свинца, тринитрорезерцинат свинца (ТНРС) - обладают самой высокой чувствительностью к внешним воздействиям. Они взрываются от небольшого пламени, удара или трения с большой скоростью и вызывают инициирование (возбуждение взрыва) зарядов других ВВ. Их применяют в изготавливаемых на заводах капсюлях-детонаторах и электродетонаторах, с которыми необходимо обращаться осторожно.
Бризантные ВВ (дробящие) производят работу разрушения, дробления. В обычных условиях они не взрываются от удара, трения и действия огня, вследствие чего удобны для ведения взрывных работ. Самое широкое применение находят аммиачно-селитровые ВВ (аммониты, аммоналы, динамоны, игданиты, гранулиты и зерногранулиты), так как они наиболее безопасны, имеют достаточную мощность и невысокую стоимость. Основной недостаток этих ВВ - гигроскопичность. Однако выпускают специальные сорта гидрофобных аммонитов. Аммониты применяют в порошкообразном и прессованном виде. Например, скальные аммониты в виде прессованных шашек и патронов имеют высокую водоустойчивость. Находят применение и нитросоединения. Тол, его сплавы с гексогеном, 62 %-ный динамит применяют для ведения взрывных работ. Тетрил применяют в детонаторах, а также в шашках в качестве боевиков, тэн - в детонаторах и детонирующем шнуре, гексоген находит применение как составная часть скальных аммонитов и в детонаторах.
Из метательных ВВ (дымный и бездымный порох) при взрывных работах находит применение черный (дымный) порох, составляющий сердцевину огнепроводного шнура. Основная форма превращения пороха в газообразные вещества - взрывчатое горение.
Применяют следующие способы взрывания: огневой, детонирующим шнуром, электрический и электроогневой. В стадии освоения находится способ электрогидравлического взрывания.
Огневой способ применяют для взрывания одиночных зарядов для ограниченного числа разновременно взрываемых зарядов в данной группе, когда взрыв одного из них не может повредить другой заряд.
Средствами взрывания (СВ) служат капсюли-детонаторы в бумажной (рис. 7.2, а) или металлической гильзе (рис. 7.2, б) и огнепроводный шнур (ОШ), служащий для возбуждения взрыва капсюлей-детонаторов. Огнепроводный шнур состоит из сердцевины и нитяных оплеток, покрытых или пропитанных водонепроницаемыми составами. Скорость горения огнепроводного шнура на воздухе примерно равна 1 см/с. Поджигание огнепроводного шнура, срезанного по косой линии, производят тлеющим фитилем или спичкой подрывника, которая не гаснет от ветра.
Взрыв каждого заряда происходит от зажигательной трубки (рис. 7.2, е), представляющей отрезок огнепроводного шнура (не менее 1 м) с закрепленным на одном его конце капсюлем-детонатором, который располагают в заряде или боевике заряда. Если в капсюль-детонатор может попасть вода, место соединения его с ОШ покрывают изоляционной лентой.
Огневому способу взрывания присущи существенные недостатки: пониженные безопасность работ и эффективность использования ВВ при взрыве нескольких зарядов; применение ручного труда. Однако огневой способ взрывания находит применение в связи с его простотой.
Электрический способ взрывания применяют для одновременного взрыва нескольких зарядов или для производства взрыва в точно установленное время. Этот способ более безопасен, но требует довольно сложного оборудования. Для осуществления электрического способа взрывания необходимы электродетонаторы, провода, источники тока, проверочные и измерительные электроприборы.
Электродетонаторы представлены на рис. 7.2 в, г, д. Показанный на рис. 7.2 в, электродетонатор (ЭД) - мгновенного действия, поскольку огонь от воспламенительной головки 8, которая загорается от мостика накаливания 12, непосредственно соприкасается с инициирующим ВВ - гремучей ртутью, помещенной в чашечку 2. На рис. 7.2 г, д показаны электродетонаторы замедленного действия (ЭДЗД) с интервалом замедления от 2 до 50 мс. В тех случаях, когда электровзрывание недопустимо (например, имеются блуждающие токи), для короткозамедленного взрывания применяют детонирующий шнур и пиротехническое реле (рис. 7.2, з). При электроогневом способе взрывания применяют электрозажигательные трубки (рис. 7.2, ж).
Наиболее удобными и распространенными источниками тока являются конденсаторные подрывные машинки. Они удобны при переноске, просты и надежны в эксплуатации. Так, с помощью подрывной машинки КПМ-1 можно взорвать до 100 шт. последовательно соединенных в сеть ЭД при общем сопротивлении сети 350 Ом, параллельно соединенных ЭД до 5 шт. при общем сопротивлении сети 25 Ом. Напряжение на зажимах машинки 150 В.
Электровзрывной сетью называют электродетонаторы и провода, соединяющие их между собой и с источником тока. Применяют сети последовательные, параллельные и смешанные. Электровзрывные сети всегда должны быть двухпроводными. При ответственных взрывах электровзрывную сеть дополнительно дублируют сетью из детонирующего шнура.
Взрывание зарядов ВВ детонирующим шнуром (или бескапсюльное взрывание) осуществляют взрывом введенного в заряд боевика отрезка детонирующего шнура (ДШ), оканчивающегося узлом. Взрывание ДШ производят капсюлем-детонатором зажигательной трубки или электродетонатором, который плотно с ним соединяется. ДШ взрывается со скоростью 6500 м/с. В настоящее время взрывание детонирующим шнуром получило широкое распространение в силу того, что значительно уменьшается опасность работ из-за отсутствия детонатора в заряде, упрощаются работы по подготовке к взрыву, более полно взрываются удлиненные заряды, так как ДШ пропускается через весь заряд, возникает возможность ведения взрывов в увлажненных местах без дополнительных работ по изоляции ДШ.

Рис. 7.2. Средства взрывания:
1 - гильза; 2 - чашечка; 3 - гремучая ртуть; 4-дополнительный заряд тетрила; 5-тетрил; 6 - тетрил, тен или гексоген; 7- тен, тетрил; 8 - воспламенительная головка; 9 - концевики; 10 - пластиковая пробка; 11 - вилочка; 12 - мостик накаливания; 13 - электровоспламенитель; 14 - замедляющий состав; 15 - азид свинца; 16 - отрезок огнепроводного шнура; 17 - сердцевина шнура; 18 - косой срез шнура (для улучшения условий поджигания); 14 - капсюль-детонатор; 20 - зажигательный узел; 21 - промежуточный воспламенитель; 22 - медная гильза; 23 - отверстие в гильзе, заклеенное полоской бумаги; 24 - детонирующий шнур; 25 - алюминиевые колпачки; 26 - жесткая бумажная трубка
Детонирующий шнур предназначен для возбуждения взрыва заряда или серии зарядов ВВ без размещения в них детонаторов. Он находит также применение при дублировании взрывов зарядов, соединенных в электрическую цепь, ДШ водоустойчив, его сердцевина состоит из ВВ (тэна). Сердцевина покрыта нитяными оплетками, пропитанными или покрытыми водостойкими составами. Цвет шнура обязательно красный или белый с красной ниткой. Скважины каждого уступа объединяют ДШ в порядные схемы многорядного короткозамедленного взрывания (рис. 7.3). Взрывание ведут бескапсюльным способом как короткозамедленное с помощью пиротехнического реле.
Электроогневой способ взрывания состоит в инициировании каждого заряда зажигательной трубкой с воспламенением огнепроводного шнура средствами, действующими от электрического тока. Этим способом взрывают с безопасного места, и появляется возможность взрывания зарядов с определенными интервалами замедления.

Рис. 7.3. Порядная схема многорядного короткозамедленного взрывания при помощи ДШ:
1 - электродетонатор; 2 - пиротехнические замедлители КЗДШ-62-2; 3 - детонирующий шнур
Электрогидравлическое взрывание происходит без разлета породы, то есть полностью безопасно.
Взрывание вне зависимости от способа состоит из подготовки к взрыву, изготовления патронов-боевиков, заряжания, забойки и взрыва. Подготовка к взрыву включает буровые работы, оформление исполнительной документации. Патроны-боевики (детонирующие патроны) изготовляют в специально отведенном месте или помещении, расположенном не ближе 50 м от места заряжания. Патроном-боевиком называют упакованное ВВ с введенным в него детонатором или собранным в узел ДШ. Детонатор необходимо надежно закрепить, чтобы исключить возможность его выдергивания при последующем заряжании и забойке заряда ВВ. Опускать боевики в скважину или шпур нужно с помощью специальных устройств без передачи усилия на огнепроводный шнур, ДШ или электрические провода. С боевиками следует обращаться особенно осторожно.
При взрывании ВВ, имеющих пониженную детонационную способность (например, гранулиты и зеррогранулиты), применяют промежуточные детонаторы в виде шашек тротила, тротила-тетрила или скального аммонита. Для заряжания взрывчатыми веществами шпуров и скважин применяют различные средства механизации. Так, для заряжания скважин ВВ применяют машины, обладающие производительностью до 4000 кг ВВ в час. Качество заряжения и безопасность работ при этом существенно возрастают.
Достижения науки и практики взрывных работ позволяют повышать работу взрыва и управлять его действием, применяя короткозамедленное, контурное, направленное взрывание, взрывание скважинных зарядов, разделенных воздушными промежутками.
Короткозамедленное взрывание состоит в том, что группы зарядов или отдельные заряды взрывают поочередно через промежутки, измеряемые сотыми и тысячными долями секунды. Интервал замедления для производства пробных взрывов, по результатам которых этот интервал уточняют,
tк = Kвh, где (7.1)
Кв - коэффициент, меняющийся от 3 для весьма крепких пород до 6 для наиболее мягких пород,
h - линия наименьшего сопротивления по подошве уступа, м.
Короткозамедленное взрывание имеет следующие преимущества: улучшается дробление породы, что повышает производительность землеройной техники и сокращает расход ВВ, уменьшаются заколы, снижается сейсмическое действие взрыва вследствие возможности взрывания при интервале замедления, равном половине периода сейсмических волн, уменьшается объем бурения и возникает возможность руководить направлением и формой развала породы. Например, можно так развалить породу, что она сосредоточится в местах работы экскаватора, то есть будет обеспечена необходимая высота забоя и останутся свободные от породы площадки, удобные для разделки негабаритов. Возможно дальнейшее взрывание породы без предварительной экскавации ранее взорванной, что приводит к независимой работе экскаваторов от буровзрывных работ. Особенно эффективно применять этот способ взрывания при образовании выемок, полувыемок и траншей, где достигается экономия буровых работ и ВВ на 15-20 % при одновременном снижении количества негабаритов с 20-30 до 4-5 %.
Контурное взрывание обеспечивает сохранение неразрушенными и строго соответствующими проектным заложениям откосов выемок, полувыемок и траншей. Проектный контур выработки сохраняется за счет размещения по его очертанию холостых скважин (шпуров), скважин с небольшими зарядами ВВ или за счет предварительного образования щели. Повышенный объем буровых работ составляет малую долю экономии получаемой за счет уменьшения скально-экскавационных и подборочных работ.
Направленное взрывание представляет односторонний (направленный) взрыв с перемещением породы на расчетное расстояние и достигается равномерным взрывом рядов зарядов с замедлением. Выброс в нужном направлении достигает 80 % общего объема взорванной породы.
Расстояние между зарядами принимают в этом случае
где (7.2)
hср - средняя длина линий наименьшего сопротивления первого и второго рядов зарядов, м;
n1 - показатель действия взрыва зарядов первого ряда (ближнего к основному направлению перемещения породы);
n2 - показатель действия взрыва второго ряда.
Величины n1 и n2 назначают с сохранением условия:
n2 = n1 + 0,5 (7.3)
Расчет остальных параметров взрыва изложен ниже и особенностей не имеет. Направленное взрывание применяют для образования сложных выемок или для перемещения грунта косогоров в насыпи, полунасыпи, дамбы и др.
Взрывание скважинных зарядов, разделенных воздушными промежутками, улучшает равномерность и степень дробления породы, снижает высоту дробления породы, сейсмическое действие взрыва, высоту столба забоечного материала и заколы в глубь массива. При высоте взрываемого слоя до 20 м заряд разделяют на две-три части. Суммарная величина всех воздушных промежутков составляет 0,17-0,35 высоты всего заряда (меньшее значение при крепких породах). Массу заряда ВВ определяют расчетом.
Использование перечисленных способов, особенно в их сочетании, приводит к высококачественному, безопасному и экономичному ведению взрывных работ. Так, например, объединение контурного и короткозамедленного взрывания позволяет максимально приблизить крутизну откосов выемок и полувыемок к запроектированной и обеспечивает их хорошую длительную устойчивость.
Техника безопасности при ведении взрывных работ. Буровзрывные работы выполняют в строгом соответствии с Едиными правилами безопасности ведения буровзрывных работ. Перед началом работ устанавливают и ограждают знаками границы опасной зоны, которую на время взрывов оцепляют постами. Примерный радиус зоны 500 м, принимаемый по расчету или Правилам. При глубине скважин более 10 м дублирование электровзрывной сети обязательно. Расположение шурфов, скважин и камер наносят на исполнительный план взрывного поля. Боевики (детонирующие патроны) устанавливают в заряды в готовом виде. Взрывные работы ведут в строго установленное время, а также по хорошо слышимым сигналам (приготовиться, огонь, отбой), которые всем должны быть хорошо известны.
ВВ хранят в специальных охраняемых складах отдельно от СВ. СВ к месту взрыва переносят в специальной укупорке только подрывники. Все склады должны быть защищены от грозы и иметь телефонную связь с караульным помещением. ВВ и СВ перевозят только на исправных автомобилях, оборудованных красными флажками, со скоростью не более 20 км/ч. Невзорвавшиеся заряды разряжать запрещено. Их взрывают от детонации зарядов, располагаемых невдалеке, при очередном или специальном взрыве. К производству взрывных работ допускают лиц, имеющих Единую книжку взрывника.
Расчет взрывных работ состоит в определении количества зарядов, их расположения и массы. Взрывные работы ведут на рыхление и выброс (сброс).
Расчетные формулы для определения количества ВВ в заряде основаны на эмпирической зависимости этой величины от объема взорванной породы. Если заряд С поместить на глубину h в скальную породу или грунт, в результате взрыва образуется воронка радиусом r1. При взрыве увеличенного количества ВВ, помещаемого на ту же глубину h, радиус воронки будет возрастать, принимая значения r2 > r1, r3 > r2 и т.д. Следовательно, это отношение может служить показателем действия взрыва
где (7.4)
r - радиус воронки взрыва, м;
h - линия наименьшего сопротивления (ЛНС), т.е. наименьшее расстояние от заряда до дневной поверхности, м.
Заряд, в результате взрыва которого образуется воронка с радиусом r = h (при n = 1), называют зарядом нормального выброса. Объем такой воронки можно принять равным h3, а массу заряда выразить формулой
С = Kн×h3, где (7.5)
Kн - расчетный расход ВВ для образования воронки нормального выброса в данной породе, кг/м3.
Значение коэффициента Кн в расчете на аммонит 6ЖВ принимают по табл. 7.2. В случае применения других ВВ в расчеты величины заряда вводят коэффициент е, принимаемый по табл. 7.3.
При значениях n, отличных от единицы, формулы изменятся. По экспериментальным данным для расчета зарядов выброса при h < 25 м
C = Kнeh3(0,4+0,6n3); (7.6)
расстояние между зарядами
a = 0,5h(n+l); (7.7)
расстояние между рядами зарядов
b = 0,85a = 0,43h(n+l). (7.8)
По формуле (7.5) устанавливают необходимое число рядов взрывов для образования траншеи заданной ширины. Видимая глубина траншеи при взрывах на выброс, которые ведут при n = 2, в скальных породах примерно равна 0,9h и в нескальных 1,2h. При выбросе породы из траншеи примерно 0,2 выброшенного грунта располагается у ее кромок в полосе шириной 10h с обеих сторон траншеи. При взрывах на местности, имеющей уклон более 20°, вся порода ложится с низовой стороны траншеи. Количество ВВ в таком заряде
где (7.9)
α - угол отклонения ЛНС от вертикального расположения скважин или шпуров, град.
Ряды зарядов в этом случае смещаются от оси в сторону косогора так, чтобы створ воронки не выходил за проектное очертание низового откоса выемки.
Таблица 7.2
Расчетный удельный расход взрывчатого вещества (аммонит 6ЖВ)
|
Порода |
Группа (категория) грунтов и пород по классификации СНиП |
Коэффициент крепости пород по шкале проф. М.М. Протодьяконова |
Средняя плотность породы, кг/м3 |
Расчетный расход ВВ для зарядов, кг/м3 |
|
|
рыхления qр |
выброса qв |
||||
|
Песок |
1 |
|
1500 |
- |
1,6-1,8 |
|
Песок плотный или влажный |
I-II |
- |
1650 |
- |
1,2-1,3 |
|
Суглинок тяжелый |
II |
- |
1750 |
0,35-0,4 |
1,2-1,5 |
|
Глина ломовая |
III |
- |
1950 |
0,35-0,45 |
1,0-1,4 |
|
Лесс |
III-IV |
- |
1700 |
0,3-0,4 |
0,9-1,2 |
|
Мел, выщелоченный мергель |
IV-V |
0,8-1,0 |
1850 |
0,25-0,3 |
0,9-1,2 |
|
Гипс |
IV |
1,0-1,5 |
2250 |
0,35-0,45 |
1,1-1,5 |
|
Известняк-ракушечник |
V-VI |
1,5-2,0 |
2100 |
0,35-0,6 |
1,4-1,8 |
|
Опока, мергель |
IV-VI |
1,0-1,5 |
1900 |
0,3-0,4 |
1,0-1,3 |
|
Туфы трещиноватые, плотные, тяжелая пемза |
V |
1,5-2,0 |
1100 |
0,35-0,5 |
1,2-1,5 |
|
Конгломерат, брекчии на известковом и глинистом цементе |
IV-VI |
2,3-3,0 |
2200 |
0,35-0,45 |
1,1-1,4 |
|
Песчаник на глинистом цементе, сланец глинистый, слюдистый, серицитовый мергель |
VI-VII |
3,0-6,0 |
2200 |
0,4-0,5 |
1,2-1,61 |
|
Доломит, известняк, магнезит, песчаник на известковом цементе |
VII -VIII |
5,0-6,0 |
2700 |
0,4-0,5 |
1,2-1,8 |
|
Известняк, песчаник, мрамор |
VII-IX |
6,0-8,0 |
2800 |
0,45-0,7 |
1,2-2,11 |
|
Гранит, гранодиорит |
VII-X |
6-12 |
2800 |
0,5-0,7 |
1,7-2,11 |
|
Базальт, диабаз, андезит, габбро |
IX-XI |
6-18 |
3000 |
0,6-0,75 |
l,7-2,2 |
|
Кварцит |
X |
12-14 |
3000 |
0,5-0,6 |
1,6-1,9 |
|
Порфирит |
X |
16-20 |
2800 |
0,7-0,75 |
2,0-2,2 |
Таблица 7.3
Переводные коэффициенты е (kвв) для расчета эквивалентных зарядов ВВ по идеальной работе взрыва (эталон - аммонит 6ЖВ)
|
ВВ |
е (kвв) |
ВВ |
е (kвв) |
|
Гранитол-1 |
1,15 |
Аммонит 6ЖВ |
1,00 |
|
Гранитол-7А |
0,96 |
Граммонит 79/21 |
1,0 |
|
Карбатол ГЛ-10В |
0,79 |
Граммонал А-50 |
1,08 |
|
Гранулит С-6М |
1,11 |
Ифзанит Т-80 |
1,08 |
|
Скальный аммонит № 1 |
0,80 |
Ифзанит Т-60 |
1,10 |
|
Алюмотол |
0,83 |
Гранулотол* |
1,20 |
|
Гранулит АС-8 |
0,89 |
Ифзанит Т-20 |
1,20 |
|
Аммонал-200 |
0,90 |
Карбатол 15Т |
1,42 |
|
Детонит М |
0,82 |
Акватол Т-20 |
1,15 |
* На основании практических данных треста Союзвзрывпром при взрывании гранулотола на рыхление следует принимать е = 1,0.
Взрывание на сброс для образования полувыемок при α от 20 до 60° производят, как и на выброс, определяя С по формуле (7.9) и располагая заряды с учетом косогорности. Взрывание на рыхление, обеспечивающее нормальное дробление, ведут зарядами
C = 0,5Kнeh3 (7.10)
расстояние между ними
a = (0,8-1,2)h; (7.11)
расстояние между рядами зарядов
b = 0,85а. (7.12)
Если ЛНС отклонена от вертикали до 40-45º, значение коэффициента Кн в формуле (7.7) принимают по интерполяции от 0,5 при α = 0º до 0,2 при α = 45°. Расчет скважинных (удлиненных) зарядов производят также на основе объемного метода. Масса такого заряда
С = 1/3×Кн×е×h×а×Н, где (7.13)
h - линия наименьшего сопротивления (ЛНС), м;
а - расстояние между зарядами в ряду, м;
Н - высота забоя, то есть проектная высота взрываемого слоя, м.
Величина ЛНС может быть принята равной 32d - при взрывании легкодробимых пород; 25d - при взрывании среднедробимых и 20d - при взрывании труднодробимых пород (d - диаметр скважин). Эта величина может быть определена и по имеющимся расчетным формулам. Диаметр скважин назначают по табл. 7.4.
Таблица 7.4
|
Характеристика пород |
Диаметр скважин, мм, в зависимости от объема ковша экскаватора, м3 |
||
|
0,65-0,8 |
1,0-1,25 |
1,6 |
|
|
Легкодробимые |
150 |
150 |
200 |
|
Среднедробимые |
80 |
110 |
150 |
|
Труднодробимые |
80 |
110 |
110 |
Расстояние между скважинными зарядами
a = (l - 2)h. (7.14)
Для полного разрушения скальной породы до отметки основания взрываемого слоя скважины разбуривают ниже этой отметки. Величину перебура принимают
∆l = (l0¸15)d, (7.15)
тогда общая глубина скважины
l = Н + ∆l. (7.16)
Длину части скважины l3, занятой забоечным материалом, назначают
l3 = (20-25)d (7.17)
или
l3 = h; (7.18)
расстояние между рядами скважин
b = (0,85-l)h. (7.19)
Массу шпурового заряда С определяют по формуле (7.10).
Расстояние между рядами шпуров
b = 085h. (7.20)
Основы технологии производства земляных работ в скальных грунтах. Возведение земляного полотна автомобильных дорог в скальных грунтах включает устройство пешеходной тропы, обеспечение рабочего проезда и образование земляного полотна полного профиля.
Устройство пешеходной тропы, располагаемой по возможности ближе или непосредственно на трассе строящейся дороги, необходимо для осмотра мест проложения дороги перед принятием решения по организации работ, для размещения рабочих в местах сосредоточенных работ, предназначенных к выполнению в первую очередь. Тропа служит также для выноса и закрепления трассы строящейся дороги. Во многих случаях прокладка пешеходной тропы вблизи трассы строящейся дороги оказывается невозможной. В наиболее труднодоступные места пешеходную тропу прокладывают от пионерной дороги, проведенной обычно в обход таких мест. Иногда для прокладки тропы и обрушения нависающих неустойчивых камней рабочие работают подвязанные веревками, с использованием снаряжения скалолазов.
Обеспечение рабочего проезда необходимо на всем протяжении дороги или в крайнем случае на протяжении участка, работы на котором должны быть развернуты в текущем году. Пионерную (построечную) дорогу прокладывают по пойме реки с простейшей конструкцией проезжей части и водопропускных сооружений (рис. 7.4).

Рис. 7.4. Конструкция пионерной дороги над фильтрующей насыпью:
а - поперечный разрез; б - продольный разрез; 1 - гравийный материал; 2 - галька размером 70-120 мм; 3 - берма шириной 1 м; 4 - слой крупного валуна размером 200-500 мм; 5 - естественный гравелистый грунт
Наличие незатопляемых пойм в руслах рек позволяет решить задачу преодоления горной недоступности приведенным способом. Однако такие возможности встречаются нечасто. В других случаях рабочий проезд обеспечивают: а) за счет скальных работ по уширению пешеходной тропы, если дорога располагается в полувыемке (рис. 7.5, а); б) устройством сухой кладки из камня, если при проложении трассы дороги предусмотрена постройка подпорной стенки и кладка в настенном пространстве (рис. 7.5, б); в) комбинацией решений по пунктам а и б; г) выносом рабочего проезда на временные эстакады, полубалконы, балконы.

Рис. 7.5. Поперечные профили горных дорог:
а - в полу выемке; б - в полувыемке-полунасыпи; 1 - скальный козырек, подлежащий удалению; 2 - скальный массив; 3 - контрфорс, устраиваемый для обеспечения устойчивости нависающих частей скального массива; 4 - каменная кладка на цементном растворе или бутобетон; 5 - сухая кладка; 6 - слой бетона шириной 0,4 м; 7 - срезка грунта
Обеспечение рабочего проезда за счет скальных работ осуществляет специальная бригада подрывников с двумя бульдозерами. Трудные условия работы нередко требуют помощи второго бульдозера. Необходимость взаимной помощи увеличивается, когда оставлены негабариты, для сбрасывания которых под откос нужно усилие двух бульдозеров. Все эти особенности привели к практическому правилу - ставить на работу вместе или на малом удалении один от другого не менее двух бульдозеров, которые располагают на безопасном расстоянии от места ведения взрывных работ. При работе в скальных породах гусеницы бульдозера ограждают стальными щитками, привариваемыми по бокам рамы отвала.
Взрывные работы ведут методом взрыва скважинных зарядов или мелкошпуровым методом. Шпуры бурят мотоперфораторами, а скважины - с помощью буровых передвижных станков. Уширение пешеходной тропы взрывами мелкошпуровым методом с уборкой взорванной породы бульдозерами применяют из-за его простоты, минимального сейсмического действия, а главное из-за малой массы бурового оборудования, что обеспечивает большую маневренность и оперативность в работе в различных горных условиях. При устройстве полки рабочего проезда по этому способу проводят разбивочные работы с закреплением сетки шпуров, бурение, зарядку, взрывание и уборку взорванной породы.
Глубина шпуров составляет обычно 1,0-1,1 толщины взрываемого слоя, а при расположении взрываемого слоя на более мягкой породе уменьшается до 0,7-0,9 толщины слоя. Основной недостаток этого способа - большой объем бурения на единицу разрушаемой породы. Однако неоценимым его достоинством является сохранение устойчивости скальных пород. В связи с тем что способ короткозамедленного взрывания скважинных зарядов, являясь более производительным, обеспечивает достаточную устойчивость скальных пород, применение мелкошпурового взрывания ограничивается.
При обеспечении рабочего проезда сухой каменной кладкой показанные на рис. 7.5, б пунктиром острые скальные выступы, представляющие собой верхние выветрелые слои, обычно легко разрабатывать. Камень, получаемый в результате разборки скалы, используют для сухой кладки. Ее необходимо выложить так, чтобы в последующем она не мешала строить низовую подпорную стенку при сохранении движения по ней построечного транспорта. Под каменную стенку сухой кладки подрабатывают требуемое основание, а иногда заменяют грунтовую часть земляного полотна каменной выкладкой.
Обеспечение рабочего проезда по полубалконам, балконам и временным эстакадам осуществляют на наиболее сложных участках скальных обрывов и в местах преодоления глубоких скальных каньонов. Временные полубалконы устраивают простейших конструкций с использованием различных профилей металла, например двутавров. Балками перекрывают местные сужения в скальной полке, а проезжую часть устраивают деревянной. Участки трассы рабочего проезда, проходящие по полубалконам и балконам, обязательно ограждают тщательно закрепленными колесоотбойными бревнами, а также перилами.
Временные эстакады вместо мостов сооружают там, где строительство постоянных мостов требует неопределенного времени или задерживается по каким-либо другим причинам. В этих случаях строят временные, но нередко весьма высокие эстакады из подручного материала, имеющегося у строителей. Во всех случаях переходов через ручьи и водотоки, как правило, устраивают временные искусственные сооружения выше по течению тех мест, которые предназначены для постройки постоянного моста. Однако, если это возможно, постройку временных мостов исключают, а строят постоянные малые мосты или трубы. Для ускорения строительства полки рабочего проезда, постоянные мосты и трубы сооружают на половине ширины дороги.
Разработка скальных пород на всю ширину земляного полотна заключается в выполнении основных объемов скальных работ до 80 % и более. Технология этих работ определяется типом поперечного профиля; наличием и типом специальных сооружений; геологическими или гидрогеологическими условиями, определяющими степень устойчивости склона; технологией взрывных работ и возможностью дальнейшего использования взорванной породы; направлением перемещения породы - поперечным или продольным.
Основными типами поперечных профилей являются полувыемка и полувыемка-полунасыпь с преимущественным решением по удержанию полунасыпи низовыми подпорными стенками. Встречаются также выемки, чаще всего короткие, которые иногда по техническим условиям раскрываются, и насыпи.
Разработку полувыемок в скальных грунтах начинают с верхнего уступа проектного поперечника. Вначале пробивают полку рабочего проезда шириной 3,5 м. Такая ширина полки обеспечивает возможность прохода буровых машин для разбуривания скважин и машин для последующего подвоза и заряжения ВВ. Взрывы скважинных зарядов производят на рыхление или сброс скальной породы до уровня проектных отметок земляного полотна последовательно по уступам. Взрывные работы выполняют специализированные организации.
Скальные породы при мощности слоя до 3,0-3,5 м взрывают шпуровым методом, при большей мощности - скважинными зарядами. Эффективность буровзрывных работ повышается, а количество негабаритов становится меньше, если применять одновременно скважинные и шпуровые заряды, расположенные между скважинами.
После взрыва на сброс остается 10-12 % разрыхленной породы, которую убирают под откос поперечными проходами бульдозеров.
Взрывание скальной породы в выемках в случае достаточной устойчивости и экономической целесообразности производят оконтуренным взрывом на выброс. При этом существенно сокращают сроки работ. Грунт из выемки направляют в одну или две стороны, а общее количество породы, подлежащей уборке после взрыва, не превышает 15-20 % общего объема. По условиям безопасности работ при взрывах на рыхление экскаваторный забой не должен быть больше чем на 1-2 м максимальной высоты резания для данного экскаватора.
Разработку выемок и полувыемок глубиной более 6-8 м выполняют в несколько ярусов по высоте, включая и буровзрывные работы, так как взорванная порода может слежаться. Для повышения производительности работы экскаваторов и транспортных средств буровые работы ведут в две-три смены.
При комплектовании механизированных отрядов каждым двум экскаваторам придают один бульдозер, который заблаговременно готовит площадки для экскаваторов и подъезды для автомобилей. Каждые две бурильные машины обслуживает одна передвижная компрессорная станция. Встречающиеся во взорванной породе негабариты отодвигают в сторону экскаватором и укладывают вдоль откоса выемки и полувыемки. Негабариты при очередном взрыве взрывают шпуровым способом. Бульдозер, который после взрыва расчищает проезд для экскаваторов и автомобилей-самосвалов, перемешает к экскаватору породу от взорванных негабаритов.
При работе в скальных породах учитывают, что объемы разрабатываемого скального грунта меняются по протяжению дороги. Малые объемы работ выполняют, как правило, в верхних выветрелых слоях породы; значительные объемы приводят к необходимости разработки крепких слоев скалы. В связи с этим и с учетом наличия сложных специальных сооружений возникает частое чередование линейных и сосредоточенных работ, приводящее иногда к тому, что весь участок дороги, проходящий в скальных грунтах, относят к сосредоточенным работам.
Машины при работе в скальных грунтах развивают большие усилия, чем при разработке рыхлых грунтов. В связи с этим перемещение под откос взорванной скальной породы более успешно выполняют бульдозеры на тракторе или экскаваторы с вместимостью ковша более 1 м3.
Основным способом разработки скальных грунтов в настоящее время является взрывание. Однако взрывание имеет ряд отрицательных сторон. Поэтому в последнее время в России и за рубежом активно применяют способ рыхления горной породы тракторными одностойковыми рыхлителями. Таким образом, иногда непосредственно экскаваторами и ковшами активного действия можно разрабатывать сцементированные щебенистые массы, сланцы, мягкий известняк, мергель, сильно трещиноватые и сильно выветривающиеся прочные скальные породы. Для рыхлителей необходим гусеничный трактор мощностью 220-330 кВт и выше. Стоимость рыхления при этом снижается на 40-80 % по сравнению с взрывным способом. Важное значение для повышения производительности землеройных машин имеет наибольший размер куска породы. Механическое рыхление обеспечивает требуемое качество размельчения, однако этот способ не эффективен для экскаваторов из-за малой мощности разрыхленного слоя (0,2-0,8 м). Целесообразно в таких случаях разрыхленную скальную породу разрабатывать бульдозерами, мощными скреперами и погрузчиками в комплекте с бульдозерами и автомобилями-самосвалами (если необходима продольная возка).
Особенности контроля качества работ. Проект производства работ (ППР) по сооружению земляного полотна в горной местности устанавливает очередность и сроки выполнения работ, меры сохранения устойчивости, индивидуальные подробные технологические решения, составляемые по рабочим чертежам. Контроль качества включает прежде всего проверку обеспечения устойчивости земляного полотна в процессе строительства и безопасность ведения работ, тщательность соблюдения технорабочего проекта и ППР, обеспеченность всех технологических операций машинами, выполнение работ в установленной последовательности по местам работ, по местам расположения отвалов грунта и по времени выполнения работ. Все эти меры контроля направлены на сохранение устойчивости склонов, откосов, сооружений, то есть на обеспечение главного показателя качества строительства земляного полотна в горной местности.
Выемки на крутых косогорах и оползневых склонах, котлованы под подпорные стенки следует открывать только после проведения специальных защитных мероприятий и в установленной последовательности по фронту работ, по способам их выполнения (экскавация или взрывы, мощность взрывов и их последовательность и т.д.) и по местам отвалов грунта.
Верхняя часть насыпей (до 1 м по высоте) не должна содержать включений кусков крупнее 250 мм, в остальной части насыпи - не более 2/3 толщины уплотняемого слоя. Влажность суглинистого мелкозема при уплотнении крупнообломочных грунтов должна быть оптимальной, а при уплотнении легко-выветривающихся неводостойких крупнообломочных грунтов должна соответствовать тугопластичной консистенции. Эти грунты уплотняют в два этапа: сначала при помощи решетчатых катков, а затем тяжелых пневмоколесных катков при толщине слоев 0,3-0,4 м.
В мергелях, опоках, аргиллитах, алевролитах, сланцевых глинах и других неустойчивых грунтах верхняя часть насыпи высотой 1,0-1,2 м, а также слои по 0,15-0,20 м на откосах выполняют роль защитных по отношению ко всей насыпи.
Основным способом контроля является производственный текущий контроль таких показателей, как правильность размещения осевой линии в плане и профиле; правильность разбивки поперечных профилей, плотность естественного основания, однородность и плотность грунта в слоях насыпи, устойчивость отдельных скальных напластований (при необходимости).
Степень уплотнения крупнообломочных грунтов при содержании более 60 % крупных обломков считают достаточной, если осадка составляет 10-12 % для верхней части насыпи толщиной 1,0-1,2 м и 8-10 % для остальной ее части.
Комплексные противооползневые мероприятия. Принцип использования комплексных решений для борьбы с оползневыми явлениями на автомобильных дорогах является, как показала практика, единственно возможным для достижения положительного результата. Разработка проектных решений в виде комплекса противооползневых мероприятий основана на тщательном изучении результатов инженерно-геологических изысканий и данных оценки устойчивости склонов и откосов в рамках рассмотренных расчётных схем. Комплекс мероприятий проектируют и осуществляют с целью устранения или недопущения развития оползневых процессов и направлен он против основной причины и сопутствующих факторов, которые в той или иной степени влияют на развитие оползней в каждом конкретном случае. Комплекс включает следующие мероприятия: конструктивные, технологические и эксплуатационные.
К конструктивным относятся решения по регулированию подземного и поверхностного стока (дренажи, водоотводные канавы), укреплению склонов и откосов; удерживающие противооползневые сооружения в виде подпорных стенок, буронабивных или забивных свай, анкерных затяжек, контрфорсов, контрбанкетов, армогрунтовых композиций.
Технологические мероприятия включают общую и частные технологии, последовательность их использования и оснащение необходимой техникой.
Эксплуатационные мероприятия включают профилактические и ремонтные работы для обеспечения нормального функционирования участка автомобильной дороги в пределах оползневого склона и прежде всего дренажных и водоотводных сооружений, а также удерживающих конструкций.
Базой создания комплекса противооползневых мероприятий являются инженерные конструкции различного назначения. Вариантное проектирование комплекса осуществляют с учётом следующих требований: вариант должен быть экономичным и не вызывать сомнений в возможности реализации предлагаемых конструктивных решений имеющимися у строительной организации технологическим оборудованием и материалами; производство работ по комплексу противооползневых мероприятий не должно сдерживать или влиять на общий темп строительства или реконструкции дороги. Комплекс противооползневых мероприятий должен обязательно учитывать региональные инженерно-геологические условия строительства и выбранный принцип проектирования, то есть характер расположения земляного полотна на инженерно-геологических элементах рельефа. Наконец, в комплексе проектных решений необходимо предусматривать также и временные мероприятия для обеспечения безопасного ведения земляных работ и предотвращения возникновения оползневых деформаций во время строительства. Каждый вариант комплекса противооползневых мероприятий с учётом рассмотренных соображений должен включать общий принцип борьбы с оползневыми явлениями на конкретном участке проектируемой дороги и частные решения в соответствии с конкретными условиями строительства и региональными инженерно-геологическими особенностями территории.
Если подобные условия в сочетании с инженерно-геологическими особенностями многократно повторяются по всей трассе, целесообразно разрабатывать комплекс из типовых решений для данных условий, привязка которых осуществляется к каждой из индивидуальных конструкций земляного полотна в пределах сферы его взаимодействия с геологической средой.
Когда встречаются специфические условия по сравнению с типичными, например, проложение трассы по активному оползневому склону, возникает необходимость разработки индивидуального для данного участка комплекса противооползневых мероприятий, который может существенно отличаться от применённых ранее решений на данной дороге по номенклатуре конструкций, их мощности, стадийности и технологии их осуществления.
В зависимости от характера строительства (новая дорога, реконструкция существующей, ликвидация последствий оползневых явлений на эксплуатируемых дорогах) в комплексе противооползневых мероприятий должны быть учтены особенности, которые помимо инженерно-геологических условий диктуются технологическими возможностями осуществления и задачами охраны и зашиты окружающей среды.
Практика показала, что при разработке и назначении комплекса противооползневых мероприятий встречаются два различных принципиальных подхода. Первый из них характерен и целесообразен, как правило, для таких условий, когда по экономическим или административным соображениям трасса дороги прокладывается по кратчайшему расстоянию, резко сечёт рельеф (лобовое сечение). Конструкции земляного полотна приходится располагать в глубоких выемках или высоких насыпях. Комплекс мероприятий в таких случаях, как правило, не содержит удерживающих конструкций, а предусматривает системные решения по регулированию поверхностного и подземного стока, назначение рациональной, но устойчивой конфигурации откосов насыпей и выемок, специальные конструкции по регулированию активной зоны в поверхностных слоях откосов, защиту их от эрозии.
Второй подход в наибольшей степени соответствует условиям проложения трассы по склонам. В этом случае практически невозможно обойтись без использования удерживающих конструкций различного назначения в сочетании с регулированием подземного и поверхностного стока, планировочными работами на склонах, зашитой от выветривания, эрозии и абразии.
В рамках каждого из рассмотренных подходов к выбору и назначению комплекса противооползневых мероприятий необходима разработка нескольких конкурентно-способных вариантов с целью обоснования оптимального решения, удовлетворяющего всем требованиям, предъявляемым к комплексу, в том числе региональным особенностям и условиям проложения трассы автомобильной дороги. При этом ни в коей степени недопустим автоматический перенос таких решений из одного региона на другой.
Кроме того, при проектировании комплекса противооползневых мероприятий необходимо учитывать не только степень сложности инженерно-геологических условий, но и степень их изученности, что во многих случаях имеет определяющее значение для использования некоторых видов противооползневых конструкций. Так например, отдельные типы дренажных конструкций в качестве единственных и основных решений целесообразны только при хорошо изученных гидрогеологических условиях и при наличии выдержанных уровней подземных вод, иначе эффективность дренажей может быть значительно ниже ожидаемой, что снизит противооползневый эффект всего комплекса.
Особые требования предъявляются к комплексу противооползневых мероприятий, когда он должен быть реализован на эксплуатируемых дорогах для ликвидации последствий оползневых процессов. Сложность осуществления комплекса таких мероприятий связана с аварийной ситуацией, поэтому предлагаемые решения должны быть абсолютно надёжны, технологически осуществимы в сжатые сроки, безопасны с точки зрения строительно-монтажных работ при эксплуатации аварийного участка. Номенклатуру конструкций такого противооползневого комплекса следует назначать также на основе результатов анализа причин возникновения оползней на данном участке дороги и не повторять допущенных ранее просчётов и ошибок, приведших к аварийной ситуации.
В ряде случаев, например, в горных районах, когда автомобильная дорога проходит по единственно возможному направлению и по инженерно-геологическим условиям, возможно возникновение крупномасштабных оползней и даже обвалов с объёмами в 1 млн. м3 борьба с которыми известными методами практически малоэффективна, а иногда и просто невозможна, комплекс мероприятий должен иметь совершенно иную направленность. Здесь необходимо разрабатывать систему организационно-технических и эксплуатационных мероприятий по предупреждению и предотвращению катастрофических последствий. В комплексе таких мероприятий, в частности, должно быть предусмотрено:
заблаговременное определение протяжённости распространения и поражённости оползнями и обвалами участков дороги (в том числе и в период строительства), а также сферы её взаимодействия с прилегающими площадями, на которых запрещаются строительно-монтажные работы по расширению или реконструкции трассы;
надёжная сигнализация и оповещение по всем участкам дороги, попадающим в опасную зону.
Методы сигнализации предназначены в таких случаях для предупреждения о начале оползневых подвижек или возрастания опасности оползневых процессов. Наряду с их положительными качествами они имеют ряд существенных недостатков. Методы сигнализации нередко ослабляют бдительность, а иногда ведут к сокращению количества необходимых и реальных мероприятий в комплексе. В некоторых случаях они являются достаточно экономичными, но поскольку не решают задач обеспечения устойчивости, могут рассматриваться лишь как вспомогательные решения.
Рассматриваемый комплекс мероприятий для указанных экстремальных условий должен включать принципы восстановления разрушенных оползнями участков дороги и прилегающих территорий, а также план организации по аварийным и другим неотложным работам по мобилизации людских ресурсов, техники, материалов. В определённых условиях, когда давно эксплуатируемая автомобильная дорога подвергается систематическим разрушениям в результате активизации оползней и в то же время реконструкция и противооползневые мероприятия являются чрезвычайно сложным решением, необходимо осуществлять регулярные профилактические мероприятия, которые требуют соответствующей службы эксплуатации, профессиональных знаний, качественного исполнения работ, строительного и эксплуатационного контроля.
Строительство удерживающих противооползневых конструкций. К противооползневым удерживающим конструкциям относятся свайные конструкции (свайные железобетонные столбы, буронабивные сваи, объединенные железобетонным ростверком), массивные подпорные стенки (монолитные железобетонные, сборные), анкерные крепления, армогрунтовые сооружения. Строительство противооползневых удерживающих сооружений начинается с подготовительных и разбивочных работ, которые выносят на местность геометрические параметры запроектированных конструкций.
В период подготовительных работ устраивают построечный водоотвод. Характер основных работ зависит от устройства конкретных сооружений. При строительстве подпорных стенок сначала устраивают грунтовое основание или ростверк из буронабивных (забивных) свай. Саму подпорную стенку выполняют либо из монолитного армированного бетона, либо из сборных блоков с последующим их омоноличиванием.
Использование свайных противооползневых конструкций в дорожном строительстве требует высокой индустриализации. Так, для устройства монолитных железобетонных столбов применяют метод шахтной проходки с креплением свай. Забивные сваи устраивают по известной технологии. Наибольший интерес представляет технология устройства противооползневых буронабивных свай.
На рис. 7.6 и 7.7 представлены схемы свайных конструкций и план строительной площадки, где приведены все основные технологические операции по устройству буронабивных свай. Технология строительства буронабивных свай заключается в следующем.

Рис. 7.6. Обеспечение устойчивости земляного полотна в средней (а) и верхней (б) частях оползневого склона с помощью противооползневых конструкций и буронабивных свай:
1 - ростверк; 2 - низовая подпорная стенка; 3 - анкерные сваи; 4 - дренирующая отсыпка; 5 - оползневый грунт; 6 - верховая подпорная стенка; 7 - буронабивные сваи; 8 - глубокий совершенный дренаж; 9 - застенный дренаж; 10 - коренные породы

Рис. 7.7. План строительной площадки:
1 - армокаркасы; 2 - скважины; 3 - буровая установка; 4 - автомобиль-самосвал; 5 - бадья для бетонной смеси; 6 - кран; 7 - склады обсадных труб; 8 - временный объезд; 9 - временное ограждение; 10 - армокаркас в скважине; 11 - слой щебня толщиной 10 см
До начала работ площадку выравнивают для работы крана и буровых станков. Поперечный уклон площадки не должен превышать 20 ‰. Для облегчения проезда строительной техники на площадке отсыпают слой щебня толщиной 10-15 см. Минимальная ширина площадки, обеспечивающая нормальную работу машин и механизмов, составляет 12 м. При необходимости устраивается временный водоотвод.
Основной операцией является бурение свай, а применяющиеся при этом механизмы можно разделить на две группы: станки вращательного бурения и станки ударного бурения. Первая группа станков применяется в основном в относительно мягких грунтах, не имеющих скальных включений. В остальных случаях предпочтение отдается станкам ударного бурения.
К отечественным станкам вращательного бурения относятся: УРБ-3АМ (диаметр скважины 600 мм, глубина бурения до 30 м); УГБХ-150 (диаметр скважины 800 мм, глубина бурения до 16 м); СО-1200 (диаметр скважины до 1000-1200 мм, глубина бурения до 22 м), работает на базе крана; МПС-1,7, МПС-1,2, МПУ-1,7 и другие станки, применяемые в мостостроении, помимо оснастки для вращательного бурения имеют оснастку для ударно-канатного бурения.
Отечественные станки ударно-канатного бурения помимо указанных выше представлены агрегатами УКС-10, УКС-30, УКС-30М, БУ-10-2М, БС-1М, позволяющими погружать сваи диаметром 450-1200 мм, глубиной до 30 м.
Бурение ведется долотом с опережением установки обсадных труб, которые вводятся в уже готовую скважину. Очередность бурения скважин на оползневых склонах зависит от их активности. Если смешение оползня не превышает 1-2 см/сут, бурение скважин целесообразно начинать на устойчивых участках. Временный разрыв между концом бурения и началом бетонирования не должен превышать 16 ч во избежание обрушения стенок скважин. Обсадные трубы при бурении на активных оползнях, как правило, не извлекают из скважин, и бетонирование осуществляют вместе с ними.
Арматурные каркасы для буронабивных свай доставляют на стройплощадку отдельными секциями длиной 8 м, где и производится их монтажная сборка.
Сваи бетонируют литым бетоном марки 250 через бетонолитные трубы методом восходящего потока (ВПТ). Для защиты бетона от вымывания грунтовыми водами бетонирование свай ведется в чехлах из полиэтиленовой пленки, надеваемой на арматурные каркасы до погружения их в скважины. В тех случаях, когда отсутствуют грунтовые воды, бетонирование осуществляют методом свободного сброса бетонной смеси. Процесс бетонирования методом ВПТ после установки в скважину арматурного каркаса включает: первоначальное заполнение бетонолитной трубы бетонной смесью; непрерывную укладку бетонной смеси; освобождение бетонолитной трубы от смеси после окончания бетонирования. Максимальная скорость движения смеси в трубе не должна превышать 120 мм/с, а перерыв в бетонировании должен быть не больше времени начала схватывания смеси. Прекращение подачи бетона в скважину осуществляется только после полного вытеснения из нее шлама, воды, слабого бетона.
Головную часть сваи бетонируют в инвентарном кондукторе, превышая при этом на 30 см проектную отметку. В процессе строительства буроналивных свай ведется тщательный контроль за бурением скважин, изготовлением и установкой арматурных каркасов, приготовлением бетонной смеси и т.д.
Для сооружения подпорных стенок неглубокого залегания на естественном основании, а также стенок на свайном фундаменте устраивается котлован в виде сплошной продольной выемки. Ширина котлована определяется шириной подошвы сборной конструкции в плане, а для монолитных стенок должен быть обеспечен некоторый запас, необходимый для установки подмостей и опалубки.
Следует отметить, что длина котлована должна быть ограничена по длине небольшими захватками (до 10 м), что позволит избежать подрезки оползневых склонов. Для монтажа подпорных стенок из сборного железобетона используют самоходные стреловые краны на пневмоколесном и гусеничном ходу, а также экскаваторы, снабженные сменным крановым оборудованием. Монтаж стенок небольшой массы (до 5 т) может быть произведен автопогрузчиками. При строительстве монолитных подпорных стенок применяют для подачи бетона краны с бадьями или ленточные транспортеры.
Обратная засыпка котлована за подпорной стенкой производится бульдозером с тщательным уплотнением. Уплотнение производят трамбовками, катками или вибраторами. Выемка грунта из котлована производится механизированным способом, и только зачистку котлована и устройство небольших выемок в стесненных местах производят вручную. Для разработки грунта применяют одноковшовые экскаваторы с прямой или обратной лопатой, драглайны и гидромониторы. При наличии слабых грунтов в основании подпорные стенки возводят на свайном фундаменте.
Перспективным типом укрепления является анкерная конструкция (рис. 7.8). Технология устройства анкерных конструкций включает подготовку строительной площадки, бурение скважин, включая ее уширение для заделки нижнего анкера, установку анкерной тяги, инъецирование раствора в уширенную для заделки анкера нижнюю часть скважины, устройство железобетонной плиты и верхнего анкера, натягивание анкерной тяги. Бурение скважины осуществляют буровыми станками любого типа, обеспечивающими заданный угол наклона скважин и необходимый для производства работ диаметр скважины.
Буровые станки подразделяются на три группы: станки вращательного (шнекового) бурения, станки вращательного (шарошечного) бурения, станки пневмоударного действия. Все эти станки имеют глубину бурения в зависимости от их марки 18-50 м, производительность 10-40 м/смену.
К станкам вращательного (шнекового) бурения относятся: станки на гусеничном ходу СВБ-2, СБР-160 с диаметром скважины 150 и 160-200 мм, с максимальной глубиной бурения до 25 м; ВС-110/25 с диаметром скважины 10 мм и глубиной бурения до 25 м. К станкам вращательного (шарошечного) бурения относятся станки П-20, БТС-2, СБШ-250 с диаметром скважин 230-250 мм и глубиной бурения 18-20 м.
Станки пневмоударного бурения - это станки на гусеничном ходу НСБ-2, СБУ-200 с диаметром скважин от 100-200 мм и глубиной 18-36 м, переносные БНК-4.
Изготовление анкерных тяг предусматривает обрезку арматуры и сборку ее в отдельные пряди, а также установку на конце анкерной тяги нижнего анкера. Сразу после окончания работ по бурению скважины и устройству уширения (если грунты, расположенные ниже поверхности скольжения, не обладают достаточной прочностью), в скважины вводят анкерную тягу. После ее установки нижнюю часть скважин до поверхности скольжения заполняют цементопесчаным раствором путем использования передвижных цементационных установок или способом свободной заливки раствора (для нисходящих скважин диаметром не менее 150 мм и длиной до 20 м). Наиболее перспективными для дорожного строительства являются цементационные установки на базе автомобиля ЦА-150 с растворонасосом Е-11-250, ЦА-151 с насосом НЦП-2, ЦА-1/150 с растворонасосом 1T и т.д.

Рис. 7.8. Конструкция анкерной затяжки:
1 - анкерная плита; 2 - распределительная плита; 3 - верхний анкер; 4 - высокопрочная проволока; 5 - опалубка; 6 - цементнопесчаный раствор; 7 - щебеночная подушка; 8 - поверхность грунта; 9 - битум; 10 - скважина; 11 -резиновый или полихлорвиниловый шланг; 12 - направляющие; 13 - поверхность скольжения; 14 - инъекционный раствор; 15 - нижний анкер; 16 - направляющий конус
Натяжение анкерных тяг производится с помощью натяжного оборудования и в соответствии с Техническими указаниями по изготовлению предварительно напряженных элементов железобетонных мостов со стержневой напрягаемой арматурой. Для закрепления анкерной тяги в анкерной плите разрешается использовать любые типы анкеров, обеспечивающих передачу на анкерную плиту требуемого усилия предварительного напряжения арматуры анкерных тяг. Для напряжения используют домкраты Дорнии Главстроймеханизации грузоподъемностью 30, 60, 90, 125 т, домкраты ЦНИИСа грузоподъемностью 60, 90 т.
Конструкции из армогрунта - сравнительно новый тип противооползневых сооружений, однако они нашли уже достаточно широкое применение в транспортном строительстве во Франции, Германии, Японии, Англии. Армированный грунт создается путем конструктивного и технологического объединения грунтовых слоев и арматуры в виде металлических полос, расположенных горизонтально, способных выдержать по сравнению с грунтом растягивающие усилия. Схема конструкции армогрунта приведена на рис. 7.9. Вместо металлических полос можно использовать слои из геотекстиля, жестких полиэтиленовых сеток и т. п.
Конструкция из армогрунта возводится путем последовательных этапов, в каждый из которых входят монтаж элементов наружной оболочки, засыпка грунта с его уплотнением и укладка полос арматуры. Общая технологическая схема по устройству армогрунтовых конструкций включает последовательно следующие технологические операции: подготовка основания, укладка арматуры, установка первого ряда внешних облицовочных панелей и их монтаж; транспортирование, разравнивание и уплотнение нижнего слоя грунта засыпки с последующей планировкой.
Основные механизмы: бульдозеры и автогрейдеры для планировки, автомобили-самосвалы для транспортирования грунта, пневмоколесные и вибрационные катки для укатки.
Монтаж внешних железобетонных элементов осуществляют при помощи самоходного кранового оборудования, желательно с гидравлическим приводом и складывающейся стрелой. Элементы подаются при помощи специальной траверсы. При этом кран перемещается по спланированной засыпке. После монтажа соответствующего ряда осуществляют тщательную планировку, укладку арматурных элементов и прикрепление их к внешним панелям. Устойчивость при засыпке грунтом первых рядов металлической оболочки или первого ряда шпунтованных бетонных плит обеспечивается временными подпорками, которые удаляют после засыпки нижнего слоя. Далее блокируют стыки наружных оболочек, чтобы создать вертикальную поверхность. Арматура закрепляется перпендикулярно к наружной поверхности высокопрочными болтами и укладывается плашмя.

Рис. 7.9. Конструктивные элементы армогрунта: 1 - стержневая арматура; 2 - полосовая арматура; 3 - грунт
Для предотвращения смещения лицевых панелей в процессе укатки не следует снимать временных креплений облицовочных элементов, при этом не рекомендуется допускать проход тяжелых катков ближе 1 м от стенки. При уплотнении армированного грунта необходимо придерживаться следующих правил: при расстоянии до наружной стенки 12 м уплотнение производят четырьмя проходами вибрационного катка с нагрузкой на виброгенератор 250-350 МПа или восемью проходами пневмоколесного катка с нагрузкой на колесо 40-60 кН. При расстоянии до наружной стенки 1,5-2 м уплотнение производят шестью проходами вибрационного катка с нагрузкой на виброгенератор 150-250 МПа и общим весом на вибрирующую плиту менее 20 кН или тремя проходами виброплиты весом 1-3 кН.
Способ гидромеханизации земляных работ основан на размыве грунта водой, перемещении его в виде взвешенных частиц при определенной скорости течения, укладке в необходимом месте путем снижения скорости течения настолько, что частицы грунта начинают оседать. Гидромеханизацию применяют при наличии определенных условий: достаточные объемы воды вблизи объектов работ и благоприятные грунтовые условия - легкоразмываемые и быстроосушаемые песчаные или супесчаные грунты. Стоимость земляных работ по способу гидромеханизации может быть значительно меньше, чем при применении бульдозеров, скреперов или экскаваторов, а выработка на одного рабочего намного больше, чем при ведении земляных работ этими машинами. Однако ее целесообразно применять лишь на крупных объектах земляных работ (годовой объем больше 100 тыс. м3) в связи с применением специального оборудования, которое не может быть использовано на других видах работ [97].
Эффективность гидромеханизации в значительно большей степени, чем экскаваторных работ, зависит от геологических (грунтовых) и климатических условий. Так, увеличение содержания гравия в песке с 5 до 40 % снижает эффективность экскаваторных работ не более чем на 5 %, а гидромеханизированных - вдвое. Экономическая эффективность гидромеханизации определяется также наличием в районе производства работ дешевой электроэнергии, расход которой составляет 5-10 кВт·ч на 1 м3. Гидромеханизация может быть эффективна в случаях, когда нет притрассовых карьеров для сухой отсыпки земляного полотна. С помощью гидромеханизации грунт может быть получен в реках или других водоемах и уложен в виде резервов для последующего транспортирования его другими средствами.
Для сооружения земляного полотна автомобильных дорог по способу гидромеханизации применяют песчаные (гравелистые, крупные, средней крупности и мелкие пески) и глинистые грунты (легкие, тяжелые и пылеватые супеси). Лучшими считают песчаные грунты всех видов, при этом чем они крупнее, тем эффективнее применение гидромеханизации.
Производство земляных работ с помощью гидромеханизации подразделяют на три группы:
разработка грунта в карьерах напорной струей воды из гидромонитора (рис. 8.1);
разработка грунта под водой плавучим землесосным снарядом с применением механических или гидравлических рыхлителей (рис. 8.2);
разработка грунта сухим способом экскаваторами, а транспортирование - в виде гидросмеси с помощью передвижных землесосных установок.

Рис. 8.1. Схема производства гидромониторных работ:
1 - гидромониторная установка, 2 - задвижка с дистанционным управлением; 3 - водоводы; 4 - кабель дистанционного управления; 5 - приямок; 6 - гидроэлеватор; 7 - трубы напорного водовода; 8 - всасывающие трубы землесоса; 9 - всасывающая линия с пульповодом и водоводом, расположенными на понтонах; 10 - землесосная установка; 11 - пульт дистанционного управления

Рис. 8.2. Землесосный снаряд:
а - разрез; б - план; 1 - стрела подъема рамы рыхлителя; 2 - будка; 3 - надстройка; 4 - понтоны для плавучего трубопровода; 5 - папильонажные сваи; 6 - рамы рыхлительных устройств; 7- фреза-рыхлитель; 8 - откос; 9 - папильонажные тросы
Гидромониторную разработку грунта применяют в сухих карьерах или выемках с отметками на уровне или выше горизонта воды и водоисточника. В некоторых случаях для разработки верхней, необводненной части выемки применяют гидромониторы, для нижней, обводненной - плавучие землесосные снаряды. Разработку карьера гидромонитором производят двумя способами: с перемещением его по верху забоя и по подошве забоя (рис. 8.3).

Рис. 8.3. Схема установки гидромонитора: а - перемещение по верху забоя; б - перемещение по подошве забоя
Грунт, обрушенный гидромониторной струей и превращенный в гидросмесь, движется от основания забоя к приямку. Гидросмесь может двигаться самотеком при достаточной разности отметок между карьером и местом укладки грунта или под напором по трубопроводам с помощью землесосной установки.
При гидромониторном способе разработки грунта решающее значение имеет интенсивность размыва, которую определяют количеством воды, расходуемой на 1 м3 разрабатываемого грунта. Интенсивность размыва зависит от характера месторождения, связности и крупности частиц и зерен разрабатываемого грунта, высоты забоя, давления у насадки гидромонитора, расхода воды через насадку в единицу времени. Расход воды зависит от напора, размеров и характеристики насадки:
где (8.1)
μ - коэффициент расхода, равный 0,92-0,96;
ω - площадь поперечного сечения насадки, м2;
g - ускорение силы тяжести, м/с2;
Н - напор перед насадкой, м.
Для размыва и транспортирования крупных и среднезернистых грунтов расход воды составляет примерно 4-6 м3 воды на 1 м3 грунта при давлении 0,3-0,4 МПа. Чем ближе к забою расположен гидромонитор, тем эффективнее его работа, однако по условиям безопасности минимальное расстояние допускается 1,2 h (h - высота забоя).
Землесосные установки применяют для разработки грунта под водой или для подачи в напорный трубопровод гидросмеси, полученной от размыва грунта гидромониторами.
Глубина подводных забоев достигает 15 м. Плавучий землесосный снаряд, поворачиваясь веерообразно в плане при помощи лебедок и тросов попеременно на одной из папильонажных свай, засасывает грунт с водой и перекачивает образовавшуюся гидросмесь к берегу по трубопроводу, смонтированному на плавающих понтонах. Производительность гидромониторов и землесосов:
(8.2)
П = Qгр×t×К, где (8.3)
Qгр - производительность по грунту, м3/ч;
Q - производительность по воде, м3/ч;
q - удельный расход воды, м3/м3 (в среднем 4-6);
П - производительность по грунту, м3/смену;
t - продолжительность смены, ч;
К - коэффициент использования времени (в среднем 0,85).
Разработку грунта при помощи гидромониторов производят преимущественно встречными забоями. В забое устанавливают два гидромонитора: один разрабатывает грунт, а другой в это время перемещается на новую позицию. Расстояние между гидромониторами должно быть равно половине ширины забоя (примерно 10-15 м). Шаг передвижения гидромониторов составляет в среднем 6 м. Разработку выемок начинают с той стороны, с которой можно обеспечить свободный сток гидросмеси.
Гидросмесь, полученную при разработке грунта гидромониторами, можно транспортировать самотеком по канавам или лоткам непосредственно к месту укладки грунта, если местный рельеф позволяет обеспечить необходимые уклон и скорость течения, при которой не будет происходить оседание частиц грунта.
Минимальный уклон для песчаных грунтов - 35-100 ‰, для супесчаных - 30-50 ‰.
При неблагоприятных условиях рельефа и разработке грунта со дна водоемов гидросмесь подают по трубопроводу под напором, который рассчитан исходя из обеспечения минимально необходимой критической скорости течения. Критической скоростью течения гидросмеси в трубопроводе называется такая, которая обеспечивает взвешенное состояние всех частиц грунта в движущемся по трубе потоке.
Значение критической скорости находится в прямой зависимости от крупности и плотности транспортируемых частиц грунта. Для обеспечения необходимой скорости землесос и насосная перекачивающая станция должны создавать соответствующий напор. Считают, что напор, развиваемый землесосным снарядом, должен на 5 % превышать все потери напора в трубопроводах.
Насыпи автомобильной дороги намывают участками протяженностью 100-300 м, называемыми картами намыва. Карту намыва образуют путем устройства вала из грунта по контуру намываемого основания насыпи. Обвалование производят бульдозером вначале из грунта естественного основания насыпи, а затем с поверхности намыва очередного слоя. Технологический процесс намывных работ состоит из трех операций: подвод гидросмеси к карте намыва; выпуск гидросмеси на карту; отвод воды с карты намыва. Намыв насыпей производят эстакадным, низкоопорным или безэстакадным способами (рис. 8.4, 8.5,8.6).
В транспортном строительстве применяют в основном безэстакадный способ. Осветленную воду отводят с карт намыва самотеком в сбросные колодцы, откачивают насосами или используют принцип сифона. Отработанная вода покидает земляное полотно также путем фильтрации через основание насыпи и откосы. Это явление часто вызывает деформацию откосов. Практика показывает, что деформация зависит от водопроницаемости грунта, из которого намывают насыпи, от консистенции гидросмеси, подаваемой на карту намыва, и интенсивности ведения работ.

Рис. 8.4. Схема намыва насыпи при эстакадном способе:
1 - лоток; 2 - грунтовые валики; 3 - намытый грунт; 4 - отводные устройства; 5 - колодец; 6 - гидросмесь

Рис. 8.5. Схема организации работ при низкоопорном способе намыва с рассредоточенным выпуском гидросмеси:
1 - валики обвалования; 2 - распределительные трубы; 3 - проектная линяя откоса; 4 - низкие опоры

Рис. 8.6. Схема организации работ при двустороннем безэстакадном намыве насыпи:
1 - плавучий трубопровод; 2 - землесосный снаряд; 3 - устройство для подключения плавучего трубопровода к береговому; 4 - береговой трубопровод; 5 - переключатель; 6 - распределительный трубопровод; 7 - боковые призмы; 8 - ядро насыпи; 9 - отстойник; 10 - кран; 11 - движение гидросмеси; 12 - водосбросные трубы; 13 - водосбросный колодец; 14 - трубы для наращивания; 15 - бульдозер
При намыве насыпи из крупнозернистых песков, которые более водопроницаемы, чем мелкозернистые, происходит большая фильтрация через откосы, что вызывает и большее их оплывание. Подача на карту намыва чистой воды или гидросмеси пониженной консистенции способствует этому явлению.
Деформацию откосов объясняют также высокими темпами намыва по высоте. В связи с этим ежесуточный темп намыва по высоте более чем на 40 см запрещен. При намыве узкопрофильных сооружений, к которым относят насыпи автомобильных дорог, стремятся создать возможно больший фронт работ. На каждый землесосный снаряд имеют не менее трех карт намыва, из которых одна находится под намывом, на другой в это время выполняют обвалование, а третья является резервной на случай отсутствия по тем или иным причинам возможности продолжать намыв на основных картах.
Намыв насыпей целесообразно начинать от краев карты. Для этого пульпу следует направлять к краям. Глубину отстойного прудка на карте намыва регулируют шандорами колодца. Водоотводные колодцы располагают в центре карт. Для отвода воды из колодцев устраивают штольни с уклоном дна не менее 50 ‰ в низовую сторону. Штольню и колодец устраивают из водонепроницаемых материалов. На намытых участках насыпи водоотводные колодцы разбирают на глубину 1 м от верха насыпи, а оставляемые в теле насыпи нижние части колодцев замывают дренирующим грунтом.
Насыпи намывают с запасом на осадку, равным 0,75 % высоты насыпи при намыве из песчаных и 1,5 % при намыве из смешанных грунтов. Недомыв насыпей по ширине не допускают, поэтому их сооружают несколько шире проектной ширины (на 0,2-0,4 м в каждую сторону). Излишек грунта, намытый за пределы проектного очертания, снимают бульдозером или экскаватором для досыпки верхней части или перемещают бульдозером на соседние намывные участки насыпей. Элементы деревянных эстакад, поддерживающих трубы и лотки, по мере роста насыпи разбирают (за исключением стоек, которые оставляют в теле сооружения). Верхнюю часть стоек и раскосов эстакад после окончания намыва насыпи откапывают и срезают на глубину не менее 1 м от проектной отметки намываемого сооружения. Стойки инвентарных эстакад извлекают полностью из тела сооружения.
В последние годы при строительстве дорог в Западной Сибири на сильно заболоченных территориях, а также на Севере широкое распространение получила технология земляных работ с применением гидромеханизации, предусматривающая предварительную заготовку гидронамывного грунта в штабель с последующей разработкой его экскаваторами или погрузчиками и транспортированием автомобилями к месту укладки в насыпь. В этом случае намыв в штабель осуществляют в летнее время.
Расстояние от места разработки грунта до штабеля может измеряться несколькими километрами благодаря применению перекачки пульпы. Песчаный грунт, намытый в штабель, достаточно быстро отдает гравитационную воду и осушается, благодаря чему зимой он находится в сухо-мерзлом (сыпучем) состоянии. Это дает возможность вести отсыпку земляного полотна из такого грунта в зимнее время, что очень важно для рассматриваемых районов, характеризующихся длинными и суровыми зимами.
Проект на переход дороги через болото и другие участки слабых грунтов должен содержать наряду с конструктивными решениями земляного полотна технологические решения, обеспечивающие в своём комплексе устойчивость (исключение выдавливания слабого слоя), стабильность (отсутствие существенных осадок в период эксплуатации, жёсткость (ограничение упругих колебаний).
К слабым относятся основания, в которых в пределах активной зоны имеются слои слабых грунтов мощностью не менее 0,5 м. Мощность активной зоны принимается ориентировочно равной ширине насыпи понизу. В случае если слои слабых грунтов располагаются на глубинах, больших ширины насыпи понизу, а также при насыпях более 12 м высотой, мощность активной зоны устанавливается расчётом. К слабым относятся также связные грунты, имеющие прочность на сдвиг в условиях природного залегания менее 0,075 МПа (при испытании прибором вращательного среза) или модуль осадки которых более 50 мм/м при нагрузке 0,25 МПа (модуль деформации ниже 5,0 МПа). При отсутствии данных испытаний к слабым грунтам относят торф и заторфованные грунты, илы, сапропели, глинистые грунты с коэффициентом консистенции свыше 0,5, иольдиевые глины, грунты мокрых солончаков.
К насыпям на слабых основаниях предъявляются следующие требования: боковое выдавливание слабого грунта в основании насыпи в период эксплуатации должно быть исключено; интенсивная часть осадки основания должна завершиться до устройства покрытия (исключение допускается при применении сборных покрытий в условиях двухстадийного строительства); упругие колебания насыпей на торфяных основаниях при движении транспортных средств не должны превышать величины, допустимой для данного типа дорожной одежды.
Прогноз устойчивости и осадки основания насыпи, а также её упругих колебаний следует осуществлять на основе расчётов. Для насыпей на слабых основаниях крутизна откосов назначается на основе расчётов устойчивости или проверяется расчётом возможность применения типового поперечного профиля.
За завершение интенсивной части осадки допускается принимать время достижения 90 %-ной консолидации основания или интенсивности осадки не более 2 см/год при дорожных одеждах капитального типа и 80 %-ной консолидации или интенсивности осадки не более 5 см/год при дорожных одеждах облегчённого типа. При этом допустимую интенсивность осадки разрешается уточнять на основе опыта эксплуатации в тех или иных природных условиях.
Частным, но весьма распространённым видом слабых оснований являются болота. Различают 3 типа болот:
1 тип - заполненные болотными грунтами, прочность которых в природном состоянии обеспечивает возможность возведения насыпи высотой до 3 м без возникновения процесса бокового выдавливания слабого грунта;
2 тип - содержащие в пределах болотной толщи хотя бы один слой, который может выдавливаться при некоторой интенсивности возведения земляного полотна насыпей до 3 м, но не выдавливается при меньшей интенсивности её возведения;
3 тип - содержащие в пределах болотной толщи хотя бы один слой, который при возведении насыпи высотой до 3 м выдавливается независимо от интенсивности её возведения.
Конструкции земляного полотна на слабых основаниях назначают на основе технико-экономического обоснования и сравнения вариантов, предусматривающих частичное или полное удаление слабых грунтов, или их использование в качестве основания насыпи с разработкой конструктивных и технологических мероприятий по обеспечению устойчивости, снижению общей величины осадки, ускорению сроков её завершения, исключению упругих колебаний. В зависимости от директивных сроков устройства монолитных слоев дорожной одежды при использовании слабых грунтов в качестве основания насыпей рекомендуются безосадочные конструкции земляного полотна с использованием свайных элементов.
Конструкция земляного полотна на слабых основаниях, её выбор зависит от типа слабого основания, наличия вида грунта и его мощности, относимых к слабым, высоты насыпи, типа дорожной одежды, сроков её устройства.
При глубине (мощности) слабых оснований, в том числе состоящих из болотных грунтов, до 6 м и высоте насыпей до 3 м конструкцию земляного полотна допускается разрабатывать на основе привязки типовых решений к конкретным условиям. При наличии болот - с учётом их типа.
В случаях когда расчётами устойчивости и осадки (или иными обстоятельствами) обосновывается необходимость полного или частичного удаления слабых грунтов перед сооружением насыпи, нижнюю часть насыпи ниже уровня дневной поверхности слабого основания на 0,2-0,5 м следует предусматривать из дренирующих или крупнообломочных грунтов. Применение других грунтов должно быть обосновано расчётами.
Частичное удаление слабых грунтов основания с заменой их дренирующими включает также конструктивные решения с использованием дренажных прорезей. Их глубина, ширина и расстояние между ними в плане устанавливается расчётами устойчивости и осадки.
При сооружении насыпей с использованием в их основании слабых грунтов в целях повышения устойчивости, ускорения осадки и снижения влияния динамической нагрузки предусматриваются следующие конструктивно-технологические мероприятия:
сооружение насыпи на слабом основании с расчётным режимом отсыпки, обеспечивающим устойчивость конструкции в процессе строительства и эксплуатации;
применение разделительных прослоек из геосинтетических материалов для исключения перемешивания отсыпаемых грунтов и грунтов слабого основания;
применение армоэлементов из тканых геосинтетических материалов для обеспечения устойчивости;
устройство временной пригрузки для ускорения процесса консолидации грунтов слабого основания;
вертикальные дрены из песка, специальные (объёмные) геосинтетические материалы с целью ускорения осадки слабого основания;
использование свайных элементов из песка, щебня, цементогрунта, железобетона (забивные сваи) с ростверком из геосинтетических решетчатых или тканых материалов с целью создания устойчивых или безосадочных конструкций.
Состав и порядок выполнения мероприятий устанавливаются проектом на основе соответствующих расчётов.
Проход машин по болоту, выторфовывание, устройство траншей, прорезей, водоотводных канав допускается в зимнее время после образования мёрзлой коры достаточной несущей способности.
Для обеспечения безопасной работы экскаваторов и бульдозеров толщина промёрзшего слоя торфа должна быть не менее величин, приведенных в табл. 9.1.
Таблица 9.1
|
Параметр |
Значение параметра |
|||
|
Масса машины, т |
10 |
15 |
25 |
40 |
|
Торф I типа, см |
20 |
24 |
30 |
45 |
|
Торф II типа, см |
24 |
35 |
48 |
60 |
|
Болотные грунты III типа, лёд, см |
31 |
40 |
50 |
65 |
Примечание. Приведённые толщины даны для температуры £ 10°С. При температуре близкой к 0°С требуемую толщину следует увеличить в 1,3 раза.
Промерзание ускоряется примерно в 2 раза при систематической очистке поверхности грунта от снега. Для обеспечения безопасности при пионерной проходке машин по болоту в зимнее время необходимо проводить измерение толщины мёрзлого слоя не менее чем в 3 местах по оси каждой сменной захватки работы бульдозера на расчистке или иных видах работ, а также в местах понижения рельефа или изменения растительности.
При замене слабых грунтов требования к расчистке полосы отвода устанавливаются с учётом метода их замены и типов машин. Проектом должно быть предусмотрено место отвала вынутого грунта и способ его вывозки (при невозможности устройства боковых кавальеров).
При использовании слабых грунтов в качестве основания дерновой слой на торфяном болоте и других типах слабого основания целесообразно не удалять. Допускается при толщине насыпного слоя 1,5 м и более оставлять пни, срезанные на уровне поверхности земли, а также срезанное мелколесье и порубочные остатки с укладкой стволов преимущественно поперёк оси дороги.
При использовании в основании насыпи слабых грунтов, а также при наличии уклонов дна болота в процессе строительства должны быть установлены постоянные наблюдения за смещениями насыпи по высоте и в плане, которые могут быть вызваны дополнительными нагрузками, динамическими воздействиями транспорта, многолетним оттаиванием мерзлотных образований и другими труднопрогнозируемыми причинами.
В случае нарушения устойчивости основания или недопустимых отклонений от расчётной осадки следует вносить соответствующие изменения в предусмотренные проектом конструктивные параметры и технологические схемы. В период эксплуатации дороги наблюдения за деформациями земляного полотна организуются и оплачиваются заказчиком отдельно.
Замена слабого грунта в основании насыпи может осуществляться механическим способом, то есть экскавацией и транспортировкой слабого грунта либо взрывным. В первом случае работы по замене (удалению слабого грунта) осуществляют двумя отрядами: один удаляет слабый грунт, второй - выполняет собственно замену и последующее сооружение насыпи до проектной отметки.
В зависимости от ширины, глубины замены слабых грунтов и от рабочих параметров экскаватора слабый грунт удаляют по одной из следующих схем: «на себя», одной или двумя продольными захватками; поперечными траншеями; «от себя», с работой экскаватора с насыпи.
При организации работ по первой схеме экскаватор, двигаясь вдоль оси траншеи, разрабатывает её профиль «на себя» и укладывает грунт в два отвала по обе стороны траншеи либо наполовину сечения с укладкой торфа в один отвал. Схема обеспечивает наибольшую производительность разработки благодаря небольшим углам поворота стрелы экскаватора. Эта схема применяется в случаях отсутствия вдоль насыпи водоотводных канав. При наличии водоотводных канав экскаватор движется вдоль бровки, разрабатывая траншею на полный профиль или до оси с поворотом стрелы на 180° и укладкой грунта в один отвал. По этой схеме одновременно с разработкой траншеи возможно устройство водоотводной канавы. Обе схемы позволяют разрабатывать траншеи шириной до 12 м (по верхнему сечению) при использовании драглайна с длиной стрелы не менее 13 м.
Широкие траншеи глубиной более 4 м разрабатываются поперечными проходами. Размер захватки в этом случае равен половине ширины траншеи. Данная схема более целесообразна при вывозке слабого грунта автотранспортом.
На слабых грунтах с низкой несущей способностью, а также при устройстве широких и глубоких траншей с большим объёмом замены сооружение земляного полотна ведётся по схеме «от себя». Экскаватор перемещается по отсыпаемой насыпи. Слабый грунт можно транспортировать в специальные отвалы автомобилями-самосвалами, занятыми на возведении насыпи. Сооружение насыпи ведётся путём надвижки грунта бульдозером в открытую поперечную траншею.
Траншеи глубиной до 1 м на осушенных болотах I типа с подстилающим слоем из плотных грунтов при ширине основания насыпи 12 м и более целесообразно разрабатывать бульдозером. Уклон откосов траншей не должен превышать 1:3,5.
Технологический процесс включает разработку траншеи, перемещение торфа в кавальер и разравнивание его слоем толщиной до 0,5 м. Для производства работ следует применять бульдозеры на уширенных гусеницах, оборудованные отвалами с открылками.
Выторфовывание ведётся поперечными проходками от одной бровки до другой: торф перемещается за пределы водоотводных канав, которые устраивают сразу после выторфовывания. Устройство траншеи «в задел», как правило, не допускается. Выторфовывание не должно опережать отсыпку нижней части насыпи более, чем на 1-2 сменные захватки.
Подготовка основания взрывным способом может применяться для отсыпки насыпей на болотах всех типов в следующих случаях:
разработка «на выброс» траншей на болотах I типа при выторфовывании до минерального дна;
удаление торфа из-под отсыпанной ранее насыпи;
рыхление дерново-корневого покрова;
устройство канав-торфоприёмников на болотах I и II типов при посадке насыпи на дно болота;
разрыхление сплавины на болотах III типа.
Рационально применение взрывного способа при работах в зимнее время на пнистых и обводнённых болотах, на болотах с мощным и прочным дерново-корневым покровом. Разработка взрывами на выброс с обводнённых болот в летнее время неэффективна.
При использовании в основании земляного полотна слабых грунтов в проекте должны быть приведены поперечные профили насыпи с учётом расчётной осадки для всех сечений с характерными гидрогеологическими условиями. Насыпь необходимо возводить сразу на полную проектную толщину (сумма рабочей отметки и расчётной величины осадки). Постепенная досыпка насыпи по мере её осадки замедляет процесс стабилизации земляного полотна. В случае если слабое основание не обладает необходимой устойчивостью, проектом предусматривается метод постепенного загружения.
При определении требуемого объёма грунта для устройства насыпи сечение погружаемой части Fпогр принимают в виде трапеции с высотой, равной расчётной величине осадки S, и меньшим основанием, равным ширине земляного полотна между бровками В:
Fпогр = S×B + S×(h-S)×m, м2, где (9.1)
m - крутизна откоса насыпи.
Прослойки из геосинтетических материалов (разделительные или армирующие) в основании или в нижней части земляного полотна укладывают на всю ширину насыпи, с выводом краёв полотнищ на 0,5-1,0 м за её границы или анкеровкой краёв в откосных частях путём заворачивания концов полотнищ длиной 1,5-2,0 м на заранее сформированные валики высотой 0,5-0,6 м из отсыпанного поверх геотекстиля слоя грунта или на края грунтового слоя. Полотнища материала следует стыковать внахлёст с перекрытием смежных полос на 0,5 м. Для пропуска строительных машин геотекстиль должен быть перекрыт слоем грунта насыпи толщиной не менее 0,6 м.
При наличии пней, кочек, углублений и других неровностей на поверхности основания перед укладкой геотекстиля отсыпают песчаный выравнивающий слой, толщина которого должна быть не менее возвышения неровностей.
Способы постепенного загружения и временной пригрузки. Способ постепенного загружения (предварительной консолидации) применяется при сооружении насыпей на болотах 1-го и 2-го типа в том случае, когда основание не может воспринимать без нарушения устойчивости нагрузку от всей насыпи. Отсыпку насыпи ведут в режиме, при котором каждая последующая ступень нагрузки прикладывается после соответствующего упрочнения грунта за счёт его уплотнения под предыдущей ступенью. Режим нагружения устанавливается индивидуальным проектом и соответствующими расчётами.
При отсыпке насыпи регистрируется фактическая осадка основания во времени. Осадку замеряют путём нивелирования наблюдательных марок, установленных по подошве насыпи. Марки представляют собой металлические штыри диаметром 5-10 мм, приваренные к опорной плите размером 30×30 см из листовой стали толщиной 3-5 мм. Отсыпку второго и последующих слоев начинают после достижения расчётной осадки основания от предыдущего слоя насыпи.
Для ускорения осадки плавающих насыпей на болотах 1-го и 2-го типа может быть применена временная пригрузка насыпи дополнительным слоем грунта. Толщина слоя временной пригрузки и время её выдерживания устанавливается расчётом в индивидуальном проекте. Обычно временную пригрузку назначают в пределах 2 м, время выдерживания - от одного месяца до одного года. После достижения расчётной осадки пригрузочный слой должен быть быстро снят. Грунт из пригрузочного слоя используют для насыпей, не требующих длительного выдерживания на других участках.
На протяжённых переходах через болота с однотипными условиями работы ведутся по схеме укрупнённого потока, при которой производительность отсыпки насыпи подбирают таким образом, чтобы пригрузочный слой находился на определённом участке насыпи расчётное время и постепенно перемещался вслед за фронтом отсыпки.
Осадку насыпи с временной пригрузкой контролируют по маркам. Если в процессе отсыпки временной пригрузки будут обнаружены признаки выпора или выдавливания торфа из-под насыпи, работы необходимо прекратить и возобновить их только после промерки устойчивости основания.
В районах со среднегодовой температурой воздуха ниже 0°С для дорог IV-V категорий и временных промышленных дорог на переходах через болота проектом может быть предусмотрено использование промороженного основания. При этом нижнюю часть насыпи толщиной, определённой расчётом, устраивают из малоразложившегося подсушенного в валах торфа. Торф для этой цели может быть получен из боковых резервов или специальных карьеров.
Работы по сооружению насыпи ведутся в зимний период после промерзания основания на величину, близкую к максимальной. В целях ускорения промерзания с полосы отвода заблаговременно удаляют мохорастительный покров и очищают поверхность от снега.
Устройство вертикальных дрен. Вертикальные дрены устраивают с целью облегчения отжатия поровой воды из сжимаемого слоя водонасыщенного слабого грунта. Вертикальные дрены сооружают в виде плоских дрен из геотекстильных и других ленточных дренирующих материалов или в виде скважин, заполненных песком или иным фильтрующим материалом. Аналогичный вид имеют песчаные сваи, применение которых обеспечивает устойчивость и локализует упругие колебания слабого грунта. Разновидностью вертикальных дрен являются продольные прорези, заполненные песком. Вертикальное дренирование целесообразно сочетать с методом временной пригрузки.
Дренажные прорези устраивают на слабых основаниях, в том числе и на болотах 1-го типа, глубиной до 4 м для ускорения осадки насыпей, повышения устойчивости основания и снижения упругих колебаний от временной нагрузки.
Дренажные прорези рекомендуется устраивать экскаватором, оборудованным в летнее время драглайном, а в зимнее время при глубине промерзания до 0,3 м - обратной лопатой или многоковшовым экскаватором. Экскаватор, работая на первой захватке, отрывает прорези на проектную глубину. В это время на второй захватке бульдозер заполняет отрытые траншеи песком из заранее подготовленного вала, а на первую захватку подвозят песок. Разработка прорезей одноковшовым экскаватором ведётся захватками по 8-10 м летом и 5-6 м зимой с одной стоянки. На другую стоянку экскаватор переходит под углом 45-60° к оси дороги. Торф или другие слабые грунты размещают и разравнивают бульдозером с уширенным отвалом с открылками.
Для разработки дренажных прорезей целесообразны многоковшовые экскаваторы болотной модификации с удлинённым транспортёром. В этом случае величина рабочей захватки назначается в зависимости от консистенции торфа и погодных условий и в увязке с темпом отсыпки насыпи.
Вертикальные дрены и песчаные сваи располагают по треугольной, шахматной или квадратной сетке с шагом ленточных дрен 1-2 м, песчаных дрен 2-4 м и свай 1-2 м. Для заполнения вертикальных песчаных дрен применяют песок с коэффициентом фильтрации согласно проекту или гравийно-песчаную смесь с размером частиц до 60 мм. Нижнюю часть насыпи (рабочую платформу) отсыпают из дренирующего грунта с коэффициентом фильтрации более 3 м/сут.
Песчаные сваи устраивают из песков, пригодных для отсыпки насыпи без дополнительных ограничений. В случае если песчаные сваи предполагается использовать и как дрены, требования к материалу для их заполнения такие же, как и при устройстве вертикальных дрен. Осушающий и уплотняющий эффект дрен и свай повышается при введении в состав заполнения негашёной извести.
Диаметр вертикальных песчаных дрен и песчаных свай в зависимости от оборудования и длины может быть в пределах 300-600 мм, минимальное поперечное сечение ленточных дрен 4×100 м.
Перед устройством вертикальных дрен и песчаных свай на поверхности болота производят отсыпку рабочей платформы из песка. Толщина её в зависимости от несущей способности грунта основания и веса применяемых механизмов 0,5-1,0 м. Толщина рабочей платформы может быть снижена в 1,5 раза при укладке под неё геотекстильной прослойки на всю ширину подошвы насыпи. Для прокола прослойки нижний конец обсадной трубы снабжают штыковым устройством.
Ширина рабочей платформы должна превышать ширину свайного поля не менее чем на 2,5 м. Работы по устройству рабочей платформы выполняются по технологическим схемам, принятым при сооружении насыпей на болотах.
Поверхность рабочей платформы планируют, после чего намечают центры скважин с закреплением осей поперечных рядов. На спланированную рабочую платформу автомобилями-самосвалами завозят песок для заполнения скважин.
При сооружении песчаных свай предпочтение отдаётся методам, предусматривающим вдавливание обсадной трубы с уплотнением массива слабого грунта, а при устройстве вертикальных дрен более предпочтительны методы, позволяющие создать вертикальный песчаный столб без уплотнения грунта вокруг дрен, то есть путём выбуривания.
Для вертикальных дрен и песчаных свай применяются специализированная машина для вибропогружения типа ВВПС или кран с вибропогружателем, дополнительно укомплектованным рабочим органом в виде полой обсадной трубы с самораскрывающимся наконечником. Эффективность устройства свай-дрен возрастает при использовании методов гидроподмыва.
Технологический процесс устройства свай и дрен состоит из следующих операций: погружение обсадной трубы, заполнение её песком, виброизвлечение трубы и уплотнение песка в свае. Сваи устраивают при движении агрегата по челночной схеме продольными рядами по 20-30 штук, после чего агрегат разворачивается и делает следующий ряд, двигаясь в обратном направлении.
Обсадную трубу погружают в слабый грунт с помощью вибрации, безвибрационным задавливанием (в грунтах, размораживающихся под действием вибрации) или комбинированным способом. Для прохождения рабочей платформы и прослоек плотного грунта целесообразно использовать отдельную машину типа ямобура. Достигшую заданной глубины обсадную трубу заполняют песком с помощью погрузчика, оборудованного двухчелюстным ковшом.
Извлекают обсадную трубу при выключенном вибраторе. В продолжение первых 10 сек скорость извлечения не должна превышать 0,1 м/сек при максимальной интенсивности вибрации. Если песок свободно истекает из трубы, дальнейшее извлечение ведут со скоростью до 0,2 м/сек, снижая интенсивность вибрации. По окончании извлечения трубы агрегат переезжает на новую точку.
Комплект машин по устройству песчаных свай и дрен состоит из вибропогружателя, электростанции, буровой машины, лёгкого бульдозера-погрузчика.
Технологический процесс устройства ленточных дрен из геотекстильных материалов включает заправку дрены в обсадную трубу, погружение обсадной трубы в грунт, извлечение её, обрезку дрены на высоте 20-25 см от поверхности грунта и переезд установки на новое место погружения дрен. Для погружения плоских дрен используют то же оборудование, что и для песчаных дрен, дополнительно снабжённое катушкой с рулоном ленты геотекстиля.
Устройство свай из цементогрунта, щебня, монолитного бетона включает следующие технологические операции: подготовку поверхности основания (без удаления растительного грунта), разбивочные работы, отсыпку рабочей платформы из песка (в случае необходимости), бурение скважин заданного диаметра и глубины, заполнение скважин строительными смесями, их уплотнение. Сваи устраивают заподлицо с поверхностью рабочей платформы или с небольшим превышением над ней. Забивные железобетонные сваи забивают при помощи стандартного оборудования до отказа. Над забивными сваями устраивают наголовники проектной конфигурации из бетона. Поверх голов свай (или наголовников) отсыпают выравнивающий слой песка не более 0,2 м с последующим устройством гибкого ростверка из геосинтетических сеток. Поверх ростверка осуществляют послойную отсыпку земляного полотна.
Общая устойчивость. При предварительном назначении конструкции откосов крутизна их должна быть не более 1:1,75 для откосов насыпей и 1:2 для откосов выемок.
Расстояние между ярусами (полками) при наличии в их пределах глинистых грунтов не должно превышать 7 м для выемок и 10 м для насыпей. Конструктивные размеры полок выемок (ширина по верху) или контрбанкетов насыпей должны быть не менее 4,5-5,0 м.
Крутизна контрбанкетов насыпей, а также нижних ярусов выемок должна быть, как правило, меньше крутизны откосов верхних частей насыпей и ярусов выемок, по крайней мере, на один порядок. В случае глубоких выемок в слоистых толщах, представленных глинистыми грунтами, полки ярусов необходимо размещать, руководствуясь следующими правилами:
при наличии двухслойной толщи глинистых грунтов примерно одинаковой мощности, но различной прочности откос выемки делят на ярусы в пределах первого слоя, если Spw1 > Spw2, и на границе слоев, если Spw2 > Spw1 (Spw - сопротивляемость грунта сдвигу);
при наличии многослойной толщи различной мощности и различной прочности откос выемки делят на ярусы с учётом более слабых слоев (по их прочности-сопротивляемости сдвигу), мощности и наклона слоев к горизонту.
В тех случаях, когда на откос выемки выходит водоносный горизонт с постоянным дебитом и значительного простирания (по длине выемки), необходимо устраивать перехватывающий траншейный дренаж. Если низ водоносного горизонта расположен при этом на глубине более 3 м от верха откоса или одного из ярусов, перехватывающий дренаж должен быть запроектирован на специальной конструктивной полке, которую следует располагать от верха откоса или ближайшего яруса на глубине не более 3 м. В тех случаях, когда водоносный горизонт расположен на глубине, совпадающей с разбивкой откоса на ярусы, дренаж рекомендуется располагать на полке соответствующего яруса.
Траншейный дренаж располагают таким образом, чтобы максимальное расстояние от капиллярной каймы кривой депрессии до свободной поверхности откоса или полки было не меньше расчётной глубины промерзания для данного района. В противном случае необходимо предусматривать меры по уменьшению глубины промерзания откоса.
Учитывая трещиноватость глин дочетвертичного, четвертичного возраста и в покровных отложениях в природном залегании, необходимо обеспечивать водонепроницаемость основания под дренажными трубами, устраивая экран из битумогрунта или перемятой глины.
Местная устойчивость. Крутизну откосов, назначенную на основе оценки местной устойчивости, принимают после рассмотрения вариантов по уменьшению крутизны, определённой ранее на основе оценки обшей устойчивости, и вариантов, связанных с применением специальных конструкций, обеспечивающих местную устойчивость при данной крутизне, с учётом технико-экономического обоснования.
Обеспечение местной устойчивости откосов, сложенных глинистыми грунтами, связано с применением специальных конструкций в комплексе с последующим укреплением их поверхности и регулированием водного режима. К числу таких специальных конструкций относятся: защитные слои, решетчатые конструкции, поперечные дренирующие устройства, конструкции укрепления откосов, регулирования поверхностного стока.
Поскольку глины дочетвертичного возраста при воздействии на них погодно-климатических факторов (попеременного промерзания и оттаивания, набухания и увлажнения) изменяют свою прочность в поверхностных слоях до значений, близких к нулю, необходимо в этих случаях прикрывать такие грунты в откосах защитными слоями из материалов, устойчивых к погодно-климатическим воздействиям.
Толщину защитного слоя назначают с таким расчётом, чтобы глинистый грунт в откосе был защищен от промерзания в зимнее время и высушивания до влажности на пределе усадки в летнее. Для исключения потери прочности в результате промерзания-оттаивания, а также образования усадочных трещин при высушивании толщина защитного слоя должна быть не менее 0,6-0,8 м. В качестве материалов для защитных слоев могут быть использованы местные морозостойкие неусадочные грунты.
Конструкция защитного слоя может включать погребённый под защитным слоем экран из вязкого битума, устроенный на тщательно спланированной и уплотнённой поверхности откоса. Средняя минимальная толщина такого экрана составляет 6-8 мм (из расчёта 7 кг битума на 1 м2). Экран не пропускает через грунт защитного слоя атмосферные осадки и воды снеготаяния в откосную зону. При этом толщина защитного слоя может быть уменьшена на 0,5 м.
При назначении конструкции защитного слоя для откоса выемки необходимо учитывать, что пласты глин дочетвертичного возраста отличаются значительной трещиноватостью в природном залегании, часто включают маломощные прослойки песка, не являющиеся абсолютным водоупорным слоем. Поэтому при расположении над слоем таких глин водоносного горизонта необходимо внутреннюю часть защитного слоя устраивать в виде дренирующего слоя, применяя дренирующие грунты с коэффициентом фильтрации не менее 1 м/сут. Толщину дренирующего слоя назначают в зависимости от расчётного дебита воды. При капельном дебите (что часто имеет место) толщину дренирующей части защитного слоя принимают 0,2-0,3 м.
Дренирующий слой на откосе устраивают таким образом, чтобы вода, поступающая из глинистого пласта, могла проникать в песчаные слои, подстилающий глинистый пласт. В тех случаях, когда вода через глинистый пласт поступает в виде ключей, необходимо предусмотреть каптаж. При значительном дебите воды, фильтрующейся через глинистый пласт на откосе, защитный слой можно совмещать с откосным присыпным дренажом.
Присыпной откосный дренаж целесообразно размещать таким образом, чтобы его нижняя часть была расположена на полке. При этом должна быть обеспечена водонепроницаемость основания под дренажными трубами путём устройства экранов из перемятой глины, грунта, обработанного вяжущими или из вязкого битума. Толщина конструкции откосного дренажа должна быть не менее 0,8 м.
Для обеспечения устойчивости поверхностных слоев высоких откосов насыпей и выемок (с учётом возможного снижения прочности глинистых грунтов) можно использовать решетчатые конструкции из сборных железобетонных элементов или геосинтетики. Решетчатые конструкции применяют в качестве несущих для предотвращения деформаций, приводящих к сплывам и оплывинам; в качестве защитных - для поверхностного укрепления.
Поперечные дренирующие устройства применяются для осушения откосов выемок, сложенных трещиноватыми глинистыми грунтами, переслаивающимися песчаными водоносными прослойками малой мощности и прерывистого простирания. Такие устройства целесообразно устраивать в неглубоких выемках (до 6-8 м) и предусматривать дренажные выпуски непосредственно в водоотводные канавы (кюветы).
Горизонтальные дренажные скважины, обсаженные трубофильтрами из керамзитобетона и других материалов с высокой пористостью, располагают у подошвы откоса или у подошвы его отдельных частей (ярусов). Дренажные скважины снимают избыточный напор в грунте, осушают грунт в радиусе своего влияния, создавая призму упора в основании откоса, отводят свободную воду в период оттаивания грунта с повышенной водопроницаемостью. Целесообразно применять дренажные скважины с внешним диаметром 100 мм.
При глубине выемки до 4 м скважины располагают в один ряд на высоте 0,5 м от основания откоса. Расстояние между скважинами в ряду определяют по формуле
Lp1 = a+b×f, где (9.2)
f - интенсивность пучения, доли единицы;
a, b - коэффициенты, зависящие от вида грунта (табл. 9.2).
Таблица 9.2
|
Грунт |
а |
b |
|
Супеси |
1,0 |
2 |
|
Суглинки |
0,8 |
4 |
|
Глины |
0,6 |
6 |
При глубине выемки более 4 м скважины располагают в два ряда. Расстояние между скважинами во втором ряду увеличивают: Lp2 = 1,8 Lpl.
Регулирование поверхностного стока обеспечивают конструктивными мероприятиями, с помощью которых ограничивают проникание жидких атмосферных осадков, а также снеготаяния в откосную часть земляного полотна.
Для регулирования поверхностного стока глубоких выемок и высоких насыпей (при их делении на отдельные ярусы) необходимо при наличии глинистых грунтов на поверхности полки каждого яруса предусматривать водонепроницаемый слой, например, из грунта, обработанного битумом или битумной эмульсией. Если полка устроена в глинистом грунте дочетвертичного возраста, на её поверхности предварительно устраивают защитный слой. Водонепроницаемый слой необходимо также укладывать на поверхности выше- и нижележащих откосных частей по 0,5 м с каждой стороны.
Сток поверхностных вод с поверхности полки осуществляют лотками треугольного, полукруглого или трапецеидального сечения, располагая их в средней части полок (по ширине). При этом следует предусмотреть дальнейший отвод или устройство поперечных водосбросных лотков.
Для исключения скопления на полках талых вод (при возможном заиливании водоотводных лотков) полкам придают поперечный уклон 3-4 % в низовую сторону. Если глубокие выемки располагают на косогорах, устраивают нагорные канавы со сбросом воды в пониженные места. Для предотвращения попадания в кюветы выемок грунта, смываемого с откосов талыми водами и атмосферными осадками, предусматриваются закюветные полки шириной не менее 3,5 м.
Для исключения чрезмерного впитывания воды через обочины насыпей необходимо предусмотреть их водонепроницаемое укрепление. Кроме того, для отвода воды, стекающей с проезжей части покрытия, а также с обочины устраиваются прикромочные лотки. Уклон обочинам следует придавать в сторону прикромочного лотка.
Конструкция прикромочных лотков должна исключать возможность отхода лотка от кромки проезжей части, для чего лоток к плите покрытия прикрепляют с помощью выпусков арматуры. Швы между прикреплёнными лотками и плитой проезжей части заливаются битумной мастикой.
Для исключения просадок прикромочных лотков под ними устраивают надёжное основание. С этой целью ширину слоев основания дорожной одежды увеличивают на ширину краевых полос с лотками.
Сброс воды из прикромочных лотков насыпей осуществляют равномерно по всей длине насыпи, не создавая отдельных очагов концентрированного сброса. Для этой цели применяют сборные водосбросные лотки телескопического типа. Сечение лотков и расстояние между ними в плане обосновывают гидрологическими расчётами. При расположении водосбросного лотка на полке яруса (или на контрбанкете) необходимо предусмотреть устройство водобойных колодцев.
В тех случаях, когда контрбанкет устроен из глинистых грунтов, ширину которого назначают из условия обеспечения обшей устойчивости насыпи, поверхность контрбанкетов укрепляют водонепроницаемым слоем (например, грунтом, обработанным битумом) на ширину не более 6 м в пределах полосы, прилегающей к вышележащему откосу. Остальная часть поверхности контрбанкета должна быть прикрыта слоем морозостойкого неусадочного грунта и тщательно спланирована с уклоном в сторону низового откоса. Сверху следует уложить слой растительного грунта и предусмотреть посадку кустарника или деревьев.
При назначении конструкции водоотводных лотков, размещаемых на полках, а также прикромочных и сбросных лотков необходимо предусмотреть меры, исключающие проникание воды из лотка в подстилающий грунт. Для этого сечение лотка во всех случаях должно быть обосновано расчётом, а сама конструкция лотка и его основание исключали бы утечку воды.
Для предотвращения оплывания откосов кюветов, водоотводных и нагорных канав и для обеспечения нормальной работы необходимо предусмотреть их водонепроницаемое укрепление на всём протяжении, даже при малых продольных уклонах. В качестве материала для укрепления водоотводных канав рекомендуется применять сборные железобетонные плитки, монолитный цементобетон, грунт, обработанный вяжущими.
Технологические мероприятия. Выемки всегда разрабатывают при заранее обеспеченном регулярном отводе поверхностных и грунтовых вод. Для этой цели необходимо устраивать временный водоотвод при разработке каждого яруса.
При разработке глубоких выемок целесообразно использовать комбинированные схемы производства работ, например, сначала скреперным отрядом до первого водоносного горизонта, далее экскаватором с автотранспортированием грунта и его укладкой в земляное полотно соседних насыпей. Все работы по устройству дренажей выполняют непосредственно в процессе разработки выемок в едином комплексе. При этом часть выемки, расположенная ниже верха траншейного дренажа, разрабатывается только после устройства последнего.
Устройство защитных слоев и укрепление откосов выполняют после разработки выемки (или её яруса), чтобы не допускать высушивания глинистых грунтов, а также чрезмерного увлажнения их атмосферными водами. Защитный слой укладывают после разработки выемки и планировки откоса. Защитный слой на полке устраивают после окончания работ по сооружению дренажа.
Выемки необходимо разрабатывать «с недобором». Последующую срезку грунта и планировку откосов осуществляют экскаватором-драглайном или бульдозером.
Все работы по сооружению выемок в сложных инженерно-геологических условиях необходимо проводить, как правило, в летний период при минимальном дебите грунтовых вод, При этом во всех случаях до наступления осеннего периода должен быть выполнен в полном объёме комплекс мероприятий по обеспечению местной устойчивости.
В осенне-весенний периоды допускают разработку верхних частей выемки до горизонта, расположенного не менее чем на 2 м выше уровня грунтовых вод первого (с верха) водоносного горизонта. При этом по ширине выемку разрабатывают «с недобором» не менее 2 м с каждой стороны.
Если по тем или иным причинам незаконченную выемку оставляют на зиму, требуется предусмотреть мероприятия по её содержанию в период снеготаяния (прочистку временного водоотвода, уборку снега и т. п.). До начала зимы дно выемки должно быть тщательно спланировано и устроен временный водоотвод.
При сооружении высоких насыпей уплотнение откосной части земляного полотна обеспечивается до плотности не менее 0,95 от максимальной при стандартном уплотнении. Для этого земляное полотно насыпи отсыпают слоями не более 0,3 м (в плотном теле) и уплотняют катками на пневматических шинах типа ЗУ-25, а оставшийся на откосе недоуплотнённый слой (около 0,5 м) уплотняют дополнительно, например, с помощью трамбующей плиты или вальца катка на экскаваторе-драглайне.
Если по тем или иным причинам нет возможности доуплотнить откосную часть, насыпь отсыпают на большую ширину (примерно по 0,5 м в каждую сторону) с последующей срезкой бульдозером или экскаватором-драглайном. При этом срезанный грунт укладывают либо на поверхность ниже- или вышележащей полки с последующим уплотнением, либо загружают в самосвалы и перемещают в насыпь на соседнем участке.
Контрбанкеты сооружают одновременно с возведением земляного полотна насыпи. При этом к плотности грунта в контрбанкетах предъявляются такие же требования, как и к соответствующим горизонтам насыпи.
Все работы по сооружению высоких насыпей из глинистых грунтов рекомендуется проводить в весенний и летний периоды. При этом укрепление откосов насыпей, а также поверхности откосов контрбанкетов должно быть закончено до наступления осенне-зимнего периода.
Защитные слои на откосах насыпей из глинистых грунтов устраивают непосредственно в процессе возведения насыпи. Применяют два варианта схем производства работ:
защитный слой на откосе укладывают и уплотняют одновременно с отсыпкой и уплотнением слоев насыпи; оставшуюся в этом случае недоуплотнённую внешнюю часть защитного слоя (примерно 0,5 м) затем планируют и доуплотняют трамбованием;
насыпь из глинистого грунта отсыпают предварительно на высоту одного яруса, после чего откосную часть планируют и доуплотняют трамбованием, затем немедленно с помощью бульдозера на откос укладывают и разравнивают грунт защитного слоя, уплотняя последний трамбованием.
Защитный слой на поверхности полок (контрбанкетов) укладывают одновременно с устройством защитного слоя на вышележащей части откоса.
Во всех случаях при перерыве в производстве работ необходимо тщательно спланировать поверхность земляного полотна насыпи, придав ей поперечный уклон не менее 6-8 %. При длительном перерыве работ требуется предусмотреть устройство на поверхности насыпи слоя из дренирующих грунтов.
Укрепление поверхности откосов высоких насыпей (выше 12 м) и глубоких выемок (глубже 12 м) необходимо начинать немедленно после сооружения и окончательной отделки каждого яруса (уплотнения и планировки поверхности откосов). Если по тем или иным причинам недостроенная насыпь оставляется на зиму, предусматриваются мероприятия по её содержанию в период снеготаяния. Поверхность откосов планируют экскаватором-планировщиком Э-4010 при высоте ярусов (откосов) до 6 м или планировочной рамой на экскаваторе-драглайне при высоте более 6 м.
В тех случаях, когда крутизна откосов не более 1:2, планировочные работы целесообразно выполнять бульдозерами с гидравлическим управлением.
Устройство укрепления откосов с помощью решетчатой конструкции и заполнением ячеек растительным грунтом с посевом трав следует начинать с нанесения последнего на поверхность откосов. При этом сначала отсыпают слой растительного грунта толщиной не менее 10 см, который служит одновременно выравнивающим. Далее сеют траву агрегатом ЦНИИС, а затем на его поверхность укладывают сборные элементы, объединяя их в решетчатые конструкции, ячейки которых заполняют растительным грунтом заподлицо.
Растительный грунт транспортируют самосвалами и выгружают на обочину или верхнюю часть откоса. Распределяют растительный грунт равномерным слоем по всей поверхности откоса экскаватором-планировщиком Э-4010 при высоте яруса до 6 м или экскаватором-драглайном при высоте более 6 м. Растительный грунт на откосы с крутизной не более 1:2 рекомендуется наносить прицепными скреперами с ёмкостью ковша не более 6 м3.
Для окончательного распределения и планировки выравнивающего слоя растительного грунта целесообразно использовать бульдозер с универсальным отвалом и гидравлическим управлением. При использовании метода гидропосева травы засевают после окончания монтажа сборных элементов решетчатых конструкций.
Конструкция земляного полотна в районах подвижных песков должна обеспечивать условие минимума заносимости песком. При этом предусматриваются мероприятия по предохранению земляного полотна от выдувания и образования песчаных заносов на полосе шириной не менее 50-150 м с учётом рельефа местности, скорости и направления ветра, степени подвижности песков, зависящей от закрепления поверхности растительностью, зернового состава песка и других факторов.
При незаросшей и слабозаросшей поверхности песков земляное полотно устраивают преимущественно в виде насыпей высотой 0,5-0,6 м, возводимых из резервов глубиной до 0,2 м. В пределах равнин и межбарханных понижений должны быть предусмотрены:
планировка полосы шириной 15-40 м с каждой стороны полотна;
закрепление подвижных форм рельефа на ширину до 200 м за пределами полосы отвода.
Насыпи высотой более 1 м устраивают с использованием песка из выемок или карьеров, размещаемых с подветренной стороны на расстоянии не менее 50 м от дороги.
Выемки глубиной до 2 м разрабатывают раскрытыми с откосами не круче 1:10. При необходимости устройства водоотвода в выемке она должна быть разделана под насыпь с откосами не круче 1:4. Выемки глубиной более 2 м разделываются под насыпи высотой 0,3-0,4 м. При этом расстояние между подошвами внутреннего и внешнего откосов необходимо принимать равным 10-20 м в зависимости от силы и направления ветра и состава песка.
На участках с полузаросшей и заросшей поверхностью необходимо обеспечивать максимальное сохранение растительности и естественного рельефа прилегающей местности. С этой целью насыпи проектируются минимальной высоты, без резервов. Выемки следует проектировать минимальной ширины с откосами 1:2. При необходимости получить из выемки требуемое количество грунта для насыпей предусматривают уширение выемки.
Для обеспечения проезда технологического транспорта по земляному полотну устраивают защитный слой из глинистого грунта или песка, укреплённого вяжущими или иными способами, толщиной 0,15-0,20 м либо укладку геотекстильной прослойки с отсыпкой нижнего слоя дорожной одежды.
Земляное полотно и грунтовые основания в песках наиболее целесообразно возводить в зимне-весенний период, когда благодаря более высокой влажности грунтов производительность землеройных машин значительно выше, чем летом, улучшаются также и условия проезда автомобилей.
При возведении насыпей в барханных песках для поперечного перемещения грунта из боковых резервов наиболее рациональны бульдозеры. Расстояние перемещения песка бульдозерами 15-25 м, в отдельных случаях до 40-50 м. В целях повышения производительности бульдозеров применяют уширители и открылки к отвалам.
Насыпи и боковые резервы после их разравнивания бульдозерами планируют прицепными грейдерами. Для возведения невысоких насыпей из песка выемок, сооружаемых при пересечении песчаных гряд, используются бульдозеры. При этом выемка разрабатывается поперечными траншеями с перемещением грунта с оси дороги, который затем по продольным траншеям сдвигается в насыпь. Разработку выемки начинают с создания продольной траншеи. Поперечные траншеи устраивают последовательно от середины к концам выемки, допускаемая их глубина 1,5-2,0 м
При расстоянии перемещения песка до 80-100 м применяют метод перемещения грунта бульдозерами с промежуточными валами. При необходимости перемещения песка на расстояние более 100 м целесообразно использование самоходных и прицепных скреперов. При этом необходимо учитывать неизбежное снижение производительности скреперов при работе на барханных песках. Коэффициент наполнения ковша примерно 0,6-0,7 при влажном и 0,3-0,5 при сухом барханном песке.
Для предупреждения ветровой эрозии на песчаной поверхности устраиваются защитные слои из связных или обломочных грунтов. Глинистые грунты для устройства защитного слоя и укрепления откосов разрабатывают в карьерах или сосредоточенных резервах с помощью экскаваторов или бульдозеров с погрузчиками. Влажность грунта должна быть близкой к оптимальной, поэтому наиболее рационально устраивать защитный слой и укреплять откосы в весенне-зимний период.
Толщина защитных слоев должна быть не менее, см:
глины и суглинки тяжёлые - 10;
суглинки и супеси пылеватые - 15;
супеси лёгкие крупные и лёгкие - 20;
гравийно-щебёночные, песчаные смеси - 10.
Грунт в защитный слой укладывают способом «от себя» с подвижкой бульдозером.
При устройстве защитного слоя под дорожной одеждой глинистый грунт разравнивают бульдозерами, планируют автогрейдерами и немедленно после планирования уплотняют катками на пневматических шинах или тяжёлыми гладковальцовыми катками. При недостатке влаги грунт перед уплотнением увлажняют до оптимальной влажности. Плотность грунта защитного слоя должна составлять не менее 0,95 от максимальной при стандартном уплотнении.
При устройстве защитных слоев на откосах грунт разравнивают грейдерами и укатывают прицепными гладкими катками.
Надёжность противоэрозионной защиты повышается при укреплении грунтов защитного слоя вяжущими материалами. Толщина укреплённых слоев должна быть не менее толщины, приведенной в табл. 9.3.
Таблица 9.3
|
Вид грунта |
Вяжущий материал |
Толщина укреплённых слоев, см |
|
Суглинки и супеси |
8 % битума МГ 25/40; 40/70; 70/130 |
10 |
|
3-4 % битума МГ 25/40 + 0,03-0,06 ПАВ Э-1 |
10 |
|
|
6-8 % цемента |
10 |
|
|
Барханные пески |
8-10 % цемента или 6-8 % цемента + 2-3 % извести или жидкого стекла |
12-15 |
|
3-4 % жидкого битума 40/70 + 3 % цемента (5-10 % цементной пыли) + 0,015-0,3 % ПАВ Э-1 |
12-15 |
|
|
5-6 % медленно распадающейся 50-55 % анионной битумной эмульсии |
12-15 |
Укрепление песка вяжущими материалами производится дорожной фрезой, оборудованной баком для распределения вяжущего. При устройстве защитного слоя из глинистых грунтов, укреплённых вяжущими материалами, последовательно выполняют следующие технологические операции:
разравнивание и планировку поверхности верха земляного полотна прицепным грейдером;
вывоз глинистого грунта автомобилями-самосвалами с выгрузкой его способом «от себя»;
распределение глинистого грунта бульдозером и планировку автогрейдером;
распределение вяжущего материала автогудронатором или автоцементовозом в зависимости от вида вяжущего;
перемешивание вяжущего с грунтом дорожной фрезой за 1-2 прохода по одному следу;
прикатку и уплотнение слоя катками на пневматических шинах за 8-10 прохода по одному следу.
В качестве вяжущих материалов для временной фиксации поверхности песков рекомендуется использовать медленно распадающиеся дорожные битумные эмульсии (ГОСТ Р 52128-2003), приготовленные на битуме марок БНД 200/300 и БНД 130/200. Возможно использование также жидкой нефти и водного раствора полиакриламида.
Битумную эмульсию 50-55 % концентрации доставляют к месту работ в автомобильных цистернах. Для исключения распада эмульсии во время транспортировки на дальние расстояния на каждые 10 т эмульсии добавляют в тару 0,5 кг щёлочи.
Концентрированную эмульсию сливают в необходимом количестве в приёмную цистерну пескозакрепительного агрегата, а затем разбавляют её 2-6 частями воды. При розливе разбавленной эмульсии битум проникает в поры песка, создавая защитный слой толщиной 5-20 см. Защитный слой в течение 2-3 лет предохраняет поверхность песков от эрозионного действия ветропесчаного потока и не препятствует прорастанию семян.
При небольших объёмах работ для розлива битумной эмульсии на откосы можно использовать автогудронаторы.
Нормы расхода вяжущих материалов для закрепления песчаных откосов земляного полотна приведены в табл. 9.4.
Таблица 9.4
|
Вяжущий материал |
Нормы расхода, л/м2 |
|
Битумы марок БНД 200/300 и 130/200 (при применении битумных эмульсий) |
0,35-0,50 |
|
Жидкие нефти |
3,00-4,00 |
|
Водный раствор полиакриламида или препарата К-4 (0,5-0,7 %-ной концентрации) |
6,00-8,00 |
Для укрепления откосов и других поверхностей из несвязных грунтов возможно применение жидкого битума с добавкой катионного препарата Э-1 (или другого аналогичного по эффективности).
Укрепление песка жидким битумом с добавкой Э-1 и битумными эмульсиями рекомендуется осуществлять с использованием двух фрез, движущихся по укрепляемому слою одна за другой. В навесной бак первой фрезы заливают водный раствор Э-1, а в бак второй фрезы - жидкий битум. В процессе работы первая фреза служит для распределения эмульсии в песке, а вторая - для дополнительного перемешивания. После перемешивания песка с вяжущим смесь разравнивают и уплотняют обычными способами.
Уплотнение песков, укреплённых органическими вяжущими, рекомендуется начинать в утренние часы и заканчивать до повышения температуры смеси не ниже +35°С.
Движение технологических транспортных средств можно открывать на второй день после уплотнения при использовании органических вяжущих материалов и через 3-5 дней в случае применения неорганических вяжущих.
Для закрепления откосов и одерновки грунтовых поверхностей аэродромов применяют посев трав. Для посева используют смеси семян многолетних трав, дающих плотный дёрн. Высевать следует весной или осенью в период выпадения осадков. Посев трав на песках производят без подготовки почвы механизированным способом с применением агрегата ЦНИИС для гидропосева.
Посев трав на откосах земляного полотна в песчаных пустынях и фиксацию их вяжущими материалами выполняют поздней осенью или ранней весной в северной части пустынной зоны, зимой и перед весенними дождями - в её южной части.
В мелких и мелких пылеватых песках, закрепляемых посевом трав, для предотвращения выдувания семян трав укрепляют засеянные поверхности жидкими вяжущими материалами. Жидкие вяжущие материалы разливают с помощью пескозакрепительного агрегата, состоящего из гусеничного трактора, разбрызгивателя и приёмной цистерны. В качестве разбрызгивателя жидких вяжущих материалов (фиксаторов) используются дождевальные аппараты, мотопомпы, садовые опрыскиватели. Разбрызгиватели снабжаются сменными шлангами с наконечниками для регулирования струи битумной эмульсии при её розливе на откосы. Приёмную цистерну вместимостью 10-15 м3 устанавливают на самостоятельной тележке, находящейся в сцепе с трактором-тягачом.
Пескозакрепительный агрегат обслуживает звено машин, доставляющих воду, и битумовозы, подвозящие концентрированную эмульсию или другой фиксатор от базы хранения или места приготовления.
При строительстве дорог и аэродромов в заросших песках необходимо свести к минимуму повреждение растительности, нарушение естественного рельефа и разрыхление поверхности песков прилегающей местности. Для этого необходимо:
при сооружении насыпей из боковых резервов закладывать резервы возможно большей глубины непосредственно у земляного полотна;
в среднебугристых, крупнобугристых и грядовых песках максимально использовать для отсыпки насыпей песок из выемок за счёт уположения откосов;
стоянки дорожных машин и жильё устраивать за пределами охраняемой полосы;
движение транспортных средств и машин ограничивать узкой полосой строящейся дороги и специальными временными дорогами.
При отсутствии местных связных грунтов для закрепления поверхностей эффективно применение геотекстиля. Укладка полотен геотекстиля может быть продольной и поперечной с обязательным перекрытием полотен внахлёст.
Если нет необходимости укрепления откосов земляного полотна (заросшие пески), следует применять продольную укладку полотен. В случаях когда укрепление распространяется и на откосы насыпи, более целесообразна поперечная укладка. При укладке геотекстиля в два слоя нижний слой полотнищ расстилают в поперечном, а верхний - в продольном направлении.
Величина перекрытия соседних полотнищ зависит от вида соединения, но не должна быть менее 15 см. В местах стыковки полосы следует укреплять металлическим шпильками Г-образной формы длиной 30 см, диаметром 6-8 мм через 1,5-2,0 м при продольной укладке. При поперечной укладке укрепление шпильками осуществляют по оси, по кромкам, по бровкам и на концевых точках.
Концевые части полотнищ при поперечной укладке заглубляют не менее чем на 0,6 м от поверхности земли с немедленной их засыпкой. Канавы для концевых частей полотнищ устраивают в процессе планировки прицепным грейдером или планировщиком. Засыпку полотнищ геотекстиля на откосах насыпи производят сразу после устройства нижнего слоя основания. Толщина гравийно (щебёночно) - песчаной засыпки должна быть не менее 10 см. Уплотнение нижнего слоя основания, уложенного на защитном слое из геотекстиля, производят при хорошо увлажнённом земляном полотне с предварительной прикаткой лёгкими катками.
При производстве земляных работ на засоленных грунтах необходимо учитывать степень их засоления в соответствии со СНиП 2.05.02-85 (табл. 9.5) и выполнять эти работы по возможности в сроки, когда влажность наиболее близка к оптимальной.
Таблица 9.5
|
Грунты |
Среднее суммарное содержание легкорастворимых солей, % от массы сухого грунта |
|||
|
хлоридное и сульфатно-хлоридное засоление |
сульфатное, хлоридно-сульфатное и содовое засоление |
|||
|
V дорожно-климатическая зона |
остальные зоны |
V дорожно-климатическая зона |
остальные зоны |
|
|
Слабозасоленные |
0,5-2,0 |
0,3-1,0 |
0,5-1,0 |
0,3-0,5 |
|
Среднезасоленные |
2,0-5,0 |
1,0-5,0 |
1,0-3,0 |
0,5-2,0 |
|
Сильнозасоленные |
5,0-10,0 |
5,0-8,0 |
3,0-8,0 |
2,0-5,0 |
|
Избыточно засоленные |
10,0 |
8,0 |
8,0 |
5,0 |
Рационально выполнять земляные работы на солончаках с высоким уровнем грунтовых вод: в песчаных грунтах - весной, в начале лета, в связных грунтах - в летний и осенний период (начало дождей).
При отсыпке малых насыпей безрезервного профиля и с резервами глубиной менее 50 см в условиях сильного засоления грунтов целесообразно проведение земляных работ в весенний период, когда засоление в верхних слоях уменьшается. Тонкие солевые корки толщиной 1-2 см, встречающиеся в летний период на поверхности солончаков, обычно не оказывают существенного влияния на среднее содержание солей в верхней толще грунта. Солевые корки толщиной более 2-3 см перед возведением насыпи срезают бульдозерами с поверхности резервов и основания насыпи и сдвигают за пределы резервов на расстояние 15-20 м.
Для возведения насыпей из боковых резервов на солончаках с грунтовыми водами ближе 1 м от поверхности, как правило, применяются экскаваторы. Использование бульдозеров и грейдер-элеваторов целесообразно при залегании уровня грунтовых вод в период производства работ более 1 м от поверхности. Дно боковых резервов в этих случаях должно быть на 30-40 см выше уровня грунтовых вод.
Насыпи из привозного грунта на солончаках, грунт которых из-за избыточного засоления непригоден для возведения земляного полотна, и на мокрых солончаках возводят способом «с головы». Насыпь отсыпают сначала выше рабочей отметки, но не на полную ширину земляного полотна. Затем бульдозером надвигают грунт в стороны с одновременным уплотнением катками. Солончаковые связные грунты, имеющие после подсушивания комковатую структуру, рекомендуется уплотнять кулачковыми или решетчатыми катками.
При искусственном увлажнении неводоустойчивых грунтов солончаков и такыров во избежание их набухания и прилипания в процессе разравнивания и уплотнения необходимо следить за тем, чтобы относительная влажность не превышала 0,9 от оптимальной. При естественной влажности засоленного глинистого грунта более 1,1 от оптимальной влажности каждый слой грунта после разравнивания подвергают перед укладкой подсушиванию на воздухе или добавляют 2-3 % извести.
При сооружении земляного полотна на мокрых солончаках и отсутствии местных грунтов, пригодных для отсыпки земляного полотна, рекомендуется применение в основании насыпи слоя геотекстиля. Это позволяет снизить высоту насыпи за счёт более высокой плотности нижнего слоя, уложенного на поверхности основания, а также за счёт прерывания капиллярного поступления воды в верхнюю часть земляного полотна.
Перед укладкой геотекстиля поверхность основания планируют и профилируют, надвигая в основание насыпи грунт, необходимый для образования возвышения (5-10 см) и поперечных уклонов слоя геотекстиля. Надвижку грунта производят бульдозером, распределение и профилировку - грейдером.
Общие положения. Конструкции земляного полотна в I дорожно-климатической зоне назначают с учётом температурного режима толщи грунтов и их физико-механических свойств, определяющих величину осадки основания насыпи при оттаивании в период эксплуатации.
Как правило, земляное полотно проектируют на основе теплотехнических расчётов, исходя из принципов направленного регулирования уровня залегания верхнего горизонта вечномёрзлых грунтов (ВГВМГ) в основании насыпи в период эксплуатации дороги.
Земляное полотно на участках залегания вечномёрзлых грунтов необходимо проектировать, руководствуясь одним из следующих принципов:
первый - обеспечение поднятия ВГВМГ не ниже подошвы насыпи и сохранение его на этом уровне в течение всего периода эксплуатации дороги;
второй - допущение оттаивания грунта деятельного слоя в основании насыпи в период эксплуатации дороги при условии ограничения осадок допустимыми пределами для конкретного типа покрытия.
По первому принципу проектирование осуществляют на участках низкотемпературной вечной мерзлоты, сложенной сильнопросадочными грунтами и глинистыми грунтами с влажностью выше границы текучести в деятельном слое при капитальном типе дорожных одежд.
Второй принцип применяется в качестве основного из конкурирующих вариантов проектирования, оцениваемых по технико-экономическим показателям. Второй принцип проектирования включает обеспечение предварительного оттаивания вечномёрзлых грунтов и осушения дорожной полосы до возведения земляного полотна.
Предварительное оттаивание рекомендуется на участках высокотемпературной вечной мерзлоты островного распространения, когда возможно заблаговременное оттаивание вечномёрзлых грунтов и осушение дорожной полосы.
На участках со скальными крупнообломочными и песчаными породами, не содержащими прослоек и линз льда, в том числе с высокотемпературной вечной мерзлотой (как правило, островного распространения), а также на участках сезонного промерзания без наличия вечномёрзлых грунтов земляное полотно следует проектировать по нормам II дорожно-климатической зоны.
При проектировании по первому принципу положение ВГВМГ в основании обеспечивается назначением соответствующей высоты насыпи при применении традиционных дорожно-строительных материалов и устройством специальных прослоек из теплоизолирующих материалов в основании (торфа, пенопласта, шлака и т. п.).
При проектировании по второму принципу высоту насыпи устанавливают по результатам тепло-физических расчётов и расчёта суммарной осадки основания и нестабильных слоев насыпи (см. СНиП 2.05.02-85). Допустимая суммарная осадка приведена в табл. 9.6.
Таблица 9.6
|
Дорожная одежда и условия её устройства |
Допустимая суммарная осадка основания из нестабильных слоев насыпи в период эксплуатации, см при толщине стабильных слоев, м |
|||
|
0,5 |
1,0 |
1,5 |
2,0 |
|
|
Капитальные дорожные одежды со сборными железобетонными покрытиями, устраиваемые в одну стадию без технологического перерыва |
2 |
4 |
6 |
10 |
|
Капитальные дорожные одежды с асфальтобетонными покрытиями, устраиваемые в один год с земляным полотном |
4 |
8 |
12 |
20 |
|
Облегчённые дорожные одежды |
6 |
12 |
18 |
30 |
|
Переходные дорожные одежды |
8 |
16 |
24 |
40 |
При использовании в конструкции насыпи геосинтетических прослоек различной прочности и деформируемости осадки могут быть увеличены на 20 % при толщине стабильных слоев до 1,5 м и на 25 % при их толщине до 2,0 м.
На участках прогнозируемых наледей в районах островного распространения вечномёрзлых грунтов и глубокого сезонного промерзания земляное полотно должно быть запроектировано так, чтобы глубина промерзания основания насыпи не превышала промерзания грунтовой толщи в естественных условиях. При сплошном распространении вечномёрзлых грунтов земляное полотно необходимо проектировать совместно с противоналедными устройствами (мерзлотным грунтовым поясом, водонепроницаемым экраном и др.), активизирующими наледный процесс в удалении от полотна дороги.
Выемки допускается предусматривать на участках местности с благоприятными мерзлотно-грунтовыми и гидрогеологическими условиями (скальные и щебенистые грунты) при отсутствии линз и прослоек льда. В случае необходимости проектирования выемок в сложных мерзлотно-грунтовых и гидрогеологических условиях (напластование грунтов неоднородного состава, переменный уровень водоносных горизонтов, проявления мерзлотных процессов, сильнопросадочные грунты) должны быть предусмотрены:
теплоизоляция откосов,
слои из геосинтетических материалов,
замена переувлажнённых пылеватых глинистых грунтов песками или другими качественными материалами,
морозозащитные слои в основании дорожной одежды.
Должен быть также обеспечен надёжный отвод воды из выемки. Принимаемые решения следует обосновывать расчётами. Мелкие выемки необходимо раскрывать или разделывать под насыпи.
В зависимости от рельефа, гидрогеологических и мерзлотно-грунтовых условий поверхностные и грунтовые надмерзлотные воды отводят от дорожного полотна за счёт водоотводных канав, нагорных мерзлотных валиков и приоткосных берм, параметры которых устанавливают расчётом.
Технология возведения земляного полотна. При возведении земляного полотна необходимо учитывать конкретные мерзлотно-грунтовые и климатические условия, принципы проектирования и соответствующие им дорожные конструкции, а также наличие и состояние грунтов, пригодных для сооружения насыпей. Каждому принятому принципу проектирования земляного полотна, увязанному с мерзлотно-грунтовыми условиями участков строительства, соответствуют свои способы производства земляных работ.
В связи со спецификой и разнообразием мерзлотно-грунтовых условий для производства земляных работ рекомендуется включать в состав отрядов комплекты машин соответствующего назначения:
для проведения подготовительных работ на дорожной полосе и в карьерах;
для разработки грунта в резервах, с необходимым рыхлением механическим или взрывным способом или радиационным оттаиванием;
для погрузки и транспортирования грунта;
для формирования и уплотнения насыпи.
Машины для земляных работ должны быть северного исполнения и с повышенной хладостойкостью базисных узлов.
Особенностью работы автотранспорта в условиях распространения вечномёрзлых грунтов является невозможность проезда по неподготовленным землевозным дорогам в тёплое время года, когда наступает распутица и оттаивает верхний деятельный слой вечномёрзлых грунтов. Поэтому для планирования работ в летний период необходимо предусматривать схему перевозок по специальным дорогам либо на основных участках, где это необходимо, заранее отсыпать сухой песчаный грунт для обеспечения летнего проезда построечного транспорта.
При составлении проекта производства работ (ППР) необходимо учитывать, что основной объём земляных работ выполняют в зимнее время, обеспечивая максимальное использование естественного холода для промораживания грунтов в основании насыпи. В связи с этим должна быть проведена соответствующая заблаговременная подготовка карьеров для заготовки и разработки грунта в зимнее время. Особое внимание должно уделяться этим работам в лесотундровых и тундровых районах со сплошной вечной мерзлотой.
Подготовка карьеров и разработка грунтов. Карьеры целесообразно располагать в непосредственной близости от места производства, в соответствии с нормативными требованиями и принципом проектирования земляных работ, исходя из технико-экономических показателей и сокращения времени транспортировки грунта, чтобы не допустить смерзания талого глинистого грунта в зимний период. Предпочтение следует отдавать участкам с уклоном не менее 5 % и участкам, где могут быть мощные талики, а также в местах обсохших тундровых котловин вблизи бугров пучения, наличие которых свидетельствует о близком залегании крупноскелетных грунтов под озёрными илами.
Чтобы создать требуемые запасы талых грунтов, применяют два способа подготовки карьеров: радиационное оттаивание и утепление снегонакоплением.
Грунт в карьерах разрабатывают двумя способами:
бульдозерами послойно по мере радиационного оттаивания перемещением в бурты с последующей погрузкой экскаваторами в транспортные средства;
прямой экскавацией и погрузкой в транспортные средства.
Первым способом разрабатывают твёрдомёрзлые грунты, а вторым - сухо-мёрзлые и сыпуче-мёрзлые. Экскавацию грунта из буртов осуществляют в летнее время или зимой после просушивания.
Разработка грунта в летний период может быть осуществлена с использованием радиационного оттаивания. Этот способ применим при разработке песчаных грунтов и требует значительной площади резервов. Желательно использовать наклонные участки с естественным водоотводом. Разработку оттаявшего грунта осуществляют послойно при помощи бульдозеров. Грунт перемещают в валы высотой 3,5- 5,0 м, из которых грунт забирается экскаваторами для транспортировки в насыпь. Производительность метода ограничивается интенсивностью оттаивания грунта и размером разрабатываемых площадок.
Глубину радиационного оттаивания грунта определяют в зависимости от теплофизических характеристик, температуры воздуха, интенсивности солнечной радиации. Ориентировочно суточное оттаивание в слое 0,1-0,25 м можно определить по табл. 9.7.
Таблица 9.7
|
Районы I дорожно- |
Грунт |
Скорость оттаивания, см/сут |
|||
|
Май |
Июнь |
Июль |
Август |
||
|
I1 |
Песок |
3-7 |
5-12 |
7-17 |
5-12 |
|
I2 |
Песок |
7-10 |
10-15 |
11-18 |
10-12 |
|
Супесь |
4-6 |
7-8 |
- |
- |
|
|
Суглинок |
3-4 |
5-6 |
- |
- |
|
|
Глина |
2,5-3,5 |
4-5 |
- |
- |
|
|
I3 |
Песок |
7-12 |
10-16 |
12-18 |
10-14 |
|
Супесь |
4,5-5,5 |
8-9 |
- |
- |
|
|
Суглинок |
3,5-4,5 |
5,5-7 |
- |
- |
|
|
Глина |
3-4 |
5-6 |
- |
- |
|
При способе разработки грунта с постепенным радиационным оттаиванием при помощи бульдозера формируют первоначальный вал грунта встречными челночными проходами. Ширина участка должна обеспечивать полное накопление «призмы волочения» перед отвалом. Для двойной встречной сборки она составляет 40-50 м. За 1 час работы на 100-метровой захватке накапливается вал объёмом 600-700 м3, который затем переформовывают в более широкий штабель. Производительность бульдозера типа Д-355 в смену составляет около 2300-2600 м3. При этом требуется площадка размером 100×600 = 60 тыс. м2. Для обеспечения непрерывного цикла работ должен быть отведён участок в 2-3 раза большей площади.
Технология заготовки мёрзлого и вечномёрзлого грунта рыхлением включает собственно рыхление грунта на захватке и обвалование (штабелирование) его для хранения или немедленного использования.
Захватки (или участки для рыхления) устанавливают таким образом, чтобы разрыхленный грунт был в эту же смену обуртован. При немедленном использовании его сразу же транспортируют в насыпь с целью исключения возможности смерзания комьев, которое особенно ощутимо в весенне-осенний период производства работ. Исходя из среднесменной производительности экскаватора с ковшом объёмом 1,0-1,6 м3 на погрузке грунта в пределах 700-1200 м3 площадь захваток для рыхления при средней глубине 0,8 м составит 800-1500 м2. Их обычно разбивают на два участка половинного размера.
Рыхление осуществляется мощными рыхлителями с одним зубом.
Грунт рыхлят на площадках размером примерно 50-100 м, выполняя проходы по сетке с расстоянием между проходами от 0,5-0,7 м до 2 м. Первые проходы рекомендуется устраивать при движении трактора под уклон. Скорость рыхления 1,4-3,5 км/час, глубина рыхления - 0,5-1,5 м в зависимости от мощности базовой машины и прочности породы.
После взрывного или механического рыхления осуществляют штабелирование разрыхленной породы в бурты высотой 3,5-5,0 м, из которых грунт может быть немедленно использован для отсыпки либо выдержан с целью последующего оттаивания и потери влажности. Обычно с целью более интенсивного оттаивания в течение летнего периода требуется двойная или тройная перекладка штабеля, которую выполняют экскаваторами и бульдозерами. Заготовку штабелей грунта в требуемых объёмах необходимо выполнять в летний период (в течение 2,5-3,5 месяцев).
Отряды машин для рыхления, обуртования грунта выбирают исходя из заданного сменного темпа работ, который, в свою очередь, определяется объёмом и сроками строительства автомобильных дорог.
Бурты летней заготовки, предназначенные для зимней разработки, необходимо отсыпать высотой более глубины их возможного сезонного промерзания и защищать теплоизоляционными покрытиями из местных (мох, торф, снег и др.) и искусственных (полимерные или водовоздушные замерзающие пены) материалов.
Зимнюю разработку карьеров и буртов заготовленного грунта необходимо выполнять с соблюдением следующих правил:
снег с поверхности удалять не более чем на смену работы экскаваторов, а в сильные морозы - на половину смены;
передвижение транспортных средств осуществлять по дну разрабатываемого карьера;
разработку буртов и карьеров, расположенных на уклоне, начинать с низовой стороны.
Бурты грунта, предназначенные для летней разработки, располагают в карьере по направлению господствующих ветров, а для зимней разработки - перпендикулярно этому направлению (для накопления утепляющих снегоотложений). Во всех случаях высота буртов должна быть не менее 6 м для обеспечения требуемой производительности экскаваторного парка.
Погрузка грунта из штабеля или забоя в автотранспортные средства выполняется одноковшовыми экскаваторами. После взрыва и особенно после механического рыхления используют экскаваторы с ковшом ёмкостью 1,5-1,6 м3, поскольку они обеспечивают погрузку кусков грунта большого размера. При работе в так называемых «сухоройных карьерах» возможно применять экскаваторы с ковшом вместимостью от 0,65 м3 и выше. Транспортировка грунта осуществляется автомобилями-самосвалами грузоподъёмностью 12-14 т и более.
Возведение насыпей с сохранением вечной мерзлоты в основании (первый принцип проектирования). На участках, где предусмотрено сохранить грунты основания насыпей в вечномёрзлом состоянии в течение периода эксплуатации дороги, все подготовительные и основные работы выполняют с таким расчётом, чтобы обеспечить максимальное сохранение существующего водно-теплового режима местности. Подготовительные работы (рубку и удаление леса, кустарника, уборку снега и т.д.) выполняют только в зимний период с незначительным опережением фронта основных земляных работ. Запрещается корчевать пни, нарушать мохорастительный покров и оставлять расчищенную дорожную полосу на летний период, так как это может вызвать оттаивание льдонасыщенных грунтов и образование термокарстовых просадок. Просеку разрешается расчищать только на ширину насыпи понизу.
Нижние слои насыпи на высоту 0,5 м отсыпают способом «от себя», а последующие - продольным способом. Не разрешается отсыпать насыпь на оттаявшее основание. Работы по сооружению земляного полотна на таких участках начинают не ранее, чем грунт промёрзнет на 0,3-0,5 м. Для ускорения промерзания систематически удаляют снег с дорожной полосы.
Насыпь рекомендуется возводить в две стадии: нижнюю часть в зимнее время, а досыпку до проектной отметки - в тёплый период года. Стадийная отсыпка позволяет обеспечить полное промерзание грунта основания под насыпью и повысить темпы зимнего строительства. Кроме того, создаётся возможность круглогодичного возведения земляного полотна. На второй стадии в тёплый период досыпка насыпи должна быть выполнена в такие сроки, чтобы не допустить оттаивания грунтов основания.
Началом периода досыпки насыпи является дата наступления устойчивой среднесуточной температуры воздуха +5°С. В тёплый период на второй стадии можно использовать талый глинистый грунт с влажностью, не превышающей допустимую из условия уплотнения. Рабочий слой (не менее 0,5 м) должен быть отсыпан из крупнообломочного или дренирующего грунта.
Возведение насыпей с допущением оттаивания грунтов основания на требуемую глубину (второй принцип проектирования). При возведении земляного полотна по второму принципу проектирования с допущением оттаивания грунтов основания на ограниченную глубину необходимо обеспечить сохранение мохорастительного слоя в основании и максимально возможное просыхание грунтов в резервах и карьерах.
Подготовительные работы на дорожной полосе выполняют с соблюдением следующих правил:
лес и кустарники удаляют на разделочные площадки в зимнее время;
мохорастительный слой с поверхности резервов удаляют в процессе его оттаивания;
нагорные канавы устраивают одновременно с расчисткой резервов по мере оттаивания или в мёрзлых грунтах с помощью тяжёлых рыхлителей;
не рекомендуется переносить эту работу на более поздние сроки во избежание переувлажнения грунтов за счёт стока осадков с прилегающей площади водосбора.
Разработку и перемещение мохорастительного слоя с полосы резервов выполняют по схеме - в пределах ширины насыпи понизу этот слой сохраняют в ненарушенном состоянии, не допуская наездов на него бульдозеров.
Для оценки возможности использования грунтов боковых резервов необходимо предварительно выполнить прогноз их просыхания, по результатам которого устанавливают возможные сроки разработки грунтов после расчистки (на следующий год или текущим летом). Расчистку резервов выполняют, как правило, за год до начала основных земляных работ (заблаговременная подготовка в задел). Ориентировочные значения влажности грунтов в резервах через год после их расчистки можно определить для любого месяца летнего периода по температуре воздуха:
для суглинков лёгких
Wотн =1,52 - 0,0013×t2 - 0,019×t; (9.3)
для суглинков тяжёлых
Wотн = l,413 - 0,0014×t2 - 0,0042×t; (9.4)
для глин
Wотн = l,48 - 0,0027×t2 - 0,016×t, где (9.5)
Wотн - средняя по метровому слою относительная влажность грунта в долях оптимальной;
t - средняя месячная температура воздуха, °С (определяется по данным ближайшей метеостанции).
Разработку грунтов в резервах выполняют при влажности, допустимой из условия уплотнения. Участки, на которых в результате заблаговременной расчистки можно добиться требуемой влажности, устанавливают на основе прогноза. В зависимости от влажности грунты в резервах разрабатывают:
при влажности близкой к допустимой - послойно в весенний период по мере оттаивания на 15-20 см;
при влажности выше допустимой - послойно по мере просыхания в летний период, когда глубина оттаивания превышает 20-25 см.
При производстве работ необходимо рационально сочетать применение указанных способов, обеспечивая первоочередное возведение земляного полотна на участках с более высокой влажностью (по отношению к оптимальной).
Разработку грунта в резервах послойно по мере оттаивания целесообразно выполнять на ограниченном фронте, который зависит от производительности бульдозеров, а также от скорости оттаивания грунта на глубину 15-20 см. Длину фронта работ из расчёта на одну машину при двухсторонних резервах определяют по формуле:
где (9.6)
L - длина фронта работ бульдозера, м;
П - производительность бульдозера, м3/сут;
Вр - ширина резерва, м;
hг - толщина слоя талого грунта, м (для бульдозера 0,15-0,20);
Vг - скорость оттаивания грунта в резерве в слое 15-20 см, м/сут (устанавливают по данным непосредственных полевых наблюдений или принимают ориентировочно по табл. 9.8).
Таблица 9.8
|
Районы I дорожно- |
Грунт |
Скорость оттаивания, м/сут, в слое толщиной 15-20 см |
|
|
май |
июнь |
||
|
12 |
Супесь |
0,04-0,05 |
0,07-0,08 |
|
Суглинок |
0,03-0,04 |
0,05-0,06 |
|
|
Глина |
0,025-0,035 |
0,04-0,05 |
|
|
I3 |
Супесь |
0,045-0,055 |
0,08-0,09 |
|
Суглинок |
0,035-0,045 |
0,055-0,07 |
|
|
Глина |
0,03-0,04 |
0,05-0,06 |
|
При дальности перемещения грунта до 20 м и отсутствии мохорастительного слоя в основании укладку грунта в насыпь выполняют слоями на всю ширину насыпи из каждого резерва, а при дальности перемещения грунта более 20 м - от оси к бровке.
Для сохранения мохорастительного слоя в основании насыпи при возведении её из боковых резервов при помощи бульдозеров применяют схему последовательной отсыпки первого слоя грунта от бровки к оси.
При возведении насыпи из грунта боковых резервов необходимо соблюдать следующие требования:
начинать разработку резервов с низовой стороны для обеспечения стока поверхностных вод;
разравнивать грунт ежедневно после перемещения его в насыпь с приданием грунтовой поверхности уклона 3-5 % от оси к бровкам;
планировать дно и откосы резервов, а также разравнивать валы мохорастительного покрова сразу по окончании земляных работ.
Грунт земляного полотна насыпей должен быть послойно уплотнён до норм, предусмотренных проектом. Для уплотнения применяют самоходные или прицепные катки на пневматических шинах, организуя их работу по круговой схеме: лёгкие (до 10 т) - для подкатки; тяжёлые (25-50 т) - для окончательного уплотнения. Количество проходов катка зависит от влажности грунта и определяется пробным уплотнением. Ориентировочное количество проходов можно установить по табл. 9.9.
При уплотнении грунта насыпи с сохранением в её основании мохорастительного покрова толщину первого слоя необходимо назначать с учётом глубины оттаивания грунта основания, его влажности и массы катка (табл. 9.10).
При выполнении земляных работ в летний период необходимо учитывать переувлажнение грунта атмосферными осадками в верхнем технологическом слое (0,2 м) и снижение проходимости машин, их производительность, а также невозможность уплотнить грунт в насыпи до требуемой плотности. Количество осадков, увлажняющих грунт выше допустимой влажности, составляет для супесей и суглинков лёгких не менее 5 мм/сут, а для суглинков тяжёлых и глин не менее 8 мм/сут.
Таблица 9.9
|
Грунт земляного полотна |
Коэф- |
Толщина, см |
Коли- |
Толщина, см |
Коли- |
Толщина, см |
Коэф- |
Толщина, см уплотняемого при Wотн = 1,3 % |
Коли- |
||||
|
10 |
25 |
10 |
25 |
10 |
25 |
|
10 |
25 |
|||||
|
Супесь лёгкая |
0,90 |
40 |
60 |
4-6 |
35 |
55 |
5-7 |
30 |
45 |
6-8 |
20 |
30 |
8-10 |
|
0,95 |
25 |
40 |
6-8 |
20 |
35 |
7-9 |
15 |
30 |
8-10 |
0 |
20 |
12-14 |
|
|
0,98 |
20 |
30 |
8-10 |
15 |
27 |
9-11 |
10 |
23 |
10-12 |
- |
- |
- |
|
|
Супесь тяжёлая, суглинок лёгкий |
0,90 |
30 |
50 |
5-7 |
25 |
45 |
6-7 |
20 |
30 |
7-9 |
15 |
20 |
8-10 |
|
0,95 |
20 |
35 |
7-8 |
15 |
30 |
7-8 |
15 |
25 |
9-11 |
- |
- |
- |
|
|
0,98 |
15 |
25 |
9-11 |
10 |
20 |
9-10 |
- |
- |
- |
- |
- |
- |
|
|
Суглинок тяжёлый, глина |
0,90 |
20 |
40 |
6-8 |
15 |
35 |
7-9 |
15 |
30 |
8-10 |
- |
- |
- |
|
0,95 |
15 |
30 |
8-10 |
10 |
23 |
9-11 |
10 |
20 |
10-12 |
- |
- |
- |
|
|
0,98 |
10 |
20 |
10-12 |
10 |
15 |
11-13 |
- |
- |
- |
- |
- |
- |
|
Примечание. Относительная влажность
где Wс - естественная влажность; Wопт - оптимальная влажность
Таблица 9.10
|
Wотн грунта основания |
Глубина оттаивания основания, см |
Требуемая толщина первого слоя основания, см |
|
|
при уплотнении катком массой 10 т |
при уплотнении катком массой 25 т |
||
|
1,1 |
10 |
10 |
28 |
|
20 |
17 |
41 |
|
|
30 |
22 |
50 |
|
|
40 |
27 |
56 |
|
|
1,2 |
10 |
13 |
28 |
|
20 |
20 |
40 |
|
|
30 |
27 |
50 |
|
|
40 |
30 |
56 |
|
|
1,3 |
10 |
15 |
28 |
|
20 |
23 |
42 |
|
|
30 |
28 |
50 |
|
|
40 |
33 |
57 |
|
|
1,4 |
10 |
17 |
30 |
|
20 |
27 |
42 |
|
|
30 |
33 |
52 |
|
|
40 |
37 |
57 |
|
Для оценки технологических перерывов в работе из-за дождей и общей календарной продолжительности летнего сезона учитывают количество дней с осадками указанной интенсивности и время, необходимое для естественного подсушивания грунта, которое можно определить по табл. 9.11.
Таблица 9.11
|
Грунт |
Влажность грунта до осушения в долях Wопт |
Средняя величина просыхания за сутки в долях Wопт |
Время, необходимое на просушивание до Wопт, сут |
|
Супесь |
1,3-1,5 |
0,10 |
1 |
|
Суглинок лёгкий |
1,5-2,0 |
0,12 |
2-6 |
|
Суглинок тяжёлый |
1,4-1,8 |
0,03 |
7-9 |
|
Глина |
1,8-2,0 |
0,09 |
9-10 |
Выемки в переувлажнённых мёрзлых грунтах при оттаивании разрабатывают послойно по мере оттаивания слоя на глубину 15-20 см с перемещением грунта в кавальеры или для погрузки в транспортные средства. Разработку ведут с низовой стороны для обеспечения стока выпадающих осадков. Для ускорения оттаивания грунта слои в выемке снимают с уклоном преимущественно на южную экспозицию склона.
При глубине выемок более 2,0 м рекомендуется применять продольно-участковую схему послойной разработки грунта, а при глубине до 2,0 м - поперечную. Целесообразна комбинированная разработка выемок с использованием обеих схем: на глубину до 2,0 м в поперечном направлении, а на большую глубину - в продольном. Глубокие выемки с дальностью перемещения грунта до 60 м (разработку его и перемещение в кавальер) выполняют одним звеном бульдозеров. В случае перемещения грунта на расстояние более 60 м разработку ведут двумя звеньями, одно из которых разрабатывает грунт в промежуточный вал, а второе - перемещает грунт в кавальер.
Применение геосинтетических материалов. Сооружение насыпей с геосинтетическими прослойками включает следующие операции: подготовку основания, раскатку и выравнивание рулонов по поверхности основания или грунтового слоя, крепление полотнищ между собой, отсыпку земляного полотна до проектных отметок. Прослойки могут быть использованы в качестве разделительных, армирующих, фильтрующих.
При устройстве насыпей с допущением оттаивания грунтов основания перед укладкой геосинтетических прослоек в летний период необходимо предварительно устроить выравнивающий слой и засыпать грунтом глубокие понижения или колеи на дорожной полосе. Кустарник и отдельные деревья должны быть удалены. Пни не корчуют. При укладке прослоек в зимний период снежный покров толщиной более 20 см удаляют и при необходимости отсыпают выравнивающий слой грунта толщиной 10-15 см.
Рулоны геотекстиля раскатывают в продольном направлении с выводом краёв полотнищ за пределы насыпи на 0,5 м. Соединение полотен осуществляют паяльной лампой, для чего осуществляют перекрытие полос в пределах 5-10 см или внахлёст. Отсыпку первого слоя грунта на геотекстильную прослойку ведут способом «от себя» на толщину не менее 0,6 м.
При устройстве замкнутой или разомкнутой обоймы из геотекстиля в нижней части насыпи рулоны раскатывают в поперечном направлении с запасом, равным половине ширины насыпи понизу для замкнутой обоймы или по 4,0 м с каждой стороны насыпи для разомкнутой. Полотна раскатывают с нахлёстом, величина которого зависит от способов соединения полотен и принимается равной 5-7 см при сшивке портативными электрическими машинами (шов должен проходить от края полотна не ближе 3 см), 10-15 см при склейке полимерным клеем или разогретым битумом и 15-20 см при сварке паяльной лампой. Рулоны раскатывают с максимально возможным натяжением вручную, устраняя перекосы и неровности краёв. Первый слой насыпи высотой 0,4-0,5 м отсыпают способом «от себя», разравнивают и уплотняют. Края полотен геосинтетического материала заводят на поверхность отсыпанного слоя грунта, скрепляют продольные швы по нахлёстам. В насыпи с полной обоймой полотна скрепляют поперечные швы, а в полуобойме свободные концы придавливают грунтом вышележащего слоя, отсыпая его способом «от себя». Последующие слои насыпи отсыпают продольным способом. Каждый слой тщательно разравнивают и уплотняют. Геосинтетический материал, находящийся на откосной части, необходимо засыпать слоем грунта 10-15 см.
Для обеспечения высоких темпов работ при устройстве обойм из геотекстиля осуществляют раскатку и соединение полотен в продольном направлении на ширину, превышающую основание насыпи. Размер выпуска за пределы насыпи должен обеспечивать заводку краёв полотен на верхнюю часть слоя грунта, предназначенного для помещения в обойму. На соединённые между собой полотна отсыпают грунт, стремясь обеспечить возможно плотную структуру слоя путём регулирования агрегатного состава мёрзлого грунта и разрушения крупных комьев дополнительными проходами тяжёлых бульдозеров. Затем выпущенный край заводят на верхнюю часть отсыпанного слоя и с перекрытием 5-10 см раскатывают остальные рулоны геосинтетического материала для получения замкнутой или разомкнутой обоймы в верхней её части. Соединение полотен осуществляют паяльной лампой.
Особые случаи возведения земляного полотна. На участках со сложными формами проявления мерзлотных процессов на поверхности (бугры пучения, плоскобугристые торфяники, наледи) земляные работы необходимо выполнять с соблюдением требуемых сроков производства подготовительных и основных работ.
Насыпи на участках с мелкими буграми пучения возводят стадийно по времени. На первой стадии зимой устраивают выравнивающий слой на высоту бугров пучения, укладывают теплоизоляционный материал и присыпают его слоем грунта 0,5-0,6 м. Досыпку насыпи до проектной отметки выполняют на второй стадии при подходе линейного отряда, выполняющего основные земляные работы. На участках с несколькими буграми пучения в пределах дорожной полосы отсыпают сплошной выравнивающий слой, чтобы использовать его в дальнейшем как транспортный проезд для автомобилей и дорожных машин. В местах расположения бугров по ходу работ их закрепляют выносками и отмечают в попикетной ведомости. До наступления оттепели над буграми укладывают теплоизоляцию и отсыпают насыпь.
Земляное полотно на плоскобугристых торфяниках возводят с соблюдением следующих правил и последовательности производства работ:
после промерзания торфа в мочажинах на глубину не менее 20 см, обеспечивающую продвижение машин, удаляют снег с дорожной полосы;
доставляют торф автомобилями-самосвалами и отсыпают в пределах ширины насыпи понизу, после чего бульдозером перемещают в мочажины способом «от себя»;
отсыпают минеральный грунт насыпи после полного промерзания ранее уложенного торфа в мочажинах, для ускорения промерзания систематически удаляют выпадающий снег.
Потребное время на промораживание торфа определяют по табл. 9.12.
Таблица 9.12
|
Толщина слоя торфа, см |
Потребное количество градусо-часов для промораживания торфа при его влажности, % |
|||
|
500 |
600 |
700 |
800 |
|
|
15 |
1000 |
1100 |
1200 |
1200 |
|
30 |
4200 |
4400 |
4500 |
4600 |
|
40 |
7500 |
7800 |
8000 |
8100 |
|
50 |
11700 |
12200 |
12500 |
12600 |
|
60 |
16900 |
17700 |
18000 |
18200 |
На крупных (высотой до 3 м) единичных буграх пучения земляное полотно возводят, соблюдая следующий порядок выполнения работ:
расчищают дорожную полосу от снега, промораживают торф в мочажинах на глубину 30-40 см;
разрыхляют мёрзлый грунт бугра пучения бульдозером, оборудованным рыхлителем, с удалением его на глубину залегания торфа в примыкающих мочажинах;
разрабатывают торф в карьере экскаватором с погрузкой в автомобили-самосвалы, доставляют к месту укладки;
засыпают торф в котлован с разравниванием и уплотнением бульдозером;
планируют поверхность торфяной засыпки с приданием двухскатного профиля в сторону откосов;
промораживают торф засыпки с систематической расчисткой снега;
отсыпают насыпь из дренирующего грунта после промерзания торфа в котловане.
На участках действующей наледи и в местах возможного её возникновения земляное полотно необходимо возводить, как правило, из привозных дренирующих или крупнообломочных грунтов, что позволяет создать фильтрационный поток наледных вод через насыпь в течение всего периода наледеобразования и сократить высоту наледи перед земляным полотном.
При ограниченном количестве дренирующих или крупнообломочных грунтов допускается использовать глинистые грунты, а насыпь отсыпать сначала на неполную высоту и ширину. Затем производят досыпку насыпи и засыпку откосов дренирующим грунтом, что позволяет создать в верхней части насыпи фильтрационный поток наледных вод только в период окончания наледеобразования и предотвратить размыв насыпи в период таяния наледного льда.
При остром дефиците дренирующих или крупнообломочных грунтов насыпь сооружают из глинистых грунтов на полную высоту и ширину, а со стороны формирования наледи устраивают берму из дренирующих грунтов шириной не менее 2 м и высотой не менее расчётной мощности наледи, что предотвращает размыв насыпи при бурном таянии наледного льда.
На участках возможного возникновения наледи отсыпку грунтов выполняют способом «от себя» в тёплый период года по оттаявшему основанию с целью недопущения стеснения условий протекания подземных вод.
На местности наледеобразования, преимущественно на участках возможного возникновения наледи запрещается устройство объездов в прилегающей полосе, а также одиночный проезд любого транспорта с целью сохранения естественных условий местности, прилегающей к земляному полотну.
Общие положения. К грунтам с влажностью более оптимальной относят грунты (табл. 9.13), которые в источнике их получения, а также непосредственно перед укладкой их в насыпь или в рабочем слое выемок имеют влажность (или коэффициент увлажнения Kw) от допустимой, предусмотренной требованиями СНиП 2.05.02-85 для достижения требуемой плотности на данном горизонте, до переувлажнённых.
где (9.7)
Wф - фактическая влажность, %;
Wo - оптимальная влажность, %.
Использование в конструкциях земляного полотна насыпей из глинистых грунтов повышенной влажности, а в некоторых случаях переувлажнённых разрешается только на основе технико-экономического обоснования при отсутствии местных глинистых грунтов с допустимой влажностью, дренирующих грунтов или при их транспортировке на расстояние более 15-20 км.
Использование грунтов
повышенной влажности допускается при условии индивидуального проектирования, в
том числе при организации строительства и производства земляных работ. Проектом
предусматриваются мероприятия, обеспечивающие достижение к моменту окончания
строительства дороги требуемых стабильности, прочности и устойчивости земляного
полотна. Плотность грунтов (степень уп
лотнения) в земляном полотне предъявленной
к сдаче в эксплуатацию дороги должна соответствовать требованиям, установленным
нормами проектирования и проектом. Особые требования при использовании
глинистых грунтов повышенной влажности предъявляют к рабочему слою насыпей и
выемок, а также к слоям таких грунтов, залегающих на отметке (от поверхности
покрытия) более 6 м и в естественных основаниях.
Таблица 9.13
Классификация грунтов с влажностью более оптимальной
|
Грунт |
Коэффициент увлажнения при коэффициенте уплотнения требуемом (в числителе), достигаемом (в знаменателе) |
||||||
|
Грунты с допустимой влажностью |
Грунты повышенной влажности |
Грунты переувлажнённые |
|||||
|
1-0,98 1-0,98 |
0,95 0,96 |
0,90 0,90 |
0,98 0,95 |
0,95 0,93 |
0,93 0,90 |
0,90 <0,90 |
|
|
Песок пылеватый; супесь лёгкая крупная |
1,30-1,35 |
1,40 |
1,50 |
1,40 |
1,55 |
1,60 |
1,60 |
|
Супесь лёгкая и пылеватая |
1,20-1,25 |
1,35 |
1,50 |
1,35 |
1,40 |
1,50 |
1,50 |
|
Супесь тяжёлая пылеватая; суглинок лёгкий и лёгкий пылеватый |
1,10-1,15 |
1,30 |
1,50 |
1,30 |
1,35 |
1,50 |
1,50 |
|
Суглинок тяжёлый и тяжёлый пылеватый; глина |
1,0-1,05 |
1,20 |
1,30 |
1,20 |
1,25 |
1,30 |
1,30 |
В случаях невозможности достижения требуемой степени уплотнения на различных горизонтах земляного полотна, включая естественные основания насыпей и выемок, предусматривается разработка специальных конструктивных и технологических решений.
Глинистые грунты, относящиеся по степени увлажнения к допустимой влажности, как правило, не вызывают особых трудностей при их использовании в конструкциях земляного полотна, не требуют специальных конструктивных мероприятий в рамках индивидуального проектирования, за исключением высоких насыпей и глубоких выемок. Сооружение насыпей из таких грунтов и разработка выемок в них выполняется по типовым решениям, предусмотренным СНиП 2.05.02-85, СНиП 3.06.03-85, Альбомом типовых конструкций ФГУП «Союздорпроект». Более тщательно осуществляется проведение пробного уплотнения и контроль качества земляных работ.
Переувлажнённые глинистые грунты не используются для сооружения насыпей, а естественные основания относятся к слабым, если в пределах их слабой толщи имеются слои переувлажнённых глинистых грунтов мощностью, равной или более 0,5 м. Все конструктивные и технологические решения в подобных случаях разрабатывают и осуществляют, как для насыпей на слабых грунтах.
Наиболее распространённая группа глинистых грунтов с влажностью более оптимальной относится к грунтам повышенной влажности, которая находится в диапазоне от допустимой до соответствующей переувлажнённым.
Как правило, без соответствующих мероприятий при использовании грунтов повышенной влажности невозможно обеспечить требуемые эксплуатационные параметры дорожной конструкции. Мероприятия могут включать изменение геометрических параметров насыпи (крутизны откосов и высоты); частичное использование грунтов повышенной влажности, например, только в нижней её части с учётом последующей консолидации; устройство дренирующих, разделительных прослоек и армоэлементов из геосинтетических материалов; осушение грунта повышенной влажности непосредственно в процессе сооружения насыпи (или разработки выемки) до допустимых значений увлажнения, установленных СНиП 2.05.02-85; использование технологии уплотнения таких грунтов с применением современных уплотняющих средств, специально разработанных для рассматриваемых целей.
Особое значение приобретает наличие глинистых грунтов повышенной влажности, обнаруженных в земляном полотне при ремонте и реконструкции. Выбор мероприятий (осушение, замена на грунты нормальной влажности, армирование и др.) определяется конкретными существующими конструктивами земляного полотна и дорожной одежды, проектными решениями по их ремонту и реконструкции, директивными сроками и имеющимися в наличии технологиями строительства.
Критериями возможности и целесообразности использования глинистых грунтов повышенной влажности при строительстве, ремонте и реконструкции земляного полотна являются экономические показатели наряду с обеспечением требуемой надёжности и долговечности будущих сооружений. При разработке дополнительных мероприятий необходимо учитывать:
тип грунта и изменение его свойств при изменении влажности как в источниках его получения, так и непосредственно в земляном полотне (ремонт или реконструкция);
несущую способность естественных оснований и насыпных слоев;
изменение влажности в результате естественного просушивания или влагонакопления (с учётом погодных условий в период производства земляных работ);
возможность осушения и улучшения путём введения в грунт инертных или активных добавок;
необходимость применения специальных конструктивных элементов, компенсирующих недостаточную прочность и устойчивость.
При выборе источников получения грунтов для сооружения насыпей земляного полотна и определения способов производства работ важно учитывать расчётную влажность грунта в предусмотренный проектом организации строительства (ПОС) сезонный период работ. Прогноз влажности выполняют с учётом количества осадков, условий влагонакопления, глубины промерзания, расчётного уровня грунтовых вод, средней температуры воздуха. Расчётный уровень грунтовых вод и количество осадков принимают с повторяемостью 1 раз в 10 лет.
В ПОС должны быть учтены специфические особенности грунтов повышенной влажности (липкость), которые оказывают влияние на выбор машин, их производительность, проходимость, функциональную применимость в конкретных условиях.
В тех случаях, когда грунты повышенной влажности используются для сооружения насыпей высотой более 6 м, допускаемую влажность используемого для сооружения насыпи грунта устанавливают на основе комплексной оценки устойчивости и стабильности дорожной конструкции (прохождения и конечной величины осадки), а также технологии производства работ и времени (сезона) её выполнения. Существенное значение приобретают тип дорожной одежды и сроки её устройства. Особенно это касается монолитных слоев.
Во всех случаях при работе с грунтами повышенной влажности во избежание дополнительного увлажнения требуется обеспечивать временный и постоянный отвод поверхностных ливневых и талых вод как в источнике получения грунта, так и на месте производства работ. Не допускается в дождливый сезон выполнять работы, затрудняющие сток влаги и её испарение (рыхление, подготовка забоев, устройство котлованов и бессточных заглублений и т. п.) при грунтах повышенной влажности. При разработке выемок в грунтах повышенной влажности устраивают дренажные сооружения для регулирования подземного стока. Места дренажных сооружений устанавливают расчётом по результатам оценки устойчивости.
В (ППР) должны быть предусмотрены мероприятия по уменьшению влияния атмосферных осадков на свойства поверхностных слоев грунта в забое, на транспортных коммуникациях, в зоне уплотнения: планировка, обеспечение стабильности уклонов поверхности, своевременное уплотнение и выравнивание грунта. В случае выпадения дождя до окончания процесса уплотнения продолжать уплотнение связного грунта разрешается только после срезки и удаления во временный отвал верхнего разжиженного слоя толщиной 5-10 см.
При соответствующем экономическом обосновании для защиты грунта насыпи от увлажнения осадками можно применять набрызг гидрофобизирующих веществ или плёночные покрытия из полимерных материалов. Запрещается строительство земляного полотна из грунтов повышенной влажности в период отрицательных температур.
Особенности организации и технологии работ. При разработке технологии сооружения, ремонта и реконструкции земляного полотна из грунтов повышенной влажности и выборе комплектов машин для рассматриваемых условий наряду с требованиями основных нормативных документов по дорожному строительству необходимо учитывать: наличие в источнике получения разрабатываемых грунтов с различной степенью влажности (от оптимальных до переувлажнённых, удаляемых в большинстве случаев в кавальер); период разработки карьера, резерва, выемки и сооружения насыпи (сезон, условия работы в самом сезоне). При разработке технологии также устанавливают последовательность осуществления организационных, конструктивных и технологических мероприятий и опытным путём определяют эффективность предлагаемых в проекте технологий для фактических условий производства работ.
Разработка технологии дальнейшего использования глинистых грунтов повышенной влажности при ремонте и реконструкции земляного полотна требует информации о причинах, приведших к изменению (увеличению в данном случае) влажности грунтов от допустимой до повышенной, и соответственно об источниках увлажнения.
Организация разработки выемок в грунтах повышенной влажности и последующей укладки их в насыпь должна включать два взаимоувязанных, но самостоятельных, с точки зрения технологии и механизации этих работ, процесса: сооружение собственно земляного полотна; выполнение комплекса мероприятий, обеспечивающих его устойчивость и стабильность.
В проекте производства работ при использовании глинистых грунтов повышенной влажности с числом пластичности более 12 учитывают неизбежное снижение производительности землеройно-транспортных машин и невозможность достижения норм плотности уплотняющей техникой по сравнению с грунтами допустимой влажности, что должно быть отражено в сметах.
Технология разработки выемок в грунтах повышенной влажности имеет определенные особенности.
Подготовительные работы в карьерах и резервах должны быть увязаны с основными решениями проекта организации строительства, особенно по объёмам разработки и использования грунтов повышенной влажности, срокам строительства, применяемым типам машин и механизмов.
В период подготовительных работ, которые рекомендуется выполнять с опережением основных работ не менее чем на 3 месяца в весенне-летний и 1-1,5 месяца в осенне-зимний периоды, осуществляют строительство временных подъездных коммуникаций, водоотводных сооружений и дренажей несовершенного типа для перехвата подземных вод и осушения грунта на разрабатываемых горизонтах выемки.
При разработке в сосредоточенных карьерах и резервах грунтов повышенной влажности необходимо составить проект производства работ с указанием последовательности разработки грунта в карьере, устройства временного и постоянного водоотвода, мест для складирования грунта в бурты, транспортной схемы движения построечной техники.
В процессе подготовительных работ производятся сопоставления фактических показателей физических свойств грунта с проектными, их оценка, то есть устанавливаются классификационные показатели грунтов, их изменение по горизонтам, оптимальная влажность и максимальная плотность, коэффициент увлажнения, достигаемая плотность при этом коэффициенте.
В период подготовки устраиваются забои, выполняется требуемый объём вскрышных работ, отводятся места для складирования грунта вскрыши, устраиваются временный и постоянный водоотводы. На карьерной площадке определяются места заезда и выезда автомобильного транспорта и техники.
Плодородный слой почвы следует снимать только в весенне-летний период после оттаивания и схода снегового покрова с площадей, отводимых под земляное полотно и соответствующих ширине выемок поверху с учётом размещения водоотводных сооружений.
Разработку грунтов повышенной влажности осуществляют, как правило, экскаваторами с транспортировкой автосамосвалами. При благоприятных климатических условиях допускается выполнять экскавацию в отвал с последующей погрузкой в транспортные средства, например, фронтальным погрузчиком.
Если по условиям рельефа полосы отвода и водоотвода имеется возможность использовать притрассовые резервы, рекомендуется применять:
бульдозер для предварительного рыхления и сооружения насыпей высотой до 1,5-2,0 м;
скрепер при дальности транспортировки до 2 км;
экскаватор с погрузкой в автомобили-самосвалы при дальности возки более 2 км.
Разработку грунтов повышенной влажности бульдозерами рационально производить по гребенчатой схеме, оставляя перемычки шириной 1,0-1,5 м. Грунт в насыпи в этих условиях также распределяется полосами, между которыми образуются промежутки шириной 0,5-1,0 м. Они заполняются повторными проходами непосредственно перед подготовкой захватки к уплотнению. Указанные приёмы ускоряют высушивание грунта.
Производительность бульдозеров при повышении влажности глинистых грунтов уменьшается вследствие снижения сцепления и прилипания грунта к отвалу (увеличение призмы волочения). При работе с такими грунтами применяют гидрофобизируюшие смазки и покрытия рабочей поверхности отвалов. Оценка фактической производительности работы этих машин позволяет внести корректировку в технологию и использование другой техники.
При сооружении насыпей путём экскавации и автотранспортной возки отсыпку глинистого грунтa повышенной влажности необходимо выполнять на спланированное и уплотнённое основание с поперечными уклонами, обеспечивающими сток воды в случае выпадения дождя. Подготовленное к сооружению земляного полотна основание должно быть до окончания смены полностью перекрыто отсыпаемым грунтом с уплотнением.
Распределение нижних слоев земляного полотна толщиной, устанавливаемой в процессе пробной отсыпки и уплотнения, рекомендуется осуществлять по схеме «от себя» с применением бульдозеров, равномерно распределяя и разравнивая грунт по всей ширине земляного полотна, прикатывая его гусеницами и раздавливая крупные комья при движении задним ходом. Последующие слои из грунта повышенной влажности отсыпают на уплотнённый и спланированный нижний слой по схеме продольной возки. При этом необходимо установить расстояние между буртами отсыпаемого грунта в зависимости от грузоподъемности автомобилей-самосвалов и длины захватки на каждой полосе земляного полотна. Скорость движения по ранее уложенному и уплотнённому грунту ограничивается, обеспечивается равномерное и безопасное движение транспорта по возведённому земляному полотну.
Разработку грунта повышенной влажности в выемках или притрассовых карьерах и перемещение его в насыпь или кавальер на расстояние 100-600 м допускается выполнять прицепными скреперами; на расстояние 600-3000 м - полуприцепными и самоходными машинами. При этом прицепными скреперами с гусеничной тягой возможно разрабатывать супеси тяжёлые пылеватые, суглинки лёгкие и лёгкие пылеватые с коэффициентом увлажнения не более 1,3-1,35. Тяжёлые пылеватые глины с коэффициентом увлажнения не более 1,2-1,25 рекомендуется разрабатывать самоходными скреперами. При этом значение коэффициента увлажнения, равное 1,25, относится к глинам жирным и песчанистым. В каждом конкретном случае необходимо осуществлять опробование заложенной в проекте технологии и вносить соответствующие коррективы.
Разработка грунтов повышенной влажности скреперами выполняется с использованием толкачей на гусеничном ходу, количество которых устанавливается исходя из одного толкача на 3-4 скреперные машины.
Производительность скреперов существенно снижается при повышении влажности глинистых грунтов. Основными причинами снижения являются повышенная липкость грунта, ухудшение проходимости машин вследствие усиления колееобразования, ухудшение условий зарезания, загрузки и выгрузки грунта. Уменьшить влияние этих факторов можно путём гидрофобизирующей смазки внутренней поверхности ковша, снижением давления в шинах до (2,5-3,0)×105 Па, более эффективным использованием толкачей, организацией раздельного движения скреперных машин (с грунтом и порожних).
Разработка грунтов повышенной влажности в выемках или притрассовых карьерах при расстоянии перемещения свыше 500 м для всех типов грунтов целесообразно выполнять экскаватором с транспортировкой грунта автомобилями-самосвалами. Выбор ведущей землеройной машины (скрепер или экскаватор) осуществляют на основе технико-экономического обоснования с учётом снижения их производительности и целесообразности использования.
При выборе в качестве ведущей машины экскаваторов рекомендуется учитывать, что экскаватором целесообразно разрабатывать пески пылеватые; супеси лёгкие крупные с коэффициентом увлажнения не более 1,6; супеси лёгкие пылеватые с коэффициентом увлажнения не более 1,35; супеси тяжёлые пылеватые, суглинки лёгкие и лёгкие пылеватые с коэффициентом увлажнения не более 1,30.
Для разработки грунтов повышенной влажности, представленных суглинками тяжёлыми и тяжёлыми пылеватыми, глинами с коэффициентом увлажнения не более 1,25-1,27 рекомендуется использовать экскаваторы, оборудованные ковшами в виде прямой или обратной лопаты и гидравлическим управлением.
Перемещение грунта при продольной отсыпке целесообразно осуществлять тяжёлыми бульдозерами. Чтобы предотвратить образование колей и других видов деформаций после прохода автогрейдера, необходимо провести разравнивание и прикатывание слоя грунта бульдозером.
Уплотнять грунт следует послойно, устанавливая толщину слоев и количество проходов пробной укаткой в зависимости от влажности грунта (коэффициента увлажнения), достигнутой плотности основания или нижележащих слоев, массы и типа катка (по вальцу).
Уплотнение грунтов повышенной влажности выполняют, используя кулачковые и гладковальцовые виброкатки массой 8-17 т. Отсыпанный и сформированный слой прикатывают гусеницами бульдозера и сначала уплотняют лёгким или средним гладковальцовым катком без включённого вибратора. Схема движения этих и последующих машин - челночная. Скорость движения подбирается таким образом, чтобы в максимальной степени исключить валики выпирания грунта перед передним вальцом. После указанной операции начинают уплотнять тяжёлыми самоходными виброкатками с кулачковой поверхностью вальца. Кулачки имеют игольчатую или изогнутую конфигурацию. Уплотнение тяжёлыми кулачковыми катками начинают без вибрационного воздействия с последующим включением вибратора требуемых параметров и скорости, указанных в паспорте для используемых уплотняющих средств при уплотнении глинистых грунтов повышенной влажности. Пробным уплотнением устанавливают расчётную толщину слоя грунта повышенной влажности, количество проходов по одному следу, ширину перекрытия смежных следов, а также достигаемую фактическую степень уплотнения данного грунта с естественной влажностью не менее оптимальной, и равномерность её распределения по ширине и глубине слоя.
Особое внимание обращают на уплотнение прибровочной части, которую сначала тщательно прикатывают гусеницами бульдозеров и лёгкими катками массой 4-6 т, а затем уплотняют тяжёлыми катками.
При уплотнении песчаного вышележащего слоя (например, дренирующего или технологического) виброкатками необходимо стремиться доуплотнять нижний слой из глинистых грунтов повышенной влажности, в том числе и в прибровочной части. С этой целью толщину уплотняемого слоя песка назначают на основе результатов пробного уплотнения композитного слоя: песок + грунт повышенной влажности. В этих случаях рекомендуется устройство разделительных прослоек из нетканых материалов.
В процессе сооружения земляного полотна из грунта повышенной влажности, начиная со стадии подготовительных работ, осуществляют комплексный геотехнический контроль: проверяют состав и состояние грунта в карьерах и резервах, наличие и состояние водоотвода в местах разработки грунта и на трассе строящейся дороги, качество разбивочных работ, состояние грунта в основании земляного полотна.
Кроме геотехнического, требуется выполнять непрерывный входной и операционный контроль на стадиях разработки грунта, отсыпки грунта повышенной влажности, его разравнивания, уплотнения и планировки.
Перед отсыпкой морозозащитного слоя контролируют плотность и влажность грунта рабочего слоя земляного полотна, поперечные уклоны, ровность поверхности, состояние обочин и откосов, качество укладки геотекстильной прослойки или геосетки.
Осушение. При необходимости использования глинистых грунтов повышенной влажности проектом, в том числе проектом производства работ, должны быть предусмотрены мероприятия по их возможному осушению и доведению влажности до допустимых значений следующими способами:
естественным просушиванием грунта в летний и осенний периоды;
осушением грунта неактивными добавками;
введением активных добавок (сланцевых зол, активных зол уноса, негашёной извести, цемента);
использованием конструктивных решений в виде дренажей, дренажных прорезей, вертикальных и горизонтальных дрен.
Выбор способа осушения осуществляют и корректируют в зависимости от конкретных климатических условий, сезона строительства, обеспечения соответствующими добавками, типа глинистого грунта, коэффициента его увлажнения, толщины слоя осушения в конструкции земляного полотна, экономических и технологических факторов, характера земляных работ (новое строительство, реконструкция, ремонт).
Возможность естественного (радиационного) просушивания грунта повышенной влажности устанавливают непосредственно при их разработке в карьере, резерве, выемке, при сооружении насыпей в условиях отсыпки. Если климатические условия (температура, ветер, отсутствие атмосферных осадков) являются стабильными, решение о подсушке грунта на конкретном участке принимается на основе результатов лабораторных определений влажности, достигаемой при этом плотности после просушивания и времени просушивания.
Естественное просушивание включает подсушивание грунта в забое, например, при работе экскаватора в отвал и создание запасов подсушенного грунта перед его погрузкой в автотранспорт; распределение грунта при сооружении насыпи тонкими слоями (толщиной не более 30 см); устройство технологических перерывов между укладкой, распределением грунта и его уплотнением. При естественном подсушивании грунта в технологический цикл включают разработку грунта выемок экскаваторами с его погрузкой в автомобильный транспорт.
При использовании метода естественного просушивания в земляном полотне низких насыпей или выемок рекомендуется предусматривать устройство дренирующего слоя или капилляропрерывающей прослойки для предотвращения притока воды из основания, а также использовать мероприятия, предупреждающие возможность дополнительного увлажнения земляного полотна от поверхностного стока воды с прилегающей территории.
При использовании метода естественного просушивания грунта при влажности более допустимой толщину технологических слоев и время их просушивания до допустимой влажности ориентировочно можно принимать по табл. 9.14.
Таблица 9.14
|
Грунт |
Толщина слоя в рыхлом состоянии, см |
Время просушивания грунта, сут, при t = 15-20°C и влажности 60-80 % |
|
Пески, супеси лёгкие |
35 |
2 |
|
Супесь пылеватая, суглинок лёгкий |
30 |
3 |
|
Супесь тяжёлая пылеватая, суглинок лёгкий пылеватый, суглинок тяжёлый, глина песчанистая |
23 |
5 |
|
Суглинок тяжёлый пылеватый, глина пылеватая |
17 |
7 |
При ежедневном перепахивании слоя грунта рыхлителем или плугом время просушивания сокращается в 1,5 раза. При выпадении осадков время просушивания соответственно увеличивается. Если до начала дождя вся поверхность насыпи будет уплотнена и спланирована с требуемыми уклонами, коэффициент стока значительно возрастает и дополнительному насыщению и увлажнению с разуплотнением подвергнется лишь верхний слой толщиной 5-10 см.
При использовании метода радиационного просушивания в резервах грунт повышенной влажности укладывают в валы треугольного сечения. Грунт в валах ежедневно перемещают экскаватором или бульдозером для равномерного просушивания. Толщину слоя, где происходит значительное снижение влажности, можно принять по табл. 9.14 с коэффициентом 0,5, учитывающим повышенную влажность подстилающих слоев.
При разработке песков, супесей и лёгких пылеватых суглинков в карьерах и резервах, располагаемых ниже уровня грунтовых вод или в зоне капиллярного водонасыщения, рекомендуется способ естественного просушивания грунта в призмах. Для лучшего просушивания грунта летом и меньшей заносимости снегом зимой призмы грунта располагают большей стороной по направлению господствующих ветров. Откосы призм должны быть тщательно спланированы. Время просушивания грунта в призмах составляет 6-12 месяцев, включая зимний период года.
Для осушения грунта неактивными добавками применяют топливные золы, шлаки, отходы горнорудной промышленности. Влажность таких добавок (Wд) должна быть меньше оптимальной влажности (Wо) получаемой смеси с используемым грунтом повышенной влажности. Требуемое отношение массы сухих добавок к массе влажного грунта определяют по формуле:
где (9.8)
Кс - коэффициент, учитывающий однородность смеси: Кс = 1,1 для песков и лёгких супесей; Кс = 1,3 для суглинков пылеватых тяжёлых и тяжёлых пылеватых; Кс = 1,5 для суглинков тяжёлых и глин;
Wе - естественная влажность.
Осушение грунтов повышенной влажности сухими материалами (добавками) рекомендуется осуществлять смешиванием на месте с отсыпкой грунта повышенной влажности и сухого из двух источников или путём чередования слоев грунта повышенной влажности и осушающей добавки. Общая толщина таких слоев устанавливается по приведённой выше формуле, но ориентировочно толщина сухих слоев должна быть не менее 0,5 м. Окончательные параметры смешения устанавливаются пробным путем.
Осушение грунта активными добавками (негашёной известью, цементом, золами уноса, безводной кристаллической фосфорной кислотой, фосфогипсом и другими материалами и отходами промышленности) не только снижает влажность получаемых смесей до допустимых значений, обеспечивающих требуемую плотность, но и улучшает показатели их физико-механических свойств. Наибольший эффект может быть получен при обработке грунтов, представленных пылеватыми песками, супесями, лёгкими суглинками.
Указанный метод рекомендуется использовать прежде всего для осушения грунтов повышенной влажности, использованных в верхней части насыпей или залегающих в рабочем слое выемок. Кроме того, целесообразно применять осушение или улучшение глинистых грунтов повышенной влажности, которые согласно проекту укладываются на отдельных горизонтах насыпей, с целью обеспечения устойчивости и стабильности дорожной конструкции в целом.
Грунты с кислой реакцией (рН £ 6) или с большой ёмкостью поглощения (более 20-30 мг/экв на 100 т) целесообразно обрабатывать негашёной известью, золами уноса, шлакоцементами и фосфатами. При этом в грунтах, обрабатываемых золами уноса, содержание легкорастворимых солей не должно превышать 3 % от массы грунта при сульфатном засолении и 5 % - при хлористом.
Для обработки грунтов повышенной влажности рекомендуется применять молотую гидрофобизированную негашёную известь с содержанием окисей кальция и магния (СаО и MgO) не менее 50-60 % (ГОСТ 9179-77). Перед применением необходимо проверить её активность, особенно после длительного хранения (30-40 сут после помола). Негашёную известь с содержанием СаО и MgO менее 25-30 % применять экономически нецелесообразно.
При осушении грунтов повышенной влажности цементами наибольший эффект дают цементы с повышенным содержанием СаО. Применение цементов марок ниже 50 не допускается.
Активные золы должны иметь удельную поверхность не менее 1600 см2/г и количество свободной окиси кальция не менее 8 %.
Требуемое количество Д, % негашёной извести или золы уноса (в пересчёте на свободные СаО и MgO) определяют в зависимости от содержания чистых окисей кальция и магния (СаО и MgO) и активности материала по формуле:
где (9.9)
А - требуемое количество СаО и MgO;
В - содержание свободных СаО и MgO в извести или золе уноса, %;
k - коэффициент, равный для зол уноса 1,2; для сланцевых зол 1,5; для извести 1,0.
Требуемое ориентировочное количество СаО и MgO приведено в табл. 9.15.
Таблица 9.15
|
Грунт |
Степень увлажнения грунта Кувл, не более |
Расход минерального материала |
|
|
извести |
золы уноса |
||
|
Супесь |
1,0 |
2/7 |
8/27 |
|
Суглинок лёгкий и лёгкий пылеватый |
1,25-1,30 |
3/10 |
10/34 |
|
Суглинок тяжёлый пылеватый и глина |
1,20-1,27 |
4/14 |
13/40 |
Примечание. В числителе приведён ориентировочный расход в %, в знаменателе - в кг/м2.
Количество портландцемента марки М 300 принимают для лёгких суглинков и песков при коэффициенте увлажнения Кувл £ 1,35 - 3-4 %; для суглинков лёгких при Кувл £ 1,35-1,4 - 3-5 %; для суглинков тяжёлых и пылеватых при Кувл £ 1,30 - 5-6 %; для глин при Кувл £ 1,25 - 5-8 %. В случае использования цементов низких марок их количество рекомендуется соответственно увеличить в 1,1-1,3 раза.
Для осушения и улучшения грунтов повышенной влажности, превышающей на 4-6 % оптимальную влажность, рекомендуется использовать строительный гипс, отвечающий требованиям ГОСТ 125-79.
Работы по осушению грунтов активными добавками, в том числе при необходимости специальными химическими добавками, допускается производить до установления устойчивых отрицательных температур наружного воздуха. В проекте производства работ необходимо отразить принятый метод осушения и улучшения грунтов повышенной влажности на данном горизонте конструкции, рекомендуемый тип добавок, технологию производства работ и основные машины, используемые на операциях по введению добавок, распределению грунта и уплотнению сформированных смесей.
Технология осушения и обработки грунтов повышенной влажности включает следующие операции:
профилирование отсыпанного (или разрыхлённого, например, в рабочем слое выемок) грунта требуемого слоя;
распределение химической добавки;
перемешивание смеси и её уплотнение.
Порошкообразные известь, золу уноса и цемент транспортируют цементовозами и цементовозами-распределителями. Распределение нормированного количества добавок осуществляют по всей поверхности сформированного слоя на данном горизонте земляного полотна согласно нормам ввода; одним из вариантов является использование туковых сеялок.
Перемешивание производят дорожными фрезами типа ДС-74 за два прохода по одному следу, профилировщиком типа ДС-161, грунтосмесительной машиной типа ДС-162 комплекта ДС-160, тяжёлым автогрейдером. При отсутствии указанной техники возможно применение сельскохозяйственных борон и дисковых культиваторов в сцепе с гусеничными тракторами, выполняющими 4-5 проходов по одному следу на глубину 0,1 м. Для обеспечения более равномерного перемешивания смесей в процессе их уплотнения рекомендуются самоходные кулачковые катки, движущиеся со скоростью 10-12 км/час.
Уплотнение смеси грунта повышенной влажности с известью или золой уноса выполняют катками с комбинированными вальцами через 3-4 ч после окончания перемешивания смеси.
Для осушения и ускорения консолидации насыпей из грунтов повышенной влажности при соответствующем технико-экономическом обосновании рекомендуется устраивать горизонтальные дренирующие слои или вертикальные дрены, а также комбинированные конструкции из песка с коэффициентом фильтрации не менее 2 м/сут. Толщина горизонтальных дренирующих слоев по условию поглощения воды из грунтов повышенной влажности, а также с учётом проходимости по ним в процессе технологических операций построечного транспорта приведены в табл. 9.16.
Таблица 9.16
|
Тип грунта |
Толщина песчаной прослойки, м, при Кувл грунта |
|||
|
1,2 |
1,4 |
1,6 |
1,8 |
|
|
Супесь тяжёлая пылеватая, суглинок лёгкий |
0,2/0,3 |
0.4/0,5 |
0,5/0,6 |
0,6/0,7 |
|
Суглинок пылеватый, суглинок тяжёлый |
0,3/0,5 |
0,4/0,5 |
0,6/0,7 |
0,7 |
|
Глина песчанистая |
0,3/0,6 |
0,4/0,6 |
0,6/0,8 |
0,8 |
|
Глина жирная |
0,3/0,6 |
0,5/0,6 |
0,7 |
0,8 |
Примечания: 1. В числителе даны значения для гусеничных землеройных машин и лёгких колёсных катков; в знаменателе - для тяжёлых колёсных катков массой более 6-7 т.
2. В случае образования колеи глубиной более 10-12 см необходимо предусматривать прослойки из геотекстильных материалов.
Толщина грунтов повышенной влажности, укладываемых между дренирующими прослойками, должна быть в диапазоне 1,0-3,0 м в зависимости от коэффициента увлажнения и горизонта укладываемого в насыпь грунта. Конкретная толщина грунта повышенной влажности устанавливается проектом на основе соответствующих расчётов.
Для ускорения процесса осушения грунта повышенной влажности за счёт устройства горизонтальных дренирующих прослоек их следует комбинировать с вертикальными песчаными дренами или использовать последние отдельно. Вертикальное дренирование должно осуществляться по отдельному проекту для насыпей высотой более 3 м.
Диаметр дрен принимают равным 0,4-0,6 м в зависимости от размера рабочего органа буровых установок, выпускаемых промышленностью, или зарубежных образцов. Высота дрен зависит от высоты насыпи, толщины дорожной одежды и нижнего дренирующего слоя.
Расстояние между дренами в насыпи при связных грунтах 1,5-3,0 м. Оптимальное расстояние устанавливают расчётом на основе технико-экономического анализа конкурентно-способных вариантов.
Вертикальные дрены рекомендуется устраивать из однородного песка средней крупности или мелкого с требуемым коэффициентом фильтрации.
Для обеспечения надлежащего стока воды из вертикальных дрен в нижний горизонтальный дренирующий слой последний должен иметь толщину h > hкап (где hкап - высота капиллярного поднятия влаги в дренирующем материале), но не менее 0,5 м; поперечный уклон - 40-50 ‰. Для отвода воды от земляного полотна предусматривают устройство боковых канав.
При назначении вертикальных песчаных дрен следует учитывать, что начальная влажность грунтов существенно влияет на интенсивность его осушения. Наиболее эффективно работают вертикальные песчаные дрены при влажности связного грунта с коэффициентом увлажнения более 1,2. Необходимо также учитывать, что при Кувл более 1,3 весьма затруднительно производить окончательное уплотнение грунта в процессе возведения земляного полотна, а это не позволяет сразу после его сооружения устраивать дорожную одежду. Необходимый технологический перерыв устанавливается расчётом и указывается в ППР. Технологический перерыв должен быть равен времени, в течение которого грунт осушается вертикальными песчаными дренами до допустимых значений влажности, определяющей требования к допустимой осадке для соответствующего типа покрытия.
В общем случае насыпи с устройством вертикальных песчаных дрен сооружают в последовательности:
подготовка основания под насыпь;
транспортировка песка для нижнего горизонтального дренирующего слоя;
отсыпка грунта повышенной влажности по схеме «от себя» в прижим с последующей надвижкой и распределением его до проектной отметки всей конструкции или расчётного горизонта отсыпаемого слоя;
разравнивание, профилирование и предварительное уплотнение слоя грунта в теле насыпи;
выбуривание в насыпи вертикальных скважин и заполнение их дренирующим материалом;
разравнивание, предварительное уплотнение и профилирование грунтовой поверхности после устройства вертикальных дрен;
отсыпка верхнего дренирующего слоя, его разравнивание и уплотнение;
технологический перерыв;
устройство дорожной одежды.
Для устройства вертикальных дрен в зависимости от условий проезда по земляному полотну могут быть использованы различные типы буровых и крановых машин отечественного или зарубежного производства.
При строительстве и реконструкции земляного полотна в целях его полного или частичного осушения могут быть использованы вертикальные скважины, заполняемые негашёной известью. Геосинтетические материалы применяются в конструкциях и технологиях при использовании глинистых грунтов повышенной влажности в следующих случаях:
в качестве разделительных прослоек между слоями глинистых грунтов и песка, армирующих элементов;
в качестве армоэлементов - на поверхности естественных оснований перед укладкой глинистых грунтов нижних слоев насыпей для обеспечения уплотнения грунтов основания и снижения неравномерности осадки;
между рабочим и подстилающим слоями дорожной одежды для компенсации возможного снижения несущей способности дорожной одежды в целом.
В качестве разделительных прослоек применяют нетканые, а в качестве армоэлементов - тканые геосинтетические материалы.
Общие положения. Для сооружения земляного полотна автомобильных дорог и грунтовых оснований аэродромов возможно применять техногенные грунты во всех случаях, когда такое применение даёт экологический или экономический эффект. К техногенным (искусственным) грунтам относят природные горные породы, прошедшие механическую переработку (отходы горнодобывающей промышленности); породы метаморфизированные в процессе сжигания содержащихся в их составе углеводородов, в том числе при получении металла (золы и шлаки), а также переработанные породы и органические, в том числе искусственные, дисперсные материалы органического состава (строительный мусор, нетоксичные промышленные отходы, бытовой мусор).
Техногенные грунты, как правило, не способны образовывать плодородную почву. Их отвалы служат источником загрязнения прилегающих территорий минеральной пылью, а иногда - токсичными веществами. В большинстве случаев их складирование ухудшает состояние окружающей среды, затрудняет или делает невозможным использование территорий для сельского хозяйства и строительства жилья.
Целью применения техногенных грунтов в земляном полотне автомобильных дорог может быть снижение себестоимости производства работ; освобождение территории, занимаемой отвалами; захоронение грунтов и материалов, содержащих токсичные примеси; изменение качества местных грунтов с неблагоприятными свойствами с применением улучшающих добавок.
Замена естественных грунтов промышленными отходами должна быть предусмотрена проектной документацией, а в случае если замена предложена строителями в процессе производства работ - согласована с автором проекта.
Технико-экономическое обоснование замены естественных грунтов техногенными выполняется по комплексным критериям и должно содержать оценку эффективности в следующих направлениях:
сравнение транспортных затрат на перемещение естественного грунта из отведённых резервов (карьеров) и техногенного грунта из отвалов (хранилищ);
сравнение затрат на отвод земель для резервов (карьеров) с их последующей рекультивацией и дополнительных затрат на транспортирование материала из производственных отвалов, хвостохранилищ и т. п.;
учёт улучшения санитарного состояния местности вследствие ликвидации отходов, содержащих токсичные включения, и их захоронение в дорожных насыпях;
учёт снижения себестоимости продукции отходообразующих производств за счёт сокращения платы за размещение отходов;
учёт возможного технологического и конструктивного усложнения земляного полотна при замене природных грунтов техногенными.
При оценке пригодности техногенных грунтов, включая промышленные отходы, необходимо учитывать следующие данные: источник их образования (технология получения отходов); способ получения (из отвала, накопителя, погрузочного устройства); состав (минеральный, химический, органический); состояние на выходе (грансостав - агрегированность, плотность, влажность).
При использовании промышленных, рудных и других отходов и побочных продуктов их состав должен быть проверен на содержание токсичных, а также радиационных включений. При обнаружении вредных свойств должно быть проведено согласование с местными органами санитарной службы.
Отходы добычи и обогащения каменного угля. Отходы угольной промышленности делятся на отвальные шахтные породы (ОШП) и отходы углеобогащения (ОУ). Отвальные шахтные породы могут быть представлены вскрышными и межпластовыми горными породами, не содержащими включений угля, влияющих на их свойства. В этом случае технология применения ОШП не отличается от обычных крупнообломочных грунтов.
В большинстве случаев ОШП концентрируются в производственных отвалах. В зависимости от степени метаморфизма, содержания угля и способа хранения в отвалах возникают самопроизвольные высокотемпературные процессы, изменяющие свойства пород.
Способы разработки отвалов шахтных пород соответствуют характеру отложений. При разработке отвалов вскрышных пород и шахтных отвалов, не содержащих включений угля, должны соблюдаться общие правила, обеспечивающие высокую производительность и безопасность работ.
При разработке старых шахтных отвалов, в которых происходили высокотемпературные процессы, приводившие к обжигу горных пород, необходимо учитывать неоднородность их сложения. Разрабатывают только негорящие отвалы.
Разработку отвалов экскаватором начинают с верхних отметок, со ступенчатым расположением забоев сверху-вниз. При частичной выборке отвала допускается разработка бульдозером с погрузкой в автосамосвалы погрузчиком или экскаватором.
При высокой температуре грунта, а также при сильном пылении разработку ведут с одновременным поливом водой с использованием гидравлического оборудования высокого давления.
Горелые породы и горелопородные смеси целесообразно вывозить на трассу в осенне-зимний период, складировать на полосе отвода слоем толщиной не более 1,0-1,5 м, а работы по сооружению насыпи производить в весенне-летний период. Воздействие атмосферных осадков, перепадов температуры, циклов замораживания-оттаивания в слое неуплотнённой породы способствует разрушению неводостойких слабопрочных включений. При использовании слабообожжённых и необожжённых пород рекомендуется их циклическое замачивание-высушивание, что приводит к разрушению слабых включений.
С целью максимального разрушения неводостойких слабопрочных включений технология работ должна предусматривать двухэтапное уплотнение с перемешиванием. На первом этапе уплотнение с дроблением осуществляется тяжёлыми решетчатыми катками массой 25-30 т или кулачковыми виброкатками массой более 17 т. Количество проходов катка зависит от начального содержания мелкозёма и ориентировочно составляет 4-6 проходов для необожжённых пород и 5-8 - для слабообожжённых. Окончательное количество проходов устанавливают пробным уплотнением. Для равномерного распределения мелкозёма по толщине слоя после первого этапа уплотнения предусматривают его рыхление с перемешиванием породы.
Второй этап уплотнения осуществляется после дополнительного увлажнения на величину потерь испарения. На втором этапе уплотнение осуществляют тяжелыми катками на пневматических шинах высокого давления массой 25-30 т или гладковальцовыми комбинированными катками. Ориентировочное количество проходов катка по одному следу 8-12. При уплотнении горелых пород и горелопородных смесей наибольший эффект дают вибрационные катки массой 8-12 т при 4-6 проходах по одному следу либо вибротрамбующие машины при 2-3 проходах.
От первого этапа уплотнения-дробления можно отказаться, вводя в состав породы требуемое количество мелкозёма и тщательно перемешивая смесь. В качестве мелкодисперсного заполнителя можно использовать песчаные и супесчаные грунты, отходы флотации, дробления, шлаковые отсевы.
В целях защиты от выветривания размягчаемых материалов на откосах и в основании насыпи проектом может быть предусмотрено устройство защитных слоев. По мере возведения каждого слоя насыпи из отходов с откосной стороны досыпают слой связного грунта такой же толщины, придавая поверхности откоса соответствующий уклон. Уплотнение защитных слоев осуществляется одновременно с уплотнением слоя отхода.
Техногенные грунты, состоящие из обломков различной прочности и водостойкости, разделяют по величине агрегатной прочности на 4 вида (табл. 9.17).
Таблица 9.17
|
Техногенный грунт |
Ао |
А3 |
А10 |
|
Агрегатно-прочный |
³ 97 |
³ 96 |
³ 95 |
|
Условно агрегатно-прочный 1-го типа |
95-85 |
90-80 |
85-75 |
|
Условно агрегатно-прочный 2-го типа |
85-75 |
75-60 |
£ 60 |
|
Агрегатно-слабопрочный |
£ 75 |
£ 60 |
£ 60 |
Примечание. Агрегатная прочность А характеризуется величиной остатка на сите 2 мм после мокрого рассева уплотнённой в приборе стандартного уплотнения Союздорнии пробы материала в водонасыщенном состоянии: Ао - для пробы, не подвергающейся замачиванию-высушиванию; А3 - при 3-х циклах замачивания-высушивания; А10 - то же, для 10 циклов
При использовании техногенных грунтов для возведения земляного полотна наиболее целесообразной является схема производства работ с получением углеотходов из накопительных бункеров обогатительных фабрик и транспортированием их на объект строительства с привлечением автотранспорта предприятия.
После гидравлического обогащения влажность отходов углеобогащения (ОУ) составляет 8-14 %, что может быть близко к оптимальной. При влажности, превышающей оптимальную на 3 % и более, необходимо предусмотреть мероприятия по её снижению просушиванием либо добавлением более сухого грунта из терриконов или шахт. При использовании отходов после пневматических методов обогащения их влажность близка к исходной влажности углевмещающих пластов (1-4 %), поэтому такие ОУ требуют доувлажнения до оптимальной влажности перед уплотнением.
При уплотнении условно агрегатно-прочных ОУ требуется добиваться плотной структуры, при которой в пустотах между обломками находится 30-40 % (и более) мелкозернистого заполнителя. Это предупреждает возможную просадочность при разрушении крупных обломков. Повышенное содержание мелкозёма достигается добавлением недостающего количества мелкодисперсного грунта либо разрушением крупных обломков.
При устройстве защитных слоев из связных грунтов возможно оставлять в ядре насыпи отходы с пониженным содержанием мелкозёма. В этом случае для ОУ условно агрегатно-прочных 1-го типа наиболее рациональной является технология двухэтапного уплотнения. В результате первого этапа уплотнения в верхней части слоя (прослойка до 10 см) образуется значительное количество мелкозёма, который может служить материалом для защитного слоя. Эта прослойка сдвигается бульдозером на откосную часть насыпи и затем после планировки осуществляется второй этап уплотнения всего слоя.
Отходы сгорания топлива - это золошлаки ТЭС (золы уноса, золы горючих сланцев, каменного угля, торфа), в том числе из отвалов. Отходы сгорания топлива могут применяться в земляном полотне и грунтовых основаниях как с укреплением вяжущими, так и без него.
Для крупнообъёмного использования золошлаковых смесей из производственных отвалов должен быть проведён комплекс подготовительных работ, состоящий из прокладки подъездных путей, оборудования забоя, подводки электроэнергии для освещения, водопровода, бытового и санитарного обустройства.
На сухих золошлаковых отвалах важной операцией является систематический полив разрабатываемого массива. Для полива целесообразно использовать высоконапорное оборудование, обеспечивающее большую площадь и более равномерное смачивание.
При разработке золошлаковых отвалов гидравлического транспортирования необходимо учитывать технологическую сегрегацию шлаков в процессе намыва. Исходя из требования однородности вида породы по отсыпаемым слоям в проекте производства работ (ППР) определяют очерёдность разработки материала по отдельным картам, в пределах которых он относительно однороден.
Разработка и погрузка золошлаковых смесей в автосамосвалы выполняется тракторным погрузчиком или одноковшовым экскаватором. В сухую погоду забой и место погрузки должны систематически орошаться водой для подавления пыли. Разработку сухих отвалов целесообразно выполнять в зимнее время.
Уплотнение золошлаковых смесей выполняют тяжёлыми пневмокатками с предварительной прикаткой катками массой 4-6 т. Эффективно применение вибрационного уплотнения.
Число проходов катка и необходимость дополнительного увлажнения определяют пробной укаткой.
Химические и бытовые отходы. В нижних слоях насыпей допускается использование твёрдых отходов металлургического, энергетического, химического производства (шламы, шлаки, огарки и др.) с учётом установленных санитарных ограничений. При этом возможность выноса атмосферными осадками и стоковыми водами растворимых соединений предотвращается применением защитных слоев из глинистого грунта в основании насыпи, на её поверхности и откосах. Толщина защитных слоев устанавливается проектом из условия практического недопущения фильтрации.
Твёрдые бытовые отходы, золы сжигания бытовых отходов могут быть уложены в нижней части насыпи с соблюдением установленных санитарных ограничений в части приближения к источникам и зонам водозабора, границ населённых пунктов и т. п. Устройство защитных слоев из глинистого грунта в этих случаях является обязательным.
Укладка твёрдых химических и бытовых отходов ведётся слоями, толщина которых определяется пробным уплотнением, исходя из отсутствия просадки поверхности под вальцом тяжёлого катка. Защитный слой на откосах укладывается одновременно со слоями из отходов на соответствующую толщину. Уплотнение катками ведётся по всей поверхности слоя, включая защитные слои на откосах.
При использовании твёрдых бытовых отходов высокой пористости (с содержанием бумаги, тары и т. п.) и невозможности укатки до безосадочного состояния следует устраивать замыкающий слой из грунта толщиной 30-50 см и вести уплотнение тяжёлым падающим грузом.
Использование золоматериалов. По способу удаления топливных зол и шлаков из мест накопления в паросиловых агрегатах их подразделяют на золы сухого отбора, золы и шлаки раздельного и совместного гидроудаления. При совместном гидроудалении золы и шлаки в отвалах образуют техногенные неоднородные массивы материала, называемого золошлаковыми смесями.
В зависимости от вида сжигаемого топлива золоматериалы подразделяются на буроугольные, каменноугольные, торфяные и горюче-сланцевые.
Золы уноса сухого отбора представляют собой достаточно однородный материал по своему химическому и гранулометрическому составу, обладая при этом определённой химической активностью. Их целесообразно использовать при сооружении земляного полотна из грунтов повышенной влажности в качестве добавки для их осушения и улучшения.
Продукты гидроудаления вследствие гидратации теряют свою химическую активность, особенно свободную окись кальция и другие соединения, обеспечивающие самостоятельное твердение.
Золы и золошлаковые смеси обладают рядом преимуществ по сравнению с грунтами, аналогами которых они являются в определённых случаях. Они могут быть использованы как самостоятельно для сооружения земляного полотна так и для осушения (в качестве сухих инертных добавок) конструктивных слоев из грунтов повышенной влажности.
Неактивные золы, а также золошлаковые смеси не обладают вяжущими свойствами, почти не содержат клинкерных материалов. Их гидравлический модуль меньше 0,05; рН водной вытяжки лежит в диапазоне 4,5-11,5. Основными показателями, по которым регламентируется их использование в конструкциях насыпей, являются показатели состава и состояния. На основе этих показателей золы и золошлаковые смеси в качестве техногенных образований классифицируются аналогами соответствующих типов грунтов (ГОСТ 25100-95) и к ним предъявляются требования СНиП 2.05.02-85.
Золошлаковые смеси имеют весьма различный гранулометрический состав: от мелкодисперсного до щебенистого. Химический и минералогический состав их также различен. Поэтому золошлаковые смеси в определённых случаях рекомендуется использовать в земляном полотне взамен песчаного грунта или песчано-гравийных смесей.
Использование золоматериалов в конструкциях земляного полотна осуществляют на основе комплексной инженерно-геологической и технологической оценки. В соответствии с такой оценкой устанавливают для конкретного источника получения золоматериалов места их отбора; выполняют их классификацию по их грунтовым аналогам; устанавливают в лаборатории соответствующие кривые стандартного уплотнения и по ним корректируют значения и диапазон допустимых влажностей; выполняют оценку по степени пучинистости и набухаемости. Степень неоднородности этих материалов устанавливается на основе статистической обработки показателей физико-механических свойств в первую очередь по показателям состава и состояния.
При разработке проекта производства работ по сооружению земляного полотна из золоматериалов придерживаются следующих рекомендаций. Рабочий слой должен сооружаться из непучинистых и ненабухающих разновидностей зол или золошлаковых смесей. Малая плотность частиц зол и золошлаковых смесей, а также весьма малые значения сцепления обусловливают значительную склонность откосных частей из рассматриваемых материалов к эрозии в результате размыва, в связи с чем крутизна откосов должна быть не более 1:2, а толщина плодородного или защитного слоя на их поверхности увеличена соответственно до 0,2-0,5 м. Технологические операции по планировке поверхности откосов или по устройству защитных слоев перед засевом трав должны выполняться немедленно после возведения насыпи с минимальными перерывами.
При сооружении насыпей из золошлаковых смесей на местности 2-го и 3-го типов по условиям увлажнения рекомендуется осуществлять следующие мероприятия: при 2-м типе местности нижнюю часть насыпи на высоту подтопления необходимо устраивать из дренирующих грунтов в виде капилляропрерывающего слоя; на участках 3-го типа местности предусматривать устройство в нижней части насыпи бермы шириной не менее 1 м с целью предохранения откосных частей из золошлаковых смесей от подтопления долговременно стоящими водами.
Подготовительные работы при сооружении насыпей из зол и золошлаковых смесей включают подготовку и опробование золоотвалов, устройство временного водоотвода, коммуникаций для движения и отстоя построечного транспорта, организацию мест штабелирования золоматериалов при необходимости их хранения или подсушивания; выполнение элементов входного контроля для оценки геотехнических свойств и сопоставления их с проектными данными; подготовку растительного или глинистого грунта для устройства защитных слоев на откосах и обочинах.
Разработку отвалов или карт намыва золоматериалов выполняют экскаваторами с любым видом ковшового оборудования, транспортируют грунт автосамосвалами. Транспортировку и разгрузку осуществляют на подготовленное основание или на заранее отсыпанные и спланированные грунтовые слои (предусмотренные проектом).
Предельная допустимая влажность золошлаковых смесей для прохода строительных машин составляет (1,35-1,40) Wопт.
Отсыпку выполняют слоями способом «от себя». Разравнивание рекомендуется осуществлять бульдозерами послойно при толщине слоя 20-80 см в зависимости от типа применяемого катка при дальнейшем уплотнении и результатов пробной укатки. При использовании отсыпки способом «продольной транспортировки» разравнивание осуществляют тяжёлым автогрейдером. Толщина слоя рыхлой золошлаковой смеси должна быть больше проектной в 1,1-1,3 раза соответственно для пылеватых и крупнозернистых смесей.
Слой золошлаковой смеси уплотняют при оптимальной влажности или близкой к допустимой влажности.
В зависимости от естественной влажности укладываемой в насыпь золошлаковой смеси её необходимо подсушить или доувлажнить до влажности, близкой к допустимой. Подсушивание золошлаковых смесей осуществляется рыхлением и перемешиванием бульдозером или автогрейдером, введением прослоек сухого песчаного грунта, введением негашёной извести или добавок активных зол. Подсушивание золоматериалов может осуществляться также непосредственно в местах их получения путём предварительной разработки в отвал при благоприятных климатических условиях, устройством водоотводящих сооружений. Доувлажнение слоя золошлаковой смеси производят непосредственно перед уплотнением поливомоечной машиной.
После возведения насыпи из зол и золошлаковых смесей не допускается пересушивание и пыление верхнего слоя. Для этого рекомендуется укладка замыкающего слоя из грунта толщиной 10-20 см, укрепление откосов слоем растительного грунта с посевом трав или другим типом.
Геосинтетические материалы - общая классификационная терминология для всех видов синтетических материалов, которые используются в различных отраслях строительства, в том числе и дорожной отрасли. Этот термин включает: геотекстильные материалы, георешётки, геосетки, геомембраны и геокомпозиты.
Геотекстильный материал (водопроницаемый): нетканый, тканый, «трикотаж», другие изделия плоской формы, характерные для искусственных полимерных материалов.
Нетканые материалы получают в результате скрепления синтетического холста уложенными по плоскостям одни на другие элементарными нитями (бесконечными волокнами) - элементарными неткаными нитями, или от 3 до 5 см длиной штапельными волокнами. Скрепление может быть механическим (например, при прокалывании иглой или при зашивании) и/или адгезионным (например, с помощью соединительного клеющего средства), или когезионным (например, при термическом воздействии).
Тканые материалы состоят из скрещивающихся под прямым углом нитевых систем (пряжи). Они различаются по виду пряжи (пряжа из штапельного волокна, мультиволоконная пряжа, кручёная нить, моноволоконная пряжа, узкие полоски, нарезанные из плёнки, и срощенная нить); по её переплетению (так называемому соединению), например, полотняное переплетение типа «рогожка», и каркасное; по количеству нитей на единицу длины. При необходимости дополнительно укрепляются места скрещивания пряжи.
Трикотаж - общее наименование изделий плоской формы, которые состоят из одной или нескольких нитевых систем, соединённых одна с другой петлеобразно; из одной или нескольких проходящих по прямой линии нитевых систем, связанных одна с другой следующей нитевой системой (вязально-прошивной, основовязальный трикотаж).
Геосетками, которые выделены отдельно, являются изготовленные из синтетических волокон или пластических масс кристаллические структуры с различными узловыми соединениями и с шириной отверстия более 10 мм. Различают: плетёные геосетки; вязаные геосетки; уложенные геосетки (то есть сформированные на месте производства работ). Реже встречаются ленты и стержневидные элементы.
Сплетённая геосетка. Плетёной геосеткой является сетка с отверстиями более 10 мм.
Вязаная сетка изготавливается из синтетических лент. В лентах пробиваются отверстия, растягиваются в одном или обоих направлениях (вдоль и поперёк). При вытягивании полимерные молекулы ориентируются в направлении растяжения. При этом прочность в направлении растяжения увеличивается, а удлинение уменьшается. Узловые пункты не смещаются, благодаря чему происходит передача силового фактора между продольными и поперечными перемычками.
Уложенная геосетка в соответствии с «Памятной запиской» производится из покрытых оболочек лент. При этом ленты укладываются крестообразно и соединяются в местах перекрещивания.
Ленты и стержневидные элементы рассматриваются (обозначаются) как геосеткообразные «продукты». Ленты могут состоять, например, из сотканных или соединённых полос, а также из объединённых между собой на одном уровне слоев нитей, зафиксированных полимерной оболочкой. Стержневидные элементы выполняют из связанных переплетающихся нитей, которые обёрнуты материалом из искусственного волокна.
Комбинированные материалы или композиты состоят из объединённых в плоскости нетканых материалов, тканей, геосетки и/или других плоскостных структур и композитов в зависимости от их последующего использования.
Гидроизоляционные материалы (водопроницаемые или с незначительной степенью водопроницаемости): искусственные (полимерные) материалы, бентонитовые композиты, другие изделия из геосинтетики или геопластики плоской формы. Выделенные структуры представлены в «Памятной записке» в самом общем виде и, очевидно, не могут претендовать на какую-либо классификацию.
Технические характеристики геотекстильных материалов и георешёток. Характеристики геосинтетического материала определяются его компонентами, назначением, используемым сырьём, типом, креплением или соединением волокон (нитей) или расположением узловых точек пересечения георешёток.
Сырьё. В настоящее время для сплошных материалов и решёток используются полиамид (РА), полиэтилен (РЕ), полиэстер (PES) и полипропилен (РР). Полиэтилен и полипропилен известны как полиолефины. В целях обеспечения специальных характеристик могут использоваться добавки (например, стабилизаторы), применяться оболочки из поливинилхлорида (ПВХ), полиэтилена (РЕ) или битума. Другим типом сырья являются такие разлагаемые натуральные материалы, как лён, джут или кокос, которые применяются для зашиты поверхности грунтовых откосов.
* Следует иметь в виду, что использование геосинтетических материалов уменьшает влияние различных отрицательных факторов, но не всегда полностью решает проблему повышения устойчивости земляного полотна (Прим. ред.).
При используемых материалах почва, грунты и вода не подвергаются воздействию вредных компонентов. Применяемые при производстве добавки, растворимые в воде или вымываемые водой, например, определённые авиважи (водные эмульсии, поверхностно-активные вещества), стабилизаторы или определённые консерваторы для авиважей, должны быть исполнены в соответствии с указаниями, содержащимися в описании геосинтетического материала в части его типа и количественного соотношения с основным полимером.
Устойчивость к старению. При применении в рассмотренных типах геосинтетических материалов синтетического сырья можно добиться их высокой долговечности прежде всего за счёт обеспечения устойчивости к старению. Для этих целей особенно важно обеспечить технологические требования при укладке материалов, не нанося механических дефектов, которые могут ухудшить исходные функции материала. Существенное значение приобретает защита от света (ультрафиолетовых лучей). Это касается прежде всего полипропилена. Необходимо принимать во внимание чувствительность полиэфира к сильным щелочным воздействиям, что, безусловно, ограничивает их применение в конструкциях с бетонными или железобетонными элементами или требует проектирования специальных защитных мероприятий. Для отечественной практики следует иметь в виду, что полиамид и геосинтетические материалы из него не морозостойки и должны быть уложены в зонах ниже глубины промерзания. Изделия из стекла, обладая относительно высокими «силовыми» функциями, снижают их при длительном взаимодействии с водой и отрицательными температурами, в связи с чем подвержены интенсивному старению и также требуют специфических мер защиты. Это учитывают при рассмотрении сроков службы дорожных конструкций и их отдельных элементов в случаях применения стеклоизделий.
Снижение (изменение) гидравлических и фильтрационных характеристик, а следовательно, и соответствующих функций геосинтетических материалов может быть предотвращено путём тщательного подбора и соответствия показателей их фильтрационных свойств составу прилегающего грунта (или наоборот).
Весьма важны усталостные свойства геосинтетических материалов, то есть их реакция на воздействие длительной нагрузки (ползучесть). Роль этого фактора приобретает первостепенное значение при использовании так называемых «силовых» геосинтетических материалов с целью обеспечения или повышения надёжности грунтовых сооружений.
Области применения. В самом широком аспекте области применения геосинтетических материалов в дорожной отрасли, охватывая как конструктивные, так и технологические решения, включают два направления: земляные сооружения и дорожные одежды. В качестве основополагающих функций геосинтетических материалов для указанных направлений характерны следующие.
Разделение. Разделение грунтовых сред различных по составу или состоянию с целью исключения их перемешивания (особенно в процессе строительства) путём соответствующей защиты и обеспечения в условиях эксплуатации неизменности по толщине конструктивных слоев. Особое значение эта функция приобретает при строительстве земляного полотна насыпей на слабых основаниях (в естественном залегании последних), а также устройстве рабочего слоя выемок в глинистых переувлажнённых грунтах и последующих дополнительных слоев дорожной одежды. Кроме того, во многих случаях функция разделения может быть использована в качестве дополнительной к другим функциям, рассматриваемым ниже.
Фильтрация. Функция, которая направлена на осушение и отвод поверхностных и грунтовых вод от конструктивных элементов земляного полотна и дорожных одежд.
Осушение (дренирование). Использование геосинтетических материалов в качестве антикольматационных фильтров, а также горизонтальных и вертикальных дренажей в случаях применения композитных объёмных материалов (дренажи в выемках, оползневых структурах).
Защита от эрозии. Укрепление наклонных и лекальных поверхностей грунтовых сооружений на автомобильных дорогах от вредного воздействия воды и ветра. Указанная функция может быть совмещена с дренированием поверхностных слоев откосных частей, например, в выемках (откосные дренажи).
Армирование. Силовая функция сплошных тканых геосинтетических материалов, геосеток и георешёток используется для армирования земляных сооружений и их оснований при строительстве, реконструкции, ремонте.
В определённых случаях применение геосинтетических, например, нетканых материалов охватывает такие области, как зашита уплотняемых слоев насыпей от механических повреждений от движения построечного транспорта или уплотняющих средств. Особое значение указанная защитная функция приобретает при наличии слабых или недоуплотнённых естественных оснований.
Области применения конкретных типов геосинтетических материалов. Нетканые материалы используются в качестве разделительного и фильтрующего элемента в дорожной конструкции. В нетканых материалах с ориентированно расположенными волокнами механические характеристики не зависят от направления расположения самих волокон. Зависимость направления может возникнуть вследствие частично ориентированного расположения волокон.
При натяжении только часть волокон будет подвержена указанной нагрузке, а другая ориентируется по направлению натяжения. В результате достигается высокая эластичность тканей по сравнению с ткаными материалами. Чем меньше волокон фиксируется в заданном положении, тем выше эластичность ткани. Механически закреплённый нетканый материал растягивается сильнее, чем связанный адгезионно или когезионно. В уложенном состоянии эластичность значительно снижается вследствие сопротивления поперечному сжатию. Нетканые материалы в зависимости от своей эластичности могут хорошо подходить для укладки на неровные грунтовые поверхности. Они повторяют неравномерно изменяющуюся граничную грунтовую поверхность при укладке, располагаясь между ней и дренирующим материалом. В случае локальных повреждений, например, при засыпке камнем, и сквозных деформациях (продавливании) благодаря своей эластичности (прежде всего эластичности волокон) структура материала, окружающего локальное повреждение, не изменяется, оставаясь незатронутой. Трение между грунтом и нетканым материалом в значительной степени зависит от взаимодействия грунта и структуры верхней поверхности нетканых материалов.
Нетканые материалы обладают, как правило, хорошей водопроницаемостью. Толстый нетканый материал может также использоваться для отвода воды в её плоскости.
Тканые материалы применяются в тех случаях и ситуациях, когда требуется компенсировать дефицит силовых факторов в грунтовых сооружениях или слоях дорожных одежд.
Механические характеристики тканых материалов формируются через структуру нитей в ткацкой машине для правки утка и основы и зависят от направления при использовании. При разрыве одной или больше нитей ткань теряет часть своей прочности в направлении нити. Трение и сцепление между грунтом и тканым материалом в значительной степени зависит от взаимодействия грунта и структуры ткани. Технические фильтрационные характеристики определяются через ширину раскрытия кромок в материале. Смятие незначительно влияет на изменение фильтрационных характеристик. При растяжении ширина раскрытия кромок может меняться. Рекомендуется соблюдать ограничение (уменьшение) водопроницаемости при нагрузке, а также при укладке грунта во время фильтрационных технических измерений.
Трикотажные материалы. Для применения в земляных работах материалов этой группы особенно подходит текстиль с прямолинейной непрерывной ниточной ровинговой системой, когда необходимо использовать растягивающее усилие. Особенностями трикотажных материалов являются:
высокое растягивающее усилие при небольшом относительном удлинении в направлении непрерывной нити (ровинга);
возможность воспринять растягивающие напряжения в диагональном направлении при определённых «продуктах» этой группы с диагональной непрерывной системой нитей (ровингов);
низкая эластичность в направлении непрерывной нити по сравнению с ткаными и неткаными материалами;
соответствие характера передачи нагрузки при взаимодействии с грунтом или другим дорожно-строительным материалом, а также фильтрационных технических характеристик аналогичным параметрам тканых геотекстилей.
Георешётка. Используется в грунте для армирования различных конструктивных элементов сооружений. Передача силы нагрузки между грунтом и георешёткой осуществляется через трение, в котором при достаточной узловой жёсткости можно также дополнительно получить сопротивление грунту узлов и перемычек. Георешётки, (или в отечественной практике геосетки) используются также при армировании асфальтобетонных покрытий при их ремонте, реконструкции и в случаях борьбы с отражёнными трещинами.
Комбинированные материалы. Применяются, когда требуется одновременное действие их отдельных компонентов. Их технические характеристики определяются взаимодействием отдельных компонентов материалов. Определённые комбинированные материалы могут также использоваться для отвода воды в её плоскости.
Рассмотренная совокупность геосинтетических материалов не включает в качестве отдельного типа объёмные георешётки из полиэтиленовых лент, скреплённые между собой механическим или термическим способом, которые вошли в отечественную и зарубежную практику прежде всего для укрепительных работ. Кроме того, в разделе «Геосетки» (плоские структуры) не приведены способы их получения (изготовления) методом экструдирования. Наконец, для дальнейшего анализа необходима более полная трактовка геомембран.
Геомембрана - это герметический элемент из полимерного материала, используемый для регулирования поверхностных и подземных вод и защиты от них оснований и фундаментов грунтовых сооружений, а также иных конструктивов.
Характерные особенности геосинтетических материалов, их разнообразие, а также выделенные области применения, которые в настоящее время хорошо корреспондируются в различных международных документах по применению геотекстильного материала и геосеток при земляных работах в строительстве дорог, дают возможность ориентироваться на определённую классификационную основу.
Подобная классификация имеет существенное значение для выбора того или иного геосинтетического материала в плане разработки рациональных типов дорожных конструкций применительно к конкретным инженерно-геологическим, грунтовым и климатическим условиям строительства и реконструкции.
Кроме общих характеристик, областей применения и требуемых показателей физико-механических свойств, классификация содержит ещё два крупных блока, конкретизирующих тот или иной геосинтетический материал, из числа приведённых в табл. 10.1. Так, например, для выбора нетканого геотекстильного материала в качестве разделительной прослойки (функция разделения) могут быть рассмотрены специальные спецификации конкретных материалов (нетканых), выпускаемых как отечественными, так и зарубежными производителями (например, Геоком, Виротекс, Пинотекс, Тайпар, Полифельт и др.). После выбора группы материалов с близкими показателями свойств, удовлетворяющих требуемым значениям для данной конструкции земляного полотна, технологии, другим условиям, марка геотекстильного материала может быть выбрана с учётом рациональной цены одного квадратного метра. При этом для выбранного материала производитель должен представить технические условия, сертификат, паспорт с протоколами испытаний контрольных образцов.
Применяемые технологии строительства земляного полотна с использованием геосинтетических материалов разделяют на следующие группы:
устройство армирующих, технологических и разделительных прослоек;
устройство ленточных вертикальных дрен для ускорения осадки слабых оснований;
устройство армогрунтовых композиций в виде откосов повышенной крутизны;
укрепление поверхности откосов и конусов для обеспечения их местной устойчивости;
строительство дренажных сооружений.
Устройство армирующих, технологических и разделительных прослоек из рулонных материалов в общем случае состоит из:
подготовки естественного основания;
раскатки рулонов геосинтетического материала и закрепления полотен на поверхности основания или иной горизонтальной поверхности;
устройства вышерасположенной части конструкции земляного полотна.
В зависимости от особенностей конструкции земляного полотна и его элементов технологическая последовательность может несколько изменяться вследствие исключения или добавления отдельных видов работ, предусмотренных проектом.
При размещении прослойки в основании насыпи, площадки или временных дорог допускается укладывать геотекстильные полотнища на неподготовленное естественное основание при отсутствии на нём леса, кустарника, ям и других пониженных мест. В противном случае следует проводить подготовительные работы в уровне поверхности основания, включающие срезку деревьев и кустарника, срезку неровностей с засыпкой ям, колей и других пониженных мест. В подтопленных зонах предусматривается предварительная отсыпка выравнивающего слоя из песка, а также отвод воды.
При проведении строительства на сильно сжимающихся или очень слабых грунтах особые затруднения могут вызвать операции транспортировки, так как в этом случае необходимо обеспечивать очень низкое давление на грунт в процессе проведения строительства, в частности, при перемещении по строительной площадке транспортных и строительных механизмов. В этих случаях необходимо предусматривать устройство технологических прослоек.
На технологию строительства при использовании геосинтетических прослоек в основании существенное влияние оказывает состояние поверхности на строительном участке. Должна приниматься во внимание информация о физико-механических и геотехнических свойствах грунта основания, включая наличие и степень прочности высушенной корки, а также о типе и густоте растительности. В тех случаях, когда стройплощадка располагается на низких участках местности, должно быть выполнено её рекогносцировочное обследование, чтобы определить горизонт расположения воды в зоне предполагаемого участка строительства.
Доступ к участку отсыпки. Если доступ к стройплощадке затруднён из-за условий перемещения транспорта, должны быть предприняты специальные меры по организации временных подъездных путей на период строительства. В удобном месте близко к объекту проведения работ должны быть устроены рабочая площадка и площадка складирования, на которых осуществляются хранение и соответственно укладка, а также сращивание укладываемых материалов.
Хранение материалов. Материалы в виде рулонов или свёрнутых полотен геотекстиля или георешётки должны храниться на сухом грунте и быть защищены от прямого солнечного облучения. В случае если они завёрнуты в материал, непроницаемый для ультрафиолетового света, необходимость в какой-либо защите от солнечного света отпадает.
Таблица 10.1
Краткая классификация геосинтетических материалов для дорожного строительства
|
Группа, подгруппа |
Материалы |
Исходный материал, полимер |
Область применения |
Основные требуемые показатели физико-механических свойств |
|
1 |
Нетканые |
|
Разделительные прослойки, дренажные конструкции, обратные фильтры, защита от кольматации, подложки для композитов и других конструкций (например, габионов, объёмных решёток) |
Номинальная прочность при разрыве, относительное удлинение для номинальной прочности, прочность при заданной деформации, модуль упругости, прочность при прокалывании конусом (диаметр отверстия), несущая способность (за рубежом CBR), эффективная пористость, светостойкость, химическая стойкость; плотность, толщина |
|
1.1 |
Иглопробивные (механическое крепление) |
Полипропилен, полиэфир |
||
|
1.2 |
Термоскреплённые (когезионные или адгезионные) |
Полипропилен |
||
|
2 |
Тканые и трикотажные |
Полиэфир, полипропилен |
Армирование слабых оснований, армогрунтовые сооружения (откосы повышенной крутизны, армогрунтовые подпорные стенки) |
Номинальная прочность при разрыве, относительное удлинение для номинальной прочности, прочность при заданной деформации, модуль упругости, предел ползучести, деформация и прирост деформации при ползучести, хим- и светостойкость, прочность при прокалывании конусом, несущая способность (CBR), плотность, толщина, водопроницаемость, коэффициент внешнего трения |
|
3 |
Геосетки |
|
Армирование грунтовых сооружений и естественных оснований, устройство гибких и жёстких свайных ростверков, армирование асфальтобетонных покрытий, защита от отражённых трещин |
Номинальная прочность при разрыве, относительное удлинение для номинальной прочности, прочность при заданной деформации, модуль упругости, предел ползучести, деформация и прирост деформации при ползучести, хим- и светостойкость, плотность, когезия, коэффициент внешнего трения |
|
3.1 |
Тканые |
Полипропилен, полиамид, полиэфир, стекло |
||
|
3.2 |
Экструзивные |
Полипропилен, полиэтилен |
||
|
4 |
Объёмные георешётки |
Полиэтилен, полипропилен |
Укрепление откосов, конусов, насыпей и выемок на подходах к искусственным сооружениям, укрепление водоотводных канав. Армирование оснований, откосов повышенной крутизны |
Прочность при разрыве ленты, прочность стыков, предельная деформация при разрыве, морозостойкость и химическая стойкость |
|
4.1 |
Модульные сотовидные |
|||
|
4.2 |
Габионного типа |
|||
|
5 |
Композиционные |
|
Укрепление откосов, конусов в сложных климатических и грунтовых условиях. Укрепление откосов и устройство дренажей различного назначения (траншейные, откосные, пластовые и т.д.) |
Водопроницаемость, прочность при разрыве, относительная деформация при номинальной прочности |
|
5.1 |
Волокнистые пористые материалы |
Полипропилен, полиэтилен |
||
|
5.2 |
Многослойные структуры с пластиковым каркасом и защитными слоями из нетканых материалов малой плотности |
Полипропилен, полиэтилен, полиэфир |
||
|
6 |
Геомембраны (сплошные водонепроницаемые или слабопроницаемые рулонные материалы) |
Полипропилен, полиэтилен |
Устройство жёстких гидроизоляционных прослоек; снижение активных сдвиговых напряжений за счёт уменьшения трения в контакте с грунтом |
Водопроницаемость, предел прочности при разрыве, относительное удлинение при разрыве, удобоукладываемость, толщина, плотность |
|
7 |
Гидроизоляционные |
Элементы: полипропилен + бентонит, другие изделия плоской формы |
Устройство полностью водонепроницаемых элементов геотехнических конструкций |
Водопроницаемость, в том числе и под расчётным давлением для защиты от грунтовых вод |
Соединение (стыковка). Предел прочности и другие механические свойства геосинтетических материалов в зоне действия главных нагрузок в направлении, перпендикулярном осевой линии сооружения, в значительной степени определяются точками соединения материала. Наличие соединений в направлении продольной оси насыпи неизбежно. Это должно быть принято во внимание при оценке продольной устойчивости насыпи во время и немедленно после завершения строительства.
Если это возможно, геосинтетические материалы должны располагаться перпендикулярно продольной оси насыпи в виде одной непрерывной цепочки (то есть соединения в этом направлении предпочтительно должны отсутствовать). Соединение «внахлёст» полос геосинтетических материалов при их укладке по длинной стороне на поверхности слабых оснований устраивается с перекрытием полос, как минимум, на 50 см. Если полосы соединены (сшиты или скреплены скобками), перекрытие может быть уменьшено.
Подготовка основания. На заросших основаниях существующая растительность типа кустарников или деревьев вырезается до уровня грунтов естественного сложения. Предметы, которые могут повредить геосинтетические материалы, должны быть удалены. Мусор, способный пробить материал или причинить ему другое механическое повреждение, также полностью удаляется, чтобы обеспечить высокое качество уложенных в конструктив прослоек.
В отношении органических грунтов и материалов необходимо принимать во внимание процессы их разложения в течение достаточно длительного промежутка времени, а также процессы влияния такого разложения на свойства геосинтетических прослоек.
Корни срубленных деревьев или кустарников и растительность, образующая покрытие на основании, необходимо удалить со стройплощадки. На основаниях, имеющих высушенную корку, принимаются меры по предотвращению разрушения этой корки во время подготовки поверхности основания к укладке армоэлементов и отсыпке грунта. Прежде чем начнётся укладка геосинтетических материалов, важно выполнить все работы по замене грунтов основания с размещением соответствующей засыпки. Там, где используется выравнивающий слой, закрывающий неровности основания, включая углубления и выступы, следует проявить осторожность, чтобы слой засыпки не влиял отрицательно на вертикальную водопроницаемость грунта естественного сложения. Насколько это возможно, такая засыпка должна представлять собой дренирующий материал, а нетканый сепаратор из геотекстиля помещается между слабым грунтом и засыпкой, чтобы предотвратить кольматацию засыпки. Особое внимание при этом уделяется мероприятиям по предотвращению перенапряжения или разрыва сухой поверхностной корки или растительного грунта.
Обработка и размещение. В благоприятных условиях материалы для укладки на поверхности основания транспортируются на место проведения работ в рулонах и там раскатываться с выполнением соединения. Дополнительные трудности могут возникать, если геосинтетические материалы укладываются через воду на поверхность болота. Там, где слой воды мал, материал можно размешать вручную после предварительной выемки и монтажа прослоек. Всплывание геосинтетических материалов с удельным весом меньше единицы должно быть предотвращено локальным погружением. При большом слое воды или в случае невозможности ручного размещения прослоек используют средства малой механизации.
При использовании прочных геосинтетических материалов или георешёток, укладываемых на слабое болотистое основание вручную, рабочие могут перемещаться непосредственно по уже уложенным прослойкам.
Отношение к дневному свету. Должен быть определён максимальный период, в течение которого допускается воздействие на полимерный армоэлемент прямого солнечного света (или других источников ультрафиолетового света) с момента удаления с рулона защитной обёртки и до засыпки слоем грунта. Детальные рекомендации по этой характеристике можно получить у изготовителя армоэлементов. Они также содержатся в технических условиях по изготовлению применяемых материалов.
Основные работы по укладке геосинтетических материалов начинают сразу после завершения комплекса подготовительных мероприятий. Они включают:
раскладку (раскатку) рулонных материалов на подготовленную грунтовую поверхность по всей её ширине;
стыковку полотен в продольном и поперечном направлениях (если стыковка осуществляется внахлёст, он должен составлять не менее 0,5 м);
крепление геосинтетических материалов к грунтовой поверхности с выравниванием краёв полотен и возможных складок;
отсыпку песка слоем не менее 0,6 м с разравниванием, уплотнением, планировкой.
Разравнивание выполняют бульдозером, уплотнение - гладковальцовым катком массой 10-12 т без включения вибратора, планировку - автогрейдером. Количество проходов катка устанавливают пробным уплотнением, ориентировочно 6-10 по одному следу.
Технология устройства ленточных дрен для ускорения осадки. Технология устройства ленточных дрен из геосинтетических материалов включает:
расчистку поверхности основания от кустарника и деревьев на ширину полосы отвода;
отсыпку рабочей платформы из песка;
разметку сетки дрен;
погружение дрен;
досыпку насыпи до проектных отметок.
Перед дренированием слабого основания с помощью ленточных дрен необходимо отсыпать рабочую платформу из песка, сквозь которую погружают дрены. Для рабочей платформы используют песок с коэффициентом фильтрации не менее 2 м/сут при ширине насыпного слоя до 20 м и не менее 3 м/сут при ширине свыше 20 м. Минимальная толщина платформы hпл должна обеспечивать проезд и работу машин. Она составляет не менее 1 м на органических грунтах, 0,5 м - на минеральных и удовлетворяет условию
где (10.1)
В - толщина геотекстильного материала, м;
Кт и Кп - коэффициенты фильтрации соответственно геотекстильного материала и песка с учётом нагрузки от веса насыпи, м/сут.
Толщина рабочей платформы может быть снижена в 1,5 раза при укладке полотна сплошным слоем на всю ширину подошвы насыпи. Обсадную трубу в этом случае погружают через геосинтетический материал. Процесс погружения дрен состоит из: заправки дрен в обсадную трубу; её погружения и извлечения; обрезки дрены; переезда на новую точку; смены катушки с дреной; стыковки дрен с разных катушек.
Заправку дрены в обсадную трубу выполняют один раз для всего участка с помощью проволоки, продеваемой в трубу. Дрену зацепляют за конец проволоки и протягивают сквозь трубу. Конец дрены оборачивают вокруг якоря и вновь заправляют в трубу.
Погружение обсадной трубы ведётся равномерно. Подъёмы, даже кратковременные, недопустимы. По достижении заданной отметки начинают извлечение трубы из грунта, контролируя визуально сматывание дрены с катушки. После полного выхода трубу поднимают над уровнем земли на 30 см, обрезают дрену ножницами, оставляя конец около 20 см. Выходящий из трубы отрезок дрены стопорят якорем, заправляют в трубу и перемещают на новую точку. После того как дренажная лента на катушке кончилась, последнюю снимают и заменяют новой. Конец ленты соединяют с началом ленты на второй катушке. Соединение осуществляется внахлёст сшивкой нитками, проволокой или скобками.
Ход работ по погружению дрен обязательно фиксируется в журнале производства работ с указанием места, глубины погружения, характеристики материала, шага дрен.
Строительство армогрунтовых земляных сооружений. Устройство армогрунтовых конструкций включает следующие технологические операции: подготовку основания насыпи для укладки нижнего слоя геосинтетического материала; подготовку полотен материала; установку щитов-опалубки на подошве откоса для фиксации торцевой грани первого яруса армогрунта; укладку армоэлементов на проектную длину с заведением оставшегося края на щиты-опалубки; отсыпку первого слоя насыпи толщиной 0,5-0,6 м с планировкой и уплотнением до требуемой плотности согласно проекту и СНиП 2.05.02-85; устройство вдоль бровки песчаного валика с планировкой и уплотнением для анкеровки (закрепления) свободного края геосинтетического материала; укладку свободного края материала на валик с выпуском на поверхность нижнего первого слоя насыпи; досыпку первого слоя насыпи до 1 м с планировкой и уплотнением до требуемой плотности; снятие щитов опалубки и перестановку их для устройства следующего яруса армогрунтовой насыпи с откосом повышенной крутизны.
Работы по устройству армогрунтового сооружения рекомендуется выполнять захватками. При этом длина захватки исходя из сменной производительности может быть кратна 5 м согласно ширине рулона геосинтетического материала, то есть 25 м, 30 м, 35 м, 40 м, 45 м, 50 м, 70 м.
После устройства откоса повышенной крутизны (армогрунтового откоса) его поверхность должна быть укреплена специальными типами конструкций в зависимости от принятой крутизны: геоматами, решётками, биоматами, гидропосевом или облицовочными блоками.
Укрепление конусов и откосов с использованием геосинтетических материалов. Для укрепления поверхности конусов, откосов насыпей и выемок, склонов, других земляных сооружений, включая армогрунтовые системы, применяются различные геосинтетические материалы: от нетканых до специальных композиций и объёмных георешёток. По защитным функциям используемые в настоящее время в практике дорожного строительства укрепления можно разделить на две группы. К первой относятся решения, связанные с защитой подтопляемых откосов, берегов водохранилищ и т.п. Ко второй - традиционные, направленные, в первую очередь, на локализацию эрозионных и более существенных деформаций, связанных, как правило, с местной устойчивостью, усилением образуемого в результате посева трав дернового слоя путём его армирования и зашиты в процессе вегетации, и формирования корневой системы. В число конструкций второй группы входят также объёмные пластиковые георешётки, изготавливаемые из различных геосинтетических и геопластиковых материалов. В качестве непременного элемента в конструкциях для укрепительных работ из металлических элементов повсеместно применяются нетканые материалы.
Для подтопляемых откосов и конусов геосинтетические материалы используются в качестве элементов обратного фильтра, выполняя одновременно функции разделения, антикольматационной защиты инертных материалов, выравнивающего слоя. Основной конструкцией в данном случае являются сборные железобетонные плиты и другие элементы различной геометрии и несущей способности в зависимости от расчётных гидрометеорологических условий. Для геосинтетических продуктов, как правило, рекомендуется применять нетканые материалы. К ним предъявляются следующие требования:
в качестве полимера следует использовать полипропилен;
расчётная толщина (под нагрузкой от веса щебня и железобетонной плиты) - не менее 4-6 мм;
удельный вес не менее 350 г/м2;
прочность - по расчёту в зависимости от динамических нагрузок, характерных для конкретной акватории;
коэффициент фильтрации под расчётной нагрузкой должен составлять в поперечном направлении не менее 20 м/сут, а в продольном соответственно 10 м/сут.
Чтобы обеспечить указанные характеристики, необходим тщательный подбор нетканого материала в лабораторных условиях с последующей проверкой, например, в условиях опытного строительства. Кроме отмеченных параметров, предъявляются также технологические требования, связанные прежде всего с устойчивостью и прочностью материала от возможности его «прокалывания» щебнем или другим грубообломочным грунтом, используемым в качестве обратного фильтра. Конструктивные решения, связанные с использованием геосинтетических материалов для укрепления подтопляемых откосов, могут включать также объёмные дренажные композиции, а также полностью или частично исключать применение инертных для обратного фильтра. Последнее имеет существенное значение для предотвращения выплесков песка (при его использовании в конструкции обратного фильтра) через стыковочные швы сборных железобетонных плит. Выбор осуществляется на основе технико-экономического обоснования.
Для неподтопляемых откосов и конусов земляного полотна применяются две группы материалов: геокомпозиты в виде различных волоконных матов и объёмные георешётки.
Волоконные маты, которые в той или иной конструктивной и «материальной» интерпретации выпускаются ведущими мировыми фирмами, такими как Теnах, Tensar, Neue Faser-Technik, Полифельт, Хьюскер и рядом других, предназначены для обеспечения местной устойчивости в основном для локализации эрозионных процессов в поверхностных слоях откосов, а также для создания декоративных облицовок лицевых поверхностей армогрунтовых сооружений. Как правило, они выполняются в комплексе с посевом трав, в том числе и гидропосевом. Эффективны в случаях, когда только одно травосеяние в его традиционном виде не позволяет обеспечить быструю защиту от рассматриваемых деформаций, связанных с местной устойчивостью. Указанные типы конструкций в связи с их многочисленностью и в то же время схожестью между собой могут быть рассмотрены на примере нескольких типов композиций Enkamat. Конструкции укрепления с использованием волоконных матов типа Enkamat состоят из:
уплотнённого поверхностного слоя грунта откоса или конуса;
волоконного мата толщиной 1-3 см;
анкеров в виде деревянных колышков длиной 20-40 см;
растительного грунта с семенами трав или гидропосева.
На основе материала типа Enkamat изготавливаются, в частности, следующие композиты:
Enkamat S - мат Enkamat, жёстко скреплённый с армирующей плоской георешёткой из полиэфира, благодаря чему прочность мата увеличивается до 110 кН/м;
Enkamat A - геокомпозит из мата Enkamat, заполненный минеральным фильтром (например, из щебня), частицы которого связаны одна с другой и с волокнами мата органическим вяжущим; обладает хорошей гибкостью и проницаем для воды и корней растений;
Enkason - дёрн, выращенный на мате Enkamat в оптимальных для образования травяного покрова условиях, что обеспечивает мгновенную зелёную защиту откоса; за рубежом производится только по специальному заказу.
Волоконный мат типа Enkamat представляет собой объемную структуру, выполненную из переплетенных неупорядоченных волокон. Мат заполняется растительным грунтом с посевом семян трав любым способом и служит для защиты от эрозии, вымывания растительного грунта и семян трав. При соответствующем обосновании допускается применять волоконные маты на поверхности конуса (откоса) без засыпки растительным грунтом.
Материалы типа Enkamat изготавливаются из полиамидных волокон и имеют следующие технические характеристики: плотность - 25 г/м2; прочность на растяжение в продольном направлении - 1,5-3,0 кН/м; соединение волокон в местах пересечения путём сплавления; обладают высокой сопротивляемостью погодным условиям и солнечной радиации; благодаря стабилизаторам - высокой химической стойкостью к грунтовой агрессии; термическая стойкость от минус 30 до 100°С.
Объёмные георешетки. Объёмные георешетки предназначены для укрепления конусов путепроводов и малых мостов, откосов насыпей в условиях, когда травосеяние неэффективно или невозможно (например, в I дорожно-климатической зоне), а также откосов водоотводных канав и в других аналогичных случаях. Конструкции с ними представляют собой более мощные по сравнению с волоконными матами композиции на основе гибких компактных модулей, состоящих из полиэтиленовых лент (или изготовленных из полиэфирных волокон), скрепленных металлическими «скрепками» или сшивкой механическим степлером. Площадь одного модуля в зависимости от типа объёмной решётки может доходить до 150 м2.
Конструкция укрепления с использованием модулей объемных георешеток проста и технологична. Она позволяет изменять в широком диапазоне размеры ячеек и объем, а также материал для заполнения.
Объёмные пластиковые георешетки из полиэтиленовых лент. В общем случае конструкция такого типа укрепления состоит из: разделительной и (или) дренирующей прослоек из рулонного геосинтетического нетканого материала, уложенной на уплотненный слой грунта; объемного модуля, представляющего собой георешетку с прямоугольными ячейками или стенками, расположенными под углом к основанию (косоугольная решетка); монтажных анкеров; несущих анкеров; заполнителя; упора; дополнительных элементов, например водосточного лотка.
В качестве материала для устройства разделительной или дренирующей прослойки рекомендуется применять нетканый геотекстильный материал с плотностью не менее 250 г/м2, имеющий, как правило, высокий коэффициент фильтрации (вдоль волокна не менее 10 м/сут, поперек - 20 м/сут). Допускается использовать другие синтетические материалы: тканые геотекстильные материалы, геосетки и плоские георешетки. Требования к указанному элементу устанавливаются проектом в зависимости от крутизны откоса (конуса) и погодно-климатических факторов.
В настоящее время в отечественной и зарубежной практике широко применяются следующие гибкие модули георешеток: Геомат, Armater, Geoweb, Tenweb, PrestoRus, Wolta, Теnах, Webtec, ОАО «494 УНР», ООО «Геотехкомплекс». Такие модули выпускаются как отечественными, так и зарубежными производителями. Из отечественных пластиковых объёмных георешёток наибольшее распространение получили конструкции, выпускаемые УНР-494 (Прудон), фирмой «Геотехкомплекс» и Туймазинской фабрикой. Модули могут состоять из сплошных или перфорированных лент, на которых имеются специальные отверстия заданного диаметра для пропуска (дренирования) поверхностных вод.
В качестве прототипа всех выпускаемых пластиковых объёмных георешёток служат варианты объёмных модулей Geoweb (США). Конструкции укрепления на их основе (в том числе созданные отечественными производителями) обладают большей жёсткостью и массой по сравнению с объёмными георешётками из лент на основе полиэфира, полипропилена или их смесей и с соответствующими укрепительными добавками.
Георешетка Geoweb представляет собой модульную сотовидную конструкцию из сварных полиэтиленовых полос с высокой прочностью на растяжение. Содержание в полиэтилене 2 % сажи предотвращает окисление материала под воздействием солнечной радиации. Лабораторные исследования показали, что решетка сохраняет свои свойства в течение 40 лет даже под воздействием солнечных лучей. Георешетки Geoweb высотой 0,1-0,3 м и различными размерами ячеек выпускаются фирмой «Presto Product» (США) и свободно продаются. В Европе, в том числе и в России, официальным дистрибьютором этой фирмы является фирма «PRS» (Израиль). В России успешно работает совместное предприятие «Prestorus». Следует отметить, что в конструкции георешеток используются гладкие или рифленые ленты из высокопрочного полиэтилена или другого синтетического материала, которые соединены между собой с помощью ультразвуковой сварки линейным практически герметичным швом, что в ряде случаев затрудняет фильтрацию влаги в армируемом слое. Как уже отмечалось, для обеспечения этого эффекта как в отечественной, так и в зарубежной практике налажен выпуск георешёток с перфорированными стенками.
Георешетки типа Geoweb, включая все образцы на их основе, получают путем скрепления (соединения) в пакет полиэтиленовых лент таким образом, чтобы при растяжении получить объемную ячеистую конструкцию. Оптимальные размеры георешеток (высоту и площадь ячейки) устанавливают в зависимости от крутизны откоса (конуса), прочностных характеристик грунтов откосов насыпей, выемок, конусов, характера и степени воздействий погодно-климатических и гидрометеорологических факторов. Близкую по конструкции к Geoweb георешетку из полиэтиленовых лент, называемую Tenweb, выпускает фирма «Теnах».
Отличие георешетки Tenweb от решетки Geoweb заключается в способе соединения между собой лент полиэтилена. В георешетке Tenweb ленты материала соединены между собой не линейным вертикальным швом, как это имеет место у георешетки Geoweb, а термоконтактной сваркой нижней и верхней зоны лент. За счет этого при растяжении георешетки Tenweb в средней части ячеек между сварными точками образуется щель, которая обеспечивает фильтрацию влаги. С другой стороны, прочность такого соединения может уменьшаться, что требует для применения георешеток Tenweb более прочных материалов.
Выбор размеров ячеек для георешёток типа Tenweb «Теnах», как впрочем, и для других типов осуществляется на основе оценки местной устойчивости, анализа стабильности самой георешётки, укладываемой на поверхности откоса, склона, конуса, а также заполнителя ячеек на их поверхности.
Анализ стабильности выполняется для трёх частей георешётки: центральной, верхней с учётом закрепления в верхней части откоса и нижней возле подошвы. Знание параметров конструкции позволяет определить сдвигающие и удерживающие силы, которые должны регулировать установку (монтаж) и её функционирование в период эксплуатации. Кроме того, на основании расчётов устанавливается минимальная длина стыка, принцип анкеровки, конструкции, количество монтажных анкеров, их длина возле подошвы сооружения и стабильность верхнего слоя заполнителя (например, грунта), когда он располагается на поверхности заполненных ячеек георешётки. Как правило, геометрия ячеек используемых георешёток определяется необходимой толщиной (мощностью) заполнителя: щебня, гравия, растительного грунта (в последнем случае для нормального роста травы). При выборе соответствующего типа георешёток из серии Tenweb «Теnах» необходимы для расчёта следующие данные: предел прочности соединения ячеек при растяжении модуля, сопротивление отслаиванию, максимальный предел прочности и число соединений.
Объёмные георешётки из геотекстильных материалов. Растягивающаяся георешётка принципиально другой конструкции разработана британской фирмой «MMG Civil Engineering Systems». Эта решётка, названная Armater, представляет собой сотовую гексагональную структуру с вертикальными стенками. Решетка выполняется из высокопрочного геотекстильного материала на основе полиэстера. Материал термообработан для повышения его жесткости, но все же она ниже по сравнению с георешеткой Geoweb. Достоинством георешетки Armater является то, что нетканый материал обладает хорошими фильтрующими характеристиками.
Соединение полос между собой осуществляется в шахматном порядке посредством линейных швов, выполненных методом склеивания, сшивания или комбинированным способом. При этом прочность шва обеспечивается на уровне 70 % от прочности основного материала. Следует отметить, что исключительные права на использование георешетки Armater приобрела фирма «Akzo Nobel» (Нидерланды). Она планирует создать с российской организацией в г. Перми совместное предприятие по выпуску этих георешеток.
Широко применяются также жёсткие георешётки, не складывающиеся в пакет. Так, например, решётка Nidaplast (Франция) имеет жёсткую ячеистую структуру в виде пчелиных сот. Получают решётку в процессе экструдирования полиэтилена, полипропилена или каких-либо других термопластических материалов. Диаметр шестигранных ячеек со стенкой толщиной 0,5 мм может составлять 8-30 мм. Звенья ячеек размером 10×10 см образуют панели размером 2,5×1,0×0,003 м и блоки размером 2,5×1,0×1,5 м. В зависимости от области применения лицевые поверхности панелей или блоков могут быть закрыты (соединения на клею) нетканым материалом, обеспечивающим дренаж основания. Плотность георешётки Nidaplast меняется 35-80 г/м2 , а прочность при сжатии - 0,6-2 МПа в зависимости от диаметра ячеек и толщины стенок.
Георешётки с вертикальными стенками применяются в строительстве для зашиты грунтовой поверхности от водной и ветровой эрозии (откосов дорог, берегов рек, каналов, набережных морей) и для повышения несущей способности грунта.
Технология монтажа практически для всех рассмотренных типов укрепления конусов и откосов земляного полотна и сопутствующих грунтовых сооружений при строительстве автомобильных дорог включает следующие операции:
разбивочные работы, подготовку наклонной или вертикальной поверхности путём её планировки, уплотнения или монтажа;
устройство дополнительных элементов в виде укладки нетканого материала, элементов обратного фильтра;
раскладку волоконных матов отдельными секциями и их стыковку или модулей объёмных георешёток с устройством необходимых элементов крепления для обеспечения продольной и поперечной устойчивости;
нанесение растительного грунта, включая метод гидропосева;
заполнения ячеек объёмных георешёток различными материалами.
Применение геосинтетических материалов при строительстве дренажных сооружений. Геосинтетические материалы нашли широкое применение для устройства дренажных сооружений с целью регулирования подземного стока. Они используются в качестве самостоятельных элементов либо для антикольматационной зашиты в традиционных типах дренажей. Применяются нетканые геосинтетические материалы, объёмные композиты, состоящие из сердечника в виде плоской пластиковой решётки и защитных слоев из нетканых материалов малой плотности. Нетканые материалы применяются для устройства траншейных дренажей всех типов откосных и пластовых дренажных конструкций.
Технология устройства траншейных и откосных дренажей помимо стандартных операций, связанных с рытьём траншей и монтажом асбоцементных или пластиковых водоотводных труб, включает укладку геосинтетического материала по контуру вырытых траншей перед заполнением их дренирующими материалами. Таким образом, устраивается обойма из геосинтетических материалов, внутри которой находятся традиционные элементы дренажных сооружений. Устраиваются также варианты без водоотводных труб, то есть в качестве дренирующего и водоотводящего элемента служит щебень в обойме из геосинтетического материала. Кроме того, для защиты от кольматации неткаными материалами оборачивают водоотводные пластиковые и асбоцементные трубы.
Технология устройства пластовых дренажей в основаниях насыпей или выемок включает подготовку основания; раскладку нижнего слоя геосинтетического материала с продольной и поперечной стыковкой полотен; распределение слоя щебня толщиной 20-30 см фракции 40-70 (гранитный или известковый, марки не ниже М 800); разравнивание слоя щебня; укладку верхнего слоя геосинтетического материала; устройство земляного полотна.
При использовании объёмных геосинтетических материалов технология работ включает подготовку основания; укладку объёмного геосинтетического материала; отсыпку слоя грунта поверх объёмного материала слоем не менее 0,6 м по схеме «от себя»; уплотнение по стандартной технологии.
Выполнение земляных работ в зимнее время сокращает сроки строительства и улучшает использование производственных фондов, что в целом снижает себестоимость строительства. Однако в зимнее время уменьшается производительность труда, существенно растут затраты на обеспечение требуемого качества.
СНиП 2.05.02-85 устанавливает перечень работ по сооружению земляного полотна, которые целесообразно выполнять в зимний период: разработка выемок и резервов в грунтах, имеющих влажность не выше оптимальной, в необводнённых песках, обломочных и скальных грунтах; возведение насыпей из грунтов, имеющих влажность на 5 % менее допустимой, а также из песчаных и обломочных грунтов, на болотах; выторфовывание. Выполнение иных видов работ допускается по индивидуальным проектам производства работ. Применение глинистых грунтов допускается только в талом виде и только при выполнении в соответствии с проектом мероприятий по обеспечению необходимой устойчивости земляного полотна. Не допускается использование глинистых грунтов с влажностью более оптимальной.
Предварительную оценку эффективности выполнения различных видов земляных работ в зимнее время рекомендуется выполнять в проекте производства работ (ППР) с учётом величины и продолжительности отрицательных температур, числа дней со снегопадами, расстояний транспортирования грунта, удалённости объекта от жилья, возможности искусственного освещения места работ и других факторов. Снижение требований к плотности грунтов, геометрическим размерам элементов земляного полотна при выполнении работ в зимнее время не допускается. Земляные работы в зимнее время должны выполняться непрерывно. Их следует вести высокими темпами, с концентрацией производственных средств на узком фронте работ. Разработка боковых резервов возможна при толщине мёрзлого слоя не более 10 см или в начале зимнего периода при температуре воздуха близкой к 0°С. В остальных случаях получать грунт целесообразно из глубоких сосредоточенных резервов или карьеров, пригодных для работы экскаваторов.
Машины, предназначенные для работы в зимний период, должны иметь утеплённые кабины и капоты для двигателей, усиленное осветительное оборудование, а также дополнительное оснащение для очистки рабочих органов от примёрзшего грунта и устройства, повышающие проходимость транспортных машин. Фронт работы и подъездные пути должны быть ограничены хорошо видимыми и не заносимыми снегом знаками. Проектом производства работ предусматривается организация систематической очистки от снега и льда рабочих площадей и транспортных путей специализированными машинами. В зимнее время повышаются требования к соблюдению правил безопасности производства работ. Особое внимание необходимо уделять применению непромышленных устройств и приспособлений в местах обогрева, а также использованию открытого огня (факелов) для подогрева узлов машин, масел, топлива.
Подготовительные работы. До начала земляных работ на объектах, намеченных к строительству в зимних условиях, кроме общих подготовительных работ, должны быть проведены следующие специальные предварительные работы: установлены снегонезаносимые разбивочные знаки; обеспечен водоотвод в местах производства работ на осенний дождливый период и на время таяния снега, подготовлены подъездные пути и средства ограждения их от снежных заносов; предохранены от промерзания участки, намеченные к разработке, а также участки с пучинистыми основаниями; обеспечено освещение мест разработки и укладки грунта; подготовлены помещения для обогрева рабочих.
Основания под насыпи должны быть подготовлены в летнее время (включая снятие плодородного слоя почвы), а перед началом работ тщательно очищены от снега, льда и уплотнены. В случае возведения насыпи на сильно и чрезмерно пучинистых грунтах в районах с глубиной промерзания более 1,5 м нижние слои насыпей (1,2-1,5 м) следует устраивать до наступления устойчивых отрицательных температур.
До наступления холодов необходимо подготовить поверхности сосредоточенных резервов и грунтовых карьеров к разработке в зимнее время. Подготовка заключается в устройстве подъездных дорог, расчистке поверхности, устройстве входных забоев и пионерных траншей, а также в укладке утепляющих слоев на поверхности грунта карьера или использовании химических реагентов для предотвращения промерзания грунта. Способы защиты грунта от промерзания указываются в ППР.
Наиболее простой и экономичный способ предохранения грунта от промерзания - рыхление или вспахивание на глубину 35-40 см, желательно с боронованием поверхности на глубину 15 см. Рыхление грунта производят одно- и многостойковыми рыхлителями, вспахивание - плугами с перекрёстным движением агрегата. Мелкое рыхление можно выполнять фрезами или сельскохозяйственными боронами. Данный способ обеспечивает в средней и центральной части страны отсутствие промерзания. Обязательными условиями получения положительного эффекта от рыхления грунта являются: обеспечение стока атмосферных осадков с поверхности утепляемого участка и рыхление непосредственно перед наступлением заморозков.
Для утепления небольших участков и траншей можно использовать перелопачивание и окучивание грунта экскаваторами на глубину ожидаемого промерзания грунта, но не более чем на 1,5 м.
На участках, намеченных к разработке во вторую треть зимы, рыхление грунта должно сопровождаться мероприятиями, обеспечивающими снегонакопление. С этой целью на открытых и хорошо продуваемых участках устраивают снегозадержание в виде снеговых и грунтовых валов или разреженных щитовых рядов. Расстояние между валами или линиями щитов равно 10-15 -кратной высоте вала или щита. Можно проводить засыпку утепляемой поверхности снегом с соседних участков бульдозерами или снегоочистителями-метателями.
В резервах, карьерах и при небольших площадях выемок для защиты грунта от промерзания могут быть использованы местные теплоизоляционные материалы: опилки, стружки, торф, солома, мох. Для длительного сохранения грунта в талом состоянии используется быстротвердеющий пенопласт, изготовленный на месте работ специальными установками из вспененного раствора карбамидоформальдегидной смолы (30 %) и сульфанола (1 %) в воде (54 %), отверждаемый на выходе из установки 4 %-ной соляной кислотой (15 %). Пенопласт заливается слоями толщиной до 5-8 см. Для кратковременного (до 2-3 недель) предохранения от промерзания возможно укрытие грунта геотекстилем или полиэтиленовой плёнкой толщиной 0,08-0,12 мм.
Предохранить грунт от промерзания можно также путём его обработки химическими реагентами (хлористый натрий, нитрат натрия NaNО2 и др.). Для обеспечения необходимого проникания соли вглубь грунта рассыпь сухой соли на участке заканчивается за 5-15 суток до наступления зимнего периода для песчаных и супесчаных грунтов и за 20-30 суток - для суглинистых грунтов. Засоление грунта концентрированным (20-30 %) раствором соли (хлористым натрием) можно проводить непосредственно перед наступлением морозов. Нормы расхода соли принимаются по табл. 11.1.
Таблица 11.1
|
Влажность грунта, % |
Расход соли, кг/м2 (л/м2), при глубине промерзания, м |
||||||
|
1,0 |
1,2 |
1,4 |
1,6 |
1,8 |
2,0 |
2,4 |
|
|
15 |
9 (30) |
12 (40) |
15 (47) |
19 (60) |
22 (70) |
26 (80) |
28 (90) |
|
20 |
13 (40) |
19 (60) |
22 (70) |
26 (85) |
32 (100) |
33 (100) |
38 (120) |
|
25 |
16 (45) |
22 (65) |
27 (80) |
32 (100) |
36 (115) |
41 (175) |
45 (130) |
При наличии вблизи карьера источника водоснабжения поверхность грунта, подлежащая разработке, может быть утеплена намораживанием пенольда толщиной до 40-50 см, который в дальнейшем легко счищается бульдозерами по мере разработки карьера. Водовоздушная пена изготовляется в пожарных машинах из водного раствора сульфанола (1 %) или волгоната (0,1 %) с примесью стабилизатора пены (0,05 % карбоксилметилцеллюлозы или желатина) и наносится на изолируемую поверхность слоями толщиной 10-15 см с последующим их замерзанием при температуре воздуха не выше -10°...-12°С.
Резервы, предназначенные к разработке в зимних условиях, должны быть обследованы предварительно осенью. В задачу обследования входит определение плотности и влажности грунтов для решения вопроса о пригодности резерва или его участка для разработки. Пробы грунтов для этих целей берут до глубины, намеченной к разработке. После наступления морозов проверяют влажность грунта в верхнем слое забоя.
В табл. 11.2 приведены данные технико-экономического сравнения различных способов подготовки грунтовых резервов к зимней разработке.
Сооружение насыпей и разработка выемок. При разработке выемок или карьеров в зимних условиях необходимо очищать поверхность экскавации от снега, льда, кустарника, растительного слоя, утепляющих материалов не более, чем на одну смену вперёд, и в дальнейшем - по мере продвижения забоя, непосредственно перед началом разработки грунта. Площадь очистки определяется суточной производительностью землеройной машины при температуре до -10°С, а при более низких температурах - её сменной производительностью, а также возможностью уплотнения планируемого объёма имеющимися уплотняющими средствами.
При сильных снегопадах и метелях разработку грунта и отсыпку насыпей необходимо прекращать, а перед возобновлением работ полностью удалить снег и лёд из забоя. Во время оттепелей и перед началом весеннего снеготаяния верхняя часть и откосы насыпей, возведённые зимой, должны быть очищены от снега. Дно и откосы выемок следует планировать после оттаивания грунта.
Для разработки грунта зимой преимущественно используют экскаваторы с ковшом вместимостью более 1 м3. Если толщина мёрзлого слоя не превышает 25-30 см, то при работе экскаватора с ковшом вместимостью более 1 м3 специального рыхления не требуется. В начале зимы при толщине мёрзлого слоя не более 20 см возможна разработка грунта скреперами с ковшами вместимостью более 6 м3 при условии обеспечения их непрерывной работой. Если толщина мёрзлого слоя больше указанных значений, его нужно предварительно взрыхлить и удалить бульдозерами.
Технико-экономические показатели подготовки грунта к разработке зимой
Таблица 11.2
|
Работы |
Способ подготовки грунта к разработке |
Машины и средства разработки грунта |
Показатели на 1 м3 |
Рациональные условия применения |
|
|
энергоёмкость, квт-час |
трудоёмкость, чел.-дн |
||||
|
Снижение теплопроводности грунта |
Вспашка и боронование грунта со снегозадержанием |
Тракторные рыхлители, бороны |
0,6 |
0,002-0,04 |
Для утепления карьеров и выемок в районах с глубиной промерзания до 1 м и толщиной снега не менее 30 см |
|
Перекрёстное рыхление с боронованием |
Рыхлители, бульдозеры |
- |
0,005 |
Для разработки во второй трети зимы при глубине рыхления на 50-80 см |
|
|
Глубокое рыхление и окучивание |
Экскаваторы, рыхлители |
1,6 |
0,02 |
Для разработки в последней трети зимы на глубину промерзания не свыше 1,5 м |
|
|
Рыхление дизель-молотом с клином |
Экскаватор Э-652 |
- |
0,02 |
При разработке выемок и карьеров в I-IV-й температурных зонах |
|
|
Рыхление виброклином на тракторе Т-130 |
Трактор Т-130 |
- |
0,003-0,02 |
Тоже |
|
|
Рыхление клин-молотом или шар-молотом |
Экскаватор Э-652 |
- |
0,02-0,03 |
Тоже |
|
|
Утепление поверхности теплоизоляционными материалами |
Утепление опилками слоем до 40 см |
Опилки, солома |
- |
0,004 |
Для утепления карьеров и выемок в I-IV-й температурных зонах при наличии местных дешёвых теплоизоляторов |
|
Утепление фрезерным торфом слоем до 40 см |
Торф |
- |
0,004 |
||
|
Покрытие быстротвердеющим пенопластом толщиной 10- 15 см |
Пеногенераторная установка |
- |
0,005 |
В глубоких карьерах для длительного утепления, для покрытия штабелей (буртов) материалов |
|
|
Покрытие из пенольда толщиной 20 см |
Пеногенератор, сульфанол, волгонат, КМЦ, ГКЖ-94 |
- |
0,005 |
То же, при отсутствии снега и температуре не выше 10-15°С |
|
|
Укрытие геотекстилем (возможно повторное использование) |
Геотекстиль |
- |
0,02 |
Для задержки промерзания грунта на 2-3 недели в начале зимы при перерывах в работе |
|
|
Утепление пенопластом толщиной 10-30 см |
Пенопласт |
- |
0,008 |
На дорогах с капитальным типом покрытия II-III категории в I-IV-й температурных зонах |
|
|
Механическое разрушение |
Рыхление, резание грунтов |
Тяжёлые рыхлители на тракторах класса тяги более 15 т |
0,6 |
0,002 |
Рыхление в карьерах и выемках методом взламывания, для послойного рыхления мёрзлого грунта в выемках |
|
Экскаваторы с ковшами активного действия |
1,6 |
0,01 |
Разработка карьеров и выемок при промерзании грунта до 40-50 см |
||
|
Цепные баровые дискофрезерные машины |
10 |
0,06 0,15 |
Нарезание на блоки при блочной разработке выемок, при разработке траншей |
||
|
Ударный способ |
Подвесные к экскаватору шар- и клин-молоты |
2,8 |
0,04 0,06 |
Разработка небольших карьеров и стеснённые места при глубине промерзания до 1,5 м |
|
|
Тракторный дизель-молот с клиньями массой 0,6 т и 1,2 т |
- |
0,05 0,03 |
|||
|
Взрывной способ: а) шпуровой |
Передвижные бурильные станки |
1,0 |
0,05 |
В карьерах и выемках при глубине промерзания грунта: до 1,5 м |
|
|
б) скважинный целевой |
1,2 |
0,05 |
от 1,5 м до 2,5 м |
||
|
в) шахтный (в рукавах) |
Баровые и дискофрезерные машины |
1,6 |
0,03-0,05 |
более 2,5 м |
|
|
Врубовые механизмы и щиты |
- |
0,10-0,15 |
При разработке глубоких выемок на выброс |
||
|
Оттаивание |
Тепловое, поверхностное |
Сжигание в коробах |
1,36 |
0,14-0,16 |
На небольших площадях при глубине промерзания до 1,5 м |
|
Тепловое, глубинное |
Электроиглы, вертикальные электроды |
1,8 |
0,09 |
То же, при глубине промерзания до 2,5 м |
|
|
Химическое оттаивание раствором хлористого натрия |
Автоцистерна |
- |
0,03 |
Для размораживания несвязных грунтов на глубину: до 2.5 м |
|
|
Буровые станки (для недренирующих грунтов) |
- |
0,1-0,3 |
до 2,5 м и более. |
||
При промерзании грунта в карьерах или выемках на глубину, превышающую 30 см, его разработка возможна только после подготовки поверхности одним из следующих способов: предохранением грунта от промерзания, оттаиванием и рыхлением мёрзлого грунта. Выбор способа подготовки должен обосновываться в проекте в зависимости от объёмов и условий работы (см. табл. 11.2), сроков их выполнения, наличия материалов и оборудования, себестоимости подготовительных работ и др.
Предохранение грунта от промерзания позволяет или вообще исключить замерзание поверхности карьера, или снизить толщину мёрзлой корки до тех пределов, когда для её разрушения можно применить навесные тракторные рыхлители. Тип базового трактора-рыхлителя выбирается в зависимости от глубины промерзания (табл. 11.3).
Таблица 11.3
|
Глубина промерзания, м |
0,3-0,4 |
0,5-0,7 |
0,7-0,8 |
|
Необходимое тяговое усилие трактора, тс |
10-12 |
15-20 |
20-30 |
При таких глубинах рыхление ведётся путём взламывания мёрзлого слоя грунта снизу за один приём. При промерзании более приведённых значений послойное рыхление проводится тяжёлыми рыхлителями, смонтированными на тракторах, развивающих тяговое усилие не менее 25 тс.
Для рыхления мёрзлого грунта при глубине промерзания 0,6-1,0 м применяют различные механизмы ударного действия, смонтированные на бульдозерах, тракторах, тракторных погрузчиках и экскаваторах, рабочими органами которых служат клиновые рыхлители, погружаемые дизель-молотами, ударными приспособлениями, вибраторами и т. п.
При отсутствии специальных рыхлителей и небольших объёмах работ для рыхления мёрзлого грунта допускается применять подвесные к стрелам экскаваторов шар- и клин-молоты. При глубинах промерзания до 0,8-1,5 м используются молоты массой 1,5-3,0 т, сбрасываемые с высоты 2-5 м. Параметры удара подбираются такие, чтобы глубина лунки составляла не менее 0,6 толщины мёрзлого слоя.
Для разработки траншей в мёрзлых грунтах могут быть применены дискофрезерные машины, баровые машины, роторные и цепные экскаваторы со специальным рабочим оборудованием. Эти же машины могут использоваться для разработки выемок блочным способом. Размер распиловки блоков определяется вместимостью ковша экскаватора и составляет от 60×60 до 90×90 см.
При больших объёмах работ на безопасном удалении от зданий, сооружений (линий связи, линий электропередач и др.) и при выполнении других требований охраны окружающей среды для разработки верхней смёрзшейся корки грунта допускается применять взрывание: при глубине промерзания до 1,5 м - шпуровой или щелевой методы; при промерзании на глубину более 1,5 м - скважинный метод. При глубине промерзания до 1,5 м заряды закладывают на глубину промерзания или несколько ниже подошвы мёрзлого слоя. При большей глубине промерзания - на 20-30 см выше границы мёрзлого слоя. Величина зарядов определяется опытным путём в зависимости от прочности грунтов и глубины промерзания. В мёрзлых грунтах рекомендуется бурить шпуры при помощи самоходной машины, передвижными буровыми станками, термобурами и др.
Щели в мёрзлом грунте нарезают щелерезными дискофрезерными или баровыми машинами.
При разработке мёрзлых грунтов забой делят на две смежные захватки, на одной из которых ведут экскавацию взорванного грунта, а другую подготавливают к взрыванию. Шпуры и скважины располагают в шахматном порядке на расстоянии не более удвоенной толщины мёрзлого слоя. Направление бурения шпуров и скважин вертикальное. При рыхлении мёрзлой корки в откосе и лобовой части забоя применяют наклонные шпуры, перпендикулярные к поверхности мёрзлого слоя. Готовые шпуры и скважины закрываются деревянными пробками длиной 25 см.
Зарядные и компенсирующие щели нарезаются параллельно на расстоянии 0,8 м на глубину промерзания грунта. В мёрзлых песчаных и растительных грунтах расстояние между рядами шпуров или щелями можно увеличивать на 10 %, а в тяжёлых уменьшать на 10 %.
При глубине промерзания грунта до 2 м в шпурах и скважинах применяют сосредоточенные, а при большей глубине - рассредоточенные заряды. Зарядка щелей производится через одну щель удлинёнными или рассредоточенными зарядами. Для засыпки зарядов используют песок, гранулированный шлак, смесь песка с глиной или измельченный талый грунт. Забойку необходимо выполнять с максимальной осторожностью.
Метод коротко замедленного взрывания применяют при любой глубине промерзания грунта. Взрывание ведётся строго в соответствии с установленным режимом и графиком работ. Разрыхленный грунт должен быть убран в течение смены, а при сильных морозах (ниже -20°С) в течение 3-4 часов. В связи с этим при температуре ниже -20°С взрывы рекомендуется производить ежесменно.
Взрывные работы производятся специализированными организациями с соблюдением единых правил безопасности при ведении взрывных работ. К началу выполнения работ строительная организация должна быть обеспечена документацией, согласованной с Госгортехнадзором.
В отдельных случаях в стеснённых условиях, труднодоступных местах и незначительных объёмах работ (до 50 м3) при невозможности использования других более экономичных способов допускается оттаивать мёрзлые грунты. Применение того или иного способа оттаивания решается путём проведения специального экономического обоснования, выполненного в ППР.
Для оттаивания мёрзлого грунта на поверхности применяют огневой способ с использованием твёрдого (дрова, торф, каменный уголь), жидкого (керосин, мазут) и газообразного топлива. При огневом способе на площади, предназначенной к оттаиванию, устанавливают короба-сегменты, засыпаемые шлаком или слоем грунта толщиной 10-15 см. Твёрдое топливо сжигается непосредственно в коробе, жидкое и газообразное - в форсунках. Для отогрева грунта также применяются паровые и водяные регистры, электрические спирали, коаксиальные нагреватели, ТЭНы. Для глубинного оттаивания применяют электроиглы, вертикальные электроды, паровые и водяные циркуляционные иглы. Время оттаивания мёрзлого грунта зависит от ряда факторов и при глубине промерзания грунтов 1,0-1,2 м оно находится в пределах от 10-15 часов до 30-40 часов.
Несвязные и малосвязные грунты могут быть разморожены горячим концентрированным (20-23 %) раствором технического хлористого натрия. Начальный расход раствора принимают в соответствии с табл. 11.1. Для ускорения отогрева плохофильтрующих грунтов горячий раствор соли может нагнетаться через скважины или щели, пробуренные на глубину 0,6 м толщины мёрзлого слоя.
В зимних условиях рекомендуется для транспортировки грунта применять автосамосвалы с обогреваемыми кузовами. При наличии обычных автосамосвалов во избежание примерзания грунта к металлу дно и стенки кузовов следует обмазывать изнутри (не реже 2-3 раз в смену) концентрированным раствором технического хлористого кальция или нефтепродуктами (нефть, мазут, отработанное масло). Кузова автосамосвалов, ковши экскаваторов и скреперов в конце смены и при перерывах в работе полностью очищают от грунта.
При транспортировании грунта из резерва в насыпь с соблюдением требования сохранения талого состояния время от начала разработки грунта до окончательного его уплотнения в насыпи не должно превышать пределов, указанных в табл. 11.4.
Таблица 11.4
|
Температура воздуха, °С |
Время от момента разработки до конца уплотнения грунта, час |
Предельная длина рабочей захватки грунтоуплотняющей машины, м |
|
0...-5 |
до 3 |
150-100 |
|
-5...-10 |
3-2 |
100-60 |
|
-10...-20 |
2-1 |
60-35 |
|
-20...-30 |
1-0,5 |
35-20 |
Предельную дальность транспортировки грунта устанавливают из условия его несмерзаемости во время перевозки. На эту операцию не должно отводиться более половины указанного в табл. 11.4 времени. В табл. 11.4 дана также рациональная длина рабочей захватки для пневмошинных, решетчатых и вибрационных катков, которую они способны уплотнять до смерзания грунта. При этом ширину захватки следует принимать не более двойной ширины, уплотняемой машиной за один проход. При силе ветра более 4-5 м/сек указанные промежутки времени уменьшают в 2 раза, а при наличии в отсыпаемом грунте более 30 % мёрзлых комьев - ещё в 1,5 раза.
Основные показатели технологического процесса по возведению насыпи зимой (состав дорожно-строительного отряда, расположение карьеров по трассе, скорость рабочего потока по отсыпке насыпи и уплотнению грунта и др.) устанавливаются заранее с учётом вероятных погодно-климатических данных места строительства (СНиП 23-01-99). Надёжность прогнозов условий производства работ принимается равной 90 %.
Размер мёрзлых комьев при возведении насыпей согласно СНиП 3.06.03-85 не должен превышать 30 см при уплотнении грунтов решетчатыми катками и трамбующими машинами и 15 см при уплотнении грунта вибрационными и пневматическими катками массой не менее 25 т. Укладка мёрзлых комьев грунта допускается на расстоянии не ближе 1 м от поверхности откосов. Количество мёрзлого грунта не должно превышать 30 % от общего объёма грунта, укладываемого в насыпь.
Мёрзлый грунт должен быть равномерно распределён по отсыпаемому слою. Нельзя допускать скопления мёрзлых комьев в теле насыпи, особенно в её боковых частях и на откосах. Излишек мёрзлого грунта удаляется за пределы насыпи, крупные мёрзлые комья раздробляются до необходимых размеров. Наличие в насыпи включений снега и льда не допускается. В часть насыпи, расположенную ниже уровня грунтовых вод, на болотах с полным или частичным выторфовыванием разрешается укладывать песчаные мёрзлые грунты при условии, что верхняя часть насыпи будет возведена из талых грунтов.
Кавальеры, отсыпанные в зимних условиях, должны быть отодвинуты от бровки выемки на 1,5 м при высоте кавальера до 2 м и на 2,5 м при высоте кавальера более 2 м. Для наиболее эффективного использования землеройно-транспортного оборудования и исключения дополнительного рыхления грунта, замёрзшего во время перерывов в работе, организуют круглосуточную работу машин на сравнительно узком фронте. При вынужденных перерывах в работе вскрытые резервы и выемки должны быть утеплены с расчётом сохранения талой поверхности на период возобновления разработки грунта.
Уплотнение грунтов. Уплотнение грунтов в зимних условиях ведут в основном тяжёлыми уплотняющими средствами, обеспечивающими значительную глубину проработки слоя на сравнительно узком фронте работ. Необходимый режим работы уплотняющих машин устанавливается по результатам пробного уплотнения с уточнением технологических параметров процесса и максимально допустимой по температурным условиям длины захватки, толщины отсыпаемого слоя грунта, рабочей скорости движения машины и числа проходов (ударов) по одному следу. Уплотняющие средства в зимний период входят в состав ведущих машин.
Наиболее рациональными уплотняющими машинами для зимнего времени являются кулачковые виброкатки массой 10-17 т. В определённых случаях можно применять прицепные решетчатые или пневмоколёсные катки и машины для трамбования. При трамбовании достигается дробление мёрзлых комьев и более плотная упаковка раздробленных частиц. Решетчатые катки разрушают комья в основном в контактной зоне. Для уплотнения талых грунтов при незначительной примеси мёрзлых комьев (до 20 %) допускается использование пневмоколёсных катков массой не менее 25 т.
Применение вибрационных катков в зимнее время даёт успешные результаты. Однако не допускается работа катка на поверхности мёрзлого слоя, поскольку отсутствие демпфирования приводит к осложнённому режиму работы вибрационного устройства.
В I и II дорожно-климатических зонах для насыпей, возводимых на полную высоту из глинистых, а также мелкозернистых песчаных грунтов при отрицательной температуре, проектом должна быть предусмотрена осадка после оттаивания до 3 % высоты насыпи.
В общем виде технологическая последовательность производства работ по устройству подстилающего слоя в зимних условиях включает: подготовку поверхности рабочего слоя; подготовку карьера к экскавации песка; разработку источников получения песка в сухомёрзлом или талом состоянии с погрузкой в транспортные средства, транспортирование и разгрузку его на месте устройства морозозащитного слоя (МЗС); очистку от снега и льда поверхности рабочего слоя непосредственно перед отсыпкой; разравнивание, планировку (в необходимых случаях рыхление); уплотнение до плотности (степени уплотнения), устанавливаемой пробным уплотнением для сухомёрзлых или талых грунтов.
Подготовка поверхности рабочего слоя включает в себя расчистку от снега, льда и всех предметов, мешающих нормальному процессу производства работ;
Сооружение подстилающего слоя рекомендуется выполнять двумя захватками: на первой осуществляется отсыпка песка, его разравнивание и планировка; на второй - послойное уплотнение.
Ориентировочную длину захватки рекомендуется принимать в зависимости от температуры воздуха: до - 10°С длина захватки составляет 40-50 м; от - 10°С до -20°С длина уменьшается до 30 м. Снижается также производительность уплотняющих средств. В каждом конкретном случае длину захватки назначают по результатам пробной отсыпки и пробного уплотнения, учитывая при этом общий темп отсыпки, связанный с дальностью транспортировки песка и количеством транспортных средств, а также с учётом сменной производительности применяемых уплотняющих средств.
Разравнивание отсыпаемых объемов песка осуществляют бульдозерами с последующим формированием и подготовкой тяжёлым автогрейдером расчётного слоя толщиной (в рыхлом состоянии), установленной проектом, для последующего уплотнения кулачковыми и гладковальцовыми виброкатками.
Количество проходов катков и толщину уплотняемого слоя устанавливают на основе пробного уплотнения. Рекомендуемое первоначальное количество проходов уплотняющих средств (6-8 проходов по одному следу) принимают в зависимости от состояния используемого песка (талое или сухомёрзлое), массы катков, конфигурации вальцов, характера и степени воздействия (динамика или статика), температуры наружного воздуха, температуры грунта.
Пробное уплотнение, необходимое для осуществления как для сухомёрзлых, так и для талых песков по отдельной схеме, рекомендуется выполнять для следующих толщин (в плотном теле) слоев: полной или половинной толщины подстилающего слоя (МЗС). Указанные величины уточняются в зависимости от изменения конкретных условий (температуры, массы катков, схемы уплотнения, источников получения песка и его состояния).
Пробное уплотнение выполняется по следующему регламенту:
транспортируют талый или сухомёрзлый грунт на подготовленную поверхность рабочего слоя;
разравнивают и формируют слой требуемой по проекту толщины (или половину требуемой толщины слоя);
прикатывают гусеничным бульдозером или гладковальцовым катком (не более двух проходов);
определяют первоначальную степень уплотнения (коэффициент уплотнения Купл);
уплотняют слой песка после прикатки тяжёлыми виброкатками с кулачковыми вальцами; при этом после каждых двух проходов тяжёлого виброкатка поверхность слоя прикатывают гладковальцовым пневмокатком и отбирают пробы режущим кольцом для определения коэффициента уплотнения.
Для слоя заданной толщины, массы катка, количества проходов, температуры песка и воздуха строят график зависимости Kупл = f(N), где Купл - коэффициент уплотнения; N - количество проходов катка по одному следу.
Максимально достигаемый коэффициент уплотнения для каждого из слоев определяется по зависимости Kупл = f(N) исходя из условия, когда Купл не зависит от количества проходов. Для дальнейшей работы принимается толщина слоя и количество проходов катка данной массы, при которых достигается максимально возможный для данных условий коэффициент уплотнения, который и принимается в качестве требуемого. При этом устанавливаются причины, по которым не удаётся достигнуть требуемого значения коэффициента уплотнения согласно СНиП 2.05.02-85 (см. табл. 22), а именно: естественная влажность, степень неоднородности песка, температура, масса катка и прочее. Следует иметь в виду, что по кривой стандартного уплотнения используемого песка в зависимости от естественной влажности можно предварительно установить максимально возможный коэффициент уплотнения.
По результатам пробного уплотнения составляется акт, который утверждается руководством строительной организации, согласовывается службой инженерного сопровождения и проектной организацией. В случае резкого изменения погодных условий, замены уплотняющей техники рекомендуется выполнять повторное пробное уплотнение.
Наибольший линейный размер мёрзлых комьев не должен превышать 20 см, а их количество должно составлять не более 10 % общего объема укладываемого песка. Наличие в отсыпаемом песке снега и льда не допускается. Комья-негабариты необходимо вывозить с места отсыпки. Не допускается также очистка кузовов автосамосвалов от снега и комьев мёрзлого грунта в местах отсыпки.
Отсыпку и разравнивание транспортируемых объемов песка на захватке производят в сроки, позволяющие осуществлять завершение уплотнения до начала его смерзания, то есть в талом состоянии. После образования на поверхности уплотняемого слоя мёрзлой корки толщиной 3-4 см дальнейшее уплотнение малоэффективно, в связи с чем необходимо выполнять дополнительное рыхление. При уплотнении песка кулачковыми катками до начала смерзания подготовленного слоя автогрейдером срезают перфорацию от следа, а поверхность на отметке рабочего слоя прикатывают пневмокатками.
При сильных снегопадах и метелях, а также при температуре воздуха ниже -25°С и силе ветра свыше 10 м/сек отсыпку песка необходимо прекратить и утеплить поверхность слоем снега. При возобновлении работ и транспортировке песка для очередного технологического слоя с поверхности, на которую производится последующая отсыпка, удаляется снег и лед и разрыхляется поверхность на глубину не менее 0,3 м.
В зимний период разрешается выполнять работы: по устройству малых искусственных сооружений и отдельных конструктивных элементов всех типов под малые мосты и трубы, включая замену слабых грунтов песками или устройство свайного ростверка; монтаж сборных железобетонных элементов перед укладкой звеньев труб; сборных железобетонных оголовков; устройство переходных плит в местах сопряжения мостов с подходами. Перед началом работ по устройству малых искусственных сооружений в зимний период должна быть подготовлена или восстановлена геодезическая разбивочная сеть.
В зимний период допускается выполнять работы либо непосредственно по монтажу железобетонных труб, либо по засыпке их пазух в тех случаях, когда трубы полностью подготовлены в осенний период: выполнена заделка стыков и устроена гидроизоляция. Указанные операции рекомендуется осуществлять только при положительных температурах. Особое значение при устройстве котлованов, фундаментов, песчаных и щебеночных подушек имеет подготовка строительной площадки. Площадку в зоне строительства труб очищают от снега и льда, не допуская и при последующих работах их накопления в пределах рабочей территории. После очистки от снега и льда необходимо выполнить грубую планировку на расстоянии не менее 10 м в каждую сторону от оси трубы с приданием уклонов, обеспечивающих сток воды от трубы. У входного оголовка естественное русло водотока расчищают от снега и льда. Для завоза оборудования, бетонных блоков и звеньев, других дорожно-строительных материалов бульдозером расчищают от снега и планируют (устраивают) подъездные дороги, обеспечивающие свободный проезд, желательно по кольцевой схеме движения. Щебень (или песок), укладываемый по спланированной и зачищенной поверхности дна котлована для подготовки под фундамент из лекальных блоков и под блоки оголовков, должен быть в талом или сухомерзлом состоянии, без примеси снега и льда. Перед монтажными работами все сборные элементы труб осматривают для проверки налипания снега и льда, а также соответствия их марок, размеров, пригодности для укладки и монтажа в зимний период. После окончания монтажных работ в тех случаях, когда заделаны стыки между звеньями труб и ранее в период положительных температур устроена гидроизоляция их поверхности, засыпают пазухи с обеих сторон фундамента слоями 20-30 см из талого или (по согласованию с проектной организацией) сухомерзлого грунта. Уплотнение осуществляют гладковальцовыми или кулачковыми катками (вибрационными или статического действия) и механическими трамбовками (вблизи железобетонных элементов). Контроль качества работ по строительству малых искусственных сооружений в зимний период должен осуществляться: при выполнении геодезических и разбивочных работ; восстановлении реперной сети; при приемке материалов и конструкций и условий их хранения в зимний период; в процессе устройства фундаментов, замены слабых грунтов с учетом отрицательных температур (акты скрытых работ); в процессе монтажа сооружений или отдельных конструктивных элементов; при засыпке труб, устоев мостов, укрепления конусов.
Строительные организации до сдачи в эксплуатацию законченного малого моста или трубы при строительстве в зимний период должны вести систематические наблюдения за их техническим состоянием и осуществлять геодезический (инструментальный) контроль за положением возведенных конструкций в плане и профиле в процессе оттаивания насыпного грунта и грунта естественных оснований, особенно после прохода паводковых вод. Осмотр труб и контроль за положением их звеньев (секций) выполняются строительными организациями после оттаивания грунта засыпок. Результаты контроля необходимо оформлять соответствующим актом.
Вопросам обеспечения прочности и устойчивости земляного полотна автомобильных дорог в различных условиях его эксплуатации посвящены исследования Ю.М. Васильева, Э.М. Доброва, И.Е. Евгеньева, И.А. Золоторя, Н.Н. Иванова, В.Д. Казарновского, Н.Б. Корсунского, A.M. Кривисского, Э.К. Кузахметовой, Н.В. Орнатского, Н.А. Пузакова, В.И. Рувинского, В.М. Сиденко, А.Я. Тулаева, АИ. Ярмолинского и многих других ученых.
Установлено, что в процессе службы дороги под влиянием природных факторов и воздействием транспортных нагрузок прочность земляного полотна снижается и в нем начинают возникать деформации, нарушается устойчивость.
Изменение водно-теплового режима земляного полотна, особенно на автомобильных дорогах с водонепроницаемыми покрытиями, даже при благоприятных условиях увлажнения вызывает в грунте сложные физико-химические процессы. Влажность и плотность грунтов в течение года претерпевают существенные изменения, которые отражаются на условиях работы дорожных одежд и сокращают срок их службы.
На многих старых дорогах неоднородные и неравномерно уплотненные грунты земляного полотна при промерзании подвергаются морозному пучению, вызывающему образование трещин на покрытиях. Через трещины весной в верхнюю часть земляного полотна проникает поверхностная вода, способствуя увлажнению грунтов.
Весной при оттаивании ледяных линз и прослоек в земляном полотне появляется свободная вода и его прочность снижается. Величина модуля упругости при этом падает иногда на 25-40 %, что сопровождается образованием на дорожных покрытиях разрушений, особенно если коэффициент прочности дорожных одежд (отношение фактического модуля упругости к требуемому) меньше: для дорог I категории - 0,85; для дорог II категории - 0,80; для дорог - III и IV категорий - 0,75. На покрытиях автомобильных дорог, уложенных на изношенное основание и заниженное земляное полотно, весной обычно образуется сетка трещин в виде паутины, что свидетельствует о переувлажнении грунтов верхней части земляного полотна. При интенсивном движении грузовых автомобилей и автобусов на покрытиях нежесткого типа возникают просадки и колеи. В них задерживается поверхностная вода, также проникающая через трещины в земляное полотно. Даже при прочных дорожных одеждах поверхностная вода просачивается в тело насыпей. Наиболее интенсивное просачивание наблюдается в местах сопряжения проезжей части с обочинами. Установлено, что в процессе службы дорог в районах избыточного увлажнения с течением времени свойства грунтов верхней части земляного полотна ухудшаются.
При наличии усовершенствованных водонепроницаемых покрытий существенно уменьшается воздухообмен грунтов верхней части земляного полотна с атмосферой. В результате повышенной влажности грунта, особенно если в боковых резервах или канавах застаивается вода, пылеватые покровные суглинки через 15-20 лет превращаются в районах II дорожно-климатической зоны в оглеенные. Другими словами, связные грунты как бы своеобразно «стареют» в земляном полотне. На многих автомобильных дорогах нечерноземной зоны, имеющих заниженное земляное полотно, прочность грунтов постепенно снижается, соответственно уменьшается и прочность дорожных одежд. Поскольку интенсивность автомобильного движения с каждым годом возрастает, происходит постепенное уменьшение величины коэффициента прочности Кпр.
Откосы глубоких выемок и высоких насыпей также подвержены деформациям. К их поверхностным деформациям относят:
сползание дернового покрова по откосу выемки. Происходит оно в основном при связных грунтах после оттаивания;
воронкообразные или трубчатые выносы, которые образуются в местах выклинивания грунтовой воды или размывов на участках, где песок залегает под менее фильтрующим грунтом;
поверхностные сплывы иловатых грунтов при значительном расходе просачивающейся из откосов грунтовой воды.
Разрушения откосов, захватывающие большие объемы, наблюдаются: в результате просадок с образованием уступов, происходящих при высоком подъеме грунтовых вод; при образовании в пластических грунтах оползней, сползающих по круглоцилиндрическим поверхностям, которые большей частью не распространяются более чем на 6 м от бровки выемки; при сползании «блоками» по наклонной поверхности плотных подстилающих пород по тонким прослойкам, содержащим напорную воду, или по слою размягченных пластичных грунтов.
Природа поверхностных деформаций выемок и высоких насыпей чаще всего связана с образованием в грунте в течение зимы ледяных линз и прослоек, ориентированных параллельно откосам, то есть поверхностям, по которым происходит теплообмен. При оттаивании, особенно в дождливое время, когда грунт дополнительно насыщается влагой, верхняя часть откосов сползает. Плоскость сползания обычно совпадает с границей сезонного промерзания.
Сплывы чаще наблюдаются на южных, чем на северных откосах благодаря большей скорости оттаивания и потому большему содержанию в порах глинистых грунтов свободной воды.
Плохо уплотненное земляное полотно подвержено размывам, особенно при отсыпке его из макропористых грунтов, черноземов и пылеватых грунтов в районах с большим количеством выпадающих осадков и пересеченным рельефом местности. В степных районах Кубани и центральных черноземных областях нередки случаи, когда неукрепленные водоотводные канавы при продольном уклоне, превышающем 20-30 ‰, в течение одного года превращаются в глубокие рвы.
Таким образом, деформации земляного полотна всегда связаны с морозным пучением, сплывами откосов и их размывом, а также с размывом канав и обочин. Чтобы вылечить подверженное деформациям «больное» земляное полотно, необходимо знать его водно-тепловой режим.
В осенне-зимний период влажность верхних слоев земляного полотна увеличивается в результате проникания поверхностных вод через трещины покрытия, обочины и разделительную полосу, а также перемещения влаги из глубинных слоев грунта и боковых канав под дорожную одежду. Промерзание грунта земляного полотна представляет собой тепломассообменный процесс, связанный с непрерывной миграцией влаги в двухфазном состоянии (жидкая фаза и пар) и фазовыми превращениями: льдообразованием, испарением и конденсацией.
Земляное полотно промерзает по ширине неравномерно. Влага из нижней его части и с боков перемещается по направлению к дорожной одежде, где температура грунта наиболее низкая (рис. 12.1). Коэффициент температуропроводности дорожной одежды в 1,5-2 раза выше, чем грунта на обочинах, и особенно растительного грунта разделительной полосы. Влага под действием разности температур перемещается кверху. В зависимости от продолжительности зимы и температуры ледяные кристаллы в течение нескольких месяцев увеличиваются в объеме и покрытие подвергается морозному пучению.

Рис. 12.1. Неравномерность промерзания и оттаивания земляного полотна на автомобильных дорогах Московского узла:
1 - максимальная граница промерзания; 2 - границы оттаявшего грунта (сверху по датам); 3 - свободная вода, выделившаяся при оттаивании ледяных прослоек; 4 - направление отжатия свободной воды в период оттаивания грунтов; 5 - сплошной песчаный слой; 6 - основание дорожной одежды; 7 - асфальтобетонное покрытие; 8 - снег; 9 - уровень воды в канаве под снегом (25/III); 10 - ледяной слой на обочинах (20/IV); 11 - направление движения влаги по незамерзающим пленкам на поверхности грунтовых частиц к границе промерзающего грунта
На поверхности проезжей части появляются деформации, иногда приводящие к разрушению дорожной одежды. Места внешнего проявления деформаций называют пучинами. Процесс пучинообразования является круглогодичным и проходит последовательно пять стадий увлажнения (рис. 12.2).
Первая стадия - начальная, связанная с осенним периодом увлажнения. Влажность верхней часта земляного полотна вследствие инфильтрации свободной воды повышается до WЕ £ (0,65-0,7) WT, где WT - нижняя граница текучести грунта. Стадия продолжается до установления среднесуточной температуры воздуха -5°С. В это время пучение еще не наблюдается. Избыток свободной воды q в грунте отсутствует. Модуль упругости грунта при водонепроницаемых покрытиях и хорошем состоянии задернованных обочин всего на 10-15 % меньше, чем летом.
Вторая стадия - зимнее накопление влаги. При промерзании грунта накопленная с осени влага перераспределяется. С понижением температуры воздуха граница промерзания опускается, вызывая подтягивание влаги из талого слоя грунта в мерзлый. При сильных морозах (скорость промерзания по оси проезжей части vп не менее 4,5-5 см/сут) граница промерзания опускается быстро и влага из более глубоких теплых слоев грунта не успевает переместиться в верхнюю часть земляного полотна. При скорости vп £ 2,5 см/сут в грунте происходит интенсивное льдообразование, сопровождающееся неравномерным морозным пучением покрытия, приводящим к ухудшению его транспортно-эксплуатационных качеств.
Во время этой стадии в первую половину зимы при погодных условиях, близких к средней многолетней норме, в центральных, северных и северо-западных районах европейской части России влажность верхней части земляного полотна повышается до WЕ ³ (0,65-0,7) WT. Резко увеличивается и морозное пучение.

Рис. 12.2. Схема закономерности изменения во времени морозного пучения hпуч, модуля упругости Ео и влажности W грунтов земляного полотна во II и III дорожно-климатических зонах:
1 - влажность песчаного подстилающего слоя; 2 - влажность грунта верхней части земляного полотна; 3 - кривая промерзания; 4 - кривая оттаивания; 5 - ледяные линзы и прослойки; Z - глубина промерзания; I-V - стадии изменения влажности грунта
Третья стадия - вымерзание воды из песчаного подстилающего слоя дорожной одежды и установление равновесного состояния влаги в грунтах верхней части земляного полотна. В этот период наблюдается наиболее низкая зимняя температура. Глубина промерзания Z почти достигает максимума. По мере увеличения глубины увеличивается пучение. К концу третьей стадии пучение достигает максимума. Влажность земляного полотна практически не изменяется, влажность песчаного подстилающего слоя большей частью снижается из-за происходящего вымерзания. В южных районах с мягкими зимами, а также в районах с высокой влажностью воздуха вымерзание может и не наблюдаться.
Четвертая стадия - насыщение земляного полотна влагой. По мере оттаивания влажность грунта резко повышается. Морозное пучение уменьшается. Одновременно снижается модуль упругости грунта Ео. Избыток свободной воды q, выделяющейся в земляном полотне, отжимается по трещинам и порам грунта в корыто под действием движущихся грузовых автомобилей.
Повышение влажности связано с инфильтрацией свободной воды и конденсацией у верхней границы промерзания водяных паров. Относительная доля конденсационной воды по отношению к общему притоку воды, поступающему в корыто, увеличивается с приближением к югу.
Процесс изменения влажности земляного полотна зависит от скорости оттаивания. Чем продолжительнее затяжная весна (ночные заморозки сменяются теплыми солнечными днями без осадков), тем быстрее вследствие испарения днем и морозного вымерзания ночью уменьшается влажность грунта и, следовательно, меньше вероятность снижения модуля упругости грунта Ео. В годы с затяжной весной деформации на покрытиях почти не наблюдаются. При дружной весне, характеризуемой скоростью оттаивания 7-8 см/сут, наоборот, увеличивается количество деформаций на покрытиях из-за снижения прочности грунта и материала подстилающего слоя.
Осадки, выпадающие в период дружной весны, особенно если их количество превышает 60 мм, способствуют дополнительному увлажнению грунтов, которое может достигнуть величины, превышающей (0,85-0,9) WT. При столь значительной средней влажности грунтов верхней части земляного полотна в центральных районах европейской части удельный приток свободной воды в корыто нередко достигает 5-7 л/м2 в сутки. Процесс ее отжатия продолжается, пока влажность связных грунтов не снизится до We, меньшей (0,7-0,75) WT, и верхняя граница оттаивания не опустится глубже 1-1,2 м, что соответствует мощности несущего слоя грунта при современной расчетной нагрузке. Чем эффективнее работают дренирующий слой и дренажные устройства, тем быстрее восстанавливается летний режим земляного полотна, а потому быстрее повышается и модуль упругости грунта.
Пятая стадия - восстановление летнего водно-теплового режима земляного полотна при полном оттаивании. В грунтах остается лишь местами капиллярно-разомкнутая (подвешенная) вода, горизонт которой в центральных и северо-западных районах европейской части обычно расположен глубже 1м. Уменьшение влажности и увеличение плотности грунта связаны с высокой испаряющей способностью земляного полотна, особенно в насыпях, и опусканием уровня подземных вод почти до летней отметки.
Рассмотренная в общем виде закономерность изменения влажности относится лишь к верхней части земляного полотна глубиной до (2,5-3,0) D от поверхности проезжей части, где D - диаметр отпечатка колеса расчетного автомобиля.
Влажность грунтов, залегающих ниже 1,5-1,8 м, остается почти постоянной в течение года, даже в лесных районах II дорожно-климатической зоны, лишь незначительно повышаясь во время четвертой стадии. В лесных районах III зоны, где глубина промерзания z £ 1м, влажность связных грунтов нижней части земляного полотна практически стабильна. В степных районах IV и V зон, начиная с глубины 0,8-1,0 м, залегает так называемый «мертвый» горизонт, имеющий постоянную влажность (за исключением районов искусственного орошения и засоленных грунтов).
На влажность верхней части земляного полотна оказывают существенное влияние тип покрытия и общая толщина дорожной одежды. С ее увеличением уменьшаются пределы колебания влажности, а также модуль упругости грунтов. При толщине современных дорожных одежд 0,65-0,85 м влажность верхней части земляного полотна изменяется в соответствии с синусоидой среднегодичного цикла, что упрощает теорию расчета его водно-теплового режима.
Циклическое изменение водно-теплового режима земляного полотна, особенно в зоне хвойно-лиственных лесов с подзолистыми и заболоченными грунтами, сопровождается усиленным протеканием процессов оглеения. Во II дорожно-климатической зоне через 15-20 лет службы дороги прочность покровных глинистых грунтов, уложенных в насыпь или прикрытых водонепроницаемой дорожной одеждой, при нулевом профиле земляного полотна значительно снижается.
Оглеенные глинистые грунты почти всегда находятся в земляном полотне в увлажненном состоянии, представляя собой при относительной влажности более (0,75-0,8) WT иловатую упруговязкую массу зеленоватой окраски. Структура таких грунтов иная, чем в резервах, из которых возводилась насыпь. Модуль упругости их в 2-3 раза меньше, чем грунтов придорожной полосы при одинаковой степени плотности. Такое изменение грунтов в земляном полотне (их «старение») происходит тем медленнее, чем выше рабочая отметка насыпи. Поэтому при реконструкции дорог особое внимание следует уделять участкам с заниженным земляным полотном, принимая для них больший коэффициент запаса прочности при проектировании дорожных одежд.
В соответствии с рассмотренными выше закономерностями водно-теплового режима и следует изучать состояние земляного полотна перед его реконструкцией. Морозное пучение нужно определять во время третьей стадии, а значение модуля упругости грунта и удельного избытка свободной воды - при четвертой стадии.
К реконструированному земляному полотну должны предъявляться исключительно строгие требования: непродуманные решения или некачественно выполненные земляные работы невозможно исправить при последующей эксплуатации дороги. Поэтому в процессе производства работ по перестройке земляного полотна должен быть организован тщательный контроль за их качеством.
При реконструкции автомобильных дорог обычно стремятся в наибольшей степени использовать существующее доброкачественное земляное полотно. К такому земляному полотну относят участки, в которых не образуются подвешенные горизонты воды из-за неблагоприятного расположения фильтрующих и малопроницаемых грунтов, а также отсутствуют включения оглеенных или иловатых грунтов. Высокие насыпи, возведенные путем беспорядочной отсыпки при недостаточном уплотнении из крупнообломочных горных пород (аллевролитов, глинистых сланцев, мергеля, пустой породы из терриконов и т.д.), большей частью подвержены ежегодным просадкам и образованию пучин. При реконструкции необходимо прежде всего улучшить водно-тепловой режим земляного полотна, повышая степень уплотнения грунта и проводя различные инженерные мероприятия, гарантирующие влажность грунта не выше оптимальной. На очень старых автомобильных дорогах земляное полотно за редкими исключениями не удовлетворяет современным требованиям. В этом случае до переустройства дорожной одежды необходимо установить источники переувлажнения земляного полотна и устранить их влияние. Если во время изысканий выявлено, что грунты верхней части земляного полотна оглеены, необходимо провести детальные инженерно-геологические изыскания. Для правильного установления источников увлажнения требуется определить на типичных участках в период третьей стадии увлажнения характер распределения влажности по глубине. На сухих участках максимальное значение влажности глинистых грунтов во II дорожно-климатической зоне обычно наблюдается на глубине 0,7-0,9 м (рис. 12.3).
На сырых участках увеличение влажности с глубиной указывает на поступление влаги снизу, из залегающего поблизости уровня грунтовых вод или верховодки. На сухих участках возникновение на покрытиях разрушений или образование трещин может быть связано лишь с инфильтрацией воды через само покрытие или обочины.
На сухих участках с большими продольными уклонами при пересеченном рельефе местности, а также в других случаях, когда имеются сомнения в правильности установления источников увлажнения, рекомендуется применять радиоактивные индикаторы. Как показали исследования В.И. Куканова (МАДИ), наиболее оправданным в таких случаях является использование изотопа водорода трития, который входит в состав молекулы тритиевой воды Т2О, физико-химические свойства которой не отличаются от свойств обычной воды. Период полураспада изотопа составляет 12,4 года; радиационно он безопасен и дешев.
Испытания проводят с меченой водой - обычной водой, в которую добавлена тритиевая до удельной активности Ао = 20 мкКи/т (Кюри (Ки) - единица активности изотопа). Работы можно выполнять в любое время года, кроме летнего сезона с высокой степенью испарения. При отрицательной температуре меченая вода замерзает на участке испытаний. Прикрытая снегом, она мало испаряется и начинает проникать в грунт при его оттаивании.
Образцы грунта для определения влажности и путей поступления влаги берут в соответствии с заранее составленной программой из сетки скважин, закладываемых по длине и ширине дороги через 0,5 м в глинистых грунтах и 1 м в супесчаных. По глубине образцы отбирают через 20 см до уровня грунтовых вод, но не менее чем 2 м. Взятые образцы грунта помещают в обычную лабораторную центрифугу для выделения воды, которую в дальнейшем испытывают по общеизвестной методике на радиоактивность. По радиоактивности строят изолинии влажности на разных глубинах в плане и в разных поперечных сечениях дороги.

Рис. 12.3. Схема распределения влажности в земляном полотне по глубине:
а -на сухих участках; б - на мокрых участках; 1 - зона повышенной влажности; 2 - капиллярная зона; 3 - зона грунтовой воды; 4 - влажность по глубине к концу третьей или в начале четвертой стадии увлажнения; 5 - влажность в период пятой стадии увлажнения; 6 - уровень грунтовых вод в начале четвертой стадии увлажнения; 7 - уровень воды в период пятой стадии; 8 - поверхность менисков; 9 - влажность, соответствующая нижней границе текучести; W - естественная влажность грунта; Z - глубина; hк - высота капиллярного поднятия; W1 и W2 - максимальные значения влажности в конце третьей и начале четвертой стадии увлажнения (W1 < W2)
Анализ изолиний для последовательных интервалов времени с достаточной степенью надежности указывает, поступает ли влага сверху или сбоку с прилегающей к дороге полосы. Если есть сомнения, что увлажнение верхней части земляного полотна происходит за счет близкого уровня грунтовых вод, то индикатор заливают в буровую скважину, которую затем послойно заполняют грунтом, по возможности уплотняя его да первоначальной плотности. Сверху скважину тщательно заделывают для предотвращения проникания воды. Описанным способом можно достаточно надежно выявить источники увлажнения земляного полотна на пучинистых участках, что позволяет разработать обоснованные противопучинные мероприятия.
Если в земляном полотне в пределах глубин промерзания залегают прослойки песчаного или супесчаного грунта толщиной менее высоты капиллярного поднятия или оглеенный горизонт, то независимо от обеспеченности поверхностного стока и поперечного профиля земляного полотна на таких участках в период оттаивания, как правило, наблюдается верховодка. В этом случае во II дорожно-климатической зоне модули упругости, как показали проводившиеся в течение ряда лет полевые испытания, в расчетный период года большей частью бывают менее 25 МПа. При столь низком значении модуля упругости грунта чаще всего на покрытиях имеется сетка трещин в виде паутины, указывающая на недостаточную прочность основания и земляного полотна.
Для повышения модуля упругости земляного полотна возможны следующие мероприятия: замена песком оглеенного грунта или укрепление различными вяжущими материалами верхней части земляного полотна; устройство теплоизоляционного слоя или гидроизолирующей и паронепроницаемой прослойки; устройство системы дренажа грунтовых вод и дренажа мелкого заложения т.д.
Для расчета толщины дорожных одежд на реконструируемых участках дорог необходимо располагать такими характеристиками грунтов, как: модуль упругости Ео, сцепление с, угол внутреннего трения φ, удельный избыток воды q, поступающей в корыто из грунта при оттаивании, относительный коэффициент морозного пучения Кпуч, а также глубина их промерзания z. Прочность дорожных одежд прежде всего зависит от прочности земляного полотна, которая на реконструируемых дорогах, как правило, очень неоднородна, особенно на участках, расположенных в низких насыпях.
Оценка грунта по относительной плотности Ко в долях от стандартного уплотнения при оптимальной влажности Wo не дает достаточных оснований для суждения о прочности земляного полотна. При реконструкции земляного полотна нельзя пользоваться табличными значениями прочности грунтов, необходимо исходить из их значений, определенных в полевых условиях.
Наиболее распространенным критерием прочности грунтов является их модуль упругости, который с необходимой надежностью может быть определен непосредственно на уплотненном земляном полотне. Надежная методика определения модуля упругости грунта заключается в измерении просадок постепенно загружаемого жесткого штампа диаметром 70 см до удельного давления рк, соответствующего давлению расчетного автомобиля [97].
Наряду с испытаниями на дороге рекомендуется определять модуль упругости и в карьере, из которого берут грунт для досыпки земляного полотна, чтобы сравнить установленные значения модуля упругости грунтов реконструируемого земляного полотна и карьера. Одновременно должны быть определены влажность и плотность тех же грунтов для сравнения со значениями оптимальной влажности и максимальной плотности, установленными по методу стандартного уплотнения. Наиболее целесообразно использовать для этой цели радиоизотопные приборы. Модуль упругости грунтов земляного полотна может быть также определен расчетом по результатам испытаний дорожных одежд проездом передвижных испытательных установок.
Используя установки динамического нагружения, можно не только определить расчетные значения модуля Ео, но и обоснованно назначать толщину отсыпаемых слоев грунта, а также требуемое количество проходов уплотняющих машин, что повысит однородность земляного полотна. В настоящее время установлены достаточно надежные расчетные значения статических модулей упругости при разных относительных влажностях грунтов. Поэтому при опытном определении величины модулей упругости необходимо стремиться, чтобы значение влажности было близким к расчетному для земляного полотна. Величины угла внутреннего трения φ и сцепления с при расчетах можно принимать по таблицам, приведенным в нормативной литературе [83, 109].
Таким образом, в зависимости от состояния земляного полотна и системы водоотвода в процессе реконструкции дороги возникает необходимость выполнения различных видов работ, связанных с повышением устойчивости и работоспособности земляного полотна, совершенствованием формы и приведением его геометрических параметров в соответствие с нормативными требованиями.
В процессе реконструкции дороги работы по переустройству или строительству нового земляного полотна производят на участках исправления элементов плана трассы, продольного и поперечного профилей, при реконструкции пересечений и примыканий автомобильных дорог и т.д.
К земляным работам по исправлению элементов плана трассы относятся возведение земляного полотна на участках спрямления и увеличения результатов кривых и видимости в плане, при строительстве обходов оползневых и других сложных участков, обходов городов и других населенных пунктов. Работы по исправлению продольного профиля выполняют на участках смягчения продольных уклонов, увеличения радиусов выпуклых и вогнутых кривых в продольном профиле и т.д. Особое место занимают работы по увеличению высоты насыпей на снегозаносимых участках дорог, на участках с необеспеченным водоотводом и образованием пучин. Одним из наиболее распространенных видов работ при реконструкции автомобильных дорог является уширение земляного полотна, которое производится, как правило, на больших протяжениях.
Причиной большинства деформаций земляного полотна является его избыточная влажность. Поэтому при реконструкции дорог особое внимание уделяют предохранению земляного полотна от увлажнения путем совершенствования систем отвода поверхностных и грунтовых вод.
По особенностям технологии выполнения работ по реконструкции земляного полотна и системы водоотвода можно разделить две группы:
работы, технология выполнения которых не отличается от технологии возведения земляного полотна при строительстве новых дорог;
работы, технология выполнения которых отличается от технологии работ при строительстве дорог.
К первой группе относятся выполняемые в процессе реконструкции работы по поднятию земляного полотна на сырых, подтопляемых и снегозаносимых участках, по устройству земляного полотна и водоотвода на площадках для остановки, стоянках автомобилей, площадках для отдыха, по устройству новых дренажей, системы водоотвода, осушительных канав, берегозащитных и противоэрозионных сооружений. К этой же группе можно отнести работы по восстановлению размытых и разрушенных участков дорог, срезку откосов выемок, устройство аккумуляционных полок в выемках и ряд других работ.
Ко второй группе относятся выполняемые в процессе реконструкции работы по исправлению параметров земляного полотна на участках смягчения продольного профиля, обеспечению видимости в продольном профиле и плане. К этой же группе можно отнести работы по восстановлению земляного полотна на участках пучинообразования, укрепительные и другие работы, обеспечивающие устойчивость существующего земляного полотна.
Работы, технология выполнения которых не отличается от технологии строительства новых дорог, описаны в предыдущих главах. В данной главе рассматриваются работы, технология выполнения которых отличается от технологии строительства новых дорог.
Состав подготовительных работ и очередность их выполнения. Подготовительные работы должны быть выполнены, как правило, до начала основных работ по реконструкции дороги. В некоторых случаях часть этих работ может выполняться одновременно с основными операциями по реконструкции.
В состав основных подготовительных работ входят создание геодезической разбивочной основы, перенос кабельных линий электропередачи, линий связи, различных трубопроводов, коллекторов и других коммуникаций; расчистка дорожной полосы и территорий, отведенных под карьеры и резервы; подготовка и усиление местных дорог, на которые планируется перевести движение с ремонтируемой дороги или строительство объездных дорог, а также строительство временных дорог к грунтовым карьерам и карьерам песчаных, гравийных и каменных материалов.
В состав дополнительных работ и мероприятий входят снятие существующих знаков, ограждений, направляющих столбиков, столбов мачт для осветительных фонарей; разборка и удаление павильонов на автобусных остановках; разборка укреплений откосов, водоотводных лотков и канав; разработка схем движения транспорта на участке реконструкции дороги и т.д.
Геодезической разбивочной основой на местности служат знаки, закрепляющие в плане вдоль дороги вершины углов поворотов и главные точки кривых, а также точки на прямых участках не реже чем через 1 км и реперы вдоль дороги не реже чем через 2 км. Основные знаки и реперы должны иметь надежную конструкцию в виде столбов или свай, установленных за границами полосы отвода в соответствии со специальными требованиями.
Перед выполнением земляных работ производится детализация геодезической разбивочной основы. При этом делают разбивку всех пикетов и плюсовых точек с выноской за полосу отвода; устанавливают дополнительные реперы у насыпей высотой свыше 3 м за пределами подошвы, у выемок глубиной более 3 м за бровками откосов, у перестраиваемых труб и других искусственных сооружений; устанавливают промежуточные реперы на пересеченной местности; разбивают круговые и переходные кривые с выноской и закреплением промежуточных точек.
Детальную разбивку можно выполнять не одновременно на всей протяженности реконструируемого участка дороги, а по мере продвижения фронта работ с заделом, учитывающим скорость потока работ.
На участках, где предусмотрено уширение земляного полотна, смягчение продольного уклона, замена пучинистого грунта на непучинистый, снимают существующие сигнальные столбики, ограждения, мачты освещения, павильоны на автобусных остановках и все другое инженерное оборудование и обустройство, которое может помешать производству работ по возведению земляного полотна и дорожной одежды. Разборке подлежат также укрепления откосов насыпей и выемок, водоотводных лотков и канав. На участках двустороннего уширения все работы выполняют с обеих сторон дороги, а на участках одностороннего уширения - с одной стороны.
Большие трудности при реконструкции дороги возникают с переносом и переустройством воздушных, наземных и подземных коммуникаций. Как правило, за время от строительства до реконструкции дороги, она обрастает различными видами коммуникаций, имеющих, а чаще не имеющих отношения к самой дороге. Это линии технологической и общей связи, проводной и кабельной, линии электропередачи в виде воздушных линий или кабелей высокого напряжения, наземных и подземных трубопроводов, коллекторов и других коммуникаций. Чаще всего эти коммуникации расположены в полосе отвода дороги или на определенном расстоянии от нее и могут быть повреждены в процессе производства работ по ремонту дороги. Нередки случаи, когда кабели линий связи и электроснабжения осветительных систем уложены непосредственно в тело земляного полотна. Поэтому необходимо уделять особое внимание работам по переносу и переустройству инженерных коммуникаций, обозначению мест их расположения около дороги.
Работы по переносу и переустройству коммуникаций должны производиться по специальным проектам специализированными организациями, по отдельному графику, согласованному с подрядной организацией, осуществляющей основные работы по реконструкции дороги.
В случаях, когда возведение земляного полотна опережает устройство пересекающих дорогу подземных коммуникаций, необходимо по согласованию с заинтересованными организациями предусматривать предварительную укладку кожухов или других устройств для последующей прокладки коммуникаций без нарушения целостности земляного полотна.
До начала земляных работ расчищают дорожную полосу и площади, отведенные для карьеров, резервов, зданий и сооружений, от леса, кустарника, пней, порубочных остатков, крупных камней, строительного мусора и т.д. Расчистку дорожной полосы осуществляют по отдельным участкам в порядке очередности выполнения земляных работ теми же методами и средствами, что и при строительстве новых дорог.
На полосе, подлежащей уширению, в том числе и с откосов выемок и насыпей, бульдозером срезают растительный грунт. С откосов боковых канав или канав-резервов его снимают автогрейдером. На откосах глубоких выемок и высоких насыпей грунт срезают ковшом экскаватора с телескопической стрелой.
Боковые канавы и резервы, особенно во II дорожно-климатической зоне, на старых дорогах, как правило, бывают заросшими болотной растительностью и влаголюбивым кустарником. Его нужно удалить кусторезом или бульдозером летом или в начале сухой осени. В другое время года в резервах застаивается дождевая вода, глубина которой в равнинной местности не менее 0,2-0,3 м. Зимой вода замерзает, как бы армированная кустарником, и удаление льда представляет большие трудности. После срезки кустарников бульдозером снимают растительный грунт до отметки заболоченного грунта.
После расчистки дорожной полосы на всей площади, где предусмотрены земляные работы, снимают плодородный слой почвы на глубину, определенную проектом, и укладывают его в отвалы для последующего использования при восстановлении (рекультивации) нарушенных и малопродуктивных сельскохозяйственных земель, а также при благоустройстве площадок.
Однако при реконструкции дорог необходимо особое внимание обращать на качество и состав плодородного слоя, снимаемого с поверхности дорожной полосы, непосредственно примыкающей к существующей дороге. Установлено, что при высокой интенсивности движения в полосе шириной до 50 м от бровки земляного полотна может происходить загрязнение почвы выше допустимых пределов выбросами автомобилей, которые содержат свинец, цинк, медь и нитраты. Кроме того, в почве накапливаются хлориды, применяемые для борьбы с зимней скользкостью. В этих случаях загрязненную почву складируют отдельно, а затем используют в нижних слоях при засыпке оврагов, благоустройстве территорий и т.д. В первую очередь это относится к грунту, который снимают с откосов насыпей и выемок, а также с откосов и дна боковых канав и резервов. Водоотводные канавы послойно засыпают таким же грунтом, какой из них был удален при постройке, с тщательным уплотнением.
Снятие плодородного грунта выполняют автогрейдерами и бульдозерами. На участках высоких насыпей и глубоких выемок эти работы выполняют скребком или ковшом экскаватора с телескопической стрелой.
Особое место в подготовительных работах занимают мероприятия по организации движения автомобилей при реконструкции дороги, которое существенно возрастает из-за движения построечного транспорта.
Организация движения транспортного потока решается с учетом интенсивности движения, видов работ по реконструкции дороги, протяженности реконструируемых участков, наличия других дорог, рельефа местности и других местных условий.
Лучшим для безопасного производства работ является вариант переноса движения с реконструируемого участка на другие дороги, идущие в том же направлении. Во многих случаях для снятия движения с реконструируемого участка дороги на время производства работ строят специальные объезды (рис. 12.4). Тип и капитальность дорожных одежд на объездных дорогах должны соответствовать интенсивности переведенного на них автомобильного движения с учетом намечаемого срока действия объездной дороги.
Распространенным является вариант закрытия одной половины проезжей части с пропуском движения по другой половине. Для этого устраивают дорожную одежду на всю ширину обочины и организуют дополнительную полосу движения.
Во всех случаях необходима разработка специальных схем организации движения, расстановка знаков, ограждения и освещения участков производства работ в соответствии с требованиями действующих правил.
Общие положения. При реконструкции автомобильных дорог на многих участках устраивают новое земляное полотно, процесс возведения которого ничем не отличается от строительства дороги. Такие работы выполняют на участках спрямления трассы, значительного увеличения радиусов кривых в плане, на участках обходов населенных пунктов, обходов оползней, осыпей и т.д. Гораздо чаще в процессе реконструкции выполняют работы по уширению земляного полотна для строительства дополнительных полос проезжей части, переходно-скоростных полос, площадок для стоянки автомобилей или для доведения ширины земляного полотна до норм категории, установленной для данной дороги.

Рис. 12.4. Схема объезда участка реконструкции дороги:
1 - реконструируемая выемка; 2 - насыпь; 3 - объездная дорога; 4 - временный низководный мост
Опыт показывает, что добиться устойчивой многолетней совместной работы старого и нового (уширенного) земляного полотна очень трудно. Во многих случаях наблюдаются деформации нового земляного полотна в местах соединения со старым. Поэтому везде, где это возможно, следует избегать уширения земляного полотна.
При реконструкции автомобильных дорог обычно стремятся полностью использовать «здоровое» земляное полотно. Под «здоровым» понимают отсутствие в нем висячих горизонтов воды (верховодка) вследствие неблагоприятного взаиморасположения фильтрующих и малопроницаемых грунтов, склонных к морозному пучению.
Уширение земляного полотна может быть односторонним или двухсторонним (рис. 12.5).

Рис. 12.5. Схемы уширения земляного полотна:
а, б) - двухстороннее и одностороннее в насыпях; в, г) - двухстороннее и одностороннее в выемках
Двухстороннее, или симметричное уширение - это уширение, при котором ось существующей дороги остается без изменения и совмещается с осью уширенной дороги. При этом уширение происходит путем досыпки насыпи или срезки откосов выемки с двух сторон. Такое уширение может быть целесообразным при высоте насыпей и глубине выемок до 2 м при крутизне откоса 1:3 и положе при условии, что ширина проезжей части и укрепленных краевых полос после реконструкции дороги будет меньше ширины земляного полотна существующей дороги. Двухстороннее уширение применяется и в тех случаях, когда по местным условиям невозможно одностороннее уширение (близко расположены границы зданий и сооружений, близкое расстояние до различных коммуникаций, неблагоприятные рельеф и грунтово-гидрологические условия, наличие охранных, запретных зон и т.д.).
Преимущество этого варианта в том, что проезжая часть после ее уширения располагается на прочном, хорошо сформировавшемся земляном полотне, что обеспечивает возможность создания прочной и долговечной дорожной одежды. Недостатки его состоят в усложнении технологии работ и трудности использования общестроительных дорожных машин, а также в увеличении объемов некоторых видов работ в связи с тем, что необходимо с двух сторон снимать и устанавливать инженерное оборудование и обустройство, переносить и перекладывать воздушные, наземные и подземные коммуникации, удлинять трубы и уширять мосты, перестраивать систему водоотвода и дренажа и т.д.
При проектировании реконструкции дороги следует стремиться предусматривать такое проложение новой трассы, чтобы в максимальной степени использовать существующую дорогу, не осложнять работу необходимостью выполнения сравнительно тонких присыпок с двух сторон земляного полотна.
Одностороннее, или несимметричное - это уширение, при котором ось реконструируемой дороги смещается в сторону от оси старой дороги, а уширение происходит путем досыпки насыпи или срезки откоса выемки с одной стороны.
Преимущество этого варианта в том, что все работы по уширению земляного полотна сосредоточены с одной стороны, благодаря чему создаются лучшие условия для работы дорожных машин и сами работы по возведению земляного полотна могут быть выполнены более качественно. Сокращаются объемы работ по снятию и установке инженерного оборудования, обустройству, переносу и переустройству коммуникаций, системы водоотвода, дренажа и т.д. Главный недостаток в том, что часть ширины новой дорожной одежды располагается на старом земляном полотне, а часть на свежеуложенном грунте, которому трудно придать такую же степень уплотнения и устойчивость, как у старого земляного полотна. В результате создается неравнопрочная дорожная конструкция (земляное полотно плюс дорожная одежда) и возникают продольные трещины в дорожной одежде по стыку старого и нового земляного полотна. Опыт реконструкции Московской кольцевой автомобильной дороги показывает, что даже при устройстве различных прокладок и усилений по зоне стыка полностью избежать образования продольных трещин не удается. Кроме того, при одностороннем уширении двухполосной проезжей части увеличивается потребность в материалах для устройства покрытия из-за необходимости укладки дополнительного слоя покрытия, чтобы переместить ось проезжей части и обеспечить равный поперечный уклон покрытия на обеих полосах движения.
На косогорных участках уширение земляного полотна целесообразно производить в сторону косогора с его дополнительной срезкой везде, где это позволяют условия. Такое расположение земляного полотна позволяет существенно повысить его устойчивость. Однако необходимо обращать особое внимание на устойчивость косогора против сползания, на возможность возникновения осыпей.
В этих случаях, а также при больших объемах земляных работ по срезке косогора уширение земляного полотна может быть произведено за счет уширения насыпной части. Особого внимания при этом требует обеспечение совместной работы старой и присыпаемой части. В отдельных случаях для этого потребуется устройство подпорных стенок.
В некоторых случаях может оказаться целесообразным разделение на косогорном участке проезжих частей по направлениям движения с расположением их в разных уровнях по склону холма. При этом существующая дорога используется для движения в одном направлении, а для встречного движения выше или ниже по склону строится новая дорога. При проектировании таких участков должны быть соблюдены требования к плавности сопряжения трасс обоих участков, чтобы положение оси раздельных участков являлось закономерным продолжением смежных участков объединенной дороги.
Устройство раздельного земляного полотна целесообразно на заболоченных участках в районах избыточного увлажнения [78]. Доводы в пользу этого решения в основном вытекают из соображений организации строительных работ - возможность их выполнения без перерыва движения по дороге, большего удобства выполнения земляных работ и обеспечения должного качества земляного полотна и т.д.
Выбранный способ уширения земляного полотна неизбежно требует и аналогичного способа уширения проезжей части. Поэтому вопрос необходимо решать комплексно, устанавливая наиболее выгодный метод уширения земляного полотна путем технико-экономического сравнения вариантов, учитывающего затраты на переустройство как земляного полотна, так и проезжей части.
При любом способе уширения земляного полотна должно быть достигнуто хорошее сопряжение присыпаемого грунта со слежавшимся грунтом насыпи, обеспечивающее совместную работу старой и новой частей полотна. Отсутствие связи между ними может приводить к оползанию новой части земляного полотна под влиянием проникающей воды и динамического воздействия проезжающих автомобилей. Процессы естественного уплотнения присыпанного грунта могут вызывать потерю ровности покрытий. Особым случаем является уширение земляного полотна при реконструкции дороги с двумя полосами движения в автомобильную магистраль, когда дорогу II или III категории переводят в дорогу I категории.
Существующая дорога становится одной из проезжих частей для одностороннего движения, а на месте обочины и боковой канавы устраивается разделительная полоса, которой чаще всего придают вогнутые очертания. Воду с нее сбрасывают в пониженные места продольного профиля. Необходимость придания проезжей части односкатного поперечного уклона требует значительной досыпки грунта на место устройства разделительной полосы. Земляное полотно для дополнительной проезжей части можно возводить из любых грунтов, пригодных для строительства, независимо от грунтов существующей насыпи.
Необходимы тщательная засыпка и уплотнение грунта при заделке канавы, чтобы в ней не могли образовываться застои просачивающейся воды. Некоторые примеры переоборудования двухполосной дороги в четырехполосную приведены на рис. 12.6.

Рис. 12.6. Примеры реконструкции дороги с двумя полосами движения в дорогу с разделительной полосой и проезжими частями для одностороннего движения:
а, б - двухстороннее уширение, где а - с подъемкой насыпи и постройкой новой одежды; б - с использованием существующей дорожной одежды; в, г, д - одностороннее уширение; в - с использованием существующей одежды и устройством возвышающейся разделительной полосы; г - с подъемкой насыпи; д - с использованием существующей дорожной одежды, засыпкой резерва и устройством широкой разделительной полосы вогнутого профиля; 1 - существующая дорожная одежда; 2 - канавы, засыпанные уплотненным связным грунтом; 3 - растительный грунт; 4 - дерновая лента шириной 50 см; 5 - новая дорожная одежда; 6 - краевая полоса сборных бетонных плит; 7 - бетонный бордюр; 8 - резерв, засыпанный уплотненным грунтом; 9 - песчаный слой; 10 - продольные дрены для отвода воды; 11 - укрепленные обочины; 12 - выравнивающий слой дорожной одежды
При уширении земляного полотна во избежание переувлажнения грунта перед началом основных работ после снятия растительного слоя необходимо обеспечить поверхностный водоотвод на период реконструкции дороги. Для этого производят планировку поверхности и нарезку временных канав автогрейдером с отводом воды в пониженные места.
Существуют определенные различия в технологии работ по уширению насыпей и выемок (рис. 12.7).
Уширение насыпей. Уширение насыпей высотой до 2 м, как правило, начинается с засыпки боковых канав или кювет-резервов, из которых была возведена насыпь. Засыпка производится послойно местным грунтом с тщательным уплотнением до коэффициента уплотнения Kу = l.
В нижней части при небольшой ширине канав грунт уплотняют вибротрамбующими машинами типа БТМ-1 массой 5 т, производительностью 50-60 м3/ч с частотой не менее 1200-1500 уд/мин или малогабаритными виброуплотнителями типа ВУ-800 и ВУ-1500 массой 45 и 82 кг, частотой вибрации 100 и 70 Гц, размером плит 450×350 мм и 620×450 мм, глубиной уплотнения 20-25 см и рабочей скоростью 20 м/мин.

Рис. 12.7. Последовательность работ при уширении земляного полотна
Несколько реже используют вибромолот шириной захвата 0,8 м с рабочим органом, навешенным сзади бульдозера типа Д-535. На его отвале монтируют планировочную плиту, предназначенную для разравнивания грунта. При скорости движения уплотняющей машины 380 м/ч слой уплотняемого грунта до коэффициента уплотнения 0,95-1,00 достигает толщины 0,35 м. Увеличение скорости до 450-550 м/ч возможно, если снизить толщину уплотняемого слоя до 0,3 м. Вибромолотом можно уплотнять грунт и в широких траншеях.
После окончания засыпки боковых водоотводных канав и оформления акта на скрытые работы приступают к работам по собственно уширению земляного полотна. Важной задачей при этом является обеспечение надежного сопряжения присыпаемого грунта с грунтом существующего земляного полотна. Для этого при высоте насыпи до 2 м и крутизне косогоров до 1:5 достаточно разрыхлить грунт на откосах рыхлителем на глубину 0,2-0,25 м. На более высоких насыпях и косогорах крутизной до 1:3 на откосах бульдозером или автогрейдером нарезают уступы высотой до 0,5 м с уклоном 50 ‰.
В насыпях из песчаных грунтов уклон уступов делают к оси дороги, в глинистых - от оси дороги. Вначале нарезают нижний уступ, затем вышерасположенный и грунт постепенно перемещают на нижний уступ, распределяя его заданной толщиной слоя, и тщательно равномерно уплотняют.
Уплотнение является одной из важнейших операций при уширении земляного полотна, особенно на уступах. При симметричном уширении насыпей высотой до 2 м с учетом уположения их откосов до 1:3-1:4 ширина досыпаемой полки около 3 м, что позволяет разравнивать грунт бульдозером и уплотнять по челночному способу любыми самоходными катками. Толщину уплотняемого слоя принимают из расчета коэффициента уплотнения не менее плотности грунта реконструируемой насыпи, но не ниже Ку = 1,0.
При двухстороннем уширении ширина полосы уширения может составлять до 1 м. В этом случае при высоте насыпи более 2 м по технологическим условиям величину уширения приходится увеличивать на 1,0-1,5 м, чтобы обеспечить возможность работы бульдозера, автогрейдера и уплотняющих машин на уступах и присыпаемых слоях.
Лишний грунт после отсыпки насыпи срезают и используют либо для уположения откосов, либо перемещают на соседний участок уширения. Это еще один из недостатков двухстороннего уширения. Исключительно большое влияние на прочность земляного полотна и устойчивость откосов насыпей при уширении имеет выбор грунтов для уширения и их расположение в теле земляного полотна.
Опыт реконструкции дорог позволил выработать ряд требований к земляному полотну в местах уширения, а именно:
укладывать новые грунты в насыпь слоями, по возможности соблюдая их взаиморасположение и придавая им поперечный уклон в сторону откосов, чтобы предупредить застой воды на поверхности отсыпанных слоев (так называемой верховодки);
фильтрующие грунты укладывать в верхнюю часть земляного полотна и в откосы, которые больше подвергаются воздействию погодных условий. При укладке фильтрующих грунтов в нижние слои толщину слоя следует принимать не меньше высоты капиллярного поднятия для этих грунтов;
степень уплотнения отсыпаемых слоев должна быть не меньше существующего земляного полотна;
крутизну откосов принимать согласно требованиям повышения безопасности движения и категориям автомобильной дороги;
если откосы отсыпают из песков, их необходимо укреплять одновременно с производством земляных работ, чтобы предупредить размывы;
не рекомендуется применять крупнообломочные горные породы, алевролиты, глинистые сланцы, мергели, оглеенные подзолистые, а также иловатые почвогрунты.
Соблюдение этих требований необходимо для обеспечения прочности и устойчивости земляного полотна после реконструкции.
Присыпаемая часть уширенного земляного полотна должна работать совместно с существующим как единая конструкция, что возможно лишь при благоприятном водно-тепловом режиме. Оптимальным решением является применение при уширении тех же грунтов, которые использовались при ее возведении. Если это невозможно, необходимо уширять насыпи только песчаными непылеватыми грунтами [3], строго соблюдая правила их расположения в теле насыпи (рис. 12.8). Хотя песчаные грунты из-за большой дальности перевозки обходятся в несколько раз дороже местных связных грунтов, первоначальные затраты всегда оправдываются в дальнейшем увеличением срока службы дорожных одежд и снижением расходов на эксплуатацию дороги. Поэтому стоимость реконструкции земляного полотна обычно на 30-50 % выше сооружения нового из-за необходимости применения высококачественных грунтов и усложнения технологии работ.

Рис. 12.8. Схемы допустимого взаиморасположения грунтов в теле насыпей:
а - симметричное уширение; б - несимметричное уширение; в - смягчение продольного профиля; 1 - связный грунт; 2 - песчаный грунт; 3 - снимаемый растительный грунт; h - минимальная толщина песчаного слоя; h ³ hk (hk - высота капиллярного поднятия воды);i - поперечный уклон не менее 50 ‰
Особенно важно соблюдать требования по однородности грунтов. При насыпях высотой до 2 м, симметрично уширяемых, можно применять любые грунты, поскольку крутизна заложения откосов положе 1:3. При высоте свыше 2 м, а на дорогах I категории 3 м пригодны только песчаные грунты. На сухих участках (I тип увлажнения) возможно использование и супесчаных, но не пылеватых грунтов с одновременным укреплением откосов.
При глинистых грунтах, особенно пучинистых, верхнюю часть насыпей на высоту, равную половине глубины промерзания, но не менее чем на 0,6-0,7 м от низа дорожной одежды, отсыпают из песчаных грунтов либо грунт обрабатывают малыми дозами минеральных вяжущих материалов (до 3 % по массе) на толщину 0,15 м.
Если местность относится ко 2-му, и особенно 3-му типу увлажнения, то в нижнюю часть полосы уширения рекомендуется укладывать песчаный грунт с коэффициентом фильтрации 1 м/сут и более и высотой капиллярного поднятия до 35 см. Тогда ограничивается поступление воды в рабочий слой, который может быть отсыпан и из связных грунтов.
На участках с необеспеченным поверхностным стоком, а также на участках 3-го типа увлажнения, на полосе уширения, нижнюю часть насыпи обязательно нужно отсыпать из грунтов с коэффициентом фильтрации 3 м/сут и более, высотой капиллярного поднятия до 25 см.
В связи с большими трудностями отвода земель в настоящее время не удается устраивать боковые резервы вдоль дорог. В большинстве случаев грунт для уширения берут из грунтовых карьеров, которые могут быть пригодны к применению не во всех слоях земляного полотна или требуют специальных мер для предохранения их от увлажнения. Поэтому особенно строго следует выполнять изложенные выше требования к расположению грунтов в слоях насыпи [4, 46, 78, 83]. При уширении насыпей из крупнообломочных грунтов необходимо применять заполнитель из глинистых грунтов, причем верхнюю часть толщиной не менее рабочего слоя рекомендуется возводить из обломков крупностью до 250 мм. Большего размера обломки используют для возведения нижней части насыпей, но их размер не должен превышать 2/3 толщины уплотняемого слоя. В крупнообломочных грунтах желательно, чтобы содержание глинистого заполнителя составляло около 30 % с влажностью, равной оптимальному значению. При соблюдении этих требований предупреждаются просадки. В крупнообломочных грунтах либо отходах промышленности влажность раздробленной мелкозернистой их части должна соответствовать тугопластичной консистенции (коэффициент консистенции должен составлять около 0,3 %).
Крупнообломочные грунты с пределом прочности на сжатие не менее 0,5 МПа уплотняют в два этапа: на первом этапе применяют кулачковые катки массой свыше 25 т, а на втором - катки вибрационные массой не менее 10-12 т с количеством проходов по одному следу 10-12.
Из-за ограниченной возможности отвода земель под грунтовые карьеры в некоторых случаях для уширения земляного полотна могут быть использованы различные отходы промышленности и прежде всего металлургические шлаки и золошлаковые отходы тепловых электростанций. Их применение требует особого внимания к однородности состава, технологии производства работ, уплотнению и контролю качества [78].
Уширение насыпей на величину, меньшую ширины необходимой для прохода землеройной или уплотняющей машины, всегда связано со значительным осложнением производства работ. В этом случае качественного земляного полотна уширения не удается достигнуть, поэтому полосу уширения увеличивают по сравнению с проектной для возможности нормальной работы землеройной техники. После окончания работ грунт можно срезать и использовать на соседних участках, если это оправдывается экономически.
Если высота насыпи менее 2 м, для повышения сцепления грунтов досыпаемого земляного полотна с существующим ограничиваются, как и при косогорах крутизной от 1:10 до 1:5, лишь разрыхлением грунта на откосах или нарезкой на них борозд глубиной 0,2-0,25 м. При более высоких насыпях и при косогорах крутизной до 1:3 на откосах нарезают уступы высотой до 0,5 м, придавая им уклон 50 ‰. При насыпях из песчаных грунтов уступам придают уклон в сторону оси дороги.
При глинистых грунтах уступы нарезают с уклоном, обращенным к полевой части дороги. Вначале нарезают нижний уступ, затем расположенный выше, рыхлый грунт перемещают на готовый нижний уступ, распределяя его равномерным слоем и завершая уплотнение до отсыпки следующего слоя.
Земляное полотно уширяют только по окончании послойной засыпки водоотводных устройств с равномерным уплотнением до коэффициента уплотнения Ко > 1, фиксируемого актом на скрытые работы. Если высота насыпи менее 2 м, предварительно бульдозером с навесным рыхлителем разрыхляют грунт на откосах до глубины 0,2-0,25 м. Поскольку на старых дорогах заложение откосов обычно составляет 1:1,5, грунт, подвозимый скреперами, землевозными тележками или автомобилями-самосвалами, разгружают у подошвы откосов и разравнивают бульдозером, придавая слоям поперечный уклон в полевую сторону не менее 50 ‰ (при связных грунтах) и 20-30 ‰ (при песчаных грунтах). Для уширения насыпей следует принимать грунты, имеющие коэффициент фильтрации больший, чем грунт земляного полотна.
При симметричном уширении насыпей высотой до 2 м и одновременном уполаживании их откосов до 1:3-1:4 ширина досыпаемой полки-полосы бывает не менее 3 м, что позволяет разравнивать грунт бульдозером и уплотнять челночным движением. Толщину уплотняемого слоя принимают из расчета, чтобы достигаемая относительная плотность грунта была не менее плотности грунта реконструируемой насыпи и не ниже Ко = 1.
При уширении насыпей с засыпкой боковых канав должна быть достигнута степень уплотнения грунта не меньшая, чем у существующего земляного полотна. Нужно стремиться к достижению коэффициента уплотнения грунта досыпаемой насыпи Ко = 1,03-1,05. Только при этом условии предупреждается образование просадок в местах уширения насыпей или засыпки водоотводных устройств. Чем выше степень плотности грунтов, тем более однородно земляное полотно. С повышением плотности грунтов снижается коэффициент вариации. Затраты же энергии на уплотнение, связанные с повышением коэффициента Ко до указанного выше значения, увеличиваются в 1,6-1,8 раза, что в денежном выражении менее 10 % стоимости уширяемого полотна. Дополнительные расходы, вызванные повышением степени уплотнения, окупаются снижением стоимости содержания автомобильных дорог в первые же 2 года и максимум 3 года.
Одной из важнейших технологических операций является уплотнение грунтов на уступах. При уширении высоких насыпей грунты рекомендуется уплотнять самоходными виброударными грунтоуплотняющими машинами с выносным рабочим органом [3, 43, 78]. При отсутствии вибромолота грунт уширяемой части насыпи уплотняют сменным оборудованием, предназначенным для уплотнения грунтов в стесненных условиях.
Толщина слоя, уплотняемого гидропневмоударными рабочими органами, достигает 0,7-0,8 м при частоте ударов 80-110 в минуту и относительном коэффициенте уплотнения грунта в зависимости от его свойств и естественной влажности Ко = 1. Преимущество навесного оборудования заключается еще и в том, что им можно уплотнять различные по свойствам грунты, в том числе и крупнообломочные.
При отсутствии навесного оборудования уплотнение ведут челночным движением катка. По соображениям техники безопасности гусеницы трактора или колеса тягача не должны проходить ближе 0,7 м от края уплотняемого слоя.
Если при выполнении работ по уширению не удается реализовать изложенные выше положения по подбору грунта, технологии, конструктивным решениям и т.д., может иметь место снижение надежности конструкции в части ее устойчивости и прочности. В этих условиях целесообразно использовать дополнительные мероприятия, в частности уположение откосов, устройство дренажа, устройство прослоек из геосинтетических материалов. Эти решения необходимо применять и при выполнении работ по уширению в сложных условиях (уширение насыпей на слабых основаниях, в стесненных условиях с устройством откосов повышенной крутизны и т.д.).
Для повышения прочности и устойчивости присыпной части насыпи при уширении целесообразно использовать прослойки из геосинтетических материалов. Возможность применения геосинтетических материалов при уширении насыпей определяется их свойствами и соответствием задачам, возникающим при выполнении этих работ.
Решения с применением геосинтетики при уширении земляного полотна наиболее эффективны в сложных условиях производства работ на слабых основаниях (болота, переувлажненные минеральные грунты), в стесненных условиях, когда традиционные решения не приносят требуемого эффекта с точки зрения прочности конструкции (рис. 12.9).

Рис. 12.9. Конструктивные решения по уширению земляного полотна с применением геосинтетических материалов (ГМ):
а, б - соответственно уширение насыпи на слабом основании и в стесненных условиях; ∆В - величина уширения земляного полотна; ∆Вп.ч. - величина уширения проезжей части; bф - ширина обочины существующей дороги; bп - ширина проектируемой обочины; 1, 2 - существующая насыпь и дорожная одежда; 3 - уширение дорожной одежды; 4 - уширение насыпи; 5 - положение откоса существующей насыпи; 6 - уступ; 7 - прослойки ГМ; 8 - полуобойма; 9 - слабое основание
Устройство прослоек из геосинтетических материалов выполняют по подготовленному (выровненному и уплотненному) грунтовому основанию. Рулоны геосинтетических материалов и анкеры (скобы) для их крепления к грунту транспортируют к месту производства работ и равномерно разгружают вдоль насыпи по длине захватки. Количество рулонов определяется суммарной длиной полотен прослойки с учетом взаимного перекрытия их краевых участков.
При уширении насыпи на слабом основании целесообразно использовать прослойки из нетканых геосинтетических материалов в качестве комплексных мероприятий (защитно-армирующих, дренирующих, технологических), влияющих прямо (повышение устойчивости за счет армирования основания уширения) и косвенно (улучшение условий отсыпки грунта уширения) на прочность уширения земляного полотна. В этом случае укладывают несколько прослоек по высоте уширения, заводя их на устраиваемый уступ, ширина полки которого не должна быть меньше, как правило, 1,0 м, чем обеспечивается надлежащая заделка геосинтетического материала. Пересекая предполагаемую поверхность скольжения, прослойки воспринимают часть сдвигающих усилий.
Расположение прослоек по высоте уширения назначают с учетом следующих положений:
в нижней части уширения, наиболее нагруженной и непосредственно контактирующей со слабым основанием, целесообразно размещать не менее двух прослоек: на песчаном, выравнивающем слабое основание слое толщиной 0,2-0,3 м и на высоте 0,8-1,0 м от него;
в верхней части рабочего слоя, где предъявляются повышенные требования к уплотнению грунтов, целесообразно размещать хотя бы одну прослойку непосредственно по подошве верхнего из уплотняемых грунтовых слоев уширения.
Остальные прослойки распределяют равномерно по высоте насыпи уширения. Для обеспечения равнопрочности конструкции полотна геосинтетические материалы укладывают только путем раскатки рулонов в направлении, поперечном оси насыпи.
При устройстве уширения в стесненных условиях с откосами крутизной, превышающей наибольшую допустимую по нормам, может быть применено решение (рис. 12.9, б), когда грунт уширения заключают в обоймы из геосинтетического материала. Здесь предпочтительно применение более жестких материалов. При большой крутизне откосов обеспечение местной устойчивости возможно с помощью защитной прослойки из геосинтетических материалов. Наилучшим вариантом решения с точки зрения применяемых материалов является применение жестких армирующих сеток для создания обойм и нетканых иглопробивных материалов на поверхности откоса в качестве защитных прослоек.
Создание конструкций «грунт в обойме» приводит к повышению общей устойчивости откоса уширения за счет пересечения предполагаемой поверхности скольжения работающими на растяжение прослойками и восприятия ими бокового давления грунта, а также обеспечивает и местную устойчивость. На этой основе создается возможность увеличения заложения откосов до 1:0,75 и уменьшения полосы отвода при обеспечении прочности конструкции.
Уширение выемок. Уширение выемок на практике производится значительно реже, чем насыпей, и по несколько иной технологии. Уширение выемок может потребоваться при повышении категории существующей дороги для доведения ее параметров до нормативов новой категории дороги. Кроме того, уширение выемки может потребоваться по условиям обеспечения снегозаносимости. Эта задача может быть решена путем уположения откосов выемки.
Крутизну откоса выемки по условиям снегозаносимости определяют исходя из объема снега, который должен быть размещен на откосе. Если снегоемкость откоса выемки больше, чем объем приносимого и выпадающего снега, выемка незаносима. В противном случае выемка будет заноситься снегом. В этом случае для размещения снега можно устроить аккумуляционные полки, которые представляют собой уширение выемки по дну с соответствующим перемещением откосов на всю высоту выемки. Величина уширения рассчитывается исходя из объема снегоприноса, но должна быть не менее 4 м. Аккумуляционные полки могут быть односторонними и двухсторонними в зависимости от объема снегоприноса с каждой стороны [4].
Выемки глубиной до 2 м уширяют, как правило, бульдозером. После снятия растительного слоя, также как и при уширении насыпи, выполняют работы по засыпке боковых кюветов с послойным уплотнением грунта. Затем разрабатывают откосы выемки на заданную ширину с перемещением грунта в насыпь или в отвал или с погрузкой его в самосвалы и транспортировкой на место отсыпки. После этого бульдозером или планировщиком выполняют планировку откосов, нарезают водоотводные лотки автогрейдером или канавокопателем, а затем при необходимости укрепляют откосы.
В выемках глубже 6 м после предварительной засыпки и уплотнения грунта в боковых канавах экскаваторы с обратной лопатой располагают у верхней их бровки. Вначале грунт снимают с верхней части откосов и грузят в автомобили-самосвалы. Затем разрабатывают откосы в нижней части, устанавливая экскаваторы на обочинах уширяемого земляного полотна.
В последнее время вместо боковых канав в выемках глубиной свыше 1-2 м рекомендуется устраивать укрепленные лотки треугольного или округлого сечения, предназначенные только для отвода поверхностной воды (рис. 12.10).

Рис. 12.10. Возможные схемы симметричного уширения выемок с отводом поверхностной воды:
а - кюветом трапецеидального сечения; б - лотком треугольного сечения; 1 - тщательно уплотненный насыпной грунт; 2 - срезанный грунт
Преимущества лотков по сравнению с глубокими кюветами или водоотводными канавами в выемках заключаются прежде всего в повышении безопасности движения. Менее размываются их откосы. В них практически не застаивается поверхностная вода, и потому они не зарастают болотной растительностью, но зарастают травой и их не нужно укреплять. Их легче прочищать механизированным способом.
Существующее мнение, что глубокие кюветы и водоотводные канавы способствуют осушению земляного полотна, не вполне обоснованно. При глубоких кюветах, заполненных снегом, скорость оттаивания грунта на обочинах обычно в 5-6 раз меньше, чем под дорожной одеждой [78]. Значит, глубокие кюветы и водоотводные канавы не в состоянии осушить в период оттаивания земляное полотно. В районах же с равнинным характером местности чаще всего глубокие кюветы и водоотводные канавы на десятках километров заполнены водой.
Практика показала, что в канавах, особенно глубоких и тем более заросших влаголюбивым кустарником, круглый год стоит поверхностная вода. Таким образом, вместо пользы глубокие кюветы и водоотводные канавы ухудшают водно-тепловой режим земляного полотна во время его оттаивания.
Перестраивая земляное полотно, особое внимание следует уделять системе водоотвода: восстановлению или устройству новых боковых канав, в том числе и отводящих воду в сторону от полотна, в пониженные места или к водопропускным сооружениям, дренажей для перехвата, сбора, отвода и понижения уровня грунтовых вод, водоотводных лотков и водобойных колодцев и т.д.
Исправление продольного профиля при реконструкции дорог осуществляется путем увеличения высоты насыпей и глубины выемок существующей дороги. Необходимость исправления продольного профиля дорог при реконструкции может требоваться в нескольких случаях: на заниженных участках, с которых не обеспечен отвод воды и на которых наблюдаются пучины; на участках обертывающего профиля с необеспеченной видимостью в пересеченной местности; для смягчения крутых подъемов и спусков или улучшения условий движения на таких участках; для обеспечения плавности дороги в продольном профиле при неудобных для современного автомобильного движения с высокими скоростями частых пилообразных переломах продольного профиля, вызванных малым шагом проектирования, даже в случаях обеспеченной видимости и допустимых продольных уклонов; для обеспечения снегонезаносимости дороги.
Первые два случая часто наблюдаются на дорогах, построенных в середине прошлого века. Объясняется это действовавшими в то время правилами проектирования дорог по обертывающей проектной линии, а иногда и несоблюдением их строительными организациями при выполнении земляных работ отрядами бульдозеров или скреперов по постоянной технологической схеме. Обычно последнее приводит к занижению высоты насыпей и использованию слишком малых, не соответствующих категории дороги радиусов вертикальных кривых. Видимость дороги в продольном профиле оказывается ниже нормативной или соответствует минимальным значениям, допускаемым техническими условиями.
Каждый участок потери видимости в понижении за переломом продольного профиля является местом потенциальной опасности для движения. Основной причиной происшествий являются обгоны автомобилей в верхней части подъемов в условиях недостаточной видимости, приводящие к столкновению со встречными автомобилями.
При небольших продольных уклонах местности оптимальный способ исправления продольного профиля заключается в изменении радиусов вертикальных кривых со срезкой выпуклых кривых и подъемкой вогнутых или общее выравнивание продольного профиля с устройством постоянного уклона однородной величины.
Однако такое решение может быть реализовано на значительном протяжении дороги только при заниженном земляном полотне и тонкослойных изношенных дорожных одеждах, ценность которых как конструкции, воспринимающей нагрузку, весьма невелика. При выравнивании пилообразного продольного профиля с относительно малыми колебаниями отметок покрытий от осредняющей прямой или кривой более целесообразным решением представляется подсыпка пониженных участков, чем разборка возвышений (рис. 12.11).

Рис. 12.11. Схема выравнивания покрытия на вертикальной кривой:
1 - основание; 2 - покрытие; 3 - выравнивание и уплотнение покрытия; 4 - продольный профиль поверхности покрытия
Минимальным обязательным объемом работ по исправлению продольного профиля считается только срезка его выпуклых переломов с обеспечением видимости встречного автомобиля исходя из средней скорости транспортного потока, то есть допуская некоторое снижение видимости по сравнению с требованиями при проектировании новых дорог. Для дорог II категории это вынужденное ухудшение технических параметров дороги не будет препятствовать впоследствии коренному улучшению дороги путем ее перевода в категорию автомобильных магистралей с устройством разделительной полосы и самостоятельных проезжих частей для встречных потоков движения. Как известно, в таких случаях расчет ведут на видимость проезжей части, в 2 раза меньшую, чем видимость встречного автомобиля.
При невозможности полного закрытия дороги с устройством объезда работы по срезке выпуклых кривых, ограничивающих видимость дороги, ведут по половинам ширины дороги, переводя движение в одну сторону на обрез. В случаях невозможности этого вводят регулируемое поочередное движение в одну сторону или даже строят новую дорогу. Возможность исправления продольного профиля описанным способом ограничивается величиной срезки 0,6-0,8 м. При понижении проезжей части более чем на 1 м уже не обеспечивается безопасность движения по половине проезжей части.
Возможность увеличения радиусов вогнутых кривых обычно бывает ограничена из-за сложности подъемки мостов, расположенных на пониженных участках продольного профиля. На старых дорогах через малые периодически действующие водотоки в большинстве случаев строились мосты. Повышение мостов крайне затруднительно из-за сложности выполнения работ, связанных с подъемкой пролетных строений и наращиванием опор. При достаточно широких мостах капитальных типов увеличение радиусов вогнутых вертикальных кривых приходится откладывать на длительное время до перестройки мостов. При узких мостах, малых радиусах вертикальных кривых и при малых расходах водотока легче бывает заменить мост на многоочковую трубу из сборных звеньев.
На пересечениях относительно узких долин с крутыми склонами наиболее радикальный способ исправления опасных и неудобных спусков в долину - постройка виадука на высоких опорах, пересекающего долину в одном уровне с ее краями. Технико-экономический анализ показывает, что сокращение пути пробега, увеличение скорости автомобилей и снижение числа происшествий по сравнению с существующей дорогой окупает постройку виадука в очень короткие сроки.
Короткие участки крутых подъемов, на которых возникают заторы движения из-за невозможности для тяжелых грузовых автомобилей и автопоездов преодолевать их с высокой скоростью, желательно перестраивать, уменьшая величину уклона до 30, максимум 40 ‰.
Длинные затяжные подъемы и спуски на перпендикулярных пересечениях широких долин, которые на некоторых магистральных дорогах юга России, построенных в начале 50-х гг. прошлого века, имеют протяжение до нескольких километров, не поддаются столь легкому исправлению. Условия движения по ним можно было бы улучшить только путем постройки нового участка дороги с развитием ее трассы по склонам долины, что потребовало бы не только отказа от большого участка дороги, но и строительства нового моста, длина которого на таких переходах обычно достигает нескольких десятков метров.
Наиболее доступный и оправдавший себя способ улучшения условий движения на затяжных подъемах - уширение проезжей части с устройством дополнительной полосы для движения тяжелых грузовых автомобилей и автопоездов в сторону подъема.
Планировочные решения дополнительных полос должны предусматривать обязательное включение переходно-скоростных участков, на которых происходил бы выход грузовых автомобилей из смешанного потока и их последующее включение в него после преодоления подъема. Для этого дополнительные полосы должны начинаться не менее чем за 50-100 м до начала подъема.
Длину дополнительной полосы за подъемом для удобного и безопасного слияния потоков автомобилей, едущих по дополнительной и основной полосе, принимают в зависимости от интенсивности движения в часы пик:
|
Интенсивность движения на подъем, авт./ч |
До 200 |
300 |
400 |
500 и более |
|
Протяжение полосы за подъемом, м |
100 |
150 |
200 |
350 |
Дополнительная полоса работает эффективно лишь при наличии на проезжей части разметки, отделяющей сплошной линией полосу встречного движения под уклон и пунктиром полосу для движения более быстрых автомобилей (рис. 12.12). Необходимо устанавливать дополнительные знаки, указывающие назначение каждой из полос, например: «Левый ряд для обгона».

Рис. 12.12. Дополнительные полосы на подъемах:
а - схематический продольный профиль; б - план дороги со схемой разметки проезжей части; 1 - знак «левый ряд для обгона»; 2 - указатель изменения числа рядов; 3 - знак «Остановка запрещена»; 4 - вершина подъема
Наиболее целесообразным расположением дополнительной полосы является устройство ее на уширяемом земляном полотне параллельно основной проезжей части. В отдельных случаях, когда земляное полотно трудно уширить, может быть рассмотрен вариант самостоятельного трассирования дополнительной полосы для медленных автомобилей как дороги для одностороннего движения. В исключительно стесненных условиях возможно устройство дополнительной полосы за счет обочины с оборудованием в отдельных местах, где это позволяет рельеф, остановочных площадок для неисправных автомобилей. В принципе возможно получить место для устройства дополнительной полосы в выемках путем перехода на отвод воды при помощи подземных водостоков с засыпкой боковой канавы и установки у кромки уширенной проезжей части бортового камня с водоприемниками.
Рассматривая способы улучшения дорог на затяжных подъемах, необходимо предусматривать устройство предложенных проф. А.П. Васильевым «аварийных съездов» для постепенной остановки автомобилей, у которых испортились тормоза (рис. 12.13).
Аварийные съезды представляют собой тупик, продолжающий направление повернувшей дороги или примыкающий к дороге под острым углом и идущий на подъем с уклоном до 100 ‰ и более. Планировка их зависит от рельефа местности. Водитель автомобиля, у которого испорчены тормоза, но исправно рулевое управление, направляет автомобиль в тупик, при движении по которому постепенно гасится кинетическая энергия скатывающегося под уклон автомобиля. В конце тупика должен быть устроен участок повышенного сопротивления качению из вспаханного грунта, песчаной или гравийной засыпки. Зимой в снежных районах торможение осуществляется снеговым покровом.
Построенные ранее аварийные съезды имеют твердую поверхность (fср = 0,03). Поэтому остановка автомобилей обеспечивается в основном за счет влияния продольного уклона. В Англии пошли по другому пути. Аварийные съезды устраивают в виде расположенных около дороги площадок, засыпанных слоем естественного окатанного гравия или шарообразного искусственного каменного материала типа керамзита толщиной 30-45 см (fср = 0,45). Это позволяет существенно уменьшить длину тормозного пути.
Увеличение высоты насыпей. Отметки земляного полотна на многих участках реконструируемых дорог не удовлетворяют современным требованиям к возвышению бровки земляного полотна, на пучинистых участках и участках с высоким уровнем грунтовых или стоячих поверхностных вод до отметки, превышающей капиллярное поднятие воды. Однако формальное удовлетворение этих требований при разработке проектов реконструкции может привести к необходимости полной перестройки многих дорог на значительном протяжении. Правильное решение необходимо искать в общем улучшении отвода воды от дороги.

Рис. 12.13. Типы аварийных съездов:
а, б - примеры решений в плане; в - продольный профиль съезда; 1 - тормозной путь; 2 - основная дорога
Необходимое возвышение низа дорожной одежды над уровнем длительного стояния источников увлажнения (грунтовые или поверхностные воды) может быть найдено путем расчета по теоретическим формулам накопления влаги в земляном полотне. Этот вопрос в течение последних десятилетий был существенно продвинут трудами профессоров И.А. Золотаря, В.М. Сиденко и ряда других ученых [37]. Многие из предложенных ими формул преследуют цель точного учета особенностей протекания процесса тепловлагообмена в грунте земляного полотна. Однако стремление к точности и полноте отражения в математических зависимостях физических процессов, происходящих в грунте, всегда неизбежно сочетается с осложнением получаемых закономерностей и введением дополнительных параметров, характеризующих теплотехнические свойства грунтов и материалов конструктивных слоев дорожных одежд, методика определения расчетных значений которых еще не установлена. Учитывая также, что свойства грунта и условия увлажнения существенно меняются по протяжению дороги и что погодно-климатические факторы неодинаковы в разные годы, можно считать достаточно оправданным использование для расчета возвышения земляного полотна при реконструкции дорог более простых, приближенных зависимостей, к числу которых принадлежат формулы проф. Н.А. Пузакова.
Теоретические расчеты могут в некоторых случаях указывать на необходимость сравнительно небольшого поднятия бровки земляного полотна на 20-30 см. Хорошую дорожную одежду, на которой в процессе предшествующей эксплуатации дороги не наблюдалось образования пучин, нет необходимости разрушать для выполнения небольшой подсыпки. Можно ограничиться усилением дорожной одежды. В этом случае ее толщину рассчитывают исходя из значений модуля упругости конструктивных слоев, учитывающих старение материалов в процессе эксплуатации. Одновременно должны быть тщательно обеспечены поверхностный отвод воды от дороги и планировка придорожной полосы, полностью исключающие возможность застоев около земляного полотна поверхностной воды [46].
Участки, на которых наблюдаются систематическое интенсивное зимнее вспучивание и весенние деформации дорожных одежд, нуждаются в капитальной перестройке с устранением причин пучинообразования (см. раздел 12.5).
Во многих случаях увеличение высоты насыпей может оказаться необходимым в целях предотвращения заносимости дороги снегом. Такая необходимость чаще всего возникает при реконструкции дорог с переводом ее в более высокую категорию в связи с тем, что в соответствии с нормами проектирования возвышение бровки насыпи земляного полотна над уровнем снегового покрова зависит от категории дороги и составляет:
|
Категория дороги |
I |
II |
III |
IV |
V |
|
Возвышение бровки насыпи, м |
1,2 |
0,7 |
0,6 |
0,5 |
0,4 |
Это означает, что при переводе дороги II категории в дорогу I категории высота всех насыпей над расчетным уровнем снегового покрова должна быть увеличена на 0,5 м на всех участках, где это требование не выполняется.
Технико-экономический анализ показывает, что в ряде случаев в снегозаносимых районах может оказаться эффективным увеличение высоты земляного полотна до требуемой величины и перестройка его в насыпь, имеющую пологие, обтекаемые снеговетровым потоком откосы. Однако при прочной дорожной одежде и благоприятных грунтовых и гидрогеологических условиях целесообразно рассмотреть вариант усиления снегозащиты путем устройства дополнительных снегозащитных сооружений и лесных насаждений, совершенствования формы земляного полотна и др. Основой для разработки намеченных мероприятий должны являться данные отчетов дорожно-эксплуатационных организаций о заносимости отдельных участков и объемах работ по снегоочистке. В любом случае существующие насыпи высотой более 3 м повышают только в исключительных случаях. При повышении высоты насыпи неизбежно происходит ее уширение по подошве и по всей высоте по сравнению с существующей дорогой за счет изменения заложения откосов (рис. 12.14).

Рис. 12.14. Схема определения геометрических параметров земляного полотна при увеличении высоты насыпи
Как правило, у старых дорог заложение откосов насыпей небольшой высоты составляет 1:1 или 1:1,5. В то же время по современным нормам крутизну откосов насыпей высотой до 3 м на дорогах I-III категорий следует назначать с учетом обеспечения безопасного съезда транспортных средств в аварийных ситуациях, как правило, не круче 1:4, а для дорог других категорий при высоте насыпи до 2 м - не круче 1:3. Такие откосы достаточно укрепить травосеянием или одерновкой. На ценных землях допускается увеличение крутизны откосов до предельных значений от 1:1 до 1:1,75 в зависимости от типа грунта насыпи с разработкой дополнительных мероприятий по обеспечению безопасности движения и укреплению откосов. Аналогичные решения могут быть приняты и для других условий при технико-экономическом обосновании.
Величина уширения на уровне отметки бровки земляного полотна существующей дороги может быть определена по формуле:
a = m2×∆h, м, где (12.1)
m2 - заложение откоса насыпи после ее повышения;
∆h - увеличение высоты насыпи, м.
b = m2×h2 - m1×h1, м, где (12.2)
h1 - высота насыпи до реконструкции, м;
h2 - общая высота насыпи после реконструкции, м;
m1 - заложение откоса насыпи до реконструкции.
Реконструкция насыпей, особенно высоких, с поднятием их бровок является технически трудной задачей. С увеличением высоты насыпи повышается и степень вероятности ее осадки и сползания вновь отсыпанного грунта по откосу.
Увеличение высоты насыпи может быть без изменения положения оси дороги и с изменением (смещением) оси дороги в плане.
Выбор порядка и технологии производства работ при повышении высоты насыпей зависит от большого количества факторов: высоты старой насыпи и крутизны ее откосов, величины повышения насыпи и крутизны новых откосов, положения оси дороги до и после повышения насыпи, типа и состояния дорожной одежды, грунтов и системы водоотвода и т.д.
При увеличении высоты насыпи старую дорожную одежду, как правило, разбирают, перерабатывают и обогащают новым материалом, а затем обогащенный материал используют при строительстве новой дорожной одежды или на других дорожных работах. Однако могут быть и другие варианты использования старой дорожной одежды. При повышении насыпи на 0,25-0,30 м, а в некоторых случаях и до 0,5 м старую дорожную одежду используют как основание, на котором устраивают новую дорожную одежду. Окончательное решение принимают после технико-экономического сравнения вариантов, в которых учитывают затраты на снятие старой одежды, переработку и обогащение получаемых материалов, повторную укладку этих материалов в дорожную одежду и сравнивают эти затраты с расходами на строительство новой дорожной одежды.
Аналогичные расчеты производят при значительном увеличении высоты насыпи. Как правило, более экономичным является вариант снятия старой дорожной одежды с дальнейшим использованием ее материалов в дорожных конструкциях.
Согласно исследованиям В.И. Негодаева и Б.А. Козловского, гранулометрический состав изношенного щебеночного основания большей частью удовлетворяет принципу минимума пустот. Поэтому получаемый в результате вскирковки изношенной дорожной одежды материал, как правило, пригоден для дальнейшего применения. При содержании в нем известняковых частиц свыше 25-30 % размером мельче 0,5 мм, обладающих высокой пластичностью, к нему добавляют 20-25 % песка, желательно крупнозернистого, и после перемешивания распределяют по всей ширине земляного полотна, уплотняя при оптимальной влажности. Но если в изношенный щебеночный материал ввести местные малоактивные вяжущие (различные, золы, известь, гранулированный шлак, цементную пыль, битуминозные пески естественного происхождения, отходы от промывки цистерн и танкеров), его можно применять и для устройства подстилающего слоя дорожных одежд.
В некоторых случаях при разборке гравийных или щебеночных покрытий материалы оказываются настолько измельченными, слабопрочными и загрязненными, что затраты на их переработку и обогащение превышают стоимость строительства новой дорожной одежды. В этом случае дорожную одежду не разбирают, а засыпают грунтом в земляном полотне.
При коэффициенте прочности дорожной одежды Кпр < 0,6, особенно на пучинистых участках, существующая дорожная одежда обычно сильно загрязнена и гранулометрический ее состав весьма неоднороден. Такую изношенную дорожную одежду не следует оставлять в теле земляного полотна, засыпая грунтом, чтобы не создавать условия для образования в теле земляного полотна верховодки.
Удалив дорожную одежду, грунт в корыте разрыхляют на глубину 10 см. Затем корыто заполняют таким же грунтом, как в земляном полотне с послойным уплотнением. Толщину слоев принимают не более 0,6-0,7 от рекомендуемой инструкцией по производству земляных работ для соответствующей уплотняющей машины. Строго соблюдая оптимальную влажность, грунт уплотняют до коэффициента Ко = 1,03-1,05. Подобная чрезвычайно важная технологическая операция должна строго соблюдаться, пока не будет отсыпано корыто, образовавшееся после удаления ранее существовавшей дорожной одежды.
Образование верховодки в теле земляного полотна может быть предотвращено только при чрезвычайно тщательном производстве земляных работ по заделке корыта. Если применяемый грунт неоднороден по своим свойствам, после его распределения каждый слой необходимо перемешать автогрейдером до получения однородного состава и лишь после этого уплотнять.
После заделки корыта необходимо земляное полотно спрофилировать, придав его поверхности двускатный поперечный профиль с уклоном не менее 40 ‰, а затем послойно его досыпать до проектной отметки. Чтобы достигнуть высокой степени уплотнения, соответствующей грунту длительное время эксплуатировавшегося земляного полотна, толщину отсыпаемых слоев нужно принимать на 20-25 % меньшей по сравнению с обычно рекомендуемой.
При небольшом повышении насыпи (до 40-50 см) работы производят путем отсыпки требуемого объема грунта на обочины после снятия с них и верхней части откосов земляного полотна растительного слоя.
Работы выполняют в такой последовательности:
снятие растительного слоя с обочин и верхней части откосов на высоту 0,5-0,6 м;
послойная разборка и удаление материалов слоя старой дорожной одежды;
послойная засыпка корыта грунтом и его уплотнение;
отсыпка песчаного слоя, устройство новой дорожной одежды;
досыпка обочин и их укрепление.
Если старая дорожная одежда остается как основание новой, поднятие земляного полотна, по существу, сводится к досыпке грунта на обочины и к его уплотнению.
При необходимости увеличить высоту насыпи более чем на 0,5 м работы ведутся снизу вверх от подошвы насыпи так же, как и при уширении земляного полотна. После снятия растительного слоя с откосов насыпи, кюветов и поверхности прилегающей полосы, где будет размещена подошва новой насыпи, засыпают кюветы или боковые канавы с послойным уплотнением грунта. Затем так же, как и при уширении, послойно отсыпают новые откосные части насыпи с рыхлением старого откоса или нарезкой уступов (см. рис. 12.11, а, б).
Если ширина слоя отсыпаемого откоса достаточна для работы бульдозера, автогрейдера и катков, каждый уступ нарезают шириной 0,3-0,5 м и высотой, равной толщине отсыпаемого слоя (0,25-0,35 м). Затем отсыпают первый слой грунта по подошве новой насыпи и тщательно уплотняют его. После этого нарезают второй снизу уступ и так отсыпают откосную часть до бровки старой насыпи.
Если ширина отсыпаемого откоса меньше 1,5-2,0 м, может быть принят один из двух вариантов: а) увеличивают ширину уступа так, чтобы обеспечить возможность работы дорожных машин при послойной отсыпке откосной части земляного полотна; б) увеличивают ширину вновь отсыпаемых слоев, которые после возведения насыпи срезают, а грунт перемещают на другие участки работы. Таким образом отсыпается новая откосная часть насыпи до уровня бровки земляного полотна существующей дороги. Дальнейшее повышение насыпи выполняется по обычной технологии возведения земляного полотна.
Следует отметить, что при увеличении высоты насыпей необходимо соблюдать те же требования к грунтам, их взаиморасположению и степени уплотнения, что и при уширении земляного полотна.
Увеличение глубины выемок. Увеличение глубины существующих выемок производится значительно реже, чем увеличение высоты насыпей, что объясняется более сложными условиями осуществления таких работ, поскольку изменение проектной линии в выемке влечет за собой изменение проектной линии и на подходах к ней (рис. 12.15)

Рис. 12.15. Схема расположения смежных участков изменения глубины выемки и высоты насыпи при смягчении продольного уклона:
1 - линия поверхности земли; 2 - положение красной линии до реконструкции; 3 - то же, после реконструкции; i1, i2 - максимальный продольный уклон до и после реконструкции
При этом можно выделить ряд характерных участков изменения продольного профиля: участок увеличения глубины выемки I; участок уменьшения глубины выемки II; участок, где выемка заменяется насыпью, III; участок увеличения высоты насыпи на подходе к выемке IV.
В реальных условиях некоторые из названных участков могут отсутствовать, но все равно организация работ по реконструкции выемок остается сложной.
При увеличении глубины выемок неизбежны увеличение ее ширины по верху, снятие существующей дорожной одежды, перестройка системы водоотвода и дренажа (рис. 12.16).
В ряде случаев одновременно с углублением выемки для повышения устойчивости откоса или обеспечения снегонезаносимости увеличивают заложение откосов, то есть уполаживают их. Увеличение ширины выемки по верху с одной стороны в этом случае составит
b = m2×h2 - m1×h1, м, где (12.3)
m1 и m2 - заложение откоса насыпи до и после реконструкции;
h1 и h2 - глубина выемки до и после реконструкции, м.
Если крутизна откоса после реконструкции остается такой же, как и до реконструкции, увеличение ширины по верху одной стороны составит
b = m×(h2 - h1), м, где (12.4)
m - заложение откоса выемки.

Рис. 12.16. Схема определения геометрических размеров углубляемой выемки
Работы по углублению выемок начинаются, как правило, с устройства объезда, снятия растительного слоя с откосов выемки и поверхности земли на полосе уширения. После этого производят уширение выемки по верху до отметки бровки существующей дороги сначала с одной, а затем с другой стороны или с обеих сторон одновременно. Движение автомобилей в этот период может осуществляться по обеим полосам проезжей части без перерыва. После этого удаляют дорожную одежду и углубляют выемку, разрабатывая грунт с перемещением под уклон бульдозерами или скреперами. Чаще же всего ее уширяют экскаваторами с одновременной погрузкой грунта в автомобили-самосвалы. При величине уширения более 2 м разработку откосов выемки можно выполнять бульдозером с продольным перемещением грунта. При меньшей величине уширения разработку откосов выемки выполняют экскаватором с обратной лопатой, который устанавливается наверху откоса и разрабатывает грунт с погрузкой в транспортные средства или в отвал. Экскаватор может быть использован и для разработки откосов при большой величине уширения и большой глубине выемки. В этом случае может быть использован экскаватор, который разрабатывает откос ярусами с погрузкой грунта в транспортные средства.
При уширении и углублении больших и глубоких выемок этот метод широко применяется. После того как откосы выемки разработаны на глубину до отметки бровки существующей дороги, приступают собственно к углублению выемки до проектной отметки (рис. 12.17). К этому времени должно быть закрыто движение по основной дороге и перенесено на объезд или организовано движение по одной стороне проезжей части и снята дорожная одежда.

Рис. 12.17. Поперечный профиль земляного полотна при углублении выемки:
1 - существующее земляное полотно; 2 - существующая дородная одежда; 3 - новый поперечный профиль земляного полотна с увеличением геометрических параметров; 4 - новая дорожная одежда
Работы по углублению выполняют скреперами или бульдозерами. Технология работ практически не отличается от работ по строительству дорог. Завершающим этапом работ по углублению выемок является планировка и укрепление откосов, нарезка и укрепление кюветов и водоотводных канав.
Пучинами называют деформации дорожных одежд и земляного полотна, проявляющиеся зимой во взбугривании, растрескивании и потере ровности покрытия, а в период оттаивания при проезде автомобилей в проломах дорожной одежды, вызванных снижением прочности переувлажненных грунтов.
Пучины на дорогах возникают при одновременном сочетании трех факторов: наличия пучинистых грунтов; интенсивного влагонакопления до относительной влажности более 0,75 от влажности на границе текучести грунта в период морозного влагонакопления; медленного и глубокого промерзания грунтов под дорожной одеждой на глубину более 0,5 м. При отсутствии любого из этих факторов пучины не возникают.
Мероприятия, направленные на устранение возможности образования пучин, можно разделить на три группы (рис. 12.18): изменение или регулирование пучинистых свойств грунта путем замены пучинистого грунта непучинистым, введения добавок, термообработки или укрепления грунта вяжущими; регулирование водного режима земляного полотна путем обеспечения поверхностного водоотвода и исключения увлажнения грунтовыми водами; регулирование теплового режима земляного полотна устройством морозозащитных и теплоизолирующих слоев и др.
Одной из основных причин возникновения пучин является наличие пучинистых грунтов в теле земляного полотна под дорожной одеждой.
Все грунты по степени пучинистости разделяются на 5 групп:
I - непучинистые грунты, относительное морозное пучение которых меньше или равно 1 % (Kпуч £ l). К ним относится песок гравелистый крупный и средней крупности с содержанием частиц мельче 0,05 мм до 2%.
II- слабопучинистые, относительное морозное пучение от 1 до 4 % (Кпуч 1-4). К ним относятся песок гравелистый крупный, средней крупности и мелкий с содержанием частиц мельче 0,05 до 15 %, супесь легкая крупная.
III - пучинистый, относительное морозное пучение от 4 до 7 % (Кпуч 4-7). К ним относятся супесь легкая, суглинок (легкий и тяжелый), глины.
IV - сильнопучинистый, относительное морозное пучение от 7 до 10 % (Кпуч 7-10). К ним относятся песок и супесь пылеватые, суглинок тяжелый пылеватый.
V - чрезмернопучинистый, относительное морозное пучение более 10 % (Кпуч > 10). К ним относятся супесь тяжелая пылеватая и суглинок легкий пылеватый.

Рис. 12.18. Мероприятия по устранению причин пучинообразования, применяемые при реконструкции дорог
Для того чтобы избежать образования пучин, рабочий слой земляного полотна в насыпях и выемках на глубине 1,2 м от поверхности цементобетонных и на глубине 1 м от поверхности асфальтобетонных покрытий во II дорожно-климатической зоне и на глубине 1 и 0,8 м соответственно в III дорожно-климатической зоне должен состоять из непучинистых или слабопучинистых грунтов (группа I или II). На тех участках дорог, где эти требования не выдержаны и установлено образование пучин, необходимо принять меры по замене пучинистого грунта непучинистым или по улучшению свойств грунта.
Наиболее кардинальными и в то же время дорогостоящими способами ликвидации пучин является замена пучинистого грунта и материала дренирующего слоя, применение мероприятий по усилению земляного полотна на глубину 0,5-0,6 м под проезжей частью дороги. Они связаны с переустройством дорожной конструкции. Эти мероприятия возможно применять в случаях, когда другие способы не дают необходимого эффекта. Для замены используются пески требуемого гранулометрического состава с коэффициентом фильтрации не менее 2 м/сут. Эффективность работы дренирующего слоя на таких участках увеличивают за счет применения прослоек из нетканых материалов толщиной не менее 4 мм и коэффициентом фильтрации 50 м/сут и более.
Замену пучинистого грунта земляного полотна в насыпях начинают со снятия растительного слоя с обочин и откосов. Затем разрушают и послойно снимают дорожную одежду и транспортируют материалы в штабели или на место переработки. После этого разрыхляют верхний слой насыпи рыхлителями на базе бульдозеров или экскаваторов, бульдозерами или скреперами снимают грунт и перемещают его в отвал или погрузчиками грузят в транспортные средства и перемещают к месту укладки автотранспортом. Дренирующий грунт доставляется самосвалами из карьера и послойно отсыпается с уплотнением до рабочей отметки. При этом соблюдаются требования продольного сопряжения перестраиваемого пучинистого участка с неперестраиваемым [74].
Сопряжение мест замены грунта на пучинистых участках с соседними неперестраиваемыми осуществляют в виде клина с крутизной откоса вдоль его оси 1:10 (рис. 12.19). Этим устраняется возможность неравномерного морозного пучения в местах сопряжения перестроенных участков с оставляемыми без перестройки.
Независимо от свойств заменяющего грунта с низовой стороны перестраиваемого участка по ходу продольного уклона в нем надлежит устроить на полную ширину земляного полотна поперечную прорезь глубиной до грунта старого земляного полотна, уложив в нее трубу диаметром d = 80-100 мм. Если стенки трубы водонепроницаемы, как, например у асбестоцементных, то до половины диаметра трубы ее перфорируют или нарезают пропилы через каждые 30-50 см (рис. 12.20).

Рис. 12.19. Схема продольного сопряжения пучинистого участка с неперестраиваемыми:
L - протяжение пучинистого участка; h - толщина слоя оглеенного грунта; 1 - дорожная одежда на соседних неперестраиваемых участках; 2 - новая дорожная одежда; 3 - замененный грунт

Рис. 12.20. Схема конструкций поперечных прорезей мелкого заложения с фильтрами из искусственных волокнистых материалов:
а - трубы с прорезями; б - перфорированные трубы; 1 - труба; 2 - войлок или маты из базальтового или стеклянного волокна; 3 - пропил; 4 - песок с К ³ 3 м/сут; 5 - стеклоткань или ткань типа «бидим»; 6 - соединение на клее; 7 - водоприемные отверстия перфорированной трубы
Трубу обертывают стеклотканью или синтетическим материалом типа «бидим» [78]. Вместо асбестоцементных или гончарных труб целесообразнее применять трубофильтры с пластмассовыми вкладышами (рис. 12.21), при которых не нарушается сплошность трубчатой поперечной прорези, или полимерные гофрированные перфорированные трубы. При отсутствии искусственных волокнистых материалов вокруг труб устраивают однослойную фильтровую засыпку, обсыпая трубу слоем 8-10 см морозостойкого щебня или гравия крупностью 5-8 (10 мм).

Рис. 12.21. Соединения звеньев труб полиэтиленовыми муфтами-вкладышами:
а - общий вид муфты-вкладыша; б - схема соединения; 1 - звенья труб; 2 - муфта
Если пучинистый грунт заменяют суглинком или супесью, то есть малофильтрующим грунтом, то трубчатые дрены необходимо обсыпать песком с коэффициентом фильтрации К > 5 м/сут (при оптимальной плотности Ко = 1).
Иногда вместо замены пучинистого грунта активной зоны земляного полотна применяют различные способы улучшения его свойств. Одним из таких способов является закрепление пучинистого грунта введением цементного, цементоизвесткового раствора или химического реагента. Для этого с поверхности дороги пробуривают сетку скважин на всю глубину рабочего слоя из пучинистого грунта, в которую под давлением закачивают раствор (12.22).
Другой основной причиной образования пучин является интенсивное морозное влагонакопление в грунте. Этому может способствовать наличие грунтов с высоким капиллярным поднятием воды, поверхностных или близкорасположенных грунтовых вод, инфильтрация воды через откосы, обочины и покрытие, и особенно морозное влагонакопление в зимний период.
Для устранения влияния этих причин наиболее действенной мерой является соблюдение требований к возвышению поверхности покрытия над расчетным уровнем грунтовых вод, верховодий или длительно стоящих поверхностных вод, а также над поверхностью земли на участках с необеспеченным поверхностным стоком. Наиболее простым способом устранения причин образования пучин на участках, где указанные требования не соблюдены, является увеличение высоты насыпей до величин, соответствующих этим требованиям.

Рис. 12.22. Схема ликвидации пучин и повреждений верхней части земляного полотна химическим способом:
1 - положение дорожного покрытия зимой; 2 - положение дорожного покрытия весной; 3 - дорожная одежда; 4 - укрепленный грунт; 5 - пучинистый грунт
При новом дорожном строительстве предотвращение пучинообразования достигается именно этим способом - возвышением земляного полотна и устройством его верхнего слоя из не подверженных пучению медленно промерзающих песчаных грунтов. При реконструкции дороги возможность использования этого способа ограничена тем, что подъемка земляного полотна на коротком по протяжению пучинистом участке дороги неизбежно вызывает необходимость перестройки сопрягающихся участков дороги на большом протяжении для обеспечения плавности проектной линии.
В некоторых случаях подъемка полотна дороги невозможна, так как отметки ее поверхности нельзя изменить (подходы к переездам через железную дорогу, пересечение дорог в одном уровне, в населенных пунктах и др.). Поэтому при реконструкции дорог часто приходится применять более сложные способы борьбы с пучинами (устройство теплоизоляционных слоев или дренажей), при которых можно сохранить поверхность дороги на прежнем уровне.
Перечень возможных методов перестройки пучинистых участков без поднятия насыпи достаточно обширен, некоторые из которых приводятся ниже.
1. Устранение источников увлажнения земляного полотна, обеспечиваются:
организацией поверхностного отвода воды с придорожной полосы. Этот элемент борьбы с пучинами обязателен во всех случаях. Прочистка водоотводных канав и планировка придорожной полосы, устраняя возможность застоев воды у земляного полотна, снижая ее проникание в осенний период;
понижением уровня грунтовых вод путем устройства дренажей. Этот метод в связи со сложностью его осуществления, высокой стоимостью и недостаточной надежностью работы при реконструкции дорог мало распространен. Он может быть использован не во всех случаях из-за трудности вывода воды из дренажных труб в пониженные места. Кроме того, дренажи требуют весьма тщательного эксплуатационного надзора, при отсутствии или при недостаточности которого быстро засоряются и перестают действовать;
устройством перехватывающего дренажа, если пучение вызывается грунтовыми водами, поступающими со стороны косогора. Эти дренажи работают более надежно, чем понижающие, но также нуждаются во внимательном содержании. Засорение их может приводить к оползанию откосов.
2. Замена пучинистых грунтов, подверженных пучинообразованию, устойчивыми (устройство верхней части земляного полотна из песка, укладываемого слоем не менее 50-60 см). Из нижней части слоя должен быть обеспечен отвод накапливающейся воды. Необходимую толщину слоя определяют исходя из ограничения суммарной величины вспучивания. Этот метод наиболее надежен.
3. Прерывание капиллярного, пленочного или парообразного поднятия воды из увлажненных глубинных слоев грунта осуществляется:
устройством в земляном полотне водонепроницаемых прослоек, преграждающих путь влаге в расположенные выше слои земляного полотна. Применяются грунты, обработанные органическим вяжущим (слой в уплотненном состоянии 3-5 см), рулонные гидроизоляционные материалы, укладываемые в два-три слоя. В настоящее время наиболее доступным из гидроизоляционных материалов является полиэтиленовая пленка, сочетающая высокую водо- и паронепроницаемость с морозоустойчивостью, прочностью и неподверженностью гниению. В последние годы были проведены успешные опыты использования для изоляционных паро- и капилляропрерывающих прослоек рулонных водонепроницаемых нетканых синтетических материалов. Они делают также морозное вспучивание дорожных одежд более равномерным. Водонепроницаемые прослойки рекомендуется укладывать ниже глубины промерзания, располагая выше их в случае необходимости теплоизоляционные слои. Грунты над изолирующей прослойкой необходимо предохранять от увлажнения дождевой и поверхностной водой, укрепляя обочины и обеспечивая надежную работу системы водоотвода;
устройством в земляном полотне прослоек из гравия, крупнозернистого песка, керамзита и других пористых материалов, прерывающих капиллярное поднятие влаги. Засорение прерывающей прослойки грунтом снижает или даже полностью прекращает эффективность ее действия. Поэтому необходимо предусматривать защиту ее от засорения по принципу обратного фильтра.
4. Предохранение земляного полотна от промерзания - устройство под дорожной одеждой теплоизолирующих прослоек, задерживающих промерзание. Раньше для их устройства использовали котельный шлак, торф или керамзит. Все эти материалы должны быть надежно защищены от проникания в них воды, так как насыщение влагой резко снижает эффективность их теплоизолирующего действия.
Развитие технологии полимеров открывает возможность использования для теплоизолирующих прослоек эффективных водонепроницаемых материалов типа пенопластов, которые сочетают высокие теплоизоляционные свойства с водонепроницаемостью. В настоящее время прослойки делают из отдельных плит, заливая швы водонепроницаемыми составами. Однако имеется опыт устройства изолирующего слоя путем розлива по спланированному уплотненному дну корыта вспенивающегося в результате введения особых добавок полиуретана. После одного прохода распределяющей машины оставался слой пенопласта толщиной 10 см. Препятствием широкому применению полимерных материалов пока еще является их высокая стоимость и некоторые неизученные эксплуатационные особенности участков дороги, на которых использованы такие материалы, главным образом большая подверженность образованию гололеда. Каждый из перечисленных методов наиболее целесообразен в определенных условиях применения.
Основной задачей при ликвидации пучин или по предупреждению их образования на реконструируемых автомобильных дорогах является применение мероприятий, обеспечивающих отвод воды от земляного полотна, осушение его грунтов, ограничение или пресечение поступления поверхностных и грунтовых вод в рабочий слой. Классификация этих мероприятий приведена в табл. 12.1.
На участках образования пучин прежде всего применяют мероприятия по осушению полосы отвода. Резервы должны иметь правильную форму. Для этого их планируют с приданием уклона в сторону от подошвы насыпи не менее 20 ‰. Если кювет-резерв имеет участки с длительным стоянием поверхностных вод (отсутствие продольного уклона на отдельных участках), необходимо провести его переустройство (восстановление). В случаях когда работы по восстановлению кювет-резервов необходимо провести в период застоя в них воды, ее следует отвести поперечными канавами в пониженные участки в пределах полосы отвода или во временные специально отрытые накопители. После испарения воды в накопителе следует провести его рекультивацию. Во всех случаях поверхность кювет-резервов должна быть укреплена посевом многолетних культурных растений.
В равнинной местности, где отвод воды от насыпей затруднен, а резервы, выполняющие роль испарительных бассейнов, заболачиваются, следует перестроить насыпь, используя в ее верхней части дренирующие грунты, и поднять высотные отметки, обеспечивая предотвращение переувлажнения грунтов стоячими водами.
В случаях когда отвод воды из резервов затруднен, производят ее отжим от границ насыпи. Отжим поверхностных вод при I типе пучин (см. табл. 12.1) осуществляют уполаживанием откосов и устройством берм. Значения «безопасных» расстояний от бровки земляного полотна до уреза воды для насыпи из связных грунтов высотой до 1,5 м даны в табл. 12.2.
При высоком уровне грунтовых вод, сильном увлажнении земляного полотна и, как следствие, при его деформациях и разрушениях при III типе местности по условиям увлажнения необходимо увеличить высотные отметки насыпи, в том числе и исходя из необходимости обеспечения разрыва между границами глубины промерзания и капиллярного поднятия влаги.
На участках местности с необеспеченным поверхностным стоком (I тип пучин) могут устраиваться экраны из водонепроницаемого грунта (рис. 12.23). Их возможно устраивать из тяжелой глины с числом пластичности более 27. При наличии постоянного уровня поверхностных вод минимальное возвышение верха экрана, равное 0,2 м, принимается от данного уровня. Величина заглубления экрана в слабоводопроницаемый грунт принимается по табл. 12.3.
Гидроизоляцию земляного полотна применяют для предотвращения поступления влаги в тело земляного полотна: атмосферных осадков через обочины, неукрепленные или укрепленные водопроницаемым материалом (щебнем необработанным), воды из кюветов при длительном стоянии поверхностных вод, грунтовых вод при промерзании или для прерывания капиллярного поднятия грунтовых вод.
Классификация мероприятий по отводу воды от земляного полотна
Таблица 12.1.
|
Тип пучины |
Источник увлажнения |
Условия отнесения к данному типу пучин |
Мероприятия |
|
I |
Поверхностная вода на участках местности с необеспеченным стоком (один источник переувлажнения грунтов) |
Расстояние от подошвы насыпи до уреза поверхностной воды менее требуемой величины. Уклон кюветов в выемках менее 20 ‰. Отсутствует перемещение воды в дренирующем слое с верховой стороны. Подземные воды залегают на безопасной глубине |
Профилирование и ремонт кюветов; уполаживание откосов насыпи; устройство берм; устройство в подошве насыпи экрана из водонепроницаемого грунта; повышение высоты насыпи; устройство морозозащитного (дренирующего) или теплоизолирующего слоя; устройство гидроизолирующей или капилляропрерывающей прослойки |
|
II |
Атмосферные осадки, поступающие через покрытие и обочины при их неудовлетворительном состоянии (один источник переувлажнения грунтов) |
Отсутствие дренирующих слоев дорожной одежды, устройств по отводу воды из слоев дорожной одежды из зернистых материалов, выход из дренирующих слоев и устройств закрыт глинистым грунтом |
Ремонт покрытия, планировка и гидроизоляция обочин; отвод воды из слоев дорожной одежды из зернистых материалов |
|
III |
Вода, перемещающаяся в дренирующем слое с верховой стороны (один источник переувлажнения грунтов) |
Места вогнутых переломов профиля на участках с затяжными продольными уклонами (более 30 ‰). Поверхностные воды находятся на безопасном расстоянии. Подземные воды залегают на безопасной глубине |
Поперечный дренаж мелкого заложения; поперечный трубчатый дренаж; поперечный трубчатый дренаж совместно с продольными трубчатыми дренами |
|
IV |
Подземные воды (верховодка или грунтовые воды) (один источник переувлажнения грунтов) |
Расстояние от низа дорожной одежды до уровня подземных вод менее безопасной глубины залегания этих вод. Отсутствует перемещение воды в дренирующем слое с верховой стороны. Поверхностные воды находятся на безопасном расстоянии |
Устройство траншейного дренажа (подкюветного или прикромочного); повышение высоты насыпи, устройство морозозащитного (дренирующего) слоя; устройство гидроизолирующей и капилляропрерывающей прослоек; устройство теплоизолирующего слоя |
Расстояния от бровки земляного полотна до уреза воды
Таблица 12.2.
|
Грунт |
Безопасное расстояние от уреза
во- |
||
|
Тип грунта |
Число пластичности |
||
|
Супесь |
песчанистая |
1 |
10 |
|
песчанистая пылеватая |
3 5 |
9 7 |
|
|
пылеватая |
7 |
5 |
|
|
Суглинок |
легкий песчанистый, |
|
|
|
легкий пылеватый |
7,1-12 |
5 |
|
|
тяжелый пылеватый |
12,1-17 |
5 |
|
|
тяжелый пылеватый |
12,1-17 |
4 |
|
|
Глина |
легкая пылеватая |
17,1-27 |
4 |
|
легкая песчанистая |
17,1-27 |
3 |
|
|
тяжелая |
> 27 |
2 |
|
Величина заглубления экрана
Таблица 12.3
|
Слабоводонепроницаемые грунты |
Минимальная величина
заглубления экрана, hзагл
|
||
|
Тяжелые суглинки и глины |
12,1-14,0 |
14,1-17,0 |
17,1-27,0 |
|
hзагл, м |
3,5 |
2,5 |
2 |
В качестве гидроизолирующих прослоек могут быть применены термопластики (безосновные резинобитумные рулонные материалы), такие как изол, бризол, борулин, гидроизоляционный материал на основе полиизобутилена и др.; пленки (полимерные безосновные рулонные материалы), к ним относятся полиэтиленовая, поливинилхлоридная и полиамидная пленки, а также пленка армадор-2; основные рулонные материалы, к которым относятся гидроизол, рубероид, стеклорубероид и др. Возможно применение тканых и нетканых синтетических материалов, обработанных битумом до их полной водонепроницаемости путем создания на поверхности синтетического материала сплошной пленки битума.

Рис. 12.23. Устройство экрана из водонепроницаемого грунта
Местоположение гидроизолирующей прослойки выбирают в зависимости от источника поступления влаги (рис. 12.24). Технология работ по устройству гидроизолирующих прослоек зависит от конструкции дорожной одежды и местоположения гидроизолирующей прослойки. Если в процессе реконструкции гидроизолирующая прослойка укладывается только на ширину обочин, грунт снимается с обочин до поверхности песчаного слоя, который выравнивается и уплотняется, затем после устройства гидроизолирующей прослойки отсыпается и уплотняется грунт на присыпной обочине.

Рис. 12.24. Конструкции земляного полотна с гидроизолирующими прослойками (ГП):
а - гидроизоляция обочин; б - гидроизоляция дорог с переходным типом покрытия, I - серповидный профиль, II - полукорытный профиль; в - гидроизоляция нижней части насыпи при длительном стоянии поверхностных вод; г - то же, при близком уровне грунтовых вод
Гидроизолирующая прослойка может укладываться на поверхность старого разрушенного покрытия. В этом случае предварительно должен быть выполнен ямочный ремонт старого покрытия и при необходимости уложен выравнивающий слой. Затем укладываются гидроизолирующая прослойка и слои усиления дорожной одежды.
Для регулирования водного режима земляного полотна применяют устройство глубоких (траншейных) дренажей для понижения уровня грунтовых вод или их перехвата с верховой стороны; устройство дренирующих слоев с дренажами мелкого заложения для осушения верхнего слоя земляного полотна; устройство водонепроницаемых капилляропрерываюших и водоизолирующих прослоек, полностью устраняющих увлажнение верхней части земляного полотна и дорожной одежды.
Траншейный дренаж применяют только в сложных случаях, когда уровень грунтовых вод оказывает существенное влияние на влажность грунта рабочего слоя земляного полотна. Обычно это третий тип местности по условиям увлажнения с расположением уровня грунтовых вод не глубже 1-1,5 м от поверхности на участках невысоких насыпей. Траншейный дренаж может быть подкюветным или прикромочным, односторонним и двухсторонним (рис. 12.25). При устройстве траншейного дренажа часто используют геотекстиль и водонепроницаемый рулонный материал.

Рис. 12.25: Конструкции земляного полотна с траншейным дренажем:
а, б - подкюветные двухсторонний и односторонний дренажи; в, г - прикромочные двухсторонний и односторонний дренажи; ∆Н - величина понижения уровня грунтовых вод
Работы выполняют в таком порядке:
разработка грунта в траншеях одноковшовым экскаватором с обратной лопатой;
подготовка, раскатка и укладка рулонов синтетического нетканого материала в траншею с креплением скрепками;
укладка щебеночного или гравийного слоя, трубы дренажной керамической и засыпка щебеночным или гравийным материалами;
засыпка траншеи грунтом с помощью бульдозера с послойным уплотнением трамбовками.
Гораздо чаще устраивают дренажи мелкого заложения, когда дренажная труба укладывается в ровик вдоль кромки проезжей части для сбора воды из дренирующего слоя и осушения верхней части земляного полотна [4, 78]. Это может быть комбинированный прикромочный дренаж, комбинированный плоскостной дренаж или поперечные дренажи мелкого заложения.
Поперечные дренажи мелкого заложения (рис. 12.26) применяются на участках дороги с затяжными продольными уклонами, превышающими поперечные (III тип пучин), а также при снижении фильтрации дренирующего слоя дорожной одежды. Значение угла α принимается 60°-80° соответственно при уклоне дороги 80-40 ‰.
На пучинистых участках с IV типом пучин, где условия рельефа позволяют осуществить сброс воды, устраивают подкюветный траншейный дренаж.
Эффект понижения грунтовых вод определяется видом дренажа (двухсторонний или односторонний, совершенный или несовершенный). Для этого типа пучин и также в условиях возможности сброса воды с целью снижения влажности грунтов насыпи при низкой фильтрации или заиливании дренирующего слоя и с целью понижения уровня грунтовых вод аналогично устраивается и прикромочный траншейный дренаж.

Рис. 12.26. Устройство дренажей мелкого заложения
Исходя из условий рельефа сброс воды из прикромочного трубчатого дренажа производится с помощью поперечных выпусков на местность либо в дополнительные сооружения (коллекторы, дренажи), из которых сброс воды производится через выпускное сооружение. Конструкция возможных типов дренажей представлена на рис. 12.27. Глубину заложения дренажей определяют расчетом, но не менее 0,5 м.

Рис. 12.27. Конструкции траншейного дренажа:
а - щебеночно-трубный; б - беструбный; в - бесщебеночный; 1 - глиняный экран; 2 - полиэтиленовая пленка; 3 - песок крупный; 4 - нетканое синтетическое полотно; 5 - щебень; 6 - дренажная труба
Весьма эффективным является осушение пучинистых участков дренами скважинного типа. Наиболее производительным методом их сооружения является проходка с помощью пневмопробойников (рис. 12.28). Наличие уклона обеспечивает быстрый отвод свободной воды под действием гравитационных сил. В качестве заполнителя таких дрен может использоваться крупнозернистый песок или нетканый геосинтетический материал. Расстояние между дренами принимается в зависимости от времени осушения и влажности грунта остального участка и обычно составляет 1,5-2 м.
При I типе пучин, где источником переувлажнения грунтов являются атмосферные осадки, применяются гидроизолирующие прослойки (рис. 12.29, а), устраиваемые под основанием переустраиваемых дорожных одежд. Конструкция позволяет перехватить воду, проникающую через дорожную одежду и обочины.

Рис. 12.28. Применение пневмопробойников для устройства дренажа земляного полотна:
а - насыпь; б - выемка; 1 - дренажная скважина; 2 - пневмопробойник; 3 - установка для заполнения скважин дренирующим материалом; 4 - подкюветный дренаж; 5 - ослабленная зона земляного полотна
На участках местности с необеспеченным поверхностным стоком при высоком уровне стояния подземных вод (I и IV тип пучин) применяется конструкция (рис. 12.29, б), которая также связана с необходимостью полного переустройства дорожной одежды. При устройстве гидроизолирующих прослоек используют полиэтиленовую пленку толщиной 0,2 мм и более, стабилизированную 2 % канальной сажи, изола и обработанный битумом нетканый геосинтетический материал.
Армирующие прослойки (рис. 12.29, в) применяются для повышения несущей способности грунта земляного полотна на пучинистых участках без его удаления, если его влажность составляет менее 0,9 от границы текучести, при частичной замене пучинистого грунта, при уменьшении толщины морозозащитного слоя или конструктивных слоев дорожной одежды.
Армирующую прослойку укладывают на грунт. Ее применение возможно в сочетании с другими мероприятиями, в том числе и с устройством теплоизолирующего слоя. Такая конструкция позволяет ограничить пучение грунта земляного полотна допустимыми нормами или полностью предотвратить его промерзание.
Регулирование теплового режима земляного полотна осуществляют главным образом путем устройства морозозащитных и теплоизолирующих слоев (рис. 12.30).
Морозозащитные слои - это слои дорожной одежды и верхней части земляного полотна из зернистых материалов, таких как щебень, песчаногравийные смеси, шлаки, непучинистые грунты I группы, а также грунты, укрепленные вяжущими и гидрофобизированные.
Теплоизолирующие слои - это слои дорожной одежды из материалов с более эффективными теплозащитными свойствами, чем у грунтов и обычных дорожно-строительных материалов. К таким материалам относятся полимерные материалы (пенопласты), легкие бетоны, в которых содержатся пористые заполнители (керамзит, аглопорит, гранулы полистирола, измельченный пенопласт), металлургические шлаки; золошлаковые смеси, обработанные и необработанные вяжущим; композиции из местных материалов или грунтов, легких заполнителей и вяжущих, приготовленных способом смешения как в установке, так и на полотне дороги; битумоминеральные смеси обычные или с легкими заполнителями. Коэффициент теплопроводности таких материалов не должен превышать 0,6 Вт/мК, коэффициент морозного пучения не более 1 %. Кроме того, образцы из этих материалов должны обладать достаточной прочностью. Теплоизолирующие слои из пенопласта устраивают редко из-за высокой стоимости этого материала.

Рис. 12.29. Конструктивные решения при переустройстве пучинистых участков:
а - конструкция с гидроизолирующей прослойкой под дорожной одеждой; б - то же, в земляном полотне; в - то же, с армирующей прослойкой

Рис. 12.30. Конструкция дорожной одежды с теплоизолирующими слоями:
а - из укрепленных материалов и грунтов с легкими заполнителями; б - то же, с трубчатыми дренами; в - с морозозащитным слоем из битумоминеральной смеси; 1 - покрытие; 2 - основание; 3 - укрепительная полоса; 4 - укрепление обочин; 5 - песчаный дренирующий слой; 6 - засев трав; 7 - теплоизолирующий слой; 8 - трубчатая дрена; 9 - выпуск; 10 - морозозащитный слой
Для предохранения земляного полотна от значительного промерзания устраивают дорожные одежды с теплоизолирующими слоями из укрепленных цементом или битумом местных материалов, грунтов или отходов промышленности с добавкой легких заполнителей. В качестве легких заполнителей чаще всего используют шлаки, аглопоритовый щебень или песок, керамзит и др.
Для предохранения грунта земляного полотна под дорожной одеждой от промерзания со стороны обочин теплоизолирующий слой должен быть шире проезжей части на 0,8-1,0 м с каждой стороны. На концах участка с теплоизолирующим слоем в продольном направлении дороги на протяжении 3-5 м толщину теплоизолирующего слоя постепенно уменьшают, чтобы избежать резкого перехода от одной конструкции к другой и предупредить возможность появления трещин в местах сопряжения.
Технология устройства теплоизолирующих слоев из материалов, укрепленных цементом, или битумоминеральных материалов почти не отличается от технологии устройства слоев дорожной одежды из этих материалов. Отличие состоит в том, что в случае применения в качестве легкого заполнителя керамзита, аглопорита или перлита уплотнение слоев производят только легкими или средними катками. Большая часть описанных методов требует полной перестройки земляного полотна и пригодна лишь для небольших участков.
Выбор противопучинных мероприятий на реконструируемых дорогах должен осуществляться на основе технико-экономического анализа их эффективности. Сравниваемые мероприятия должны намечаться на основе изучения причин, вызывающих пучинообразование. Во всех случаях противопучинные мероприятия должны сопровождаться укреплением обочин, предотвращающим просачивание через них воды в основание дорожной одежды.
Проектирование противопучинных мероприятий требует глубокого изучения причин возникновения переувлажнения и промерзания грунтов. Однократное внешнее обследование пучинистого участка, не сопровождающееся инженерно-геологическими изысканиями, не всегда может привести к правильной оценке. Иногда образование пучин бывает связано с неблагоприятным расположением грунтов в теле земляного полотна, например наличием окруженных водонепроницаемыми грунтами песчаных линз, в которых может скапливаться вода. В наиболее сложных случаях приходится разрабатывать проекты на основе детальных инженерно-геологических обследований. Устранение пучинистых участков, связанных с увлажнением грунтовыми водами (коренные пучины), требует детального и глубокого изучения гидрогеологических условий и оказывается эффективным лишь при проведении достаточно капитальных мероприятий. При современных средствах механизации дорожно-строительных работ на таких участках наиболее эффективной является полная перестройка земляного полотна с заменой грунта верхних слоев морозоустойчивым.
На существующих дорогах, проложенных в условиях сильно пересеченного рельефа, часто возникают сплывы откосов глубоких выемок из-за выклинивания грунтовой воды или водонасыщения грунта при промерзании и оттаивании. Нередко деформируются и откосы высоких насыпей, отсыпаемых с нарушением технологии или из неустойчивых грунтов, насыпей на косогорах или с чрезмерно большой крутизной откосов.
Радикальные меры, полностью гарантирующие устойчивость откосов, в сложных случаях, особенно если разрушение затронуло и проезжую часть, требуют выполнения инженерно-геологической съемки и последующей разработки соответствующего проекта. При этом могут сооружаться грунтовые упорные бермы, подпорные стенки, выполняться заделка вывалов грунтом с уполаживанием откосов или специальные мероприятия по повышению устойчивости (армирующие прослойки, различного исполнения габионы, укрепленный грунт и т.д.). Однако во многих случаях, как показал многолетний опыт эксплуатации дорог, при реконструкции можно с успехом ограничиться повышением устойчивости откосов путем проведения сравнительно несложных инженерных мероприятий.
Если поверхностные деформации на откосах не распространяются на большую глубину, их засыпают грунтом земляного полотна. Предварительно бульдозером нарезают на откосе борозды с учетом глубины сплыва и укладывают грунт горизонтальными слоями, тщательно уплотняя вибротрамбовкой. В местах выхода на откосы выклинивающихся родников откос снизу подрезают, устраивая в зависимости от глубины выемки полку шириной 1-3 м, и укладывают трубчатую дрену диаметром 0,15 м с обратным фильтром из чистого морозостойкого щебня или гравия (рис. 12.31). Перфорированную трубу целесообразно предварительно обернуть синтетическим нетканым материалом или стеклотканью. Место вырезки грунта засыпают морозо- и водоустойчивым материалом: гравием, камнем, щебнем, металлургическим шлаком и др. Из трубы делают вывод в понижения местности.
В последние годы успешно применяют новые конструкции перехватывающих дренажей из сплошных гофрированных пластмассовых или алюминиевых вертикальных водопроницаемых листов, в нижней части которых расположена дренажная труба. Они могут обеспечить осушение массива грунта на высоту до 3 м (рис. 12.32). В этом случае отсутствует необходимость в устройстве с низовой стороны водонепроницаемого экрана, что значительно снижает стоимость устройства дренажа. Применение пластмассовых листов существенно усиливает процесс осушения земляного полотна. Производительность работ повышается при этом не менее чем в 2,5-3 раза из-за отсутствия необходимости в устройстве обратных фильтров.

Рис. 12.31. Схема повышения устойчивости откоса выемки при выклинивании грунтовых вод:
1 - гравий или щебень: 2 - травяной покров: 3 - трубчатая дрена: 4 - направление движения выклинивающихся вод

Рис. 12.32. Дренаж с сердечником в виде водопроводящих «каналов», соединенных с трубчатой дреной:
а - дренаж с сердечником из тонкого (0,5-1 мм) гофрированного материала; б - разрез гофрированного сердечника с прямоугольными или треугольными ребрами; в - разрез дрены с просечно-вытяжным пластмассовым или металлическим сердечником; г - вид сверху на сердечник; 1 - сердечник с водопроводящими каналами; 2 - минерально-волокнистый фильтрующий материал; 3 - трубчатая дрена; 4 - водоприемные отверстия; 5 - вода, стекающая по дренажной трубе (стрелки указывают направление движения воды)
Повышению устойчивости верхней части откоса глубокой выемки обычно способствует устройство перехватывающего дренажа глубиной до 3 м на расстоянии не менее 5 м от ее бровки (рис. 12.33).

Рис. 12.33. Схема перехватывающего глубокого дренажа для повышения устойчивости верхней части откоса:
1 - нагорный дренаж; 2 - трубчатая дрена; 3 - обваловка откоса; 4 - место возможного сползания грунта; 5 - травяной покров; 6 - подлотковый дренаж
В случаях полного нарушения устойчивости откосов выемок со сплывом грунта в боковые канавы и даже на обочины рекомендации по их укреплению разрабатывают индивидуально после обстоятельных инженерно-геологических обследований.
Откосы насыпей высотой более 6 м, возведенных из иловатых грунтов, аргиллитовых или глинисто-сланцевых обломков, мергелей и других аналогичных горных пород очень часто деформируются. Особенно часто деформации наблюдаются с низовой стороны земляного полотна по отношению к склону местности. Основной причиной нарушения устойчивости откосов насыпей являются низкая водо- и морозостойкость, а также высокая дробимость горных пород, из которых они возведены. Чтобы повысить устойчивость откосов, сложенных из легковыветривающихся горных пород, с низовой стороны устраивают упорные призмы из галечника, гравия или гравелистого песка. Повышению устойчивости способствует и уширение насыпи в низовую сторону.
Для предупреждения заиливания упорной призмы грунтом уширяемой насыпи желательно между ней и призмой закладывать противозаиливающую прокладку из стеклоткани, полимерного материала и т. п.
Крутизна наружного откоса призм, отсыпаемых из каменных материалов, не должна превышать 1:1,3. Выкладывая наружный откос крупным камнем, можно допустить увеличение крутизны до 1:1 (рис 12.34, а). Иногда в целях снижения стоимости строительства призмы отсыпают из непылеватых глинистых грунтов (рис. 12.34, б). Наружный откос призмы, отсыпаемой из глинистых грунтов, должен быть не круче 1:2,5.

Рис. 12.34. Пример повышения устойчивости низового откоса высоких насыпей устройством упорных призм:
а - из крупноскелетных материалов; б - из глинистых практически непроницаемых грунтов; 1 - упорная призма; 2 - противозаиливающий слой; 3 - искусственный травяной покров; 4 - врезка в косогор
Для стока просачивающейся через насыпь воды подошву призмы планируют в сторону падения косогора, придавая ей уклон 10-20 ‰. Но если грунт насыпи за период эксплуатации стал водонепроницаемым и призму также осыпают из практически водонепроницаемых грунтов, то ее врезают уступами в косогор с уклоном до 100 ‰ в сторону оси насыпи.
Размеры упорных призм определяют расчетом [46, 52]. Повышение устойчивости низовых откосов упорными призмами или контрбанкетами широко применяют в России, особенно в северных районах страны.
На откосах упорных призм и насыпей, устроенных из крупнообломочных горных пород, укладывают защитный слой водонепроницаемого грунта толщиной не менее 0,6 м. При использовании грунтов, обработанных вяжущими материалами, в том числе и местными малоактивными, толщину защитного слоя можно уменьшить до 0,15-0,2 м.
При деформациях, возникающих в грунте поверхностного слоя откосов в результате снижения их прочности под влиянием погодно-климатических факторов, а также для защиты от температурных и силовых воздействий паводковых или поверхностных вод устраивают более капитальное укрепление - специальные покрытия различного исполнения. К ним относятся решетчатые конструкции из бетонных элементов с заполнением ячеек щебнем, камнем, обработанным вяжущим грунтом. В ином исполнении это пластмассовые пространственные георешетки (геовебы) с высотой ребра 15-20 см и различным заполнением ячеек, устраиваемые для защиты от вымывания грунта и фильтрации грунтовых и поверхностных вод на подстилке из нетканого материала.
В зависимости от условий подтопления при укреплении откосов применяют различные бетонные или железобетонные плиты с устройством обратного фильтра из щебня или геосинтетического материала нетканого типа с высоким коэффициентом фильтрации, геоматы, каменную наброску, габионы на основе сетчатых металлических каркасов, заполняемых камнем различного грансостава, слои из бетона, укладываемого на металлическую сетку пневмопогрузчиком и др. (рис. 12.35 и 12.36). В качестве термозащитных слоев используют торфопесчаные и мохоторфяные смеси, прослойки из геоматериала, пенопласт, пенополистирол. Каждый из этих видов укрепления имеет свою область наиболее эффективной работы в сооружении и защиты поверхности откоса.

Рис. 12.35. Конструкции укрепления откосов:
а - покрытие из геотекстиля; б - укрепление каменной наброской, в том числе по геотекстильной прослойке; в - укрепление различными плитами, в том числе по обратному фильтру из геотекстиля; г - габион из металлической каркасной сетки, заполненной камнем; 1 - геотекстиль; 2 - элемент крепления; 3 - канавка; 4 - каменная наброска; 5 - плита; 6 - обратный фильтр; 7 - упор; 8 - габионный элемент; 9 - зона подмыва.
В последние годы широкое применение получили химические способы закрепления откосов. В табл. 12.4 приведен перечень мероприятий, по ликвидации и предупреждению деформаций, связанных как с потерей общей, так и местной устойчивости, выполняемых химическим способом (рис. 12.37).
При нарушении местной устойчивости неукрепленных откосов выполняют профилирование их поверхности и укрепление. Укрепление травой используется для защиты неподтопляемых или кратковременно подтапляемых откосов от водной и ветровой эрозии, для лечения и предотвращения сплывов, оплывин и других нарушений местной устойчивости в районах с благоприятными условиями для прорастания трав и развития корневой системы. Травосеяние может использоваться и в комплексе с другими методами укрепления, например, решетчатыми конструкциями, геовебами. Разновидностью этого метода можно считать одерновку. Наиболее технологичным является биологическое укрепление с помощью геоматериалов с включенными в их структуру семенами трав оптимального состава или травосеяние с покрытиями из геоматериалов, обеспечивающими защиту прорастающих семян. На подтопляемых откосах с невысокими скоростями потока и малой высотой подтопления возможно биологическое укрепление в виде посадки кустарника, плетневого прорастающего укрепления, прорастающей выстилки, фашинные конструкции.

Рис. 12.36, Варианты конструкции укрепления откосов:
а - решетчатая конструкция из бетонных элементов; б - пространственная георешетка; в - укрепление откоса георешеткой; 1, 2 - бетонные элементы; 3 - анкеры; 4 - тяжи анкеров
Совершенствование системы водоотвода. В процессе реконструкции дороги производят восстановление и перестройку размытых и разрушенных водоотводных и нагорных канав и других водоотводных сооружений.
При изменении профиля водоотводного сооружения в результате вспучивания или просадки отдельных цементобетонных плит необходимо произвести их переукладку. Вспученные или просевшие плиты вырубаются по продольным и поперечным швам. Освобожденные от соединения с соседними плиты вынимаются из общего укрепления вручную (при массе 10-12 кг) или краном. Грунт под изъятыми плитами выбирают вручную на глубину 30-40 см, заменяют непылеватым песком крупным и средней крупности, тщательно уплотняют трамбовкой и выравнивают. После подгрунтовки боковых и нижних поверхностей неповрежденные плиты укладывают на старое место, поврежденные заменяют новыми, а швы заделывают битумной мастикой.
Мероприятия по обеспечению устойчивости земляного полотна химическим способом
Таблица 12.4
|
Виды деформаций, повреждений и разрушений земляного полотна |
Формы проявления деформаций, повреждений и разрушений |
Противодеформационные мероприятия по обеспечению устойчивости химическим способом |
|
Повреждения и разрушения откосов в однородных грунтах |
Оползни со срезом и вращением и образованием явно выраженной поверхности скольжения; |
Сваи-шпоны из закрепленного грунта на откосах, входящие в устойчивый массив, водозащитное покрытие на откосах из закрепленного грунта; |
|
Оползни с перемещением по подстилающему слою и образованием явно выраженной поверхности скольжения; |
То же, в верхней части откоса; |
|
|
Пластичные оползни без явно выраженной поверхности скольжения |
Сваи-шпоны из закрепленного грунта на откосах, расположенные на разной глубине; водозащитное покрытие на откосах из закрепленного грунта |
|
|
Повреждения и разрушения откосов в неоднородных грунтах |
Оползни со сколом (перерезанием) слоев и оползни выдавливания; |
Сплошное закрепление грунта, водозащитное покрытие на откосах из закрепленного грунта; |
|
Оползни с перемещением по фиксированной поверхности скольжения; |
Сваи-шпоны из закрепленного грунта на откосах, входящие в устойчивый массив; водозащитное покрытие на откосах из закрепленного грунта; |
|
|
Оползни со скольжением слоя по слою; оползни с перемещением по горизонтальной поверхности скольжения |
Шпоны из закрепленного грунта на подошве сползающего слоя, входящие в подстилающий слой; закрепление поверхности скольжения; водозащитное покрытие на откосах из закрепленного грунта |
|
|
Другие повреждения откосов |
Сплывы (оплывины); |
Сваи-шпоны из закрепленного грунта на откосах; закрепление поверхности скольжения, трещин и отрывов грунта; водозащитное покрытие на откосах из закрепленного грунта; |
|
Суффозионные оползни и разрушения |
Сплошное закрепление грунта слабого слоя; противофильтрационные завесы и экраны из закрепленного грунта |

Рис 12.37. Схема предупреждения и ликвидации оползневых деформаций откосов в однородных грунтах химическим способом:
а - оползень со срезом и вращением; б - локальный оползень; 1 - сползающий грунт; 2 - предполагаемая поверхность скольжения; 3 - свая-шпона из закрепленного грунта; 4 - гидроизолирующее покрытие на откосе; 5 - дорожная одежда; 6 - границы отрыва грунта
В качестве материалов для укрепления водоотводных канав, лотков могут быть использованы и геотекстильные материалы. Для повышения допустимой (неразмывающей) скорости воды, светостойкости, срока службы материал обрабатывается битумом.
Укладку полотен в канавах (кюветах) выполняют в продольном направлении, начиная с низовой части с перекрытием полотен не менее 0,5 м. Если раскатка рулонов непосредственно у канавы затруднена, выполняют предварительную подготовку полотен за пределами строительства. В тех случаях, когда требуется полная обработка поверхности геотекстиля битумом (битумной эмульсией), розлив битума при температуре t = 140...160 °С производят после укладки полотен в канаве или на горизонтальном участке за пределами площадки строительства. Непосредственно после розлива битума его равномерно распределяют щетками по всей поверхности и посыпают тонким слоем песка с последующей прикаткой. Обработку геотекстиля битумом на дне канавы производят после его укладки. Закрепление полотен производится Г-образными металлическими анкерами или заделкой краев геосинтетического материала в подготовленных заранее ровиках.
На участках массового разрушения асфальтобетонного (монолитного или сборного) укрепления в виде сетки трещин, пучинообразных или просадочных изменений поперечного профиля, наблюдающихся на значительном протяжении, целесообразно производить замену такого укрепления на цементобетонное. В этом случае разрушенные участки укрепления полностью вырубают и устраивают новое цементобетонное укрепление. В случае изменения на значительном протяжении поперечного профиля канавы с укреплением сборными цементобетонными плитами без разрушения производят переукладку этих плит. Поверхностные повреждения цементобетонных укреплений: канав, лотков и других водоотводных сооружений (например, сплошное шелушение) могут ремонтироваться с использованием асфальтобетонной смеси, цементного раствора или теста. Подлежащая ремонту поверхность с помощью асфальтобетонной смеси должна быть равномерно подгрунтована разжиженным битумом или битумной эмульсией в количестве 0,5 л/м2. Для ремонта может применяться мелкий щебень с максимальным размером зерна 8-12 мм при толщине слоя до 20 мм. Смесь укладывается и уплотняется вручную до уровня первоначального укрепления. Подгрунтовка подготовленных к заделке участков цементобетонными или полимербетонными смесями заключается в смазывании их дна и стенок клеящими материалами. В зависимости от ремонтного состава применяют для цементобетонных смесей - цементный клей; для полимербетонных смесей - полимерное вяжущее.
Для заделки поврежденных участков в качестве цементобетонной смеси применяют мелкозернистый (песчаный) цементобетон. Его приготавливают на высокоактивном цементе марки не ниже 500, а также вводят в воду затворения бетонной смеси добавку хлористого кальция до 2 % от массы цемента. Бетонные смеси укладывают с превышением над поверхностью укрепления 1-2 см, затем уплотняют штыкованием мастерком, приглаживают и затирают. Полимербетонные смеси приготовляют на основе эпоксидного вяжущего. Применяемые составы вяжущего приведены в табл. 12.5, а минеральной смеси в табл. 12.6.
Таблица 12.5
|
Материалы |
Содержание в частях по массе для составов |
|
|
1 |
2 |
|
|
Эпоксидная смола |
100 |
100 |
|
Полиэтиленполиамин |
8-10 |
20-25 |
|
Дибутилфталат |
20-25 |
- |
|
Каменноугольный деготь (или жидкий битум) |
- |
50-100 |
Таблица 12.6
|
Материалы |
Содержание материала, %. по массе для составов |
|||
|
1 |
2 |
3 |
4 |
|
|
Каменные высевки (из прочных изверженных пород) крупностью, мм: 1,25-0,63; 2,5-1,25 или 5-2,5 |
- |
65-70 |
65 |
70 |
|
5-0,63 |
100 |
- |
- |
- |
|
Среднезернистый кварцевый песок |
- |
35-30 |
25 |
20 |
|
Цемент, минеральный порошок или каменная мука |
- |
- |
10 |
10 |
При заполнении выбоин глубиной более 3 см соотношение между вяжущим и минеральным материалом принимают 1:7 (по массе), при более мелких выбоинах - соответственно 1:4-1:6. Подгрунтовку выбоины производят эпоксидным вяжущим из расчета 0,3-0,4 л/м2. После этого выбоину заделывают готовым полимербетоном и присыпают песком.
При использовании асфальтобетонной смеси поврежденный участок подвергают подгрунтовке разжиженным битумом или битумной эмульсией из расчета 0,3-0,5 л/м2. Уложенную асфальтобетонную смесь уплотняют вручную и присыпают песком. Для выравнивания отдельных перекосившихся или просевших крупных плит или тяжелых сборных элементов может быть использован метод инъецирования под плиту жидкого цементного раствора.
Перестройка закрытых дренажей состоит в замене звеньев дренажных труб, устьев и выпусков из дрен, ремонте колодцев, замене фильтровальной обсыпки. Если дренажная система быстро заиливается, при замене фильтровальной обсыпки в дренаж вводится хорошо фильтрующий нетканый синтетический материал, устраиваются дополнительные выпуски из дренажей. Разрушенные выпуски заменяют новыми с приданием им уклона, обеспечивающего быстрый отвод воды. На участках с избыточным увлажнением или недостаточной эффективностью работы дренирующих слоев устраивают новые продольные и прикромочные дренажи, дренажные скважины.
В процессе реконструкции автомобильной дороги в случае увеличения ширины земляного полотна а также при повышении насыпи или уположении откосов возникает необходимость увеличения длины водопропускных труб. При этом возможны два варианта:
а) полная перестройка водопропускной трубы, которую производят в тех случаях, когда диагностика и прогнозирование состояния трубы показывают, что существующая труба не сможет нормально работать до следующей реконструкции дороги;
б) удлинение водопропускной трубы без перестройки существующей части. Производят, если состояние существующей трубы позволяет ожидать ее нормального функционирования до новой реконструкции дороги при соответствующем содержании и ремонте.
Работы по перестройке или удлинению труб желательно производить в сухое время года или в зимний период, чтобы избежать влияние потока воды, протекающего через трубу на производство работ. Работы должны быть организованы таким образом, чтобы не препятствовать пропуску движения или снизить возможные помехи до минимальной степени. Для этого целесообразно устройство временного объезда. При невозможности его сооружения необходимо организовать работы с одновременным регулированием движения по другой половине дороги. Последний вариант более сложен и менее желателен с позиций производства работ и организации движения, но он достаточно часто встречается при перестройке труб.
Полная перестройка трубы включает в себя следующие основные операции, многие из которых аналогичны новому строительству водопропускной трубы. До начала работ производят установку необходимых дорожных знаков (ограничения скорости, сужения проезжей части), указателей объезда, ограждений в соответствии с действующими требованиями [4, 78]. Затем выполняют удаление (разборку) существующей дорожной одежды в пределах будущего котлована и вывоз материала с применением кирковщиков, бульдозеров, одноковшовых (фронтальных) погрузчиков и автомобилей-самосвалов. Возможно использование материала старой дорожной одежды на объездной дороге. После разборки дорожной одежды отрывают котлован с целью освобождения старой трубы от грунта до уровня подошвы фундамента (основания) с применением экскаватора с рабочим оборудованием обратной лопаты. Для безопасности и удобства работ при разборке старой и монтаже новой трубы котлован по подошве должен быть шире основания старой трубы с одной стороны на 3 м (для прохождения машин), а с другой стороны на 1 м (для движения рабочих).
Откос котлована должен обеспечивать безопасность работ (обычно не круче 1:1). Если через трубу в процессе ее перестройки возможно прохождение воды, котлован уширяют и в нем устраивают временное обводное русло, ширина и глубина которого рассчитываются.
При соответствующем технико-экономическом обосновании возможно устройство котлована с креплением откосов, что позволяет увеличивать их крутизну, уменьшая объем земляных работ. После этого разбирают трубу с применением пневматических или электрических отбойных молотков (соответственно с передвижными компрессорами или электростанциями), автокранов, бульдозеров, автомобилей для транспортировки к месту складирования блоков разобранной трубы. Если лекальные блоки и основание трубы (обычно гравийно-песчаный или щебеночный слой) не имеют недопустимых дефектов, они могут быть сохранены. При наличии разрушений (трещины, значительные обломы) лекальные блоки или часть из них удаляют. Материал основания сдвигают за пределы котлована бульдозером Возможно использование материала основания для укрепления временного отводного русла.
Затем осуществляют планировку и уплотнение дна котлована (при удалении лекальных блоков и основания) с помощью бульдозера и виброкатков или (рациональнее) виброплит. Уровень поверхности дна должен соответствовать требованиям проекта перестройки трубы. При необходимости при планировке производят досыпку котлована грунтом того же вида, что и местный грунт. Устройство пандуса для въезда автомобилей с уклоном до 100 ‰ показано на рис. 12.38. Пандус сооружают с верховой части трубы. На спланированном и уплотненном дне котлована устраивают основание из песчано-гравийной или щебеночной смеси, если такое основание предусмотрено проектом. Песчано-гравийную или щебеночную смесь вывозят автомобилями-самосвалами, планируют бульдозером (возможно вручную) и уплотняют самоходными или ручными виброкатками. При благоприятных грунтово-климатических условиях (песчаные грунты, глубина промерзания менее 0,5 м) основание из песчано-гравийной смеси можно не устраивать (это должно быть предусмотрено проектом).
Затем производят распределение цементного раствора, подвозимого автомобилями-самосвалами или изготовляемого на месте, и установку (монтаж) портальных стенок, блоков, открылков и лекальных блоков. Цементный раствор обычно распределяют вручную слоем 10-15 см, а портальные стенки, блоки открылков и лекальные блоки монтируют автокраном или краном на гусеничном ходу. Так как укладываемые на лекальные блоки звенья труб повторяют профиль, по которому уложены лекальные блоки, отметки лекальных блоков должны быть проверены нивелиром. Уровень лекальных блоков регулируют толщиной слоя цементного раствора.

Рис. 12.38. Монтаж лекальных блоков одноочковой водопропускной трубы:
1 - котлован, отрытый в существующем уширенном земляном полотне; 2 - въезд в котлован в виде пандуса; 3 - уложенные лекальные блоки; 4 - автомобильный кран; 5 - склад лекальных блоков; 6 - котлован для оголовка; 7 - цементный раствор; 8 - откос насыпи
Монтаж звеньев трубы производится с применением автокрана или крана на гусеничном ходу (рис. 12.39). Затем выполняется омоноличивание швов между блоками портальных стенок и открылков, заделка и гидроизоляция швов звеньев.

Рис. 12.39. Монтаж звеньев двухочковой трубы:
1 - автомобиль с доставленными звеньями трубы; 2 - автомобильный кран; 3 - лекальные блоки; 4 - звенья водопропускной трубы
Швы портальных стенок и открылков конопатят и заполняют цементным раствором, который уплотняют металлической шуровкой. Гидроизоляция швов звеньев осуществляется двумя слоями битуминизированной ткани и тремя слоями асбестобитумной мастики.
При строительстве двух- и трехочковых труб пазухи между этими трубами заполняют цементобетоном, доставляемым автомобилями-самосвалами, автобетоносмесителями, или изготовляемым на месте (см. рис. 12.40, а). Цементобетон к пазухам подают в бадьях с помощью автомобильного или гусеничного крана либо более просто - через бункер, снабженный металлическим рукавом. Уплотнение цементобетона в пазухах осуществляют различными глубинными вибраторами (вибробулава, виброштык и др.).
Гидроизоляция трубы может осуществляться с устройством оклеечной или обмазочной гидроизоляции. В первом случае трубу покрывают с помощью ручного распределителя битумной мастикой, доставляемой автогудронатором. Затем наклеивают рулонный материал (обычно рубероид), снова обмазывают битумной мастикой и наклеивают рулонный материал (см. рис. 12.40, б). Обмазочную гидроизоляцию устраивают путем обмазки внешней поверхности трубы битумным лаком с последующим нанесением двух слоев битумной мастики.
Засыпку котлована с послойным уплотнением производят бульдозером, начиная с боковых пазух, где грунт уплотняют механическими трамбовками. Так же уплотняют грунт и над трубой до общей толщины отсыпки 0,5 м в уплотненном состоянии. Толщина каждого уплотняемого слоя в пазухах и над трубой при использовании механических трамбовок должна быть 0,10-0,12 м. Выше толщины 0,5 м до верха котлована уплотнение производят самоходными виброкатками. Толщина уплотняемого слоя при этом 0,15 м. Грунт должен иметь оптимальную влажность. Необходимый коэффициент уплотнения грунта Ку ³ 1, что позволяет избежать просадок грунта и дорожной одежды над трубой. Засыпку удлиненной части трубы производят одновременно с уширением земляного полотна. После этого производят расчистку подводящего и отводящего русел с укреплением бетонной плиткой и укреплением откосов у оголовков, а также строительство водоотбойного колодца, если он предусмотрен проектом реконструкции трубы.

Рис. 12.40. Заполнение пазух двухочковой трубы цементобетоном (а) и гидроизоляция трубы (б):
1 - бункер с металлическим рукавом, подающим цементобетонную смесь для заполнения пазух; 2 - автомобиль-самосвал, доставляющий цементобетонную смесь; 3 - автогудронатор с ручным распределителем битума для гидроизоляции
Полная перестройка прямоугольной трубы включает в себя операции, аналогичные рассмотренным ранее, за исключением монтажа лекальных блоков, вместо которых обычно делают монолитный бетонный фундамент.
Большие прямоугольные железобетонные трубы часто бетонируют на месте. При этом на подготовленное основание устанавливают опалубку, монтируют и сваривают арматурный каркас, производят бетонирование с применением крана и бадьи. Уплотнение производят наружными вибраторами через опалубку, а также при возможности используют глубинные вибраторы.
Удлинение водопропускной трубы для уменьшения объема работ целесообразно производить со стороны выходного оголовка. Поэтому в данном месте предусматривают одностороннее уширение земляного полотна и дорожной одежды. В процессе удлинения трубы выполняют следующие основные операции. В случае постоянного протекания воды через трубу устраивают с нижней стороны временное отводящее русло с применением экскаватора с обратной лопатой и удаляют укрепление лотка и откосов. Удаление грунта откоса, примыкающего к оголовку, выполняют с применением экскаватора с обратной лопатой. Разборка оголовка трубы, включая открылки и портальную стенку, производится с применением пневматических или электрических отбойных молотков и автомобильного крана или крана на гусеничном воду, располагающихся обычно на насыпи.
Отрывка котлована для основания и фундамента удлиненной трубы выполняется с применением экскаватора с обратной лопатой. Если в котлован поступает вода, необходимо обеспечить ее откачку и спуск по уклону. При этом возможно устройство временного сливного лотка. Планировка и уплотнение дна котлована производятся аналогично изложенному для полной перестройки трубы. То же относится и к устройству основания из песчано-гравийной или щебеночной смеси, распределению цементного раствора, монтажу портальных стенок, блоков открылков, лекальных блоков удлиняемой части трубы. Затем аналогично полной перестройке трубы производят монтаж звеньев удлиняемой трубы между блоками портальной стенки и открылками, омоноличивание швов, заделку и гидроизоляцию швов звеньев, заполнение цементобетоном пазух при двух- или трехочковых трубах, гидроизоляцию трубы. Работы завершаются устройством лотка у отводящего оголовка, строительством водобойного колодца, если он предусмотрен проектом реконструкции трубы, и засыпкой грунтом удлиненной части трубы, которую производят одновременно с уширением земляного полотна.
Нормативная база, основные документы. Организация работ по возведению земляного полотна и связанных с ним сооружений, а также грунтовых оснований аэродромов осуществляется на основе разработки и реализации комплекса мероприятий, определяющих количество необходимых трудовых и материально-технических ресурсов, а также порядок использования и систему управления ими в процессе строительства. Она должна обеспечивать минимальную стоимость работ, их выполнение в установленные сроки с высоким качеством, гарантирующим с заданной надёжностью прочность, устойчивость и стабильность земляного полотна и грунтовых оснований при эксплуатации сооружений. При проектировании и реализации организации производства земляных работ руководствуются СНиП 12-01-2004 «Организация строительства», СНиП 3.06.03-85 и СНиП 2.05.02-85 «Автомобильные дороги», СНиП 3.02.01-87 «Земляные сооружения, основания и фундаменты» и СНиП 32-03-96 «Аэродромы», инженерным проектом (проектом) и его неотъемлемой частью - проектом организации строительства и рабочей документацией.
В инженерном проекте и рабочей документации отражаются данные, необходимые для организации и производства работ по возведению земляного полотна: продольный профиль автомобильной дороги, инженерно-геологический профиль, поперечные конструкции земляного полотна, водоотводные и водопропускные сооружения, малые искусственные сооружения и эстакады, план, трассы с нанесёнными карьерами и резервами, инженерно-геологические паспорта карьеров, резервов, выемок; объёмы земляных, укрепительных работ, а также объёмы работ по устройству временного и постоянного водоотвода; попикетная ведомость земляных работ; схема перемещения объёмов грунта из выемок в насыпи; разбивка на участки линейных и сосредоточенных работ. Организация земляных работ должна осуществляться на основе проектов организации строительства (ПОС), разработанных и утверждённых в составе проектов (инженерных проектов).
Рациональная организация земляных работ предусматривает:
разделение участка дороги на линейные и сосредоточенные виды работ;
поточный метод, обеспечивающий последовательность выполнения отдельных видов работ и непрерывную готовность участков земляного полотна или грунтовых оснований для устройства дорожной одежды;
прогрессивную технологию, основанную на целесообразном для конкретных условий распределении земляных масс и эффективных способах выполнения отдельных видов земляных работ;
комплексную механизацию с применением выбранных на основе технико-экономического сравнения рациональных комплектов машин и отдельных средств механизации, обеспечивающую максимальное снижение затрат ручного труда и наилучшее использование машин и механизмов.
Основным методом организации выполнения линейных земляных работ является поточный метод, который применяется как при строительстве отдельной дороги (или её участков), так и при строительстве группы рассредоточенных объектов небольшой протяжённости, в том числе распределённых по территории объектов аэродромов. В этом случае необходимо предусматривать организацию специализированных потоков, последовательно перемещающихся с одного объекта на другой в составе, как правило, одного комплексного потока.
Линейные и сосредоточенные работы. При разработке организации работ выделяют участки линейных и сосредоточенных работ, выполнение которых целесообразно предусматривать при определённых, отличных от линейных условиях, в том числе в зимний период.
К сосредоточенным относятся работы по строительству подходов к большим мостам, возведению высоких насыпей, разработке глубоких выемок, регуляционных сооружений, а также земляного полотна на отдельных участках с объёмами работ на 1 км, превышающими средний объём земляных работ на 1 км дороги в три и более раз, или резко отличающиеся повышенной сложностью производства и трудоёмкостью от работ на смежных участках (переходы через болота, закрепление оползневых участков, слабые грунты и т.д.). Сроки выполнения сосредоточенных работ должны подкрепляются соблюдением принятой скорости и ритмичности комплексного потока работ по строительству земляного полотна автомобильных дорог, что отражается в линейно-календарном плане (графике) производства земляных работ.
Распределение линейных земляных работ, выполняемых поточным методом, и сосредоточенных, для которых в первую очередь характерна объёмная составляющая, устанавливают на основе следующих документов: план трассы, продольный профиль, попикетная ведомость распределения объёмов земляных работ по трассе. Объединение потоков линейных и сосредоточенных объёмов земляных работ осуществляют для создания комплексного потока в пределах соответствующего пускового комплекса автомобильной дороги. Для ведения работ прежде всего подготавливают плановые (а в некоторых случаях внеплановые, но согласованные с проектной организацией) карьеры и другие источники получения грунта. Последние могут быть в виде сосредоточенных или боковых резервов; глубоких выемок, сложенных из грунтов с нормальной или допустимой влажностью; акватории, пригодной для ведения работ способами гидромеханизации; отвалов зол и золоматериалов, использование которых возможно для сооружения земляного полотна из техногенных грунтов.
При производстве земляных работ необходимо применять способы и средства механизации, обеспечивающие выполнение планируемых объёмов линейных и сосредоточенных работ в установленный период с требуемым качеством и наименьшими затратами и трудоёмкостью. Механизация должна быть комплексной и охватывать все процессы и виды земляных работ, в том числе и в сложных инженерно-геологических и климатических условиях, от подготовки дорожной полосы до укрепительных и отделочных работ. Основной принцип рационального применения современных средств механизации - это выбор, в первую очередь, ведущей землеройно-транспортной техники по показателям производительности и стоимости с последующей комплектацией другими машинами, необходимыми для обеспечения работы комплексных потоков.
Выбор способов ведения земляных работ и соответствующих средств на отдельных участках следует осуществлять методом вариантного проектирования на основе расчётов и последующего сопоставления показателей экономической эффективности вариантов механизированного выполнения земляных работ и проектных конструктивов в установленные сроки. При этом необходимо учитывать периоды строительства, особенности разрабатываемых грунтов и горных пород, возможные способы их разработки. При производстве зимних работ в качестве ведущих машин, как правило, принимают уплотняющие средства.
Основным показателем экономической эффективности вариантов механизации являются приведённые затраты (удельные приведённые затраты).
В расчётах по выбору средств комплексной механизации земляных работ для конкретных условий рекомендуется использовать удельные приведённые затраты, определяемые путём деления общего размера приведённых затрат на годовой объём работ отдельных машин или их комплекта, или на объём работ, выполняемый этими машинами на рассматриваемых участках. Кроме того, необходимо учитывать показатели продолжительности и трудоёмкости механизированных работ.
Работы по сооружению земляного полотна, как правило, должны выполняться специализированными механизированными колоннами, а также специализированными подразделениями дорожно-строительных организаций. Подразделения оснащают средствами механизации, по количеству и составу обеспечивающими выполнение работ в заданные сроки, средствами и оборудованием для ремонта и обслуживания машин, передвижными жилыми и бытовыми помещениями, лабораториями. В соответствии с разделением земляных работ на линейные и сосредоточенные механизированные колонны разбиваются на отряды линейных и сосредоточенных работ, которые, в свою очередь, состоят из специализированных бригад. Выбранные средства механизации должны обеспечивать темпы выполнения сосредоточенных земляных работ, а именно их окончание до подхода линейных земляных работ.
Процессу определения составов специализированных отрядов для выполнения различных видов работ предшествует определение одного из важнейших показателей организации строительства - общей продолжительности строительства проектного объекта. Указанная величина определяется в соответствии с требованиями СНиП 1.04.03-85 «Нормы продолжительности строительства и задела в строительстве предприятий, зданий и сооружений».
После установления общей нормативной продолжительности строительства проектируемого участка автомобильной дороги, от которой зависит общий темп выполнения дорожно-строительных работ, становится возможным осуществлять определение составов отряда и оптимальной длины захватки по отдельным видам работ. Состав отряда для выполнения любого вида работ зависит от специфики этого вида работ, его объема и необходимой продолжительности выполнения работ, увязанной с общей последовательностью и продолжительностью строительства объекта в целом. Следует также иметь в виду, что продолжительность выполнения вида работ обусловлена погодно-температурными условиями, позволяющими или не позволяющими осуществлять производство работ этого вида.
Подготовительные работы, выполненные до начала основных работ по строительству участка автомобильной дороги, включают разнообразные работы, в числе которых работы по восстановлению и закреплению трассы автодороги, переустройству пересекаемых коммуникаций, расчистке дорожной полосы от леса, кустарника, пней и корней, а также снос попадающих в зону строительства строений и др.
Ниже в табл. 13.1 приведены примерные составы специализированных отрядов и потребность в их работе на 1 га при расчистке дорожной полосы от леса. В табл. 13.2 приведены примерные составы специализированных отрядов и их трудозатраты на 1 га при расчистке дорожной полосы от пней и кустарника.
Таблица 13.1
Составы специализированных отрядов и их трудозатраты на 1 га при расчистке дорожной полосы от леса
|
Наименование |
Количество при типе залесенности местности |
|||
|
крупный диаметр ствола, более 32 см |
средний диаметр ствола, до 32 см |
мелкий диаметр ствола, до 24 см |
очень мелкий диаметр ствола, до 12 см |
|
|
Личный состав (чел.) |
||||
|
Лесорубы |
10 |
10 |
10 |
10 |
|
Мотористы и водители машин |
1 |
1 |
1 |
1 |
|
Машины и оборудование (шт.) |
||||
|
Механические пилы «Дружба» |
2 |
2 |
2 |
- |
|
Кусторезы (на тракторе 110-170 л.с.) |
- |
- |
- |
1 |
|
Тракторы трелевочные (110-170 л.с.) |
1 |
1 |
1 |
1 |
|
Затраты труда (отрядо-смена) |
||||
|
Специализированного отряда на 1 га для леса: |
|
|
|
|
|
густого |
8 |
7 |
6 |
3 |
|
средней густоты |
5 |
5 |
4 |
2 |
|
редкого |
2 |
2 |
2 |
1 |
Таблица 13.2
Составы специализированных отрядов и их трудозатраты на 1 га при расчистке дорожной полосы от пней и кустарника
|
Наименование |
Количество при |
||||
|
корчевке пней и расчистке площадей с перемещением до 10 м |
очистке площадей от кустарника и мелколесья |
||||
|
крупных диаметром более 34 см |
средних диаметром до 34 см |
мелких диаметром до 26 см |
очень мелких диаметром до 18 см |
||
|
Личный состав (чел.) |
|||||
|
Рабочие |
4 |
3 |
2 |
2 |
6 |
|
Водители машин |
11 |
8 |
5 |
5 |
4 |
|
Машины и оборудование (шт.) |
|||||
|
Корчеватели-собиратели (на тракторе 95-170 л.с.) |
4 |
3 |
2 |
2 |
1 |
|
Кусторезы (на тракторе 110-170 л.с.) |
- |
- |
- |
- |
1 |
|
Грабли кустарниковые (на тракторе 95-110 л.с.) |
- |
- |
- |
- |
2 |
|
Бульдозеры (на тракторе 110-170 л.с.) |
1 |
1 |
1 |
1 |
- |
|
Экскаваторы (емкость ковша 0,65 м3) |
3 |
2 |
1 |
1 |
- |
|
Автомобили-самосвалы для доставки грунта и для засыпки подкорневых ям |
Потребность определяется расчетом в зависимости от дальности возки грунта |
||||
|
Затраты труда (отрядо-смена) |
|||||
|
Специализированного отряда на 1 га для леса: |
|
|
|
|
|
|
густого |
2 |
2 |
2 |
2 |
1 |
|
средней густоты |
2 |
2 |
2 |
2 |
1 |
|
редкого |
2 |
2 |
2 |
2 |
1 |
В состав работ по расчистке дорожной полосы от леса, кустарника, пней и корней включены следующие работы: подготовка площади под расчистку от леса, вырубка кустарника и подлеска, уборка сухостойных и зависших деревьев; валка леса и обрубка сучьев; расчистка полосы от порубочных остатков; трелевка хлыстов; корчевка пней и удаление корней; засыпка подкорневых ям; сборка и сжигание порубочных остатков. (Трелевка спиленных хлыстов предусмотрена на расстояние 30 м до мест раскряжевки. Дальнейшую вывозку деловой древесины автотранспортом следует учитывать дополнительно.)
В табл. 13.3-13.8 даны примерные составы специализированных отрядов для строительства различных водопропускных труб, а также трудозатраты при работе таких отрядов на 1 пог. м трубы и на два оголовка.
Специализированные отряды по строительству искусственных сооружений, приведенные ниже, выполняют полный комплекс работ по устройству водопропускных труб, включающий устройство котлована; устройство основания трубы; монтаж звеньев трубы и оголовков; устройство гидроизоляции; засыпку труб с уплотнением грунта; укрепление русел и откосов земляного полотна.
Таблица 13.3
Составы специализированных отрядов для строительства круглых и овоидальных железобетонных труб
|
Наименование |
Количество при размере отверстий, м |
||
|
1 |
1,5 |
2 |
|
|
Личный состав (чел.) |
|||
|
Водители дорожных машин и мотористы |
4 |
4 |
4 |
|
Строительные рабочие |
6 |
6 |
6 |
|
Машины и оборудование (шт.) |
|||
|
Автокраны, грузоподъемностью: |
|
|
|
|
6 т |
1 |
1 |
- |
|
10 т |
- |
- |
1 |
|
Бульдозеры (на тракторе 95-110 л.с.) |
1 |
1 |
1 |
|
Каток прицепной на пневматических шинах массой 25 т (с трактором) |
1 |
1 |
1 |
|
Передвижная электростанция (мощн. 4,5-9 кВт) |
1 |
1 |
1 |
|
Электровибраторы глубинные |
3 |
3 |
3 |
|
Экскаватор, оборудованный прямой и обратной лопатой емкостью ковша 0,3 м3 |
1 |
1 |
1 |
|
Передвижной битумный котел |
1 |
1 |
1 |
|
Электротрамбовки (массой 80-160 кг) |
2 |
2 |
2 |
Таблица 13.4
Трудозатраты специализированных отрядов по строительству круглых и овоидальных железобетонных труб
|
Размеры отверстий труб, м |
Потребность в работе отряда, смены |
|
|
на 1 пог. м трубы |
на 2 оголовка |
|
|
1. Бесфундаментные трубы |
||
|
0,75 |
0,06 |
0,68 |
|
1 |
0,06 |
4,20 |
|
2×1 |
0,13 |
5,8 |
|
3× I |
0,20 |
7,3 |
|
1,25 |
0,07 |
4,9 |
|
2×1,25 |
0,14 |
6,4 |
|
3×1,25 |
0,21 |
7,9 |
|
1,5 |
0,09 |
5,7 |
|
2×1,5 |
0,18 |
7,9 |
|
3×1,5 |
0,27 |
12,5 |
|
II. Трубы с фундаментом |
||
|
1 |
0,15 |
4,1 |
|
2×1 |
0,33 |
5,8 |
|
3×1 |
0,5 |
7,2 |
|
1,25 |
0,22 |
4,8 |
|
2×1,25 |
0,46 |
6,3 |
|
3×1,25 |
0,72 |
7,8 |
|
1,5 |
0,25 |
5,5 |
|
2×1,5 |
0,53 |
7,7 |
|
3×1,5 |
0,9 |
12,4 |
|
2 |
0,33 |
6,9 |
|
2×2 |
0,66 |
11 |
|
3×2 |
1,2 |
12,5 |
Необходимое количество специализированных отрядов по выполнению подготовительных работ и строительству водопропускных труб определяют в соответствии с проектными объемами работ, возможной календарной продолжительностью выполнения этих работ, общей продолжительностью строительства участка автодороги, а также продолжительностью и сроками выполнения последующих строительных работ и возможностью доставки строительных материалов и конструкций к местам производства работ.
В приведенных таблицах не учтены работы по укреплению русел и откосов земляного полотна. Потребность в отрядо-сменах на выполнение указанных работ следует дополнительно определять в зависимости от проектной конструкции укрепления по «Расчетным показателям для составления проектов организации строительства». Часть X.
Таблица 13.5
Составы специализированных отрядов для строительства прямоугольных труб из сборного железобетона
|
Наименование |
Количество при размере отверстий труб. |
|
|
2-2,5 |
3-4 |
|
|
Личный состав (чел.) |
||
|
Машинисты |
5 |
6 |
|
Монтажники конструкций |
5 |
5 |
|
Строительные рабочие |
2 |
2 |
|
Машины и оборудование (шт.) |
||
|
Автокраны грузоподъёмностью: |
||
|
6 т |
1 |
1 |
|
16 т |
- |
- |
|
Экскаватор, оборудованный прямой и обратной лопатой емкостью ковша 0,3 м3 |
1 |
1 |
|
Бульдозеры (на тракторе 95-110 л.с.) |
1 |
1 |
|
Каток прицепной на пневматических шинах массой 25 т (с трактором) |
1 |
1 |
|
Передвижная электростанция (мощн. 6-9 кВт) |
1 |
1 |
|
Передвижной битумный котел |
1 |
1 |
|
Электровибраторы глубинные |
3 |
3 |
|
Электротрамбовки (массой 80-160 кг) |
2 |
2 |
Таблица 13.6
Трудозатраты специализированного отряда по строительству прямоугольных труб из сборного железобетона
|
Параметры трубы |
Потребность в работе отряда, смен |
|||
|
тип оголовка |
отверстие трубы, м |
на 1 пог. м трубы |
на 2 оголовка |
|
|
при сборных фундаментах |
при монолитных фундаментах |
|||
|
Входной |
2 |
0,32 |
5,8 |
6,08 |
|
2×2 |
0,47 |
7,5 |
8,04 |
|
|
2,5 |
0,36 |
6,3 |
8,12 |
|
|
2×2,5 |
0,57 |
8,56 |
9,4 |
|
|
3 |
0,45 |
6,48 |
8,35 |
|
|
2×3 |
0,63 |
7,88 |
8,65 |
|
|
4 |
0,57 |
6,88 |
8,87 |
|
|
2×4 |
0,85 |
9,16 |
10,16 |
|
|
Выходной |
2 |
0,32 |
2,84 |
2,98 |
|
2×2 |
0,47 |
4,74 |
5,08 |
|
|
2,5 |
0,36 |
4,7 |
6,06 |
|
|
2×2,5 |
0,57 |
5,32 |
5,84 |
|
|
3 |
0,45 |
4,83 |
6,23 |
|
|
2×3 |
0,63 |
5,87 |
6,45 |
|
|
4 |
0,57 |
5,13 |
6,62 |
|
|
2×4 |
0,85 |
6,83 |
7,58 |
|
Таблица 13.7
Составы специализированных отрядов для строительства круглых труб из гофрированного металла
|
Наименование |
Количество при строительстве труб с размером отверстий, м |
|
|
1,5-2,3 |
3 |
|
|
Личный состав (чел.) |
||
|
Машинисты |
5 |
5 |
|
Монтажники конструкций |
7 |
7 |
|
Строительные рабочие |
3 |
3 |
|
Машины и оборудование (шт.) |
||
|
Автокраны грузоподъемностью: |
||
|
10 т |
1 |
- |
|
16 т |
- |
|
|
Бульдозер (на тракторе 95-110 л.с.) |
|
|
|
Передвижная электростанция (мощностью 9 кВт) |
|
|
|
Каток прицепной на пневматических шинах массой 25 т (с трактором) |
|
|
|
Передвижной компрессор |
|
|
|
Передвижной битумный котел |
|
|
|
Окрасочный агрегат для нанесения грунтовки |
|
|
|
Гайковерты электрические |
2 |
2 |
|
Электротрамбовки (массой 80-160 кг) |
2 |
2 |
Трудозатраты специализированного отряда по строительству круглых труб из гофрированного металла
|
Параметры трубы |
Потребность в работе отряда, смен |
|||
|
отверстие трубы, м |
тип оголовка |
толщина металлического листа, мм |
на 1 пог. м трубы |
на 2 оголовка |
|
1,5 |
1 |
1,5 2 2,5 |
0,8 |
1,8 2 2,2 |
|
1а |
1,5 2 2,5 |
1,7 1,74 1,8 |
||
|
3 |
- |
5,5 |
||
|
2×1,5 |
1 |
1,5 2 2,5 |
1,6 |
6,44 6,52 6,72 |
|
1а |
1,5 2 2,5 |
3,06 3,12 3,58 |
||
|
3 |
- |
7,7 |
||
|
1,5 |
1 |
1,5 2 2,5 |
2,4 |
9,8 9,92 10 |
|
1а |
1,5 2 2,5 |
4,62 4,84 5,06 |
||
|
3 |
- |
12,4 |
||
|
2,3 |
1 |
2 2,5 |
1,05 |
5,08 5,16 |
|
1а |
2 2,5 |
2,58 2,66 |
||
|
2 |
2 2,5 |
6,12 6,22 |
||
|
2а |
2 2,5 |
2,92 3 |
||
|
3 |
- |
6,9 |
||
|
2×2,3 |
1 |
2 2,5 |
2,1 |
5,08 5,16 |
|
1а |
2 2,5 |
2,58 2,66 |
||
|
2 |
2 2,5 |
6,12 6,22 |
||
|
2а |
2 2,5 |
2,92 3 |
||
|
3 |
- |
6,9 |
||
|
3×2,3 |
1 |
2 2,5 |
3,15 |
12,24 12,48 |
|
1а |
2 2,5 |
7,12 7,34 |
||
|
2 |
2 2,5 |
13,74 14,08 |
||
|
2а |
2 2,5 |
8,38 8,58 |
||
|
3 |
- |
12,6 |
||
|
3 |
2 2а |
2 2,5 |
1,3 |
8,66 6,08 |
|
2×3 |
2 2а |
2 2,5 |
2,63 |
15,56 11,5 |
|
3×3 |
2 2а |
2 2,5 |
3,94 |
22,1 16,84 |
Организацию работ по возведению земляного полотна автомобильной дороги планируют с учетом: поточного ведения; рациональной технологии, правильного выбора и наилучшего использования применяемых машин; выполнения земляных работ в установленные сроки и их взаимной увязки с производством предыдущих и последующих работ; необходимости обеспечения требуемой степени уплотнения грунтов, их правильного расположения в теле насыпи, а также максимального сокращения сроков формирования земляного полотна при полном соблюдении проектных геометрических размеров его элементов; возможности круглогодичного выполнения земляных работ и целесообразности их выполнения по условиям рельефа местности, а также видов и характеристик грунтов.
Земляное полотно автомобильной дороги возводят с максимальным применением комплексной механизации специализированными механизированными отрядами и колоннами, как правило, с заделом, протяженность которого должна обеспечивать возможность выполнения последующих работ по устройству дорожной одежды. Земляное полотно возводится после выполнения подготовительных работ и постройки водопропускных труб, а также малых и средних искусственных сооружений без разрывов в движении потока линейных земляных работ. Разрывы потока по устройству земляного полотна допускаются на участках строительства крупных титульных искусственных сооружений (мостов, тоннелей, эстакад и т.д.) с длительным сроком производства работ.
Комплексный процесс по возведению земляного полотна автомобильной дороги принято разделять на следующие рабочие процессы, выполняемые на отдельных захватках:
удаление дернового покрова, слоя растительного грунта с поверхности основания насыпи, резерва или выемки и его складирование, а также подготовка основания насыпи;
устройство дренажных и водоотводных сооружений (подкюветный и перехватывающий дренаж, нагорные, забанкетные и водоотводные канавы и др.);
устройство дренирующих и изолирующих прослоек, замена грунтов;
разработка грунта в резерве, выемке или карьере и перемещение его в тело насыпи или кавальер;
разравнивание грунта в теле насыпи слоями требуемой толщины и его послойное уплотнение;
предварительная планировка откосов насыпи, планировка и отделка резервов;
профилирование, планировка, укатка и окончательная отделка поверхности земляного полотна, включая откосы;
вывоз и распределение растительного слоя на откосах, досыпка, уплотнение и отделка обочин;
укрепительные работы (засев травосмесей, одерновка, мощение и т.д.).
При подборе состава машин специализированного подразделения для возведения земляного полотна первоначально определяют основные (ведущие) машины, а затем вспомогательные (комплектующие) машины, что позволяет рационально использовать всю технику, входящую в технологический процесс сооружения земляного полотна.
Выбор рациональных типов и марок машин возведения земляного полотна автомобильных дорог осуществляют с учетом:
технической возможности и целесообразности применения тех или иных средств механизации в конкретных условиях рельефа местности, при определенных конструкциях земляного полотна, местоположения резервов грунта и его качественных характеристик, степени (группе) трудности его разработки;
экономической целесообразности применения тех или иных средств механизации;
организационных условий производства работ, основными из которых являются требования к своевременному завершению возведения земляного полотна с целью исключения возможной задержки начала производства последующих работ по устройству дорожной одежды;
условий полной загрузки выбранных средств механизации в течение всего срока выполнения работ.
Выбор наиболее рационального способа механизации земляных работ осуществляется путем сравнения различных возможных вариантов схем производства работ с применением необходимых машин по показателям трудоемкости, стоимости единицы продукции, темпам и организации производства работ, удельному расходу энергоресурсов.
В табл. 13.9-13.13 приведены наиболее часто встречающиеся условия возведения земляного полотна с послойным уплотнением грунтов при отсыпке насыпи, устройства водоотвода и укрепительных работ, определяющие выбор типов основных (ведущих) машин.
Таблица 13.9
Средства механизации земляных работ по устройству водоотвода
|
Глубина нагорных и водоотводных канав, м |
Машины и оборудование |
|
0,3-0,7 |
Кустарниковые плуги с траншейным оборудованием, бульдозеры с дополнительными продольными ножами на отвалах, автогрейдеры |
|
0,7-1,5 |
Канавокопатели на базе многоковшовых экскаваторов со сменным оборудованием, плужные канавокопатели навесные или прицепные к тракторам, экскаваторам с «обратной лопатой» |
|
1,5-3,0 |
Экскаваторы с «обратной лопатой» или оборудованием «драглайн» |
Таблица 13.10
Средства механизации для планировочных работ
|
Элементы земляного полотна |
Высота насыпи или глубина выемки, м |
Машины и приспособления |
|
Верх земляного полотна |
- |
Автогрейдеры |
|
Откосы насыпей и выемок |
До 2,5 |
Откосопланировщики на бульдозерах и тракторах |
|
До 4,0 |
Автогрейдеры с удлинителями отвалов |
|
|
До 6,0 |
Планировщики откосов на экскаваторах, экскаваторы-планировщики |
|
|
До 15,0 |
Двухотвальные планировщики ЦНИИС к экскаваторам «драглайн» |
Таблица 13.11
Средства механизации основных земляных работ
|
Земляное полотно |
Высота насыпи или глубина выемки, м |
Дальность перемещения грунта, м |
Рекомендуемая длина захватки (минимальная), м |
Ведущие машины |
|
Насыпи из боковых двухсторонних резервов при незначительной разнице рабочих отметок по длине захватки |
До 1 |
До 8 |
500 |
Грейдеры-элеваторы |
|
То же |
До 1 |
От 8 до 15 |
500 |
Грейдеры-элеваторы с дополнительным перемещением грунта в насыпи автогрейдерами или бульдозерами |
|
Насыпи из боковых односторонних или двухсторонних резервов |
До 1 |
От 8 до 50 |
Устанавливается проектом |
Бульдозеры на тракторе мощностью 95-170 л.с. |
|
Насыпи из боковых односторонних или двухсторонних резервов с частичным продольным перемещением грунта |
До 1 |
От 30 до 50 |
То же |
То же, 95-170 л.с. |
|
Насыпи из выемок при продольном перемещении грунта |
В зависимости от местных условий |
До 100 |
То же |
То же, 170-480 л.с. |
|
Насыпи из выемок или сосредоточенных резервов при продольном перемещении грунта |
Не регламентируется |
От 100 до 500 |
То же |
Скреперы с емкостью ковша 8,8 м3 с трактором мощностью 170-480 л.с. |
|
То же |
То же |
От 300 до 3000 |
То же |
Скреперы самоходные с емкостью ковша 15-25 м3 |
|
То же |
То же |
Свыше 3000 |
То же |
Экскаваторы с ковшом емкостью 0,65-1,5 м3 с транспортными средствами |
|
Насыпи из выемок или сосредоточенных резервов при небольших глубинах выемок или специальных резервов |
То же |
Свыше 3000 |
То же |
Грейдеры-элеваторы с транспортными средствами |
|
Выемки с перемещением грунта в кавальеры |
Свыше 2 |
До 50 |
То же |
Экскаваторы с дальнейшим перемещением грунта в кавальер бульдозером |
|
Насыпи на пойменных подходах к крупным искусственным сооружениям |
Не ограничена |
До 2000 |
То же |
Землесосные снаряды |
Таблица 13.12
Средства механизации для уплотнения грунтов земляного полотна
|
Земляное полотно |
Грунты |
Оптимальная толщина уплотняемого слоя, см |
Уплотняющие машины |
|
Насыпь |
Связные |
15-35 |
Катки кулачковые массой 9-30 т |
|
То же |
10-20 |
Катки на пневмошинах массой 12-16 т |
|
|
То же |
20-35 |
То же 25-30 т |
|
|
То же |
25-40 |
То же 40-50 т |
|
|
То же |
25-40 |
Решетчатые катки массой 25-30 т |
|
|
То же |
60-70 |
Дизельтрамбовочные машины |
|
|
То же |
70-90 |
Трамбующие плиты массой 2 т (площадью 0,9-1,2 м2) при высоте падения 2 м |
|
|
Несвязные |
15-25 |
Катки на пневмошинах массой 12-16 т |
|
|
То же |
20-35 |
То же 25-30 т |
|
|
То же |
25-40 |
То же 40-50 т |
|
|
То же |
35-50 |
То же 40-50 т |
|
|
Несвязный грунт и каменный материал |
35-50 |
Решетчатые катки массой 25-30 т |
|
|
Насыпь |
То же |
80-100 |
Дизельтрамбовочные машины |
|
То же |
80-100 |
Трамбующие плиты массой 2 т (площадью 0,9-1,2 м2) при высоте падения 2 м |
|
|
То же |
30-60 |
Вибрационные катки с гладкими вальцами массой 3-6 т |
|
|
Насыпь в стесненных условиях |
Связные |
10-50 |
Ручные пневматические трамбовки массой 40-50 кг, электромеханические трамбовки массой 80-160 кг, плиты вибрационные массой 80-270 кг |
|
Несвязные |
10-50 |
То же |
|
|
Откосы насыпи и выемок |
Связные |
До 60 |
Трамбовки с гладкими вальцами подвесные к стрелам экскаваторов |
|
Несвязные |
До 50 |
Трамбующие плиты подвесные к стрелам экскаваторов |
|
|
То же |
50-70 |
Трамбовки с гладкими вальцами подвесные к стрелам экскаваторов |
|
|
То же |
30-60 |
Пневмотрамбовки подвесные к стрелам экскаваторов |
Таблица 13.13
Средства механизации для укрепления откосов земляного полотна посевом трав
|
Работы |
Высота насыпи или глубина выемки, м |
Машины и приспособления |
|
Рыхление откосов насыпей, выемок перед распределением растительного грунта |
До 15 |
Рыхлители ЦНИИС на стрелах экскаваторов или двухотвальных планировщиках «драглайн» |
|
Распределение и разравнивание растительного грунта по откосам насыпей и выемок |
До 3,0 |
Бульдозеры с откосопланировщиками и автогрейдеры с удлинителями отвалов и откосниками |
|
Более 3,0 |
Планировщики откосов на экскаваторах «драглайн», экскаваторы-планировщики, планировочные рамы ЦНИИС к экскаваторам «драглайн» |
|
|
Посев семян трав на откосах насыпей и выемок |
- |
Навесные посевные агрегаты ЦНИИС к экскаваторам «драглайн», машины для гидропосева семян трав |
Дорожная одежда должна иметь необходимый запас прочности, чтобы в течение нормативного срока службы выдерживать воздействие многократно повторяющихся нагрузок от автомобилей и климатических факторов (изменение температуры, влажности и т. п.). Покрытие, непосредственно воспринимающее воздействие колес автомобилей и природных факторов, должно иметь высокую прочность, быть износо- и термостойким, ровным и шероховатым и обеспечивать безопасное движение автомобилей с заданной скоростью при минимальном сопротивлении движению. Покрытие не должно пылить, оно должно обеспечивать надежное сцепление с колесами автомобилей. Основание дорожной одежды воспринимает нагрузку от покрытия, распределяет и передает ее на земляное полотно. В нежесткой одежде основание обычно является основным несущим слоем, обеспечивающим ее общую прочность и жесткость. Классификация дорожных одежд и покрытий приведена в табл. 14.1 [65], классификация оснований приведена в табл. 14.2 [49].
Дополнительный слой основания предназначен для дальнейшего распределения нагрузки на земляное полотно, для отвода избыточной воды, поступающей из верхнего слоя земляного полотна, и для предохранения дорожной одежды от деформации морозного пучения. Для него применяют пористые морозостойкие материалы (песок, щебень, шлак и т.д.).
Таблица 14.1
Классификация дорожных одежд и покрытий
|
Дорожные одежды |
Тип покрытия, материал и способы его укладки |
|
Капитальные |
Усовершенствованные покрытия из смесей: |
|
горячих асфальтобетонных |
|
|
цементобетонных |
|
|
Облегченные |
Облегчённые типы покрытий из смесей: |
|
а) горячих асфальтобетонных |
|
|
б) холодных асфальтобетонных |
|
|
в) органоминеральных с жидкими органическими вяжущими; с жидкими органическими вяжущими совместно с минеральными; с вязкими, в том числе эмульгированными органическими вяжущими; с эмульгированными органическими вяжущими совместно с минеральными; из каменных материалов и грунтов, обработанных битумом по способу смешения на дороге или методами пропитки; из каменных материалов, обработанных органическими вяжущими методом пропитки; черного щебня, приготовленного в установке и уложенного по способу заклинки; пористой и высокопористой асфальтобетонной смеси с поверхностной обработкой; прочного щебня с двойной поверхностной обработкой |
|
|
г) цементобетонных |
|
|
Переходные |
Покрытия переходного типа: |
|
из щебня прочных пород, устроенные по способу заклинки без применения вяжущих материалов; из грунтов и малопрочных каменных материалов, укрепленных вяжущими; булыжного и колотого камня (мостовые) |
|
|
Низшие |
из щебеночно-гравийно-песчаных смесей; малопрочных каменных материалов и шлаков; грунтов, укрепленных или улучшенных различными местными материалами; древесных материалов и др. |
Таблица 14.2
Типы оснований дорожных одежд
|
Основания |
Назначение |
|
Цементобетонные, толщиной не менее 15 см |
Основной слой основания для капитальных дорожных одежд |
|
Из минеральных материалов (гравийных, щебеночных и др.), обработанных вяжущими в установках и на дороге, слоем не менее 5 см |
Верхний слой основания для капитальных дорожных одежд |
|
Из минеральных материалов, не обработанных вяжущими, слоем не менее 15 см |
Нижние слои основания для капитальных дорожных одежд; верхние слои основания для облегченных дорожных одежд |
|
Из грунтов, укрепленных органическими вяжущими, слоем не менее 5 см |
Верхний и нижние слои оснований на дорогах III и IV категорий |
|
Из грунтов, укрепленных минеральными вяжущими, слоем не менее 12-15 см |
|
|
Из грунтов, укрепленных добавками различных веществ |
Основания на дорогах IV категории |
Общие положения. Под надежностью дорожной одежды понимают вероятность того, что в течение заданного периода времени (срока службы) при заданных условиях эксплуатации она будет находиться в работоспособном состоянии, то есть обладать требуемыми транспортно-эксплуатационными показателями прочности, ровности и сцепления с колесом автомобиля. Общим количественным показателем надежности дорожной одежды является вероятность (обеспеченность) ее работоспособного состояния (по прочности, ровности и сцеплению) в течение установленного срока службы. Обеспеченность каждого отдельного свойства дорожной одежды - прочности, ровности или сцепления - является частным показателем ее надежности.
Наибольшие затраты обычно связаны с обеспечением надежности по прочности дорожной одежды. Чтобы уменьшить отрицательное влияние неизбежной изменчивости прочностных свойств возводимого земляного полотна и дорожной одежды, необходимо при строительстве дороги обеспечить, а при эксплуатации - поддерживать обоснованный (оптимальный) запас прочности. Запас прочности, необходимый для компенсации неравнопрочности (неоднородной прочности) строящейся дорожной одежды, зависит кроме других причин от степени изменчивости прочности, характеризуемой коэффициентом вариации.
Рассмотрим этот вопрос, используя нормальное распределение модуля упругости дорожной одежды. На рис. 14.1 и 14.2 показано в дифференциальной форме распределение модулей упругости дорожной одежды при разных значениях коэффициентов вариации. Заштрихованная площадь под кривой распределения соответствует вероятности r появления модуля ниже определенного значения. Как видно из графика, приведенного на рис. 14.1, величина r = 1 - р, где р - уровень значимости, существенно изменяется в зависимости от средней величины модуля упругости Е и его коэффициента вариации CvE.

Рис. 14.1. Зависимость надежности дорожной одежды по прочности от изменчивости ее модуля упругости при одном и том же среднем модуле упругости Е

Рис. 14.2. Зависимость
надежности дорожной одежды по прочности от изменчивости ее модуля упругости при
разных величинах среднего модуля упругости:
(Cve
= 0,15),
(Cve
= 0,225)
(Cve
= 0,30)
Проводя организационно-технологические мероприятия, можно существенно снизить степень изменчивости прочности дорожной одежды, что позволяет обеспечить заданный уровень надежности при меньших затратах, то есть при меньшем расходе материалов на строительство дорожной одежды.
Общий коэффициент вариации модуля упругости дорожной одежды определяется по известным коэффициентам вариации ее слоев. Для этой цели можно использовать формулу Барбера для двухслойной системы (рис. 14.3):
где (14.1)
Еобщ - общий модуль упругости двухслойной системы;
Е1 - модуль упругости верхнего слоя;
Е2 - модуль упругости на поверхности нижнего слоя;
h - толщина верхнего слоя двухслойной системы;
D - диаметр круга, равновеликого отпечатку колеса расчетного автомобиля;
где (14.2)
,
,
- соответственно
средние квадратические отклонения модуля упругости верхнего слоя Е1
, модуля упругости на поверхности нижнего слоя Е2, толщины
верхнего слоя h;
(14.3)
(14.4)
![]()
(14.5)
(14.6)
Зависимости (14.3-14.9) позволяют определять общий коэффициент вариации многослойной одежды, производя расчет послойно.

Рис. 14 3. Расчетная схема двухслойной системы (дорожной одежды)
Примерные значения коэффициентов вариации модулей упругости СE грунтов земляного полотна и некоторых материалов, а также толщины Ch слоев дорожных одежд даны в табл. 14.3. и 14.4.
Таблица 14.3
Коэффициенты вариации модулей упругости для грунтов
|
Грунты |
Относительная влажность |
||||||
|
0,60 |
0,65 |
0,70 |
0,75 |
0,80 |
0,85 |
0,9 |
|
|
Коэффициенты вариации модулей упругости СE |
|||||||
|
Супеси пылеватые, суглинки, глины |
0,10-0,18 |
0,17-0,23 |
0,18-0,25 |
0,19-0,26 |
0,19-0,27 |
0,20-0,27 |
0,20-0,28 |
|
Супесь легкая |
0,09-0,15 |
0,10-0,17 |
0,12-0,18 |
0,12-0,20 |
0,14-0,20 |
- |
- |
Таблица 14.4
Коэффициенты вариации модулей упругости и толщины слоев материалов
|
Материала |
Коэффициенты вариации |
|
|
модулей упругости СE |
толщины слоя Сh |
|
|
Асфальтобетон |
0,11-0,19 |
0,10-0,25 |
|
Холодные смеси (смешение на месте) |
0,13-0,21 |
0,15-0,30 |
|
Смеси, включая грунты, обработанные минеральным вяжущим |
0,15-0,25 |
0,10-0,20 |
|
Слои из необработанных щебня или гравия |
0,17-0,28 |
0,12-0,20 |
|
Песчаный |
0,12-0,18 |
0,12-0,22 |
Зависимость коэффициента вариации общего модуля упругости двухслойной
системы
от коэффициентов
вариации модулей упругости верхнего слоя СЕ , модуля
упругости на поверхности нижнего слоя
и толщины верхнего
слоя Ch имеет вид:
(14.7)
В
табл. 14.5 приведены величины коэффициента вариации
при различных значениях
. Как видно из табл. 14.5, наибольшее влияние на однородность
модуля упругости двухслойной системы оказывает однородность нижнего слоя. Это
подчеркивает целесообразность обеспечения высокой однородности (равнопрочности)
в процессе строительства всех слоев дорожной одежды и особенно земляного
полотна. Существенную роль при этом играет уплотнение грунта. Например,
увеличение числа проходов катка с 8 до 16 снижает коэффициент вариации модуля
упругости грунта на 20 %. С помощью табл. 14.5 можно установить изменение общей
равнопрочности многослойной дорожной одежды, рассматривая ее послойно снизу
вверх как двухслойную систему (см. рис. 14.3).
Таблица 14.5
Величины
коэффициентов вариации ![]()
|
Значения Ch |
Значения |
Значения
|
|||
|
0,1 |
0,2 |
0,3 |
0,4 |
||
|
0,1 |
0,1 |
0,09 |
0,099 |
0,110 |
0,124 |
|
0,2 |
0,164 |
0,168 |
0,175 |
0,184 |
|
|
0,3 |
0,240 |
0,243 |
0,248 |
0,254 |
|
|
0,4 |
0,318 |
0,320 |
0,323 |
0,328 |
|
|
0,2 |
0,1 |
0,117 |
0,123 |
0,132 |
0,143 |
|
0,2 |
0,179 |
0,183 |
0,189 |
0,198 |
|
|
0,3 |
0,251 |
0,254 |
0,259 |
0,264 |
|
|
0,4 |
0,326 |
0,328 |
0,331 |
0,336 |
|
|
0,3 |
0,1 |
0,150 |
0,154 |
0,162 |
0,171 |
|
0,2 |
0,202 |
0,206 |
0,211 |
0,219 |
|
|
0,3 |
0,268 |
0,270 |
0,274 |
0,280 |
|
|
0,4 |
0,339 |
0,341 |
0,344 |
0,349 |
|
|
0,4 |
0,1 |
0,186 |
0,190 |
0,196 |
0,204 |
|
0,2 |
0,233 |
0,236 |
0,241 |
0,245 |
|
|
0,3 |
0,290 |
0,292 |
0,296 |
0,301 |
|
|
0,4 |
0,357 |
0,358 |
0,362 |
0,366 |
|
Изменение конструкций дорожной одежды с учетом производственных условий. В процессе строительства автомобильной дороги нередко возникает необходимость внесения коррективов в утвержденные проектные решения. При этом приходится непосредственно на строительном объекте с участием группы рабочего проектирования вносить уточнения и изменения в различные детали проекта. Изменения проектных решений в отношении земляного полотна и элементов дорожной одежды всегда приводят к корректировке конструкции дорожной одежды. Такая корректировка должна обеспечивать повышение эффективности и качества вновь принятой конструкции по сравнению с ранее разработанной. При этом важно стремиться к снижению не только строительных затрат, но и эксплуатационных расходов. Целесообразность внесения изменений и уточнений в ранее принятые решения по конструкции дорожной одежды может возникнуть в следующих случаях:
1. При получении строительной организацией новых более совершенных машин и оборудования, требующих изменения технологии строительства дорожной одежды или земляного полотна.
2. При выявлении месторождений каменных, гравийных и других материалов, отвечающих нормативным требованиям, разработка которых не была предусмотрена в проекте, но использование их обеспечивает снижение затрат на добычу и переработку материала.
3. В случае обнаружения месторождения грунта для возведения земляного полотна, использование которого по техническим или экономическим соображениям более целесообразна. Возможно также изменение месторасположения грунтового карьера по иным причинам, например при другом парке машин по сравнению с предусмотренным проектом, при отказе в отводе земель и др.
4. При появлении возможности обработки минеральных материалов вяжущими, включая местные и отходы производства, что не было предусмотрено в проекте.
В процессе корректировки конструкции дорожной одежды необходимо пересчитать дорожную одежду с учетом требований к ее прочности, надежности и морозоустойчивости, предусмотренных первоначальным проектным решением, пользуясь отраслевыми дорожными нормами ОДН 218.046-01 [65].
Обеспечение прочности и надежности дорожных одежд в период строительства. В период строительства дорожной одежды наибольшее влияние на ее прочность и надежность оказывают обобщенные показатели: среднее фактическое значение общего модуля упругости на строящемся участке, характеризующего прочность, и коэффициент вариации общего модуля упругости дорожной одежды, характеризующий однородность прочности:
где (14.8)
- коэффициент вариации общего модуля
упругости дорожной одежды;
- среднее квадратическое отклонение общего
модуля упругости на данном участке;
- среднее значение общего модуля упругости
дорожной одежды на участке.
При снижении
однородность дорожной одежды по прочности
возрастает и соответственно при данном значении
возрастает уровень ее
надежности. Установлены рекомендуемые пределы коэффициентов вариации общего
модуля упругости
для разных типов одежды. Для дорожных
одежд капитального и облегченного типов они составляют соответственно 0,18 и
0,20.
Вычисление
возможно путем послойного расчета дорожной
одежды снизу вверх. Пределы применения коэффициентов вариации модулей упругости
СЕ и толщины слоев Сh для ряда материалов слоев дорожной одежды
приведены в табл. 14.4, а для грунтов коэффициенты вариации модулей упругости
приведены в табл. 14.3.
Для обеспечения прочности и надежности дорожной одежды необходимо производить послойный операционный контроль качества строительства. Контроль (оценку) общей прочности дорожной одежды и послойный контроль прочности на поверхности слоев дорожной одежды можно осуществлять по значению измеренного упругого прогиба под нагрузкой и вычисляемого по прогибу в модуле упругости Е. При этом используют зависимости:
на поверхности одежды и твердых ее слоев
(14.9)
на грунте земляного полотна и песчаном основании
где (14.10)
р - среднее удельное давление под площадкой, передающей нагрузку (для рассматриваемых испытаний обычно жесткий штамп, имеющий в плане форму круга диаметром D);
l - упругий прогиб, мм;
μ - коэффициент Пуассона, принимаемый в среднем для дорожной одежды в целом и ее верхних слоев - 0,30; а для грунта и песчаного слоя - 0,35;
π/4 - коэффициент, учитывающий влияние жесткого штампа.
В большинстве случаев строительство дорожной одежды осуществляют в летне-осенний период, а расчетное значение модуля упругости дорожной одежды (Етр) соответствует периоду наибольшего ослабления дорожной одежды (для большинства районов Российской Федерации - весна). Поэтому в период строительства модули упругости грунта земляного полотна и ряда слоев дорожной одежды могут существенно отличаться от их расчетных значений. В частности, модули упругости грунта земляного полотна обычно выше расчетных, а модули упругости слоев, содержащих органическое вяжущее, - ниже. В связи с этим измеренное значение общего модуля упругости одежды Еобщ отличается от Етр, поэтому при анализе результатов оценки прочности необходимо вводить путем послойного расчета поправку, учитывающую влияние климатических факторов (влажности грунта и температуры слоев, содержащих органическое вяжущее) [5], а также проводить испытания построенного участка одежды в расчетный период.
Кроме того, в период строительства целесообразно систематически осуществлять послойный контроль однородности дорожной одежды по модулям упругости и по толщине слоев. Увеличить однородность дорожной одежды можно за счет повышенного уплотнения грунта земляного полотна. При этом следует подчеркнуть, что однородность грунтов существенно возрастает при снижении их относительной влажности (см. табл. 14.3), что дополнительно способствует повышению степени их уплотнения.
При строительстве дорожных одежд с монолитным цементобетонным покрытием или основанием технология работ оказывает значительное влияние на однородность бетона по прочности на растяжение при изгибе. Коэффициент вариации прочности бетона зависит от степени наладки технологического процесса приготовления бетона, эффективности и своевременности контроля качества работ. Статистический контроль качества приготовления цементобетонной смеси позволяет получить экономию вяжущего материала - цемента - при обеспечении требуемого класса прочности бетона. Однородность прочности бетона зависит от совершенства технологии и оборудования ЦБЗ, культуры производства, качества исходных материалов для приготовления смеси и соблюдения технологической дисциплины. На передовых производственных предприятиях коэффициент вариации прочности бетона не превышает 0,04-0,08. При снижении коэффициента вариации прочности бетона с 0,135 до 0,08 можно сэкономить до 10 % цемента при обеспечении требуемого класса прочности бетона.
Для обеспечения прочности, то есть свойства сопротивляться воздействию колес автомобилей и атмосферных факторов, материал каждого слоя дорожной одежды необходимо разровнять и уплотнить до требуемого уровня плотности. Укладываемые в процессе строительства автомобильной дороги дорожно-строительные материалы и полуфабрикаты (щебень, асфальто- и цементобетонные смеси) требуют эффективного уплотнения при помощи уплотняющих машин различного действия. В большинстве случаев уплотнение материала происходит в результате приложения к его поверхности циклической нагрузки, которая в течение одного цикла изменяется от минимума до максимума и затем снова до минимума. Через определенный промежуток времени цикл воздействия уплотняющей нагрузки повторяется.
В соответствии с циклическим изменением величины уплотняющей нагрузки изменяется уровень напряженного состояния уплотняемого материала. В процессе уплотнения циклической нагрузкой свойства уплотняемого материала (плотность, прочность, вязкость, упругость и др.) изменяются в течение одного и того же цикла и при переходе от цикла к циклу. Эффективность и степень уплотнения материала определяют по величине деформации объема уплотняемого материала.
Пластические сдвиги под действием нагрузки сначала происходят в отдельных зонах уплотняемого материала, а затем постепенно с увеличением времени действия нагрузки распространяются на больший его объем. Вследствие неоднородности свойств дорожно-строительных материалов процесс их уплотнения происходит неравномерно.
Асфальто- и цементобетонные смеси являются упруго-вязко-пластичными материалами и процесс их уплотнения зависит от скорости изменения напряженного состояния уплотняемого материала.
При уплотнении гравийных и щебеночных материалов под воздействием внешней нагрузки преодолеваются силы трения между неоднородными по объему и форме частицами материала и происходит их усиливание.
Под скоростью изменения напряженного состояния при циклической нагрузке (рис. 14.4) понимают скорость изменения напряжения во времени, которую приближенно можно определить по формуле:
(14.11)

Рис. 14.4. Характер изменения циклической нагрузки при уплотнении:
σ - напряжение; t - время; tн - время нагрузки; to - время «отдыха» материала
При приложении быстродействующей и часто повторяющейся нагрузки (например, при вибрации) к таким материалам, как бетонная смесь, возникает явление ее тиксотропного разжижения, которое повышает эффективность уплотнения смеси.
На процесс уплотнения дорожно-строительных материалов влияет большое количество разнообразных факторов: размер, форма, прочность и другие свойства минеральных частиц, то есть твердой фазы материала; количественное соотношение твердой, жидкой и газообразной фаз; физико-механические свойства многофазного материала в целом; максимальное напряжение, прикладываемое к поверхности уплотняемого материала, которое определяет напряженное состояние всего объема уплотняемого материала; время действия уплотняющей нагрузки и скорость изменения напряженного состояния уплотняемого материала в течение одного цикла нагружения; частота и число приложения уплотняющей циклической нагрузки.
Уплотнение является одной из основных технологических операций, от которой в значительной степени зависит работоспособность дорожной одежды, то есть ее сопротивляемость воздействию транспортных нагрузок и климатических факторов. Уплотнение осуществляют тремя методами: укаткой, трамбованием, виброуплотнением.
При укатке по поверхности уплотняемого слоя перекатывается металлический валец или пневматическое колесо, под действием силы тяжести которых в уплотняемом материала возникает остаточная деформация. По мере увеличения плотности материала эта деформация уменьшается, постепенно приближаясь к нулю. Дальнейшее повышение плотности материала может быть достигнуто за счет увеличения нагрузки на валец или пневматическое колесо. Уплотняющее действие зависит от массы катка, площади контакта рабочего органа с уплотняемым слоем, скорости движения катка и числа проходов катка по одному следу.
Трамбование осуществляют периодическим поднятием на определенную высоту массивного рабочего органа и его последующим свободным падением на поверхность уплотняемого материала. Для трамбования характерна большая глубина уплотняемой зоны. Трамбование применяют для уплотнения грунтов слоями большой толщины, а также при строительстве дорожной одежды. Так, например, трамбующий брус является одним из рабочих органов асфальтоукладчика, обеспечивающим предварительное уплотнение асфальтобетонной смеси с коэффициентом уплотнения до 0,91 [69].
Виброуплотнение - уплотнение с помощью вибрации, когда колеблющаяся масса сообщает кинетическую энергию частицам или зернам материала; уплотнение происходит за счет взаимного перемещения частиц материала с ускорениями, зависящими от крупности этих частиц. Наиболее эффективен вибрационный метод при уплотнении малосвязных материалов. Эффект уплотнения вибрированием зависит от амплитуды колебаний, их частоты, ускорения и массы вибровозбудителя. Существуют также комбинированные способы уплотнения, когда вибрирование сочетается с укаткой, трамбованием в вибрационных дорожных катках и вибротрамбующих машинах.
Для уплотнения слоев дорожной одежды широко применяют самоходные катки с гладкими вальцами, пневмоколесные и с комбинированными рабочими органами. Комбинированные катки (рис. 14.5) можно использовать для уплотнения различных материалов - грунтов, асфальтобетонных смесей, крупнообломочных каменных материалов.
Для уплотнения асфальтобетонных смесей применяют три типа уплотняющих машин: катки статического действия с гладкими вальцами и на пневматических шинах, катки вибрационного действия (виброкатки).
Широкое распространение получили самоходные гладковальцовые катки статического действия, которые просты по конструкции и надежны в эксплуатации. Они классифицируются по массе: на легкие 5-6 т; средние 8 т и тяжелые более 10 т. Качество работ по уплотнению асфальтобетонных смесей зависит от соблюдения рационального температурного режима (табл. 14.6) и рекомендуемых контактных давлений (табл. 14.7) на каждом этапе уплотнения: предварительном, промежуточном и заключительном [65].

Рис. 14.5. Универсальные самоходные двухвальцовые катки:
а - валец на пневмоходу - 1, гладкий - 2; б - на пневмоходу - 1 и кулачковый - 2; в - на пневмоходу - 1 и решетчатый - 3; г - на пневмоходу - 1; д - на пневмоходу - 1 и виброуплотнители - 4; е - на пневмоходу с жесткой рамой - 1
Таблица 14.6
Рекомендуемый температурный режим при уплотнении асфальтобетонных смесей
|
Тип асфальто- |
Рекомендуемая температура уплотнения, °С |
Рациональный температурный режим уплотнения слоя на различных этапах, °С |
|||
|
начальная |
критическая |
предварительном |
промежуточном |
заключительном |
|
|
А |
140-160 |
75-80 |
От 140-145 до 120-125 |
От 120-125 до 95-100 |
От 95-100 до 75-80 |
|
Б |
120-140 |
70-75 |
От 125-130 до 105-110 |
От 105-110 до 85-90 |
От 85-90 до 70-75 |
|
В |
110-130 |
60-65 |
От 115-120 до 100-105 |
От 100-105 до 80-85 |
От 80-85 до 60-65 |
|
Г |
120-140 |
70-75 |
От 125-130 до 105-110 |
От 105-110 до 80-90 |
От 85-90 до 70-75 |
|
Д |
100-120 |
60-65 |
От 105-110 до 85-90 |
От 85-90 до 70-75 |
От 70-75 до 60-65 |
Таблица 14.7
Рекомендуемые контактные давления при поэтапном уплотнении
|
Каток (этап уплотнения) |
Границы этапов уплотнения |
Коэффициент уплотнения смеси |
Значения контактных давлений катков, МПа, для типов смесей |
|
|
А |
В |
|||
|
Легкий |
Начало |
0,7 |
0,50-0,55 |
0,40-045 |
|
(предварительный) |
Конец |
0,85 |
1,20-1,25 |
1,17-1,30 |
|
Средний |
Начало |
0,85 |
1,20-1,25 |
1,17-1,30 |
|
(промежуточный) |
конец |
0,92 |
1,65-1,80 |
1,50-1,10 |
|
Тяжелый |
Начало |
0,92 |
1,65-1,80 |
1,50-1,70 |
|
(заключительный) |
Конец |
1,0 |
2,80-3,10 |
2,60-2,90 |
Катки статического действия должны двигаться со скоростью 1,5-5 км/ч. При выполнении первых проходов принимается минимальная скорость движения 1,5-2,0 км/ч, на промежуточном этапе уплотнения 3-5 км/ч, и на заключительном 2-3 км/ч.
Катки на пневматических шинах чаще применяют на промежуточном этапе уплотнения асфальтобетонного слоя, иногда на предварительном и заключительном этапах. Уплотняющее воздействие катка на слой зависит от нагрузки на колесо, давления в шине и ее жесткости. Изменяя давление в шине, можно регулировать величину контактных давлений в зависимости от температурного состояния асфальтобетонной смеси и степени ее уплотнения.
Катки вибрационного действия (виброкатки) могут работать в трех режимах: статического воздействия на уплотняемый материал (вибраторы отключены), комплексного воздействия (один валец оказывает на материал статическое воздействие, а второй - вибрационное) и в вибрационном (вибраторы на обоих вальцах включены). Эффективность виброуплотнения определяется колеблющейся массой вальца, амплитудой и частотой колебания. Обычно величина амплитуды 0,2-0,8 мм, а частота колебаний 25-58 Гц. Величина амплитуды колебания зависит от толщины уплотняемого слоя. При уплотнении тонких слоев (4-6 см) рекомендуется работать на малых амплитудах. С увеличением толщины слоя следует повышать амплитуду колебания.
Частоту колебаний вибровальца назначают с учетом типа уплотняемой смеси, ее температуры и скорости движения катка. С увеличением содержания щебня в асфальтобетонной смеси, а также рабочей скорости виброкатка рекомендуется увеличивать частоту колебаний вальца. Рекомендуемые скорости движения виброкатков: на начальном этапе уплотнения - 3-5 км/ч, на промежуточном - 4-6 км/ч.
Уплотнение является одной из основных технологических операций, которая определяет качество покрытия. Достигаемая степень уплотнения зависит от температуры асфальтобетонной смеси в начале уплотнения при одном и том же количестве уплотняющих средств и одинаковом времени уплотнения (рис. 14.6).
В табл. 14.8 приведены рекомендации по выбору машин для уплотнения слоев дорожной одежды из каменных материалов разной прочности.

Рис. 14.6. График зависимости коэффициента уплотнения Ку от температуры асфальтобетонной смеси Тс в начале уплотнения
Таблица 14.8
Техническая характеристика катков для уплотнения слоев дорожной одежды из каменных материалов
|
Период уплотнения |
Класс прочности материала |
||||
|
очень прочный |
прочный |
средней прочности |
слабый |
очень слабый |
|
|
Первый - обжимка россыпи, выравнивание поверхностного слоя |
ДУ-47Б, ДУ-55 (0,2-0,3); ДУ-52 (0,2-0,3) |
ДУ-47Б, ДУ-55 (0,2-0,3); ДУ-52 (0,2-0,3) |
ДУ-47Б, ДУ-55 (0,2-0,3); ДУ-52 (0,2-0,3) |
ДУ-47Б, ДУ-55 (0,2-0,3) |
ДУ-47Б, ДУ-55 (0,2-0,3) |
|
Второй (после поливки водой) - упрочнение до жесткости |
ДУ-47Б с вибратором (0,8-1,0); ДУ-52 (0,8-1,0); ДУ-48Б |
ДУ-47Б с вибратором; ДУ-55 (0,6-0,8); ДУ-52 с вибратором (0,6-0,8); ДУ-48Б |
ДУ-47Б с вибратором; ДУ-55 (0,6-0,8), ДУ-52 с вибратором (0,6-0,8) |
ДУ-47Б с вибратором; ДУ-55 (0,4-0,6); ДУ-52 (0,4-0,6) |
ДУ-47Б, ДУ-55 (0,2-0,3) |
|
Третий (после поливки водой) - образование плотной коры за счет расклинивания мелким щебнем (расклинцовка) |
ДУ-48Б, ДУ-49А |
ДУ-48Б (0,3-0,8); ДУ-49Б |
ДУ-49А |
ДУ-47Б |
ДУ-47Б |
Примечания: 1. В скобках указано рекомендуемое давление воздуха в шинах (МПа).
2. Техническая характеристика катков: ДУ-55 - самоходный пневмоколесный, масса 20 т, линейное давление 750 Н/см, второй валец вибрационный, давление в шинах 0,3-0,8 МПа; ДУ-47Б - каток вибрационный двухвальцовый с гладкими вальцами, масса 6-8 т, линейное давление 40 Н/см; ДУ-49А, ДУ-49Б - трехвальцовый статический, вальцы гладкие, масса 11-18 т, линейное давление 350 Н/см; ДУ-48Б - трехвальцовый статический пневмоколесный, масса 16 т.
Первыми покрытиями дорог были: щебёночные устраиваемые методом заклинки, булыжные и брусчатые мостовые. Последние не получили широкого развития в связи с большим объемом ручных работ по их устройству. В настоящее время такие покрытия устраиваются, как правило, на площадях, тротуарах для создания декоративной поверхности. Появились искусственные брусчатые материалы различного цвета и формы, что еще более повысило их декоративность.
Основное развитие получили щебеночные покрытия. Рост интенсивности автомобильного движения показал целесообразность использования этого типа слоя в основании дорожных одежд на дорогах с высокой интенсивностью движения, а также в покрытиях на дорогах с малой интенсивностью движения.
С целью максимального использования местных материалов и снижения стоимости строительства оснований дорожных одежд М.М. Филатовым, В.М. Безруком, И.И. Черкасовым и др. были разработаны способы укрепления грунтов и технологии устройства оснований их этих материалов.
Развитие автомобильного транспорта в последние десятилетия потребовало совершенствования конструкций дорожных одежд и способов их строительства, в том числе слоев оснований дорожных одежд из каменных материалов, которые основывались на теоретических положениях о требованиях к слоям дорожных одежд (выдвинутых и обоснованных А.К. Бируля, Н.Н. Ивановым, В.Ф. Бабковым, М.И. Волковым, А.М. Кривисским, Н.В. Горелышевым, В.К. Некрасовым, А.Я. Тулаевым, Ю.М. Васильевым, А.П. Васильевым, В.Д. Казарновским и другими), основными из которых являются:
способность слоя выдерживать нагрузку от проезжающего автотранспорта, то есть иметь необходимую прочность применяемых материалов и модуль упругости слоя, предотвращающих образование неровностей и колей на покрытии;
способность материала слоя выдерживать воздействие климатических факторов (замораживание-оттаивание, водонасыщение-высушивание), то есть иметь материал с необходимой морозостойкостью;
способность материала слоя воспринимать колебания температуры наружного воздуха и обеспечивать предотвращение возникновения температурных трещин в слое;
к этим требованиям необходимо добавить требования, связанные с различными экономическими, техническими, технологическими требованиями такими как необходимость повышения темпов строительства и необходимость использования местных материалов и отходов промышленности.
В результате многолетних работ ученых-дорожников были разработаны новые конструкции, материалы и технологии строительства слоев дорожных одежд из каменных материалов без вяжущих, а также каменных материалов и грунтов, обработанных неорганическими вяжущими. Проведенные в последние десятилетия в Союздорнии (B.C. Исаев, Б.С. Марышев, А.О. Салль, В.С. Цветков, В.М. Юмашев и др.) совместно с МАДИ (А.К. Славуцкий, Н.А. Фидловский, Е.И. Феоктистов и др.), Росдорнии (О.А. Закурдаев, Л.Б. Каменецкий, Ю.Н. Розов, В.М. Ольховиков и др.), и с другими организациями исследования позволили расширить номенклатуру применяемых материалов, усовершенствовать требования к материалам и слоям, а также технологию строительства с использованием различных машин и механизмов и контроля качества производства работ. К основным достижениям можно отнести создание следующих основных конструкций и технологий их строительства.
Щебёночные основания и покрытия, устраиваемые методом заклинки. Расширена номенклатура фракций применяемого щебня. Уточнены необходимая прочность и морозостойкость щебня, а также расчетные параметры слоя.
Разработаны способы устройства оснований из широко распространенного низкомарочного щебня. Морозостойкость такого материала повышается обработкой его различными гидрофобизаторами в процессе устройства слоя.
Щебёночные слои с пропиткой верхней части неорганическими вяжущими. В развитие традиционных щебёночных слоев, устраиваемых методом заклинки, для повышения их несущей способности предложено производить расклинку слоя не мелким щебнем, а различными неорганическими вяжущими (цементопесчаная смесь, литая цементопесчаная смесь, гранулированный доменный шлак, активный фосфогипс). Установлены оптимальные расходы вяжущего, расчетные параметры слоя, а также технологии его устройства.
Слои оснований или покрытий из щебёночно (гравийно)-песчаных смесей. Предложены различные зерновые составы смеси, установлены расчётные параметры слоев из них, уточнены требования к прочности и морозостойкости материала в зависимости от категории дороги и климатических условий ее расположения, уточнены технологии строительства с использованием различных машин. Проведенные работы позволяют создавать слои типа минерального бетона.
Для повышения плотности и несущей способности слоя из щебеночно (гравийно)-песчано-грунтовых смесей разработана технология обработки используемых материалов жидкими стабилизаторами (пластифицирующими поверхностно-активными веществами). Установлены виды и оптимальные расходы стабилизаторов, степень повышения плотности и модуля упругости слоя. Разработана технология устройства стабилизированного слоя.
Слои из активных отходов промышленности. Установлены параметры материала и слоя из доменных шлаков, белитовых шламов и фосфогипса. Использование этих материалов, обладающих естественной активностью, позволяет получать монолитные слои.
Основания из каменных материалов, обработанных цементом - цементоминеральных материалов (ЩПЦС, ПЦС). Разработаны требования к цементоминеральным материалам, их прочности, морозостойкости. Установлены закономерности влияния марки и расхода цемента, количества воды, а также характеристик заполнителя (прочность, крупность, зерновой состав) на марку прочности цементоминерального материала. Определены расчётные параметры слоя, а также оптимальные технологии строительства.
Шлакоминеральные основания. Разработаны оптимальные составы каменных материалов, обработанных шлаковым вяжущим (гранулированным доменным шлаком с различными активаторами) различных марок прочности, установлены модули упругости этих слоев. Разработаны технологии строительства слоев из шлакоминеральных материалов.
Основания из щебёночных или цементоминеральных смесей, укладываемых в ячейки из пространственных георешеток. Разработанная конструкция повышает модуль упругости традиционных щебёночных слоев и увеличивает трещиностойкость слоев из обычных цементоминеральных материалов.
Брусчатые и мозаичные мостовые. В развитие традиционных брусчатых мостовых из природных горных пород разработана брусчатка различной формы и цвета, как правило, из цементопесчаной смеси. Установлены необходимая прочность и морозостойкость брусчатки.
В проведении исследований и разработке вышеописанных материалов, конструкций и технологий строительства оснований и покрытий дорожных одежд принимали участие сотрудники Союздорнии и его филиалов, Росдорнии, Гипродорнии, Госдорнии, Союздорпроекта, МАДИ, СибАДИ, РИСИ, ВИСИ, Гипромеза, Уралниичма, Вниистрома и др.
Строительство щебеночных слоев методом заклинки. При проектировании щебеночных покрытий и оснований, устраиваемых методом заклинки, применяют щебень по ГОСТ 8267-93, ГОСТ 3344-83, фракций 40-70 мм в качестве основного материала, и фракций 10-20 и 5-10 мм в качестве расклинивающего с суммарным расходом последнего 25 м3/1000 м2. При устройстве оснований для расклинки допускается применение фракции 5-20 мм и смесей № 12 и 13 по ГОСТ 25607-94.
Марки по прочности и морозостойкости каменных материалов должны соответствовать требованиям табл. 15.1. Прочность расклинивающего материала может быть на марку ниже основного. Слои оснований из щебня карбонатных пород марок 400 и ниже допускается устраивать без использования расклинивающего материала.
Таблица 15.1
|
Свойства каменных материалов |
Для покрытий |
Для оснований |
||
|
категория автомобильной дороги |
||||
|
IV |
V |
I-III |
IV, V |
|
|
Марка по прочности на раздавливание в цилиндре в водонасыщенном состоянии, не ниже: |
|
|
|
|
|
щебня из изверженных пород |
1000 |
800 |
800 |
600 |
|
из осадочных пород |
800 |
600 |
600 |
300 |
|
из шлаков фосфорных, черной и цветной металлургии |
800 |
600 |
600 |
300 |
|
щебня и гравия |
800 |
600 |
600 |
400 |
|
Марка по истираемости |
ИII |
ИIII |
ИIII |
ИIV |
|
Марка по морозостойкости для районов со среднемесячной температурой воздуха наиболее холодного месяца, °С |
|
|
|
|
|
от 0 до -5 |
15 |
15 |
15 |
- |
|
от -5 до -15 |
25 |
25 |
25 |
15 |
|
от -15 до -30 |
50 |
50 |
50 |
25 |
|
ниже -30 |
75 |
75 |
75 |
50 |
Для уточнения модулей упругости щебеночных оснований, устраиваемых методом заклинки, в Союздорнии были проведены эксперименты на материалах различного генезиса и прочности. При этом использовали легкоуплотняемый известняковый щебень с маркой по прочности 400-800, трудноуплотняемый гранитный щебень с маркой по прочности 1000-1200, щебень шлаковый с маркой по прочности 600-1000.
Результаты исследований показали, что трудноуплотняемый щебень - это, как правило, щебень из изверженных и метаморфических магматических пород марки 1000 и более, щебень из гравия прочностью 800 и более и шлаки остеклованной структуры. Легкоуплотняемый щебень - это щебень из изверженных и метаморфических пород марки прочности менее 1000, щебень из гравия прочностью менее 800, шлаки пористой структуры, щебень из осадочных пород.
Для заклинки использовали мелкий щебень, песчано-гравийную и щебеночную смесь. Результаты работ приведены в табл. 15.2.
Таблица 15.2
|
Материал конструктивного слоя и материал для расклинки |
Модуль упругости, МПа |
|
|
слоя из легкоуплот- |
слоя из трудноуплот- |
|
|
Щебень фракционированный 40-80 мм с заклинкой: |
|
|
|
фракционированным мелким щебнем размером 10-20 и 5-10 мм |
450 |
350 |
|
отсевами дробления |
300-350 |
200-250 |
|
известняковой мелкой смесью или активным мелким шлаком |
400 |
300 |
|
мелким высокоактивным шлаком |
450 |
400 |
|
асфальтобетонной смесью |
500 |
450 |
Результаты испытаний, приведенные в табл. 15.2, показывают влияние на модуль упругости качества основного щебня, а также характеристики расклинивающей фракции. Данные табл. 15.2 наиболее полно и точно характеризуют несущую способность оснований, устраиваемых по методу заклинки, из различных материалов, применяемых в практике дорожного строительства.
Наряду со стандартными фракциями щебня в практике строительства применяется щебень других фракций. Модули упругости слоя из таких материалов приведены в табл. 15.3. Основание укладывается на готовый и принятый в установленном порядке нижележащий слой дорожной одежды. Минимальная толщина распределяемого слоя должна в 1,5 раза превышать размер наиболее крупных частиц щебня. Максимальные толщины уплотняемого слоя приведены в табл. 15.4.
Таблица 15.3
|
Основная фракция щебня, мм |
70-40 |
70-20 |
60-25 |
40-20 |
40-20 |
|
Расклинивающая фракция щебня, мм |
5-20 |
5-10 |
5-10 |
5-10 |
5-20 |
|
Модуль упругости, МПа |
370 |
360 |
350 |
270 |
250 |
Таблица 15.4
|
Каток |
Масса катка, т |
Толщина слоя, см |
|
С гладкими вальцами |
10 и более |
22 |
|
На пневмошинах |
15 и более |
30 |
|
Вибрационный и комбинированный |
До 10 |
22 |
|
Вибрационный и комбинированный |
16 и более |
30 |
Объем каменного материала для устройства основания в насыпном виде определяется с учетом коэффициента запаса на уплотнение 1,2-1,4, и уточняется пробной укаткой на первом этапе строительства.
Щебеночное основание устраивают в два этапа:
распределение основного щебня проектной толщиной с учетом коэффициента запаса расхода на уплотнение и его уплотнение;
распределение расклинивающего щебня и окончательное уплотнение основания.
Распределение основного - крупного - щебня производят укладчиком или автогрейдером с обеспечением требуемой ровности. Распределение мелкого - расклинивающего - щебня рекомендуется производить навесным на самосвал щебнераспределителем мелкого щебня типа T-224-I или БД-130, используемым для устройства поверхностной обработки. Уплотняют щебень катками любого типа от края к середине с перекрытием следа. Общее минимальное количество проходов катков по одному следу приведено к табл. 15.5.
Таблица 15.5
|
Каток |
Рекомендуемая марка катка |
Минимальное количество проходов на этапах уплотнения |
|
|
1 |
2 |
||
|
Гладковальцовый статистического действия |
ДУ-93 |
10 |
20 |
|
С пневматическими шинами |
ДУ-100 |
10 |
20 |
|
С комбинированными вальцами |
ДУ-64, ДУ-99 |
6 |
12 |
|
С вибрационными вальцами |
ДУ-63, ДУ-98 |
4 |
8 |
Для уменьшения трения между щебенками и ускорения взаимозаклинивания при укатке следует производить в летнее время полив щебня водой, ориентировочный расход 15-25 л/м2 для 1-го этапа, 10-12 л/м2 для 2-го этапа. В процессе строительства должен осуществляться контроль качества материалов и устраиваемого слоя.
Укрепление слоя из низкомарочного щебня его гидрофобизацией. Одним из наиболее распространенных местных каменных материалов являются материалы из осадочных карбонатных пород. Щебень, получаемый из этих месторождений, характеризуется значительным разнообразием прочности. Распространение, основные карьеры и характерные колебания прочности горной породы приведены в табл. 15.6.
Таблица 15.6
Районы распространения каменных материалов из осадочных карбонатных пород
|
Экономический район |
Карьер |
Прочность материала месторождения, % |
||
|
прочный, > 60 МПа |
средний, 30-60 МПа |
слабый, < 30 МПа |
||
|
Северо-западный |
Кикеринский, Псковстройматериалы |
8,7 58,0 |
63,6 20,0 |
27,7 22,0 |
|
Центральный |
Калужский Мышегский Муратовский Караблинский Рождественский Алексинский |
67,3 64,7 69,8 60,0 54,7 57,4 |
14,2 - - 12,6 22,3 18,6 |
18,5 35,3 30,2 27,4 23,0 24,0 |
|
Центрально-Черноземный |
Елецкий Хмельницкий Ольшанский Задонский Лавский |
68,4 67,0 56,5 59,0 70,5 |
16,0 15,7 22,5 17,0 12,5 |
15,6 17,3 21,0 24,0 17,0 |
|
Северный Кавказ |
Жирновский Быстрогорский Апанасовский |
72,6 66,5 62,7 |
10,4 18,5 17,3 |
17,0 15,0 20,0 |
|
Волго-Вятский |
Кировский |
57,5 |
24,5 |
18,0 |
|
Поволжский |
Кам-Исмагилово Сокский Чапаевский Ново-Тарьяльский |
79,0 32,1 53,0 74,4 |
4,0 55,9 30,0 8,6 |
17,0 12,0 17,0 17,0 |
|
Уральский |
Саткинский |
88,3 |
5,7 |
6,0 |
Материал с маркой прочности ниже 400 имеет, как правило, недостаточную для дорожных конструкций морозостойкость. Это исключает возможность применения широко распространенного известнякового щебня в дорожных одеждах.
В результате работ, проведенных в Союздорнии, МАДИ, Гипродорнии и других организациях предложено обрабатывать щебень различными гидрофобизирующими жидкостями. Как показали результаты исследований, обработка щебня гидрофобизаторами уменьшает его водопоглощение и увеличивает морозостойкость до марок, которые могут найти применение в дорожных одеждах. В качестве гидрофобизаторов могут найти применение петролатум, жидкий битум, отработанное моторное масло, кремнийорганические жидкости ГКЖ-10 и ГКЖ-11.
Обработка петролатумом малопрочного щебня в течение 0,5-5,0 мин позволила снизить водопоглощение с 14 до 1,5 %, потери при испытании в полочном барабане - с 78 до 26-36 %, повысить морозостойкость до Мрз 100 по сравнению с показателями малопрочного необработанного петролатумом щебня.
Значительный эффект проявляется при обработке щебня 10 %-ной концентрацией раствора ГКЖ при времени обработки не менее 5 мин. При этом показатель водопоглощения снижается с 6 до 2 %, морозостойкость повышается с 15 (необработанный щебень) до 75-100 циклов (обработанный щебень), водостойкость увеличивается в 2 раза.
Значительное улучшение свойств обработанного гидрофобизатором щебня дает возможность рекомендовать его при условии щадящей технологии уплотнения для устройства слоев основания автомобильных дорог III-V категорий. Для увеличения сроков службы основания следует обеспечивать соответствующий водоотвод. Аналогичные результаты получены при обработке малопрочного известнякового щебня отработанным машинным маслом в количестве 3-5 % массы щебня. Обобщенные результаты проведенных работ представлены в табл. 15.7.
Таблица 15.7
|
Обрабатываемый щебень |
Применяемые |
Повышение марки морозо- |
|
Марка прочности 200-400 Марка морозостойкости 10-15 |
Петролатум, ГКЖ-10, ГКЖ -11, отработанное масло, жидкий битум, нефтяной гудрон |
на 1-3 марки |
Для устройства оснований из низкомарочного щебня (М 200-М 400), обработанного гидрофобизаторами, рекомендуется использовать фракцию 40-70 мм или 20-70 мм. Заклинка мелким щебнем такого материала не требуется.
Работы по устройству слоя основания включают выполнение следующих основных операций: разбивка в плане и высотных отметок устраиваемого основания; завоз и распределение щебня по нижележащему слою. В случае укладки щебня на песчаный подстилающий слой работы по распределению щебня ведут «от себя»; розлив гидрофобизирующей жидкости; уплотнение слоя.
Минимальная толщина распределяемого слоя должна в 1,5 раза превышать размер наиболее крупных частиц щебня. Максимальные толщины уплотняемого слоя приведены в табл. 15.4.
Объем каменного материала для устройства слоя в насыпном виде определяется с учетом коэффициента запаса на уплотнение 1,2-1,4 и уточняется пробной укаткой на первом этапе строительства.
Розлив гидрофобизирующей жидкости производится по распределенному слою щебня. Уплотнение щебеночного слоя осуществляют катками любого типа в соответствии со СНиП 3.06.03-85 от края к середине с перекрытием следа. Общее минимальное количество проходов катков по одному следу приведено в табл. 15.8.
Таблица 15.8
|
Каток |
Рекомендуемая марка катка |
Количество проходов |
|
Гладковальцовый статического действия |
ДУ-93 |
20 |
|
С пневматическими шинами |
ДУ-100 |
20 |
|
С комбинированными вальцами |
ДУ-64, ДУ-99 |
12 |
|
С вибрационными вальцами |
ДУ-63, ДУ-98 |
8 |
Качество уплотнения щебеночного основания проверяют путем контрольного прохода гладко-вальцового катка массой 10-13 т по всей длине построенного участка. После прохода катка на поверхности слоя не должны оставаться следы и возникать волны перед вальцом, а положенная под валец щебенка должна раздавливаться.
Щебеночные слои с пропиткой верхней части неорганическими вяжущими. На основе работ, проведенных в Союздорнии, МАДИ и других организациях, в практике дорожного строительства используется новый тип основания - щебеночное, обработанное в верхней части пескоцементной смесью. Основными преимуществами, обусловившими широкое внедрение этой конструкции, являются:
плавно убывающий модуль упругости по глубине слоя в соответствии с уменьшением напряжения в конструкции от колеса автомобиля, обосновывающий возможность уменьшить расход вяжущего по глубине слоя;
повышенная по сравнению с щебеночными основаниями несущая способность (модуль упругости), позволяющая снизить толщину конструкции (уменьшить ее материалоемкость на 10-20 %);
уменьшенный на 10-20 % расход цемента по сравнению с пескоцементными основаниями;
возможность использования менее прочных местных каменных материалов по сравнению с щебеночными основаниями;
повышенная несущая способность в раннем возрасте по сравнению с пескоцементным основанием из-за каркасности материала, что обеспечивает пропуск построечного транспорта без деформации конструкции;
возможность стадийного строительства: вывозка щебня зимой и окончательное устройство оснований летом, что, в свою очередь, приводит к уменьшению потребности в автомобильном транспорте в летнее время;
возможность использовать дешевые смесительные установки небольшой производительности для скоростного строительства оснований или полностью отказаться от смесительных установок при обработке щебеночного слоя одним вяжущим без песка, например, гранулированным шлаком, активной золой уноса, активным фосфогипсом.
Несущая способность конструкции щебеночного основания, обработанного в верхней части неорганическими вяжущими, характеризуемая средним модулем упругости слоя Еср, зависит от величины модуля упругости Е1 и прочности Р верхней, обработанной части слоя, и модуля упругости нижней, необработанной части слоя Е2, а также их толщины (h1 - толщина верхней части слоя, h - общая толщина слоя). Результаты определения среднего модуля упругости приведены в табл. 15.9.
Результаты расчетов показывают, что модуль упругости возрастает, а общая толщина конструкции уменьшается при увеличении глубины пропитки слоя вяжущим и росте модуля упругости верхней обработанной части слоя, то есть при увеличении марки применяемого пескоцемента или другого вяжущего.
В случае сохранения постоянной общей толщины слоя при увеличении глубины пропитки от 0,25 до 0,75 толщины слоя требуемая прочность пескоцемента может быть уменьшена с 10 до 4 МПа, а расход цемента - с 18 до 10 % по массе пескоцементной смеси.
При сохранении одной глубины пропитки слоя толщину последнего можно уменьшить, например, с 21 до 15 см при увеличении прочности пескоцемента с 4 до 10 МПа. Для устройства слоя целесообразно использовать щебень фракции 40-70 и 70-120 мм.
Таблица 15.9
Величина среднего модуля упругости слоя Еср, МПа
|
h1/h |
Е2, МПа |
Отношение Е1 (МПа)/марка прочности Р |
||
|
800/75 |
600/60 |
400/40 |
||
|
0,25 |
200 |
350 |
300 |
250 |
|
300 |
425 |
375 |
325 |
|
|
400 |
500 |
450 |
400 |
|
|
0,50 |
200 |
500 |
400 |
300 |
|
300 |
550 |
450 |
350 |
|
|
400 |
600 |
500 |
400 |
|
|
0,75 |
200 |
650 |
500 |
350 |
|
300 |
675 |
525 |
375 |
|
|
400 |
700 |
550 |
400 |
|
Как правило, для строительства оснований применяют известняковый щебень, имеющий более широкое распространение и, следовательно, меньшую дальность транспортировки к объекту строительства. При строительстве оснований на дорогах I-II категорий минимальная марка прочности щебня 600, на дорогах III категории - 400 и IV-V - 200.
В зависимости от климатических условий и категории дороги к щебню предъявляются различные требования по морозостойкости: максимальная - Мрз 50, минимальная - Мрз 15.
Для получения требуемого модуля упругости верхней обработанной части слоя, зависящего от прочности при сжатии щебеночно-пескоцементного материала, в щебень вводят пескоцемент определенной прочности от 4 до 10 МПа; расход цемента 10-18 % массы смеси. Для повышения пластичности смеси и уменьшения расхода цемента на 10-20 % в смесь целесообразно вводить поверхностно-активные вещества: СДБ ориентировочно 0,5-1,5 %, ЩСПК в пределах 1,5-2,5 % массы цемента. Вместо цемента может быть использовано шлаковое вяжущее на основе шлаков черной металлургии или зольное вяжущее на основе зол уноса ТЭЦ. В качестве активаторов шлаков и зол наибольшее применение находит также цемент. Ориентировочный расход шлака или золы 10-20 %, цемента 4-10 % массы смеси. Высокоактивные шлаки и золы можно применять в чистом виде (без цемента) для обработки верхней части щебеночного слоя. В этом случае отпадает необходимость в смесительных установках.
Расход пескоцемента зависит от глубины пропитки и пустотности щебня. При изменении глубины пропитки от 5 до 15 см расход пескоцемента составляет 2,5-9,0 м3 на 100 м2 поверхности щебеночного слоя.
При устройстве щебеночных (гравийных) оснований, обработанных не на полную глубину пескоцементной смесью методом пропитки (вдавливанием), целесообразно применять пескоцементную смесь с влажностью на 20-40 % больше или меньше оптимальной влажности. Пескоцементную смесь вводят в щебеночный слой вибрацией или давлением. Щебень укладывают и планируют распределителем или автогрейдером и увлажняют водой из расчета 3-10 л/м2. При необходимости для обеспечения проезда построечного транспорта щебень прикатывают гладковальцовым катком массой 6-8 т за 1-2 прохода по одному следу. Приготовленную в установке пескоцементную смесь распределяют по поверхности щебня укладчиком.
Пропитку щебеночного слоя на глубину до 5 см осуществляют 2-3 проходами катка на пневматических шинах; пропитку щебеночного слоя на глубину до 7 см осуществляют методом вибрации профилировщиком с вибробрусом. При использовании метода вибрации и давления для пропитки на глубину до 10 см применяют вибрационный каток (1-2 прохода по одному следу). Окончательное уплотнение основания после пропитки щебеночного слоя смесью осуществляют катками на пневматических шинах за 12-16 проходов. После окончательного уплотнения за построенным основанием осуществляют уход.
Контроль качества. Контроль качества материалов и устраиваемого слоя подразделяется на входной, операционный и приемочный.
При входном контроле качество в каждой поставляемой партии (700 м3) материала (щебня) оценивается лабораторией по паспортам или собственными испытаниями на соответствие требованиям ГОСТа и проекта. Особое внимание уделяется прочности, морозостойкости, зерновому составу и загрязненности материала. Результаты контроля фиксируются в лабораторном журнале. Пример записи в журнале результатов определения физико-механических свойств щебня приведен в табл. 15.10.
Таблица 15.10
|
Зерновой состав, полные остатки на ситах, мм |
Содержание пылевато-глинистых частиц, % массы |
Прочность |
Морозостойкость |
||||
|
D |
0,5 (D ± d) |
d |
потери массы, % |
марка |
потери массы, % |
марка |
|
|
0-20 |
40-60 |
70-85 |
до 5 |
до 20 |
600 |
до 10 |
25 |
Примечание. D - максимальный размер зерна щебня, d - минимальный размер щебня
При операционном контроле качества материала на каждых 8000 м2 устраиваемого слоя проверяется соответствие ГОСТу и проекту зернового состава материала и его загрязненности. Результаты контроля фиксируются в лабораторном журнале. При операционном контроле качества устраиваемого слоя проверяются: высотные отметки, ровность, поперечный уклон, ширина, толщина слоя и качество уплотнения. Качество уплотнения щебеночного основания проверяют путем контрольного прохода гладко-вальцового катка массой 10-13 т по всей длине построенного участка. После прохода катка на поверхности слоя не должны оставаться следы и возникать волны перед вальцом, а положенная под валец щебенка должна раздавливаться. Результаты контроля фиксируются в лабораторном журнале. Оценка всех показателей должна проводиться не реже чем через 100 м. Требования СНиП 3.06.03-85 к сдаваемому участку приведены в табл. 15.11.
Таблица 15.11
|
№°п/п |
Показатель |
Величина показателя |
|
1 |
Отклонения от проектной ширины |
90 % замеров до ± 10 см |
|
2 |
Отклонения от проектной толщины |
90 % замеров до ± 10 мм |
|
3 |
Отклонения от проектного поперечного уклона |
90 % замеров до ± 0,005 |
|
4 |
Ровность (просветы под 3 метровой рейкой) |
90 % замеров до 5 мм |
|
5 |
Уплотнение |
Отсутствие следа от прохода катка |
|
6 |
Отклонение высотной отметки |
90 % замеров до ± 10 мм (± 50 мм) |
Примечание: Цифры в скобках - при использовании машин без следящих систем
При приемочном контроле качества данные испытаний, замеров оформляются в вышеуказанных документах; при необходимости проводятся дополнительные контрольные испытания и замеры.
При наличии отклонений параметров от допусков, превышающих требования ГОСТа, СНиП и проекта, в журнале производства работ делают специальную запись для последующего устранения отмеченных недостатков до приемки готового слоя.
Строительство слоев из щебеночно (гравийно)-песчаных смесей. При проектировании щебеночных и гравийных покрытий и оснований из плотных смесей применяемые материалы должны отвечать требованиям ГОСТ 25607-94 и ГОСТ 3344-83. Рекомендуемые зерновые составы смесей приведены в табл. 15.12.
Таблица 15.12
|
№ смеси |
Максимальный размер |
Содержание частиц, % |
|||
|
крупнее, мм |
мельче, мм |
||||
|
5 |
2,5 |
0,16 |
0,05 |
||
|
Смеси для покрытий ГОСТ 25607-94 |
|||||
|
С1 |
40 |
45-70 |
55-80 |
8-25 |
7-20 |
|
С2 |
20 |
25-50 |
35-65 |
10-35 |
8-25 |
|
Смеси для оснований ГОСТ 25607-94 |
|||||
|
С3 |
120 (70) |
65-85 |
75-90 |
0-5 |
0-5 |
|
С4 |
80 (70) |
65-85 |
75-90 |
0-5 |
0-5 |
|
С5 |
80 (70) |
40-75 |
50-85 |
5-10 |
0-5 |
|
С6 |
40 |
70-85 |
75-85 |
3-7 |
0-5 |
|
С7 |
20 |
60-85 |
70-95 |
3-10 |
3-8 |
|
С6 |
20 |
40-60 |
55-70 |
5-10 |
0-4 |
|
Смесь из неактивных и слабоактивных шлаков ГОСТ 3344-83 |
|||||
|
С1 |
70 |
65-85 |
- |
5-10 |
- |
|
С2 |
70 |
40-75 |
- |
5-10 |
- |
|
С4 |
40 |
70-85 |
- |
5-10 |
- |
|
С6 |
20 |
40-60 |
- |
5-10 |
- |
Марки по прочности и морозостойкости щебня и гравия, входящих в состав смесей согласно СНиП 2.05.02-85, должны соответствовать требованиям табл. 15.13.
В гравийный материал марки Др 12 и выше, содержащий более 50 % зерен с гладкой поверхностью, рекомендуется добавлять щебень (щебень из гравия) в количестве не менее 25 % по массе для лучшей его уплотняемости и повышения несущей способности покрытия.
В щебне из изверженных и метаморфических пород марок 800 и выше и осадочных пород марок 600 и выше для щебеночных покрытий дорог IV, V категорий содержание зерен пластинчатой (лещадной) и игловатой форм не должно превышать 15 % по массе, а для оснований дорог I-III категорий - 35%.
Таблица 15.13
|
Свойства каменных материалов |
Для покрытия |
Для оснований |
|||
|
категория автомобильной дороги |
|||||
|
IV |
V |
I, II |
III |
IV, V |
|
|
Марка по прочности на раздавливание щебня в цилиндре в водонасыщенном состоянии, не ниже, для: |
|
|
|
|
|
|
изверженных пород |
800 |
600 |
800 |
600 |
600 |
|
осадочных пород |
600 |
400 |
600 |
400 |
200 |
|
гравия и щебня из гравия |
800 |
600 |
800 |
600 |
400 |
|
шлаков фосфорных, черной и цветной металлургии |
600 |
400 |
600 |
400 |
200 |
|
Марка по истираемости не ниже |
ИIII |
ИIII |
ИIII |
ИIII |
ИIV |
|
Марка по морозостойкости для районов со среднемесячной температурой воздуха наиболее холодного месяца, °С: |
|
|
|
|
|
|
от 0 до -5 |
15 |
15 |
15 |
- |
- |
|
от-5 до-15 |
25 |
25 |
25 |
15 |
- |
|
от -15 до -30 |
50 |
50 |
50 |
25 |
15 |
|
ниже -30 |
75 |
75 |
75 |
50 |
25 |
Для уточнения величины модуля упругости слоя из щебеночных и гравийных смесей, влияния максимальной крупности материала, зернового состава смеси и количества мелкозернистых частиц в Союздорнии были проведены эксперименты на различных щебеночно-песчаных и гравийно-песчаных смесях. Из указанных материалов готовили смеси разных зерновых составов, рекомендованных ГОСТ 25607-94 и ГОСТ 3344-83, и других составов, используемых в дорожном строительстве. В результате экспериментов, проведенных по стандартной методике, были рассчитаны модули упругости слоев из щебеночно-песчаных и гравийно-песчаных материалов и сгруппированы по типам применяемых смесей, представленные в табл. 15.14.
Таблица 15.14
|
Материал слоя |
Расчетные значения модуля упругости, Е, МПа |
||
|
назначение смесей |
номер смеси и максимальная крупность зерен щебня, мм |
при щебне |
при гравии |
|
Для покрытий (ГОСТ 25607-94) |
С1 - 40 С2 - 20 |
300 290 |
280 265 |
|
Для оснований (ГОСТ 25607-94) |
С3 - 60 С4 - 80 С5 - 40 С6 - 20 С7 - 20 |
280 275 260 240 260 |
240 230 220 200 180 |
|
Из неактивных и слабоактивных и шлаков (ГОСТ 3344-83) |
С1 - 70 С2 - 70 С4 - 40 C6 - 20 |
275 260 250 210 |
- - - - |
Слой укладывается на готовый и принятый в установленном порядке нижележащий слой дорожной одежды. Минимальная толщина распределяемого слоя должна в 1,5 раза превышать размер наиболее крупных частиц щебня. Максимальная толщина уплотняемого слоя должна составлять значения, приведенные в табл. 15.4.
Объем каменного материала для устройства слоя в насыпном виде определяется с учетом коэффициента запаса на уплотнение, 1,2-1,4 и уточняется пробной укаткой на первом этапе строительства.
Подобранный щебеночный материал может быть получен: непосредственно с предприятия-поставщика (карьера); путем смешения необходимых компонентов в специальной смесительной установке на промбазе строительной организации; смешением автогрейдером необходимого количества компонентов в заданном соотношении непосредственно на дороге.
Для получения подобранного щебеночного материала путем смешения на дороге на готовый нижележащий слой основания вывозят и распределяют ровным слоем необходимое количество более крупного материала, затем к нему добавляют последовательно более мелкие материалы. Спланированные материалы перемешивают автогрейдером до образования однородной смеси, которую затем распределяют по всей ширине дороги, поливают и укатывают.
В качестве мелкой (мельче 5 мм) составляющей подобранного щебеночного материала можно использовать отсевы дробления или природный песок. В отдельных случаях для устройства основания можно применять известняковый щебень фракций 5-40 мм или 5-7 мм, в котором частиц мельче 5 мм обычно содержится 5-10 %. В процессе уплотнения этот щебень дробится, что увеличивает количество таких частиц до требований норм. Уплотнение щебня в данном случае целесообразно производить только вибрационными катками. Возможность использования щебня фракций 5-40 и 5-70 мм определяют по результатам пробного уплотнения с отбором и анализом проб готового основания. Уплотнение подобранного щебеночного материала осуществляют катками любого типа в соответствии со СНиП 3.06.03-85 от края к середине с перекрытием следа. Общее минимальное количество проходов катков различного типа по одному следу приведено в табл. 15.15.
Таблица 15.15
|
Каток |
Рекомендуемая марка катка |
Количество проходов |
|
Гладковальцовый статического действия |
ДУ-93 |
20 |
|
С пневматическими вальцами |
ДУ-100 |
20 |
|
С комбинированными вальцами |
ДУ-64, ДУ-99 |
12 |
|
С вибрационными вальцами |
ДУ-63, ДУ-98 |
8 |
Для уменьшения трения между щебенками при укатке производят в летнее время полив уплотняемого слоя водой, ориентировочный расход 25-35 л/м2.
В процессе строительства должен осуществляться контроль качества материалов и устраиваемого слоя, который подразделяется на входной, операционный и приемочный. При входном контроле качество материала (щебня) оценивается по паспортам или собственными испытаниями на соответствие требованиям ГОСТа и проекта. Особое внимание уделяется прочности, морозостойкости, зерновому составу и загрязненности материала. Результаты контроля фиксируются в лабораторном журнале. Пример записи в журнале результатов определения физико-механических свойств щебня приведен в табл. 15.16.
Таблица 15.16
|
Зерновой состав, полные остатки на ситах, мм |
Содержание пылевато- |
Прочность |
Морозостойкость |
||||||
|
70 |
40 |
20 |
5 |
менее 5 |
потери массы, % |
марка |
потери массы, % |
марка |
|
|
До 5 |
До 20 |
600 |
До 10 |
25 |
|||||
При входном контроле в каждой партии (700 м3) контролируют прочность, морозостойкость, зерновой состав, содержание пылевато-глинистых частиц (ПГЧ). При операционном контроле на каждые 8000 м2 контролируют зерновой состав и ПГЧ. Результаты контроля фиксируются в лабораторном журнале. При операционном и приемочном контроле качества устраиваемого слоя проверяются высотные отметки, ровность, поперечный уклон, ширина, толщина слоя и качество уплотнения. Объем, периодичность и требования аналогичны приведенным в п. 15.2.
Стабилизация слоя из щебеночно-песчано-грунтовых смесей. В последние годы в США, Канаде, Австралии, Мексике, ЮАР рекламируются основания дорожных одежд без вяжущих из различных местных материалов, обработанных специальными жидкими стабилизаторами, такими как Роудбонд (Рб), Перма-Зум (P-ZIIX), ионный стабилизатор грунта (ИСС-2500), стабилизатор грунта (СГ) и РРП.
Следует отметить, что метод обработки материалов стабилизаторами не нов. Так, ещё в 50-60 гг. прошлого века в СССР проводились аналогичные исследования В.М. Безруком, И.И. Черкасовым и Л.Л. Марковым с использованием для обработки грунтов различных высокомолекулярных материалов-полимеров, например, диотадецилдиметиламмоний хлоридов, который по принципу взаимодействия с материалом близок к зарубежным стабилизаторам. Однако, как показывает анализ отечественной научно-технической литературы, эффективность и надежность стабилизации грунтов недостаточно изучена и дальнейшие исследования не проводились.
Стабилизаторы отличаются между собой составом. Роудбонд - это растворимая в воде эмульсия на основе сульфированного масла; Перма-Зум - органический материал, содержащий протеин (белки, состоящие только из аминокислот); ИСС - органический материал, получаемый на основе комбинированной серной и буферной кислот.
Главная функция этих стабилизаторов заключается в химическом изменении поверхности частиц, обеспечивающих возможность уменьшить количество воды, снизить силы сцепления между частицами грунта, что создает условия для повышения степени уплотнения материала и в дальнейшем недопущения его переувлажнения. Эти стабилизаторы (концентраты, поставляемые фирмами), свободно растворяются в холодной воде, как правило, разбавляются в цистерне поливомоечной машины в соотношении 1:500. Расход концентрата стабилизатора ориентировочно 0,1-0,3 см3 (г) на 1 кг обрабатываемого материала.
Обработка гравийно (щебёночно)-песчано-грунтовых смесей стабилизаторами по данным фирм позволяет создавать прочные, водоустойчивые конструкции, которые могут заменять традиционные дорожные конструкции.
Применение стабилизаторов уменьшает оптимальную влажность, набухание, усадку, пылеобразование, уплотняющее усилие, толщину конструктивных слоев, трудоемкость, затраты на строительство, затраты на содержание. Применение стабилизаторов увеличивает плотность материала, несущую способность, прочность при сжатии и сдвиге, водонепроницаемость слоя.
Технология строительства оснований, обработанных стабилизаторами, не требует специального оборудования или машин. Оценивать качество дорожных оснований, обработанных стабилизаторами, рекомендуется по величине несущей способности, характеризуемой модулем упругости устраиваемого слоя.
С целью изучения влияния различных, как зарубежных (П-3, Рб, СГ, РРП, ИСС), так и отечественных (СДБ, ЛСТ, РОГ) стабилизаторов-пластификаторов на характеристики обработанных ими материалов и выявления возможности и целесообразности их использования в дорожном строительстве России с учетом специфических климатических условий нашей страны Союздорнии совместно с Росдорнии провел специальные исследования. Анализ результатов проведенных к настоящему времени исследований по изучению свойств материалов, обработанных различными стабилизаторами, показал, что эффективность использования стабилизаторов целесообразно оценивать по повышению показателей плотности и несущей способности, по снижению оптимальной влажности и набухания в процессе капиллярного водонасыщения.
Установлено, что для каждого вида стабилизатора необходимо найти оптимальную его дозировку для обработки материалов, при которой возможно получение обработанного материала с наибольшими показателями плотности и несущей способности для конкретного материала. Обобщенные данные по влиянию обработки смесей стабилизаторами на их показатели приведены в табл. 15.17.
Таблица 15.17
|
Показатели |
Величина показателя смеси, содержащей чистую воду или раствор стабилизатора |
|
|
вода |
стабилизатор |
|
|
Оптимальный расход 1 %-ного раствора стабилизатора, см3 (г) на 1 кг смеси |
- |
30,0 |
|
Параметры при оптимальной влажности |
||
|
Плотность скелета, г/см3 |
2,27 |
2,30 |
|
Оптимальная влажность смеси, % |
6,0 |
4,5 |
|
Модуль упругости, МПа |
326 |
414 |
|
Параметры после водонасыщения |
||
|
Максимальная влажность смеси, % |
8,0 |
7,1 |
|
Плотность скелета, г/см3 |
2,23 |
2,24 |
|
Модуль упругости, МПа |
262 |
286 |
Сравнительный анализ свойств материалов, обработанных оптимальным количеством зарубежных стабилизаторов, и материалов, обработанных оптимальным количеством отечественных стабилизаторов-пластификаторов, при оптимальных влажностях показывает, что применение стабилизаторов приводит к увеличению плотности на 1-6 %, повышению модуля упругости на 8-29 %, оптимальная влажность смесей уменьшается на 8-15 %.
Следует отметить также, что показатели плотности и модуля упругости после капиллярного водонасыщения снижаются как у материалов со стабилизаторами, так и у материалов без них. Однако это снижение более значительно у материалов на чистой воде, что говорит о положительном влиянии стабилизатора и о целесообразности его применения в дорожном строительстве. Однако при применении стабилизаторов для сохранения полученных характеристик материалов необходимо применять специальные меры по недопущению попадания воды в построенную конструкцию.
На основе результатов исследований, проведённых в Союздорнии совместно с Росдорнии, и результатов обследований построенных экспериментальных участков разработаны «Рекомендации», в которых установлены требования и предлагается использовать различные стабилизаторы для обработки гравийно (щебёночно)-песчаных смесей с содержанием гравия (щебня) 30-75 % и содержанием пылевидных и глинистых частиц в пределах 5-13 %, имеющих число пластичности не более 14. Основания из таких смесей рекомендуется устраивать на дорогах III-V категорий в III-V дорожно-климатических зонах в I и II типах местности по условиям увлажнения.
Для определения возможности и эффективности применения предлагаемых стабилизаторов с конкретными материалами необходимо сравнить эффективность (техническую и экономическую) использования предлагаемых стабилизаторов в конкретных условиях.
На ряде промышленных предприятий образуются отходы, которые обладают вяжущими свойствами. Использование таких материалов позволяет создавать монолитные основания, характеристики которых соответствуют требованиям, предъявляемым к каменным материалам и грунтам, обработанным неорганическими вяжущими (прочность при сжатии 10-60 кгс/см2). К наиболее изученным отходам такого типа относятся активные шлаки черной металлургии и шламы от производства алюминия, а также активный фосфогипс - отход производства фосфорных удобрений.
Шлаковые и шламовые основания. Исследования, проведенные Союздорнии, Гипродорнии, МАДИ и другими организациями, позволили усовершенствовать технологию строительства шлаковых слоев, которые широко устраиваются в регионах, тяготеющих к месторасположению металлургических предприятий, расположение которых и годовой выход шлаков приведены в табл. 15.18.
Таблица 15.18
|
Предприятие-производитель |
Область |
Годовой выход, тыс. т шлаков |
|
|
доменных |
сталеплавильных |
||
|
Череповецкий металлургический завод |
Вологодская |
2000 |
1000 |
|
Новотульский металлургический завод |
Тульская |
1000 |
10 |
|
Новолипецкий металлургический завод |
Липецкая |
4400 |
1700 |
|
Нижнетагильский металлургический комбинат |
Свердловская |
2800 |
800 |
|
Челябинский металлургический завод |
Челябинская |
2200 |
1600 |
|
Магнитогорский металлургический комбинат |
Челябинская |
3800 |
3600 |
|
Орско-Халиловский комбинат |
Оренбургская |
1500 |
- |
|
Кузнецкий металлургический комбинат |
Кемеровская |
1700 |
510 |
|
Западно-Сибирский металлургический завод |
Кемеровская |
1900 |
1400 |
Исследования Ленинградского, Омского и Казахского филиалов Союздорнии позволили разработать технологию устройства шламовых слоев, широко применяющихся в районах расположения заводов, на которых образуются шламовые отвалы. Основные производители и годовой выход шламов приведен в табл. 15.19.
Таблица 15.19
|
Завод |
Область |
Годовой выход шламов, тыс. т |
|
Волховский |
Ленинградская |
150 |
|
Пикалевский |
Ленинградская |
150 |
|
Бокситогорский |
Ленинградская |
150 |
|
Каменец-Уральский |
Свердловская |
1000 |
|
Богословский |
Свердловская |
1100 |
|
Ачинский |
Красноярский край |
5500 |
Максимальный размер зерен в шламе и шлаке текущего производства не должен превышать 70 (120) мм. Отвальный (лежалый) шлам и шлак следует применять после рыхления и последующего дробления до размера 0-70 (120)мм.
Зерновой состав смесей должен быть оптимальным, обеспечивающим максимальную плотность уплотненного слоя. Содержание зерен мельче 0,16 мм в готовых смесях из активных и высокоактивных шлаков и шламов не нормируется (рекомендуемое количество таких частиц 20-25 %).
Требования по прочности, истираемости и морозостойкости к щебню из активных и высокоактивных шлаков и шламов, входящих в состав готовых смесей, не предъявляются.
Активность (прочность) шлаков и шламов без активаторов в возрасте 90 суток должна быть: для высокоактивных - свыше 5,0 МПа, активных - 2,5-5,0 МПа.
Расчетные модули упругости слоев, устраиваемых из активных и высокоактивных шлаков и белитовых шламов, в 1,5-2 раза выше модулей упругости обычных щебеночных и гравийных слоев, что позволяет снизить толщину основания из активных материалов на 20-30 %,
Распределение шлама или шлака по нижележащему слою или земляному полотну можно осуществлять бульдозером или автогрейдером. При этом комья схватившегося материала, как правило, полностью разрушаются гусеницами и отвалом бульдозера или колесами и отвалом автогрейдера.
При использовании шлака (шлама) с содержанием комьев размером более 120 мм для усиления эффекта размельчения используют кулачковый каток. Неподдающиеся размельчению комья, размер которых превышает проектную толщину устраиваемого слоя, удаляют.
Продолжительность разрыва во времени между вывозкой шлама или шлака на дорогу и его распределением по нижележащему слою или земляному полотну не регламентируется при условии, если шлам (шлак) предохранен от наезда транспорта, а также от загрязнения грунтом или другими материалами.
Увлажнение шлама (шлака) до оптимальной влажности рекомендуется проводить с применением поливомоечной машины. Шлам (шлак) увлажняют в три приема при расходе воды соответственно 60, 25 и 15 % расчетного.
Уплотнение шлама (шлака) осуществляется катками на пневматических шинах массой 16 т и более ориентировочно за 12-16 проходов по одному следу. Количество проходов уточняют по результатам пробного уплотнения в начале работ. Уплотнение проводят от краев к середине с перекрытием следа предыдущего прохода не менее чем на 20 см.
Движение транспорта разрешается сразу же после уплотнения слоя. В сухую погоду во избежание высыхания поверхность слоя целесообразно поливать водой не реже 1 раза в сутки при расходе 1,5-2,0 л/м2 до устройства следующего слоя.
Основания из активного фосфогипса. При производстве фосфорных минеральных удобрений образуются отходы в виде влажного порошка белого цвета, содержащего 90-95 % CaSO4. Они представляют собой фосфогипсдигидрат сульфата кальция, не обладающий вяжущими свойствами, и фосфогипсполугидрат сульфата кальция с вяжущими свойствами и более продолжительными сроками схватывания по сравнению с гипсом.
Важность решения проблемы применения фосфогипса в дорожном строительстве как местного материала обусловливается широким его распространением на территории страны. Годовой выход фосфогипса и его отвальные запасы приведены в табл. 15.20. Практически весь фосфогипс в настоящее время вывозится в отвалы.
Таблица 15.20
|
Наименование и расположение завода |
Количество фосфогипса в отвалах, тыс. т |
Годовой выход фосфогипса, тыс. т |
|
Воскресенское ПО минудобрений Московской обл. |
12500 |
76 |
|
Уваровский химзавод Тамбовской обл. |
3900 |
512 |
|
Волховский алюминиевый завод Ленинградской обл. |
8000 |
- |
|
Череповецкое ПО «Аммофос» Волгоградской обл. |
4300 |
230 |
|
Балаковский химзавод Саратовской обл. |
1847 |
393 |
|
Красноуральский медеплавильный завод |
5529 |
- |
|
Среднеуральский медеплавильный завод |
3814 |
589 |
Союздорнии в содружестве с Киевским научно-исследовательским институтом общей и коммунальной гигиены (КНИИОКГ) и научным институтом удобрений и функтицидов (НИУИФ) разработаны следующие основные способы применения в основаниях дорожных одежд фосфогипса двух модификаций полугидрата сульфата кальция: свежий фосфополугидрат сульфата кальция как материал оснований монолитного типа и отвальный фосфогипс в качестве гранулометрической добавки в гравийно-песчаных основаниях.
В результате проведенных исследований и испытаний построенных слоев дорожных одежд из рассматриваемых материалов были установлены расчетные параметры слоя из активных материалов, приведенные в табл. 15.21.
К высокоактивным материалам относятся материалы, имеющие прочность при сжатии 5-10 МПа в возрасте 90 сут. К активным материалам - материалы, имеющие прочность при сжатии 2,5-5 МПа в том же возрасте.
Таблица 15.21
|
№ п/п |
Материал для основания дорожной одежды |
Расчетные значения модуля упругости, МПа |
|
1 |
Из подобранных смесей из высокоактивных материалов с максимальной крупностью зерен до 40 мм, уплотненных при оптимальной влажности |
650-870 |
|
2 |
То же, из активных материалов |
480-700 |
|
3 |
Из рядовых высокоактивных материалов с максимальной крупностью 70 мм |
450-650 |
|
4 |
То же, из активных материалов |
370-480 |
Строительство слоев из каменных материалов и грунтов, обработанных цементом (ЩПЦС, ПЦС). До начала строительства лабораторией выполняется подбор состава цементоминерального материала проектной марки прочности и морозостойкости. Перед подбором составов смесей по всем исходным материалам устанавливается соответствие их свойств требованиям действующих стандартов.
В результате проведенных в Союздорнии работ разработаны составы смесей различных заполнителей, обработанных цементом марки 400, обеспечивающих проектные значения прочности и морозостойкости цементоминеральных смесей различных вариаций. Ориентировочные расходы цемента приведены в табл. 15.22.
С целью сокращения расхода цемента на 1-1,5 % рекомендуется использовать цементы марки 500 и пластифицирующие добавки ЛСТ в количестве 0,5-1 % массы цемента. Расход добавок уточняется при лабораторном подборе смеси на конкретных материалах.
Для определения расхода цемента при подборе составов смесей проводятся следующие экспериментальные работы:
расчётным путем определяется оптимальный зерновой состав сухих смесей и подбираются оптимальные соотношения между щебнем, песком и цементом для трех опытных, наиболее близких к оптимальным составам;
экспериментально определяется оптимальная влажность и максимальная плотность трех опытных смесей;
изготавливается необходимое количество образцов из каждой запланированной смеси для определения прочности при сжатии в 7 и 28 суток и морозостойкости в 28 суток.
Таблица 15.22
|
Заполнитель |
Марка вяжущего |
Дозировка вяжущего, % массы, для получения обработанного материала марки (МПа) |
|||||
|
1 |
2 |
4 |
6 |
7,5 |
10 |
||
|
Щебеночно-песчаные смеси оптимального зернового состава |
400 |
2-3 |
3-4 |
4-5 |
5-6 |
6-7 |
8-9 |
|
Гравийно-песчаные смеси и крупнообломочные грунты оптимального зернового состава |
400 |
3-4 |
4-5 |
5-7 |
6-8 |
7-9 |
9-10 |
|
То же, неоптимального зернового состава |
400 |
4-5 |
5-6 |
7-8 |
8-9 |
9-11 |
- |
|
Пески гравелистые и крупные |
400 |
5-6 |
6-7 |
8-9 |
9-11 |
11-12 |
- |
|
Пески мелкие и пылеватые, супесь мелкая и пылеватая |
400 |
6-7 |
7-8 |
9-10 |
12-13 |
13-14 |
- |
Из полученных характеристик образцов рассчитывается по ГОСТ 10180-90 среднее значение плотности, прочности при сжатии и среднее значение коэффициента морозостойкости для каждой серии образцов. Из трех испытанных составов выбирается состав смеси, обеспечивающий проектную марку прочности по ГОСТ 23558-94 согласно таблице 15.23.
Таблица 15.23
|
Проектная марка прочности на сжатие по ГОСТ 23558-94 |
20 |
40 |
60 |
75 |
100 |
|
Среднее значение прочности на сжатие при подборе составов смеси, кгс/см2 |
25 |
48 |
66 |
82 |
109 |
На основе полученной максимальной плотности образцов пересчитывается выбранный лабораторный состав смеси, в котором оптимальное количество воды рассчитано сверх 100 % материалов (щебень, песок, цемент), на производственный состав, в котором все компоненты должны входить в 100 %. В установленное количество воды в проектном составе смеси на смесительной установке вносятся коррективы, учитывающие влажность заполнителей и возможные потери воды за счет испарения во время транспортирования, распределения и уплотнения смеси.
Расчетные параметры обработанных материалов различных марок прочности, дифференцированные в зависимости от применяемых материалов, приведены в табл. 15.24.
Таблица 15.24
|
Смеси по ГОСТ 23558-94 |
Расчетный модуль упругости, МПа, при марке прочности обработанных материалов по ГОСТ 23558-94 |
||||
|
20 |
40 |
60 |
75 |
100 |
|
|
Готовые (оптимальные) щебеночно-песчаные, гравийно-песчаные смеси, оптимальные крупнообломочные грунты, обработанные цементом |
500 |
600 |
800 |
900 |
1000 |
|
Природные (неоптимальные) гравийно-песчаные смеси, неоптимальные крупнообломочные грунты, готовые (оптимальные) песчаные смеси, пески гравелистые, крупные, обработанные цементом |
400 |
550 |
700 |
850 |
950 |
|
Природные (неоптимальные) песчаные смеси, пески мелкие и пылеватые, супесь легкая и пылеватая с числом пластичности менее 3, обработанные цементом |
300 |
500 |
600 |
750 |
900 |
|
Супеси тяжелые и пылеватые, суглинки легкие с числом пластичности 3 и более, обработанные цементом |
250 |
400 |
550 |
700 |
850 |
Подобранные составы смеси, обеспечивающие проектную прочность и расчетный модуль упругости устраиваемого слоя, приготавливают на смесительных установках.
Приготовление цементоминеральных смесей. До начала выпуска смеси выполняют следующие работы: проверяют техническое состояние всех узлов установки, наличие цемента, воды, добавок в расходных емкостях, а также щебня и песка; выдают машинисту установки данные о составе производственной смеси, подобранной лабораторией в соответствии с влажностью материалов; устанавливают весовые устройства дозаторов в соответствии с составом смеси. В зависимости от сменной потребности в смеси установка может быть отрегулирована на любую производительность путем изменения производительности дозаторов: цемента, песка, щебня, воды. Тарировку дозаторов производят при изменении производительности установки, марки и состава смеси, объемной массы и гранулометрического состава заполнителей. Тарировка дозаторов выполняется путем отбора проб за определенное время (мин) и их последующим взвешиванием и установлением соответствия фактического содержания каждого компонента смеси проектному при заданной производительности работы смесительной установки.
Качество смеси, получаемое в смесительной установке, в первую очередь зависит от непрерывности ее работы, так как при каждой остановке расчетное соотношение компонентов смеси, в особенности цемента и воды, изменяется.
Исправность дозаторов проверяют ежедневно в начале смены представители лаборатории ЦБЗ. Весовое устройство устанавливают в соответствии с составом смеси и влажностью заполнителей.
Технология приготовления смеси включает выполнение ряда последовательных операций.
Одноковшовыми автопогрузчиками щебень и песок подают из штабелей на открытой площадке в расходные бункеры смесительной установки. Уровень наполнения бункеров материалами контролируется указателями уровня, установленными на всех бункерах.
Щебень и песок непрерывно дозируются весовыми дозаторами, установленными под расходными бункерами, а подача цемента из расходного бункера - дозатором цемента. На ленту сборного конвейера сначала поступает щебень фракции 20-40 мм, затем щебень фракции 5-20 мм, затем песок и цемент. Отдозированные материалы поступают на наклонный конвейер, а затем через загрузочную воронку подаются в смеситель. Одновременно в смеситель поступают вода и поверхностно-активные добавки, повышающие подвижность смеси, а также сокращающие потребность в воде и снижающие расход цемента.
Для приготовления комплексных добавок используется специальная установка. Вода из бака дозируется и подается насосом-дозатором в смеситель одновременно с подачей добавок. В смесителе составляющие интенсивно перемешиваются и транспортируются к выходному отверстию. Из смесителя готовая смесь попадает в накопительный бункер, откуда выгружается в автомобиль-самосвал и доставляется к месту укладки. В конце рабочего дня, по окончании выпуска смеси и остановки завода, весь состав бригады приступает к очистке смесительной установки.
Контроль качества приготовления материалов подразделяется на входной и операционный.
При входном контроле качество исходных материалов оценивается лабораторией по паспортам или собственным испытанием соответствия материала требованиям ГОСТа и проекта. Особое внимание уделяется прочности, морозостойкости, зерновому составу и загрязненности материала. Результаты контроля фиксируются в лабораторном журнале. Объем, методы и периодичность контроля качества осуществляют по соответствующим ГОСТам.
При операционном контроле качества приготовления смеси лабораторией регистрируется работа дозаторов и влажность выпускаемой смеси. Результаты контроля оформляются в специальном журнале. Качество ЩПЦС оценивается по результатам испытаний изготовленных образцов на соответствие ГОСТу и проекту прочности и морозостойкости ЩПЦС. Результаты контроля фиксируются в лабораторном журнале. Приготовленная смесь сопровождается документом о качестве ЩПЦС
Устройство оснований. К устройству основания приступают только после приемки нижележащего конструктивного слоя. Нижележащий слой должен быть спланирован до проектных отметок и полностью уплотнен. До начала работ по устройству основания производят соответствующие геодезические разбивочные работы. Для бесперебойной работы технологического транспорта устраивают достаточное количество съездов с земляного полотна, подготавливают подъездные пути для доставки материалов. Для обеспечения заданного темпа строительства формируют необходимый состав отряда машин и рабочих, а также колонну автосамосвалов.
Объем ЩПЦС для устройства основания в насыпном виде определяется длиной, шириной и толщиной слоя в уплотненном состоянии с учетом коэффициента запаса на уплотнение, 1,2-1,4 и уточняется пробной укаткой на первом этапе строительства с составлением акта.
Основание укладывается рядами. Ширина каждого ряда равна ширине раскладчика материала или проектной ширине основания. Длина захватки по устройству основания принимается исходя из необходимого сменного темпа строительства. Максимально допустимая продолжительность транспортирования смеси от времени приготовления до окончания уплотнения должна отвечать требованиям СНиП 3.06.03-85.
Предварительное распределение смеси производят автогрейдером среднего типа с передним отвалом. Окончательное распределение и планировку ЩПЦС производят профилировщиком или укладчиком по заранее установленной копирной струне. По окончании планирования проверяется толщина, поперечный уклон, ровность и при необходимости отмеченные дефекты исправляются.
После распределения смеси производят ее уплотнение катками на пневмошинах массой 10-15 т ориентировочно за 16 проходов по одному следу или вибрационными или комбинированными катками массой 10-16 т ориентировочно за 10 проходов по одному следу. Уплотняют щебень от краев укладываемой полосы к середине с перекрытием следа на 1/3 ширины вальца со скоростью 1,5-2 км/ч. После уплотнения производят контрольные замеры ровности, уклонов и высотных отметок и при необходимости исправляют выявленные дефекты. После окончания уплотнения производят чистовую планировку основания профилировщиком по копирной струне и окончательно укатывают поверхность основания катками массой 6-8 т (допускается укатка катком массой 10-16 т) за 2-4 прохода по одному следу.
Качество уплотнения основания проверяют путем контрольного прохода гладковальцового катка массой 10-13 т по всей длине построенного участка. После прохода катка на поверхности основания не должны оставаться следы и возникать волны перед вальцом.
Уход за уложенным основанием осуществляют розливом пленкообразующих материалов (битумная эмульсия ЭБА-I, композиция латексная ВПМ или укрытием влажным песком). Движение построечного транспорта разрешается в день укладки или по достижении 70 % проектной прочности. Устройство вышележащего слоя разрешается в день устройства основания или после набора 70 % проектной прочности.
Контроль качества устраиваемого слоя подразделяется на операционный и приемочный. При операционном контроле геодезической службой контролируются правильность разбивки и высотные отметки устроенного слоя нивелированием. Результаты контроля оформляются в специальном журнале. При операционном контроле качества устраиваемого слоя лабораторией и прорабом проверяется: ровность, поперечный уклон, ширина, толщина слоя и качество уплотнения. Результаты контроля фиксируются в лабораторном журнале.
При приемочном контроле качества следует проверять данные испытаний, замеров с оформлением в вышеуказанных документах; при необходимости проводятся дополнительные контрольные испытания и замеры. Испытания кернов фиксируются в специальном журнале. По результатам приемочного контроля оформляется акт скрытых работ.
Строительство шлакоминеральных оснований. Шлакоминеральные основания - это слои, устраиваемые из щебеночно (гравийно)-песчаных смесей или песков, обработанных гранулированным доменным шлаком с добавками активатора (цемент, известь и др.) или без добавок активатора.
Шлакоминеральные основания имеют повышенную по сравнению с цементоминеральными основаниями температурную трещиноустойчивость. Эти основания более деформативны по сравнению с цементоминеральными, что удобно для устройства на них асфальтобетонных покрытий.
Доменный гранулированный шлак (по зерновому составу - песок), получаемый с металлургических заводов, может использоваться в естественном виде (удельная поверхность 10 м2/кг) или дробленым (удельная поверхность 100 м2/кг). В зависимости от крупности шлака и добавок активатора шлаковое вяжущее имеет марку прочности 100-300. Ориентировочный состав вяжущего с активатором-портландцементом приведен в табл. 15.25.
Таблица 15.25
|
Марка вяжущего после 90 сут нормального твердения |
Удельная поверхность шлака, м2/кг, не менее |
Кол-во частиц мельче 0,071 мм, %, не менее |
Содержание компонентов вяжущего, % массы |
|
|
шлак |
цемент |
|||
|
50 |
10 |
1 |
100 |
0 |
|
100 |
10 |
1 |
75-80 |
25-20 |
|
100 |
30 |
90-95 |
10-5 |
|
|
300 |
90 |
95-97 |
5-3 |
|
|
300 |
10 |
1 |
45-55 |
55-45 |
|
100 |
30 |
75-80 |
25-20 |
|
|
300 |
90 |
85-90 |
15-10 |
|
Результаты работ по обработке гравийно-песчаных материалов шлаковым вяжущим без добавок активатора показали, что процесс твердения идет медленно. Прочность материала на сжатие к 90 суткам не превышает 5,0 МПа. К 180 суткам прочность увеличивается и в зависимости от величины удельной поверхности составляет 5,0-12,0 МПа. К 360 суткам возрастает в 2 раза.
Дробление гранулированного шлака увеличивает его активность и позволяет уменьшить расход гранулированного шлака в смеси до 10-15 %, а расход активатора цемента до 1-2 %. При этом физико-механические характеристики шлакоминеральных материалов значительно выше по сравнению со свойствами шлакоминеральных материалов на недробленом граншлаке, расход вяжущих в которых как минимум в 2 раза выше.
Шлакоминеральные материалы с 10 % гранулированного шлака, содержащего 15 % частиц мельче 0,071 мм с добавкой 1 % цемента, показали прочность в 28 суток 2,5 МПа. Шлакоминеральные материалы с цементом в качестве активатора показали высокие физико-механические характеристики, полностью соответствующие требованиям действующих норм. Образцы, как правило, выдерживают более 25 циклов замораживания-оттаивания. С увеличением количества дробленого гранулированного шлака с 5 до 20 % прочность шлакоминеральных материалов с 2 % цемента в возрасте 90 суток возрастает, как правило, вдвое. Применение дробленого гранулированного шлака и активатора цемента позволяет использовать низкомарочные и малопрочные каменные материалы в шлакоминеральных смесях.
Величина прочностных характеристик шлакоминеральных материалов изменяется дозировкой вяжущих. Обобщенные данные по рекомендуемым составам смесей для получения различных марок прочности обработанных материалов в возрасте 90 суток приведены в табл. 15.26.
Таблица 15.26
|
Заполнитель |
Марка вяжущего |
Дозировка вяжущего, % массы, для получения обработанного материала марки (МПа) |
||||
|
1 |
2 |
4 |
6 |
7,5 |
||
|
Песчано-щебеночные смеси оптимального зернового состава |
200 |
6-7 |
7-8 |
10-11 |
13-15 |
16-17 |
|
Песчано-гравийные смеси и крупнообломочные грунты оптимального зернового состава |
200 |
7-8 |
8-9 |
11-12 |
15-17 |
17-19 |
|
То же, неоптимального зернового состава |
200 |
8-9 |
9-10 |
12-13 |
17-18 |
19-20 |
|
Пески гравелистые и крупные |
200 |
9-10 |
10-11 |
13-14 |
18-19 |
20-21 |
|
Пески мелкие и пылеватые, супесь мелкая и пылеватая |
200 |
10-11 |
11-12 |
14-15 |
19-20 |
21-22 |
Результаты определения модуля упругости шлакоминеральных материалов показали, что они более деформативны по сравнению с цементоминеральными. Обобщенные данные величин модуля упругости слоев из шлакоминеральных материалов приведены в табл. 15.27.
Таблица 15.27
|
Смеси по ГОСТ 23558-94 |
Расчетный модуль упругости, МПа, при марке прочности обработанных материалов по ГОСТ 23558-94 |
|||
|
20 |
40 |
60 |
75 |
|
|
Готовые (оптимальные) песчано-щебеночные, песчано-гравийные смеси, оптимальные крупнообломочные грунты, обработанные шлаковым вяжущим |
450 |
550 |
750 |
850 |
|
Природные (неоптимальные) песчано-гравийные смеси, неоптимальные крупнообломочные грунты, готовые (оптимальные) песчаные смеси, пески гравелистые, крупные, обработанные шлаковым вяжущим |
350 |
500 |
650 |
775 |
|
Природные (неоптимальные) песчаные смеси, пески мелкие и пылеватые, супесь легкая и пылеватая с числом пластичности менее 3, обработанные шлаковым вяжущим |
250 |
450 |
550 |
700 |
|
Супеси тяжелые и пылеватые, суглинки легкие с числом пластичности 3 и более, обработанные шлаковым вяжущим |
200 |
350 |
500 |
650 |
Технология строительства шлакоминеральных оснований аналогична технологии строительства цементоминеральных оснований. Специфической особенностью технологии приготовления шлакоминеральной смеси является необходимость дополнения смесительной установки узлом дробления шлака (при необходимости), основным оборудованием которого является валковая дробилка.
Специфической особенностью устройства шлакоминеральных оснований является возможность удлинения технологического разрыва между приготовлением смеси и ее уплотнением, а также возможность пропуска построечного транспорта по устроенному основанию.
Слои из щебёночных или цементоминеральных смесей, укладываемых в ячейки из пространственных георешеток. Практика последних лет показывает, что все больший интерес проявляется к нетрадиционным конструкциям дорожных одежд различного рода. Имеются в виду прежде всего конструкции, в которых используются в том или ином виде геотекстильные и геопластиковые изделия. В частности, перспективным представляется введение в конструкцию слоев объемных георешеток типа Геовеб, ячейки которых можно заполнять различными материалами, щебёночнопесчаной или цементоминеральной смесью. Исследования показывают, что такие слои, устраиваемые с дискретными заполнителями (песок, щебень, гравий), обладают распределяющей способностью, близкой к распределяющей способности слоев из этих же дискретных материалов, но укрепленных вяжущими. Это позволяет говорить о возможности снижения толщины конструктивного слоя из дискретного материала в георешетке по сравнению с его толщиной в традиционной конструкции (с соответствующим снижением объема привозного материала) или о повышении долговечности конструкции при сохранении толщины традиционной конструкции. Устройство конструктивного слоя, практически отвечающего слою из укрепленного материала, в данном случае не требует ограничений по погодно-климатическим условиям и возможно даже при зимней технологии строительства, чего не позволяют традиционные методы укрепления. Условия работы дискретного заполнителя в ячейках георешетки таковы, что его прочность существенно выше вследствие влияния стенок ячейки.
Применение в качестве заполнителя цементоминеральной смеси позволяет получить слой с ячеистой структурой. При использовании такого слоя в качестве основания асфальтобетонного покрытия практически снимается вопрос об образовании отраженных трещин на покрытии, так как размеры ячеек всегда можно выбрать такими, чтобы температурные деформации фрагментов основания не провоцировали образования трещин в покрытии. Таким образом, в данном случае может быть устранен самый существенный недостаток конструкции, получающей в последние годы все более широкое применение в виде асфальтобетонного покрытия на цементобетонном основании, - недостаточная температурная трещиностойкость.
В качестве пространственных георешеток применяются выпускаемые промышленностью решетки Геовеб. Расчетный модуль упругости при этом принимается равным 450-700 МПа. Меньшее значение принимается при использовании щебеночных материалов. Большее значение - при применении цементоминеральных материалов марки по прочности 75 по ГОСТ 23558-94. Учитывая новизну рассматриваемой конструкции, после строительства первого участка на конкретной дороге следует производить измерение несущей способности устроенного слоя и при необходимости вносить коррективы в проект.
Проведенные работы показали, что технология строительства складывается из следующих основных операций: укладка и закрепление на подстилающий слой георешетки; распределение щебёночной или цементоминеральной смеси автогрейдером методом «от себя»; уплотнение слоя вибрационными катками; уход, в случае использования цементоминеральных материалов, розливом битумной эмульсии.
Брусчатый камень согласно ГОСТ 23668-79 изготовляется из изверженных горных пород или отливается из литых огненно-жидких металлургических шлаков или литых горных пород. Он должен иметь форму усеченной пирамиды с параллельными прямоугольными верхним и нижним основаниями, перпендикулярными оси. При механизированном производстве допускается изготовление брусчатых камней в виде прямоугольных параллелепипедов. Размеры камней должны соответствовать указанным в табл. 15.28.
Таблица 15.28
|
Камень |
Длина верхней грани, мм |
Ширина верхней грани, мм |
Высота, мм |
|
БВ |
250 |
125 |
160 |
|
БС |
250 |
125 |
130 |
|
БН |
200 |
100 |
100 |
Камни типов БВ и БС укладывают в основном на песчаное основание, а типа БН - на бетонные или другие виды прочных оснований. Проекция нижней грани камней должна целиком вписываться в контур верхней грани. Величина скоса (отклонения проекции стороны верхней грани от нижней) для камней типа БН должна быть с каждой стороны в пределах от 3 до 5 мм, типов БВ и БС - от 7 до 10 мм. На боковых гранях камня не должно быть выступов, препятствующих плотному прилеганию одного камня к другому. Верхние грани камней должны иметь шероховатость (рифление) поверхности с выступами и впадинами высотой или глубиной 2-3 мм, обеспечивающую сцепление шин автомобилей с поверхностью покрытий, соответствующее коэффициенту сцепления 0,50-0,55. Прочность и морозостойкость брусчатых камней согласно ГОСТ 23668-79 должны отвечать требованиям табл. 15.29. Для IV и V дорожно-климатических зон может быть допущена марка по морозостойкости Мрз 75.
Таблица 15.29
|
Показатели |
Показатели камней |
|
|
из изверженных горных пород |
литых из шлака и расплавленных горных пород |
|
|
Предел прочности при сжатии в воздушно-сухом состоянии, МПа, не менее |
100 |
120 |
|
Марка по морозостойкости не менее |
Мрз 100 |
Мрз 100 |
|
Коэффициент размягчения, не более |
0,8 |
Не нормируется |
|
Солестойкость в циклах (при потере объема не более 5 %), не менее |
20 |
20 |
|
Истираемость на круге, г/см2, не более |
0,5 |
0,5 |
Шлаки, используемые для изготовления камней, должны быть устойчивыми. Потеря по массе, определенная в соответствии с требованиями ГОСТ 3344-83, не превышает 3 %.
Плиты бетонные тротуарные согласно ГОСТ 17608-91 изготавливаются из тяжелого и мелкозернистого бетона по ГОСТ 26633-91 и используются для устройства сборных покрытий тротуаров, пешеходных и садово-парковых дорожек, пешеходных площадей и посадочных площадок общественного транспорта. Форма и размер наиболее широко применяемых плит приведены в табл. 15.30.
Прочность бетона должна соответствовать требуемой по ГОСТ 26633-91 и ГОСТ 18105-86. Марку бетона по морозостойкости принимают по проекту, но не ниже указанной в табл. 15.31 в зависимости от расчетной температуры наружного воздуха наиболее холодной пятидневки района строительства и указывают в заказе на изготовление камней.
Устройство мостовых. Брусчатые и мозаичные мостовые укладываются вручную. Поперечный уклон брусчатых и мозаичных мостовых устанавливается в 2-3 %. Подстилающий слой под брусчатую и мозаичную мостовую применяется песчаный, щебеночный, бетонный и пескоцементный. Толщина подстилающего слоя назначается по расчёту. Мощение брусчаткой и бетонными плитками производится рядами, с перевязкой швов, с плотной укладкой шашек, длинной стороной перпендикулярно оси дороги.
Мощение мозаичной шашкой производится по частям дуг радиуса 0,8-1,5 м со стрелой 20-35 см и хордой 1,0-1,6 м; укладка по полуциркульным дугам не рекомендуется.
Таблица 15.30
|
Форма плит |
Длина, мм |
Ширина, мм |
Толщина, мм, плит, укладываемых на |
|
|
щебеночных и бетонных основаниях |
песчаных, стабилизированных основаниях |
|||
|
Квадратные |
200 |
200 |
50 |
60 |
|
300 |
300 |
50 |
60 |
|
|
400 |
400 |
50 |
70 |
|
|
750 |
750 |
60 |
80 |
|
|
1000 |
1000 |
80 |
100 |
|
|
Прямоугольные |
375 |
250 |
50 |
60 |
|
500 |
250 |
50 |
70 |
|
|
750 |
500 |
60 |
70 |
|
|
1000 |
500 |
80 |
80 |
|
|
Шестиугольные |
250 |
432 |
50 |
60 |
|
375 |
648 |
50 |
70 |
|
|
500 |
865 |
60 |
80 |
|
|
Фигурные плиты и элемент мощения |
200 |
200 |
70 |
70 |
|
300 |
296 |
70 |
70 |
|
|
500 |
470 |
70 |
70 |
|
Таблица 15.31
|
Расчетная температура наружного воздуха наиболее холодной пятидневки района строительства, °С |
Марка бетона по морозостойкости |
|
От -15 до -45 |
Г 200 |
|
От -5 до -15 |
Г 150 |
|
От 0 до -5 |
Г 100 |
После укладки брусчатая и мозаичная мостовые трамбуются механическими трамбовками. Швы брусчатой мостовой на песчаном основании заполняются песком; при всех остальных типах оснований брусчатой и мозаичной мостовой швы заполняются до половины песком, а в верхней части - битумными или цементопесчаными материалами.
Территория России характеризуется значительной неоднородностью по наличию и запасам месторождений каменных материалов, пригодных для применения в дорожном строительстве. К регионам, где темпы строительства автомобильных дорог сдерживаются отсутствием или ограниченными запасами месторождений каменных дорожно-строительных материалов, относят районы Нечерноземья в европейской части России, а в азиатской части - Западную Сибирь, являющуюся главной топливно-энергетической базой государства. Полностью отсутствуют каменные материалы, например, в Омской и Курганской областях, на большей части Тюменской, Новосибирской, Томской областей и Алтайского края.
Обеспечение морозоустойчивости конструкций дорожных одежд, удаление свободной воды из рабочего слоя земляного полотна на значительной территории Западной Сибири осуществляют за счёт применения в дополнительных слоях стабильных, не изменяющих своего объёма при промерзании в увлажнённом состоянии зернистых материалов и, прежде всего, гравийно-песчаных смесей, дальность транспортирования которых к месту укладки может составлять сотни километров. В таких районах экономически оправдано применение искусственных каменных материалов, по своим физико-механическим свойствам альтернативных природным, но имеющим меньшую стоимость. Один из таких материалов - керамит, предложенный проф. В.Н. Ефименко [34, 35].
При разработке технологии производства керамита были учтены требования к дорожно-строительным материалам, предназначенным для строительства дополнительных слоев дорожных одежд. По своим свойствам конечный продукт процесса переработки глинистого сырья при помощи электроплазменных устройств отнесён к группе изделий строительной керамики и в соответствии с ГОСТ 25137-82 классифицирован как пористый неорганический заполнитель со средней объёмной плотностью менее 2 т/м3. По крупности зёрен новый заменитель природных заполнителей подразделён на две группы - крупный (с размером зёрен от 5 до 15 мм) и пористый песок. При водопоглощении по объёму до 25 % и по массе до 15 % марка продукта плазменной обработки керамического сырья по насыпной плотности соответствует 900 кг/м3 из девяти, предусмотренных ГОСТ 9759-61. Морозостойкость керамита соответствует 25 циклам. Коэффициент фильтрации Кф крупного заполнителя составляет не менее 200 м/сут, для пористого песка Кф соответствует 3 м/сут. Параметры, характеризующие прочность и деформируемость керамита в сравнении с другими природными и искусственными каменными материалами, приведены в табл. 15.32.
Таблица 15.32
Характеристики прочности и деформируемости искусственных и природных каменных материалов, применяемых в дополнительных слоях дорожных одежд
|
Материал |
Значения характеристик |
Прочность частиц (зёрен) |
||||
|
Еу, МПа |
С, МПа |
φ, град |
σсж, МПа |
σр, МПа |
τпр, МПа |
|
|
Керамзит гравие-подобный и его разновидности |
90-120 |
- |
30-40 |
0,3-6,0 |
- |
- |
|
Аглопоритовый щебень |
85-100 |
- |
30-0 |
0,4-5 |
- |
- |
|
Керамит в виде смеси зёрен диаметром 0,14-10,0 мм (песок крупный гравелистый) |
100-135 |
0,008 |
32 |
9,7 |
1,3 |
6,4 |
|
Природный песок: |
|
|
|
|
|
|
|
крупный гравелистый |
130 |
0,005 |
42 |
- |
- |
- |
|
средней крупности |
120 |
0,005 |
40 |
- |
- |
- |
Фазовые и структурные превращения, протекающие в гранулированном глинистом грунте, находящемся в газовой среде, имеющей температуру 3000-5000 °С, способствуют формированию в пределах физического объёма зёрен керамита трёх основных зон с характерными минеральным составом и микроструктурой, что отражено в табл. 15.33.
Таблица 15.33
Характерные зоны гранулы керамического материала, сформированные при плазменной обработке глинистого сырья
|
Зоны гранулы |
Цвет |
Минеральный состав |
Микроструктура |
Основные процессы |
|
Периферийная оболочка |
Чёрный и тёмно-серый |
Аморфное вещество с включениями разновидностей кремнезёма |
Стекловатая |
Расплав с остеклованием при температуре 1800-2000 °С |
|
Подложка |
Тёмно-серый и серый за счёт окисления лимонита до магнетита |
Основной: разновидности кремнезёма и плагиоклаза; Второстепенный: волластонит, полевые шпаты, дегидратированные мусковит и хлорит |
Кристаллически-тонкозернистая, включающая как самостоятельные выкристаллизованные зёрна, так и объединённые в агрегаты |
Связывание СаО с расплавленной алюмосиликатной частью при температуре 1600-1800 °С |
|
Основной физический объём |
Красный за счёт окисления гидрооксидов железа до гемотита |
Основной: кремнезём, плагиоклаза и их разновидности; Второстепенный: в температурной зоне 1100-1500 °С: волла-сгонит, полевые шпаты, дегидратированные мусковит и хлорит, в температурной зоне 900-1000 °С: кварц, плагиоклаз, хлорит, гидромусовит |
Мелко- и среднезернистая, по величине зёрен - неравномерно зернистая, объединённая в агрегаты |
Диссоциация карбонатов; аморфизация глинистых минералов; спекание контактов частиц при температуре 900-1500 °С |
Мощный тепловой удар, который получает частица глинистого сырца в плазменном реакторе, обеспечивает плакирование её поверхности. Распространяясь по вектору радиуса гранулы сферической формы, тепловой импульс обеспечивает необратимые изменения химико-минералогических и других свойств глинистого сырья. Однако глубина процессов физико-химических преобразований по сечению частицы керамита неоднородна, поскольку центральная её часть нагревается до температуры около 900 °С, а периферия - до температуры газовой среды в реакторе. Смежные зоны материала в физическом объеме гранулы не имеют чётко выраженных границ. Как правило, между ними фиксируют постепенные переходы, что благоприятно сказывается на прочностных свойствах продукта плазменной обработки глинистого сырья.
Результаты исследования комплекса свойств керамита и сопоставление их с требуемыми значениями нормативных документов, регламентирующих применение материалов в дорожном строительстве, позволяют рекомендовать его для применения в нижних слоях оснований дорожных одежд автомобильных дорог любых категорий, во всех дорожно-климатических зонах.
Получение зернистого искусственного материала на основе использования тепловой энергии низкотемпературной плазмы при обработке местных глинистых грунтов открывает перспективы обеспечения мобильности и снижения капитальных затрат производства, требований к составу и свойствам сырья. Применение его в дорожных конструкциях может способствовать расширению сырьевой базы, обеспечить экологическую безопасность производства и интенсифицировать строительство в районах, имеющих недостаточно развитую сеть транспортных сооружений, характеризующихся разбросанностью и удалённостью от поставщиков и потребителей производственных баз при отсутствии месторождений каменных материалов.
Технологические особенности применения энергии плазмы при производстве керамита. В основу технологии производства керамита положен комплекс оборудования, хорошо зарекомендовавший себя в практике производства керамзита [93]. Технологическая схема производства керамита представлена в табл. 15.34 и на рис. 15.1.
Главная и наиболее ответственная операция в производстве керамических материалов - обжиг переработанного сырья. Высокотемпературную обработку гранулированного сырца при получении керамита осуществляют в установке. Схема её работы включает следующие основные стадии: загрузку подготовленного сырья в плазменный реактор, генерирование потока горячего газа (воздуха) при помощи плазмотронов и смешение его с укрепляемым сырьём, выгрузку готового продукта с последующими закалкой и складированием (см. рис. 15.1).

Рис. 15.1. Принципиальная технологическая схема плазменного укрепления гранул глинистых грунтов при производстве керамита
Подача гранулированного сырца в реакторный блок происходит при помощи питателя, навстречу газовому потоку от плазмотронов, направляемому в сушильную камеру. Из сушильной камеры паропылегазовый поток попадает в теплообменник блока газоочистки, где газовая смесь освобождается от воды. Полученный конденсат собирают в сборнике, где его нейтрализуют и направляют на повторное использование в блок переработки грунтового сырья. Газ, содержащий оксиды азота, попадает в абсорбер, а затем выбрасывается в атмосферу (рис. 15.2).
Таблица 15.34
Технологическая схема производства керамита
|
Операция |
Применяемое оборудование |
Описание технологической операции |
|
1. Добыча и доставка сырья на базу переработки |
Одноковшовый экскаватор ЭО-5111 А. Мощность двигателя N = 79,5 кВт. Ёмкость ковша 1 м3. Автомобили-самосвалы ЗИЛ или КамАЗ |
Глинистый грунт разрабатывают в карьере одноковшовым экскаватором, доставляют автомобилями-самосвалами на базу переработки и разгружают в бункер ящичного подавателя |
|
2. Рыхление материала |
Глинорыхлитель СМ-1031. Производительность (рабочая) 10 м3/ч. Мощность двигателя N = 2,8 кВт |
Проходя через глинорыхлитель, глинистый грунт приобретает некоторую однородность за счет измельчения и далее попадает в ящичный питатель |
|
3. Дозирование глинистого грунта |
Ящичный питатель СМ-664. Производительность (паспортная) 15-25 м3/ч. Ленточный транспортер. Скорость ленты 1,8 м/мин. Ширина ленты 0,9 м. Высота подъёма шибера 220-250 мм |
Ящичным питателем грунт равномерно подают на транспортер. Дозируют грунт шибером, установленным на определенной высоте в зависимости от объема пропускаемого материала. Высоту подъема шибера рассчитывают по формуле h = Q×K/60b×v, где Q - количество связного грунта (рассчитано на часовую производительность плазменного реактора), м3; b - ширина слоя, м; v - скорость движения ленты, м/мин; К = 1,3 - коэффициент, учитывающий комковатость грунта. Отдозированный грунт ленточным транспортером подается в вальцы грубого помола. Над транспортером установлен электромагнит для извлечения металлических включений из грунта |
|
4. Переработка грунтовой массы |
Вальцы грубого помола СМ-1198. Производительность 25 м3/ч. Мощность двигателя N = 43 кBt. Глиномешалка СМИ-246. Производительность: паспортная - 35 м3/ч, рабочая - 10 м3/ч. Мощность двигателя N = 40 кВт. Дырчатые вальцы СМ-369. Производительность 25 м3/ч. Мощность двигателя N = 55 кВт. |
На вальцах грубого помола грунт измельчают при помощи валков, рабочий зазор между которыми составляет 10 мм. Полученная масса грунта поступает в глиномешалку, где перемешивается до однородной массы. Из глиномешалки масса поступает в дырчатые вальцы для более тщательной переработки. Дырчатые вальцы включают два валика одинакового диаметра, которые вращаются навстречу друг другу. Масса грунта, поступающая в загрузочную воронку кожуха, захватывается валиками, продавливается через отверстия диаметром 14-16 мм внутрь валиков, откуда попадает в формующий пресс |
|
5. Формование грунтовой массы |
Пресс формовочный СМ-294. Производительность (рабочая) 10 м3/ч. Мощность двигателя N = 56 кBt |
Грунтовая масса, поступая в приемную коробку посредством питающего валка, подается к лопастям шнека, который при вращении увлекает сырье к выходному отверстию цилиндра, производит его уплотнение и продавливание через фронтальную плиту с отверстиями диаметром 7-15 мм. Влажность гранул сырца при этом составляет 20-23 %. Полученные формованием гранулы должны быть плотными, с поверхностью, не имеющей задир. Из пресса гранулы поступают в опудривающий барабан |
|
6. Опудривание сырцовых гранул |
Барабан-опудриватель. Производительность 25 м3/ч. Мощность двигателя N = 22 кВт. |
В барабане-опудривателе гранулы покрываются тонким слоем порошка из огнеупорного материала толщиной около 0,5-1,0 мм, который служит защитой от слипания зерен в конгломераты при высокотемпературной обработке |
|
7. Сушка гранул связного грунта |
Сушильное устройство. Производительность 10 м3/ч. Мощность двигателя N = 5 кВт. Элеватор ЛГ-250. Производительность 10 м3/ч. Мощность двигателя N = 7 кВт. Бункер запаса вместимостью V = 15 м3. Объемный дозатор. Мощность двигателя N = 0,6 кВт. |
Опудренные гранулы поступают через приемную печку в сушильное устройство. Теплоносителем для гранул являются отходящие газы реактора, имеющие температуру около 800 °С. Подсушенные гранулы при помощи элеватора направляются в бункер запаса сухих гранул, из которого через питатель-дозатор они поступают в плазменный реактор |
|
8. Обжиг (спекание) грунта в форме гранул |
Плазменный реактор |
Высокотемпературную обработку гранулы проходят в плазменном реакторе (температура в рабочей зоне Т ³ 3000 °С) |
|
9. Закалка и охлаждение керамита |
Закалочная камера |
Из плазменного реактора гранулы самотеком попадают в термос, где заканчиваются высокотемпературные процессы изменения свойств грунта. Из термоса керамический материал поступает на склад готовой продукции или к потребителю |

Рис. 15.2. Схема электроплазменной установки для производства керамита:
1 - механизм для подачи сырцовых гранул в установку; 2 - сушильная камера (виброжёлоб); 3 - секторный затвор; 4 - бункер загрузки; 5 - плазмотрон; 6 - реактор обжига (плазменный реактор); 7 - вентилятор; 8 - привод виброжёлоба; 9 - привод затвора; 10 - механизм для подачи керамита в закалочную камеру
Эффективность термического укрепления гранул глинистого сырца в электроплазменной установке в значительной мере определяет конструктивные особенности и принцип действия плазмотронов, а также обеспечивающие функционирование источники питания. Существуют разнообразные конструкции и принципы действия генераторов плазмы, однако для решения задач технологии крупнотоннажного производства наиболее приемлемы электродуговые плазмотроны (рис. 15.3), имеющие ресурс работы до 500 ч и достаточно высокий термический к.п.д. (до 90 %) [100]. Для питания плазмотронов можно применять источники постоянного, переменного (одно- и трёхфазного) и импульсного тока, которые также, как правило, имеют к.п.д. 86-90 %.
Устройство и принцип действия электродуговых плазмотронов основаны на использовании дугового разряда, возбуждаемого между двумя электродами (анодом и катодом), один из которых (обычно анод) имеет цилиндрический канал, в котором формируется дуга. Для защиты катодов электродуговых плазмотронов применяют газообразный азот. При применении в установке генераторов плазмы с расходным катодом необходимость в азоте отпадает. Охлаждение плазмотронов, герметично закреплённых на корпусе реактора, осуществляют за счёт оборотного водоснабжения.
Рассматриваемую технологию плазменного термоукрепления гранул глинистого грунта можно характеризовать как «экологически чистую». Расчётами установлено, что величина максимальной приземной концентрации вредных веществ, выбрасываемых из одиночной технологической установки при высокотемпературной обработке глинистого сырья, составляет 0,01 мг/м3 [35]. Установленная нормами расчётная максимальная разовая концентрация оксидов азота (в пересчёте на NO2) для промышленной площадки соответствует 1,7 мг/м3, а для населения в селитебной зоне - 0,085 мг/м3. Предельно допустимый холодный выброс вредного вещества в атмосферу из одиночного источника в соответствии с нормами составляет 0,01 г/с. Валовый же сброс при работе установки не превышает 0,0002 г/с. При этом практически безотходное производство керамита в электроплазменном реакторе обеспечивает соблюдение санитарно-гигиенических требований нормативных документов, предъявляемых к предприятиям промышленности строительных материалов.

Рис. 15.3. Электродуговой плазмотрон ЭДП-100 конструкции ИТФ СО РАН
Технология производства керамита допускает применение широкого диапазона сырья в виде глин, суглинков или супесей, распространённых в районах строительства автомобильных дорог, содержащего глинистых частиц в пределах 10-40 %, пылеватых частиц от 30 до 60 %. При наличии высокопластичных глин с числом пластичности более 25 в сырьё можно вводить отощающие добавки в виде песка в количестве, определяемом по его крупности.
Устройство дополнительных слоев оснований дорожных одежд из зернистых керамических материалов производят в соответствии с требованиями нормативных документов [87] и рекомендациями, приведёнными в работе [94].
Перечень операций и показатели, характеризующие технологию производства работ по строительству дополнительного слоя дорожной одежды из керамита для автомобильной дороги третьей технической категории приведены в табл. 15.35.
Таблица 15.35
Характеристика технологических процессов при строительстве дополнительных слоев дорожных одежд из керамита
|
Операция |
Марка машины |
Производи- |
Норма расхода топлива, кг/ч |
Затраты энергии на единицу работы, МДж/м3 |
|
Транспортировка керамита автомобилями-самосвалами на расстояние L = 12,5 км |
КамАЗ-5510 |
4,4 |
5,7 |
54,7 |
|
Разравнивание керамита автогрейдером слоем h = 0,15 м |
ДЗ-31-1 |
142,3 |
8,2 |
2,45 |
|
Обжимка россыпи (первый период) 3-6 проходами катка |
ДУ-50 |
12,5 |
4,2 |
9,15 |
|
Увлажнение материала в слое одежды |
ПМ-130Б (ЗИЛ) |
6,7 |
6,5 |
42,7 |
|
Уплотнение слоя за 10 проходов по одному следу (второй период) |
ДУ-50 |
25,3 |
4,6 |
7,7 |
По степени каркасности керамит соответствует III классу и характеризуется как грунт каркасный. Уплотнять такой материал можно катками или вибрационными машинами. Для снижения образования мелкозёма и быстрого достижения требуемой плотности при обжимке и уплотнении малопрочных материалов в слоях дорожной одежды допустимо применение одного типа катка - лёгкого, среднего или тяжёлого, выбранного из условия создания требуемых давлений на поверхности слоя.
Материал дополнительного слоя дорожной одежды должен иметь влажность, близкую к оптимальной (Wопт = 12 %) за 20-30 минут до начала уплотнения. Толщина слоя, подготовленного к уплотнению, должна быть на 40-50 % больше проектной. Пористые керамические материалы применяют при строительстве слоев дорожных одежд в виде оптимальных смесей [94].
Требуемый зерновой состав материала, приведённый в табл. 15.36, обеспечивают смешиванием в нужных соотношениях крупных, средних и мелких пористых песков. Слабообожженных частиц в составе керамического песка должно быть не более 3 % по массе.
Таблица 15.36
Зерновой состав песчаных керамических смесей для оснований дорожных одежд
|
Песок |
Содержание зёрен, %, мельче приведённого размера, мм |
||||||
|
5 |
2,5 |
1,25 |
0,63 |
0,315 |
0,14 |
0,071 |
|
|
Крупный |
90-100 |
50-90 |
30-70 |
20-50 |
10-30 |
5-10 |
0-5 |
|
Средний |
90-100 |
60-90 |
40-80 |
30-70 |
15-50 |
10-25 |
10-15 |
|
Мелкий |
95-100 |
80-95 |
60-90 |
40-85 |
25-60 |
10-30 |
10-20 |
Основные параметры, контролируемые при оценке качества строительства дополнительных слоев дорожных одежд из зернистых керамических материалов, приведены в табл. 15.37. Эффективность строительства автомобильных дорог с применением керамита в нижних слоях дорожных одежд может быть обеспечена в значительной мере за счёт низких энергозатрат при его промышленном производстве (табл. 15.38).
Таблица 15.37
Операционный контроль качества строительства дополнительных слоев дорожных одежд из зернистых керамических материалов
|
Предмет контроля |
Технические критерии оценки качества |
|
Качество подготовки земляного полотна под устройство оснований |
Работы по устройству слоев дорожной одежды следует производить только на готовом и принятом в установленном порядке непереувлажнённом и недеформированном земляном полотне |
|
Физико-механические свойства материала |
Зерновой и гранулометрический составы, влажность, прочность должны соответствовать проекту, требованиям ГОСТа (контролировать не реже одного раза в смену) |
|
Геометрические размеры слоя основания |
Высота отметки по оси: не более 5-10 % результатов определений могут иметь отклонения от проектных значений в пределах ±100 мм, остальные - до ±50 мм. (Измерять не реже чем через 100 м) |
|
Ширина слоя: не более 5-10 % результатов определений могут иметь отклонения от проектных значений в пределах от -15 до +20 см; остальные - до ±10 см. (Измерять не реже чем через 100 м) |
|
|
Толщина слоя: не более 5-10 % результатов определений могут иметь отклонения от проектных значений в пределах от -22 до +30 мм; остальные - до ±15 мм. (Измерять не реже чем через 100 м) |
|
|
Уклон основания |
Поперечные уклоны: не более 5-10 % результатов определений могут иметь отклонения от проектных значений в пределах от -0,015 до +0,030; остальные - до ±0,010 ‰. (Измерять не реже чем через 100 м) |
|
Ровность основания |
Ровность (просвет под рейкой длиной 3 м): для дорог III категории - не более 2-5 % результатов определений могут иметь значения просветов в пределах до 20 мм; остальные до 10 мм |
|
Уплотнение основания |
Уплотнение основания осуществляют от краёв к середине, при этом каждый след от предыдущего прохода катка перекрывают при последующем проходе не менее чем на 1/3. Качество уплотнения проверяют контрольным проходом катка массой 10-12 тонн по всей длине участка, после которого на основании не остается след и не возникают волны перед вальцом. |
Таблица 15.38
Затраты энергии на единицу работ при строительстве дорожных одежд с дополнительными слоями из керамических материалов
|
Затраты энергии, МДж/м3 |
Керамический материал для строительства дополнительного слоя дорожной одежды |
|||
|
аглопорит |
керамзит |
керамдор |
керамит |
|
|
На устройство дополнительного слоя дорожной одежды с учётом затрат на производство керамических материалов, в том числе: |
3776,2 |
5206,5 |
5551,7 |
1141,1 |
|
на производство материала, |
3432,5 |
4862,8 |
5324,2 |
797,4 |
|
на устройство дополнительного слоя |
343,8 |
343,8 |
343,8 |
227,6 |
Пропитка - это технологический процесс строительства или восстановления усовершенствованного облегченного типа дорожного покрытия путем последовательной послойной россыпи и уплотнения каменных материалов (щебня, гравия разной крупности) с расклинцовкой основного слоя и пропиткой их органическими вяжущими. В зависимости от толщины конструктивного слоя пропитку осуществляют на глубину 4-10 см. Пропитку глубиной 4-7 см часто называют полупропиткой.
Покрытия по способу пропитки устраивают преимущественно из щебня изверженных пород марки не ниже 800 или осадочных и метаморфических марки не ниже 600. Для оснований используют щебень марки не ниже 600. Щебень (гравий) должен отвечать требованиям ГОСТ 8267-93 «Щебень и гравий из плотных горных пород для строительных работ. Технические условия».
Для пропитки используют щебень, разделенный на фракции, например, размером 40-70, 20-40, 10-20 (или 15-20), 5-10 (или 3-10) мм. При глубине пропитки менее 8 см первую фракцию (40-70 мм) не применяют. Последнюю, наиболее мелкую фракцию, предназначенную для защитного слоя, не применяют при устройстве оснований.
Объем щебня основной (первой) фракции размером 40-70 мм или 20-40 мм следует определять с учетом коэффициента 0,9 к проектной толщине конструктивного слоя и увеличения этого объема в 1,25 раза на уплотнение. Объем каждой последующей фракции щебня принимают равным 0,9-1,2 м3 на 100 м2 основания или покрытия.
В качестве вяжущих для пропитки используют вязкие органические вяжущие с глубиной проникания иглы от 90 до 200×0,1 мм или битумные эмульсии классов ЭБК-2, ЭБК-3 и ЭБА-2.
Вяжущие, используемые для пропитки, должны выдерживать испытания на водоустойчивость пленки по изменению № 2 к ГОСТ 12801-98. При необходимости улучшить сцепление битума с поверхностью щебня в битум вводят соответствующие поверхностно-активные вещества.
Расход вязкого вяжущего и эмульсии в пересчете на битум принимают равным 1,0-1,1 л/м2 на каждый сантиметр толщины слоя. При использовании эмульсии концентрация битума в ней составляет 50-55 % при применении известнякового щебня и 55-60 % при применении гранитного щебня.
Покрытия и основания по способу пропитки устраивают преимущественно в теплое время года при отсутствии дождя и температуре воздуха весной и летом не менее 5°С, осенью не ниже 10°С. Последовательность выполнения работ при устройстве щебеночных покрытий и оснований по способу пропитки (полупропитки) приведена в табл. 16.1 и 16.2.
Таблица 16.1
Последовательность выполнения работ при строительстве покрытий и оснований толщиной 8-10 см
|
Последовательность работ |
Покрытие |
Основание |
|
Распределение основной фракции щебня размером 40-70 мм, м3/100 м2 |
9-11 |
9-11 |
|
Уплотнение катком, число проходов по одному следу |
5-6 |
5-7 |
|
Розлив вяжущего, л/м2 |
6-8 |
8-10 |
|
Распределение расклинивающей фракции щебня размером 20-40 мм, м3/100 м2 |
1-1,1 |
1,1-1,4 |
|
Уплотнение катком, число проходов по одному следу |
2-4 |
5-7 |
|
Розлив вяжущего, л/м2 |
2-3 |
- |
|
Распределение второй расклинивающей фракции щебня размером 10-20 мм (15-25 мм), м3/100 м2 |
1-1,1 |
- |
|
Уплотнение катком, число проходов по одному следу |
3-4 |
- |
|
Розлив вяжущего, л/м2 |
1,5-2 |
- |
|
Распределение замыкающей фракции щебня размером 5(3)-10 или 5(3)-15 мм, м3/100 м2 |
0,9-1,1 |
- |
|
Уплотнение катком, число проходов по одному следу |
3-4 |
- |
Таблица 16.2
Последовательность выполнения работ при строительстве покрытий и оснований толщиной 5-7 см
|
Последовательность работ |
Покрытие |
Основание |
|
Распределение основной фракции щебня размером 20-40 мм, м3/100 м2 |
5,5-8,0 |
5,5-8,0 |
|
Уплотнение катком, число проходов по одному следу |
4-5 |
5-7 |
|
Розлив вяжущего, л/м2 |
5-7 |
5-7 |
|
Распределение расклинивающей фракции щебня размером 10-20 (15-20) мм, м3/100 м2 |
0,9-1,1 |
1.0-1,2 |
|
Уплотнение катком, число проходов по одному следу |
3-4 |
5-7 |
|
Розлив вяжущего, л/м2 |
1,5-2,0 |
- |
|
Распределение замыкающей фракции щебня размером 5 (3)-10 или 5 (3)-15 мм, м3/100 м2 |
0,9-1,1 |
- |
|
Уплотнение катком, число проходов по одному следу |
3-4 |
- |
Щебень распределяют механическим распределителем, вяжущее разливают автогудронаторами. В исключительных случаях для распределения основной фракции щебня можно использовать автогрейдер.
Протяженность одновременно обрабатываемого участка (длину захватки) назначают такой, чтобы в течение одного дня выполнить весь цикл работ или по крайней мере распределить и уплотнить первую расклинивающую фракцию щебня.
Основную фракцию щебня равномерно распределяют по всей ширине проезжей части, соблюдая требуемые ровность и поперечный профиль. В отдельных случаях, например, при невозможности обеспечения объезда строящегося участка допускается устройство покрытия поочередно по половинам проезжей части.
Распределенный щебень сначала уплотняют легкими катками (5-6 т) за 2-3 прохода по одному следу, начиная уплотнение от края проезжей части. Затем уплотнение продолжают тяжелыми катками (10-12 т). Щебень невысокой прочности (марки 600) во избежание дробления уплотняют только легкими катками массой до 6 т. При уплотнении следят за тем, чтобы не происходило дробления щебня.
Число проходов катка по одному следу устанавливают пробным уплотнением. При уплотнении постоянно контролируют плотность поверхности и поперечный профиль с помощью поперечной рейки и шаблонов. Все неровности должны быть устранены в самой начальной стадии уплотнения. Щебень, как правило, уплотняют без поливки водой. Когда температура воздуха выше 20°С, щебень невысокой прочности целесообразно поливать по норме 8-10 л воды на 1 м2 поверхности. После уплотнения основной фракции разливают вяжущее, при этом эмульсию можно разливать по влажному щебню, а битум - только после его высыхания.
Температура вяжущего с глубиной проникания иглы от 130 до 200×0,1 мм должна быть 110-130°С; вяжущее с глубиной проникания иглы от 90 до 130×0,1 мм должно быть нагрето до 130-150°С. Эмульсии, как правило, используют без нагрева, однако при температуре воздуха ниже 10°С их следует применять в теплом виде (с температурой 40-50°С).
Вяжущее можно разливать по всей ширине проезжей части или по одной его половине, которое должно быть разлито равномерно, без пропусков.
До остывания разлитого горячего вяжущего рассыпают механическим распределителем следующую фракцию щебня для заполнения пор между щебенками основной фракции, не образуя самостоятельного слоя. Механические распределители движутся по рассыпаемому щебню.
После распределения щебень уплотняют катками за 5-7 проходов по одному следу при использовании одной расклинивающей фракции и за 3-4 прохода при двух расклинивающих фракциях. Щебень прочных пород уплотняют тяжелыми катками, а невысокой прочности сначала легкими, а затем тяжелыми.
Уплотнив расклинивающую фракцию, на покрытии устраивают замыкающий коврик. Для этого разливают вяжущее и до его остывания распределяют щебень размером 5 (3)-10 или 5 (3)-15 мм и уплотняют 3-4 проходами катка массой 6-8 т. В процессе уплотнения последней фракции щебня ее продолжают разметать жесткими метлами, заполняя оставшиеся поры. Поверхность покрытия после распределения и уплотнения последней фракции щебня должна быть плотной.
При использовании в качестве вяжущего битумных эмульсий устраивать защитный слой на покрытии из последней наиболее мелкой фракции щебня, а также устраивать слой покрытия по подготовленному основанию следует через 3-5 суток, чтобы обеспечить испарение воды из нижележащих слоев.
При распределении и уплотнении расклинивающих и замыкающих фракций продолжают контролировать ровность и поперечный профиль поверхности, одновременно устраняя отклонения от установленных требований. Ровность оценивается величиной просветов под трехметровой рейкой. Просветы под рейкой должны быть не более 10 мм.
Во время розлива вяжущего автогудронатор должен двигаться с постоянной скоростью. При розливе вяжущего поочередно по одной и другой половине проезжей части необходимо обеспечить правильное сопряжение обеих половин. Для этого полосу разлитого вяжущего у внутреннего края шириной 10-15 см не засыпают щебнем. При розливе вяжущего на второй половине рассыпают щебень, захватывая и оставшуюся незакрытой полосу на первой половине.
Во избежание появления неровностей из-за избытка вяжущего поперечные стыки смежных участков не должны перекрываться при розливе вяжущего. Для этого конец готового сопрягаемого участка на протяжении 2-3 м закрывают бумагой, толем. Автогудронатор должен набрать заданную скорость до подхода к закрытому концу готового участка. Во время прохода автогудронатора по закрытому месту открывают сопла распределительной трубы. Расход вяжущего регулируется заранее.
При строительстве покрытий и оснований способом пропитки контролируют качество щебня и вяжущих материалов, нормы их расхода, температуру вяжущих, качество уплотнения. Степень уплотнения слоев, устраиваемых способом пропитки, проверяют пробным проходом катка массой 10-13 т при этом не должно наблюдаться движения щебня или образования волн перед вальцом катка.
После окончания работ по устройству покрытий способом пропитки (полупропитки) в течение 20-25 дней нужно регулировать движение, обеспечивая равномерное формирование и уплотнение покрытия по всей ширине; при необходимости уплотнять покрытие катками для создания ровной поверхности; заметать метлой щебень, разбрасываемый проходящими автомобилями; присыпать мелким щебнем участки, где наблюдается избыток вяжущего.
В период формирования покрытия могут возникать отслаивание покрытия, местное разрыхление, замедленное формирование, выбоины; подобные дефекты должны быть устранены. Появившиеся в период формирования покрытия мелкие выбоины очищают от пыли и грязи, поливают битумом или эмульсией (0,8-1,2 л/м2), присыпают мелким щебнем в количестве, необходимом для заполнения выбоин, и уплотняют.
Черный щебень - это материал, получаемый путем обработки в установке щебня из горных пород любым органическим вяжущим. Марка щебня, используемого для обработки органическими вяжущими (чернения), должна составлять: для устройства покрытия из изверженных пород не ниже 800, из осадочных и метаморфических - не ниже 600; для устройства основания из изверженных пород не ниже 600, из осадочных и метаморфических - не ниже 300.
Для обработки щебня органическими вяжущими используют асфальтосмесительные установки, оборудованные смесителями принудительного перемешивания периодического и непрерывного действия, а также барабанные смесители. Щебень можно обрабатывать вязкими, жидкими и эмульгированными органическими вяжущими. Вид вяжущего определяет технологические особенности приготовления и использования черного щебня.
Обработка щебня вязкими и жидкими органическими вяжущими. При этих видах вяжущих используют горячую технологию чернения щебня, то есть с нагревом и сушкой щебня и нагревом вяжущего по табл. 16.3.
Таблица 16.3
Температура нагрева органических вяжущих, щебня и обработанного щебня
|
Глубина проникания иглы при 25°С, 0,1 мм |
Условная вязкость по вискозиметру с отверстием 5 мм при 60°С, с |
Температура, °С |
||
|
органического вяжущего, поступающего в мешалку |
щебня при выходе из сушильного барабана |
обработанного щебня при выпуске из смесителя |
||
|
Свыше 40 до 130 |
- |
140-150 |
150-170 |
140-160 |
|
Свыше 130 до 300 |
- |
110-130 |
120-150 |
110-130 |
|
- |
Свыше 130 до 200 |
80-100 |
110-130 |
90-110 |
|
- |
Свыше 70 до 130 |
80-90 |
100-120 |
80-110 |
Примечание. При применении ПАВ температура обработанного щебня при выпуске из смесителя и соответственно температура нагрева щебня в сушильном барабане должны быть снижены на 10-20°С
Температура нагрева щебня перед смешением зависит от вида органического вяжущего и условий обработки. При сухой и теплой погоде (температура воздуха выше 10°С) придерживаются нижних пределов температуры нагрева, указанных в табл. 16.3, при более холодной погоде (температура воздуха ниже 10°С) - верхних пределов.
Для обеспечения водостойкости пленки вяжущего на щебне используют активные добавки извести в количестве 0,5 % массы щебня, а также поверхностно-активные вещества в количестве 0,5-4,5 % массы вяжущего.
Количество органического вяжущего в обработанном щебне назначают по табл. 16.4.
Таблица 16.4
Расход органического вяжущего
|
Органическое вяжущее |
Щебень из прочных изверженных пород с плотной поверхностью (базальты, диабазы, порфиры и т.д.) крупностью, мм |
Щебень из осадочных пород (известняки, песчаники, доломиты и т. п.) крупностью, мм |
||
|
10 (15)-20 и 20-40 |
10 (15)-20 и 3 (5)-10 (15) |
10(15)-20 и 20-40 |
10(15)-20 и 3 (5)-10(15) |
|
|
Расход органического вяжущего, % по массе |
||||
|
Вязкое |
1,5-3,5 |
2,0-4,5 |
3,0-5,0 |
3,0-5,5 |
|
Жидкое |
13-2,5 |
1,5-3,0 |
2,0-4,0 |
2,0-4,5 |
Щебень, обработанный вязкими органическими вяжущими, сразу после приготовления транспортируют к месту укладки автомобилями-самосвалами. Чтобы избежать прилипания щебня, дно и стенки кузова смазывают нефтью, мазутом или мыльным раствором.
Щебень, обработанный жидкими органическими вяжущими, можно укладывать сразу после приготовления в горячем виде либо складировать и хранить по фракциям в зоне работ.
Чтобы не допустить слеживаемости, обработанный жидкими вяжущими щебень перед отправкой на склад охлаждают до температуры 30-35°С струей воздуха в охлаждающих устройствах, а при их отсутствии - систематическим рыхлением (перевалкой экскаватором или самоходным погрузчиком).
При необходимости щебень, обработанный жидкими органическими вяжущими, летом хранят на открытых площадках, обеспеченных водоотводом, или под навесом в штабелях высотой 1,5-2,0 м.
При обработке щебня жидким битумом класса МГ срок хранения не должен превышать 8 месяцев, а битумом класса СГ - не более 4 (при соблюдении условий, уменьшающих слеживаемость).
Обработка щебня эмульсиями. Для обработки щебня применяют эмульсии классов ЭБК-2 и ЭБА-2, а также обратные эмульсии вязкие ЭО-В и жидкие ЭО в сочетании с прямыми ЭБА, ЭБА-3.
Эмульсии, используемые для обработки щебня, должны выдерживать испытание на водоустойчивость пленки по ГОСТ Р 52128-2003. Испытания проводят на щебне, предназначенном для обработки. Если прямая анионная эмульсия не выдерживает испытания, в щебень необходимо вводить 0,5 % извести от массы щебня. Известь можно вводить в виде известкового молока, содержащего не более 30 % извести.
Щебень, обработанный эмульгированными органическими вяжущими, можно использовать непосредственно после приготовления или заготавливать впрок, то есть хранить в штабелях на складе. Такой способ не только устраняет зависимость строительных объектов от смесительной установки, но и ускоряет процесс формирования конструктивных слоев благодаря формированию пленки вяжущего на щебне в период хранения.
При обработке щебня, предназначенного для укладки сразу после приготовления, используют эмульсии, содержащие битумы с глубиной проникания иглы от 60 до 130×0,1 мм.
Для щебня, заготавливаемого впрок, применяют прямые эмульсии, приготовленные на битумах пониженной вязкости с глубиной проникания иглы 200-250×0,1 мм, обратные ЭО-В и ЭО в сочетании с прямыми, приготавливаемыми на битумах марок БНД 40/60 и БНД 60/90.
Количество эмульсии, необходимое для обработки щебня, зависит от его крупности, природы материала и характера его поверхности и составляет 1,5-4,5 % в пересчете на битум (табл. 16.5). В конкретном случае необходимое количество эмульсии для обработки щебня определяется пробными замесами.
Таблица 16.5
Расход вяжущего при обработке щебня эмульсиями
|
Щебень фракций, мм |
Количество битума, % массы щебня |
||
|
обработка прямой или обратной эмульсией |
обработка прямой эмульсией совместно с обратной |
||
|
количество сланцевого битума или каменноугольного дегтя, вводимого в виде обратной эмульсии |
количество битума, вводимого в виде прямой эмульсии |
||
|
Щебень |
|||
|
25-40 |
1,5-3 |
1,2 |
1,8 |
|
15-25 |
2-3,5 |
1,4 |
2,1 |
|
5-15 |
2,5-4,5 |
1,6 |
2,4 |
|
5-10 |
3-4,5 |
1,8 |
2,7 |
|
Щебеночные смеси, содержащие около 5 % частиц размером 0,071 мм |
|||
|
0-35 |
3,5-4,5 |
- |
- |
|
0-20 |
4,0-5,5 |
- |
- |
Примечание. Количество эмульсии рассчитывают по формуле Э = Б/К, где Б - количество битума; К-концентрация эмульсии.
При обработке щебня обратной эмульсией совместно с прямой 40 % вяжущего вводят в виде обратной эмульсии и 60 % - в виде прямой.
Щебень обрабатывают эмульсиями в смесителях принудительного действия, обеспечивающих дозирование всех компонентов. При обработке прямой эмульсией сначала в смеситель подают щебень и известь (известковое молоко), если это требуется для улучшения водостойкости пленки вяжущего, затем вводят эмульсию. При обработке обратной эмульсией щебень сначала обязательно перемешивают с известью, затем с обратной эмульсией. Если обрабатывают щебень двумя эмульсиями, сначала его перемешивают с известью, затем с обратной эмульсией и наконец с прямой. При работе с прямыми или обратными жидкими эмульсиями ЭО в сочетании с прямыми, как правило, не требуется подогрева минеральных материалов и эмульсии. Обратную эмульсию вязкую ЭО-В нагревают до 60-70°С, а обрабатываемый ею щебень до 20-60°С.
Готовый черный щебень выгружают в автомобили-самосвалы и отвозят к месту складирования или на строительный объект. Щебень, обработанный эмульсией, может храниться в штабелях, не слеживаясь несколько месяцев. Образующаяся со временем корка плотного материала не препятствует разработке штабеля. В процессе разработки и погрузки она разрыхляется. Черный щебень погружают экскаватором, транспортируют к месту работ автомобилями-самосвалами.
Строительство покрытий и оснований из щебня, обработанного органическими вяжущими. Работы по строительству покрытий и оснований из щебня, обработанного вязкими и жидкими органическими вяжущими, производят в сухую погоду при температуре воздуха не ниже 5°С весной и летом и 10°С осенью. Работы по строительству покрытий и оснований из щебня, обработанного эмульсиями, следует производить при температуре воздуха: в случае анионной эмульсии не ниже 10°С, катионной не ниже 5°С, обратной (в том числе совместно с прямой) - не ниже минус 5°С.
Покрытия и основания из черного щебня устраивают, как правило, по принципу последовательного расклинивания крупных фракций щебня менее крупными. При строительстве этим способом работы должны выполняться в следующем порядке:
обработка поверхности нижележащего слоя вяжущим (разжиженный битум, эмульсии), из расчета 0,5-0,8 л/м2;
распределение щебня основной фракции 20-40 мм; уплотнение слоя щебня катком массой 6-8 т (4-6 проходов по одному следу);
распределение щебня расклинивающей фракции 10-20 мм;
уплотнение 3-4 проходами катка массой 10-13 т по одному следу;
распределение щебня второй расклинивающей фракции 3(5)-10(15) мм;
уплотнение 3-4 проходами катка массой 10-13 т по одному следу.
При строительстве оснований для основного слоя разрешается использовать фракцию щебня 40-70 мм и для расклинивания - соответственно 20-40 и 10(15)-20 мм. При использовании щебня фракций 5-40 и 5-20 мм конструктивный слой устраивают за один прием без расклинивания. Расход щебня по фракциям соответствует значениям, приведенным в табл. 16.6.
Таблица 16.6
Расход черного щебня
|
Плотность щебня, кг/м3 |
Расход щебня по фракциям, кг/м2 |
|||
|
20-40 мм |
10(15)-20 мм |
3(5)-10(15) мм |
||
|
при толщине слоя 5 см |
при большей толщине прибавлять на каждый см толщины, кг/м2 |
|||
|
2600 |
91-97 |
18-19 |
9-11 |
7-8 |
|
2800 |
98-104 |
20-21 |
10-12 |
7-8 |
|
3000 |
104-110 |
21-22 |
11-13 |
8-9 |
|
3200 |
111-126 |
22-23 |
11-14 |
9-10 |
В начальный период эксплуатации покрытия или основания из черного щебня должен быть обеспечен уход, заключающийся в регулировании движения по всей ширине проезжей части и ликвидации возможных деформаций. Продолжительность окончательного формирования слоя зависит от вида вяжущего, погодных условий и интенсивности движения и находится в пределах 7-30 суток. Покрытие на основании из черного щебня может быть построено через 8-10 суток после выявления и исправления дефектов основания.
Контроль качества строительства. При приготовлении черного щебня контролируют влажность каменных материалов, температуру и вязкость вяжущего, продолжительность перемешивания, температуру готового щебня, прочность сцепления вяжущего со щебнем. Влажность каменных материалов проверяют в случае их дозирования в холодном состоянии.
В процессе строительства покрытий и оснований из черного щебня контролируют температуру черного щебня, доставленного на место укладки (если он укладывается в горячем виде), норму расхода щебня, толщину слоев, качество уплотнения, ровность и поперечные уклоны.
Толщина уплотняемого слоя черного щебня фракций 5-40 и 5-20 должна составлять 1,25-1,30 от проектной толщины слоя. Замеры производят линейкой через каждые 10-15 м. Степень уплотнения слоев, устраиваемых из черного щебня, проверяют пробным проходом катков массой 10-13 т, при этом не должно наблюдаться движения щебня или образования волн перед вальцом катка.
Этот способ строительства дорог исторически наиболее старый. Имея в своем арсенале тяжелую нефть или жидкий остаточный битум и простейшие дорожные машины типа автогрейдера (и даже бороны), дорожники могли приготовить смеси непосредственно на полотне дороги.
Однако эта технология оказалась эффективной только в условиях сухого и жаркого климата (преимущественно в V и IV климатических зонах). В более северных районах влага не позволяла получать качественное перемешивание и слои оказывались неводостойкими. Эта проблема решалась двумя путями - введением в смесь активных добавок (например, извести, цемента) и приготовлением смесей в стационарных смесительных установках.
Для обработки жидкими органическими вяжущими используют песчаные, мелкозернистые или крупнозернистые смеси минеральных материалов, которые могут быть естественными (карьерными) или составленными по принципу плотного состава из нескольких компонентов. В качестве органических вяжущих могут быть использованы жидкие органические вяжущие с условной вязкостью в пределах 4-120 с на стандартном вискозиметре с отверстием 5 мм при температуре 60°С (преимущественно жидкие битумы).
Приготовление смесей методом смешения на дороге. Приготовление смесей каменных материалов с органическими вяжущими методом смешения на дороге и устройство из них конструктивных слоев дорожных одежд необходимо производить при температуре воздуха не ниже 15°С и заканчивать за 2-3 недели до начала дождливого периода и устойчивого понижения температуры воздуха. Смеси приготовляют либо непосредственно на половине дороги, либо на специально оборудованных смесительных площадках в удобном месте около объекта производства строительных работ.
Материалы заблаговременно вывозят и складируют по длине участка, располагая равномерно в конусах на одной половине проезжей части для обеспечения проезда по второй половине, затем распределяют в призматический валик постоянного сечения. Влажность каменных материалов должна быть 3-4 % по массе. При более высокой влажности материалы просушивают путем многократной перевалки автогрейдером. В районах с сухим и жарким климатом перед смешением материалы увлажняют.
Если в смеси необходимо вводить гранулометрические добавки (песок, отсевы дробления, минеральный порошок и др.), их вывозят и распределяют равномерно в конусах вдоль дороги, затем оформляют в валик постоянного сечения параллельно валику основного каменного материала, располагая его около края проезжей части.
Активные добавки (известь, цемент) вводят в основной материал только до обработки его вяжущим. Добавку распределяют по борозде, устроенной в валике материала с помощью распределителя цемента или из цементовоза, или, в исключительных случаях, вручную.
Подготовка жидкого органического вяжущего заключается в его подогреве до рабочей температуры. Рабочая температура жидких органических вяжущих, рекомендуемых для обработки каменных материалов, составляет 80-90°С. Для этих целей не требуется обезвоживание вяжущего.
Вяжущее разливают с перемешиванием после каждого розлива и перемещением смеси к кромке проезжей части. Количество розливов определяют исходя из длины обрабатываемого участка и общей нормы расхода вяжущего (см. табл. 16.7.).
Таблица 16.7
Ориентировочные нормы расхода жидкого органического вяжущего
|
Смеси |
Расход вяжущего, % по массе |
|
Крупнозернистые |
5,0-6,0 |
|
Мелкозернистые |
6.5-8,5 |
|
Песчаные |
7,0-10,0 |
Количество разливаемого за один прием жидкого органического вяжущего составляет 1,5-2,5 л/м2. После введения 50 % нормы вяжущего на этот частично обработанный вяжущим материал с помощью автогрейдера перемещается валик гранулометрической добавки и перемешивается. После розлива полной дозы вяжущего смесь окончательно перемешивают автогрейдером совместно с фрезой. При совместной работе фрезы и автогрейдера после нескольких проходов фрезы, разбрасывающей смесь, в работу включается автогрейдер, собирающий эту смесь в валик и затем распределяющий его по основанию. При этом смесь должна быть перемешана так, чтобы в нижней части валика не оставалось необработанного материала.
Число проходов при перемешивании зависит от объема и качества минеральных материалов, вида и свойств вяжущего, времени года и суток, квалификации механизатора и т.п.
Приготовление смесей в установке. Смеси с жидкими органическими вяжущими в установке приготовляют по горячей технологии с просушенными нерудными материалами; по холодной технологии с влажными нерудными материалами (в том числе и с добавками неорганических вяжущих).
Для приготовления смесей с жидкими органическими вяжущими по горячей технологии используют асфальтосмесительные установки, оборудованные смесителями принудительного перемешивания периодического или непрерывного действия. Технологический процесс приготовления таких смесей аналогичен процессу приготовления асфальтобетонных смесей с вязкими органическими вяжущими. Температура нагрева жидких органических вяжущих и каменных материалов, а также их смесей приведена в табл. 16.8.
Смеси после приготовления транспортируют либо к месту укладки, либо на склад, расположенный на АБЗ или при трассе. Площадка и склады, предназначенные для хранения смесей, должны быть хорошо спланированы, очищены и обеспечены водоотводом.
Перед складированием в штабель смесь охлаждают до температуры 30-40°С перекидкой экскаватором или погрузчиком. Во избежание слеживаемости смеси в штабеле его высота должна быть, как правило, не более 2 м. В тех случаях когда смесь характеризуется малой слеживаемостью (показатель слеживаемости не более 3-5 ударов) или предназначена для хранения не более 1-1,5 мес., высота штабеля может быть увеличена до 3,5-4 м.
Таблица 16.8
Температурный режим приготовления смесей с жидкими вяжущими
|
Условная вязкость вяжущего по вискозиметру с отверстием 5 мм при 60°С, с |
Температура, °С |
||
|
органического вяжущего, поступающего в мешалку |
минеральных материалов при выходе из сушильного барабана |
смесей минеральных материалов с органическими вяжущими при выпуске из смесителя |
|
|
131-200 |
80-100 |
115-135 |
90-110 |
|
71-130 |
80-90 |
115-125 |
90-100 |
Примечание. При применении ПАВ или активированных минеральных порошков температуру готовых смесей при выпуске из смесителя и соответственно температуру нагрева минеральных материалов в сушильном барабане снижают на 20°С.
Сроки хранения смесей определяются видом применяемого вяжущего: при использовании вяжущего, в состав которого входят легкие разжижители, - не более 4 мес., при всех остальных жидких органических вяжущих - не более 8 мес.
Для приготовления смесей с жидкими органическими вяжущими по холодной технологии могут быть использованы любые смесительные установки с принудительным перемешиванием, например, бетономешалки, грунтосмесительные установки и др. В этом случае минеральные материалы не сушат и не подогревают, а вяжущее при необходимости подогревают до температуры, указанной в табл. 16.8.
Приготовленную смесь из смесителя выгружают в автомобиль-самосвал для транспортирования ее к месту укладки или к месту хранения. Хранят смеси в штабеле. Во избежание самоуплотнения высота штабеля должна быть не более 2 м. Срок хранения таких смесей не более одного месяца. Смеси, содержащие добавки портландцемента, складированию и хранению не подлежат.
Смеси нерудных материалов с жидкими вяжущими, приготовленные как способом смешения на дороге, так и в установке, должны соответствовать ГОСТ 30491-97.
Строительство покрытий и оснований. Покрытия и основания из смесей каменных материалов с жидкими органическими вяжущими необходимо устраивать весной и летом при температуре воздуха не ниже 5°С, а осенью - не ниже 10°С. К месту производства работ смеси доставляют либо непосредственно из установки сразу после приготовления, либо из штабеля, куда они были сложены для хранения.
Укладку смесей на подготовленный нижележащий слой производят асфальтоукладчиками. Допускается укладка смесей автогрейдером с соблюдением требований, предъявляемых к равномерности распределения смеси и ровности слоя. При этом вдоль краев слоя следует устанавливать упорные брусья. Толщина укладываемых слоев должна быть на 35-40 % больше проектной.
Смеси каменных материалов с жидкими органическими вяжущими рекомендуется уплотнять катком на пневматических шинах (6-8 проходов) или гладковальцовым массой 6-8 т (4-6 проходов). Допускается использовать также катки массой 10-13 т, однако при появлении трещин укатку следует прекратить. Как правило, такие смеси требуют уплотнения под движением автомобилей в течение 15-30 суток в зависимости от вида и состава смеси, погодных условий и интенсивности движения. Движение автомобилей открывают сразу после окончания укатки с ограничением скорости до 40 км/ч и регулированием на всей ширине проезжей части.
Устройство последующих слоев (поверхностных обработок или покрытий) на слоях из смесей из каменных материалов с жидкими органическими вяжущими допускается только после окончания их формирования.
Контроль качества строительства. При обработке каменных материалов органическими вяжущими по способу смешения на дороге контролируют постоянство объема валика заготовленного каменного материала, влажность каменного материала, постоянство объема валика готовой смеси и ее качество. Постоянство объема валика материала и готовой смеси проверяют шаблоном через 25 м. При применении активаторов и ПАВ необходимо проверять правильность их дозирования.
При приготовлении смесей каменных материалов с жидкими органическими вяжущими в установке необходимо контролировать температуру поступающей смеси. Для смесей, хранившихся на складе, проверяют влажность.
Степень уплотнения готовых покрытий и оснований проверяют по величине коэффициента уплотнения, который определяют на образцах, взятых из покрытия (из расчета 1 вырубка на 1 км). Вырубки из покрытий отбирают через 15-20 суток после их устройства. Коэффициент уплотнения должен быть не менее 0,96.
Для этого вида смесей можно использовать местные малопрочные материалы: щебень, гравий, песок.
Требования к каменным материалам и оптимальные зерновые составы щебеночных и гравийных смесей приведены в табл. 16.9. Область применения смесей, полученных путем обработки местных каменных материалов вязкими органическими вяжущими, приведена в табл. 16.10.
Таблица 16.9
Зерновой состав минеральной части крупно- и мелкозернистых смесей и прочности щебня и гравия
|
Конструктивный слой |
Максимальная крупность зерен щебня (гравия), мм |
Содержание, % по массе |
Марка по дробимости (прочность), не менее |
||
|
щебня, не более |
зерен мельче 0,63 мм, не менее |
зерен мельче 0,071 мм, не менее |
|||
|
Покрытие |
20 |
65 |
24 |
8 |
800 |
|
20 |
50 |
38 |
10 |
400 |
|
|
15 |
35 |
50 |
12 |
300 |
|
|
10 |
35 |
50 |
12 |
200 |
|
|
Основание |
40 |
70 |
12 |
Не нормируется |
800 |
|
40 |
55 |
20 |
Тоже |
400 |
|
|
20 |
35 |
30 |
4 |
300 |
|
|
15 |
35 |
30 |
4 |
200 |
|
Таблица 16.10
Область применения смесей из местных каменных материалов с вязким вяжущим
|
Дорожно-климатическая зона |
Интенсивность воздействия расчетной нагрузки, ед./сут |
Конструктивный слой |
||
|
покрытие |
основание |
|||
|
верхний слой |
нижний слой |
|||
|
II-V |
2000 и менее |
- |
- |
+ |
|
1000 и менее |
- |
+ |
+ |
|
|
500 и менее |
+ |
+ |
+ |
|
|
100 и менее |
+ |
- |
- |
|
Приготовление смесей. Для приготовления смесей каменных материалов с вязкими органическими вяжущими используют асфальтосмесительные установки, оборудованные смесителями принудительного перемешивания периодического и непрерывного действия, а также барабанные смесители. Технологический процесс приготовления смесей нерудных материалов с вязкими органическими вяжущими аналогичен процессу приготовления горячих асфальтобетонных смесей. Из агрегатов питания нерудные материалы поступают в сушильный барабан, где просушиваются и нагреваются до температуры, указанной в табл. 16.11.
Таблица 16.11
Температурный режим приготовления смесей каменных материалов с вязкими органическими вяжущими
|
Глубина проникания иглы при 25°С, 0,1 мм |
Температура, °С |
||
|
органического вяжущего, поступающего в смеситель |
минеральных материалов при выходе из сушильного барабана |
смесей минеральных материалов с органическим вяжущим при выгрузке из смесителя |
|
|
От 40 до 60 |
140-150 |
175-185 |
150-160 |
|
От 61 до 90 |
135-145 |
170-180 |
145-155 |
|
От 91 до 130 |
130-140 |
165-175 |
140-150 |
|
От 131 до 200 |
120-130 |
155-165 |
130-140 |
|
От 201 до 300 |
110-120 |
145-155 |
120-130 |
Органическое вяжущее, используемое для приготовления смесей, должно быть обезвожено и в зависимости от вязкости (глубины проникания иглы) нагрето до температуры, указанной в табл. 16.11. При необходимости в органическое вяжущее вводят ПАВ или разжижитель.
Отдозированные щебень (гравий), песок, отсевы дробления, минеральный порошок или другие минеральные материалы из весового бункера поступают в смеситель, где перемешиваются между собой («сухое» перемешивание), затем в смеситель под давлением вводят отдозированное органическое вяжущее и перемешивают его с минеральными составляющими («мокрое» перемешивание).
Продолжительность перемешивания смеси определяется техническими данными смесительной установки, которая должна обеспечивать равномерное распределение всех ее компонентов и наиболее полное обволакивание поверхности минеральных зерен органическим вяжущим. Температура готовых смесей при выгрузке из смесителя приведена в табл. 16.11. Приготовленную смесь из смесителя выгружают в автомобиль-самосвал для транспортирования ее к месту укладки или в накопительный бункер.
Смеси нерудных материалов с вязкими органическими вяжущими должны соответствовать ГОСТ 30491-97.
Строительство покрытий и оснований. Покрытия и основания из смесей каменных материалов с вязкими органическими вяжущими необходимо устраивать в сухую погоду.
Минимально допустимая температура смесей, доставляемых к месту укладки, в зависимости от вязкости вяжущих, толщины слоя, температуры воздуха и скорости ветра должна соответствовать приведенной в табл. 16.12.
Таблица 16.12
Температура смесей, доставляемых к укладчику
|
Глубина проникания иглы при 1 25°С, 0,1 мм |
Толщина слоя, см |
Минимальная температура смеси, доставленной к укладчику, °С, при температуре воздуха, °С |
|||||||
|
30 |
20 |
15 |
10 |
5 |
0 |
-5 |
-10 |
||
|
От 40 до 130 |
До 5 |
115 120 |
125 135 |
130 140 |
135 145 |
140 150 |
145 155 |
- |
- |
|
От 5 до 10 |
105 110 |
115 120 |
120 125 |
125 130 |
130 135 |
135 140 |
140 145 |
145 150 |
|
|
От 131 до 300 |
До 5 |
90 100 |
95 105 |
100 110 |
105 115 |
110 120 |
115 125 |
120 130 |
125 135 |
|
От 5 до 10 |
90 95 |
95 100 |
95 105 |
100 110 |
105 115 |
110 115 |
115 125 |
120 130 |
|
Примечание. Над чертой - значения показателей при скорости ветра до 6 м/с, под чертой - свыше 6 м/с.
Перед укладкой смесей каменных материалов с вязкими органическими вяжущими нижележащий слой необходимо очистить от пыли и грязи механическими щетками, сжатым воздухом от передвижного компрессора или другими способами, а затем произвести обработку битумной эмульсией 60 %-ной концентрации из расчета 0,6-0,9 л/м2 или битумом из расчета 0,5-0,8 л/м2.
Обработку вяжущими материалами нижележащих слоев можно не выполнять, если они устроены из битумоминеральных смесей и после завершения укладки прошло не более 2 сут. Укладку выполняют одним или несколькими асфальтоукладчиками, как правило, сразу на всю ширину покрытия. Расстояние между асфальтоукладчиками (при работе уступом) 10-15 м. При температуре окружающего воздуха от 5°С до -10°С укладку осуществляют обязательно на всю ширину покрытия (одним или несколькими асфальтоукладчиками).
Толщина слоя из смесей каменных материалов с вязкими вяжущими, укладываемых асфальтоукладчиком с трамбующим брусом и пассивной выглаживающей плитой, должна быть больше проектной на 15-20 %, при использовании асфальтоукладчика с трамбующим брусом и виброплитой на 10-15 %.
Допускается укладка смесей в слои основания автогрейдером с соблюдением требований, предъявляемых к равномерности распределения смеси, ровности слоя и правильности устройства сопряжений. При этом вдоль краев слоя необходимо устанавливать упорные брусья.
Толщина слоя при укладке автогрейдером или вручную должна быть на 25-30 % больше проектной. Уплотнение смесей начинают непосредственно после их укладки, соблюдая температурный режим, указанный в табл. 16.13. Уплотнение смесей предпочтительно выполнять сначала самоходным катком на пневматических шинах (4-6 проходов), а затем гладковальцовым массой 11-18 т (4-6 проходов).
Таблица 16.13
Температурный режим уплотнения смесей
|
Глубина проникания иглы при 25°С, 0,1 мм |
Температура смеси в начале уплотнения, °С |
|
|
Содержание щебня (гравия) более 40 % массы |
Содержание щебня (гравия) менее 40 % массы, песчаные смеси |
|
|
От 40 до 130 |
120-160 |
100-130 |
|
От 131 до 300 |
100-140 |
80-110 |
При отсутствии катков на пневматических шинах в исключительных случаях можно уплотнять гладковальцовыми катками. Начинать уплотнение легкими катками (2-3 прохода), а затем тяжелыми (12-20 проходов). В конце рабочей смены край уплотненной полосы завершают укладкой упорной доски или обрубкой вертикально по шнуру, а при возобновлении работ край требуется разогревать, либо обмазывать битумом или битумной эмульсией.
Контроль качества строительства. Перед началом устройства конструктивных слоев, а также в процессе работы проверяют плотность и чистоту поверхности нижележащих слоев; если используют бортовые камни, контролируют также правильность их установки.
В каждом автомобиле, прибывающем к месту укладки, измеряют температуру смеси и, если она ниже указанной в табл. 16.11, бракуют. В процессе укладки толщину уложенного слоя контролируют металлическим щупом с делениями, а поперечный и продольный уклоны шаблоном через каждые 100 м. Особое внимание уделяют контролю качества устройства продольных и поперечных сопряжений.
В процессе уплотнения контролируют соблюдение заданного режима уплотнения смеси, ровность, поперечный и продольный уклоны. Для оперативного контроля плотности рекомендуется использовать различные экспресс-методы (радиоизотопный, параметрический, акустический и др.), для которых разработаны специальные приборы и методики.
Контроль качества готового слоя осуществляют путем отбора проб (вырубок или кернов) через 1-3 суток после устройства слоя и открытия по нему автомобильного движения.
Керны (вырубки) отбирают из середины полосы движения из мест, находящихся на расстоянии не менее 1 м от края покрытия, а также на участках, находящихся в непосредственной близости от сопряжений. С каждых 700 м2 отбирают 3 пробы. При отборе проб измеряют толщину слоев и визуально оценивают прочность сцепления их между собой и с основанием. Качество смесей устанавливают по показателям свойств образцов, переформованных из вырубок, а степень уплотнения конструктивных слоев оценивают коэффициентом уплотнения, определяемым в соответствии с ГОСТ 12801-98. Коэффициент уплотнения должен быть не ниже 0,98.
Ровность покрытия и основания, поперечный профиль проверяют трехметровой рейкой, укладываемой на поверхность параллельно оси дороги. Просвет под рейкой не должен превышать 3 мм. При укладке слоев оснований автогрейдером допускается просвет под рейкой не более 7 мм.
Использование эмульгированного битума для приготовления смесей дает большой технико-экономический эффект в том, что из технологической схемы исключается процесс сушки и нагрева каменных материалов и нагрева вяжущего (за исключением обратных эмульсий), поэтому установки для приготовления смесей существенно упрощаются по сравнению с асфальтобетонными заводами.
Эмульсионно-минеральные смеси могут быть различного зернового состава: щебеночные пористые и плотные, гравийные и гравийно-песчаные и песчаные. Смеси различного зернового и минералогического состава требуют применения эмульсий различного класса (табл. 16.14.).
Эмульсионно-минеральные смеси отличаются от горячих битумоминеральных более длительным сроком формирования. Процесс формирования зависит от активности взаимодействия эмульгатора с минеральными материалами и возможности удаления воды из смеси. Катионные эмульсии активно взаимодействуют с минеральными материалами, обеспечивая хорошую адгезию битумной пленки и быстрое формирование материала.
Таблица 16.14
Класс и количество эмульсии для приготовления эмульсионно-минеральных смесей
|
Смесь |
Класс битумных эмульсий |
Количество эмульсии, %, в пересчете на битум |
|
Пористые щебеночные |
ЭБК-2, ЭБК-3; ЭБА-2, ЭБА-3; ЭО-В и ЭО в сочетании с ЭБА-2 или ЭБА-3 |
3,5-5,5 |
|
Плотные щебеночные |
ЭБК-3, ЭБА-3 |
4,5-6,0 |
|
Гравийные и гравийно-песчаные |
ЭБК-3, ЭБА-3 |
Крупнозернистые 3,5-5,0. Мелкозернистые 4,5-6,0 |
|
Песчаные |
ЭБК-3, ЭБА-3 |
Для оснований 5-6. Для покрытий 6-7 |
Эмульгаторы анионных эмульсий малоактивны или даже инертны по отношению к поверхности минеральных материалов. Для усиления адгезионных и когезионных связей в эмульсионно-минеральных смесях на анионных эмульсиях в их состав вводят известь или цемент, с которыми эмульгатор вступает в химическое взаимодействие, стимулируя тем самым распад эмульсии и образование адгезионных связей. При этом часть воды уходит на гидратацию этих активаторов. Все это ускоряет процесс формирования смесей и улучшает их физико-механические свойства. Особенно эффективно использовать в качестве добавки цемент. Он реагирует с водой длительное время, постепенно отбирая ее из пленки и из пор и образуя в структуре материала жесткие связи, способствующие значительному увеличению его прочности. Использование цемента особенно эффективно в эмульсионно-минеральных смесях из гравийных и песчаных материалов, не обогащенных дроблеными зернами.
Область применения эмульсионно-минеральных смесей различных видов приведена в табл. 16.15.
Приготовление смесей. Смеси минеральных материалов с эмульгированными органическими вяжущими (в том числе и совместно с неорганическими вяжущими) приготовляют в смесителях, предназначенных для приготовления холодных смесей с принудительным перемешиванием периодического или непрерывного действия, оборудованных дозирующими устройствами для всех компонентов смеси.
Таблица 16.15
Область применения эмульсионно-минеральных смесей
|
Вид смесей |
Дорожно-климатическая зона |
Интенсивность воздействия расчетной нагрузки, ед./сут |
Конструктивный слой |
||
|
покрытие |
основание |
||||
|
верхний слой |
нижний слой |
||||
|
С эмульгированными органическими вяжущими |
II-V |
2000 и менее |
- |
- |
+ |
|
1000 и менее |
- |
+ |
+ |
||
|
500 и менее |
+ |
+ |
+ |
||
|
100 и менее |
+ |
- |
- |
||
|
То же, совместно с минеральными активаторами |
II-V |
2000 и менее 1000 и менее |
- |
- |
+ |
|
- |
+ |
+ |
|||
Порядок дозирования компонентов смеси в смеситель следующий: сначала взвешивают и подают минеральные материалы, затем цемент или известь (если это требуется для обеспечения необходимой прочности и водостойкости), перемешивают их, а затем вводят эмульсию. Длительность перемешивания зависит от состава смеси, свойств эмульсии, влажности минеральных материалов, типа смесителя и определяется по пробным замесам.
Если смесь каменных материалов (пористые щебеночные смеси) приготовляют с применением обратных эмульсий, то при температуре воздуха ниже 15°С минеральный материал должен быть нагрет до температуры 40-60°С, а эмульсия до 60-70°С.
Концентрация битума в прямой эмульсии может меняться от 60 до 45 % в зависимости от влажности и чистоты минерального материала. Концентрацию уточняют по пробному замесу. При изменении концентрации эмульсии количество вводимого в смесь битума должно быть постоянным. Обратную эмульсию применяют 70-80 %-ной концентрации.
Готовые смеси каменных материалов, обработанных эмульгированными вяжущими, можно укладывать в конструктивный слой сразу после приготовления или хранить в штабелях на складе или в валиках на месте строительства и использовать по мере необходимости. Высота штабеля должна быть не более 2 м. Срок хранения в штабеле пористых смесей не должен превышать 4 мес., плотных - 1 мес.; срок хранения смесей в валиках не должен превышать 2-7 сут. Смеси, содержащие неорганические вяжущие в количестве более 4 % по массе, хранению не подлежат. Смеси каменных материалов, обработанных эмульгированными органическими вяжущими (в том числе совместно с минеральными вяжущими), должны соответствовать ГОСТ 30491-97.
Строительство покрытий и оснований. Покрытия и основания из смесей нерудных материалов, обработанных анионными эмульсиями, устраивают при температуре воздуха не ниже 10°С, катионными эмульсиями не ниже 5°С, обратной - не ниже -5°С.
Перед укладкой смеси поверхность нижележащего слоя необходимо обработать эмульсией из расчета 0,5-0,8 л/м2. Укладку смесей производят преимущественно асфальтоукладчиком или автогрейдером. Толщина слоя укладываемой смеси должна быть на 40-50 % больше проектной.
Смеси уплотняют самоходными катками на пневматических шинах или моторными катками массой 6-8 т или 8-10 т при толщине слоя до 5 см, массой 8-10 т или 10-18 т при толщине слоя более 5 см. Уплотнение производят до исчезновения волн перед вальцом катка или следа катка.
При устройстве оснований и покрытий на обочинах автомобильных дорог через 5-7 суток после укладки требуется производить повторное уплотнение слоя тяжелыми катками. При производстве работ в жаркую сухую погоду свежеуложенный и уплотненный слой смеси, содержащий цемент, необходимо предохранить от испарения воды, разлив по поверхности битумную эмульсию из расчета 0,8-1 л/м2 и присыпав песком.
Движение транспортных средств открывают сразу после уплотнения, регулируя его по ширине покрытия, ограничивая скорость до 40 км/час и запрещая длительные остановки на свежеуложенном покрытии в течение первых двух суток.
Устройство других конструктивных слоев или поверхностной обработки на слоях из смесей каменных материалов, обработанных эмульгированными вяжущими, допускается не ранее чем через 5-7 суток при сухой теплой погоде для плотных смесей и 3-5 суток для пористых. Степень уплотнения готовых покрытий проверяют по величине коэффициента уплотнения, который определяют на образцах, взятых из покрытия (из расчета 1 вырубка на 1 км). Вырубки из покрытий отбирают через 15-20 суток после их устройства. Коэффициент уплотнения должен быть не менее 0,96.
Для обработки органическими вяжущими пригодны все виды и разновидности крупнообломочных, песчаных и глинистых грунтов по ГОСТ 25100-95 с числом пластичности не более 22. При этом, супеси тяжелые пылеватые, суглинки легкие и легкие пылеватые с числом пластичности до 12 нужно укреплять органическими вяжущими с добавкой извести или других активных и поверхностно-активных веществ. Введение указанных добавок при укреплении грунтов, предназначенных для строительства дорог во II дорожно-климатической зоне, обязательно, в III-V целесообразно.
Суглинки с числом пластичности 12-17 и глины с числом пластичности до 22 можно укреплять органическими вяжущими с введением в грунт гранулометрических добавок (крупнозернистый песок, отсевы дробления и т. п.) и добавок извести, цемента, золы уноса.
Для укрепления грунтов используют такие органические вяжущие, как жидкий нефтяной битум, битумные эмульсии, сланцевые битумы, высокосмолистые нефти и др. Виды вяжущих материалов и активных добавок для укрепления грунтов приведены в табл. 16.16. Область применения укрепленных грунтов приведена в табл. 16.17.
Приготовление укрепленных грунтов. Перемешивание грунтов с органическими вяжущими и активными или гранулометрическими добавками производят в грунтосмесительных машинах либо непосредственно на дороге, либо в стационарных установках. Важным параметром при укреплении грунтов является влажность как при смешивании, так и при уплотнении смеси (табл. 16.18).
Для приготовления грунтов, укрепленных органическими вяжущими способом смешения на дороге, используются однопроходные или многопроходные грунтосмесительные машины.
Перемешивание грунта с органическим вяжущим материалом грунтосмесительной машиной или фрезой происходит за один проход грунтосмесителя и за 2-4 прохода по одному следу фрезы. Органическое вяжущее вводят в грунт через дозировочное устройство грунтосмесителя или фрезы в полной норме за первый проход.
Таблица 16.16
Вяжущие материалы и активные добавки для приготовления укрепленных грунтов
|
Грунты |
Вяжущие материалы и добавки |
Дорожно-климатическая зона строительства |
|
Крупнообломочные несцементированные, близкие к оптимальному составу грунты, гравелистые, крупные, средние и неоднородные пески |
Жидкие нефтяные битумы совместно с цементом, жидкие битумы |
IV-V |
|
Жидкие битумы с активными добавками |
II, III, IV, V |
|
|
Крупнообломочные несцементированные грунты неоптимального состава, однородные, крупные, средние и мелкие пески |
Битумные эмульсии совместно с карбамидными смолами |
II, III |
|
Жидкие нефтяные битумы совместно с цементом, жидкие битумы с активными добавками |
IV, V |
|
|
Битумные эмульсии совместно с цементом или добавкой извести |
II, III, IV, V |
|
|
Пылеватые пески, различные супеси с числом пластичности менее 3 |
Битумные эмульсии совместно с цементом или добавкой извести. Жидкие битумы с активными добавками |
II, III, IV, V |
|
Супеси, близкие к оптимальному составу, галечниковые либо гравелистые, пылеватые |
Битумные эмульсии с цементом или добавкой извести |
II, III, IV, V |
|
Жидкие битумы с активными добавками |
II, III |
|
|
Жидкие нефтяные битумы совместно с цементом |
IV, V |
|
|
Супеси пылеватые, суглинки легкие пылеватые |
Битумные эмульсии совместно с цементом или добавкой извести, жидкие битумы с активными добавками |
II, III, IV, V |
|
Битумные эмульсии совместно с карбамидными смолами |
II, III |
|
|
Жидкие нефтяные битумы совместно с цементом |
IV, V |
|
|
Суглинки тяжелые пылеватые |
Жидкие битумы с добавкой извести и поверхностно-активных веществ |
II, III, IV, V |
|
Жидкие битумы |
IV, V |
|
|
Глины легкие песчаные и пылеватые с числом пластичности не более 22 |
Жидкие битумы с добавкой извести и поверхностно-активных веществ |
III, IV, V |
Таблица 16.17
Область применения укрепленных грунтов
|
Материал |
Дорожно-климатическая зона |
Интенсивность воздействия расчетной нагрузки, ед./сут |
Конструктивный слой |
||
|
покрытие |
основание |
||||
|
верхний слой |
нижний слой |
||||
|
|
Укрепленные грунты |
|
|||
|
С жидкими или эмульгированными органическими вяжущими |
IV, V |
1000 и менее |
- |
+ |
+ |
|
100 и менее |
- |
+ |
+ |
||
|
То же, совместно с минеральными |
I, V |
Свыше 2000 |
- |
+ |
+ |
Таблица 16.18
Влажность грунтов при перемешивании с вяжущим и уплотнении смеси
|
Грунты |
Влажность смеси грунта и жидких битумов, % |
Влажность смеси грунта и битумной эмульсии с добавкой извести, % |
||
|
при перемешивании с активными добавками |
оптимальная при уплотнении |
при перемешивании |
оптимальная при уплотнении |
|
|
Крупнообломочные несцементированные, близкие к оптимальному зерновому составу, пески гравелистые крупные и средней крупности (разнозернистые) |
2-3 |
2-4 |
2-4 |
3-8 |
|
Крупнообломочные несцементированные неоптимального зернового состава; пески гравелистые, крупные, средней крупности (одноразмерные) |
3-4 |
3-5 |
2-4 |
5-10 |
|
Пески мелкие одноразмерные и пылеватые |
4-5 |
5-6 |
4-6 |
8-12 |
|
Супеси легкие крупные, легкие пылеватые оптимального зернового состава |
3-6 |
4-5 |
5-7 |
8-14 |
Стационарные установки для приготовления укрепленных грунтов оборудуют грунтосмесительными машинами непрерывного или циклического действия принудительного перемешивания. В этом случае грунт, вяжущие вещества, добавки и воду вводят в смеситель одновременно в полном объеме и перемешивают до однородного состояния.
Жидкие битумы перед перемешиванием с грунтом нагревают. Температура нагрева жидких битумов класса СГ 40/70, МГ 40/70, МГО 40/70 должна быть 70-80°С; класса СГ 70/130, МГ 70/130. МГО 70/130 - 80-90°С.
Нефти с вязкостью С530 менее 15 и битумные эмульсии применяют для укрепления грунтов без подогрева. Смеси грунтов с органическими вяжущими, приготовленные как методом смешения на дороге, так и в стационарных установках, должны соответствовать требованиям ГОСТ 30491-97.
Строительство оснований. Основания из грунтов, укрепленных органическими вяжущими, разрешается устраивать в сухую погоду при температуре воздуха не ниже 10°С. Разравнивание и профилирование смесей производится преимущественно укладочно-профилирующими машинами.
При строительстве оснований автомобильных дорог III-V категорий из укрепленных грунтов допускается производить разравнивание и профилирование смесей автогрейдерами. Предварительное уплотнение уложенных слоев рекомендуется производить плоскостными виброорганами навесного типа (виброплитами или вибробрусьями) к укладочно-профилирующим машинам в однопроходном режиме.
Окончательное уплотнение производится самоходными катками на пневматических шинах с гладким протектором за 8-10 проходов по одному следу. Каждый последующий проход катка должен перекрывать полосу предыдущего не менее чем на 20 см.
Допускается укатка слоев самоходными катками на пневматических шинах с рельефным протектором без предварительного уплотнения (14-16 проходов) или вибрационными катками за 6-8 проходов по одному следу. При необходимости после уплотнения производят чистовое профилирование слоя рабочими органами профилировщика или автогрейдером.
Для конструктивного слоя из грунта, укрепленного жидким битумом или битумной эмульсией совместно с цементом, требуется уход, обеспечивающий сохранение влаги в смеси на период твердения цемента. Обычно такой уход осуществляют путем одноразового распределения по поверхности слоя 50 %-ных эмульсий класса ЭБА-1 или ЭБА-2 из расчета 0,5-0,8 л/м2.
Контроль качества работ. При входном контроле определяют качество каждой партии укрепляемых грунтов, вяжущих материалов и добавок химических веществ по соответствующим стандартам.
В процессе укладки и уплотнения смесей, приготовленных в смесительных установках или методом смешения на дороге, необходимо контролировать: объем и влажность вывезенной смеси, соблюдение заданной толщины слоя при распределении смеси, ровность и коэффициент уплотнения грунта, физико-механические свойства образцов (кернов), взятых из уплотненного слоя.
Указанные проверки необходимо производить через каждые 200 м уложенного слоя укрепленного грунта. При этом степень уплотнения должна определяться в 3 точках: по оси и на расстоянии 0,5 м от кромок слоя. Взятие образцов (кернов) из уплотненного слоя и определение физико-механических свойств производят через каждые 500 м.
Более 2 тысяч лет назад в Римской империи были построены первые дороги с покрытиями на основе минеральных вяжущих, частично сохранившиеся до наших дней. Каждый слой этой дорожной одежды выполнялся из каменных материалов различной крупности, убывающей от нижнего к верхнему слою, скрепленных минеральным вяжущим - известковым или известково-пуццолановым. Верхний слой римской дороги представлял собой жесткое бетонное покрытие, компонентами которого являлись щебень, гравий, песок и вяжущее - смесь извести и пуццоланы.
Первые покрытия из бетона на портландцементе были построены в Англии (г. Эдинбург) в 1866 г. В США первая дорога с бетонным покрытием была построена в Bellefontaine позднее на 25 лет (1891 г.). Массовое строительство таких дорог началось именно в этой стране. К 1912 г. в США имелось 400 км дорог с бетонным покрытием; к 1913 г. эта цифра удвоилась. В 1914 г. уже насчитывалось около 3 тыс. км, а в 1951 г. - 140 тыс. км.
В нашей стране первые участки бетонных покрытий были построены в 1913 г. на улицах Петербурга. В довоенный период (до 1941 г.) в России бетонные покрытия строили в опытном порядке - в небольшом объеме и с применением зарубежных бетоноукладочных машин. Широкое строительство бетонных дорог развернулось в начале 50-х гг. XX столетия с применением первого отечественного комплекта бетоноукладочных машин Д-181, Д-182, Д-195 на рельсовом ходу.
В 70-е гг. в России началось строительство цементобетонных дорожных покрытий с применением машин со скользящей опалубкой на гусеничном ходу. Были закуплены в США бетоноукладочные комплекты высокопроизводительных машин «Автогрейд», которые послужили основой для выпуска отечественных комплектов машин под маркой ДС-100, ДС-110.
В настоящее время в России эксплуатируется более 9 тыс. км автомобильных дорог с цементобетонным покрытием, таких как Москва-Волгоград, Екатеринбург-Челябинск, МКАД, МКАД-Серпухов-Тула, Екатеринбург-Серов, Омск-Новосибирск, МКАД-Кашира, обход г. Коломны и многие другие.
Стабильные транспортно-эксплуатационные показатели и высокая долговечность дают им преимущества перед покрытиями других типов.
Цементобетонные покрытия имеют высокую распределяющую способность и малую величину вертикальных упругих перемещений под нагрузкой автомобилей, незначительный износ вследствие истирания, высокий, малозависящий от увлажнения покрытия, коэффициент сцепления.
Прочностные и деформативные характеристики цементобетона практически не меняются в реально наблюдаемых диапазонах изменения температуры, влажности и скорости нагружения. Его прочность возрастает в течение всего срока службы дорожной одежды, что служит дополнительным резервом долговечности.
Благодаря светлому цвету поверхности цементобетонных покрытий для их освещения требуется на 20 % меньше энергии. На таких покрытиях автомобили расходуют примерно на 5-10 % меньше топлива, чем на асфальтобетонных. Для производства минерального вяжущего (портландцемента) имеются значительно большие сырьевые ресурсы, чем для производства битума. Цементобетонные покрытия устраивают непосредственно на месте строительства из свежеприготовленного бетона по конструктивным слоям.
В зависимости от интенсивности движения, свойств земляного полотна плита из цементобетона может быть неармированной или содержать арматурную сетку, препятствующую раскрытию трещин в случае их возникновения. Толщину плиты назначают по расчету и обычно она колеблется от 18 до 24 см, а иногда до 30 см.
Бетонное покрытие укладывают на искусственное основание из грунта, обработанного цементом, щебня, обработанного вяжущим или из других прочных материалов. Обеспечение необходимой ровности и прочности основания позволяет существенно снизить напряжения в цементобетонном покрытии, повысить его работоспособность. В мировой практике используют в основном две технологии строительства цементобетонных покрытий и оснований: в скользящей опалубке и в рельс-формах.
Во избежание разрушения бетона от совместного действия транспортной нагрузки и колебаний температуры, существенно увеличивающихся с ростом длины плит, в бетонных покрытиях устраивают деформационные швы различного назначения.
В большинстве стран технология устройства поперечных деформационных швов характеризуется нарезкой их пазов в затвердевшем бетоне самоходными многодисковыми машинами-нарезчиками.
Продольные швы в ряде случаев устраивают в свежеуложенном бетоне диском, смонтированным на бетоноотделочной машине. Качество герметизации деформационных швов определяет долговечность цементобетонных покрытий. Для герметизации всех видов швов используют герметики холодного и горячего применения.
Поперечные швы - наиболее уязвимое место бетонных покрытий. Желание избавиться от температурных швов сжатия и расширения привело к созданию непрерывно армированных цементобетонных покрытий.
В последние годы наблюдается тенденция создания дорожных бетонов повышенной прочности и долговечности. Это достигается путем модификации структуры бетона химическими добавками: пластифицирующими, воздухововлекающими и газообразующими. Направленная модификация структуры дорожного бетона позволяет создавать бетоны высокой прочности и морозостойкости при низком водоцементном отношении. Весьма перспективным является применение для строительства дорожных одежд бетонов высокой эксплуатационной надёжности (НРС - High Performance Concrete), имеющих прочность на растяжение при изгибе более 7 МПа и прочность при сжатии 80 МПа и более.
С появлением виброкатков, уплотняющих бетонную смесь до большей плотности и без раскрошивания крупного заполнителя, стало возможным использование бетонных смесей особо жесткой консистенции для строительства автомобильных дорог под тяжелые нагрузки. Отличительной особенностью применения таких смесей является меньший расход цемента по сравнению с традиционными смесями, широкое использование в их составе отходов производства, простота технологии строительства.
Дальнейшее совершенствование технологии строительства и расширение области применения цементобетонных покрытий идет по пути отказа от часто расположенных поперечных швов и повышения стойкости бетона к эксплуатационным воздействиям. Успешно решить проблему обеспечения высокой морозостойкости дорожного бетона позволяют определенные требования к цементобетону и технологии строительных работ (табл. 17.1).
Выбор материалов для строительства цементобетонных покрытий. Цементобетонное покрытие работает в условиях сложного напряженного состояния под действием повторных нагрузок от автомобилей и переменных температурно-влажностных полей. Кроме того, для конгломератных материалов типа цементобетона характерны внутренние напряжения, обусловленные неоднородностью их структуры, а также постоянно протекающими процессами структурообразования и деструкции. Повышение стойкости дорожного бетона к эксплуатационным воздействиям напрямую связано с улучшением его физико-механических свойств и структуры.
Формирование структуры дорожного бетона и его свойств зависит от многих факторов: вида и качества исходных материалов, запроектированного состава бетона, применяемых химических добавок, технологии приготовления, укладки и уплотнения бетонной смеси, эффективности армирования покрытия, качества ухода за бетоном.
Цемент является одним из основных материалов, определяющих свойства бетонной смеси и бетона для дорожного строительства. Высокие требования, предъявляемые к бетону для дорожных покрытий, обусловили необходимость применения специальных цементов, нормированного минералогического и вещественного состава.
Требования к строительно-техническим свойствам цементов для дорожного бетона сформулированы в ныне действующем стандарте ГОСТ 10178-85. Согласно этому стандарту при строительстве применяют цемент, изготовленный на основе клинкера нормированного состава с содержанием С3А не более 8 % по массе, марок ПЦ 500-Д0-Н, а также ПЦ 400-Д20-Н, ПЦ 500-Д20-Н. При этом в качестве добавки разрешается использовать только доменный гранулированный шлак в количестве не более 15 %, а удельная поверхность цемента должна быть не менее 280 м2/кг. Начало схватывания должно наступать не ранее чем через 2 часа после затворения.
В настоящее время действует также национальный стандарт ГОСТ Р ИСО/МЭК ТО-10178-98 «Цементы дорожные. Технические условия», гармонизированный с международными требованиями. Стандартом установлены более жесткие требования к дорожным цементам, чем в ГОСТ 10178-85. Так, содержание С3А в клинкере не должно превышать 7 %, введён норматив по водоотделению, равномерность изменения объема характеризуется величиной расширения, увеличен ассортимент дорожных цементов за счет цементов с добавками для дорожных оснований.
С 1 марта 2002 г. введен в действие новый стандарт на методы испытаний цемента ГОСТ 30744-2001, гармонизированный с европейским стандартом EN 196-1. В стадии переходного периода будут одновременно действовать прежний комплекс стандартов на методы испытаний с использованием однофракционного песка ГОСТ 310.1-76 - ГОСТ 310.4-81 и новый ГОСТ 30744-2001 с использованием полифракционного песка.
Минеральные материалы, используемые для приготовления цементобетонной смеси, подразделяют на мелкий и крупный заполнители. В качестве мелкого заполнителя в дорожном бетоне применяют пески природные или дробленые, в том числе обогащенные и фракционированные. В некоторых случаях целесообразно использовать пески из отсевов дробления, в том числе обогащенные. Мелкий заполнитель должен соответствовать требованиям стандартов ГОСТ 8736-93 и ГОСТ 26633-91.
Таблица 17.1
Основные показатели физико-механических свойств дорожного бетона и его вяжущей составляющей
|
Нормируемый показатель |
Величина показателя |
Методы оценки |
|
Марка бетона по морозостойкости |
F100-F200, в зависимости от района строительства |
Испытание бетона по 2-му или 3-му методам ГОСТ 10060-95, при насыщении и оттаивании бетона в 5 %-ном водном растворе хлорида натрия |
|
Класс (марка) бетона по прочности на растяжение при изгибе, не менее |
Вtb 4,0 (Ри 50) |
Определение и контроль прочности по ГОСТам 10180-90,18105-86, 28570-90. Определяет толщину плиты покрытия (основания) и выносливость конструкции |
|
Класс (марка) бетона по прочности на сжатие, не менее |
В 30 (М 400) |
Испытание и контроль прочности по ГОСТам 10180-90; 18105-86; 28570-90. Определяет износостойкость покрытия, стойкость против продавливания, скалывания, время нарезки швов |
|
Водоцементное отношение, не более |
0,40 |
Назначается независимо от активности применяемого цемента и определяет прочность и морозостойкость бетона |
|
Водопоглощение, % по массе, не более |
|
Испытание бетона по ГОСТ 12730.3-78. Характеризует плотность бетона |
|
для тяжелого бетона |
5,0 |
|
|
для мелкозернистого бетона |
6,0 |
|
|
Свойства портландцемента |
Нормированный химико-минералогический и вещественный состав |
Норма указана в ГОСТ 10178-85, п. 1.14. |
|
Содержание минерала C3A в клинкере, не более, % |
8,0 |
Норма указана в ГОСТ 10178-85, п. 1.14 |
|
Начало схватывания, час, не менее |
2,0 |
Норма указана в ГОСТ 10178-85, п. 1.14. Определяется по ГОСТ 310.3-76 |
|
Наличие признаков ложного схватывания |
Отсутствуют |
Отрицательно влияет на транспортабельность бетонной смеси, возможность эффективного использования воздухововлекающих добавок, на удобообрабатываемость смеси (отделку свежеуложенного покрытия) |
|
Наличие пластифицирующих, гидрофобизирующих добавок в цементе |
- |
Требование отражено в ГОСТ 10178-85, п. 1.12 |
|
Наличие технологических добавок в цементе |
Отсутствуют |
Норма указана в ГОСТ 10178-85, п. 1.13. Отрицательно влияет на свойства бетонной смеси и бетона, резко ускоряет потерю удобоукладываемости за время транспортирования и не позволяет получить требуемый объем вовлеченного воздуха, увеличивает водоотделение в бетонной смеси |
|
Наличие в бетоне воздухововлекающей добавки (типа СНВ) совместно с пластифицирующей добавкой или добавкой-суперпластификатором |
Обязательно |
Требование по СНВ указано в ГОСТ 26633-91 |
|
Объем вовлеченного в бетонную смесь воздуха (на месте укладки бетона), % |
5-7 |
Требование указано в ГОСТ 26633-91, СНиП 3.06.03-85, п. 12.8 |
|
Параметры пористости бетона, % (по объему): |
|
Определяются по ГОСТ 12730.4-78. Рекомендуемые Союздорнии величины пористости для морозостойкого дорожного бетона |
|
полная пористость |
15-20 |
|
|
открытая капиллярная пористость |
10-15 |
|
|
условно-закрытая пористость |
3-7 |
|
|
Расслоение бетонной смеси (водоотделение, раствороотделение) |
Отсутствует |
Требование указано в ГОСТ 7473-94, ВСН 139-80 |
|
Уход за бетоном |
Светлыми пленкообразующими материалами (типа ВПС-Д, ВПМ) |
Требование отражено в СНиП 3.06.03-85, инструкции ВСН 139-80 |
В качестве крупного заполнителя в дорожном бетоне используют щебень из природного камня и попутно добываемых пород и отходов горно-обогатительных предприятий по ГОСТ 8267-93. При наибольшей крупности зерен заполнителя, равной 80 мм, допускается по согласованию с потребителем поставка смеси фракций размером от 5 до 40 мм. Содержание пылевидных и глинистых частиц в щебне из осадочных пород не должно превышать (%, по массе): 2 - для однослойных и верхнего слоя двухслойных покрытий дорог; 3 - для нижнего слоя двухслойных покрытий и оснований усовершенствованных капитальных покрытий дорог. Марки щебня, гравия и щебня из гравия по прочности должны быть не ниже указанных в табл. 17.2.
Таблица 17.2
|
Назначение бетона |
Марка крупного заполнителя по прочности, не ниже |
||
|
щебень |
гравий и щебень из гравия |
||
|
из изверженных и метаморфических пород |
из осадочных пород |
||
|
Однослойные покрытия и верхний слой двухслойных покрытий |
1200 |
800 |
Др8 |
|
Нижний слой двухслойных покрытий |
800 |
600 |
Др12 |
|
Основания усовершенствованных капитальных покрытий |
800 |
300 |
Др16 |
Щебень и гравий, кроме марок по прочности, указанных в табл. 17.2, должны иметь марки по износу в полочном барабане не ниже указанных в табл. 17.3.
Таблица 17.3
|
Назначение бетона |
Марка по истираемости в полочном барабане, не ниже |
||
|
щебень |
гравий и щебень из гравия |
||
|
из изверженных пород |
из осадочных пород |
||
|
Однослойные покрытия и верхний слой двухслойных покрытий |
И-I |
И-II |
И-II |
|
Нижний слой двухслойных покрытий |
И-III |
И-III |
И-III |
|
Основания усовершенствованных капитальных покрытий |
И-III |
B-IV |
И-IV |
Содержание в крупных заполнителях зерен пластинчатой (лещадной) и игловатой формы для бетона дорожных однослойных и верхнего слоя двухслойных покрытий не должно превышать 25 % по массе. Морозостойкость щебня и гравия должна быть не ниже требований, указанных в табл. 17.4.
Таблица 17.4
|
Назначение бетона |
Марка по морозостойкости щебня и гравия для бетона, эксплуатируемого в районах со среднемесячной температурой наиболее холодного месяца |
||
|
от 0 до -5°С |
от -5 до -10°С |
ниже -15°С |
|
|
Однослойные покрытия и верхний слой двухслойных покрытий |
F50 |
F100 |
F150 |
|
Нижний слой двухслойных покрытий |
F25 |
F50 |
F100 |
|
Основания усовершенствованных капитальных покрытий |
F15 |
F25 |
F25 |
Песок из отсевов дробления и обогащенный песок из отсевов дробления для бетонов дорожных покрытий и оснований должны иметь марки по прочности исходной горной породы или гравия не ниже указанных в табл. 17.5.
Таблица 17.5
|
Назначение бетона |
Марка по прочности исходной горной породы или гравия, из которого изготовлен песок |
||
|
изверженные породы |
осадочные и метамор- |
гравий |
|
|
Однослойные покрытия и верхний слой двухслойных покрытий |
800 |
800 |
Др8 |
|
Нижний слой двухслойных покрытий |
800 |
400 |
Др16 |
Бетоны марки по морозостойкости F100 и выше для дорожных покрытий изготовляют с обязательным применением воздухововлекающих и газообразующих добавок. Вода для затворения бетонной смеси и приготовления растворов химических добавок должна соответствовать требованиям ГОСТ 23732-79.
Требования к дорожным бетонным смесям. Свойства бетона в покрытии, качество его поверхности, производительность бетоноукладочных машин зависят от того, насколько технологические свойства бетонной смеси соответствуют средствам укладки, уплотнения и отделки.
Бетонная смесь должна иметь подобранный зерновой состав с достаточным количеством песка и растворной части, хорошую удобоукладываемость (отделываемость), обеспечивающую получение ровной и замкнутой поверхности покрытия при принятой подвижности или жесткости, высокую воздухоудерживающую способность (ГОСТ 7473-94. Смеси бетонные. Технические условия. - М.: МНТКС, 1996. - 15 с).
Наиболее существенное положительное влияние на воздухоудерживающую способность бетонной смеси оказывает увеличение количества воздухововлекающей добавки, дисперсности песка и относительной доли песка в смеси заполнителей, характеризуемой коэффициентом раздвижки щебня раствором.
Коэффициент раздвижки может быть определен по формуле
где (17.1)
Ц, В, П, Щ - количество цемента, воды, песка, щебня в 1 м3 бетонной смеси, кг;
α - коэффициент пустотности щебня;
ρц, ρп - плотность соответственно цемента и песка, кг/м3;
γо.щ. - объемная масса щебня, кг/м3.
Важно исключить расслаиваемость бетонной смеси при ее транспортировании и распределении по основанию.
Расслоение бетонной смеси проявляется в послойном разделении ее составных частей, обильном выделении на поверхности смеси цементного молока или растворной части. Технология строительства бетонных покрытий включает ряд операций, которые могут способствовать расслоению смесей. Это выгрузка смеси из бетоносмесительной установки в кузов автосамосвала, транспортирование смеси на значительные расстояния, выгрузка смеси в приемный бункер бетоноукладчика, а также распределение бетонной смеси по основанию.
Значительное расслоение бетонной смеси приводит к появлению неплотных зон в структуре бетона, к снижению ее однородности и самое главное - к ослаблению поверхностного слоя бетонного покрытия за счет появления в нем избытка влаги и цементного теста. В результате создаются условия для снижения стойкости бетона против поверхностного разрушения, вызываемого совместным действием на бетон транспортных нагрузок, попеременного замораживания и оттаивания в присутствии хлористых солей.
Устойчивость бетонных смесей против расслоения зависит от их вязкости в статическом состоянии, а также от свойств компонентов и соотношений между ними.
Малоподвижные и жесткие бетонные смеси, низкие значения водоцементного фактора, высококачественные цементы, характеризуемые малым водоотделением, пластифицирующие и особенно воздухововлекающие добавки, повышающие связность смеси, - все это обеспечивает высокую устойчивость бетонных смесей против расслоения. Опасность расслоения возникает при неправильном подборе состава бетона, особенно при использовании мелких песков, а также при применении смесей более пластичных, чем это рекомендуется для данной виброуплотняющей машины. Удобоукладываемость бетонной смеси характеризует ее способность формоваться и уплотняться без расслоения под воздействием средств виброуплотнения. Удобоукладываемость смеси оценивается ее вязкостью (показателем жесткости или подвижности), которая должна строго соответствовать уплотняющей способности применяемых средств механизации. Если вязкость бетонной смеси выше той, на которую рассчитана данная бетоноотделочная машина (при определенной толщине уплотняемого слоя), то не будет достигнута необходимая степень плотности и прочности бетона. Если же вязкость смеси ниже, избыточная энергия уплотнения будет способствовать расслоению смеси.
В соответствии с указаниями по строительству цементобетонных покрытий автомобильных дорог [38] при устройстве покрытий комплектом машин со скользящей опалубкой показатели подвижности или жесткости бетонной смеси перед уплотнением выбирают с учетом принятой скорости движения бетоноукладчика и должны соответствовать данным таблицы 17.6.
Таблица 17.6
|
Скорость движения бетоноукладчика, м/мин |
Подвижность (осадка конуса), см |
Жесткость, с |
|
< 2 |
2 |
8-10 |
|
2-2.5 |
3 |
5-8 |
|
2,5-3 |
4 |
3-5 |
Во избежание недопустимых деформаций кромок и боковых граней покрытия после прохода бетоноукладчика со скользящей опалубкой не используют бетонные смеси с осадкой конуса на месте укладки более 4 см. С этой же целью при строительстве многополосных покрытий не используют бетонные смеси с осадкой конуса более 2 см.
Технические требования к составу бетонных смесей выражаются в нормировании водоцементного отношения (не более 0,5) и воздухосодержания (5-7 % на месте укладки бетона. ГОСТ 26633-91. Бетоны тяжелые и мелкозернистые. Технические условия. - Взамен ГОСТ 10268-80, ГОСТ 26633-85; Введ. 01.01.92. - М.: ИПК Изд-во стандартов, 1991. -22 с).
Проектирование состава дорожного бетона. Подбор состава заключается в определении рационального соотношения между компонентами бетонной смеси в соответствии с предъявляемыми требованиями:
к подвижности (жесткости) бетонной смеси;
к объему вовлеченного воздуха (или выделившегося газа) в свежеуложенной бетонной смеси;
к долговечности бетона, то есть длительной и устойчивой его работе в окружающей среде в соответствии с проектными марками по морозостойкости;
к прочности бетона в соответствии с проектными марками по прочности.
Подбор состава бетона производится расчетно-экспериментальным методом с расчетом по формулам и графикам и с последующим уточнением экспериментальным путем в следующем порядке:
определяется расчетным путем ориентировочно водоцементное отношение (В/Ц), необходимое для получения заданной марки бетона по прочности на растяжение при изгибе;
назначается в зависимости от требований к бетону средний объем вовлеченного воздуха и ориентировочно количество добавки ПАВ;
определяется водопотребность бетонной смеси принятой подвижности (жесткости) на основе имеющегося в лаборатории опыта или по рекомендуемым в литературе таблицам и графикам;
рассчитывается по величинам водопотребности и В/Ц содержание цемента в 1 м3 бетона;
назначается коэффициент раздвижки Кр крупного заполнителя раствором и находится содержание крупного заполнителя в 1 м3 бетона;
рассчитывается содержание песка в 1 м3 бетона;
уточняется экспериментальным путем состав бетона.
Подбор состава бетона должен производиться на материалах, удовлетворяющих требованиям ГОСТа. Бетонную смесь при подборе состава приготавливают в бетономешалках с объемом замеса 60 л. От способа перемешивания компонентов зависит объем вовлеченного воздуха. Длительность перемешивания после введения раствора ПАВ и воды затворения должна составлять 1,5-2 мин.
Ориентировочно В/Ц рассчитывают по формулам:
с содержанием вовлеченного воздуха
(17.2)
для бетона без вовлеченного воздуха
![]()
где (17
3)
RЦ - предел прочности цемента на растяжение при изгибе, определенный экспериментально или принятый для данной марки цемента по ГОСТу на портландцемент и шлакопортландцемент;
RБ - марка бетона по прочности на растяжение при изгибе.
Ориентировочно содержание воды назначается не более 165-170 кг.
Содержание цемента определяют по формуле
Ц = В : В/Ц, где (17.4)
В - содержание воды, кг/м3;
Ц - содержание цемента, кг/м3.
Содержание крупного заполнителя определяют по формуле
где (17.5)
КЗ - содержание крупного заполнителя в 1 м3 бетона, кг;
Кр - коэффициент раздвижки, минимальное значение которого для бетона с вовлеченным воздухом в зависимости от крупности песка назначают в пределах 1,7 - 1,9 и в дальнейшем уточняют экспериментально;
Vкз - пустотность крупного заполнителя в стандартном насыпном состоянии в виде относительной величины, которую находят по формуле:
где (17.6)
- объемная насыпная масса крупного заполнителя, кг/л;
- плотность крупного заполнителя, кг/л, определяемая по
стандарту на методы испытания щебня из естественного камня, гравия, щебня из
гравия для строительных работ.
Минимальное значение коэффициента раздвижки щебня раствором в зависимости от крупности песка принимают равным:
1,7 - для мелких песков с модулем крупности от 1,5 до 2;
1,8 - для средних песков с модулем крупности от 2 до 2,5;
1,9 - для крупных песков с модулем крупности более 2,5.
Максимально возможное значение коэффициента раздвижки разрешается уточнять экспериментально на пробных замесах путем построения графика зависимости осадки конуса или показателя жесткости бетонной смеси с одинаковым В/Ц и водосодержанием от коэффициента раздвижки. Максимальное значение коэффициента раздвижки соответствует значению коэффициента раздвижки на графике, при котором показатели подвижности и жесткости бетонной смеси существенно не изменяются по сравнению со смесью с минимальными коэффициентами раздвижки. Максимальное значение коэффициента раздвижки не должно превышать минимальное значение более чем на 0,2-0,3.
Содержание песка в 1 м3 бетона определяют по формуле
где (17.7)
Ц - содержание цемента в 1 м3 бетона, кг;
Vв - объем вовлеченного воздуха в 1 м3 бетона, принимаемый по ГОСТ [2], л;
γц и γп - соответственно плотности цемента и песка, кг/л.
Номинальный состав бетона по массе определяют по формуле
(17.8)
Расчетный состава бетона должен быть подвергнут экспериментальному уточнению на предназначенных к применению материалах с целью уточнения:
водопотребности смеси, количества воздухововлекающей, а также пластифицирующей (при комплексном их применении) добавок ПАВ и коэффициента раздвижки щебня раствором;
В/Ц для получения заданных марок бетона по прочности на растяжение при изгибе и сжатии.
Экспериментально уточненный состав бетона является номинальным, так как в нем не учтена влажность заполнителей. В номинальный состав бетона необходимо вносить поправки на фактическую влажность заполнителей, чтобы получить рабочий состав бетона.
Если влажность песка Wп (%), а влажность крупного заполнителя Wкз (%), то рабочий расход воды Вр (кг), песка Пр (кг) и крупного заполнителя КЗр (кг) должны соответственно составить:
(17.9)
(17.10)
где (17.11)
Во, П, КЗ - соответственно содержание воды, песка и крупного заполнителя в 1 м3 бетона номинального состава.
Рабочий состав бетона (содержание воды) корректируют с учетом концентрации водных растворов ПАВ. Выбранный в лаборатории состав бетона проверяют в производственных условиях при пробном бетонировании. При этом оценивают качество уплотнения и отделки поверхности бетона, а также устойчивость кромок и боковых граней покрытия после прохода бетоноукладчика. В случае необходимости состав бетонной смеси корректируют.
Жёсткими называют дорожные одежды с конструктивными слоями из цементобетона. В зависимости от технологии строительства жёсткие покрытия и основания подразделяют на монолитные, сборные, сборно-монолитные и из укатываемого бетона. Цементобетонные покрытия и основания могут быть неармированными, армированными (в том числе непрерывно армированными) и дисперсно армированными. Покрытия выполняют одно- и двухслойными. В общем случае жёсткая дорожная одежда с покрытием монолитного типа имеет следующие конструктивные слои: покрытие, выравнивающий слой, основание, дополнительный слой основания (рис. 17.1).
Выравнивающий слой, как правило, устраивают в случае применения при строительстве покрытий комплекта машин, перемещающихся по рельс-формам. Выравнивающий слой из необработанного песка устраивают толщиной 5 см, а из чёрного песка толщиной 3 см. Этот слой предназначен главным образом для снижения сил трения, возникающих при перемещении плит покрытия по основанию вследствие изменения температуры, выравнивает неровности основания, более равномерно распределяет силовое воздействие колёс автомобилей и уменьшает напряжения от коробления плит покрытия.

Рис. 17.1 Поперечные разрезы типовых дорожных одежд с цементобетонным покрытием, устраиваемых комплектами машин:
а - со скользящими формами; б - с применением рельс-форм; 1 - покрытие; 2 - выравнивающий слой; 3 - основание; 4 - дополнительный слой основания; 5 - земляное полотно; 6 - укреплённая полоса
При применении высокопроизводительных машин с автоматической системой обеспечения ровности для строительства оснований из материалов, укреплённых вяжущими, необходимость в устройстве выравнивающего слоя отпадает.
На автомобильных дорогах I и II категорий основания устраивают из каменных материалов (щебня, гравия, гравийно-песчаных смесей), укреплённых цементом или отходами промышленности, обладающие вяжущими свойствами, из тощего бетона, а также из песка и супесей, укреплённых цементом [38]. На дорогах II и III категорий строят основания из грунта, укреплённого органическим вяжущим, из подобранного щебёночного и гравийного материала или шлака. При соответствующем технико-экономическом обосновании на дорогах III категории строят основания из каменных материалов и грунтов, укреплённых неорганическим вяжущим.
На отдельных участках с расчётной интенсивностью движения до 4000 авт./сут допускается применять при использовании рельсового комплекта машин основания из песка или песчано-гравийных смесей.
При строительстве покрытий комплектом машин со скользящими формами для обеспечения прохода гусениц машин ровное и прочное основание устраивают не менее чем на 2,1 м шире покрытия. Требуемую толщину основания из песчаных и супесчаных грунтов, укреплённых цементом, из тощего бетона, а также из щебня, шлака или гравия определяют расчётом, однако она не должна быть меньше 15 см при движении по основанию автомобилей-самосвалов грузоподъёмностью до 7 т. При использовании автомобилей грузоподъёмностью от 7 до 12 т толщина основания из укреплённых цементом грунтов и каменных материалов 1 класса прочности должна быть не менее 16 см.
Дополнительный слой основания устраивают из морозостойких и дренирующих материалов. В отдельных случаях предусматривают морозозащитный слой из материалов, укреплённых вяжущими, для обеспечения постоянной толщины слоев и прохода машин, строящих дорожную одежду, без разрушения поверхности слоев.
Толщину плит покрытия и толщину всех конструктивных слоев определяют расчётом при проектировании дорожной одежды [39]. В зависимости от категории дороги, расчётной интенсивности движения, материала основания и природно-климатических условий района строительства толщина покрытия обычно равна 18-24 см.
Для снижения напряжений, возникающих при суточных и сезонных изменениях температуры воздуха, в цементобетонных покрытиях устраивают температурные швы сжатия, коробления, расширения и рабочие. Кроме перечисленных поперечных температурных швов устраивают и продольные швы. Продольный шов требуется при ширине покрытия более 4,5 м, для предупреждения появления извилистых продольных трещин, образующихся от воздействия транспортных средств, неоднородного пучения и осадки земляного полотна.
Швы расширения (рис. 17.2) предназначены для восприятия перемещений плит при их расширении под действием высоких летних температур. При правильном устройстве швов расширения они устраняют перенапряжение плит и исключают отрицательное влияние этих напряжений на продольную устойчивость покрытия, сколо- и трещинообразование. В швах расширения покрытие разрезают по всей ширине и на всю толщину устанавливают прокладки из дерева, пенополиуретана и других материалов. Верхнюю часть швов расширения заполняют герметизирующими материалами.

Рис. 17.2. Конструкции поперечных швов расширения:
а - устраиваемые в покрытии; б - перед искусственными сооружениями; 1 - штыри; 2 - каркас-корзинка; 3 - деревянная доска-прокладка; 4 - битумная обмазка; 5 - колпачок из резины или полиэтилена; 6 - мастика; 7 - воздушный зазор в колпачке; 8 - герметизирующий материал или готовая резиновая прокладка; 9 - пористый легкосжимаемый материал
Швы сжатия (рис. 17.3) устраивают между швами расширения, чтобы предупредить появление трещин, возникающих в покрытии вследствие изменения температуры, усадки бетона и неоднородных деформаций земляного полотна. В швах сжатия покрытие разрезают по всей ширине на глубину не менее 1/4 толщины. Ниже этой прорези в последующем возникает трещина, так как при сокращении плиты от понижения температуры вследствие трения между плитой и основанием в бетоне плиты возникает растяжение.

Рис. 17.3. Схема расположения штырей в швах цементобетонного покрытия:
1 - шов расширения; 2 - шов сжатия при основании из каменных материалов и из грунтов, укреплённых вяжущим; 3 - шов сжатия при основании из материалов, не укреплённых вяжущими (песок, щебень, шлак, гравийно-песчаная смесь); 4 - штыри
Расстояние между швами сжатия (длину плиты) назначают по расчёту в зависимости от толщины плиты и природно-климатических условий. Длину неармированных плит назначают в пределах, указанных в табл. 17.7.
Таблица 17.7
|
Климат |
Толщина покрытия, см |
|||
|
18 |
20 |
22 |
24 |
|
|
Длина плиты, м |
||||
|
Умеренный |
4,5-5 |
5-6 |
5-6 |
5,5-7 |
|
Континентальный |
3,5-4 |
4-5 |
4-5 |
4,5-6 |
После нарезки швов в затвердевшем бетоне нарезчиком швов с алмазными дисками и очистки шва сжатым воздухом в него запрессовывают уплотнительный шнур, обрабатывают стенки праймером и производят герметизацию.
Швы коробления повышают продольную устойчивость покрытия, уменьшают в плитах температурные напряжения, повышают трещиностойкость и транспортно-эксплуатационные качества покрытия. Швы коробления размещают через один шов сжатия. Швы коробления не устраивают в плитах длиннее 6 м. Рабочие швы применяют в конце рабочей смены или при перерыве бетонирования покрытия более чем на 3 ч.
Рабочие швы устраивают по типу швов расширения. Для частичной передачи нагрузки с плиты на плиту и для исключения образования ступеней между плитами поперечные и продольные швы армируют (рис. 17.4).

Рис. 17.4. Конструкции поперечных швов сжатия и продольного шва:
а) в свежеуложенном бетоне; б) комбинированным способом; в) в затвердевшем бетоне; г) продольный шов; пунктиром показана обмазка штырей битумом
При строительстве машинами со скользящими формами покрытий толщиной 22-24 см на основаниях из цементогрунта толщиной 16 см и более в швах сжатия штыревые соединения не применяют, за исключением штыревых соединений в контрольных швах, нарезаемых в свежеуложенном бетоне. Такие швы, устраиваемые по типу швов сжатия, можно не армировать, если суточный перепад температуры на поверхности покрытия достигает 20°С. При наличии швов сжатия без штыревых соединений велика вероятность уступов между плитами в период эксплуатации. Размеры штырей из гладкой арматуры приведены в табл. 17.8.
Таблица 17.8
|
Шов |
Толщина плиты, мм |
Длина штырей, мм |
Диаметр штырей, мм |
|
Расширения |
180 200-240 |
500 500 |
22 25 |
|
Сжатия |
180-240 |
450 |
20 |
|
Продольный |
180-240 |
750 |
16 |
Во всех случаях, когда необходимо исключить на отдельных участках штырей сцепление с бетоном, в этих местах штыри покрывают битумом слоем 0,2-0,3 мм.
Если в основании применён бетон класса В12,5 - В15, в нём устраивают продольные и поперечные швы со штыревыми соединениями, как в покрытиях. Длину плиты назначают 4 м при толщине основания менее 20 см, и 5 м при толщине 20 см и более.
При строительстве покрытий на дорогах II категории с основаниями из песка и гравийно-песчаных смесей края плит, примыкающие к обочинам, армируют двумя стержнями из арматуры периодического профиля диаметром 12 мм. При укреплении обочин монолитным бетоном в них устраивают швы сжатия и расширения без армирования как продолжение швов сжатия или расширения покрытия. С целью ограничения растрескивания плит при неоднородных деформациях земляного полотна применяют армирование бетонных покрытий. Используют плоские сетки с продольной арматурой из стали А-II периодического профиля диаметром 8-14 мм с размещением сеток в средней по высоте зоне плиты. Расход продольной арматуры на 1 м2 покрытия приведен в табл. 17.9. Количество арматуры установлено из условия раскрытия трещин до 0,2 мм с целью предотвращения коррозии.
Таблица 17.9
|
Толщина плиты, см |
Длина плиты, м |
||||
|
5 |
8 |
10 |
15 |
20 |
|
|
Расход продольной арматуры, кг/м2 |
|||||
|
24 |
- |
2,3 |
2,8 |
4,1 |
- |
|
20-22 |
1,8 |
2,0 |
2,5 |
3,7 |
4,5 |
|
18 |
1,2 |
1,4 |
1,7 |
2,5 |
3,4 |
В зависимости от категории дороги и интенсивности движения применяют три схемы армирования (рис. 17.5) [38].

Рис. 17.5. Схемы армирования плит цементобетонных покрытий автомобильных дорог
Для интенсивности движения, не превышающей 5000 авт./сут, при насыпях высотой менее 3 м может быть применено краевое армирование сеткой из семи продольных стержней периодического профиля диаметром 12 мм (см. рис. 17.5, б).
На дорогах с интенсивностью более 5000 авт./сут, на насыпях выше 3 м и особенно у путепроводов при пересечении железных дорог производят армирование плоскими сварными сетками по схеме, приведенной на рис. 17.5 (а, в). Армирование плит по схемам, приведенным на рис. 17.5 (а, в), отличается только диаметром арматуры продольных стержней при одинаковом расходе на 1 м2.
Принципиальное отличие непрерывно армированных цементобетонных покрытий от обычных неармированных состоит в том, что под влиянием внешних воздействий и благодаря наличию арматуры в них образуются поперечные трещины с шагом 1,5-3,0 м и раскрытием их на поверхности до 0,2-0,4 мм. Такое незначительное раскрытие трещин обеспечивает передачу поперечной силы между плитами и гарантирует от проникновения к арматуре воды, так как на уровне арматуры трещины не раскрываются. Непрерывно армированные покрытия позволяют устраивать швы расширения через довольно большие расстояния.
Технология производства работ определяет особенности непрерывно армированного покрытия. При укладке бетона в один слой применяют арматурные сетки из стержней диаметром 14-20 мм с размерами ячеек, достаточными для прохождения бетона через заранее выложенные на подставках сетки. При укладке бетона в два слоя сетки раскладывают по уложенному нижнему слою бетона. Процент армирования конструкции обычно принимают равным 0,5-0,7 %.
Поперечную распределительную арматуру располагают через 25-70 см; рабочую арматуру по высоте сечения располагают на расстоянии 1/4-1/2 от верха плиты. В местах сопряжения с покрытиями других типов в конструкцию непрерывно армированного покрытия встраивают анкеры. Анкерные устройства назначают по расчету.
Покрытия из сборных железобетонных плит получили распространение на дорогах прежде всего промышленных, лесозаготовительных и сельскохозяйственных предприятий. В настоящее время выпускают различные типы конструкций сборных плит, отличающихся размерами в плане, толщиной, типом арматуры, особенностями ее размещения и процентом армирования, типом стыковых соединений и свойствами цементобетона. Большое число типоразмеров плит вызвано разнообразием условий их применения.
Наибольшее распространение получили предварительно напряженные плиты ПДСН 0,14×2×6 (плита дорожная, сборная, напряженная) с расходом арматуры 7-8 кг/м2, разработанная на базе аэродромной плиты ПАГ-ХIV.
Отличительной особенностью плит ПДСН 0,14×2×6 является уменьшение количества рабочей арматуры вследствие меньших расчетных нагрузок в сравнении с плитой ПАГ-XIV.
Разновидностью плиты ПДСН 0,14×2×6 является плита 3ПДСН 0,14×2×2, состоящая из трех элементов, сочлененных между собой. При эксплуатации такая плита растрескивается в местах ослабления сечения, что способствует улучшению однородности опирания на основание. Связь между элементами плиты обеспечивается арматурой, одновременно ограничивающей раскрытие трещин.
При строительстве временных дорог применяют специальные плиты ПД1-ПД3 (табл. 17.10). Конструкции плит разработаны трех типоразмеров в зависимости от нагрузки на колесо. Плиты армируют сварными сетками из арматуры периодического профиля.
Таблица 17.10
|
Марка плиты |
Нормативная нагрузка на колесо, кН |
Размеры плиты, см |
Масса плиты, т |
Класс бетона по прочности на сжатие |
Объем бетона, м3 |
Расход арматуры на плиту/на 1 м2, кг |
|
ПД1-6 |
60 |
175×150×18 |
1,2 |
В-15 |
0,46 |
30,9/12,0 |
|
ПД1-9,5 |
95 |
175×150×18 |
1,2 |
В-15 |
0,46 |
42,3/16,4 |
|
ПД2-6 |
60 |
300×150×18 |
2,0 |
В-15 |
0,8 |
55,6/12,6 |
|
ПД2-9,5 |
95 |
300×150×18 |
2,0 |
В-15 |
0,8 |
81,6/18,5 |
|
ПД3-16 |
160 |
300×150×22 |
2,5 |
В-22,5 |
0,97 |
114,0/25,9 |
|
ПД3-23 |
230 |
300×150×22 |
2,5 |
В-22,5 |
0,97 |
187,1/42,4 |
Сборно-монолитные цементобетонные покрытия состоят из тонких железобетонных плит, укладываемых на слой низкомарочной пластичной бетонной смеси, которую приготавливают с применением местных материалов. Основным преимуществом сборно-монолитного покрытая по сравнению со сборным является экономия высокопрочных каменных материалов, а также повышение устойчивости плит, что обеспечивает больший срок службы, сокращение затрат на их ремонт и содержание.
Дорожная одежда со сборно-монолитным покрытием (рис. 17.6) включает в себя следующие конструктивные слои: верхний слой покрытия (сборная часть толщиной 6-12 см); нижний слой покрытия (монолитная часть толщиной, определяемой расчетом) и основание. (Афиногенов О.П. Сборно-монолитные покрытия технологических автомобильных дорог. - Новосибирск: Наука, 1997. - 142 с). Рекомендуемые типоразмеры плит приведены в табл. 17.11.
Таблица 17.11
|
Марка плиты |
Размеры плиты ,м |
Схема располо- |
Масса плиты, т |
Класс бетона по |
||
|
длина а |
ширинаb |
толщина Н |
||||
|
ПСМП-3×2 |
3,0 |
2,0 |
0,09 |
А |
1,30 |
Вbtb4.0 |
|
ПСМП-3×1,75 |
3,0 |
1,75 |
0,09 |
А |
1,14 |
Вbtb 3.6 |
|
ПСМП-2×1,75 |
2,0 |
1,75 |
0,08 |
А, Б |
0,76 |
Вbtb3.6 |
|
ПСМП-2×1,15 |
2,0 |
1,5 |
0,08 |
А |
0,70 |
Вbtb3.6 |
|
ПСМП-1,75×1 |
1,75 |
1,0 |
0,08 |
А, Б |
0,30 |
Вbtb3.6 |

Рис. 17.6. Сборно-монолитное цементобетонное покрытие:
а) - поперечный разрез; б) - продольный разрез; 1 - основание; 2 - нижний (монолитный) слой покрытия; 3 - верхний (сборный) слой покрытия
Транспортирование цементобетонной смеси. Готовые бетонные смеси транспортируют к месту укладки автобетоновозами или автомобилями-самосвалами. Кузова автомобилей-самосвалов должны быть водонепроницаемыми, иметь исправные затворы и гладкую поверхность.
Применяемые способы транспортирования бетонных смесей должны исключать возможность попадания в них атмосферных осадков, нарушения однородности, потери цементного раствора, а также обеспечивать предохранение смеси в пути от воздействия ветра и солнечных лучей.
Для максимального использования производительности комплекта бетоноукладочных машин и получения бетона однородного состава смесь выпускают равномерно и непрерывно в течение смены. Количество транспортных средств устанавливают и корректируют с учётом дальности транспортирования смеси и полной загрузки комплекта машин по устройству покрытия и исключения перерывов в подаче смеси к месту укладки.
Для предотвращения расслоения бетонной смеси при погрузке её в автомобили-самосвалы на бетонном заводе при необходимости устраивают промежуточные накопительные бункеры или лотки. Высота падения бетонной смеси при перегрузках не должна быть более 1,5 м. Кузова автобетоновозов (разд. 27.7, табл. 27.28, 27.29) или автомобилей после выгрузки бетонной смеси промывают водой.
Максимально допустимая продолжительность транспортирования бетонной смеси, готовой к употреблению, при температуре воздуха от 20°С до 30°С и при температуре смеси 18-20°С приведена в табл. 17.12 (ГОСТ 7473-94. Смеси бетонные. Технические условия. - Взамен ГОСТ 7473-85; Введ. 01.01.96 - М.: МНТКС, 1996. - 15 с).
Таблица 17.12
|
Марка смеси по удобоукладываемости |
Средняя скорость транспортирования, км/ч |
Продолжительность транспортирования, мин |
|
|
автобетоносмесителем |
автосамосвалом |
||
|
Ж2-Ж1 |
30 |
210 |
60 |
|
П1 |
210 |
60 |
|
|
П2 |
150 |
40 |
|
|
П3-П5 |
90 |
30 |
|
Примечание. При изменении температуры смеси или окружающей среды максимально допустимую продолжительность транспортирования определяют опытным путём.
Технология строительства бетоноукладчиками со скользящими формами. В мировой практике строительства цементобетонных покрытий существует две основные технологии: в рельс-формах и в скользящих формах. В настоящее время повсеместно применяют в основном более прогрессивную технологию устройства покрытий в скользящих формах.
Идея безрельсовой укладки дорожного бетона появилась в США. В 1948 г. были проведены первые опыты по строительству цементобетонных покрытий в подвижной опалубке. Однако широкая реализация безрельсовой укладки бетонной смеси стала возможной только после создания надёжных автоматических систем - основы достижения достаточно высокой ровности покрытия, устраиваемого без боковой опалубки. Впервые самоходный бетоноукладчик со скользящими формами выпущен США в 1955 г. С этого момента серийный выпуск таких машин получил быстрое развитие.
В России начиная с 1975 г. на заводе «Брянский арсенал» был налажен выпуск комплектов бетоноукладочных машин ДС-110 по типу машин «Автогрейд» американской фирмы «CMI».
Ведущими производителями бетоноукладочной техники являются фирмы «Gomaco» и «CMI» (США), «Wirtgen» (Германия), «Massenza» (Италия).
Все фирмы выпускают бетоноукладчики малого, среднего и большого класса с шириной укладки соответственно до 6, 12 и 16 метров. Современные модели бетоноукладчиков имеют возможность изменения ширины бетонирования в широких пределах, что обеспечивает универсальность их применения для различных условий строительства.
Все модели современных бетоноукладчиков оснащаются автоматическими системами выдерживания курса и уровня, а отдельные - системой стабилизации поперечного уклона, что позволяет укладывать цементобетонное покрытие с высокой ровностью.
В качестве базы для работы автоматических систем используется в основном копирная струна с вынесенными на неё проектными отметками продольного профиля. Точность и тщательность установки струны во многом определяет качество устраиваемого покрытия и, в первую очередь, его ровность.
До начала работ по установке копирных струн должны быть закончены все работы по отсыпке земляного полотна. Копирные струны устанавливают с двух сторон для работы бетоноукладчика со скользящими формами. От одной струны допускают работу профилировщика с системой поперечной стабилизации уровня распределителя бетонной смеси, бетоноотделочной машины и машины для нанесения плёнкообразующих материалов. Линию копирной струны разбивают с помощью теодолита и нивелира на 0,5-1 м по высоте и на 7 м от оси дороги. Струну закрепляют в кронштейнах на стойках, располагаемых через 4-6 м на кривых и через 15 м на прямых участках дороги общей длиной не менее суточной захватки потока по устройству данного конструктивного слоя. Копирные струны натягивают с помощью натяжных барабанов, устанавливаемых в створе линии натяжения струны.
В последнее время большое значение придают совершенствованию систем управления бетоноукладочными машинами. Лазерная система управления курсом и уровнем укладчика позволяет отказаться от трудоёмкой операции установки копирных струн.
Номенклатура машин для устройства цементобетонных покрытий, производимых фирмами, включает не только бетоноукладчики, но и профилировщики для подготовки основания, распределители бетонной смеси, машины для создания текстуры поверхности и ухода за бетоном.
Планировку земляного полотна и оснований выполняют универсальной автоматизированной машиной - профилировщиком. Первой операцией при планировке грунта является его рыхление. Фрезу устанавливают на необходимую глубину зарезания. При рыхлении (фрезеровании) грунта профилировщик перемещается со скоростью до 15 м/мин. В конце участка вращение фрезы приостанавливают, поднимают её в транспортное положение, а профилировщик возвращают на транспортной скорости к началу участка для выполнения следующей операции - распределения и планировки грунта. Завершающей операцией является чистовая планировка, после которой поверхность земляного полотна должна быть ровной, иметь проектный поперечный уклон и быть спланированной под проектные отметки.
Окончательно земляное полотно укатывают катками на пневматических шинах. Уплотнение грунта заканчивают при достижении коэффициента уплотнения 0,98-1,0. Работу по планировке, как правило, ведут в две смены.
После окончательной подготовки верха земляного полотна профилировщик используют для устройства основания, например, из цементогрунтовой смеси, приготовленной в установке. Цементогрунтовую смесь доставляют автомобилями-самосвалами и выгружают по расчёту на земляное полотно. Планировку смеси профилировщиком выполняют, как правило, за один проход при скорости движения 10-15 м/мин.
Уплотнять смесь катками начинают сразу же после планировки её профилировщиком и заканчивают не позднее 4-6 ч после приготовления смеси в смесительных установках. Уплотняют цементогрунтовую смесь пневматическими катками. Укатывать начинают двумя проходами по краям основания с последующим смещением к середине с перекрытием полос на 25-30 см. Чистовая планировка является завершающей операцией по устройству цементогрунтового основания, в результате которой основание должно быть тщательно спланировано под проектную отметку с необходимым поперечным уклоном. Для выполнения данной операции установку и регулирование рабочих органов профилировщика проводят с особой точностью. Уход за основанием с применением плёнкообразующих материалов организуют сразу же после чистовой отделки основания профилировщиком. До выполнения чистовой профилировки основание увлажняют, чтобы оно не высыхало.
К работе по строительству покрытия приступают после завершения подготовительных работ, включая подготовку путей подвоза бетонной смеси, готовность к работе ЦБЗ и бетоноукладочного комплекта, наличие материалов для ухода за бетоном и т.д. Обочины, по которым будет доставляться к бетоноукладчику цементобетонная смесь, должны быть укреплены и тщательно спланированы.
Для бетоноукладчиков, выпускаемых американскими фирмами, характерно использование подвижных бетонных смесей П2 с осадкой конуса 3-6 см. Для бетоноукладчиков фирмы «Wirtgen» (Германия) применяют менее подвижные смеси П1 с осадкой конуса 1-3 см. При этом скорости бетонирования для этих типов машин также различны, так как применение подвижных смесей предопределяет более высокие рабочие скорости (2-5 м/мин.), тогда как менее подвижные смеси укладывают на скоростях 1-3 м/мин.
В качестве основных уплотняющих органов на бетоноукладчике используют гидравлические или электрические глубинные вибраторы. Типовая схема рабочих органов бетоноукладчика включает распределяющий шнек, дозирующий брус, глубинные вибраторы, трамбующий брус и формующую плиту.
В качестве дополнительного оснащения на бетоноукладчики устанавливается оборудование для армирования поперечных и продольных швов, а также боковой грани покрытия. Эффективность отделки покрытия и особенно мест погружения арматурных штырей достигается применением экструзионного бруса, совершающего возвратно-поступательные движения поперёк полосы укладки, и продольной выглаживающей плиты, совершающей сложные возвратно-поступательные движения вдоль укладываемой полосы и одновременное перемещение поперёк полосы.
Перед началом работ по укладке бетона проверяют правильность установки копирных струн на захватке. Размечают места расположения швов сжатия и расширения и устанавливают с помощью геодезических приборов металлические марки, к которым в дальнейшем приваривают каркасы швов сжатия и прикрепляют деревянные прокладки со штырями для швов расширения. Стальные каркасы швов сжатия крепят в верхней плоскости марок сваркой, а промежуточные участки дополнительно закрепляют костылями из стержневой арматуры. Для крепления деревянных прокладок швов расширения используют стальные кронштейны.
Система для армирования поперечных швов IDBI фирмы «Gomaco» позволяет автоматически устанавливать штыри в процессе укладки покрытия и отказаться от технологии, предусматривающей размещение штырей на основание в специальных корзинах перед укладкой бетона. При этом отпадает необходимость использования распределителя, а самосвалы могут разгружаться на основание непосредственно перед бетоноукладчиком.
При необходимости строительства армобетонных покрытий, когда каркасы или сетки заранее устанавливаются на основание и заезд на него самосвалов с бетонной смесью невозможен, применяется специальный распределитель с боковой загрузкой.
Для соединения полос укладки между собой на машинах фирмы «Wirtgen» применяется не только штыревое соединение, но и соединение в виде шпунта или синусоидального профиля, обеспечивающее эффективное распределение нагрузки между отдельными полосами в процессе эксплуатации.
Модель укладчика SP-1600 фирмы «Wirtgen» позволяет реализовать принципиально отличную от общепринятой технологию укладки двухслойного покрытия. При этой технологии бетоноукладчик укладывает одновременно два слоя из различных бетонных смесей. Бетонная смесь нижнего слоя распределяется непосредственно на основание перед бетоноукладчиком и обрабатывается рабочими органами, установленными в передней части машины, а цементобетонная смесь для устройства верхнего слоя подаётся транспортёром в заднюю часть укладчика, где также установлены распределяющие, дозирующие, уплотняющие и формующие рабочие органы.
Уход (защиту свежеуложенного бетона от высыхания) начинают немедленно после отделки поверхности покрытия. Основным способом ухода является применение плёнкообразующих веществ. Фирма «Gomaco» для нанесения шероховатости на поверхности покрытия и ухода за бетоном выпускает специальные модели машин Т/С 400В и Т/С 600. Машины оснащены распределительной системой, состоящей из бака, насоса, распределительной трубы и форсунок, количество которых зависит от ширины обрабатываемой полосы по уходу за бетоном и направляющих, на которых смонтированы щётки для придания шероховатости поверхности покрытия. Дополнительно на машинах может быть установлен барабан с полиэтиленовой плёнкой для защиты свежеуложенного бетона от внезапно выпавшего дождя.
Фирма «Wirtgen» выпускает две модели машин по уходу за бетоном ТСМ 850 и ТСМ 1600. Их отличие от моделей других фирм заключается в том, что плёнкообразующая жидкость распределяется через три форсунки, смонтированные на рампе, установленной вдоль оси покрытия и совершающей движение поперёк оси от одной кромки к другой. При этом операции нанесения шероховатости и распределения плёнкообразующей жидкости совмещены и производятся одновременно.
Швы в затвердевшем бетоне нарезают при достижении бетоном прочности 8-10 МПа нарезчиками швов с алмазными дисками. Чтобы не происходило обламывания кромок швов под нагрузкой и вследствие этого разгерметизации швов, производят снятие фасок. Операцию по снятию фасок выполняют специальным алмазным диском.
Герметизация швов в цементобетонном покрытии включает в себя следующие операции: продувку сжатым воздухом (при влажном бетоне - продувку осуществляют горячим воздухом); запрессовку уплотнительного шнура; обработку стенок шва праймером; герметизацию.
Для герметизации всех видов швов используются герметики холодного и горячего применения. Герметики холодного применения созданы на основе синтетических каучуков и, как правило, состоят из пасты и отвердителя. В России успешно применяют герметики VULCEM (США), U-SEAL (Канада), COLPOR (Англия) и др. Герметики холодного применения используют с помощью пневмошприцев и заливщиков для двухкомпонентных герметиков.
Герметизирующие материалы горячего применения включают битумы нефтяные, дроблёную резину, смягчители, пластификаторы, наполнители, полимерную добавку. Применение праймера (полимерной композиции) значительно удлиняет срок эксплуатации покрытия с герметичными швами.
Основные показатели некоторых герметизирующих мастик представлены в табл. 17.13, а требования к их относительному удлинению - в табл. 17.14.
Таблица 17.13
|
Герметизирующие мастики |
Температура размягчения по КиШ, °С, не ниже |
Температура хрупкости по Фраасу, °С, не выше |
Относительное удлинение при растяжении на разрыв, %, не менее, при температуре, °С: |
||
|
20 |
-20 |
||||
|
«Новомаст» (Россия) (ТУ 5775-001-18893843-99), марок |
65 |
65 |
-25 |
100 |
50 |
|
75 |
75 |
-45 |
450 |
150 |
|
|
90 |
90 |
-40 |
450 |
100 |
|
|
100 |
100 |
-35 |
350 |
50 |
|
|
«Crafco» (США), марок |
RS 34231 |
- |
-40 |
- |
200 |
|
RS 34221 |
- |
-30 |
- |
50 |
|
|
Битек-А |
- |
-50 |
400 |
50 |
|
|
МБРМ |
70 |
-40 |
450 |
- |
|
|
МС nafutekt plus |
91 |
-48 |
160 |
90 |
|
Таблица 17.14
|
Длина плит, м |
Средняя ширина деформационных швов, мм |
Требуемое относительное удлинение мастики, %, в |
|
|
умеренных климатических условиях (+20°С...-20°С) |
суровых климатических условиях (+30°С ...-50°С) |
||
|
5 |
5 |
80 |
160 |
|
10 |
40 |
80 |
|
|
20 |
20 |
40 |
|
|
30 |
13 |
27 |
|
|
10 |
5 |
160 |
320 |
|
10 |
80 |
160 |
|
|
20 |
40 |
80 |
|
|
30 |
27 |
53 |
|
|
20 |
5 |
320 |
640 |
|
10 |
160 |
320 |
|
|
20 |
80 |
160 |
|
|
30 |
53 |
107 |
|
Для разогрева мастик созданы специальные автоматические котлы с двойными стенками, термоконтролем и системой подачи мастики в швы. Растапливаемый материал опосредованно разогревается теплоносителем, в качестве которого применяют термомасло. Этим достигается щадящий режим плавления и разогрева мастики. Теплоноситель подогревают при помощи газового, масляного или дизельного обогрева. В ёмкости для разогрева мастики смонтирована установка принудительного перемешивания. Разогретую до нужной температуры мастику подают через сливной шланг и специальную пику с помощью нагнетающего насоса непосредственно в шов. Котлы-заливщики монтируют на одноосной или двухосной ходовой части. Созданы и самоходные котлы с гидравлическим приводом на ведущее колесо, которые могут самостоятельно, без буксирующей машины, двигаться вдоль швов при их герметизации (Ушаков В.В. Ремонт цементобетонных покрытий автомобильных дорог. - М., 2002. - 40 с (Автомоб. дороги: Обзорн. информ./ Информавтодор; Вып. 6).
В последние годы в зарубежной практике очень часто используется для герметизации швов технология закатки в шов эластичных или полых резиновых профилей. В этом случае возможно проведение работ даже в сырую погоду и при низких температурах. Для установки профилей разработаны специальные машины. Размер профиля должен на 40 % превышать ширину шва.
Строительство покрытий комплектом машин, перемещающихся по рельс-формам. До 60-х гг. XX в. преобладал метод укладки бетона в опалубке из инвентарных рельс-форм, устанавливаемых под нивелир и закрепляемых к основанию штырями и одновременно образующих два рельсовых пути для движения машин бетоноукладочного комплекта. Недостатками этого метода являются трудоёмкость установки, снятия и перевозки рельс-форм, когда многие операции выполняются вручную; большая металлоёмкость комплекта и в первую очередь из-за необходимости иметь большое число рельс-форм (общая длина звеньев не менее 1 км, а масса не менее 60 кг/м); малая мобильность комплекта и необходимость применения прицепов-тяжеловозов при перемещении бетоноукладочного комплекта даже на небольшие (0,1-0,5 км) расстояния. В то же время метод позволяет гарантировать уплотнение бетонной смеси и отделку поверхности покрытия за счёт дополнительных проходов бетоноотделочной машины; обеспечить постоянство толщины бетонного покрытия за счёт применения профилировщика основания, движущегося по рельс-формам и готовящего основание под отметки, равноудалённые от головок рельс-форм; применять бетонные смеси различной консистенции, включая и жёсткие, уплотняемые при совмещении вибрации с прессующим воздействием.
Работам по установке рельс-форм предшествует инструментальная разбивка и закрепление в натуре оси или одной из кромок будущего покрытия и его вертикальных отметок. Положение в плане кромки покрытия, определённое с помощью теодолита, фиксируют деревянными кольями или металлическими штырями, которые после этого забивают по нивелиру под проектную отметку поверхности покрытия.
Монтаж рельс-форм, так же как их погрузку и выгрузку, производят автомобильным краном. Их установку выполняют вначале по одной кромке, где по результатам инструментальной геодезической разбивки выставлены вертикальные отметки и зафиксировано положение кромки в плане. Когда одна нитка звеньев установлена в проектном положении и закреплена, с помощью шаблонов и уровня под контролем геодезиста монтируют вторую нитку рельс-форм. Типы рельс-форм представлены на рис. 17.7. Перед установкой рельс-форм необходимо обеспечить достаточную плотность основания под их подошвами.

Рис. 17.7. Рельс-формы: а - применяемые в России; б - применяемые за рубежом
В комплект машин, перемещающихся по рельс-формам, входят машины, осуществляющие распределение, уплотнение и отделку бетона. Кроме того, могут входить также машины для устройства деформационных швов, для нанесения плёнкообразующих материалов для ухода за бетоном, монтажа и демонтажа рельс-форм.
Первый отечественный комплект рельсовых машин, созданный в 1947 г. и выпускавшийся до 1952 г., состоял из самоходного бункерного распределителя бетонной смеси с боковой загрузкой Д-181А; самоходной бетоноотделочной машины Д-182А и мостика для нарезки швов виброножами Д-195Б.
В 1957 г. Николаевским заводом «Дормашина» был изготовлен новый комплект самоходных рельсовых бетоноукладочных машин, который состоял из профилировщика основания Д-345; бункерного распределителя Д-376; бетоноотделочной машины Д-376; машины для устройства швов Д-377; нарезчика швов в затвердевшем бетоне Д-432. Все машины передвигались по облегчённым конструкциям рельс-форм Д-280-4М-00.
Необходимость увеличения темпов укладки бетонных покрытий и повышения их качества и ровности привели к созданию и освоению в 1970 г. производства нового гидрофицированного комплекта линейных машин. В состав комплекта входили профилировщик ДС-509, шнековый бетонораспределитель ДС-507 и бетоноотделочная машина ДС-508.
Рабочими органами машины ДС-509 являются две профилирующие фрезы или шнеки, транспортёр и вибрационный брус. Фрезы служат для профилирования стабилизированного основания. Шнеки предназначены для профилирования песчаного основания. Транспортёр удаляет срезанный излишек материала основания за пределы рельс-форм, а вибрационный брус уплотняет основание.
После завершения работ по устройству основания, установке и закреплению рельс-форм на полосу бетонирования автосамосвалами завозят песок для выравнивающего слоя. Песок разравнивают автогрейдерами и увлажняют поливомоечными машинами, чтобы влажность песка в период его уплотнения была близка к оптимальной. Шнеками профилировщика Д-509 производят профилирование выравнивающего слоя в соответствии с проектным профилем и запасом на уплотнение и одновременно за один проход уплотняют выравнивающий слой.
Установку арматуры, как и установку закладных деталей швов сжатия и продольного шва, осуществляют до начала или в процессе бетонирования [38].
Шнековым распределителем ДС-507 осуществляют распределение и предварительное уплотнение бетонной смеси по полосе шириной 7,0 и 7,5 м. Основным рабочим органом машины ДС-507 является реверсивный шнек, состоящий из двух половин, каждая из которых имеет независимый привод. Вибробрус выполнен в виде сварной балки, на которой установлены шесть механических вибраторов, соединённых валами с эластичными муфтами.
Бетоноотделочная машина ДС-508 предназначена для окончательного уплотнения бетонной смеси, уложенной распределителем ДС-507, и отделки поверхности.
Швы сжатия в свежеуложенном бетоне нарезали нарезчиком ДНГИС-60, который двигался в потоке машин за бетоноотделочной машиной в 5-10 м от неё по рельс-формам. После нарезки бетон отделывали в зоне швов. В последующие годы более широкое применение получил метод нарезки швов в затвердевшем бетоне. Остальные технологические операции аналогичны применяемым при безрельсовом способе строительства покрытий.
Металлоёмкость рельс-форм составляет около 2/3 всей массы и стоимость - около 1/3 общей стоимости комплекта бетоноукладочных машин, трудоёмкость работ по установке и снятию рельс-форм - до 20 % общей трудоёмкости работ. Значительная часть трудозатрат даже в случае применения специализированных машин для установки рельс-форм приходится на ручные работы, что резко снижает уровень механизации и производительности труда.
Распределение и уплотнение бетонной смеси, а также отделка поверхности бетона при строительстве монолитных армированных покрытий автомобильных дорог выполняют аналогично технологии строительства монолитных бетонных покрытий. Армирование производят сварными сетками заводского изготовления или продольными стержнями. Допускается изготовление сеток в построечных условиях. Сетки размещают равномерно по длине покрытия и не доводят до поперечных швов на 50 см. Между сеткой и штыревым соединением в поперечном шве устанавливают расстояние не менее 25 см. Между осями продольных стержней расстояние должно быть 100-200 мм.
Установку арматуры осуществляют или до начала бетонирования - в процессе подготовительных работ, или в процессе бетонирования с помощью вибропогружателей. Установка арматуры до бетонирования возможна только при использовании распределителей бетонной смеси с боковой загрузки. Исключение составляет краевая продольная арматура бетонных покрытий, устраиваемых на песчаном основании, которая не мешает движению автосамосвалов, подвозящих бетонную смесь. Стержни краевой арматуры укладывают на подставки из арматурной стали диаметром 10-12 мм или на заранее изготовленные бетонные подкладки. Сварные сетки устанавливают на специальные Г-образные подставки, которые заранее приваривают к стержням сетки. Расстояние между низом глубинных вибраторов и верхом арматуры должно составлять 5-7 см.
При строительстве армированных покрытий в рельс-формах арматурные сетки обычно укладывают на предварительно распределённый нижний слой бетонной смеси. Распределение бетонной смеси в этом случае производят двумя распределителями.
Непрерывно армированные бетонные покрытия представляют собой монолитные конструкции, армированные непрерывной ненапрягаемой арматурой по всей длине покрытия. Температурные поперечные швы в таких конструкциях отсутствуют, а их функции частично выполняют трещины, образующиеся в процессе эксплуатации покрытия.
Основные преимущества непрерывно армированных покрытий:
повышенная деформативность и лучшая сопротивляемость изгибающим усилиям от воздействия повторных транспортных нагрузок и изменений температуры внешней среды;
лучшие эксплуатационные качества, достигаемые за счёт отсутствия поперечных швов, что в значительной степени уменьшает динамические напряжения при наезде колёс автомобилей на неровности покрытия;
простота технологии и возможность широкой механизации процессов производства работ.
Первое цементобетонное покрытие с непрерывно армированной продольной арматурой было построено и испытано в 1921 г. в США. Затем в течение 30 лет было построено ещё несколько участков дорог с такими покрытиями в различных штатах США, и уже к 1975 г. их общая протяжённость достигла более 20 тыс. км. Впервые в России непрерывно армированные покрытия дорог были построены по проекту МАДИ на улицах Москвы в 1972-1974 гг. московским трестом Гордорстрой № 2. Этот тип бетонного покрытия находит применение в Бельгии, Германии, Нидерландах, США, Швеции, Швейцарии и других странах.
Расчёт количества потребной арматуры проводят из условия восприятия ею усадочных и температурных деформаций бетона и, следовательно, обеспечения минимального раскрытия трещин по формуле
где (17.12)
Р - количество арматуры, %;
F - коэффициент трения бетона по основанию;
Rб.р. - прочность бетона при растяжении, МПа;
Rа - прочность арматуры при растяжении, МПа;
n = Еа/Еб.р. - коэффициент в котором:
Еб.р. - модуль упругости бетона, МПа;
Еа - модуль упругости арматуры, МПа;
Толщину бетонной смеси определяют расчётом как для неармированного покрытия согласно [39] и затем уменьшают пропорционально эквивалентной площади арматуры.
Расстояние между трещинами L и их раскрытие ∆L определяют по формулам;
(17.13)
где (17.14)
τ - сцепление бетона с арматурой, МПа;
g = n/Fa;
z - коэффициент усадки;
α - коэффициент линейного температурного расширения;
t - перепад температуры в течении года, °С;
П - периметр поперечного сечения покрытия, м;
Fa - площадь арматуры, м2.
В непрерывно армированных покрытиях развивается большое число поперечных трещин с частотой, пропорциональной количеству продольной арматуры.
Большинство поперечных трещин образуется очень рано, и далее их число становится функцией времени. Равновесие наступает к 10 годам эксплуатации. Ширина трещин также зависит от количества арматуры. Чем больше процент армирования, тем уже трещина. Ширина её возрастает со временем. Средние расстояния между трещинами и ширина их раскрытия при толщине плит 18-20 см после 10 лет эксплуатации представлены в табл. 17.15.
Таблица 17.15
|
Процент армирования |
Расстояние между трещинами, см |
Ширина раскрытия трещин, мм |
|
0,3 |
365 |
0,86 |
|
0,5 |
240 |
0,58 |
|
0,7 |
180 |
0,41 |
|
1 |
150 |
0,23 |
Строительство непрерывно армированных покрытий осуществляют по двум схемам:
с вибропогружением сетки в проектное положение после распределения бетонной смеси;
с предварительной установкой арматурных сеток на основании.
Непрерывность армирования достигается за счёт укладки арматурных стержней внахлёстку в продольном и поперечном направлениях на расстоянии, равном соответственно 30-35 и 20 диаметров стержней. Особенности конструкции в каждом конкретном случае определяются технологической схемой производства работ. Например, при укладке бетона в один слой возможно применение арматурных сеток из стержней диаметром 14-20 мм с размерами ячеек, достаточными для прохождения бетона через заранее выложенные на подставках сетки. При укладке бетона в два слоя сетки раскладывают по уложенному нижнему слою бетона. Рабочую арматуру по высоте сечения располагают на расстоянии 1/4-1/2 от верха плиты. Поперечную распределительную арматуру располагают через 25-70 см.
Непрерывно армированные покрытия и основания устраивают неограниченной длины и прерывают их только перед искусственными сооружениями. Концевые участки покрытия могут быть заанкерены неподвижными упорами поперечного траншейного и свайного типов.
Поперечные траншейные анкеры устраивают шириной 0,3-0,6 м, глубиной 0,3-1,2 м, располагая их по 3-15 шт. через 3,4-6,1 м.
Анкеры траншейного типа устраивают в такой последовательности: отрытие траншей экскаватором; установка в траншеях арматурных каркасов или сеток; укладка и уплотнение бетонной смеси с отделкой верхней поверхности бетонных шпор. Арматурные каркасы, размещённые в траншеи, имеют выпуски, которые сваривают в последующем с непрерывной арматурой покрытия. Верхнюю поверхность бетонных шпор устраивают по типу шпунта (рис. 17.8).

Рис. 17.8. Деталь сопряжения анкера с плитой покрытия:
1 - бесшовная плита покрытия; 2 - непрерывная арматура; 3 - дополнительные арматурные отгибы; 4 - бетонная шпора; 5 - продольный паз в шпоре; 6 - арматурный каркас
Бетонирование анкеров траншейного типа производят без устройства опалубки. Опалубку применяют только при наличии сыпучих грунтов.
Свайные анкеры закладывают в пробуренных скважинах диаметром 0,46-0,62 м и глубиной 1,53-2,44 м (рис. 17.9). Эти анкеры располагают в 3-10 рядов при расстоянии между ними 12,2 и 15,3 м и при 1-3 сваях в ряду.

Рис. 17.9. Свайный анкерный упор: а - план; б - разрез; 1 - непрерывно армированная плита; 2 - утолщённая часть плиты; 3 - обычное бетонное покрытие; 4 - шов расширения со штырями; 5 - сваи со спиральной арматурой в головной части и у подошвы сваи; 6 - спираль; 7 - свайные анкеры
В некоторых случаях для сопряжения непрерывно армированных плит и смежного с ним бетонного покрытия обычного типа укладывают серию коротких армированных плит с обычными швами расширения. Другим решением проблемы обеспечения подвижности является устройство на стыке непрерывно армированной плиты и покрытия обычного типа специального шва, способного воспринимать расчётную подвижную нагрузку конца плиты.
Существует несколько способов создания предварительно-напряжённых конструкций, которые можно свести к двум системам (рис. 17.10):
неподвижная, состоящая из плит, деформации которых в продольном направлении невозможны; подвижная, то есть допускающая перемещения плит за счёт стыковых устройств.

Рис. 17.10. Системы напряжённо армированных покрытий: 1 - концевой упор; 2 - участок плиты без швов; 3 - силовой шов, омоноличиваемый в конце процесса обжатия бетона; 4 - упругий шов; 5 - арматура из высокопрочной стали
В неподвижной системе предварительное напряжение создаётся приложением к бетону сжимающих усилий специальными устройствами, располагаемыми в швах, а само покрытие жёстко закреплено между неподвижными анкерными упорами. Первоначально устраивают упоры, затем укладывают плиту, делая в одном или в нескольких сечениях зазоры (швы), в которые устанавливают домкраты для создания предварительного напряжения. В этой системе изменение величины предварительного напряжения обусловливается изменениями температуры и упругими свойствами бетона. В подвижной системе плиты могут расширяться или сжиматься под влиянием температурно-влажностных изменений. В связи с этим покрытие разделяют швами, конструкции которых позволяют воспринимать перемещения плит без повреждения заполнения швов. Подвижная система допускает скольжение плит по основанию, в связи с чем появляется сила трения, изменяющая силу предварительного напряжения в бетоне. Перемещение концов плит обеспечивает продольную устойчивость покрытия. По способу обжатия подвижные системы могут быть двух видов: с внешним и с внутренним обжатием.
При внешнем обжатии предварительное напряжение осуществляется домкратами или какими-либо другими упругими устройствами, установленными в месте стыка плит. Швы называют упругими. При внутреннем обжатии предварительное напряжение создаётся напряжением арматуры, расположенной в сечении плиты. Швы между плитами в этом случае называют свободными.
Подвижная система с внутренним обжатием по способу напряжения может быть с натяжением арматуры до бетонирования на упоры и с натяжением арматуры на затвердевший бетон. Плиты могут иметь напрягаемую арматуру только в продольном направлении, в продольном и поперечном направлениях, в диагональном направлении и по периметру плит.
Струнобетонные покрытия представляют собой один из видов предварительно напряжённых покрытий подвижной системы, в которых для получения предварительного напряжения в продольном направлении применяют высокопрочную проволоку (струну), напрягаемую до бетонирования и отпускаемую в поперечных швах после достижения бетоном прочности, необходимой для полного сцепления стали с бетоном (рис. 17.11). Толщина плит покрытия при песчаном основании обычно составляет 14 см, на стабилизированном основании - 12 см при расстоянии между поперечными швами 50 м. Число струн диаметром 4 мм на ширине 7 м при толщине плит 14 см - 81, а при толщине плит 12 см - 99. Расход высокопрочной проволоки соответственно 1,16 и 1,45 кг/м2. Под поперечными швами обычно укладывают бетонные подшовные плиты сечением 15×80 см на всю ширину покрытия. Для закрепления натянутых струн по концам захватки устраивают анкерные упоры.
Первый в мире опытный участок предварительно-напряжённого покрытия был построен в 1946 г. во Франции при строительстве аэропорта Орли. Была уложена одна плита длиной 14 м и шириной 12,5 м. Напряжение 8 МПа создавалось в двух взаимно перпендикулярных направлениях пучками из 12 проволок диаметром 5 мм.
В 1958 г. на ул. Кравченко в Москве было построено струнобетонное покрытие с размещением рабочей предварительно напряжённой арматуры посередине высоты плиты, с интервалом между проволоками 12 и 23 см. Помимо продольного обжатия плита на одном участке была обжата также и в поперечном направлении пучками из 16 проволок диаметром 4 мм, натянутых с усилием 21 т. Поперечные пучки (13 шт.) были уложены через 8 м по длине плиты.
Метод натяжения арматуры на затвердевший бетон покрытия не требует дорогих концевых упоров и применяется в подвижных системах. Данный метод строительства предварительно напряжённых покрытий отличается тем, что принимаются специальные конструктивные или технологические меры по предупреждению сцепления арматуры с бетоном. Для этого арматурные пучки либо помещают в образованные различными способами каналы, либо покрывают специальной изоляцией, предохраняющей от сцепления с бетоном.

Рис. 17.11. Принципиальная схема струнобетонного покрытия:
1 - анкерные упоры; 2 - плиты струнобетонного покрытия; 3 - швы расширения; 4 - продольные швы между захватками; 5 - песчаное основание; 6 - подшовные плиты
Для устройства каналов в бетон закладывают резиновые шланги или прочные цельнотянутые металлические трубки, которые после схватывания бетона вытаскивают из плит. Затем в каналы вставляют арматурные пучки и после достижения бетоном требуемой прочности их натягивают и закрепляют, а каналы заполняют цементным раствором.
В 1954 г. в Чехословакии был построен участок, состоящий из трёх плит длиной по 80 м с различной силой обжатия. Для предварительного напряжения применяли пучки из высокопрочной проволоки диаметром 4,5 мм с пределом прочности 16,5 МПа. В первой плите пучки были расположены под углом 14° к продольной оси, а в двух других плитах - в продольном и поперечном направлениях. Ширина покрытия составляла 7 м, а толщина 15 см. Предварительное напряжение равнялось в первой плите 2,0 МПа, во второй 2,9 МПа и в третьей 1,45 МПа в продольном направлении, а в поперечном соответственно 0,5; 0,2 и 0,1 МПа.
Предварительное напряжение безарматурно обжатых покрытий, устраиваемых из ненапрягающего бетона, создают домкратами, располагаемыми в активных швах. Воспринимается сила обжатия специальными анкерными устройствами, располагаемыми по концам покрытия.
Для того чтобы при передаче давления бетон не разрушался от местного сжатия, устанавливают закладные детали: швеллеры, металлические плоские прокладки или производят местное армирование бетона. Давление, развиваемое домкратами, установленными в активном шве, контролируют манометром насосной станции.
На рис. 17.12 представлена технологическая схема строительства предварительно напряжённого покрытия с внешним обжатием.
Много оригинальных и остроумных инженерных решений предложено по конструкциям силовых швов внешне обжатых подвижных покрытий (Дубровин Е.Н., Старостин Ю.В. Жёсткие покрытия городских улиц. - М.: Стройиздат, 1979. - 471 с).
Обжатие плиты обычно выполняют в три приёма. Первоначально бетон обжимают из условия исключения трещин при понижении температуры ещё в период набора прочности бетона. Затем осуществляют рабочее обжатие с созданием расчётных напряжений. Окончательное обжатие производят после проявления ползучести бетона для восстановления в бетоне расчётных напряжений.
В 1964 г. впервые на участке дороги Полтава-Кишинёв было построено дорожное покрытие с внешним обжатием. Покрытие представляло собой ряд плит длиной по 100 м, расположенных между двумя неподвижными упорами и разделённых узкими швами. Концы плит опирались на подшовные плиты. Толщина плит покрытия составляла 15 см. Упоры устраивали на расстоянии 3 км один от другого. В конструктивном отношении упоры представляли собой шесть шпор шириной 0,8 и глубиной 2,2 м, объединённых поверху плитой (толщиной 30 см), армированной сеткой.
|
№ захватки |
I |
II |
III |
IV |
VI |
|
Длина захватки |
600 |
600 |
600 |
600 |
600 |
|
Описа- |
рытье траншей, установка арматурных каркасов, бетонирование упора и подшовных плит с обработкой поверхности бетона пленкообразующим материалом. |
планировка и отделка основания около упора, установка сборных ж.б. плит, входящих в его конструкцию. |
Подвозка материала выравнивающего слоя (черный щебень, битумоминеральная смесь), его планировка и уплотнение. |
Подвозка бетонной смеси, ее распределение, уплотнение и отделка, разлив пленкообразующих материалов. |
Обжатие бетона усилием гидравлических домкратов; установка закладных деталей, фиксирующих обжатие. Повторное обжатие бетона и заделка окон после снятия домкратов. |
|
Схема рабочих процес- |
|
|
|
|
|
|
|
|
|
|
|
|
Оснащен- |
Экскаватор - 1, Бульдозер - 1, Автокран - 1, Автосамосвалы (в зависимости от дальности возки) |
Автокран - 1, Панелевоз - 1 |
Автогрейдер - 1, Катки - 2-3, Асфальтоукладчики - 2 |
Комплект машин со скользящими формами - 1, Автосамосвалы |
Насосные станции - 2, Домкраты гидравлические - 8-12, Автосамосвалы |
Рис. 17.12. Технологическая схема строительства предварительно напряжённого покрытия с внешним обжатием:
1 - домкраты; 2 - трубопроводы от насосной станции к домкратам; 3 - смежные плиты покрытия; 4 - место установки закладных деталей (шов между обжимаемыми плитами)
Подшовные плиты шпунтового типа, уложенные через каждые 100 м, обеспечивали возможность смещения плит покрытия в продольном направлении и не допускали поднятия концов плит. Ширина таких плит 7 м, длина 1,4 м, толщина 18 см.
В подшовную плиту укладывали продольную и поперечную арматуру и промежуточный каркас из скоб для связи подшовной плиты с плитами покрытия. В плите были оставлены окна для домкратов и клиновидные пазы для перемещения скоб при обжатии покрытия. Для поддержания заданного напряжения в шов вставляли железобетонные закладные детали толщиной от 30 до 8 см, высотой 15 см и длиной 57 см.
Предварительно напряжённые цементобетонные покрытия не нашли широкого применения в дорожном строительстве в связи со значительной трудоёмкостью работ по их устройству и потерей созданного предварительного напряжения в период эксплуатации покрытий.
Отличительными особенностями применения жёстких бетонных смесей является меньший расход цемента по сравнению с традиционными смесями, возможность открытия движения транспорта по вновь устроенному покрытию сразу же после укатки, простота технологии строительства оснований и покрытий, низкая трудоёмкость работ, высокая экономическая эффективность.
Выполненные исследования в России и за рубежом показали возможность значительного улучшения свойств укатываемых бетонов за счёт оптимального проектирования состава смеси, введения микрозаполнителей (в частности, золы уноса ТЭЦ) и поверхностно-активных веществ (Ушаков В.В. Повышение эффективности проектирования и строительства автомобильных дорог горнопромышленных предприятий. - Чита: Затранс. 1999. - 164 с.).
Подбор состава укатываемого бетона производят общепринятым методом: с расчётом состава смеси по методу «абсолютных объёмов» и последующим экспериментальным уточнением состава. Состав бетона подбирают по требуемой прочности бетона на растяжение при изгибе с последующей проверкой требуемой прочности бетона при сжатии и морозостойкости. Если подобранный по условию прочности состав бетона гарантированно не обеспечивает необходимую морозостойкость, окончательный состав бетона подбирают по условиям морозостойкости.
Приготовление жёсткой бетонной смеси проводят в основном на бетонных заводах в смесителях принудительного перемешивания циклического и непрерывного действия. Транспортирование смеси осуществляют автомобилями-самосвалами разного типа. Укладку жёсткой бетонной смеси производят специальными бетоноукладчиками, асфальтоукладчиками, а также автогрейдерами, бульдозерами или другими аналогичными машинами. В Испании применяют для этой цели несколько модифицированные укладчики со скользящими формами.
В Японии большое внимание при устройстве двухслойных покрытий из укатанного бетона уделяют созданию сцепления между слоями и смежными полосами. Для этого составляют специальные графики и схемы распределения и укатки смеси, используют замедлители твердения бетона. Укатываемые бетоны в Японии применяют также при строительстве непрерывно армированных оснований и покрытий с разным процентом армирования.
Прочность укатываемого бетона в значительной степени зависит от качества его уплотнения вибрационными катками. Порядок уплотнения бетонной смеси следующий: вначале вибрационный каток делает 1-2 прохода без вибрации, чтобы не нарушить качество ровной поверхности бетона, затем 6-8 проходов с вибрацией. Заключительное уплотнение производят без вибрации за 1-2 прохода. Уплотнению краевых участков должно уделяться особое внимание. Лучшие результаты достигаются, если перед укладкой бетонной смеси были установлены металлические рельс-формы, которые осуществляют боковое сдерживание бетонной смеси при уплотнении виброкатком.
В процессе уплотнения жёсткой бетонной смеси благодаря цилиндрической форме вальца катка давление пригруза меняется. При рыхлой смеси площадь соприкосновения наибольшая, а давление наименьшее, но по мере уплотнения площадь соприкосновения уменьшается, а давление возрастает. Кроме того, поступательное движение вальца катка и его вибрация вызывают сдвигающие усилия в бетонной смеси, что препятствует максимальному уплотнению смеси.
При перекрытии цементобетонного основания асфальтобетонным покрытием одним из способов предотвращения появления отражённых трещин в асфальтобетоне является уменьшение длины плиты укатанного бетона. В этом случае устраивают швы в свежеуложенном бетоне специальным режущим устройством с одновременным распределением струи битумной эмульсии. Над швами укатанного бетона используют несколько вариантов прокладок, устраиваемых между слоями укатанного бетона и асфальтобетона (Бусурманова И.В. Технология строительства покрытий и оснований из укатываемого бетона. // Автомобильные дороги. - 1995. - №3-4. - С. 21-22).
В отечественной практике строительства дорог укатываемый бетон в достаточно больших объёмах был применён при реконструкции Московской кольцевой автомобильной дороги (МКАД). К укатываемому бетону были предъявлены следующие требования: класс бетона по прочности на растяжение при изгибе - Btb 1,6; класс бетона по прочности на сжатие В 7,5; марка бетона по морозостойкости F50 (по 1 методу ГОСТ 10060.1-95). В табл. 17.16 представлены составы укатываемого бетона, используемые при строительстве МКАД.
Таблица 17.16
|
Щебень |
Расход материалов, кг/м3 |
|||
|
цемент ПЦ 400-ДО |
песок |
щебень 5-20 мм |
вода |
|
|
Известняковый М600 |
165 |
780 |
1250 |
150 |
|
Гранитный или известняковый М800 |
150 |
750 |
1300 |
135 |
Кажущаяся простота технологии уплотнения жёсткой бетонной смеси методом укатки выявила и определённые трудности, возникающие перед строителями при устройстве бетонного основания этим методом [111]. Вследствие особенностей линейного строительства протяжённых конструкций дорожных одежд (в частности, из-за необходимости обеспечить перед катком 20-30 пог. м. распределённой бетонной смеси) затруднено обеспечение равножёсткости бетонных смесей перед началом работы катков. Жёсткие бетонные смеси чрезвычайно «чувствительны» к технологическому фактору времени, существенно влияющему на сохранение уплотняемости этих смесей во времени. При устройстве основания из укатываемых бетонов может формироваться неоднородная по плотности и прочности структура бетона в основании. Опыт строительства бетонного основания МКАД показал необходимость усовершенствования технологии применения жёсткого укатываемого бетона с целью повышения однородности показателей его качества в основании. Критерием достаточного уплотнения служит отсутствие следа на поверхности бетонного основания после прохода тяжёлого катка.
Укладка асфальтобетонного покрытия по основанию из укатываемого бетона производится сразу после его уплотнения, в связи с чем отпадает необходимость в проведении мероприятий по уходу за бетоном. В тех случаях, когда по каким-либо причинам между уплотнением бетонного основания и устройством покрытия имеется разрыв во времени, бетон защищают от испарения из него влаги обычными методами с применением плёнкообразующих материалов.
С целью продления строительного сезона устройство цементобетонных покрытий и оснований иногда осуществляют при пониженных температурах воздуха (ниже +5°С). Целесообразность проведения этих работ должна быть предварительно обоснована, так как строительство в условиях пониженных температур связано с дополнительными затратами.
С понижением температуры период схватывания цемента увеличивается, а скорость твердения бетона уменьшается. При отрицательных температурах (ниже -5°С) твердение бетона практически прекращается. Замерзание бетона в раннем возрасте существенно ухудшает его свойства - снижает конечную прочность и морозостойкость. Образование в свежеуложенном бетоне при постепенном его замерзании ледяных линз разрушает стенки пор и капилляров ещё неокрепшей структуры бетона. Попеременное замораживание и оттаивание бетона в раннем возрасте также расшатывает его ещё слабую, несформировавшуюся структуру, и прежде всего на контактах вяжущего с заполнителем.
Для устранения неблагоприятного воздействия пониженных температур на структуру и свойства дорожного бетона разработаны и применяются различные методы зимнего бетонирования. Сущность их сводиться к тому, чтобы обеспечить до замерзания воды в бетоне набор им, по крайней мере, 50 % проектной прочности. К этим методам относят: снижение температуры замерзания воды затворения и ускорение твердения бетона путём введения химических добавок (метод «холодного бетона»); сохранение тепла в бетоне после его укладки и уплотнения (метод термоса); электроразогрев бетонной смеси.
Применение противоморозных добавок, вводимых в воду затворения для приготовления бетонной смеси, позволяет, не повышая температуры бетона до положительных значений, интенсифицировать его твердение. В качестве противоморозных добавок в настоящее время кроме хлористых солей (хлористого натрия ХН и хлористого кальция ХК) применяют нитрит кальция (НК), нитрит натрия (НН), нитрит-нитрат-хлорид кальция (ННХК), а также соединения на основе мочевины: мочевина (М), нитрит кальция с мочевиной (НКМ), нитрит-нитрат-хлорид кальция с мочевиной (ННХК+М) (ГОСТ 26633-91. Бетоны тяжёлые и мелкозернистые. Технические условия. - Взамен ГОСТ 10268-80, ГОСТ 26633-85; Введ. 01.01.92. - М.: ИПК Изд-во стандартов, 1991. - 22 с).
Рекомендуемые дозировки некоторых противоморозных добавок приведены в табл. 17.17.
Метод термоса заключается в устройстве на поверхности цементобетонного покрытия (основания) слоя термоизоляции для сохранения тепла, внесённого в бетон при приготовлении смеси и выделяемого при гидратации цемента. Эффективность метода термоса при строительстве бетонных покрытий и оснований возможна в сочетании с другими методами зимнего бетонирования, в связи с малой массивностью и значительной вытянутостью дорожных конструкций (модуль поверхности Мп > 1,0).
Таблица 17.17
|
Противоморозные добавки |
Количество безводных добавок, % от массы цемента, при расчетной температуре бетона, °С |
||||
|
От 0 до -5°С |
От -6 до -10°С |
От -11 до -15°С |
От -16 до -20°С |
От -21 до -25°С |
|
|
НН |
4-6 |
6-8 |
9-10 |
9-10 |
- |
|
НК+ХН |
(1-3)...(2-3) |
(3-3,5)...(2,5-4) |
(3-4,5)...(3,5-5) |
(2,5-6)...(3-7) |
- |
|
НКМ |
3-5 |
6-9 |
7-10 |
9-12 |
- |
|
ННХК |
3-5 |
6-9 |
7-10 |
8-12 |
10-14 |
|
ННХК+М |
(1-2)...(1-4) |
(2,5-6)...(3-8) |
(2,5-6)...(3-8) |
(2-7)...(4-9) |
(3-8)...(4-10) |
Утепление бетона производят сразу после завершения операции по его уплотнению и отделке. Термоизоляционные слои укладывают по битуминизированной бумаге, которую аккуратно раскладывают по поверхности свежеуложенного бетона.
Повышение температуры бетонной смеси достигают подогревом непосредственно перед смешением её компонентов - воды и заполнителей. Требуемая температура смеси при выгрузке её из бетоносмесительной установки зависит от температуры воздуха, длительности транспортирования смеси и принятого метода зимнего бетонирования.
Температура смеси без противоморозных добавок не должна превышать 35°С для покрытий и 40°С - для оснований. Температура воды в момент её перемешивания с цементом не должна быть выше +60°С, а заполнители не следует нагревать более 40°С. Для бетонирования покрытий и оснований в зимних условиях применение цемента, хранившегося более 2 мес., не разрешается.
Среди методов выдерживания бетона в зимнее время особое место занимает прогрев конструкций, поскольку температурное воздействие на бетон относится к наиболее эффективным способам ускорения его твердения.
Бетон на ранней стадии твердения обладает достаточно хорошей электропроводимостью и относится к проводникам второго рода с ионной проводимостью. Включенный в электрическую цепь, он нагревается при прохождении электрического тока, и выделяющееся тепло способствует интенсификации химического воздействия воды с минералами цементного клинкера.
Форсированный электроразогрев бетона осуществляют непосредственно в конструкции после его укладки и уплотнения с последующим утеплением. Разогрев осуществляют специальными погружаемыми в конструкции электродами и после достижения требуемой температуры повторно уплотняют. Этот метод более удобен и эффективен, чем предварительный электроразогрев, так как исключаются теплопотери при транспортировании и укладке горячей бетонной смеси. Быстрое схватывание разогретой бетонной смеси при такой технологии не имеет значения, так как горячий бетон повторно уплотняют сразу же после отключения напряжения. В данном случае разогрев бетонной смеси можно осуществлять до более высокой температуры. Например, при устройстве бетонного основания толщиной 20 см при температуре наружного воздуха -25°С методом форсированного электроразогрева бетона в бетонном слое положительная температура поддерживалась двое суток. За это время бетон успевает приобрести критическую прочность и замораживание его становится не опасным для структуры и свойств.
Независимо от принятых методов зимнего бетонирования существуют общие правила производства работ при пониженных температурах воздуха. Земляное полотно и основание под бетонное покрытие устраивают до наступления заморозков. Непосредственно перед бетонированием поверхность основания очищают от снега и льда.
Для приготовления бетонной смеси применяют песок в оттаявшем состоянии и крупный заполнитель без смерзшихся комьев. Бетонный завод специально подготавливают к выпуску смеси в условиях пониженных температур. При транспортировании бетонной смеси, приготовленной на подогретых материалах, автомобили-самосвалы утепляют. Укладку бетонной смеси организуют таким образом, чтобы период между выгрузкой смеси и началом работ по уходу за свежеуложенным бетоном, включающий распределение и уплотнение смеси, отделку поверхности и устройство швов, был возможно более коротким.
При производстве работ устанавливают специальный контроль за температурой твердения бетона и его прочностью. Измерение температуры осуществляется в течение всего периода твердения бетона, начиная с момента укладки смеси до замораживания бетона.
Движение транспорта по бетонному покрытию (основанию), построенному при пониженных температурах, разрешается открывать только после достижения бетоном проектной прочности.
Укладку плит сборных покрытий производят после завершения строительства земляного полотна и основания. Плиты могут быть уложены на сухую смесь песка с цементом в соотношении 1:10 или на выравнивающие слои из цементопесчаного раствора. При укладке плит непосредственно на песчаные основания плотность его должна быть 0,98-1,0, а влажность не должна превышать оптимальную.
Различают две технологии укладки плит с применением автомобильных кранов или кранов на пневмоколесном ходу: «с колес» и из штабелей плит, выставленных на обочине дороги. В некоторых случаях для укладки плит применяют портальные краны, перемещающиеся по рельс-формам. Краны оснащают специальными захватами, с помощью которых обеспечивают горизонтальное положение плиты в момент укладки ее на основание.
В первую очередь укладывают плиты, примыкающие к оси покрытия, а затем - крайние. После укладки одного полного поперечного ряда кран продвигается вперед по только что уложенным плитам. С одной стоянки кран обычно укладывает 4-6 плит.
Стыковые бруски закладывают сразу после укладки плит с разрывом 20-25 м. Бруски готовят из древесины хвойных пород сечением 5×5 см, длиной 100 см.
На укладке плит одним краном заняты 4 человека: водитель автомобильного крана (он же крановщик), два строповщика и рабочий по заделке стыков. Производительность такой бригады составляет 100-150 м покрытия в смену.
При укладке плит добиваются того, чтобы каждая плита опиралась всей нижней поверхностью на основание, в результате укладки была получена поверхность покрытия с заданными уклонами и требуемой ровностью. В процессе монтажа обеспечивают правильное положение стыковых устройств смежных плит и проектную ширину швов.
Процесс строительства дорожных одежд со сборно-монолитными покрытиями состоит из следующих операций: устройство основания; устройство нижнего (монолитного) слоя покрытия; монтаж плит сборной части; вибропосадка плит; заделка швов и углублений для монтажных петель.
Особое внимание уделяют перевозке плит, поскольку их прочность значительно ниже прочности традиционных плит сборных покрытий. Плиты допускается транспортировать в горизонтальном положении, при этом в штабеле их не должно быть более 3. Деревянные подкладки располагают под монтажными петлями. На складах высота штабеля плит не должна превышать 2 м.
Бетонную смесь для монолитного рационально приготавливать на строительной площадке или транспортировать на незначительное расстояние автосамосвалами или автобетоновозами. На основаниях из щебня, шлака и подобных материалов перед выгрузкой смеси устраивают выравнивающий слой из песка толщиной 5 см.
Для устройства нижнего слоя покрытия при помощи нивелира выставляют деревянную, бетонную или инвентарную металлическую опалубку. Высота опалубки должна соответствовать проектной толщине сборно-монолитного покрытия (с учетом запаса на уплотнение). Ширина нижнего слоя принимается на 4-6 см больше проектной ширины покрытия.
Бетонную смесь монолитного слоя разравнивают при помощи автогрейдера, навесного оборудования к общестроительным машинам. Наилучшие результаты дает специализированный комплект машин. С помощью глубинных вибраторов доводят коэффициент уплотнения смеси до 0,96-0,97, так как при вибропосадке плит не удается уплотнить смесь монолитного слоя до требуемой величины. При осадке конуса бетонной смеси, превышающей 6-9 см, происходит расслоение смеси при вибропосадке плит. Поэтому смесь для нижнего слоя сборно-монолитного покрытия используют относительно жесткую.
Перед укладкой плит проводят проверку ровности нижнего слоя покрытия шаблоном. Максимальный просвет не должен быть больше 5 мм. Разрыв во времени между приготовлением бетонной смеси и монтажом плит не должен превышать 60 мин при температуре воздуха 5-20°С, 45 мин - при температуре воздуха 20-25°С и 30 мин - при температуре свыше 25°С.
Монтаж плит ведут из штабелей, выставленных вдоль обочин или непосредственно из кузова автомобиля («с колес») автомобильным краном, располагающимся на обочине. Для придания плите проектного положения и обеспечения надежного сцепления плиты с монолитным слоем осуществляют ее вибропосадку.
Вибропосадку продолжают 30-50 с. Применяют серийно выпускаемые виброплиты или поверхностные вибраторы. Для плит размером 1,0×1,75 м используют виброрейку с возмущающей силой не менее 6000 Н. При равномерной осадке плиты на 10-15 мм достигается полный контакт ее с монолитным слоем. Рекомендуемые параметры вибропосадочных устройств для типовых плит приведены в табл. 17.18. Технологическая схема строительства сборно-монолитного покрытия с использованием комплекта машин приведена на рис. 17.13.
Таблица 17.18
|
Марка плиты |
Масса вибропосадочного устройства, кг |
Возмущающая сила, кН |
Амплитуда колебаний, мм |
Частота колебаний. Гц |
|
ПСМП-3×2 |
450 |
43 |
0,33 |
66 |
|
ПСМП-3×1,75 |
450 |
39 |
0.44 |
58 |
|
ПСМП-2×1,75 |
350 |
28 |
0,53 |
53 |
|
ПСМП-2×1,5 |
300 |
25 |
0,60 |
50 |
|
ПСМП-1,75×1 |
200 |
15 |
0,70 |
46 |
После укладки плит удаляют выплески бетонной смеси в швах и заделывают ею углубления монтажных петель. Рабочие швы устраивают по типу швов расширения и по возможности совмещают с ними. Движение транспорта по покрытию можно открывать после достижения бетоном монолитного слоя проектной прочности.
Перед началом строительства цементобетонного покрытия оценивают качество изготовленного основания, его плотность и ровность согласно [87]. При приготовлении бетонной смеси контролируют: качество исходных материалов - компонентов бетона, правильность их хранения и технологической переработки (точность дозирования, продолжительность перемешивания в смесителях циклического действия), влажность заполнителей и рабочий состав смеси, технологические параметры (подвижность, жесткость), объем вовлеченного воздуха, а также такие параметры смеси, как расслаиваемость, водоотделение, наличие плохо перемешанных компонентов.
Материалы для приготовления бетонных смесей испытывают в соответствии с требованиями стандартов и технических условий на эти материалы. Концентрацию рабочего раствора добавок определяют ареометром в соответствии с требованиями стандартов и технических условий на добавки конкретных видов. Бетонные смеси принимают партиями согласно ГОСТ 7473-94. В состав партии включают бетонную смесь одного номинального состава, приготовленную на одних материалах по единой технологии. Объем партии устанавливают по ГОСТ 18105-86, но не более сменной выработки бетоносмесителя.
|
Технологические процессы |
Устройство
основания, установка опалубки и укладка битуми- |
Транспортировка,
распределение, уплотнение цементно- |
Монтаж плит |
Вибропосадка плит и заделка монтажных петель |
Заливка швов |
||
|
Конструк- |
|
1. Сборные плиты , h-9 см 2. Моно- 3. Песок |
|
|
|
|
|
|
Необхо- |
Машины и рабочие |
Бульдозер ДЗ -34С-(1), Каток ДУ-30 – (2), Рабочие для установки опалубки и
укладки битуминизирован- |
Автосамосвал - (4), Бетоноразрав-ниватель на базе экскаватора ЗО - 2621 – (6)
|
Автокран КС-4571 – (8), Стропальщик для монтажа плит – (7) |
Вибропосадочный механизм на базе экскаватора ЭО -- 2621 – (10), Рабочие для заделки монтажных петель – (3) |
Заливщик 1 швов – (11) |
|
|
|
Материалы |
Битуминизирован- |
Бетонная смесь - 5 |
Бетонные плиты – (9) |
|
Битумная мастика |
|
Рис. 17.13. Технологическая схема строительства сборно-монолитного покрытия
Удобоукладываемость бетонной смеси для каждой партии определяют не реже одного раза в смену у изготовителя в течение 15 мин после выгрузки смеси из смесителя и у потребителя не позже чем через 20 мин после доставки смеси.
Удобоукладываемость бетонной смеси (подвижные смеси) определяют по осадке конуса или по расплыву конуса, жесткие - по прибору Вебе, сверхжёсткие - по прибору Вебе-П (с пригрузом), показатели пористости и расслаиваемости определяют по ГОСТ 10181-2000.
Сохраняемость свойств (удобоукладываемость, средняя плотность, объём вовлеченного воздуха) определяют по ГОСТ 10181-2000 через определенные промежутки времени в течение периода, установленного договором с заказчиком.
Температуру транспортируемой бетонной смеси измеряют термометром, погружая его в смесь на глубину не менее 5 см. Влажность песка и щебня определяют ежедневно перед началом выпуска бетонной смеси, а также дополнительно каждый раз после дождей или явного изменения влажности и перед началом подачи материалов из нового штабеля. По результатам определения влажности песка и щебня корректируют рабочий состав бетонной смеси.
Если влажность песка Wп, а влажность щебня (гравия) Wщ, то при дозировании производственный (рабочий) расход воды будет равен:
где (17.15)
Вр, П, Щ - соответственно расчетный расход воды, песка и щебня.
Производственный (рабочий) Пп расход песка и щебня (гравия) Щп при дозировании составит
(17.16)
(17.17)
С целью обеспечения стабильности состава бетонной смеси в процессе ее приготовления следует не реже 1 раза в месяц производить метрологическую поверку дозаторов и контрольную проверку погрешности дозирующих устройств. При контрольной проверке точности дозирования при автоматическом режиме отвешивания не менее 85 % отклонений фактической массы от заданной должно быть не выше ±2 % для цемента, ±3 % для заполнителей и ±2 % для воды и водных растворов добавок ПАВ.
Для оценки стабильности технологических свойств бетонной смеси (в том числе объема воздушных пор) в процессе скоростного строительства бетонных покрытий рекомендуется использовать методы математической статистики. Оценка стабильности той или иной характеристики бетонной смеси производится путем определения коэффициента вариации (изменчивости) этой характеристики за определенный технологический интервал времени.
Потребитель имеет право проводить контрольную проверку количества и качества бетонной смеси в соответствии с требованиями ГОСТ 7473-94 по методике ГОСТ 10181-2000.
В период строительства контролю подлежат: соблюдение технологических режимов распределения и уплотнения бетонной смеси; отделка покрытия, включая устойчивость кромок и боковых граней; толщина и ширина покрытия и его ровность; своевременность и правильность проведения работ по уходу за бетоном, устройству и герметизации деформационных швов.
При уходе за бетоном ведут специальный журнал, проверяют защитную способность плёнкообразующих материалов. Качество ухода за бетоном с применением плёнкообразующих материалов проверяют не менее 2 раз в смену. Прочность бетона контролируют и оценивают по ГОСТ 18105-86. Морозостойкость бетона определяют по ГОСТ 10060-95.
В процессе строительства цементобетонных покрытий и оснований производят приёмку работ, скрываемых последующими работами и конструкциями, с составлением актов на скрытые работы. К таким работам относят: подготовку подстилающих слоев, укладку прослоек, установку арматуры и прокладок для швов. Акты на скрытые работы предъявляют вместе с журналами и актами испытаний строительных материалов организацией, сдающей работы. Заключительную приёмку законченных цементобетонных покрытий назначают после окончания бетонных работ и набора бетоном проектной прочности. При приёмке покрытия проверяют толщину и ширину покрытия; ровность покрытия, качество устройства деформационных швов, качество уложенного бетона и другие показатели согласно [87].
При контроле качества строительства сборных бетонных покрытий проверяют геометрические параметры плит, их внешний вид и качество поверхности в соответствии с требованиями стандартов или рабочих чертежей.
Не реже одного раза в смену (из расчёта оценки одной из ста уложенных плит) проверяют качество контактирования сборного покрытия с основанием (выравнивающим слоем) перед сваркой стыковых скоб путём поднятия плиты. В трёх поперечниках на 1 км сборного покрытия проверяют превышение граней смежных плит. Оценке подлежит качество заполнения швов герметизирующими материалами.
Строительство покрытий с применением битумных природных материалов было начато в XIX в. в Западной Европе, а затем в США. Измельченные битумосодержащие породы разогревали, раскладывали на основании и уплотняли ручными трамбовками. Такие покрытия получили название «трамбованный асфальт».
В России покрытия из измельченных природных сызранских битумосодержащих пород (киров) начали сооружать в 1869 г. В отличие от трамбованного асфальта, эти покрытия делали из пород, содержащих большее количество природного битума; измельченную породу разогревали в котлах или на металлических листах, горячую смесь распределяли по основанию и разравнивали вручную (придавливая гладилками), что было достаточно для ее уплотнения. Этот материал получил название «литого асфальтобетона».
В начале XX в. стали строить покрытия из горячих смесей, приготавливаемых в котлах из минеральных материалов и битума, которые требовали уплотнения катком (применявшегося уже для уплотнения щебеночного слоя) и которые вытеснили покрытия из трамбованного и литого асфальта. В 1917-1918 гг. появились первые смесительные установки, в которых производился подогрев минеральных материалов в сушильном барабане с последующей подачей битума и смешиванием минеральных материалов с битумом. В начале 20-х годов XX в. в США появились первые лопастные мешалки для получения асфальтобетонной смеси.
В конце 20-х и начале 30-х гг. XX в. строительство асфальтобетонного покрытия началось в России. Первое покрытие было построено в Москве на 1-й Мещанской улице (ныне проспект Мира) от Сухаревской башни до Рижского вокзала. Первый участок дорожного асфальтобетонного покрытия в России был сооружен в 1928 г. на Волоколамском шоссе под руководством проф. П.В. Сахарова, когда появились первые в России зарубежные асфальтосмесители и асфальтоукладчики.
Но первые опыты строительства асфальтобетонных покрытий были не очень удачными. Покрытие работало в течение не более 1-3 лет и разрушалось. Эти неудачи стали предупреждением на все последующие годы - нельзя переносить зарубежный опыт в отечественные условия без учета особенностей климата, нагрузок, несущей способности основания. Стало ясно, что нужны отечественные нормы по составам и параметрам асфальтобетонных смесей, конструкции дорожной одежды, особо тщательная отработка и соблюдение технологии их приготовления, транспортировки, укладки и уплотнения.
Разнообразие условий применения и эксплуатации привело к разработке асфальтобетонов различной структуры, свойств и работоспособности, а также к разработке различных технологий приготовления, укладки и уплотнения асфальтобетонных смесей.
За истекшие с начала применения асфальтобетона в покрытии автомобильных дорог 70 лет в России создана и продолжает развиваться индустриальная база приготовления, укладки и уплотнения асфальтобетонных смесей, прогрессивные технологии строительства, реконструкции и ремонта покрытий и оснований, разработана нормативная база для выбора оптимальных составов асфальтобетонных смесей.
В практике строительства и ремонта асфальтобетонных покрытий и оснований используют горячие (приготавливаемые с использованием в основном вязких, а на дорогах низких категорий - жидких нефтяных дорожных битумов и укладываемые с температурой не менее 120°С) и холодные (приготавливаемые с использованием жидких нефтяных дорожных битумов и укладываемых с температурой не менее 5°С) асфальтобетонные смеси в соответствии с ГОСТ 9128-97.
Горячие смеси выпускают крупнозернистые с размером зерен щебня до 40 мм, мелкозернистые с размером зерен щебня до 20 мм и песчаные с размером зерен песка до 5 мм.
Холодные смеси выпускают мелкозернистые и песчаные.
Кроме того, в практике строительства и ремонта дорожных одежд в Москве применяют смеси асфальтобетонные литые и литой асфальтобетон в соответствии с ТУ 400-24-158-89 (разработка НИИ Мосстроя), а в практике строительства верхних слоев дорожных одежд на дорогах общего пользования Российской Федерации смеси асфальтобетонные бетонщебеночно-мастичные (ЩМАС) в соответствии с ГОСТ 31015-2002, ТУ 5718.030.01393697-99 Корпорации «Трансстрой» и Методическими рекомендациями по устройству верхних слоев дорожных покрытий из щебеночно-мастичного асфальтобетона (ЩМА), Союздорнии 2002 г.
В классической технологии приготовления асфальтобетонных смесей и строительства слоев основания и покрытия можно выделить следующие этапы:
приготовление асфальтобетонных смесей, включающее предварительное дозирование холодных минеральных материалов, нагрев и сушку минеральных материалов, сортировку нагретых минеральных материалов по фракциям, дозирование нагретых минеральных материалов по фракциям и подачу в мешалку, «сухое» перемешивание минеральных материалов, нагрев органического вяжущего, его дозирование и подачу в мешалку, дозирование минерального порошка (с или без нагрева) и подачу в мешалку, «мокрое» (с вяжущим) перемешивание компонентов смеси, выгрузку готовой асфальтобетонной смеси в транспортное средство (автомобиль-самосвал или асфальтовоз с донной выгрузкой) или бункер-накопитель;
транспортирование асфальтобетонных смесей к месту укладки, включающее очистку кузова от остатков смеси предыдущей доставки, обработку внутренних стенок кузова (бункера) известковой суспензией или мыльным раствором, заполнение кузова смесью из мешалки или бункера-накопителя асфальтосмесителя, перевозку смеси в закрытом бункере транспортного средства и выгрузку смеси в приемный бункер асфальтоукладчика;
подготовительные работы на месте укладки, включающие контроль качества нижележащего слоя, обработку его вяжущим для обеспечения соединения (склеивания) слоев, подготовку (обрубку и обработку вяжущим) кромок уложенных ранее участков данного слоя для обеспечения их поперечного и продольного соединения; установку копирных струн или лыж, наладку рабочих органов и настройку автоматической системы обеспечения вертикальных отметок, ровности и поперечного уклона;
укладку асфальтобетонной смеси, включающую выбор технологии и метода укладки смеси, установку асфальтоукладчика на место начала работ, прием и подачу смеси из бункера асфальтоукладчика в укладываемый слой, распределение смеси по ширине слоя и предварительное уплотнение рабочими органами асфальтоукладчика;
уплотнение асфальтобетонной смеси в уложенном слое, включающее выбор типа и типоразмера (массы) катков, выбор и реализацию схемы организации работ и режима работы катков.
Особо важными параметрами технологических операций являются:
при приготовлении асфальтобетонной смеси: точность дозирования составляющих смесь материалов, температура нагрева минеральных материалов и вяжущего, время «сухого» и «мокрого» перемешивания, время хранения смеси в бункере-накопителе и недопущение сегрегации (расслоения) смеси при подаче ее в бункер-накопитель и кузов транспортного средства;
при транспортировании асфальтобетонной смеси: сохранность или минимальная потеря температуры смеси и предохранение от попадания в смесь влаги;
при укладке асфальтобетонной смеси: температура смеси в транспортном средстве перед выгрузкой; непрерывность и постоянство скорости движения асфальтоукладчика; постоянство заполнения пластинчатого питателя и шнековой камеры смесью, обеспечение заданных отметок копирной струны, постоянство работы автоматической системы задания отметок и поперечного уклона;
при уплотнении асфальтобетонной смеси: температура смеси в уложенном слое перед первым проходом катка и в конце периода укатки, очередность работы, скоростной и вибрационный режимы работы катков, перекрытие следов катков, запрет стоянок и остановок катков на укатываемом слое.
При работе одновременно нескольких укладчиков (укладка на полную ширину покрытия) особо важно контролировать стыки полос с недопущением превышения одной полосы над другой.
Работа асфальтобетонных покрытий. Дорожная одежда работает в условиях многократно повторяющихся транспортных нагрузок, непрерывно изменяющихся влажностно-температурных условиях (от очень сухо до слоя воды на покрытии, при изменении температуры от +20°С до +40°С летом и от 0°С до минус 40°С зимой), под воздействием солнечной радиации, нагревающей покрытие до +70°С и кислорода воздуха, окисляющего органический вяжущий материал и меняющего его свойства.
При каждом воздействии автомобильного колеса в слоях дорожной одежды от покрытия до нижних слоев основания возникают различные напряжения. Наибольшие напряжения сжатия, растяжения при изгибе и сдвига при этом возникают в верхнем слое покрытия, растяжения при охлаждении - по всему поперечному сечению, а при блочном основании (из цементобетонных плит) наибольшие напряжения растяжения - над деформационными швами и трещинами в цементобетоне.
Изменение влажности приводит к набуханию и высыханию асфальтобетона в теплое время и к замерзанию воды в порах асфальтобетона при температуре 0°С и ниже в весеннее, осеннее и зимнее время, что вызывает внутренние напряжения растяжения.
Асфальтобетон резко меняет свойства при изменении температуры. При положительной температуре он обладает свойствами вязко-пластичного материала и ослабленной упругостью, при отрицательных температурах он обладает свойствами упругого и даже жесткого материала. Изменение температуры резко влияет на деформационные свойства, состояние и работоспособность асфальтобетона.
При каждом из возникающих видов напряжения на поверхности и в слое асфальтобетона развиваются пластические и хрупкие деформации, когда прочность, пластичность и водостойкость асфальтобетона ниже величины нагрузок.
При высоких летних температурах, особенно в южных районах, пластичность может превышать допустимые пределы и на покрытии накапливаются остаточные деформации в виде сдвигов, волн, колей.
При низких зимних температурах, когда прочность асфальтобетона повышается, а пластичность уменьшается, температурные растягивающие напряжения и напряжения растяжения при изгибе могут превысить значения прочности на растяжение и в покрытии появляются трещины. Наличие на покрытии неровностей приводит к возникновению ударных нагрузок колеса на покрытие и выбиванию из поверхности верхнего слоя отдельных зерен щебня и песка.
Водопоглощение асфальтобетона в период осенних дождей и весеннего снеготаяния приводит к значительному снижению прочности; удары автомобильных колес по особо ослабленным местам выкрашивают из покрытия отдельные зерна щебня и песка более интенсивно, что ведет к образованию выбоин. К образованию выбоин ведет также замерзание воды в асфальтобетоне. Это наиболее часто можно наблюдать на имеющихся на покрытии впадинах, где вода наиболее интенсивно заполняет поры асфальтобетона и замерзает в конце осени или начале зимы.
Все виды деформаций (сдвиги, трещины, выбоины) и дальнейших разрушений образуются при многократных воздействиях транспортных нагрузок и от того, как стойко асфальтобетон сопротивляется этим нагрузкам, зависит его сдвигоустойчивость, трещиностойкость, износостойкость и долговечность покрытия - главный критерий качества асфальтобетона.
Основной мерой, снижающей или исключающей возможность появления деформаций и разрушений, является правильное назначение составов асфальтобетонных смесей. Состав и качество применяемых материалов предопределяют свойства и качества асфальтобетонной смеси и асфальтобетонного покрытия.
Наибольшее влияние на свойства асфальтобетонной смеси и асфальтобетона в дорожной одежде оказывают содержание в смеси щебня и песка, вязкость битума и его содержание в смеси, содержание в смеси минерального порошка, качество щебня и песка, качество минерального порошка, добавки поверхностно-активных веществ (ПАВ) и добавки полимеров и каучуков.
Зерновой состав (содержание щебня и песка) асфальтобетонной смеси должен обеспечить оптимальную плотность асфальтобетона и требуемую шероховатость поверхности покрытия. Соотношение количества щебня, песка и минерального порошка дает возможность получить плотный минеральный остов. Каркасный (с большим содержанием щебня) асфальтобетон обладает высокой сдвигоустойчивостью.
Чем выше вязкость битума, тем выше прочность асфальтобетона; но чрезмерная вязкость битума в асфальтобетоне приводит к снижению трещиностойкости. Битумы должны обладать эластичностью и пластичностью при низких температурах, прочностью и теплостойкостью при высоких.
Количество битума в смеси должно быть оптимальным, что обеспечивает максимальную прочность асфальтобетона при данном зерновом составе и оптимальную остаточную пористость. Избыток битума снижает прочность, сдвигоустойчивость и повышает пластичность асфальтобетона. Недостаток битума снижает прочность, водо- и морозостойкость, а также коррозионную стойкость асфальтобетона.
Минеральный порошок структурирует битум и образует с ним асфальтовяжущее вещество, которое склеивает в монолит зерна щебня и песка, придает асфальтобетону надлежащую плотность, прочность и теплостойкость, изменяет (повышает) вязкость битума с течением времени. При избытке минерального порошка растет хрупкость и уменьшается деформативность при низких температурах.
Щебень должен быть прочным и иметь кубовидную или тетраэдальную форму, что улучшает упаковку щебня в смеси, уменьшает его дробимость при уплотнении. Попадание в смесь щебня окатанной формы (гравий) снижает сдвигоустойчивость асфальтобетона.
Попадание в смесь щебенок лещадной и игольчатой формы ведет к их слому (дроблению) и появлению в слоях асфальтобетона необработанных вяжущим поверхностей, что снижает водо- и морозостойкость асфальтобетона.
Асфальтобетон с использованием дробленого песка (отсевов дробления горных пород) более сдвигоустойчив, чем с природным, но требует увеличения работы катков при уплотнении. Покрытие из песчаного асфальтобетона на основе дробленого песка обладает повышенной сдвигоустойчивостью и длительно сохраняющейся шероховатостью поверхности.
Чрезмерное измельчение минерального порошка увеличивает его пористость и пористость остова, приводит к увеличению расхода битума. Примесь в порошке глины увеличивает набухание асфальтобетона, снижает его водо- и морозостойкость. Для повышения качества минерального порошка его активируют, обрабатывают в процессе размола смесью ПАВ и битума.
Поверхность зерен щебня из кислых горных пород (гранита, сиенита, диорита и др.) и песка, как правило, плохо сцепляется с нефтяным битумом. Для повышения сцепления битума с поверхностью минеральных материалов применяют добавки в битум поверхностно-активных веществ (ПАВ).
Рабочий диапазон температур (от высокой - летом до низкой - зимой), в котором вязкие битумы (ГОСТ 22245-90) сохраняют эластичность и прочность, в основном удовлетворяет условиям III и IV дорожно-климатической зоны и не соответствует диапазону температур I и II дорожно-климатических зон. Для расширения диапазона рабочих температур битумов, повышения числа воспринимаемых нагрузок и эластичности в их состав вводят добавки полимеров (термоэластопластов, термопластов и эластопластов), а также каучуков с использованием процесса термической гомогенизации. Органические вяжущие на основе битумов с добавкой полимеров называют полимерно-битумными вяжущими (ПБВ), а на основе битумов с добавкой каучуков - резинобитумными вяжущими (РБВ).
Наибольшее распространение получили следующие конструкции дорожных одежд с асфальтобетонным покрытием (рис. 18.1):
двухслойное асфальтобетонное покрытие на двухслойном основании (см. рис. 18.1, а);
двухслойное асфальтобетонное покрытие на однослойном основании (см. рис. 18.1, б);
однослойное асфальтобетонное покрытие на двухслойном основании (см. рис. 18.1, в).

Рис. 18.1. Конструкции дорожных одежд с асфальтобетонным покрытием:
1 - верхний слой покрытия; 2 - нижний слой покрытия; 3 - верхний слой основания; 4 - нижний слой основания; 5 - слой основания; 6 - дополнительный слой основания
Асфальтобетонные смеси для слоев покрытия применяются в соответствии с табл. 32 СНиП 2.05.02-85, а для оснований - в соответствии с табл. 33 СНиП 2.05.02-85. Извлечения из этих таблиц приведены в табл. 18.1.
Таблица 18.1
|
Категория дороги |
Материал для слоев дорожной одежды |
||
|
верхний слой покрытия |
нижний слой покрытия |
основание |
|
|
I, II |
Горячие смеси для высокоплотного и плотного асфальтобетона типов А, Б, В и Г, марки I |
Горячие смеси для пористого асфальтобетона марки I |
Горячие смеси для пористого асфальтобетона марки II, высокопористого асфальтобетона марки I |
|
III |
Горячие смеси для плотного асфальтобетона типов А. Б, В, Г и Д, марки II |
тоже, марки II |
Горячие смеси для высокопористого асфальтобетона марки II |
|
Холодные асфальтобетонные смеси типов Бх, Вх и Гх, марки I |
Горячие смеси для высокопористого асфальтобетона марки I |
||
|
IV |
Горячие смеси для плотного асфальтобетона типов Б, В, Г и Д, марки II. Холодные асфальтобетонные смеси типов Бх, Вх и Гх и Дх, марки II |
Горячие смеси для пористого асфальтобетона марки II |
- |
Прочность дорожной одежды зависит как от свойств материалов покрытия и основания, так и от сочетания слоев из различных материалов в дорожной одежде.
Прочность дорожной одежды характеризуется модулем упругости, сопротивлением растяжению при изгибе слоев из связных, материалов и сдвигу для несвязных и пластично-связных материалов под действием нормальных и касательных сил. В соответствии с этими основными расчетными характеристиками слоев из асфальтобетона являются сопротивление растяжению при изгибе дорожной одежды от транспортных нагрузок и осевому растяжению при низкотемпературных усадках, сопротивление сдвигу от нормальных и касательных колесных нагрузок.
На сроки службы асфальтобетонных покрытий влияют также различия деформативных и тепло-физических показателей покрытия и основания.
Чем больше различаются прочностные характеристики и линейное температурное расширение материалов покрытия и основания, тем хуже их совместная работа под действием нагрузок и особенно при понижении температуры, когда возникает опасность развития температурных трещин.
Коэффициенты линейного температурного расширения асфальтобетонного покрытия и основания из цементобетона и минеральных материалов, укрепленных минеральными (неорганическими) вяжущими, разнятся на порядок, поэтому в такой конструкции трещины неизбежны.
Асфальтобетонное покрытие на основании из битумоминеральных материалов работает без температурных трещин, так же как на основаниях из неукрепленных (необработанных) минеральных материалов, однако из-за их меньшего сопротивления нормальным нагрузкам толщина дорожной одежды должна быть больше.
Основные конструкции дорожных одежд с асфальтобетонным покрытием с указанием климатических зон, количества расчетных автомобилей группы А в сутки на одну полосу движения, расчетных модулей упругости и толщин слоев покрытия, основания и песчаного дополнительного слоя приведены в альбоме «Типовые проектные решения. Серия 503-0-11. Дорожные одежды автомобильных дорог общей сети СССР», утвержденном Минтрансстроем СССР 12.03.1976 г. № Л-375 и разработанном ГПИ «Союздорпроект».
Проектирование новых конструкций нежестких дорожных одежд с асфальтобетонным покрытием осуществляют в соответствии с ОДН 218.046-01 (Проектирование нежестких дорожных одежд: ОДН 218.046-2001. - Взамен ВСН 46-83 / Гос. служба дор. хоз-ва (Росавтодор) Минтранса России. - М.: ГП «Информавтодор», 2001), основные положения которых направлены на:
обеспечение межремонтного срока службы дорожных одежд без возникновения разрушений и недопустимых, сточки зрения обеспечения ровности, остаточных деформаций;
выбор не только прочной и надежной в эксплуатации, но экономичной и, возможно, менее материалоёмкой дорожной одежды;
учет регионального научно-практического опыта проектирования и эксплуатации дорожных одежд.
В соответствии с ОДН 218.046-01 суммарные толщины слоев покрытия и основания из материалов, содержащих органические вяжущие, не должны быть меньше 18 см для капитальных и 12 см для облегченных дорожных одежд. Толщины слоев дорожной одежды с асфальтобетонным покрытием (извлечение из альбома «Типовые проектные решения. Серия 503-0-11») приведены в табл. 18.2.
Составы материалов, применяемых в слоях основания и обозначенных цифрами в табл. 18.2, приведены ниже.
В верхнем слое двухслойного основания:
1. Асфальтобетон из горячих щебеночных пористых и высокопористых крупнозернистых и мелкозернистых смесей.
2. Щебеночные материалы подобранные, обработанные битумной эмульсией с добавкой портландцемента.
3. Щебень фракционный, обработанный вязким битумом в смесителе.
4. Щебеночные материалы подобранные, обработанные битумной эмульсией.
5. Асфальтобетон из горячих гравийных пористых и высокопористых крупнозернистых и мелкозернистых смесей.
6. Гравийные материалы подобранные, обработанные битумной эмульсией с добавкой портландцемента.
7. Щебень фракционный, обработанный вязким битумом по способу пропитки.
8. Гравийные материалы подобранные (с добавлением 30 % щебня), обработанные битумной эмульсией.
В однослойном основании и нижнем слое двухслойного основания:
1. Щебеночные материалы, обработанные 5-7 % цемента.
2. Гравийные материалы, обработанные 6-7 % цемента.
3. Щебеночные материалы, обработанные 20 % зол уноса, золошлаками и граншлаками с добавкой 4-6 % цемента.
4. Гравийные материалы, обработанные 20 % зол уноса, золошлаками и граншлаками с добавкой 5-6 % цемента.
5. Грунты, укрепленные минеральными вяжущими, I класса прочности.
6. Гравийные материалы, обработанные 4-5 % цемента.
7. Гравийные материалы, обработанные 20 % зол уноса, золошлаками и граншлаками с добавкой 4-5 % цемента.
8. Гравийно-песчаные смеси, обработанные 8-10 % цемента.
9. Гравийно-песчаные смеси, обработанные 20 % зол уноса, золошлаками и граншлаками с добавкой 6-8 % цемента.
10. Грунты, укрепленные минеральными вяжущими, II класса прочности.
11. Пески, укрепленные 5-6 % цемента.
12. Пески, укрепленные 20 % зол уноса, золошлаками и граншлаками с добавкой 4-5 % цемента.
13. Гравийные материалы, обработанные 20-30 % граншлака.
14. Золошлаковые смеси, укрепленные 5-6 % цемента или извести.
15. Грунты, укрепленные минеральными вяжущими, III класса прочности.
16. Цементобетон тощий марки 75, 100, 125.
17. Щебень, уложенный по способу заклинки.
18. Подобранный щебеночный материал.
19. Подобранный гравийный материал с добавкой 30 % щебня.
Таблица 18.2
Толщины слоев дорожной одежды с асфальтобетонным покрытием
|
Дорожно-климатическая зона |
Кол-во расчетных автомобилей (кат. А) в сутки на полосу |
Толщина слоя, см (при материале основания) |
|||||||||
|
двухслойное а/б покрытие на двухслойном основании |
двухслойное а/б покрытие на однослойном основании |
однослойное а/б покрытие на двухслойном основании |
|||||||||
|
покрытие |
основание (материал) |
покрытие |
основание (материал) |
покрытие |
основание (материал) |
||||||
|
верхний слой |
нижний слой |
верхний слои |
нижний слой |
верхний слой |
нижний слой |
верхний слой |
нижний слой |
||||
|
1 |
2 |
3 |
4 |
5 |
6 |
7 |
8 |
9 |
10 |
11 |
12 |
|
II |
3000 |
4-5 |
5 |
5-12(1-4) |
16-24(1-5) |
Не применяются |
|||||
|
4-5 |
5 |
5-12(1-4) |
18-30(6-10, 17) |
||||||||
|
3,5-4 |
5 |
12-24(1, 2, 4) |
18(18, 19) |
||||||||
|
4-5 |
5 |
6-13(5-8) |
18-28(1-5) |
||||||||
|
4-5 |
5 |
6-13(5-8) |
18-30(6-10, 17) |
||||||||
|
3,5-4 |
5 |
16-38 (5-8) |
18(18, 19) |
||||||||
|
3,5-4 |
5-6 |
6-8(1, 3, 5) |
18-24(16) |
||||||||
|
1000 |
4-5 |
5 |
5-8(1-4) |
14-18(1-10) |
4-5 |
8 |
18-24(1-5) |
Не применяются |
|||
|
4-5 |
5 |
5-8(1-4) |
14-20(11-15) |
4-5 |
8 |
18-28(6-9, 17) |
|||||
|
4-5 |
5 |
5-8(1-4) |
15-20(17) |
4-5 |
8 |
20-40(11-14) |
|||||
|
3,5-4 |
5 |
10-18(1, 2, 4) |
18(18, 19) |
3,5-4 |
4-6 |
18-24(16) |
|||||
|
4-5 |
5 |
6-9(5-8) |
14-20(1-10) |
- |
- |
- |
|||||
|
4-5 |
5 |
6-9(5-8) |
15-28(11-15) |
- |
- |
- |
|||||
|
4-5 |
5 |
6-9(5-8) |
15-20(17) |
- |
- |
- |
|||||
|
3,5-4 |
5 |
12-24(5-8) |
18(18, 19) |
- |
- |
- |
|||||
|
500 |
4-5 |
5 |
5-6(1-4) |
12-20(1-5) |
4-5 |
8 |
13-24(1-5) |
5 |
7-8(1-4) |
14-22(1-5) |
|
|
4-5 |
5 |
5-6(1-4) |
12-22(6-10) |
4-5 |
8 |
16-28(6-9, 17) |
5 |
7-8(1-4) |
16-24(6-9) |
||
|
4-5 |
5 |
5-6(1-4) |
12-26(11-15) |
4-5 |
8 |
16-32(11-14) |
5 |
7-8(1-4) |
18-32(11-44) |
||
|
4-5 |
5 |
5-6(1-4) |
15-22(17) |
3,5-4 |
4-6 |
18-24(16) |
5 |
7-8(1-4) |
18-26(17) |
||
|
3,5-4 |
5 |
10-18(1, 2, 4) |
18(18, 19) |
- |
- |
- |
- |
- |
- |
||
|
4-5 |
5 |
6-7(5-8) |
12-22(1-10) |
- |
- |
- |
- |
- |
- |
||
|
4-5 |
5 |
6-7(5-8) |
12-26(11-15) |
- |
- |
- |
- |
- |
- |
||
|
4-5 |
5 |
6-7(5-8) |
15-22(17) |
- |
- |
- |
- |
- |
- |
||
|
3,5-4 |
5 |
12-24(5-8) |
18(18, 19) |
- |
- |
- |
- |
- |
- |
||
|
100 |
3,5-4 |
5 |
6(1-4) |
14-20(1-5) |
3,5-4 |
5 |
16-22(1-5) |
5 |
5-6(1-4) |
15-20(1-5) |
|
|
3,5-4 |
5 |
6-7(1-4) |
14-20(6-10) |
3,5-4 |
5 |
16-24 (6-9, 11-14) |
5 |
5-6(1-4) |
16-24(6-9) |
||
|
3,5 |
5 |
6-7(1-4) |
12-26(11-15) |
3,5 |
4-4,5 |
18-24(16) |
5 |
5-6(1-4) |
16-26(11-14) |
||
|
3,5-4 |
5 |
6-7(1-4) |
15-18(17) |
3,5-4 |
5 |
15-28(17) |
5 |
5-6(1-4) |
18-24(17) |
||
|
3,5-4 |
5 |
10-14(1, 2, 4) |
18(18, 19) |
- |
- |
- |
- |
- |
- |
||
|
3,5-4 |
5 |
6-7(5-8) |
12-16(1-15) |
- |
- |
- |
- |
- |
- |
||
|
3,5-4 |
5 |
6-7(5-8) |
15-16(17) |
- |
- |
- |
- |
- |
- |
||
|
3,5-4 |
5 |
8-12(5-8) |
18(18, 19) |
- |
- |
- |
- |
- |
- |
||
|
III |
3000 |
4-5 |
5 |
5-12(1-4) |
16-24(1-5) |
Не применяются |
|||||
|
4-5 |
5 |
5-12(1-4) |
18-28(6-10, 17) |
||||||||
|
3,5-4 |
5 |
12-28(1-4) |
18(18, 19) |
||||||||
|
4-5 |
5 |
6-13(5-8) |
18-28(1-10, 17) |
||||||||
|
3,5-4 |
5 |
14-38(5-8) |
18(18, 19) |
||||||||
|
3,5-4 |
5-6 |
6-8(1, 3, 5) |
18-24(16) |
||||||||
|
1000 |
4-5 |
5 |
5-7(1-4) |
14-22(1-5) |
4-5 |
8 |
18-24(1-5) |
Не применяются |
|||
|
4-5 |
5 |
5-8(1-4) |
15-26(6-10, 17) |
4-5 |
8 |
18-28(6-9, 17) |
|||||
|
4-5 |
5 |
5-8(1-4) |
16-26(11-15) |
4-5 |
8 |
18-36(11-14) |
|||||
|
3,5-4 |
5 |
12-20(1-4) |
18(18, 19) |
3,5-4 |
4-6 |
18-24(16) |
|||||
|
4-5 |
5 |
6-9(5-8) |
14-22(1-10) |
- |
- |
- |
|||||
|
4-5 |
5 |
6-9(5-8) |
16-26(11-15) |
- |
- |
- |
|||||
|
4-5 |
5 |
6-9(5-8) |
15-22(17) |
- |
- |
- |
|||||
|
3,5-4 |
5 |
14-26(5-8) |
18(18, 19) |
- |
- |
- |
|||||
|
500 |
4-5 |
5 |
5-6(1-4) |
12-20(1-5) |
4-5 |
8 |
15-24(1-5) |
5 |
7-8(1-4) |
15-22(1-5) |
|
|
4-5 |
5 |
5-6(1-4) |
12-24(6-10) |
4-5 |
8 |
16-30(6-9) |
5 |
7-8(1-4) |
16-28(6-9) |
||
|
4-5 |
5 |
5-6(1-4) |
14-24(11-15) |
4-5 |
8 |
18-28(11-14, 17) |
5 |
7-8(1-4) |
18-32(11-14) |
||
Продолжение табл. 18.2
|
1 |
2 |
3 |
4 |
5 |
6 |
7 |
8 |
9 |
10 |
11 |
12 |
|
III |
500 |
4-5 |
5 |
5-6(1-4) |
15-24(17) |
3,5-4 |
4-6 |
18-24(16) |
5 |
7-8(1-4) |
18-28(17) |
|
3,5-4 |
5 |
10-24(1-4) |
18(18, 19) |
- |
- |
- |
- |
- |
- |
||
|
4-5 |
5 |
6-7(5-8) |
12-22(1-5) |
- |
- |
- |
- |
- |
- |
||
|
4-5 |
5 |
6-7(5-8) |
12-24(6-10) |
- |
- |
- |
- |
- |
- |
||
|
4-5 |
5 |
6-7(5-8) |
14-28(11-15) |
- |
- |
- |
- |
- |
- |
||
|
4-5 |
5 |
6-7(5-8) |
15-24(17) |
- |
- |
- |
- |
- |
- |
||
|
3,5-4 |
5 |
12-26(5-8) |
18(18, 19) |
- |
- |
- |
- |
- |
- |
||
|
100 |
3,5-4 |
5 |
5-6(1-4) |
12-16(1-15) |
3,5-4 |
5 |
15-22(1-5) |
5 |
5-6(1-4) |
16-22(1-5) |
|
|
3,5-4 |
5 |
5-6(1-4) |
15-16(17) |
3,5-4 |
5 |
16-24(6-9) |
5 |
5-6(1-4) |
18-24(6-9) |
||
|
3,5-4 |
5 |
6-10(1-4) |
18(18, 19) |
3,5-4 |
5 |
16-28(11-14) |
5 |
5-6(1-4) |
16-28(11-14) |
||
|
3,5-4 |
5 |
6-7(5-8) |
12-16(1-15) |
3,5-4 |
4-6 |
18-24(16) |
5 |
5-6(1-4) |
18-26(17) |
||
|
3,5-4 |
5 |
6-7(5-8) |
15-16(17) |
3,5-4 |
5 |
15-20(17) |
- |
- |
- |
||
|
3,5-4 |
5 |
8-14(5-8) |
18(18, 19) |
- |
- |
- |
- |
- |
- |
||
|
IV |
3000 |
3,5-4 |
5 |
6(1-4) |
18-38(1-5) |
Не применяются |
|||||
|
3,5-4 |
5 |
6-7(1-4) |
18-46(6-10, 17) |
||||||||
|
3,5-4 |
5 |
15-28(1-4) |
18(18,19) |
||||||||
|
3,5-4 |
5 |
7(5-8) |
19-44(1-5) |
||||||||
|
3,5-4 |
5 |
7-8(5-8) |
18-45(6-9, 17) |
||||||||
|
3,5-4 |
5 |
12-42(5-8) |
18(18, 19) |
||||||||
|
3,5-4 |
5-6 |
6-8(1, 3, 5) |
18-24(16) |
||||||||
|
1000 |
3,5-4 |
5 |
6(1-4) |
15-32(1-5) |
3,5-4 |
8 |
20-32(1-5) |
Не применяются |
|||
|
3,5-4 |
5 |
6-7(1-4) |
16-36(6-10, 17) |
3,5-4 |
8 |
20-38(6-9) |
|||||
|
4 |
5 |
6-7(1-4) |
18-52(11-15) |
3,5-4 |
8 |
22-50(11-14) |
|||||
|
3,5-4 |
5 |
14-24(1-4) |
18(18, 19) |
3,5-4 |
8 |
20-38(17) |
|||||
|
3,5-4 |
5 |
7(5-8) |
16-36(1-5) |
3,5-4 |
4-6 |
18-24(16) |
|||||
|
3,5-4 |
5 |
7-8(5-8) |
16-36(6-10, 17) |
- |
- |
- |
|||||
|
3,5-4 |
5 |
7-8(5-8) |
18-52(11-15) |
- |
- |
- |
|||||
|
3,5-4 |
5 |
18-32(5-8) |
18(18, 19) |
- |
- |
- |
|||||
|
500 |
3,5-4 |
5 |
5-6(1-4) |
15-28(1-5) |
3,5-4 |
8 |
20-28(1-5) |
5 |
8-9(1-4) |
18-28(1-5) |
|
|
3,5-4 |
5 |
6-7(1-4) |
16-32(6-10, 17) |
3,5-4 |
8 |
20-32(6-9) |
5 |
8-9(1-4) |
18-34(6-9) |
||
|
3,5-4 |
5 |
6-7(1-4) |
18-44(11-15) |
3,5-4 |
8 |
22-46(11-14) |
5 |
8-9(1-4) |
20-44(11-14) |
||
|
3,5-4 |
5 |
14-20(1-4) |
18(18, 19) |
3,5-4 |
8 |
20-21(17) |
5 |
8-9(1-4) |
18-34(17) |
||
|
3,5-4 |
5 |
7(5-8) |
16-30(1-5) |
3,5-4 |
4-6 |
18-24(16) |
|
|
|
||
|
3,5-4 |
5 |
7-8(5-8) |
16-32(6-10, 17) |
- |
- |
- |
- |
- |
- |
||
|
3,5-4 |
5 |
7-8(5-8) |
18-44(11-15) |
- |
- |
- |
- |
- |
- |
||
|
3,5-4 |
5 |
18-28(5-8) |
18(18, 19) |
- |
- |
- |
- |
- |
- |
||
|
100 |
3,5-4 |
5 |
6(1-4) |
14-20(1-5) |
3,5-4 |
5 |
20-24(1-5) |
5 |
6-7(1-4) |
18-22(1-5) |
|
|
3,5-4 |
5 |
6-7(1-4) |
14-18(6-10, 17) |
3,5-4 |
5 |
20-28(6-9) |
5 |
6-7(1-4) |
18-26(6-9) |
||
|
3,5-4 |
5 |
6-7(1-4) |
14-26(11-15) |
3,5-4 |
5 |
24-36(11-14) |
5 |
6-7(1-4) |
20-34(11-14) |
||
|
3,5-4 |
5 |
10-14(1-4) |
18(18, 19) |
3,5-4 |
5 |
15-28(17) |
5 |
6-7(1-4) |
15-25(17) |
||
|
3,5-4 |
5 |
7(5-8) |
14-22(1-5) |
3,5-4 |
4-6 |
18-24(16) |
- |
- |
- |
||
|
3,5-4 |
5 |
7-8(5-8) |
14-20(6-10) |
- |
- |
- |
- |
- |
- |
||
|
3,5-4 |
5 |
7-8(5-8) |
14-26(11-15) |
- |
- |
- |
- |
- |
- |
||
|
3,5-4 |
5 |
7-8(5-8) |
15-18(17) |
- |
- |
- |
- |
- |
- |
||
|
3,5-4 |
5 |
10-16(5-8) |
18(18, 19) |
- |
- |
- |
- |
- |
- |
||
|
V |
3000 |
3,5-4 |
5 |
6(1-4) |
16-24(1-5) |
Не применяются |
|||||
|
3,5-4 |
5 |
6-7(1-4) |
18-30(6-10, 17) |
||||||||
|
3,5-4 |
5 |
12-20(1-4) |
18(18, 19) |
||||||||
|
3,5-4 |
5 |
7(5-8) |
18-28(1-5) |
||||||||
|
3,5-4 |
5 |
7-8(5-8) |
16-30(6-10, 17) |
||||||||
|
3,5-4 |
5 |
16-26(5-8) |
18(18, 19) |
||||||||
|
1000 |
3,5-4 |
5 |
6(1-4) |
12-20(1-5) |
3,5-4 |
8 |
16-20(1-5) |
Не применяются |
|||
|
3,5-4 |
5 |
6-7(1-4) |
14-22(6-10, 17) |
3,5-4 |
8 |
16-28(6-9, 17) |
|||||
|
4 |
5 |
6-7(1-4) |
18-30(11-15) |
3,5-4 |
8 |
22-38(11-14) |
|||||
|
3,5-4 |
5 |
8-15(1-4) |
18(18, 19) |
3,5-4 |
4-6 |
18-24(16) |
|||||
|
3,5-4 |
5 |
7(5-8) |
14-22(6-10, 17) |
- |
- |
- |
|||||
|
3,5-4 |
5 |
7-8(5-8) |
18-30(11-15) |
- |
- |
- |
|||||
|
3,5-4 |
5 |
10-18(5-8) |
18(18, 19) |
- |
- |
- |
|||||
|
500 |
3,5-4 |
5 |
6(1-4) |
10-18(1-5) |
3,5-4 |
8 |
16-22(1-5) |
5 |
8-9(1-4) |
15-20(1-5) |
|
|
3,5-4 |
5 |
6-7(1-4) |
14-20(6-10, 17) |
3,5-4 |
8 |
16-24(6-9, 17) |
5 |
8-9(1-4) |
15-22(6-9, 17) |
||
Окончание табл. 18.2
|
1 |
2 |
3 |
4 |
5 |
6 |
7 |
8 |
9 |
10 |
11 |
12 |
|
V |
500 |
3,5-4 |
5 |
6-7(1-4) |
14-26(11-15) |
3,5-4 |
8 |
18-32(11-14) |
5 |
8-9(1-4) |
14-28(11-14) |
|
3,5-4 |
5 |
6-14(1-4) |
18(18, 19) |
3,5-4 |
4-6 |
18-24(16) |
5 |
- |
- |
||
|
3,5-4 |
5 |
7(5-8) |
10-10(1-5) |
- |
- |
- |
- |
- |
- |
||
|
3,5-4 |
5 |
7-8(5-8) |
14-20(6-10, 17) |
- |
- |
- |
- |
- |
- |
||
|
3,5-4 |
5 |
7-8(5-8) |
14-28(11-15) |
- |
- |
- |
- |
- |
- |
||
|
3,5-4 |
5 |
8-18(5-8) |
18(18, 19) |
- |
- |
- |
- |
- |
- |
||
|
100 |
3,5-4 |
5 |
6(1-4) |
10-18(1-5) |
3,5-4 |
5 |
18-22(1-5) |
5 |
6-7(1-4) |
18-22(1-9) |
|
|
3,5-4 |
5 |
6-7(1-4) |
14-20(6-10, 17) |
3,5-4 |
5 |
20-24(6-9) |
5 |
6-7(1-4) |
14-20(11-14) |
||
|
3,5-4 |
5 |
6-7(1-4) |
12-16(11-15) |
3,5-4 |
5 |
18-28(11-14) |
5 |
6-7(1-4) |
15-18(17) |
||
|
3,5-4 |
5 |
5-12(1-4) |
18(18, 19) |
3,5-4 |
5 |
15-20(17) |
- |
- |
- |
||
|
3,5-4 |
5 |
7(5-8) |
12-18(1-5) |
3,5-4 |
4-6 |
18-24(16) |
- |
- |
- |
||
|
3,5-4 |
5 |
7-8(5-8) |
14-20(6-10, 17) |
- |
- |
- |
- |
- |
- |
||
|
3,5-4 |
5 |
7-8(5-8) |
12-16(11-15) |
- |
- |
- |
- |
- |
- |
||
|
3,5-4 |
5 |
5-12(5-8) |
18(18, 19) |
- |
- |
- |
- |
- |
- |
Выбор органических вяжущих материалов. В качестве вяжущих в асфальтобетонных смесях применяют жидкие и вязкие нефтяные битумы, отвечающие требованиям следующих нормативных документов: ГОСТ 11955-82 Битумы нефтяные дорожные жидкие. Технические условия; ГОСТ 22245-90 Битумы нефтяные дорожные вязкие. Технические условия.
Жидкие битумы подразделяют на классы СГ - густеющие со средней скоростью, МГ- медленногустеющие и МГО - медленногустеющие остаточные.
По вязкости жидкие битумы классов СГ, МГ и МГО делятся на марки 70/130, 130/200, где цифры означают условную вязкость, определяемую временем истечения битума в секундах через калиброванное круглое отверстие диаметром 5 мм при температуре 60°С Жидкие битумы готовят разжижением вязких битумов жидкими нефтепродуктами: керосином, дизтопливом.
Вязкие битумы подразделяют на классы БНД и БН, то есть битумы нефтяные дорожные и битумы нефтяные. По вязкости битумы классов БНД и БН делятся на марки 40/60, 60/90, 90/130, 130/200, 200/300, где цифры означают условную вязкость, определяемую глубиной проникания иглы в долях, равных 0,1 мм при температуре 25°С.
Качество битумов БНД выше, чем БН, так как они характеризуются более широким температурным интервалом пластичности и более высокой теплостойкостью, обладают низкой температурой хрупкости, лучшим сцеплением с поверхностью зерен минерального материала, но менее устойчивы к старению.
На основании указанных свойств битумов для районов с холодным и средним климатом наиболее подходят битумы БНД, а для районов с теплым и жарким климатом приемлемы битумы БНД и БН. При этом для горячих смесей применяют в основном вязкие битумы, а для холодных смесей - жидкие.
Главное при выборе марки битума - климатические условия и нагруженность слоев дорожной одежды, то есть категория дороги.
Для горячих смесей в северных условиях России (I дорожно-климатическая зона) в основном применяют битумы с вязкостью 90/130, 130/200, 200/300; в средних условиях России (II и III климатические зоны) в основном применяют битумы с вязкостью 60/90, 90/130, 130/200, в южных регионах России (IV и V дорожно-климатические зоны) в основном применяют битумы с вязкостью 40/60, 60/90.
Для холодных смесей в средних и южных условиях России (II, III, IV и V дорожно-климатические зоны) применяют битумы с вязкостью 70/30 и 130/200, а в северных условиях асфальтобетоны из холодных смесей применять не рекомендуется.
Рекомендуемая с учетом климатических условий область применения асфальтобетонов и битумов при устройстве верхних слоев покрытий автомобильных дорог приведена в Приложении А ГОСТа 9128-97. Данные приложения А приведены в табл. 18.3.
Для приготовления смесей асфальтобетонных литых применяют в соответствии с ТУ 400-24-158-89 нефтяные вязкие дорожные битумы по ГОСТ 22245-90 с глубиной проникания иглы при 25°С - 50-60, 0,1 мм, температурой размягчения по методу КиШ не менее 52°С, температурой хрупкости не выше -12°С и температурой вспышки не ниже 120°С
Для приготовления щебеночно-мастичных асфальтобетонных смесей используют битумы вязкие нефтяные дорожные по ГОСТ 22245-90, а также полимерно-битумные вяжущие (ПБВ) по ОСТ 218.010-98.
В качестве стабилизирующих добавок рекомендуется использовать однородное короткофиберное целлюлозное волокно на основе испытаний по ГОСТ 12801-98 и ТУ 5718.030.01393697-99. При использовании ПБВ стабилизирующие добавки допускается не вводить, если обеспечиваются требования к показателю стекания вяжущего и другим показателям физико-механических свойств смеси.
Таблица 18.3
Рекомендуемые области применения асфальтобетонов и битумов для верхних слоев покрытий.
|
Дорожно-климатическая зона |
Асфальтобетон |
Категория автомобильной дороги |
|||||
|
I, II |
III |
IV |
|||||
|
Марка смеси |
Марка битума |
Марка смеси |
Марка битума |
Марка смеси |
Марка битума |
||
|
I |
Плотный и высокоплотный |
I |
БНД 90/130 БНД 130/200 БНД 200/300 |
II |
БНД 90/130 БНД 130/200 БНД 200/300 СГ 130/200 МГ 130/200 МГО 130/200 |
III |
БНД 90/130 БНД 130/200 БНД 200/300 СГ 130/200 МГ 130/200 МГО 130/200 |
|
II, III |
Плотный и высокоплотный |
I |
БНД 60/90 БНД 90/130 БНД 130/200 БН 90/130 |
II |
БНД 60/90 БНД 90/130 БНД 130/200 БНД 200/300 БН 60/90 БН 90/130 БН 130/200 БН 200/300 |
III |
БНД 60/90 БНД 90/130 БНД 130/200 БНД 200/300 БН 60/90 БН 90/130 БН 130/200 БН 200/300 СГ 130/200 МГ 130/200 МГО 130/200 |
|
II, III |
Из холодных смесей |
- |
- |
I |
СГ 70/130 СГ 130/200 |
II |
СГ 70/130 СГ 130/200 МГ 70/130 МГ 130/200 МГО 70/130 МГО 130/200 |
|
IV, V |
Плотный |
I |
БНД 40/60 БНД 60/90 БН 40/60 БН 60/90 |
II |
БНД 40/60 БНД 60/90 БНД 90/130 БН 40/60 БН 60/90 БН 90/130 |
III |
БНД 40/60 БНД 60/90 БНД 90/130 БН 40/60 БН 60/90 БН 90/130 |
|
Из холодных смесей |
- |
- |
I |
СГ 70/130 СГ 130/200 |
II |
СГ 70/130 СГ 130/200 МГ 70/130 МГ 130/200 МГО 70/130 МГО 130/200 |
|
Примечания:
1. Для городских скоростных и магистральных улиц и дорог следует применять асфальтобетоны, рекомендованные для дорог I и II категорий, для дорог промышленно-складских районов - для дорог III категории, для остальных - для дорог IV категории.
2. Битумы БН рекомендуется применять в мягких климатических условиях со средними температурами самого холодного месяца выше - 10°С.
3. Битум БН 40/60 должен соответствовать технической документации, утвержденной в установленном порядке.
Анализ качества нефтяных дорожных битумов, выпускаемых нефтеперерабатывающей промышленностью по ГОСТ 22245-90, показывает, что эти вяжущие по ряду показателей не отвечают требованиям дорожного строительства: недостаточно трещиностойки при низких температурах (ниже -40°С), которые действуют на 35 % территории России; имеют недостаточный температурный интервал работоспособности; неэластичны, то есть не обладают способностью к обратимым деформациям, так как по природе являются термопластами.
В связи с вышеизложенным учеными Союздорнии предложено применять полимерно-битумные и резинобитумные вяжущие (ПБВ и РБВ), которые относятся к классу эластомеров и характеризуются высокими показателями эластичности, широким температурным интервалом работоспособности, трещиностойкости (температурной хрупкости) и теплостойкости (температурой размягчения). В 1998 г. разработан отраслевой стандарт на полимерно-битумные вяжущие (ПБВ) ОСТ 218.010-98 «Вяжущие полимерно-битумные дорожные на основе блоксополимеров типа СБС. Технические условия», а с 01.01.2004 г. был введен в действие ГОСТ Р 52056-2003 «Вяжущие полимерно-битумные дорожные на основе блоксополимеров типа стирол-бутадиен-стирол. Технические условия», по которым ПБВ готовят на основе вязких дорожных битумов БНД введением полимеров типа «стирол-бутадиен-стирол» (СБС), пластификаторов и ПАВ по технологическому регламенту, утвержденному в установленном порядке. В качестве полимеров типа СБС используются дивинилстирольный термоэластопласт (ДСТ-30-01 1 группы по ТУ-38 103267-80 и ДСТ-30-01 1 группы по ТУ-38 40327-90) и их зарубежные аналоги: Финапрен 502 и 411, Кратон Д 1101, Д1184 и Д 1186, Европек Сол Т 161, Калпрен 411.
В качестве пластификаторов используются индустриальные масла И-20А, И-30А, И-40А, И-50А по ГОСТ 20799-88 и сырье для производства нефтяных вязких дорожных битумов по ТУ 101582-88 или смеси масла и сырья.
Полимерно-битумные вяжущие приготавливают в соответствии с ГОСТ Р 52056-2003 марок: ПБВ 300, ПБВ 200, ПБВ 130, ПБВ 90, ПБВ 60 и ПБВ 40, который регламентирует следующие показатели свойств ПБВ: глубину проникания иглы, 0,1 мм при 25°С и 0°С, минимальную температуру размягчения ко кольцу и шару (КиШ) в °С, растяжимость в см при 25°С и 0°С, наибольшую температуру хрупкости °С, наименьшую эластичность в % при 25°С и 0°С, наибольшее изменение температуры размягчения после прогрева в °С, минимальную температуру вспышки в °С, сцепление с мрамором или песком и однородность.
Приготавливают ПБВ двумя способами: введением ДСТ непосредственно в битум, пластифицированный маслом; введением в битум раствора ДСТ в масле.
Второй способ более производителен и менее энергоемок.
Состав ПБВ определяется на основе приготовления и испытания его образцов с различным содержанием полимера и пластификатора в битуме. Содержание полимера в ПБВ различных марок колеблется в пределах 2-6 %, а содержание пластификатора в пределах 3-40 %. Минимальное содержание ДСТ и масла И-40А при использовании битумов БНД и БН представлено в табл. 18.4 в соответствии с показателем глубины проникания иглы 0,1 мм при 25°С.
Таблица 18.4
|
Марка битума |
Марки полимера |
Минимальное содержание компонентов, % по маркам ПБВ |
|||||
|
пластификатора |
ПБВ 300 |
ПБВ 200 |
ПБВ 130 |
ПБВ 90 |
ПБВ 60 |
ПБВ 40 |
|
|
БНД 60/90 |
ДСТ И-40 А |
3,5 29,0 |
3,5 20,0 |
3,3 15,0 |
3,1 10,0 |
3,25 7,0 |
3,1 5,0 |
|
БН 60/90 по согласованию с заказчиком |
ДСТ И-40А |
3,5 25,0 |
3,0 20,0 |
3,3 17,0 |
3,5 13,0 |
3,5 8,0 |
3,2 3,0 |
Область применения различных марок ПБВ можно определить по рекомендациям табл. 18.3 для БНД соответствующей марки.
В таблице 18.5 приведены наиболее важные для обеспечения сдвигоустойчивости и трещиностойкости полимерасфальтобетона показатели свойств полимерно-битумных вяжущих (ПБВ) по ГОСТ Р 52056-2003.
Таблица 18.5
|
Показатели свойств ПБВ |
Значение показателей ПБВ |
|||||
|
300 |
200 |
130 |
90 |
60 |
40 |
|
|
Температура размягчения по кольцу и шару (КиШ), °С, не ниже |
45 |
47 |
49 |
51 |
54 |
56 |
|
Температура хрупкости, °С, не выше |
-40 |
-35 |
-30 |
-25 |
-20 |
-15 |
|
Эластичность, %, не менее, при |
|
|
|
|
|
|
|
25°C |
85 |
85 |
85 |
85 |
80 |
80 |
|
0°C |
75 |
75 |
75 |
75 |
70 |
70 |
Состав асфальтобетонной смеси для верхних слоев покрытия на основе ПБВ подбирается по ГОСТ 9128-97 (табл. 18.4).
В качестве примера ниже приведены состав и физико-механические свойства полимерасфальтобетона, подобранного на узких фракциях щебня 5-10 и 10-15 мм и дробленого песка, уложенного в верхнем слое покрытия МКАД:
Содержание щебня крупнее 5 мм, % массы 57-65
Содержание зерен мельче 0,071 мм, % массы 7-10
Средняя плотность, г/см3 2,61-2,65
Пористость минерального остова, % по объему 14-17
Остаточная пористость, % по объему 2-4
Водонасыщение, % по объему 1,5-3,5
Набухание, % по объему £ 0,2
Предел прочности при сжатии, МПа
при температуре 20°С ³ 3,5
при температуре 50°С ³ 1,1
при температуре 0°С £ 8,0
Коэффициент водостойкости ³ 0,95
Коэффициент водостойкости при длительном водонасыщении ³ 0,90
Предел прочности при сдвиге, МПа (в расчетных условиях) ³ 0,85.
Зерновой состав минеральной части полимерасфальтобетона приведен на рис. 18.2.

Рис. 18.2. Зерновой состав минеральной части полимерасфальтобетона:
1 - пределы по ГОСТ 9128-97 для асфальтобетона типа А; 2 - требования к полимерасфальтобетону для МКАД
Выбор минеральных материалов. Требования к минеральным материалам, используемым для приготовления асфальтобетонных смесей, приведены ниже. Щебень из плотных горных пород и гравий, щебень из шлаков, которые по зерновому составу, прочности, содержанию пылевидных и глинистых частиц, содержанию глины в комках должны соответствовать требованиям ГОСТ 8267-93 и ГОСТ 3344-83.
Содержание зерен пластинчатой (лещадной) формы не должно превышать по массе: 15 % для смесей высокоплотных и типа А, 25 % - для смесей Б и Бх, 35 % - для смесей В и Вх.
Гравийно-песчаные смеси по зерновому составу должны отвечать требованиям ГОСТ 23735-79, гравий и песок в составе смесей - ГОСТ 8267-93 и ГОСТ 8736-93.
Прочность по дробимости и истираемости, морозостойкость щебня и гравия должны соответствовать требованиям табл. 10 ГОСТ 9128-97.
Марка по дробимости щебня (в цилиндрах) в пределах:
из изверженных и метаморфических горных пород 1200-600;
из осадочных горных пород 1200-400;
из металлургического шлака 1200-600;
из гравия 1000-400;
недробленого гравия 800-400.
Марка по истираемости (в полочном барабане) в пределах И1-И4.
Марка по морозостойкости в пределах:
для I, II и III ДКЗ - F50 и F25;
для IVи V ДКЗ - F50, F25, F15.
Песок природный и из отсевов дробления горных пород должен соответствовать требованиям ГОСТ 8736-93, а марка по прочности песка из отсевов дробления и содержание глинистых частиц должны соответствовать требованиям табл. 11 ГОСТ 9128-97.
Минеральный порошок должен соответствовать требованиям ГОСТ Р 51129-2003. При использовании в качестве минерального порошка техногенных отходов (применяемых в высокопористых, пористых и плотных смесях II и III марок) их показатели должны соответствовать требованиям табл. 12 ГОСТ 9128-97.
Содержание минеральных материалов в асфальтобетонных смесях должно соответствовать требованиям ГОСТ 9128-97. Пределы содержания минеральных материалов в смесях представлены в таблице 18.6.
Для улучшения сцепления битума с поверхностью кислых минеральных материалов используют катионные ПАВ, а с поверхностью осадочных пород - анионные ПАВ. В качестве катионных ПАВ используют соли высших алифатических аминов, а в качестве анионных ПАВ - госсиполовую смолу (хлопковый гудрон) и жировой гудрон.
Таблица 18.6
Содержание минеральных материалов в асфальтобетонных смесях
|
Виды и типы смесей и асфальтобетонов |
Составы смесей |
|||
|
Содержание щебня, % по массе |
Содержание песка, % по массе |
Содержание частиц меньше 0,07 мм, % по массе |
Остаточная пористость асфальтобетона, (пористость минеральной части), % |
|
|
Горячие высокоплотные |
40-65 |
20-40 |
10-16 |
1,0-2,5(16) |
|
плотные типов: |
50-60 |
30-46 |
4-10 |
2,5-5,0 (19) |
|
А щебеночные |
||||
|
Б щебеночные |
40-50 |
38-54 |
6-12 |
2,5-5,0 (19) |
|
В щебеночные |
30-40 |
46-62 |
8-14 |
2,5-5,0 (22) |
|
Г песчаные |
- |
64-92 |
8-16 |
2,5-5,0 (22) |
|
Д песчаные |
- |
64-90 |
10-16 |
2,5-5,0 (22) |
|
Пористые |
40-60 |
32-60 |
0-8 |
5,0-10,0 (23) |
|
Высокопористые щебеночные |
40-60 |
32-56 |
4-8 |
10,0-18,0 (24) |
|
Высокопористые песчаные |
- |
80-96 |
4-10 |
10,0-18,0 (28) |
|
Холодные типов: |
|
|||
|
Бх щебеночные и гравийные |
40-50 |
38-52 |
8- 12 |
2,5-5,0 (18) |
|
Вх щебеночные и гравийные |
30-40 |
43-58 |
12-17 |
2,5-5,0 (20) |
|
Гх песчаные |
- |
60-88 |
12-20 |
2,5-5,0 (21) |
|
Дх песчаные |
- |
60-88 |
12-20 |
2,5-5,0 (21) |
Прочность и устойчивость асфальтобетона в покрытии. Основными физико-механическими свойствами асфальтобетона в слоях дорожной одежды являются:
прочность асфальтобетона при различных температурах, характеризующая сопротивление сжимающим силовым воздействиям при различных температурах;
водостойкость, характеризующая потерю прочности асфальтобетона при водонасыщении;
водонасыщение, характеризующее остаточную пористость материала;
сдвигоустойчивость, характеризующая способность сопротивляться касательным напряжениям;
трещиностойкость, характеризующая сопротивление растягивающим силовым воздействиям при низких температурах.
Для реализации этих свойств асфальтобетона ГОСТ 9128-97 с изменением № 2 от 11.06.2002 г. предусматривает показатели для асфальтобетонов, приведенные в табл. 18.7.
Показатели физико-механических свойств пористых и высокопористых асфальтобетонов из горячих смесей должны соответствовать требованиям табл. 6 ГОСТ 9128-97, а показатели физико-механических свойств асфальтобетонов из холодных смесей - требованиям табл. 7 ГОСТ 9128-97.
Однородность горячих смесей оценивается коэффициентом вариации предела прочности при сжатии при температуре 50°С, а холодных смесей - коэффициентом вариации водонасыщения, которые должны соответствовать требованиям табл. 9 ГОСТ 9128-97. Методы определения показателей свойств асфальтобетона изложены в ГОСТ 12801-98.
Выбор конструкции дорожной одежды с учетом сдвигоустойчивости и трещиностойкости. Представленные в табл. 18.2 расчётные толщины слоев дорожной одежды зависят от климатических условий зоны строительства и интенсивности расчетных транспортных нагрузок (количество расчетных автомобилей категории А в сутки на полосу движения).
Толщины слоев асфальтобетонного покрытия меняются мало:
у двухслойного покрытия на двухслойном основании - верхний слой в пределах от 3,5-4 см до 4-5 см, нижний слой в пределах 5-6 см;
у двухслойного покрытия на однослойном основании - верхний слой в пределах от 3,5-4 см до 4-5 см, нижний слой в пределах 4-6 (5) см до 8 см;
у однослойного покрытия на двухслойном основании - слой покрытия не меняется - 5 см.
Толщины слоев основания изменяются в широких пределах, так как применяемые в слоях основания различные материалы имеют очень разные модули упругости, а также очень зависят от условий работы дорожной одежды (тип местности, тип увлажнения, толщина песчаного дополнительного слоя).
Решающими факторами выбора конструкции из нескольких равнопрочных является их стоимость в данном регионе, для которого конструкция дорожной одежды выбирается.
Таблица 18.7
Показатели физико-механических свойств асфальтобетонов
|
Показатели свойств асфальтобетонов |
Значения для асфальтобетонов марки |
||||||||
|
I |
II |
III |
|||||||
|
для дорожно-климатических зон |
|||||||||
|
I |
II-III |
IV-V |
I |
II-III |
IV-V |
I |
II-III |
IV-V |
|
|
Предел прочности при сжатии при температуре 50°С, МПа, не менее, для асфальтобетонов типов: |
|
|
|
|
|
|
|
|
|
|
высокоплотных |
1,0 |
1,1 |
1,2 |
- |
- |
- |
- |
- |
- |
|
плотных: |
|
|
|
|
|
|
|
|
|
|
А |
0,9 |
1,0 |
1,1 |
0,8 |
0,9 |
1,0 |
- |
- |
- |
|
Б |
1,0 |
1,2 |
1,3 |
0,9 |
1,0 |
1,2 |
0,8 |
0,9 |
1,1 |
|
В |
- |
- |
- |
1,1 |
1,2 |
1,3 |
1,0 |
1,1 |
1,2 |
|
Г |
1,1 |
1,3 |
1,6 |
1,0 |
1,2 |
1,4 |
0,9 |
1,0 |
1,1 |
|
Д |
- |
- |
- |
1,1 |
1,3 |
1,5 |
1,0 |
1,1 |
1,2 |
|
Предел прочности при сжатии при температуре 20°С для асфальтобетонов всех типов, МПа, не менее |
|
|
|
|
|
|
|
|
|
|
2,5 |
2,5 |
2,5 |
2,2 |
2,2 |
2,2 |
2,0 |
2,0 |
2,0 |
|
|
Предел прочности при сжатии при температуре 0°С для асфальтобетонов всех типов, МПа, не более |
|
|
|
|
|
|
|
|
|
|
9,0 |
11,0 |
13,0 |
10,0 |
12,0 |
13,0 |
10,0 |
12,0 |
13,0 |
|
|
Водостойкость не менее: |
|
|
|
|
|
|
|
|
|
|
плотных асфальтобетонов (после вакуума) |
0,95 |
0,9 |
0,85 |
0,9 |
0,85 |
0,8 |
0,85 |
0,75 |
0,7 |
|
высокоплотных асфальтобетонов (после вакуума) |
0,95 |
0,95 |
0,9 |
- |
- |
- |
- |
- |
- |
|
плотных асфальтобетонов при длительном водонасыщении |
0,95 |
0,85 |
0,75 |
0,85 |
0,75 |
0,7 |
0,75 |
0,65 |
0,6 |
|
высокоплотных асфальтобетонов при длительном водонасыщении |
0,95 |
0,90 |
0,85 |
- |
- |
- |
- |
- |
- |
|
Водонасыщение для асфальтобетонов (образцов из смеси / вырубок и кернов), не более: |
|
||||||||
|
высокоплотных |
|
1,0-2,5/3,0 |
|
||||||
|
плотных типов |
|
||||||||
|
А |
|
2,0-5,0/5,0 |
|
||||||
|
Б, В и Г |
|
1,5-4,0/4,5 |
|||||||
|
Д |
1,0-4,0/4,0 |
||||||||
|
Сдвигоустойчивость по: |
|
|
|
|
|
|
|
|
|
|
коэффициенту внутреннего трения, не менее, для асфальтобетонов типов: |
|||||||||
|
высокоплотных |
0,86 |
0,87 |
0,89 |
0,86 |
0,87 |
0,89 |
- |
- |
- |
|
плотных: |
|
|
|
|
|
|
|
|
|
|
А |
0,86 |
0,87 |
0,89 |
0,86 |
0,87 |
0,89 |
- |
- |
- |
|
Б |
0,80 |
0,81 |
0,83 |
0,80 |
0,81 |
0,83 |
0,79 |
0,80 |
0,81 |
|
В |
- |
- |
- |
0,74 |
0,76 |
0,78 |
0,73 |
0,75 |
0,77 |
|
Г |
0,78 |
0,80 |
0,82 |
0,78 |
0,80 |
0,82 |
0,76 |
0,78 |
0,80 |
|
Д |
- |
- |
- |
0,64 |
0,65 |
0,70 |
0,62 |
0,64 |
0,66 |
|
сцеплению при сдвиге при температуре 50°С, МПа, не менее, для |
|
|
|
|
|
|
|
|
|
|
асфальтобетонов типов: |
|
|
|||||||
|
высокоплотных |
0,25 |
0,27 |
0,30 |
- |
- |
- |
- |
- |
- |
|
плотных: |
|
|
|
|
|
|
|
|
|
|
А |
0,23 |
0,25 |
0,26 |
0,22 |
0,24 |
0,25 |
- |
- |
- |
|
Б |
0,32 |
0,37 |
0,38 |
0,31 |
0,35 |
0,36 |
0,29 |
0,34 |
0,36 |
|
В |
- |
- |
- |
0,37 |
0,42 |
0,44 |
0,36 |
0,40 |
0,42 |
|
Г |
0,34 |
0,37 |
0,38 |
0,33 |
0,36 |
0,37 |
0,32 |
0,35 |
0,36 |
|
Д |
- |
- |
- |
0,47 |
0,54 |
0,55 |
0,45 |
0,48 |
0,50 |
|
Трещиностойкость по пределу прочности на растяжение при расколе при температуре 0°С и скорости деформирования 50 мм/мин для асфальтобетонов всех типов, МПа: |
|
|
|
|
|
|
|
|
|
|
не менее |
3,0 |
3,5 |
4,0 |
2,5 |
3,0 |
3,5 |
2,0 |
2,5 |
3,0 |
|
не более |
5,5 |
6,0 |
6,5 |
6,0 |
6,5 |
7,0 |
6,6 |
7,0 |
7,5 |
Примечание. При использовании полимерно-битумных вяжущих допускается снижать нормы к сцеплению при сдвиге и пределу прочности на растяжение при расколе на 20 %.
Дополнительными, очень важными с точки зрения обеспечения прочности и надежности дорожной одежды факторами, определяющими выбор материалов и толщин слоев дорожной одежды, являются: сдвигоустойчивость асфальтобетона и других материалов с использованием органических вяжущих в слоях дорожной одежды; трещиностойкость слоев покрытия и основания.
Основное влияние на сдвигоустойчивость и трещиностойкость дорожной одежды и ее слоев оказывают климатические условия ее работы. Данные по климатическим условиям и ожидаемым температурам асфальтобетонного покрытия для ряда городов Российской Федерации (по СНиП 23-01-99), входящих территориально в различные дорожно-климатические зоны (ДКЗ) по СНиП 2.05.02-85, приведены в табл. 18.8, из которых видно, что температуры воздуха (наиболее холодной пятидневки и абсолютной) для этих городов зависят, главным образом, от расположения в приморском, континентальном или резкоконтинентальном регионах.
Таблица 18.8
|
Дорожно- |
Города, вхо- |
Климатические условия по СНиП 23-01-99 |
Ожидаемые температуры асфальтобетонного покрытия, °С |
|||||
|
температура воздуха наиболее холодной пятидневки, °C обеспеченностью 0,98 |
температура воздуха теплого периода, °С, обеспеченностью 0,98 |
абсолютная температу- |
мини- |
макси- |
диапа- |
|||
|
минималь- |
максималь- |
|||||||
|
I |
Мурманск Салехард Якутск |
-29 -43 -57 |
15,8 16,3 22,8 |
-39 -54 -64 |
33 31 38 |
-34 -48 -60 |
35 36 47 |
69 84 107 |
|
II |
Архангельск Москва Тюмень |
-34 -30 -42 |
19,6 22,6 21,6 |
-45 -42 -50 |
34 37 38 |
-36 -34 -46 |
36 37 48 |
72 71 94 |
|
III |
Казань Омск Новосибирск |
-36 -39 -42 |
23,5 23,3 22 |
-47 -49 -50 |
38 40 38 |
-38 -44 -46 |
48 50 50 |
86 94 96 |
|
IV |
Саратов Оренбург |
-30 -34 |
25,1 26,1 |
-37 -43 |
41 42 |
-34 -38 |
38 60 |
72 98 |
|
V |
Астрахань Элиста |
-24 -25 |
28,4 32 |
-33 -34 |
40 43 |
-34 -34 |
50 64 |
84 98 |
Можно выделить регионы.
По температурам воздуха для холодного периода (воздуха наиболее холодной пятидневки, воздуха абсолютной оптимальной):
регионы с малой низкотемпературной нагрузкой (Мурманск, Архангельск, Москва, Казань, Саратов, Оренбург, Астрахань, Элиста) - ожидаемая критическая температура покрытия равна минус (34...39) °С;
регионы со средней низкотемпературной нагрузкой (Салехард, Тюмень, Омск, Новосибирск) - ожидаемая критическая температура покрытия равна минус (44...48) °С;
регионы с большой низкотемпературной нагрузкой (Якутск) - ожидаемая критическая температура покрытия равна минус (60...62) °С.
По температурам воздуха для теплого периода (воздуха теплого периода, воздуха абсолютная максимальная, суточная амплитуда наиболее теплого периода):
регионы с малой высокотемпературной нагрузкой (Мурманск, Салехард, Архангельск, Москва, Саратов) - ожидаемая критическая температура покрытия равна плюс (35...38) °С;
регионы со средней высокотемпературной нагрузкой (Якутск, Тюмень, Казань, Омск, Новосибирск, Астрахань) - ожидаемая критическая температура покрытия равна плюс (47...50) °С;
регионы с большой высокотемпературной нагрузкой (Оренбург, Элиста) - ожидаемая критическая температура покрытия равна плюс (60...64) °С
Основными факторами, влияющими на сдвигоустойчивость асфальтобетона в покрытии, являются: температура размягчения вяжущего при высоких температурах; содержание щебня в асфальтобетоне; содержания минерального порошка; устойчивость материалов слоев основания под действием многократно повторяющихся нагрузок и способность слоя основания снижать напряжение от этих нагрузок на нижележащие слои (плитный эффект).
Основными факторами, влияющими на трещиностойкость асфальтобетонного покрытия, являются: температура хрупкости вяжущего при низкой температуре; оптимальное содержание минерального порошка; расширение рабочего диапазона температур битума за счет его модификации при вводе полимеров или каучуков; трещиностойкость слоев основания.
Наиболее важные для обеспечения сдвигоустойчивости и трещиностойкости асфальтобетона нормативные и фактические показатели свойств нефтяных дорожных битумов и полимерно-битумных вяжущих приведены в табл. 18.9.
Фактические показатели температур размягчения вяжущих на 2-3°С выше указанных требований, а с учетом работы битумов в асфальтобетоне в очень тонких пленках, а также структурирующего влияния минерального порошка могут быть приняты выше на 5-6°С
Фактические показатели температур хрупкости вяжущих на минус 3-4°С выше указанных требований, а с учетом особенностей работы битумов в асфальтобетоне и влияния минерального порошка могут быть приняты выше на минус 6-8°С Сравнение показателей табл. 18.8 и 18.9 говорит, что обеспечение сдвигоустойчивости и трещиностойкости асфальтобетонов в диапазоне рабочих температур является сложной проблемой. В связи с этим было принято изменение № 2 к ГОСТ 9128-97 от 11.06.2002 г., включающее требования к сдвигоустойчивости и трещиностойкости (см. табл. 18.7). Следует отметить, что на показатель коэффициента внутреннего трения больше всего влияет содержание в асфальтобетоне щебня, а на показатели сцепления при сдвиге и предел прочности на растяжение - свойства битума и оптимальное содержание минерального порошка. Как указано выше, значительное влияние на сдвигоустойчивость и трещиностойкость асфальтобетонного покрытия оказывает тип материала основания.
Таблица 18.9
|
Показатели свойств вяжущих |
Класс вяжущего |
Значения показателей для вяжущих марок |
||||
|
200/300 |
130/200 |
90/130 |
60/90 |
40/60 |
||
|
Нормативная температура размягчения по кольцу и шару (КиШ), °C не ниже |
ПБВ БНД БН |
47/45 35 30 |
49/47 40 38 |
51/49 43 41 |
54/51 47 45 |
56/54 51 - |
|
Нормативная температура хрупкости, °С, не выше |
ПБВ БНД БН |
-35/40 -20 -14 |
-30/35 -18 -12 |
-25/30 -17 -10 |
-20/25 -15 -6 |
-15/20 -12 - |
|
Фактическая температура размягчения вяжущего в асфальтобетоне, °С |
ПБВ БНД БН |
53/51 41 36 |
55/53 46 44 |
57/55 49 47 |
60/57 53 51 |
62/60 57 57 |
|
Фактическая температура хрупкости вяжущего в асфальтобетоне, °С |
ПБВ БНД БН |
-43/48 -28 -22 |
-38/43 -26 -22 |
-33/38 -25 -18 |
-28/33 -23 -14 |
-23/28 -20 -10 |
|
Максимальный обеспечиваемый диапазон рабочих температур, °С |
ПБВ БНД БН |
96/99 69 58 |
93/96 72 64 |
90/93 74 65 |
88/90 76 65 |
85/88 77 67 |
Наилучшей работоспособностью обладают дорожные одежды с двухслойным асфальтобетонным покрытием и двухслойным основанием, в верхнем слое которого используются щебеночный асфальтобетон или щебеночные материалы, обработанные битумом или битумной эмульсией. Более склонны к прогибу и передаче напряжений на нижние слои основания из гравийного асфальтобетона и гравийных материалов, обработанных битумом или битумной эмульсией.
В нижнем слое двухслойного и однослойного основания используют: щебеночные, гравийные материалы и грунты, укрепленные минеральными вяжущими различной прочности; цементобетон различной прочности; щебень, уложенный по способу заклинки; подобранный щебеночный и гравийный материал.
Работоспособностью, с точки зрения уменьшения прогиба под действием колесной нагрузки (плитным эффектом), обладают нижние слои двухслойного и однослойного основания из щебеночных, гравийных материалов, укрепленных 5-7 % цемента, грунтов, укрепленных минеральными вяжущими I класса прочности, из тощего цементобетона марки 75, 100 и 125 (позиции 1-5, 16 разд. 18.2).
Меньшим плитным эффектом обладают слои из гравийных материалов, обработанных 4-5 % цемента, грунтов, укрепленных минеральными вяжущими, II класса прочности, а также щебеночные слои, выполненные по способу заклинки (позиции 6-10, 17 разд. 18.2).
Наихудшим плитным эффектом обладают слои из песков и золошлаков, укрепленных 5-6 % цемента, грунтов, укрепленных минеральными вяжущими, III класса прочности, а также подобранного щебеночного и гравийного материала (позиции 11-15, 18, 19 разд. 18.2).
Слои основания из щебеночных, гравийных материалов, укрепленных 5-7 % цемента, а еще более из цементобетона склонны к растрескиванию и образованию поперечных неорганизованных (хаотичных) трещин, особенно в период набора прочности (в течение 1-2 суток после укладки) и главным образом при большой амплитуде перепада температур воздуха (более 12°C) в этот период, что характерно для регионов с континентальным и резко континентальным климатом (Якутск, Оренбург, Элиста, а также Тюмень, Новосибирск, Саратов). На покрытиях, уложенных на такие основания, неизбежно возникают отраженные трещины, копирующие трещины в основаниях. Наилучшими показателями трещиностойкости обладают покрытия на щебеночных основаниях, выполненных по способу заклинки.
Для повышения трещиностойкости асфальтобетонного покрытия на основаниях из щебня, укрепленного цементом, и цементобетона, то есть для препятствия появлению отраженных трещин используют трещинопрерывающие прослойки между нижним и верхним слоем основания и армирующие прослойки между слоями асфальтобетонного покрытия. В качестве трещинопрерывающих прослоек используются геотекстильный материал, приклеиваемый к нижнему слою основания менее вязким битумом и более вязким битумом к верхнему слою основания.
В качестве армирующих прослоек используются геосетки, приклеиваемые вязким битумом к нижнему и верхнему слоям асфальтобетонного покрытия.
При ремонте и реконструкции автомобильных дорог, в покрытии которых проявились отраженные трещины, перед укладкой дополнительных слоев покрытия над трещиной укладывается трещинопрерывающая прослойка из геотекстиля.
Составы асфальтобетонных смесей, применяемые в различных эксплуатационных условиях. Проектируя состав асфальтобетонных смесей, необходимо прежде всего учитывать ожидаемую интенсивность и состав движения, также климатические условия района проложения дороги. При этом руководствуются следующими принципиальными положениями:
чем больше в смеси щебня, тем больше сдвигоустойчивость асфальтобетона. В южных районах России и районах с резко континентальным климатом при любой интенсивности движения, а в средней полосе России и в районах с континентальным климатом при тяжелом и интенсивном движении предпочтение следует отдавать применению смесей с высоким содержанием щебня;
чем меньше вязкость битума, тем больше трещиностойкость асфальтобетона, поэтому на Севере и в районах с резко континентальным и континентальным климатом предпочтительнее применение битумов пониженной вязкости, а на юге - более вязких.
Наиболее эффективным и доступным средством регулирования плотности и прочности асфальтобетона является изменение содержания в нем минерального порошка в пределах, предусмотренных ГОСТ 9128-97.
Оптимальное количество битума в асфальтобетонной смеси определяют на основе испытаний пробных составов смесей с различным количеством битума и выбора такого его содержания, при котором обеспечивается наибольшая прочность асфальтобетона и остаточная пористость, нормированная стандартом.
Проектирование состава асфальтобетона состоит из двух этапов.
1 этап: назначение типа смеси из числа нормированных в ГОСТ 9128-97 (см. табл. 18.1);
выбор марки битума нормированного в ГОСТ 9128-97 (см. табл. 18.3) с учетом данных ГОСТ 22245-90 (см. табл. 18.9) и климатических условий региона применения асфальтобетона по СНиП 2.05.02-85 и СНиП 23-01-99 (см. табл. 18.8);
выбор содержания минеральных материалов по ГОСТ 9128-97 (см. табл. 18.6) с проверкой расчетом соответствия зернового состава смеси выбранного типа требованиям данного стандарта; предварительный выбор содержания битума в смеси по таблице приложения Г ГОСТ 9128-97;
2 этап: проверка правильности выбора содержания битума производится на основе приготовления и испытаний 3-5 составов смесей по 24 образца в каждой (3 образца для определения каждого показателя табл. 18.7, нормируемых ГОСТ 9128-97). Испытания проводятся по ГОСТ 12801-98 «Материалы на основе органических вяжущих для дорожного и аэродромного строительства. Методы испытаний».
Подготовительные работы к строительству оснований и покрытий из асфальтобетона. До начала работ по строительству слоев основания и покрытия из асфальтобетонных смесей необходимо оградить место производства работ от въезда постороннего транспорта, расставить дорожные знаки в соответствии с ВСН 37-84 и схемой движения, согласованной с органами ГИБДД, направить движение транспортных средств, наметить безопасную зону для рабочих, занятых на укладке, схему заездов, разворотов и выездов самосвалов, доставляющих асфальтобетонную смесь. Дорожные знаки и ограждения устанавливает организация, выполняющая строительные работы. На участке производства работ должны быть установлены передвижные вагончики для отдыха и приема пищи, вагончик для мастера и кладовой, должны иметься бачки с питьевой водой и медицинская аптечка. При проведении работ в две и более смены для работы в темное время необходимо обеспечить освещение участка согласно ГОСТ 12.3.033-84.
При новом строительстве, реконструкции или ремонте асфальтобетонного покрытия предварительно необходимо проконтролировать определенные параметры нижележащего конструктивного слоя и обеспечить выполнение следующих работ:
нижележащий конструктивный слой должен соответствовать требованиям СНиП 3.06.03-85 в части обеспечения плотности, ровности, геометрических отметок, поперечного уклона, быть чистым и сухим, не иметь повреждений, то есть выбоины, трещины и неровности должны быть устранены. Для чего необходимо спрофилировать нижележащий конструктивный слой дорожной фрезой с автоматической системой обеспечения ровности или уложить выравнивающий слой из асфальтобетонной мелкозернистой или песчаной горячей асфальтобетонной смеси. Отфрезерованная (спрофилированная) поверхность должна быть очищена механической щеткой и продута сжатым воздухом.
Для обеспечения склеивания (обеспечения совместной работы) укладываемого и нижележащего слоев покрытия выполняют подгрунтовку поверхности нижележащего слоя битумной эмульсией на жидком битуме не позднее, чем за 2 часа до начала укладки. Производить подгрунтовку за 24 часа до укладки разрешается лишь при отсутствии движения транспорта по нижележащему слою и использовании катионной битумной эмульсии. Норма розлива 50 %-ной битумной эмульсии: 0,6-0,9 л/м2 перед укладкой слоя основания и нижнего слоя покрытия и 0,3-0,4 л/м2 перед укладкой верхнего слоя покрытия. При выдерживании нормы расхода битумной эмульсии через слой битума после распада эмульсии отчетливо видна поверхность, на которую он нанесен. Приступать к укладке асфальтобетона после подгрунтовки можно только после распада эмульсии, когда цвет ее изменится с коричневого на черный.
Обработку вяжущими нижележащих слоев можно не выполнять, если они устроены из асфальтобетона и после его укладки прошло не более двух суток.
Для подготовки поперечного и продольного сопряжений (стыков) укладываемого слоя необходимо обрезать: конец слоя предыдущей сменной захватки (включая пандус-скос) и край смежного слоя по ширине в одну линию без образования уступов с образованием вертикальной кромки и обработать полученные кромки битумной эмульсией. Величина обрезки определяется по устранению пандуса-скоса на предыдущей сменной захватке и смежной полосе приложением к поверхности ранее уложенного слоя 3 метровой рейки. Перед укладкой слоя покрытия на мостах и путепроводах деформированные швы должны быть закрыты металлическими листами толщиной около 2 мм по всей длине шва с нахлестом 10-15 см или заполнены песком.
Для обеспечения работы асфальтоукладчиков в автоматическом режиме должны быть: заранее установлены стойки с вынесенными на них отметками и натянута копирная струна; расстояния между стойками для обеспечения минимального провисания струны (не более 1 мм) не должны превышать 8 м на прямой и 4-5 м на кривых радиусом до 1000 м (при выборе способа обеспечения ровности по отметкам) при высоте стоек 0,3-0,5 м; заранее смонтированы (установлены) длинные 4-8 м или короткие 0,4-0,6 м лыжи на асфальтоукладчике (при выборе способа обеспечения ровности путем «копирования» поверхности нижележащего слоя).
Наладка (регулировка) рабочих органов асфальтоукладчика включает: установку положения распределительного шнека по высоте; расстояние от нижней кромки его лопастей до поверхности нижележащего слоя должно составлять 1,5 толщины укладываемого слоя в середине и по краям шнека; установку поперечного уклона рабочих органов в соответствии с требуемым; установку режимов работы: ход трамбующего бруса в пределах 4-8 мм в зависимости от толщины укладываемого слоя; частоту ударов трамбующего бруса в пределах 1000-1500 ударов/мин в зависимости от состава смеси и скорости укладки; частоту вибрации выглаживающей плиты в пределах 20-65 Гц в зависимости от толщины укладываемого слоя и скорости укладки.
Настройка автоматической системы обеспечения ровности и поперечного уклона включает установку датчика вертикальных отметок на тяговом брусе асфальтоукладчика и установку заданного поперечного уклона на задатчике автоматической системы в соответствии с указаниями завода-производителя.
Укладка асфальтобетонных смесей в слои дорожной одежды. Основными факторами, определяющими выбор технологии укладки (состав машин), метода укладки (организации работ) и рабочей скорости асфальтоукладчиков являются: требуемый темп строительства пог. м/смену, ширина и толщина укладываемого слоя, то есть объем или масса укладываемой асфальтобетонной смеси.
Различают три технологии укладки асфальтобетонной смеси в слои дорожной одежды:
американская технология (фирмы Barber-Green) с производительностью до 1800 т/час и темпом укладки 5 км/смену на нижнем слое и 10 км/смену на верхнем слое при ширине укладки 8-9 м, включающая следующие основные машины и технологические операции: самосвал - валик смеси - подборщик - асфальтоукладчик - слой смеси;
американская технология (фирмы Roadtec) с производительностью до 600 т/час и темпом укладки 1,75 км/смену на нижнем слое и 3,5 км/смену на верхнем слое при ширине укладки 8-9 м, включающая следующие основные машины и технологические операции: самосвал - перегружатель (Shuttle Buggy) или накопитель смеси - асфальтоукладчик - слой смеси;
европейская технология (принятая в России) с производительностью до 240 т/час и темпом укладки до 0,6 км/смену на нижнем слое и 1,2 км/смену на верхнем слое при ширине укладки 8-9 м, включающая следующие основные машины и технологические операции: самосвал - асфальтоукладчик - слой смеси.
Во всех технологиях реализуется главный фактор обеспечения ровности слоя - обеспечение безостановочной работы асфальтоукладчика, а также постоянное равномерное заполнение бункера и шнековой камеры асфальтоукладчика, отсутствие мест застоя и охлаждения асфальтобетонной смеси.
Различают также и методы организации работ в зависимости от ширины укладываемого слоя:
укладка одним асфальтоукладчиком при ширине укладки от 1,0 до 12,0 м (редко до 16 м), (рис. 18.3, а);
укладка сопряженными полосами двумя, тремя асфальтоукладчиками при ширине укладки от 9 до 22,0 м и более и без образования «холодных» продольных стыков (рис. 18.3, б и 18.3, в).

Рис. 18.3. Схемы укладки слоев дорожных одежд из асфальтобетонных смесей:
а - схема работы с одним асфальтоукладчиком при работе катков «вразбежку»; б - схема работы с двумя асфальтоукладчиками при работе катков «звеньями»; в - схема работы с тремя асфальтоукладчиками при работе катков «звеньями». А - асфальтоукладчик; К - комбинированный каток; В - вибрационный каток; П - пневмошинный каток; С - статический каток; 1, 2, 3, 4 - последовательные проходы катков и звеньев катков
При работе нескольких асфальтоукладчиков одновременно они располагаются уступом в плане один относительно другого с соблюдением оптимальной дистанции между ними в 10-15 м, но не более 30 м. При работе одного асфальтоукладчика и ширине укладки до 7 м автоматическая система работает от одной копирной струны и датчика поперечного уклона, а при ширине укладки более 7 м от двух копирных струн. При работе двух и более асфальтоукладчиков автоматическая система крайних асфальтоукладчиков по внешней стороне работает от копирных струн, а по внутренней стороне от копирных лыж или от датчика поперечного уклона при ширине рабочего органа не более 6 м.
При укладке слоя двумя асфальтоукладчиками ширину укладки каждого принимают равной половине ширины конструктивного слоя.
При малых (до 400 пог. м/смену) темпах строительства производят последовательную укладку сопряженных полос одним асфальтоукладчиком. Для обеспечения плотного «горячего» продольного соединения сопряженных полос ограничивают длину первой укладываемой полосы в зависимости от температуры воздуха во время укладки (табл. 18.10).
Таблица 18.10
|
Температура воздуха, °С |
5-10 |
10-15 |
15-25 |
Свыше 25 |
|
Длина укладываемой полосы, м |
25-50 |
50-75 |
75-100 |
100-200 |
В конце смены укладку сопряженных полос заканчивают в одном месте, чтобы в следующий день получить одно поперечное «холодное» соединение по всей ширине конструктивного слоя.
Для повышения использования техники и отказа от грунтовки нижнего слоя укладку двухслойного асфальтобетонного покрытия иногда ведут в две последовательные смены: в первую (днем) - верхнего слоя, во вторую (вечером накануне) - нижнего слоя. Однако при наличии одного асфальтосмесителя это вызывает ежедневные технологические изменения, связанные с различными составами смесей и поэтому чаще стараются организовывать работу на укладке верхнего или нижнего слоев в течение недели.
При наличии нескольких асфальтосмесителей и асфальтоукладчиков и возможности подачи на укладку одновременно асфальтобетонной смеси для нижнего и верхнего слоев иногда применяют технологическую схему одновременной укладки двухслойного асфальтобетонного покрытия (рис. 18.4).

Рис. 18.4. Схема одновременной укладки двухслойного асфальтобетонного покрытия:
А - асфальтоукладчик; К - комбинированный каток; В - вибрационный каток
Скорость укладки целиком определяется сменным темпом укладки и изменяется в пределах от 0,8 м/мин до 27 м/мин при темпах укладки от 0,3 до 10 км/смену.
Перед началом укладки выглаживающую плиту устанавливают на стартовые колодки (подкладки) с учетом толщины укладываемого слоя и припуска на уплотнение, равного 10-15 % толщины, и затем устанавливают с углом атаки 2-3 градуса. Перед движением асфальтоукладчика необходимо прогреть выглаживающую плиту в течение 10-20 минут в зависимости от погодных условий до температуры укладываемой смеси и проверить установку режимов работы.
При устройстве поперечного примыкания в начале смены уровень установки рабочих органов асфальтоукладчика должен быть таким же, как в конце предыдущей смены в данной точке на той же полосе. Верх покрытия в зоне поперечного стыка предварительно прогревают линейным разогревателем с инфракрасными горелками, а затем устанавливают асфальтоукладчик так, чтобы передняя часть выглаживающей плиты находилась точно над краем ранее уложенного слоя покрытия, и наполняют шнековую камеру смесью. Первые 1,5-2,0 м от места примыкания необходимо пройти на ручном режиме, то есть без включения автоматической системы.
Слои из горячих асфальтобетонных смесей укладывают в сухую погоду: весной и летом при температуре воздуха не менее 5°С, осенью не ниже 10°С
Асфальтобетонная смесь должна равномерно доставляться к одному или всем одновременно работающим асфальтоукладчикам для обеспечения их непрерывного, безостановочного движения с постоянной скоростью. Температура асфальтобетонной смеси, доставленной к месту укладки, регламентируется нормативными документами и должна иметь значения, приведенные в табл. 18.11.
Таблица 18.11
|
Смеси |
Температура смеси на месте укладки, °С на битумах марок |
|||||
|
БНД и БН |
СГ, МГ, МГО |
|||||
|
200/300 |
130/200 |
90/130 |
60/90 |
40/60 |
130/200 |
|
|
Горячая смесь |
120-130 |
130-140 |
140-150 |
145-155 |
150-160 |
110-120 |
|
Горячая смесь с использованием ПАВ и активиро- |
100-110 |
110-120 |
120-130 |
125-135 |
130-140 |
90-100 |
|
Горячая смесь для высокоплотных асфальтобето- |
140-150 |
150-160 |
160-170 |
165-175 |
170-180 |
130-140 |
При разгрузке смеси самосвал должен остановиться за 30-60 см до асфальтоукладчика, не допуская удара колес о ролики асфальтоукладчика и не устанавливая самосвал на тормоз. Асфальтоукладчик, двигаясь вперед, упирается роликами в задние колеса самосвала и плавно начинает двигать самосвал без потери своей рабочей скорости. Аналогичные требования соблюдаются при выгрузке смеси в накопительное устройство или валик смеси.
При подаче смеси из накопительного устройства и валика в бункер асфальтоукладчика необходимо внимательно следить за уровнем наполнения бункера, не допуская его опорожнения, перенаполнения и высыпания смеси вперед и в стороны.
При работе асфальтоукладчика под его гусеницами (колесами) не должно быть посторонних предметов или просыпавшейся при разгрузке смеси. Во время движения асфальтоукладчика поддерживается постоянный уровень смеси в шнековой камере, который должен доходить до оси вала шнека, за счет постоянной работы датчиков уровня смеси по краям полосы укладки системы автоматики.
При непродолжительных перерывах в доставке смеси последняя не должна полностью вырабатываться из бункера асфальтоукладчика. Бункер должен быть заполнен не менее чем на 25 %. При продолжительных перерывах необходимо, чтобы не допустить снижения температуры смеси, выработать её всю из бункера, шнековой камеры и под выглаживающей плитой и оформить как конец укладки.
Для исключения температурной сегрегации смеси боковые стенки приемного бункера (где смесь остывает быстрее) следует поднимать только при наличии смеси на питателе.
При укладке смежной полосы вторым или третьим асфальтоукладчиком боковой щит рабочих органов со стороны уложенной полосы должен размещаться над ней на расстоянии 20-50 мм от края. При продольном уклоне более 70 ‰ укладку асфальтобетонного слоя необходимо осуществлять снизу вверх, а при меньшем уклоне как вверх, так и вниз по уклону.
Автоматизация укладки слоев из асфальтобетонных смесей. Для обеспечения высотных отметок, ровности и поперечного профиля (уклона) слоев асфальтобетонного покрытия и основания на асфальтоукладчик устанавливаются соответствующие автоматические системы управления (АСУ): «Профиль» (Профиль 30, 30.12), «Разрез-МП», «Баллада» (отечественного производства) и «Скат-1» (импортная).
АСУ «Профиль», «Разрез-МП» и «Скат-1» предназначены для автоматического управления высотным и угловым (поперечный уклон) положением блока рабочих органов асфальтоукладчика, включающего трамбующий брус и выглаживающую плиту.
АСУ «Баллада» кроме автоматического управления высотным и угловым положением блока рабочих органов получает и отображает на дисплее оперативную информацию о состоянии основных узлов асфальтоукладчика: температуре и давлении масла в узлах, уровне топлива, напряжении в электросети, наработке двигателя и пройденного пути, скорости движения и частоте вращения коленвала, трамбующего бруса и вибратора плиты, разряде аккумулятора, включении тормоза, включении подогрева виброплиты, состоянии фильтров очистки масла и воздуха двигателя.
АСУ «Профиль» базируется по шнуру (копиру), поверхности смежной полосы, лучу лазера.
АСУ «Разрез-МП» и АСУ «Баллада» базируется по шнуру (копиру).
АСУ «Профиль» и «Разрез-МП» обеспечивают работу по одному копиру и заданному углу поперечной стабилизации. Датчик высоты устанавливается слева и справа.
АСУ «Баллада» и «Скат-1» обеспечивают работу по двум копирам, по копиру и углу поперечной стабилизации.
Основные параметры АСУ приведены в табл. 18.12.
Таблица 18.12
|
Параметры АСУ |
Значения параметров АСУ |
|||
|
Профиль |
Разрез-МП |
Баллада |
Скат-1 |
|
|
Диапазон установки поперечного уклона, % |
± 8,8 |
± 26,8 |
± 26,6 |
± 6,3 |
|
Диапазон регулировки чувствительности по уклону, % |
От 0,15 до 1,5 |
От 0,1 до 3,5 |
От 0,15 до 2,5 |
От 0 до 1,5 |
|
Отклонение уклона от заданного, % |
±0,15 |
±0,15 |
±0,15 |
±0,15 |
|
Диапазон задания высотной отметки, мм |
От 0 до 500 |
От 0 до 80 |
±80 |
От 0 до 63 |
|
Диапазон регулировки чувствительности по высоте, мм |
От 1,6 до 7 |
От 1 до 10 |
От 1 до 10 |
От 0 до 15 |
|
Основные узлы АСУ: |
|
|
|
|
|
датчик угла |
+ |
+ |
+ |
+ |
|
датчик высоты |
+(1) |
+(1) |
+(2) |
+(2) |
|
пульт управления |
+ |
+ |
+ |
+ |
|
щуп копира |
+(1) |
+(1) |
+(2) |
+(2) |
|
микропроцессорный блок |
- |
- |
+ |
+ |
|
дисплей жидкокристаллический |
- |
- |
+ |
+ |
Уплотнение асфальтобетонных смесей. Уплотнение асфальтобетонной смеси ведут с использованием статических гладковальцовых, пневмошинных, вибрационных гладковальцовых и комбинированных катков. Уплотнение смеси ведут по одной из следующих схем в зависимости от ширины укладки, вида смеси (определяющего его температуру в начале укатки) и погодных условий (см. рис. 18.3):
катки движутся за асфальтоукладчиком по своим полосам уплотнения («вразбежку») и на каждом проходе смещаются с перекрытием следов уплотнения;
катки движутся один за другим («след в след» или «звеном») с разрывом 2-3 м и после выполнения 3-4 проходов все сразу смещаются с перекрытием следов уплотнения.
При малой ширине укладки (до 4,5 м) одним асфальтоукладчиком (но их может быть и два и три) наиболее приемлема вторая схема. При большой ширине укладки (более 7,0 м) одним асфальтоукладчиком наиболее применима, особенно при низких температурах воздуха, первая схема, так как сразу 2-3 катка подходят к асфальтоукладчику и производят уплотнение наиболее горячей смеси. При ширине 5-7 м равно применимы обе схемы.
Температура асфальтобетонных смесей, уложенных в слой асфальтоукладчиком и подлежащих укатке, регламентируется СНиП 3.06.03-85, табл. 14. Наиболее эффективные для укатки температурные значения (минимальные и максимальные) могут быть приняты по табл. 18.11. Минимальная температура смеси в начале процесса укатки должна быть не менее указанных в табл. 18.11 на 10°С.
Заканчивать укатку асфальтобетонных смесей рекомендуется при температуре смеси 80°С, минимальная допустимая температура завершения укатки не ниже 70°С. Уплотнение смеси должно начинаться сразу после укладки. При этом катки могут подходить к выглаживающей плите асфальтоукладчика не ближе 1-1,5 м.
На начальном участке сменной захватки рекомендуется уплотнять смесь в зоне стыка с ранее уложенным асфальтобетоном вначале продольными, а затем поперечными проходами. При наличии продольных «холодных» стыков уплотнение начинают с них.
Начальные 2-3 прохода на длине 20-30 м необходимо выполнить гладковальцовым катком без вибрации на скорости 2-3 км/ч. После прогрева пневмошин (через указанные 20-30 м) вперед выходит комбинированный каток, который в течение всей смены движется первым с направленными вперед пневмошинами со скоростью на 2-3 проходах 2-3 км/час. Основное уплотнение производится последовательными 6-8 (при толщине слоя до 6 см) и 10-12 (при толщине слоя свыше 10 см) проходами комбинированного гладковальцового вибрационного и пневмоколесного катков: первые 3-4 прохода с частотой вибрации 30-35 Гц и максимальной амплитудой на скорости 2-3 км/ч и последующие с частотой 45-50 Гц и минимальной амплитудой на скорости 4-5 км/час.
Длина захватки укатки, то есть длина участка, на котором уплотнение должно быть завершено до остывания смеси, зависит от температуры воздуха и равна: 50-60 м при 10°С, 90-100 м при 20°С и не более 150 м при 30°С и более.
Давление воздуха в шинах пневмоколесного и комбинированного катков зависит от его места в схеме уплотнения и поддерживается в пределах 0,3-0,8 МПа с увеличением по мере снижения температуры смеси.
Шины пневмоколесного и комбинированного катков не должны перемещаться на остывший слой асфальтобетона за исключением начала участка и при заправке катка. Уплотнение по ширине слоя ведут со смещением от краев к середине с перекрытием следов на основном уплотнении на 20-30 см.
«Холодный» продольный шов и край уложенной полосы на ширину 10-20 см (с упором в бордюрный камень и без него) следует уплотнять гладковальцовым статическим катком или гладковальцовым вибрационным катком без вибрации и с высоким линейным давлением (массой 10-13 т).
Отдельно от основного отряда катков с отставанием на 50-90 м организуется операционный контроль ровности уплотненного слоя и на основе полученных данных производится исправление отдельных неровностей путем поперечных проходов гладковальцового вибрационного катка массой 10-13 или 14-16 т. При этом температура уплотненного слоя должна быть не менее 80-70°С. Во время уплотнения смеси катки должны находиться в непрерывном и равномерном движении. Запрещается останавливать катки на недоуплотненном и неостывшем слое или резко менять направление их движения или двигаться под углом к оси дороги.
Переезд катка с одной полосы на другую следует производить на уплотняемом слое, при этом вибрацию необходимо выключать до перехода на уплотненный слой на движущемся катке. Движение по готовому асфальтобетонному покрытию можно открывать не ранее чем через сутки после окончания его строительства.
В соответствии с требованиями ИСО 9000 технологическая карта на строительство слоев дорожной одежды должна включать следующие разделы и подразделы:
1. Назначение и область применения с наименованием конкретной организации, для которой она разработана, применяемой смеси и конструктивного слоя и его параметров: ширины и толщины.
2. Нормативные ссылки с перечнем нормативных документов, определяющих соответствие применяемых материалов, выбранную технологию, контроль качества и приемку работ, безопасность труда, к которым относятся:
ГОСТ 9128-97 Смеси асфальтобетонные дорожные, аэродромные и асфальтобетон. Технические условия.
ГОСТ 12801-98 Материалы на основе органических вяжущих для дорожного и аэродромного строительства. Методы испытаний.
ГОСТ 30412-96 Дороги автомобильные и аэродромы. Методы измерения неровностей оснований и покрытий.
СНиП 3.06.03-85 Автомобильные дороги.
СНиП 12.03-2001 Безопасность труда в строительстве. Часть 1. Общие требования.
ГОСТ 12.3.033-84 ССБТ Строительные машины. Общие требования безопасности при эксплуатации.
ВСН 37-84 Инструкция по организации движения и ограждению мест производства дорожных работ.
3. Термины и сокращения всех применяемых основных технологических операций и их расшифровка.
4. Ответственность предусматривает назначение конкретных должностных лиц ответственных за обеспечение технологии и качества материалов и работ, состояние техники, соблюдение техники безопасности и контроль качества.
5. Указания по технологии производства работ, включающие:
5.1. Общие положения с описанием основных технологических процессов и марок всех применяемых машин, включая асфальтоукладчик; фрезу дорожную; автогудронатор; катки и т.д.
5.2. Подготовительные работы с указанием комплекса всех технологических операций и работ по подготовке машин (разд. 18.5).
5.3. Основной технологический процесс с перечнем комплекса всех технологических операций и режимов работы машин (разд. 18.5).
5.4. Завершающий технологический процесс с указанием комплекса всех технологических операций и режимов работы машин на завершающем этапе (разд. 18.5).
5.5. Организацию работ с описанием требуемых условий работ (погодно-климатических и организационных), потребности в машинах и оборудовании при заданной (выбранной) сменной производительности, затрат труда при сменной производительности.
5.6. Контроль качества работ с перечнем контролируемых параметров, методов и объема контроля со ссылками на соответствующие нормативные документы.
Операционный контроль при строительстве слоев асфальтобетонного покрытия и основания включает:
до начала выгрузки смеси: контроль температуры асфальтобетонной смеси в кузове каждого автомобиля-самосвала;
через каждые 10 м уложенного слоя: контроль ровности поверхности слоя рейкой, поперечного уклона поверхности слоя рейкой с уровнем, качества сопряжения в поперечных и продольных соединениях визуально, температуру смеси в слое в конце укатки;
через каждые 100 м уложенного слоя: контроль высотных отметок полосы дороги нивелиром, ширины слоя рулеткой, толщины слоя по краям линейкой;
по трем кернам на 7000 м2 слоя: контроль качества асфальтобетона, прочности сцепления слоев, коэффициента уплотнения смеси в слое;
на каждом километре полосы движения (25 измерений): контроль шероховатости поверхности прибором «песчаное пятно».
5.7. Техника безопасности с обозначением запретов, обязательных действий и рекомендаций, а также типовых инструкций по охране труда (ТОИ), разрабатываемых ГП «Центроргтруд» на основе действующих правил и типовых инструкций по охране труда, например:
«Правила охраны труда при строительстве, ремонте и содержании автомобильных дорог». / Минстрой России. - М., 1993 г.
ТОИ Р-218-07-93 «Типовая инструкция по охране труда для машиниста катка».
ТОИ Р-218-12-93 «Типовая инструкция по охране труда для дорожных рабочих при строительстве, ремонте и содержании автомобильных дорог».
ТОИ Р-218-13-93 «Типовая инструкция по охране труда для машиниста укладчика асфальтобетона».
ТОИ Р-218-14-93 «Типовая инструкция по охране труда для машиниста автогудронатора» и других общероссийских и отраслевых документов.
5.8. Действия персонала в случае отклонений от установленного хода выполнения процесса с указанием возможного возникновения нештатных ситуаций:
дождь;
резкое понижение температуры; доставка остывшей смеси; прекращение доставки смеси;
поломка асфальтоукладчика;
поломка одного или нескольких катков;
поломка линейного разогревателя.
При слабом дожде рекомендуется дать сигнал о прекращении доставки смеси, выработать всю оставшуюся смесь и завершить уплотнение в возможно короткие сроки.
При сильном кратковременном дожде необходимо укрыть кузова самосвалов, выработать смесь из бункера асфальтоукладчика и завершить уплотнение в возможно короткий срок, сделав вертикальную кромку рабочего шва.
При сильном длительном дожде и резком похолодании необходимо дать сигнал о прекращении доставки смеси, вернуть самосвалы со смесью на АБЗ, выработать смесь из бункера асфальтоукладчика и завершить уплотнение в возможно короткий срок.
При доставке остывшей смеси ее следует вернуть на АБЗ.
При прекращении доставки смеси необходимо выработать всю полученную смесь, уплотнить в обычном режиме и сделать вертикальную кромку рабочего шва.
При поломке единственного асфальтоукладчика необходимо дать сигнал о прекращении доставки смеси, отправить на АБЗ или другой объект самосвалы со смесью, освободить асфальтоукладчик (бункер, шнековую камеру и из-под выглаживающей плиты) от смеси, завершить уплотнение уложенной смеси как в конце сменной захватки.
При поломке одного из нескольких асфальтоукладчиков возможно изменить схему укладки за счет работы одного из оставшихся асфальтоукладчиков на попеременную работу на двух полосах укладки или, если это допустимо, перейти на схему работы с устройством холодного продольного стыка.
При поломке одного или нескольких катков можно изменить схему уплотнения и скоростной режим катков, чтобы не снизить темп работы, или дать сигнал о снижении объема доставки смеси и уменьшить темп работы.
При поломке линейного разогревателя продольного холодного стыка необходимо принять меры по разогреву кромки ранее уложенной полосы за счет надвижки вручную на нее валика горячей смеси высотой 5-8 см с укладываемой полосы, выдержки валика смеси в течении 3-5 мин и возвращения смеси на укладываемую полосу.
6. Протоколы качества с включением форм актов приемки скрытых работ, освидетельствования машин, карт операционного контроля, результатов испытаний, ведомостей исправления дефектов.
7. Ссылочная документация с указанием действующих методических рекомендаций и руководств (пособий), например:
Пособие по строительству асфальтобетонных покрытий и оснований автомобильных дорог и аэродромов (к СНиП 3.06.03-85 и СНиП 3.06.06-88) / Союздорнии. - М., 1991.
Рекомендации по устройству тонкослойных асфальтобетонных покрытий на основаниях из укрепленных грунтов / Минавтодор РСФСР. - М., 1987.
Рекомендации по применению асфальтобетонов на основе разнопрочных каменных материалов / Минавтодор РСФСР. - М., 1986. и др.
8. Приложение с приведением плана строительного процесса на захватке и размещением на нем машин, механизмов и путей их движения.
Холодные асфальтобетонные смеси приготавливают на тех же асфальтосмесительных установках, что и горячие. Температура их приготовления (на выпуске из мешалки) должна находиться в пределах 80-100°С для битумов с условной вязкостью 70-130 и в пределах 100-120°С для битумов с условной вязкостью 130-200. Накопительный бункер для хранения холодных смесей не используют; смесь сразу идет на склад, где укладывается в штабель, хранение в котором замедляет снижение температуры и тем самым предотвращает слеживаемость.
Применяемые для холодных смесей вяжущие приведены в табл. 18.3, а содержание минеральных материалов в табл. 18.6.
Показатели физико-механических свойств асфальтобетонов из холодных смесей должны соответствовать требованиям табл. 7 ГОСТ 9128-97. Прочность асфальтобетонов из холодных смесей значительно ниже, чем у горячих. Водонасыщение асфальтобетонов из холодных смесей по ГОСТ 9128-97 должно быть в пределах 5-9 % по объему, то есть значительно выше, чем у асфальтобетонов из горячих смесей.
Следует отметить, что в процессе эксплуатации дорожной одежды по мере испарения и впитывания легких фракций жидкого битума, входящего в асфальтобетон из холодных смесей, прочность такого асфальтобетона существенно повышается и его эксплуатационные качества увеличиваются, приближаясь к качеству асфальтобетона из горячих смесей.
Укладку холодных асфальтобетонных смесей в соответствии с требованиями СНиП 3.06.03-85 (как и горячих) производят весной и летом при температуре воздуха не ниже 5°С, осенью - не ниже 10°С. При этом укладку холодных асфальтобетонных смесей заканчивают ориентировочно за 15 дней до начала периода осенних дождей, за исключением смесей с активированными минеральными материалами.
Температура холодных асфальтобетонных смесей на месте укладки должна быть не ниже 5°С. Допускается укладка холодных асфальтобетонных смесей сразу после приготовления, то есть в горячем виде.
Схема и режимы укладки холодных асфальтобетонных смесей ничем не отличаются от укладки горячих смесей. Припуск на уплотнение при укладке холодных смесей в горячем виде принимают равным 10-15 % толщины конструктивного слоя, а при укладке в холодном виде (температура ниже 30°С) припуск на уплотнение принимают равным 50-70 % толщины конструктивного слоя.
Уплотнение холодных асфальтобетонных смесей производят с использованием пневмошинных катков, а также статических гладковальцовых, вибрационных гладковальцовых и комбинированных катков массой до 8 т.
Первые проходы (3-4) выполняют пневмошинным или комбинированным (без вибрации) катками со скоростью 2-3 км/ч.
Основное уплотнение производится последовательными 6-8 проходами пневмошинного и гладковальцового вибрационного катков или комбинированного катка на скорости 2-3 км/ч (3-4 прохода) и на скорости 4-5 км/ч (следующие 3-4 прохода).
Окончательное уплотнение холодных асфальтобетонных смесей производится движением автотранспортных средств в течение 2-3 недель при ограничении скорости движения до 30-40 км/ч и регулировании траектории движения перестановкой через каждые 2-3 дня дорожных ограждений.
Попытки уплотнения увеличением числа проходов и массы катков очень часто приводят к появлению на слое асфальтобетона из холодных смесей поперечных трещин. При температуре воздуха ниже 15°С время ограничения скорости и регулирования траектории движения автотранспортных средств увеличивается до 4 недель.
Литые асфальтобетонные смеси готовят в соответствии с требованиями ТУ 400-24-158-89 Смеси асфальтобетонные литые и литой асфальтобетон. Технические условия, с изм. № 1 / НИИ Мостострой. - М., 1995.
Соотношение содержания составляющих компонентов литых асфальтобетонных смесей и область применения по ТУ 400-24-158-89 приведены в табл. 19.1.
Таблица 19.1
|
Тип смеси |
Размер щебня, |
Содержание, % по массе |
Соотношение: |
Область |
|
|
Фракции |
Асфальтовяжущего |
минеральный порошок |
|||
|
I |
15 |
45-55 |
25-30 |
0,35-0,45 |
строительство и капи- |
|
II |
20 |
35-50 |
20-35 |
0,45-0,55 |
|
|
III |
40 |
45-65 |
15-20 |
0,50-0,65 |
|
|
IV |
5 |
- |
17-23 |
0,40-0,65 |
тротуары |
|
V |
20 |
35-50 |
22-28 |
0,55-0,75 |
текущий ремонт |
Для смесей I, II и III типов применяют нефтяные вязкие теплостойкие битумы:
с глубиной проникания иглы при 25°С, 0,1 мм - 50 - 60;
температурой размягчения по КиШ, °С, не менее - 52;
температурой хрупкости, °С, не выше - минус 12.
Показатели физико-механических свойств (обязательные) смесей для строительства приведены в табл. 19.2.
Приготавливают литые смеси в лопастных вертикальных мешалках и горизонтальных мешалках свободного перемешивания. Время перемешивания 45 минут. Температура смеси при выгрузке из мешалки 220-240°С.
Таблица 19.2
|
Показатели свойств |
Величины показателей по типам |
||
|
I |
II |
III |
|
|
Пористость минерального остова, % по объему, не более |
20 |
22 |
22 |
|
Водонасыщение, % объема, не более |
1,0 |
1,0 |
5,0 |
|
Предел прочности при сжатии при температуре 50°С, МПа, не менее |
- |
1,0 |
- |
|
Подвижность смеси при температуре 200°С, мм, осадки конуса, не менее |
30 |
25 |
- |
|
Глубина вдавливания штампа при температуре 40°С, мм |
1-6 |
1-4 |
- |
Работы по строительству дорожных покрытий с применением литых смесей выполняют в соответствии с ВСН 60-97 Инструкция по устройству и ремонту дорожных покрытий с применением литого асфальтобетона/НИИ Мостострой. - М., 1997.
Транспортирование литых смесей осуществляется:
смесей I типа - в специальных автомобилях-кохерах, оснащенных котлом-термосом, обогревом и лопастным валом для перемешивания смеси; температура смеси 180-240°С.
смесей II и III типов - в автомобилях-самосвалах, оборудованных утепленным кузовом и тентом, при продолжительности транспортирования не более 40 минут.
Кохер перед загрузкой смесью прогревается в течение 10 минут до температуры 180-190°С.
В процессе транспортирования в кохере необходимо перемешивание смеси в течение не менее 20 минут.
В состав подготовительных работ, кроме перечисленных в разд. 18.5, входят:
установка на длину до 20 м боковых металлических или деревянных брусов высотой равной толщине укладываемого слоя и прикрепление их штырями к нижележащему слою;
доставка и размещение в необходимых объемах вдоль сменной захватки черного щебеня для втапливания.
Слои покрытия из литой асфальтобетонной смеси устраивают в сухую погоду: весной при температуре воздуха не ниже 5°С, осенью - не ниже 10°С.
Основание (нижележащий слой) не должно быть промерзшим или влажным.
Для укладки литой смеси I типа применяют специальные асфальтоукладчики, бункер которых выполнен герметичным снизу, а перемещение смеси в бункере осуществляется продольными шнеками. Прием смеси в бункер укладчика осуществляется из кохеров.
Для укладки литых смесей II и III типа применяют обычные асфальтоукладчики с пластинчатым питателем. Подача смеси в укладчик осуществляется из самосвалов.
Непосредственно перед приемом смеси в бункер асфальтоукладчика бункер должен быть прогрет до 180-190°С разогревателем кромок с инфракрасными горелками.
Уплотнение литой смеси в зависимости от ее типа производится:
смесь I типа уплотняется сама, поэтому ни трамбующий брус, ни виброплита не включаются;
смесь II типа уплотняется трамбующим брусом или виброплитой; оба рабочих органа одновременно не включаются;
смесь III типа уплотняется с использованием трамбующего бруса и виброплиты, а при низких температурах (ниже 20°С) и 3-4 проходами гладковальцового статического катка.
Распределение черного щебня для обеспечения шероховатости покрытия производится немедленно после укладки смеси равномерным слоем в одну щебенку. Расход щебня 5-8 кг/м2 при использовании фракций от 3-5 до 5-8 мм.
После остывания смеси в слое до 80-100°С производится прикатка щебня ручным катком массой 30-50 кг. После остывания смеси в слое до температуры воздуха невтопившийся щебень сметается щеткой.
Горячие щебеночно-мастичные асфальтобетонные смеси (ЩМАС) в мировой практике дорожного строительства нашли широкое применение для строительства верхних (замыкающих) слоев покрытия и имеют обозначение SMA. Для условий России горячие щебеночно-мастичные асфальтобетонные смеси проектируются по ГОСТ 31015-2002 «Смеси асфальтобетонные и асфальтобетон щебеночно-мастичные. Технические условия».
Зерновые составы минеральной части смесей и асфальтобетонов (ЩМА) должны соответствовать указанным в табл. 1 ГОСТ 31015-2002 и приведенным в табл. 19.3.
Таблица 19.3
|
Вид смесей и асфаль- |
Размер зерен, мм, мельче |
|||||||||
|
20 |
15 |
10 |
5 |
2,5 |
1,25 |
0,63 |
0,315 |
0,16 |
0,071 |
|
|
ЩМА-10 ЩМА-15 ЩМА-20 |
- - 100-90 |
- 100-90 70-50 |
100-90 60-40 42-25 |
40-30 35-25 30-20 |
29-19 28-18 25-15 |
26-16 25-15 24-13 |
22-13 22-12 21-11 |
20-11 20-10 19-9 |
17-10 16-9 15-8 |
15-10 14-9 13-8 |
Для ЩМА применяется щебень по ГОСТ 8267-93 и щебень из металлургических шлаков по ГОСТ 3344-83. По форме зерен щебень должен соответствовать первой группе. Содержание зерен пластинчатой и игловатой форм не более 15 % по массе. Марка по дробимости щебня из изверженных и метаморфических горных пород должна быть не ниже 1200, а из осадочных горных пород, гравия и металлургических шлаков - не ниже 1000; марка по морозостойкости - не ниже F50; марка по истираемости - И-1.
Песок из отсевов дробления горных пород, применяемый для ЩМА, должен соответствовать ГОСТ 8736-93 по марке прочности не ниже 1000; содержание глинистых частиц должно быть не более 0,5 %.
Минеральный порошок для ЩМА должен удовлетворять требованиям ГОСТ Р 52129-2003. Для приготовления ЩМА смесей используют битумы нефтяные дорожные вязкие по ГОСТ 22245-90, полимерно-битумные вяжущие (ПБВ) по ГОСТ Р 52056-2003. В качестве стабилизирующей добавки, уменьшающей стекание вяжущего, применяют однородное короткофиберное целлюлозное волокно, в составе которого не менее 80 % фибр длиной 0,1-2,0 мм. Волокнистая добавка должна быть устойчивой к нагреву до температуры 220°С и иметь влажность не более 8 % по массе. Рекомендуются добавки VIATOP, ТЕСНNOCEL 1004, TOPCEL и другие.
Показатели физико-механических свойств ЩМА должны отвечать требованиям ГОСТ 31015-2002, приведенным в табл. 19.4. При подборе состава ЩМА, приготовлении смеси и устройстве верхних слоев покрытия необходимо руководствоваться Методическими рекомендациями по устройству верхних слоев дорожных покрытий из щебеночно-мастичного асфальтобетона (ЩМА) / Союздорнии. - М., 2002.
Таблица 19.4
|
Показатели |
Значения показателей для дорожно-климатических зон |
||
|
I |
II, III |
IV, V |
|
|
Пористость минеральной части, % |
От 15 до 19 |
От 15 до 19 |
От 15 до 19 |
|
Остаточная пористость, % |
От 1,5 до 4,0 |
От 1,5 до 4,0 |
От 2,0 до 4,5 |
|
Водонасыщение, % по объему: |
|
|
|
|
образцов, отформованных из смесей |
От 1,0 до 3,5 |
От 1,0 до 4,0 |
От 1,5 до 4,0 |
|
вырубок и кернов готового покрытия, не более |
3,0 |
3,5 |
4,0 |
|
Предел прочности при сжатии, МПа, не менее: |
|
|
|
|
при температуре 20°С |
2,0 |
2,2 |
2,5 |
|
при температуре 50°С |
0,60 |
0,65 |
0,70 |
|
Сдвигоустойчивость: |
|
|
|
|
коэффициент внутреннего трения, не менее |
0,92 |
0,93 |
0,94 |
|
сцепление при сдвиге при температуре 50°С, МПа, не менее |
0,16 |
0,18 |
0,20 |
|
Трещиностойкость - предел прочности на растяжение при расколе при температуре 0°С, МПа: |
|
|
|
|
не менее |
2,0 |
2,5 |
3,0 |
|
не более |
5,5 |
6,0 |
6,5 |
|
Водостойкость при длительном водонасыщении, не менее |
0,90 |
0,85 |
0,75 |
Примечания:
1. Для ЩМА-10 допускается снижать нормы коэффициента внутреннего трения на 0,01 по абсолютной величине.
2. При использовании полимерно-битумных вяжущих допускается снижать нормы сцепления при сдвиге и предела прочности на растяжение при расколе на 20 %.
3. При использовании смесей для покрытий аэродромов в местах стоянок воздушных судов нормы прочности при сжатии и сцепления при сдвиге следует увеличивать на 25 %
В расчётах потребности материалов для приготовления щебеночно-мастичной асфальтобетонной смеси рекомендуется руководствоваться приложением Б ГОСТ 31015-2002 и приведенными в табл. 19.5 данными.
Приготавливают щебеночно-мастичные смеси (ЩМАС) в стандартных асфальтосмесительных установках, оборудованных смесителями принудительного перемешивания, то есть лопастными мешалками. Температура смесей при выпуске из смесителя должна соответствовать требованиям, указанным в табл. 19.6.
Таблица 19.5
|
Материал |
Потребность в материале, % по массе |
||
|
ЩМА-10 |
ЩМА-15 |
ЩМА-20 |
|
|
Щебень фракционный, мм 15-20 10-15 5-10 |
- - 60-70 |
- 40-60 15-25 |
30-50 20-30 10-15 |
|
Песок из отсевов дробления |
10-30 |
5-20 |
5-15 |
|
Минеральный порошок |
10-20 |
10-20 |
10-20 |
|
Битум или ПБВ |
6,5-7,5 |
6,0-7,0 |
5,5-6,0 |
|
Стабилизирующая добавка |
0,2-0,5 |
0,2-0,5 |
0,2-0,5 |
Таблица 19.6
|
Вид смеси |
Температура смеси при выпуске, °С |
|||
|
Марка вяжущего по глубине проникания иглы, 0.1 мм, при температуре 25°С |
||||
|
от 40-60 |
61-90 |
91-130 |
131-200 |
|
|
ЩМА-10; ЩMA-15; ЩМА-20 |
160-175 |
155-170 |
150-165 |
140-160 |
Волокнистую стабилизирующую добавку вводят перед или одновременно с минеральным порошком.
Время хранения ЩМАС в накопительном бункере не боле 0,5 часа.
Транспортирование ЩМАС осуществляют в автомобилях-самосвалах, оборудованных обогревом кузова и утепленным тентом.
Подготовка к укладке не отличается от приведенной в разд. 18.5.
Ход трамбующего бруса асфальтоукладчика в пределах 4-6 мм, частота ударов трамбующего бруса около 1000 уд./мин. Частота вибрации виброплиты около 40 Гц.
Слой покрытия из ЩМАС устраивают в сухую погоду при температуре окружающего воздуха не ниже 5°С. Рекомендуемые температуры ЩМА смесей на месте укладки, то есть перед выгрузкой в бункер асфальтоукладчика должны соответствовать данным табл. 19.7.
Таблица 19.7.
|
Вид смеси |
Температура смеси, °С при выгрузке в бункер, не менее |
|||
|
Марка вяжущего по глубине проникания иглы, 0,1 мм, при температуре 25°С |
||||
|
40-60 |
61-90 |
91-130 |
131-200 |
|
|
ЩМА-10; ЩМА-15; ЩМА-20 |
150 |
145 |
140 |
135 |
Укладка ЩМА смесей в основном не отличается от приведенной в разд. 18.5. В случае вынужденной остановки асфальтоукладчика на 15-20 мин всю ЩМА смесь необходимо переместить в шнековую камеру и разложить. При устройстве «холодных» поперечных и продольных стыков необходимо обязательно осуществлять прогрев обрезанной кромки (поперечный и продольный). При работе одного асфальтоукладчика на укладке покрытия шире чем рабочий орган, (то есть в две полосы) следует уложить одну полосу на длину 50-100 м и вернуть асфальтоукладчик назад для укладки второй полосы. При этом в конце смены покрытие должно быть уложено на всю ширину.
Для уплотнения ЩМА смесей - наиболее пригодны тяжелые гладковальцовые статические катки массой 8-10 т. Количество проходов 4-6. Катки вибрационные гладковальцовые массой не более 11 т применяются на первых проходах (2-3) без вибрации, а затем с максимальной частотой и при минимальной амплитуде на последующих проходах (не более 3). Катки пневмошинные и комбинированные можно применять только на заключительной стадии уплотнения при хорошо разогретых шинах. Вальцы гладковальцовых катков в процессе укатки смачивают водой, мыльным раствором или водокеросиновой эмульсией. Скорость движения катков 5-6 км/ч. Катки должны как можно ближе подходить к асфальтоукладчику. Захватки уплотнения должны быть не длиннее 50 м.
Температура смеси в слое должна быть не ниже 100°С при уплотнении вибрационными катками и не ниже 80°С при уплотнении статическими катками.
Горячие асфальтобетонные смеси на основе полимерно-битумных вяжущих (полимерасфальтобетон) в мировой практике дорожного строительства наиболее широкое применение нашли при строительстве верхних слоев покрытия в районах с высокими положительными и низкими отрицательными температурами воздуха и районах резко континентального климата.
Для условий Российской Федерации горячие асфальтобетонные смеси с использованием полимерно-битумных вяжущих (ПБВ) материалов на основе вязких дорожных нефтяных битумов и блоксополимеров типа стирол-бутадиен-стирол (СБС) применяются при строительстве, реконструкции и ремонте автомобильных дорог, мостов и аэродромов.
Технические требования к ПБВ регламентируются ГОСТ Р 52056-2003 «Вяжущие полимерно-битумные дорожные на основе блоксополимеров типа стирол-бутадиен-стирол. Технические условия», а требования к полимерасфальтобетону - ГОСТ 9128-97.
Полимерно-битумные вяжущие (ПБВ) готовят на основе:
вязких дорожных битумов - БНД 40/60, БНД 60/90 и БНД 90/130 по ГОСТ 22245-90 и по согласованию с заказчиком битумов нефтяных: БН 40/60, БН 60/90 и БН 90/130 также по ГОСТ 22245-90 путем введения полимеров, пластификаторов и ПАВ по технологическому регламенту, утверждённому в установленном порядке;
дивинилстирольного термоэластопласта (ДСТ) марки ДСТ-30Р-01 по ТУ 38.40327-90 и ДСТ-30-01 по ТУ 38.103267-80 и полимерблоксополимеров бутадиена и стирола типа СБС в виде крошки и порошка;
индустриального масла И-40А по ГОСТ 20799-88; допускается использование масла И-20А, И-30А.
Применяют две технологии приготовления ПБВ.
Первая включает приготовление раствора ДСТ в масле с температурой 160-170°С, ввод раствора ДСТ в нагретый до температуры 110-120°С битум и перемешивание до получения однородного ПБВ.
Вторая включает нагрев битума и масла отдельно до температуры 110-120°С, ввод в битум масла и полимера при постоянном перемешивании, нагрев битума с маслом и полимером до 155-160°С и перемешивание до получения однородного ПБВ.
Для сокращения времени растворения ДСТ в масле или в битуме (с маслом) применяют коллоидные мельницы (диспергаторы), производящие дополнительное измельчение ДСТ и ускоряющие растворение ДСТ в масле.
В зависимости от глубины проникания иглы при 25°С ПБВ подразделяют на марки:
ПБВ 300, ПБВ 200, ПБВ 130, ПБВ 90, ПБВ 60, и ПБВ 40.
По физико-механическим показателям ПБВ должны соответствовать требованиям и нормам, указанным в табл. 1 ГОСТ Р 52065-2003. Перед испытанием ПБВ определяют его однородность. Если ПБВ однородно, проводят его дальнейшие испытания.
Полимерасфальтобетонные смеси приготавливают в асфальтосмесительных установках, как правило, циклического действия. Требования к щебню определяются по ГОСТ 8269-87, песку - по ГОСТ 8736-85 и минеральному порошку по ГОСТ Р 52129-2003.
При проектировании состава полимерасфальтобетона принимают:
содержание щебня:
для смеси типа А 59 - 61 % по массе;
для смеси типа Б 48 - 50 % по массе;
содержание дробленых зерен:
для смеси типа А не менее 80 % по массе;
для смеси типа Б не менее 70 % по массе.
Полимерно-битумное вяжущее подается в смеситель с температурой 150-160°С. Общее время перемешивания составляет 30-32 с. Время выдерживания смеси в бункере-накопителе не менее 10-15 мин и не более 1,5 ч. Температура смеси не должна быть более 160°С.
Для контроля качества полимерасфальтобетонной смеси отбирают одну пробу из партии, выпускаемой на одной установке в течение смены, но не более 400 т. В каждую пробу весом 6-7 кг должны входить по 1 порции смеси из 3-4 автомобилей-самосвалов. При контроле качества смеси определяют: водонасыщение; набухание; предел прочности при сжатии при 20, 50 и 0°С; коэффициент водостойкости и состав смеси. Определение показателей осуществляется по ГОСТ 12801-98.
Транспортирование полимерасфальтобетонных смесей осуществляется в автомобилях-самосвалах, оборудованных обогревом кузова и утепленных (укрытых) тентом.
Подготовка к укладке не отличается от приведенной в разд. 18.5. Укладку полимерасфальтобетонной смеси производят сразу на всю ширину покрытия без образования холодных продольных стыков в сухую погоду при температуре окружающего воздуха не ниже 15°С весной и летом и не ниже 10°С осенью. Технологию укладки полимерасфальтобетонной смеси осуществляют в соответствии с требованиями разд. 18.5, а температура полимерасфальтобетонной смеси, доставленной к месту укладки, должна соответствовать требованиям СНиП 3.06.03-85, приведенными в табл. 18.11.
Уплотнение полимерасфальтобетонной смеси осуществляют в соответствии с требованиями, изложенными в разд. 18.5. Рекомендуемые режимы уплотнения: скорость движения катков, число проходов и режимы вибрации приведены в табл. 19.8. Давление воздуха в шинах пневмоколесного катка должно составлять 0,7-0,8 МПа. Не допускается остывание шин пневмоколесного катка, для чего выезд катка на остывшее покрытие не рекомендуется.
Таблица 19.8.
|
Тип катка |
Скорость движения катка (км/ч), число проходов и частота вибрации (Гц) |
||
|
начальный этап уплотнения |
основной этап уплотнения |
||
|
первый |
второй |
||
|
Пневмоколесный |
3-4 км/ч 2-4 прохода |
4-6 км/ч 5-6 проходов |
6-10 км/ч 2-3 прохода |
|
Вибрационный и комбинированный |
3-4 км/ч 2-4 прохода без вибрации |
4-6 км/ч 5-6 проходов 30 Гц |
4-6 км/ч 5-6 проходов 45 Гц |
|
Статического действия |
3-4 км/ч 2-4 прохода |
4-6 км/ч 5-6 проходов |
6-8 км/ч 3-4 прохода |
При низких температурах воздуха (особенно при сильном ветре) происходит интенсивное охлаждение асфальтобетонной смеси. Для обеспечения коэффициента уплотнения в соответствии с требованиями СНиП 3.06.03-85 необходимо организовать высокопроизводительную работу по укладке и уплотнению смесей, а также снизить тепловые потери смеси при ее транспортировке.
Коэффициент уплотнения должен быть не менее: 0,99 - для высокоплотного и плотного асфальтобетона типов А и Б из горячих смесей; 0,98 - для плотного асфальтобетона типов В, Г и Д пористого и высокопористого из горячих смесей; 0,96 - для асфальтобетона из холодных смесей.
СНиП 03.06.03-85 разрешает производить работы с использованием горячих асфальтобетонных смесей при температуре не ниже 0°С при обеспечении:
толщины укладываемого слоя не менее 4 см;
устройства, как правило, только нижнего слоя двухслойного покрытия; если по уложенному слою предполагается движение транспорта зимой и весной, слой следует устраивать из плотных смесей;
устройства верхнего слоя только по свежеуложенному нижнему слою (температура нижнего слоя не ниже 20°С), то есть при организации одновременной укладки нижнего и верхнего слоев.
В исключительных случаях возникает необходимость строительства слоев покрытий из горячих асфальтобетонных смесей при более низких температурах воздуха. Основными факторами, обеспечивающими возможность строительства слоев из горячих асфальтобетонных смесей при температуре воздуха до -10°С, является:
толщина укладываемого слоя не менее 5 см;
устройство, как правило, только нижнего слоя двухслойного покрытия;
устройство верхнего слоя только по свежеуложенному нижнему слою при температуре нижнего слоя не ниже 10°С (рис. 18.3);
исключение применения битумной эмульсии при подгрунтовке;
повышение подвижности смеси за счет применения ПАВ и повышения температуры смеси при укладке;
снижение потерь тепла смесью в процессе ее транспортирования;
повышение интенсивности уплотнения смеси.
В составе подготовительных работ следует предусмотреть работы по подготовке асфальтобетонного завода, асфальтоукладчиков, катков, самосвалов и другой техники для работы в условиях низких температур.
Перед началом работ по укладке асфальтобетонной смеси нижележащий слой должен быть очищен от снега, льда и накануне по нему необходимо распределить жидкие антигололедные реагенты. В день укладки требуется тщательно удалить с поверхности нижележащего слоя остатки жидких реагентов и произвести подгрунтовку.
Подгрунтовка нижележащего слоя выполняется жидким битумом СГ 70/130 по ГОСТ 11955-82, нагретым до температуры 130-150°С с нормой расхода 0,5-0,8 л/м2 для обработки основания и 0,2-0,3 л/м2 для обработки нижнего слоя покрытия.
В условиях отрицательных температур в составе горячих асфальтобетонных смесей применяют поверхностно-активные вещества катионного типа (АМДОР, КАП, ДОРОС или ИНТЕРЛЕН) в количестве 0,5-1,0 % от массы битума.
Температура асфальтобетонной смеси на месте укладки (в автомобиле-самосвале) должна быть не ниже указанных в табл. 19.9.
Таблица 19.9
|
Толщина укладываемого слоя, см |
Минимальная температура смеси, °С, при температуре воздуха (при скорости ветра, м/сек) |
||
|
0°С |
-5°С |
-10°С |
|
|
5 |
145 (до 6) 155 (свыше 6) |
150 (до 6) 160 (свыше 6) |
155 (до 6) 165 (свыше 6) |
|
10 |
135 (до 6) 140 (свыше 6) |
140 (до 6) 145 (свыше 6) |
145 (до 6) 150 (свыше 6) |
Кузова автомобилей-самосвалов, доставляющих смесь, должны в обязательном порядке иметь обогрев и утепленный (3-слойный) тент/полог.
Укладку асфальтобетонной смеси следует вести только на всю ширину проезжей части без образования «холодных» стыков. Бункер асфальтоукладчика должен быть заполнен асфальтобетонной смесью не менее чем на 50 %. Укладка при температуре до - 10°С допускается только при отсутствии снега и снегопереноса. Уплотнение асфальтобетонной смеси должно производиться при температуре смеси не ниже 80°С.
Для интенсификации процесса уплотнения смеси увеличивают число катков в 1,5-2 раза. При ширине укладки одним асфальтоукладчиком до 9 м за ним должны работать 2 пневмошинных и 2-3 гладковальцовых вибрационных или комбинированных катка.
Скорость движения катков можно увеличить до 4-5 км/ч на первых проходах и до 6-8 км/ч на завершающих. Скорость пневмошинного катка на завершающих проходах можно увеличить до 8-10 км/ч.
К работам по строительству асфальтобетонных покрытий допускаются лица, прошедшие курс обучения и инструктаж: общий и на рабочем месте. Машинисты (операторы машин) должны иметь удостоверение, подтверждающее право на управление соответствующей машиной. Закрепление машины за машинистом оформляется приказом.
Машинисты дорожных машин и дорожные рабочие должны работать в спецодежде (жилетах ярко-оранжевого цвета), спецобуви и применять средства индивидуальной защиты. На машинах не должно быть посторонних предметов, а в зоне работы машин посторонних лиц.
При управлении автогудронатором запрещается: превышать установленные грузоподъемность и скорость движения; находиться в зоне распределения вяжущего; в случае попадания вяжущего на руки и лицо следует быстро смыть эмульсию холодной водой, остатки битума снять керосином, дизтопливом или бензином, а затем промыть теплой водой с мылом; производить регулировку распределительной системы во время розлива вяжущего.
При подъезде автосамосвала к асфальтоукладчику запрещается находиться в зоне между ними. Разгрузку смеси в бункер асфальтоукладчика разрешается начинать после полной остановки самосвала, подхода к нему асфальтоукладчика до соприкосновения задних колес и роликов укладчика и подачи звукового сигнала машинистом асфальтоукладчика.
Кузов самосвала очищают от остатков асфальтобетонной смеси стоя на земле специальными скребками и лопатой с ручкой длиной не менее 2 м. Запрещается подниматься в кузов и стоять под кузовом при его поднятом положении. Запрещается производить очистку от остатков смеси стенок приемного бункера асфальтоукладчика во время его движения.
Запрещается выполнять работы по очистке, регулировке и устранению неисправностей всех машин при работающем двигателе. Перед пуском фрезы, асфальтоукладчика и катков машинист обязан дать предупредительный звуковой сигнал. При работе системы обогрева выглаживающей плиты асфальтоукладчика не разрешается производить заправку системы обогрева. При угасании горелки следует прекратить подачу топлива и затем в течение минуты продуть систему обогрева.
Запрещается производить ремонт гидросистемы асфальтоукладчика, если не опущены полностью стенки приемного бункера, а рабочий орган не опушен (не установлен) на упоры.
При движении асфальтоукладчика машинисту запрещено покидать его, а дорожным рабочим подниматься на рабочую площадку машиниста. При подъеме рабочих органов асфальтоукладчика для очистки и транспортировки необходимо убедиться в их надежной фиксации, применить упоры.
При работе на катках запрещается:
запускать двигатель без предварительной проверки положения рычагов управления - рычаги должны находиться в нейтральном положении, а муфта сцепления выключена;
оставлять каток с работающим двигателем;
сходить с катка при его работе и подниматься на него;
работать при показаниях приборов, превышающих допустимые;
выполнять техническое обслуживание и ремонт при работающем двигателе;
оставлять каток при остановке работ в состоянии, при котором он может быть запущен посторонним.
Обрабатывать шины и вальцы катка антиадгезионным составом разрешается на движущемся катке только находясь сзади него.
При вынужденной остановке катка на проезжей части дороги впереди и сзади машины необходимо поставить переносной дорожный знак «Прочие опасности». Габариты катка ночью и при плохой видимости обозначают красными фонарями.
При работе звена катков расстояние между ними должно быть не менее 2 м.
При работе на фрезе запрещается:
оставлять фрезу с работающим двигателем;
сходить с фрезы при ее работе и подниматься на нее;
работать при показаниях приборов, превышающих допустимые;
выполнять техническое обслуживание, регулировку и ремонт при работающем двигателе;
находиться во время работы фрезы между фрезой и самосвалом.
На строительном участке категорически запрещается работать в промасленной и пропитанной топливом одежде.
Запрещается курить и пользоваться открытым огнем при заправке машин.
При воспламенении топлива пламя следует засыпать песком, землей или плотно укрыть брезентом.
Каждая работающая на строительном участке машина должна быть оснащена огнетушителем и аптечкой.
При строительстве или реконструкции дорог во многих случаях возникает необходимость строительства слоев износа, защитных и шероховатых слоев, каждый из которых имеет свое основное назначение. Однако во многих случаях их функции совмещаются.
Слои износа строят одновременно с покрытием или укладывают на готовое или заканчивающее срок службы покрытие. После уменьшения толщины покрытия за счет износа на расчетную глубину возобновляют слой износа. Этот слой должен обладать требуемой ровностью и шероховатостью, поэтому его строят из самых прочных, износостойких, слабо шлифующихся, водо- и морозостойких материалов. Толщина слоя износа обычно колеблется от 10 до 35 мм.
Защитные слои толщиной от 0,5-1,0 мм до 10-15 мм устраивают для защиты покрытия от проникания в него поверхностной влаги, то есть для гидроизоляции покрытия. Защитные слои можно рассматривать одновременно и как слои износа и рассчитывать их толщину на срок службы покрытия. Слои, имеющие назначение защитных и слоев износа, устраивают на всех покрытиях облегченного типа, которые строят преимущественно из щебеночных и гравийных материалов, поскольку после укладки и уплотнения они имеют еще остаточную пористость около 20-25 %.
В зимний период замерзание воды в пустотах покрытия и в порах минерального материала вызывает их преждевременное разрушение. Поэтому после окончания работ по строительству покрытия немедленно укладывают защитный слой.
На переходных покрытиях и основаниях типа щебеночных, гравийных и особенно цементогрунтовых, не обладающих износоустойчивостью, укладывают защитные слои и слои износа с применением органических вяжущих. Такие слои можно считать самостоятельными тонкослойными покрытиями, так как они будут обладать повышенными технико-эксплуатационными показателями (ровностью, износоустойчивостью, водонепроницаемостью) по сравнению с тем основанием или покрытием, на которое он уложен.
Шероховатые слои различной толщины устраивают для создания шероховатой поверхности на тех покрытиях, у которых параметры шероховатости не обеспечивают требуемые сцепные качества. Основное назначение шероховатых слоев состоит в повышении сцепных качеств покрытий. Коэффициент сцепления зависит от степени и вида шероховатости покрытия и скорости движения (рис. 20.1).

Рис. 20.1. Различные виды шероховатости слоев и покрытий:
1, 2, 3 - непригодные поверхности, излишне гладкие; 4, 5 - небольшая шероховатость, пригодны в городских условиях, при движении со скоростью до 60-70 км/ч; 6, 7 - с крупной шероховатостью, пригодны для движения со скоростью более 80-100 км/ч
Учитывая условия работы перечисленных слоев, каждый из них должен обладать не только свойствами основного назначения, но в той или иной мере свойствами других слоев. Поэтому обычно функции защитных слоев, слоев износа и шероховатых слоев совмещаются путем соответствующего подбора гранулометрического состава, требований к прочности, износостойкости, морозостойкости и другим свойствам каменных материалов, требований к виду вяжущего, его свойствам, нормам расхода, введением различных добавок, а также выбора технологии работ.
Чаще всего устраивают шероховатые коврики износа, которые одновременно выполняют и функции защитных слоев. При этом к толстым относят слои толщиной более 30-35 мм, к тонким - слои толщиной 20-30 мм, очень тонким - слои толщиной 15-20 мм и супертонким - слои толщиной менее 15 мм.
Слои износа, защитные и шероховатые объединяют общие для них способы производства работ: поверхностная обработка, втапливание щебня и укладка слоя смеси, пасты или мастики.
Приведенные на рис. 20.1 поверхности - гладкая 1, с отдельными углублениями 2 и волнистая 3 - не обеспечивают требуемой шероховатости. Для движения со скоростью до 60-70 км/ч допустимы поверхности с малой шероховатостью 4 и 5 с небольшими выступами шероховатости. Для таких слоев применяют мелкозернистый минеральный материал типа крупного песка или острогранных высевок размером 3-8 и 5-10 мм. Получаемые слои сходны с наждачной бумагой. Поверхности с крупной шероховатостью 6, 7 пригодны для движения со скоростью более 80-100 км/ч.
Однако при большой скорости движения в дождливую погоду на гладких покрытиях наблюдается явление гидропланирования (рис. 20.2), когда передние колеса теряют соприкосновение с покрытием из-за слоя воды, плохо отжимаемой из пространств между выступами щебня. При гидропланировании, возникающем на скорости автомобиля свыше 70-100 км/ч, передние колеса не имеют сцепления с покрытием, теряется управление и возможен съезд автомобиля с дороги.
При крупной и равномерной шероховатости слоя гидропланирования не происходит, так как колеса выдавливают воду из углублений между выступами щебня.

Рис. 20.2. Явление гидропланирования на покрытии с мелкой шероховатостью при повышении скорости:
1 - площадь сцепления; 2 - вода
Обеспечение шероховатости. Шероховатость, соответствующая требованиям безопасности дорожного движения, обеспечивается комплексным подходом к проектированию и строительству дорожного покрытия и слоя износа на его поверхности. Обычно, слой износа устраивается с шероховатой поверхностью. Слой износа может представлять собой часть покрытия, не включаемую в расчет по прочности. Слой износа может устраиваться в виде дополнительного тонкого слоя на поверхности покрытия, как правило, из материала, отличного от материала покрытия. В зависимости от требуемого типа шероховатости дорожного покрытия используют различные методы ее устройства (табл. 20.1).
Тип шероховатой поверхности назначают в зависимости от категории дороги: для дорог I категории - Сшер или Кшер; II категории - Сшер, Кшер, Мшер; III категории - Сшер, Кшер, Мшер, Кшип, Сшип; IV и V категорий - Кшер, Сшер, Кшип, Мшер, Мшип.
При создании шероховатой поверхности на покрытиях из асфальтобетонов типа В, Вх, Дх путем строительства поверхностной обработки с применением битума, битумной эмульсии или втапливания щебня в поверхность свежеуложенного асфальтобетона размер щебня, использованного для создания шероховатости, и начальная глубина впадин макрошероховатости должны быть рассчитаны. При этом необходимо учитывать интенсивность и скорость движения автомобилей, состав транспортного потока, характеристики атмосферных осадков, требования безопасности движения, необходимый срок службы шероховатой поверхности, требования охраны природы, облегчение содержания дорог в холодный период года. Необходимо учитывать и требования экономики: стоимость строительства должна быть наименьшей, шероховатость - сохраняться в течение заданного периода времени, сопротивление качению автомобильных шин должно быть минимальным. Расчет макрошероховатости заключается в назначении высоты ее неровностей на последний год службы, определении начальной макрошероховатости и микрошероховатости в конце периода работы покрытия или слоя износа, проверке соответствия назначенных параметров макрошероховатости требованиям дренажа воды и др. [96].
Размер шероховатости поверхностной обработки регулируют подбором размера щебня, однако крупношероховатые поверхностные обработки, устраиваемые из щебня размером 15-20 и 20-25 мм, не рекомендуется применять на участках дорог в пределах населенных пунктов, поскольку они способствуют повышению уровня шума от проезжающих автомобилей.
В районах с частыми снегопадами, большими снегопереносами и гололедом влажный снег и лед забивают зазоры между выступами и повышают скользкость покрытий. Поэтому устройство крупношероховатых покрытий в районах с длительной зимой нецелесообразно. Не имеет смысла устройство шероховатых покрытий в засушливых районах, где основную часть года стоит сухая, жаркая погода.
В зависимости от типа покрытия устраивают одиночную, двойную, а в некоторых случаях тройную обработку, поскольку шероховатая обработка одновременно служит и слоем износа и защитным слоем покрытия. На асфальтобетонных и усовершенствованных облегченных покрытиях устраивают преимущественно одиночную поверхностную обработку, а при ремонте цементобетонных покрытий часто устраивают двойную обработку. Устройство шероховатых поверхностей с применением горячих асфальтобетонных смесей с повышенным содержанием щебня предусматривают на автомобильных дорогах I-III категорий.
Таблица 20.1
Методы устройства шероховатой поверхности на покрытиях дорог (ВСН 38-90)
|
Тип шероховатости |
Методы устройства на покрытиях |
|
Асфальтобетонные и другие черные покрытия (при новом строительстве и в период эксплуатации) |
|
|
Мелкошипованные (Мшип) |
Устройство верхнего слоя покрытий из а/б типа Б, Бх, Г, Гх, Дх с использованием в смесях щебня и дробленого песка из труднополируемых горных пород или щебня разной прочности; |
|
Поверхностная обработка битумным щебеночным шламом с содержанием до 40 % щебня размером менее 15 мм; |
|
|
Втапливание черного щебня в поверхность слоя асфальтобетона типов В, Вх, Дх; |
|
|
Устройство слоя износа из песчано-резино-битумных смесей. |
|
|
Мелкошероховатые (Мшер) |
Устройство верхнего слоя покрытия из горячего а/б типа А с содержанием в смеси 50-60 % щебня из труднополируемых горных пород размером до 15 мм; |
|
Устройство верхнего слоя покрытия из открытых битумоминеральных смесей с содержанием в смеси 55-65 % щебня размером до 15 мм; |
|
|
Поверхностная обработка с применением битума, эмульсий и щебня. |
|
|
Среднешипованные (Сшип) |
Втапливание черного щебня в поверхность свежеуложенного а/б типа В, Вх, Дх; |
|
Устройство верхнего слоя из открытых битумоминеральных смесей с использованием щебня размером до 20 мм в количестве 55-65 %; |
|
|
Поверхностная обработка с применением битума, эмульсий и щебня. |
|
|
Среднешероховатые (Сшер) |
Поверхностная обработка с применением битума, эмульсий и щебня; |
|
Поверхностная обработка битумным шламом с использованием щебня размером до 20 мм в количестве не менее 55 %; |
|
|
Устройство верхнего слоя из открытых битумоминеральных смесей с использованием щебня размером до 20 мм в количестве 65-85 %; |
|
|
Втапливание черного щебня в поверхность слоя асфальтобетона типа В, Вх, Дх. |
|
|
Крупношипованные (Кшип) |
Устройство верхнего слоя из открытых битумоминеральных смесей с использованием щебня размером до 25 мм в количестве 65-85 %. |
|
Крупношероховатые (Кшер) |
Поверхностная обработка с применением битума, эмульсии и щебня. |
|
Цементобетонные покрытия (при новом строительстве и в период эксплуатации) |
|
|
Мелкошипованные (Мшип) |
При новом строительстве: обработка поверхности свежеуложенного бетона специальными щетками поперек проезжей части; |
|
В период эксплуатации: а) обработка поверхности покрытия высокотемпературным пламенем, кислотой или другими химическими веществами; б) поверхностная обработка с применением эпоксидного вяжущего и дробленого песка из труднополируемых горных пород. |
|
|
Мелкошероховатые (Mшер) |
Нарезка бороздок в поверхностном слое покрытия алмазными дисковыми нарезчиками. |
|
Среднешероховатые (Сшер) |
Устройство верхнего слоя из открытых битумоминеральных смесей с использованием щебня размером до 20 мм в количестве 65-85 % или с использованием щебня размером до 25 мм в количестве 55-65 %. |
|
Крупношипованные (Kшип) |
Устройство верхнего слоя из открытых битумоминеральных смесей с использованием щебня размером до 25 мм в количестве 65-85 %. |
|
Крупношероховатые |
Двойная поверхностная обработка с применением резинобитумного вяжущего и черного щебня размером 20-25 мм для нижнего слоя и 15-20 мм для верхнего слоя. |
|
(Кшер) |
|
Втапливание щебня в свежеуложенный слой покрытия применяют на дорогах I-III категорий. На дорогах III и IV категорий с покрытиями из асфальтобетона или из смесей битума с минеральными материалами, приготовленными смешением на дороге, шероховатую поверхность устраивают путем укладки верхнего слоя из холодного асфальтобетона с применением щебня и дробленого песка из труднополируемых пород, а также втапливанием щебня в малощебенистые или песчаные смеси. Следует особо подчеркнуть, что устройство шероховатой поверхности покрытия любым способом теряет всякий смысл, если одновременно не укрепить обочины, съезды и переезды из-за грязи, заносимой с них на покрытие колесами автомобилей во время дождей и распутицы. Поэтому одновременно с устройством шероховатой поверхности необходимо укрепить обочины, устроить твердые покрытия на въездах и переездах.
Для снижения опасности гидропланирования во время дождя в последние годы все большее распространение получают покрытия из высокопористого и открытого асфальтобетона, для которого характерна пористость порядка 15-20 %. Такое покрытие укладывается на слой плотного асфальтобетона с поперечным уклоном не менее 20 ‰. Оно обеспечивает высокий коэффициент сцепления колес с покрытием, так как во время дождя поглощает выпадающие осадки и вода, постепенно дренируя, стекает к обочинам.
Применение дренирующего асфальтобетона может быть рекомендовано на дорогах I-III категорий в V дорожно-климатической зоне.
Поверхностная обработка - это способ создания шероховатой поверхности покрытия и устройства слоев износа и защитных слоев путем розлива на основание тонкого слоя органического вяжущего, распределения высокосортного щебня и его уплотнения (рис. 20.3). Во многих странах поверхностную обработку называют Chip Seals - щебеночные защитные (изолирующие) слои.

Рис. 20.3. Основные технологические операции по устройству поверхностной обработки:
1 - подготовительные работы; 2 - розлив битума; 3 - распределение щебня; 4 - уплотнение щебня; 5 - сметание лишних щебенок
Перед устройством поверхностной обработки дорожное покрытие предварительно должно быть подготовлено. В состав подготовительных работ при устройстве поверхностной обработки на новом покрытии входит:
очистка покрытия от пыли и грязи;
установка знаков для организации движения, ограждение места производства работ.
В случаях, когда покрытие не удается полностью очистить от пыли и грязи, оставшейся в мелких трещинках и впадинах, его рекомендуется подгрунтовать путем розлива жидкого битума по норме 0,3-0,5 л/м2 или битумной эмульсии с расходом 0,5-0,8 л/м2.
В состав основных работ входит розлив битума, распределение и уплотнение щебня. После этого производится сметание отдельных не укрепившихся щебенок и открывается движение транспорта. Процесс окончательного формирования поверхностной обработки продолжается около 10 дней, в течение которых скорость движения автомобилей ограничивается и производится ежедневное сметание не укрепившихся щебенок.
Назначение и виды поверхностных обработок. Поверхностная обработка выполняет следующие функции:
восстанавливает и повышает сцепные качества дорожного покрытия;
формирует слой износа и защитный слой от проникания воды в дорожную одежду;
останавливает разрушение и продлевает срок службы старых покрытий, на которых появились признаки износа в виде трещин, шелушения, выкрашивания и другие;
при устройстве на щебеночных и гравийных покрытиях обеспечивает обеспыливание и значительно более комфортные условия движения автомобилей.
Различают несколько видов поверхностной обработки, которые применяют в различных условиях:
одиночная или простая обработка с однократным розливом вяжущего и распределением щебня. Применяется для создания слоя износа и шероховатого слоя на покрытиях с достаточной прочностью и невысокой интенсивностью движения. Толщина слоя составляет 1,5-2,5 см;
одиночная или простая обработка с двойным распределением щебня. На слой разлитого вяжущего сначала распределяют более крупную фракцию щебня (например, 8/11 или 15-20 мм), прикатывают катком, а затем распределяют более мелкую фракцию щебня (например, 2/5 или 5-10 мм) и уплотняют. Применяется на дорогах с высокой скоростью движения автомобилей. Толщина слоя может составлять 3-4 см;
простая обработка типа сэндвич. На поверхность покрытия распределяют крупную фракцию щебня, затем разливают вяжущее, распределяют мелкую фракцию щебня и уплотняют. Применяется при неоднородном по ровности основании для выравнивания и некоторого усиления;
двойная поверхностная обработка или поверхностная обработка типа двойной «сэндвич». На первый слой разлитого вяжущего распределяют крупную фракцию щебня и уплотняют. Затем разливают второй слой вяжущего, распределяют более мелкую фракцию щебня и окончательно уплотняют. Толщина слоя составляет 3-4 см. Применяется на покрытиях с недостаточной прочностью, при наличии сетки трещин, ямочности, колей, при высокой интенсивности движения, то есть в тех случаях, когда необходимо не только создать шероховатый слой износа и защитный слой, но и улучшить ровность, несколько повысить прочность и сдвигоустойчивость. Применяется также на цементобетонных покрытиях;
двойная поверхностная обработка с прослойкой из щебня. На очищенное и выровненное гравийное или щебеночное покрытие рассыпают прослойку из щебня крупной фракции и уплотняют. Затем разливают первый слой вяжущего, распределяют более мелкую фракцию щебня и уплотняют. После этого разливают второй слой вяжущего, распределяют щебень мелкой фракции и окончательно уплотняют. Толщина слоя может достигать 5 см. Применяется на «белых» гравийно-щебеночных покрытиях для перевода их в «черное» шоссе.
Требования к каменным материалам для поверхностной обработки. Для поверхностной обработки применяют щебень из высокопрочных изверженных или метаморфических горных пород с прочностью более 100-120 МПа и износом при истирании в барабане Деваля не более 35 %.
Для дорог с малой интенсивностью движения допускается применять щебень из осадочных пород (известняк) прочностью не менее 80 МПа с истиранием не более 40 %. Щебень должен быть мытым: чистым и без пыли. Доля зерен мельче 0,63 мм не должна превышать 0,5 %. Зерна щебня должны быть одномерными узких фракций кубовидной формы.
В целях экономии дорогостоящего высокопрочного щебня на дорогах со средней интенсивностью движения можно устраивать поверхностную обработку из смеси разнопрочных каменных материалов, в которой 50 % и более составляет щебень прочностью 100 МПа и выше и до 50 % щебень прочностью 60-80 МПа. Опыт показывает, что в процессе эксплуатации более слабые щебенки истираются быстрее и уменьшаются по высоте, а более прочные щебенки выступают из покрытия и обеспечивают хорошие сцепные свойства мокрого покрытия.
По европейским стандартам применяют размер фракций щебня, мм - 2/5; 5/8; 8/11; 11/16 [3, 33]. В России допускается более широкий диапазон размера фракций, мм - 5-10; 10-15; 15-20 и 20-25 [87, 96]. Однако в последние годы наметилась тенденция к переходу на более мелкие размеры и более узкие фракции щебня, близкие к европейским стандартам.
Требования к однородности материала по предельным размерам основаны на опыте срока службы поверхностной обработки. Необходимо, чтобы все щебенки прочно прилипли гранями к разлитому вяжущему. При однородном щебне, рассыпаемом в один слой (рис. 20.4, а), этого можно достигнуть. В разнородном материале всегда найдутся мелкие зерна, которые будут лежать сверху и не получат должного сцепления с битумом (рис. 20.4, б). Под воздействием касательных усилий колес автомобилей эти щебенки вырываются и вылетают в стороны, покрытие получается неровным и необходимы дополнительные, проводимые часто вручную работы по заметанию щебенок с обочины на покрытие.

Рис. 20.4. Поверхностная обработка: 1 - вяжущее; 2 - щебень, не удерживаемый вяжущим; 3 - щебень, удерживаемый вяжущим
Вылетающие из-под колес щебенки опасны, травмируют проезжающих и пешеходов, разбивают стекла автомобилей.
Выбор размера фракций зависит от многих факторов, в том числе от того, какие транспортно-эксплуатационные характеристики покрытия необходимо получить, при какой интенсивности, в каком составе движения работает покрытие и в каких климатических условиях, а также от состояния старого покрытия и его твердости. Так, для получения водонепроницаемого защитного слоя небольшой толщины на местных проездах и площадях в населенных пунктах применяют щебень фракций 2/5, который создает мелкую шероховатость типа наждачной бумаги. Фракции 5/8 обеспечивают хорошую шероховатость на прочных и ровных покрытиях при минимальном уровне звуковой эмиссии. Более глубокую шероховатость, больший износ шин и уровень звуковой эмиссии создает поверхностная обработка из щебня фракций 8/11 и 11/16, однако она более долговечна при интенсивном движении и более эффективна на мягких покрытиях. На очень мягких покрытиях в районах с жарким климатом в России применяют щебень фракций 15-20 и даже 20-25 мм.
Для определения жесткости или твердости старого покрытия применяют твердомеры. Чтобы привести результаты измерений, выполненных при разной температуре, к сопоставимому виду, их приводят к расчетной температуре (рис. 20.5).
Для устройства поверхностной обработки применяют щебень, предварительно обработанный небольшим количеством органического вяжущего или чистый щебень. Для обработки щебень разогревают до температуры 170-180°С, загружают в мешалку, куда впрыскивают горячий битум в количестве 1-1,5 % от массы щебня и перемешивают. Получают так называемый черный щебень. Такая обработка часто используется при устройстве шероховатых слоев на дорогах в северных районах.
Считается, что в обработанном щебне битум проникает в микропоры и закрывает их для проникания воды, вследствие чего повышается водостойкость и морозоустойчивость щебня, который применяют на дорогах с высокой интенсивностью движения и в районах с холодным влажным климатом. Необработанный щебень применяют на дорогах с интенсивностью движения до 1000 авт./сут, а также для второй россыпи при устройстве поверхностной обработки с двухкратным распределением щебня.

Рис. 20.5. Оценка твердости покрытия:
Зоны жесткости: 1 - очень мягкое; 2 - мягкое; 3 - нормальное; 4 - твердое; 5 - очень твердое.
Однако можно предположить, что наличие пленки битума в порах обработанного щебня может препятствовать прониканию в них битумной эмульсии или битума, разлитого на покрытии и, наоборот, битумная эмульсия хорошо взаимодействует со свежей чистой поверхностью щебенок, глубоко проникает в микропоры и тем самым обеспечивает более прочные связи минеральных материалов. Поэтому необработанный щебень находит все большее применение для поверхностной обработки.
Требования к вяжущим для поверхностной обработки. В качестве вяжущих для устройства поверхностных обработок применяют в основном битумные эмульсии и, в меньших объемах, битум. В России чаще применяют вязкие битумы БНД 60/90, БНД 90/130, БНД 130/200, МГ 130/200, МГ 70/130.
Благодаря водному характеру битумной эмульсии она обладает высокой смачивающей способностью поверхности щебня. При распаде эмульсии происходит адгезия (сцепление) битума с каменным материалом и одновременным вытеснением воды с поверхности каменного материала.
Обычно применяют катионные битумные эмульсии, в которых капельки битума имеют положительный электрический заряд, а поверхность каменного материала получает отрицательный заряд. Происходит обмен зарядами, что означает начало распада битумной эмульсии, после чего битум входит в жесткое сцепление с поверхностью щебня.
В современной технологии применяют высококонцентрированные битумные эмульсии типа ЭБК-2, в которых содержание битума составляет 65-70 %. Поскольку такие эмульсии имеют сравнительно высокую вязкость, их перед применением подогревают до 50-70°С для удобства обработки.
Для улучшения реологических и других физических свойств битумных эмульсий в настоящее время широко применяют добавки полимеров.
Битумные эмульсии, модифицированные полимерами, должны иметь температуру удара в тепле минимум 60-65°С и температуру удара в холоде минимум минус 5°С. Кроме эмульсий для поверхностной обработки часто применяют модифицированный полимерами горячий битум (табл. 20.2). В России это битум вязкий БНД 130/200 и БНД 90/130.
При использовании в качестве вяжущего битумной эмульсии расход эмульсии и щебня должен соответствовать нормам, приведенным в табл. 20.3.
Во Франции норма расхода битума для поверхностной обработки на старых покрытиях принята равной 10 % от расхода щебня, из них 8 % идет на обеспечение связи щебенок между собой и с основанием и 2 % на герметизацию мелких трещин в старом покрытии (табл. 20.4).
Принципиальный подход к назначению нормы расхода щебня состоит в том, чтобы его было достаточно для создания плотного каменного скелета, а количество вяжущего назначается из условия, что вяжущее должно обеспечить обволакивание всех щебенок на высоту 2/3 от размера щебенок и герметизацию старого покрытия [9,10].
Организация работ по устройству поверхностной обработки. Поверхностную обработку устраивают обычно летом в сухую погоду при температуре воздуха не ниже 15°С. Допускается выполнять работы при температуре воздуха 5°С весной и 10°С осенью.
При использовании в качестве вяжущего битумной эмульсии поверхностную обработку можно устраивать на влажном покрытии и при небольшом дожде.
При использовании в качестве вяжущего горячего вязкого битума все работы должны быть выполнены за время, пока температура битума не опустилась ниже допустимой по загустеванию битума. При розливе битума температура должна поддерживаться:
для вязких битумов марок БНД 60/90, БНД 90/130, БН 60/90 и БН 90/130 в пределах 150-160°С;
для марок БНД 130/200 и БН 130/200 в пределах 100-130°С;
для полимербитумных вяжущих в пределах 140-160°С;
для дегтеполимерного вяжущего в пределах 100-110°С.
Таблица 20.2
Нормы розлива вяжущих и распределения щебня при устройстве поверхностных обработок
|
Вид поверхностной обработки |
Фракция щебня, мм |
Расход щебня |
Расход вяжущего, л/м2 |
|
|
кг/м2 |
м3/100 м2 |
|||
|
Одиночная на вязком битуме |
5-10 |
11-15 |
0,9-1,1 |
0,7-1,0 |
|
10-15 15-20 |
15-20 20-25 |
1,1-1,4 1,2-1,5 |
0,9-1,0 1,0-1,3 |
|
|
20-25 |
25-30 |
1,4-1,6 |
1,1-1,4 |
|
|
Одиночная на вязком битуме с двукратной россыпью щебня |
Первая россыпь 15-25 |
16-18 |
1,2-1,4 |
1,4-1,5 |
|
Вторая россыпь 5-10 |
6-8 |
0,6-0,8 |
- |
|
|
Одиночная на 50% битумной эмульсии |
5-10 |
12-15 |
0,9-1,1 |
1,6-1,8 |
|
10-15 |
15-20 |
1,2-1,4 |
1,8-2,0 |
|
|
15-20 |
20-25 |
1,3-1,5 |
2,0-2,4 |
|
|
20-25 |
25-30 |
1,4-1,6 |
2,4-2,6 |
|
|
Двойная на вязком битуме |
Первая россыпь |
|
|
первый розлив |
|
15-25 или |
20-25 |
1,2-1,5 |
1,1-1,4 |
|
|
20-25 |
25-303 |
1,4-1,6 |
|
|
|
Вторая россыпь |
|
|
второй розлив |
|
|
5-10 или |
15-20 |
1,2-1,3 |
0,6-0,8 |
|
|
10-15 |
15-20 |
11,2-1,4 |
|
|
Примечание. При применении необработанного щебня нормы розлива битума повышают на 20 %. Фракцию щебня для одиночной поверхностной обработки выбирают по расчету и в зависимости от твердости покрытия
Таблица 20.3
|
Способ обработки |
Размер щебня, мм |
Расход щебня, м3/100 м2 |
Расход эмульсии, л/м2, при концентрации битума, % |
|
|
60 |
50 |
|||
|
Одиночная |
5-10 10-15 15-20 |
0,9-1,1 1,1-1,2 1,2-1,4 |
1,3-1,5 1,5-1,7 1,7-2,0 |
1,5-1,8 1,8-2,0 2,0-2,4 |
|
Двойная |
15-20 |
1,1-1,3 |
1,5-1,8 |
1,8-2,2 |
|
Первая россыпь |
Первый розлив |
|||
|
5-10 |
0,7-1,0 |
1,3-1,5 |
1,5-1,8 |
|
|
Вторая россыпь |
Второй розлив |
|||
Таблица 20.4
|
Фракция щебня, мм |
Расход щебня, кг/м2 |
Расход эмульсии, л/м2 |
|
2/5 |
11-13 |
1,1-1,4 |
|
5/8 |
12-15 |
1,4-1,7 |
|
8/11 |
13-17 |
1,7-2,0 |
Температуру и концентрацию эмульсии устанавливают в зависимости от погодных условий следующим образом:
при температуре воздуха ниже +20°С эмульсия должна иметь температуру от 40 до 50°С (при концентрации битума в эмульсии 55-60 %). Подогрев эмульсии до такой температуры осуществляется непосредственно автогудронатором;
при температуре воздуха выше +20°С эмульсия (при концентрации битума в эмульсии 50 %) может иметь такую же температуру, но не менее.
Для прочного сцепления битумной эмульсии с обрабатываемым покрытием необходимо обеспечить его чистоту. Очистку покрытия выполняют непосредственно перед началом поверхностной обработки. При сухой жаркой погоде покрытие увлажняют (0,5 л/м2) непосредственно перед основным розливом эмульсии. Температура и концентрация эмульсии устанавливаются в зависимости от погодных условий: при температуре воздуха ниже 20°С применяют эмульсию с концентрацией битума 55-60 % и температурой 40-50°С; при температуре воздуха выше 20°С подогревать эмульсию не надо и концентрацию битума можно уменьшить до 50 %. Вязкость эмульсии должна быть в пределах 15-30 с.
Распределение эмульсии и щебня может производиться раздельно и синхронно. При раздельном распределении первоначально эмульсию разливают в количестве 30 % нормы и рассыпают 70 % нормы щебня. Сразу после этого разливают остальное количество эмульсии (70 %) и распределяют оставшийся щебень. Щебнераспределитель должен двигаться как можно ближе к автогудронатору и рассыпать щебень перед собой. Уплотнение (самоходные катки на пневмоходу или с обрезиненными вальцами совершают 4-5 проходов со скоростью до 5 км/ч) начинается с момента начала распада эмульсии и заканчивается в момент его окончания. При синхронном распределении эмульсия и щебень попадают на покрытие с интервалом времени не более 1 с. При таких условиях эмульсия успевает до начала распада заполнить поры покрытия и щебня и тем самым создать благоприятные условия для последующего уплотнения поверхностной обработки.
Основной розлив вяжущего производят, как правило, по одной половине проезжей части или на ширину одной полосы движения в один прием без пропусков и разрывов. Если можно организовать движение транспортного потока по объезду, розлив вяжущего и распределение щебня целесообразно выполнять на всю ширину проезжей части одновременно или с небольшим уступом. Это позволит избежать образования продольных шов в поверхностной обработке.
При определении длины сменной захватки и подборе состава машин необходимо исходить из того, что все работы по распределению битумной эмульсии и щебня и по уплотнению должны быть закончены за время распада эмульсии, который легко определить визуально по внешнему виду, когда коричневый цвет эмульсии сменится темным.
Распределение щебня необходимо выполнять как можно быстрее после розлива вяжущего. Поэтому щебнераспределитель должен идти сразу за гудронатором. Распределители щебня бывают самоходными или навесными на автомобилях-самосвалах. В любом случае распределитель щебня работает по схеме «от себя», то есть так, чтобы его колеса двигались по уже распределенному щебню, а не по слою вяжущего. Для этого автомобиль с навесным распределителем движется задним ходом.
Общий состав основного звена машин для поверхностной обработки состоит из машины для очистки покрытия от пыли и грязи, автогудронатора, распределителя щебня (одного или двух), звена катков и машины для подметания лишнего щебня. Уплотнение начинают сразу после распределения щебня сначала средним катком за два-три прохода по одному месту со скоростью 10-15 км/ч, а затем тяжелым катком не менее чем по два-три прохода по одному месту. Лучшие результаты получают, когда для уплотнения применяют самоходные катки на пневматических шинах.
В процессе уплотнения необходимо учитывать особенности устройства различных видов поверхностных обработок. Простые поверхностные обработки с двойным распределением щебня уплотняют только после второго распределения щебня. Оба слоя должны очень быстро укладываться друг за другом, а последующее уплотнение производиться очень интенсивно пятью проходами катка по одному следу. При поверхностных обработках типа сэндвич первый слой щебня также не уплотняется и уплотнение начинается после распределения второго (верхнего) слоя щебня. При двойных обработках уплотнение начинается после первого распределения щебня. Затем немедленно укладывается и уплотняется второй слой.
Уход за поверхностной обработкой. После уплотнения катками и завершения распада эмульсии открывают движение по поверхностной обработке. В течение первого периода, который составляет 3-10 дней, необходимо обеспечить движение автомобилей со скоростью не более 40 км/час, чтобы лишний щебень не вылетал из-под колес и не мог разбить стекла автомобиля. Лишний щебень в первые дни регулярно убирают сметающими или всасывающими машинами. В течение нескольких дней битум под действием тепла и движущегося транспорта поднимется и покроет все щебенки тонким слоем, придав поверхности однородный цвет.
Поверхностная обработка с синхронным распределением вяжущего и щебня. Качество поверхностной обработки во многом зависит от надежности работы системы «вяжущее-щебень» и «щебень-вяжущее-основание».
Опыт эксплуатации поверхностных обработок показал, что наиболее эффективно это взаимодействие, когда вяжущее заполняет зону контакта между смежными щебенками на высоту h, которая должна быть равна 2/3 высоты щебенки, то есть
h = 2/3 D, где
h - высота слоя вяжущего в зоне контакта смежных щебенок, мм;
D - размер щебенки по высоте, мм.
Установлено, что до 80 % дефектов поверхностной обработки составляют отделения и выкрашивания щебенок вследствие недостаточной связи в зоне их контакта.
Надежное сопряжение щебенок друг с другом происходит за счет выдавливания вяжущего в зазоры между щебенками и дальнейшего продвижения вверх по законам капиллярного поднятия. Высота этого поднятия зависит от размеров зазоров между щебенками и вязкости вяжущего (рис. 20.6). Вяжущее с невысокой вязкостью в капиллярах образует глубокий мениск и поднимается на большую высоту, обволакивая щебенку тонким слоем (рис. 20.6, а). Вяжущее с высокой вязкостью не позволяет образоваться мениску, поднимается на небольшую высоту, оставляя значительную часть щебенок без пленки вяжущего (рис. 20.6, б). В процессе эксплуатации связи между такими щебенками ослабляются и они отделяются от покрытия, происходит выкрашивание.

Рис. 20.6. Варианты сопряжения щебня с покрытием:
а - при нормальном поднятии битума с образованием высокого мениска;
б - при недостаточном поднятии битума без образования мениска
Чтобы уменьшить вязкость битума в процессе устройства поверхностной обработки, его подогревают и распределяют при температуре 140-160°С. Однако разлитый по поверхности покрытия горячий битум толщиной пленки 0,5-2,0 мм очень быстро остывает. При этом его вязкость также быстро увеличивается и к моменту распределения щебня может достичь значительной величины.
Высококонцентрированные битумные эмульсии тоже обладают сравнительно высокой вязкостью и поэтому их перед распределением рекомендуется подогревать до 50-70°С. Кроме того в битумной эмульсии после распределения начинается процесс быстрого распада, до окончания которого щебень уже должен быть распределен. Таким образом, на качество поверхностной обработки большое влияние оказывает период времени от розлива вяжущего до распределения щебня t (рис. 20.7).

Рис. 20.7. Интервал времени между распределением вяжущего и щебня
При обычном, асинхронном распределении вяжущего и щебня, когда вяжущее распределяется автогудронатором, а щебень идущим за ним на расстоянии 10-100 м и более щебнераспределителем, промежуток времени t составляет от 5 с при очень четкой работе машин до 10 мин и более при небольших задержках с распределением щебня. Поэтому задача сокращения периода между распределением вяжущего и щебня является задачей повышения качества и долговечности поверхностной обработки.
Эта задача успешно решена в технологии устройства поверхностной обработки с синхронным распределением вяжущего и щебня. Для этого созданы комбинированные машины и оборудование для распределения вяжущего и щебня с интервалом времени всего в 1 с. Для поверхностной обработки с синхронным распределением вяжущего и щебня в России применяют машины БЩР-375 и битумощебнераспределители Саратовского ФГУП Росдортех типа Чипсилер-40 и Рипсилер-26 (рис. 20.8). Производительность указанных машин составляет 3-6 км/ч.
Машина состоит из емкости для вяжущего с подогревом, кузова для щебня, системы распределения вяжущего, щебнераспределителя и специальной консоли (площадки) оператора с пультом автоматизированного управления рабочими органами машины и процессом распределения. Кузов автомобиля разделен поперечными перегородками, позволяющими расходовать щебень частями. Система распределения вяжущего состоит из плоскоструйных форсунок, расположенных на одной поперечной балке на расстоянии 10 см одна от другой с общей шириной распределения до 4 м. Вяжущее из форсунок распределяется под давлением в виде мельчайших частичек и покрывает покрытие тонким равномерным слоем. Каждая форсунка имеет автономное включение и выключение, что обеспечивает возможность гибкого регулирования ширины распределения вяжущего (битума или битумной эмульсии).
Щебнераспределитель оригинальной конструкции позволяет распределять фракции размером 2-20 мм слоем в одну щебенку. Для лучшего формирования рассыпанный щебень необходимо немедленно уплотнить катками на пневматических шинах или катками с обрезиненными вальцами.

Рис. 20.8. Комбинированная машина «Чипсилер» фирмы «СЭКМЭР» для синхронного распределения вяжущего и щебня:
1 - емкость для вяжущего; 2 - кузов для щебня; 3 - распределитель вяжущего; 4 - щебнераспределитель; 5 - рабочая площадка оператора с пультом управления
Полимерные вяжущие позволяют создавать прочный водонепроницаемый шероховатый слой поверхностной обработки и этим увеличивать срок службы ее и покрытия, на которое она уложена. Из-за высокой стоимости полимерные вяжущие пока широко не применяются для строительства покрытий, но нашли применение для защитных слоев и слоев износа по способу поверхностной обработки. В настоящее время многие полимерные материалы применяют для строительства шероховатых слоев износа, что позволяет быстро открыть дорогу для движения.
Наиболее экономично и эффективно комплексное вяжущее, составленное путем добавки к битуму или дегтю полимерного материала, например, резиновой крошки или полимерной смолы. При массовой доле в каменноугольном дегте 10 % эпоксидной смолы дорога с такой поверхностной обработкой может быть открыта для движения без ограничения скорости через несколько часов после окончания работ. Работами МАДИ доказана эффективность применения в качестве добавки к битуму резиновой крошки, поливинилхлорида (ПВХ). Добавка 2-7 % ПВХ настолько повышает эффективность сцепления, что уже через 2-3 сут можно не ограничивать движения. ПВХ - белый порошок, добавляемый к битуму в котел; после их смешивания получают комплексное вяжущее.
В Великобритании и других странах применяют способ «шеллгрипп», при котором укладывают преимущественно на цементо- и асфальтобетонных покрытиях слои около 5 мм. Вяжущее состоит из смеси эпоксидной смолы со смолой другого вида на основе битума, перемешиваемых в пропорции 1:1. Полученное вяжущее характеризуется быстрым твердением, придает слою прочность и эластичность. Минеральным материалом служит материал, синтезированный из кальцинированного боксита (обычно используемого как огнеупорный материал), размером 1-3 мм. Он обладает большей износостойкостью и шероховатостью, чем каменные материалы. Расход вяжущего составляет 1,25-1,5 кг/м2, минерального материала 5-6 кг/м2. В США на основе эпоксидной смолы применяют комплексные вяжущие под фирменными названиями «гуардкот» и «редкот», которые распределяют автогудронаторами.
На основании лабораторных и опытных работ Союздорнии предлагает эпоксидное вяжущее следующего состава: эпоксидной смолы ЭД-5 или ЭД-6 - 100 частей по массе; пластификатор дибутилфталат - 20-25 частей, отвердитель полиэтиленполиамин - 8-10 частей. Расход вяжущего 100 г/м2. В качестве минерального материала применяют промытый, высушенный песок или высевки твердых горных пород. Минеральный материал в количестве 0,8-1 кг/м2 рассыпают через 5-10 мин после распределения вяжущего, вдавливают в вяжущее катком, прокатываемым вручную. Так как перемешивание и распределение эпоксидного вяжущего затруднительны ввиду его вязкости и токсичности, во Франции выпускаются передвижные смесители, подающие и распределяющие вяжущее через шланг под высоким давлением. В США предложена машина (рис. 20.9) в виде прицепа к тягачу, которая имеет хранилища для компонентов эпоксидного вяжущего, дозатор для выделения порции каждого из них в мешалку, периодически выдающую небольшие порции вяжущего.

Рис. 20.9. Машина для приготовления вяжущего на основе эпоксидной смолы:
1 - жаровая труба; 2 - кран; 3 - общая труба; 4 - смесительная колонка; 5 - мешалка со шнеком; 6 - насос; 7 - бензиновый двигатель; 8 - двигатель для привода лопастей мешалки; 9 - насос для нагнетания отвердителя
Одним из высокоэффективных и экономичных способов создания прочного, шероховатого и износостойкого слоя, особенно на дорогах с интенсивным движением грузовых автомобилей и автомобилей с шипами, является способ втапливания щебня.
Втапливание щебня - это способ устройства шероховатого слоя износа путем укладки тонким слоем песчаной или мелкозернистой малощебенистой асфальтобетонной смеси типа В или Д, ее предварительного уплотнения, немедленного распределения прочного щебня слоем в одну щебенку и вдавливания (втапливания) его катками в слой свежеуложенного асфальтобетона. Толщина слоя асфальтобетона должна быть не менее 3 см (рис. 20.10).

Рис. 20.10. Схема втапливания щебня в слой уложенной асфальтобетонной смеси:
1 - нижний слой асфальтобетонного покрытия; 2 - разлитое вяжущее; 3 - асфальтобетонная смесь для верхнего слоя; 4 - рассыпанный одномерный щебень; 5 - щебень после уплотнения, втопленный в асфальтобетонную смесь
Щебень, который втапливают в асфальтобетонную смесь, должен быть приготовлен из прочных, I-II класса прочности износостойких и малошлифующихся изверженных и метаморфических горных пород или аналогичных им по качеству шлаков. Используется одномерный щебень размерами 10-15, 15-20 или 20-25 мм, обработанный битумом с расходом 1-1,3 % от массы щебня.
Обработка щебня вяжущим осуществляется в асфальтобетонном смесителе при температурах 140-170°С при использовании битумов БНД 60/90 и БНД 90/130; при температурах 110-160°С при использовании битумов СГ 130/200, МГ 130/200; при температурах 80-120°С при использовании битумов СГ 70/130, МГ 70/130. Вяжущее должно полностью обволакивать щебень и не стекать с него. Целесообразно осуществлять обработку щебня вспененным битумом. Для повышения сцепления вяжущего с щебнем используются ПАВ.
Температура нагрева щебня и вяжущего при смешении зависит от марки последнего, температуры и влажности воздуха (табл. 20.5). При большей влажности и холодной погоде необходимо придерживаться верхних пределов температуры вяжущих.
Лучшие результаты по качеству шероховатого слоя достигаются при втапливании горячего черного щебня в горячий асфальтобетон. Такая технология возможна при наличии одного смесителя для синхронного приготовления черного щебня и другого смесителя для приготовления асфальтобетона. Возможно втапливание холодного черного щебня в горячий асфальтобетон, при этом щебень должен обрабатываться вяжущим заблаговременно (например, в зимний период).
Таблица 20.5
|
Марка вяжущего |
Температура нагрева, °С |
|
|
вяжущего |
щебня |
|
|
БНД 60/90, 90/130 |
140-160 |
150-170 |
|
БНД 130/200, 200/300 |
110-130 |
120-160 |
|
СГ 130/200 |
90-120 |
110-130 |
|
СГ 70/130 |
80-100 |
100-120 |
Щебень и вяжущее тщательно дозируют. Щебень, обработанный вяжущим, при применении его горячим сразу после приготовления доставляют к месту строительства и укладывают на покрытие. Холодный щебень можно хранить до 4-8 месяцев на складе. Применение горячего щебня повышает качество шероховатого покрытия, но требует более высокой культуры труда.
Слои износа по способу втапливания щебня применяют при строительстве новых покрытий, при реконструкции, усилении и ремонте, любых типов капитальных и переходных покрытий.
При строительстве асфальтобетонного покрытия немедленно после распределения смеси асфальтоукладчиком рассыпают одномерный щебень с последующим уплотнением смеси и одновременным втапливанием щебня. Щебень распределяют самоходным распределителем или распределителем, работающим на прицепе к асфальтоукладчику (рис. 20.11). Для погрузки в бункер распределителя щебня, доставляемого автомобилями-самосвалами, применяют ковшовые погрузчики.

Рис. 20.11. Технологическая последовательность строительства покрытия с втапливанием в него щебня распределителем на прицепе к асфальтоукладчику:
1 - автомобиль-самосвал; 2 - асфальтоукладчик; 3 - щебнераспределитель; 4 - каток
При реконструкции, усилении или ремонте покрытий для применения способа втапливания предварительно подготавливают старое покрытие как для поверхностной обработки.
Технология работ включает следующие операции (рис. 20.12):
очистка покрытия от пыли и грязи, ямочный ремонт, заливка трещин, устранение неровностей;
подгрунтовка, то есть розлив жидкого битума или битумной эмульсии с расходом соответственно 0,3-0,5 л/м2 или 0,5-0,8 л/м2;
укладка малощебенистой или песчаной асфальтобетонной смеси слоем 2-4 см и предварительное уплотнение трамбующим брусом асфальтоукладчика. Эта операция производится, когда подгрунтовка впитается или загустеет;
немедленное распределение щебня слоем в одну щебенку при помощи щебнераспределителя с боковой загрузкой или с загрузкой его грейферным погрузчиком из самосвала, идущего сбоку от щебнераспределителя. Расход щебня зависит от размера фракции:
щебень фракции (5-10) мм - (03-1,1) м3/100 м2;
щебень фракции (10-15) мм - (1,1-1,2) м3/100 м2;
щебень фракции (15-20) мм - (1,2-1,4) м3/100 м2.
Во время распределения щебня температура уложенной смеси на покрытии должна быть не менее 90-110°С для горячих смесей и 60-80°С для теплых;
втапливание щебня за один-два прохода легких катков и немедленная укатка средними и тяжелыми катками на пневматическом ходу при постепенном повышении скорости их движения от 2 до 15 км/ч.
Число проходов катков и продолжительность укатки устанавливают в зависимости от толщины уложенного слоя, типа смеси и ее температуры и температуры окружающего воздуха. Так, при толщине слоя 4 см и температуре воздуха 20°С число проходов средних катков составляет 4-5, а тяжелых 8-10.

Рис. 20.12. Основные технологические операции по устройству шероховатого слоя износа методом втапливания:
1 - подготовительные работы; 2 - подгрунтовка; 3 - укладка и предварительное уплотнение смеси; 4 - распределение щебня; 5 - втапливание щебня и укатка
В результате уплотнения щебенки втапливаются в слой асфальтобетона на 0,8-0,9 своей высоты и образуют вместе с асфальтобетонной смесью монолитный слой с шероховатой поверхностью. Такая конструкция слоя называется «щебень в обойме».
Срок службы слоя износа из втопленного щебня 6-10 лет при интенсивном и тяжелом движении.
В Австрии, Венгрии и ряде других стран применяется другая технология устройства шероховатого слоя износа методом втапливания. Отличие состоит в составе асфальтобетонной смеси, степени ее предварительного уплотнения. В такую смесь входит 35-40 % щебня, полученного путем дробления мелкого гравия с размером щебенок до 15 мм (максимум до 20 мм), около 55 % песка, 8 % минерального порошка и около 8 % модифицированного битума с пенетрацией 50.
Горячую асфальтобетонную смесь укладывают толщиной 3,5-4 см и сразу уплотняют вибробрусом асфальтоукладчика до степени уплотнения 0,85. Немедленно на горячий слой распределяют слоем в одну щебенку черный щебень фракций 12-20 мм с расходом 10-12 кг/м2 и втапливают гладковальцовыми вибрационными катками.
Щебень для втапливания получают дроблением прочных гранитных пород и обрабатывают его в установке модифицированным вязким битумом с пенетрацией 30-40 и расходом 1 % от массы щебня. При этом щебень нагревают до 220°С, а битум до 180°С.
После перемешивания обработанный щебень охлаждают водой и используют для втапливания. В результате получают плотный, очень прочный и шероховатый слой износа с высокими сцепными качествами. Эти слои отличаются большей шероховатостью и значительно большим сроком службы, чем слои износа, построенные по способу поверхностной обработки с применением тех же вяжущих и минеральных материалов.
Для строительства слоев износа и защитных слоев дорожных покрытий широкое применение получили холодные эмульсионно-минеральные смеси различного состава. В зависимости от конкретного состава, технологии применения в различных странах эти смеси называют литыми эмульсионно-минеральными смесями (ЛЭМС), «Сларри Сил», литой холодный микроасфальт, рапид-асфальт и др. Достоинство этих слоев в сравнительно простой технологии устройства, малого расхода материалов, высокой производительности при укладке, небольших помехах для движения транспорта по участку, где ведутся работы.
Литые эмульсионно-минеральные смеси (ЛЭМС) состоят из минеральных материалов (щебня, песка, минерального порошка), водного раствора ПАВ и катионной битумной эмульсии. В зависимости от гранулометрического состава ЛЭМС подразделяются на щебеночные и песчаные. Щебеночные рекомендуется устраивать на участках с затрудненными и опасными условиями движения дорог I и II категорий. Песчаные - на участках с легкими и затрудненными условиями движения дорог III-IV категорий. Минеральная часть ЛЭМС подбирается по принципу плотных смесей. Щебеночная фракция 5-10 мм и 5-15 мм должна быть из камня изверженных и метаморфических пород по прочности не ниже 1200. Песчаная фракция 5-0,1 (0,071) мм должна состоять из дробленого песка или смеси природного и дробленого песка в соотношении 50/50 %. Минеральный порошок из карбонатных пород (лучше активированный) должен содержаться в смеси в таком объеме, чтобы общее количество частиц мельче 0,071 мм в смеси составляло 5-15 %. В качестве вяжущего используются катионоактивные битумные эмульсии класса ЭБК-2 и ЭБК-3, содержащие 50-55 % битума (табл. 20.6).
Таблица 20.6.
Рекомендуемые составы ЛЭМС
|
Смеси |
компоненты, % по массе |
|||||||
|
щебень гранит- |
песок |
минераль- |
портланд- |
вода для предварительного смачивания |
битумная эмульсия (в пересчете на битум) |
|||
|
5-15 мм |
5-10 мм |
дробленый компонент |
природ- |
|||||
|
Щебеночная |
50 |
- |
- |
38 |
12 |
- |
6-8 |
8-9 |
|
Щебеночная |
60 |
- |
20 |
17 |
3 |
- |
6-8 |
7,5-8,5 |
|
Щебеночная |
60 |
- |
20 |
17 |
- |
1-3 |
5-7 |
8-9 |
|
Щебеночная |
- |
50 |
- |
38 |
12 |
- |
6-8 |
8-9 |
|
Щебеночная |
- |
50 |
18 |
20 |
12 |
- |
6-8 |
8-9 |
|
Щебеночная |
- |
60 |
20 |
17 |
3 |
- |
6-8 |
7,5-8,5 |
|
Щебеночная |
- |
50 |
27 |
20 |
- |
1-3 |
5-7 |
8-9 |
|
Песчаная |
- |
- |
60 |
37 |
3 |
- |
8-12 |
7-9 |
|
Песчаная |
- |
- |
55 |
40 |
5 |
- |
8-12 |
7-9 |
|
Песчаная |
- |
- |
50 |
45 |
5 |
- |
8-12 |
7-9 |
|
Песчаная |
- |
- |
60 |
37 |
- |
1-3 |
8-10 |
7-9 |
Расход битумной эмульсии в пересчете на битум 7-9 %. Количество ПАВ в водном растворе зависит от его вида (четвертичные соли аммония 0,1-0,6 %, адгезионная битумная присадка БП-3 0,5-1,0 % к массе воды). Расход воды для предварительного смачивания ориентировочно 5-12 % массы минеральных материалов. Его уточняют в лаборатории и корректируют на месте приготовления ЛЭМС с учетом влажности минеральных материалов и их температуры. Время распада эмульсии в ЛЭМС должно составлять 40-120 с. Распад эмульсии должен произойти немедленно после распределения смеси на поверхности покрытия. Приготовление и распределение ЛЭМС осуществляется специальной однопроходной машиной (рис. 20.13).

Рис. 20.13. Передвижная установка для приготовления и распределения литой эмульсионно-минеральной смеси:
1 - резервуар для воды; 2 - бункеры для песка; 3 - бункер для минерального порошка; 4 - объемная дозировка присадки; 5 - подана воды и присадки; 6 - подача эмульсии; 7 - смеситель; 8 - распределитель; 9 - конвейер; 10 - резервуар для присадки; 11 - резервуар для эмульсии
Толщина укладываемого слоя: для песчаной ЛЭМС - 5-10 мм с расходом 20-25 кг/м2, для щебеночной 10-15 мм с расходом 25-30 кг/м2. По предварительно очищенному и обработанному водой покрытию распределяют ЛЭМС при непрерывном движении машины. Уплотнение ЛЭМС не требуется. Движение транспорта можно открывать через 2-4 ч после окончания работ с ограничением скорости до 40 км/ч в течение 1-2 сут.
Ширина укладываемого слоя зависит от ширины распределительного бункера и обычно составляет 2,5-3,75 м. Скорость распределения регулируется в зависимости от температуры воздуха и свойств исходных материалов, при этом должна быть такой, чтобы распределение смеси (при выходе из распределительного короба) совпадало с началом распада битумной эмульсии, что предотвращает расплывание смеси по поверхности покрытия.
Свойства готового слоя из ЛЭМС приведены в табл. 20.7.
Таблица 20.7
Показатели свойств эмульсионно-минеральных смесей
|
Показатели |
Значение показателя |
Метод испытания |
|
Водонасыщение, % от объема для слоев из смесей |
|
|
|
щебеночных |
3,5-4,5 |
|
|
песчаных |
1,5-3,0 |
Тоже |
|
Набухание (% от объема), не более |
7,0 |
Тоже |
|
Коэффициент водостойкости при длительном водонасыщении, не менее для смесей |
|
|
|
щебеночных |
0,75 |
Тоже |
|
песчаных |
0,80 |
Тоже |
|
Скорость распада эмульсий, с не менее |
120 |
Пособие по устройству поверхностных обработок на автомобильных дорогах (к СНиП 3.06.03-85) |
Рабочий цикл укладки защитного слоя включает следующие технологические операции (рис. 20.14): загрузка бункеров и емкостей машины компонентами ЛЭМС на притрассовом складе; переезд машины к месту производства работ; укладка защитного слоя на огражденном участке; переезд машины для загрузки на притрассовом складе.

Рис. 20.14. Циклограмма выполнения производственного процесса по укладке защитного слоя из литой эмульсионно-минеральной смеси на сменной захватке 1000 м шириной 3,75 м (3750 м2)
Поверхностная обработка с использованием битумных шламов. Битумные шламы являются разновидностью эмульсионно-минеральных смесей литой консистенции и состоят из минеральных материалов (щебня, песка, минерального порошка), битумной пасты и воды. Так как битумные пасты распадаются и твердеют по мере испарения из них воды, применение битумных шламов возможно только в сухую погоду. В зависимости от зернового состава битумные шламы подразделяются на песчаные (п) и щебеночные (щ) - А - крупно - (размером щебня до 25 мм более 40 %), Б - средне - (размером щебня до 25 мм от 20 до 40 %) и В - мелкозернистые (размером щебня до 15 мм менее 20 %) I и II марок. Тот или иной вид шлама рекомендуется использовать на дорогах разных категорий в зависимости от условий движения транспорта [96].
Время высыхания смесей должно быть не более 2 ч. Перед укладкой битумного шлама покрытие очищают от пыли и грязи, при значительном количестве трещин их прочищают. В зависимости от состояния покрытия его предварительную обработку проводят по-разному: плотные покрытия увлажняют (1-2 л/м2); пористые покрытия и все виды покрытий при производстве работ в осеннее время подгрунтовывают битумной пастой или эмульсией (не менее 60 % воды из расчета 0,2 л битума на 1 м2); покрытия с недостатком органического вяжущего и на основе минеральных вяжущих обрабатывают путем распределения слоя пасты исходя из нормы расхода битума 0,4-0,8 л/м2. Ориентировочный расход песчаных шламов составляет 5-15 кг/м2, щебеночных 10-30 кг/м2. Меньшие значения относятся к смесям с меньшими размерами зерен минерального материала. Уложенную полосу ограждают от наезда транспортных средств. При достижении влажности смеси 6-8 % по слою допускается движение транспортных средств или его уплотняют самоходными катками на пневмошинах массой 8-10 т (3 прохода по одному следу). Скорость движения транспорта ограничивают: в течение первых суток до 30 км/ч, затем - до 40 км/ч до тех пор, пока слой не сформируется настолько, чтобы зерна минерального материала не вырывались из слоя. Для полного уплотнения слоя требуется 20-30 сут.
Строительство тонкослойных слоев износа и защитных слоев из литых эмульсионно-минеральных смесей по способу типа «Сларри Сил», который представляет собой уложенную и сформировавшуюся литую эмульсионно-минеральную смесь, состоящую из катионоактивной битумной эмульсии, минерального материала, воды и специальных добавок. Толщина слоя износа в уплотненном состоянии 5-15 мм.
Слой типа «Сларри Сил» устраивается с целью предотвращения отрицательного воздействия природно-климатических факторов на дорожную конструкцию, восстановления слоев износа, обеспечения необходимых сцепных свойств дорожного покрытия.
В зависимости от гранулометрического состава используемых материалов слой износа «Сларри Сил» подразделяют на два типа в соответствии с требованиями, изложенными в табл. 20.8 [58].
Таблица 20.8
Гранулометрический состав минеральной части литых эмульсионно-минеральных смесей
|
Размер отверстий, мм |
Содержание частиц мельче данного размера, % по массе |
Точность дозирования, % по массе |
|
|
тип I |
тип II |
||
|
10 |
100 |
100 |
±5 |
|
5 |
90-100 |
70-90 |
±5 |
|
2,5 |
65-90 |
45-70 |
±5 |
|
1,25 |
45-70 |
28-50 |
±5 |
|
0,63 |
30-50 |
19-34 |
±5 |
|
0,315 |
18-30 |
12-25 |
±4 |
|
0,14 |
10-21 |
7-18 |
+3 |
|
0,071 |
5-15 |
5-15 |
±2 |
Для приготовления литых эмульсионно-минеральных смесей должен использоваться щебень из плотных горных пород по ГОСТ 8267-93 1-й группы, имеющий марку по прочности не ниже 1200, марку истираемости не ниже И-1, песок из отсевов дробления, соответствующий ГОСТ 8736-93. Для приготовления смесей может использоваться щебеночно-песчаная смесь С 13 по ГОСТ 25607-94 после отгрохачивания частиц крупнее 10 мм.
Гранулометрический состав минеральной части литых эмульсионно-минеральных смесей должен соответствовать табл. 20.8. Для обеспечения требований к гранулометрическому составу смесей в минеральную часть могут быть введены минеральный порошок по ГОСТ Р 52129-2003 и цемент по ГОСТ 10178-85.
Минеральная часть ЛЭМС для устройства тонкослойных холодных покрытий подбирается по типу плотных и может состоять из смесей фракций 0-3 мм, 0-5 мм, 0-8 мм, 0-11 мм, с использованием щебеночных отсевов из трудношлифуемых горных пород марки не ниже 1000. Крупные фракции должны быть преимущественно кубовидной формы. Содержание фракции менее 0,071 мм должно быть 5-15 %. Для регулирования времени распада эмульсии применяют цемент марки не ниже 400. Содержание свободной извести в цементе не ограничивается, а его расход составляет до 2 % от массы каменных материалов.
Песок, щебень и в случае необходимости минеральный порошок перед использованием должны быть смешаны в определенных пропорциях с помощью специальных машин типа «REVSON 73830».
В качестве вяжущего в ЛЭМС применяют катионные эмульсии прямого типа классов ЭБК-2 и ЭБК-3 с содержанием битума 60-65 %. Марка битума в битумной эмульсии должна соответствовать рекомендуемой ГОСТ 9128-97 для конкретной дорожно-климатической зоны.
В условиях I и II дорожно-климатических зон, а также при интенсивности движения более 10000 авт./сут целесообразно использовать полимермодифицированные битумные эмульсии. Получение полимермодифицированной битумной эмульсии осуществляется как путем введения катионоактивных латексов «Бутонал SL 170К», «Родкем 600», «Интерлатекс АФ» и других, совместимых с эмульсией, в процессе приготовления, так и с использованием битумов, модифицированных другими добавками. Содержание модификатора в остаточном битуме модифицированной эмульсии должно быть в пределах 2-4 % по массе. Скорость распада эмульсии регулируют с помощью аддитивных добавок, вид подбирается в лаборатории. В качестве замедлителя скорости распада смеси используются сульфат алюминия, соли моноаминов, полиаминов, амидоаминов по техническим условиям заводов-изготовителей.
Содержание замедлителя скорости распада в литой эмульсионно-минеральной смеси должно быть минимальным, но позволяющим обеспечить время, достаточное для перемешивания и распределения.
В качестве ускорителя времени твердения добавки, улучшающей консистенцию смеси, может использоваться цемент марок 500 или 400, для обеспечения лучшего сцепления вяжущего с каменными материалами и снижения расхода аддитивных добавок, %, от массы каменных материалов. Техническая вода должна иметь жесткость не менее 6 мг-экв/л.
Время распада при смешивании смесей типа «Сларри Сил» должно составлять не менее 180 с. Время распада зависит от целого ряда факторов: минерального состава и зернового состава минеральной части, состава эмульсии, природы эмульгатора, соотношения компонентов в смеси, температуры окружающего воздуха. Поэтому подбор составов смесей должен происходить с учетом вышеперечисленных факторов.
При слишком медленном распаде эмульсии возникает опасность стекания жидкой смеси с поверхности или ее расслоения. Во избежание этих явлений при подборе составов эмульсионно-минеральных смесей контролируют момент отвердения поверхности смеси. Тест для установления времени отвердевания определяется как промежуток времени с момента укладки до момента, когда «Сларри-система» не может быть перемешана в однородную смесь, а при сжатии образца невозможно горизонтальное смещение; когда промокательная салфетка не пачкается при легком соприкосновении с поверхностью образца; когда эмульсия не может быть разбавлена или вымыта из образца.
Более точно момент отвердения смеси находят с помощью специального прибора - модифицированного определителя силы сцепления. При помощи этого прибора определяют и время открытия движения. Время открытия характеризуется тем, что слой износа сформировался до такой степени, что можно открыть движение автомобилей с ограниченной скоростью.
Время отвердения эмульсионно-минеральных смесей должно составлять не более 30 мин, а время открытия движения в зависимости от погодных условий - не более 4 ч.
Не допускается производить работы по укладке эмульсионно-минеральной смеси:
при температуре окружающего воздуха ниже 10°С;
в условиях дождя;
при прогнозе снижения температуры воздуха в месте производства работ до 0°С в течение ближайших 24 ч после укладки.
Для приготовления и укладки литых эмульсионно-минеральных смесей применяются специальные машины типа «Macropaver» и «Minimac» (США), AZ Ко Nobel (Швеция), «Wiero» (Германия), «Elma» (Италия) и др.
Процесс строительства включает очистку и подготовку покрытия; устройство тонкослойного покрытия из ЛЭМС (включая загрузку укладывающих машин); уход и регулирование движения по свежеуложенному слою. Подготовка покрытия заключается в проведении подгрунтовки эмульсией с расходом 0,4-0,6 л/м2 в зависимости от степени изношенности покрытия. К устройству покрытия необходимо приступать непосредственно после полного распада эмульсии, нанесенной на покрытие при подгрунтовке. Минимальный срок ожидания после подгрунтовки 30 мин. В процессе укладки смеси необходимо контролировать процесс распада эмульсии и консистенцию смеси путем изменения количества воды и раствора аддитивной добавки. Расход других компонентов не меняется. Необходимо следить и за точностью дозировки минеральных компонентов. Расход эмульсии устанавливается строго по расчету. Количество воды зависит от погоды: в холодную погоду ее меньше, в жаркую - больше. Расход воды при введении непосредственно в смесь составляет в среднем 12 % от массы каменных материалов. Непосредственно перед укладкой смеси производится увлажнение покрытия дороги. Увеличение температуры смеси ускоряет процесс распада эмульсии. Поэтому температура воздуха должна измеряться ежечасно (особенно в жаркие дни), чтобы уточнять величину аддитивной добавки. Слой покрытия сразу после укладки должен иметь темно-коричневый цвет. Через 30-60 мин покрытие становится черного цвета. Открытие движения по свежеуложенному покрытию излитой эмульсионно-минеральной смеси разрешается не менее чем через 1 ч после укладки, когда автомобили не оставляют на нем следов. В холодную погоду этот срок увеличивается. В дождь движение автомобилей не разрешается. После открытия движения скорость автомобилей ограничивается до 40 км/ч на период 2-8 ч. В случае дождя движение по участку дороги с ограниченной скоростью продлевается как минимум на 2 ч после окончания дождя.
Опыт показывает, что жидкая холодная эмульсионно-минеральная смесь «Сларри Сил» легко распределяется и разравнивается. В результате образуется защитный слой, не пропускающий воду в нижележащие слои дорожной одежды, устраняются мелкие неровности, покрытие приобретает однообразный цвет и фактуру, похожие на асфальтобетонное покрытие.
Применение прочного щебня и дробленого песка позволяет обеспечить достаточно высокие сцепные качества и хорошую сопротивляемость износу, а также низкий уровень шума. Поскольку износ таких слоев происходит в основном за счет истирания, срок их службы достигает 8-10 лет на дорогах с интенсивностью движения, приведенной к легковому автомобилю, до 7000 авт./сут. Возможны иные способы устройства поверхностной обработки, например, из песчано-битумных смесей и смесей с применением комплексных вяжущих. Кафедрой строительства и эксплуатации дорог МАДИ разработаны песчано-резинобитумные смеси с резиновой крошкой размером 0-(1,5-2) мм (8-10 % по массе), при распределении которых слоем 1,5-2 см получают слой износа, обеспечивающий хорошее сцепление, бесшумное движение и легкое удаление с поверхности воды и ледяной пленки. Хороший результат получен при строительстве мастичного слоя износа толщиной 2-3 см с содержанием щебня 70-75 %.
К простейшим, или низшим типам относят покрытия дорожных одежд, устраиваемые преимущественно из одного слоя щебёночно-гравийно-песчаных смесей; малопрочных каменных материалов и шлаков; грунтов, укреплённых или улучшенных различными местными материалами; с применением древесины и отходов деревообрабатывающей промышленности на дорогах с интенсивностью движения до 200 авт./сут [97]. Такие покрытия применяют на дорогах общего пользования, карьерных, лесовозных и внутрихозяйственных при низкой интенсивности движения, а также на временных автомобильных дорогах, проезд по которым необходим в течение ограниченного периода - от нескольких недель до двух-трёх лет (табл. 21.1).
Покрытия простейшего типа обладают низкими эксплуатационными качествами - на них быстро образуются колеи, много пыли в сухое время года, существенно ухудшается проезд в дождливые периоды. Эти покрытия требуют значительных затрат на содержание и ремонт. Низкая скорость движения по дорогам с покрытием простейшего типа приводит к увеличению себестоимости перевозок.
Низкая стоимость автомобильных дорог с покрытиями простейшего типа достигается в результате применения местного грунта в качестве основного материала для их строительства. Для обширной территории России характерно большое разнообразие природно-климатических условий, включая грунтовые, поэтому иногда для обеспечения проезда автомобилей достаточно выровнять поверхность грунтового основания. Это относится к редким по применению в практике дорожного строительства грунтам, классифицированным по ГОСТ 25100-95 как скальные.
Таблица 21.1
Классификация покрытий дорожных одежд низшего типа
|
Материал |
Назначение покрытия |
Наименьшая толщина слоя, см |
Расположение слоя |
Интенсивность движения, авт./сут |
Дорожно-климатические зоны |
|
Покрытия из грунта естественного оптимального состава |
|||||
|
Грунт из боковых резервов или карьеров |
Покрытие для дорог V технической категории |
20-25 |
На всю ширину одной толщины |
До 100 |
Без ограничений |
|
Покрытия из грунта, улучшенного до оптимального состава добавками карьерных песка или глины |
|||||
|
Грунт земляного полотна: глинистый (песчаный) улучшенный смешением на дороге (в карьере) |
Покрытие для дорог V технической категории |
20-25 |
На всю ширину проезжей части, одной толщины (серповидного профиля) |
До 100 |
Без ограничений |
|
Покрытия из грунта, укреплённого крупнозернистыми минеральными материалами |
|||||
|
Улучшенный по видам добавок (см. табл. 21.4) |
Покрытие для дорог V технической категории, устроенное методом смешения на дороге |
20-25 |
На всю ширину проезжей части, одной толщины (серповидного профиля) |
До 150 |
Без ограничений |
|
Составы: а) щебень 50-70 %; грунт 50-30 %; б) щебень 65 %; песок среднезернистый 24 %; суглинок 11 % |
Покрытие для дорог V технической категории из грунтощебня |
15-25 |
На всю ширину проезжей части |
До 200 |
IV-V |
|
Улучшенный по видам добавок (см. табл. 21.4) |
Покрытие для дорог V технической категории с россыпью минеральных мате__ риалов за 2-3 приёма |
15-20 |
На всю ширину проезжей части |
До 50 |
IV-V |
По данным проф. Ю.М. Васильева (Хархута Н.Я., Васильев Ю.М. Прочность, устойчивость и уплотнение грунтов земляного полотна автомобильных дорог. - М.: Транспорт, 1975. - 288 с.) наиболее часто при строительстве автомобильных дорог (до 80 % от общего протяжения сети) применяют связные грунты II класса - природные дисперсные (с механическими и водно-коллоидными структурными связями), по виду - глинистые (табл. 21.2).
Специфические свойства связных грунтов (гидрофильность, прочность, водонепроницаемость, набухание) в значительной мере определяют условия движения автомобилей по сезонам года. Прочность несвязных грунтов в меньшей степени зависит от влажности, однако проезд автомобилей по ним затруднён из-за образования колеи и большого сопротивления движению. Образование колеи в покрытии наблюдают при уменьшении содержания в песке пылеватых и глинистых частиц, а также если песок однороден по зерновому составу. Поэтому эффективное применение широко распространённых природных дисперсных грунтов в качестве материала для устройства покрытия связано с улучшением его прочностных свойств посредством специальных мероприятий.
Таблица 21.2
Класс природных дисперсных грунтов по ГОСТ 25100-95
|
Класс |
Группа |
Под-группа |
Тип |
Вид |
Разновидность |
|
|
Дисперсные (с механическими и водно-коллоидными структурными связями) |
Связные |
Осадочные |
Минеральные |
Силикатные. Карбонатные. Железистые. Полиминеральные |
Глинистые грунты |
Выделяются по: гранулометрическому составу (крупнообломочные грунты и пески); числу пластичности и гранулометрическому составу (глинистые грунты и илы); степени неоднородности гранулометрического состава (пески); показателю текучести (глинистые грунты); относительной деформации набухания без нагрузки (глинистые грунты); относительной деформации просадочности (глинистые грунты); коэффициенту водонасыщения (крупнообломочные грунты и пески); коэффициенту пористости (пески); степени плотности (пески); коэффициенту выветрелости (крупнообломочные грунты); коэффициенту истираемости (крупнообломочные грунты); относительному содержанию органического вещества (пески и глинистые грунты); степени разложения (торфы); степени зольности (торфы); степени засоленности; относительной деформации пучения; температуре |
|
Органоминеральные |
Илы. Сапропели. Заторфованные грунты. |
|||||
|
Органические |
Торфы и др. |
|||||
|
Несвязные |
Минеральные |
Силикатные. Карбонатные. Полиминеральные. |
Пески. Крупнообломочные грунты |
|||
Существует несколько классификаций методов искусственного улучшения или коренного изменения свойств грунтов, основанных на учёте различных признаков. В соответствии с назначением и видом строительства методы укрепления грунтов можно объединить в три основные группы: химические, физико-химические и физико-механические (табл. 21.3).
Группа химических методов включает способы, основанные на введении в грунт неорганических и органических вяжущих, а также различных синтетических полимерных смол холодного отверждения [98]. Характер изменения свойств грунтов при этом сводится, в первую очередь, к значительному увеличению прочности, водо- и морозостойкости, улучшению водопроницаемости грунтов в результате изменения состава и структурных связей.
Физико-химические методы укрепления грунтов применяют для снижения водопроницаемости, пылимости, пучинистости, улучшения уплотняемости в результате изменения поверхности минеральных частиц и прежде всего их обменной способности. Способы этой группы методов наиболее эффективны при улучшении свойств суглинков и глин различного состава и генезиса.
Улучшение инженерно-геологических свойств грунтов без существенного изменения их полидисперсной структуры можно достичь при помощи физико-механических методов (размельчение, перемешивание, уплотнение, введение гранулированных добавок, кольматация, осушение грунтов и пр.).
Применение перечисленных методов технической мелиорации грунтов находит широкое применение в практике строительства автомобильных дорог и носит во многих случаях комплексный характер. Например, для обеспечения устойчивости, водопроницаемости, ликвидации просадочности и пучинистости природных дисперсных грунтов технологией строительства земляного полотна и слоев дорожных одежд наряду с другими обязательными операциями предусматривают механическое укрепление. Основным видом воздействия в этом случае служит механическая энергия динамических и статических нагрузок уплотнения, вибрации, взрывов, давления, разряжения, гравитационного поля.
Улучшение свойств укреплённых грунтов в покрытиях простейшего типа связывают с изменением их состава и структуры. В укреплённом материале могут сформироваться три основных типа структур, которые впервые были выделены акад. П.А. Ребиндером - кристаллизационная, коагуляционная и конденсационная.
Классификация методов искусственного улучшения свойств связных грунтов (по Л.В. Гончаровой, Г.И. Баннику)
Таблица 21.3
|
Группа грунтов |
Связные пластичные (высокодисперсные) грунты с межчастичными (водно-коллоидными) связями |
|||||
|
Тип грунтов |
Лёссовые (лёссы, лёссовидные супеси и суглинки) |
Глинистые (супеси, суглинки, глины) |
Органогенные (почвы, торфяники, илы) |
|||
|
Некоторые характеристики и свойства грунтов |
Просадочность, водопроницаемость, пылимость, пучинистость |
Деформируемость, набухаемость, размокание, пучинистость |
Деформируемость, высокое увлажнение, текучесть |
|||
|
Основные группы методов |
Вид воздействия на грунты |
Характер изменения свойств грунтов |
Характеристика водопроницаемости (коэффициент фильтрации, м/сут) |
|||
|
10,0-10-3 |
1,0-10-6 |
10-3-10-6 |
||||
|
Химические |
Химические реакции |
Увеличение прочности, водо- и морозостойкости, уменьшение водопроницаемости |
Смолизация |
Битуминизация |
|
|
|
Силикатизация |
Известкование |
|||||
|
Цементация |
|
|||||
|
|
Фосфатирование |
|||||
|
Физико-химические |
Физико-химические обменные реакции, адсорбция электролитов и ПАВ |
Снижение водопроницаемости, пучинистости, улучшение уплотняемости |
Регулирование грансостава |
|||
|
Глинованием |
Пескованием |
|||||
|
Агрегирование обработкой ПАВ и электролитами |
||||||
|
Гидрофилизация |
|
|||||
|
Гидрофобизация |
|
|||||
|
Физико-механические |
механические |
Динамические и статические нагрузки, взрыв, вибрация, разряжение, гравитация |
Увеличение плотности, снижение водопроницаемости, просадочности, пучинистости |
Механическое уплотнение динамическими и статическими нагрузками |
||
|
Сейсмическое уплотнение |
|
|||||
|
Виброуплотнение |
||||||
|
физические |
Физические поля: электрическое, магнитное, тепловое отрицательных температур |
Увеличение прочности и морозостойкости, устранение просадочности |
Нагрев и обжиг |
|
||
|
Электроосмотическое воздействие |
||||||
|
Электрохимическое воздействие |
||||||
Основными процессами, приводящими к образованию новых структурных связей в грунтах, являются: при химических методах укрепления - гидратация и гидролиз цементных зёрен, твердение продуктов гидратации и их новообразований, полимеризация и поликонденсация синтетических веществ; при физико-химических методах - ионный обмен, адгезия вяжущих, необратимая коагуляция частиц, адсорбция, диспергация, кристаллизация и др.; при физико-механических методах - разупрочнение, упрочнение, электроосмос, электрофорез, спекание, плавление и др. (Укреплённые грунты. (Свойства и применение в дорожном и аэродромном строительстве/В.М.Безрук, ИЛ. Гурячков, Т.М. Луканина и др. - М.: Транспорт, 1982. - 321 с.)
Качество упрочнения грунтов находится в сложной функциональной зависимости от свойств минерального заполнителя, применяемых реагентов и добавок, а также от соблюдения регламента производства работ [98].
Для улучшения физико-механических свойств грунта применяют местные материалы или отходы промышленности. Добавление таких материалов, иногда называемых скелетными, экономически оправдано, когда их стоимость достаточно низкая, а источники поставок расположены вблизи строящейся дороги.
Характеристика крупнозернистых минеральных материалов, применяемых для улучшения природных дисперсных грунтов при строительстве простейших покрытий автомобильных дорог, приведена в табл. 21.4 (Строительство автомобильных дорог: Справочник инженера дорожника / В.А. Бочин, М.И. Вейцман, ИЛ. Колкер, Е.Ф. Левицкий. - М.: Транспорт, 1969. - 496 с).
Улучшение грунтов скелетными добавками осуществляют в следующей последовательности:
подбирают состав плотной смеси из имеющихся в распоряжении крупнозернистых материалов;
определяют количество глинистого грунта, достаточное для связывания скелетной части смеси;
тщательно перемешивают составляющие и уплотняют композицию в слое покрытия.
При подборе составов оптимальных смесей учитывают местные климатические условия, результаты исследований водно-физических свойств глинистых грунтов, а также теоретических построений предельных кривых, выражающих зависимость пористости от количества и размера фракций в композиции.
Для приближённых расчётов при улучшении глинистого грунта добавками грубодисперсного заполнителя, можно воспользоваться результатами исследований проф. Н.Н.Иванова, приведёнными в табл. 21.5.
Таблица 21.4
Характеристика скелетных материалов
|
Материал для улучшения грунтовых дорог |
Требования к материалу |
Толщина слоя, см |
Коэффициент уплотнения |
Особенности применения |
|
Гравийные и песчано-гравийные карьерные материалы |
По составу близкий к оптимальному |
20 |
1,3 |
Наиболее распространённый и удобный материал для улучшения свойств связных грунтов |
|
Отходы карьеров и щебёночных заводов: |
20 |
1,2 |
Материал, применение которого обеспечивает высокие эксплуатационные показатели покрытий |
|
|
известняковые породы |
То же |
|||
|
другие виды пород |
То же |
20 |
1,3 |
Отходы карьеров можно применять без сортировки |
|
Шлаки металлургические (основные и кислые) |
Не менее 60 % частиц крупнее 5 мм, наибольший размер - 75 мм |
20 |
1,3 |
Шлаки, подверженные известковому распаду, рекомендовано применять в нижних слоях покрытий |
|
Горелые породы |
Небольшое содержание частиц размером менее 1 мм |
25 |
1,35-1,4 |
Материал обладает высокой истираемостью, рекомендован в нижние слои |
|
Шлаки котельные |
Несгоревшего угля не более 30 % |
20 |
1,4-1,7 |
При насыщении водой материал размокает, рекомендован при обеспеченном водоотводе в смеси, содержащей 15-20 % суглинков |
|
Мел, опоки, ракушка |
Желательна однородность размеров зёрен (для нижнего слоя - 75 мм, для верхнего - 50 мм) |
16 |
1,3-1,6 |
В верхних слоях желательно применять менее истираемые материалы. Для уменьшения истирания ракушку поливают |
|
Дресва |
Не пригодна для применения дресва со значительным содержанием слабых зёрен и при наличии каолина |
15 |
1,4-1,5 |
До употребления дресву следует испытать на морозостойкость. Дресва хорошего качества - технологичный материал для улучшения связных грунтов |
|
Отходы заводов силикатного кирпича |
Содержание до 45 % извести |
20 |
1,5 |
Для укрепления песчаных грунтов. Добавка силикатной крошки 50 % и цемента 2-3 % по массе для придания композиции водоустойчивости |
Таблица 21.5
Составы оптимальных смесей для строительства простейших покрытий автомобильных дорог
|
№ смеси |
Массовая доля зёрен и частиц, %, проходящих через сито, мм |
Массовая доля |
Свойства смеси, прошед- |
||||||||
|
50-75 |
25 |
20 |
10 |
5 |
2 |
1 |
0,5 |
предел те- |
число пла- |
||
|
Верхний слой покрытия |
|||||||||||
|
1 |
100 |
60-90 |
- |
45-75 |
40-65 |
20-50 |
- |
15-30 |
7-12 |
|
|
|
2 |
- |
90-100 |
- |
65-80 |
50-70 |
35-55 |
- |
20-40 |
8-15 |
|
|
|
3 |
|
|
90-100 |
- |
55-75 |
35-65 |
- |
25-45 |
8-18 |
|
|
|
4 |
|
|
|
90-100 |
70-85 |
45-75 |
- |
25-55 |
8-20 |
£35 |
4-8 |
|
5 |
|
|
|
|
90-100 |
60-80 |
- |
35-55 |
10-25 |
|
|
|
6 |
|
|
|
|
|
80-100 |
60-80 |
40-70 |
20-35 |
|
|
Для расчёта необходимого количества песка при улучшении связных грунтов можно также воспользоваться формулой В.И. Бируля:
К = (F1 - Fо)×100/{F1 - (F2 - j)}, где (21.1)
К - необходимая по массе добавка песка, %;
Fo - верхний предел пластичности оптимальной смеси, %;
F1 - верхний предел пластичности улучшаемого связного грунта, %;
F2 - верхний предел пластичности песчаного грунта (нижний предел текучести), %;
j = 8 - поправка за счёт трения стандартного конуса о зёрна песка, %.
Из формулы 21.1 следует, что чем выше значение F2, тем большее количество песка требуется для получения оптимальной смеси. Поэтому при улучшении глинистых грунтов целесообразно применять крупно- и среднезернистые пески.
Для укрепления тонкодисперсных грунтов наряду со скелетными материалами допускают применение композиций, включающих компоненты различного гранулометрического состава, например, смесей, содержащих пылеватые и песчаные частицы. Теоретическое обоснование наилучшего соотношения частиц различной крупности в оптимальном грунте было установлено Н.Н. Ивановым и В.В. Охотиным. Ориентировочно в оптимальной смеси должно быть 7-14 % глинистых, 15-35 % пылеватых и не менее 55 % песчаных частиц.
Толщину слоев дорожной одежды из связных грунтов, улучшенных скелетными добавками, можно назначить руководствуясь данными табл. 21.6.
Обобщённый перечень операций по устройству покрытий из грунтов оптимального состава и грунтов, укреплённых крупнозернистыми материалами, приведён в табл. 21.7.
Таблица 21.6
Толщина слоев простейших покрытий в зависимости от вида грунта и климатических условий
|
Грунт земляного полотна |
Дорожно-климатическая зона |
|||
|
II |
III |
IV |
V |
|
|
Толщина одежды, см |
||||
|
Пылевато-суглинистый и пылеватый супесчаный |
25-35 |
22-25 |
18-20 |
15 |
|
Глинистый и суглинистый |
20-30 |
18-22 |
14-15 |
12 |
|
Мелкосупесчаный и мелкопесчаный |
15-20 |
13-18 |
11-13 |
10-12 |
Таблица 21.7
Технологическая последовательность выполнения операций по строительству простейших покрытий
|
№ п/п |
Рабочие операции |
Машины |
Фронт работ, м |
Назначение по- |
||||
|
1 |
2 |
3 |
4 |
5 |
||||
|
1 |
Подготовка верха земляного полотна |
Грейдеры, автогрейдеры |
400 |
+ |
+ |
+ |
+ |
+ |
|
2 |
Перемещение грунта из притрассовых резервов на земляное полотно |
То же |
400 |
+ |
+ |
+ |
+ |
- |
|
3 |
Транспортирование грунта оптимального состава из карьеров на земляное полотно |
Автомобили-самосвалы |
200 |
+ |
- |
- |
- |
- |
|
4 |
Рыхление поверхности или подготовка валика из грунта земляного полотна |
Грейдеры или автогрейдеры |
400 |
- |
+ |
+ |
+ |
+ |
|
5 |
Транспортирование песка, глины или крупнозернистых материалов на земляное полотно |
Автомобили-самосвалы |
200 |
- |
+ |
+ |
+ |
- |
|
6 |
Подготовка валика из смеси материалов |
Автогрейдеры |
400 |
- |
+ |
+ |
+ |
- |
|
7 |
Транспортирование смеси оптимального состава, приготовленной в карьере (взамен операций 2, 3, 5, 6, 9) на земляное полотно |
Автомобили-самосвалы |
200 |
- |
+ |
- |
+ |
- |
|
8 |
Введение добавок хлористого кальция, извести или цемента |
Автоцистерны, распределители цемента |
400 |
+ |
+ |
+ |
+ |
+ |
|
9 |
Перемешивание добавок всех видов с глинистым грунтом |
Фрезы, автогрейдеры |
400 |
+ |
+ |
+ |
+ |
+ |
|
10 |
Распределение готовой смеси, приготовленной на дороге или доставленной из карьера, по ширине проезжей части |
Распределители щебня, автогрейдеры |
200 |
+ |
+ |
+ |
+ |
- |
|
11 |
Распределение крупнозернистых материалов при постепенном улучшении (за 2-3 приёма) |
То же |
200 |
- |
- |
- |
- |
+ |
|
12 |
Уплотнение материала в слое покрытия с поливкой водой |
Катки вальцовые статического действия, на пневмошинах, виброкатки |
200 |
+ |
+ |
+ |
+ |
+ |
Основные параметры, контролируемые при оценке качества строительства покрытий простейшего типа, приведены в табл. 21.8 [43, 87].
Недостатки, возникающие в процессе строительства простейших покрытий из искусственно улучшенных грунтов, причины этих недостатков и меры по их устранению приведены в табл. 21.9.
Таблица 21.8
Операционный контроль качества при строительстве простейших покрытий из искусственно улучшенных грунтов
|
Предмет контроля |
Технические критерии оценки качества |
|
Качество подготовки грунтового основания под устройство покрытия |
Работы по устройству слоев дорожной одежды следует производить только на готовом и принятом в установленном порядке непереувлажнённом и недеформированном земляном полотне. |
|
Устройство слоев дорожной одежды в зимнее время разрешено только по земляному полотну, полностью построенному и принятому до наступления периода с устойчивой отрицательной температурой воздуха. |
|
|
Перед началом работ в зимнее время земляное полотно или нижележащий слой должны быть очищены от снега и льда на участке смежной захватки. В снегопад и метель работы по устройству дорожной одежды не допускаются |
|
|
Соответствие применяемых материалов, составов смесей проекту, стандартам и техническим условиям |
Материалы, составы и смеси, применяемые при устройстве оснований и покрытий, должны отвечать требованиям соответствующих стандартов, технических условий и рабочих чертежей |
|
Температурный режим при устройстве оснований и покрытий |
Устройство оснований и покрытий из грунтов, укреплённых неорганическими вяжущими материалами, следует осуществлять преимущественно при температуре не ниже 5°С. |
|
При отрицательной температуре воздуха в грунт необходимо вводить добавки, понижающие температуру замерзания воды (противоморозные добавки) в количестве 0,5-1,5 % массы грунта. |
|
|
Влажность смеси грунтов |
Влажность смеси грунтов с неорганическими вяжущими перед употреблением должна соответствовать оптимальной, но в зависимости от погодных условий во время производства работ допускается не более чем на: |
|
2-3 % выше оптимальной при сухой погоде без осадков и температуре воздуха выше 20°С; 1-2 % меньше оптимальной при температуре воздуха ниже 10°С и при наличии осадков. |
|
|
Измеряют не реже чем через 200 м в трёх точках на поперечнике (по оси и на расстоянии 0,5 м от кромки слоя) |
|
|
Прочность слоя смеси |
Отклонение от требуемых показателей прочности допускается при приготовлении смесей: |
|
в карьерных смесительных установках - не более ±8 %; |
|
|
однопроходной грунтосмесительной машиной - не более ±15 %; |
|
|
дорожной фрезой - не более ±25 %. |
|
|
Контролируется три образца на 250 м3 смеси |
|
|
Уход за уплотнённым слоем |
Уплотнение оснований и покрытий необходимо осуществлять от краёв к середине, при этом каждый след от предыдущего прохода катка должен перекрываться при последующем проходе не менее чем на 1/3. |
|
Уплотнение смеси грунта с цементом до максимальной плотности должно быть закончено не позднее чем через 3 часа, а при пониженных температурах воздуха (ниже 10°С) - не позднее чем через 5 ч после введения в смесь воды или раствора солей. Для ухода за свежеуложенным грунтом, укреплённым неорганическими вяжущими, следует распределять по поверхности грунта 50 % быстрораспадающиеся или среднераспадающиеся эмульсии с использованием битума или других органических вяжущих из расчёта 0,5-0,8 л/м2 |
|
|
Высотные отметки по оси проезжей части |
Высотные отметки по оси проезжей части не более 5-10 % результатов определений могут иметь отклонения от проектных значений в пределах до ±100 мм, остальные - до ±50 мм. |
|
Измерения не реже чем через 100 м |
|
|
Ширина слоя покрытия или основания |
Ширина слоя - не более 5-10 % результатов определений могут иметь отклонения от проектных значений в пределах от минус 15 до 20 см, остальные - до ±10 см. Измеряют не реже чем через 100 м |
|
Толщина слоя оснований и покрытий |
Толщина слоя - не более 5-10 % результатов определений могут иметь отклонения от проектных значений в пределах от минус 22 до 30 мм, остальные - до ±15 мм. Измеряют не реже чем через 100 м |
|
Поперечные уклоны оснований и покрытий |
Поперечные уклоны - не более 5-10 % результатов определений могут иметь отклонения от проектных значений в пределах от минус 15 до 30 ‰, остальные - до ±10 ‰. Измеряют не реже чем через 100 м |
|
Ровность оснований и покрытий |
Ровность (просвет под рейкой длиной 3 м): |
|
Для дорог IV-V категорий - не более 2-5 % результатов измерений могут иметь значения просветов в пределах до 20 мм, остальные - до 10 мм. |
|
|
Измерения просвета под рейкой длиной 3 м выполняют на расстоянии 0,75-1,0 м от каждой кромки покрытия в пяти контрольных точках, расположенных на расстоянии 0,5 м от концов рейки и друг от друга, не реже чем через 100 м |
Таблица 21.9
Недостатки, наблюдаемые в процессе строительства простейших покрытий
|
Недостатки |
Возможные причины |
Способы предотвращения и устранения |
|
Катающиеся по поверхности или выступающие из покрытий чрезмерно крупные фракции добавок |
Наибольший размер добавок превышает 25 мм |
Полностью не устраним. Требуется укладка дополнительного слоя правильно подобранного состава смеси |
|
В сухую погоду на поверхности возникают трещины, волнистость |
Недостаток связывающего материала |
Для удержания влаги ввести хлористый кальций. Для радикального устранения недостатка покрытие вскирковывают, добавляют глинистый грунт, смесь перемешивают, разравнивают и уплотняют |
|
При увлажнении покрытие деформируется, образуются колеи, прорези, выступает глинистая плёнка |
Избыток в смеси мелкозёма, а в нём глины |
Вскирковать покрытие, ввести добавку негашёной извести (2-3 %), смесь перемешать, разровнять и уплотнить |
|
На поверхности покрытия, в местах скопления крупного или мелкого материала (однородного по размеру) образуется ямочность |
Некачественное перемешивание смеси или невыдерживание рецептуры при её приготовлении |
Проверить состав смеси, ввести недостающие компоненты, перемешать смесь, разровнять и уплотнить |
|
Просадки, сухие проломы, колееобразование |
Недостаточная толщина слоя покрытия |
Уложить дополнительный слой |
|
При достаточной толщине покрытия образуются просадки, крупные волны |
Некачественное уплотнение земляного полотна |
Для устранения недостатка необходимо выполнить усиление слоя с полной переделкой всех работ |
Профилированные грунтовые дороги применяют для временного проезда транспортных средств или в тех случаях, когда основной объём перевозок совпадает с сухим периодом. При строительстве профилированных дорог выделяют следующие технологические операции: подготовительные работы (разработка или восстановление трассы, очистка дорожной полосы от леса, кустарника и крупных камней); рыхление грунта на отдельных участках с целью повышения производительности машин при разработке; сосредоточенные земляные работы у малых искусственных сооружений, на пересечениях оврагов, на резких переломах продольного профиля; линейные земляные работы (разработка грунта в боковых канавах, перемещение его в насыпь, разравнивание насыпи); профилирование дорожного полотна; уплотнение грунта.
Перед выполнением профилировочных работ необходимо разработать технологическую схему, в которой предусматривают количество, последовательность и скорость проходов машин, включённых в состав отряда.
Основную операцию в технологическом процессе - профилирование грунта - можно выполнять автогрейдером, прицепным грейдером или бульдозером с поворотным отвалом. При выполнении работ автогрейдером состав операций включает: зарезание грунта, поперечное его перемещение, послойное разравнивание. Разработку резерва начинают от внутренней бровки. Перемещение грунта осуществляют за несколько проходов. Эта операция наиболее трудоёмка. Она составляет до 75 % от общего числа проходов автогрейдера, поэтому иногда производят два зарезания, после чего выполняют перемещение этого объёма грунта. Грунт, надвинутый автогрейдером, необходимо немедленно разравнивать, не допуская складирования его в виде кучь и валов. Некоторые технологические параметры, характеризующие работу автогрейдеров, приведены в табл. 21.10 и 21.11.
Таблица 21.10
Углы установки ножа-отвала автогрейдера
|
Рабочие операции |
Углы установки ножа, град |
||
|
захвата |
резания |
наклона |
|
|
Зарезание: |
|
|
|
|
разрыхление глинистого грунта |
30-35 |
До 40 |
15 |
|
разрыхление несвязного грунта |
35-40 |
До 35 |
15 |
|
Перемещение (нижний предел для тяжёлого грунта): |
|
|
|
|
влажного грунта |
40-50 |
35-40 |
15 |
|
сухого грунта |
35-45 |
40-45 |
18 |
|
Разравнивание слоя |
70-90 |
50-60 |
2 |
|
Планирование слоев грунта |
45-55 |
40-45 |
18 |
|
Срезка грунта на откосах |
60-65 |
40-45 |
50 |
Таблица 21.11
Требуемое количество проходов и рабочие скорости автогрейдеров
|
Работы |
Количество проходов в каждом процессе |
Скорость при выполнении каждого процесса, км/ч |
|
Резание грунтов |
|
2,5-3,5 (на II передаче) |
|
Перемещение валов грунта после зарезания |
|
4,0-6,0 (на III передаче) |
Nр - количество проходов при резании грунта;
Nп - количество проходов при перемещении грунта;
Fр - площадь резерва, м2;
f - сечение стружки, м2 (для автогрейдеров среднего типа 0,12-0,15 и тяжёлого типа 0,16-0,20;
Кп - коэффициент перекрытия проходов при резании: обычно равен 1,7;
К1п - коэффициент перекрытия проходов при перемещении грунтов (около 1,15);
Lп - расстояние от центра тяжести половины сечения насыпи до центра поперечного сечения резерва;
lп - расстояние поперечного перемещения за один проход в зависимости от угла захвата: от 1,6 до 2,5 м без удлинителя и от 2 до 3,2 м с удлинителем отвала
Выбор типа катка при уплотнении полотна грунтовых дорог после его профилирования осуществляют в зависимости от вида грунта, его влажности, начальной и требуемой плотности. Окончательное уплотнение профилированной грунтовой дороги достигают в процессе её эксплуатации под влиянием регулируемого движения.
Время, необходимое для уплотнения грунта под нагрузкой транспортных средств, зависит от свойств грунта, состава и интенсивности движения, погодных условий [83]. Для достижения в сухую погоду требуемого нормами наименьшего коэффициента уплотнения грунта, даже при интенсивном движении автомобилей, необходим продолжительный период времени. При интенсивных кратковременных дождях, приводящих к переувлажнению глинистых грунтов, работы по отсыпке и уплотнению прекращают до их просыхания. В этом случае принимают меры по ускорению просушивания грунта (рыхление, перевалка грейдерами, бульдозерами и т.д.). Требуемая плотность грунтов может быть достигнута при влажности, отличающейся от оптимальной не более, чем указано в табл. 21.12.
Таблица 21.12
Допускаемые отклонения от оптимальной влажности при уплотнении дисперсных грунтов
|
Грунты |
Отклонение от оптимальной влажности Wопт при коэффициенте уплотнения Ку |
|
|
0,98 |
0,95 |
|
|
Пески пылеватые, супеси лёгкие крупные |
0,80-1,35 |
0,75-1,60 |
|
Супеси лёгкие и пылеватые |
0,80-1,25 |
0,75-1,35 |
|
Супеси тяжёлые пылеватые, суглинки лёгкие и лёгкие пылеватые |
0,85-1,15 |
0,80-1,30 |
|
Суглинки тяжёлые и тяжёлые пылеватые |
0,90-1,05 |
0,85-1,20 |
Для обеспечения временного проезда в условиях залесённой и болотистой местности эффективны покрытия с применением дерева. В зависимости от конструкции и вида применяемых материалов различают покрытия сплошные и колейные. Для устройства сплошных покрытий применяют выстилки из хвороста и фашин, настилы из жердей, накатника или брёвен. Ширина проезжей части таких дорог изменяется от 4,5 м для одностороннего движения до 7,0 м для двухстороннего [97]. Покрытия колейного типа устраивают из брёвен, брусьев или заранее изготовленных укрупнённых элементов (дощатых щитов, лежней, колесоотбоев).
Выделяют (Павлов Ф.А. Покрытия лесных дорог. - М.: Лесн. пром-сть, 1980. - 176 с.) четыре типа конструкций сплошных покрытий с выстилками из хвороста (рис. 21.1). Хворостяную выстилку толщиной 0,10-0,15 м желательно укладывать при песчаных грунтах земляного полотна, в сухой период года. На суглинистых грунтах с обеспеченным водоотводом хворостяную выстилку устраивают как временное покрытие, по которому устраивают более прочные слои, например, из гравийно-песчаных материалов.
В процессе производства работ хворост укладывают на выровненное земляное полотно или поперёк лежней: первая полоса комлями наружу, вторая по первой полосе с перекрытием половины длины ветвей, третья с перекрытием половины второй и т.д. На слабых грунтах толщину слоя хвороста принимают 0,15-0,25 м, на торфяных болотах - 0,30 м.

Рис. 21.1. Поперечные профили дорожных конструкций с выстилками из хвороста:
а - при первом типе местности по увлажнению и хорошо дренирующих грунтах; б - при втором типе местности по увлажнению в сухой период года; в - при третьем типе местности по увлажнению; г - при третьем типе местности на заболоченных участках: 1 - хворостяная подушка; 2 - песок; 3 - продольные лежни верхнего яруса; 4 - гравийно-песчаная смесь; 5 - поперечные лежни; 6 - продольные лежни нижнего яруса
Уложив хворост, устанавливают прижимы - длинные брёвна, скрепляя их с лежнями или (при укладке без лежней) прикрепляя их кольями или небольшими свайками к грунту. После установки и закрепления прижимов необходимо уплотнить уложенный хворост и уложить песчано-глинистый или гравелистый грунт слоем 0,10-0,15 м.
При устройстве фашинной выстилки технологический процесс включает следующие операции: забивка сваек по краям фашинного тюфяка для закрепления трассы; вырубка кустарника, валка леса, корчёвка пней; планировка поверхности земляного полотна; укладка лежней; размещение нижнего ряда фашин с засыпкой его слоем торфа; укладка верхнего ряда фашин; размещение и крепление по краям проезжей части прижимных брёвен; отсыпка слоя торфа толщиной 0,10 м для предохранения от просыпания вниз слоя покрытия из грунта; распределение грунта в покрытии с последующим его уплотнением.
Настилы можно устраивать из жердей диаметром 0,10-0,12 м, укладываемых сплошным рядом поперёк дороги на предварительно спланированное и усиленное продольными лежнями грунтовое основание. Лежни укладывают на поверхности земли на расстоянии 0,50-0,75 м один от другого, стыками вразбежку, с запуском концов на 0,75 м.
По краям жердяного настила, над крайними лежнями, укладывают прижимы диаметром 0,12-0,15 м, которые соединяют с лежнями проволокой или скобами. Поверхность жердяного настила засыпают песчаным, гравелистым или песчано-гравелистым грунтом. Слой грунта на жердевом настиле способствует улучшению условий движения автомобилей.
Бревенчатые настилы более совершенны по сравнению с отмеченными для пропуска автомобилей. Такие покрытия устраивают из брёвен диаметром 0,14-0,18 м. Их конструкция включает продольные лежни и поперечный или косой настил с уложенными по краям колесоотбоями (рис. 21.2).
Расстояние между продольными лежнями составляет 0,75-1,0 м и зависит от толщины элементов настила и качества грунта. Проезжую часть грунтом не засыпают, так как ровность покрытия достигают подгонкой и отёсыванием брёвен.
Колейными называют покрытия, имеющие проезжую часть в виде двух раздельных полос (колесопроводов), собранных из брёвен, брусьев или пластин и уложенных параллельно оси дороги.

Рис. 21.2. Конструкция покрытия со сплошным бревенчатым настилом: В - ширина проезжей части
Колейные покрытия бывают стационарного и сборного типов. Покрытия стационарного типа состоят из брёвен-шпал диаметром 0,20 м, укладываемых поперёк двух колесопроводов из брёвен диаметром 0,18-0,20 м и колесоотбоев диаметром 0,22 м. К сборным относят покрытия, собираемые из укрупнённых элементов.
Существуют различные способы крепления колесопроводов к брёвнам-шпалам, укладываемым по земляному полотну: фризовое, шпонками, накладками, вырубкой «ласточкин хвост». Колейное покрытие с креплением «ласточкин хвост» показано на рис. 21.3.

Рис. 21.3. Конструкция колейного покрытия с вырубкой бревен-шпал «ласточкин хвост»
Крепление колесопроводов в этом случае осуществляют за счёт устройства выреза в бревне-шпале в форме трапеции. Сборку колесопроводов производят в следующей последовательности: в косые вырезы бревна-шпалы вначале укладывают подтёсанные элементы колесопроводов, затем остальные; средний элемент колесопровода укладывают последним, так как он служит замком, расклинивающим остальные элементы колесопровода в вырезе «ласточкин хвост». Скрепление расклинивающего элемента производят нагелями. При этом типе скрепления колесопроводов обеспечивается наибольшая простота конструкции всего покрытия с наименьшим количеством основных элементов.
Колейные покрытия сборного типа применяют главным образом для временного и быстрого укрепления слабых участков дорог. Их разделяют на жёсткие и гибкие. К жёстким относят бревенчатые и дощатые щиты, к гибким - коврики или маты из хвороста, жердей, досок или брусков. Жёсткая конструкция покрытия сборного типа представлена на рис. 21.4.

Рис. 21.4. Конструкция из бревенчатых щитов для автопоездов на базе автомобиля КрАЗ-255Л
Бревенчатые щиты изготавливают из круглого леса длиной 6,5 м и диаметром 0,24 м. Брёвна в щите плотно спарены и крепятся двумя болтами. Для улучшения условий движения автопоездов (лесовозов) на кривых радиусом 100 м колесопровод уширяют с внутренней стороны установкой в гнёздах лежней хлыста. Для автомобиля КрАЗ-255Л с прицепом уширение составляет не менее 0,20 м.
Снижение трудоёмкости строительства колейных покрытий сборного типа достигают за счёт многократного применения бревенчатых щитов, изготавливаемых на специальных площадках непосредственно у трассы дороги (табл. 21.13).
Таблица 21.13
Экономия деловой древесины за счёт многократного применения бревенчатых щитов на участках дорог с неблагоприятными грунтово-гидрологическими условиями
|
Элементы покрытий |
Расход древесины, м3 на строительство 1 км покрытия |
|
|
при одноразовой укладке |
после пяти перекладок колесопроводов и двух перекладок шпал |
|
|
Шпалы замковые |
230 |
115 |
|
Подшпальники |
100 |
50 |
|
Колесопроводы |
360 |
72 |
|
Продольные лежни |
100 |
100 |
|
Поперечные лежни |
50 |
до 200 |
|
Итого |
840 |
537 |
Таблица 21.14
Характеристика щитовых гибких колейных покрытий сборного типа
|
Параметры щитовых покрытий |
Типы щитов |
|||
|
6-метровые без оголовников |
ЛВ-11 |
нагельные |
С полушпалами длиной 4,5 м |
|
|
Габаритные размеры, м |
6,0×1,0×0,18 |
6,1×1,1×0,18 |
6,0×1,0×0,20 |
4,5×1,0×0,16 |
|
Масса щита, кг |
830 |
880 |
900 |
740 |
|
Необходимое число щитов на 1 км дороги |
334 |
328 |
334 |
445 |
|
Расход материалов для изготовления щитов на 1 км дороги: |
|
|
|
|
|
в круглом виде |
422 345 |
422 345 |
458 371 |
447 409 |
|
древесины, м |
||||
|
из двухкантного бруса |
||||
|
в том числе лиственной |
- |
|
|
226 203 |
|
Металлопроката, т |
1,2-2,8 |
13 |
0-4,4 |
2,9 |
Гибкие колейные покрытия сборного типа из бруса имеют некоторые преимущества по сравнению с жёсткими бревенчатыми. У них ровная ездовая поверхность и нижняя постель, поэтому отсутствует необходимость в тщательной ручной подгонке щита к шпале при укладке. Заготовки из бруса позволяют собирать щит с более высокой степенью механизации работ (см. рис. 21.5).
Для покрытий дорог изготовляют несколько типов конструкций деревянных щитов, характеристика которых приведена в табл. 21.14.

Рис. 21.5. Гибкое щитовое покрытие ЛВ-11
Брусчатый камень согласно ГОСТ 23668-79 изготавливается из изверженных горных пород или отливается из литых огненно-жидких металлургических шлаков или литых горных пород. Должен иметь форму усеченной пирамиды с параллельными прямоугольными верхним и нижним основаниями, перпендикулярными оси. При механизированном производстве допускается изготовление брусчатых камней в виде прямоугольных параллелепипедов. Размеры камней должны соответствовать указанным в табл. 21.15.
Камни типов БВ и БС укладывают в основном на песчаное основание, а типа БН - на бетонные или другие виды прочных оснований.
Проекция нижней грани камней должна целиком вписываться в контур верхней грани. Величина скоса (отклонения проекции стороны верхней грани от нижней) для камней типа БН должна быть с каждой стороны в пределах 3-5 мм, типов БВ и БС - 7-10 мм.
Таблица 21.15
|
Тип камня |
Длина верхней грани, мм |
Ширина верхней грани, мм |
Высота, мм |
|
БВ |
250 |
125 |
160 |
|
БС |
250 |
125 |
130 |
|
БН |
200 |
100 |
100 |
На боковых гранях камня не должно быть выступов, препятствующих плотному прилеганию одного камня к другому. Верхние грани камней должны иметь шероховатость (рифление) поверхности с выступами и впадинами высотой или глубиной 2-3 мм, обеспечивающую сцепление шин автомобилей с поверхностью покрытий, соответствующее коэффициенту сцепления 0,50-0,55.
Прочность и морозостойкость брусчатых камней согласно ГОСТ 23668-79 должны отвечать требованиям табл. 21.16.
Для IV и V дорожно-климатических зон может быть допущена марка по морозостойкости Мрз 75.
Шлаки, используемые для изготовления камней, должны быть устойчивыми. Потеря по массе, определенная в соответствии с требованиями ГОСТ 3344-83, не превышает 3 %.
Плиты бетонные тротуарные согласно ГОСТ 17608-91 изготавливаются из тяжелого и мелкозернистого бетона по ГОСТ 26633-91 и используются для устройства сборных покрытий тротуаров, пешеходных и садово-парковых дорожек, пешеходных площадей и посадочных площадок общественного транспорта. Форма и размер наиболее широко применяемых плит приведены в табл. 21.17.
Таблица 21.16
|
Показатели |
Норма для камней |
|
|
из изверженных горных пород |
литых из шлака и расплавленных горных пород |
|
|
Предел прочности при сжатии в воздушносухом состоянии, кгс/см2, не менее |
1000 |
1200 |
|
Марка по морозостойкости (по потере в массе), не менее |
Мрз 100 |
Мрз 100 |
|
Коэффициент размягчения, не более |
0,8 |
Не нормируется |
|
Солестойкость в циклах (при потере объема не более 5 %), не менее |
20 |
20 |
|
Истираемость на круге, г/см2, не более |
0,5 |
0,5 |
Таблица 21.17
|
Форма плит |
Длина, мм |
Ширина, мм |
Толщина, мм, плит, укладываемых на |
||
|
щебеночных и бетонных основаниях |
песчаных, стабилизированных основаниях |
щебеночных и бетонных основаниях на тротуарах, в местах заезда тяжелого транспорта |
|||
|
Квадратные |
200 |
200 |
50 |
60 |
80 |
|
300 |
300 |
50 |
60 |
100 |
|
|
400 |
400 |
50 |
70 |
100 |
|
|
750 |
750 |
60 |
80 |
100 |
|
|
1000 |
1000 |
80 |
100 |
100 |
|
|
Прямоугольные |
375 |
250 |
50 |
60 |
100 |
|
500 |
250 |
50 |
70 |
100 |
|
|
750 |
500 |
60 |
70 |
100 |
|
|
1000 |
500 |
80 |
80 |
100 |
|
|
Шестиугольные |
250 |
432 |
50 |
60 |
100 |
|
375 |
648 |
50 |
70 |
100 |
|
|
500 |
865 |
60 |
80 |
100 |
|
|
Фигурные плиты и элементы мощения |
200 |
200 |
70 |
70 |
100 |
|
300 |
296 |
70 |
70 |
100 |
|
|
500 |
470 |
70 |
70 |
100 |
|
Прочность бетона должна соответствовать требуемой по ГОСТ 26633-91 и ГОСТ 18105-86.
Марку бетона по морозостойкости принимают по проекту строительства, но не ниже указанной в табл. 21.18 в зависимости от расчетной температуры наружного воздуха наиболее холодной пятидневки района строительства и указывают в заказе на изготовление камней.
Таблица 21.18
|
Расчетная температура наружного воздуха наиболее холодной пятидневки района строительства, °С |
Марка бетона по морозостойкости |
|
Ниже -45 |
Г 300 |
|
от -15 до -45 включительно |
Г 200 |
|
-5...-15 то же |
Г 150 |
|
0...-5 то же |
Г 100 |
Устройство мостовых. Брусчатые и мозаиковые мостовые укладываются вручную. Поперечный уклон устанавливается в 2-3 %.
Подстилающий слой под брусчатую и мозаиковую мостовую применяется песчаный, щебеночный, бетонный и пескоцементный по расчёту.
Мощение брусчаткой и бетонными плитками производится рядами, с перевязкой швов, с плотной укладкой шашек, длинной стороной перпендикулярно оси дороги.
Мощение мозаиковой шашкой производится по частям дуг радиуса 0,8-1,5 м со стрелой 20-35 см и хордой 1,0-1,6 м; укладка по полуциркульным дугам не рекомендуется. После укладки брусчатая и мозаиковая мостовые трамбуются механическими трамбовками или вручную. Швы брусчатой мостовой на песчаном основании заполняются песком; при всех остальных типах оснований брусчатой и мозаиковой мостовой швы заполняются до половины песком, а в верхней части - битумными или цементопесчаными материалами.
В тех случаях, когда ось существующей дороги совпадает с проектной осью этой дороги после реконструкции, а красные отметки практически не требуют изменения, возможны различные варианты перестройки дорожной одежды, выбор которых осуществляют на основе технико-экономических соображений.
Указанные варианты включают следующие работы:
а) полную разборку существующей дорожной одежды с использованием полученного материала при строительстве новой дорожной одежды, укреплении обочин, строительстве объездных дорог, подъездов и т.д.
Полная разборка дороги производится в тех случаях, когда под воздействием движения и погодно-климатических факторов ее износ и разрушение таковы, что использование существующей одежды в основании реконструируемой дорожной одежды технически нецелесообразно (коэффициент прочности существующей дорожной одежды Кпр менее допустимого; дренирующий слой не способен выполнять свои функции вследствие заиливания или разрушения, на дорожной одежде наблюдаются частые проломы, составляющие более 3 % ее площади).
Полная разборка старой дорожной одежды производится и в том случае, когда намечается существенно увеличить высоту насыпи или углубить выемку;
б) разрушение существующей дорожной одежды, особенно слоев из монолитных материалов, и использование ее в качестве верхнего слоя основания. В этом случае увеличивается вероятность предотвращения возможности появления отраженных трещин в верхних слоях (трещины, повторяющие существующие в старом покрытии).
Такой способ реконструкции применяют, когда существующая дорожная одежда включает слои из цементобетона различных типов или материалов, укрепленных значительными дозами цемента и сохранивших в достаточной степени свою монолитность, но существенно снизивших ровность поверхности одежды, изобилующей трещинами и другими подобными деформациями. Отдельные блоки разрушенного слоя не должны превышать 0,5 м.
Асфальтобетонное покрытие в таких случаях на всю или большую часть толщины снимают способом холодного фрезерования, в дальнейшем его используют на асфальтобетонном заводе в качестве добавки для производства новой асфальтобетонной смеси. Возможно применение продукта фрезерования для укрепления обочин.
Разрушенный слой основания перед укладкой верхнего слоя должен быть тщательно уплотнен. Такой способ реконструкции дорожной одежды был применен на магистрали МКАД - аэропорт Домодедово, где ранее построенное цементобетонное покрытие было в процессе эксплуатации перекрыто асфальтобетоном значительной толщины. Через несколько лет после перекрытия на асфальтобетонном покрытии появилось значительное количество отраженных и других трещин, существенно снизилась ровность покрытия, что привело к необходимости реконструкции. В процессе реконструкции существующие слои из асфальтобетона были сняты холодным фрезерованием. Нижележащий цементобетон разрушен и уплотнен виброкатками. Затем уложены слои асфальтобетона общей толщиной до 18 см;
в) разрушение существующей дорожной одежды, ее уширение и усиление новым материалом с укладкой соответствующих верхних слоев;
г) сохранение существующей дорожной одежды, ее ямочный ремонт либо горячая, холодная или комбинированная регенерация асфальтобетонного покрытия с последующей укладкой слоя усиления. Для предотвращения появления отраженных трещин возможно применение синтетической сетки. Такой способ реконструкции технико-экономически целесообразен при коэффициенте прочности существующей дорожной одежды более 0,8 и состоянии покрытия, допускающем проведение соответствующего ремонта;
д) сохранение существующей дорожной одежды, ее уширение, ямочный ремонт, горячая, холодная или комбинированная регенерация, при необходимости укладка синтетической сетки и устройство слоя усиления. Данный случай аналогичен указанному в п. «г», но при недостаточной ширине проезжей части.
При существующем переходном покрытии из щебня или гравийного материала его рыхлят на глубину имеющих место выбоин, профилируют и уплотняют. Затем укладывают слои усиления в виде усовершенствованного покрытия. Для рыхления и профилирования может быть использован автогрейдер с навесным кирковщиком, для уплотнения - самоходные катки на пневмошинах или комбинированные.
При реконструкции дорог старую дорожную одежду можно использовать различными способами. Самый простой из них и наиболее удобный для строителей состоит в усилении старой дорожной одежды без ее уширения.
Однако практически реконструкция дорог всегда включает в себя уширение земляного полотна и проезжей части. Поэтому использование старой дорожной одежды при необходимости ее уширения - наиболее часто встречающийся вариант, решение которого тесно связано с принятым способом уширения земляного полотна. Одностороннее уширение проезжей части с той же стороны, с которой проведено уширение земляного полотна, усложняет работы, так как вызывает смещение оси проезжей части, делает необходимым несимметричное усиление дорожной одежды и связано с некоторым перерасходом материалов при создании нового поперечного профиля. Поэтому во многих случаях даже при одностороннем уширении земляного полотна сохраняют ось проезжей части неизменной. Уширение проезжей части, особенно если оно небольшое, выполняют симметрично с двух сторон, пренебрегая в целях облегчения строительных работ некоторым различием обочин по ширине. При уширении учитывают необходимость размещения и строительства с каждой стороны проезжей части краевых полос шириной по 0,75 м на дорогах I и II категорий и по 0,5 м на дорогах III категории.
В большинстве случаев при реконструкции не удается ограничиться только уширением и усилением проезжей части. На отдельных участках приходится смягчать продольные уклоны или выравнивать пилообразную проектную линию, что вызывает необходимость поднятия рабочих отметок над существующей дорогой на большую величину, чем необходимая толщина усиления одежды.
Часто упрощают производство работ и строят новую дорожную одежду на «погребенной» старой. При тяжелых грунтовых условиях и неблагоприятном водно-тепловом режиме земляного полотна старая дорожная одежда может улучшать водно-тепловой режим, играя роль морозоустойчивого и паронепроницаемого слоя.
В районах с недостатком местных каменных материалов и при тщательном технико-экономическом обосновании организации строительства должны быть рассмотрены варианты применения материалов старой дорожной одежды в конструкциях новой дороги, их использования на других объектах или даже передачи или продажи местным организациям. Последнее решение иногда является вынужденным, когда при изменении трассы старой дороги в плане ее оставшиеся в стороне участки подлежат разборке, а занятая ею полоса земли - рекультивации.
Различные варианты использования дорожных одежд сведены в табл. 22.1, руководствуясь которой можно выбирать наиболее рациональный способ реконструкции.
Таблица 22.1.
Возможные варианты использования старой дорожной одежды при реконструкции
|
Категория дороги |
Варианты использования старой дорожной одежды |
|||||||||
|
без изменения земляного полотна |
при подъемке земляного полотна |
при постройке спрямления по новому направлению |
||||||||
|
Существующая |
После реконструкции |
Без уширения |
С односторонним уширением |
С двухсторонним уширением |
Оставление одежды в теле насыпи |
С использованием материалов одежды |
С удалением старой одежды |
С использованием старого участка дороги |
С использованием материалов одежды |
С разборкой и удалением старой одежды |
|
V |
IV |
П |
С |
С |
С |
Э |
Н |
П |
Э |
- |
|
IV |
III |
П |
С |
С |
С |
Э |
Э |
П |
Э |
Э |
|
III |
II |
П |
С |
С |
С |
Э |
Э |
П |
Э |
Э |
|
II |
I |
П |
С |
С |
С |
Э |
Э |
П |
Э |
Э |
Примечание. Условные обозначения: С - решение принимают по соображениям организации работ; Э - решение принимают на основе технико-экономических расчетов; П - решение принимают на основе расчетов прочности дорожной одежды; Н - использование нецелесообразно
Расчет величины усиления дорожной одежды. При реконструкции дорог обычно производят усиление дорожной одежды. Это наиболее частый вид реконструкции.
Усиление существующей дорожной одежды должно обеспечивать общую ее прочность, соответствующую требованиям перспективного движения в конце срока службы усиленной одежды. Срок службы должен соответствовать требованиям Технических правил ремонта и содержания автомобильных дорог: ВСН 24-88. При капитальном типе покрытия на дорогах I категории этот срок Тсл в зависимости от дорожно-климатической зоны и уровня надежности составляет 14-20 лет (большие значения для южных районов страны и меньшего уровня надежности). На дорогах II и III категории соответственно Тсл = 11-16 лет. При облегченном типе покрытия на дорогах III категории Тсл = 10-15 лет, а на дорогах IV и V категорий Тсл = 8-12 лет.
Основанием для назначения толщины слоя усиления должны быть результаты диагностики и оценки состояния автомобильных дорог, проводимых в соответствии с правилами диагностики по ОДН 218.0.006-2002.
Для определения перспективной интенсивности движения к концу срока службы дорожной одежды могут быть рекомендованы следующие формулы:
в случае роста интенсивности движения по геометрической профессии
Nт = Nн×(l + q)т-1, (22.1)
в случае роста интенсивности движения по линейной зависимости
Nт = Nн×[l + q×(T - l)], где (22.2)
Nт - интенсивность движения в год Т, который принимают равным сроку службы Тсл дорожной одежды, авт./сут;
Nн - начальная интенсивность движения, соответствующая году сдачи реконструированной дороги в эксплуатацию, авт./сут;
q - расчетный показатель ежегодного прироста интенсивности движения, определяемый как средний годовой прирост по данным измерения фактической интенсивности движения за ряд предыдущих лет (измеряется в относительных величинах), в случае снижения интенсивности движения величина q является отрицательной.
Перспективная интенсивность движения должна быть приведена к расчетной нагрузке.
По данным оценки прочности существующей дорожной одежды вычисляют средний фактический модуль упругости Еф.ср, по однообразным участкам (участки, имеющие одинаковые грунт земляного полотна, конструкцию дорожной одежды, расчетную схему увлажнения по СНиП 2.05.02-85, интенсивность движения, приведенную к расчетной нагрузке).
В случае расчета слоя усиления исходя из величины Еф.ср, уровень надежности усиленной конструкции будет равен 0,5. С целью повышения уровня надежности в соответствии с ОДН 218.0.006-2002 рекомендуется вычислять оптимизированный расчетный модуль упругости дорожной одежды Ео.р по формуле, приведенной в ВСН 6-90
Ео.р = Еф.ср×(1 - вEСЕ), где (22.3)
Еф.ср - фактический средний модуль упругости, МПа;
вЕ - коэффициент гарантийной вероятности, оптимизирующий величину среднего фактического модуля и зависящий от типа дорожной одежды, интенсивности и состава движения, фактической и требуемой прочности, однородности по прочности;
СЕ - коэффициент вариации фактических модулей упругости дорожной одежды.
Исследования, выполненные на кафедре строительства и эксплуатации дорог МАДИ (ГТУ), позволили рекомендовать для определения требуемого модуля упругости дорожной одежды нежесткого типа формулу, которая более полно учитывает проблему обеспечения работоспособности дорожной одежды за счет ограничения снижения ровности и соответственно скорости движения допустимыми пределами [48]:
где (22.4)
- коэффициент, учитывающий характер движения
автомобилей (при суммарном движении расчетных автомобилей по одной полосе
за срок службы,
изменяющемся в пределах от 5×104 авт. до 107
авт., величина
изменяется в пределах 1,06-1,18);
Ко - поправочный коэффициент, учитывающий влияние типа дорожной одежды (при капитальном типе Ко = 1; при облегченном Ко = 0.9);
α - соотношение показателей конечной и начальной ровности дорожной одежды, соответствующее снижению максимальной скорости движения одиночного легкового автомобиля в допустимых пределах (в случае допустимого снижения скорости на 40 % = 2.9);
- суммарная интенсивность движения
расчетных автомобилей за расчетный срок.
Введение суммарного движения расчетных автомобилей в формулу 22.4 связано с тем, что процесс снижения ровности дорожной одежды происходит главным образом за счет накопления остаточных деформаций под влиянием общего количества повторяющихся автомобильных нагрузок.
Для вычисления требуемого расчетного модуля упругости с необходимым уровнем надежности применяют формулу:
Етр.р = Етр×(1+t×СЕО) = Етр×КE, где (22.5)
t - коэффициент нормированного отклонения, соответствующий заданному уровню надежности (для дорог I и II категорий рекомендуется коэффициент надежности 0,95 - t = 1,64; для дорог III категории 0,90 - t = 1,28; для дорог IV категории 0,85 - t = 1,04; для дорог V категории 0,6 - t = 0,25);
СЕО - коэффициент вариации ожидаемого модуля упругости дорожной одежды, зависящий от вероятности дефектов в слоях дорожной одежды и земляного полотна (для дорожных одежд капитального типа СЕО = 0,18; для дорожных одежд облегченного типа СЕО = 0,20);
КE - коэффициент, учитывающий необходимый уровень надежности конструкции дорожной одежды в зависимости от вероятности дефектов в слоях дорожной одежды и земляном полотне. (КE = 1 + t×СEO, при капитальной дорожной одежде для дорог I-IV категорий КЕ = 1,30-1,19; при облегченной одежде для дорог II-V категорий KE = 1,33-1,05; при переходной одежде для дорог III-V категорий KE = 1,32-1,06).
Суммарное движение за срок службы дорожной одежды, приведенное к расчетной нагрузке Nр.с, вычисляют по формуле
где (22.6)
fпол - коэффициент, учитывающий распределение автомобилей по полосам движения, аналогичный такому же коэффициенту в ОДН 218.046-01. Проектирование нежестких дорожных одежд;
Nci - суммарное количество проходов i-го типа, авт.;
Sci - суммарный коэффициент приведения к расчетной нагрузке воздействия на дорожную одежду транспортного средства i-го типа;
n - число типов автомобиля;
КU - коэффициент, учитывающий вероятность отклонения суммарного движения от среднего ожидаемого (при капитальной одежде на дорогах II-IV категорий КU = 1,49-1,31, при облегченной одежде для дорог II-V категорий КU = 1,47-1,06; при переходной одежде для дорог III-V категорий KU = 1,19-1,04).
Нci = Nil×Kc×TР.ДН×Кпу, где (22.7)
Nil - суточная интенсивность движения автомобилей i-го типа в первый год службы автомобильной дороги, авт./сут;
Кс - коэффициент суммирования, зависящий от срока службы дорожной одежды Тсл (годы) и показателя изменения интенсивности движения автомобилей данного типа по годам qi, (при распространенном расчетном сроке службы капитальных дорожных одежд Тсл = 15 лет и величине qi, меняющейся в пределах 0,95-1,05, значение Кc находится в пределах 11 - 12. Величина Кс с уменьшением qi снижается, а с увеличением qi возрастает);
TР.ДН - количество расчетных дней в году, учитывающее различные условия накопления остаточных деформаций в разные периоды года и зависящее от дорожно-климатических условий (по данным проведенных исследований, в зависимости от дорожно-климатической зоны и типа местности по условиям увлажнения TР.ДН может лежать в пределах 60-140 сут.);
Кпу - коэффициент поперечной установки автомобиля, который учитывает неточное попадание последовательно движущихся автомобилей в один след, что несколько снижает активность воздействия автомобильной нагрузки (в среднем Кпу = 0,7).
В процессе расчета слоев усиления необходимо учитывать, что материал этих слоев не должен быть по качеству ниже, чем материал существующего покрытия. Например, при асфальтобетонном покрытии слой усиления должен быть также из асфальтобетона.
Полная разборка существующей дорожной одежды должна обеспечить возможно меньшее перемешивание материалов слоев, чтобы создать возможность более эффективного дальнейшего использования этих материалов.
В зависимости от конструкции дорожной одежды и с учетом разнообразия и различной ценности материалов отдельных конструктивных слоев разборку выполняют сразу на всю толщину одежды или послойно. При разборке отдельно измельчают, снимают и вывозят слои асфальтобетона. Также отдельно снимают щебеночные, гравийные, шлаковые материалы и булыжный камень разбираемых мостовых. Песок старых песчаных оснований используют в редких случаях.
При разборке облегченных усовершенствованных покрытий, толщина которых превышает 8-10 см, предварительно разрыхляют и снимают обработанный вяжущим слой и используют его для устройства основания на новой дороге. Так же поступают с основаниями из материалов, не обработанных вяжущими, если считают возможным использование их в дорожной одежде. Основание разламывают на всю ширину, и материал вывозят на новое место. Если материал покрытия обработан вяжущим на небольшую толщину и нецелесообразно его использовать отдельно, разбирают и взламывают дорожную одежду на всю толщину, захватывая иногда и верхний слой песка дренирующего слоя.
Для разрыхления сборных дорожных покрытий и уплотненных грунтов можно использовать ряд машин, выпускаемых промышленностью. Для снятия асфальтобетонных слоев наиболее целесообразно использовать бульдозеры с приспособлением в виде клыков-зубьев (рис. 22.1). При проходе бульдозер приподнимает и разламывает асфальтобетонное покрытие на крупные куски. Для измельчения этих кусков применяют специальные машины.

Рис. 22.1. Приспособление к бульдозеру для взламывания асфальтобетонных покрытий:
1 - стальные зубья; 2 - плита; 3 - ребра жесткости; 4 - упор для ножа; 5 - отверстия для болтов; 6 - хомут для подвешивания приспособления к раме бульдозера
Технология полной разборки слоев существующей одежды включает ряд последовательных операций. Послойное рыхление слоев существующего покрытия и основания, кроме песчаного, осуществляется бульдозером с навесным рыхлителем за несколько параллельных проходов вдоль проезжей части. Для слоев из гравийных и гравийно-песчаных смесей возможно применение автогрейдера с кирковщиком. Проходы рыхлительных машин должны осуществляться с перекрытием на 0,2-0,25 ширины. Для измельчения цементобетонных покрытий и оснований и других достаточно прочных слоев из материалов, обработанных цементом в установке, эффективно применение автобетоноломов различных конструкций, разрушающих прочные слои пневмоударным или электроударным способами. Разрушенный материал данного слоя сдвигают в кучи, расположенные на расстоянии 15-20 м одна от другой. Сдвижку материала осуществляют бульдозером.
Из куч материал разрушенного слоя грузят в автомобили-самосвалы, отвозящие этот материал на промежуточные склады. Для погрузки могут быть использованы одноковшовые фронтальные погрузчики либо экскаваторы с ковшом прямая или обратная лопата. Мелкий материал можно грузить многоковшовыми погрузчиками.
В ряде случаев возможна разборка верхнего слоя из асфальтобетона или цементобетона лишь на часть его толщины. Такая необходимость может возникать при выравнивании существующего покрытия, на котором в процессе эксплуатации образовались колеи, наплывы и другие неровности; при удалении верхнего ослабленного слоя покрытия; при необходимости уменьшить толщину существующего покрытия перед укладкой нового слоя для выравнивания или усиления существующей дорожной одежды без изменения вертикальных отметок ее поверхности. Последнее решение наиболее часто применяется в городских условиях, чтобы сохранить высоту расположения бортового камня над поверхностью покрытия.
В целях частичной разборки верхнего слоя широко применяют машины для холодного фрезерования покрытия. Основным рабочим органом такой машины является фреза, барабан которой снабжен высокопрочными режущими зубьями. В процессе вращения барабана фрезы срезается слой покрытия на заданную толщину, срезанный фрезой материал грузят транспортером в транспортное средство или отсыпают в отвал.
Для охлаждения рабочего органа машины его в процессе работы опрыскивают водой. Поверхность, остающаяся после фрезерования, является основанием для нового слоя покрытия. Эта поверхность должна быть параллельна поверхности укладываемого на нее слоя. Машина для холодного фрезерования обеспечивает: необходимую глубину фрезерования; требуемый поперечный уклон; заданный продольный уклон; чистоту кромки фрезерования.
Существует значительное количество типоразмеров машин для холодного фрезерования покрытий шириной 1,3-4,2 м при максимальной глубине фрезерования 150-300 мм (см. гл. 39).
Выбор типоразмера холодной фрезы зависит от объема работ и необходимой глубины фрезерования с учетом технико-экономических соображений.
При оценке возможности и целесообразности использования материалов, полученных при разборке существующих дорожных одежд, выполняют:
визуальную оценку состояния материалов и предварительное определение вида сооружения, в котором они могут быть использованы (слои вновь строящейся дорожной одежды, укрепление обочин, строительство временного объезда и др.);
определение вида работ, необходимых для приведения материалов в состояние, пригодное для их использования в том или ином сооружении (дробление крупных кусков или фракций материалов, поливка, введение добавок);
разработку технологии строительства из данных материалов намеченных сооружений, включая способы обработки вяжущим, регенерацию старого асфальтобетона или продуктов фрезерования асфальтобетонного покрытия на заводе;
технико-экономическую оценку применения продуктов разборки старой дорожной одежды в тех или иных сооружениях в сравнении с использованием новых материалов.
После установления вида сооружения, где может быть использован данный материал, производят в необходимых случаях испытание этого материала в лабораторных условиях для определения соответствия требованиям стандартов, СНиП и других нормативных документов (определение зернового состава щебёночных и гравийных смесей, износа в полочном барабане, морозостойкости каменного материала, его марки по прочности, коэффициента фильтрации песчано-гравийных смесей или песка до промывки и после промывки). В случае обработки продуктов разборки старой одежды вяжущим подбор состава смесей производят по действующим нормативным документам.
Использование старых материалов из дорожных одежд необходимо обосновывать с учетом оценки их качества и стоимости получения, которые являются решающими для дальнейших технико-экономических обоснований. Каждый элемент автомобильной дороги имеет определенную строительную стоимость, учитываемую на балансе дорожной организации. К моменту реконструкции дороги балансовая стоимость за счет износа дорожных сооружений за период их службы значительно уменьшается по сравнению с первоначальной. Практически балансовую стоимость старой дорожной одежды, подлежащей разборке, можно принимать равной стоимости слагающих материалов. Материалы старой одежды оценивают с учетом их износа и уменьшения стоимости на величину расходов по разборке и последующей обработке (очистка, прогрохотка и т. п.), а также по доставке к месту использования, то есть на место укладки в новую одежду. При составлении смет полученную стоимость старых материалов включают в возвратные суммы и учитывают в смете на реконструкцию дороги.
Технико-экономическое сравнение вариантов дорожных одежд с использованием старых материалов ведут по следующей схеме [78]. Если бы не было старой дорожной одежды, стоимость единицы полностью построенной новой одежды была бы Ан (измерителем может быть в зависимости от размеров объекта или 1 м2 проезжей части, или 1 пог. м, или 1 пог. км дороги). Усиление старой одежды, которое обходится Ау, будет экономически выгодным только при условии
Ан ³ Ау + Аб, где (22.8)
Аб - балансовая стоимость существующей дорожной одежды.
Использование старых материалов с возвратной стоимостью Ас (франко-место укладки) целесообразно при условии
Ан ³ Ар, где
Ар - стоимость дорожной одежды с использованием старых материалов стоимостью Ас.
Технико-экономические расчеты, связанные с применением материалов старой дорожной одежды, имеют смысл только при условии, что материалы еще пригодны для использования в дорожной одежде. Поэтому при изысканиях на всех характерных участках, но не реже чем в двух местах на 1 км, должны быть высверлены в дорожной одежде лунки и взяты пробы из всех конструктивных слоев одежды и песчаного дренирующего слоя. Для возможности проведения необходимых испытаний масса образцов должна быть не менее значений, приведенных в табл. 22.2.
Таблица 22.2
|
Материалы |
Масса пробы, кг |
|
Асфальтобетон: мелкозернистый |
6-7 |
|
крупнозернистый и песчаный |
16-18 |
|
Щебень (гравий), обработанный битумом |
20 |
|
Необработанный щебень (гравий) |
20 |
|
Песок |
3-5 |
При предварительных расчетах, если из проектов известно, какие были применены при строительстве материалы, можно теоретически оценить степень их износа и ухудшения качества за время службы.
Поры в песке дренирующего слоя, по данным проф. А.Я. Тулаева, за год службы заполняются глинистыми частицами и теряют фильтрующую способность на толщину около b = 1 мм. Таким образом, за Т лет слой песка, потерявшего свою водопропускную способность и непригодного в качестве дренирующего, составит h = bТ.
Щебеночные и гравийные материалы в основаниях дорожных одежд начинают измельчаться еще в процессе выполнения строительных работ, особенно укатки, когда в одномерном щебне может образоваться до 15-25 % частиц (Qук) размером мельче 5 мм. В процессе последующей службы дороги каменные материалы продолжают изнашиваться. Интенсивность измельчения можно характеризовать содержанием образующихся частиц мелкозема (мельче 0,071 мм) или песчано-пылевато-глинистых частиц (мельче 5 мм). Количество этих частиц может возрастать ежегодно на 0,3-3 %. Таким образом, можно считать, что через Т лет службы в щебеночном основании доля неизмельченных щебенок значительно уменьшится и может быть вычислена по формуле Щ = 100 - (Qук + q×T), %, где q - ежегодный прирост доли мелких частиц, %. На это количество сохранившегося, пригодного к повторному использованию материала и следует ориентироваться при технико-экономических расчетах, связанных с применением каменных материалов из старой одежды.
Рыхлые обломочные материалы, получаемые после разрыхления дорожных одежд (щебеночные - как каменные, так и шлаковые и гравийные) в зависимости от их первоначальной прочности и срока службы представляют, как правило, смесь отдельных более крупных зерен и продуктов их измельчения. Чем прочнее был материал, примененный в дорожной одежде, чем благоприятнее были водно-тепловой режим земляного полотна и природные условия в месте проложения дороги, тем больше в старом материале зерен, сохранившихся и пригодных для повторного использования.
В табл. 22.3 приведены данные о содержании в щебне зерен различной крупности при строительстве щебеночного основания, после укатки и через несколько лет эксплуатации.
Эти данные показывают, насколько значительны изменения в составе материалов, происходящие под влиянием измельчения при укатке и эксплуатации дороги. Щебень из известняков, не отличающихся высокой прочностью, через 50 лет почти наполовину превращается в измельченную в порошок массу.
Например, при реконструкции автомобильной дороги Москва-Харьков в 1947 г. на ряде участков после снятия дорожного покрытия выяснилось, что щебеночное основание представляло собой пластическую вязкую не просыхающую массу продуктов измельчения известнякового щебня с небольшим количеством сохранившихся отдельных, более твердых зерен. Этот материал нельзя было использовать.
Таблица 22.3
|
Материал |
Время определения состава |
Массовая доля зерен, %, крупностью |
|||
|
более 50 мм |
50-5 мм |
5 мм-0,071 мм |
менее 0,071 мм |
||
|
Щебень известняковый |
При распределении по дороге После укатки Через 4 года |
100 21,3 7,0 |
- 63,1 59,0 |
- 13,3 29,0 |
- 2,3 5,0 |
|
При распределении по дороге После укатки Через 3 года |
100 15-20 10-15 |
- 58-63 54-60 |
- 15-22 22-30 |
- 2,5 2,5-5,0 |
|
|
Щебень из песчаника |
При распределении по дороге После укатки Через 2 года |
100 50 37,3 |
- 45,4 49.5 |
- 4,5 12,7 |
- 0,1 0,5 |
|
Гравий твердых пород |
После укатки Через 3 года |
16,4 15,2 |
64,6 4,9 |
17,7 18,5 |
1,3 1,4 |
При малых объемах дорожных работ считалось закономерным и экономичным в сухое время года пропускать старый материал щебеночного покрытия через ручной грохот и остаток на сите с отверстиями 5-10 мм повторно использовать для устройства нового основания, выбрасывая загрязненную мелочь и грунт.
Для получения более качественного материала надо после прогрохотки промывать щебень. Но ввиду отсутствия передвижных моечных установок и воды при реконструкции и капитальном ремонте автомобильных дорог обычно этих работ не производят.
В тех случаях, когда старые щебеночные и гравийные материалы прочных пород хорошо сохранились и содержат небольшое количество мелких зерен, их используют для строительства подъездных дорог, укрепления обочин и съездов на основную дорогу и в нижних слоях оснований. Для уменьшения дробления щебня при строительстве наиболее целесообразно уплотнять щебеночные основания не катками с металлическими вальцами, а катками на пневматических шинах или виброплатформами.
Для обеспечения должного качества не следует применять в дорожных одеждах реконструируемых дорог старые щебеночные и гравийные материалы без предварительного улучшения. При наличии смесительных машин старый материал можно перемешивать с вяжущими на новом основании. Однако лучше производить обработку на месте разборки старой дорожной одежды и готовую смесь перевозить на новое основание. Это дает возможность получить достаточно качественный и необходимой толщины слой из битумо- или дегтеминеральной смеси с затратой только вяжущего материала. При работе необходимо следить за однородностью зерновой смеси, регулируя подачу минеральных зерен и песка из старого песчаного слоя.
Также целесообразно использование материалов из покрытий и оснований, ранее обработанных органическими вяжущими. Даже в тех случаях, когда в нижних слоях основания оказался совершенно непригодный материал, обработанный вяжущими, старый материал верхних слоев может быть использован для устройства нового основания иногда даже без добавки вяжущего, а чаще с добавлением 2-3 % нового органического вяжущего.
При реконструкции автомобильных дорог широкое распространение находят методы регенерации и повторного использования материалов дорожных одежд.
Регенерация в переводе с латинского языка - восстановление, возрождение. Применительно к дорожным одеждам и покрытиям регенерация означает восстановление их прочностных свойств, ровности, сплошности и т.д. Применительно к асфальтобетону регенерация - это обработка или переработка старого асфальтобетона с целью полезного изменения некоторых его свойств.
Следует различать близкие между собой термины регенерация - восстановление утерянных свойств материала и повторное использование материалов старого покрытия, которое в зарубежной литературе называется ресайклинг или рециклинг. Повторное использование материалов старого покрытия может осуществляться без регенерации (восстановления или улучшения) свойств этого материала (например, гранулят старого асфальтобетона может быть использован для укрепления обочин). Регенерация же предполагает обязательное восстановление свойств материала и его повторное использование.
Существует большое количество методов регенерации и повторного использования материалов, которые могут быть применены при реконструкции автомобильных дорог [2, 4]. Все эти методы можно объединить в несколько групп:
методы горячей регенерации на месте (на дороге) с использованием различных способов разогрева, разрыхления и улучшения свойств старого асфальтобетона с последующей укладкой его в покрытие;
методы холодной регенерации на месте (на дороге), когда материал старого покрытия (асфальтобетонного или цементобетонного) снимают холодным фрезерованием, обрабатывают битумной эмульсией или цементом и укладывают в нижний слой нового покрытия;
методы холодно-горячей регенерации (комбинированные методы), когда материал старого покрытия снимают холодной фрезой, а затем перерабатывают его с подогревом, добавлением нового щебня и битума в смесительной установке и укладывают в покрытие. При этом переработка может осуществляться на месте (на дороге) в передвижной смесительной установке или на стационарном асфальтобетонном заводе.
Методы горячей регенерации на месте, на дороге и методы горячего ресайклинга имеют несколько разновидностей.
В любом способе горячей регенерации одной из основных операций является разогрев старого асфальтобетонного покрытия. Задача состоит в том, чтобы плавно разогреть обрабатываемый слой асфальтобетона до температуры его переработки и при этом не перегреть вяжущее, которое при высокой температуре ухудшает свои свойства за счет испарения легких фракций и выгорает, если нагрев превышает температуру вспышки вяжущего, равную 180-220°С для вязких и 45-110°С для жидких битумов.
Температура переработки асфальтобетона на вязких, битумах колеблется от 100 до 150 °С, редко до 180-200°С.
Нагрев асфальтобетонного покрытия осуществляется при помощи газовых горелок инфракрасного излучения, объединенных в блоки или панели разогревателя. Сразу после полного включения панелей горелок, которые расположены над поверхностью покрытия на высоте не менее 5 см, идет быстрое нагревание верхнего слоя асфальтобетона, от которого тепло передается вниз (рис. 22.2).

Рис. 22.2. Температурный режим разогреваемого слоя: цифры на кривых - время нагрева в минутах
Режим разогрева слоя регулируют изменением давления в газовой системе, изменением положения панелей над поверхностью покрытия или скорости движения разогревателя.
Исходя из ограничений по температуре вспышки битума максимальная продолжительность непрерывного нагрева поверхности асфальтобетона не должна превышать 2,5-3 мин при температуре воздуха 20 °С. После этого необходимо понизить температуру нагревания или сделать перерыв в подаче тепла и затем продолжить нагрев до тех пор, пока температура всего слоя на глубину рыхления достигнет требуемых значений (рис. 22.3).

Рис. 22.3. Прерывистый (щадящий) режим разогрева асфальтобетонного покрытия при скорости движения 2 м/мин:
Т - температура нагрева, °С; t - время, мин; tн - продолжительность работы горелок; tр - продолжительность перегрева в работе горелок; цифры на кривых означают глубину слоя прогрева, см
Теплообмен в слое протекает неравномерно. Вначале поверхность нагревается быстрее, чем нижние слои. К моменту рыхления верхние слои остывают, но нижние за счет теплопроводности аккумулированного тепла продолжают набирать температуру. Это обеспечивает при перемешивании среднюю стабильную температуру 80-100°С.
Как правило, разогрев производится при медленном движении блока горелок в две или три ступени. Сначала разогрев производят самоходным асфальторазогревателем для предварительного разогрева до температуры поверхности 90-100°С, затем в одну или две ступени окончательного разогрева до требуемой температуры.
Длина каждой панели или блока горелок определяется в зависимости от скорости движения разогревателя и допустимой, максимальной продолжительностью непрерывного нагрева асфальтобетона. При скорости движения разогревателя 2 м/мин и продолжительности нагрева 2,5 мин длина панели горелок составляет 5 м. При большей скорости движения длина панели увеличивается.
Глубину рыхления, которую разогревают до рабочей температуры, принимают не менее толщины слоя регенерации, которая зависит от крупности зерен щебня или песка в асфальтобетоне, но не менее:
- 20 мм для песчаных смесей;
- 25 мм для щебеночных смесей с зернами размером до 15 мм;
- 35 мм для щебеночных смесей с зернами размером до 20 мм.
Обычно глубину разогрева принимают 30-60 мм в зависимости от толщины верхнего слоя асфальтобетона и максимальной глубины рыхления, которую может обеспечить термосмеситель.
Выравнивание и восстановление формы покрытия с добавлением новой смеси и ее перемешивание со старой. Этот метод называется термопрофилированием, или Remix, а машины для его реализации называют Remixer. Из всех методов горячей регенерации метод термопрофилирования и машины ремиксеры разных фирм и модификаций получили наибольшее распространение.
Метод термопрофилирования применяют в том случае, когда существующее покрытие имеет много дефектов в виде трещин, колей, сетки трещин, а также когда необходимо усилить старое покрытие. Для этого к снятому и разрыхленному материалу старого покрытия добавляют новый материал в количестве 25-50 кг/м2 при ремонте без усиления и до 150 кг/м2 при ремонте с усилением.
Для подбора состава добавляемой смеси с учетом свойств старого асфальтобетона из покрытия отбирают пробы (керны), изучают состав старой смеси, проектируют требуемый состав с учетом условий движения и эксплуатации дороги. Назначают вид и состав добавляемой смеси так, чтобы после ее перемешивания со старой смесью получить асфальтобетон с требуемыми свойствами.
Старый и новый материал перемешивают в мешалке, получают однородную смесь, которую укладывают в виде одного слоя покрытия. Глубина фрезерования старого покрытия может достигать 50-60 мм.
Метод позволяет скорректировать зерновой состав старого асфальтобетона, устранить последствия старения битума, повысить шероховатость покрытия и обеспечить хорошую связь между регенерированным слоем и старым покрытием.
Технологический процесс метода термопрофилирования включает в себя следующие основные операции (рис. 22.4):

Рис. 22.4. Последовательность технологических операций, выполняемых при термопрофилировании:
1 - покрытие до ремонта; 2 - нагрев; 3 - рыхление; 4 - сбор разрыхленной смеси, добавление новой, перемешивание; 5 - разравнивание, предварительное уплотнение; 6 - окончательное уплотнение; 7 - готовое покрытие
подготовительные работы, к которым относят ограждение места производства работ, подготовку машины и оборудования, разметку участка, загрузку новой смеси в приемный бункер и др.;
предварительный и окончательный разогрев существующего покрытия;
рыхление или фрезерование старого покрытия и подачу снятого материала в смеситель;
подачу в мешалку нового материала и перемешивание его со старым;
распределение и предварительное уплотнение асфальтобетонной смеси;
окончательное уплотнение слоя покрытия.
Оборудование для выполнения этих операций состоит из трех панелей горелок инфракрасного излучения для предварительного разогрева, смонтированных на отдельном шасси (разогреватель типа ДЭ-234), и термосмесителя типа ДЭ-232, в состав которого входят несколько блоков (панелей) нагревательных газовых горелок, емкости для сжатого газа, приемный бункер для новой смеси, рыхлитель-фреза, шнековый питатель для подачи нового материала в смеситель, мешалка (смеситель) принудительного действия, шнековый разравниватель и планирующий отвал, вибробрус для предварительного уплотнения и др.
Современные ремиксеры при необходимости могут выполнять все виды горячей регенерации на дороге.
Работы начинают после очистки покрытия от пыли и грязи. Разогрев покрытия производят ступенчато. Вначале в течение 6-7 мин производят предварительный прогрев покрытия. Затем при рабочей скорости 1,2-1,3 м/мин прогревают покрытие в течение 10-20 мин в зависимости от температуры воздуха. После этого выходят на стационарный режим движения 2,5-3 м/мин, температуры нагрева 110-120°С. Минимальная продолжительность нагрева Тм при высоте нагревателя над поверхностью покрытия 50 мм для слоя толщиной 40 мм зависит от температуры воздуха tв:
|
tв,°C |
10 |
20 |
30 |
40 |
|
Тм, мин |
8,8 |
8 |
6,9 |
5,9 |
После разогрева верхний слой покрытия фрезеруется и полученный гранулят подается в смеситель, куда вводится новая горячая смесь, которая перемешивается с гранулятом, укладывается и уплотняется.
Важно отметить, что укладка смеси ведется на горячее основание, что улучшает процесс слияния верхнего и нижнего слоев в единый монолит. В результате за один проход получается новое, более прочное покрытие, устраняются колеи, трещины и неровности (рис. 22.5). Тем не менее, обычно на слой регенерированного асфальтобетона укладывают защитный слой или дополнительный тонкий слой нового асфальтобетона.

Рис. 22.5. Вид покрытия до и после регенерации
Разновидностью метода термосмешения является метод термопластификации. Он состоит в том, что в процессе фрезерования или перемешивания кроме новой смеси добавляют еще и пластификатор в количестве 0,1-0,6 % от массы смеси, который улучшает свойства битума в старой асфальтобетонной смеси. При этом во многих случаях нет необходимости добавлять новый материал, поскольку хорошо восстанавливаются свойства старого материала. Термопластификацию осуществляют обычным ремиксером, оснастив его узлом для введения пластификатора. Толщина обновляемого слоя до 50 мм. В качестве пластификатора используют масла нефтяного происхождения с содержанием ароматических углеводородов не менее 25 % по массе. Можно также применять экстракты селективной очистки масляных фракций нефти, зеленое масло и др.
Дальнейшим развитием метода регенерации с добавлением новой смеси и ее перемешиванием является так называемый метод «Ремикс плюс», который состоит в том, что на слой регенерированного асфальтобетона сразу той же машиной укладывается дополнительный слой усиления, или защитный слой из новой смеси. Для этого термосмеситель оборудуется дополнительным распределительным шнеком, расположенным за первым шнеком (рис. 22.6). Окончательное уплотнение первого и второго слоев производится одновременно, сначала легким вибрационным катком с выключенным вибратором или гладко-вальцевым катком массой 6-8 т, затем продолжают вибрационным катком с включенным вибратором и пневмоколесным катком массой 16-20 т. Завершают уплотнение тяжелым гладковальцовым катком.
Работы по термопрофилированию можно производить при температуре воздуха не ниже +20°С, а с применением дополнительного разогревателя - при температуре воздуха не ниже 5°С. Скорость ветра не должна быть более 7 м/с. При большей скорости ветра резко возрастают потери тепловой энергии, которая рассеивается в атмосфере. Кроме того, при сильном ветре происходит задувание горелок.
Новую технологию горячей регенерации асфальтобетонного покрытия на месте разработала фирма «Мартек» (Канада), которая выпускает для ее реализации специальный комплект машин AR2000.
Комплект состоит из двух предварительных разогревателей, нагревателя-фрезеровщика, горячего смесителя, укладчика и катков (рис. 22.7).
Существенное отличие этой технологии состоит в том, что разогрев асфальтобетонного покрытия производится не горелками инфракрасного излучения, а нагретым до 600°С воздухом, который обтекает поверхность покрытия, нагнетается в поры асфальтобетона под давлением, создаваемым компрессором и вакуумированием (откачиванием) воздуха.

Рис. 22.6. Устройства для укладки дополнительного слоя покрытия при терморегенерации по методу «Ремикс плюс»:
1 - направление движения; 2 - впрыскивание битума; 3 - разрыхляющие валы; 4 - смеситель; 5 - готовая смесь; 6 - первый распределительный шнек; 7 - разравнивающий брус; 8 - второй распределительный шнек; 9 - смесеукладочный брус; 10 - слой смеси старого асфальтобетона с битумом; 11 - слой из новой смеси; 12 - подача новой смеси: 13 - старое покрытие

Рис. 22.7. Горячая регенерация комплектом машин AR-2000:
1, 2 - стадия первая - предварительный и полный разогрев; 3 - стадия вторая - продолжение разогрева до глубины 50 мм и разрыхление; 4 - стадия третья и четвертая - продолжение разогрева, подача материала в мешалку, добавление нового материала, перемешивание и укладка
Подогрев воздуха может производиться сжиганием газа или дизельного топлива. Разогревающее устройство в виде герметически замкнутого прямоугольника (коробки) плотно прижимается к поверхности покрытия. В пространство между покрытием и разогревателем с одной стороны накачивается горячий воздух, а с другой стороны он отсасывается вакуумным насосом. Откаченный горячий воздух снова поступает в компрессор и так постоянно циркулирует.
Это способствует многократному снижению потерь тепловой энергии при разогреве асфальтобетонного покрытия по сравнению с разогревом горелками инфракрасного излучения, полностью исключает выгорание битума и пережог смеси, а также выделение выбросов газа, дыма и пыли в атмосферу. Ширина обрабатываемой полосы может изменяться в диапазоне 3,3-4,0 м, глубина разогрева до 50 мм, скорость движения комплекта от 5 до 7 м/мин. За одну смену комплект обрабатывает полосу длиной около 3 км. Общая длина комплекта в работе составляет 75 м.
Эффективность работы этого комплекта особенно высока при больших объемах.
Комбинированные способы горячей регенерации состоят в том, что асфальтобетон старого покрытия снимается горячей фрезой, отправляется на стационарный асфальтобетонный завод, где он перерабатывается горячим способом с добавлением к старому асфальтобетону битума и около 60 % новых материалов.
Полученная смесь в горячем состоянии укладывается в покрытие на той дороге, где была получена старая смесь, или на другой дороге.
Методы холодной регенерации включают в себя снятие и размельчение материала слоев асфальтобетонного или цементобетонного покрытия, их обработку органическим или минеральным вяжущим с добавлением или без добавления новых минеральных материалов, укладку и уплотнение.
Одной из основных технологических операций холодной регенерации является снятие и размельчение материалов слоев существующей дорожной одежды. Эти операции обычно производят с помощью холодных фрез.
Для большинства асфальтобетонных покрытий, за исключением случая, когда заполнитель имеет очень низкую прочность, зубья планировщика разрушают старое дорожное покрытие по линиям асфальтовяжущего вещества. При этом гранулометрический состав исходной смеси изменяется очень мало и снятые куски и щебенки асфальтобетона обычно покрыты вяжущим, что позволяет использовать их для приготовления новой смеси с минимальным расходом битума или битумной эмульсии.
Холодным фрезерованием можно снимать старое покрытие послойно и тем самым отделять материал верхнего слоя из мелкозернистого асфальтобетона от материала нижнего слоя из крупнозернистого асфальтобетона с последующей укладкой в соответствующие слои дорожной одежды.
Холодное фрезерование дорожного покрытия применяют для снятия старого покрытия с трещинами, чтобы предупредить их выход на новое покрытие при усилении дорожной одежды; для восстановления поперечного профиля дорожной одежды и устранения колей, выбоин и других деформаций; увеличения вертикального габарита путепровода над дорогой; уменьшения собственного веса дорожной одежды на мостах и путепроводах; сохранения высоты бордюров и отметок водосборных, водоотводящих и дренажных систем в населенных пунктах, на городских улицах и в других случаях.
Глубина фрезерования зависит главным образом от состояния покрытия. Чаще всего одним проходом фрезерной машины снимают верхний слой, а на нижний слой укладывают новое покрытие из одного или нескольких слоев.
Способы холодной регенерации, или ресайклинга, отличаются между собой материалом, используемым для укрепления гранулята: органическим, минеральным или комплексным.
Полученный при холодном фрезеровании гранулят может быть повторно использован без переработки или с переработкой на месте в передвижной установке или на стационарном заводе с добавлением или без добавления минерального материала (щебня).
В режиме холодного ресайклинга широко используют обработку гранулята битумной эмульсией, жидким или вспененным битумом (рис. 22.8).

Рис. 22.8. Схема рабочих процессов и комплект машин для холодного ресайклинга с применением битумной эмульсии
При необходимости улучшить гранулометрический состав смеси или усилить дорожную одежду к полученному грануляту добавляют необходимое количество щебня. В этом случае работа выполняется в такой последовательности:
на очищенное старое покрытие вывозится и автогрейдером распределяется слой щебня;
машиной для холодного фрезерования снимается старое покрытие и полученный гранулят перемешивается в самой машине со щебнем. В момент перемешивания смеси добавляется вода для смачивания щебенок и битумная эмульсия в необходимом количестве;
смесь окончательно разравнивается автогрейдером и уплотняется.
На уложенный слой укладывается защитный слой или слой нового покрытия из асфальтобетона.
Холодный ресайклинг с применением в качестве вяжущего цемента обычно используется для устройства основания из гранулята, полученного при фрезеровании старого асфальтобетонного покрытия (рис. 22.9). При этом добавка цемента составляет 3-5 % от массы гранулята. Для достижения оптимальной влажности одновременно добавляется необходимое количество воды. Обработанная смесь разравнивается и уплотняется.

Рис. 22.9. Схема рабочих процессов и комплект машин для холодного ресайклинга с применением цемента
После набора прочности уложенной смеси устраивается новый слой асфальтобетонного покрытия или защитный слой.
Метод холодного ресайклинга асфальтобетонного покрытия может быть использован с применением комплексного вяжущего, состоящего из битумной эмульсии и цемента [2]. В результате получается асфальтогранулобетон (АГБ).
АГБ-смесь приготавливают в смесительной установке с принудительным перемешиванием в холодном состоянии асфальтобетонного гранулята с добавками: щебня фракций 5-25 мм (если необходимо), цемента, катионной битумной эмульсии и воды смачивания, если влажность гранулята ниже 1 %. Добавки в гранулят вводят в таком порядке: щебень, вода смачивания, эмульсия, цемент.
При приготовлении АГБ-смеси может быть использован гранулят, полученный как при послойном, так и однопроходном фрезеровании существующего покрытия на глубину 14-30 см. Однако кривая гранулометрического состава гранулята должна иметь плавное очертание и вписываться в границы составов для пористых и высокопористых смесей, зерен щебня фракций крупнее 5 мм должно быть не менее 35-40 %. В противном случае к грануляту добавляют щебень.
Ориентировочная доля отдельных компонентов по массе гранулята составляет:
битумной эмульсии - 2-4 %;
портландцемента - 2-5 %;
воды - 4-6 %.
Смесь укладывается на подготовленное основание при температуре воздуха не ниже 0 °С и уплотняется сначала виброплитой, а затем звеном катков. После испарения влаги (примерно через 2 ч после окончания уплотнения) можно открывать движение автотранспорта с ограничением скорости до 40 км/ч. Через 4-5 часов можно укладывать следующий слой асфальтобетона, который выполняет роль защитного слоя и слоя износа.
Технология может быть реализована в нескольких вариантах (рис. 22.10):
а) фреза работает в сцепе со смесителем укладчиком, который является ведущей машиной (рис. 22.10, а). Толщина укладываемого слоя до 12 см, производительность укладки 80-150 т/ч;
б) фреза оставляет асфальтогранулят на проезжей части и ее подбирает прицепной или самоходный подборщик, работающий в сцепе со смесителем укладчиком (рис. 22.10, б). При этом фреза и смеситель-укладчик могут иметь разную производительность;
в) регенерационное фрезерование совместно с выравнивающим фрезерованием (рис. 22.10, в). Фреза работает в одном звене с автомобилями-самосвалами, которые доставляют основной объем асфальтогранулята к смесителю-укладчику, а избыток - на другой объект или на склад.

Рис. 22.10. Технологические схемы холодной регенерации с использованием в качестве ведущей машины смесителя укладчика:
1 - старое покрытие; 2 - фреза; 3 - гранулят; 4 - смеситель-укладчик; 5 - каток; 6 - новый слой покрытия; 7 - подборщик; 8 - автомобили-самосвалы; 9 - склад АГ
Могут быть применены и другие технологические схемы в зависимости от конкретных условий (толщина и количество снимаемых и укладываемых слоев, необходимость добавления минерального материала, вида применяемого вяжущего и т.д.).
Методы холодно-горячей регенерации (комбинированные методы) можно разделить на две группы:
а) с переработкой старого асфальтобетона на месте (на дороге) в передвижных смесительных установках;
б) с переработкой старого асфальтобетона на стационарных асфальтобетонных заводах.
Технология холодно-горячей регенерации с переработкой старого асфальтобетона на месте в передвижной смесительной установке может быть реализована с использованием специального комплекта машин. Основной машиной этого комплекта является передвижная асфальтосмесительная установка с сушильным барабаном.
В состав комплекта входят: щебнераспределитель, холодная фрезеровальная машина, передвижная асфальтосмесительная установка, асфальтоукладчик, комплект катков.
Технология работ включает следующие операции:
на очищенное от пыли и грязи покрытие распределяется равномерный слой щебня на всю полосу обработки. Новый щебень обычно добавляют в количестве 50-70 % объема отфрезерованного гранулята;
холодной фрезой на глубину 30-50 мм снимается верхний слой покрытия, измельчается, одновременно перемешивается с новым щебнем и выкладывается в виде вала на полосе фрезерования;
погрузчиком-питателем смесь гранулята со щебнем подается в движущийся сушильный барабан асфальтосмесительной установки, где смесь высушивается и подогревается до рабочей температуры;
горячая смесь поступает в смесительное отделение асфальтосмесителя, куда вводится битум в количестве 5-7 % от массы нового щебня, и перемешивается;
из смесителя готовая смесь выгружается в приемный бункер асфальтоукладчика, распределяется и предварительно уплотняется;
окончательное уплотнение производится комплектом катков.
В результате общая толщина асфальтобетонного покрытия увеличивается на 2-4 см. На этот слой укладывается защитный слой в виде поверхностной обработки или слой износа из новой асфальтобетонной смеси.
В городских условиях переработку снятого холодной фрезой гранулята, как правило, производят на стационарных асфальтобетонных заводах, где имеются лучшие условия для обеспечения высокого качества регенерированного асфальтобетона.
Особенности обеспечения качества при регенерации и повторном использовании материалов. Регенерация и ресайклинг являются перспективными методами ремонта дорожных покрытий. Однако эти технологии требуют дальнейшего развития и совершенствования, особенно в отношении качества материалов и слоев дорожной одежды, получаемых с применением указанных технологий.
Одна из главных проблем состоит в неоднородности материала старого покрытия, который после переработки и улучшения укладывается повторно. Неоднородность обусловлена тем, что старое покрытие могло быть уложено много лет назад различной толщиной слоев, из различных материалов, особенно битумов, которые со временем изменяют свои свойства.
В процессе эксплуатации старое покрытие неоднократно ремонтировалось с применением различных технологий и материалов. Поэтому к моменту регенерации и повторного использования состав материала снимаемых слоев может существенно измениться на отдельных участках. Необходим тщательный контроль за составом, качеством и однородностью материала старого покрытия.
Другая проблема состоит в том, что в процессе фрезерования получают гранулы различной величины, некоторая часть щебня размельчается и обнажает не обработанную битумом поверхность. Другие частицы минерального материала остаются покрытыми битумной пленкой. При перемешивании с новым вяжущим и введением нового щебня толщина пленки на старых и новых частицах минерального материала может быть неравномерной. Все это приводит к неоднородности получаемого материала и снижает его физико-механические свойства. Учитывая эти особенности, переработанный материал старого покрытия обычно укладывают в нижние слои новой дорожной одежды или в слои, которые закрывают защитным слоем.
Одной из главных задач при реконструкции автомобильных дорог является повышение обеспеченной дорогой скорости, пропускной способности и безопасности движения.
Наиболее распространенной мерой решения этих задач служит увеличение ширины укрепленной поверхности дороги, которое может быть достигнуто различными способами: уширением проезжей части, то есть дорожной одежды, устройством укрепленных краевых полос, укреплением обочин, комбинацией из двух или трех перечисленных способов. Наибольшее значение имеет ширина основной поверхности, в состав которой входит ширина проезжей части и краевых укрепленных полос.
Установлено, что режим и безопасность движения автомобилей имеют прямую зависимость от ширины укрепленной поверхности дороги, которая обеспечивает размеры психологически безопасного коридора.
Для повышения скорости и безопасности движения устройство краевых укрепленных полос и обочин соизмеримо с увеличением ширины проезжей части, хотя конструкция дорожных одежд на краевой полосе и на обочине может существенно отличаться по толщине от конструкции дорожной одежды на проезжей части. Поэтому при назначении величины и способа уширения укрепленной поверхности необходимо рассматривать и сравнивать экономически все возможные варианты решения этой задачи с учетом технологических особенностей выполнения работ при различных конструктивных решениях.
Установлено, что необходимая для обеспечения удобного и безопасного движения ширина укрепленной поверхности двухполосных дорог с интенсивным движением составляет 8,5-9,0 м. Это требование соблюдено на дорогах с шириной проезжей части 7-7,5 м и шириной краевых полос 0,5-0,75 м, укрепленных каменными материалами, обработанными органическими или минеральными вяжущими. Однако на многих существующих дорогах ширина укрепленной поверхности не отвечает требованиям СНиП. На этих дорогах в процессе частичной или полной реконструкции в первую очередь производится уширение проезжей части или устройство краевых укрепленных полос с укреплением обочин. Требуемая величина уширения в соответствии со СНиП 2.05.02-85 зависит от категории реконструируемой дороги (табл. 22.4). Необходимые величины уширений проезжей части могут составлять 0,5-1,5 м, а с учетом ширины краевых полос 2,5 м.
Следует также учитывать, что в соответствии со СНиП 2.05.02-85 в ряде случаев на обочинах должно быть предусмотрено устройство твердых покрытий (остановочных полос) на ширину 2,5 м. В этом случае необходимое уширение проезжей части будет существенно превышать величины, приведенные в табл. 22.4
Таблица 22,4.
|
Категория дороги |
Величина уширения, м |
||
|
существующей |
реконструируемой |
проезжей части |
проезжей части и краевых полос |
|
II |
I |
- |
- |
|
III |
I |
0,5 |
1,0 |
|
III |
II |
0,5 |
1,0 |
|
IV |
II |
1,5 |
2,0 |
|
IV |
III |
1,0 |
1,0 |
|
V |
IV |
1,5 |
2,5 |
Уширение проезжей части и устройство краевых укрепленных полос производится, как правило, без уширения земляного полотна за счет уменьшения ширины обочин.
На некоторых двухполосных дорогах с высокой интенсивностью движения при ограниченных финансовых ресурсах принимают паллиативное решение: уширение проезжей части на одну полосу движения за счет уменьшения ширины обочин без уширения земляного полотна. В этом случае дорога имеет трехполосную проезжую часть, на которой снижается безопасность движения, но возрастает пропускная способность. Узкие обочины нужно тщательно укрепить материалами, обработанными вяжущим. Такое решение дает возможность временно продолжить эксплуатацию дороги до момента ее полной реконструкции и тем самым отдалить крупные единовременные затраты.
При полной реконструкции автомобильной дороги II и III категорий часто проектируют перевод таких дорог в I категорию, то есть двухстороннее симметричное уширение проезжей части с добавлением четного количества полос движения и одновременным уширением земляного полотна или строительство новой проезжей части на отдельном земляном полотне.
Способ уширения проезжей части обычно определяется способом уширения земляного полотна. Кроме того, способ уширения дорожной одежды зависит также от того, необходимо ли провести одновременно усиление дорожной одежды. В связи с этим возможны следующие варианты:
1. Одностороннее несимметричное уширение дорожной одежды, что вызывает необходимость устройства выравнивающего слоя и новой дорожной одежды на всю ширину уширения проезжей части.
При необходимости уширения дорожной одежды на величину более 2,0 м в сторону обочины, имеющей ширину 2,5 м, срезают все земляное полотно с уширяемой стороны (рис. 22.11, а). Сначала срезают и удаляют в сторону дерновый покров, затем остальную часть земляного полотна, используя грунт на уширение земляного полотна ниже дорожной одежды. После уширения и укатки земляного полотна до нижней поверхности дополнительного слоя основания отсыпают материал для уширения этого слоя. Затем отсыпают грунт слоями до поверхности дополнительного слоя основания для образования уширяемой части земляного полотна и укатывают.
Технологический процесс устройства дорожной одежды на полосах уширения во всех случаях включает обрезку кромки покрытия с помощью дисковых пил, навешиваемых на трактор.
По поверхности уширенного дополнительного слоя основания отсыпают и укатывают материал для уширения основания и вровень с ним отсыпают и укатывают грунт земляного полотна в пределах обочины. После этого устраивают уширение покрытия - укладывают выравнивающий слой и поверх него новый верхний слой покрытия на всю ширину проезжей части. После окончания работ по устройству покрытия укрепляют обочины, укладывая на них, если это предусмотрено проектом, покрытие более облегченное, чем на проезжей части, и окончательно отделывают земляное полотно, укладывая на откосы ранее снятый дерн.
При уширении проезжей части на меньшую ширину (до 1,0-1,5 м) сохраняют старое земляное полотно, послойно его уширяя. Уширение дорожной одежды устраивают в траншее, прорываемой вдоль старой дорожной одежды (рис. 22.11, б).
2. Двухстороннее уширение проезжей части, которое также может быть осуществлено двумя способами:
уширение только основания и перекрытие полос уширения и старого покрытия новым покрытием, то есть усиление старого покрытия на уширенном с двух сторон земляном полотне (рис. 22.12, а);
уширение достаточной по прочности старой дорожной одежды только на величину полос уширения, то есть с каждой стороны на 0,25-0,75 м (рис. 22.12, б).
При двухстороннем уширении дорог без разделительной полосы (ниже I категории) ось проезжей части после реконструкции совпадает с осью проезжей части до реконструкции. В этом случае поперечный профиль проезжей части обычно сохраняется, но ширина полосы уширения большей частью невелика. Так, например, при реконструкции дороги III категории, имеющей проезжую часть 7,0 м (без краевой полосы), чтобы получить проезжую часть дороги II категории с краевой полосой (ширина укрепленной поверхности 9,0 м), достаточно устроить уширение с каждой стороны по 1,0 м. А если дороги III категории имеют краевую полосу, то ширина полосы уширения уменьшается до 0,5 м.

Рис. 22.11. Схема одностороннего несимметричного уширения дорожной одежды и земляного полотна:
а) уширение со срезкой земляного полотна; б) уширение в траншее; 0-0 - старая ось дорожной одежды; 1-1 - новая ось; hр.гр. - толщина снимаемого слоя растительного грунта; 1 - верхний слой нового дорожного покрытия; 2 - выравнивающий слой; 3 - верхний слой старого покрытия и продолжение его на уширении; 4 - нижний слой старого покрытия; 5 - основание; 6 - дополнительный слой основания и продолжение его на уширении; 7 - земляное полотно; 8 - присыпная обочина; 9 - слой уширения основания; 10 - слои уширения земляного полотна

Рис. 22.12. Двухстороннее уширение дорожной одежды:
а - с двухсторонним уширением земляного полотна и перекрытием всей проезжей части новым верхним слоем покрытия; б - устройство краевых полос шириной по 0,25-0,75 м с каждой стороны без уширения земляного полотна
Уширение проезжей части на 0,25 м наиболее сложно, так как подготовка узкого ровика и уплотнение основания механизированным способом затруднительны. Поэтому таких уширений стараются избегать. За рубежом небольшие уширения проезжей части делают в виде полос из двух рядов брусчатки или нескольких рядов мозаиковой шашки. Брусчатку или шашку ставят на песке, щебеночном или гравийном материале.
Технология работ по устройству на полосе уширения дорожного основания и покрытия по существу не отличается от работ, проводимых по устройству новой дорожной одежды. Они лишь усложняются тем, что выполнять их необходимо в узком котловане - траншее. Ширина существующих строительных дорожных машин превосходит уширяемую полосу. В связи с этим необходимо применять специальные машины или использовать навесное оборудование.
Технология работ по уширению требует выполнения ряда рабочих операций.
После разбивки ширины полосы уширения разрыхляют грунт и материал укрепленной обочины на этой полосе. Рыхление на всю ширину будущей траншеи выполняют любой из имеющихся машин - кирковщиками на автогрейдере, на катке или другими прицепными и самоходными машинами. Если траншея глубже, чем могут достать зубья кирковщика, приходится операцию повторять после удаления верхнего разрыхленного слоя материала. Нижние слои одежд, обычно грунтовые, не так уплотнены, как верхние, и поэтому могут и не требовать дополнительной кирковки.
Вдоль кромки дорожной одежды устраивают корыто для полосы уширения шириной 0,75-1,5 м. Эту траншею глубиной до 0,5-0,8 м прорывают несколькими проходами автогрейдера. При этом стенки траншеи получаются неровными и невертикальными. Более целесообразно отрывать траншеи автогрейдером с накладкой, предложенной В.М. Гайдовским. Накладка состоит из двух частей - собственно накладки и режущей части (ножа). Накладку крепят с правой стороны отвала автогрейдера при помощи четырех болтов [78].
Применяя накладки разных размеров, можно менять ширину и глубину траншей. Схему и число проходов автогрейдера назначают в зависимости от плотности и влажности грунта, в котором прорезают траншею. Удобство описываемого способа устройства траншеи в том, что вынимаемый из нее грунт или материал отваливается на обочину и не загрязняет проезжей части. Ширину корыта можно в известных пределах менять при одной и той же накладке, устанавливая нож под разными углами в плане. Скорость движения автогрейдера при рытье траншеи в предварительно разрыхленном грунте составляет 10 км/ч.
При отрывке глубоких траншей в зависимости от их ширины применяют скребковые и многоковшовые траншейные экскаваторы (табл. 22.5). Преимущество экскаваторов заключается в том, что они могут, если это необходимо, погружать материал из траншеи в автомобили-самосвалы, которые их отвозят в другое место.
Таблица 22.5
Технические параметры экскаваторов непрерывного действия
|
Параметры машин |
Марка экскаватора |
|||||||
|
ЭТР-132 |
ЭТР-162 |
ЭР-7АМ |
ЭТР-231 |
ЭТЦ-202 |
ЭТЦ-163 |
ЭТЦ-161 |
ЭТЦ-354 |
|
|
Глубина отрываемой траншеи, м |
1,3 |
1,6 |
1,8-2,2 |
2,3 |
2,0 |
1,7 |
До 1,6 |
До 3,5 |
|
Ширина траншеи, м |
0,27 |
0,8 |
1,0-1,4 |
1,8 |
0,5 |
0,25 |
0,2 и 0,4 |
До 2,8 |
|
Рабочая скорость, м/ч |
10-800 |
5-300 |
31-300 |
38-224 |
15-590 |
15-500 |
10-400 |
12,5-114,01 |
|
Выдерживаемый уклон дна траншеи, ‰ |
До 100 ‰ на подъемах и спусках до 10 ‰ |
2,0-20 |
1,5-30 |
|
До 60 |
|||
|
Тип экскаватора |
Роторный ковшовый |
Цепной |
Цепной |
|||||
|
Ковшовый |
Скребковый |
Ковшовый |
||||||
После прорытия и очистки траншеи проверяют ее размеры и приступают к заполнению материалами, предусмотренными по проекту, с соблюдением необходимой толщины слоев. Материал доставляют к траншее, вначале автогрейдером распределяют у края покрытия в валик, из которого этим же автогрейдером сдвигают в траншею. В траншее материал разравнивают автогрейдером с той же накладкой, которой прорывали траншею.
После уплотнения таким же способом засыпают в траншею материал для следующего слоя. Для этого применяют специальный распределитель. Щебень, загруженный в него из автомобиля-самосвала, перемешается вдоль ящика распределителя к лотку, из которого ссыпается в траншею. При определенной постоянной скорости движения щебень, ссыпающийся через лоток в траншею, распределяется слоем требуемой толщины. По этому же принципу распределяют асфальтобетонные смеси. При необходимости розлива битума на полосу покрытия необходимой ширины соответствующим образом регулируют сопла автогудронатора.
Наиболее сложной операцией при работе по уширению проезжей части является послойное уплотнение каждого слоя материала, засыпанного в траншею. Обычные катки имеют ширину вальцов, большую, чем траншея, поэтому уплотнение производят при помощи ручных виброплит, или специальных малогабаритных катков (табл. 22.6).
Таблица 22.6
Технические параметры виброплит
|
Марка виброплиты |
Фирма, страна |
Масса, кг |
Ширина уплотнения, м |
Отношение вынуждающей силы к частоте, кг/Гц |
Мощность, кВт |
|
GY-700 |
Динапак, Швеция |
700 |
0,85 |
5000/50 |
12,8 |
|
PV-5000 |
АБГ, Германия |
700 |
1,0 |
5000/50 |
11,0 |
|
SV-8022 |
Делмаг, Германия |
850 |
1,2 |
8000/44 |
14,7 |
|
SV-4512 |
Делмаг, Германия |
380 |
0,75 |
4500/46 |
5,5 |
|
ВР-50 |
Бомаг, Германия |
400 |
0,9 |
3500/58 |
5,1 |
|
ВР-34 |
Бомаг, Германия |
610 |
1,1 |
5100/24 |
6,2 |
|
ДУ-90 |
Волгодонский завод, Россия |
230 |
0,55 |
2400/80 |
4,4 |
Верхний слой покрытия, поверхность которого после уплотнения должна быть расположена в одном уровне со старым покрытием, уплотняют обычными тяжелыми катками. Слабым местом этих конструкций является шов между старой дорожной одеждой и уширяемой полосой. Для обеспечения равнопрочности полосы уширения и основной дорожной одежды толщину каменных слоев уширяемой полосы принимают больше, чем в старой дорожной одежде.
Прочность дорожной одежды полосы уширения должна быть равна прочности основной дорожной одежды. При укладке слоев одежды на уширении нужно тщательно контролировать степень уплотнения. После устройства дорожной одежды на уширении перекрывают всю проезжую часть, включая существующую дорожную одежду, слоем асфальтобетона с таким расчетом, чтобы продольный стык на нем не совпадал (в плане) с точками сопряжения существующей и уширяемой дорожных одежд.
Для предотвращения образования отраженных трещин под зоной сопряжения существующей и уширяемой дорожных одежд укладывают армирующую прослойку из жестких, обладающих минимальной растяжимостью синтетических материалов (сеток). Верхний слой асфальтобетона, перекрывающий всю проезжую часть, целесообразно устраивать из полимерасфальтобетонной смеси.
Для обеспечения лучшего сопряжения нового и старого покрытий применяют различные способы армирования асфальтобетона на участках уширения дорожных одежд приведённых на рис. 22.13-22.18 (Аливер Ю.А. Применение геосинтетических материалов для повышения трещиностойкости асфальтобетонных покрытий на реконструируемых участках автомобильных дорог. // Применение геосинтет. и геопластиковых материалов при стр-е, реконструкции и ремонте автомоб. дорог. - М., 2001. - 162 с. - Тр. / Союздорнии; Вып. 201.).
На рис. 22.13 показано однослойное армирование продольного шва расширения существующей дороги. В этом случае армирующий рулонный геосинтетический материал укладывают под верхний слой асфальтобетона или непосредственно на подготовленную поверхность цементобетонного основания. В конструкции дорожной одежды такой материал воспринимает растягивающие усилия, возникающие от температурных и транспортных нагрузок, и сдерживает развитие трещин в зоне стыка. При этом длина анкеровки должна быть не менее 0,5 м, а для жестких материалов (стеклосетки, полиарамидные сетки) - больше.

Рис. 22.13. Однослойное армирование продольного шва:
1 - мелкозернистый асфальтобетон; 2 - то же, крупнозернистый; 3 - тощий бетон; 4 - булыжная мостовая; 5 - щебень; 6 - песок; 7 - асфальтобетон; 8 - рулонный геосинтетик

Рис. 22.14. Двухслойное армирование продольного шва: условные обозначения - см. рис. 22.13
На рис. 22.14 представлен вариант двухслойного армирования зоны стыка нового и старого покрытий высокопрочными рулонными геосинтетиками. Такой способ армирования является более эффективным и надежным, поскольку армоэлементы воспринимают гораздо большие растягивающие усилия. Кроме того, компенсируются возможные дефекты при нарушении технологии укладки геосинтетиков. В этом случае верхнюю армирующую прослойку можно сделать из менее прочного материала.
На рис. 22.15 показан вариант армирования зоны стыка нового и старого покрытий, в котором армирующий геосинтетический материал 8 предотвращает выход отраженной трещины на поверхность, а нижняя прослойка 9 из нетканого геотекстиля, пропитанная битумом, существенно снижает коэффициент сцепления нижнего и верхнего слоев. За счет этого горизонтальные подвижки (смещения) нижних слоев не передаются к верхним слоям дорожной одежды. В результате снижаются действующие напряжения в верхних слоях. Кроме того, геотекстильная прослойка, пропитанная битумом, предотвращает попадание воды и воздуха с поверхности в нижние слои дорожной одежды. Вместо нетканого геотекстиля можно применять высокопрочные композиции, например TRC-grid (фирма Colbond, Германия), PGM (фирма Polyfelt, Австрия), сочетающие нетканку и армирующую геосетку. Это позволяет армировать верхний слой и снизить сцепление между асфальтобетоном и цементобетонным основанием.

Рис. 22.15. Армирование продольного шва с компенсирующей прослойкой из нетканого геотекстиля:
1-8 - см. рис. 22.13, 9 - нетканый геотекстиль из полипропиленовых волокон
Одной из причин появления трещин в местах стыка старого и нового покрытий является разность осадок основания. Основание старого покрытия находится в стабильном состоянии (уже прошел процесс консолидации), новое основание может иметь деформации. Под нагрузкой от транспортных средств в новом основании могут возникать необратимые деформации. Разность осадок нового и старого оснований повлечет за собой вертикальные перемещения новой дорожной одежды, что, в свою очередь, вызовет появление трещин в асфальтобетонных слоях в зоне сопряжения. Для увеличения прочности нового основания и уменьшения осадок можно армировать его объемными пластиковыми георешетками и высокопрочными рулонными геосинтетиками (поз. 10 и 11 на рис. 22.16 и 22.18).

Рис. 22.16. Армирование асфальтобетона и песчаного слоя основания (обозначения - см. рис. 22.13);
9 - объемная пластиковая решетка; 10 - рулонный геосинтетический материал
Армирование сопряжения старого и нового покрытий, показанное на рис. 22.13-22.16 выполнено в одной вертикальной плоскости, представляющей собой зону максимальной концентрации напряжений. Эти напряжения можно существенно уменьшить, если расширить зону стыка.
На рис. 22.17 показан вариант сопряжения, в котором фрезерование старого покрытия выполнено уступом, а армирование новых слоев асфальтобетона - двухслойным с соответствующим смещением верхнего армоэлемента относительно нижней прослойки.

Рис. 22.17. Армирование при фрезеровании старого покрытия уступом (обозначения - см. рис. 22.13)
Эффективным может быть также вариант сопряжения, в котором уступ выполнен с разборкой асфальтобетона на всю глубину до центра цементобетонного основания (см. рис. 22.18). В этом случае уступ заполняется тощим бетоном 3 и слоем асфальтобетона 2. Верхние слои асфальтобетона армируют рулонными геосинтетическими материалами со смещением.

Рис. 22.18. Комбинированное укрепление зоны стыка (обозначения - см. рис. 22.13):
11 - высокопрочный рулонный геосинтетический материал
При уширении существующей проезжей части на дорогах I категории большей частью это уширение осуществляют на одну, две, а иногда и более полосы движения шириной по 3,5-3,75 м каждая. Технология строительства таких полос близка технологии нового строительства и вызывает меньше организационных затруднений, чем строительство узкой полосы. Однако здесь, как и во всех случаях уширения, большое значение имеет прочность сопряжения существующей дорожной одежды с новой конструкцией. Качество такого сопряжения обеспечивается в определенной степени применением близкой конструкции полосы уширения и существующей дорожной одежды, а также сплошным слоем усиления по всей полосе проезжей части. При этом необходимо, чтобы продольный стык полос укладки асфальтобетона при устройстве слоя усиления проходил над сопряжением старой одежды и полосы уширения.
Большой опыт реконструкции автомагистралей I категории дали работы, выполненные на Московской кольцевой автомобильной дороге (МКАД).
Как правило, одновременно с уширением производят и усиление существующей дорожной одежды. Но если ширина проезжей части отвечает нормативным требованиям, усиление дорожной одежды может быть выполнено и без ее уширения.
Возможны три основных способа повышения ее прочности: строительство нового покрытия на старой дорожной одежде; замена верхнего слоя или всех слоев покрытия с сохранением или с усилением основания; полная замена всей дорожной одежды с учетом перспективы роста интенсивности движения.
Усиление дорожной одежды путем строительства нового покрытия на старой дорожной одежде. Это наиболее часто и широко применяемый способ усиления существующих дорожных одежд. По сравнению с другими этот способ требует меньших первоначальных затрат, но применим тогда, когда старая дорожная одежда не имеет серьезных повреждений, а усиление требуется в связи с увеличением интенсивности движения тяжеловесных автомобилей. В этом случае перед укладкой слоев усиления устраняют все повреждения на старом покрытии (выбоины, трещины и т.д.), а при наличии неровностей укладывают выравнивающий слой.
При усилении дорожных одежд приходится учитывать, что старые дорожные одежды обычно имеют большие поперечные уклоны, чем назначаемые для современных дорог с усовершенствованными покрытиями. Необходимо смягчать их поперечный уклон путем срезки возвышения в средней части покрытия или повышения краев покрытий. Последний способ наиболее рационален. Обычно по краям покрытия на его ширину укладывают клинообразные слои выравнивания из каменных материалов, обработанных битумом (рис. 22.19).

Рис. 22.19. Схема усиления старой дорожной одежды без уширения:
а - укладка нового покрытия на всю ширину старой дорожной одежды; б - то же, после укладки по краям слоев для смягчения поперечного уклона; 1 - земляное полотно; 2 - старая одежда; 3 - новое покрытие; 4 - поднятая и укрепленная обочина; 5 - слой, смягчающий поперечный уклон
При одностороннем уширении дорожных одежд вначале со стороны уширения укладывают выравнивающий слой, а уже по нему основание на всю ширину проезжей части и покрытие. Приходится проводить работы по изменению поперечного профиля, вызванного смещением оси проезжей части в сторону уширения.
В тех случаях, когда старая дорожная одежда имеет недостаточную прочность и непригодна для использования в качестве основания для нового покрытия, старую одежду оставляют как дополнительный слой основания (рис. 22.20). Наиболее распространен этот вариант при устройстве нового цементобетонного покрытия, для которого старая дорожная одежда будет служить основанием. После уширения старой дорожной одежды ее выравнивают, создавая гладкое с ровной поверхностью основание путем россыпи, распределения и уплотнения песка, обработанного битумом, реже цементом, слоем 3-5 см.

Рис. 22.20. Схема усиления с использованием старой дорожной одежды в качестве дополнительного слоя основания:
1 - земляное полотно; 2 - старая дорожная одежда; 3 - новый дренирующий слой; 4 - новое основание; 5 - новое покрытие; 6 - новая присыпная обочина;
- соответственно ширина проезжей части до и
после уширения.
По сравнению с другими этот способ требует меньших первоначальных затрат, но применим, когда недостаточная прочность дорожной одежды связана с частичной потерей прочности материалов или слоев покрытия. Перед укладкой слоев усиления устраняют повреждения на старом покрытии (выбоины, трещины) и при необходимости укладывают выравнивающий слой.
На старых гравийных и щебеночных покрытиях (необработанных или обработанных органическим вяжущим) слой усиления целесообразно устраивать из влажных органоминеральных смесей.
Для усиления дорожных одежд облегченного типа можно использовать черный щебень прочных пород в горячем или теплом состоянии, с пропиткой битумным шламом на основе битумных паст. Толщину слоя и глубину пропитки назначают в зависимости от требуемой прочности дорожной одежды, при этом минимальная толщина 5 см, максимальная - 10 см.
Для способа пропитки используют мало- или среднепористый битумный шлам типа В (согласно нормативным документам) с массовой долей зерен крупнее 2 мм в минеральном материале не более 10 %. С целью придать битумному шламу требуемую текучесть в него добавляют пластификатор (ацетат натрия, СДБ и др.) 0,03-0,06 % по массе.
Черный щебень укладывают щебне- или асфальтоукладчиком на предварительно очищенное старое покрытие. Уплотняют слой катками на пневматических шинах (6-8 т) за два-три прохода по каждому следу. Сразу после остывания черного щебня разливают битумный шлам (его расход 20-40 кг/м2). Для распределения шлама используют навесные распределители к пасторастворовозу ПС-402.
При усилении асфальтобетонных покрытий необходимо максимально использовать старый асфальтобетон. С этой целью применяют технологию регенерации способами термопрофилирования или удаления. Способ удаления заключается в том, что покрытие разрыхляют на глубину, превышающую толщину верхнего слоя не менее чем на 3 см, а разрыхленный асфальтобетон регенерируют на месте или используют повторно на другом объекте.
Если усиливают дорожную одежду традиционным способом, поверх старого покрытия укладывают один или несколько слоев асфальтобетона. Старое покрытие очищают с помощью механических щеток и смачивают органическим растворителем (соляровым маслом, керосином) в количестве 0,1-0,15 л/м2 с помощью краскопульта или распылителя; затем поверхность подгрунтовывают жидким битумом по норме 0,3-0,5 л/м2.
При наличии неровностей на старое покрытие прежде необходимо уложить выравнивающий слой. Если глубина неровностей более 5 см, применяют крупнозернистую пористую смесь или щебень, обработанный битумом. При меньшей толщине укладывают мелкозернистую смесь асфальтоукладчиками с последующим уплотнением катками.
При усилении старых дорожных одежд необходимо считаться с некоторыми их особенностями. Усиление, особенно тонкими слоями, может быть обеспечено только при прочной связи нового покрытия со старым. Между тем старые покрытия, как правило, имеют разнообразные трещины, выбоины, сколы кромок и другие разрушения и деформации. Поверхность их обычно запылена, загрязнена и в нее впитались капли масла, теряемого автомобилями. Укладка нового свежего материала, обработанного вяжущими, на такую поверхность не гарантирует необходимого сцепления между ними. Опыт показывает, что при укладке на тщательно очищенное старое асфальтобетонное покрытие нового слоя асфальтобетонной смеси толщиной 3-6 см на покрытии неизбежно повторяются дефекты старого покрытия. Уже через год все трещины и неровности старого покрытия начинают воспроизводиться на новом покрытии, причем тем скорее, чем меньше толщина нового слоя. Укладка нескольких тонких слоев также не дает хороших результатов. На подходах к некоторым московским мостам толщина старого асфальтобетона достигает 0,8 и даже 1,2 м. Когда на такое старое покрытие для его улучшения и выравнивания укладывают новый тонкий слой асфальтобетонной смеси, этот слой неизбежно растрескивается. Попытка устройства покрытия общей толщиной 12-15 см в виде последовательно укладываемых трех слоев также не всегда достигает цели. На покрытии, состоящем из трех слоев асфальтобетона, перекрывающих старое цементобетонное покрытие Московской кольцевой автомобильной дороги, уже через год появились поперечные трещины. Объяснение этому положению дал еще Л.Б. Гезенцвей [27] указывая, что длительный перерыв в укладке, при котором нижний слой продолжительное время остается открытым, приводит к загрязнению его поверхности, а интенсивное движение автомобилей по нижнему слою делает его поверхность гладкой, шлифованной. Кроме того, при раздельной укладке слои остывают не одновременно и поэтому не работают как сплошной общий слой.
По исследованиям проф. Н.Н. Иванова, асфальтобетонное покрытие оказывает достаточное сопротивление трещинообразованию при толщине слоя не менее 12-15 см.
Укладка толстого слоя смеси позволяет получать большую плотность асфальтобетона за счёт более медленного охлаждения и соответственно увеличения периода укатки при оптимальных температурах.
Установлено, что при увеличении толщины слоя в 2 раза время охлаждения возрастает в 3 раза (рис. 22.21); асфальтобетонная смесь, уложенная при температуре 140 °С, через 60 мин имеет следующую температуру в зависимости от толщины слоя (температура воздуха 25°С) [24]:
|
Толщина слоя, см |
6 |
9 |
12 |
18 |
|
Средняя температура слоя, °С |
75 |
100 |
110 |
120 |
при тех же условиях продолжительность укатки (время до охлаждения смеси до 60 °С) равна:
|
Толщина слоя, см |
6 |
9 |
12 |
18 |
|
Продолжительность охлаждения, мин |
70 |
120 |
180 |
300 |

Время после укладки горячей смеси, мин
Рис. 22.21. Изменение во времени температуры в уложенном слое горячей асфальтобетонной смеси (18 см) и в нижнем слое песчаного асфальта. Кривые характеризуют изменение температуры на глубине:
1-3 см от поверхности верхнего слоя; 2 - то же, 9 см; 3 - то же, 15 см; 4 - 3 см от поверхности нижнего слоя из песчаного асфальта; 5 - то же, 9 см; 6 - температура воздуха во время укатки.
В верхнем правом углу показан конструктивный разрез покрытия и места закладки термопар (1-5);
I - начало укатки; II - конец укатки
Опыт показал, что современные асфальтоукладчики могут укладывать за один проход слой толщиной до 25 см при ширине до 12 м. Единовременная укладка толстого слоя смеси имеет ряд преимуществ перед послойной, так как создает покрытия более высокого качества, требует меньше времени и оборудования, может осуществляться в холодную погоду и даже в дождь. Она позволяет снизить трудоемкость работ и обеспечивает интенсивное уплотнение.
Проведенные в США исследования также показали, что плотность асфальтобетона, укатываемого в толстых слоях, выше, чем в тонких. Наилучшие результаты уплотнения были получены при укатке пневмокатками с давлением при предварительном нагреве шин. Экспресс-способ определения достигаемой при укатке плотности покрытия, применяемый в США, привел к выводу, что укатка наиболее эффективна, пока температура в асфальтобетоне выше 90°С. В то же время по нормам ряда других стран уплотнение продолжается до тех пор, пока температура не снизится до 60-70°С.
В ФРГ установлено, что укладка асфальтобетонных покрытий слоями большой толщины имеет следующие преимущества: смесь можно укладывать при более низкой температуре воздуха, не опасаясь ее преждевременного охлаждения; дождь во время укладки смачивает только одну поверхность толстого слоя, а не несколько поверхностей, как это происходит при последовательной укладке нескольких слоев; исключается плохое сцепление слоев между собой из-за их загрязнения и различия в температуре; уменьшается дробление зерен.
Считается, что температура во время укладки должна быть постоянной. Уплотнение катками на пневматических шинах наиболее эффективно при температуре поверхности слоя 75-95°С. Эффективное уплотнение может быть достигнуто благодаря большему числу проходов тяжелых катков при более продолжительном сохранении температуры смеси в толстых слоях. Укладка асфальтобетонного покрытия слоем большой толщины обходится дешевле, чем многослойная укладка, поскольку отпадает необходимость в повторных операциях для каждого слоя.
Кроме устройства слоев асфальтобетона большой толщины для борьбы с отраженными трещинами могут устраиваться промежуточные слои или трещинопрерывающие прослойки (мембраны). Во многих странах этот слой называют SAMI (Stress Absorbent Membrane Interlager), промежуточный слой, поглощающий напряжения.
По своему функциональному назначению промежуточные слои делятся на армирующие, которые повышают сопротивление асфальтобетона разрыву в зоне растяжения, и снижающие, перераспределяющие и поглощающие эти напряжения. Промежуточные слои могут устраиваться из резинобитумных смесей, битумоминеральных смесей с разными добавками, из битумоминеральных смесей, усиленных сетками из искусственных материалов или из металла, или усиленных волокнами целлюлозы, пропитанной битумом и других материалов. Толщина этих слоев колеблется от 5 до 50 мм и более.
Так, например, под слой усиления из асфальтобетона толщиной 10 см и более рекомендуется устраивать промежуточный слой из щебня фракции 8-11, обработанного вяжущим, модифицированным с помощью высокополимеров, с расходом вяжущего 3-3,5 кг/м2 и щебня 8-15 кг/м2 а под слоем усиления 4 см и меньше рекомендуется уложить полипропиленовую сетку весом 140 кг/м2 с распределением модифицированного битума с расходом 1,3-1,6 кг/м2 [8].
Широкое распространение находят различные способы усиления промежуточного слоя путем укладки металлической сетки или сетки полипропилена в виде решетки из высокопрочных полимеров, применение которого позволяет более равномерно распределять нагрузку на нижележащие слои, воспринимать растягивающие напряжения и локализовать развитие трещин (рис. 22.22). Применение этого материала позволяет экономить до 25 % смеси при усилении асфальтобетонных покрытий. Аналогичные сетки выпускаются во многих странах.

Рис. 22.22. Локализация трещин в дорожной одежде при укладке решетки из синтетического материала Tensar.
а - дорожная одежда без прокладки; б - дорожная одежда с прокладкой.
1 - старое покрытие или основание; 2 - новое покрытие; 3 - дополнительный слой основания; 4 - шов или трещина в старом покрытии или основании; 5 - отраженная трещина; 6 - прокладка из материала Tensar
Имеется опыт устройства промежуточного слоя толщиной 1,5-2 см из песчаного асфальтобетона с добавкой резиновой крошки и большим количеством битума. Этот слой снижает и перераспределяет напряжения в местах появления трещин, поглощает внутренние пластические деформации, а также обеспечивает водонепроницаемость. Для приготовления такого материала используют пески непрерывного зернового состава от 0-3 до 0-6 мм. В основном применяют дробленые пески с небольшим количеством окатанного песка. В качестве вяжущего используют модифицированный полимерами битум в количестве 9-12,5 %. За счет добавления волокон увеличивается трещиностойкость этого материала.
Второй способ усиления дорожной одежды состоит в замене верхнего слоя или всех слоев покрытия с сохранением существующего основания дорожной одежды. Его применяют, если на старом покрытии много повреждений в виде сетки трещин и выбоин, связанных с существенной потерей прочности материала покрытия или его слоев. Кроме того, этот способ целесообразен в тех местах, где нельзя увеличивать толщину покрытия (например, на мостах во избежание снижения их грузоподъемности, в тоннелях или на участках под путепроводами, во избежание уменьшения габаритов по высоте). Асфальтобетонные слои снимают с помощью фрез.
Третий способ предусматривает полную замену всей дорожной одежды. Это может потребоваться при потере прочности материалов или слоев основания, необходимости строительства новых дополнительных слоев основания (дренирующего, теплоизолирующего), а также при исправлении земляного полотна. В каждом случае рекомендуется максимально использовать материал старой дорожной одежды.
При реконструкции дорог с переводом их в более высокую категорию на ряде участков дорожная одежда не может быть использована. В первую очередь, это участки, на которых в результате повышения отметок продольного профиля дорожная одежда должна быть расположена значительно выше старой, отделенной от новой слоем грунта большой толщины (рис. 22.23).

Рис. 22.23. Схема устройства дорожной одежды новой конструкции на земляном полотне, в теле которого находится старая одежда
Кроме того, при спрямлении старой дороги неизбежно остаются неиспользованными участки старой дороги в местах кривых малых радиусов и другие участки, опасные для движения.
На участках, протрассированных вне старых дорог, на новом земляном полотне устраивают новую дорожную одежду необходимой прочности и ширины в соответствии с техническими правилами строительства новых дорожных одежд. При этом дорожную одежду на оставляемых участках старых дорог обычно разбирают, а материалы ее слоев повторно используют после переработки и обогащения.
При реконструкции дорожных одежд с цементобетонными покрытиями обычно выполняют работы по уширению и усилению (повышению прочности) дорожной одежды.
В случае уширения существующего цементобетонного покрытия или основания, хорошее качество сопряжения с цементобетонной полосой уширения дает специальная конструкция, приведенная на рис. 22.24. Она не только несколько толще в месте примыкания, но и имеет выступ, который заходит под старое покрытие. Старое покрытие таким образом получает усиление края за счет опирания на плиту уширения. Во избежание проникания воды шов между старым и новым покрытием необходимо заполнять мастикой. Однако эта конструкция достаточно сложна технологически.
Усиление дорожных одежд с цементобетонными покрытиями можно выполнять следующими способами:
устройство слоев усиления из асфальтобетонных смесей поверх старого цементобетонного покрытия без нарушения его сплошности;
то же, с предварительным дроблением старого цементобетонного покрытия на мелкие блоки и тщательным уплотнением полученного таким образом материала основания;
устройство слоя усиления из непрерывно армированного бетона поверх старого цементобетонного покрытия.
Цементобетонное покрытие чаще всего усиливают путем укладки одного или нескольких слоев асфальтобетона. Однако чтобы уменьшить вероятность образования трещин, оно может состоять из нескольких слоев общей толщиной 9-18 см или быть однослойным. Перед укладкой асфальтобетонной смеси швы в цементобетонном покрытии расчищают, заливают битумом и цементным раствором, посыпают песком и для исключения сцепления слоев швы закрывают полиэтиленовой пленкой, бумагой, пропитанной битумом на ширину 0,5-0,8 м с каждой стороны шва.

Рис. 22.24. Схема уширения цементобетонного покрытия:
1 - новое бетонное покрытие уширения; 2 - старое бетонное покрытие; 3 - арматура. Все размеры даны в метрах
Другим вариантом усиления цементобетонных покрытий, обеспечивающим снижение образования трещин, является укладка слоя асфальтобетона толщиной 4-8 см поверх предварительно проложенной полипропиленовой пленки или нетканых материалов.
За рубежом усиливают прочность и устраняют поверхностные дефекты, укладывая армированный или неармированный бетон (или фибробетон) различной толщины. Слой армируют металлической сеткой с ячейками размером 10×30 см и толщиной 7-8 см. Армированные бетонные покрытия обладают преимуществом - они могут быть небольшой толщины.
При уширении дорожной одежды с цементобетонным покрытием (аналогичной одежде на МКАД) целесообразно существующую и уширяемую проезжие части перекрывать слоем усиления из непрерывно армированного бетона минимальной толщины (порядка 10 см). При качественном выполнении работ срок службы непрерывно армированных покрытий превышает 45 лет при незначительных затратах на ремонт и содержание. Такие конструкции наиболее эффективны при интенсивном движении автомобилей, основную часть которых составляют тяжелые грузовые автомобили. Наиболее целесообразно применение этих конструкций на подходах и обходах крупных городов и на дорогах высших категорий.
Если материалы старого покрытия и слоя усиления имеют различные модули упругости, сначала определяют расчетом прочности на растяжение при изгибе эквивалентную толщину плиты из разных по модулю материалов, приведенную к толщине материала с наибольшим модулем упругости, а затем определяют требуемую толщину усиления
где (22.9)
hэкв - толщина однородной плиты, см;
- модуль упругости материала
старого покрытия, эквивалентный по жесткости на изгиб старому покрытию и слою
усиления, МПа;
- толщина старого покрытия, см;
Еус - модуль упругости материала, используемого для усиления, МПа;
hус - толщина усиления, см.
Для усиления дорожных одежд с цементобетонным покрытием рекомендуется применять полимерасфальтобетон в соответствии с техническими условиями ТУ 35-1669-88 «Вяжущие полимерно-битумные на основе ДСТ и полимерасфальтобетон», утвержденными Минтрансстроем СССР в 1988 г.
Полимерасфальтобетон обладает повышенной прочностью, эластичностью и теплостойкостью в широком диапазоне эксплуатационных температур. Применение полимерасфальтобетона повышает трещиностойкость слоя усиления над поперечными швами старого цементобетонного покрытия.
Для приготовления полимерасфальтобетонных смесей используют полимерно-битумные вяжущие (ПБВ) на основе дивинилстирольного термоэластопласта (ДСТ) соответствующих марок. В зависимости от вязкости ПБВ делятся на следующие марки: ПБВ 40/60, ПБВ 60/90, ПБВ 90/130, ПБВ 130/200, ПБВ 200/300.
ПБВ получают введением в битум 2-4 % ДСТ от массы. В вязкие битумы ДСТ следует вводить в виде раствора в битумном сырье (гудроне) или жидком битуме. В качестве пластификаторов при приготовлении ПБВ используются индустриальные масла.
Введение 2, 3 и 4 % ДСТ дает возможность получить ПБВ с температурой перехода в хрупкое состояние минус 25, 35 и 50°С соответственно. Для получения ПБВ с температурой перехода в хрупкое состояние -60°С в битум необходимо вводить до 6 % ДСТ. Применение ПБВ с температурой перехода вяжущего в хрупкое состояние, соответствующей минимальной зимней температуре эксплуатации слоя усиления, обеспечивает трещиностойкость этого слоя, в особенности над поперечными швами усиливаемого покрытия.
Полимерасфальтобетонные смеси и их зерновой состав должны удовлетворять требованиям ГОСТ 9128-84 для асфальтобетонных смесей соответствующих марок.
Контрольные испытания качества полимерасфальтобетона в покрытии производят по водонасыщению, набуханию, пористости минерального остова и остаточной пористости, а также по коэффициенту уплотнения.
Качество ПБВ устанавливают стандартными методами, принятыми для оценки свойств дорожных битумов. Кроме того, определяют однородность и показатель эластичности, характеризующий способность ПБВ к обратимым деформациям, в соответствии с ТУ 35-1669-88.
Слои усиления из непрерывно армированного бетона устраивают неограниченной длины и прерывают их только перед искусственными сооружениями (мостами, путепроводами и т.д.). Концевые участки слоев усиления из непрерывно армированного бетона должны быть закреплены неподвижными упорами траншейного или свайного типа.
Слои усиления должны обеспечивать прочность и ровность дорожной одежды в течение заданного срока службы под воздействием автомобильных нагрузок и климатических факторов.
Толщина слоя усиления из непрерывно армированного бетона определяется расчетом. При усилении дорожной одежды с цементобетонным покрытием толщина слоя усиления из непрерывно армированного бетона может составлять 10-12 см. Слой усиления из непрерывно армированного бетона укладывается непосредственно на старое цементобетонное покрытие без устройства изолирующих и выравнивающих прослоек (рис. 22.25).

Рис. 22.25. Принципиальные схемы дорожных одежд с непрерывно армированными покрытиями:
1 - новое бетонное покрытие; 2 - старое непрерывно армированное бетонное покрытие; 3 - песчано-цементная смесь; 4 - песок; 5 - черный щебень; 6 - тощий бетон; 7- теплоизолятор (стиропорбетон, пенопласт и др.)
Для армирования покрытий должна применяться арматура периодического профиля. Диаметр арматуры подбирают с учетом минимального раскрытия трещин и принятой технологии строительства. Армирование покрытий можно осуществлять плоскими сварными или вязаными сетками, сварными каркасами, отдельными арматурными стержнями. Непрерывную арматуру располагают на расстоянии 1/3-1/2 hус (hус - толщина слоя усиления) от поверхности слоя усиления. Арматурные каркасы ставятся симметрично относительно нейтральной оси слоя усиления.
Поперечные швы (сжатия и расширения) на слое усиления не устраивают. Продольные швы в зависимости от количества поперечной арматуры устраивают через 3,75 м по типу ложных или через 7,5 м по типу шпунта (рис. 22.26).

Рис. 22.26. Конструкции продольных швов:
а - шов по типу ложного; б - шов по типу шпунта; 1 - бетонная плита покрытия; 2 - арматурная сетка; 3 - битумная мастика
Непрерывность армирования обеспечивается нахлесткой стержней в продольном и поперечном направлениях.
Длина нахлестки должна быть не менее: в продольном направлении - 30-35d; в поперечном направлении 25d (где d - диаметр стержней), и во всех случаях не менее 250 мм. Поперечные стыки смежных сеток должны располагаться вразбежку с шагом не менее 50 см. Для армирования слоя усиления применяют следующие виды арматурных сталей: стержневая горячекатаная периодического профиля класса А-II диаметром от 10 до 20 мм, класса А-III диаметром от 6 до 20 мм; стержневая, упроченная вытяжкой периодического профиля класса А-IIв диаметром от 10 до 20 мм, класса А-IIIв диаметром от 6 до 20 мм.
Расчет на прочность слоя усиления из непрерывно армированного бетона производят в соответствии с действующими нормативными документами.
Арматурные каркасы слоя усиления имеют выпуски арматуры из анкеров (траншейного или свайного типов), сопрягаемые в последующем с непрерывно армированным покрытием.
Перед бетонированием слоя усиления арматуру в виде плоских сеток или каркасов устанавливают на подкладках, уложенных на основание. Подкладки могут быть изготовлены из арматуры любого класса или из бетона того же состава, который применяется для устройства слоя усиления.
Работы по устройству слоя усиления должны производиться непрерывно. Рабочие поперечные швы устраивают следующим образом. По окончании смены устанавливают упорную доску с прорезями для пропуска продольной арматуры. Перед возобновлением укладки бетона доску удаляют и торец плиты смачивают водой.
Слои усиления из непрерывно армированного бетона могут применяться и при реконструкции дорожных одежд нежесткого типа.
Из трех способов усиления дорожных одежд с цементобетонным покрытием предпочтительнее устройство слоя усиления из непрерывно армированного бетона. В этом случае слой усиления имеет свойства, близкие к свойствам материала существующего покрытия (цементобетона); кроме того, объемы и стоимость работ по ремонту дорожной одежды после ее усиления будут минимальными.
На практике усиление цементобетонных покрытий, чаще всего, производят путем укладки слоев асфальтобетона, причем конструкция, тип и марка асфальтобетона и технология производства работ определяются в зависимости от технической категории дороги и дорожно-климатической зоны.
Для автомобильных дорог высших категорий, а также дорог, расположенных в I-III дорожно-климатических зонах, применяют асфальтобетонные смеси типов А или Б первой марки.
Подготовительные работы при этом направлены в основном на устранение дефектов цементобетонного покрытия:
полностью разрушенные плиты удаляются и заменяются на новые монолитные, изготовленные на месте или на заводах ЖБИ;
пустоты под плитами и нарушение уклонов исправляются путем профилирования основания (при этом плиты снимаются) или нагнетания под плиты песка или цементного раствора;
сколы кромок и углов плит устраняют путем укладки асфальтобетонных (мелкозернистых или песчаных) смесей при толщине слоя до 6 см и цементобетонных более 6 см;
искажения продольного и поперечного профилей устраняют путем укладки выравнивающего слоя из песчаного или мелкозернистого асфальтобетона асфальтоукладчиками, оснащенными системами автоматики;
восстанавливают швы существующего покрытия и заливают их герметизирующей мастикой.
Перед укладкой выравнивающего слоя или покрытия производят розлив горячего битума (0,3-0,5 л/м2) или битумной эмульсии (0,6-0,8 л/м2).
Технология производства работ при усилении дорожных одежд с учетом повышения трещиностойкости слоя может выполняться следующими способами:
путем укладки толстыми слоями за один проход (толщина слоя 10-18 см в России, 14-26 см за рубежом);
использованием асфальтобетонных смесей на основе ПБВ;
армированием асфальтобетона в зонах швов цементобетонного покрытия геоматериалами;
армированием асфальтобетонных смесей металлическими или полимерными волокнами;
путем устройства в асфальтобетоне деформационных швов над швами существующего цементобетонного покрытия.
Наибольший эффект достигается при комплексном использовании нескольких способов одновременно.
В технологии укладки асфальтобетона толстыми слоями за один проход наибольшую сложность вызывает уплотнение, так как необходимо применять тяжелые катки массой 15-25 т и увеличивать число проходов катка по одному следу. Температура воздуха при укладке не должна быть ниже 5°С, а температура смеси - не ниже 140°С.
Для повышения эффективности уплотнения фирмы «Фогеле» и «АБГ» (Германия) разработали конструкции брусьев высокого уплотнения для асфальтоукладчиков (рис. 22.27).

Рис. 22.27. Схема расположения уплотняющего оборудования для асфальтоукладчиков фирмы «АБГ» (Германия):
1 - шнек; 2, 3 - трамбующие брусья; 4 - виброплита; hсл - толщина слоя асфальтобетона
Рабочие органы представляют собой комбинацию трамбующих брусьев (прессующих планок) и виброплит. Амплитуда колебаний трамбующих брусьев последовательно составляет 0-12 мм и 3-8 мм, а виброплит 1,5-2,5 и 0,5-1,2 мм.
В конструкции рабочих органов фирмы «АБГ» предусмотрена возможность статического пригруза задней кромки виброплиты, а в конструкции фирмы «Фогеле» предусмотрено две секции уплотнения с чередованием трамбующих брусьев и виброплиты.
По зарубежным данным, достигалась степень уплотнения асфальтобетона до 1,02-1,03 после прохода асфальтоукладчика. При испытаниях в нашей стране асфальтоукладчиков этих фирм была достигнута степень уплотнения 0,96-0,99. Окончательное уплотнение проводилось пневмошинными и комбинированными катками массой 16-24 т.
Широкое использование асфальтобетонных смесей с ПБВ при реконструкции МКАД показало, что необходимо обеспечивать высокую точность дозирования полимера (применялся отечественный ДСТ), так как даже небольшая передозировка его вызывала невозможность уплотнения смеси из-за повышенной деформативности.
Армирование геоматериалами выполняется как непосредственно на контакте асфальтобетона с цементобетоном (в выравнивающем слое), так и в верхних слоях покрытия. Ширина укладываемого материала составляет 1,2-2,0 м над швами цементобетонного покрытия, причем для крепления геоматериалов применяют способы приклейки (вязким битумом или битумной эмульсией), крепления скобами или специальными гвоздями. При использовании геополотен производится их пропитка битумом (норма 0,8-1,0 л/м2).
Армирование асфальтобетонных смесей волокнами различной природы сопряжено с некоторыми технологическими трудностями при дозировании и приготовлении смеси. Металлические волокна представляют собой отрезки длиной 20-40 мм, диаметром 0,3-0,6 мм. Их содержание в смеси может изменяться в пределах 0,5-2,0 %. При содержании волокон 2,0 % прочность на изгиб слоя толщиной 5 см составила 8,0-12,5 МПа в зависимости от типа асфальтобетона. Однако, наличие волокон в верхнем слое покрытия не исключает их выход на поверхность и проколы шин в процессе движения автотранспорта. Поэтому эти смеси рекомендуется укладывать в основание или выравнивающий слой.
Полимерные волокна применяют как в виде отдельных отрезков (длина 5-40 мм), так и непрерывными нитями. Во втором случае обработка производится непосредственно на полотне дороги, когда волокна набрасываются воздухом на грунтовку (дозировка 80-120 г/м2). По поверхности может быть проведен розлив битума и рассыпан щебень (технология типа поверхностной обработки) или черный щебень. Затем укладывается слой асфальтобетона. При использовании обрезков волокон можно приготавливать смеси на АБЗ или производить работы на месте.
Устройство деформационных швов позволяет исключить бессистемное трещинообразование в асфальтобетоне покрытия. Поперечные швы в асфальтобетоне устраиваются над швами расширения, а при их отсутствии через 10-30 м в зависимости от средней температуры холодного месяца. Перед укладкой асфальтобетона над швами в цементобетоне укладывают рубероид или пергамин в два слоя на ширину не менее 7 толщин слоя асфальтобетона. Ширина шва 1,2-1,7 см, глубина не менее 1/3 толщины асфальтобетона, но не более толщины верхнего слоя при многослойном покрытии.
Устройство швов производится нарезчиками в полностью уплотненном и остывшем асфальтобетоне. Заполнение швов мастикой выполняется до наступления холодного периода времени и открытия движения транспорта.
Особые проблемы возникают при реконструкции автомобильных дорог с цементобетонными покрытиями или покрытиями на цементобетонных основаниях, прослужившими очень длительный срок. Опыт показал, что не всегда целесообразно использовать старые цементобетонные покрытия в качестве оснований. За длительный срок предшествующей службы бетонные покрытия теряют свою прочность, покрываются многочисленными разнообразными по размерам и направлениям трещинами, выбоинами, на них появляются cколы кромок и швов и другие виды разрушений. Поверхность цементобетонных покрытий становится покрытой трудноудаляемой масляной пленкой, которая препятствует хорошему сцеплению между бетоном и новыми покрытиями. Неоднородность старого покрытия по прочности не гарантирует однородную прочность усиленной дорожной одежды.
В этом случае для обеспечения нормальной службы новой дорожной одежды старое цементобетонное покрытие или основание разбивают на куски перфораторами или бетоноломами. После удаления бетона и металла арматуры может оказаться необходимым замена старого песчаного слоя или повышение уровня земляного полотна за счет устройства морозоустойчивого слоя. В тех случаях, когда состояние песчаного основания позволяет оставить старый цементобетон на месте, из него выбирают металл арматуры, дополнительно измельчают обломки бетона и уплотняют тяжелыми катками. В ФРГ в качестве одного из основных способов использования старых цементобетонных покрытий на автомобильных магистралях довоенной постройки принято измельчение бетона на месте и уплотнение его тяжелыми стальными ударниками, сбрасываемыми подъемными кранами. В результате уплотнения поверхность старого цементобетонного покрытия понижается на 3-4 см. По такому слою, рассматривая его при расчетах прочности дорожной одежды как укрепленное грунтовое основание, возводят новую дорожную одежду. При сохранении существующего бетонного покрытия в составе будущей дорожной одежды приходится выравнивать старое покрытие слоем песка толщиной 5-10 см, обработанного битумом, и по нему укладывать новое покрытие такой толщины, чтобы оно не подвергалось трещинообразованию в результате воспроизводства трещин старого покрытия.
В процессе реконструкции дорог во многих случаях перестраивают или устраивают заново укрепление обочин, восстанавливают разрушенные откосы насыпей и выемок и укрепляют их.
Укрепление обочин существенно влияет на безопасность и скорость движения автомобилей, поскольку предотвращает попадание пыли и грязи на проезжую часть, создает условия для безопасного съезда на обочину в случае необходимости. Это особенно важно в осенне-весенний периоды года. Укрепленные обочины обеспечивают гидроизоляцию земляного полотна, повышая его прочность и устойчивость, предотвращают разрушение поверхности обочин при наезде автотранспортных средств. В зимнее время укрепленные обочины способствуют переносу снега во время метелей и облегчают его удаление при снегоочистке. Установлено, что узкие, но укрепленные обочины значительно более полезны, чем широкие, но неукрепленные [5].
Сопряжение дорожной одежды непосредственно с грунтовой обочиной неблагоприятно для работы дороги. Стекающая с проезжей части вода размягчает грунтовую обочину, часто разъезженную, и течет в направлении продольного уклона вдоль края дорожной одежды. Вода размывает грунт вдоль кромки покрытия, подмывает дорожную одежду и проникает в основание. Прочность дорожной одежды снижается, проезд автомобилей по ослабленной полосе приводит к образованию трещин в дорожной одежде и обламыванию ее кромок. Кроме того, грунт с обочины заносится колесами на покрытие, его кромка становится плохо отличимой от обочины и водители, стремясь держаться подальше от края, выезжают к середине проезжей части, что приводит к фактическому сужению проезжей части и повышает опасность дорожно-транспортных происшествий. В этих условиях уширение проезжей части на 0,5-1,0 м также малоэффективно. Поэтому необходимо укрепление обочин, особенно вдоль края дорожной одежды.
Укрепление обочин, особенно из суглинистого грунта, и укладка на них краевых полос значительно повышают безопасность движения. Во время дождя случайный заезд автомобиля колесом на обочину может привести к дорожно-транспортному происшествию. Краевые полосы четко указывают границы проезжей части и придают уверенность водителям в том, что они не попадут на размокший грунт обочин. Это позволяет им ехать с большей скоростью. Установлено, что при наличии краевой полосы и укрепленной обочины пропускная способность дорог с двухполосной проезжей частью увеличивается на 15-30 %. Кроме того, краевые полосы придают автомобильной дороге законченный вид и красивое оформление. В соответствии со СНиП 2.05.02-85 покрытия на краевых укрепленных полосах и на обочинах должны отличаться по цвету и внешнему виду от покрытий проезжей части или отделяться разметкой. Обочины по своей прочности должны допускать выезд на них транспортных средств.
При расчете дорожной одежды на остановочных полосах следует принимать не менее 1/3 расчетной интенсивности или другую нагрузку, обоснованную в проекте, при которой исключается быстрое накопление остаточных деформаций.
Покрытие на укрепленной полосе обочин (0,5-0,75 м) и на остановочной полосе (2,5 м) рекомендуется устраивать из цементо- или асфальтобетона, а также из обработанных вяжущими местных каменных, гравийных и других минеральных материалов. Поверхность остальной части обочин укрепляют в зависимости от интенсивности и характера движения, грунтов земляного полотна и особенностей климата засевом трав, россыпью щебня, гравия, шлака и других местных крупнозернистых материалов.
Для обеспечения безопасности движения коэффициент сцепления колеса с покрытием на обочине не должен отличаться более чем на 0,15 от коэффициента сцепления на проезжей части.
Для предохранения обочин и откосов земляного полотна от размыва на участках дорог с продольными уклонами более 30 ‰, с насыпями высотой более 4 м, в местах вогнутых кривых в продольном профиле устраивают продольные лотки и другие сооружения для сбора и отвода стекающей с проезжей части воды.
Разделительные полосы на дорогах I категории сопрягают с проезжей частью путем устройства на разделительной полосе укрепленных полос. Остальную часть разделительной полосы укрепляют засевом трав или посадкой кустарников, располагаемых на расстоянии не менее 1,75 м от кромки проезжей части.
При выборе конструкции краевых полос для дорожных одежд нежесткого типа предпочтение отдается краевым полосам из материалов, обработанных минеральными вяжущими, в том числе цементом. Такая краевая полоса обладает высокой механической прочностью и устойчивостью, более светлым цветом, что способствует повышению безопасности движения; кроме того, упрощается технология устройства краевой полосы из монолитного цементобетона благодаря применению узкозахватных бетоноукладчиков (типа Гомако и др.).
Краевые полосы можно устраивать из сборных плит из белого бетона толщиной 6 см на обычном монолитном бетоне; из монолитного бетона толщиной 20-22 см; из асфальтобетона, укладываемого одновременно с покрытием проезжей части на том же типе основания. В этом случае краевая полоса отделяется от основного покрытия линией разметки.
Минимально необходимым является укрепление обочин устройством краевой укрепительной полосы, в том числе выполняемое и путем уширения проезжей части. Это улучшает транспортно-эксплуатационные показатели дороги, способствует усилению кромки проезжей части, однако оно эффективно при малом количестве наездов на обочину, малом количестве выпадающих осадков и земляном полотне из легких грунтов.
В условиях интенсивной эксплуатации остановочной полосы, в сложных грунтовых и климатических условиях конструкция краевой укрепительной и остановочной полос может приниматься единой (рис. 22.28). Такая конструкция оказывает положительное воздействие и на водно-тепловой режим земляного полотна.
Применение в конструкциях геосинтетических материалов диктуется необходимостью гидроизоляции, дополнительного дренирования или сокращения расхода дорожно-строительных материалов за счет повышения прочности конструкции.
При необходимости усиления дорожной конструкции в слоях укрепления или под ними на контакте с дренирующим слоем укладывают материалы армирующего типа, в том числе геосетку, геовеб и др. Для улучшения условий дренирования земляного полотна при укреплении обочин укладывают прослойку из нетканого геосинтетического материала. Такое решение целесообразно применять:
при переустройстве дренирующего слоя в зоне обочин с отсыпкой слоя из мелких песков с Кф = 1-2 м/сут;
при заиленном дренирующем слое и укреплении обочины без его переустройства;
в качестве мероприятия, снижающего влажность грунтов земляного полотна при 2-м и 3-м типах местности по условиям увлажнения во II и III дорожно-климатических зонах (дороги I-III категорий) и как мероприятие при регулировании водно-теплового режима земляного полотна на участках, подверженных образованию пучин, для ускорения отвода воды;
при укладке щебеночного слоя непосредственно на грунт на их контакте.

Рис. 22.28. Решения по укреплению обочин:
I-IV - соответственно краевая укрепительная полоса, остановочная полоса, прибровочная часть обочины, проезжая часть дороги; 1 - прослойка из геоматериала; 2 - слой укрепления обочины
Гидроизолирующие прослойки применяют для предотвращения поступления влаги атмосферных осадков в тело земляного полотна через неукрепленные или укрепленные водопроницаемым материалом обочины во 2-м и 3-м типах местности по условиям увлажнения II-III дорожно-климатических зон при высокой влажности, средних и тяжелых пылеватых суглинках и наличии или опасности образования пучин.
Устройство дорожной одежды на краевых полосах и на обочинах по типу существующей дорожной одежды начинают с отрывки траншеи, которую рационально выполнять экскаваторами непрерывного действия цепного или роторного типа. Это значительно повышает ровность дна траншеи, производительность и качество работ.
Распределение и укладку несвязных материалов нижних слоев можно выполнять экскаваторами одноковшовыми с емкостью ковша 0,1-0,25 м3 или минипогрузчиками (типа Бобкат). Уплотнение материалов можно эффективно выполнять виброплитами (отечественного или зарубежного производства).
Распределение и укладку верхних слоев (из различных смесей) рационально выполнять укладчиком типа ДС-76 с уплотняющим оборудованием по типу асфальтоукладчика.
Устройство дорожной одежды на краевых полосах и на обочинах можно выполнять однопроходной грунтосмесительной машиной (типа ДС-162) с шириной обработки, соответствующей данной автомобильной дороге. Глубина обработки должна соответствовать толщине дорожной одежды и слоя усиления, если усиление не распространяется на краевые полосы и обочины, с учетом проектных значений поперечных уклонов и запаса на уплотнение.
Использование местных грунтов и материалов, обработанных комплексными вяжущими, по такой технологии позволяет сэкономить 20-35 % стоимости производства работ.
При укладке краевых бетонных плит вдоль существующего покрытия выполняют следующие рабочие операции: устраивают на обочине ровик для краевой полосы; выравнивают кромки старого покрытия, обычно имеющие неровности, наплывы и т.п.; выравнивают основание с распределением выравнивающего материала; укладывают и уплотняют слой цементобетонной смеси; укладывают плиты из белого бетона с тщательной подгонкой их к кромке покрытия и подливкой цементного раствора для выравнивания; присыпают грунт со стороны обочины и уплотняют его; заполняют поперечные и продольные швы битумом, битумной мастикой или цементным раствором; организуют уход за краевыми полосами во избежание заезда на них автомобилей до полного затвердения бетона.
Между операциями по укладке цементобетонной смеси и укладкой плит из белого бетона может быть предусмотрен технологический разрыв с целью укладки белых плит не на свежеуложенный бетон, а на уже затвердевший, так как при свежем бетоне работы должны вестись более организованно и ускоренными темпами.
Плиты применяют шириной 0,75 и толщиной 0,2 м. Рекомендуют двухслойные плиты - нижний слой из обычного бетона, а верхний из белого или цветного бетона. Однако, как показывает опыт, при темных асфальтобетонных покрытиях достаточно контрастно выглядят и плиты из обычного бетона. Недостаток краевых полос из бетонных плит, особенно из приготовленных на заводах с пропариванием, заключается в том, что бетон поверхностного слоя сравнительно скоро начинает шелушиться и плиты затем разрушаются.
При затруднениях в получении готовых цементобетонных плит более экономично устраивать краевые полосы из монолитного бетона на месте до строительства дорожной одежды. Для этого применяют боковую деревянную опалубку и передвижные бункеры для цементобетонной смеси или несколько усовершенствованную опалубку, изготавливаемую из досок, установленных на ребро. Доски имеют точные размеры по высоте, соответствующие толщине бетонной краевой полосы. На наружных сторонах досок примерно через 0,6-1,0 м по их протяжению укреплены одна над другой по две металлические проушины. При установке доски укрепляют в вертикальном положении на точном расстоянии одна от другой с помощью металлических рам с квадратным профилем, соответствующих по сечению отверстиям проушин. Концы рам продевают в проушины досок, и эти рамы удерживают опалубку (рис. 22.29). Доски опалубки используют многократно.

Рис. 22.29. Последовательность устройства краевой полосы из монолитного бетона:
а - установка опалубки; б - укладка бетона; в - снятие опалубки и обмазка боковых поверхностей битумом; г - укладка покрытия и досыпка обочин; 1 - металлическая рама; 2 - доски, поставленные на ребра; 3 - проушины; 4 - основание; 5 - бетон; 6 - смазка битумом; 7 - покрытие
После установки опалубки пространство между досками заполняют цементобетонной смесью, уплотняют ее вибраторами и обрызгивают пленкообразующими материалами. Потом выдерживают в опалубке до набора достаточной прочности. Через каждые 10 м в краевой полосе устраивают температурные швы. После снятия опалубки присыпают обочины и между бетонными полосами укладывают покрытие. Такие полосы выглядят красиво, прочны и удобны.
Следует упомянуть о бордюроукладочных машинах, которые позволяют на месте делать бордюр из цементобетонной или из асфальтобетонной смеси. Бордюр из асфальтобетонной смеси вполне заменяет краевую полосу и облегчает работы при строительстве асфальтобетонных покрытий.
Стоимость краевых полос из сборных бетонных плит выше, чем цементобетонного дорожного покрытия. Особенно повышается стоимость при проведении мероприятий для увеличения видимости полос: при устройстве их из бетона на белом цементе, окраске алюминиевой краской, применении светоотражающей пленки и т.п. Все эти мероприятия становятся неэффективными после первого ремонта, проводимого для повышения шероховатости покрытия.
Краевые полосы из бетона хотя и способствуют четкой организации движения на дороге, имеют ряд существенных недостатков. Они становятся помехой при устройстве поверхностной обработки, и тем более при укладке нового слоя покрытия. В этом случае требуется разобрать плиты краевых полос, поднять их на новую отметку и посадить на новый слой цементобетона или раствора. При этом неизбежна поломка части плит. Работы не только усложняются, но и удорожаются.
Перекрытие старого покрытия и краевых полос общим слоем усиления приводит к «бросовым» работам. Поэтому на дорогах с высокой интенсивностью движения может оказаться эффективным устройство краевых полос по тому же типу, как и дорожная одежда основной дороги, без специальных мероприятий, по улучшению их видимости. Эту роль должна играть краевая линия разметки.
К дорожным одеждам переходного типа относятся, одежды, имеющие гравийные или щебеночные покрытия, а также покрытия из грунтов и местных малопрочных каменных материалов, обработанных вяжущими. К этому же типу относятся мостовые, доля которых в настоящее время весьма незначительна. Такие дорожные одежды устраивают на дорогах IV и V категорий при интенсивности движения до 300 авт./сут в районах с сухим и жарким климатом и до 500 авт./сут с умеренным климатом. На дорогах с интенсивностью движения свыше 500 авт./сут устраивают покрытия из гравийных или щебеночных материалов, обработанных органическими вяжущими.
В составе дорог общего пользования Российской Федерации по состоянию на 01.01.2000 г. имелось 171300 км дорог с дорожными одеждами переходного типа, что равно 32,6 % протяженности дорог с твердым покрытием.
В Финляндии протяженность гравийных дорог 29000 км, что составляет 37 % всей протяженности дорог общего пользования.
Основные преимущества дорожных одежд переходного типа состоят в возможности широкого использования местных материалов, в простоте технологии строительства и, как следствие, в низкой стоимости.
Недостатками таких одежд являются невысокие прочность и долговечность, появление деформаций и разрушений, а также пылимость гравийных и щебеночных покрытий. Поэтому при повышении интенсивности движения (более 500 авт./сут) переходные покрытия, как правило, перестраивают.
В зависимости от состояния дорожной одежды, фактической и ожидаемой интенсивности движения назначают вид работ по реконструкции гравийных, щебеночных и других покрытий переходного типа.
Существуют два основных вида перестройки покрытий переходного типа:
восстановление и усиление гравийного или щебеночного покрытия путем устройства нового слоя из гравия или щебня или путем добавления нового гравия или щебня с перемешиванием со старым материалом для улучшения его фракционного состава;
ремонт существующего гравийного или щебеночного покрытия и устройство нового слоя из материалов, обработанных органическими или минеральными вяжущими, и тем самым перевод дорожной одежды из переходного типа в дорожную одежду облегченного типа. В этом случае старая дорожная одежда становится основанием.
На рис. 22.30 приведена схема уширения с последующим усилением слоем асфальтобетона реконструируемой дорожной одежды переходного типа.

Рис. 22.30. Схема уширения и усиления переходного покрытия:
а - подготовка ровика для уширения; б - уширение и усиление при основании из щебня; в - то же, при основании уширения из камня; 1 - кирковка существующего покрытия на глубину 5-7 см; 2 - нижний слой старого покрытия (щебеночного, гравийного); 3 - песчаный слой; 4 - досыпка обочины и земляного полотна; 5 - песчаный слой уширения; 6 - уширение и утолщение старым щебнем; 7 - тоже новым щебнем; 8 - уширение основания камнем; 9 - новое покрытие из асфальтобетона
Встречается и такой вариант, когда существующая дорожная одежда из гравия или щебня полностью разбирается и заменяется новой. Такое решение обычно принимают в том случае, если существующее покрытие значительно разрушено, применен слабопрочный материал, который в процессе эксплуатации сильно загрязнен.
В каждом конкретном случае решение принимается после детального обследования и анализа состояния существующей дорожной одежды, в процессе которого определяют прочность дорожной одежды, фракционный зерновой состав каменного материала и его физико-механические показатели, содержание пылеватых и глинистых частиц, а для грунтов - число пластичности, влажность, гранулометрический состав и другие показатели.
С учетом фактических показателей состояния дорожной одежды, интенсивности и состава движения, грунтово-геологических и гидрологических условий определяют требуемую прочность и конструкцию дорожной одежды, а также способ использования старой дорожной одежды.
Простейший способ перестройки гравийного или щебеночного покрытия состоит в его сплошном выравнивании и усилении.
Технология работ включает следующие операции:
перестройку дорожной одежды в местах пучин, просадок, проломов и глубоких колей;
очистку поверхности покрытия от грунта, пыли, грязи и мусора;
киркование проезжей части на глубину наибольших неровностей, но не менее чем на 4-5 см. Перед киркованием в сухую погоду покрытие поливают водой в количестве 6-12 л/м2 и производят предварительное профилирование;
вывоз на покрытие новой гравийной или щебеночной смеси подобранного состава объемом 200-800 м3/км;
распределение смеси автогрейдером, профилирование и уплотнение;
подсыпку грунта на обочины, разравнивание и уплотнение.
Для усиления применяют гравийную или щебеночную смесь оптимального гранулометрического состава с размером зерен 0-20 мм или 0-40 мм, марка щебня из изверженных и метаморфических пород по прочности не ниже 600 для дорог V категории и 800 для дорог IV категории, а из осадочных пород соответственно 400 и 600. Марка гравия и щебня из гравия Др16 и Др12 для дорог V и IV категорий.
При невозможности получения из карьера гравийных смесей требуемого зернового состава их готовят в карьере или на месте (на дороге) путем добавления и тщательного перемешивания отдельных фракций.
В процессе уплотнения рекомендуется поливать материал водными растворами гигроскопических солей 20-30 %-ной концентрации с нормой расхода 2-3 л/м2. Это позволяет получить плотное, прочное, устойчивое и непылящее покрытие. Уплотнение производят вначале самоходными катками с гладкими вальцами массой 5-8 т (прикатка), а затем такими же катками массой 10 т и более (укатка). Окатанный гравийный материал старого покрытия уплотняется с большим трудом, поэтому в него добавляют 25-30 % дробленого гравия или щебня.
В настоящее время в процессе реконструкции дорог гравийные, щебеночные и другие типы переходных покрытий перестраивают в покрытия облегченного усовершенствованного типа с устройством слоев усиления или защитных слоев из материалов, обработанных вяжущими.
Технологический процесс реконструкции начинается с разбивки трассы и закрепления реперных точек, причем одновременно с этим проводится установка копирной струны для систем автоматического управления рабочими органами машин или монтаж лазерных систем на машины.
Далее технологический процесс включает рыхление слоя на проектную толщину или разрыхление только выступающих неровностей; профилирование слоя; обогащение разнопрочных материалов; устройство слоев усиления пропиткой или смешением; устройство поверхностной обработки или укладку слоя нового асфальтобетона.
После обогащения материал может быть уложен в слой либо обработан предварительно в установке вяжущими или вяжущими пропиткой или смешением на полотне дороги.
Использование машин, оснащенных автоматическими системами различного типа, не только повышает качество и производительность распределения и укладочных операций, но и в значительной степени (10-20 %) приводит к экономии материалов при обеспечении высокой точности (±3-5 мм) соблюдения геометрических параметров слоев.
Кроме этого, значительно повышается качество таких технологических операций, как разрыхление, перемешивание, уплотнение, так как постоянство геометрии слоя обеспечивает однородность и равномерность свойств материала в слое и ровность слоя.
Часто верхний слой реконструируемой дорожной одежды представляет собой дисперсный материал с остаточным слоем асфальтобетонного покрытия (3-4 см) (щебень, гравий, щебеночно-гравийные, песчано-гравийные смеси и т.д., в том числе обработанные вяжущими). Для последующего укрепления и усиления этого слоя требуется провести только его частичное киркование в неровных местах и распределение смеси под проектную отметку. В этом случае можно использовать автогрейдер с рыхлителем, однако более рационально применить профилировщик типа ДС-161. При этом за один проход обрабатывается слой шириной 3,5 м с ровностью ±5 мм, а излишний материал может быть отсыпан в валик на обочине или погружен в самосвал. Далее из самосвала материал может быть подсыпан в низких местах.
При необходимости обогащения материалов рабочие органы профилировщика устанавливаются на нижнем уровне слоя, то есть осуществляется за один проход киркование, измельчение и погрузка материала всего слоя в самосвал. Далее материал доставляется на классификатор барабанного типа, где разделяются прочный каменный материал, песок и глинистые частицы.
Применение профилировщика ДС-161, однопроходной грунтосмесительной машины ДС-162 с шириной обработки 3,5 м позволяет производить реконструкцию дорожной одежды без закрытия движения транспорта и без устройства объездной дороги. Эти машины могут выполнять весь цикл технологических операций на полотне дороги поточным методом, требуется только применение тяжелых катков для окончательного уплотнения и распределителей порошкообразных вяжущих типа ДС-159 (для цемента).
Смешение на дороге может выполняться машинами разных модификаций:
однопроходной грунтосмесительной машиной ДС-162 (рыхление, перемешивание с порошкообразными и жидкими вяжущими, дозирование и распределение жидких вяжущих, предварительное уплотнение за один проход);
профилировщиком ДС-161 (рыхление, перемешивание - собирание в валик и погрузка на систему транспортеров, отсыпка в валик - за первый проход, распределение смеси из валика в слой - за второй проход). Профилировщик при этом оснащается системой дозирования и распределения жидких компонентов;
профилировщиком ДС-161 (рыхление, сухое перемешивание, погрузка смеси в смеситель типа Д-370, где выполняется дозирование порошкообразных и жидких вяжущих, перемешивание смеси и выгрузка в виде валика на полотно дороги). При обратном проходе профилировщика производится распределение смеси из валика в слой.
Пропитка может осуществляться как органическими, так и неорганическими вяжущими.
Технология пропитки органическими вяжущими включает последовательное выполнение операций:
измельчение слоя указанными выше машинами;
подвоз и распределение вяжущего гудронатором;
подвоз и распределение фракций каменного материала мельче основной фракции материала в слой автогрейдером, прикатка катками и снова повторение технологических операций только с каменными материалами более мелких фракций.
Пропитку можно осуществлять на щебне марки не ниже 800 из изверженных пород и не ниже 600 из осадочных пород. Если обрабатываемый слой будет использоваться как основание, можно уменьшить марку щебня на одну ступень. Глубина обработки измельчения должна составлять 0,9 от проектной толщины, но не менее 1,5 размера максимальной фракции щебня при его содержании до 30 %. Объем каждой следующей фракции щебня составляет 0,9-1,1 м3 на 100 м2. Расход органического вяжущего составляет 1,0-1,1 л/м2 на каждый см толщины слоя, а для покрытия 1,5-2,0 л/м2 дополнительно. Особенности производства розлива вяжущего в несколько приемов следующие: 1-й розлив - 50 % (для битумной эмульсии 70 %), 2-й розлив - 30 %, 3-й розлив для битума 20 %. Битумная эмульсия рассчитывается на содержание битума.
Если щебень сухой (температура воздуха больше 20°С), его увлажняют (8-10 л/м2). Битум при этом можно применять только после подсыхания щебня, а эмульсию - сразу. Все работы по рассыпке и уплотнению щебня выполняют до остывания вяжущего. Движение можно открыть через 1-3 сут при использовании эмульсии и через 10 сут при использовании битума.
Пропитка щебеночных (гравийных) оснований пескоцементной смесью, приготовленной в установках типа ДС-50А, ДС-50Б, Д-370, ДС-174 или на бетонных заводах, осуществляется в двух основных режимах: сухом (смесь имеет влажность меньше оптимальной на 20-40 %) и переувлажненном (влажность больше оптимальной на 20-40 %). В первом случае щебень должен быть сухой, а во втором увлажненный, по норме 3-10 л/м2. Уплотнение может осуществляться разными катками в зависимости от необходимой толщины слоя пропитки: до 5 см - пневмошинным катком за 14-20 проходов по одному следу; до 7 см - вибробрусом профилировщика ДС-108 при одновременном распределении за один проход; до 10 см - виброкатком за 2-4 прохода по одному следу; до 17 см - кулачковым катком за 13-15 проходов по одному следу.
Смешение щебня с пескоцементной смесью можно выполнять по указанным выше технологиям профилировщиком ДС-161 или однопроходной грунтосмесительной машиной ДС-162. Причем в отличие от пропитки смесь применяется и распределяется с оптимальной влажностью, а в случае необходимости доувлажняется. Окончательное уплотнение осуществляется катками тяжелого типа (массой 10-18 т) за 1-3 прохода по одному следу, как и при применении органических или комплексных вяжущих при перемешивании. Однако если по слоям, обработанным органическими вяжущими, движение можно открывать через 1 сут (эмульсия) или 2-3 сут (битум), то для пескоцементной смеси - через 28 сут. Причем в течение этого времени необходимо осуществлять уход за слоем путем розлива эмульсии (0,6-0,8 л/м2) или россыпи песка с периодическим увлажнением.
Каменный материал или смесь с песком после обогащения могут быть уложены в слой без обработки вяжущими способами заклинки, то есть с добавками новых каменных материалов мелких фракций. Эта технология требует применения тяжелых катков массой 16-20 т (число проходов для катков статического типа не менее 30, комбинированных - 18 и для вибрационных - 12 проходов по одному следу), а также периодической поливки щебня водой 15-30 л/м2.
Обогащенный каменный материал, песок или их смесь, соответствующая ГОСТ 23558-94, могут быть обработаны органическим вяжущим в установке ДС-50А, ДС-50Б, ДС-174, на асфальтобетонных заводах. Такой черный щебень, черная ПГС могут быть уложены в слой методом заклинки, как и необработанный щебень. При использовании битумной эмульсии возможен вариант приготовления смеси в задел, то есть с укладкой в штабели. Высота штабеля 2,0-2,5 м и материал в них перелопачивается до тех пор, пока он не остынет. Очень важно обеспечить хороший водоотвод с уклоном не менее 20 ‰ на площадке под штабели и слоем песка не менее 6-8 см. Срок хранения смеси в штабеле 4-6 месяцев.
Слои из черного щебня можно устраивать при использовании анионных эмульсий при температуре больше 10°С, катионных больше 5°С, а обратных совместно с прямыми до минус 5°С. Движение по слоям начинают при использовании катионных эмульсий сразу, анионных во влажную погоду через 1-2 сут, в сухую - сразу.
Месторождения камня, гравия и песка должны удовлетворять следующим требованиям:
разведанные запасы, подлежащие разработке, должны быть не ближе 400-600 м от любых жилых зданий, дорог, газопроводов;
полезная толща не должна содержать линз и прослоек некачественных материалов;
предельное отношение толщи вскрыши к мощности полезного ископаемого не должно превышать 1:1 при разработке песчано-гравийных смесей и 1:1,5 - камня.
Для использования месторождения создают производственное предприятие - карьер. Карьеры подразделяются на промышленные и строительные.
Промышленные карьеры - постоянно действующие, капитально оборудованные предприятия, зачастую автоматизированные. Они снабжают дорожные стройки в радиусе 1000-1500 км. Промышленные карьеры, как правило, не подчинены дорожным хозяйствам.
Строительные карьеры - предприятия временного типа со сроком эксплуатации 1-3 года. Сооружения на таких карьерах временного типа, сборно-разборные и передвижные. Строительные карьеры бывают притрассовые и базисные. Притрассовые карьеры создают вблизи трассы строящейся автомобильной дороги. Базисные создают на мощных притрассовых месторождениях, удаленных от трассы. После окончания строительства эти карьеры часто используют для нужд эксплуатации дорог.
В практике дорожного строительства используют все виды карьеров. Целесообразность разработки того или иного карьера определяется следующими критериями: мощность запасов материалов, объем вскрышных работ, качество, дальность возки и себестоимость продукции франко-место потребления.
Несмотря на сравнительно высокую стоимость продукции строительных карьеров в сравнении с промышленными, их разработка целесообразна благодаря близости к местам потребления.
Разработке горных пород предшествуют изыскания месторождений песка, гравия и камня, которые подразделяются на следующие стадии: рекогносцировка, поиск, разведка.
Рекогносцировкой определяют район поиска. Отчет по рекогносцировке включает описание месторождения, глазомерный план или карту и служит только для планирования строительства.
При поиске устанавливают: ориентировочные запасы, ценность и пригодность материалов для строительства автомобильных дорог. Для поисковых работ используют топографическую карту крупного масштаба, геологические и геолого-литологические карты. При поисках делают выработки легкого типа (расчистки - неглубокие канавы).
Работы, проводимые после того, как поисками установлено наличие запасов, и имеющие целью всестороннее изучение месторождения, носят название разведки. Материалы разведки служат основой для расчета запасов месторождений. Метод разведки выбирается в зависимости от характера месторождения, вида полезного ископаемого и мощности пластов. Разведочные работы проводят при помощи контрольных шурфов и скважин. При бурении скважин вырезают карты.
Разведка гранитов ограничивается выяснением мощности вскрыши и зоны выветривания. Для этой цели на 100-метровой сетке закладывается сеть шурфов или скважин в толще покрывающих слой наносов. Центральные и несколько полевых шурфов углубляют до 1,5 м в нетронутый выветриванием гранит. При разведке больших месторождений гранита на площади 15-20 га проходят 4-5 скважин на полную мощность пласта полезного ископаемого, которая проектируется для разработки. Эти скважины выявляют однородность массива и наличие в нем жил.
При разведке месторождений известняков, состоящих из нескольких слоев полезного ископаемого и пропластов пустых пород между ними, сеть разработок сгущается. При расположении разведочного участка на берегу реки, склоне долин разведка упрощается за счет проведения ступенчатых расчисток, характеризующих месторождение.
Разведку гравийных месторождений рекомендуется производить шурфами, поскольку скважинами не обеспечиваются данные для характеристики месторождения. Для гравийных месторождений характерны значительные колебания мощностей полезной толщи и пустых пород. При разведке притрассового гравийного карьера площадью 1,5-2,0 га рекомендуется в зависимости от геологического строения местности закладывать от 4 до 8 выработок.
При разведке месторождений песка применяют проходку шурфов-скважин и дудок. Проходка шурфа-скважины заключается в том, что на всю мощность вскрыши и на глубину не более 2-3 м по полезному ископаемому делают шурф. Дальнейшее углубление и проходка полезного слоя производятся буровым снарядом диаметром не менее 9 мм. При однородных песках бурение допускается после углубления в полезную толщину на 0,5 м.
При разведке месторождения для притрассового карьера можно ограничиться разведкой верхних пластов. Глубина выработок в среднем составляет 3-4 м и не превышает 10 м. Если карьер расположен вблизи реки, необходимо, кроме определения условий залегания материалов, произвести определение горизонтов воды, установить затопляемость карьера, а следовательно, допустимую сезонность разработки карьера.
Производство разведочных работ сопровождается заполнением специального журнала. На одной странице журнала вычерчивают план и разрез проходимых пород, на другой странице записывают результаты наблюдений и вычислений. На плане, выполненном в масштабе 1:2000, наносят все шурфы, скважины и естественные обнажения. По данным журнала составляют геологические разрезы и планы залежей. По ним определяют, как залегает ископаемое и до какой глубины следует разрабатывать месторождение.
По степени разведанности месторождений, изученности качества полезного ископаемого различают запасы трех категорий: А, В, С с подразделением третьей категории на С1 и С2.
К категории А относят месторождения, запасы, качество и условия залегания которых полностью изучены и оконтурены буровыми скважинами или горными выработками. Эти сведения обеспечивают проектирование и построение на базе разведанного месторождения предприятия соответствующей мощности.
К категории В относят месторождения, запасы которых изучены без точного отображения пространственного положения каждого пласта.
Запасы, примыкающие к контурам запасов А и В и определенные на основании редкой сетки бурения, относят к категории С1. Качество и состав материала, условия разработки месторождения в данном случае изучены на основе отдельных проб и образцов. К категории С2 относят месторождения, предварительно оцененные на основе отдельных проб и образцов.
До разработки карьера, в соответствии с земельным законодательством Российской Федерации, должна быть подготовлена соответствующая документация: горноотводные документы, разрешение на право производства горных и буровых работ, на хранение взрывчатых материалов, план горных работ с пояснительной запиской и др.
Технологический процесс разработки месторождения состоит из следующих работ: подготовительных, вскрышных, добычных, транспортных и погрузочно-разгрузочных (рис. 23.1).

Рис. 23.1. Технологический процесс разработки месторождений:
I - удаление вскрыши; II - бурение скважин; III - закладка зарядов в скважину; IV - погрузочно-транспортные работы; 1 - скрепер; 2 - буровой станок; 3 - скважина; 4 - электропровод; 5 - передвижная электростанция с контрольным рубильником; 6 - блиндаж для укрытия; 7 - развал горной породы после взрыва; 8 - экскаватор; 9 - автомобиль-самосвал
Основными процессами при разработке месторождений являются добыча породы и транспортировка ее на камнедробильные заводы. Извлечение полезного ископаемого производят слоями. В результате разрабатываемый массив горных пород приобретает форму уступов. Каждый уступ (рис. 23.2) характеризуется высотной отметкой горизонта расположения на нем транспортных путей.
Поверхности, ограничивающие уступ по высоте, называют нижней и верхней площадками. Наклонную плоскость, ограничивающую уступ со стороны выработанного пространства, называют откосом уступа, а угол наклона уступа к горизонтальной плоскости - углом откоса уступа. Линии пересечения уступа с нижней и верхней площадками называют нижней и верхней бровками. Различают рабочие и нерабочие уступы. На рабочих уступах производят выемку горных пород, поэтому нижнюю площадку этого уступа называют рабочей. Здесь располагают выемочно-погрузочные машины и транспортные пути, необходимые для удаления полезного ископаемого.

Рис. 23.2. Элементы уступа горной выработки:
1 - верхняя и нижняя площадки; 2 - откос уступа; 3 - бровка вскрыши; 4 - вскрыша; 5 - развал взрывной породы; 6 - экскаватор; α - угол откоса уступа; β - угол откоса вскрыши; Hу - высота полезной толщи породы; h - высота уступа
Подготовленную для разработки часть уступа по длине называют фронтом работ уступа, поверхность горных пород в пределах уступа или развала, являющуюся объектом выемки - забоем. Для планомерной добычи породы и рационального использования строительных и транспортных машин месторождение разрабатывают слоями. Толщина и возможное число слоев зависят от мощности залежи и пустой породы, от параметров выемочно-погрузочного оборудования. Выемку слоев ведут последовательно сверху вниз независимо от направления напластования горных пород.
Залежи толщиной менее 2-3 м разрабатывают одним уступом. Наклоненные и крутопадающие залежи горизонтальной мощностью 20-40 м разрабатывают в несколько уступов, причем нарезка нового уступа связана с полной выемкой полезного ископаемого на вышележащем горизонте.
В технологию разработки скальных пород включены следующие процессы: вскрышные; буровзрывные; механическое рыхление горных пород; выемочно-транспортные с использованием одноковшовых экскаваторов, скреперов, бульдозеров, погрузчиков; подготовка горной массы в забое на передвижных камнедробильных установках крупного дробления для последующей отправки на камнедробильные заводы.
Вскрышные работы. Полезное ископаемое обычно закрыто слоем породы, непригодной для промышленного использования. Эту породу считают пустой и называют вскрышной.
Главным показателем эффективности горных разработок является соотношение извлекаемых объемов пустой породы и полезного ископаемого. Отношение объема пустой породы (в кубических метрах или тоннах) к объему полезного ископаемого называют коэффициентом вскрыши:
где (23.1)
Vв - объем вскрышных работ;
Vп - объем полезного ископаемого.
Вскрышные работы в месторождениях полезных ископаемых осуществляют открытым способом, используя различные технологические схемы с применением добычных и погрузочно-разгрузочных машин:
одноковшовыми экскаваторами (при большой толще пустой породы) и одноковшовыми погрузчиками. На вскрышных работах чаще применяются экскаваторы на гусеничном ходу. Пустую породу отвозят в автомобилях-самосвалах на внутренние отвалы (выработанное пространство карьера) или на внешние. Вскрышу разрабатывают горизонтальными слоями веерным продвижением фронта;
с применением буровзрывных работ, что зависит от прочности вскрышных работ;
с использованием бульдозеров и скреперов. Эту схему используют при небольшом объеме пустой породы. Дальность транспортирования породы определяется вместимостью ковша скрепера; с перемещением пустой породы в отвалы бульдозером с последующей ее погрузкой экскаватором или одноковшовым погрузчиком для транспортирования на внутренние или внешние отвалы;
гидромеханизированным способом.
Буровзрывные работы в карьерах. Буровзрывные работы являются весьма трудоемким и дорогостоящим процессом добычи полезного ископаемого. Затраты на их выполнение составляют 20-30 % себестоимости щебня. Отличительная особенность ведения буровзрывных работ в карьерах обусловлена широким диапазоном горных пород, гидротехнических условий разработки. Поэтому особую важность при эксплуатации месторождений приобретает выбор рациональных и экономичных способов бурения и взрывания. Буровыми работами называют комплекс работ по бурению скважин и шпуров, то есть выработок цилиндрической формы, получаемых путем механического или физического воздействия на горные породы. По характеру разрушения породы в шпурах или скважинах различают два способа бурения: механический и термический. Наибольшее применение нашли способы механического бурения: ударный, вращательный и ударно-вращательный (рис. 23.3).

Рис. 23.3. Способы бурения: а - ударный; б - вращательный; в - ударно-вращательный; г - термический; 1 - резец; 2 - пневмоударник; 3 - штанга; 4 - электродвигатель; 5 - реактивная горелка; 6 - шарошка
При ударном бурении инструмент, заточенный в виде клина, наносит удар по забою шпура или скважины и образует в ней соответствующей формы углубление - вруб. Буровой инструмент, будучи повернут после каждого удара на некоторый угол, постепенно разрабатывает все сечения шпура или скважины.
При вращательном бурении разрушение породы происходит за счет движения бурового инструмента, имеющего форму резца, по винтовой линии. При этом лезвие бура скалывает или срезает с поверхности забоя тонкий слой породы.
Агрегат ударно-вращательного типа состоит из станка и погрузочного пневмоударника. Станки для бурения (табл. 23.1) служат для вращения бурового стана, для подачи его к забою скважин с определенным осевым давлением и подачи сжатого воздуха к пневмоударнику, находящемуся в скважине.
Таблица 23.1
Станки для бурения скважин
|
Показатели |
Ударно-вращательные |
Вращательные |
|||||
|
БМК |
СБМК |
БМК-115 |
Урал-64 |
БТС-2 |
БСШ-24 |
БСВ-3 |
|
|
Глубина бурения, м |
35 |
35 |
50 |
19 |
30 |
24 |
21 |
|
Угол бурения к горизонту, град. |
0-90 |
0-120 |
90-60 |
90-60 |
0-90 |
60-90 |
90 |
|
Диаметр колонки долота, мм |
105 |
105 |
110 |
155 |
150 |
190 |
214 |
|
Расход воздуха, м3/мин |
4,2 |
4,2 |
4,2 |
14,4 |
9,0 |
18,0 |
11,2 |
|
Установленная мощность, кВт |
2,8 |
13,8 |
10,0 |
180,0 |
74,0 |
170,0 |
166,0 |
|
Масса станка, т |
0,336 |
3,2 |
4,5 |
29,0 |
19,7 |
41,0 |
30,0 |
|
Габаритные размеры, м: длина ширина высота с подъемной мачтой |
0,6 0,4 2,7 |
3,10 1,85 2,30 |
4,0 2,2 5,3 |
7,98 4,07 23,9 |
- - - |
7,65 4,29 41,0 |
5,55 3,18 30,0 |
При термическом бурении (рис. 23.3) под воздействием горячих газов (2200-3500°С), направленных на забой скважин, порода разрушается и выносится на поверхность в виде мельчайших частиц. Для бурения применяют горелку в виде реактивного сопла, опускаемую в скважину. Горячей смесью служат керосин и кислород. Горелку охлаждают водой, которая под действием высоких температур переходит в пар и выносит на поверхность разрушенную породу. Диаметр пробуриваемых скважин 120-500 мм, глубина бурения 8-20 м. Термическое бурение обеспечивает высокие скорости 6,5 м/ч в весьма крепких горных породах при выполнении больших объемов по добыче камня.
Метод шпуровых зарядов используют при небольшом объеме взрывных работ и в тех местах, где неприемлемы другие методы. Для бурения шпуров применяют перфораторы (табл. 23.2).
Таблица 23.2
Техническая характеристика перфораторов
|
Показатели |
Модель перфораторов |
|||||||
|
ПР-30л |
ПР-18л |
ПР-10 |
ПР-13 |
ПР-30 |
ПР-24 |
ПР-35 |
ПА-23 |
|
|
Число ударов в минуту |
1700 |
2500 |
3750 |
2800 |
1550 |
2700 |
1690 |
1865 |
|
Диаметр поршня, мм |
70 |
85 |
62 |
60 |
75 |
85 |
72 |
68 |
|
Ход поршня, мм |
68 |
35 |
25 |
35 |
74 |
43 |
55 |
50 |
|
Длина, мм |
3,0 |
2,5 |
1,9 |
1,8 |
2,5 |
3,5 |
2,65 |
2,35 |
|
Расход воздуха, м3/мин |
650 |
610 |
470 |
500 |
520 |
610 |
638 |
620 |
|
Масса перфоратора, кг |
31 |
18 |
11 |
13 |
30 |
26 |
28 |
23 |
Производительность перфоратора зависит от квалификации обслуживающего персонала и исправности оборудования, группы породы, формы головки на буре и качества стали, типа бурильного молота, начального диаметра шпура и давления сжатого воздуха.
Взрывные работы. После готовности шпуров или скважин производят их заряжение взрывчатым веществом (ВВ) и последующее взрывание. Заряжение - процесс размещения заряда ВВ в зарядной камере или на поверхности разрушаемого объекта. Метод камерных зарядов используют при высоте уступа не менее 12-15 м, угле откоса не менее 50 градусов.
Зарядная камера может быть выполнена в виде шпура, скважин, котлового шпура, рукава и шурфа. Достоинством метода камерных зарядов являются высокая производительность труда на взрывных работах и сокращение числа взрывов. К недостаткам следует отнести трудоемкость подготовительных работ, возникновение сейсмических колебаний, трудность ликвидации отказов.
В карьерах чаще всего для взрывных работ используют следующие ВВ: аммониты, порох, аммиачную селитру, оксиликтвиты и др. (см. разд. 7.3).
Способы взрывания (детонирующим шнуром, огневой и электрический и электроогневой) описаны в разд. 7.3.
Выемка и погрузка горной породы. После взрыва из развала погрузка рыхлой породы производится экскаватором на автомобили-самосвалы, самоходные тележки, железнодорожный подвижной состав или через бункеры на транспортеры.
Размеры развала (рис. 23.4) - поперечная форма, ширина В и высота Нр зависят от свойств породы в массиве, массы зарядов ВВ, расположения их относительно откоса уступа и в значительной степени от схемы коммуникации скважинных зарядов.

Рис. 23.4. Схема и параметры развала породы, разрыхленной взрывом:
Ну - высота уступа; Hр - высота развала; α - угол уступа; А - ширина взрываемой части уступа; В - полная ширина развала взорванной породы; С - ширина развала разрыхленной взрывом породы
При выборе экскаватора с прямой лопатой (рис. 23.5) максимальную ширину заходки выбирают равной: для рыхления мягких пород - 1,5 радиуса черпания экскаватора на уровне стоянки; для скальных пород, разрыхленных взрывом, при железнодорожном транспорте - 1,7 радиуса черпания, при автомобильном 1,5-1,7. Для бесперебойной работы экскаватора необходимо иметь запас разрыхленной горной породы не менее чем на 10 сут работы.
В карьерах при разработке горных пород целесообразно применение скреперов для выполнения основных и вспомогательных технологических процессов. Колесные скреперы следует применять на вскрышных и рекультивационных работах, на снятие, транспортирование и складирование почвенного слоя.
Расстояние поставки породы к транспортным устройствам или в бункеры перерабатывающих установок должно быть оптимальным. Оптимальная дальность транспортирования горной массы скреперами приведена в табл. 23.3.
В карьерах применение бульдозеров целесообразно при перемещении породы на расстояние до 100 м. В автомобили-самосвалы горную массу загружают бульдозером через специальный помост, а при большой разности отметок - через лоток.

Рис. 23.5. Схема выемки и погрузки взорванных пород в автомобили-самосвалы экскаватором с прямой лопатой:
1 - ось передвижения экскаватора; 2 - ось движения автомобилей-самосвалов; RП - радиус погрузки экскаватора; I-III - номера экскаваторных заходок
Таблица 23.3
|
Скреперы |
Вместимость ковша, м3 |
Наибольшая эффективность дальности транспортирования, м |
|
Прицепные |
3 |
300 |
|
6-7 |
400 |
|
|
8-10 |
600 |
|
|
Самоходные |
8-10 |
1500 |
|
15 |
2500 |
Для гидромеханического способа разработки обводненных и подводных песчано-гравийных месторождений применяют гидромониторы и землесосные снаряды. Гидромеханический способ разработки песчаных пород имеет ряд ограничений и может быть эффективным при наличии экономичного источника энергии и воды, естественного уклона местности, обеспечивающего перемещение гидросмеси самотеком по лоткам или каналам.
Залежи обломочных горных пород, состоящие из смеси песка более 50 %, гравия и валунов, называют песчано-гравийными месторождениями. При содержании песка в смеси менее 50 % месторождения называют гравийно-песчаными.
Песок и гравий для дорожного строительства должны соответствовать требованиям, устанавливаемым государственными стандартами, регламентирующими: размер фракций готовой продукции, содержание слабых включений, глинистых и пылеватых частиц, морозостойкость и форму зерен.
Гравийный материал получают сортировкой природных гравийно-песчаных смесей. Для дорожного строительства применяют гравий размерами зерен 5-10, 10-20, 20-40, 40-70 мм. Содержание слабых разновидностей пород не должно превышать 10 % по массе. Количество глинистых, илистых и пылеватых частиц не должно превышать 1 %. Гравий не должен содержать больше 15 % зерен пластинчатой или игольчатой формы.
Технология разработки песчано-гравийных месторождений зависит от наличия в них крупнообломочного материала и прослоек различных пород. На песчано-гравийных карьерах чаще всего применяют продольные, поперечные и реже кольцевые схемы разработки. Наиболее широко применяются для разработки песчано-гравийных месторождений экскаваторы, погрузчики и бульдозеры. На больших карьерах эффективно используют гидромеханизацию разработок.
Добыча горных пород с использованием гидромониторов применяется при разработке необводненных карьеров и наличии соответствующего источника воды и электроэнергии.
При гидромониторной добыче большое значение имеет интенсивность разлива (объем воды, расходуемой на 1 м3 породы), которая зависит от характера добываемых пород, высоты забоя, угла направления струи. Характер добываемых пород, их зерновой состав, наличие глинистых частиц влияет на величину размыва. Увеличение содержания глинистых примесей снижает потребное количество воды на размыв. Максимальное допустимое расстояние от гидромонитора до забоя зависит от насадки монитора.
При увеличении этого расстояния интенсивность смыва уменьшается. При увеличении расстояния гидромонитора от забоя с 5 до 30 м сила удара струи снижается в 1,5-2 раза.
Для нормальной работы гидромониторов необходимо своевременно производить их перестановку, не допуская удаления насадки от забоя на предельное расстояние для данных условий. Переставлять гидромониторы следует при связных грунтах примерно через 6 м, при несвязных через 12 м каждый раз на одинаковое расстояние. Кроме работающих гидромониторов рекомендуется иметь резервные, которые работают в период перестановки оборудования и перемещения рабочих на новую захватку. В карьерах дорожно-строительных материалов можно ограничиться одним резервным гидромонитором. Для повышения производительности устраивают двойную подводящую линию к каждому гидромонитору. Основная магистраль, подводящая воду, соединяется с монитором гибким шлангом. Это приспособление позволяет передвигать гидромониторы почти без перерыва в работе. Транспортирование смеси на перерабатывающие предприятия осуществляют автомобильным или конвейерным транспортом.
На отдельных стационарных карьерах для более полного использования дорожно-строительного оборудования, освобождающегося в зимнее время, заготавливают каменные материалы зимой. Разработка песчано-гравийных месторождений в зимнее время вызывает ряд сложностей, из которых наиболее серьезное - промерзание породы. Наиболее простой способ борьбы со смерзанием породы - создание на площади, подлежащей разработке, искусственного снегового покрова толщиной 1-1,5 м. Используются также вспашка поверхности на глубину 30-50 см и укрытия месторождения теплоизоляционными материалами (солома, мох, опилки и др.).
При круглогодичной разработке песчано-гравийного месторождения с разным содержанием глинистых частиц и каменных материалов целесообразна разработка отдельных частей месторождения. В зимнее время следует разрабатывать наиболее богатую часть, содержащую меньше глинистых частиц.
При разработке обводненных песчано-гравийных месторождений без предварительного осушения выполняют только выемку и складирование полезного ископаемого в штабель для обезвоживания и доведения его до естественной влажности.
В притрассовых карьерах для дробления и сортировки каменных материалов широкое применение находят передвижные дробильно-сортировочные установки (ПДСУ). Установки включают один или нескольких агрегатов и в зависимости от назначения производят одно- или многостадийное дробление, мойку и сортировку щебня или гравия по фракциям.
Несмотря на относительно высокую стоимость по сравнению со стационарными агрегатами, при небольших объемах производства применение ПДСУ экономически более выгодно, так как они позволяют сократить сроки монтажа и пуска установок за счет сокращения объемов строительно-монтажных и пусконаладочных работ.
Практика показывает, что при производительности до 50 тыс. м3 готовой продукции в год и при размере наибольшего куска породы до 340 мм дробление и сортировку каменных материалов целесообразно производить в ПДСУ-35 (табл. 23.4), состоящей из двух агрегатов: агрегата среднего дробления СМД-186 с приемным бункером, пластинчатым питателем и щековой дробилкой СМД-109; агрегата мелкого дробления с конусной дробилкой СМД-119, работающей в замкнутом цикле, и виброгрохотом СМ-742 (рис. 23.6).
Установка обычно выпускает две фракции щебня (5-20 и 20-40 мм) и отсевы дробления (0-5 мм). Для транспортирования готовой продукции на склад установку снабжают тремя ленточными транспортерами.
При производительности готовой продукции до 200 тыс. м3 в год и при размере наибольшего куска породы до 500 мм дробление и сортировку каменных материалов целесообразно производить с помощью многоагрегатной установки ПДСУ-85 (см. табл. 23.4), состоящей из нескольких отдельных дробильных, сортировочных и вспомогательных агрегатов, выполняющих отдельные операции (рис. 23.7).
В состав установки входят, загрузочный агрегат ТК-18 с приемным бункером и пластинчатым питанием, агрегат крупного дробления СМД-133А с щековой дробилкой СМД-110; агрегат среднего дробления СМД-131 с щековой дробилкой СМД-108; агрегат мелкого дробления СМД-134 с конусной дробилкой СМД-120; агрегат сортировки СМД-174 с виброгрохотом СМД-148; передвижной ленточный транспортер СМД-151 с лентой шириной 600 мм; передвижной ленточный транспортер СМД-152 с лентой шириной 800 мм.
Таблица 23.4
Техническая характеристика передвижных дробильно-сортировочных установок
|
Показатели |
ПДСУ-85 с агрегатом |
ПДСУ-35 с агрегатом |
||
|
крупного дробления (СМД-133А) |
среднего дробления (СМД-131А) |
среднего дробления (СМД-186) |
мелкого дробления и сортировки (СМД-187) |
|
|
Производительность при номинальной ширине выходной щели, м3/ч, не менее |
85 |
44 |
35 |
35 |
|
Ширина выходной щели, мм |
130х) |
40хх) |
40-90 |
12-35 |
|
Наибольший размер загружаемого куска, мм, не более |
500 |
210 |
340 |
90 |
|
Мощность двигателя, кВт, не более |
75 |
90 |
55 |
50 |
|
Предел прочности дробимого материала , МПа (кгс/см2) |
300 (3000) |
300 (3000) |
300 (3000) |
300 (3000) |
|
Габаритные размеры, мм: длина ширина высота |
11000 3500 4500 |
8600 3200 3300 |
11000 3700 4600 |
12000 4000 4500 |
|
Масса агрегата, т |
30,0 |
25,5 |
23,0 |
14,0 |
|
Оборудование, входящее в состав агрегатов |
Дробилка щековая СМД-110А, агрегат загрузочный ТК-16 |
Дробилка щековая СМД-108А (2), агрегат сортировочный СМД-174 |
Дробилка щековая СМД-109А |
Дробилка конусная КСД-600, СМ-561А, грохот ГСС-32 |
|
Рама с ходовыми тележками и системой тормозов, электрооборудование с пультом для дистанционного управления |
||||
Примечания: х) рекомендуемая; хх) номинальная.

Рис. 23.6. Технологическая схема переработки каменных материалов на ПДСУ-35

Рис. 23.7. Технологическая схема переработки каменных материалов на ПДСУ-85
Основные каменные дорожно-строительные материалы получают путем переработки горных пород на камнедробильных заводах (КДЗ). Переработка состоит из дробления, сортировки, промывки и обогащения щебня, гравия, песка.
Дробление и измельчение - уменьшение размеров кусков (зерен) горной массы посредством механического разрушения. Принято считать, что при дроблении получают продукты преимущественно крупные, а при измельчении менее 0,5 мм. Для измельчения используют мельницы (шаровые, стержневые), а для дробления - дробилки (щековые, конусные, валковые, молотковые).
Сортировка (грохочение) - разделение продуктов переработки по крупности на грохотах.
Промывку щебня и гравия производят с целью удаления комовой глины, пылеватых и глинистых частиц. Промывку производят на грохотах или в машинах - мойках.
Классификацию и обогащение песков используют для доведения зернового состава до требований Государственных стандартов, выполняя эти операции в гидроклассификаторах и гидроциклонах.
Обогащение щебня и гравия по прочности производят в отсадочных машинах, механических классификаторах, установках для обогащения в тяжелых средах. Обогащение щебня по форме зерен предназначено для получения щебня кубовидной формы. Эту операцию производят избирательно сортировкой на щелевидных ситах, грануляцией щебня в роторных дробилках ударного действия и в барабанах-грануляторах.
Обезвоживание каменных материалов производится для снижения влажности материала до заданного значения, определяемого местом операции обезвоживания в технологическом процессе. Песок обезвоживают в спиральных классификаторах, а щебень и гравий на виброгрохотах.
Производство щебня заключается в последовательном выполнении приведенных операций, составляющих технологический процесс получения каменных материалов.
Выпуск ассортимента готовой продукции зависит от включения в технологическую схему определенного количества операций сортировки и классификации, дробления, промывки и обогащения. Для выбора технологической схемы переработки полезного ископаемого необходимо иметь следующие данные: характеристику исходной горной породы; прочностной и зерновой состав; ассортимент готовой продукции; климатические условия района строительства.
Выбор способов дробления. Способ дробления горной породы зависит от физико-механических свойств дробимого материала и крупности его кусков. Способность горных пород противостоять разрушению зависит от прочности, наличия трещин, способов воздействия на них разрушающих усилий. Наибольшее сопротивление горные породы оказывают раздавливанию, меньшее - изгибу и особенно растяжению.
В настоящее время применяют дробилки, работающие главным образом по принципу раздавливания и удара при добавочных истирающих и изгибающих воздействиях на дробимый материал.
Технологические схемы камнедробильных заводов (КДЗ) многообразны и зависят в первую очередь от прочности камня и загрязнения вредными примесями. При выборе технологической схемы производства на КДЗ учитывают тип перерабатываемой горной породы (рис. 24.1):
I - однородные магматические горные породы (граниты, диориты, сиениты и др.) с пределом прочности при сжатии 600 МПа и более, метаморфические (осадочные) породы с прочностью 60-250 МПа;
II - прочные однородные осадочные породы с пределом прочности при сжатии 60-200 МПа;
III - неоднородные малоабразивные породы с прочностью 10-150 МПа с содержанием трудно-промываемых включений.
Степень дробления и измельчения. Количественной характеристикой процесса дробления служит степень дробления, показывающая, во сколько раз уменьшились куски материала при дроблении или измельчении. Со степенью дробления связаны расходы энергии и производительность дробилок. Степень дробления i определяется по формуле
где (24.1)
- наибольший диаметр куска до дробления;
- наибольший диаметр куска после
дробления.
Для конкретных дробилок в технических паспортах приводится график выходов сортов щебня в зависимости от ширины выходной щели дробилки для условно принятой плотности горной породы. Например, для получения размера щебня 20 мм при куске, подаваемом в дробилку размером 800 мм, i = 800/20 = 40. Это значит, что кусок надо раздробить на 40 частей.
Получение таких высоких степеней дробления в одной дробилке практически невозможно, поскольку каждая дробилка работает только при ограниченной степени дробления. Рационально дробить материал от большего размера до требуемого в нескольких последовательно расположенных дробилках (рис. 24.2).

Рис. 24.1. Технологическая схема дробления, сортировки, промывки:
I - при переработке особо прочных чистых пород; II - при переработке осадочных пород; III - неоднородные малогабаритные породы; знак + означает размер зерен крупнее указанного

Рис. 24.2. Схемы дробления: I - одностадийная; II - двухстадийная; III - трехстадийная; 1 - грохот; 2 - конусная дробилка; 3 - щековая дробилка; 4 - валковая дробилка
Степень дробления, получаемую в каждой стадии, называют частной, во всех стадиях - обшей степенью дробления.
В материалах, поступающих на дробление, всегда имеются куски мельче того размера, до которого идет дробление в данной стадии. Такие куски выделяют из исходного материала исходя из принципа «не дроби ничего лишнего». Дробилки могут работать в открытом или замкнутом циклах. При открытом цикле материал проходит через дробилку один раз и в конечном продукте всегда присутствует некоторое количество кусков избыточного размера. При замкнутом цикле материал неоднократно проходит через дробилку. Раздробленный материал подается на грохот, выделяющий из него куски избыточного размера, которые возвращаются для повторного дробления в ту же или вторичную дробилку.
Качественные и количественные схемы дробления. Для лучшего представления о технологическом процессе работы КДЗ составляется количественно-качественная схема дробления (рис. 24.3).
Количественная схема показывает, как каменный материал, доставляемый на КДЗ общим потоком, делится на частные потоки - фракции. По количественной схеме можно определить выход тех или иных фракций в процентах от общего потока. Качественная схема содержит сведения о размерах фракций, качестве материала и режиме переработки на отдельных участках процесса. Схема цепи аппаратов показывает перемещение материала в процессе переработки и сведения об аппаратах, выполняющих отдельные операции. В практике наибольшее применение получило двухстадийное (двухступенчатое), затем одностадийное и реже трех-, четырехстадийное дробление. При выборе такой схемы учитывают тип перерабатываемой горной породы (I, II и III).

Рис. 24.3. Количественно-качественная схема переработки камня
Для выбора технологической схемы проводят технологические исследования сырья с целью определения эффективных способов его обогащения. При переработке пород третьего типа применяют технологические схемы, включающие обогащение способами избирательного дробления на роторных дробилках ударного действия и многократное исключение из процесса слабых разновидностей. Учитывая, что отходы составляют 40-50 % важно предусмотреть комплексное использование сырья и утилизацию отходов.
Механизация технологических процессов. Основное технологическое оборудование для производства щебня из природного камня: камнедробилки, дробильно-сортировочные установки, грохоты, мельницы. К вспомогательному оборудованию относят бункеры, течки и др.
Технологическое оборудование для дробления и измельчения по технико-конструктивным признакам и основному методу дробления, производимому в них, подразделяются на пять классов: дробилки щековые, конусные, валковые, ударно-молотковые роторные, барабанные мельницы.
Процесс разрушения материалов в щековых дробилках производится раздавливанием, а в некоторых конструкциях частично и истиранием между дробящими плитами - подвижными и неподвижными щеками. Промышленность выпускает щековые дробилки с простым (рис. 24.4) и сложным (рис. 24.5) движением подвижной щеки относительно оси подвеса. Щековые дробилки отличаются простотой конструкции и несложным уходом при эксплуатации. К недостаткам этих дробилок следует отнести большую массу движущихся деталей, что предопределяет необходимость устройства массивных фундаментов для их монтажа. Техническая характеристика щековых дробилок приведена в табл. 24.1 и 24.2.
Щековые дробилки служат для измельчения пород средней и большой твердости и в зависимости от размеров приемного отверстия (160×250-2100×2500 мм) применяются как на первой, так и на последующих стадиях дробления. Производительность их при дроблении пород средней твердости достигает 300 м3/ч.

Рис. 24.4. Щековая дробилка с простым движением щеки:
1 - станина; 2 - футеровка боковых стенок; 3 - ось; 4 - подвижная щека; 5 - шатун; 6 - эксцентриковый вал; 7 - пружина; 8 - задний упор; 9 - распорные плиты; 10 - тяга; 11 - неподвижная дробящая плита

Рис. 24.5. Щековая камнедробилка со сложный движением щеки:
1 - передняя стенка станины; 2 - защитный кожух; 3 - подвижная щека; 4 - эксцентриковый вал; 5 - задняя балка; 6 - тяга; 7 - пружина; 8 - распорная плита; 9 - подвижная плита; 10 - неподвижная плита
Таблица 24.1
Техническая характеристика щековых дробилок отечественного производства
|
Показатели |
Дробилки со сложным движением щеки |
Дробилки с простым движением щеки |
|||||
|
ДЩ-180 |
СМ-165А |
СМ-166А |
СМ-16Д |
СМ-204Б |
СМД-59А |
СМД-60А |
|
|
Размеры приемного отверстия, мм |
180×250 |
160×250 |
250×900 |
600×900 |
600×900 |
1200×1500 |
1500×2100 |
|
Наибольшая крупность исходного материала, мм |
170 |
140 |
210 |
510 |
510 |
1000 |
1300 |
|
Угол захвата, град, не более |
15 |
15 |
15 |
19 |
19 |
20 |
20 |
|
Номинальная выходная щель, мм |
30 |
30 |
40 |
100 |
100 |
150 |
180 |
|
Минимальный диапазон изменения выходной щели, %, не менее |
+50 |
+50 |
+50 |
+30 |
+50 |
+25 |
+25 |
|
Производительность при номинальной щели, м3/ч |
1,5 |
2,8 |
14 |
55 |
50 |
280 |
550 |
|
Мощность электродвигателя, кВт, не более |
7,5 |
10 |
40 |
75 |
75 |
160 |
250 |
|
Масса камнедробилки без электродвигателя, кг |
1100 |
1500 |
8000 |
20000 |
27000 |
140000 |
240000 |
|
Габаритные размеры, мм, не более: длина |
1800 |
1000 |
1700 |
2700 |
3900 |
6400 |
7500 |
|
ширина |
930 |
1000 |
1700 |
2600 |
2500 |
6800 |
7000 |
|
высота |
1100 |
1100 |
2300 |
2500 |
3000 |
5000 |
6000 |
Конусные дробилки (рис. 24.6) служат для измельчения каменных материалов средней и большой твердости и предназначены для крупного и мелкого дробления. Процесс дробления в них в отличие от щековых дробилок происходит непрерывно. Отечественные дробилки имеют ширину загрузочного кольцевого отверстия 300-1500 мм и нижний диаметр внутреннего дробящего конуса 600-2100 мм. Максимальная крупность загружаемых в дробилку камней не должна превышать 75-80 % ширины загрузочного отверстия.
Техническая характеристика конусных дробилок отечественного и зарубежного производства приведена в табл. 24.3 и 24.4.
Для получения щебня кубовидной формы обычно применяются специальные конусные дробилки или дробилки ударного действия. Последние позволяют получить щебень, форма зерен которого наиболее близка к кубовидной. Применение этих дробилок связано с большими расходами на изнашивающиеся части и повышенным выходом отсевов дробления.
Таблица 24.2
Техническая характеристика щековых дробилок зарубежного производства
|
Производитель, страна |
Модель |
Наибольший размер загружаемого материала, мм |
Производительность, м3/ч |
Установленная мощность, кВт |
Габаритные размеры, мм |
Масса, кг |
|
Nordberg, Финляндия |
С 63 |
400 |
40-100 |
45 |
1950×1390×1600 |
6050 |
|
С 80 |
500 |
65-290 |
75 |
2020×1565×1700 |
7520 |
|
|
С 100 |
600 |
150-420 |
110 |
2880×2250×2400 |
20100 |
|
|
С 125 |
950 |
290-600 |
160 |
3370×2690×2900 |
36700 |
|
|
С 140 |
950 |
385-725 |
200 |
3645×2890×3060 |
45300 |
|
|
С 160 |
1050 |
520-980 |
250 |
4200×3180×3550 |
68400 |
|
|
С 200 |
1150 |
760-1225 |
400 |
4870×3890×4220 |
118400 |
|
|
Alta, Чехия |
Щековые дробилки с простым качанием щеки |
|||||
|
DCD 500×400 |
320 |
14-30 |
30 |
- |
3600 |
|
|
DCD 630×500 |
400 |
18-40 |
40 |
- |
6600 |
|
|
DCD 800×630 |
500 |
45-125 |
75 |
н/д* |
19100 |
|
|
DCD 1000×800 |
640 |
100-180 |
90 |
н/д |
37000 |
|
|
DCD 1250×1000 |
800 |
150-285 |
132 |
н/д |
68500 |
|
|
DCD 1600×1250 |
1000 |
210-420 |
160 |
н/д |
116800 |
|
|
Alta, Чехия |
Щековые дробилки со сложным качанием щеки |
|||||
|
DCI 500×300 |
250 |
15-50 |
30 |
н/д |
3200 |
|
|
DCI 600×180 |
160 |
17-68 |
40 |
н/д |
5800 |
|
|
DCI 700×500 |
410 |
30-140 |
40 |
н/д |
5500 |
|
|
DCI 800×630 |
570 |
43-105 |
55 |
н/д |
17100 |
|
|
DCI 1100×800 |
720 |
145-250 |
90 |
н/д |
31700 |
|
|
DCI 1600×1250 |
1100 |
260-480 |
160 |
н/д |
92100 |
|
|
Westfalia&Braun, Германия |
ВВ 0707 |
500 |
50-70 |
105 |
7350×2500×2500 |
24000 |
|
ВВ 1414 |
800 |
300-800 |
222 |
9200×7500×3900 |
65000 |
|
|
ВВ 0707 М |
500 |
50-70 |
105 |
н/д |
28500 |
|
|
ВВ 1010 М |
640 |
80-150 |
120 |
н/д |
36000 |
|
|
Komatsu, Япония |
BR 100 J |
500 |
12-25 |
40 |
3850×7200×2295 |
9200 |
|
BR 300 J |
1000 |
43-130 |
114 |
7570×2950×3525 |
28000 |
|
|
BR 310 G |
1000 |
52-156 |
114 |
8140×2905×3100 |
30000 |
|
|
BR 350 SR |
1000 |
100-400 |
118 |
12675×4225×4760 |
30000 |
|
* н/д - нет данных

Рис. 24.6. Конусные дробилки: а - с крутым конусом; б - с пологим конусом; 1 - внешний неподвижный конус; 2 - внутренний подвижный конус; 3 - шаровая пята; 4 - траверса; 5 - наклонный желоб; 6 - ось; 7 - коническая передача; 8 - эксцентриковый стакан; 9 - станина; 10 - питатель; 11 - шаровой подпятник
В России для получения кубовидного щебня эксплуатируются конусные дробилки ведущих мировых производителей: Parker (Великобритания), Nordberg (Финляндия), Svidala (Швеция), Alta (Чехия) и др. Эти дробилки оборудованы гидросистемами защиты от перегрузки и регулировки рабочего зазора, отличаются высокой надежностью, сравнительно низкой стоимостью эксплуатации и хорошей формой выпускаемого материала.
Таблица 24.3
Техническая характеристика конусных дробилок отечественного производства для среднего и малого дробления
|
Показатели |
КСД-600 |
КСД-900 |
КСД-200Гр |
КСД-750Гр |
КСД-2000Гр |
|
Диаметр основания дробящего конуса, мм |
600 |
900 |
1200 |
1750 |
2200 |
|
Наибольший размер загружаемого материала, мм |
90 |
120 |
150 |
200 |
250 |
|
Размер выходной щели, мм |
12-35 |
15-40 |
20-50 |
25-60 |
15-30 |
|
Длина параллельной зоны, мм |
50 |
70 |
110 |
150 |
250 |
|
Мощность электродвигателя, кВт |
30 |
55 |
75 |
160 |
200-250 |
|
Масса без электрооборудования и системы смазки, кг |
4500 |
11600 |
24000 |
47000 |
80500 |
|
Габаритные размеры, мм: длина |
2400 |
2800 |
3300 |
3850 |
5000 |
|
ширина |
1600 |
2500 |
2200 |
3050 |
3300 |
|
высота |
1600 |
2400 |
3500 |
4400 |
5100 |
Таблица 24.4
Техническая характеристика конусных дробилок зарубежного производства
|
Производитель |
Модель |
Наибольший размер загружаемого материала, мм |
Производительность, м3/ч |
Установленная мощность, кВт |
Размеры конуса, Æ, верх/низ, мм |
Масса, кг |
|
Nordberg, Финляндия |
GP 100 S |
170-210 |
85-225 |
75-90 |
2328×1360 |
7510 |
|
GP 200 S |
210-280 |
140-360 |
110-160 |
2461×1540 |
10600 |
|
|
GP 300 S |
240-320 |
170-440 |
132-250 |
2546×1820 |
16000 |
|
|
GP 500 S |
320-420 |
370-1000 |
200-315 |
3227×2372 |
32000 |
|
|
GP 100 |
32-120 |
35-115 |
75-90 |
2038×1320 |
5700 |
|
|
GP 300 |
32-210 |
95-375 |
160-250 |
2181×1820 |
13100 |
|
|
GP 500 |
32-170 |
160-565 |
250-315 |
2573×2140 |
22500 |
|
|
HP 100 |
20-125 |
45-140 |
90 |
1505×1290 |
5400 |
|
|
HP 200 |
70-170 |
90-250 |
132 |
1952×1630 |
10400 |
|
|
HP 300 |
100-220 |
115-440 |
220 |
2207×1865 |
15810 |
|
|
HP 400 |
110-270 |
140-580 |
315 |
2370×2055 |
23000 |
|
|
HP 500 |
110-320 |
175-725 |
355 |
2730×2290 |
33150 |
|
|
HP 700 |
200-320 |
260-980 |
550 |
3500×3335 |
64100 |
|
|
Alta, Чехия |
KOH 750 ST |
90 |
45-120 |
55-90 |
н/д |
4100 |
|
KHD 750 JE |
63 |
35-105 |
55-90 |
н/д |
4100 |
|
|
KHD 750 GS |
32 |
30-80 |
55-90 |
н/д |
4100 |
|
|
KHD 900 VH |
215 |
110-270 |
75-132 |
н/д |
11100 |
|
|
KHD 900 HR |
175 |
90-210 |
75-132 |
н/д |
11100 |
|
|
KHD 900 ST |
120 |
70-175 |
75-132 |
н/д |
11100 |
|
|
KHD 900 JE |
75 |
44-125 |
75-132 |
н/д |
9900 |
|
|
KHD 900 GH |
55 |
39-110 |
75-132 |
н/д |
9900 |
|
|
KHD 900 GS |
40 |
32-90 |
75-132 |
н/д |
9900 |
|
|
KHD 1250 VH |
265 |
270-475 |
110-200 |
н/д |
22000 |
|
|
KHD 1250 HR |
210 |
205-430 |
110-200 |
н/д |
22000 |
|
|
KHD 1250 ST |
150 |
140-330 |
110-200 |
н/д |
22000 |
|
|
KHD 1250 JE |
90 |
105-255 |
110-200 |
н/д |
19300 |
|
|
KHD 1250 GH |
70 |
90-110 |
110-200 |
н/д |
19300 |
|
|
KHD 1250 GS |
50 |
80-120 |
160-250 |
н/д |
19300 |
|
|
KHD 1500 VH |
345 |
360-570 |
160-250 |
н/д |
34600 |
|
|
KHD 1500 HR |
280 |
300-540 |
160-250 |
н/д |
34600 |
|
|
KHD 1500 ST |
175 |
190-390 |
160-250 |
н/д |
34600 |
Выпуск конусных дробилок для получения кубовидного щебня в России освоен ОАО «Дробмаш» совместно с ЗАО НЦП «Кибернетика». Конусные дробилки инерционного действия (КИД) с регулируемым дебалансным вибровозбудителем выпускает ОАО «Механобр-Техника».
По данным Союздорнии, эти дробилки при выпуске кубовидного щебня обеспечивают снижение выхода отсевов дробления на 10 %, а также имеют степень дробления в 1,5-2 раза выше, чем у других конусных дробилок. Техническая характеристика конусных дробилок отечественного и зарубежного производства для получения кубовидного щебня приведена в табл. 24.5.
Таблица 24.5
Техническая характеристика конусных дробилок для получения кубовидного щебня
|
Производитель, страна |
Индекс |
Производительность, м3/ч |
Мощность привода, кВт |
Размер исходного материала, мм |
Размер выходного щебня, мм |
Масса, кг |
|
ОАО «Дробмаш», Россия |
ДРО-560 |
20-40 |
43 |
20-70 |
6-9 |
10500 |
|
ОАО «Механобр-Техника», Россия |
КИД-600 |
10-15 |
75 |
40-80 |
- |
8000 |
|
КИД-900 |
25-35 |
160 |
50-125 |
- |
20000 |
|
|
КИД-1200 |
50-75 |
200 |
65-140 |
- |
30000 |
|
|
Metso Minerals (Nordberg), Финляндия |
НР-100 |
30-90 |
90 |
20-125 |
6-15 |
5400 |
|
НР-200 |
60-110 |
132 |
70-170 |
6-15 |
10 400 |
|
|
НР-300 |
70-150 |
220 |
100-220 |
6-15 |
15800 |
|
|
Alta, Чехия |
НЕС 7 |
20-70 |
55-90 |
35-65 |
6-15 |
4300 |
|
НЕС 9 |
50-100 |
110-132 |
65-80 |
6-15 |
8 200 |
|
|
KDH 750 |
20-80 |
55-90 |
32-60 |
6-15 |
4100 |
|
|
KDH 900 |
21-80 |
75-132 |
40-75 |
6-15 |
11100 |
|
|
Parker, Великобритания |
900 CONE |
55-105 |
75-90 |
30-95 |
6-15 |
9 000 |
|
1200 CONE |
90-145 |
110-150 |
55-90 |
6-15 |
17000 |
|
|
1350 CONE |
100-165 |
150-200 |
55-95 |
8-15 |
21500 |
|
|
Metso Minerals («Swedala»), Швеция |
Н-2000 |
20-90 |
90 |
18-90 |
4-16 |
5300 |
|
Н-3000 |
45-155 |
150 |
36-90 |
4-16 |
9200 |
|
|
Н-4000 |
75-200 |
220 |
35-105 |
4-16 |
14300 |
Валковые дробилки (рис. 24.7) служат для измельчения мягких пород, а также для вторичного дробления каменных материалов средней и большой твердости. Производительность их колеблется от 10 до 100 м3/ч. Отечественная промышленность выпускает валковые дробилки с гладкими и рельефными валками диаметром 400-1500 мм и длиной, составляющей 40-100 % их диаметра. Техническая характеристика валковых дробилок приведена в табл. 24.6.

Рис. 24.7. Валковая камнедробилка: 1 - рама; 2 - ведущий валок; 3 - ведомый валок; 4 - пружина
Таблица 24.6
Техническая характеристика валковых дробилок
|
Показатели |
Дробилки |
|
|
СМ-12Б |
СМ-191 |
|
|
Производительность, м3/ч |
27 |
14 |
|
Размер валков, мм: длина |
400 |
250 |
|
диаметр |
610 |
400 |
|
Мощность двигателя, кВт |
20 |
7 |
|
Габаритные размеры, мм: длина |
2230 |
2040 |
|
ширина |
1640 |
885 |
|
высота |
810 |
740 |
|
Масса, кг |
3300 |
1070 |
Молотковые и роторные дробилки относятся к дробилкам ударного действия. В молотковых дробилках камень измельчается силой ударов, нанесенных молотками. Молотковая дробилка (рис. 24.8) состоит из ротора, к дискам которого шарнирно на эксцентриковых пальцах прикреплены молотки. Они служат для дробления известняков и хрупких каменных материалов с прочностью на сжатие до 150 МПа. Производительность дробилок 3-400 м3/ч. Дробилки изготовляют с загрузочным отверстием шириной до 1400 мм, что позволяет загружать камни крупностью до 1100 мм.

Рис. 24.8. Молотковая камнедробилка: 1 - колосниковая решетка; 2 - станина; 3 - шторка; 4 - загрузочное отверстие; 5 - крышка; 6 - отбойные (броневые) плиты; 7 - ротор; 8 - корпус; 9 - молотки
В роторных дробилках материал разрушается за счет кинетической энергии жестко закрепленных на роторе движущихся тел. Их производительность определяется параметрами ротора: диаметром, длиной, частотой вращения. Промышленность выпускает одно- и двухроторные дробилки. В двухроторных дробилках первый ротор имеет два молотка, предназначенных для первичного дробления, а второй с четырьмя молотками обеспечивает окончательное измельчение материала. Привод каждого ротора дробилки от отдельного электродвигателя. Производительность двухроторных дробилок выше, чем однороторных в 1,5 раза и достигает 600 м3/ч. Техническая характеристика роторных дробилок отечественного и зарубежного производства приведена в табл. 24.7.
Таблица 24.7
Техническая характеристика роторных дробилок
|
Производитель, страна |
Модель |
Наибольший размер загружаемого материала, мм |
Производительность, т/час |
Установленная мощность, кВт |
Габаритные размеры, мм |
Масса, кг |
|
ОАО «Дробмаш», Россия |
СМД-75А |
300 |
135 |
132 |
н/д |
10000 |
|
СМД-86А |
600 |
135 |
110 |
н/д |
15000 |
|
|
Westfalia&Braun, Германия |
РВ 1010 |
Н/9 |
80-150 |
110 |
н/д |
11000 |
|
РВ 1012 |
Н/9 |
100-180 |
132 |
н/д |
12000 |
|
|
РВ 1313 |
Н/9 |
200-300 |
200 |
н/д |
20000 |
|
|
Eagle, США |
500-04 |
600 |
150 |
170 |
н/д |
23000 |
|
1200-25 |
H/g |
300 |
220 |
н/д |
29484 |
|
|
Nordberg, Финляндия |
В-5100 |
32 |
12,5-60 |
55 |
2200×1134×2785 |
3550 |
|
В-6100 |
43 |
27-135 |
110 |
2900×1600×3617 |
6160 |
|
|
В-8100 |
60 |
72-375 |
220 |
5260×1704×4164 |
15400 |
|
|
В-9100 |
66 |
125-750 |
440 |
5260×1704×4259 |
17150 |
|
|
Komatsu, Япония |
BR100R |
300 |
12-25 |
40 |
5850×2200×2320 |
8100 |
|
BR200R |
500 |
40-60 |
92 |
8380×2830×3852 |
22400 |
|
|
Krupp Forder Technic, Германия |
S3C100 |
600 |
60-100 |
210 |
10700×3980×3000 |
32000 |
|
R3C125 |
800 |
130-200 |
330 |
13980×4000×3000 |
52000 |
|
|
К3С150 |
800 |
180-250 |
H/g |
н/д |
54100 |
Для помола каменных материалов и получения из них минерального порошка используют шаровые (стержневые) мельницы. Измельчение материала обеспечивается истиранием, раздавливанием и частично ударами металлических шаров (стержней), загружаемых вместе с измельчаемым материалом внутрь вращающегося барабана.
В технологии переработки материал разделяется на классы по крупности. Технологическое оборудование для этой цели основано на механическом или гидравлическом принципах действия. При механическом разделении каменных материалов на фракции применяют сортировочные машины - грохоты с отсеивающей поверхностью в виде колосников, решет, сит (рис. 24.9).

Рис. 24.9. Просеивающие поверхности грохота: а - колосники; б - решето; в - сито
Различают грохоты цилиндрические и плоские, неподвижные и подвижные. Грохоты могут иметь одну, две или более просевающих поверхностей. К неподвижным относятся колосниковые решетки, перекрывающие бункеры, а также колосники, установленные перед дробилками. Колосниковые решетки размещают горизонтально или с углом наклона 12° для отделения крупных включений и с углом наклона 45-55° для отделения мелких включений.
Подвижные плоские грохоты подразделяются на колосниковые, качающиеся с возвратно-поступательным движением и эксцентриковые качающиеся, инерционные. Качающиеся грохоты сортируют материал путем перемещения его по ситу. Эти грохоты часто используются при просеивании песка. Эксцентриковые грохоты выполняются качающимися, но характер движения их подвижной рамы круговой. Инерционные грохоты обеспечивают сортировку материала посредством вибрации, возникающей под действием сил инерции вращающихся неуравновешенных масс. Техническая характеристика инерционных грохотов приведена в табл. 24.8.
Таблица 24.8
Техническая характеристика инерционных грохотов
|
Показатели |
Грохоты, марка |
||||||
|
ГИЛ-21 |
ГИЛ-23 |
ГИЛ-31 |
ГИЛ-33 |
ГИЛ-51 |
ГИЛ-53 |
ГИЛ-62 |
|
|
Производитель |
ОАО «Механобр-Техника» |
||||||
|
Размеры просеивающей поверхности, мм |
2000×1000 |
2000×1000 |
2700×1240 |
2700×1240 |
4650×1750 |
4650×1750 |
4650×2000 |
|
Производительность, т/ч |
0,1-30 |
0 |
15-60 |
15-60 |
2,9-100 |
20,5-100 |
30-250 |
|
Мощность привода, кВт |
15 |
22 |
11 |
7,5 |
5,5 |
4 |
10 |
|
Количество сит, шт. |
1 |
3 |
1 |
3 |
1 |
3 |
2 |
|
Масса, кг |
760 |
1100 |
1450 |
2000 |
2800 |
3900 |
4800 |
|
Производитель |
ОАО «Дробмаш» |
||||||
|
Марка |
ДРО-607 |
СМД-148 |
СМД-148-10 |
ДРО-862 |
ДРО-862-10 |
ДРО-688-10 |
ДРО-688 |
|
Размеры просеивающей поверхности, мм |
4000×1500 |
4250×1500 |
5000×1750 |
5000×1750 |
5000×1750 |
5000×1750 |
5000×1750 |
|
Производительность, т/ч |
По расчету |
||||||
|
Мощность привода, кВт |
11 |
И |
11 |
15 |
15 |
15 |
15 |
|
Количество сит, шт. |
3 |
2 |
2 |
4 |
3 |
2 |
2 |
|
Масса, кг |
4200 |
4000 |
4000 |
6150 |
5700 |
4900 |
4900 |
Получаемые в карьерах гравий и песок часто содержат органические и неорганические примеси. Когда загрязненность таких материалов велика и содержащиеся в них примеси легко отделить, промывку производят в процессе сортирования на грохотах. При большом содержании примесей и тогда, когда их сложно отделить, используют моечные машины.
При грохочении материала с одновременной его промывкой применяют гравиемойки-сортировки, работающие по принципу барабанного грохота. В результате сортирования получают четыре фракции с размерами частиц: 0-6; 6-20; 20-40 и более 40 мм. При промывке особо загрязненных материалов (более 8 %) используют лопастные или шнековые мойки.
Для промывки песка используют также драговые пескомойки. Гидравлические классификаторы применяют для промывки и разделения гравийно-песчаной смеси на 2 фракции.
Выбор места и разработка генерального плана камнедробильного завода производится с учетом климата, рельефа местности, близости к карьерам и др. (рис. 24.10). Отделения КДЗ с повышенным выделением пыли следует размещать с подветренной стороны по отношению к зданиям и помещениям, в которых работают люди (административное здание, лаборатория, ремонтно-механическая мастерская, зона отдыха и др.).

Рис. 24.10. Генеральный план гравийно-песчаного КДЗ с раздельной выдачей гравия и песка:
1 - пожарный сарай; 2 - котельная, душ и гардероб; 3 - склад топлива, масла, бензозаправочные колонки; 4 - отделение первичного дробления; 5 - транспортер; 6, 14, 15, 23 - перегрузочные узлы; 7 - лаборатория; 8 - контора и диспетчерская; 9 - туалет; 10 - площадка отдыха; 11 - РММ; 12 - склад щебня; 13 - погрузочный бункер для автомобилей; 16, 22 - пульт управления; 17 - отделение вторичного дробления, промывки, сортировки; 18 - транспортер; 19 - охрана; 20 - склад песка; 21 - узел погрузки на железнодорожные платформы; 24 - склад гравия; 25 - железнодорожный тупик

Рис. 24.11. Технологическая схема переработки гравийно-песчаной смеси
Место размещения завода определяют с учетом перспективной деятельности КДЗ и возможности его расширения и увеличения мощности. Отделения и цехи размещают в соответствии с принятой технологией работы и санитарными и противопожарными нормами. Пожарные участки технологических линий КДЗ оборудуют средствами пожаротушения по согласованию с местной пожарной инспекцией. Расстояние между зданиями и сооружениями должно соответствовать противопожарным нормам, безопасности передвижения людей по территории завода.
Площадка завода должна быть с небольшим уклоном, обеспечивающим сток ливневых и сточных вод.
Уровень основных технических решений вновь строящихся КДЗ должен базироваться на современных технологических схемах переработки и обогащения каменных материалов в зависимости от длительности пребывания завода на одном месте.
Гравийно-песчаный материал - это рыхлая обломочная горная порода, получившаяся в результате разрушения метаморфических, магматических и осадочных горных пород. Процесс переработки гравийно-песчаного материала и получения из него готовой продукции (щебня из гравия, гравия, песка), отвечающей требованием стандартов, зависит от петрографического состава исходного материала, содержания комовой глины, пылеватых частиц, требуемого ассортимента готовой продукции и др.
Технологическая схема гравийно-сортировочных заводов включает следующие операции: сортировку, промывку, классификацию и обогащение песка, обогащение щебня и гравия по прочности и форме зерен (рис. 24.11).
По промываемости загрязняющих примесей исходную гравийно-песчаную массу можно подразделить на две категории: легкопромываемую и труднопромываемую. Легкопромываемой считают такую, которую промывают на вибрационных грохотах посредством мокрой сортировки, а для промывки труднопромываемой в технологической схеме предусматривают специальные промывочные машины. При большом количестве гравийно-песчаной смеси, гальки и валунов в технологическую схему переработки гравийно-песчаного материала включают операции дробления.

Рис. 24.12. Качественно-количественная схема переработки крупных зерен и валунов на щебень
Качественно-количественная схема КДЗ показывает технологию процесса переработки крупных зерен и валунов на щебень с определением стадий дробления и выхода зернового состава по размерам (рис. 24.12). При расчете качественно-количественной схемы принимают и определяют две группы основных показателей: исходные и расчетные. Численные показатели первой группы определяют на основании задания на проектирование и практических данных. Численные значения показателей второй группы устанавливают по результатам расчета качественно-количественной схемы КДЗ. К исходным показателям относят: производительность по готовой продукции; характеристику крупности исходного материала и продуктов дробления: общую эффективность технологических операций и др.
Расчетные показатели: производительность по горной массе; масса и выход продуктов по схеме; выход того или иного класса прочности или марки прочности и продукта по схеме.
Качественно-количественная схема переработки песчано-гравийной смеси разрабатывается с учетом зернового состава перерабатываемого материала и содержания в ней пустой породы.
Для строительных работ используют дробленый песок, приготовленный из скальных горных пород и гравия с применением специального дробильно-сортировочного оборудования; дробленый песок из отсева продуктов дробления горных пород при производстве щебня. Эти пески с улучшенным зерновым составом получают с использованием специального обогатительного оборудования и поставляют без разделения по размерам.
Применяемые для производства дробленых песков изверженные и метаморфические горные породы имеют предел прочности не менее 60 МПа. При приготовлении песка из продуктов дробления неоднородных плотных осадочных и метаморфических пород возможно применение только отсевов, получаемых после второй и последующей стадий дробления.
Массовая доля зерен крупнее 5 мм не должна превышать 10 %; пылевидных частиц, определяемых отмучиванием, - не более 1-2 %; глины в комках - не более 0,10-0,20 %. Дробленый песок применяют в беспесчаных районах и в качестве добавки при приготовлении цементо- и асфальтобетонных смесей.
Измельчение исходного материала осуществляют мокрым или сухим способом. Сухой способ эффективен при переработке горных пород, не содержащих глины. Измельчение производят в стержневых мельницах (рис. 24.13).

Рис. 24.13. Технологическая схема одностадийного приготовления дробленого песка:
1 - подача сырья; 2 - стержневая мельница; 3 - грохот; 4 - бункер; 5 - транспортер; 6 - компрессор; 7 - силовая установка; 8 - силосы для песка; 9 - аэрожелоб; 10 - автомобиль-самосвал
Техническая характеристика стержневых мельниц приведена в табл. 24.9.
Таблица 24.9
Техническая характеристика стержневых мельниц
|
Показатели |
Мельницы, марка |
||
|
МСЦ 2100×2200 |
МСЦ 2100×3000 |
МСЦ 2700×3600 |
|
|
Диаметр барабана, мм |
2100 |
2100 |
2700 |
|
Длина барабана, мм |
2200 |
3000 |
3600 |
|
Нормативная вместимость мельницы, м3 |
6,5 |
8,8 |
18,0 |
|
Мощность электродвигателя, кВт |
160 |
200 |
400 |
|
Скорость вращения барабана, мин-1 / % критической |
18,7/61,6 |
19,7/64,9 |
15,6/58,4 |
|
Производительность (ориентировочная), т/ч |
10-20 |
20-60 |
70-160 |
|
Рекомендуемая масса стержневой загрузки, т |
15 |
20 |
41 |
|
Масса вращающихся частей со стержневой загрузкой, т |
52 |
60 |
101 |
|
Общая масса, т |
46 |
52 |
81 |
Пески, полученные измельчением в стержневых мельницах, относят к средним или крупным. Если необходим сортовой песок, его приготовляют по схемам, аналогичным для песчано-гравийных заводов.
Минеральный порошок - материал тонкого помола, приготовленный измельчением известняков, доломитов, доломитизированных известняков и других карбонатных пород, удовлетворяющих требованиям ГОСТ Р 52129-2003.
В настоящее время получает распространение активированный минеральный порошок, обработанный в процессе приготовления поверхностно активными веществами в смеси с битумом. Активированные минеральные порошки лучше смачиваются битумом и не смачиваются водой, обладают пониженной пористостью и битумоемкостью.
Технологический процесс производства минерального порошка может осуществляться в цехах асфальтобетонного завода или на специализированных заводах и базах. В целях повышения качества минерального порошка целесообразно использовать специальные стационарные заводы, которые, как правило, размещают в известняковом карьере, что позволяет перерабатывать не только камень, но и отходы. В состав завода входят цеха: дробильный, сортировочный, сушки, помольный. При приготовлении активированного порошка создают цеха: битумный, приготовления добавок, смесительный и склад готовой продукции.

Рис. 24.14. Схема автоматизированного производства минерального порошка:
1 - расходный бункер; 2 - тарельчатый питатель; 3 - сушильный барабан; 4 - лопастной смеситель; 5 - сборный бункер; 6 - дозатор; 7 - емкость для ПАВ; 8 - установка для обезвоживания и нагрева битума; 9 - сепаратор и обеспыливающая установка; 10 - шаровая мельница; 11 - винтовой пневматический насос; 12 - накопительный бункер готовой продукции
Технология приготовления активированного минерального порошка включает (рис. 24.14):
просушивание минеральных материалов в сушильных барабанах;
нагрев битума и ПАВ до рабочих температур;
дозирование просушенного материала и активирующей смеси;
перемешивание минерального материала с активирующей смесью в смесителях любого типа (предпочтительно принудительного действия);
подачу минерального материала, объединенного с активирующей смесью, в помольную установку;
измельчение минерального материала до требуемой тонкости помола;
подачу готового активированного минерального порошка в накопительные бункеры или на склад (силосного или бункерного типа).
При массовом производстве минерального порошка на заводах большой мощности целесообразно применение автоматизации. На автоматизированных предприятиях приготовление минерального порошка из известнякового щебня в автоматическом режиме осуществляет оператор с пульта управления.
Процессы сушки щебня и тонкого измельчения регулируют изменением частоты вращения электродвигателя тарельчатых питателей, которые контролируют тахометры. Для того чтобы количество материала, поступающего в сушильный барабан и мельницу, было пропорционально частоте вращения питателей, в бункерах автоматически поддерживают постоянный уровень. Загрузку мельницы контролируют по частоте шума в барабане мельницы и измеряют при помощи электроакустического устройства, снабженного показывающими приборами. Регулирование загрузки осуществляют групповыми датчиками, позволяющими изменять количество поступающих материалов в сушильный барабан и мельницу.
Минеральный порошок удовлетворяет требованиям ГОСТ Р 52129-2003, если частиц мельче 0,071 мм, % по массе составляет:
для неактивированных порошков из карбонатных горных пород марки МП-1 - от 70 до 80;
для активированных порошков из карбонатных горных пород марки МП-1 - не менее 80;
для порошков из некарбонатных горных пород и отходов промышленного производства марки МП-2 - не менее 60.
Складское хозяйство - один из основных участков технологического комплекса завода по переработке горной массы. Организация и комплексная механизация погрузочно-складского хозяйства существенно влияют на технико-экономические показатели всего КДЗ и качество продукции. В общей стоимости строительства КДЗ затраты на сооружение складов составляют 20-40 %. Вместимость склада определяет его тип и способы механизации погрузочных работ, зависящие от производительности предприятия и режима отгрузки готовой продукции.
Склады предназначены для создания запасов готовой продукции в целях обеспечения бесперебойной работы предприятия при перерывах в подачах транспорта, остановках завода. Склады готовой продукции классифицируют по способу хранения - открытые, закрытые, комбинированные; по форме и типу сооружений - конусные, штабельные; по способу образования - эстакадные (готовый продукт загружают на склад с ленточных конвейеров), бестраншейные (экскаваторные), рис. 24.15.

Рис. 24.15. Схемы складов щебня:
а - конусные; б - штабельные; в - эстакадные; 1 - разгрузчик толкающего типа или экскаватор; 2 - конвейер; 3 - поворотный конвейер
На конусных складах качество отгружаемой продукции снижается за счет сегрегации (использования бульдозеров при передвижке и растаскивании материала, перелопачивания экскаватором, отсутствия твердого покрытия в основании склада). Для устранения этого недостатка устраивают площадки хранения с твёрдым покрытием, исключают использование бульдозеров, а экскаваторную погрузку заменяют более мобильными одноковшовыми погрузчиками на пневмоколесном ходу.
Для штабельных складов характерны те же недостатки, их преимущество - возможность размещения в них большого количества продукции.
Более удобны полубункерные и особенно бункерные склады. В них отсутствуют «мертвые» зоны, поэтому отпадает потребность в машинах и подгребании материалов. Они незаменимы для хранения высококачественной продукции. Существенный их недостаток - высокая стоимость и невозможность использования для хранения и загрузки влажных материалов зимой. Наиболее эффективны силосные склады сборно-разборного типа. Для подачи материала со складов в транспортные средства используются транспортеры, экскаваторы и фронтальные одноковшовые погрузчики на пневмоколесном ходу.
Процессы обогащения и улучшения каменных материалов разделяются на промывку, гидравлическую классификацию, обогащение щебня по форме зерен, обезвоживание, обогащение щебня и гравия по прочности, обогащение щебня в тяжелых средах.
Промывка. Для повышения качества щебня в технологические схемы КДЗ включают промывку материала в две и даже три стадии. В месторождениях изверженных и метаморфических пород глинистые включения отсутствуют, поэтому в технологических операциях переработки таких пород промывку предусматривают только при значительном содержании пылеватых частиц.
В месторождениях осадочных пород и гравийно-песчаном материале практически всегда присутствуют глина и пылеватые частицы, содержание которых превышает допустимые пределы.
Процесс промывки основан на способности глины разрушаться в водной среде, в результате чего она может быть отделена от сырья и удалена в слив. Погруженная в воду глина впитывает в себя влагу, ее поверхностные слои набухают и становятся рыхлыми. При интенсивном трении всей горной массы в промывочной машине эти слои непрерывно удаляются. Свежеобнаженные поверхности зерен вновь подвергаются воздействию воды. Качественную оценку промываемости материала проверяют показателем промываемости, определяющим количество энергии, затраченной на промывку единицы материала (удельного расхода энергии):
где (24.2)
N - мощность, необходимая для промывки материала, кВт;
П - производительность машины, т/ч.
В зависимости от удельного расхода энергии для промывки того или иного материала выбирают тип промывочной машины. Легко промываемые материалы, на промывку которых расходуется мало энергии, могут быть промыты на плоских виброгрохотах с брызгалами. Для труднопромываемых материалов необходимы сложные промывочные машины с интенсивным воздействием: гравиемойки-сортировки, грохоты, вибрационные вибромойки и вибрационные плоские грохоты; корытные наклонные и горизонтальные мойки. Техническая характеристика промывочных машин приведена в табл. 24.10.
Таблица 24.10
Техническая характеристика промывочных машин
|
Характеристики |
Корытные мойки |
Вибромойка |
||
|
К-12 |
К-14 |
К-7 |
||
|
Производительность, т/ч |
100 |
150 |
60; 40; 30 |
100 |
|
Максимальная крупность промываемого материала, мм |
100 |
100 |
40 |
150 |
|
Диаметр окружности, описываемой лопастями вала, мм |
1200 |
1400 |
750 |
- |
|
Угол установки мойки, град |
18-12 |
8-12 |
- |
2,5 |
|
Число заходов лопастной спирали |
2 |
2 |
2 |
- |
|
Шаг лопастей спирали, мм |
660 |
700 |
- |
- |
|
Частота вращения лопастных валов, мин-1 |
15; 12; 9,4 |
15; 12; 9,4 |
32; 21,5; 5 |
- |
|
Параметр сливного порога, м |
6 |
7 |
31,9; 26; 24 |
- |
|
Установленная мощность, кВт |
55 |
75 |
н/д |
44 |
|
Размеры ванны, мм: длина |
9050 |
9050 |
- |
- |
|
ширина |
2936 |
3346 |
- |
- |
|
Габаритные размеры мойки, мм: длина |
11810 |
12048 |
8950 |
4000 |
|
ширина |
3463 |
3684 |
2840 |
2800 |
|
высота |
1941 |
2156 |
1000 |
3100 |
|
Масса, кг: без материала |
23050 |
30883 |
10500 |
8400 |
|
с материалом и водой |
40000 |
31000 |
15000 |
- |
Увеличение расхода воды повышает эффективность промывки до известного предела, повышение температуры воды способствует более интенсивному растворению веществ, связывающих глинистые частицы, в результате чего эффективность промывки возрастает. При добавлении в воду электролитов происходит полный обмен катионов магния и кальция, в результате чего уменьшаются силы сцепления частиц. Глина становится пористой, менее гидростойкой, легче диспергируется в воде. При расходе электролита до 1 % в расчете на сухую массу глины уменьшается время размыва примерно в 1,5-2 раза.
Гидравлическая классификация. Процесс разделения зерен в жидкости по скоростям их падения осуществляют в классификаторах. Крупность материала, подвергаемого гидравлической классификации, не превышает 5 мм. Классификация производится в вертикальных и горизонтальных струях воды. Кроме гидравлических и механических, применяют спиральные классификаторы, представляющие собой короб, основной рабочей частью которого является спиральное устройство. При вращении спирали песок, поступающий вместе с водой, взмучивается, слив, содержащий мелкие частицы, отводится в нижнюю часть короба через сливной порог, а крупные частицы подаются спиралью к верхнему загрузочному окну. Спиральные классификаторы отличаются простотой, большой производительностью и эффективностью. Техническая характеристика спиральных классификаторов приведена в табл. 24.11.
Таблица 24.11
Техническая характеристика спиральных классификаторов
|
Показатели |
Классификаторы |
||||
|
1-КСН-5 |
1-КСН-7,5 |
1-КСН-10 |
1-КСН-12 |
1-КСН-15 |
|
|
Диаметр спирали, мм |
500 |
750 |
1000 |
1200 |
1500 |
|
Производительность по твердому материалу, т/сут: по песку по сливу |
54-260 13,5-77 |
100-445 31-163 |
160-1000 50-250 |
960-1940 155 |
1100-2700 240 |
|
Частота вращения спирали, мин-1 |
12,0 |
7,8 |
5,0 |
4,1-8,3 |
2,9-5,8 |
|
Угол наклона корыта, град |
14-18 |
14-18 |
14-18 |
12-15 |
12-18 |
|
Длина корыта, мм |
4500 |
5500 |
6500 |
6500 |
8200 |
|
Мощность привода, кВт: вращения спирали подъема спирали |
1,0 - |
2,8 - |
7,0 1,7 |
5,0 1,7 |
10,0 1,7 |
|
Габаритные размеры, мм: длина ширина высота |
5430 934 1275 |
6730 1077 1575 |
7810 1620 1934 |
8200 1586 3858 |
9855 1933 4650 |
|
Масса, кг |
1470 |
2900 |
3870 |
6655 |
12710 |
Гидравлические классификаторы относят к группе гравитационных аппаратов, в которых вода служит средой, разделяющей зернистый материал на сорта по крупности. Применяют горизонтальные и вертикальные классификаторы (рис. 24.16).

Рис. 24.16. Схема промывки и классификации песчано-гравийной смеси в вертикальном гидроклассификаторе
Процесс гидроклассификации осуществляется следующим образом. Песчано-гравийную смесь подают в классификатор через нижний патрубок 6, которая, пройдя диффузор 3, поступает в обогатительную камеру 2, площадь сечения которой намного больше площади верхнего сечения диффузора. Поэтому скорость восходящего потока смеси значительно уменьшается, что влечет за собой выпадение наиболее крупных частиц, которые попадают из обогатительной камеры 2 в классификационную 4, которая расположена между диффузором 3 и внешней оболочкой аппарата.
В нижнюю часть классификационной камеры 4 подают из водонапорной башни чистую воду под напором через патрубок 5. Вода образует в камере восходящий поток, в котором материал разделяется по заданному граничному зерну. Частицы песка, скорость падения которых меньше скорости восходящего потока, через верхний сливной коллектор по трубе 1 отводятся в шлам, а крупный продукт, выпавший из классификационной камеры 4, обезвоживается и подается на склад. Гидроклассификация позволяет обеспечить разделение материала на два размера по одному граничному зерну. Граница разделена в пределах от 0,5 до 3 мм.
Обогащение щебня по форме зерен. Щебень кубовидной формы получают в виброгрохотах с щелевидными ситами, грануляцией щебня в роторных дробилках ударного действия и в барабанных грануляторах (рис. 24.17).

Рис. 24.17. Схема обогащения щебня по форме зерен в барабанном грануляторе
Стандарты на щебень из естественного камня для строительных работ ограничивают в нем массовую долю пластинчатых и игольчатых зерен до 25 %, а в некоторых случаях и до 15 %. К зернам пластинчатой и игловатой формы (лещадным) относятся также зерна, толщина или ширина которых менее длины в 3 раза и более.
Способ обогащения по форме зерен состоит в следующем. Продукт дробления рассеивают на узкие сорта, которые подвергают сортировке на щелевидных ситах.
Обогащение на барабанных грануляторах заключается в том, что при вращении барабана продукт крупностью до 150 мм захватывается лифтерами типа лопасти и поднимается наверх. Не достигая верхней точки барабана, куски скатываются с лифтера и падают на находящийся внизу слой материала. Кроме того, при вращении барабана материал в верхних слоях перекатывается. При падении кусков и перекатывании тонкие лещадные зерна размельчаются, разламываются, острые края обламываются, что приводит к улучшению формы щебня.
Обезвоживание. Гравий и щебень в основном обезвоживаются на виброгрохотах, а песок - в спиральных классификаторах. Получение гравия, щебня и песка состоит в последовательном выполнении приведенных операций, составляющих технологический процесс получения нерудных строительных материалов. Выход продукции заданного ассортимента обеспечивают путем включения в технологическую схему КДЗ операций сортировки, классификации, дробления, промывки и обогащения.
Обогащение щебня и гравия по прочности. Прочность щебня характеризуют маркой, соответствующей пределу прочности исходной горной породы при сжатии в насыщенном водой состоянии и определяемой по дробимости щебня при сжатии (раздавливании) в цилиндре. Кроме того, щебень, предназначенный для строительства автомобильных дорог, характеризуется износом в полочном барабане. Обогащение по прочности производят в отсадочных машинах, механических классификаторах, в тяжелых средах. Наибольшее распространение получили первые два способа.
Минеральные зерна различной прочности имеют и различную плотность. Процесс разделения таких зерен в попеременно восходящем потоке воды называют отсадкой и осуществляют в отсадочных машинах (рис. 24.18).
Механизм разделения зерен по плотности в отсадочных машинах весьма сложен, и его результаты зависят от многих факторов (частоты, амплитуды пульсации, формы зерен, толщины слоя, разности плотностей разделяемых материалов).
Расслоение материала в отсадочных машинах происходит в условиях стесненного падения зерен. При отсадке смеси зерна различных плотностей разрыхляются при восходящем потоке. При нисходящем потоке воды происходит взаимное смещение зерен с различными плотностями. Продукт, соответствующий Государственному стандарту, можно получить, если количество обогащаемого материала с содержанием слабых разностей не превышает 35%.
Обогащение щебня или гравия, состоящих из смеси разнопрочных каменных материалов или содержащих большое количество зерен слабых разностей, целесообразно производить с помощью двухбарабанных механических классификаторов Союздорнии (табл. 24.12).
Схема двухбарабанного механического классификатора приведена на рис. 24.19.

Рис. 24.18. Схема обогащения щебня (гравия) в отсадочной машине:
1 - ленточный конвейер для подачи материала в бункер; 2 - бункер материала; 3 - лотковый качающийся питатель для загрузки отсадочной машины; 4 - отсадочная машина; 5 - обезвоживающий вибрационный грохот; 6 - приямок для сбора мелких частиц и песка; 7 - насос
Таблица 24.12
Техническая характеристика двухбарабанных механических классификаторов Союздорнии
|
Показатели |
Классификаторы |
|
|
ДВК-20 |
БК-40 |
|
|
Производительность при крупности обогащаемого материала 5-40 мм, м3/ч |
20 |
40 |
|
Размер обогащаемого материала, мм |
5-40 |
5-40 |
|
Количество получаемых фракций продуктов обогащения |
3 |
2 |
|
Диаметр разделительного барабана, мм |
820 |
820 |
|
Длина разделительного барабана, мм |
4000 |
4000 |
|
Частота вращения разделительного барабана, мин-1 |
250 |
250 |
|
Общая мощность, кВт |
8,2 |
8,7 |
|
Разработчик |
ПКБ Главстроймеханизация |
СКБ Главстройпрома |
Обогащение разнопрочного каменного материала на классификаторе основано на разнице упругих свойств и коэффициентов трения слабых и прочных зерен щебня. При ударе о поверхность вращающегося металлического барабана слабые зерна увлекаются в сторону вращения, а более прочные отскакивают в противоположную сторону.
Контроль качества продукции, соответствие ее стандартам и техническим условиям осуществляется ОТК (отделом технического контроля), лабораторией или работниками, на которых возложены функции технического контроля качества.
Численность лаборантов и рабочих ОТК устанавливают в зависимости от объема производства, номенклатуры выпускаемой продукции и количества технологических линий исходя из условия полного обеспечения контроля технологии, качества продукции и поступающей на переработку горной массы.
Контроль качества готовой продукции, ежедневный и периодический (один раз в квартал или год) производится в соответствии с действующими стандартами, с учетом целевого назначения впускаемой продукции.

Рис. 24.19. Схема двухбарабанного механического классификатора ДК Б-20:
1 - питающие накопительные бункеры (2 шт.); 2 - вибратор; 3 - виброблоки-питатели (2 шт.); 4 - механизм регулировки лотка; 5 - рессоры; 6 - подвижная распределительная направляющая воронка; 7 - перекидная заслонка; 8, 9 - верхний и нижний распределительные барабаны; 10 - транспортеры для продуктов обогащения; 11 - механизм изменения углов настройки; 12, 13 - подвижная и неподвижная воронки
Пробы щебня на КДЗ отбирают из потоков щебня на открытых складах или бункерах (силосах). При контроле качества проверяют содержание глинистых и пылеватых частиц, форму зерен, прочность щебня и его марку по дробимости в цилиндре, петрографический анализ, влажность, размер щебня, прочность на сжатие и износостойкость.
На готовую продукцию оформляют документ, удостоверяющий ее качество, в котором указываются показатели качества в соответствии с требованиями, установленными стандартами и техническими условиями на готовую продукцию.
При строительстве автомобильных дорог необходимые органические вяжущие материалы доставляют железнодорожным или автомобильным транспортом от заводов-изготовителей до дорожных организаций-потребителей. Для вяжущих материалов организуют базы и склады, предназначенные для хранения вяжущих и подготовки их к использованию.
Битумные и эмульсионные базы или цеха в составе АБЗ могут быть организованы как временные предприятия с мобильным комплектом оборудования или как стационарные районные предприятия с обслуживанием всех категорий дорожных организаций, находящихся в зоне (радиусе их действия). При расположении базы (цеха) в составе АБЗ вспомогательные отделения (лаборатория, ремонтно-механическая мастерская, бытовые помещения и др.) могут быть общими.
По продолжительности работы на одном месте базы и склады подразделяются на постоянные (стационарные) и временные (инвентарные); в зависимости от места расположения - на приобъектные (притрассовые), прирельсовые (при доставке битума железнодорожным транспортом), приречные (при доставке его водным путем, по рекам). Как правило, прирельсовые (приречные) битумные базы служат перевалочным пунктом для поступающего битума с последующей его выдачей на притрассовые базы или АБЗ. Стационарные базы оснащают более производительным оборудованием и сооружениями капитального типа. Оборудование и сооружения притрассовых баз обычно монтируют из инвентарных элементов и инвентарных агрегатов и оборудования передвижного типа.
В генеральном плане решают вопросы размещения всех объектов базы (цеха) и определяют расположение приемных устройств, битумохранилищ, битумоплавильных и насосных установок, битумных и других коммуникаций и сетей электроснабжения, складов топлива и масел, поверхностно-активных веществ и разжижителей, парокотельной (в случае необходимости), ремонтно-механического отделения, лаборатории, административных зданий и др., а также проездов и подъездных путей (рис. 25.1).

Рис. 25.1. План-схема битумной базы: 1 - секции битумохранилища вместимостью по 500 т; 2 - пожарный резервуар; 3 - емкости для поверхностно-активных добавок, топлива; 4 - битумоплавильная установка; 5 - трансформаторная подстанция; 6 - контора-лаборатория; 7 - бытовые помещения; 8 - материально-технический склад; 9 - ремонтно-механическая мастерская; 10 - туалет
При размещении оборудования, производственных и хозяйственных сооружений необходимо обеспечить соблюдение правил техники безопасности, противопожарные разрывы и рациональное выполнение всего технологического процесса.
По положению резервуара относительно поверхности земли битумохранилища подразделяются на наземные, полуямные и ямные (рис. 25.2). Разгрузка в них битума осуществляется путем наклона (опрокидывания) бункеров-полувагонов. Недостатки хранения битума в битумохранилищах ямного типа заключаются в значительных затратах энергии на разогрев битума, а также в его обводнении и загрязнении. Поэтому наметилась тенденция к заметному снижению их количества.
В последнее время за рубежом и в России для доставки битума все большее распространение получает автомобильный транспорт - битумовозы. Из них битум подается в металлические резервуары с жидкостным или электрическим обогревом.
Для нагрева битума до рабочей температуры, поддержания ее в расходных емкостях, обогрева битумо- и топливопроводов применяют специальные теплообменные устройства, которые можно классифицировать по видам теплоносителей: с паровым нагревом (дымовыми газами); с косвенным жидкостным нагревом («прямым огнем» нагревается промежуточный жидкий теплоноситель); с электрическим обогревом.

Рис. 25.2. Склады закрытых битумохранилищ ямного типа:
а- с приямком, расположенным в центре битумохранилища; б - с приямком расположенным с боку битумохранилища; 1 - паровой регистр; 2 - битумопровод для забора разогретого битума: 3 - битумохранилище; 4 - битумный насос; 5 - приямок с паровым змеевиком
При прямом обогреве применяют жаровые трубы, нагреваемые горячими газами, которые образуются при сжигании жидкого или газообразного топлива, либо различные электронагреватели. При косвенном обогреве применяют промежуточный теплоноситель, в качестве которого обычно используют водяной пар и в незначительном количестве минеральные масла. Прямой разогрев вяжущего наиболее прост с точки зрения переноса тепла, но не всегда экономичен и часто уступает косвенному.
Дымовые газы позволяют осуществлять теплопередачу при высоких температурах без их термического разложения. Однако, как теплоносители прямого обогрева они имеют ряд недостатков: высокая температура стенок теплопередающих устройств, вследствие чего изменяются качества битума; неравномерность обогрева; трудность регулирования температуры; относительно низкая интенсивность теплообмена и пожароопасность; сравнительно высокое содержание кислорода (вследствие необходимости смешивания их с воздухом для снижения температуры), что приводит к окислению теплоотдающей поверхности нагрева.
Водяной пар имеет высокий коэффициент теплоотдачи при конденсации (около нескольких тысяч ккал/(м2×ч×град)) и обеспечивает нагрев битума без коксования и изменения его качества. Кроме того, он непожароопасен. Недостатком водяного пара как теплоносителя является необходимость применения систем высокого давления. Так, температуре газа 119°С соответствует манометрическое давление 1 кгс/см2, 169°С - 7 кгс/см2, 200°С - 15 кгс/см2 и 300°С - 90 кгс/см2. Установки и системы с давлением пара 15 кгс/см2 требуют больших капиталовложений и сложны в эксплуатации, поэтому на асфальтобетонных заводах используют преимущественно парообразователи с давлением пара около 7 кгс/см2 и температурой 169°С.
Электроэнергия. Использование этого источника тепла позволяет выполнять нагрев практически при любых заданных температурах. Имеется возможность автоматизировать процесс разогрева и улучшить условия труда. Однако наряду с очевидными, казалось бы, преимуществами электрический разогрев обладает целым рядом существенных недостатков, которые препятствуют его широкому применению. В первую очередь это нестабильность заданной рабочей температуры (при постоянном питающем напряжении), которая зависит от условия теплоотдачи, а также необходимость применения сложных автоматических систем для ее стабилизации. При отсутствии автоматических систем стабилизации температуры не гарантируются качество битума и других технологических условий, а также пожарная безопасность. Кроме того, для нагрева битума до рабочей температуры с помощью электрической энергии требуются очень большие мощности (от 300 кВт и выше), соизмеримые с энергопотреблением всего остального оборудования АБЗ. С учетом стоимости электроэнергии и того, что КПД тепловых электростанций составляет всего 25-35 %, широкое применение электрического разогрева битума и других материалов на АБЗ экономически не всегда оправдано. В практике в отдельных случаях применяются битумные цистерны вертикального и горизонтального типов с электрическим разогревом и установки для нагрева жидких теплоносителей с электрическим нагревом теплоносителя.
Минеральные масла (компрессорное, цилиндровое, трансформаторное, авиационное и т.п.) обеспечивают высокую температуру кипения при атмосферном давлении, что позволяет создавать весьма простые и надежные в эксплуатации нагревательные устройства, мягкий, равномерный и интенсивный нагрев, возможность точного регулирования температуры, предотвращают опасность размораживания системы. При их применении один источник тепла может обслуживать несколько потребителей.
Существенным недостатком минеральных масел как теплоносителей является их более низкая термическая стойкость. Эти недостатки отсутствуют у специальных жидких теплоносителей (высокотемпературных органических теплоносителей - ВОТ), широко применяемых в настоящее время в химической, нефтехимической, нефтеперерабатывающей, пищевой и других отраслях промышленности.
Жидкие теплоносители с точки зрения технической и экономической целесообразности их применения должны иметь следующие качества:
1. Быть термически стойкими, обладать высокой плотностью и теплоемкостью, малой вязкостью и высоким значением теплоты парообразования. Кроме того, важно, чтобы теплоноситель имел высокую температуру кипения при атмосферном давлении и низкую температуру плавления, что облегчает конструктивное оформление теплообменных устройств.
2. Не оказывать агрессивного действия на материалы установки. Теплоноситель при использовании в открытых (негерметичных) системах должен сохранять свои физико-химические свойства при воздействии высоких температур рабочего процесса; не коррозировать в контакте с конструкционными материалами, которые обычно применяют в дорожном машиностроении, и не подвергаться воздействию кислорода.
3. Быть взрыво- и пожаробезопасными, нетоксичными, экономичными и достаточно распространенными, недефицитными.
Использование жидких теплоносителей, не удовлетворяющих этим требованиям, требует увеличения капитальных затрат и эксплуатационных расходов, что в раде случаев может привести к экономической нецелесообразности их применения.
Высокотемпературные органические теплоносители (ВОТ) занимают особое место среди всех теплоносителей, так как обладают рядом преимуществ по сравнению с перечисленными выше традиционными теплоносителями. Основными преимуществами ВОТ по сравнению с обычными теплоносителями являются возможность получения оптимальных температурных режимов, не нарушающих качество битума; возможность использования любых видов топлива; высокая термическая стойкость при многократном нагревании.
В нашей стране в качестве жидких теплоносителей на АБЗ применяются в основном минеральные масла типа ИС-20, ИС-40, ИС-50, рабочая температура которых 160-180°С, (что недостаточно для нагревания битума до рабочей температуры), и специальные теплоносители, к которым относится ароматизированное масло АМТ-300 (ДТМ) и др.
За рубежом большое распространение получили теплоносители XV-250, Мобильтерм-600 (аналогичен нашему АМТ-300), Мобильтерм-Лихт, Термальоль (Германия), Тетраарилсиликат (Англия), Канехлор-400 (Япония), Жидкость-37, Терессо-120 (Италия), Спиракс-80ЕП (Финляндия) и др. Краткая техническая характеристика отдельных теплоносителей приведена в табл. 25.1.
Таблица 25.1
Техническая характеристика теплоносителей
|
Параметры |
ИС-20 |
ИС-40 |
ИС-50 |
АМТ-300 |
Мобиль- |
Мобиль- |
W-250 |
Терессо-56 |
Терессо-120 |
Спиракс-80ЕП |
|
Допустимая температура нагрева, °С |
160 |
170 |
180 |
280 |
280 |
260 |
230 |
280 |
290 |
280 |
|
Температура вспышки, °С |
180 |
200 |
200 |
170 |
170 |
150 |
142 |
н/д |
н/д |
214 |
|
Температура затвердевания, °С |
-15 |
-10 |
-20 |
-30 |
-7 |
-34 |
-52 |
-7 |
-7 |
-24 |
|
Температура кипения, °С |
- |
- |
- |
354 |
321 |
- |
235 |
300 |
300 |
- \ |
|
Вязкость при 500°С, сСт |
17-23 |
28-33 |
35-45 |
20 |
31 |
3 |
10 |
43,5 |
- |
68,8 |
Оборудование для нагрева жидких теплоносителей. В настоящее время за рубежом получили широкое распространение оборудование и различные системы жидкостного разогрева битума, битумных коммуникаций и оборудования. Выпускаемые установки для нагрева жидких теплоносителей можно разделить по способу нагрева теплоносителя - огневые и электрические, и по компоновке с основным технологическим оборудованием - специальные (объединенные с обогреваемой цистерной) и автономные. Наиболее перспективны для нагрева жидких теплоносителей на асфальтобетонных заводах - автономные установки. Их можно классифицировать также по производительности в диапазоне 200 тыс. - 3 млн. ккал/ч.
В странах СНГ изготавливается единственный нагреватель жидких теплоносителей, который входит в состав асфальтосмесительной установки Д645-2Г Кременчугского завода дорожных машин (ОАО «Кредмаш», Украина). В качестве жидкого теплоносителя применяется масло ИС-20А с предельной рабочей температурой 160°С. Тепловая мощность нагревателя 300000 ккал/ч. Способ нагревания масла огневой.
Основными странами, выпускающими такие установки и другое оборудование, предназначенное для работы с жидкими теплоносителями, являются США (фирма «ASTEC» и др.), Германия (заводы фирм «Teltomat», «Benninghoven», «Ammann»), Италия (фирмы «Marini», «Massenza», «Bernardi»), Финляндия (фирмы «ARA», «Kallotikone»), Франция (фирма «Ermont»), Япония (фирмы «Niigata», «Tanaka»), Англия (фирма «Cartem» и др.).
При всем многообразии установок для нагрева жидких теплоносителей основным их конструктивным отличием является горизонтальное или вертикальное расположение емкости, заполненной теплоносителем.
Форсунки для нагрева жидкого теплоносителя работают в основном на жидком или газообразном топливе, реже - на тяжелом топливе типа мазутов. Иногда нагрев теплоносителя выполняется с помощью электрических нагревательных элементов.
Максимальная температура нагрева жидких теплоносителей, как правило, составляет 230-260°С, что определяется не только предельной рабочей температурой большинства теплоносителей, но и условиями сохранения качества битума при разогреве и исключения его коксования на теплоотдающей поверхности.
Выбор той или иной установки для нагрева жидкого теплоносителя определяется производительностью асфальтосмесительной установки или другими условиями, связанными с количеством потребителей тепла. Как правило, для асфальтосмесительной установки производительностью 100 т/ч достаточно нагревателя в виде жидкого теплоносителя тепловой производительностью 600-700 тыс. ккал/ч.
За рубежом на асфальтобетонных заводах системы жидкостного оборудования находят широкое применение. Жидкие теплоносители используются для обогрева различного оборудования: битумных емкостей, накопительных бункеров, днища и корпуса мешалок, битумного дозатора и насоса, арматуры, битумопроводов, емкостей битумовозов и агрегатов для разогрева тарного битума.
Разнообразие конструкций установок, существующих за рубежом, и их постоянное усовершенствование свидетельствует о большом внимании, которое уделяется установкам для нагрева жидкого теплоносителя и системам жидкостного обогрева.
Усовершенствование конструкций установок для нагрева жидкого теплоносителя происходит в двух направлениях:
большая утилизация тепла отходящих дымовых газов, что позволяет уменьшить габаритные размеры установок и повысить их к.п.д.;
автоматизация и контроль теплового процесса нагрева жидкого теплоносителя, что способствует сохранению физико-химических свойств теплоносителя и более длительному его использованию.
Преимущество жидкостных теплообменников перед системами парового обогрева состоит в возможности нагрева теплоносителя до высоких температур (до 300°С) при атмосферном давлении. Общим достоинством систем с косвенным обогревом является возможность нагрева битума при любом его уровне в цистерне, полное исключение опасности коксования, возможность полной выработки емкости резервуара. Однако продолжительность разогрева вяжущего в резервуарах с косвенным обогревом значительно больше, чем в системах с прямым обогревом.
Автоматические устройства обеспечивают работу нагревателей без надзора во время простоя завода, например, ночью, когда нужно нагреть вяжущее для работы днем. Краткая техническая характеристика нагревателей жидких теплоносителей приведена в табл. 25.2.
Цистерны для хранения и нагрева битума. Битум доставляют на завод в железнодорожных обогреваемых цистернах. Необходимый запас битума хранят в специальных расходных резервуарах, которые можно классифицировать по их компоновке на резервуары горизонтального и вертикального типов, а также по вместимости битума 50-200 т и более.
Необходимое количество резервуаров, устанавливаемых на заводе, и их суммарная емкость определяются расходом битума и условиями его поставки на завод. Для восполнения тепловых потерь в окружающую среду, а также для нагрева битума до требуемой рабочей температуры применяют специальные теплообменники, которые либо встраивают в расходные емкости, либо устанавливают отдельно и соединяют с обогреваемым оборудованием системой трубопроводов. Теплообменники можно использовать также для обогрева битумных коммуникаций и отдельных устройств смесительного оборудования - битумных дозаторов, смесителей, а также для нагрева топлива.
Таблица 25.2
Техническая характеристика нагревателей жидких теплоносителей
|
Тип |
Теплопроизводитель- |
Расход дизельного топлива, т/час |
Расход газа, м3/ч |
Насос |
Масса, кг |
|
|
мощность, кВт |
подача, л/мин |
|||||
|
Фирма ASTEC (США) |
||||||
|
НС-80 |
200000 |
25 |
30 |
4 |
170 |
1633 |
|
НС-120 |
300000 |
38 |
40 |
4 |
227 |
2178 |
|
НС-200 |
500000 |
64 |
65 |
5,5 |
340 |
2950 |
|
НС-300 |
750000 |
95 |
100 |
10 |
510 |
4083 |
|
НС-400 |
1000000 |
128 |
130 |
15 |
680 |
5000 |
|
НС-500 |
1250000 |
159 |
160 |
20 |
850 |
5900 |
|
НС-600 |
1500000 |
190 |
200 |
25 |
1000 |
6863 |
|
НС-800 |
2000000 |
255 |
260 |
30 |
1360 |
8333 |
|
НС-000 |
2500000 |
318 |
320 |
40 |
1700 |
9314 |
|
Фирма CARTEM (Англия) |
||||||
|
5-1 |
126000 |
14 |
16 |
2,25 |
- |
1179 |
|
11-1 |
282500 |
32 |
34 |
5,5 |
- |
1651 |
|
14-1 |
373000 |
45 |
50 |
5,5 |
- |
1814 |
|
22-1 |
567000 |
70 |
75 |
5,5 |
- |
2381 |
|
33-1 |
832000 |
104 |
110 |
5,5 |
- |
2812 |
|
Фирма Bernardi (Италия) |
||||||
|
CRBC 250 |
250000 |
30 |
35 |
4 |
200 |
1700 |
|
CRBC 400 |
400000 |
46 |
50 |
5 |
300 |
2300 |
|
КРЕДМАШ (Украина) |
||||||
|
Д645-2Г |
300000 |
40 |
42 |
4 |
200 |
3000 |
|
НАМБУСС (Россия) |
||||||
|
АНТ-50 |
500000 |
68 |
72 |
15 |
800 |
3650 |
Зарубежные фирмы выпускают множество теплообменников различных типов: паровые, огневые (газовые), электрические и комбинированные. Правильный режим нагрева битума, исключение его перегрева, вызывающего изменения химического состава и физических свойств битума, - непременное условие получения качественных битумоминеральных смесей.
Прямой нагрев битума через жаровые тонкостенные трубы горячими газами, получаемыми при сгорании жидкого или газообразного топлива, обеспечивает быстрый нагрев вяжущего до рабочей температуры, но является далеко не совершенным из-за опасности коксования вяжущего на стенках жаровых труб. Кроме того, понижение уровня вяжущего ниже жаровых труб небезопасно в пожарном отношении. Поэтому необходимо постоянно контролировать уровень битума и устраивать специальные системы сигнализации или автоматической блокировки подачи топлива при снижении уровня ниже допустимого.
Такую систему обогрева применяют многие зарубежные фирмы. Передвижные битумные цистерны емкостью до 25 м3 обычно бывают оборудованы термостатами для поддержания температуры битума в заданных пределах. При оголении жаровых труб форсунка выключается автоматически.
При электрообогреве значительно упрощается конструкция теплообменника, исключается необходимость в промежуточном теплоносителе, не нужны устройства для его разогрева. Однако системам с электрообогревом свойственны многие недостатки нагревателя: нагрев битума жесткий, возможность коксования практически остается. По технике безопасности, долговечности и в пожарном отношении электронагреватели уступают теплообменникам других типов.
Технические характеристики цистерн вертикального и горизонтального исполнения с жидкостным обогревом, выпускаемых отдельными фирмами, приведены в табл. 25.3 и 25.4.
Вертикальные резервуары по сравнению с горизонтальными занимают меньшую площадь, а процесс разогрева в них протекает более интенсивно. Например, швейцарская фирма «Clarmac» изготавливает и поставляет заказчикам вертикальные цилиндрические теплоизолированные резервуары с подогревом, вмещающие от 23 до 91 т жидкого битума. При этом диаметр резервуаров составляет 3,5-4 м, а высота - 4-9 м. Резервуар имеет люк для очистки, трубу для заливки битума, сливную трубу, автоматическое реле отключения насоса при достижении битумом верхнего уровня. Кроме вертикальных резервуаров, фирма «Clarmac» выпускает горизонтальные теплоизолированные резервуары с системами огневого разогрева битума. Их вместимость 2-68 т. Автоматические системы цистерн с электрическим разогревом дают возможность нагревать имеющийся битум до необходимой температуры в течение заданного промежутка времени.
Таблица 25.3
Техническая характеристика цистерн вертикального типа
|
Страна, фирма |
Тип цистерны |
Высота, м |
Диаметр, м |
Вместимость, т |
Масса без битума, т |
|
Англия, CARTEM |
EV |
5,72 |
3,05 |
27 |
5 |
|
EV |
7,27 |
3,05 |
36 |
6 |
|
|
EV |
7,58 |
3,3 |
54,5 |
7,5 |
|
|
EV |
8,92 |
3,3 |
54,5 |
7,5 |
|
|
EV |
8,92 |
3,66 |
68 |
8,5 |
|
|
Швейцария, CLARMAC |
- |
3,82 |
3,46 |
23 |
3,6 |
|
- |
4,27 |
3,46 |
28 |
3,9 |
|
|
- |
5,54 |
3,46 |
37 |
4,7 |
|
|
- |
6,86 |
3,46 |
45,5 |
5,7 |
|
|
- |
8,4 |
3,46 |
57 |
6,7 |
|
|
- |
9,91 |
3,46 |
68,5 |
7,8 |
|
|
- |
9,3 |
4,07 |
91 |
8,8 |
|
|
Германия, BENNING- HOVEN |
40.0001 |
10,2 |
2,9 |
40 |
н/д |
|
50.0001 |
12,5 |
2,9 |
50 |
н/д |
|
|
60.0001 |
11,4 |
3,3 |
60 |
н/д |
|
|
80.0001 |
14,9 |
3,3 |
80 |
н/д |
|
|
100.0001 |
18,5 |
3,3 |
100 |
н/д |
Таблица 25.4
Техническая характеристика цистерн горизонтального типа с жидкостным обогревом
|
Страна, фирма |
Тип цистерны |
Вместимость, т |
Высота, м |
Диаметр, м |
Длина, м |
Масса битума, т |
|
Англия, CARTEM |
ЕЕ |
27,3 |
3,2 |
3 |
5,6 |
4,2 |
|
ЕЕ |
36,4 |
3,2 |
3 |
7,2 |
4,8 |
|
|
ЕЕ |
45,5 |
3,2 |
3 |
8,9 |
5,5 |
|
|
ЕЕ |
54,5 |
3,2 |
3 |
10,5 |
6,2 |
|
|
ЕЕ |
68,0 |
3,2 |
3 |
12,9 |
6,9 |
|
|
Швейцария, CLARMAC |
- |
22,5 |
3,43 |
3,36 |
3,66 |
3,7 |
|
- |
27,2 |
3,43 |
3,36 |
4,12 |
4,0 |
|
|
- |
36,2 |
3,43 |
3,36 |
5,39 |
4,8 |
|
|
- |
45,2 |
3,43 |
3,36 |
6,71 |
5,8 |
|
|
- |
56,7 |
3,43 |
3,36 |
8,24 |
6,8 |
|
|
- |
68 |
3,43 |
3,36 |
9,76 |
7,9 |
|
|
- |
91 |
4,04 |
4 |
9,76 |
9,0 |
|
|
Германия, BENNING- HOVEN |
40.0001 |
40 |
н/д |
2,9 |
9,8 |
- |
|
50.0001 |
50 |
н/д |
2,9 |
12 |
- |
|
|
60.0001 |
60 |
н/д |
2,9 |
14 |
- |
|
|
80.0001 |
80 |
н/д |
3,3 |
14 |
- |
|
|
100.0001 |
100 |
н/д |
3,3 |
17 |
- |
|
|
ТН32 |
32 |
2,55 |
2,5 |
6,5 |
4,8 |
|
|
Италия, MASSENZA |
ТН40 |
40 |
2,55 |
2,5 |
8 |
5,6 |
|
ТН48 |
48 |
2,55 |
2,5 |
9,5 |
6,3 |
|
|
ТН56 |
56 |
2,55 |
2,5 |
11 |
7 |
|
|
ТН64 |
64 |
2,55 |
2,5 |
12,5 |
7,7 |
|
|
ТН72 |
72 |
2,55 |
2,5 |
14 |
8,4 |
|
|
ОАО «Завод Дормаш», |
СИ201М |
20 |
2,62 |
2,4 |
6,6 |
- |
|
Б350 |
50 |
2,93 |
2,8 |
8,7 |
3,4 |
|
|
БХ100 |
100 |
2,8 |
3,2 |
13,2 |
12 |
Битумные насосы. Для перекачивания по трубам битума, дегтя, мазута на асфальтобетонных заводах применяются шестеренчатые насосы. Наиболее распространены насосы с внешним зацеплением шестерен как надежные и простые в конструкции и в эксплуатации. Битумные насосы применяются для перекачивания битума из битумных цистерн в дозирующие устройства асфальтосмесительного оборудования.
Производительность битумных насосов должна быть согласована с производительностью дозирующих устройств смесительного оборудования, а при перекачке битума - удовлетворять требованиям по производительности, предъявляемым при разгрузке железнодорожных цистерн, загрузке битумовозов и автогудронаторов.
Характеристики выпускаемых промышленностью России стационарных и передвижных битумных насосов различных марок, в основном производительностью 500-600 л/мин, приведены в табл. 25.5.
Таблица 25.5
Техническая характеристика битумных насосов
|
Параметры |
Тип, марка насоса |
||||||
|
мод. 600 |
ДС-134А |
ДС-166 |
ДС-167 |
ИС-2394 |
СИ 601-04 |
ДМ-532 |
|
|
Подача, л/мин |
250-500 |
500 |
550 |
600 |
500 |
500 |
100 |
|
Давление, МПа |
0,6 |
0,6 |
0,6 |
0,6 |
0,6 |
0,6 |
0,6 |
|
Мощность двигателя, кВт |
8 |
8 |
8,15 |
11 |
7,5 |
11 |
2,2 |
|
Габариты, мм: длина ширина высота |
523 346 397 |
1097 435 613 |
515 390 480 |
1170 450 630 |
1340 660 550 |
н/д |
н/д |
|
Масса, кг |
130 |
415 |
120 |
530 |
350 |
343 |
157 |
|
Завод-изготовитель |
г. Брянск, «СММ-холдинг» |
г. Верхний Уфалей, ОАО «Завод Дормаш» |
|||||
Эмульсионная база - смонтированный комплекс технологического, энергетического и вспомогательного оборудования, предназначенного для выполнения операций по приготовлению битумных эмульсий. Базы для эмульсий могут быть постоянного (стационарные) и временного типа (притрассовые). Стационарные предприятия могут обслуживать строительство нескольких автомобильных дорог в пределах географического района, административной области или дорожно-эксплуатационных служб. Для доставки эмульсий с этих предприятий используют железнодорожный транспорт, автобитумовозы, автогудронаторы. Разновидностью эмульсионных баз являются передвижные предприятия временного типа, перебазирование которых осуществляется в короткие сроки.
В ряде случаев целесообразна организация эмульсионного цеха в составе битумной базы или асфальтобетонного завода (АБЗ). Создание цехов на АБЗ и битумных базах позволяет использовать имеющееся оборудование и вспомогательные помещения.
Эмульсионная база включает в свой состав узлы и отделения основного и вспомогательного назначения (рис. 25.3).

Рис. 25.3. Генплан эмульсионной базы:
1 - установка для приема и складирования исходных материалов; 2 - источники подачи тепла для поддержания или регулирования температуры используемых исходных материалов, системы трубопроводов, приборов производства, насосов и приготовленных эмульсий; 3 - эмульсионная установка; 4 - емкости для хранения эмульсий; 5 - установка для переливания эмульсий в цистерны; 6 - устройство взвешивания поставляемых продуктов; 7 - пункт управления и контроля качества приготовления эмульсий
Технология производства битумных эмульсий. Битумные эмульсии представляют собой дисперсные системы, состоящие в основном из битума и воды, в которых одна из жидкостей распределена в виде мелких капель в другой жидкости. Дробление (диспергирование) битума в воде производят, как правило, в механизмах типа коллоидных мельниц, называемых гомогенизаторами или диспергаторами.
Независимо от конструкции аппарата, этот процесс состоит в следующем: сначала битум дробится на отдельные капли. Большие сферические капли в силовом потоке деформируются в цилиндрики. При определенном соотношении длины, диаметра цилиндрика битума (критические размеры) он самопроизвольно распадается на большую и малую капли. Процесс повторяется до тех пор, пока большая капля не станет равна малой (0,01 мкм).
Системе необходимо придать агрегатную устойчивость, то есть устойчивость против слипания капель. Это достигается введением в систему третьего компонента (эмульгатора) в виде поверхностно-активного вещества (ПАБ), концентрирующегося на поверхности раздела фаз (битума и воды). Молекулы эмульгатора, адсорбируясь на поверхности раздела капелек битума, образуют защитные слои вокруг них и предотвращают слипание. Асимметрично построенные молекулы эмульгатора ориентируются следующим образом на границе раздела: полярные группы направлены к водной фазе, образуя внешнюю часть защитной оболочки, неполярные втянуты в битум. В состав защитных слоев входят также молекулы воды.
Для придания защитным слоям структурно-механической прочности необходимо, чтобы водородный показатель (рН) водной фазы был в определенных пределах. Для этих целей при приготовлении катионных битумных эмульсий используют соляную кислоту. Таким образом, на внешней поверхности капелек диспергированного битума образуется стабилизирующий слой эмульгатора, препятствующий слиянию капелек, расслоению и разрушению (распаду эмульсий).
Классификация, показатели свойств эмульсий и технические требования к материалам для их приготовления определены ГОСТ Р 52128-2003.
В настоящее время в России и за рубежом предпочтение отдается катионным битумным эмульсиям. Принципиальная схема производства битумных эмульсий показана на схеме (рис. 25.4). Технологический процесс производства катионных битумных эмульсий включает выполнение следующих технологический операций:
подготовка битума, включая его подачу из мест хранения, нагрев до рабочей температуры и в случае необходимости обезвоживание;
приготовление водного раствора эмульгатора, включая подачу из мест хранения и дозировку воды, эмульгатора, соляной кислоты, их перемешивание и нагрев;
приготовление эмульсии путем смешивания битума и водного раствора эмульгатора;
хранение битумной эмульсии и ее погрузка в транспортные средства;
производство тепловой энергии для нагрева и поддержания рабочей температуры битума и водного раствора эмульгатора.

Рис. 25.4. Производство катионных битумных эмульсий
Хранение и транспортирование эмульсий. Эмульсия, являющаяся холодным продуктом, может находиться на хранении в течение нескольких месяцев. Эмульсии допускается хранить при температуре воздуха не ниже 0°С.
Гарантийный срок хранения эмульсий классов ЭБА-1, ЭБА-2, ЭБК-1, ЭБК-2 - один месяц со дня приготовления, эмульсий классов ЭБА-3 и ЭБК-3 - два месяца со дня приготовления.
При длительном хранении (в течение 2 недель и более) допускается небольшое расслоение эмульсии без изменения концентрации битума по высоте емкости, без образования неразмешиваемых комков и сгустков. Длительно хранившуюся эмульсию перед использованием необходимо тщательно перемешивать.
Эмульсии можно складировать на месте их производства и на месте применения. В обоих случаях лучшим способом является хранение в вертикальных цилиндрических емкостях. Не рекомендуется хранить эмульсии в емкостях прямоугольного сечения во избежание скопления битума в углах емкости.
Емкости для эмульсии должны быть чистыми, без остатков любых материалов. Перед наполнением их следует промыть горячей водой или обработать паром. Во избежание загрязнения битумной эмульсии, испарения из нее воды, а также попадания дождя емкости должны плотно закрываться.
Не разрешается сливать в одну емкость эмульсии различного состава, так как это приводит к распаду, то есть необратимому разделению на битум и воду. Наполнять емкость и отбирать из нее эмульсии следует снизу. При необходимости наполнения сверху конец сливного патрубка опускают вглубь эмульсии, чтобы не допускать пенообразования или распада заливаемой эмульсии вследствие ударов ее о поверхность эмульсии, находящейся в емкости.
Для транспортирования эмульсии могут быть использованы автогудронаторы, битумовозы, железнодорожные цистерны, цистерны вместимостью 1-2 т, смонтированные на грузовых автомобилях, металлические бочки вместимостью 100-500 л. Перед загрузкой транспортных средств эмульсию пропускают через сетчатый фильтр с отверстиями размером 3 мм.
Предприятие-изготовитель должно сопровождать каждую партию эмульсии документом, удостоверяющим качество, в котором указывают: наименование и адрес предприятия-изготовителя; номер и дату составления документа; вид и класс эмульсии; результаты испытаний эмульсии; дату изготовления эмульсии; обозначение нормативного документа и др. в соответствии с ГОСТ Р 52128-2003.
В России эксплуатируется несколько типов установок по производству катионных битумных эмульсий, выпускаемых: ОАО «Завод Дормаш» (Россия) совместно с фирмой «Building Machine Trade LTD» (Венгрия); фирм «BREINING» (Германия), «MASSENZA» (Италия); «BERNARDI» (Италия) и др. (табл. 25.6).
Таблица 25.6
Техническая характеристика эмульсионных установок
|
Производитель, страна |
Индекс машины, тип |
Производи- |
Мощность, кВт |
Вместимость бака битума, м3 |
Вместимость бака водного раствора, м3 |
Вместимость бака эмуль- |
|
ОАО «Завод Дормаш», Россия совместно с ВМТ (Венгрия) |
ЭУ-15 |
10-15 |
21 |
3×20 |
2×4 |
40 |
|
ОАО «АСДОР», Россия |
УЭ контейнер |
3-4 |
общая 75 |
из отдельной цистерны |
3 |
5 |
|
Emul Bitume, Франция |
Atomix B |
2,5 |
4 |
2×10 |
2×0,5 |
20 |
|
Atomix A |
15 |
24 |
3×20 |
2×3,5 |
40 |
|
|
Atomix D |
25-30 |
30 |
2×40 |
2×7,5 |
60 |
|
|
Colas, Франция |
ЕСА-50 |
5,0 |
9 |
2×20 |
2×2,0 |
20 |
|
ЕСА-100 |
10,0 |
22 |
3×20 |
2×3,0 |
40 |
|
|
ЕМ-150 |
15,0 |
22 |
3×20 |
2×4,0 |
40 |
|
|
ЕМ-250 |
25,0 |
30 |
2×40 |
2×6,0 |
60 |
|
|
ЕМ-400 |
40,0 |
45 |
2×60 |
2×8,0 |
2×60 |
|
|
Vally Slurry Seal, США (Эмультек) |
М-50 |
7,25 |
12 |
2×20 |
2×2,5 |
20 |
|
М-75 |
14,5 |
21 |
3×20 |
2×5,0 |
40 |
|
|
М-100 |
22,7 |
30 |
2×40 |
2×6,0 |
60 |
|
|
М-125 |
36,0 |
40 |
2×60 |
2×8,0 |
2×60 |
|
|
GOLD ASPHALT, Италия |
SV-E 320 |
6-7 |
27 |
2×20 |
2×4,0 |
40 |
|
Massenza, Италия |
EM-4000×2SK |
10-12 |
43 |
2×20 |
2×4,0 |
40 |
|
Bernardi Imp, Италия |
ЕВ 7000 |
5,5-7,0 |
10 |
2×20 |
2×3,0 |
20 |
|
Akzo-Nobel, Швеция, Голландия |
б/н |
12,0 |
21 |
3×20 |
2×6,0 |
40 |
|
б/н |
20,0 |
30 |
2×40 |
2×8,0 |
60 |
|
|
Kallotikone, Финляндия |
КАЕ-25 |
25,0 |
30 |
2×40 |
2×6,0 |
60 |
Независимо от их конструктивных особенностей, они включают в себя совокупность узлов, обеспечивающих выполнение установленных регламентом технологических операций:
блока подготовки битума в составе емкостей для его хранения, системы подогрева и обезвоживания, системы подачи битума в диспергатор;
блока подготовки водного раствора эмульгатора в составе емкостей для хранения воды, эмульгатора, соляной кислоты, системы трубопроводов для подачи исходных компонентов в смесительные емкости, устройств для перемешивания компонентов;
теплонагревательного блока (тепловая энергия производится путем сжигания различных видов топлива);
блока приготовления битумной эмульсии, включающего диспергатор (коллоидную мельницу), в котором происходит размельчение битума на частицы размером 0,01 мкм и перемешивание их с водным раствором эмульгатора; систему подающих и отводящих трубопроводов;
блока хранения и подачи готовой продукции, включающего емкости для хранения эмульсии и систему трубопроводов, обеспечивающих подогрев и транспортировку эмульсии к месту выгрузки.
Особенностями современных установок по производству катионных битумных эмульсий являются:
наличие или отсутствие закрытых помещений для размещения технологического оборудования;
конструкции этих помещений;
конструкции емкостей для приготовления водного раствора эмульгатора (открытого или закрытого типа), включая систему перемешивания, транспортировки и хранения соляной кислоты;
наличие или отсутствие системы сбора и нейтрализации производственных сточных вод и остатков водного раствора эмульгатора.

Рис. 25.5. План-схема установки по приготовлению катионных битумных эмульсий ОАО «Завод Дормаш» (Россия):
1 - емкости для хранения битума; 2- устройства для подогрева и обезвоживания битума; 3, 4 - теплонагреватель; 5, 6 - емкости для хранения эмульгатора; 7 - емкость для хранения воды; 8 - емкости для хранения соляной кислоты; 9 - устройство для выдачи готовой продукции; 10 - емкости для хранения готовой продукции; 11 - бетонный отстойник для слива промывочных вод и остатков водного раствора эмульгатора; 12 - воздушный компрессор; 13 - диспергатор; 14 - емкости для приготовления водного раствора эмульгатора; 15 - цех; 16, 17 - устройства дозирования; 18 - водоотводной лоток; 19 - битумохранилище
В состав эмульсионных установок ОАО «Завод Дормаш» (Россия) и фирмы «BREINING» (Германия) входят (рис. 25.5 и 25.6):
устройства для приготовления битума (обезвоживания, нагрева до рабочей температуры), включающие емкости для хранения битума, емкости и устройства для подогрева и обезвоживания битума. Битум поступает из битумохранилища АБЗ;
блок подготовки водного раствора эмульгатора. Исходные компоненты поступают из емкостей для хранения воды или водопровода, из емкостей для хранения соляной кислоты и емкостей для хранения эмульгатора. Блок включает систему трубопроводов, обеспечивающих поступление компонентов в смесительные установки. Смесительные установки имеют 1-2 м3 устройства для дозировки исходных компонентов. Учитывая цикличность производства, устанавливают две емкости для приготовления водного раствора эмульгатора. Емкости снабжены системами перемешивания исходных компонентов: воздушный компрессор (рис. 25.5) или систему механического перемешивания (рис. 25.6);
блок, включающий теплонагреватель и систему обогрева, имеет собственно теплонагреватель, работающий на мазуте или дизельном топливе, и систему трубопроводов;
блок приготовления катионной битумной эмульсии, включающий мельницу (диспергатор), в которой происходит размельчение битума на частицы размером 0,01 мкм и перемешивание его с водным раствором эмульгатора, а также трубу слива промывочных вод, неиспользованного раствора эмульгатора и остатков битумной эмульсии;
блок хранения и выдачи готовой продукции, включающий набор емкостей объемом 50 м3 производства ОАО «Завод Дормаш», Верхний Уфалей.

Рис. 25.6. План-схема установки по приготовлению катионных битумных эмульсий фирмы «Breining» (Германия):
1 - емкости для хранения битума; 2 - устройства для подогрева и обезвоживания битума; 3, 4 - теплонагреватель; 5, 6 - емкости для хранения эмульгатора; 7 - емкость для хранения воды; 8 - емкости для хранения соляной кислоты; 9 - устройство для выдачи готовой продукции; 10 - емкости для хранения готовой продукции; 12 - система механического перемешивания; 13 - диспергатор; 14 - резервуары для приготовления водного раствора эмульгатора; 15 - металлический контейнер; 16, 17, 21 - устройства дозирования; 18 - водоотвод; 19 - битумохранилище; 20 - труба слива промывочных вод, неиспользованного раствора эмульгатора и остатков битумной эмульсии
Например, весь комплекс оборудования ОАО «Завод Дормаш» в Ростовской области (рис. 25.5) смонтирован на площадке размером 35,1×60 м с асфальтобетонным покрытием. В здании (в закрытом помещении) смонтированы: два открытых резервуара (объемом до 2,5 м3 при диаметре 1,5 м) с зонтами над ними для естественной вентиляции паров, образующихся при приготовлении водного раствора эмульгатора; дозатор (стеклянная емкость) соляной кислоты (подача осуществляется «по объему», так как соляная кислота может иметь разную концентрацию); компрессор для подачи сжатого воздуха в открытые резервуары для перемешивания воды и соляной кислоты; дозатор эмульгатора (подача его в открытые резервуары может осуществляться из емкости для хранения или непосредственно из бочек с помощью электронасоса); коллоидная мельница; система трубопроводов для подачи битума, разбавителя (если требуется), водного раствора эмульгатора в коллоидную мельницу и от нее готовой эмульсии на склад готовой продукции. Остальное оборудование смонтировано на открытом воздухе.
Поверхность площадки цеха имеет уклон от емкостей для битума в сторону емкостей для готовой эмульсии. Поверхностный сток (талые воды, дождевые) сбрасываются в водоотводной лоток, проложенный вдоль площадки цеха (со стороны емкостей для эмульсии), а из него в местную водоотводную канаву.
В здании цеха под открытыми резервуарами для приготовления водного раствора эмульгатора сделаны бетонные водоотводные лотки с выводом стока из них в бетонный колодец, расположенный за пределами здания, который предназначен для сбора остатков водного раствора эмульгатора из емкостей и промывочной воды. Водоотводные лотки должны обладать кислотоупорной поверхностью. Соляная кислота даже в очень малых концентрациях активно разрушает бетон: при наличии в воде свободных кислот происходит растворение Са(ОН)2, входящего в состав цементного камня:
Са(ОН)2 + 2НС1 = СаС12 + 2Н20
Комплекс оборудования фирмы «Брайнинг» в Московской области (см. рис. 25.6) смонтирован на асфальтобетонной площадке. В контейнере смонтированы две емкости по 2000 литров каждая, предназначенные для получения водного раствора эмульгатора, дозаторы, мерники, насосы, коммуникации и т.д. На площадке расположены 2 пластмассовые емкости по 1000 литров для хранения соляной кислоты и эмульгатора; контрольный щит управления, форсунка для разогрева битума, емкости для хранения битума и готовой эмульсии по 50 м3.
Установка выполнена из нержавеющей стали. Эксплуатируется только в теплое время года (с апреля по сентябрь).
Фирмой «Massenza» (Италия) совместно с СММ-ХОЛДИНГ (г. Брянск) и механическим заводом (г. Балашиха Московской обл.) освоено производство установок для приготовления катионных битумных эмульсий производительностью 10 т/ч.
Установка для приготовления катионных битумных эмульсий (рис. 25.7) состоит из двух емкостей приготовления водного раствора с мешалкой вертикального типа (в каждой емкости), насосов подачи битума, водного раствора, дозирующих насосов разбавителя, соляной кислоты, эмульгатора (аминокислот), диспергатора (коллоидной мельницы), лабиринтного смесителя, теплообменника нагрева воды, теплообменника-охладителя битумной эмульсии, четырех градуированных стеклянных сосудов соляной кислоты и эмульгатора (аминокислот), автоматического котла, диатермического масла, трубопроводов с запорной арматурой, пульта управления с датчиками контроля.

Рис. 25.7. Технологическая схема производства катионной битумной эмульсии в установке фирмы «MASSENZA» (Италия):
А - подвод соляной кислоты; В - подвод аминокислот; С - циркуляция аминокислот; D - выход смеси для SLURRY; Е - подвод эмульгатора; F - подвод битума; G - циркуляция битума; Н - подвод воды; J - слив эмульсии
Ассоциацией «Асдор» (Москва) разработана эмульсионная установка мобильного типа для приготовления дорожных анионных и катионных битумных эмульсий производительностью 3 т/ч. Техническая характеристика установки приведена в табл. 25.6. Установка встроена в универсальный контейнер, смонтированный на автомобильном шасси. В контейнере установки размещены:
система подготовки и дозирования водного раствора эмульгатора, включающая теплоизолированную емкость (3 м3) с электронагревом и циркуляционным насосом, а также узел хранения и дозирования кислоты;
система дозирования битума, обеспечивающая подачу битума в диспергатор;
система приготовления и хранения эмульсии, включающая диспергатор и емкость с электронагревом (5 м3) для хранения и загрузки готовой эмульсии в гудронатор;
система управления и контроля, обеспечивающая контроль за технологическими параметрами (температура, расход компонентов).
Установка монтируется на асфальтобетонных заводах. Для ее пуска необходимо обеспечить подводку битума из действующего битумного котла, подключение электроэнергии и воды.
Автоматизация технологических процессов на эмульсионных базах может быть частичной, комплексной или полной. На притрассовых битумных базах, как правило, используется частичная автоматизация. Комплексную и полную автоматизацию внедряют в эмульсионных цехах в составе АБЗ. В этом случае применяют дистанционное управление. Оператор на пульте управления формирует команды на включение, отключение или изменение технологического режима.
Контроль качества эмульсий. Эмульсия должна иметь цвет от светло- до темно-коричневого, по внешнему виду быть однородной и не разбавляться водой.
Приготовлению эмульсий в установке предшествует подбор ее состава в лабораторных условиях. Особое внимание уделяется выбору эмульгатора, который определяет все основные свойства эмульсии: эмульгируемость битума; устойчивость эмульсии при хранении, транспортировании, перекачивании насосами, распылении форсунками; проверяется взаимодействие эмульсии с минеральными материалами; скорость формирования битумной пленки после нанесения эмульсии, водостойкость этой пленки и т.д.
Главным критерием при выборе эмульгатора является вид дорожно-строительных работ. Для устройства поверхностной обработки и подгрунтовки используют эмульсии классов ЭБК-1 и ЭБК-2, для ямочного ремонта ЭБК-2, для приготовления плотных эмульсионно-минеральных смесей ЭБК-3 по ГОСТ Р 52128-2003.
Соляную кислоту в состав водного раствора эмульгатора для катионных эмульсий необходимо вводить в таком количестве, чтобы водородный показатель (рН) был в пределах 2-4. Этот показатель контролируется индикаторной бумагой либо потенциометром.
При применении экспресс-метода полоску индикаторной бумаги опускают в испытуемый раствор, вынимают из него и немедленно сравнивают полученную окраску бумаги с прилагаемой цветностью, соответствующей различным значениям рН.
Для определения рН потенциометром используют рН-метры. Измерения осуществляются в соответствии с инструкциями, прилагаемыми к приборам.
Концентрацию битума в эмульсии назначают в пределах 45-65 % в зависимости от вида дорожно-строительных работ и погодных условий.
В процессе приготовления эмульсий следует контролировать:
температуру битума, которая должна быть в пределах 120-140°С;
дозировку каждого компонента;
температуру водного раствора эмульгатора, которая должна быть в пределах 55-60°С;
температуру готовой эмульсии на выходе из коллоидной мельницы, которая должна быть в пределах 80-90°С.
Особое внимание уделяется дозировке, так как она влияет на качество и стоимость продукции. Она производится дозирующими объемными насосами с регулируемым числом оборотов. Оперативный контроль качества готовой эмульсии на выходе из гомогенизатора производят периодически визуально путем погружения стеклянной палочки в готовую эмульсию. При хорошем качестве эмульсии палочка покрывается темно-коричневой пленкой. Не допускается в пленке комочков или нитей битума.
Готовые эмульсии должны быть приняты техническим контролем предприятия-изготовителя. Приемку эмульсии производят партиями. Партией считают сменную выработку одной установки, но не более 50 т.
Для контроля качества эмульсии отбирают не менее 3-4 точечных проб не ранее чем через 30 мин от начала выпуска эмульсии и далее с интервалом от 1 до 2 ч в зависимости от производительности установки. Объем каждой точечной пробы должен быть не менее 2 л. Точечные пробы объединяют и тщательно перемешивают и процеживают через сито с сеткой № 1,25. Для каждого испытания из объединенной пробы эмульсии отбирают навески в соответствии с методикой испытания по ГОСТ Р 52128-2003.
Приемочный контроль каждой партии эмульсии производит предприятие-изготовитель по следующим основным показателям:
содержание битума с эмульгатором;
устойчивость эмульсии при перемешивании с минеральными материалами (класс эмульсии);
сцепление пленки вяжущего с поверхностью щебня;
однородность (определение остатка на сите);
условная вязкость при 20°С;
устойчивость при хранении;
сцепление пленки вяжущего с минеральными материалами; устойчивость при транспортировании.
Периодический контроль производят не реже одного раза в квартал и при каждом изменении материалов, применяемых при приготовлении эмульсий, а также при изменении состава эмульсии.
Асфальтобетонный завод (АБЗ) - смонтированный комплекс технологического, энергетического и вспомогательного оборудования, предназначенного для выполнения операций по приготовлению асфальтобетонных смесей. При строительстве автомобильных дорог с асфальтобетонным покрытием по месту расположения различают два типа АБЗ: прирельсовые и притрассовые.
Прирельсовые АБЗ устраивают у железной дороги. Они включают в себя ряд отделений и цехов основного и вспомогательного назначения:
склады каменных материалов, состоящие из приемных устройств для разгрузки железнодорожных вагонов и укладки материалов в штабели, машин и устройств для погрузки каменных материалов из штабелей в расходные бункеры смесительных установок;
склады минерального порошка, состоящие из приемных устройств, разгрузчиков вагонов, оборудования для транспортирования минерального порошка на склады и от них в расходные емкости асфальтосмесительных установок;
склады битума, состоящие из приемных устройств и оборудования для разгрузки, хранения и предварительного подогрева битума, из оборудования для обезвоживания и нагрева битума до рабочей температуры и смешения его с поверхностно-активными веществами, а также подачи готового битума к асфальтосмесительной установке;
асфальтосмесительные установки с расходными бункерами для каменных материалов и минерального порошка, технологическим оборудованием для сушки и нагрева минеральных материалов и битума, дозирования и перемешивания минеральных материалов и вяжущих, выдачи готовой смеси в накопительные бункеры и транспортные средства;
вспомогательные отделения - передвижные электростанции или трансформаторные подстанции, парокотельные и компрессорные устройства, устройства водоснабжения и канализации, служебные помещения.
В отдельных случаях на АБЗ предусматривают отделения для дополнительного домола и приготовления минерального порошка, сортировки щебня или гравия, приготовления поверхностно-активных веществ.
Притрассовые АБЗ организуют вблизи мест укладки асфальтобетонной смеси. Предназначены для кратковременного использования (1-2 года) на одном месте. Притрассовые АБЗ включают асфальтосмесительную установку, расходные склады минерального порошка и емкости для битума (с запасом материалов на одну-пять смен работы АБЗ), передвижные компрессорные установки и электростанции.
Для притрассовых АБЗ характерна доставка каменных материалов с прирельсовой базы автомобилями-самосвалами, а минерального порошка и битума - автоцементовозами и битумовозами.
По принципу работы технологического оборудования АБЗ смесители подразделяются на две категории: циклического и непрерывного действия. В смесителях циклического (периодического) действия используются порционные дозаторы для дозирования компонентов смеси. На АБЗ непрерывного действия операции дозирования, перемешивания и выдачи готовой смеси совмещены во времени.
По мощности асфальтосмесительных установок АБЗ подразделяются на следующие типы: малой производительности - до 25 т/ч; средней 25-50 т/ч; большой 50-100 т/ч; сверхмощные 200-400 т/ч.
По компоновке технологического оборудования в вертикальной плоскости асфальтосмесительные установки делятся на башенные и партерные (ступенчатые). Наибольшее распространение получили установки с башенным расположением агрегатов.
По степени инвентарности установки подразделяются на три типа: стационарные, сборно-разборные и мобильные.
Место размещения АБЗ выбирают с учетом его назначения и минимального времени транспортирования горячих смесей. При температуре воздуха +10°С время транспортирования горячих смесей не должно быть более 1,5 ч.
Критерием оптимального размещения АБЗ при строительстве автомобильных дорог является минимум суммарных затрат на производство и транспортирование асфальтобетонных смесей к месту укладки с учетом расходов на строительство и перебазирование АБЗ.
При выборе мест размещения АБЗ помимо стоимостных показателей необходимо учитывать удобство примыкания АБЗ к железнодорожной станции, наличие в районе строительства карьеров щебня и песка, источников получения вяжущих материалов и воды, возможность подведения электроэнергии от высоковольтных линий и газового топлива от газопровода, наличие действующих автомобильных дорог и типы их покрытий, близость городов и поселков и др.
Определение оптимального размещения АБЗ путем обычных сравнительных методов трудоемко, так как возникает необходимость одновременного учета и сравнения ряда показателей в сложной зависимости. Объективное решение задачи возможно лишь на базе экономико-математических методов и ЭВМ.
Уровень основных технических решений вновь строящихся прирельсовых и притрассовых АБЗ должен соответствовать действующим типовым проектам. Способы приемки щебня (гравия), песка и минерального порошка, их складирование и внутризаводское транспортирование должны исключить возможность снижения их качества и загрязнения окружающей среды. Методы выгрузки битума из вагонов и схема битумохранилища должны исключить возможность его обводнения и загрязнения.
На территории АБЗ, кроме основных отделений, размещаются: механическая мастерская, материально-технический склад, трансформаторная подстанция или передвижная электростанция, контора, лаборатория, мастерская, склад горюче-смазочных материалов, столовая, контора, бытовые помещения, медпункт и т.д.
Проектные решения АБЗ необходимо составлять с учетом требований противопожарных норм проектирования зданий и сооружений. Пожароопасные участки технологических линий АБЗ оборудуют средствами тушения по согласованию с местной пожарной инспекцией. Решение генеральных планов прирельсовых АБЗ подчиняется общим требованиям, предъявляемым к производственным предприятиям дорожного строительства с учетом специфики работы АБЗ (рис. 26.1):
получения по железной дороге фракционного щебня (гравия) и песка и резервирования в отдельных случаях на площадке завода территории для сортировочно-моечного отделения;
обеспечения нормативных сроков разгрузки поступающих по железной дороге заполнителей, битума и минерального порошка;
использования для хранения заполнителей открытых площадок, а для хранения минерального порошка - складов силосного типа, оборудованных системой пневмотранспорта;
обеспыливания мест пылеобразования при погрузочно-разгрузочных работах системами пылеулавливания;
использования для хранения битума крытых битумохранилищ ямного или полуямного типов с приемными устройствами и системами подогрева и перекачки вяжущих;
резервирования в отдельных случаях на площадке АБЗ территории для размещения установок приготовления ПАВ;
обеспечения минимального объема строительно-монтажных работ при строительстве АБЗ и монтаже-демонтаже его оборудования и строительных конструкций при перебазировании.
Территория, на которой располагается прирельсовый АБЗ, должна быть благоустроена и иметь подъездные пути, водоотвод, ограду и освещение для работы в темное время суток и при плохой видимости.

Рис. 26.1. Генеральный план прирельсового АБЗ:
1 - склад каменных материалов; 2 - отделение подачи каменных материалов; 3 - асфальтосмесительная установка; 4 - накопительный бункер готовой смеси; 5 - компрессорная установка; 6 - склад минерального порошка; 7 - склад мазута; 8 - битумохранилище; 9 - склад ГСМ; 10 - склад резиновой крошки; 11 - ремонтные мастерские; 12 - подрельсовый бункер; 13 - стоянка для автотранспорта; 14 - административный корпус; 15 - весовая и пункт контроля; 16 - туалет; 17 - трансформаторная подстанция
Покрытие на открытых площадках для хранения заполнителей и на основных проездах рекомендуется устраивать как из монолитного и сборного бетона, так и из асфальтобетона.
Охлаждение сжатого воздуха, направляемого к объектам потребления, предусматривается шестирядным трубчатым охладителем с пропускной способностью 30 м3/мин. Для очистки сжатого воздуха от влаги и масел трубопровод сжатого воздуха оборудуют комплектом из трех влагомаслоотделителей производительностью 50 м3/мин каждый.
В проектном решении прирельсового АБЗ предусматривается размещение вспомогательных отделений в сборно-разборных зданиях и сооружениях; для технического обслуживания и текущего ремонта технологического оборудования, инженерных сетей и коммуникаций - ремонтно-механическая мастерская.
Для систематического контроля технологического процесса приготовления асфальтобетонной смеси и качества исходных материалов, поступающих на завод, в составе АБЗ должна быть предусмотрена лаборатория. Оборудование лаборатории обеспечивает проведение комплекса всех испытаний материалов, предусмотренных ГОСТ 9128-97.
Притрассовые АБЗ организуются на базе асфальтосмесительных установок мобильного типа (рис. 26.2). Доставка материалов на притрассовый асфальтобетонный завод предусматривается преимущественно автомобилями с прирельсовых баз. Подача каменных материалов на питатели асфальтосмесительной установки обеспечивается одноковшовыми погрузчиками на пневмоколесном ходу.

Рис. 26.2. Генеральный план притрассового АБЗ:
1 - склад каменных материалов; 2 - отделение подачи каменных материалов; 3 - смеситель; 4 - расходный бункер цемента; 5 - кабина обслуживания и управления; 6 - емкости с водой; 7 - отделение приготовления добавок; 8 - контора с лабораторией; 9 - спортивная площадка; 10 - материально-технический склад; 11 - резервуары противопожарные; 12 - ремонтно-механическая мастерская; 13 - площадка для открытых ремонтных работ; 14 - бытовые помещения; 15 - баня; 16 - столовая; 17 - трансформаторная подстанция; 18 - туалет; 19 - артезианская скважина; 20 - передвижная компрессорная установка; 21 - отделение лаборатории; 22 - весовая с автоматическими весами грузоподъемностью 30 т; 23 - канализационные очистные сооружения; 24 - склад ГСМ
На территории АБЗ рядом со смесительной установкой располагается склад песка и фракционного щебня открытого типа с разделительными стенками на площадке, имеющей твердое покрытие. Щебень и песок должны доставляться чистыми, а щебень рассортирован на фракции.
Активированный минеральный порошок хранят в металлических расходных силосных емкостях. Для подачи минерального порошка используют средства пневматического транспорта. К инвентарному расходному складу минеральный порошок доставляется автоцементовозами.
Битум хранят в крытых битумохранилищах или цистернах, вмещающих до 100 т битума. Битумное хозяйство имеет оборудование для поддержания рабочей температуры битума, обогреваемый битумный насос, битумопроводы с битумными кранами.
К смесительной установке прокладывают подъездную дорогу с твердым покрытием. Движение организуют по кольцевой схеме без встречных автомобилей.
В состав притрассового АБЗ включаются отделения энергетического и вспомогательного назначения - электростанции или трансформаторные подстанции, компрессорные и парокотельные установки, устройства водоснабжения, склады различных материалов, системы битумо- и мазутопроводов, комплекс служебных и вспомогательных помещений.
В отличие от прирельсовых АБЗ размещение основных отделений вспомогательного назначения на притрассовых АБЗ предусматривается в мобильных зданиях и сооружениях контейнерного типа.
В отличие от предприятий стационарного типа рассмотренные прирельсовые и притрассовые АБЗ запроектированы с учетом возможности максимального сокращения объемов работ на их сооружение, то есть для хранения каменных материалов на АБЗ широко используются открытые площадки, а для хранения минерального порошка взамен бункерных складов - склады силосного типа. Транспортные операции по подаче каменных материалов осуществляются одноковшовыми фронтальными погрузчиками типа ТО-18Д.
Приготовление асфальтобетонных смесей складывается из следующих технологических операций: сушки и подогрева каменных материалов, сортировки их по фракциям, дозирования минеральных и вяжущих материалов, перемешивания минеральных материалов с органическими вяжущими и выдача готовой смеси (рис. 26.3).

Рис. 26.3. Технологическая схема приготовления горячей асфальтобетонной смеси:
1 - пылеулавливающая система; 2 - винтовой конвейер для пыли; 3 - элеватор для пыли и минерального порошка; 4 - бункер минерального порошка; 5 - элеватор для подачи горячих материалов; 6 - сортировочный агрегат; 7 - смеситель; 8 - ссыпной бункер для негабаритного щебня; 9 - нагреватель битума; 10 - нагреватель жидкого теплоносителя; 11 - обогреваемые битумные цистерны; 12 - сушильный барабан; 13 - накопительный транспортер; 14 - агрегат питания; 15 - емкость для дизельного топлива; 16 - емкость для мазута; 17 - скиповый подъемник; 18 - накопительный бункер готовой смеси
Свойства приготавливаемых асфальтобетонных смесей и асфальтобетона должны отвечать требованиям ГОСТ 9128-97.
Для улучшения качества асфальтобетонных смесей во многих случаях в асфальтобетонную смесь вводят поверхностно-активные вещества (ПАВ) и активаторы. В качестве ПАВ используются катионно- и анионно-активные вещества.
Свойства и качество вводимых в асфальтобетонную смесь ПАВ, должны отвечать требованиям ГОСТ 9128-97 и другим соответствующим нормативно-техническим документам.
Асфальтобетонную смесь на АБЗ приготавливают в автоматизированных установках циклического и непрерывного действия с гравитационным или принудительным смешиванием материалов. При возможности выбора в первую очередь применяют асфальтосмесительные установки циклического действия, затем непрерывного с принудительным перемешиванием и в последнюю очередь асфальтосмесительные установки непрерывного действия с гравитационным перемешиванием.
При приготовлении асфальтобетонной смеси в установке циклического типа обеспечиваются лучшие условия регулирования времени перемешивания и получения смеси требуемого качества.
Сушка и нагрев каменных материалов должны обеспечить не только заданную температуру, но и полное удаление влаги. Для нагрева и обезвоживания битума применяют битумоплавильное оборудование непрерывного и периодического действия. В установках непрерывного действия с газовым или электрическим подогревом обезвоживание происходит в тонком слое. Установки периодического действия состоят из нескольких битумоплавильных котлов. В них вязкий битум готовят по двухступенчатому циклу: в одних котлах битум нагревают до 110-120°С и при необходимости выпаривают воду, потом перекачивают в другие расходные котлы и нагревают до рабочей температуры.
При необходимости введения в битум ПАВ или разжижителя битум готовят по трехступенчатому циклу: после разогрева и выпаривания воды битум перекачивают в свободные котлы, где объединяют с ПАВ или разжижителями, а затем перекачивают в расходные котлы и нагревают до рабочей температуры.
Компоненты асфальтобетонной смеси дозируются по массе; исключение допускается для битума и добавок ПАВ, дозирование которых ведется по объему. Для предварительного дозирования минеральных материалов (до поступления в сушильный барабан) используют агрегаты питания. Точность предварительного дозирования минеральных материалов ±5 %. При работе с очень влажными материалами вводят поправку на их влажность. Допускаемая погрешность при дозировании составляющих асфальтобетонной смеси не должна превышать: для щебня, песка и минерального порошка, применяемых для приготовления асфальтобетонов I и II марок ±3 %; применяемых для приготовления асфальтобетонов III и IV марок ±5 % от массы соответствующего компонента; для битума независимо от марки асфальтобетона ±1,5 % от их массы.
Особое внимание уделяется режимам перемешивания асфальтобетонной смеси в смесителях циклического и непрерывного действия. Режим перемешивания минеральных материалов с битумом играет основную роль в процессе приготовления смеси. Тщательно перемешанная смесь характеризуется равномерным распределением всех ее компонентов и полным обволакиванием поверхности частиц битумом. Продолжительность перемешивания зависит от типа смесительной установки и вида приготавливаемой смеси. Она колеблется от 20 до 60 с в смесителях отечественного производства. Время перемешивания в смесителях зарубежных фирм в 1,5 раза меньше.
Повышение качества смеси и увеличение производительности технологического оборудования могут быть обеспечены интенсификацией процесса перемешивания, применением ПАВ, активаторов, совершенствованием способа введения вяжущих. Способ введения битума оказывает существенное влияние на перемешивание и качество смеси. Принцип интенсификации базируется на сокращении длительности или увеличении скорости перемешивания.
В целях совершенствования технологии приготовления асфальтобетонной смеси целесообразно широко применять активаторы - цемент, известь, сланцевую смолу и др. Введение этих материалов способствует созданию активной свежеобразованной поверхности, имеющей в начальный период большую энергию, что обусловливает высокую адгезию с вяжущими материалами.
Особенности приготовления литых асфальтобетонных смесей (литого асфальта). Литые асфальтобетонные смеси отличаются от горячих смесей повышенным содержанием битума большей вязкости и минерального порошка, более высокой (210-230°С) температурой при приготовлении и укладке. Их приготовление производят на обычном оборудовании АБЗ или на специализированных асфальтосмесительных установках. Принципиальное отличие этих установок от традиционных - наличие оборудования для нагрева минерального материала и подготовки природного битума (необходимой добавки в литой асфальт).
В соответствии с ТУ-400-24-158-89 [105] литые смеси подразделяют на пять типов (табл. 26.1), отличающихся размерами и массовой долей заполнителя в смеси, массовой долей асфальтового вяжущего вещества (смеси битума и минерального порошка) и, соответственно, назначением каждого типа.
Таблица 26.1
Классификация литых асфальтобетонных смесей
|
Основные классификационные особенности смеси |
Назначение смеси |
||||
|
тип смеси |
максимальный размер щебня, мм |
массовая доля, % |
битумо-минеральное отношение, Б:М |
||
|
зерен более 5 мм |
асфальтового вяжущего вещества |
||||
|
I |
15 |
45-55 |
25-30 |
0,35-0,45 |
Новое строительство и капитальный ремонт проезжей части |
|
II |
20 |
35-50 |
20-25 |
0,40-0,55 |
|
|
III |
40 |
45-65 |
15-20 |
0,50-0,65 |
|
|
IV |
5 |
- |
17-23 |
0,40-0,65 |
Покрытие тротуаров |
|
V |
20 |
35-50 |
22-28 |
0,55-0,75 |
Текущий ремонт дорожных покрытий |
Влажные и холодные минеральные материалы в требуемых соотношениях подаются со склада к агрегату питания, из которого по наклонному транспортеру материал подается в сушильный агрегат, где его просушивают и нагревают до рабочей температуры. Горячие материалы загружаются элеватором в сортировочное устройство смесительного агрегата. Разделенные на фракции щебень и песок через бункеры горячего материала поступают в дозаторы и после взвешивания загружаются в смеситель. Холодный минеральный порошок подается элеватором в нагреватель, где материал высушивается и нагревается до рабочей температуры, а затем элеватором загружается в расходный бункер смесительного агрегата. После взвешивания нагретый минеральный порошок поступает в смеситель. Схема технологического процесса приготовления литого асфальта показана на рис. 26.4.

Рис. 26.4. Технологическая схема приготовления литого асфальтобетона:
1 - агрегат питания; 2 - транспортер; 3 - сушильный барабан; 4 - пылеулавливающая система; 5 - смесительный агрегат; 6 - нагреватель; 7 - силос минерального порошка; 8 - битумная цистерна; 9 - разогреватель; 10 - агрегат для дозирования материалов из естественных асфальтовых пород
Осажденная в пылеулавливающей системе пыль подается в элеватор или сортировочное устройство и дозируется совместно с песком или поступает в отдельный расходный бункер и дозируется в требуемых пропорциях совместно с минеральным порошком. Разогретые до рабочей температуры битум из цистерн и специальный природный битум из нагревателя подают к смесительному агрегату, где раздельно дозируют и подают в смеситель. Здесь же производится дозирование материалов из естественных асфальтовых пород; затем после взвешивания они загружаются подъемником в смеситель. В смесителе происходит перемешивание всех компонентов смеси, готовая продукция выгружается в специализированные транспортные средства, снабженные котлом-термосом или бункером с системой обогрева и перемешивания в пути. При транспортировании литой смеси должны обеспечиваться непрерывное перемешивание и температура смеси 180-240°С, а в необходимых случаях - порционная выгрузка с варьированием скорости выдачи смеси.
Особенности приготовления полимерно-битумного вяжущего (ПБВ). Введение в битум полимеров (дивинилстирольных или бутадиенстирольных термоэластопластов) и пластификаторов позволяет получить ПБВ, стабилизирующее физико-механические свойства асфальтобетона при сезонных перепадах температуры. Полимерно-битумные вяжущие для асфальтобетонных смесей должны соответствовать требованиям ГОСТ Р 52056-2003.
В мировой практике наиболее широкое распространение получила технология приготовления ПБВ путем введения дивинилстирольного термоэластопласта (ДСТ) в битум в виде раствора в битумном сырье (гудроне), при этом ПБВ может быть получено как с использованием вязких, так и маловязких битумов. Концентрация раствора ДСТ и других стирольных блоксополимеров (СБС) в гудроне находится в пределах 10-20 % по массе. Приготовление менее концентрированных растворов ДСТ в гудроне может быть причиной недостаточной теплостойкости полимерасфальтобетона в связи с введением в битум большого количества гудронов, более концентрированные растворы плохо перекачиваются битумным насосом.
Отечественные дорожные строители используют другую технологию, разработанную учеными Союздорнии около 15 лет назад, в соответствии с которой возможно введение блоксополимеров типа СБС в битум путем предварительного их растворения в индустриальном масле. При этом можно использовать любые типы СБС как отечественного, так и зарубежного производства: ДСТ, финапрен, карифлекс, кратон, солпрен и др. Количество вводимых блоксополимеров определяется в зависимости от марок битумов, типов блоксополимеров и других технологических условий, изложенных в нормативных документах.
В России для приготовления ПБВ нашли применение установки отечественного и зарубежного производства (табл. 26.2). В основе отечественного оборудования для приготовления ПБВ при растворении стирольных блоксополимеров использован метод перемешивания материалов.
Таблица 26.2
Техническая характеристика установок для приготовления ПБВ
|
Показатели |
Фирма, страна |
|||
|
Союздорнии, Россия |
ЦНКБ, Россия |
Massenza, Италия-Россия |
Breining РВА-4, Германия |
|
|
Производительность по выдаче ПБВ, т/ч |
10 |
2 |
10 |
4 |
|
Количество смесителей, шт. |
2 |
2 |
2 |
1 |
|
Вместимость каждого смесителя, м3 |
6,3 |
3 |
18 |
8 |
|
Тип мешалки |
Якорная |
Лопастная |
Лопастная |
Лопастная |
|
Температура битума, подаваемого в смеситель, °С |
160-170 |
160-170 |
160-180 |
160-180 |
|
Система обогрева смесителей |
Жидкостная |
Электрическая |
Жидкостная |
Жидкостная |
|
Точность дозирования жидких компонентов |
+2 % |
+2 % |
+1,5 % |
+1,5 % |
|
Длительность приготовления ПБВ, мин |
40 |
40 |
40 |
30 |
|
Потребляемая электроэнергия, тыс. ккал/ч |
350-400 |
- |
500 |
- |
|
Установленная мощность, кВт |
42 |
100 |
241 |
120 |
|
Установленная мощность коллоидной мельницы, кВт |
- |
- |
160 |
75 |
|
Габаритные размеры, м |
11,8×3,85×7,55 |
7,5×6,5×8,0 |
3,85×11,0×7,5 |
14,8×2,5×6,8 |
|
Масса оборудования, т |
24,5 |
- |
20,3 |
- |
|
Обслуживающий персонал, чел. |
2 |
2 |
2 |
2 |
Оборудование для приготовления ПБВ конструкции Союздорнии может работать в составе асфальтосмесительных установок производительностью до 100 т/ч, а также в режиме автономного приготовления ПБВ или раствора СБС в индустриальном масле с выдачей его потребителям для последующего введения в битум.
Полимерно-битумное вяжущее в оборудовании Союздорнии может приготавливаться по любой из двух технологических схем. По первой схеме обезвоженный и нагретый до 170-180°С битум закачивается в первый смеситель и затем в него подается до 10 % индустриального масла, играющего роль пластификатора. Затем подается, например, 2-2,5 % ДСТ. Приготовление концентратов полимеров требует особого внимания, поскольку свойства полимербитумного вяжущего существенно зависят от соотношения «масло-полимер». Перемешивание осуществляется до получения однородной смеси, которая закачивается во второй смеситель, работающий в качестве расходной емкости.
По второй технологической схеме в первом смесителе готовится 20-30-процентный раствор ДСТ в масле, который затем подается в битум, находящийся во втором смесителе, где он перемешивается до получения однородной смеси.
Оборудование позволяет приготавливать ПБВ и на основе гудрона. При этом технология не имеет принципиальных отличий. Оба смесителя имеют рубашки и обогреваются с помощью любого стандартного нагревателя для жидких теплоносителей тепловой мощностью 350-500 тыс. ккал/ч.
Установка для приготовления модифицированного битума конструкции Центрального научно-конструкторского бюро (ЦНКБ) оборонной промышленности выполнена по модульно-блочному принципу и содержит два смесителя: смеситель для приготовления концентрата, состоящий из блоков смешения, обогрева, дозирования и подачи блоксополимеров, и смеситель для окончательного приготовления ПБВ путем смешения битума и концентрата. Отличительной особенностью установки является наличие электрического обогрева смесителей и материалопроводов.
Особенностями оборудования для приготовления ПБВ, разработанного Заводом № 345 оборонной промышленности (Россия) совместно с фирмой Massenza (Италия), являются технологические условия приготовления ПБВ и связанные с ними конструктивные особенности. Технологическая особенность заключается в возможности растворения СБС непосредственно в битуме с добавлением небольшого количества масла в качестве пластификатора.
Характерным конструктивным отличием этого оборудования, как, впрочем, и выпускаемого большинством зарубежных фирм, является наличие коллоидной мельницы (так называемого диспергатора), которая реализует метод измельчения, но требует для своей работы очень большую потребляемую мощность. Наличие такой мельницы позволяет получить ПБВ без предварительного растворения блоксополимера. Весь процесс выполняется в автоматическом режиме в течение 40 мин.
Установка предназначена для производства ПБВ с применением порошкообразных и гранулированных модификаторов. Она дает возможность получать полуфабрикаты, включающие модификатор и индустриальное масло. Этот полуфабрикат можно перевозить на большие расстояния и затем, добавляя необходимое количество битума, производить на месте потребления ПБВ требуемого состава.
Технологический процесс получения ПБВ включает следующие основные операции (рис. 26.5): загрузка насосом битума при температуре 170-180°С в один из смесителей; закачка в этот же смеситель индустриального масла при температуре 130-140°С; перемешивание битума с индустриальным маслом в смесителе; загрузка ДСТ в смеситель и перемешивание; измельчение всех компонентов смеси с помощью коллоидной мельницы в режиме циркуляции; контроль качества ПБВ; выгрузка ПБВ в накопительную емкость или потребителям.

Рис. 26.5. Технологическая схема приготовления полимерно-битумного вяжущего (ПБВ)
На отечественном рынке представлено и немецкое оборудование фирмы «Breining», а именно установка для модификации битума типа РВА4. В качестве модификаторов могут применяться блоксополимеры: kraton, polibit Esso, ДСТ и др. Установка включает смеситель емкостью 8 м3 с лопастной мешалкой; коллоидную мельницу; шестеренчатые насосы; технологические трубопроводы; электрошкаф; инжекционную систему для пневматической загрузки полимеров.
Нагретый до 180-190°С битум с помощью битумного насоса подается в смеситель, после чего загружается один из блоксополимеров, выбранных для работы. После заполнения смесителя включаются мешалка и коллоидная мельница в режиме циркуляции. Перемешивание и циркуляция продолжаются до получения однородной смеси. Готовое ПБВ перекачивается в накопительную емкость или потребителям. При необходимости в смеситель можно закачивать масло-пластификатор в необходимом количестве с помощью отдельного насоса.
Обогрев смесителя, трубопроводов, насосов и коллоидной мельницы выполняется любым стандартным нагревателем жидкого теплоносителя тепловой мощностью от 250 тыс.ккал/ч и более. Все оборудование кроме смесителя смонтировано в отдельном контейнере. От атмосферных осадков смеситель защищен металлической крышей.
Асфальтосмесительные установки - комплект основного технологического оборудования АБЗ, обеспечивающего выполнение основных операций технологического процесса приготовления асфальтобетонных и битумоминеральных смесей. Асфальтосмесительные установки классифицируются по основным конструктивным и технологическим показателям: производительности, принципу действия смесителя, конструктивной компоновке основных агрегатов, мобильности.
Номинальную производительность асфальтосмесительных установок оценивают из условия приготовления песчаных или мелкозернистых смесей с расчетной влажностью каменных материалов 5 %. По производительности различают типоразмеры асфальтосмесительных установок: 12, 25, 32, 50, 100, 150, 200, 250, 400 т/ч. Большинство установок, находящихся в настоящее время в эксплуатации в России, имеют производительность 25-100 т/ч.
По принципу действия смесителя асфальтосмесительные установки могут быть циклического и непрерывного действия. В установках циклического действия все подготовительные и вспомогательные операции, связанные с подачей каменных материалов, их просушиванием и нагревом, загрузкой в расходные бункеры и приготовлением битума, осуществляют непрерывно. Однако дозирование, подачу всех компонентов смеси, их перемешивание и разгрузку смесителя производят периодически в виде повторяющихся циклов. Установки такого типа получили наибольшее распространение, так как они позволяют точно выдерживать требуемый рецептурный состав смеси, быстро переходить на выпуск смеси любого рецептурного состава, изменять время перемешивания, получать высокое качество смеси. В установках непрерывного действия все технологические операции, за исключением выдачи готовой смеси из накопительного бункера, выполняют непрерывно. Для осуществления непрерывности процесса применяют смесители непрерывного действия, которые по сравнению с установками периодического действия имеют меньшую металло- и энергоемкость, однако их применение целесообразно в основном при больших объемах работ и продолжительном выпуске смеси одного рецептурного состава.
По конструктивной компоновке основных агрегатов асфальтосмесительные установки разделяют на башенные и партерные. В установках башенного типа конструкция агрегатов выполнена в вертикальном направлении. Просушенные и нагретые в сушильном барабане компоненты смеси подаются на установку башенного типа, в которой осуществляются грохочение, сортировка, дозирование и перемешивание. На все эти технологические операции компоненты смеси последовательно поступают под действием силы тяжести. При партерной компоновке агрегаты асфальтосмесительной установки имеют наземное расположение. Составляющие компоненты асфальтобетонной смеси перемещаются от агрегата к агрегату с помощью непрерывных транспортных средств. Такая схема позволяет осуществить быстрый монтаж всего оборудования.
По мобильности установки разделяют на стационарные и передвижные. Отличительными особенностями этих установок является конструктивное исполнение агрегатов, которое влияет на длительность монтажа, демонтажа и удобство транспортирования. Асфальтосмесительные установки стационарного типа применяют на постоянно действующих АБЗ. Передвижные асфальтосмесительные установки выполняют из отдельных легко транспортируемых агрегатов, иногда снабженных колесным ходом. Их монтаж осуществляют с помощью автомобильных кранов. Как правило, для передвижных установок не требуется сооружение массивных заглубленных фундаментов, большинство блоков смесителей монтируется на подготовленной бетонированной площадке.
В России производителями асфальтосмесительных установок являются: ОАО «Саста», «Центросвар» и «УралНИТИ». На объектах дорожного строительства эксплуатируются также асфальтосмесительные установки ОАО «Кредмаш» (Украина). Их количество в структуре парка асфальтосмесительного оборудования превышает 70 %. Технические характеристики асфальтосмесительных установок, выпускаемых в России и Украине, приведена в табл. 26.3.
ОАО «Кредмаш» (Украина) выпускает две модификации асфальтосмесительных установок: ДС-185 производительностью 48 т/час (рис. 26.6.) и стационарную асфальтосмесительную установку периодического действия ДС-168 производительностью 130-150 т/час (рис. 26.7). По сравнению с выпускавшимися ранее установками ДС-117-2Е и ДС-117-2К, модель ДС-185 обладает повышенными показателями производительности, надежности и улучшенной системой очистки отходящих газов. Конструкция установки позволяет быстро изменять рецептуру смеси и выполнять все операции технологического процесса. Управление всей установкой централизовано и осуществляется с пульта управления, размещенного в кабине оператора. Сушильный агрегат приспособлен для использования легкого и тяжелого топлива. Конструкция лопастей сушильного барабана обеспечивает оптимальный режим просушивания материала и защиту барабана от воздействия открытого огня. Управление процессами осуществляется дистанционно.
Таблица 26.3.
Техническая характеристика асфальтосмесительных установок
|
Показатели |
Комплекты оборудования для приготовления асфальтобетонных смесей 1 |
|||||||||||
|
СА-100У |
САУ 160У |
СА 200У |
УСА-50 |
АСУ-100 |
СИ-601 |
ДС-117-2К |
ДС-158 |
ДС-185 |
ДС-168 |
ДС-118-4 |
КДМ-201 |
|
|
Тип установки |
Стационарная, период. действия |
Стационарная, период. действия |
Стационарная, период. действия |
Стационарная, период. действия |
Стационарная, период. действия |
Стационарная, период. действия |
Стационарная, период. действия |
Стационарная, период. действия |
Стационарная, период. действия |
Стационарная, период. действия |
Стационарная, период. действия |
Стационарная, период. действия |
|
Производительность, т/ч, при влажности минеральных материалов 5 % |
78 |
160 |
200 |
50 |
80 |
40 |
32 |
40 |
48 |
130 |
100 |
80 |
|
Удельный расход мазута, кг/т смеси |
6,8 |
6,8 |
6,8 |
13,0 |
11,6 |
13,6 |
13,6 |
13,6 |
9,5 |
9,5 |
13,6 |
9,5 |
|
Установленная мощность, кВт |
250 |
400 |
500 |
106 |
260 |
164 |
213 |
195 |
205 |
420 |
194 |
312 |
|
Количество ступеней очистки газа, шт. |
2 |
2 |
2 |
3 |
3 |
2 |
3 |
3 |
3 |
3 |
1 |
3 |
|
Вместимость бункеров агрегата питания, м3 |
32 |
44 |
56 |
32 |
24 |
18 |
18 |
24 |
32 |
80 |
40 |
40 |
|
Количество дозируемых фракций минерального материала, шт. |
4 |
4 |
4 |
4 |
4 |
3 |
3 |
4 |
4 |
5 |
4 |
5 |
|
Вместимость бункера готовой смеси, т |
40 |
85 |
85 |
32 |
80 |
32 |
32 |
40 |
72,9 |
100 |
100 |
70 |
|
Вместимость расходного бункера агрегата минерального порошка, м3 |
29 |
58 |
87 |
20 |
40 |
23 |
22 |
23 |
23 |
165 |
20 |
32,5 |
|
Масса, т |
110 |
150 |
200 |
80 |
90 |
60 |
71,5 |
74 |
72 |
175 |
125 |
105 |
|
Габаритные размеры установки в рабочем положении, м: |
|
|
|
|
|
|
|
|
|
|
|
|
|
длина |
33,0 |
45,0 |
45,0 |
48,0 |
43,58 |
66,0 |
45,6 |
50,0 |
41,7 |
55,0 |
54,4 |
45,5 |
|
ширина |
30,0 |
36,0 |
40,0 |
32,0 |
34,0 |
21,0 |
162,5 |
35,0 |
28,8 |
42,5 |
28,8 |
39,0 |
|
высота |
12,0 |
15,0 |
15,0 |
19,8 |
19,63 |
18,0 |
8,8 |
20,0 |
17,6 |
19,0 |
14,8 |
18.7 |
|
Производитель |
ОАО «САСТА» (Россия) |
ОАО «Цент- |
ОАО «Урал- |
ОАО «Дормаш» |
ОАО «Кредмаш» (Украина) |
|||||||
Система очистки уходящих газов на установке ДС-185 (см. рис. 26.6.), включающая предварительную ступень очистки и четыре циклона типа СЦН-40, а также мокрый пылеуловитель на основе скруббера Вентури, обеспечивают очистку уходящих газов до 99,2 %. Обогрев битумных, топливных коммуникаций и емкостей осуществляется горячим маслом по замкнутой системе. В нагревателе жидкого теплоносителя применяется масло И-20А объемом 1,2 м3.
В установке ДС-168 (см. рис. 26.7) все процессы автоматизированы и имеют дублирующее дистанционное управление. Управление всей установкой централизовано и осуществляется с пульта, размещенного в кабине оператора. При работе сушильного агрегата используется жидкое топливо, в том числе топочный мазут. Перед сушильным барабаном установлен колосниковый грохот и бункер для сбора негабарита. Розжиг форсунки сушильного барабана и управление режимом горения осуществляется из кабины оператора. Установка допускает выгрузку готовой смеси как из бункера готовой смеси, так и непосредственно из мешалки.
Завод «Центросвар» в Твери выпускает асфальтосмесительную установку, аналогичную по своим параметрам установке ДС-185. В перспективе завод планирует комплектовать выпускаемые установки микропроцессорными системами управления и тканевыми фильтрами для очистки уходящих газов.
В России ОАО «Саста» совместно с фирмой «Bernardi» (Италия) налажен выпуск асфальтосмесительных установок производительностью 100; 150; 200 т/ч. Их отличительные особенности: экономичная универсальная горелка, теплоизолированный сушильный барабан, высокоэффективный тканевый фильтр со степенью очистки 99,99 % (рис. 26.8).

Рис. 26.6. Технологическая схема асфальтосмесительной установки ДС-185 (Украина):
1 - агрегат питания; 2 - конвейер; 3 - сушильный агрегат; 4 - топливный бак; 5 - I ступень (предварительная) очистки дымовых газов; 6 - II ступень очистки дымовых газов; 7 - III ступень очистки дымовых газов (скруббер Вентури), 8 - смесительный агрегат, 9 - агрегат минерального порошка; 10 - нагреватель битума; 11 - система теплоносителя; 12 - бункер готовой смеси; 13 - кабина оператора

Рис. 26.7. Технологическая схема асфальтосмесительной установки ДС-168 (Украина):
1 - агрегат питания; 2 - конвейер наклонный; 3 - I ступень (предварительная) очистки дымовых газов; 4 - сушильный агрегат; 5 - II ступень очистки дымовых газов; 6 - III ступень очистки дымовых газов; 7 - шламоотстойник; 8 - нагреватель жидкого теплоносителя; 9 - подача битума из хранилища или битумовоза; 10 - битумные цистерны; 11 - нагреватель битума; 12 - смесительный агрегат; 13 - агрегат готовой смеси; 14 - кабина оператора

Рис. 26.8. Технологическая схема асфальтосмесительной установки ОАО «Саста» (Россия):
1 - агрегат питания; 2 - сборный транспортер; 3 - наклонный транспортер; 4 - сушильный агрегат; 5 - горячий элеватор; 6 - горячие бункеры; 7 - бункер готовой смеси; 8 - элеватор минерального порошка и пыли; 9 - агрегат минерального порошка; 10 - шнек; 11 - рукавные матерчатые фильтры; 12 - вентилятор; 13 - расходная битумная емкость; 14 - нагреватель жидкого теплоносителя; 15 - кабина управления
В настоящее время имеет место оснащение дорожных организаций асфальтосмесительными установками зарубежных фирм «Ammann», «Benninghoven», «Lintec», «Teltomat» (Германия), «Bernardi» (Италия), «Ermont» (Франция), «Astec» (США) и др.

Рис. 26.9. Технологическая схема установки фирмы «Аmmаnn» (Германия):
1 - склады каменных материалов; 2 - агрегат питания; 3 - ленточный транспортер; 4 - сушильный агрегат; 5 - горячий элеватор; 6 - грохот; 7 - бункеры горячих каменных материалов; 8 - весовая бункер-дозатор; 9 - склад старого асфальтобетона; 10 - дозатор старого асфальтобетона; 11 - транспортер подачи старого асфальтобетона; 12 - битумные цистерны; 13 - установка нагрева битума; 14 - дозатор битума; 15 - бункер минерального порошка; 16 - шнековый конвейер; 17 - бункер циклонной пыли; 18 - элеватор циклонной пыли; 19 - промежуточный бункер циклонной пыли; 20 - дозатор минерального порошка; 21 - дозатор ПАВ; 22 - смеситель; 23 - скиповый подъемник; 24 - промежуточный бункер; 25 - бункер готовой асфальтобетонной смеси; 26 - система очистки дымовых газов; 27 - труба; 28 - топливная цистерна; 29 - кабина управления
Фирма «Ammann» поставляет асфальтосмесительные установки башенной компоновки, работающие по классической башенной технологии, производительностью 80-320 т/час, конструктивные решения которых могут быть изменены в зависимости от потребностей заказчиков (рис. 26.9). Например, разработан вариант установки с теплоизоляционной обшивкой для работы при отрицательных температурах. Тензометрические системы взвешивания материалов обеспечивают точность до 0,1 %, а сортировка каменных материалов на 6 фракций и целый ряд других конструктивных особенностей гарантирует высокое качество асфальтобетонных смесей.
Блочная конструкция установок позволяет выполнять их монтаж в сжатые сроки, при этом габариты узлов и агрегатов позволяют транспортировать их по автомобильным и железным дорогам. Пульты установок оснащены микропроцессорным управлением и поступают полностью смонтированными.
Представлены асфальтосмесительные установки фирмы «Benninghoven»: стационарные производительностью 40-250 т/час; блочные полустационарные производительностью 100-200 т/час; мобильные на 60-160 т/час (рис. 26.10).

Рис. 26.10. Технологическая схема установки фирмы «Benninghoven» (Германия):
1 - штабели щебня и песка; 2 - блок бункеров для песка и щебня; 3 - блок бункеров для отфрезерованного асфальтобетона; 4 - весовые дозаторы; 5, 6 - наклонный транспортер; 7 - сушильный барабан; 8 - горячий элеватор; 9 - тканевый пылеуловитель; 10, 11 - винтовой конвейер для пыли; 12 - смесительный агрегат; 13 - битумохранилище с системой нагрева до рабочей температуры; 14 - масляный теплоноситель; 15 - грохоты; 16 - горячие бункеры; 17 - дозатор битума; 18 - дозатор минерального порошка; 19 - дозатор горячих каменных материалов; 20 - смеситель; 21 - силос минерального порошка; 22 - пневматический винтовой подъемник минерального порошка; 23 - скиповой транспортер; 24 - бункеры накопления и выдачи готовой асфальтобетонной смеси
Система грохотов установок позволяет разделить минеральные материалы на 6 фракций, что совместно с другими техническими решениями, в том числе высокой точностью взвешивания, дает возможность гарантировать хорошее качество смесей. По заказу потребителей устанавливаются горелки для работы на мазуте любой марки, дизельном топливе, природном или сжиженном газе, а также на угольной пыли. Все установки оснащены накопительными бункерами готовой смеси. Очистка дымовых газов выполняется с помощью тканевых фильтров. Нагрев битума до рабочей температуры и обогрев битумопроводов осуществляется с помощью нагревателей жидкого теплоносителя мощностью 300-400 кВт.
Конструктивные особенности установок обеих фирм, а именно большой объем сушильных барабанов и смесителей, позволяют утилизировать старый асфальт и применять материалы с повышенной влажностью без снижения номинальной производительности. Установленный в кабине компьютер позволяет быстро переходить на любую рецептуру смесей, непрерывно фиксировать количество приготовленных замесов, строго выполнять заданные технологические режимы.
Фирма «Teltomat» выпускает асфальтосмесительные установки производительностью 60-300 т/час. Асфальтосмесительные установки типа IV-8 и V-3, поставлявшиеся ранее в Россию, в настоящее время капитально модернизированы. Горелки для сушильного барабана выпускаются для работы на легком (дизельном) топливе и тяжелом (мазут), а также на природном и сжиженном газах. Грохочение каменных материалов на четыре и шесть фракций наряду с другими конструктивными изменениями гарантирует высокое качество смесей. Агрегат питания имеет до 8 бункеров, что позволяет выпускать любые рецептуры смесей. Емкость смесителей увеличена с 800 до 3000 кг. Нагрев битума до рабочей температуры, обогрев битумопроводов и оборудования осуществляется с помощью нагревателей жидкого теплоносителя тепловой мощностью 230-350 кВт. Накопительные бункеры готовой смеси имеют вместимость 80-500 т. Процессы дозирования, взвешивания, перемешивания и подачи всех материалов могут осуществляться с помощью релейного или микропроцессорного управления в зависимости от условий, предъявляемых заказчиком. Все установки имеют дополнительное оборудование для переработки старого асфальта.
Зарубежные производители предлагают широкий выбор асфальтосмесительных установок практически любой производительности, стационарные и мобильные. В этой связи заслуживают особого внимания передвижные установки большой производительности. Одной из таких установок является установка фирмы Astec (США), которая выпускает передвижные установки типа М-Раск производительностью от 100 до 400 т/ч. Самой главной особенностью установок М-Раск является принципиально новая конструкция сушильно-смесительного барабана, которая дает возможность совместить положительные качества стационарных и передвижных установок. Все элементы конструкции установок выполнены в виде отдельных перевозимых блоков-модулей, которые быстро могут быть объединены и смонтированы на новом месте. Эта установка может быть эффективна и при использовании ее в качестве стационарной (то есть при работе на одном месте более 2-3 лет), так как даже однократная экономия на монтаже и фундаментах уже очень значительна. Фундаменты выполняются только для накопительных бункеров. Все остальные модули установки могут монтироваться на забетонированной или асфальтированной площадке. Все модули установки оснащены прочными рамами, которые заменяют фундаменты. Все электрические кабели между модулями соединяются с помощью штекерных разъемов.
Блоки установок выполнены по габаритам и массе с учетом их транспортировки по автомобильным дорогам с помощью трейлеров или по железной дороге.
Принципиальным отличием установок типа М-Раск от других является конструкция сушильно-смесительного барабана, который выполнен коаксиальным (два барабана - один внутри другого). При этом внутренний барабан является сушильным барабаном с противоточным обогревом. Внешний барабан, который неполностью охватывает внутренний, снабжен внутри лопатками и является смесителем. Лопатками также оснащена и соответствующая наружная сторона внутреннего барабана. Внешний барабан имеет теплоизоляцию и не вращается. Таким образом, процесс перемешивания смеси происходит в кольцевом пространстве между двумя барабанами. Такая конструкция позволяет существенно сократить потери тепла и соответственно снизить расход топлива. Данная система смешения дает возможность использовать до 50 % повторно используемого дробленого асфальта. Благодаря наличию заслонок с гидроприводом возможен свободный доступ в зону перемешивания для контроля или замены лопаток.
Система дозирования установки решена путем взвешивания материалов на ленте, питающей сушильный барабан, с помощью тензометрических датчиков. Тарировка взвешивающего устройства выполняется тарировочными грузами. Установка оснащена рукавными матерчатыми фильтрами в виде отдельных блоков с автоматической очисткой рукавов.
Конструкция накопительных бункеров дает возможность длительного хранения смеси до 3-4 сут и более. С этой целью предусмотрен надежный обогрев и теплоизоляция бункеров и исключен контакт с воздушной средой. Загрузка силосов осуществляется с помощью обогреваемого скребкового конвейера.
Битум нагревается с помощью установок НЕАТЕС для нагрева жидких теплоносителей типа НС. Для удобства монтажа и транспортирования битум хранится и нагревается в цистернах вместимостью 100-200 т с системой тепловых регистров из цельнотянутых труб. Управление установкой осуществляется из отдельной кабины с пультом, в которой также размещена компьютерная система управления и регулирования процессов приготовления смесей. Техническая характеристика асфальтосмесительных установок зарубежного производства приведена в табл. 26.4.
Увеличение объемов ремонтных работ требует существенного снижения их материалоемкости за счет совершенствования ресурсосберегающих технологий, предусматривающих переработку и повторное использование старого асфальтобетона на АБЗ.
Регенерация старого асфальтобетона на АБЗ позволяет использовать весь снятый с дороги асфальтобетон, широко применять добавки каменных материалов, битума и пластификаторов при регенерации, получать готовую смесь заданного качества и укладывать ее на участках дорог с соответствующей интенсивностью движения, экономить энергию и материальные ресурсы при устройстве дорожных одежд автомобильных дорог.
Для заводской переработки используют старый асфальтобетон, полученный путем холодного фрезерования, либо путем разлома бульдозерами, автогрейдерами или другими машинами. В последнем случае кусковой асфальтобетон измельчают в дробильно-сортировочных установках до размеров, не превышающих 40 мм - при приготовлении крупнозернистых смесей. Кусковой асфальтобетон с высоким содержанием битума целесообразно дробить при температуре воздуха не выше 15-20°С. При более высоких температурах материал налипает на рабочие органы дробильных установок. В случаях налипания эффективность дробления можно повысить периодической обработкой щек дробилки мыльной водой либо путем добавления минеральных материалов (песка или щебня) до 30 %.
Дробленый асфальтобетон целесообразно сразу же использовать для приготовления асфальтобетонных смесей. При необходимости хранения материал складируют в штабели высотой не более 2-3 м.
Для предотвращения слеживания слой измельченного асфальтобетона пересыпают прослойками из песка. Периодически материал перемешивают экскаватором.
Основная задача технологического процесса - уменьшить влияние высокотемпературной обработки на свойства вяжущего в старом асфальтобетоне, а также обеспечить защиту окружающей среды от загрязнения. При этом стремятся к максимальному использованию старого асфальтобетона в составе регенерированной смеси.
Для получения регенерированной асфальтобетонной смеси используют смесительные установки периодического действия и барабанные смесительные установки непрерывного действия.
При регенерации асфальтобетона в смесительных установках периодического действия нагрев старого асфальтобетона обеспечивается в основном за счет теплообмена с перегретыми минеральными материалами.
Преимущество данной технологии заключается в возможности использования существующих смесительных установок без их переустройства или с незначительным переустройством. В последнем случае осуществляют такие мероприятия, как установку экрана перед горелкой сушильного барабана для снижения температуры и частичного предохранения битума в составе старого асфальтобетона от прямого нагревания пламенем либо установку дополнительного сушильного барабана для разогрева старого асфальтобетона при более низких температурах, по сравнению с температурой разогрева новых минеральных материалов. Подачу старого асфальтобетона осуществляют непосредственно в смеситель либо к минеральным материалам, прошедшим через сушильный барабан (рис. 26.11).
Максимальное количество старого материала при использовании данной технологии не должно превышать 20-30 % от массы регенерированной смеси. Для обеспечения требуемой температуры готовой регенерированной смеси температура минеральных материалов (песка и щебня) должна составлять порядка 220-260°С.

Рис. 26.11. Регенерация асфальтобетона в смесителях периодического действия:
а - с подачей старого асфальтобетона непосредственно в смеситель; б - с подачей старого асфальтобетона к минеральным материалам, прошедшим через сушильный барабан; в - с использованием сдвоенного сушильного барабана; 1 - старый асфальтобетон; 2 - новые минеральные материалы; 3 - транспортер; 4 - сушильный барабан; 5 - смеситель; 6 - битум; 7 - накопительный бункер
Таблица 26.4
Техническая характеристика асфальтосмесительных установок зарубежного производства
|
Производитель, страна |
Индекс машины |
Производительность, т/ч |
Вместимость смесителя, т |
Длина×диаметр сушильного барабана, м |
Количество и объем бункеров, шт×м3 |
|
Ammann, Германия |
Global 80 блочн. |
80 |
1,0 |
6×1,7 |
4×7,5 |
|
Global 120 блочн. |
120 |
2,0 |
7×2,0 |
4×7,5 |
|
|
Global 120 блочн. |
160 |
2,0 |
8×2,2 |
4×10 |
|
|
Global 200 блочн. |
200 |
2,2 |
9×2,2 |
4×12 |
|
|
Universal 160/240 стац. |
160-240 |
3,0 |
(8-10)×2,2 |
6×12 |
|
|
Universal 240/320 стац. |
240-320 |
4,0 |
(9-10)×2,5 |
8×12 |
|
|
Benninghoven, Германия |
ТВА-80 блочн. |
80 |
1,0 |
7×1,8 |
4×6 |
|
ТВА-100 блочн. |
100 |
1,25 |
8×1,8 |
4×6 |
|
|
ТВА-120 блочн. |
120 |
1,6 |
8×2,0 |
4×8 |
|
|
ТВА-160 блочн. |
160 |
2,0 |
8×2,2 |
4×8 |
|
|
ТВА-200 блочн. |
200 |
2,5 |
8×2,2 |
4×11 |
|
|
ТВА-240 блочн. |
240 |
3,0 |
9×2,2 |
4×14 |
|
|
МВА-60 на кол. |
60 |
1,0 |
7×1,8 |
4×6 |
|
|
МВА-120 на кол. |
120 |
1,6 |
8×2,0 |
4×7,5 |
|
|
МВА-160 на кол. |
160 |
2,0 |
8×2,2 |
4×10 |
|
|
МВА-200 на кол. |
200 |
2,5 |
9×2,2 |
4×12 |
|
|
Bernardi, Италия |
MIC-60E130 |
55 |
0,9 |
6,5×1,3 |
4×6 |
|
MIC-75 Е 150 |
75 |
1,22 |
8,0×1,5 |
4×8 |
|
|
MIC-100 Е 175 |
90 |
1,67 |
8,0×1,75 |
4×11 |
|
|
MIC-125 E200 |
175 |
1,95 |
8,0×2,0 |
4×11 |
|
|
М1С-175 Е 220 |
210 |
2,225 |
9,0×2,2 |
4×14 |
|
|
MIC-225 E 250 |
270 |
2,95 |
9,0×2,5 |
4×14 |
|
|
MIC-300 Е 275 |
330 |
3,61 |
10,0×2,75 |
4×20 |
|
|
MIC-400 Е 300 |
475 |
5,0 |
10,5×3,0 |
4×30 |
|
|
Lintec, Германия |
CSD 1000 |
60-90 |
1,25 |
7×1,6 |
4×8 |
|
CSD 1500 |
90-120 |
1,50 |
8,3×1,9 |
4×8 |
|
|
CSD 2500 |
120-160 |
2,50 |
8,3×1,9 |
4×8 |
|
|
CSD 3500 |
200-250 |
3,50 |
10,0×2,4 |
6×8 |
|
|
Astec, США |
Мобильные Six Pack PDB-200 |
200 |
- |
8,5×1,5 |
4×10 |
|
PDB-300 |
300 |
- |
10,0×1,8 |
5×10 |
|
|
PDB-400 |
400 |
- |
10,7×2,1 |
6×10 |
|
|
Перемещаемые M-Pack RDB-200 |
200 |
|
8,5×1,5 |
4×10 |
|
|
RDB-300 |
300 |
- |
10,0×1,8 |
5×10 |
|
|
RDB-400 |
400 |
- |
10,7×2,1 |
6×10 |
|
|
RDB-500 |
500 |
- |
12,5×2,4 |
4×14 |
|
|
Стационарные SDB-200 |
200 |
- |
8,5×1,5 |
4×14 |
|
|
SDB-300 |
300 |
- |
10,0×1,8 |
4×14 |
|
|
SDB-400 |
400 |
- |
10,7×2,1 |
4×14 |
|
|
SDB-500 |
500 |
- |
12,5×2,4 |
5×14 |
|
|
SDB-600 |
600 |
- |
14,2×2,7 |
6×14 |
|
|
Ermont, Франция |
Roadmaster непрерывн. RM 40 |
40 |
- |
7×1,5 |
4×7,5 |
|
RM 80 |
80 |
- |
8×1,7 |
4×7,5 |
|
|
RM 120 |
120 |
- |
9×2,0 |
4×7,5 |
|
|
RM 160 |
160 |
- |
9×2,2 |
4×10 |
|
|
RM 200 |
200 |
- |
10×2,2 |
4×12 |
|
|
Roadbatch циклич. RB 40 |
40 |
0,5 |
6×1,5 |
4×7,5 |
|
|
RB 80 |
80 |
1,0 |
7×1,7 |
4×7,5 |
|
|
RB 120 |
120 |
1,5 |
8×2,0 |
4×7,5 |
|
|
RB 160 |
160 |
2,0 |
8×2,2 |
4×10 |
|
|
RB 200 |
200 |
2,5 |
9×2,2 |
4×12 |
Конкретное значение температуры нагрева новых минеральных материалов определяется количеством старого асфальтобетона в составе регенерированной смеси, ее требуемой температурой, а также влажностью старого асфальтобетона. Зависимость температуры новых минеральных материалов от указанных факторов получена на основе данных, приведенных на рис. 26.12.

Рис. 26.12. Зависимость температуры нагрева новых минеральных материалов от количества старого асфальтобетона в составе регенерированной смеси при требуемой температуре смеси 140°С. Цифры на кривых соответствуют влажности старого асфальтобетона в %
При переработке асфальтобетона в установках со сдвоенным сушильным барабаном используется последовательно прямой нагрев старого и его догрев от перегретых новых каменных материалов (см. рис. 26.11, в). Температура в первом сушильном барабане, где нагреваются минеральные материалы, существенно выше по сравнению с температурой во втором барабане, который применяют для прямого нагрева старого асфальтобетона. Окончательный разогрев старого асфальтобетона осуществляется путем теплообмена с перегретыми минеральными материалами в процессе перемешивания.
В качестве теплоносителя во втором барабане могут быть использованы отработанные горячие газы из первого барабана, что позволяет существенно уменьшить энергоемкость технологического процесса, а также готовить регенерированные смеси, содержащие до 70 % старого асфальтобетона.
Барабанные смесительные установки непрерывного действия получили широкое развитие за рубежом в США, Англии, Франции, Италии.
В стандартных барабанных смесителях можно осуществлять прямой нагрев старого асфальтобетона вместе с минеральными материалами, поступающими из последовательно включенных дозаторов (рис. 26.13, а). Переработку асфальтобетона по указанной технологии можно реализовать при использовании барабанной смесительной установки типа ДС-154, выпускаемой Кременчугским заводом дорожных машин (Украина).
Установка ДС-154 может работать как для регенерации старого асфальтобетона, так и для приготовления смесей из новых минеральных материалов.
Однако высокая температура внутри смесителя в зоне горелки (свыше 600°С) вызывает существенное изменение свойств вяжущего в старом асфальтобетоне, а также дополнительное загрязнение воздуха.
Незначительное изменение конструкции смесителя позволяет заметно уменьшить загрязнение воздуха и устранить перегрев вяжущего в старом асфальтобетоне. Такой модификацией смесительного агрегата является смеситель с защитным теплорассеивающим экраном, препятствующим непосредственному контакту пламени с материалом (см. рис. 26.13, б).
При использовании одновременно с экраном подачи охлаждающего воздуха удается уменьшить температуру теплоносителя до 400-500°С и увеличить количество перерабатываемого старого асфальтобетона до 60-70 % от массы регенерированной смеси.
Другой модификацией технологии является раздельная подача старого асфальтобетона и минеральных материалов (см. рис. 26.13, в). В данном случае минеральные материалы, как и в обычных барабанных смесителях, подаются в зону открытого племени горелки и нагреваются до температуры 150-220°С. Старый асфальтобетон через гравитационно включаемые затворы поступает в среднюю часть смесителя, где температура теплоносителя существенно меньше. Минеральные материалы перемешиваются со старым асфальтобетоном и битумом в конечной части барабана. При этом происходит окончательный догрев старого материала. По указанной технологии работает французская установка типа «Эрмон», закупленная по импорту для АБЗ №1 (Москва). Преимуществом данной установки является комплексная автоматизация технологического процесса.

Рис. 26.13. Регенерация асфальтобетона в барабанных смесительных установках:
а - с непосредственным нагревом материалов: б - с теплорассеивающим экраном; в - с раздельной подачей материалов; 1 - старый асфальтобетон; 2 - новые минеральные материалы; 3 - транспортер; 4 - барабанный смеситель; 5 - битум; 6 - накопительный бункер; 7 - теплорассеивающий экран; 8 - гравитационный затвор
Важным этапом, предшествующим переработке асфальтобетона, является порядок проектирования состава регенерированной смеси приведенный на рис. 26.14.

Рис. 26.14. Последовательность подбора состава регенерированного асфальтобетона
Автоматизация технологических процессов на АБЗ позволяет улучшить условия труда, повысить качество смесей и производительность заводов, снизить себестоимость производства продукции, сократить количество обслуживающего персонала, обеспечить безопасность и надежность в работе.
Различают три стадии автоматизации АБЗ:
частичная, при которой автоматизированы отдельные операции, в то время как управление смежными операциями выполняется вручную;
комплексная, при которой автоматизирован весь технологический процесс;
полная, когда автоматизировано все производство и присутствие людей необязательно.
В настоящее время автоматизация АБЗ в России находится на первом этапе. В перспективе - внедрение на АБЗ комплексной автоматизации технологических процессов производства и выпуска асфальтобетонной смеси на базе микропроцессорной системы управления асфальтосмесительной установкой.
В конструкциях асфальтосмесительных установок ДС-185 и ДС-168 ОАО «Кредмаш» (Украина) обеспечено:
автоматизированное и дистанционное дозирование по массе каменных материалов, битума, минерального порошка и пыли, их перемешивание и выдача в бункер готовой смеси;
контроль и регулирование температуры каменных материалов и отходящих дымовых газов на выходе из сушильного барабана, температуры топлива и готовой смеси;
автоматическое или дистанционное управление всеми основными узлами.
Асфальтосмесительные установки ОАО «Саста» (Россия) оснащены системой управления на базе промышленного контроллера и компьютера. Качество асфальтобетонной смеси, комфорт и простота при управлении не уступает аналогам зарубежных фирм. В системе управления асфальтосмесительными установками использованы комплектующие известных зарубежных фирм (помимо контроллера и компьютера привода плавного пуска и частотного регулирования - датчики, автоматические выключатели, пускатели, кнопки и т.д.), что обеспечивает высокую надежность системы.
Основные возможности системы управления асфальтосмесительных установок ОАО «Саста»:
автоматический пуск и автоматическая остановка всей асфальтосмесительной установки;
автоматическое дозирование всех компонентов асфальтобетонной смеси с точностью не более 1 %;
возможность раздельного или одновременного управления 4 (при дополнительном заказе до 12) регулируемыми питателями подачи каменных материалов;
управление подачей минерального порошка и битума;
возможность получения смеси по заранее заданным рецептам (количество рецептов не ограничено);
подачу сигналов о возникновении неисправностей и об отклонениях от нормального технологического режима работы, выдача на экран монитора сообщений о необходимых действиях оператора по устранению возникших неисправностей;
быстрая и точная настройка (калибровка) всех весовых и температурных датчиков;
контроль всех параметров горелки сушильного барабана с выводом на монитор: последовательность пуска и остановки; степень использования (% открытия горелки) и т.д.;
учет времени работы каждого узла оборудования с возможностью задания времени работы оборудования до необходимого осмотра или технического обслуживания;
звуковая предупредительная и аварийная сигнализация.
Контроль качества исходных материалов и готовой смеси. При производстве асфальтобетонных смесей контролируют: качество всех компонентов, температурный режим подготовки битума, температуру нагрева минеральных материалов, температуру готовой смеси, качество готовой асфальтобетонной смеси.
В соответствии с действующими стандартами контроль подразделяется на три этапа: входной, операционный и приемочный.
При входном контроле устанавливают соответствие качества исходных материалов в каждой поступившей на АБЗ партии действующим стандартам.
Операционный контроль осуществляют не реже 1 раза в 10 смен с определением следующих показателей: зерновой состав щебня (гравия), песка, материалов из отсевов дробления и минерального порошка, содержание пылевидных и глинистых частиц в щебне (гравии) и песке, влажность неактивированного минерального порошка и порошковых отходов промышленности, гидрофобность активированного минерального порошка. Для испытаний отбирают пробы со складов материалов.
При контроле качества битума определяют глубину проникновения иглы при 25°С вязкого битума или вязкость жидкого битума. Для этого отбирают пробы из каждого рабочего котла и битумоплавильных установок непрерывного действия 1 раз в смену. При приготовлении разжиженного битума на АБЗ проверяют правильность дозирования и последовательность загрузки в котел исходных материалов в соответствии с подобранным в лаборатории составом.
Кроме того, проверяют температуру нагрева битума через каждые 2-3 ч в котлах; в битумоплавильных установках непрерывного действия температуру битума контролируют в отсеке готового битума.
В процессе приготовления асфальтобетонной смеси 2-3 раза в смену контролируют соблюдение установленного времени перемешивания для каждого вида смеси, если смесители не имеют автоматизированного управления.
Для приемочного контроля качества готовой асфальтобетонной смеси отбирают одну пробу из каждой партии. Температуру асфальтобетонных смесей проверяют в кузове каждого автомобиля-самосвала непосредственно после выпуска смесей из смесителя.
При приемочном контроле готовой смеси в лаборатории контролируют: температуру готовой смеси; зерновой состав и содержание битума; водонасыщение; набухание; предел прочности при сжатии при температуре 20°С и 50°С; коэффициент водостойкости; слеживаемость (только для холодных смесей).
Показатели физико-механических свойств должны соответствовать требованиям, предъявляемым ГОСТ 9128-97 к данному виду асфальтобетона.
Слеживаемость холодных асфальтобетонных смесей рекомендуется определять через каждые 2-3 ч в течение смены; складировать холодные смеси в штабели можно только после получения удовлетворительных результатов по этому показателю.
Кроме перечисленных испытаний готовой продукции в процессе приемочного контроля производят также периодический контроль пористости минерального остова; остаточной пористости; предела прочности при сжатии при 0°С для горячих смесей и при 20°С после прогрева для холодных смесей.
Периодический контроль производят не реже 1 раза в 6 мес. и при изменении исходных материалов.
Если в результате приемочного контроля выявлено, что показатели физико-механических свойств асфальтобетонных смесей отличаются от показателей, полученных при подборе, проверяют свойства всех материалов, состав смеси и технологический процесс ее приготовления.
База для укрепления грунта вяжущим - смонтированный комплекс технологического, энергетического и вспомогательного оборудования, предназначенного для приготовления грунтоцементных смесей. По месту расположения различают два типа предприятий с размещением на прирельсовой базе или в притрассовом грунтовом карьере. Прирельсовые базы для обработки грунтов вяжущими организуются чрезвычайно редко и включают в свой состав:
склады песчано-гравийной смеси, состоящие из прирельсовых устройств для разгрузки железнодорожных вагонов и укладки материалов в штабеля, машин и устройств для загрузки каменных материалов из штабелей в расходные бункеры грунтосмесительной установки;
склады цемента, состоящие из приемных устройств, разгрузчиков вагонов, оборудования для транспортирования цемента на склады и от них в расходные емкости грунтосмесительных установок;
грунтосмесительные установки с расходными бункерами для грунтов различного типа и цемента, оборудованием для дозирования и перемешивания грунтов с цементом, выдачи готовой смеси в накопительные бункеры и транспортные средства;
вспомогательные отделения - электростанции или трансформаторные подстанции, парокотельные и компрессорные установки, устройства водоснабжения и канализации, служебные и бытовые помещения.
Притрассовые грунтосмесительные установки (ГСУ) (рис. 26.15) организуются в грунтовом карьере или на площадке вблизи мест укладки смеси. Они включают в свой состав грунтосмесительную установку, расходные склады грунтов и емкости для цемента, передвижные компрессорные установки и электростанции.
Для притрассовых ГСУ характерна доставка цемента автоцементовозами с прирельсовой базы. Для приготовления смеси грунт разрабатывают бульдозером или доставляют из карьера автомобилями-самосвалами и складируют в штабели вблизи приемного бункера смесительной установки.
Уровень основных технических решений вновь строящихся прирельсовых и притрассовых ГСУ должен соответствовать действующим типовым проектам. Способы приемки щебня, гравия, песка и минерального порошка, их складирование и внутризаводское транспортирование должны исключить возможность снижения их качества и загрязнения окружающей среды.
На территории ГСУ, кроме основных отделений, размещаются механическая мастерская, материально-технический склад, трансформаторная подстанция или передвижная электростанция, контора, лаборатория, склад ГСМ, столовая, бытовые помещения, медпункт и др.
Притрассовые ГСУ организуются на базе грунтосмесительных установок мобильного типа. Для обработки грунтов вяжущими могут применяться в основном смесительные установки с принудительным смешением материалов.
В России на объектах дорожного строительства широко используются грунтосмесительные установки ДС-50А, ДС-50Б, ДС-50Б-1 непрерывного действия с принудительным смешением материалов ОАО «Кременчугский завод дорожных машин» (табл. 26.5).
Установка ДС-50А предназначена для приготовления смесей из малосвязных грунтов с многокомпонентными вяжущими в притрассовых карьерах при работе с измельчителем. Установка ДС-50А может использоваться и для приготовления смесей на основе связных грунтов (до легких суглинков с числом пластичности не более 12). Она рассчитана на дозирование пяти компонентов смеси: грунт, цемент, сыпучие добавки (известь, гипс, зола и т.д.), битум, вода или специальные неагрессивные водные химические добавки; перемешивание и выдачу смеси в автотранспортные средства.
Основные узлы установки: агрегат питания, дозатор цемента и сыпучих материалов, транспортер, смесительный агрегат, накопительный бункер, установка битумного и водяного насосов, кабина управления с тележкой и электрооборудованием.

Рис. 26.15. Генеральный план притрассовой базы для укрепления грунта вяжущими:
1 - склад песчано-гравийной смеси вместимостью 600 тыс. м3; 2 - отделение подачи заполнителей; 3 - силосный склад цемента вместимостью 60 т; 4 - грунтосмесительные отделения на базе трех смесителей ДС-50А; 5 - резервуары для воды, 6 - компрессорная установка на два компрессора ПР-10М; 7 - трансформаторная подстанция; 8 - склад ГСМ; 9 - резервуары противопожарного запаса воды; 10 - котельная; 11 - ремонтно-механическая мастерская; 12 - площадка для открытых ремонтных работ; 13 - материально-технический склад; 14 - туалет; 15 - буфет; 16 - бытовые помещения; 17 - контора, лаборатория и красный уголок; 18 - весовая с автомобильными весами; 19 - канализационные очистные сооружения
Производительность установки ДС-50А зависит от крупности обрабатываемого материала. Например, при обработке цементом каменных материалов производительность установки может достигать 140-170 т/ч, при обработке крупнозернистых песков до 110 т/ч, а при обработке легкой пылеватой супеси не более 70 т/ч. Дальнейшее увеличение содержания пылеватых и глинистых частиц приводит к снижению производительности установки до 30-40 т/ч. При наличии в составе грунта глинистых частиц целесообразно вводить в смесь не более 60 % требуемого количества воды в целях устранения возможного залипания.
Агрегат питания предназначен для приема и непрерывного дозирования грунта в соответствии с заданной рецептурой. Он состоит из рамы, бункера, решетки, ленточного питателя с приводом и площадки обслуживания с лестницей. Решетка, установленная на бункере, ограничивает попадание негабаритного материала в бункер. Непрерывное перемешивание материала обеспечивают вибраторы, монтируемые на ворошителе, решетке и стенках бункера.
Таблица 26.5
Техническая характеристика грунтосмесительных установок
|
Показатели |
ДС-50Б |
ДС-50Б-1 |
ДС-50А |
|
Тип установки |
Передвижная |
||
|
Средняя техническая производительность, т/ч |
200-240 |
200-240 |
100-120 |
|
Установленная мощность, кВт, не более: электродвигателей электронагревателей |
122 30 |
140 30 |
117 20 |
|
Напряжение питающей сети, вольт: силовой цепей управления |
|
|
|
|
380/220 220 |
|||
|
Тип установленных двигателей |
Трехфазные, асинхронные |
||
|
Вместимость бункеров агрегата, м3 |
2×16 |
3×16 |
3×10 |
|
Вместимость бункера агрегата порошкообразных материалов, т |
22 |
2×32,5 |
н/д |
|
Вместимость бункера готовой смеси, м3 |
5 |
5 |
2,9 |
|
Вместимость цистерны для жидких вяжущих материалов или воды, м3 |
14 |
14 |
88 |
|
Вместимость цистерны для жидких вяжущих, м3 |
- |
30 |
- |
|
Габаритные размеры установки в рабочем положении, м, не более (длина, ширина, высота) |
26,6×20,0×11,5 |
26,6×27,0×11,5 |
22,7×14,5×7,45 |
|
Изготовитель |
ОАО «Кремдормаш» (Украина) |
||
Дозатор цемента и сыпучих материалов предназначен для приема, дозирования и выдачи их на ленту транспортера под слой грунта. Для предотвращения зависания материала на стенках бункера установлены вибраторы, а в нижней части бункера - ворошители, имеющие общий привод с дозаторами лопастного типа.
Смесительный агрегат со смесителем непрерывного действия предназначен для приема грунта и порошкообразных материалов, дозирования битума или воды, приготовления смеси, загрузки автотранспортных средств готовой смесью. Он состоит из блока дозаторов, блока смесителя и подкатной тележки.
Блок дозаторов состоит из полуприцепа, дозатора битума, дозаторов воды, ящика для запасных частей и инструмента. Полуприцеп является основанием, на котором крепится все оборудование смесительного агрегата. Подкатная тележка и полуприцеп имеют пневматическую тормозную систему. Блок смесителя включает смеситель с приводом, раму и накопительный бункер. Смеситель непрерывного действия (двухвальный лопастного типа) предназначен для распыления и ввода жидких вяжущих в грунт, перемешивания компонентов грунтовых смесей и распределения готовой смеси в накопительном бункере. На каждом из двух валов смонтировано 12 пар стоек с лопатками с углом подъема винтовой линии 45°. Установка стоек с лопатками обеспечивает в смесителе направленное движение материала к выгрузочному отверстию. Для создания подпора смеси две пары стоек установлены с обратным расположением лопаток. Привод валов смесителя осуществляется от электродвигателя через зубчатую муфту, редуктор и зубчатые муфты привода смесителя.
Накопительный бункер состоит из бункера и затворов, предназначен для накопления и выгрузки готовой смеси в автотранспортные средства. Для контроля заполнения бункера смесью установлен указатель верхнего уровня.
Установка битумного насоса предназначена для перемещения битума. Она выполнена из рамы сварной конструкции и смонтированных на ней битумного насоса, электродвигателя и редуктора для привода насоса, фильтра грубой очистки, бачка для дизельного топлива, системы трубопроводов с кранами и пульта управления.
Установка водяного насоса выполнена из рамы сварной конструкции и смонтированного на ней моноблока-насоса.
Кабина управления установки металлическая. Внутреннее оборудование кабины управления состоит из электрошкафа, пульта, на котором сосредоточены элементы управления всеми агрегатами и световая сигнализация контроля их работы. Кабина оборудована кондиционером и электровентилятором.
Установки ДС-50Б и ДС-50Б-1 для приготовления грунтовых смесей из малосвязных грунтов с многокомпонентными вяжущими является модернизированным вариантом установки ДС-50А. Их используют в составе комплекта машин для скоростного строительства автомобильных дорог.
Установки ДС-50Б и ДС-50Б-1 (рис. 26.16) предназначены для приготовления в притрассовых карьерах из несвязных грунтов (до супесей с числом пластичности 3-7) цементогрунтовых и битумогрунтовых смесей, используемых в дорожном строительстве.

Рис. 26.16. Установка ДС-30Б для приготовления цементогрунтовых и битумоминеральных смесей в притрассовых карьерах:
1 - агрегат питания; 2 - агрегат порошкообразных материалов; 3 - транспортер; 4 - смесительный агрегат; 5 - цистерна с насосными установками (для воды, битума и эмульсии); 6 - кабина оператора
Таблица 26.6
Техническая характеристика карьерных смесителей
|
Производитель, страна |
Индекс машины, тип |
Производи- |
Установлен- |
Количество |
Система взвешивания, тип |
Масса, т |
|
Kalottikone Oy, Финляндия |
MX-30 передвижная |
300 |
140 |
2 |
Тензометр |
22 |
|
МХ-45 то же |
350 |
170 |
2 |
То же |
25 |
|
|
Machinari Oy, Финляндия |
АМО ВС 60 то же |
60 |
71,5 |
4 |
То же |
н/д |
|
АМО ВС 120 то же |
120 |
80 |
4 |
То же |
н/д |
|
|
АМО ВС 240 то же |
240 |
120 |
4 |
То же |
н/д |
|
|
ВС-200 то же |
200 |
130 |
3 |
То же |
15 |
|
|
ASE, Франция |
EURO 120 то же |
80-150 |
100 |
3 |
То же |
н/д |
|
EURO 200 то же |
100-200 |
125 |
3 |
То же |
н/д |
|
|
EURO 300 то же |
150-300 |
150 |
4 |
То же |
н/д |
|
|
EURO 400 то же |
180-400 |
170 |
4 |
То же |
н/д |
|
|
MCL 35 мобильная |
80 |
60 |
2 |
То же |
14 |
|
|
MCL 40 то же |
100 |
72 |
2 |
То же |
15 |
|
|
MCL 45 то же |
150 |
91 |
2 |
То же |
16 |
Оборудование установки обеспечивает приготовление непрерывным способом высококачественных цементогрунтовых, битумогрунтовых и цементощебеночных смесей.
Конструкция грунтосмесительных установок позволяет выполнить следующие операции технологического процесса:
дозирование грунта, освобожденного от крупных (более 100 мм) каменных включений в соответствии с заданной рецептурой смеси и подачу его в смеситель;
дозирование и подачу в смеситель цемента или других сухих минеральных вяжущих материалов из расходного бункера, заполнение которого производится из цементовозов пневмотранспортом;
дозирование и подачу в смеситель жидких вяжущих материалов или воды из промежуточной емкости;
смешивание всех компонентов смеси в смесительном агрегате и подачу готовой смеси в бункер;
выгрузку готовой смеси из бункера в автотранспорт.
Кроме перечисленных грунтосмесительных установок из Украины в нашей стране находят применение карьерные смесители из Германии, Франции, Финляндии и др. (табл. 26.6).
Цементобетонный завод (ЦБЗ) - смонтированный комплекс технологического, энергетического и вспомогательного оборудования, предназначенного для выполнения операций по приготовлению бетонных смесей.
При строительстве автомобильных дорог с цементобетонным покрытием различают два типа бетонных заводов: прирельсовые и притрассовые.
Прирельсовые ЦБЗ устраивают у железной дороги. Они включают в свой состав ряд отделений основного и вспомогательного назначения:
склады каменных материалов, состоящие из приемных устройств для разгрузки железнодорожных вагонов и укладки каменных материалов в штабеля, машин и устройств для погрузки каменных материалов из штабелей в расходные бункеры смесительных установок;
склады цемента, состоящие из приёмных устройств, разгрузчиков вагонов, оборудования для транспортирования цемента на склады и от них в расходные бункеры бетоносмесительных устройств;
бетоносмесительные установки, включающие расходные бункеры для каменных материалов и емкости для цемента, резервуары для воды и специальных добавок, технологическое оборудование для дозирования компонентов и приготовления бетонной смеси, узлы выдачи готовой смеси в автомобильный транспорт;
вспомогательные отделения - электростанции или трансформаторные подстанции, парокотельные устройства, компрессорные устройства, устройства водоснабжения, канализации, служебные и жилые помещения.
В отличие от прирельсовых притрассовые ЦБЗ организуются вблизи мест укладки бетонной смеси и предназначены для кратковременного использования (не более года) на одном месте. Притрассовые цементобетонные заводы состоят из дозировочного и смесительного отделений, расходных складов заполнителей и цемента, передвижных компрессорных установок и электростанций. В соответствии с организацией процессов приготовления и транспортирования бетонных смесей ЦБЗ подразделяются на заводы с законченным и незаконченным циклом.
Заводы с законченным циклом производят готовую бетонную смесь, затворенную водой и перемешанную. Заводы с незаконченным циклом выдают отдозированную сухую смесь, которой загружаются секционные автомобили-самосвалы, автобетоносмесители и контейнеры.
По принципу работы технологического оборудования ЦБЗ и установки подразделяются на две категории: циклические и непрерывные. На ЦБЗ циклического действия используются установки периодического действия и порционные дозаторы для дозирования компонентов бетонной смеси. На ЦБЗ непрерывного действия операции дозирования, перемешивания и выдачи готовой смеси совмещены во времени.
По мощности бетоносмесительных установок ЦБЗ подразделяются на следующие типы: малые производительностью до 30 м3/ч; средние 60-90 м3/ч; большие 120-240 м3/ч; сверхмощные 300-480 м3/ч.
По компоновке технологического оборудования в вертикальной плоскости ЦБЗ и установки делятся на башенные и партерные (ступенчатые). По степени инвентарности установки подразделяются на три типа: стационарные, сборно-разборные и мобильные.
Особенности размещения ЦБЗ. Опыт строительства магистральных автомобильных дорог с цементобетонным покрытием показал, что наиболее оптимальным вариантом является вариант раздельного размещения притрассового ЦБЗ и прирельсовой разгрузочной базы для компонентов цементобетонной смеси.
При организации совместной работы притрассовых ЦБЗ и прирельсовых баз руководствуются следующими правилами: вдоль строящейся автомобильной дороги на выбранные площадки для размещения притрассовых ЦБЗ заранее, преимущественно в зимний период, с прирельсовой базы вывозят крупный заполнитель; песок вывозят на стоянку притрассового ЦБЗ лишь с незначительным опережением времени на его передислокацию.
В сочетании с прирельсовой базой применение притрассовых ЦБЗ обеспечивает сокращение дальности транспортирования готовой смеси, что положительно влияет на темп и качество работ; возможность более равномерного распределения объемов перевозок каменных материалов в течение года, благодаря чему сокращается потребность в технологическом транспорте в строительный сезон; упрощение технологических и организационных схем и прирельсовых баз для разгрузки дорожно-строительных материалов и притрассовых ЦБЗ для приготовления цементобетонных смесей.
Прирельсовые и притрассовые ЦБЗ организуются на базе бетоносмесительных установок различного типа. При этом отдается предпочтение бетоносмесительным установкам циклического действия, обеспечивающим более точное дозирование компонентов бетонной смеси, регулирование ее подвижности и времени перемешивания.
Основные технические решения вновь строящихся прирельсовых и притрассовых ЦБЗ должны соответствовать действующим типовым проектам. Способы приемки песка, щебня (гравия) и цемента, их складирование и внутризаводское транспортирование должны исключить возможность ухудшения их качества и загрязнения окружающей среды.
Целесообразно иметь на прирельсовом ЦБЗ два тупика: для заполнителей и цемента. Железнодорожные пути лучше располагать на повышенной части для уменьшения объема земляных работ при сооружении складов.
На территории ЦБЗ, кроме основного технологического оборудования, размещаются: дозировочное отделение, механическая мастерская, материально-технический склад, трансформаторная подстанция или передвижная электростанция, лаборатория контроля материалов, склад ГСМ, контора и бытовые помещения.
Проектные решения ЦБЗ принимаются с учетом требований противопожарных норм проектирования зданий и сооружений. Пожарные участки технологических линий ЦБЗ оборудуют средствами тушения по согласованию с местной пожарной инспекцией.
Решение генеральных планов прирельсовых ЦБЗ подчиняется общим требованиям с учетом:
получения по железной дороге фракционного щебня (гравия) и песка и резервирования в отдельных случаях на площадке завода территории для сортировочно-моечного отделения;
обеспечения нормативных сроков разгрузки поступающих по железной дороге заполнителей и цемента;
использования для хранения заполнителей открытых площадок, а для хранения цемента - складов силосного типа, оборудованных системой пневмотранспорта;
обеспечения минимального объема строительно-монтажных работ при строительстве базы и монтаже-демонтаже оборудования и строительных конструкций при перебазировании.
Территория, на которой располагается прирельсовый ЦБЗ, должна быть благоустроена и иметь подъездные пути, водоотвод, ограду и освещение для работы в темное время суток и при плохой видимости.
Покрытие на открытых площадках для хранения заполнителей и на основных проездах рекомендуется устраивать как из монолитного и сборного бетона, так и из асфальтобетона. Площадки притрассовых ЦБЗ, особенно на путях движения автомобилей-самосвалов, должны иметь твердое покрытие - цементобетонное или цементогрунтовое. Движение автомобилей на территории ЦБЗ организуется по кольцевой схеме без пересечений путей движения. На площадках и путях движения должен быть обеспечен хороший водоотвод.
Прирельсовый ЦБЗ производительностью 240 м3/ч (рис. 27.1) включает склад каменных материалов вместимостью 70 тыс. м3 с подрельсовым бункером и радиально-штабелирующим конвейером РШК-30М; отделение подачи каменных материалов с их погрузкой и выдачей со склада в расходные бункеры фронтальными погрузчиками; отделение грохочения песка; два силосных склада цемента с обшей вместимостью 3,0 тыс.т; битумохранилище вместимостью 500 т; склад нефтепродуктов вместимостью 350 м3; хранилище пленкообразующих материалов; мазутохранилище; разгрузочную рампу; бетоносмесительное отделение на базе двух бетоносмесительных установок СБ-109; узел приготовления водных растворов добавок; вспомогательные отделения - трансформаторная подстанция, компрессорная установка, артезианские скважины, котельная, резервуары для запаса воды вместимостью 50 м3 (2 шт.); комплекс служебных и вспомогательных помещений - контора с лабораторией, столовая, механическая мастерская, бытовые помещения, площадка для открытых ремонтных работ, материально-технический склад, канализационные очистные сооружения, туалеты, весовая с автомобильными весами грузоподъемностью 30 т (2 шт.), навес для тарного хранения материалов вместимостью 350 м3.
Генплан прирельсового ЦБЗ предусматривает размещение прирельсового склада с приемом каменных материалов в подрельсовый бункер и складированием их РШК-30М в радиальный штабель. Вспомогательные отделения располагают в сборно-разборных зданиях и сооружениях.
Трансформаторные подстанции, вентиляционные установки, как правило, делаются встроенными в главный корпус. Компрессорная станция располагается вблизи основных потребителей сжатого воздуха, то есть около склада цемента, котельная в районе склада каменных материалов по условиям противопожарной безопасности и рационального использования внутризаводских дорог.
Склады горюче-смазочных материалов должны быть размещены на крайних участках заводской территории, с учетом норм пожарной безопасности. Санитарные разрывы открытых складов пылящих материалов до вспомогательных отделений принимают не менее 15 м, а между складом и административным корпусом не менее 35 м.
На притрассовом ЦБЗ (рис. 27.2) каменные материалы (щебень и песок) доставляются автомобильным транспортом и выгружаются у соответствующего штабеля склада. Надвижка материалов в штабели выполняется бульдозерами или фронтальными погрузчиками. Расчетная высота штабелей 5 м. Площадки под штабели устраивают с покрытиями из каменного отсева толщиной 12 см. Подача каменных материалов со склада к загрузочным бункерам смесительной установки производится одноковшовыми фронтальными погрузчиками на пневмоколесном ходу. Для хранения каменных материалов на ЦБЗ используются открытые площадки.

Рис. 27.1. Прирельсовый ЦБЗ: 1 - склад каменных материалов; 2 - отделение подачи каменных материалов; 3 - отделение грохочения песка; 4 - бетоносмесительное отделение; 5 - подрельсовый бункер; 6 - компрессорная установка; 7 - склад цемента; 8 - хранилище пленкообразующих материалов; 9 - трансформаторная подстанция; 10 - отделение для приготовления водных растворов добавок; 11 - резервуары для запаса воды; 12 - склад нефтепродуктов; 13 - котельная; 14 - канализационные очистные сооружения; 15 - туалет; 16 - площадка для открытых ремонтных работ; 17 - материально-технический склад; 18 - артезианские скважины; 19 - ремонтно-механическая мастерская; 20 - столовая; 21 - контора с лабораторией; 22 - разгрузочная рампа; 23 - весовая, 24 - битумохранилище

Рис. 27.2. Притрассовый ЦБЗ: 1 - склад каменных материалов; 2 - отделение подачи каменных материалов; 3 - бетоносмесительное отделение; 4 - компрессорная установка; 5 - склад цемента; 6 - отделение для приготовления водных растворов добавок; 7 - резервуары для запаса воды; 8 - трансформаторная подстанция; 9 - хранилище пленкообразующих материалов; 10 - навес для тарного хранения материалов; 11 - склад нефтепродуктов; 12 - котельная; 13 - ремонтно-механическая мастерская; 14 - площадка для открытых ремонтных работ; 15 - туалет; 16 - столовая; 17 - контора с лабораторией; 18 - бытовые помещения; 19 - весовая с автомобильными весами
Хранение цемента предусматривается в расходном силосном складе мобильного типа. Обеспечение сжатым воздухом осуществляется от компрессорных установок на базе передвижных компрессорных станций. Транспортируют цемент с использованием средств пневмотранспорта.
Для систематического контроля технологического процесса приготовления бетонной смеси и качества исходных материалов, поступающих на завод, в составе ЦБЗ организуется лаборатория.
Дизельное топливо, необходимое для работы машин и оборудования завода хранится в емкостях под навесом.
Отделения вспомогательного назначения размещаются в мобильных зданиях и сооружениях контейнерного типа. Для технического обслуживания и текущего ремонта технологического оборудования инженерных сетей и коммуникаций на заводе предусмотрена ремонтно-механическая мастерская.
В отличие от предприятий стационарного типа сборно-разборные и мобильные притрассовые ЦБЗ более экономичны за счет значительного сокращения объемов работ при их строительстве и передислокации и использования сборно-разборных конструкций, блочного (крупноагрегатного) технологического оборудования.
Использование таких ЦБЗ обеспечивает уменьшение строительно-монтажных работ на 20-30 %, снижение приведенных затрат на приготовление 1000 м3 бетонной смеси на 5-10 %, сокращение затрат труда на 10-20 %.
Приготовление цементобетонной смеси складывается из следующих операций: сортировки каменных материалов; дозирования каменных материалов, цемента и воды; перемешивания каменных материалов с цементом, водой и специальными добавками поверхностно-активных веществ.
Для приготовления бетонных смесей рекомендуется применять каменные материалы, цемент, воду и добавки поверхностно-активных веществ, имеющих минимальную изменчивость свойств. Это обеспечивает наибольшую стабильность технологических свойств бетонной смеси: подвижность, жесткость, объем вовлеченного воздуха, деформативность свежеприготовленного бетона. Для улучшения свойств бетона и снижения расхода цемента в бетонную смесь вводят пластифицирующие и воздухововлекающие добавки. Их применение обеспечивает снижение расхода цемента до 25 т на 1 км покрытия.
Бетонную смесь на ЦБЗ приготавливают в автоматизированных установках циклического и непрерывного действия с гравитационным или принудительным смещением материалов. При возможности выбора предпочтительнее применять бетоносмесительные установки циклического действия, затем непрерывного с принудительным перемешиванием и в последнюю очередь непрерывного действия с гравитационным перемешиванием.
У бетоносмесительных установок циклического действия процесс приготовления представляет собой цикл последовательно чередующихся операций. При этом дозируют по массе определенные дозы составляющих смеси, соответствующие объему смесителя. Отдозированные материалы поступают в смеситель. Продолжительность перемешивания в установках циклического действия устанавливает экспериментально лаборатория ЦБЗ.
В установках непрерывного действия операции дозирования, смешения и выдачи готовой смеси совмещены по времени. Смесь непрерывным потоком поступает в смеситель, где по мере прохождения от загрузочного отверстия к разгрузочному смешивается, и затем непрерывным потоком готовая смесь выходит из смесителя.
В России на объектах дорожного строительства широко используются бетоносмесительные установки непрерывного и циклического действия различных типоразмеров в сборно-разборном и мобильном исполнении производства ОАО «Бетонмаш» (Украина) и ОАО «345 Мехзавод» (Россия).
Сборно-разборные бетоносмесительные установки СБ-37, СБ-75, СБ-75А, СБ-78 непрерывного действия с принудительным перемешиванием предназначены для приготовления жестких и малоподвижных бетонных смесей с крупностью каменных материалов 40 и 70 мм. Основное отличие модернизированной установки СБ-75А заключается в изменении схемы расположения лопастей, способствующей повышению производительности.
В состав установок СБ-37, СБ-75, СБ-75А и СБ-78, которые отличаются одна от другой массой, входят следующие основные узлы: дозировочный блок для каменных материалов, блок дозатора цемента, расходный бункер цемента, смесительный блок, наклонный конвейер, блок водопитания и блок управления. Установки СБ-75, СБ-78 могут выдавать не только готовые бетонные смеси, но и загружать автобетоносмесители отдозированными сухими компонентами бетона (табл. 27.1, рис. 27.3).
Все технологическое, контрольно-измерительное оборудование установок СБ-109 непрерывного действия со свободным перемешиванием (СБ-109А) и СБ-118, а также системы автоматики и управления размещены по отдельным мобильным блокам, выполненным в виде полуприцепов и оборудованным колесными парами для транспортирования их тягачами. Блочная конструкция позволяет сократить время монтажа и демонтажа на дорожно-строительном объекте и упростить перемещение установок автомобилями.
Таблица 27.1
Техническая характеристика бетоносмесительных установок непрерывного действия
|
Показатели |
Бетоносмесительные установки |
||||
|
СБ-37 |
СБ-75 (СБ-75А) |
СБ-78 |
СБ-109 (СБ-109А) |
СБ-118 |
|
|
Производительность, м3/ч |
30 |
30(35) |
60 |
120 (135) |
240 |
|
Количество фракций заполнителей: |
|
|
|
|
|
|
песок |
1 |
1 (1) |
1 |
1 (1) |
1 |
|
щебень |
3 |
3 (2) |
3 |
2 (2) |
2 |
|
Вместимость расходных бункеров: |
|
|
|
|
|
|
цемента, т |
34 |
20 (20) |
12 |
40 (40) |
40 |
|
каменных материалов, м3 |
12 |
18 (18) |
34 |
48 (48) |
75 |
|
Наибольший размер заполнителей, мм |
40 |
40 (40) |
70 |
150 (150) |
150 |
|
Жесткость приготавливаемой смеси, с |
Не более 30-50 |
||||
|
Установленная мощность, кВт |
32,2 |
37,7 (37,5) |
58,3 |
135 (150) |
170 |
|
Габаритные размеры, мм длина |
30140 |
36 600 (28 500) |
36 600 |
47300 (46500) |
48000 |
|
ширина |
6000 |
3 250 (3 750) |
4 000 |
40500 (40500) |
45000 |
|
высота |
8400 |
12 500(13 800) |
12 000 |
13430 (13230) |
13455 |
|
Масса, кг (без склада цемента) |
23000 |
22 500(21500) |
33 000 |
103700 (102500) |
118000 |
|
Бетоносмеситель: тип |
Двухвальный непрерывного действия с принудительным перемешиванием |
Непрерывного действия со свободным перемешиванием |
|||
|
производительность, м3/ч |
30 |
30 (35) |
60 |
120 (135) |
240 |
|
Дозатор каменных материалов по массе: тип |
СБ-26 |
СБ-26А (СБ-26А) |
СБ-42 |
СБ-114 (СБ-111) |
СБ-115 |
|
производительность, т/ч |
9,5-38 |
9,5-38 (9,5-38) |
5-75 |
30-100 (70-100) |
140-200 |
|
Дозатор цемента |
СБ-39 |
СБ-71А (СБ-71А) |
СБ-71А |
СБ-90 (СБ-90) |
СБ-90 |
|
воды |
СБ-750 |
СБ-750 (СБ-750) |
СБ-763 |
|
СБ-763 |
|
Изготовитель |
ОАО «Бетонмаш» (Украина) |
||||

Рис. 27.3. Бетоносмесительная установка непрерывного действия:
а) технологическая схема работы бетоносмесительной установки; б) блок дозирования каменных материалов; в) смесительный блок
1 - наклонный ленточный транспортер; 2 - горизонтальный сборный транспортер; 3 - дозатор непрерывного действия; 4 - бункеры для заполнителей; 5 - цементопровод; 6 - расходный бункер цемента; 7 - фильтр; 8 - дозатор цемента; 9 - резервуар для хранения воды; 10 - насос-дозатор; 11, 13 - трехходовые краны; 12 - рукав для отвода воды; 14 - двухвальный смеситель; 15 - накопительный бункер; 16 - поверочный дозатор; 17 - автомобиль-самосвал; 18 - нижняя двухрукавная течка; 19 - верхняя двухрукавная течка; 20 - челюстной затвор накопительного бункеры
Установки СБ-109 (СБ-109А) и СБ-118 (рис. 27.4) состоят из отдельных блоков смесительного дозирования каменных материалов, наклонного транспортера дозирования цемента с расходным бункером цемента, дозирования добавок, блока управления и трех питателей с ленточными транспортерами. В состав установки входит инвентарный склад цемента.

Рис. 27.4. Бетоносмесительные установки С Б-109 (СБ-109А) и СБ-118:
1 - питатели с ленточными транспортерами; 2 - блок дозирования каменных материалов; 3 - блок дозирования цемента; 4 - склад цемента; 5 - наклонный транспортер; 6 - смесительный блок; 7 - блок дозирования добавок; 8, 10 - съемные лестницы; 9 - рама бетоносмесителя; 11 - блок управления
Смесительный блок состоит из рамы бетоносмесителя, раздаточного транспортера, загрузочного устройства, системы водопитания и тарировочного дозатора. На раме смесительного блока установлен привод наклонного транспортера. Для удобства обслуживания блок оборудован съемными площадками и лестницами.
В установках используется гравитационный бетоносмеситель непрерывного действия. Барабан бетоносмесителя цилиндрический с установленными по винтовой линии плоскими лопастями, выполненными из износоустойчивой листовой стали и прикрепленными к барабану специальными резьбовыми соединениями. При вращении барабана лопасти обеспечивают перемешивание бетонной смеси и ее перемещение к выгрузочной точке.
Бетоносмесительные установки циклического действия СБ-145-2, СБ-145-4 предназначены для круглогодичного приготовления бетонных смесей на плотных заполнителях и цементных вяжущих при температуре окружающего воздуха до минус 40°С. Установки могут быть использованы для приготовления строительных растворов (табл. 27.2, рис. 27.5).
Установки СБ-145-2 комплектуются комплектом дозаторов с электромеханической системой взвешивания, а СБ-145-4 с тензометрической системой взвешивания.
Бетоносмесительные установки изготавливаются укрупненными блоками, обшитыми утеплительными панелями. В состав установки входят следующие основные узлы и блоки: блок смесительный, блок управления, блок загрузки, конвейер, блок химдобавок, склад цемента, пневмооборудование, электрооборудование.
Бетоносмесительные установки выполнены по партерной схеме. В смесительном блоке непосредственно над смесителем смонтированы все дозаторы, в которые соответствующими устройствами через блок управления подаются компоненты смеси (заполнители, цемент, вода, химические добавки), взвешиваются в необходимых пропорциях и загружаются в смеситель.

Рис. 27.5. Бетоносмесительная установка СБ-145-2:
1 - блок бункеров; 2 - блок загрузки; 3 - галерея; 4 - стойка; 5 - смесительный блок; 6, 7 - силосы; 8 - винтовой питатель; 9 - блок управления; 10 - разгрузочный лоток
Таблица 27.2
Техническая характеристика бетоносмесительных установок циклического действия
|
Показатели |
Бетоносмесительные установки |
||||
|
МСУ |
БСУ |
СБ-145-2 |
СБ-145-4 |
СБ-171 |
|
|
Производительность, м3/ч |
20 |
12 |
40 |
40 |
60 |
|
Наибольший размер крупного заполнителя, мм |
70 |
70 |
70 |
70 |
70 |
|
Вместимость бетоносмесителя, л |
1500 |
750 |
1500 |
1500 |
1500 |
|
Объем бункеров, заполнителей, м3 |
60 |
30 |
40 |
40 |
85 |
|
Объем силосов цемента, т |
24 |
24 |
40 |
40 |
52 |
|
Установленная мощность, кВт |
116 |
51 |
90 |
90 |
110 |
|
Масса, т |
- |
52 |
75 |
70 |
90 |
|
Габаритные размеры, мм: |
|
|
|
|
|
|
длина |
- |
- |
24500 |
- |
37800 |
|
ширина |
- |
- |
10400 |
- |
7000 |
|
высота |
- |
- |
12800 |
- |
16750 |
|
Изготовитель |
ОАО «345 Механический завод» (Россия) |
ОАО «Бетонмаш» (Украина) |
|||
Конструкция установки предусматривает выдачу материалов в любое транспортное средство: автобетоновоз, автобетоносмеситель, автосамосвал. В зимнее время осуществляется предварительный разогрев заполнителей с помощью горячей воды или пара.
Кроме перечисленных бетоносмесительных установок, в нашей стране находят применение установки фирм Финляндии и Германии (табл. 27.3). Например, финская фирма «Lohia» выпускает комплекты оборудования, специально предназначенного для работы с учетом рельефа местности. Выпускаются специальные комплекты установок для работы на склонах. При таком расположении оборудования достигается значительный экономический эффект благодаря разгрузке машин с заполнителями непосредственно в расходные бункеры и силосы.
Большинство бетоносмесительных установок фирмы «Lohia» выпускаются со смесителями свободного перемешивания в виде барабанов цилиндрической или грушеобразной формы. Как правило, выпускаются установки циклического действия. При этом взвешивание минеральных материалов, цемента и воды осуществляется с помощью тензометрических систем.
Нагрев материалов в зимнее время выполняется горячим воздухом, паром или трубчатыми радиаторами. На всех установках, как правило, применяются микропроцессорные системы управления.
Кроме традиционных установок по выпуску цементобетонных смесей, фирма «Lohia» выпускает заводы по производству сухих смесей, которые затариваются в бумажные мешки.
Финская фирма «Rala» корпорации «Раккенуслайте» выпускает широкий спектр стационарных и передвижных бетоносмесительных установок. Большинство установок фирмы «Rala» (и фирмы «Lohia») выпускаются в зимнем исполнении, то есть с возможностью круглогодичного применения.
Фирма «Rala» также предпочитает применять смесители со свободным перемешиванием как менее энергоемкие. Однако для жестких смесей применяются вертикальные смесители чашечного типа с принудительным перемешиванием. С целью исключения налипания смеси внутренняя поверхность смесителей со свободным перемешиванием футеруется листовой резиной.
Передвижные установки общей группы «Rala-MOBIL» собираются из крупных, полностью укомплектованных блоков. На месте монтажа требуется только соединить штекерные разъемы. Монтаж установок выполняется на забетонированных рабочих площадках без фундамента.
Немецкая фирма «ELBA» выпускает широкий спектр башенного (вертикального) и партерного (горизонтального) типов бетоносмесительного оборудования в стационарном и мобильном исполнении. В базовой установке (модель ЕМС-38) при использовании дополнительных элементов можно изменять высоту выдачи бетонной смеси в автотранспортные смеси. Кроме того, по требованию потребителя возможна и выдача бетонной смеси в накопительный бункер или промежуточную воронку. Одна из последних разработок фирмы «ELBA» - высокомобильная установка «SupermobilESM» производительностью 45-110 м3/ч. По данным фирмы, монтаж установки на строительной площадке составляет всего один день. Установки фирмы «ELBA» принудительного действия оснащены одновальным противоточным смесителем оригинальной конструкции вместимостью 500-3500 л. Смесители фирмы «ELBA» с двумя витками в качестве лопастей предназначены для приготовления тяжелых и легких бетонов, могут смешивать и другие материалы, в том числе различные шламы, стекло, пластмассовые грануляты и т.д.
Одновальная конструкция смесителя благодаря образованию центробежного эффекта исключает расслоение смеси, обеспечивая быструю и полную выгрузку бетонной смеси. Загрузка бетоносмесительных установок башенного типа производится элеватором или ленточным транспортером.
Таблица 27.3.
Техническая характеристика бетоносмесительных установок зарубежного производства
|
Производи- |
Индекс |
Тип установки |
Тип смеси- |
Производи- |
Склад |
Установ- |
Вмести- |
|
LOHIA, Финляндия |
МБ-750 |
Циклический, вертикальный |
Чашечный |
20 |
Закрытые вертикальные бункеры |
50,8 |
0,3 |
|
МД1-1000 |
40 |
150 |
0,5 |
||||
|
RALA Финляндия |
ММС-350Р-И |
Циклический, партерный, мобильный |
Чашечный |
5 |
Открытые бункеры |
40 |
0,5 |
|
ММС-500Р-И |
15 |
50 |
0,5 |
||||
|
SMC-1000P-E |
Циклический, партерный, передвижной |
Чашечный или Барабанный |
15 |
Закрытые сверху бункеры |
100 |
0,75 |
|
|
SMC-1500P-E |
25 |
100 |
1,0 |
||||
|
SMC-2000P-E |
40 |
100 |
2,0 |
||||
|
CMC-2000F-S |
Циклический, вертикальный, контейнерный |
Барабанный |
40 |
Закрытые бункеры типа «Силос» |
125 |
2,0 |
|
|
CMC-3000F-S |
60 |
180 |
3,0 |
||||
|
CMC-4000F-S |
80 |
250 |
4,0 |
||||
|
TECWILL, Финляндия |
Cobra С-30 |
Мобильный, быстроперебазируемый |
Чашечный |
30 |
Закрытые бункеры типа «Силос» |
80-100 |
0,5 |
|
Cobra C-40 |
40 |
100-130 |
1,0 |
||||
|
Cobra C-60 |
60 |
120-150 |
1,5 |
||||
|
Cobra C-80 |
80 |
150-180 |
2,0 |
||||
|
Cobra С-100 |
120 |
180-200 |
2,5 |
||||
|
LINTEC, Германия |
СС-1000 |
Передвижной, перебазируемый, контейнерный |
Чашечный |
50 |
Открытые бункеры в 1 ряд |
110 |
1,5 |
|
СС-2000 |
Лопастной, Двухвальный |
90 |
130 |
3,0 |
|||
|
СС-3000 |
120 |
180 |
4,5 |
||||
|
CC-3000D |
240 |
240 |
4,5×2 |
||||
|
LIEBBHERR, Германия |
Betomix 0,5R |
Передвижной, перебазируемый |
Тарельчатый |
30 |
Открытые бункеры, разделенный конус или закрытые бункеры типа «Силос» |
50 |
0,5 |
|
Betomix l,0R |
55 |
75-100 |
1,0 |
||||
|
Betomix l,5R |
75 |
110-120 |
1,5 |
||||
|
Betomix 2,25R |
Тарельчатый/ двухвальный |
100 |
120-130 |
2,25 |
|||
|
Betomix 3,0R |
120 |
160 |
3,0 |
||||
|
Betomix 4,5R |
Лопастной двухвальный |
160 |
190 |
4,5 |
|||
|
ELBA WERK, Германия |
ELMC-38 |
Мобильный, перебазируемый |
Одновальный |
38 |
Открытые бункеры (с подогревом) |
54 |
0,5 |
|
ESM-60 |
59 |
80 |
1,0 |
||||
|
ESM-85 |
83 |
125 |
1,65 |
||||
|
ESM-105 |
100 |
140 |
2,0 |
||||
|
ESM-110 |
125 |
155 |
2,5 |
||||
|
STETTER, Германия |
M0,5 |
Мобильный, партерный, быстроперебазируемый |
Чашечный |
30 |
Открытые бункеры в 1 или 2 ряда |
50 |
0,5 |
|
M1 |
56 |
80 |
1,0 |
||||
|
M1,25 |
71 |
100 |
1,25 |
||||
|
M1,5 |
75 |
130 |
1,5 |
||||
|
M2 |
93 |
150 |
2,0 |
||||
|
H1 |
Передвижной, партерный, перебазируемый |
Лопастной, двухвальный |
58 |
Открытые бункеры в 1 или 2 ряда |
75-100 |
1,0 |
|
|
H1,25 |
70 |
90-120 |
1,25 |
||||
|
H1,5 |
79 |
110-140 |
1,5 |
||||
|
H2 |
93 |
120-160 |
2,0 |
||||
|
CP30 |
Передвижной, перебазируемый |
Тарельчатый |
32 |
Открытые бункеры в 1 или 2 ряда |
60 |
0,5 |
|
|
CP60 |
56 |
100 |
1,0 |
||||
|
CP90 |
81 |
120 |
1,25 |
||||
|
CP110 |
95 |
140 |
1,5 |
||||
|
CP120 |
109 |
160 |
2,0 |
||||
|
CP130 |
120 |
180 |
3,0 |
Бетоносмесители. Современные смесительные машины для приготовления бетонов по способу загрузки компонентов бетонной смеси и выдачи готовой смеси подразделяются на смесители циклического (периодического) и непрерывного действия.
В смесителях циклического действия исходные материалы загружаются отдельными порциями, причем каждая новая порция подается в смеситель после того, как из него будет выгружен предыдущий замес.
В смесителях непрерывного действия загрузка исходных материалов, перемешивание и выгрузка готовой смеси осуществляются непрерывно. Бетоносмесители циклического действия проще по конструкции, позволяют быстро перестроиться на выпуск бетона любой марки и жесткости. Бетоносмесители непрерывного действия компактнее, их металлоемкость меньше, они больше приспособлены к работе на автоматизированных ЦБЗ. Этот тип смесителей хорошо зарекомендовал себя при производстве одномарочного дорожного бетона.
В зависимости от способа перемешивания компонентов бетонной смеси бетоносмесители подразделяют на два основных типа: гравитационные и принудительного действия. В гравитационных смесителях материалы смешиваются во вращающихся барабанах, на внутренних поверхностях которых закреплены лопасти. У этих бетоносмесителей при вращении барабана процесс смесеобразования происходит в результате столкновения потоков компонентов, свободно падающих с лопастей под действием силы тяжести. В смесителях принудительного действия перемешивание осуществляется с помощью движущихся внутри корпуса бетоносмесителя лопастей, интенсивно перелопачивающих смесь.
Бетоносмесители принудительного действия, как правило, обеспечивают эффективное перемешивание малоподвижных и жестких бетонных смесей. Применение смесителей принудительного действия связано со значительным износом рабочих органов и повышенным расходом энергии. Однако это компенсируется значительным увеличением производительности, возможностью приготовления смесей любой подвижности и жесткости, полной выгрузкой смеси из бетоносмесителя, безопасностью обслуживания и т.д.
По способу установки бетоносмесители бывают передвижные и стационарные. Гравитационные бетоносмесители передвижного типа, предназначенные для обслуживания объектов с малым объемом работ, используются в дорожном строительстве ограниченно. Гравитационные стационарные бетоносмесители циклического действия используют при оборудовании стационарных цементобетонных заводов и установок, а также иногда для работы в качестве отдельных установок на мелких дорожно-строительных объектах.
В России эксплуатируются преимущественно гравитационные бетоносмесители Тюменского завода строительных машин и ОАО «Бетонмаш» (Украина) (табл. 27.4). Бетоносмеситель СБ-16В (рис. 27.6) предназначен для приготовления подвижных бетонных смесей. Бетоносмеситель устанавливается на металлическом помосте и закрепляется скобами или болтами через отверстия в полозьях рамы.

Рис. 27.6. Бетоносмеситель СБ-16В циклического действия с гравитационным перемешиванием материалов:
1 - скип; 2 - вододозировочная система; 3 - правый швеллер в сборе; 4 - смеситель в сборе; 5 - дверь электрошкафа; 6 - электрооборудование; 7 - рама смесителя; 8 - левый швеллер в сборе; 9 - система водопитания; 10 - ключ
Бетоносмеситель СБ-91 выпускают в двух модификациях: для бетонных заводов с гнездовым расположением бетоносмесителей и для индивидуальных бетоносмесительных установок с одним или двумя бетоносмесителями.
При гнездовой установке бетоносмесителя смесительный барабан загружают и выгружают через отверстие длинного переднего конуса (второе отверстие закрыто крышкой); при индивидуальной установке загружают через отверстие короткого заднего конуса, а выгружают через отверстие длинного переднего конуса. Бетоносмеситель индивидуального исполнения поставляется в комплекте с загрузочным устройством, служащим для подачи сухих компонентов и воды в смесительный барабан.
Бетоносмеситель СБ-91 (рис. 27.7) предназначен для приготовления бетонных смесей крупностью щебня до 120 мм.
Смесительный барабан представляет собой сварную конструкцию из двух полых конусов и обечайки. Внутри конусов расположены лопасти, ускоряющие процессы перемешивания исходных материалов и выгрузки готовой бетонной смеси. Механизм опрокидывания смесительного барабана состоит из гидроцилиндра и гидропривода. Вилка штока гидроцилиндра соединена с рычагом, насаженным на цапфу траверсы. Гидропривод состоит из насоса, бака для масла, распределителя, фильтра и соединительных трубопроводов. Привод вращения смесительного барабана включает в себя электродвигатель и цилиндрический ступенчатый редуктор. На консоль выходного вала редуктора насажен смесительный барабан.
Таблица 27.4
Техническая характеристика гравитационных бетоносмесителей
|
Показатели |
Марки бетоносмесителей |
|||
|
СБ-30В |
СБ-16В |
СБ-91 |
СБ-153 |
|
|
Вместимость смесительного барабана, л: по загрузке по готовому замесу |
250 165 |
500 330 |
750 500 |
1500 1000 |
|
Число циклов в час |
30 |
32 |
30 |
22 |
|
Частота вращения смесительного барабана, мин-1 |
20 |
18 |
18 |
17,6 |
|
Угол наклона смесительного барабана к горизонту, град: при перемешивании при разгрузке |
12 40 |
17 60 |
13 60 |
15 55 |
|
Механизм вращения смесительного барабана: тип электродвигателя мощность, кВт |
4АХ80А4 1,1 |
4A100L4 4 |
А02-21-4 4 |
4А160М6УЗ 15 |
|
Механизм опрокидывания смесительного барабана: тип электродвигателя мощность, кВт частота вращения, мин-1 |
4АХ80А4 1,1 1400 |
4A100L4 4 1430 |
А02-21-4 4 1400 |
Пневматический - - |
|
Гидронасос: тип производительность, л/мин |
- - |
БГ12-41 8 |
Г12-41 8 |
- - |
|
Гидроцилиндр: диаметр, мм длина хода, мм |
- - |
- - |
65 250 |
- - |
|
Рабочее давление воздуха, МПа |
- |
- |
- |
0,4-0,6 |
|
Мощность привода вибратора, кВт |
- |
0,27 |
- |
- |
|
Габариты, мм: длина ширина высота |
|
|
|
|
|
1915 1590 2280 |
2550 2020 2850 |
1850 2000 1800 |
2600 2522 2300 |
|
|
Масса, кг |
800 |
1900 |
1270 |
2700 |
|
Изготовитель |
Тюменский завод строительных машин (Россия) |
ОАО «Бетонмаш» (Украина) |
||

Рис. 27.7. Бетоносмеситель СБ-91 гравитационный:
1 - рама; 2 - боковая стойка; 3 - смесительный барабан; 4 - траверса; 5 - редуктор; 6 - электродвигатель; 7 - цапфа траверсы; 8 - гидроопрокидыватель
Циклические бетоносмесители принудительного действия (табл. 27.5) предназначены для приготовления жестких и подвижных бетонных смесей на бетоносмесительных установках, на заводах и полигонах сборного железобетона. В России эксплуатируются преимущественно бетоносмесители Новосибирского завода строительных машин и ОАО «Бетонмаш» (Украина).
Таблица 27.5
Техническая характеристика бетоносмесителей
|
Показатели |
Марки бетоносмесителей П |
||||
|
СБ-133А |
СБ-141 |
СБ-146А |
СБ-138А |
СБ-163 |
|
|
Вместимость по загрузке сухими составляющими, л |
100 |
375 |
750 |
1500 |
1500 |
|
Объем готового замеса, л: бетонной смеси раствора |
65 80 |
250 300 |
500 650 |
1000 1200 |
1000 - |
|
Число циклов в час: при приготовлении бетонных смесей при приготовлении строительных растворов |
45 60 |
48 - |
45 33 |
45 33 |
50 - |
|
Продолжительность перемешивания, с при приготовлении бетонных смесей при приготовлении строительных растворов |
72 - |
48 - |
50 65 |
50 65 |
92 - |
|
Наибольшая крупность заполнителя, мм |
40 |
70 |
70 |
70 |
70 |
|
Мощность двигателя, кВт |
4 |
15 |
22 |
37 |
30 |
|
Рабочее давление в пневмоцилиндре, МПа |
- |
0,6 |
0,6 |
0,6 |
0,6 |
|
Габаритные размеры, мм длина ширина высота |
1000 660 1000 |
2500 2000 2200 |
2500 2326 1750 |
2850 2700 1850 |
3290 2000 1515 |
|
Масса, кг |
155 |
1970 |
2600 |
3500 |
5600 |
|
Изготовитель |
Новосибирский |
ОАО |
Новосибирский |
||
Бетоносмеситель СБ-163 (рис. 27.8) предназначен для приготовления бетонных смесей повышенной однородности при минимальной продолжительности перемешивания. Он состоит из смесительной чаши, электродвигателя с редуктором и клиноременной передачи. Все узлы смонтированы на сварной раме.
Смесительный механизм состоит из двух корпусов корытообразного сечения, связанных между собой поперечными балками и опирающихся на подшипники скольжения. Внутренняя поверхность корпусов футерована броневыми листами (кожухами) и для предохранения их от изнашивания абразивными частицами бетонной смеси. В корпусах на самоустанавливающихся роликовых подшипниках помещены два горизонтальных лопастных вала квадратного сечения. Привод валов включает: электродвигатель, клиноременную передачу, редуктор и цепные муфты. Два пневмоцилиндра, установленные на торцах половин чаши, служат для их поворота. Лопасти валов расположены по винтовым линиям, что обеспечивает передвижение компонентов смеси вдоль оси смесительного механизма и равномерное распределение их между собой. Отдозированные исходные компоненты смеси подаются в смеситель через верхний люк и перемешиваются лопастями.
Приготовленную бетонную смесь выгружают через окно в нижней части смесителя при повороте полуцилиндрических частей чаши смесителя. При этом вращение валов с его лопастями не прекращается.
Бетоносмеситель СБ-138А (рис. 27.9) состоит из неподвижного корпуса-чаши, ротора со смесительными лопастями, крышки чаши, редуктора, затвора пневмоцилиндра, пультов управления и двигателя.
Над вращающимся корпусом ротора предусмотрено очистное устройство для непрерывного удаления попадающих на корпус заполнителей смеси. Смеситель работает следующим образом: при вращающемся роторе по трубе подается доза воды. Перемешивание осуществляется до образования однородной смеси. Готовая смесь выгружается через затвор.
Бетоносмесители непрерывного действия выпускаются со свободным и принудительным перемешиванием составляющих (табл. 27.6). В бетоносмесительных установках для дорожного строительства нашли широкое применение двухвальные лопастные смесители, предназначенные для приготовления жестких и малоподвижных бетонных смесей.
Примером конструктивного решения бетоносмесителя с принудительным перемешиванием может служить бетоносмеситель установки СБ-75 (рис. 27.10), состоящий из рамы, привода и корытообразного корпуса. Внутри корпуса устроены параллельно два лопастных вала, соединенные между собой зубчатой передачей и вращающиеся навстречу один другому. Лопасти, посаженные на валу, заканчиваются лопатками размерами 100×100 мм, расположенными по винтовой линии. Угол поворота лопаток вокруг своей оси можно менять в пределах от 0 до 30°С.

Рис. 27.8. Бетоносмеситель СБ-163 принудительного действия:
1 - смесительная наша; 2 - цепная муфта; 3 - электродвигатель; 4 - редуктор; 5, 6 - кожухи; 7 - рама

Рис. 27.9. Конструктивная схема бетоносмесителя СБ-138А:
1 - щуп; 2 - заливная трубка; 3 - загрузочный патрубок; 4 - очистное устройство; 5 - электродвигатель; 6 - редуктор; 7 - ротор; 8 - крышка; 9 - чаша; 10 - труба; 11, 17 - путевые выключатели; 12 - пульт управления; 13 - смотровой люк; 14 - пневмоцилиндр; 15 - затвор; 16 - ограждение; 18 - вытяжной патрубок; 19 - сливная трубка.
Таблица 27.6
Техническая характеристика бетоносмесителей непрерывного действия
|
Показатели |
Бетоносмесители |
|||||
|
С-632 |
С-939 |
СБ-75 |
СБ-78 |
СБ-109* |
СБ-118* |
|
|
Производительность, м3/ч |
5 |
15 |
30 |
60 |
120 |
240 |
|
Частота вращения смесительных валов, мин-1 |
65 |
75 |
55 |
42,7 |
18 |
12 и 5 |
|
Максимальный размер крупного заполнителя, мм |
40 |
70 |
70 |
70 |
120 |
120 |
|
Мощность электродвигателя, кВт |
4 |
7 |
20 |
40 |
40 |
55 |
|
Габаритные размеры, мм: длина ширина высота |
2400 692 1230 |
3300 1000 1600 |
4735 1655 2420 |
4880 2380 1066 |
11650 2800 5670 |
13750 3700 5800 |
|
Масса, кг |
670 |
930 |
3115 |
5900 |
17000 |
22000 |
|
Изготовитель |
ОАО «Бетонмаш» (Украина) |
|||||
* Свободного перемешивания

Рис. 27.10. Бетоносмеситель непрерывного действия с принудительным перемешиванием СБ-75:
1 - рама; 2 - клиноременная передача; 3 - гибкая муфта; 4 - лопасти; 5 - распорные втулки; 6 - корпус; 7 - лопастной вал; 8 - электродвигатель; 9 - редуктор; 10 - зубчатая передача
Дозаторы. По принципу действия подразделяются на объемные и дозаторы по массе. Объемные дозаторы просты по конструкции, но точность дозирования их невысока, так как щебень, песок и другие материалы из-за различной влажности и разрыхленности имеют различную массу при одном и том же объеме. По объему можно дозировать только жидкости, поскольку их объемная масса при непостоянной температуре изменяется незначительно.
По способу (методу) дозирования дозаторы по массе подразделяются на циклического (периодического действия) и непрерывного действия. При циклическом дозировании отмеряются определенные порции (дозы) материала, поступающие на дальнейшую переработку. При непрерывном дозировании материал подается непрерывным потоком, причем количество материалов в потоке все время поддерживается постоянным, соответствующим заданному.
По степени автоматизации различают дозаторы с дистанционным управлением и автоматические.
Автоматические дозаторы циклического действия. Три комплекса из трех дозаторов АВДБ с автоматическим управлением Краснодарского завода «Тензоприбор» предназначены для циклического дозирования цемента (АВДУ-425Д, АВДУ-1200, АВДУ-2400), каменных материалов (АВДИ-425, АВДИ-1200Д, АВДИ-2400Д), воды и добавок (АВДЖ-425, АВДЖ-1200Д, АВДЖ-2400Д) и выдачи доз в бетоносмесители, объем готовых запасов которых составляет 330, 800 и 2000 л (табл. 27.7).
Дозаторы непрерывного действия предназначены для непрерывного дозирования по массе каменных материалов и цемента и применяются в бетоносмесительных установках производительностью 30-240 м3/ч. Дозатор по массе СБ-71А, предназначенный для дозирования цемента, выпускают в двух модификациях. Он рассчитан на работу при температуре от 1 до 50°С. Дозатор предназначен для работы в условиях взрывобезопасной среды; необходимо предохранять его от прямого попадания влаги и действия солнечных лучей.
Таблица 27.7
Техническая характеристика дозаторов циклического действия
|
Показатели |
Дозаторы |
|||||||
|
АВДЦ- |
АВДЦ- |
АВДЦ- |
АВДИ- |
АВДИ- |
АВДИ- |
АВДЖ- |
АВДЖ- |
|
|
Взвешиваемый материал |
Цемент |
Каменные материалы |
Жидкости |
|||||
|
Наибольшая нагрузка, кН |
15 |
30 |
70 |
60 |
120 |
130 |
20 |
50 |
|
Наименьшая нагрузка, кН |
3 |
10 |
30 |
8 |
20 |
25 |
1 |
5 |
|
Погрешность дозирования, % |
±2 |
±2 |
±2 |
±3 |
±3 |
±2 |
±2 |
±2 |
|
Наибольшая продолжительность цикла взвешивания, с |
45 |
45 |
45 |
45 |
45 |
45 |
45 |
45 |
|
Тип питателя |
Аэропитатель |
- |
- |
- |
- |
- |
||
|
Количество питателей |
2 |
2 |
2 |
- |
- |
- |
- |
- |
|
Напряжение сети питания электрооборудования, В |
220 |
220 |
220 |
220 |
220 |
220 |
220 |
220 |
|
Давление воздуха в воздушной сети, МПа |
0,6 |
0,6 |
0,6 |
0,6 |
0,6 |
0,6 |
0,6 |
0,6 |
|
Габариты, мм: длина ширина высота |
1706 960 1680 |
1706 960 2095 |
1700 1100 2500 |
2060 1175 1920 |
2060 1175 2660 |
1555 1130 2660 |
1290 960 1945 |
1560 1100 2600 |
|
Масса, кг |
495 |
520 |
560 |
570 |
600 |
586 |
241 |
479 |
|
Изготовитель |
Краснодарский завод «Тензоприбор» |
|||||||

Рис. 27.11. Конструктивная схема дозатора СБ-71А:
1 - привод дозатора; 2 - двухбарабанный питатель; 3 - кронштейн на течке; 4 - датчик усилия; 5 - кронштейн на щеках конвейера; 6 - навес; 7 - цепная передача; 8 - щека; 9 - лента; 10 - шарнирные опоры; 11 - натяжной барабан; 12 - натяжной винт; 13 - весовой конвейер; 14 - двухступенчатая цепная передача; 15 - промежуточная цепная передача; 16 - приводной барабан
Дозатор СБ-71А (рис. 27.11) состоит из двухбарабанного питателя, датчика усилия, привода и системы автоматического регулирования.
Цемент в дозатор подается двухбарабанным питателем на ленту подвешенного на шарнирных опорах транспортера, который состоит из двух щек, натяжного и приводного барабанов, промежуточной передачи, ленты и деталей, образующих раму. Для предотвращения пыления транспортер закрыт съемным кожухом. Натяжение ленты производится винтами.
Дозатор цемента СБ-90 состоит из сдвоенного барабанного питателя ленточного транспортера, шкафа, привода питателя и привода транспортера. Дозатор имеет две замкнутые системы регулирования: массы на ленте транспортера и скорости ленты. Так как системы независимы и масса материала, находящегося на ленте, при любой ее скорости поддерживается неизменно, то изменяя скорость ленты, можно добиться требуемой производительности путем изменения установки задатчика системы регулирования скорости. Техническая характеристика дозаторов непрерывного действия для дозирования цемента приведена в табл. 27.8.
Таблица 27.8
Техническая характеристика дозаторов непрерывного действия
|
Показатели |
Дозаторы |
|||
|
СБ-71А |
СБ-90 |
СБ-26А |
СБ-111 |
|
|
Производительность, т/ч |
12,5-25 |
25-125 |
8-40 |
5-20 |
|
Наибольшая крупность дозируемого материала, мм |
Цемент |
40 |
130 |
|
|
Мощность электродвигателя, кВт |
1,18 |
3,5 |
0,6 |
2,3 |
|
Габариты, мм: длина ширина высота |
2000 1025 1400 |
2510 1100 1480 |
1370 1040 660 |
2675 2100 2150 |
|
Масса, кг |
960 |
1570 |
340 |
620 |
|
Изготовитель |
ОАО «Бетонмаш» (Украина) |
|||
Дозатор по массе СБ-26А, предназначенный для дозирования каменных материалов на передвижных бетоносмесительных установках, рассчитан на работу в нормальных климатических условиях при температуре окружающего воздуха 5-40°С и в условиях тропического климата с температурой окружающего воздуха до 45°С и относительной влажностью 95 % (тропическое исполнение). Возможна работа дозатора в условиях взрывобезопасной среды; необходимо предохранять его от попадания влаги и действия солнечных лучей.
Дозатор СБ-26А (рис. 27.12) состоит из воронки-питателя, весового конвейера с приводом и рычажной системой.
Техническая характеристика дозаторов непрерывного действия для дозирования каменных материалов приведена в табл. 27.8.
Одним из основных сооружений, определяющим общую компоновку производственного предприятия, являются склады каменных материалов. Склады каменных материалов притрассовых АБЗ и ЦБЗ, для которых характерна доставка материалов автотранспортными средствами, отличаются небольшим запасом материалов, обеспечивающим работу смесительной установки в течение 5-10 смен. Оправка штабеля и подача материалов к установке осуществляются бульдозером. Подача каменных материалов непосредственно в расходные бункеры установок осуществляется одноковшовыми пневмоколесными погрузчиками или передвижным ленточным конвейером в комплексе с одноковшовыми погрузчиками.
Склады каменных материалов прирельсовых АБЗ и ЦБЗ классифицируются по технологии работы, конструкции систем загрузки склада и выгрузки материалов при их подаче в расходные бункеры установок и заводов, способу хранения каменных материалов и типу емкостей.
По технологии работы и способам выгрузки различают склады с гравитационной выгрузкой при применении саморазгружающихся вагонов и принудительной выгрузкой при использовании машин сталкивающего или черпающего типов.
По конструкции систем загрузки емкостей хранения склады могут быть:
с приемными устройствами и комплексом машин и оборудования для штабелирования материалов;
без приемных устройств с непосредственной подачей каменных материалов из вагонов в емкости хранения;
с применением комплекса машин, обеспечивающих выполнение одновременно операций выгрузки и штабелирования.

Рис. 27.12. Конструктивная схема весового автоматического дозатора цемента СБ-26А:
1 - течка-питатель; 2 - подвеска; 3 - призменные опоры; 4 - неподвижная заслонка; 5 - подвижная заслонка; 6 - грузы; 7 - винты; 8 - натяжной барабан; 9 - щеки; 10 - приводной барабан; 11, 14 - звездочки; 12 - цепная передача; 13 - конвейер; 15 - рычаг; 16 - уровень; 17 - вариатор; 18 - электродвигатель; 19 - карман
По способу хранения каменных материалов склады подразделяются на открытые площадки и закрытого типа, а по типу емкостей - на штабельные, бункерные, полубункерные, безэстакадные, эстакадные и силосные.
Оборудование прирельсовых складов каменных материалов должно обеспечивать прием каменных материалов из полувагонов и платформ, хоппердозаторов и саморазгружающихся вагонов при выполнении следующих требований:
продолжительность разгрузки вагонов любых типов в сроки, установленные нормами железнодорожного ведомства (обычно двенадцать 60-тонных вагонов за 1 ч 20 мин);
раздельный прием и выдача каменных материалов различных сортов (без ухудшения их качества);
механизация трудоемких работ (открывание и закрывание люков, очистка и перемещение вагонов, а в осенне-зимний период рыхление смерзшихся материалов);
создание безопасных и нормальных санитарно-гигиенических условий работы обслуживающего персонала.
В настоящее время на прирельсовых производственных базах получили распространение склады каменных материалов с приемными устройствами в виде подрельсовых бункеров с радиально-штабелирующими конвейерами (РШК); с использованием самоходного разгрузчика ТР-2; повышенного железнодорожного пути на железобетонной эстакаде.
Широкое применение для разгрузки каменных материалов повышенных путей объясняется простотой строительных конструкций склада, значительным фронтом одновременной разгрузки нескольких вагонов.
Однако большая протяженность склада (300-500 м) и разгрузка каменных материалов на обе стороны железной дороги приводят к усложнению технологических процессов складской переработки, увеличению площади покрытия, используемой под склад, а также к значительному увеличению длины подземных галерей или к использованию дефицитного технологического транспорта для погрузочно-разгрузочных работ.
В последние годы проектным институтом Союздорпроект при участии Союздорнии и производственных организаций корпорации «Трансстрой» разработаны и внедрены прирельсовые склады каменных материалов вместимостью 9-70 тыс. м3 с подрельсовым бункером и радиально-штабелирующим конвейером (рис. 27.13).

Рис. 27.13. Прирельсовый склад каменных материалов (линейные размеры даны в мм):
1 - транспортер ленточный; 2 - установка виброзатворов питателей на бункерах; 3 - виброзачистная плита передвижная; 4 - приемное устройство; 5 - трубопровод сжатого воздуха для сдувания каменных материалов с рамы и тележек вагона; 6, 7 - транспортеры ленточные; 8 - радиально-штабелирующий конвейер (РШК); 9 - люкоподъемник; 10 - челюстной затвор; 11 - транспортер ленточный; 12 - склад каменных материалов; 13 - отделение подачи каменных материалов; 14 - грохот вибрационный; 15 - транспортер ленточный; 16 - грохот вибрационный; 17, 18 - транспортеры ленточные, 19 - бункер загрузочный; 20 - тепловоз (маневровое устройство); 21 - ленточный транспортер; 22 - узел перегрузки; 23 - скребковый разгрузчик каменных материалов; 24 - пульт управления
Для разгрузки железнодорожных платформ широко применяют специальные разгрузчики периодического действия (табл. 27.9).
Формирование веерных штабелей складов каменных материалов производится радиально-штабелирующими конвейерами (табл. 27.10).
Высота штабелирования РШК-20 - 7,5 м, РШК-30 - 10,5 м. При больших грузооборотах на ЦБЗ применяются комплекты оборудования производительностью 500-700 т/ч, включающие радиально-штабелирующие конвейеры РШК-40 и приемные бункерные устройства. При этом высота штабелирования РШК-40 составляет 20 м.
Таблица 27.9
Техническая характеристика механизмов для разгрузки, перемещения и погрузки каменных материалов
|
Показатели |
Разгрузчики |
|
|
ТР-1 (ТР-182А) |
КБЖ Госстроя России |
|
|
Техническая производительность, т/ч |
200 |
200 |
|
Максимальное лобовое усилие на скребке, кН |
15 |
9 |
|
Ширина скребка, мм |
1250 |
1200 |
|
Ход скребка, мм: |
|
|
|
горизонтальный |
4650 |
4200 |
|
вертикальный |
500 |
400 |
|
Скорость движения скребка, м/мин |
38,5 |
18,0 |
|
Электродвигатель для привода вертикального перемещения скребка: |
|
|
|
тип |
А-52-6 |
АОГ-21-4 |
|
мощность, кВт |
4,5 |
1,1 |
|
частота вращения, с-1 |
15,8 |
15,8 |
|
Электродвигатель для привода горизонтального вращения перемещения скребка: |
|
|
|
тип |
А-62-4 |
МТ-52-8 |
|
мощность, кВт |
14 |
30 |
|
частота вращения, с-1 |
24,1 |
16,8 |
|
Габаритные размеры разгрузчика, мм: |
|
|
|
длина |
8360 |
8750 |
|
ширина |
2500 |
2925 |
|
высота |
2650 |
2235 |
|
Масса разгрузчика, кг |
2330 |
6100 |
Таблица 27.10
|
Показатели |
Радиально-штабелирующие конвейеры |
||
|
РШК-20 |
РШК-30 |
РШК-40 |
|
|
Производительность, т/ч |
100-200 |
200-300 |
500-700 |
|
Мощность двигателей привода конвейера, кВт |
30 |
42,8 |
128 |
|
Масса, кг |
5400 |
8800 |
22000 |
|
Полезная длина конвейера, м |
20 |
30 |
40 |
|
Скорость передвижения конвейера, м/мин: транспортная |
2-3 |
2-3 |
1-2 |
|
рабочая |
10 |
10 |
5-8 |
|
Скорость движения ленты конвейера, м/мин |
1,0 |
1,5 |
2,0 |
|
Угол поворота конвейера в плане, град |
260 |
260 |
300 |
Управление технологическим оборудованием приемного устройства для разгрузки вагонов и трактом подачи каменных материалов в склад осуществляется из кабины оператора.
Большое распространение на складах каменных материалов АБЗ и ЦБЗ получили передвижные ленточные транспортеры (табл. 27.11). Они предназначены для перемещения каменных материалов в горизонтальном направлении и под углом до 20° к линии горизонта.
Таблица 27.11
|
Показатели |
Передвижные ленточные транспортеры |
||||||
|
ТК-13 |
ТК-13-1 |
ТК-14 |
ТК-11А |
ТК-12А |
ТК-1Б* |
ТК-2Б* |
|
|
Расстояние между центрами барабанов, м |
5 |
5 |
10 |
10 |
15 |
40 |
80 |
|
Высота разгрузки материалов, м |
1,5-2,1 |
1,5-2,1 |
1,5-3,8* |
1,8-3,8 |
2,2-5,5 |
0,72-7 |
0,72-15 |
|
Транспортерная лента: ширина, мм скорость движения, м/с |
400 1,6 |
400 1,6 |
400 1,6 |
500 1,68 |
500 1,6 |
500 1,6 |
500 1,6 |
|
Установленная мощность, кВт |
1,7 |
1,7 |
2,8 |
2,2** 3,0*** |
2,2** 3,0*** |
5,5 |
7,5 |
|
Габаритные размеры, мм: длина ширина высота |
570 920 - |
5700 920 - |
10700 1480 - |
10570 1500 - |
15350 2000 - |
40500 1200 700 |
80500 1200 700 |
|
Масса, кг |
385 |
385 |
550 |
950 |
950 |
1600 |
2800 |
* Ленточные звеньевые транспортеры; ** с мотором-барабаном; *** с мотором-редуктором.
Для подачи каменных материалов от склада к установкам АБЗ и ЦБЗ наиболее целесообразно использовать пневмоколесные одноковшовые фронтальные погрузчики на пневмоколесном ходу (табл. 27.12).
Таблица 27.12
|
Показатели |
Фронтальные одноковшовые погрузчики |
|||
|
ТО-6(Д-561Б) |
ТО-6А |
ТО-18Д |
ТО-25 |
|
|
Номинальная грузоподъемность, т |
1,8 |
1,8 |
3 |
3 |
|
Вместимость основного ковша, м3 |
0,9 |
0,9 |
1,5 |
1,5 |
|
Ширина захвата, мм |
2336 |
2330 |
2440 |
2900 |
|
Высота разгрузки ковша, мм |
2300 |
2300 |
2750 |
2770 |
|
Вылет ковша при наибольшей высоте разгрузки, мм |
1000 |
990 |
1046 |
1075 |
|
Управление рабочими органами и рулем |
Рычажно-гидравлическое |
|||
|
Рабочее давление в гидросистеме, МПа |
10 |
10 |
16 |
10 |
|
Тип двигателя: |
Дизельный |
|||
|
Номинальная мощность, кВт |
55,2 |
59,0 |
100,0 |
122,0 |
|
Максимальное тяговое усилие, кН |
50 |
50 |
80 |
100 |
|
Трансмиссия |
Гидромеханическая |
|||
|
Скорость передвижения, км/ч: вперед назад |
0-27,5 0-16,9 |
0-27,5 0-16,9 |
0-44 0-25,2 |
0-44 0-44 |
|
База, мм |
2150 |
2150 |
2670 |
3050 |
|
Колея, мм |
1840 |
1840 |
1840 |
2070 |
|
Максимальный радиус поворота, мм |
6300 |
6300 |
5480 |
7200 |
|
Габаритные размеры погрузчика (в транспортном положении), мм: длина ширина высота |
5660 2336 2700 |
5600 2336 2900 |
7200 2440 3145 |
7000 3572 3355 |
|
Масса погрузчика, кг |
7680 |
7100 |
9950 |
10000 |
Используемые на складе каменных материалов автопогрузчики забирают материал из штабеля, перемещают его на необходимое расстояние и высыпают в расходный бункер. Когда загрузочное отверстие бункера расположено высоко, каменные материалы подаются погрузчиками в приемные бункеры загрузочных транспортеров, а оттуда в расходные бункеры блока дозирования смесительных установок. В этих целях сооружают наклонные въезды (пандусы) с горизонтальной площадкой для маневрирования автопогрузчиков.
Каменные материалы (песок, щебень, гравий), перевозимые в железнодорожных платформах и полувагонах при отрицательной температуре, смерзаются и теряют свои сыпучие свойства. Наиболее экономичным способом восстановления сыпучести каменных материалов является использование вибрационных и бурофрезерных рыхлительных машин.
Виброразгрузчик смерзшихся материалов ДП-6С (табл. 27.13) предназначен для механизированной выгрузки сыпучих материалов (песка, гравия, щебня и др.) из железнодорожных полувагонов в условиях низких температур. Он подвешивается на крюке стрелового или козлового серийного крана грузоподъемностью не менее 5 т.
Таблица 27.13
Техническая характеристика виброразгрузчика ДП-6С
|
Показатели |
Виброразгрузчик ДП-6С |
|
Максимальная производительность, т/ч |
100 |
|
Характер колебаний рабочего органа |
Вертикально-направленный |
|
Частота колебаний рабочего органа, мин-1 |
1450 |
|
Амплитуда колебаний рабочего органа, мм |
3 |
|
Возмущающаяся сила вибратора, кН: при выгрузке при зачистке |
200 90 |
|
Установленная мощность, кВт |
17×2 |
|
Габаритные размеры, мм, не более: длина ширина высота |
3150 3100 3200 |
|
Масса, кг |
7390 |
Разгрузка осуществляется следующим образом. При работе вибропогрузчик поднимается и опускается на смерзшийся материал. Под влиянием возмущающей силы вертикально направленного действия штыри вибратора погружаются в материал и разрушают его на куски размером 15-300 мм, которые вываливаются через открытые люки. Кран с навесным вибратором все время перемещается вдоль разгружаемого полувагона. Каменные материалы выгружаются гравитационно через нижние люки в приемный бункер или с повышенных путей на складскую площадку.
Для рыхления каменных материалов с плотностью 1,4-1,9 т/м3 и прочностью смерзания до 3,5 МПа целесообразна бурофрезерная машина БРМ-56/80; для рыхления каменных материалов с меньшей плотностью при влажности до 12-15 % и прочностью до 4,5 МПа - машина БРМ-80/110.
Бурофрезерная рыхлительная машина состоит (рис. 27.14) из портала и каретки, свободно поднимающейся и опускающейся по направляющим стойкам портала приемного бункера для выгружаемого материала, электролебедки, электродвигателей, приводящих во вращение бурофрезы, двух реакторов, четырех установленных на передвижной каретке бурофрез со спиральными режущими рабочими органами (лентами) и боковыми и торцевыми (нижними) резцами, двух механизмов поперечного (относительно оси пути) перемещения бурофрез, ограничителей поперечного и продольного перемещения, а также ограничителя перегрузки бурофрез.

Рис. 27.14. Бурофрезерная рыхлительная машина:
1 - каретка; 2 - стойка; 3, 9, 10 - ограничители поперечного и продольного перемещения; 4 - портал; 5 - электролебедка; 6 - приемный бункер; 7 - бурофрезы; 8 - реактор; 11 - электродвигатель; 12 - механизм перемещения фрез
Комплект машин ПР-188 предназначен для выгрузки смерзшихся каменных материалов из железнодорожных полувагонов на производственных предприятиях с грузооборотом 200-400 тыс.т в год. В состав комплекта входит маневровое устройство ПР-159, бурофрезерная установка ПР-173 и подбункерный комкорыхлитель ПР-192 (табл. 27.14, 27.15).
Таблица 27.14
Техническая характеристика бурофрезерных машин
|
Показатели |
Бурофрезерные рыхлительные машины |
|
|
БРМ-56/80 |
БРМ-80/110 |
|
|
Производительность, т/ч, рыхления при прочности материала 2 МПа 3 МПа |
150-200 120-180 |
180-240 150-200 |
|
Рабочая скорость опускания и подъема фрез, м/с |
0,25 |
0,12 |
|
Диаметр фрез, мм |
720 |
650 |
|
Частота вращения фрез, мин-1 |
75 |
75 |
|
Линейная скорость резания, м/с |
2 |
2,65 |
|
Скорость поперечного перемещения, м/с |
- |
0,029 |
|
Общая мощность электродвигателей, кВт |
136 |
110 |
|
Габариты, мм: длина (без портала) ширина высота |
5200 1120 3280 |
5000 1150 4000 |
|
Масса машины, кг |
9200 |
9350 |
Маневровое устройство ПР-158 состоит из тяговой станции с канатоведущими барабанами, двух натяжных станций, толкающей тележки, передвигающейся по основному железнодорожному пути, электрошкафа и пульта управления.
Таблица 27.15
Техническая характеристика комплекта машин ПР-188
|
Маневровое устройство ПР-158 |
|
|
Тяговое усилие на толкающей тележке, кН |
12 |
|
Перемещение вагонов |
Вперед и назад |
|
Скорость перемещения вагонов, м/мин: рабочая транспортная |
0,8-3,5 8,0 |
|
Масса, кг: тяговой лебедки с обводными блоками толкающей тележки без пригруза |
2300 2700 |
|
Бурофрезерная установка ПР-173 |
|
|
Количество рабочих органов, шт. |
5 |
|
Режущий инструмент |
Резец И-90 МБ |
|
Общая мощность привода рабочих органов, кВт |
115 |
|
Скорость вертикального перемещения машины, м/мин: вверх вниз |
4,6 0,8-3 |
|
Габаритные размеры рабочего органа, мм: длина диаметр |
2500 500 |
|
Масса, кг |
14000 |
|
Подбункерный комкорыхлитель ПР-192 |
|
|
Производительность выгрузки, т/ч |
300 |
|
Число рыхлящих валов, шт. |
1 |
|
Мощность привода, кВт |
23 |
|
Габаритные размеры вала, мм: длина диаметр (по клыкам) |
1225 600 |
|
Масса с металлоконструкцией, кг |
2300 |
Бурорыхлительная установка ПР-173 состоит из стационарного портала, бурофрезерной рыхлительной машины, рабочими органами которой являются шнековые фрезы с резцами на торце и сбоку, лебедки подъема с канатной системой подвески машины, электрошкафа и пульта управления.
Комкорыхлитель ПР-192 предназначен для дробления негабаритных кусков смерзшегося материала и монтируется в горловине приемного бункера. Рабочий орган выполнен в виде горизонтального вала с клыками, опирающегося на подшипниковые опоры, смонтированные вместе с приводом на одной раме.
Рабочие органы оснащены твердосплавным инструментом, их крепление обеспечивает полную взаимозаменяемость и быструю замену.
При выгрузке материалов из полувагонов гравитационно через нижние люки или другими способами остатки материалов составляют до 15-20 %.
Для механизации процесса удаления из полувагонов остатков каменных материалов разработан и внедрен ряд машин и оборудования трех типов: вибрационные, воздействующие на направленные в различных плоскостях возмущающие силы; динамические, воздействующие на сыпучий материал за счет энергии сжатого воздуха, струи газа и воды; механические, очищающие поверхность днища и стенок полувагонов за счет непосредственного воздействия на груз щеток, скребков и др.
Люковибраторы предназначены для зачистки вагонов от каменных материалов с крышек люков, встряхивания боковых стенок кузова и хребтовой балки полувагонов (табл. 27.16).
Таблица 27.16
Техническая характеристика люковибраторов
|
Показатели |
Люковибраторы |
|
|
с вибровозбудителем дебалансного типа |
с шарнирной рамой |
|
|
Возмущающая сила, кН |
2,7 |
20 |
|
Частота колебаний в 1 мин |
1440 |
2000 |
|
Время зачистки одной пары люков полувагонов, с |
40 |
40 |
|
Чистое время вибрации полувагонов грузоподъемностью 62 т/мин |
4,5-7 |
4,5-6 |
|
Общая мощность, кВт |
9 |
2,4 |
|
Масса люковибратора, кг |
450 |
500 |
Накладной вибратор ЦНИИ МПС (табл. 27.17) предназначен для выгрузки каменных материалов из полувагонов. Он подвешивается к передвижному электротельферу, смонтированному на портале. Вибратор состоит из вибровозбудителя, сварной металлической рамы с лыжами и электродвигателя. В процессе работы вибратор последовательно перемещается вдоль оси полувагона.
Таблица 27.17
Техническая характеристика накладного вибратора ЦНИИ МПС
|
Показатели |
Накладной вибратор |
|
Возмущающая сила, кН |
9 |
|
Частота вращения, мин-1 |
1570 |
|
Масса дебаланса на одном валу, кг |
18 |
|
Общая мощность электродвигателей, кВт |
28 |
|
Время зачистки полувагона, мин |
4-5 |
|
Габаритные размеры, мм: |
|
|
длина |
3000 |
|
ширина |
3650 |
|
высота |
1300 |
|
Масса вибратора, кг |
4190 |
При проектировании складов цемента и минерального порошка должно быть обеспечено выполнение следующих требований:
создание возможности приема цемента в нормативные сроки из всех транспортных средств (железнодорожных вагонов и автоцементовозов);
размещение складов вблизи бетоносмесительного (асфальтосмесительного) отделения ЦБЗ (АБЗ) на оптимальном расстоянии от компрессорной станции;
обеспечение транспортного подъезда к силосным емкостям;
возможность дальнейшего расширения склада путем пристройки дополнительных силосов;
раздельное хранение цемента по видам и маркам;
применение для транспортирования порошкообразных материалов средств пневмотранспорта;
предотвращение снижения активности материалов.
Типы складов цемента и минерального порошка. По месту расположения склады подразделяются на прирельсовые и притрассовые. По конструкции - на амбарные, бункерные, силосные. Коэффициент использования площадей складов амбарного и бункерного типа составляет 0,2-0,6, а по объему в пределах 0,4-0,6. Силосные склады имеют высокий коэффициент использования площадей порядка 0,9-1,0, а геометрической емкости 0,9.
Амбарные и бункерные склады в настоящее время не отвечают требованиям, предъявляемым к складам цемента дорожного строительства. Для них характерны значительные объемы строительно-монтажных работ, большая трудоемкость строительства, почти полное отсутствие мобильности и инвентарности.
Современные притрассовые склады (табл. 27.18) включают силосные емкости и два помещения в виде металлических каркасов, огороженных щитами. Одно из помещений предназначено для пульта управления и комплекта оборудования для очистки сжатого воздуха; в другом расположено оборудование для управления выдачей цемента. Цемент выдается из силосов с помощью донных выгружателей, а затем в зависимости от дальности транспортирования направляется в пневмовинтовой подъемник или пневмовинтовой насос.
Таблица 27.18
Техническая характеристика притрассовых складов цемента
|
Показатели |
Типовые притрассовые склады цемента вместимостью, т |
|||
|
240 |
360 |
480 |
720 |
|
|
Производительность склада по выдаче цемента, т/ч |
45 (20) |
45 (20) |
45 (20) |
45 (20) |
|
Число силосов, шт. |
4 |
6 |
4 |
6 |
|
Вместимость одного силоса, т |
60 |
60 |
120 |
120 |
|
Диаметр силоса, м |
3 |
3 |
3 |
3 |
|
Высота силоса, м |
4 |
6 |
4 |
6 |
|
Установленная мощность оборудования, кВт |
42,8 (50,8) |
52,8 (60,8) |
42,8 (50,8) |
52,8 (60,8) |
|
Расход сжатого воздуха, м3/мин |
9,3 (10,5) |
9,3 (10,5) |
9,3 (10,5) |
9,3 (10,5) |
|
Расход тепла на отопление склада при температуре окружающего воздуха минус 30°С, кДж/ч |
43000 |
|||
|
Численность обслуживающего персонала, чел. |
1 |
2 |
2 |
3 I |
Примечание. В скобках - показатели для варианта выдачи цемента пневматическим винтовым насосом (остальные данные для варианта с пневматическим винтовым подъемником)
Во всех силосах предусмотрены аэрационные сводообрушающие устройства в виде аэродорожек, а также сигнализаторы уровня. Для очистки воздуха, выходящего из силосов при загрузке, смонтированы два рукавных фильтра со встряхивающим устройством. Очистка сжатого воздуха от масла и влаги осуществляется с помощью оборудования типа СМЦ-612, серийно выпускаемого промышленностью.
Прирельсовые склады (табл. 27.19) рассчитаны на прием цемента из железнодорожных вагонов и автотранспортных средств. Состав оборудования позволяет выгружать цемент из специальных вагонов-цементовозов и крытых вагонов. Вагоны бункерного типа выгружаются в приемный бункер, а из него с помощью пневмоподъемника в силосы. Выгрузка крытых вагонов осуществляется пневморазгрузчиками всасывающе-нагнетательного действия. Выдача цемента из складов в зависимости от дальности подачи может выполняться пневмовинтовым, струйным или камерным насосами, а также механическим способом с помощью винтового конвейера.
Таблица 27.19
Техническая характеристика типовых прирельсовых складов цемента
|
Показатели |
Типовые прирельсовые склады цемента вместимостью, т |
|||||||
|
240 |
360 |
480 |
720 |
1100 |
1700 |
2500 |
4000 |
|
|
Производительность склада по приему цемента, т/ч: из вагонов бункерного типа |
38 |
38 |
38 |
38 |
70 |
70 |
100 |
100 |
|
Производительность склада по выдаче цемента, т/ч: струйным насосом пневмовинтовым насосом камерным насосом винтовым конвейером |
16,5 20 30 30 |
16,5 20 30 30 |
16,5 20 30 30 |
16,5 20 30 30 |
- 20 - 40 |
- 20 - 40 |
- 20 - 40 |
- 20 - 40 |
|
Число силосов, шт. |
4 |
6 |
4 |
6 |
4 |
6 |
4 |
6 |
|
Диаметр одного силоса, м |
3 |
3 |
3 |
3 |
6 |
6 |
6 |
6 |
|
Высота силоса, м |
10,1 |
10,1 |
16,1 |
16,1 |
14,74 |
14,74 |
25,54 |
25,54 |
|
Установленная мощность оборудования, кВт |
141,55 |
156,05 |
141,55 |
156,05 |
192 |
244 |
291 |
343 |
|
Расход сжатого воздуха, м3/мин |
36,4 |
36,4 |
36,4 |
36,4 |
71,48 |
71,48 |
71,48 |
71,48 |
|
Расход тепла на отопление склада при температуре окружающего воздуха минус 30°С, кДж/ч |
43000 |
43000 |
43000 |
43000 |
51500 |
51500 |
51500 |
51500 |
Примечания:
1. Производительность каждого склада по приему цемента из крытых вагонов составляет 20 т/ч, из вагонов-цементовозов с пневматической выгрузкой 95 т/ч.
2. Каждый прирельсовый склад обслуживают 3-5 чел.
В типовых проектах предусмотрены прирельсовые склады в стационарном и инвентарном исполнениях. Силосные емкости стационарных складов и бункеры приемного устройства железобетонные, а в инвентарных складах - металлические. Прирельсовые склады вместимостью 1100-4000 т отличаются от группы складов вместимостью 240-720 т тем, что имеют силосы диаметром до 6 м и оборудование большой производительности. Однако силосные склады стационарного типа не нашли широкого применения в дорожном строительстве. Это объясняется трудоемкостью их возведения при значительном объеме бросовых работ и малой степени инвентарности строительных конструкций. Кроме того, чаще всего используемое в дорожных организациях технологическое оборудование имеет более низкую производительность по выдаче цемента (до 42 т/ч), отсутствует возможность разгрузки вагонов непосредственно в автоцементовозы и другие транспортные средства. Все это не позволяет использовать такие склады хранения цемента для дорожного строительства без существенной их модернизации.
В последнее время ГПИ «Союздорпроект» в содружестве с Союздорнии и производственными организациями разработал ряд инвентарных силосных складов цемента вместимостью 2000-6000 т (табл. 27.20).
Силосный склад вместимостью 2000 т (рис. 27.15) состоит из двух блоков по 1000 т каждый. Блоки собирают из цилиндрических силосных емкостей вместимостью 100 т каждая. Высота склада с порталом 17 м. Портал каждой силосной емкости имеет шарнирные соединения, что облегчает монтажные работы при установке силосов в вертикальное положение. Силосные емкости транспортируют с помощью трейлера. Разгрузка цемента из склада может производиться сразу в 5-6 автоцементовозов из нескольких (до четырех) силосных емкостей. При этом потерь и пыления цемента из пылеулавливающих колпаков при загрузке цементовоза не наблюдается.
Силосный склад вместимостью 2900 т с бункерным приемным устройством на два вагона (рис. 27.16) состоит из 24 металлических цельноперевозимых силосных емкостей диаметром 3 м и вместимостью 120 т каждая. Склад оборудован современными пневмотранспортными средствами для подачи цемента в соответствующие силосы и выдачи из них в расходные склады установок или автоцементовозы.
Разгрузка железнодорожных вагонов. Для выгрузки из крытых вагонов цемента и минерального порошка широко применяют пневматические разгрузчики (табл. 27.21). Они делятся на разгрузчики всасывающего, всасывающе-нагнетательного и нагнетательного действия.
Таблица 27.20
Техническая характеристика инвентарных прирельсовых складов цемента
|
Показатели |
Прирельсовые силосные склады цемента, варианты |
||
|
1 |
2 |
3 |
|
|
Вместимость склада, т |
2900 |
2000 |
4000 |
|
Производительность склада (эксплуатационная) по приему цемента, т/ч: |
|
|
|
|
из вагонов бункерного типа |
160 |
110 |
90 |
|
из вагонов-цементовозов |
190 |
190 |
95 |
|
из крытых вагонов |
- |
- |
33 |
|
из автоцементовозов |
- |
- |
- |
|
Производительность склада (эксплуатационная) по выдаче цемента, т/ч: |
|
|
|
|
в бетоносмесительный цех |
75 |
70 |
75 |
|
в автомобили |
120 |
120 |
120 |
|
Общая масса оборудования, т |
70,81 |
43,9 |
42,86 |
|
Расход сжатого воздуха, м3/мин |
80,2 |
57 |
71,7 |
|
Число работающих на складе, чел. В том числе производственных рабочих, чел. |
6 |
6 |
5 |
|
5 |
5 |
4 |
|
|
Установленная мощность, кВт |
312 |
191 |
396 |
|
Потребляемая мощность, кВт |
125 |
115 |
230 |
|
Приведенная длина цементопровода, загружающего силосы (максимальная), м |
100 |
74 |
50 |
|
Площадь застройки склада, м2 |
580 |
720 |
455 |
Примечания:
1. Вариант 1 с приемным устройством на два вагона с 24 инвентарными силосами диаметром 3 м.
2. Вариант 2 с приемным устройством на два вагона с 20 инвентарными силосами диаметром 3 м.
3. Вариант 3 с приемным устройством на один вагон с 6 металлическими силосами диаметром 3 м.
Таблица 27.21
Техническая характеристика пневматических разгрузчиков
|
Показатели |
Пневматические разгрузчики |
|||||
|
ТА-5 (С-578А) |
ТА-17 (С-1039) |
ТА-18 (С-1040) |
ТА-26 |
ТА-27 |
ТА-33 |
|
|
Тип |
Всасывающего действия |
Всасывающе-нагнетательного действия |
||||
|
Подача, т/ч |
15 |
50 |
90 |
20 |
50 |
90 |
|
Дальность подачи цемента, м |
9 |
12 |
12 |
40 |
50 |
55 |
|
Высота подачи цемента, м |
2 |
2 |
2 |
25 |
35 |
35 |
|
Диаметр материалопровода, мм |
100 |
152 |
152 |
100 |
152 |
152 |
|
Расход сжатого воздуха, м3/мин |
3 |
8 |
10 |
4 |
8 |
12 |
|
Установленная мощность электродвигателей, кВт |
27,8 |
45,6 |
83,6 |
31,8 |
56,8 |
102 |
|
Общая масса разгрузчика, кг |
1960 |
3700 |
5000 |
2500 |
3400 |
5100 |
|
Заборное устройство: скорость передвижения, м/мин диаметр подгребающих дисков, мм частота вращения дисков, с-1 |
5,4 496 0,7 |
5,8 496 0,75 |
5,8 690 0,75 |
5,4 496 0,75 |
5,4 496 0,75 |
5,4 690 0,75 |
|
Электродвигатель привода дисков: тип мощность, кВт частота вращения, с-1 |
АО-32-6 2,2 - |
АО2-42-6 4 16,7 |
АО2-42-6 4 16,7 |
АО2-32-6 2,2 16,7 |
АО2-32-6 2,2 16,7 |
АО2-42-6 4 16,7 |
|
Электродвигатель привода ходовых колес: число, шт. |
2 |
2 |
2 |
2 |
2 |
2 |
|
тип |
- |
АОС2-22-6 |
||||
|
мощность, кВт |
1,3 |
1,3 |
1,3 |
1,3 |
1,3 |
1,3 |
|
частота вращения, с-1 |
- |
14,5 |
14,5 |
14,5 |
14,5 |
14,5 |
|
Габаритные размеры, мм: длина ширина высота |
1470 1030 900 |
1425 1130 985 |
1510 1420 1270 |
1910 1100 910 |
1425 1130 985 |
1494 1420 952 |
Разгрузчик всасывающего типа забирает цемент или минеральный порошок из крытого вагона и подает материал на расстояние до 12 м в межрельсовый приемный бункер пневмоподъемника, который затем вертикально транспортирует материал в силос склада. В комплект разгрузчика входят самоходное заборное устройство, гибкий материалопровод, осадительная камера, водокольцевой вакуум-насос и шкаф с электроаппаратурой. Под действием разряжения, поддерживаемого в системе вакуум-насосом, пылевидный материал всасывается по гибкому материалопроводу в осадительную камеру, откуда вытесняется напорным винтовым шнеком через обратный клапан в соответствующие приемные устройства склада. Воздух, отсасываемый из осадительной камеры вакуум-насосом, очищается от цемента посредством тканевых фильтров и затем, пройдя водоотделительный бачок, выбрасывается в атмосферу.

Рис. 27.15. Прирельсовый склад цемента вместимостью 2000 т (линейные размеры даны в мм):
1 - приемная воронка; 2 - шнек в трубе; 3 - пневмовинтовой подъемник; 4 - соединительный шланг; 5 - цементоводные трубы; 6 - переключатель потока воздуха; 9 - приемный бункер; 10 - пневмоподъемник цемента; 11 - донный разгружатель цемента; 12 - гибкий рукав от бокового разгружателя; 13 - боковой разгружатель; 14 - соединительная труба; 15 - силосная банка с подвалом (без оборудования); 16 - лестница

Рис. 27.16. Прирельсовый склад цемента вместимостью 2900 т (линейные размеры даны в мм):
1 - пневмоподъемник цемента (эрлифт); 2 - затвор секторный к эрлифту; 3 - приемный бункер (парный); 4 - приемный рукав; 5 - установка двухходового выключателя; 6 - концевой патрубок; 7 - выхлопная труба; 8 - гибкий рукав от пневморазгружателя; 9 - пневморазгружатель боковой разгрузки; 10 - соединительная труба; 11 - рукавный фильтр; 12 - установка двухходового выключателя; 13 - пневмовинтовой насос; 14 - секторный затвор к насосу; 15 - бункер; 16 - фильтр; 17 - аэрационное сводообразующее устройство; 18, 19 - установка цементопровода (две секции); 20, 21 - установка цементопровода (одна секция); 22 - пневморазгружатель донной разгрузки
Отличительной особенностью пневматических разгрузчиков нагнетательного и всасывающе-нагнетательного действия от разгрузчиков всасывающего действия является возможность подачи пылевидных материалов на высоту до 35 м непосредственно в силос склада.
Разгрузчик всасывающе-нагнетательного действия (рис. 27.17) состоит из самоходного заборного устройства, гибкого материалопровода, осадительной и смесительной камеры, вакуум-насоса с электродвигателем и шкафа с электрооборудованием. Разгрузчик Т-26, кроме того, оборудован компрессором.

Рис. 27.17. Схема пневматического разгрузчика всасывающе-нагнетательного действия:
1 - самоходное заборное устройство; 2 - материалопровод; 3 - сигнализатор уровня; 4 - осадительная камера; 5 - продувочное устройство; 6 - воздухопровод; 7 - вакуум-насос; 8 - смесительная камера
Для вертикального транспортирования цемента из межрельсовых приемных бункеров в силосы склада используются пневматические винтовые подъемники (табл. 27.22). Пневматические винтовые подъемники состоят из приемной камеры, консольного напорного шнека, смесительной камеры с аэроднищем, обратного клапана, сварной рамы и электродвигателя.
Таблица 27.22
Техническая характеристика пневматических винтовых подъемников
|
Показатели |
Пневматические винтовые подъемники |
|||
|
ТА-20 |
ТА-21 |
ТА-19 |
ТА-15 |
|
|
Подача, т/ч |
20 |
36 |
60 |
100 |
|
Высота подачи, м |
35 |
35 |
35 |
35 |
|
Внутренний диаметр материалопровода, мм |
100 |
130 |
130 |
150 |
|
Расход сжатого воздуха, м3/мин |
3,5 |
5,6 |
8 |
12 |
|
Рабочее давление воздуха в смесительной камере, МПа |
0,12 |
0,12 |
0,12 |
0,12 |
|
Электродвигатель привода шнека: тип мощность, кВт |
АО2-62 14 |
АО2-71-6 17 |
АОП2-71-6 22 |
AО2-82-6 40 |
|
частота вращения, с-1 |
16,7 |
16,7 |
25 |
16,7 |
|
Габаритные размеры, мм: длина ширина высота |
2000 710 820 |
2150 710 920 |
2150 710 920 |
2600 710 1250 |
|
Масса, кг |
510 |
670 |
670 |
1350 |
Подача цемента по вертикали (на высоту до 35 м) аэрированного цемента происходит в результате избыточного давления, создаваемого компрессором. Для транспортирования цемента и минерального порошка от силосов склада в расходные бункеры смесительных установок применяются при дальности подачи до 20 м винтовые подъемники, до 150 м - струйные насосы, до 400 - пневмовинтовые насосы, до 500 и более - камерные насосы.
Одним из недостатков пневматических винтовых насосов (табл. 27.23) является низкий срок службы быстроходных напорных шнеков (500-1000 ч непрерывной работы). Износ значительно увеличивается при повышении давления в смесительной камере. В целях снижения давления в смесительной камере и увеличения долговечности быстроизнашивающихся элементов разработана усовершенствованная конструкция пневматического винтового насоса ТА-14А с эжекционной насадкой.
Таблица 27.23
Техническая характеристика пневматических винтовых насосов
|
Показатели |
Пневматические винтовые насосы |
||||||||
|
К-287С |
ТА-14 |
ТА-14А |
К-97С |
К-137С |
НПВ-36-4 |
НПВ-63-2 |
НПВ-63-4 |
НПВ-ПО-2 |
|
|
Подача, т/ч |
10 |
36 |
36 |
60 |
125 |
36 |
63 |
63 |
110 |
|
Дальность подачи, м |
- |
200 |
200 |
200 |
200 |
400 |
200 |
400 |
200 |
|
В том числе по вертикали, м |
- |
30 |
30 |
30 |
30 |
30 |
30 |
30 |
30 |
|
Рабочее давление воздуха, МПа: перед форсунками в смесительной камере |
- - |
0,3 9,2 |
0,3 0,16 |
0,4 - |
0,4 - |
0,4 0,3 |
0,4 0,2 |
0,4 0,3 |
0,4 0,2 |
|
Расход сжатого воздуха, м3/мин |
9 |
18 |
15 |
30 |
54 |
25 |
22 |
41 |
38 |
|
Диаметр материалопровода, мм |
100 |
140 |
140 |
185 |
250 |
140 |
150 |
180 |
200 |
|
Диаметр напорного шнека, мм |
100 |
140 |
140 |
200 |
250 |
180 |
180 |
200 |
220 |
|
Мощность электродвигателя, кВт |
13 |
30 |
30 |
55 |
100 |
75 |
55 |
160 |
110 |
|
Частота вращения шнека, с-1 |
- |
16,7 |
16,7 |
- |
- |
16,7 |
16,7 |
16,7 |
16,7 |
|
Габариты, мм: длина ширина высота |
2830 520 660 |
2420 640 870 |
3320 640 870 |
2730 750 1000 |
3370 800 1100 |
4187 660 1100 |
4135 660 1100 |
4455 700 1065 |
4155 700 1065 |
|
Масса, кг |
925 |
930 |
980 |
1805 |
2460 |
2252 |
2150 |
3030 |
2940 |
Пневматический винтовой насос с эжекционной насадкой (рис. 27.18) состоит из приемной камеры; напорного быстроходного шнека, который приводится в действие от электродвигателя; бронзовой гильзы; смесительной камеры с обратным грузовым клапаном; эжекционной насадки с соплом для подачи сжатого воздуха через микропористую перегородку в смесительную камеру.

Рис. 27.18. Схема пневматического винтового насоса ТА-14А с эжекционной насадкой:
1 - приемная камера; 2 - гильза; 3 - напорный шнек; 4 - смесительная камера; 5 - обратный клапан; 6 - конфузор; 7 - смесительный участок; 8 - диффузор; 9 - микропористая перегородка аэроднища; 10 - сопло; 11 - электродвигатель
Пневматические камерные насосы (табл. 27.24) предназначены для транспортирования сыпучих материалов при высоких рабочих давлениях в резервуаре на расстояние до 1000 м. Пневматический камерный насос состоит из одного или нескольких герметически закрывающихся резервуаров, каждый из которых имеет сверху загрузочное отверстие. Резервуары оснащаются системами воздухопроводов и контрольно-измерительными приборами.
Таблица 27.24
Техническая характеристика пневматических камерных насосов
|
Показатели |
Пневматические камерные насосы |
|||||
|
Насос склада СБ-33 |
К-2-305 |
ТА-23 |
К-1945 |
К-1955 |
ТА-28 |
|
|
Тип |
Однокамерный |
Двухкамерный |
||||
|
Подача, т/ч |
До 16 |
10 |
30 |
40 |
60 |
100 |
|
Дальность подачи цемента, м: по горизонтали по вертикали |
50 20 |
200 35 |
300 25 |
200 35 |
200 35 |
1000 50 |
|
Расход сжатого воздуха, м3/мин |
3-6 |
5 |
15 |
17 |
25 |
100 |
|
Рабочее давление воздуха, МПа |
0,2-0,3 |
0,4-0,6 |
0,4-0,6 |
0,4-0,6 |
0,4-0,6 |
0,4-0,6 |
|
Габаритные размеры, мм: длина ширина высота |
1200 1200 1450 |
1810 1660 2750 |
3825 1100 1600 |
4520 2325 3340 |
4885 2560 3670 |
6000 3700 5500 |
|
Масса, кг |
370 |
1322 |
1600 |
3478 |
4483 |
17000 |
Камерные насосы (рис. 27.19) относятся к пневмотранспортному оборудованию циклического действия. По способу выгрузки камерные насосы бывают с верхней и нижней подачей материала. Из условия исключения возможных «завалов» в транспортном трубопроводе верхняя выгрузка предпочтительнее. Однако при выгрузке сыпучих материалов, которые плохо поддаются аэрации, а также с учетом конструктивных и технологических особенностей в отдельных случаях применяется нижняя выгрузка материалов.
Струйные насосы (табл. 27.25) используются при транспортировании цемента и минерального порошка на расстояние до 150 м.
Таблица 27.25
Техническая характеристика струйных насосов
|
Показатели |
Насос конструкции |
|
|
ЦНИИОМТП |
Гидропроекта |
|
|
Максимальная подача, т/ч |
25 |
40 |
|
Наличие смесительной камеры и диффузора |
+ |
- |
|
Дальность подачи, м |
150 |
150 |
|
Высота подачи, м |
25 |
30 |
|
рабочее давление сжатого воздуха, МПа |
0,2-0,4 |
0,3-0,4 |
|
Диаметр материалопровода, мм |
150 |
150; 175;200 |
|
Расход сжатого воздуха, м3/мин |
10 |
20;25;30 |
|
Масса, кг |
212 |
450 |
Струйный насос включает в себя корпус, регулирующее сопло, интенсифицирующую камеру с обратным клапаном и аэроднищем, диффузор. Наличие диффузора обеспечивает повышение в 1,5 раза к.п.д. струйного насоса. Обратный клапан предотвращает прорыв сжатого воздуха в силос. Использование вместо обратного клапана роторного питателя связано с дополнительными энергетическими затратами, а также дополнительным износом узлов, работающих в абразивной среде. Принципиальное отличие струйного насоса конструкции Гидропроекта им. Жука состоит в наличии сопла с запорным устройством, предотвращающим попадание цемента внутрь воздухонагнетательной системы.

Рис. 27.19. Камерный насос склада СБ-33:
1 - клапан для сброса воздуха; 2 - загрузочный патрубок; 3 - затвор; 4 - пружинная подвеска; 5 - смотровой люк; 6 - аэроднище
Общие положения автоматизации технологических процессов.
На бетоносмесительных установках и заводах автоматизации подлежат:
прием исходных материалов из транспортных средств, их хранение и переработка, в том числе распределение по отсекам, бункерам, силосам и подача к расходным бункерам, учет расхода цемента;
дозирование компонентов бетонной смеси с определением влажности каменных материалов и приготовление не менее 30 различных составов бетонной смеси без переналадки оборудования и средств автоматизации;
перемешивание и выдача готовой смеси в транспортные средства с регулированием параметров бетонной смеси для повышения ее однородности.
В настоящее время при автоматизации технологических процессов приготовления бетонной смеси на бетоносмесительных установках и ЦБЗ при их модернизации широкое применение находят средства автоматизации на новой элементной базе, в том числе с применением микропроцессорных средств и тензометрических датчиков.
Современные системы управления технологическими процессами в большинстве своем разрабатываются как многоуровневые. Структурная схема наиболее распространенной двухуровневой системы управления представлена на рис. 27.20. На первом уровне находится локальная система управления (ЛСУ) отдельными агрегатами или составляющими технологического процесса (например, дозаторами, смесителями, грузоподающими устройствами и др.). Функционирование составляющих технологического процесса должно быть согласовано между собой. Например, устройство, подающее компонент бетонной смеси в бункер дозатора, может быть включено только по окончании выгрузки предыдущей порции; подача дозы компонента в бетоносмеситель может производиться только при условии окончания предыдущего цикла смесеприготовления и т.д. Поэтому возникает задача координации работы локальных подсистем, которую решает подсистема II уровня.
К подсистеме I уровня относятся: технологический процесс, выполняемый различным технологическим оборудованием (смесителем, конвейером, компрессором, вентилятором, шнеком и др.); преобразователи (датчиковая аппаратура); регулирующие органы (затворы, краны, клапаны, задвижки и др.); исполнительные механизмы (электрические, пневматические и гидравлические); локальные системы (системы дозирования и смешивания компонентов, выдачи готовой смеси, подача заполнителей со склада, учета цемента и др.). Локальные системы управления ЛСУ1...ЛСУn представляют собой устройства логического управления исполнительными механизмами (ИМ) по сигналам от датчиков (Д) о состоянии технологического процесса. Они изменяют значения управляющих воздействий регулирующими органами (РО). Сигналы от локальных систем подаются на системную шину и через нее связываются с подсистемой II уровня.

Рис. 27.20. Обобщенная схема структуры комплекса технических средств АСУ ТП
Подсистема II уровня является более сложной и включает в себя пульт оператора, управляющую ЭВМ и адаптер для связи и обмена информацией с подсистемой III уровня (например, при наличии организационной подсистемы АСУ). В памяти подсистемы II уровня находятся программы реализации алгоритмов координации работы локальных подсистем.
Аналогично в многоуровневой системе каждая подсистема более высокого уровня координирует работу подсистем низшего по отношению к ней уровня. Связь между отдельными подсистемами АСУ ТП осуществляется, как правило, с помощью электрических сигналов.
Системы автоматизации технологических процессов приготовления бетонных смесей с применением микропроцессорной техники имеют ряд преимуществ по сравнению с традиционными: простота перестройки системы с пульта управления за счет изменения программы в микроЭВМ (при замене технологического оборудования и изменении условий производства); оперативное получение информации о неисправностях работы технологического оборудования для приготовления смесей и тестирование отдельных элементов самих систем управления, а также о технологическом процессе, контроле и учете материалов, выдаче бетонной смеси и работе с потребителем; оптимизация технологических процессов в целях уменьшения расхода цемента и снижения брака за счет точности дозирования; регистрация объективной технико-экономической информации (учет производительности, простоев, брака, расхода компонентов и др.); высокая надежность.
В последние годы интенсивно ведутся работы по серийному освоению систем управления бетоносмесительными установками и заводами с применением микропроцессорных средств и тензометрических дозаторов. Так, в автоматизированной бетоносмесительной установке СБ-145 производительностью 30 м3/ч (в зимнем исполнении) применены весодозировочное оборудование на тензодатчиках и микропроцессорные средства управления в блочно-модульном исполнении.
Весодозировочное оборудование, основанное на применении рычажной весоизмерительной механической системы, вследствие больших нагрузок быстро изнашивается, в результате чего снижается точность дозирования компонентов бетонных смесей и растворов. Отечественная промышленность освоила выпуск прогрессивных безрычажных систем взвешивания с применением электрических силоизмерительных устройств (тензодатчиков), в которых нет трущихся механических деталей и, следовательно, обеспечивается высокоточное и эффективное дозирование. Так, весовая система на установке СБ-145, подвешенная на электрические тензодатчики, обеспечивает точность взвешивания 0,1-0,5 % (точность рычажных систем 1,5-2 %).
Микропроцессорная система выполняет функции управления самим технологическим процессом (рис. 27.21): задание доз компонентов бетонной смеси в соответствии с рецептурой, автоматическое дозирование составляющих материалов с помощью управления электромагнитными клапанами, определение времени смешивания, разгрузка смесителя.
Оператор в блоке памяти рецептур БПР устанавливает данный рецепт, и команда на отработку поступает в управляющий вычислительный комплекс УВК на базе ЭВМ СМ 1810, который через блок тиристорных ключей БТК дает команду на включение блока электровоздушных клапанов БЭВК. Последние производят набор в дозаторы компонентов бетонной смеси.

Рис. 27.21 Структурная схема микропроцессорной системы управления автоматизированной бетоносмесительной установки СБ-145 производительностью 30 м3/ч:
БНС - блок нормирования сигналов; PV-PV4 - цифровые отчетные устройства; БПС1-БПС4 - блоки преобразования сигналов; БПР - блок памяти рецептур; БГР - блок гальванической развязки; МС - мнемосхема, БДУ- блок дистанционного управления; БТК - блок тиристорных ключей; БСА - блок силовой автоматики; БЭВК- блок электровоздушных клапанов; ПТ1-ПТ4 - тензометрические преобразователи дозаторов; KM, HL, SQ - источники информации сигналов (от магнитных пускателей, сигнальных ламп и конечных выключателей); УСО - устройство связи с объектом (технологией); УВК - управляющий вычислительный комплекс СМ 1810
При поступлении материала в дозаторы изменяется входное сопротивление тензодатчиков ПТ1-ПТ4, сигналы от которых через блоки БНС и БПС (нормирование и преобразование сигналов) поступают в УВК. При наборе заданной дозы по рецепту УВК дает команду в блок БЭВК на закрытие своего электровоздушного клапана и отключение электродвигателя механизма через блок силовой автоматики БСА. Сигналы от конечных выключателей SQ, магнитных пускателей КМ, работающих механизмов и сигнальных ламп HL через блок гальванической развязки БГР поступают на мнемосхему МС. Оператор осуществляет визуальный контроль набора дозы компонентов на пульте управления по цифровым вольтметрам PV1-PV4.
Система управления следит за ходом технологического процесса с одновременной подачей сигналов на пульт управления с помощью сигнальных ламп на мнемосхеме и выводом информации на дисплей, что дает оператору полную информацию о состоянии технологического процесса.
С помощью управляющей
клавиатуры в память микроЭВМ программируют используемые рецепты, число которых
определяется для каждого заказа индивидуально. Выбор номера рецепта, изменение
массы и содержание какого-либо рецепта высвечивают на дисплее. Если при
дозировке происходит сбой, то процесс дозирования прекращается, что фиксируется
на дисплее ЭВМ и на печатающем устройстве. Одновременно микроЭВМ регистрирует
расход составляющих материалов, изготовленную кубатуру бе
тонной смеси по рецептам и накладные по
каждой машине. Эти данные необходимы при расчетах финансовых расходов и при
определении потребности в материалах.
Бетоносмесительная установка СБ-145-3 оснащена комплектом дозаторов КД-1500-1 с микропроцессорной системой управления. Комплект КД-1500-1 состоит из пульта управления БМУ-2, управляющего вычислительного комплекса УВК на базе микроЭВМ СМ 1810, тензометрических дозаторов каменных материалов, заполнителей ДТИ-2500, цемента ДТЦ-500, воды ДТЖ-200 и химических добавок ДТЖ-100. Конечные выключатели, установленные на технологическом оборудовании, фиксируют положение пневматических исполнительных механизмов, показанных на схеме в виде блока БЭВК. На пульт управления БМУ-2 подаются сигналы от усилителей тензодатчиков и влагомера песка ВПС-205М. Выходные сигналы пульта подаются на УВК, где происходит их обработка.
Микропроцессорная система управления включает в себя автоматическое управление технологическим процессом приготовления бетонной смеси, коррекцию доз по технологическим параметрам исходного материала, минимизацию погрешности дозирования, диагностирования и тестирования, идентификацию неисправностей в ходе технологического процесса. Техническая характеристика комплекта дозировочного оборудования приведена в табл. 27.26.
Таблица 27.26
Техническая характеристика комплекта дозировочного оборудования КД-1500-1
|
Показатели |
Комплект дозаторов КД-1500-1 |
|
Производительность бетоносмесительной установки с комплектом дозировочного оборудования, м3/ч |
40 |
|
Наибольший предел дозирования, кг: каменных материалов цемента воды химических добавок |
2500 500 200 100 |
|
Максимальная крупность заполнителей для дозирования, мм |
70 |
|
Время цикла дозирования, с |
45 |
|
Установленная мощность, кВт |
0,3 |
|
Габариты, мм: длина ширина высота |
540 400 1200 |
|
Масса, кг |
1300 |
|
Изготовитель: |
Кокчетавский приборостроительный завод |
Контроль качества бетонной смеси. На ЦБЗ следует контролировать качество материалов для бетона, состав бетонной смеси, ее удобоукладываемость (жесткость) и количество вовлеченного в бетонную смесь воздуха, влажность и наибольшую крупность заполнителей, прочность и морозостойкость бетона, концентрацию рабочих растворов химических добавок (табл. 27.27).
Таблица 27.27
Контроль качества бетонной смеси на ЦБЗ
|
Показатели |
Величина показателя |
Контроль |
|
|
объем |
метод |
||
|
Удобоукладываемость (жесткость) |
Меньше чем на месте бетонирования с учетом ее повышения во времени до момента уплотнения смеси; устанавливается строительной лабораторией |
для каждой партии, но не реже 1 раза в смену и не позднее чем через 20 мин после доставки смеси к месту укладки |
|
|
Влажность заполнителей |
Фактическая |
не реже 1 раза в смену и после выпадения осадков |
|
|
Наибольшая крупность заполнителя |
По ГОСТ 26633-91 при подборе состава бетона |
не реже 1 раза в неделю |
|
|
Морозостойкость |
То же |
не реже 1 раза в квартал |
|
|
Концентрация рабочего раствора добавок |
Устанавливается строительной лабораторией |
не реже 1 раза в смену |
Ареометром по ГОСТ 18481-81 |
Подбор состава бетонной смеси производится по ГОСТ 27006-86 в строительных лабораториях. Состав бетонной смеси утверждает главный инженер ЦБЗ. При приготовлении бетонной смеси лаборатория ЦБЗ ежедневно определяет и выдает оператору бетоносмесительной установки рабочий состав смеси с учетом фактической влажности песка и щебня. Дополнительно к показателям, приведенным в табл. 27.27, контролируется визуально однородность бетонной смеси при загрузке в автомобили-самосвалы.
Каждая партия бетонной смеси, поставляемая ЦБЗ, должна иметь документ о качестве по ГОСТ 7473-94. По согласованию потребителя и изготовителя бетонной смеси документ о качестве может выдаваться не реже одного раза в месяц.
Бетонную смесь с ЦБЗ транспортируют в автомобилях-самосвалах, автобетоновозах или автобетоносмесителях. Время транспортирования бетонной смеси при температуре воздуха до 20°С составляет 60 мин, а при температуре до 30°С не более 30 мин. При превышении указанных пределов отмечается ухудшение удобоукладываемости и удобообрабатываемости бетонной смеси и усиливается опасность снижения качества бетонного покрытия.
При транспортировке бетонная смесь должна быть защищена от атмосферных осадков, замораживания, высушивания, а также от вытекания цементного раствора (брезент, многослойная мешковина и т.п.). Подвижную бетонную смесь не рекомендуется перевозить автомобилями-самосвалами - это приводит к потерям бетонной смеси и снижению ее качественных показателей. В целях сохранения готовых смесей при их транспортировании в России и за рубежом все больше используются автобетоновозы и автобетоносмесители. Автобетоновозы являются более экономичными видами транспорта, чем автобетоносмесители. Они отличаются от самосвалов, как правило, специальной формой кузова, способствующей лучшему сохранению качеств бетонной смеси при транспортировании. Однако область их применения, также как и автомобилей-самосвалов, ограничена технологическими пределами.
Основной производитель бетоновозов в России - Туймазинский завод автобетоновозов (ОАО «ТЗА» г. Туймазы, Башкортостан). За рубежом бетоновозы выпускаются фирмами Германии, Франции, Италии, США и др.
В отличие от обычных автомобилей-самосвалов, кузов автобетоновоза сужается к разгрузочному отверстию, а ось опрокидывания поднята на стойках. Сверху кузов закрыт крышкой. Подъем кузова гидравлический.
Бетоновозы различают по вместимости при загрузке, способу разгрузки, типу автомобиля или тягача, скорости движения.
Автобетоносмесители используют для приготовления бетонной смеси в процессе транспортирования к месту укладки от ЦБЗ, где их загружают отдозированными составными порциями сухих смесей и водой. Автобетоносмесители можно использовать в качестве бетоновозов с транспортированием на большие расстояния. Вращение барабана с частотой 3-5 об/мин в пути предотвращает расслоение смеси, при этом вместимость барабана используется на 80 %, а при перевозке сухой смеси - на 60-70 %. Автобетоносмесители при утеплении цистерны могут перевозить бетонную смесь при температуре до минус 20°С.
Основные производители автобетоносмесителей в России: ОАО «ТЗА», г. Туймазы, Башкортостан; «КОМЗ», г. Каменск-Шахтинский Ростовской области; ЗАО «ПМЗ», г. Пушкин Ленинградской области и др. За рубежом автобетоносмесители выпускаются фирмами Германии, Франции, Италии, США, Японии и др.
Автобетоносмесители различают по объему готового замеса, высоте разгрузки, частоте вращения смесительного барабана, типу автомобиля. Основные технические характеристики ряда отечественных и зарубежных автобетоносмесителей приведены в табл. 27.28 и 27.29.
Таблица 27.28
Техническая характеристика отечественных автобетоносмесителей
|
Модель автобетоно- |
Вместимость смесительного
барабана по выходу гото- |
Геометриче- |
Вмести- |
Частота вращения смеситель- |
Продол- |
Высота, м |
Масса автобетоно- |
||
|
загрузки |
выгруз- |
снаря- |
полная |
||||||
|
Смесители на серийных автомобилях и на специальных шасси автомобильного типа |
|||||||||
|
ОАО «ТЗА» г. Туймазы, Башкортостан |
|||||||||
|
581711 (СБ-92В-2) |
5 |
8 |
450 |
6,16 |
5-20 |
3,62 |
2,2 |
9,5 |
19,15 |
|
581420 (СБ-92В-4) |
3,6 |
2,2 |
100,6 |
18,625 |
|||||
|
58140С |
0-20 |
3,6 |
2,2 |
9,68 |
18,9 |
||||
|
581410 (СБ-159Б-2) |
3,6 |
2,2 |
н/д |
н/д |
|||||
|
58141А (СБ-159Б-2А) |
н/д |
н/д |
н/д |
н/д |
|||||
|
58140В (СБ-172-1) |
6 |
10 |
450 |
0-18 |
15-20 |
3,6 |
2,2 |
10,38 |
22,2 |
|
581440 (СБ-172-2) |
н/д |
н/д |
11,28 |
23,0 |
|||||
|
581460 |
н/д |
н/д |
11,28 |
23,0 |
|||||
|
58146А (СБ-172А) |
н/д |
н/д |
н/д |
н/д |
|||||
|
58146С |
7 |
11,6 |
450 |
0-12 |
15-20 |
3,7 |
0,5-2,2 |
н/д |
н/д |
|
581470 (СБ-237) |
н/д |
н/д |
13,6 |
н/д |
|||||
|
581450 (СБ-239) |
8 |
14 |
450 |
0-12 |
15-20 |
3,7 |
2,2 |
12,61 |
27,6 |
|
581480 (СБ-234) |
15,6 |
30,0 |
|||||||
|
Смесители на полуприцепе |
|||||||||
|
ОАО «ТЗА» г. Туймазы, Башкортостан |
|||||||||
|
993700 (СБ-214) |
6 |
10 |
450 |
0-18 |
15-20 |
3,6 |
2,2 |
6,0 |
18 |
|
СБ-211 |
8 |
14 |
1-12 |
11,9 |
25,59 |
||||
|
Без тягача |
|||||||||
|
«КОМЗ», г. Каменск-Шахтинский Ростовской области |
|||||||||
|
АБС-4 |
4 |
8 |
400 |
0-16 |
20 |
3,5 |
н/д |
н/д |
17,0 |
|
АБС-5Ц |
5 |
9 |
400 |
0-18 |
20 |
3,42-3,5 |
н/д |
н/д |
19,15-19,425 |
|
АБС-5 |
н/д |
н/д |
|||||||
|
АБС-6 |
6 |
10 |
400 |
0-12 |
20 |
До 3,64 |
н/д |
н/д |
до 24,7 |
|
АБС-7 |
7 |
11,6 |
До 450 |
0-18 |
20 |
До 3,73 |
н/д |
н/д |
до 29,5 |
|
АБС-8 |
8 |
14 |
450 |
0-12 |
20 |
До 3,74 |
н/д |
н/д |
36,0 |
|
АБС-9 |
9 |
|
600 |
|
|
До 3,9 |
н/д |
н/д |
от 36,0 |
|
ЗАО «ПМЗ» г. Пушкин Ленинградской области |
|||||||||
|
АБС-4М-02 |
3,6 |
7,9 |
400 |
н/д |
н/д |
3,5 |
н/д |
9,21 |
16,0 |
|
АБС-5...3-01 |
4,5 |
9,0 |
400 |
н/д |
н/д |
3,5 |
н/д |
9,92 |
18,625 |
|
АБС-5-01 |
5 |
9,0 |
400 |
н/д |
н/д |
3,5 |
н/д |
10,2 |
22,0 |
|
АБС-6 |
6 |
10 |
400 |
н/д |
н/д |
До 3,64 |
н/д |
До 12,2 |
24,0 |
|
АБС-7М-01 |
7 |
11,1 |
600 |
н/д |
н/д |
3,67 |
н/д |
13,25 |
26,7 |
|
АБС-8М-01 |
8 |
12,3 |
600 |
н/д |
н/д |
3,7 |
н/д |
15,6 |
30,0 |
|
«МоАЗ» им. Кирова, г. Могилев, Беларусь |
|||||||||
|
СБМ-049А |
4 |
6 |
400 |
0-16 |
20 |
3,5 |
1,9 |
9,0 |
16,0 |
|
СМБ-070 |
6 |
10 |
400 |
0-16 |
15-20 |
3,8 |
2,2 |
12,8 |
24,0 |
|
СМБ-060А (на полуприцепе) |
6 |
10 |
400 |
0-16 |
15-20 |
3,8 |
2,2 |
7,0 |
18,5 |
|
Без тягача |
|||||||||
|
Специальный подземный |
4 |
6 |
400 |
0-16 |
20 |
2,85 |
1,5 |
20,0 |
30,0 |
Таблица 27.29
Техническая характеристика зарубежных автобетоносмесителей
|
Модель |
Вместимость |
Геометриче- |
Вмести- |
Частота |
Количество |
Высота, мм |
Масса смесителя, т "1 |
||
|
за- |
смесите- |
с приво- |
с авто- |
||||||
|
Liebherr, Германия |
|||||||||
|
Смесители на серийных автомобилях и специальных шасси |
|||||||||
|
НТМ-604 |
6 (6,78) |
11 |
500-1000 |
0-14 |
3 |
2383 |
2404 |
3,34 |
3,84 |
|
НТМ-704 |
7 (7,6) |
12,34 |
3 |
2408 |
2412 |
3,52 |
4,1 |
||
|
НТМ-804 |
8 (9,1) |
14,29 |
3,4 |
2437 |
2477 |
4,08 |
4,66 |
||
|
НТМ-904 |
9 (10,22) |
15,96 |
3,4 |
2485 |
2531 |
4,22 |
4,83 |
||
|
НТМ-1004 |
10 (11,05) |
17,64 |
4 |
2498 |
2588 |
4,44 |
5,05 |
||
|
НТМ-1204 |
12 (12,9) |
20,7 |
4 |
2340 |
2500 |
4,79 |
5,4 |
||
|
НТМ-1504 |
15 (15,3) |
24,45 |
4 |
2576 |
2679 |
5,35 |
6,4 |
||
|
Смесители на полуприцепе |
|||||||||
|
НТМ-904 |
9 (10,22) |
15,96 |
500-1000 |
0-14 |
2-2 |
3790 |
23 835,2 |
С учетом шасси |
|
|
НТМ-1004 |
10 (11,05) |
17,64 |
2-3,3-2 |
3783 |
3885 |
7,06 |
8,12 |
||
|
7,56 |
8,56 |
||||||||
|
НТМ-1204 |
12 (12,9) |
20,7 |
2-3 |
3770 |
3884 |
8,14 |
9,14 |
||
|
НТМ-1504 |
15 (15,3) |
24,45 |
2-3 |
2576 |
2679 |
11,5 |
12,5 |
||
|
Stetter, Германия |
|||||||||
|
Смесители на серийных автомобилях и специальных шасси |
|||||||||
|
АМ-6 |
6 |
10,12 |
1100 (1500, 2000) |
0-14 |
3 |
н/д |
2530 |
н/д |
н/д |
|
АМ-7 |
7 |
12,0 |
1100 (1500, 2000) |
3 |
н/д |
2580 |
н/д |
н/д |
|
|
АМ-8 |
8 |
14,0 |
1500 (2000) |
3 |
н/д |
2650 |
н/д |
н/д |
|
|
АМ-8 |
8 |
14,0 |
1500 (2000) |
4 |
н/д |
2650 |
н/д |
н/д |
|
|
АМ-9 |
9 |
15,66 |
1500 (2000) |
3 |
н/д |
2670 |
н/д |
н/д |
|
|
АМ-9 |
9 |
15,66 |
1500 (2000) |
4 |
н/д |
2670 |
н/д |
н/д |
|
|
АМ-10 |
10 |
16,7 |
2000 |
3 |
н/д |
2680 |
н/д |
н/д |
|
|
AM-10 |
10 |
16,7 |
2000 |
4 |
н/д |
2680 |
н/д |
н/д |
|
|
AM-12 |
12 |
19,4 |
2000 |
5 |
н/д |
2780 |
н/д |
н/д |
|
|
Смесители на полуприцепе |
|||||||||
|
АМ-8 |
8 |
14,0 |
1500 (2000) |
0-14 |
2-1 |
С учетом шасси |
н/д |
н/д |
|
|
АМ-8 |
8 |
14,0 |
1500 (2000) |
2-2 |
н/д |
н/д |
н/д |
н/д |
|
|
АМ-9 |
9 |
15,66 |
1500 (2000) |
2-2 |
н/д |
н/д |
н/д |
н/д |
|
|
АМ-9 |
9 |
15,66 |
1500 (2000) |
3-1 |
н/д |
н/д |
н/д |
н/д |
|
|
АМ-9 |
9 |
15,66 |
1500 (2000) |
3-2 |
н/д |
н/д |
н/д |
н/д |
|
|
АМ-10 |
10 |
16,7 |
2000 |
2-3 |
н/д |
н/д |
н/д |
н/д |
|
|
АМ-10 |
10 |
16,7 |
2000 |
3-2 |
н/д |
н/д |
н/д |
н/д |
|
|
Cifa, Италия 3880 |
|||||||||
|
Серийное изготовление (RH/RHS) |
|||||||||
|
65 |
6 |
10,2 |
600 |
0-14 |
н/д |
н/д |
н/д |
2,98 |
3,4 |
|
75 |
7 |
12,1 |
н/д |
н/д |
н/д |
3,25 |
3,56 |
||
|
85 |
8 |
13,8 |
н/д |
н/д |
н/д |
3,72 |
4,271 |
||
|
95 |
9 |
14,6 |
800 |
н/д |
н/д |
н/д |
4,18 |
4,73 |
|
|
100 |
9 |
15,7 |
н/д |
н/д |
н/д |
4,41 |
5,04 |
||
|
110 |
10 |
17,1 |
н/д |
н/д |
н/д |
4,63 |
5,23 |
||
|
120 |
11 |
18,6 |
н/д |
н/д |
н/д |
4,88 |
5,48 |
||
|
Специальная комплектация (MDM) |
|||||||||
|
75 |
7 |
12,1 |
2000 |
0-14 |
н/д |
н/д |
н/д |
3,25 |
3,56 |
|
85 |
8 |
13,8 |
н/д |
н/д |
н/д |
3,72 |
4,27 |
||
|
95 |
9 |
14,6 |
н/д |
н/д |
н/д |
4,18 |
4,73 |
||
При приготовлении бетонной смеси в зимних условиях на ЦБЗ ее компоненты подогревают. Бетонная смесь, приготовленная на подогретых материалах, медленно остывает, что способствует более быстрому нарастанию прочности бетона. При этом цемент не подогревается. Каменные материалы в момент загрузки в бетоносмеситель должны иметь положительную температуру, а вода для затворения не ниже +25°С. Температура бетонной смеси назначается с учетом теплопотерь при транспортировании. Наибольшая допустимая температура при выходе ее из бетоносмесителя в зависимости от вида цемента обычно составляет 25-45°С.
Воду и каменные материалы подогревают при помощи пара, электрической энергии или при небольших объемах в сушильных печах, вертикальных вибротранспортерах; с пропусканием продуктов сгорания по трубам, укладываемым непосредственно в обогреваемых материалах.
Продолжительность перемешивания бетонной смеси увеличивается примерно в 1,5 раза против нормальных летних условий. В бетоносмеситель рекомендуется сначала подавать горячую воду, затем засыпать каменные материалы и в промежутке между отдельными процессами загрузки - цемент.
После перерыва в работе барабан бетоносмесителя обогревается паром или горячей водой. Температура и качество бетонной смеси должны регулярно контролироваться лабораторией. Помещение ЦБЗ для работы в зимнее время утепляют (температура в помещении должна быть не ниже 10-15°С). Для приготовления подогретых бетонных смесей используют мобильные и инвентарные бетоносмесительные установки. Отличие их от обычных установок для приготовления бетонной смеси состоит в усложнении процесса управления комплексом оборудования, связанным с необходимостью учета дополнительных факторов (температуры воды, цемента, щебня и песка). Автоматизация процесса управления с использованием микропроцессорной техники обеспечивает автоматическое управление приготовлением бетонной смеси по заданным алгоритмам с учетом необходимых корректировок, вводимых при изменении компонентов смеси.
Эксплуатация технологического оборудования для приготовления бетонных смесей в условиях жаркого климата имеет свои специфические особенности, к которым в первую очередь следует отнести высокую температуру воздуха и низкую его влажность, высокую солнечную радиацию и безводность.
Приготовление бетонной смеси осуществляют в бетоносмесителях с гравитационным или принудительным смешением материалов. При приготовлении бетонных смесей на пористых заполнителях с высоким расходом цемента (более 350 кг/м3) целесообразно использование бетоносмесителей принудительного действия. При приготовлении бетонной смеси в жарком климате необходимо учитывать, что температура бетонной смеси при ее транспортировании и укладке более 30 мин в момент отправки с цементобетонного завода не должна превышать 20-25°С. Для приготовления бетонной смеси воду применяют из прохладных источников, резервуаров и хранилищ с возможно более низкой температурой. Защиту от жары цистерн и труб для хранения и подачи воды необходимо обеспечить изоляцией, окраской в белые цвета, заглублением в землю на глубину не менее 0,4 м от поверхности. Автоцистерны для доставки воды на ЦБЗ окрашивают в светоотражающие тона (белый, алюминиевый), обеспечивают теплоизолирующими покрытиями.
При организации хранения каменных материалов на ЦБЗ целесообразно использование крытых складов, бункеров и силосов с наружной теплоизоляционной защитой, окрашенных в светлые тона. При хранении каменных материалов в открытых складах необходима их защита брезентом от попадания прямых солнечных лучей. Основное технологическое оборудование бетоносмесительных установок (смесители и дозаторы) размещают в закрытых помещениях с тепловой изоляцией и окраской в светлые цвета.
При приготовлении бетонной смеси в условиях жаркого климата необходимо обеспечить следующую последовательность подачи компонентов смеси в барабан бетоносмесителя. Сначала заливают воду, после подачи 10-20 % от общей потребности на замес загружают щебень и цемент, не прерывая подачу остальной воды. После перемешивания материалов в течение 10-15 сек в барабан бетоносмесителя подают песок, продолжая процесс до получения однородной массы.
Автотранспортные средства для перевозки бетонной смеси окрашивают в белый или алюминиевый цвет. Кузова автомобилей-самосвалов следует покрывать светлым брезентом, обрызгивая водой перед отправкой с ЦБЗ. Доставленная к месту укладки бетонная смесь должна быть немедленно уложена в основание или покрытие автомобильной дороги. Время транспортирования бетонной смеси не должно превышать 30 мин. Категорически запрещается восстанавливать подвижность бетонной смеси до заданной консистенции добавкой воды на месте ее укладки.
Железобетонные конструкции изготавливаются на заводах или полигонах. Заводами называют предприятия, на которых основные технологические процессы выполняют в помещениях (цехах). К полигонам относят предприятия, на которых в зданиях приготавливают только бетонную смесь и изготавливают арматуру, все остальные процессы - формование, твердение и отделку изделий - производят на открытых площадках - стендах или в камерах пропаривания, расположенных на открытом воздухе. На полигонах в основном применяют прямоточную (агрегатную) и частично-стендовую организацию процесса, вследствие чего на них предусмотрен выпуск широкой номенклатуры изделий, в том числе крупных конструкций.
Полигоны могут быть специализированными самостоятельными предприятиями или в составе завода железобетонных изделий (заводы ЖБИ). По срокам эксплуатации на одном месте заводы ЖБИ подразделяются на стационарные, полустационарные и передвижные.
Стационарные заводы оснащаются мощным и тяжелым оборудованием, устанавливаемым на прочные фундаменты, здания цехов и сооружения капитального типа, полустационарные позволяют обеспечить демонтаж и передислокацию оборудования на новую площадку, здания, как правило, сборно-разборной конструкции; передвижные имеют оборудование легко перебазируемое, на пневмоколесном ходу, здания передвижные в виде вагонов мобильного типа.
В состав заводов и полигонов входят: склады арматуры и заполнителей, цемента и арматурной стали; цехи по дроблению и сортировке заполнителей; приготовлению добавок; бетоно- и растворосмесительные цехи (установки); арматурный цех со складом готовых сеток и каркасов; цехи формования и твердения бетона, склады готовой продукции.
Кроме того, в предприятия входят ряд вспомогательных цехов и служб: цехи изготовления и ремонта опалубки (форм), ремонтно-механический (ремонт оборудования, инструмента и приспособлений); котельная со складами твердого топлива; склад топлива и масел или газораспределительная станция; электростанция или трансформаторная подстанция, лаборатория и заводоуправление. Заводоуправление вместе с жилым городком размещают за пределами завода (полигона) на расстоянии санитарной зоны.
Технологический процесс состоит из ряда последовательно выполняемых операций: приготовление или доставка бетонной смеси с ЦБЗ, изготовление арматуры железобетонных изделий, формование, ускорение твердения изделий.
Технология изготовления железобетонных изделий на заводе ЖБИ и полигоне практически не отличаются: склад каменных материалов и цемента (при наличии на заводе бетоносмесительного цеха); склад арматурной стали, заготовка арматуры, формование изделий, ускорение твердения железобетонных изделий, складирование готовых изделий. Генеральный план полигона приведен на рис. 28.1. В технологический процесс включают непрерывный контроль качества на всех операциях.
Арматурные цехи обеспечивают заготовку арматурных элементов, сборку и сварку каркасов, изготовление закладных деталей и создание резервного запаса готовых изделий. При компоновке цеха оборудование располагают так, чтобы свести к минимуму пересечение транспортных путей.
В технологическом потоке можно выделить три основных подготовительных процесса: изготовление арматурной стали диаметром до 12 мм и более, заготовка листовой стали и сортового проката, изготовление закладных деталей. Затем элементы поступают к постам сборки или на промежуточный склад.
Создавая склад арматурной стали в составе завода ЖБИ или полигона, выполняют следующие основные требования. Для ее хранения необходимы закрытые неотапливаемые помещения, предохраняющие сталь от коррозии и загрязнения. Склад обеспечивает прием арматурной стали из полувагонов и железнодорожных платформ, хранение по видам, маркам и выдачу ее в арматурный цех. На складе отводят площадку для металлических форм, место для их ремонта. Под навесами также размещают часть станков заготовительного отделения. Необходимую площадь склада определяют, суммируя все перечисленные площади.
Все виды арматурных сталей и арматурных изделий заводского изготовления и общие требования к ним установлены Государственным стандартом. Основные виды арматурной стали: горячекатаная стержневая гладкая и периодического профиля; холоднотянутая проволочная гладкая и периодического профиля; горячекатаная термическая упрочненная и упрочненная вытяжкой (предварительным напряжением); арматурные пряди и арматурные канаты; сварные сетки и каркасы.
В зависимости от вида арматурную сталь подразделяют на стержневую и бунтовую. Стержневая поступает в прутках (связках), состоящих из стержней одной партии, бунтовая в мотках (бунтах). Каждый моток состоит из одного отрезка проволоки массой 80-500 кг.
Для получения стержней нужной длины (в соответствии со спецификацией) прутки режут: диаметром до 10 мм при небольшом объеме работ - ручными станками, диаметром до 70 мм - с помощью приводных автоматических станков. Арматурные стержни больших диаметров режут ацетиленокислородными резаками или керосинорезами.

Рис. 28.1. Генеральный план полигона по изготовлению железобетонных изделий:
1 - открытый склад каменных материалов; 2 - автопогрузчик; 3 - площадка для подачи автомобилей-самосвалов; 4 - приемный бункер для каменных материалов; 5 - наклонный ленточный транспортер; 6 - расходные бункеры для каменных материалов; 7 - инвентарный склад цемента; 8 - расходный бункер для цемента; 9 - бетоносмесительное отделение; 10 - передвижная электростанция; 11 - паропровод; 12 - арматурный цех и склад арматурных изделий; 13 - стенд с пропарочными камерами; 14 - склад готовой продукции; 15 - автомобильный кран; 16 - контора; 17 - лаборатория; 18 - ремонтно-механическая мастерская; 19 - материально-технический склад; 20 - туалет; 21 - душ, гардероб
Легкую арматуру диаметром до 14 мм гнут на станках с ручным управлением, тяжелую - на приводных станках. Арматурная сетка - это плоская конструкция с рабочими стержнями расположенными в двух перпендикулярных направлениях и свариваемых в пересечениях. Арматурный каркас - плоская конструкция, составленная из стержней одного направления противоположных зон армирования железобетонного изделия, соединенных косыми стержнями, хомутами или монтажными стержнями.
Плоские сварные сетки и каркасы изготавливают, как правило, многоэлектродной точечной сваркой, обеспечивающей значительно большую производительность труда, чем соединение арматурных стержней при ручной дуговой сварке.
К пространственным арматурным изделиям относятся арматурные конструкции, рабочие элементы которых расположены и работают в некотором объеме (арматурные пакеты, формы и блоки).
Процесс производства арматурных конструкций включает следующие выполняемые последовательно операции: заготовка стержней, изготовление плоских сеток и каркасов, гнутье соединительных элементов, сборка объемных арматурных каркасов. Все операции могут выполняться на отдельных машинах или на автоматических линиях.
Процесс изготовления арматурных элементов состоит из очистки от ржавчины и масла, предварительной обработки стали, заготовки элементов из проволоки и стержней, пучков, канатов для напряженных конструкций, изготовления закладных деталей.
К обработке арматурной стали относят правку, волочение, сплющивание, силовую калибровку, электротермические напряжения. Размотку, чистку, правку и резку на стержни осуществляют на правильно-отрезных станках (табл. 28.1).
Волочение - протаскивание металла через конусные отверстия-фильеры. В результате одновременно происходит растягивание и сжатие, металл теряет значительную часть пластических свойств и делается более жестким. Сталь, подвергнутую волочению, называют холоднокатаной.
Сплющивание - распространенный способ упрочнения арматурной стали, заключающийся в прокатывании прутка между парой рифленых валков, в результате пруток деформируется в одной или двух взаимно перпендикулярных плоскостях, приобретая периодический профиль. В результате наклепа, возникающего при сжатии стержня, предел текучести арматурной стали увеличивается на 25-30 %. Для сплющивания применяют станки-автоматы, которые очищают арматуру, сплющивают стержни, правят, режут на прутья заданной длины.
Силовая калибровка состоит в вытягивании стержней до напряжения, превышающего нормированный предел текучести данной стали. В результате повышается ее предел текучести. Вытяжка отличается от силовой калибровки тем, что процесс контролируется величиной удлинения.
Таблица 28.1
Техническая характеристика станков для правки и резки арматурной сетки
|
Показатели |
Станки |
|||||
|
с вращающимися ножами |
с рычажными ножами |
|||||
|
СМЖ-142 (СМ-759) |
СМЖ-357 |
СМЖ-192 |
АКС-500 |
СМЖ-588 |
СМЖ-588А |
|
|
Скорость правки, м/мин |
35; 50 |
31,5: 45; 63 |
26; 110 |
120 |
31,5; 45 |
15; 45 |
|
Длина отрезаемых стержней, мм: наименьшая наибольшая |
50 8000 |
2000 9000 |
80 800 |
50 500 |
1500 6000 |
1500 6000 |
|
Диаметр отрезаемых стержней, мм: гладкого профиля периодического профиля |
3-10 - |
4-10 6-8 |
3-10 - |
3-6 - |
6-12 6-10 |
4-8 4-6 |
|
Мощность электродвигателя, кВт |
1 |
16,5 |
11,5 |
|
17 |
13 |
|
Габаритные размеры, мм: длина ширина высота |
1790 1050 750 |
12100 1500 1210 |
2565 1040 1470 |
2600 835 1130 |
12100 1500 1210 |
12050 1255 1485 |
|
Масса, кг |
1050 |
1960 |
1560 |
1200 |
1900 |
4700 |
|
Изготовитель |
Московский завод строительных машин |
С.-Петербургский |
Гомельский станкострои- |
|||
Термическое упрочнение стали - один из экономичных методов повышения прочности при больших объемах работ. Технологический процесс состоит из доставки стержней в арматурный цех, укладки их на подающее устройство, подачи под электроды, электронагрев до 900-1000°С, сброса стержней в закладочную ванну, выемки охлажденных стержней и укладки их под электроды, электронагрева до температуры отпуска 325-375°С, охлаждения до температуры окружающей среды, выдачи упрочненных стержней.
Изготовление арматурных элементов включает резку арматуры по заданной длине, гнутье стержней, изготовление хомутов и монтажных петель. Резку и гнутье производят на ручных и приводных станках.
Для снижения себестоимости изготовления железобетонных изделий целесообразно получать с металлургических заводов готовые арматурные сетки и изготовлять на месте объемные каркасы посредством гнутья напрягаемой арматуры и сварки. Стержни в местах их пересечения сваривают точечной сваркой, используя одноточечные и многоточечные машины, сварочные клещи. Гнутье сеток производят на гибочных машинах, изготовление объемного пространственного каркаса - на монтажном кондукторе.
Предварительное натяжение арматуры - трудоемкая операция при изготовлении предварительно напряженных железобетонных изделий. Натяжение арматуры производят механическим, электротермическим, электромеханическим способами, а также за счет использования расширяющих цементов. При механическом способе целесообразно применять гидравлические и винтовые домкраты. Техническая характеристика гидродомкратов приведена в табл. 28.2. При электротермическом способе используют свойство стали удлиняться при нагреве электротоком. Уложенные в упоры нагретые стержни при остывании сокращаются и натягиваются. Электромеханический способ сочетает в себе электротермический и механический способы натяжения арматуры.
Для натяжения арматуры электромеханическим способом необходимо определить величину удлинения арматурных стержней при нагреве и необходимую температуру их нагрева, установить мощность трансформаторов и количество электроэнергии, расходуемое на нагрев стержней. Техническая характеристика установок для электронагрева стержневой и проволочной арматуры приведена в табл. 28.3.
Для изготовления сеток и плоских каркасов в арматурных цехах заводов сборного железобетона используются специальные многоточечные сварочные машины с пневматическим приводом сжатия электродов, автоматическим приводом подачи изделий и автоматическим включением и выключением сварочного аппарата (табл. 28.4).
Работа автоматической линии начинается после подачи катушек с проволокой, заправки концов проволок через правильное устройство и установки их под электроды. Необходимое перемещение, а также сварочные операции осуществляются посредством пневматических цилиндров и систем электрического управления. Арматурные сетки необходимых размеров получают путем их разрезки автоматическими ножами и ножницами.
Формовочная оснастка при изготовлении железобетонных изделий придает уплотняемой смеси требуемые очертания и размеры в соответствии с проектными параметрами изделия. В зависимости от способа производства, вида бетонной смеси и типа изделий форму или оснастку снимают в различные периоды: непосредственно после формования; после приобретения изделием распалубочной или достижения им 70 % проектной прочности.
Таблица 28.2
Техническая характеристика гидродомкратов для натяжения арматуры
|
Показатели |
СМЖ-86А |
СМЖ-82А |
СМЖ-84 |
СМЖ-81А |
|
Диаметр натягиваемой арматуры, мм |
5 |
Стержни 28-40; канаты 14-15 |
Стержни 28-40; канаты 14-15 |
5 |
|
Число одновременно натягиваемых арматурных стержней, канатов, проволок |
1 |
1-2 (в пределах 630 кН) |
1 |
18-24 (проволок) |
|
Размеры резьбы с мелким шагом на концах анкерных захватов, мм |
- |
М30×1,5 М36×2 М42×2 М48×2 |
М24×1,5 М27×1,5 М30×1,5 |
- |
|
Наибольшее тяговое усилие, кН |
25 |
630 |
315 |
630 |
|
Ход тянущего поршня, мм |
80 |
315 |
200 |
315 |
|
Давление масла в цилиндре, МПа |
25 |
40 |
40 |
40 |
|
Привод гидродомкрата |
Насос НП-500 |
Насосная станция СМЖ-83А или МСР-400М |
||
|
Габаритные размеры, мм: длина ширина высота |
2145 794 240 |
1090 210 90 |
735 157 55 |
912 245 75 |
|
Масса, кг |
140 |
95 |
31 |
80 |
|
Изготовитель |
Кемеровский завод «Строймашина» |
|||
Таблица 28.3
Техническая характеристика установок для электронагрева арматуры
|
Показатели |
Тип установки и предприятие изготовитель |
||||
|
Завод |
Завод ЖБИ |
НС-118 |
Трест |
6596 С/Г |
|
|
Вид арматуры |
Стержневая |
Стержневая |
Стержневая и |
Стержневая |
Стержне- |
|
Диаметр нагреваемой арматуры, мм |
12-14 |
12-14 |
- |
12-18 |
10-25 |
|
Количество одновременно нагреваемых стержней, шт. |
3-4 |
3-4 |
1 |
2-8 |
2 |
|
Установленная мощность трансформаторов, кВт |
65 |
84 |
50 |
68 |
50 |
|
Производительность, стержней/час |
40 |
40 |
30 |
25 |
30 |
|
Масса, кг |
450 |
325 |
520 |
125 |
1640 |
Таблица 28.4
Техническая характеристика многоточечных сварочных машин
|
Показатели |
МТМС- |
АТМС- |
АТМС- |
АТМС- |
МТМ- |
|
Установленная мощность трансформаторов, кВт |
350 |
900 |
1350 |
900 |
900 |
|
Число трансформаторов, шт. |
10 |
12 |
18 |
12 |
5 |
|
Напряжение в сети, В |
380 |
380 |
380 |
380 |
380 |
|
Вторичное напряжение, В |
2,85-5,64 |
2,88-6,56 |
3,6-7,2 |
3,6-7,2 |
4-5,8 |
|
Максимальное число продольных стержней, шт. |
20 |
24 |
36 |
24 |
16 |
|
Максимальная ширина сетки, мм |
2000 |
2380 |
3800 |
2350 |
3050 |
|
Максимальный диаметр стержней, мм: продольных поперечных |
8 8 |
18 8 |
12 10 |
12 10 |
32 12 |
|
Максимальное давление электродов, Н |
25 |
55 |
50 |
50 |
100 |
|
Максимальная производительности м/мин |
2 |
4 |
4,5 |
4,5 |
2,5 |
|
Расход сжатого воздуха, м3/час |
20 |
390 |
420 |
350 |
54 |
|
Расход охлаждающей воды, л/ч |
1200 |
200 |
2000 |
1350 |
2000 |
|
Габаритные размеры, мм: ширина (без бункера поперечных прутков) высота длина |
2480 1685 2940 |
3200 2170 6370 |
5400 1820 3460 |
4000 1820 3460 |
3580 1960 2690 |
|
Массa, кг |
3300 |
7700 |
9100 |
6700 |
5000 |
|
Изготовитель |
С.-Петербургский завод «Электрик» |
||||
От качества форм зависят: геометрические размеры изделий, их внешний вид; плотность и прочность бетона; трещиностойкость и жесткость изделий; конечный изгиб предварительно напряженных конструкций; заанкеривание арматуры.
Формы подразделяют на несколько типов: по материалу - металлические сварные, алюминиевые, железобетонные, деревянные и комбинированные; по организации процесса - неподвижные (стендовые и перемещаемые), передвижные и переносные; по условию работ - рассчитанные на напряжение арматуры; по числу изделий - одновременно изготовляемые в форме, одиночные и пакетные; по виду изделий - линейные, плоскостные, трубчатые; по конструкции форм - с поддонами, бортовые (боковая оснастка), матрицы; по конструктивным особенностям, связанные с освобождением изделий от форм - неразъемные, сборно-разборные, с шарнирно открывающимися или отодвигающимися стенками.
Содержание форм и формовочного оборудования в хорошем техническом состоянии, улучшающим чистоту поверхности изделий, обеспечивает высокое качество продукции. После формования изделий на металлической форме остаются частицы бетона, поверхности покрываются цементной пленкой, остатками смазки. Если форму не чистить, на ней образуется слой затвердевшего бетона, который ухудшает качество изделий и чрезвычайно затрудняет распалубку. Поэтому металлические формы после каждого цикла формования очищают, используя различные приспособления - ручные и механические, вращающиеся стальные щетки и шлифовальные машины.
На качество железобетонных изделий оказывает существенное влияние сцепление бетона с поверхностью форм. Для уменьшения сцепления целесообразно применение различных смазок. Смазки бывают водные и водомасляные, водно-мыльно-керосиновые эмульсии, машинные масла и смеси на них. Смазку на поверхность формы наносят, распыляя ее сжатым воздухом; при небольших объемах - ручными кистями.
Уплотнение цементобетонной смеси на стадии формования изделия. Свежеизготовленная цементобетонная смесь представляет рыхлую структуру с высокой пористостью и значительным количеством вовлеченного при формовании воздуха. Высокоподвижные смеси легко деформируются и заполняют форму под действием собственной массы. При этом основной объем вовлеченного воздуха поднимается в верхнюю часть изделия и удаляется. Уплотнение малоподвижных жестких смесей связано с необходимостью приложения значительных внешних сил. При уплотнении бетонной смеси обеспечиваются два условия: удаление излишнего вовлеченного воздуха из малоподвижных и жестких смесей путем приложения внешних механических воздействий; удаление избыточной воды как основного носителя пористости из высокоподвижных смесей.
В практике современного заводского изготовления сборных железобетонных изделий применяют следующие основные способы воздействия на бетонную смесь с целью ее уплотнения и придания формы (рис. 28.2): вибропрессование; вибрирование; вибровакуумирование; виброштампование. Воздействие вибрационных импульсов вызывает снижение вязкости и разжижения смеси с одновременным ее уплотнением. В процессе вибрации уплотнение жестких смесей происходит в две стадии. На первой разрушается первоначальная структура смеси. Частицы меняют взаимную ориентацию, перемещаются, контакты между ними нарушаются и под влиянием сил тяжести образуется новая, более постоянная и устойчивая структура. Цементное тесто и раствор, выделяющиеся при вибрации, действуют как смазка и снижают внутреннее трение. На второй стадии бетонная смесь вибрирует как одно целое. Частицы находятся в тесном контакте, небольшое взаимное перемещение возможно лишь в связи с происходящими химическими процессами и выделением защемленного воздуха.

Pиc.28.2 Схемы уплотнения бетонной смеси в изделиях:
а - вибрированием; б - вибровакуумированием; в - вибропрессованием; г - центрифугированием; 1 - вибростол (виброплощадка); 2 - форма; 3 - вакуум-щит; 4 - виброштамп; 5 - прижимная рама; 6 - бортовая оснастка; 7 - поддон; 8 - железобетонная труба; 9 - центрифуга
Вибропрессование - метод вибрационного формования с одновременным давлением на бетонную смесь - обеспечивает более жесткие смеси и формование с профилированной поверхностью. Вибрирование изделий на виброплощадках с пригрузом повышает эффективность уплотнения бетонной смеси, сокращает продолжительность уплотнения, обеспечивает получение гладкой поверхности. При изготовлении железобетонных изделий широко применяют вакуумирование как дополнительное воздействие на уплотняемую бетонную смесь. Сущность процесса в том, что уложенную в форму смесь предварительно уплотняют на виброплощадке, подвергают воздействию вакуумных устройств, приложенных к поверхности уплотняемого бетона или введенных в него. При этом в плоскостях вакуумных устройств создаётся разряжение, вследствие разности давления происходит отсасывание из смеси воздуха и избыточной воды. Одновременно под действием атмосферного давления бетонная смесь уплотняется.
Виброштампование - воздействие на бетонную смесь посредством виброштампа, сочетающего функции виброуплотнения, пригруза и формообразования. Рабочая поверхность виброштампа в зависимости от вида формуемых изделий может быть плоской, рельефной и с пустотообразованием.
Относительно новой эффективной технологией уплотнения является ударно-вибрационная, в которой используется принцип, основанный на вибрации и ударе (виброрезонансные площадки). Данная технология значительно улучшает качество изделий, их заводскую готовность.
Центробежное формование для уплотнения смеси центрифугированием эффективно применяют при изготовлении напорных и безнапорных труб, бетонных свай, опор линий электропередачи и других конструкций кольцевого сечения (рис. 28.3).

Рис. 28.3. Технологическая схема изготовления труб методом центрифугирования:
1 - накопительный бункер бетонной смеси; 2 - ленточный питатель; 3 - центрифуга; 4 - траверса; 5 - стенд; 6 - консольные съемники; 7 - форма на посту тепловой обработки; 8 - пост разборки, чистки, смазки; 9 - установка для испытания труб; 10 - станок для изготовления фиксаторов арматуры; 11 - стенд для сборки двойных арматурных каркасов
Процесс формования изделий включает три стадии: загрузку бетонной смеси в форму, распределение ее по периметру формы, уплотнение с отжатием воды. При изготовлении труб смесь подают в форму при ее вращении. При воздействии центробежных сил она равномерно распределяется по стенкам формы.
При изготовлении дорожных плит применяют метод вибропроката по способу инженера Н.Я. Козлова. По этой технологии бетонную смесь укладывают и уплотняют механизмами формующей системы. Поступающая непрерывным потоком из смесителя смесь распределяется по всей ширине формовочной ленты. Одновременно с разравниванием происходит уплотнение смеси вибробрусом через формовочную ленту. При дальнейшем движении формующей ленты изделие подвергается калибровке путем проката виброваликами калибрующей секции для получения его проектной толщины. Головное изделие краном подают в пропарочную камеру для тепловлажностной обработки. Вибропрокат производят на стационарных и передвижных станах.
Тепловая обработка железобетонных изделий - наиболее распространенный способ ускорения твердения железобетонных изделий. Сущность способа в том, что с повышением температуры среды до 80-100°С скорость гидратации цемента значительно увеличивается, то есть процесс твердения ускоряется, и изделие в более короткие сроки, чем при обычной температуре, приобретает механическую прочность, допускающую транспортирование и монтаж.
Наиболее широко применяют установки периодического и непрерывного действия - ямные и тоннельные камеры, автоклавы, камеры с обогревом в поле индукционного действия.
К установкам непрерывного действия относят тоннельные камеры вибропроката. Имеются установки, работающие при атмосферном давлении и выше атмосферного, обогреваемые паром и электроэнергией.
Режим тепловлажностной обработки определяют температурой, влажностью и давлением, поступающим на изделие в течение определенного времени и обусловливающим оптимальную скорость процесса. Весь цикл тепловлажностной обработки делят на три стадии: подогрев до наибольшей температуры, выдержка при этой температуре (изотермическая выдержка) и охлаждение до температуры окружающей среды. Рекомендуемые режимы пропаривания бетонных и железобетонных изделий приведены в табл. 28.5.
Таблица 28.5
Рекомендуемые режимы пропаривания бетонных и железобетонных изделий
|
Виды изделий с |
Продолжительность, ч |
Температура |
Продолжительность пропа- |
|||
|
подъема температу- |
изотермического пе- |
50 |
70 |
90 |
||
|
Тонкостенные |
2-3 |
2-3 |
80 |
4 |
10 |
14 |
|
2-3 |
2-3 |
90 |
3 |
7 |
12 |
|
|
Массивные |
3-4 |
3-4 |
80 |
5 |
10 |
16 |
|
3-4 |
3-4 |
90 |
4 |
8 |
14 |
|
В качестве теплоносителя широко используют пар, паровую смесь, реже подогретый и увлажненный воздух. Нагрев изделий теплоносителем происходит при непосредственном соприкосновении с ним открытых поверхностей или через стенки формы. Давление рабочей среды может быть близким к атмосферному или повышенным (автоклавная обработка).
При использовании электроэнергии изделие нагревают путем непосредственного прохождения электрического тока через бетон (арматуру) или косвенным способом с помощью разного рода излучателей.
Автоматизация тепловой обработки обеспечивает сокращение ее продолжительности, уменьшение расхода пара, увеличение пропускной способности установок, улучшение качества изделий и повышение культуры производства. Система автоматизации режимов тепловлажностной обработки с использованием электронных программных регуляторов температуры позволяет производить в установках контроль температуры, автоматическое ведение процесса тепловлажностной обработки по заданной программе, автоматическую вентиляцию камер.
В настоящее время различают три принципиально отличных способа производства железобетонных изделий: поточно-агрегатный, конвейерный и стендовый.
При поточно-агрегатном способе производства форму и формуемое изделие передают по потоку от одного технологического поста к другому с помощью кранового оборудования (рис. 28.4).

Рис. 28.4. Технологическая схема изготовления железобетонных изделий поточно-агрегатным способом:
а - зона хранения заполнителей бетонной смеси; б - зона приготовления бетонной смеси; в - зона изготовления арматурных каркасов; г - зона формирования и обработки ЖБИ; д - зона хранения и выдачи готовых изделий; 1 - пост разгрузки заполнителей; 2 - приемные бункеры; 3 - накопительные бункеры; 4 - пост разгрузки; 5 - транспортерная галерея; 6 - пневмоподача цемента; 7 - бетоносмесительный цех; 8 - оборудование для производства арматурных каркасов и элементов; 9 - агрегат для термического напряжения арматуры; 10 - пост армирования; 11 - самоходный бетоноукладчик; 12 - агрегат для формования изделий; 13 - зона выдержки изделий; 14 - промежуточный склад; 15 - транспортирование ЖБИ; 16 - подъем и транспортирование изделий; 17 - самоходная тележка; 18 - склад готовых ЖБИ
Установки-агрегаты состоят из формовочной машины (обычно виброплощадки), машины для распределения бетонной смеси по форме (бетоноукладчики), машины для укладки формы на формовочный пост (формоукладчики). Отформованные изделия в формах подают краном в камеры для тепловой обработки. Заключительная стадия производства - выдача изделий из камеры и их распалубка. После приемки ОТК готовые изделия направляют на склад, а освободившиеся формы возвращают на формовочный пост.
При конвейерном способе технологический процесс расчленен на элементарные процессы, которые одновременно выполняют на отдельных рабочих местах. Форму и изделие непрерывно перемещают от одного рабочего места к другому, каждое из которых обслуживает закрепленное звено (рис. 28.5).

Рис. 28.5. Конвейерная технология изготовления железобетонных изделий:
I - зоны хранения материалов; II - зона приготовления цементобетонной смеси; III - зона изготовления арматурных каркасов; IV - зона изготовления изделий; 1 - пост разгрузки каменных материалов; 2 - приемные бункеры; 3 - аккумулирующие бункеры; 4 - транспортерная галерея; 5 - расходные бункеры; 6 - смесительное отделение; 7 - силосный склад цемента; 8 - вагон-цементовоз; 9 - пропарочные камеры; 10 - пост укладки термоизоляционного слоя; 11 - пост доводки изделий; 12 - пост формования изделий; 13 - пост укладки арматурных каркасов; 14 - смазка форм; 15 - очистка форм; 16 - передаточная тележка; 17 - пост распалубки; 18 - пост контроля
Основным условием осуществления конвейерного производства является ритмичность выполнения процессов, для чего их продолжительность должна быть одинаковой. Тогда через равные промежутки времени одновременно перемещают изделие с одного рабочего места (поста) на другое. При изменении типа изделий конвейеры требуют переоснастки.
Производство изделий на вибропрокатном стане отличается от вибропроката тем, что все технологические операции от подачи бетонной смеси до выдачи готового изделия производят на одной установке, представляющей собой конвейер, движущийся непрерывно со скоростью 25-30 км/час при изготовлении изделий из тяжелого бетона.
При стендовом способе изделие изготовляют в неподвижных формах или оборудованных для этого на рабочих местах стендах. В процессе формования и до приобретения бетоном необходимой прочности изделия остаются на месте, в то время как технологическое оборудование и обслуживающие его рабочие звенья перемещаются от одной формы к другой.
Стендовый способ хотя и приводит к более низкому использованию производственных площадей по сравнению с другими способами, но имеет ряд преимуществ, особенно при изготовлении предварительно-напряженных конструкций. Продолжительность технологического цикла зависит от длительности выдерживания изделий на стенде для приобретения ими необходимой прочности и составляет 1-2 сут (рис. 28.6).
Контроль качества железобетонных изделий организуется на всех этапах производства, начиная со склада сырья и кончая готовой продукцией. На заводах в контроль входит: проверка качества материалов, поступающих на завод; проверка установленных на заводе технологических режимов; периодическая проверка технологического оборудования и контрольно-измерительных приборов.
Во время приемки поступающих на завод материалов проверяют наличие документов (паспортов на сталь и цемент, актов испытаний заполнителей и т.д.), прибывших вместе с материалами.
Проверка качества материалов (цемента, заполнителей, арматуры, добавок, вводимых в смесь) производится в заводской лаборатории. Каждая партия цемента должна сопровождаться паспортом, в котором указываются номер паспорта, дата выдачи, завод-изготовитель, наименование и марка цемента, номер партии и вагонов, дата изготовления и т.д. Каждая партия цемента, поступающая на завод, а также цемент, хранящийся на заводе более трех месяцев, проходит испытания в соответствии с действующими ГОСТами. Для лабораторных испытаний от каждой партии цемента отбирают пробу в количестве 20 кг.
Проверка качества заполнителей состоит в контроле физико-механических свойств материала и чистоты каждой поступающей на завод партии. Из каждой партии щебня, песка (200 м3) отбирают из пяти мест пробу по 5 кг.

Рис. 28.6. Технологическая схема изготовления конструкций на стендах;
а - зона хранения и обработки сырья; б - зона приготовления бетона; в - зона изготовления арматурных элементов; г - зона формования и обработки изделий; д - зона хранения и выдачи конструкций; 1 - пост разгрузки заполнителей; 2,8 - приемные бункеры; 3 - склады каменных материалов; 4 - транспортерная галерея; 5 - расходные бункеры; 6 - пост приготовления бетона; 7 - пост разгрузки цемента; 9 - склад цемента; 10 - стенд; 11 - склад готовой продукции
Контрольные испытания арматуры производятся при отсутствии на нее сертификата или при наличии соответствующего указания на рабочих чертежах. Для испытания арматуры на растяжение и изгиб из каждой партии (60 т) отбирают образцы. При поступлении арматуры в прутках количество образцов для каждого вида испытаний должно быть не менее пяти, отрезанных от различных стержней. При хранении необходимо предусмотреть мероприятия, предотвращающие коррозию и загрязнение арматурной стали.
Проверка химических добавок производится только при отсутствии на них заводского паспорта или при сомнении в его точности.
При приготовлении бетонной смеси необходимо контролировать дозирование компонентов смеси; режим и время перемешивания; качество бетонной смеси (удобоукладываемость, испытание образцов-кубиков на сжатие).
Контроль изготовления сварных сеток и каркасов арматуры состоит из проверки правильности режимов сварки; контроля качества и прочности сварных соединений, для которых одновременно с изготовлением партии однотипных сварных сеток или каркасов, а также партии стыкованных стержней изготавливают из тех же материалов и при тех же режимах сварки три контрольных образца и испытывают их; внешнего осмотра и обмера сварных сеток и каркасов; проверки точности изготовления кондукторов.
В контроль формования изделий входит проверка надлежащей очистки и смазки форм; правильность положения арматуры и закладных частей в формуемом изделии; процесс уплотнения бетонной смеси (крепление форм к виброплощадке, правильность укладки бетонной смеси в формы, соблюдение режима уплотнения, правильность расстояний между последовательными положениями переносных вибраторов); правильность производства немедленной распалубки; качество открытых отформованных поверхностей.
В контроль твердения изделий входит проверка соблюдения режима термообработки изделий, включая выдержку изделий до их пропаривания, и проверка соблюдения влажностного режима хранения изделий на складе готовой продукции.
В контроль распалубки изделий входит проверка правильности применяемых способов распалубки и недопущения повреждения изделий после распалубки. Качество готовой продукции проверяет ОТК завода в соответствии с требованиями действующих стандартов и технических условий. Главнейшими показателями качества железобетонных изделий являются прочность бетона и стали, качество сварки, толщина защитного слоя.
Хранение готовых железобетонных изделий осуществляют на открытых площадках, расположенных рядом с цехом пропаривания и оборудованных соответствующими механизмами для погрузо-разгрузочных работ.
Поверхность площадки должна иметь уклоны для стока атмосферных вод. На складе небольшой ширины необходимо между штабелями складируемых изделий оставлять проходы шириной 0,7-0,8 м, а при широких складах устраиваются дополнительно поперечные проезды для автотранспорта.
Площадь склада определяется в зависимости от времени выдерживания на ней готовых изделий, прошедших термообработку, до достижения бетоном 100 % проектной прочности, а также из расчета 10-15 % дневной выработки завода.
Железобетонные изделия хранят по типоразмерам и назначению. Короткие изделия укладывают в штабели горизонтально, опирают на деревянные инвентарные прокладки и подкладки толщиной не менее 25 мм, а при наличии в изделии выступающих частей - не менее их высоты. Каждый штабель должен иметь таблички с указанием количества и типоразмера изделий.
Плиты, настилы, панели перекрытий, колонны, фундаментные блоки хранятся в штабелях в горизонтальном положении, а балки и фермы устанавливаются на ребро. Изделия укладываются в штабеля в несколько рядов. Первый (нижний) ряд укладывается на деревянные брусья сечением 20×20 см, между рядами изделий прокладываются деревянные прокладки толщиной 5-6 см.
Для предохранения изделий, имеющих обработанные поверхности, от атмосферных воздействий их накрывают легкими переносными щитами, обшитыми сверху толем или рубероидом. В зимнее время изделия, вывозимые на склад готовой продукции прямо после распалубки, должны быть накрыты брезентом на все время их хранения.
Выбор механизмов для погрузо-разгрузочных работ производится в зависимости от размера склада и от вида и размеров изделий, изготавливаемых на заводе. Для механизации погрузо-разгрузочных работ применяются мостовые краны, вилочные автопогрузчики, козловые или башенные самоходные краны. Погрузка изделий со склада на автотранспорт производится краном с помощью траверса.
Организация и выполнение работ в строительном производстве осуществляются при соблюдении законодательства Российской Федерации об охране труда, в том числе федерального закона «Об основах охраны труда в Российской Федерации» от 17.07.99 г. № 181-ФЗ, а также других нормативных правовых актов, установленных постановлением Правительства Российской Федерации от 23 мая 2000 г. № 399 «О нормативных правовых актах, содержащих государственные нормативные требования охраны труда»:
строительные нормы и правила, своды правил по проектированию и строительству;
межотраслевые и отраслевые правила и типовые инструкции по охране труда, утвержденные в установленном порядке федеральными органами исполнительной власти;
государственные стандарты системы стандартов безопасности труда, утвержденные в установленном порядке федеральными органами исполнительной власти;
правила безопасности, правила устройства и безопасной эксплуатации, инструкции по безопасности;
государственные санитарно-эпидемиологические правила и нормативы, гигиенические нормативы, санитарные правила и нормы, утвержденные в установленном порядке.
В развитие и на основе действующего законодательства и других нормативных правовых актов Российской Федерации, содержащих требования по охране и безопасности труда, Госстроем России разработаны и введены в действие СНиП 12-03-2001. Безопасность труда в строительстве. Часть I. Общие требования и СНиП 12-04-2002. Безопасность труда в строительстве. Часть 2. Строительное производство, которые устанавливают единые нормативные требования по управлению охраной труда в организациях, организационно-технологической подготовке безопасности производства, обеспечению безопасности при производстве различных видов работ, являющихся общими для строительного производства. В случаях применения методов работ, материалов, конструкций, машин, технологической оснастки, оборудования и транспортных средств, по которым требования безопасности производства работ не предусмотрены данными нормами и правилами, возможно применять производственно-отраслевые нормативные документы (инструкции по охране труда работников организаций, стандарты предприятий по безопасности труда), разработанные и утвержденные в установленном порядке.
Организации, разрабатывающие и утверждающие организационно-технологическую документацию (ПОС, ППР и др.), должны предусматривать в них решения по безопасности труда, определяющие технические средства и методы работ, обеспечивающие выполнение нормативных требований безопасности труда. Осуществление работ без ПОС и ППР, содержащих указанные решения, не допускается.
В соответствии с действующим законодательством обязанности по обеспечению безопасных условий охраны труда в организации возлагаются на работодателя.
В организации, как правило, назначаются лица, ответственные за обеспечение охраны труда с учетом занимаемой должности в объеме должностной инструкций, в том числе:
в целом по организации (руководитель, заместитель руководителя, главный инженер);
в структурных подразделениях (руководитель подразделения, заместитель руководителя);
на производственных участках (начальник участка (цеха), ответственный производитель работ по строительному объекту);
при выполнении конкретных работ и на рабочих местах (менеджер, мастер).
В целях обеспечения соблюдения требований охраны труда, осуществления контроля за их выполнением в каждой организации, осуществляющей производственную деятельность с численностью более 100 работников, создается служба охраны труда или вводится должность специалиста по охране труда.
Работодатели обязаны перед допуском работников к работе, а в дальнейшем периодически в установленные сроки и в установленном порядке проводить обучение и проверку знаний правил охраны труда и безопасного ведения работ с учетом их должностных инструкций и инструкций по охране труда.
В организации должны быть созданы условия для изучения работниками правил и инструкций по охране и безопасности труда. В соответствии с законодательством работодатель обязан организовать проведение аттестации рабочих мест по условиям труда с последующей сертификацией работ по охране труда в организации.
В свою очередь рабочие и служащие производственных предприятий обязаны знать и соблюдать требования по технике безопасности ведения работ, правила производственной санитарии, охраны труда и противопожарной безопасности, предусмотренные соответствующими нормативными документами, правильно пользоваться выданной спецодеждой, спецобувью и предохранительными приспособлениями, а также содержать в надлежащем порядке и чистоте рабочее место.
К управлению машинами, механизмами и оборудованием допускаются лица, достигшие 18-летнего возраста, прошедшие соответствующее обучение управлению данной машиной, механизмом или оборудованием и признанные медицинской комиссией годными к эксплуатации указанной техники с правом ведения производственно-строительных работ.
Машины, механизмы и оборудование на производственных предприятиях дорожного хозяйства должны быть закреплены приказом за определенными лицами или бригадой, обслуживающей их. Все машины должны находиться в исправном состоянии и иметь световую, звуковую и комбинированную сигнализацию. Работать на неисправных машинах запрещается.
С рабочими на производственных предприятиях проводится вводный инструктаж инженером по технике безопасности или техническим руководителем, назначенным приказом по предприятию. Рабочим излагают краткие сведения из нормативных документов о трудовом законодательстве по вопросам охраны труда (о рабочем времени, выходных днях, отпусках, сверхурочных работах, основах охраны труда, в том числе охраны труда женщин и подростков), производственной санитарии и гигиене труда; знакомят с особенностями технологического процесса производственного предприятия, при этом разбирают основные причины имевших место несчастных случаев и профессиональных заболеваний; знакомят с правилами поведения на территории предприятия, с обязанностями рабочего до начала работ, во время и после окончания работы, объясняют назначение спецодежды, спецобуви и предохранительных приспособлений; обучают правилам техники безопасности при работе на механизмах и с ручным инструментом, основам производственной санитарии, личной гигиены и правил оказания первой помощи при несчастных случаях.
Инструктаж на рабочем месте проводят со всеми рабочими при приеме на работу или переводе с одной работы на другую или с одного вида оборудования на другой. Цель инструктажа - ознакомление с конкретной производственной обстановкой на данном рабочем месте и безопасными приемами труда.
Рабочие и инженерно-технические работники, имеющие допуск к эксплуатации электрических установок, электропроводов высокого напряжения, должны быть обучены практическим приемам обесточивания и оказания первой медицинской помощи пострадавшим.
Неизолированные провода, шины, контакты магнитных пускателей и предохранителей, находящиеся вне электроустановок, должны быть со всех сторон ограждены или находиться на высоте, недоступной для прикосновения к ним посторонних лиц.
На территории производственных предприятий в целях безопасности на соответствующих участках внутризаводских дорог устанавливаются предупреждающие и запрещающие знаки, хорошо видимые в любое время суток.
Внутризаводские дороги и пешеходные дорожки в зимнее время необходимо регулярно очищать от снега и льда и посыпать противогололедными материалами.
Производственные предприятия должны быть оборудованы душевыми кабинами, умывальниками, помещениями для сушки, обеспыливания и обеззараживания одежды и обуви, комнатами гигиены для женского персонала.
Охрана труда в карьерах. К руководству горными работами на открытых разработках допускаются лица, имеющие законченное высшее или среднетехническое образование и право на ведение горных работ. В карьерах производительностью менее 10 000 м3 горной массы в год к техническому руководству могут быть допущены лица со стажем работы в карьере не менее 2 лет, без права производства подземных или взрывных работ.
Заблаговременно до начала вскрышных работ необходимо удалить кустарники, пни и деревья с намеченной для разработки площадки. Плодородный слой грунта на площади, занимаемой карьером и отвалами, следует снимать, складировать и хранить для последующей рекультивации нарушенных земель при разработке карьера.
Отвалы грунта, не пригодного для строительства дорог, размещают в выработанном пространстве или вне карьера, используя естественные и искусственные неровности рельефа местности. При этом необходимо предусматривать специальные устройства для пропуска дождевых и паводковых вод. При отсутствии естественного стока поверхностных и подпочвенных вод карьер должен иметь водоотлив. Наличие воды в забое, особенно в песчано-глинистых, гравийно-песчаных и некоторых других породах, приводит к потере устойчивости откосов, что может вызвать оползни и обрушение.
Высота отвала устанавливается дорожной организацией в зависимости от физико-механических свойств пород отвала и рельефа местности. При использовании бульдозеров при перемещении грунта в отвалы берма по всему фронту разгрузки должна иметь поперечный уклон до 3°, направленный от бровки откоса в глубину отвала. Углы откосов рабочих уступов не должны превышать: 25° при разработке бульдозером на подъем и 30° при разработке под уклон (спуск с грузом); 35° при работе канатно-скреперной установки; угла естественного откоса при ручной разработке рыхлых и сыпучих пород; 80° при разработке породы одноковшовым и роторным экскаваторами, а также при ручной разработке скальных пород; 50° при ручной разработке мягких, но устойчивых пород. При выполнении работ вручную у бровки откоса и на откосе с углом более 35° необходимо применять предохранительные пояса и веревки, закрепленные за надежные опоры. При разработке грунтов, склонных к оползням, должны быть предусмотрены дополнительные меры безопасности.
Запрещается находиться под навесами или козырьками уступов, а также проводить работы подкопами, пещерами и иными способами, представляющими повышенную опасность. Выработки карьеров, а также провалы и воронки должны быть надежно ограждены по всему периметру, особенно вблизи населенных пунктов, дорог и троп для предохранения от падения в них людей и животных. Ограждения должны быть установлены не ближе 1 м от бровки откоса высотой не менее 1,5 м с двумя-тремя промежуточными элементами по высоте. В карьерах, в которых временно прекращена работа, выработки и прилегающую территорию требуется привести в безопасное состояние с освещением в темное время суток. Ширина рабочей площадки уступа должна обеспечивать размещение транспортного и технологического оборудования за пределами призмы обрушения породы. Высота уступа не должна превышать: при разработке одноковшовыми экскаваторами типа механической лопаты без применения взрывных работ - максимальную высоту черпания экскаватора; при разработке одноковшовыми экскаваторами типа механической лопаты крепких пород с применением взрывных работ при одно- или двухрядном взрывании - более чем в 1,5 раза высоту черпания экскаватора, при этом высота развала не должна превышать высоту черпания экскаватора; при разработке ручным способом рыхлых и сыпучих пород - 3 м, легких, но устойчивых, а также крепких монолитных пород - 6 м.
Для спуска на уступ требуется устанавливать лестницы с двухсторонними поручнями. Наклон лестниц не должен превышать 60°. Маршевые лестницы шириной не менее 0,8 м с горизонтальными площадками устанавливают при высоте уступа более 10 м. Проходы к лестницам должны быть выровнены по ширине лестницы. Подходы, ступеньки и площадки лестниц должны быть чистыми и нескользкими. Если они покрыты льдом, необходимо применять противогололедные средства, принятые для данного климатического района. Бермы, используемые как пешеходные дорожки для передвижения рабочих, должны иметь ограждения.
Состояние уступов, траншей, откосов, отвалов и бортов должно контролироваться работниками технического надзора. При наличии признаков сдвига пород работы требуется немедленно прекратить, а работающих и оборудование удалить на безопасное расстояние.
При бурении перфораторами с треноги или колонки ширина рабочей бермы должна быть не менее 4 м, а при ручном бурении не менее 2,5 м. При наличии в породе более 10 % свободной двуокиси кремния перфораторное бурение возможно только с промывкой водой или сухим удалением пыли с целью охраны здоровья работающих.
Транспортные средства должны разгружаться на отвале за границей призмы обрушения. Расстояние от бровки откоса до края гусеницы дорожно-строительных машин определяется с учетом местных горно-геологических условий и должно быть занесено в паспорт ведения работ в отвале и забое. Угол съезда груженых колесных скреперов с тракторной тягой допускается до 15°.
При погрузке породы экскаватором в автомобили и другие транспортные средства водители транспортных средств обязаны подчиняться сигналам машиниста экскаватора. Расстояние между двумя работающими экскаваторами-драглайнами должно быть более суммы наибольших радиусов действия с учетом величины заброса ковша драглайна. Расстояние по горизонтали между экскаваторами типа механической лопаты, работающими в двух смежных по вертикали уступах, должно быть более 1,5 максимальных радиусов черпания.
Независимо от объема, характера и назначения взрывные работы в притрассовых карьерах должны проводиться специализированными организациями на подрядно-договорных началах.
Работающие, как в карьере, так и население жилых поселков должны быть заблаговременно оповещены о времени и месте проведения взрывных работ, принятых сигналах и их значении, о границах опасной зоны, а на время производства взрывных работ удалены за пределы опасной зоны.
Карьер должен иметь установленную систему сигнализации, предупреждающую о недопущении появления кого бы то ни было в карьере на период производства взрывных работ. На период производства взрывов участок оцепляется охраной.
При использовании взрывчатых веществ для разработки карьера в породе могут оставаться невзорвавшиеся заряды. При их обнаружении работу требуется прекратить, а экскаватор отвести в безопасное место. Из забоя всегда должен быть свободный выход. Отказы разрешают ликвидировать взрыванием зарядов во вспомогательных шпурах, пробуренных параллельно отказавшим на расстояние не ближе 30 см - при удлиненных зарядах и 50 см - при котловых зарядах. Впуск рабочих в карьер и снятие ограждающей сигнализации могут быть произведены лишь после установления причины отказа взрыва скважины и осторожной повторной зарядки ее.
Все проходы и проезды должны быть достаточно освещены. В притрассовых карьерах принята следующая освещенность: автомобильные дороги на строительной площадке - 2 лк; погрузка, установка, разгрузка - 10 лк; разработка грунта машинами - 10 лк; буровые работы, забивка свай - 10 лк; подходы к рабочим местам - 5 лк; рабочая площадка карьера - 2 лк; буровые работы - 10 лк; забой - 9 лк; земляные работы - 10 лк.
Мероприятия по охране труда на камнедробильных заводах. Требования охраны труда на камнедробильных заводах (КДЗ) предусмотрены Правилами техники безопасности в нерудной промышленности. Рабочие места должны быть безопасны для производства работ, пребывания людей и перемещения их, не иметь скользких поверхностей.
В технологических процессах, связанных с дроблением, сортировкой и транспортированием пылящих материалов, следует предусмотреть: наибольшую механизацию и автоматизацию переработки и транспортирования материалов; увлажнение перерабатываемого материала, когда это необходимо по условиям эксплуатации машин и технологии производства; применение дробильно-сортировочных машин с встроенными укрытиями, пылеулавливающими устройствами; минимальное количество узлов перегрузки с одного ленточного транспортера на другой.
На движущихся частях машин должны быть предусмотрены ограждения, козырьки и решетки у приемного отверстия дробилок. Для перехода через ленточные транспортеры необходимо устраивать мостики с перилами. Запрещается загромождать рабочие места и выходы камнем, разными предметами, препятствующими свободному перемещению людей.
Опасные зоны должны быть ограждены соответствующими знаками и предупредительными надписями, освещенными в ночное время. Перед пуском машин должны подаваться звуковые или световые сигналы.
Работа технологического оборудования КДЗ сопровождается шумом от работ дробилок, грохотов, течек для материалов. Одно из технически возможных средств снижения шума - автоматизация производственных процессов. Для устранения шума целесообразно использование на машинах и оборудовании кожухов со звукоизолирующей оклейкой их листовой резиной, войлоком, картоном, в перегрузочных узлах и течках - шум можно значительно уменьшить покрытием их звукоизолирующим материалом, устройством резиновых подушек в местах падения материалов.
Вредное воздействие вибрации можно снизить подвеской грохотов к строительным конструкциям на пружинах или рессорных амортизаторах; изоляцией фундаментов по периметру и в основании материалами с малым акустическим сопротивлением для ослабления передачи вибрации на рабочие места через грунт; установкой машин на фундаменты с упругими амортизаторами (резина, пластмасса).
Охрана труда при эксплуатации битумных и эмульсионных баз. К работе на битумных эмульсионных базах и цехах допускаются лица, прошедшие инструктаж по технике безопасности, сдавшие необходимый техминимум по безопасным методам работы на эмульсионных установках и имеющим удостоверение на право управления соответствующими машинами.
Работать на битумоплавильных и эмульсионных установках имеют право только те рабочие, у которых имеются удостоверения на право управления машинами и которые абсолютно здоровы. На работе должна быть аптечка с набором медикаментов и нейтрализующих веществ: питьевая сода, борная кислота, слабая уксусная кислота, спирт, лейкопластырь, вата, бинты и др.
Обязательно должно быть выделено помещение для хранения личной одежды и отдельно спецодежды, помещение и оборудование для обеззараживания, стирок и сушки.
Все работающие на приеме-сливе битума, дегтя и других органических или химических материалов должны быть обеспечены соответствующими инструментами и приспособлениями. Состояние этих приспособлений и устройств для слива материалов из цистерн или бункеров должны проверяться до начала смены руководителями работ.
Все приспособления и устройства для слива вяжущих материалов должны быть размещены так, чтобы не мешать работе и обеспечивать свободный проход. Паро- газопроводы и трубопроводы для горячей воды не должны иметь утечки, а места, к которым могут прикоснуться рабочие, должны быть изолированы и ограждены во избежание ожогов. Присоединения шлангов к разводящему трубопроводу должны быть выполнены со всей тщательностью и находиться в таком состоянии, чтобы исключалась возможность их срыва. Для предотвращения аварий в зимнее время их следует по окончании работ тщательно продуть сухим паром или воздухом.
При необходимости очистки или ремонта железнодорожной или автомобильной цистерны спускаться внутрь цистерны могут только те рабочие, которые прошли специальные инструктаж, тренировку и сдали экзамен. В момент спуска рабочего в цистерну слой остатка материала в ней не должен быть более 20 см.
Рабочие, спускающиеся внутрь цистерны, обязательно надевают предварительно проверенный (в течение 2-3 мин) шланговый прибор для дыхания, спасательный пояс, веревку и спецодежду, соответствующую (по положению) выполняемой работе и роду груза. Для спуска в цистерну служит внутренняя или же переносная лестница. Спасательный пояс надевают поверх спецодежды на уровне поясницы; его необходимо затянуть и застегнуть пряжку, для чего служат лямки регулируемой длины. Спасательная веревка должна быть длиной не менее 12 м с узлами через каждые 0,5 м; она должна выдерживать не менее 200 кг груза. Перед спуском рабочего в цистерну один конец веревки привязывают к поручню цистерны, а другой прикрепляют к верхнему кольцу спасательного пояса.
Непосредственно перед спуском в цистерну все снаряжение должно быть еще раз проверено. Во время спуска в цистерну и выхода из нее запрещается держать в руках какие-либо предметы. Инструменты, фонарь и другие требуемые для работы предметы спускаются в цистерну отдельно.
По правилам безопасности во время нахождения рабочего в цистерне и до полного выхода из нее требуется, чтобы у колпака горловины цистерны неотлучно находился дежурный рабочий, называемый «верховым». Этот рабочий снабжается таким же снаряжением, как и находящийся в цистерне. Он обязан следить за положением и состоянием спасательной веревки и подающего воздух шланга, а по сигналу рабочего (изнутри цистерны) спускать или поднимать веревку и шланг. Кроме того, «верховой» рабочий должен прислушиваться к сигналам работающего в цистерне и в необходимых случаях оказывать ему помощь. Оба рабочих периодически сменяют друг друга, запрещается одновременное их нахождение внутри цистерны.
Рабочий, работающий в цистерне, должен быть проинструктирован о том, что в случае обнаружения какого-либо запаха под маской или недомогания (даже при ощущении легкого недомогания) он обязан немедленно подняться из цистерны наверх, спуститься с цистерны на землю и вызвать ответственного (бригадира, мастера) за проверку состояния дыхательных приборов. Только после полного устранения неисправности дыхательного прибора или его замены новым и при нормальном самочувствии рабочий может снова приступить к работе.
Битум загружают в битумоплавильную установку и рабочие расходные котлы механизированным способом - насосом. Все битумные емкости должны быть очищены от осадка - нагара; рабочие на очистке должны работать в спецодежде и предохранительных очках под наблюдением ответственного лица - бригадира, мастера. Битум не должен содержать посторонних примесей (грязи) и воды. Если горловины котлов не закрыты герметически, необходимо для предотвращения вспенивания и вытекания битума производить его циркуляцию с помощью насоса и системы переключаемых кранов в магистрали или оборудовать котлы исправными механическими мешалками. Перемешивать битум в котле вручную веслом категорически запрещается. При вспенивании рекомендуется переливать битум в запасный котел путем перекачки насосом.
При выпуске горячего битума в весовой ковш дозирующей установки, в автогудронатор или в другие емкости необходимо с особой осторожностью открывать сливной кран во избежание ожогов. Разжижать битум чистым бензином, керосином или лигроином разрешается только в емкостях, оборудованных пароподогревом и насосом; предварительный подогрев битума допускается до температуры не более 80°С. При вливании растворителя в котел с разогретым битумом топка должна быть загашена и обеспечено тщательное перемешивание. Во время разжижения битума запрещается курить и применять открытый огонь.
Битумоплавильные установки должны быть снабжены термоизмерителями для контроля степени нагрева битума, а для обеспечения безопасности рабочего при измерении температуры это измерение необходимо переводить на дистанционное и автоматическое.
По окончании работ машинист битумоплавильной установки обязан очистить рабочее место и передать ее в установленном порядке сменщику. Если работа заканчивается без смены, машинист обязан погасить топку, перекрыть питающие магистрали, выключить освещение и отключить силовую линию, а установку сдать охране.
При работе с битумными эмульсиями используются следующие индивидуальные средства защиты работающих: бумажные хлопчатобумажные костюмы и комбинезоны, кожаные ботинки, комбинированные и брезентовые рукавицы, перчатки диэлектрические, защитные очки, каски и шлемы, предохранительные пояса и др.
Если эмульсию приготавливают в закрытом помещении, то обеспечивают его приточно-вытяжной вентиляцией (с кратностью обмена воздуха 15-20 раз).
Эмульгаторы, едкий натр и его растворы следует хранить в металлических баках, цистернах с плотно закрывающимися крышками.
Соляную кислоту хранят в стеклянных бутылках только со стеклянными притертыми крышками. Бутыль с концентрированной соляной кислотой переносят к месту приготовления раствора на специальных носилках. При приготовлении раствора соляной кислоты требуемой концентрации кислоту следует добавлять в воду небольшими порциями.
Люки битумных котлов должны быть постоянно закрыты решетками с ячейками размером не более 25×25 см и снабжены крышками. Между котлами должна быть обеспечена циркуляция на случай вспенивания битума.
Все трубопроводы битума, пара, горячей воды и эмульгаторов должны быть изолированы, краны на них снабжены пластмассовыми ручками, к ним должен обеспечиваться свободный проход.
Установка для приготовления эмульсий должна быть оснащена аварийными блокировками, обеспечивающими исключение опасной ситуации, а также сигнализацией, предупреждающей достижения предельнодопустимых значений параметров технологического процесса, выход за пределы которых может вызвать возникновение опасных и вредных факторов.
На случай розлива продукта необходимо выполнить обваловку вокруг резервуаров, а уборку площадок от пролива продукта следует производить сухим способом с последующим вывозом песка в места хранения.
Для ликвидации условий теплового самовозгорания битума и эмульгатора теплоизоляцию емкостей покрывают металлическими кожухами. Это предотвращает пропитку теплоизоляции при попадании на нее нефтепродуктов.
Емкости, имеющие подогрев, заполняют растворами не более чем на 0,8 их объема, к ним должна быть обеспечена подача холодной воды. В случае вспенивания раствора эмульгатора в емкость добавляют холодную воду и включают подогрев емкости.
Для тушения битума используют распыленную пену, воду. Развившиеся пожары разлитого продукта на большой площади можно локализовать мощными струями воды от лафетных стволов. При загорании небольших количеств продуктов целесообразно применять ручные огнетушители. Для тушения эмульгатора при розливе на большой площади целесообразно использовать воздушно-механическую пену, распыленную водой, при загорании небольших количеств эмульгатора можно использовать ручные огнетушители.
При попадании на кожу лица и рук капель растворов анионных эмульгаторов сначала обмывают эти места кожи большим количеством воды, а при попадании раствора щелочи обрабатывают еще слабым раствором борной или уксусной кислоты. Затем умывают лицо и моют руки с мылом и смазывают вазелином или эфирным кремом.
При работе с катионными ПАВ требуется особенно оберегать кожу от загрязнения этими веществами. Попавшие на кожу водорастворимые ПАВ или их растворы следует смыть сильной струей воды с нейтральным мылом (детским). Водонерастворимые эмульгаторы сначала снимают соляровым раствором или другим маслом, не втирая в кожу, затем смывают водой с нейтральным мылом.
Соляную кислоту смывают сильной струей воды и на пострадавший участок накладывают примочку из 2 % содового раствора. Битум, попавший на кожу, смывают соляровым маслом, а затем делают примочку из этилового спирта.
Битумные эмульсии не относятся к вредным, взрыво- и пожароопасным веществам и при обращении с ними специальных мер предосторожности не требуется. В случае попадания эмульсии на одежду, лицо и руки надо быстро смыть ее холодной водой, остатки битума - соляровым маслом, а затем вымыть эти места теплой водой с мылом. Обратные эмульсии смывают бензином или керосином.
Все лица, занятые на обслуживании установки, должны быть ознакомлены с правилами безопасной работы с данным ПАВ-эмульгатором, который применяется для приготовления эмульсии. Необходимые сведения по этому вопросу излагаются в разделе техники безопасности стандартов или технических условий на данное вещество.
Техника безопасности при эксплуатации АБЗ. Пожароопасные места (склады топливосмазочных материалов и поверхностно-активных добавок, битумохранилища, битумоплавильные агрегаты, асфальтобетонные смесители) должны быть оснащены щитами с противопожарным оборудованием, огнетушителями, ящиками с сухим песком. Тушение загоревшихся топливосмазочных материалов, поверхностно-активных добавок, битума производится огнетушителями-пеногонами, песком. Для глушения источника огня можно применять брезент или кошму.
Разрывы и проходы между установками завода должны быть не менее 3 м, чтобы обеспечить беспрепятственный подъезд пожарным машинам к любой установке завода и в любое время дня и года. Сооружения и сгораемые строения завода необходимо располагать от пожароопасных мест не менее чем на 50 м.
Битумный дозатор по массе должен быть всегда плотно закрыт крышкой, предохраняющей от разбрызгивания горячего битума. Рабочие места машиниста и форсунщика должны быть оснащены огнетушителями-пеногонами.
В качестве разжижителя битума можно использовать лигроин, керосин или дизельное топливо. Разжижать битум можно под руководством ответственного лица и в дневное время. Оборудование для разжижения битума должно располагаться не ближе 30 м от битумохранилища и битумоплавильного агрегата. Подогрев разжиженного битума осуществляется только теплоносителями с температурой 100-300°С. Разжижитель подают непосредственно в массу битума, а не на его поверхность, чтобы разжижитель не загорелся. Рабочим, занятым разжижением битума, целесообразно находиться с наветренной стороны от оборудования и применять индивидуальные средства защиты, в том числе респираторы и очки.
Штабеля песка и щебня, располагаемые над течками конвейерных галерей, должны быть ограждены надписями «Вход в штабель воспрещен, под штабелем течка».
Асфальтобетонный смеситель разрешается пускать в работу только после подачи предупредительного звукового сигнала; установления исправности машины, выявленной путем тщательного внешнего осмотра; проверки исправности электропроводки и узлов автоматики, механизмов и местного пуска отдельных механизмов, наличия соответствующего давления сжатого воздуха в системе пневмопривода; опробования вхолостую всех узлов и агрегатов смесителя, пробного пуска битумного насоса, подающего битум от битумоплавильного агрегата к смесителю и обратно; установки транспортного средства под погрузку на АБЗ, где отсутствует накопительный бункер готовой смеси (при наличии накопительного бункера проверяют вхолостую открытие и закрытие затворов бункера, работу скипового подъемника).
При отсутствии автоматической системы розжига основной форсунки сушильного барабана розжиг и регулировка форсунки должны производиться форсунщиком, находящимся сбоку топки. Запрещается стоять против форсунки во время розжига и ее работы. При неисправности топок, форсунок или газовых горелок работа сушильного барабана запрещается. Все сушильные барабаны асфальтобетонных смесителей должны быть оборудованы двух- или трехступенчатой системой пылеулавливания.
По окончании работы асфальтобетонного завода пульт управления, пусковые приспособления необходимо отключить и запереть, чтобы исключить возможность пуска смесителя или машины посторонними людьми.
Осмотр и ремонт внутренних частей сушильного барабана «горячего» элеватора, грохота, «горячего» бункера, дозаторов по массе, мешалки, пылеулавливающего оборудования, а также накопительного бункера готовой смеси, где они имеются, разрешается проводить только после их остывания.
Магистральные теплопроводы для подачи жидкого топлива в форсунки битумоплавильных агрегатов могут располагаться не ближе 2 м от форсунок. Подводящие топливопроводы к каждой форсунке должны иметь самостоятельные краны, расположенные в удобном для использования месте.
Применять открытый огонь для разогрева битумопроводов перед началом работы запрещается. В случае возгорания битума в котле битумоплавильного агрегата необходимо плотно закрыть крышкой горловину котла и отключить форсунку.
Запрещается оставлять битумоплавильные агрегаты без присмотра при включенной электроэнергии, пользоваться металлическими приспособлениями для замера или перемешивания битума. Электронагреватели должны быть полностью погружены в битум. Обслуживать и ремонтировать элементы электронагревателей разрешается только при отсутствии в них тока. Все металлические элементы битумоплавильных агрегатов должны быть заземлены. Очистка, обслуживание и ремонт оборудования для разогрева и приготовления битума возможны только после их полного остывания.
Очистку котлов битумоплавильных агрегатов должны выполнять два человека: один спускается вниз, а другой страхует его привязанной к предохранительному поясу веревкой. Для освещения внутренних деталей котла необходимо использовать переносную лампу напряжением не выше 12 В во взрывобезопасном исполнении.
Поверхностно-активные вещества, содержащие воду, могут вводиться в битум, если его температура не ниже 95 °С. Помещения, в которых приготавливаются активированные асфальтобетонные смеси, должны обеспечиваться приточно-вытяжной вентиляцией.
Попавшие на кожу водорастворимые поверхностно-активные добавки (катапин, катамин) должны быть немедленно смыты сильной струей воды и вымыты нейтральным, не содержащим соду мылом. Поверхностно-активные вещества высших алифатических аминов (диамин, БП-2, БП-3, эвазин и т.п.) сначала снимают растворителями (керосин, бензин), не втирая в кожу, а затем смывают водой с нейтральным мылом. Анионные поверхностно-активные вещества типа высших карбоновых кислот (госсиполовая смола, второй жировой гудрон, окисленные петролатум или рисайкл и др.) удаляются с поверхности кожи так же, как и высшие алифатические амины. Хлорное железо, попавшее на кожу работающего, смывают водой с нейтральным мылом, а поврежденные участки смазывают жиром.
Техника безопасности при эксплуатации ЦБЗ. Крутизна откосов щебня, песка, гравия на складах должна соответствовать углу естественного откоса указанного материала. Желоба и лотки, по которым подаются составляющие или цементобетонные смеси, устанавливаются такой длины и такого наклона, чтобы материал поступал в машину или установку без удара.
На ЦБЗ с бетоносмесителями непрерывного действия запрещается работать при неисправном затворе бункера накопителя.
Корыта смесительных машин должны быть закрыты по всей длине крышкой. Вместо крышки допускается использовать решетку с ячейками в свету размерами не более 7×7 см.
Цемент целесообразно хранить в силосах или других емкостях, принимая меры против его распыления при погрузочно-разгрузочных работах и хранении.
Запрещается производить всякие работы в силосе или бункере, если имеется вертикальная стенка цемента, стоять у загрузочных и разгрузочных люков цемента.
Опорные ролики барабана бетономешалки должны быть тщательно выверены и ограждены.
В нижней части разгрузочного бункера целесообразно навешивать брезентовые или резиновые рукава, снижающие степень разбрызгивания бетонной смеси.
При остановке любой машины или оборудования технологической линии необходимо подать звуковой или световой сигнал, после которого должны быть остановлены машины питающей технологической линии.
Пуск остановленной технологической линии возможен после устранения неисправности и разрешения сменного механика, руководившего устранением неисправности. Категорически запрещается во время работы бетоносмесителей:
очищать барабан, вал лопасти, винты стенки и др.;
проталкивать материал ручными приспособлениями (лопатами и пр.);
поднимать руками кусок материала или посторонние предметы;
вставать на крышку или решетку бетоносмесителя;
отбирать пробы через крышку.
Очистка корыта или барабана бетономешалок от остатков смеси возможна только после остановки машины. Для этого необходимо удалить предохранители электрических цепей, закрыть на замок пусковые устройства и повесить табличку «Не включать. Работают люди».
Охрана труда на полигонах и заводах железобетонных изделий
Арматурные работы. Для создания безопасных условий при выполнении арматурных работ необходимо соблюдать следующие основные правила.
При правке и резке арматурной стали на правильно-отрезных станках заправку конца проволоки или катанки из бухты в правильный барабан и тянущие ролики станка осуществляют при выключенном электродвигателе; перед пуском электродвигателя правильный барабан закрывают защитным кожухом; путь прохождения проволоки или катанки между вертушкой с бухтой и заправочным отверстием у станка ограждают конусовидным приспособлением, сваренным из прутковой стали диаметром 12 мм; нельзя включать станок, если в приемном желобе лежит пруток.
При резке арматурных стержней на станках с механическим приводом резку арматуры начинают только после того, как маховое колесо станка достигло необходимой скорости вращения; запрещается резать арматурные стержни, которые по прочности и диаметру превосходят технические показатели данного станка; не допускается перерезание стержней длиной менее 30 см, если отсутствуют специальные приспособления для этой цели.
При гибке арматурных стержней на станках с механическим приводом перед закладкой арматурных стержней необходимо останавливать диск; упоры и гибочные пальцы заменяют только после остановки станка, запрещается удлинять рычаги станков обрезками труб, а также опираться на эти рычаги; не следует производить гибку стержней диаметром более допускаемого по техническим показателям станка.
При работе в темное время суток освещенность рабочих мест должна быть не менее 50 лк, мест погрузочно-разгрузочных работ - не менее 10 лк, подсобных помещений и проходов - 5 лк.
При контактной (точечной, стыковой) электросварке до начала сварочных работ необходимо при включенном напряжении проверить исправность и надежность заземления педальных пусковых контактов машин и наличие сверху педали прочного ограждения.
Контактные машины для сварки с оплавлением должны быть снабжены защитным прозрачным щитом, предохраняющим от искр и позволяющим вести наблюдение за процессом сварки.
Электропитание к передвижным или подвесным машинам контактной сварки подается изолированным гибким проводом в защитном шланге. Электроды на точечных и роликовых электросварочных машинах и переключатели ступеней напряжения защищают только при выключенном сетевом рубильнике.
Точечные и роликовые электросварочные машины напротив электродов со стороны обслуживания должны быть оборудованы откидывающимися прозрачными экранами.
Рубильник включают и выключают в диэлектрических перчатках, под ноги в это время подкладывают диэлектрический коврик. При автоматической и полуавтоматической электросварке под флюсом не допускается применение влажного и загрязненного флюса, в особенности если он загрязнен маслами, жирами или смолами.
К обслуживанию натяжных устройств и к работе по заготовке и натяжению арматуры допускаются лица, изучившие устройство оборудования (натяжных домкратов, гидродомкратов, насосных станций, намоточных машин), правила его эксплуатации, технологию натяжения арматуры.
При использовании натяжных устройств перед началом работы осматривают установку, проверяют плотность соединения маслопроводов, чтобы убедиться в исправности всех контрольно-измерительных приборов, пусковых и предохранительных приспособлений и оснастки (захватов, тяг и т.д.). После того как установлены все машины и механизмы, смонтированы подводки электроэнергии, воды и оборудовано рабочее место, до начала работ все механизмы должны быть испытаны. Усилие натяжения при испытании должно превышать на 10 % фактическую максимальную нагрузку. Стендовые линии, силовые формы, поддоны, инвентарные тяги и захватные приспособления перед сдачей в эксплуатацию подвергают статическим испытаниям на нагрузку, превышающую проектную на 25 %. Всю систему насосной установки, шланги или трубки, соединяющие установку с гидродомкратами, не реже одного раза в месяц опрессовывают давлением, на 25 % превышающим расчетное, с выдержкой в течение 1 ч.
Запрещается работать при неисправных механизмах и приборах, при отсутствии или некачественном заземляющем устройстве электрооборудования, при течи масла в гидросистеме, а также осматривать, ремонтировать, чистить, вытирать и смазывать движущиеся части гидродомкрата и насосной станции при работе механизмов.
При работе на установках для электронагрева арматуры рабочие должны соблюдать следующие правила: работать только на исправном оборудовании и в резиновой обуви; вынимать арматуру из контактов и укладывать ее в упоры стендов, кассет и форм после выключения тока; не находиться на форме, поддоне или стенде до полного охлаждения стержней, проволоки и канатов.
Бетонные работы. Для создания безопасных условий труда при приготовлении бетонной смеси необходимо соблюдать следующие правила.
Площадки в пределах рабочей зоны бетоносмесителей, включая подъезды и склады, содержат в чистоте и не загромождают. Все рабочие механизмы освещают. Подъемники, бункеры, лотки и другие устройства для подачи материалов ограждают, а электродвигатели заземляют.
Закрытые помещения, в которых работают с пылящими материалами и добавками, оборудуют вентиляцией или устройствами, предупреждающими распыление материалов. Пылеобразование в основном возникает при транспортировании и перегрузке цемента, поэтому во время таких операций рабочие должны пользоваться противопылевой спецодеждой, защитными очками с плотной оправой, а для защиты дыхательных путей - респираторами.
При приготовлении бетонных смесей с химическими добавками соблюдают меры предосторожности против ожогов, повреждения глаз и отравления. Необходимо остерегаться попадания на кожу и в пищу растворов солей, особенно нитритов и нитратов.
До пуска в эксплуатацию каждую машину осматривают и испытывают. Осмотр, очистка и ремонт бетоносмесителей разрешается только после удаления из цепи электродвигателей плавких вставок предохранителей. Подводящие электропровода заключают в газовые трубы или резинотканевые рукава.
При выгрузке бетонной смеси из бетоносмесителя запрещается ускорять опорожнение вращающегося барабана лопатой или любым другим приспособлением. Очищать приямок ковша скипового подъемника можно только после дополнительного закрепления поднятого ковша. При работе дозаторов запрещается регулировать конечные выключатели, реле и настраивать датчики при включенном пульте управления; снимать и надевать напорные рукава при включенном сжатом воздухе; производить юстировку и технический осмотр циферблатного указателя при включенном пульте управления.
Проходы и проезды, над которыми находятся конвейеры, защищают навесами, проложенными за габариты конвейера не менее чем на 1 м.
Силосы и бункеры для хранения цемента оборудуют устройствами для обрушения сводов (зависаний) цемента. Для работ внутри силосов и бункеров назначают не менее 3 рабочих, двое из которых, находясь на перекрытии силоса или бункера, следят за безопасностью работающих в бункере и в случае необходимости оказывают помощь пострадавшим. Рабочих, находящихся внутри силоса или бункера, обеспечивают респираторами.
Загрузочные отверстия емкостей для хранения пылевидных материалов закрывают защитными решетками, люки в защитных решетках запирают на замок.
Для заводов ЖБИ характерно большое выделение тепла и переувлажнение воздуха в производственных помещениях. Главным источником переувлажнения являются пропарочные камеры и автоклавы. Улучшение работы и повышение безопасности обслуживания обеспечивается за счет применения средств регулирования и полной автоматизации управления. Условия труда значительно облегчаются устройством приточно-вытяжной вентиляции, изоляцией нагревающихся частей машины, герметизацией камер и паропроводов.
Во всех помещениях необходимо предусматривать естественную или искусственную вентиляцию. Для защиты от перегрева рабочие должны иметь защитную одежду с повышенной гигроскопичностью и воздухопроницаемостью.
Для ликвидации опасного влияния вибрации машины и оборудования с динамическими нагрузками необходимо тщательно изолировать и перевести на дистанционное или автоматическое управление. Рабочие, обслуживающие вибрационные установки, должны быть обеспечены противовибрационными рукавицами и специальными ботинками с утолщенной до 40 мм подошвой из мягкой резины.
Для борьбы с шумом следует использовать изолирующие кожухи. В больших цехах потолок и стены на 50 % облицовывают акустической (звукопоглощающей) штукатуркой, пористыми плитами, также звукоизолируют машины от фундаментов. В качестве индивидуальных средств зашиты от шума используют наушники, ушные заглушки, шлемы. Для защиты органов дыхания от токсичных газов и паров целесообразно использование противогазов и изолирующих дыхательных приборов - респираторов.
Борьба с пыле- и газообразованием в карьерах. В карьерах загрязнение атмосферы пылью происходит при буровых и взрывных работах, экскавации и погрузке разрабатываемых пород, их вторичном дроблении, транспортировке, а также при отвалообразовании.
При работе дизельного карьерного оборудования, автомобильного транспорта, при окислительных процессах и взрывных работах в карьерах выделяются вредные газы, содержание которых зачастую превышает предельно допустимые концентрации (ПДК). Из газов наиболее опасны альдегиды, окислы азота и углерода. Степень загрязнения атмосферы пылью и газами зависит от интенсивности работы карьерного оборудования, динамики воздухообмена карьера, климатических условий и интенсивности работы имеющихся средств пылеобразования.
Источники пылеобразования в карьерах могут быть: точечными (экскаваторы, бульдозеры, погрузчики, буровые машины, автосамосвалы и др.); линейными (транспортеры); площадочными (отвалы карьеров). В свою очередь точечные и линейные источники могут быть неподвижными и перемещающимися. Интенсивность пылевыделения в карьерах различными источниками приведена в табл. 29.1.
Таблица 29.1
Интенсивность пылевыделения различными источниками в карьерах
|
Источники пылевыделения в карьерах |
Интенсивность пылевыделения в карьерах, мг/с |
|
Шарошечное бурение шпуров и скважин (в зависимости от скорости бурения на 1 станок) |
60-140 |
|
Экскавация породы (в зависимости от вида породы, ее грансостава, влажности и скорости ветра) |
30-400 |
|
Транспортирование породы автомобилями-самосвалами (в зависимости от состояния покрытий, скоростей движения и климатических условий) |
330-1200 |
|
Сдувание пыли с карьерных отвалов (при скорости ветра 3-5 м/с) |
До 3600 |
|
Взрывные работы в карьерах |
До 5000 |
Мероприятия по борьбе с пылеобразованием в карьерах зависят от видов источников пылеобразования. При бурении шпуров и скважин перфораторами и шарошечном бурении образуются каменные частицы и пыль следующих фракций: крупная буровая мелочь (размером более 1 мм); буровая мелочь (менее 1 мм); грубодисперсная пыль (менее 10 мкм). Пылеулавливание при бурении производится в основном в несколько стадий, с помощью пылеосадительных камер, различных циклонов, рукавных фильтров и др. Лучшие результаты дает применение мокрых пылеуловителей и тканевых рукавных фильтров, перспективно также подавление пыли при буровых работах водовоздушной смесью, получаемой в результате распыления воды потоком сжатого воздуха.
Значительное загрязнение атмосферы происходит при взрывных работах в карьерах и при разработке скальных выемок. За один массовый взрыв в атмосферу выбрасывается до 150-200 т пыли и 6000-8000 м3 газов. Концентрация пыли в пылегазовом облаке изменяется от 680 до 4250 мг/м3.
Для уменьшения количества образующихся при взрывах токсичных газов необходимо применять взрываемое вещество с нулевым или близким к нему кислородным балансом. При применении взрываемых веществ с отрицательным балансом для снижения загрязнения атмосферы рекомендуется в забоечный материал добавлять различные нейтрализаторы, например, известь-пушонку.
Эффективен и способ гидрообеспыливания, как внешняя, так и внутренняя водяные забойки скважин. Внутренняя водяная забойка скважин производится при взрывании обводненных скважин, внешняя - путем установки над скважинами полиэтиленовых емкостей с водой, взрываемых на доли секунд раньше скважинных зарядов, образующаяся водяная завеса позволяет уменьшить количество пыли в 1,5-2 раза, NО2 - 1,3-2 раза.
Орошение пылегазового облака возможно также искусственным осадкообразованием или с помощью дождевальных установок и вентиляторов-оросителей.
Воду, удаляемую из карьера, необходимо сбрасывать в ближайший водоток или в место, исключающее возможность ее обратного проникновения в выработки и заболачивание прилегающих территорий. Сброс воды производят после ее осветления, а в необходимых случаях после очистки от вредных примесей. Места сброса необходимо согласовывать с местными органами санитарного надзора.
Промывка материалов в притрассовых карьерах с осветлением промывочной воды производится в тонкослойных отстойниках и прудах-отстойниках.
Пруды-отстойники можно устраивать в замкнутых котлованах (в выработанном пространстве карьера) или в оврагах и логах (путем их перегораживания дамбами).
Выбор мест размещения отстойников (табл. 29.2) определяют на основании технико-экономического сопоставления вариантов в увязке с компоновкой сооружений и устройств карьера и в зависимости от топографических, инженерно-геологических и гидрологических условий района строительства.
Таблица 29.2
Техническая характеристика тонкослойных отстойников
|
Показатель |
Тонкослойные отстойники |
||
|
Производительность по исходной суспензии, м3/ч |
40 |
100 |
300 |
|
Площадь поверхности слива, м2 |
0,92 |
4,3 |
6,4 |
|
Площадь поверхности подачи воды, м2 |
0,37 |
0,56 |
0,8 |
|
Вместимость ванны, м3 |
2,75 |
5,8 |
- |
|
Количество пластин, шт. |
14 |
180 |
600 |
|
Расстояние между пластинами, мм |
40 |
20 |
15 |
|
Угол наклона пластин, град |
55 |
55 |
55 |
|
Рабочая площадь одной пластины, мм2 |
2000×700 |
1500×800 |
1430×800 |
|
Вместимость бункера-накопителя, м3 |
0,9 |
2,9 |
- |
|
Габаритные размеры, мм: высота длина ширина |
5500 4100 1700 |
4260 4460 1880 |
5000 3500 3200 |
|
Масса, кг |
3000 |
6820 |
7000 |
Схема тонкослойного отстойника приведена на рис. 29.1.

Рис. 29.1. Схема тонкослойного отстойника:
1 - приемная воронка; 2 - решетка приемной воронки; 3 - патрубок для слива осветленной воды; 4 - пластины; 5 - бункер для сгущенного осадка; 6 - вибратор; 7 - система автоматизированного контроля за уровнем осадка, включением и выключением насоса; 8 - насос
Рекультивация земель, нарушенных открытыми горными разработками. Земли, нарушенные при разработке притрассовых карьеров, после завершения работ (не позднее 1 года) должны быть приведены в состояние, пригодное для их использования в народном хозяйстве.
Рекультивацию нарушенных земель в зависимости от дальнейшего применения необходимо осуществлять по следующим направлениям:
сельскохозяйственное - возврат земель под пашню, луга, пастбища, многолетние насаждения;
водохозяйственное - устройство водоемов различного назначения (водохранилища, пруды для разведения рыбы, дичи и т.д.);
лесохозяйственное - лесопосадки эксплуатационного и специального назначения (почвозащитные, санитарно-защитные, водоохранные и т.д.);
рекреационное - устройство парков, спортивных бассейнов, пляжей и т.д.;
архитектурно-планировочное - посадки, посев луговых трав (газоны), обводнение пониженных участков.
Рекультивацию производят в два этапа: I этап - горнотехнический; II этап - биологический.
В состав горнотехнической рекультивации земель включают: снятие плодородного слоя почвы и хранение во временных отвалах с площадей, отведенных под горные работы и отвалы вскрышных пород; планировку отвалов с целью образования удобных для рекультивации местности и строительства подъездных дорог, дренирование и другие мелиоративные мероприятия; отсыпку на рекультивированную поверхность плодородного слоя почвы и его планировку; другие инженерно-технические решения.
Горнотехнический этап предусматривает передачу земель пользователям для последующей биологической рекультивации, включающей выполнение следующих работ:
улучшение плодородия нарушенных земель; полное восстановление первоначального биологического потенциала земель;
подготовка земель для возделывания сельскохозяйственных культур, пастбищных угодий и лесонасаждений.
Пылеулавливание на камнедробильных заводах. На специализированных камнедробильных заводах (КДЗ) пылеобразование происходит при дроблении и сортировке каменных материалов, при их перегрузке с транспортера на транспортер.
При дроблении горных пород основная часть пыли является силикозоопасной (при дроблении гранита 69-72 %, песчаника 93-95 %). Это накладывает повышенные требования к защите атмосферного воздуха.
Процесс дробления обычно двухстадийный. На 1-й стадии применяются щековые дробилки, на 2-й - конусные или роторные.
Кроме дробления, переработка каменных материалов включает в себя сортировку (грохочение), транспортировку и складирование.
Сортировка производится также на двух стадиях:
1-я стадия (предварительное грохочение) - для отделения загрязняющих примесей на колосниковых грохотах;
2-я (контрольное грохочение) - для разделения щебня или гравия по фракциям на вибрационных грохотах.
В табл. 29.3 приведены данные, характеризующие содержание пыли в воздухе при переработке каменных материалов на КДЗ. Анализ табл. 29.3 показывает, что наибольшее пылеобразование происходит при дроблении, особенно кислых пород. Концентрация пыли зависит также от вида дробилки и режима дробления. Наименьшее количество пыли образуется у конусной дробилки, наибольшее - на выходе из роторной дробилки, что связано с высокими скоростями воздушных потоков при вращении дробящего ротора.
Таблица 29.3
Показатели запыленности воздуха при переработке каменных материалов
|
Технологическое оборудование |
Перерабатываемая порода |
Места отбора проб воздуха на запыленность |
Содержание пыли в воздухе, мг/м3 |
|
Щековая дробилка |
Гранит |
Над загрузочным отверстием |
215-290 |
|
На выходе |
3520-14490 |
||
|
Известняк |
Над загрузочным отверстием |
170-210 |
|
|
На выходе |
8420-9230 |
||
|
Конусная дробилка |
Гранит |
Над загрузочным отверстием |
60-160 |
|
На выходе |
4910-9670 |
||
|
Известняк |
Над загрузочным отверстием |
165-175 |
|
|
На выходе |
4170-4900 |
||
|
Доломит, порфир |
Над загрузочным отверстием |
180-190 |
|
|
На выходе |
3420-3800 |
||
|
Роторная дробилка |
Гранит |
Над загрузочным отверстием |
475 |
|
На выходе |
18320 |
||
|
Известняк |
Над загрузочным отверстием |
120-170 |
|
|
На выходе |
3840-13450 |
||
|
Вибрационные грохоты |
Гранит |
При поступлении материала на грохот |
335-620 |
|
Над поверхностью верхнего сита |
440-720 |
||
|
При поступлении с 1-го сита на ленту конвейера |
500-875 |
||
|
При поступлении со 2-го сита на ленту конвейера |
380 |
||
|
Порфирит |
При поступлении материала на грохот |
700 |
|
|
Над верхним ситом нижнего грохота |
1300 |
||
|
При поступлении материала с верхнего сита на транспортер |
680 |
Для очистки от пыли разработаны различные пылеулавливающие аппараты, имеющие различный принцип действия и разную эффективность обеспыливания (табл. 29.4).
В зависимости от физико-химических эффектов осаждения пыли эти аппараты делятся на группы: пылеосадительные камеры; аспирационно-коагуляционные шахты; циклоны различного действия; тканевые, волокнистые и пористые фильтры; мокрые пылеуловители (ротоклоны, скрубберы, скоростные турбулентные пылеуловители); электрофильтры.
Таблица 29.4
Техническая характеристика пылеулавливающих аппаратов
|
Пылеуловители |
Скорость |
Темпера- |
Запыленность газов, г/м3 |
Осаждение частиц больше, мкм |
Эффективность обеспыливания, % |
Область применения |
|
|
на входе |
на выходе |
||||||
|
Пылеосадительные камеры |
Не ограничена |
До 1000 |
Не ограничена |
50 |
30 |
5-15 |
Дробильные установки, сушильные барабаны и др. |
|
Аспирационно-коагуляционные шахты |
1-1,5 |
До 200 |
До 1000 |
20-50 |
10 |
50-90 |
Дробильные установки, транспортеры и др. |
|
Циклоны |
2,5-4,5 |
До 400 |
До 1000 |
20-50 |
10 |
50-90 |
То же |
|
Мокрые пылеуловители: ротоклоны |
До 6 |
До 400 |
До 20 |
0,1-1 |
1 |
90-99 |
Все пылевыделяющие агрегаты |
|
турбулентно-скоростные аппараты |
До 400 |
До 20 |
0,1-1 |
0,5 |
95-99,9 |
||
|
Электрофильтры: вертикальные однопольные |
0,8-1 |
До 250 |
10-20 |
0,1-3 |
1 |
90-95 |
Дробильные установки, сушильные барабаны и др. |
|
горизонтальные 2-4 польные |
0,8-1,2 |
До 250 |
10-30 |
0,1-1 |
0,5 |
95-99 |
|
|
Фильтры рукавные |
0,6-0,8 |
До 300 |
20-100 |
0,1-0,5 |
0,5 |
98-99,9 |
Дробильные установки, транспортеры и др. |
Более высокая степень очистки достигается в циклонах, где для лучшего закручивания пылевого потока осуществляется спиральный и тангенциональный подвод потока.
Для повышения эффективности очистки больших объемов загрязненного воздуха используется объединение циклонов в группы по 2, 4, 6, 8, 10, 12, 14 элементов. Более эффективно использование батарейных циклонов, которые объединяются в одном корпусе в виде батарей, работают параллельно, но имеют общие раздающие и собирающие камеры. На КДЗ наиболее широкое применение нашли циклоны СИОТ ЦН-11 и ЦН-15 со степенью очистки до 96 %.
Пылеосадительные камеры, аспирационно-коагуляционные шахты, циклоны и скрубберы используются для предварительного обеспыливания при высокой концентрации пыли, являются аппаратами грубой очистки с эффективностью обеспыливания от 5 до 90 %. Электрофильтры, рукавные фильтры, турбулентные скоростные пылеуловители, ротоклоны - аппараты окончательного обеспыливания, тонкой очистки. Эффективность их применения - 90-99,9 %. При повышенном содержании пыли с целью достижения высокой степени очистки устраивают комбинированные аппараты, например, фильтр-циклоны, или устанавливают 2-3 ступени пылеулавливания (пылеосадительная камера - циклон - рукавный фильтр, циклон-фильтр - ротоклон и др.).
Для обеспыливания каменных материалов на КДЗ эффективно применяется высокократная воздушно-механическая пена, получаемая пеногенераторами с помощью ПАВ ПО-1, ДС-РАС, НЧК. Пена вводится вместе с каменными материалами в дробилки, на грохоты и конвейеры, причем ее применение не увеличивает влажность заполнителей и не ухудшает свойства цементо- и асфальтобетонов, полученных на их основе.
Экологическое обеспечение производства дорожных эмульсий. Производство дорожных битумных эмульсий сопровождается загрязнением окружающей природной среды (воздуха, воды, почвы), влиянием на здоровье людей.
Основными причинами выбросов являются:
технологические процессы, протекающие в эмульсионной установке (приготовление водного раствора эмульгатора, связанное с нагревом исходных компонентов и их перемешивание, испарение, сбросы промышленных вод, неудачные конструкции установок, не препятствующие выбросам вредных веществ в воздух и почву);
конструктивные недостатки установок, заключающиеся в свободном выходе вредных веществ, усилении процесса испарения и в возможности продуктов испарения попадать в атмосферный воздух, отсутствие накопительных устройств для производственных вод.
Источники выбросов и выделения вредных веществ при приготовлении катионных битумных эмульсий. Анализ технологии производства катионных битумных эмульсий позволил выделить основные производственные участки, где происходит выделение токсичных веществ:
Теплонагреватели, работающие на нефтяном топливе. Продукты сгорания топлива: углеводороды, оксиды азота, оксиды серы, твердые частицы, окись углерода.
Блок приготовления битума. Выделение углеводородов происходит в местах кранового оборудования, узлах и соединениях эксплуатируемого блока.
Емкости для хранения соляной кислоты. Выделение паров соляной кислоты происходит через клапан для ее заливки и в металлических емкостях, которые оборудованы специальной вентиляционной трубой в одном из люков крышки, вследствие негерметичности этих емкостей.
Блок приготовления водного раствора эмульгатора, где происходит выделение паров соляной кислоты, паров воды, паров эмульгатора. Состав паров зависит от химического состава эмульгатора, но в среднем это вещества 2-3-го класса опасности.
Блок хранения готовой продукции, где возможна утечка эмульсии в процессе перекачки и хранения через трубы, в крановых соединениях или при разрушении цистерны. Наблюдаются случаи разового перелива битумной эмульсии при заполнении автогудронаторов.
Для обеспечения экологически безопасных условий работы при производстве катионных битумных эмульсий необходимо осуществление ряда неотложных природоохранных мероприятий организационного, технического и технологического характера.
К их числу в первую очередь следует отнести:
использование эмульгатора, имеющего санитарный сертификат и рекомендованного к применению при производстве катионных эмульсий;
уменьшение выделения углеводородов за счет герметизации узлов и соединений, кранового оборудования, правильной эксплуатации (в соответствии с инструкцией по эксплуатации) блока по приготовлению битума;
сокращение выбросов в атмосферу от теплоустановок при обеспечении полного сгорания топлива посредством регулировки и наладки системы подачи топлива в камеру сгорания (топку);
предотвращение выделения паров соляной кислоты за счет использования герметичных емкостей и трубопроводов из пластмассы или других специальных кислотоупорных материалов;
исключение выделения из емкостей для приготовления водного раствора эмульгатора за счет использования закрытых емкостей и механической системы перемешивания раствора;
сброс промывочных вод и остатков водного раствора эмульгатора по специальным трубопроводам (кислотостойким) в специальный отстойник-накопитель;
нейтрализация вод в отстойнике-накопителе посредством щелочи или молотого известняка;
обваловка территории базы (цеха) защитными валиками, предупреждающими растекание эмульсии при проливах или авариях установки;
оборудование установки для производства эмульсий специальными емкостями для хранения эмульсий, системой трубопроводов, насосов и системой подогрева в соответствии с требованиями технологического регламента;
обеспечение технологического контроля за экологической безопасностью при производстве битумных эмульсий (контроль концентрации загрязняющих веществ, показателя кислотности в сбросах на почву и в водоемы, наполнения емкостей для приготовления водного раствора эмульгатора и отсутствия вытекания раствора из емкостей и т.д.).
Охрана окружающей природной среды на АБЗ. Производство асфальтобетонных смесей сопровождается значительным выделением загрязняющих веществ в окружающую природную среду. При этом не только теряется значительная часть дефицитного сырья, но и возникают условия для нарушения экологических требований и санитарно-технических норм. Классификация выбросов АБЗ в атмосферу представлена в табл. 29.5.
Таблица 29.5
Классификация выбросов АБЗ в атмосферу
|
№ п/п (код) |
Название (формула) соединений |
ПДК м.р., мг/м3 |
Класс опасности |
|
200 |
Оксиды азота в пересчете на NО2 |
0,085 |
2 |
|
701 |
Оксид серы в пересчете на SО2 |
0,5 |
3 |
|
322 |
Оксид углерода (СО) |
5 |
4 |
|
360 |
Углеводороды (С1-С10 в пересчете на С) |
3 |
2 |
|
984 |
Пыль неорганическая |
0,3 |
3 |
|
049 |
Пятиокись ванадия* |
0,02 |
1 |
* Пятиокись ванадия при применении мазута в качестве топлива.
Для очистки газов и пылеулавливания на АБЗ применяются различные системы пылеулавливания. Они предназначены для защиты от загрязнения окружающей природной среды, отделения из каменных материалов пылевидных фракций при нормированном использовании уловленной пыли требуемого гранулометрического состава выпускаемых смесей.
Современные пылеулавливающие системы должны удовлетворять следующим требованиям:
иметь высокую эффективность работы (не менее 99 %) для обеспечения санитарных норм в зонах расположения заводов (под эффективностью работы оборудования для очистки дымовых газов подразумевается отношение количества пыли, оставшейся в пылеуловителе, к количеству пыли, содержащейся в дымовых газах до его прохождения через пылеуловитель);
обеспечивать высокую производительность (при приготовлении 1 т смеси образуется 500-1000 м3 газов);
принимать газ с высокой начальной запыленностью (40-300 г/см3);
иметь высокую термостойкость (температура 473°К);
обеспечить устойчивую работу в условиях нестабильного режима технологического оборудования (изменение влажности, остановки машин, погодных условий);
осаждать раздельно крупную и мелкую пыль;
обеспечить промышленную утилизацию уловленной пыли (использовать ее для приготовления смесей);
иметь высокий уровень унификации;
работать в автоматическом и дистанционном режимах управления.
Для удовлетворения указанных требований на производственных предприятиях применяются различные типы пылеулавливающих устройств, которые в зависимости от размеров эффективно улавливаемых частиц и эффективности их улавливания подразделяются на 5 основных классов. В России и за рубежом на производственных предприятиях нашли широкое применение следующие типы пылеулавливающих устройств: пылеосадительные камеры; одиночные и групповые циклоны; мокрые пылеуловители; тканевые фильтры и электрофильтры. Данные по применяемым в России аппаратам газоочистки и пылеулавливания приведены в табл. 29.6 и 29.7.
Таблица 29.6
Характеристика пылеуловителей
|
Тип |
Вид |
Класс по эффективности |
Область целесообразного применения |
||||
|
группа пыли по дисперсности |
|||||||
|
I |
II |
III |
IV |
V |
|||
|
Гравитационный |
Пылеосадочные камеры |
V |
+ |
+ |
- |
- |
- |
|
Инерционный |
Циклоны большой производительности |
V |
+ |
+ |
- |
- |
- |
|
Циклоны высокой эффективности |
IV |
- |
+ |
+ |
- |
- |
|
|
Батарейные циклоны |
IV |
- |
+ |
+ |
- |
- |
|
|
Струйные мокрые |
II |
- |
- |
+ |
+ |
- |
|
|
Ротоклоны |
III |
- |
- |
+ |
- |
- |
|
|
Тканевый |
Матерчатые, рукавные |
II |
- |
- |
+ |
+ |
- |
|
Электрический |
Уловители тумана, песок |
II |
- |
- |
+ |
+ |
+ |
Таблица 29.7
Ориентировочная эффективность отечественных аппаратов газоочистки и пылеудаления
|
Аппарат, установка |
Эффективность, % |
|
Пылеосадительные камеры |
45-55 |
|
Рукавные фильтры |
98-99 |
|
Циклоны НЦ-15 |
80-85 |
|
Циклон СКД НЦ-33 и 34 |
90-91 |
|
Батарейные циклоны |
90-93 |
|
Циклоны с обратным корпусом |
60-70 |
|
Циклоны СИОТ |
70-80 |
|
Инерционные пылеуловители |
65-85 |
|
Пенные аппараты |
75-95 |
|
Циклон с водяной пленкой |
85-90 |
|
Мокрые аппараты ударно-инерционного действия |
95-98 |
|
Групповые циклоны НЦ-15 |
85-90 |
|
Групповые циклоны НЦ-40 |
80-90 |
|
Ротоклоны |
80-90 |
|
Тканевые фильтры |
98-99 |
|
Электрофильтры |
до 99,99 |
В настоящее время отсутствуют достаточно надежные методы расчета элементов и узлов пылеулавливающих систем. Разработка новых и усовершенствование существующих конструкций пылеулавливающих систем осуществляется приближенно и отрабатывается в процессе длительных испытаний и эксплуатации. В этих условиях полезными являются обобщение и анализ имеющегося опыта эксплуатации и промышленных данных по техническим параметрам и особенностям работы различного пылеулавливающего оборудования.
По данным фирмы Лодж-Котрел (Lodge-Cottrell, Англия), специализирующейся по пылеулавливающим системам, вид применяемого оборудования для осаждения из газов пыли зависит от размеров частиц пыли (табл. 29.8).
Таблица 29.8
Ориентировочная эффективность зарубежных аппаратов газоочистки и пылеудаления
|
Тип оборудования |
Размер эффективно улавливаемых частиц, мкм |
|
Пылеосадительные камеры |
до 100 |
|
Циклоны |
до 50 |
|
Циклоны повышенной эффективности |
до 5 |
|
Водные пылеуловители |
до 0,1 |
|
Тканевые фильтры |
до 0,013 |
|
Электрофильтры |
до 0,01 |
Пылеосадительные камеры и циклоны. Для предварительной очистки от пыли отходящих газов целесообразно использовать пылеосадительные камеры (рис. 29.2), в которых отделение пыли происходит в результате ее осаждения под действием собственного веса.

Рис. 29.2. Пылеосадительная камера: 1 - газ; 2 - очищенный газ; 3 - пыль; 4 - решетки
Приемлемая эффективность очистки газов достигается при длительном нахождении частиц в пылеосадительной камере. Основные достоинства осадительных камер - простота конструкции, незначительные затраты на их эксплуатацию, небольшой расход энергии, возможность улавливания абразивной пыли. Они используются на первой ступени очистки газов и устанавливаются перед циклонами и водными пылеуловителями и фильтрами, обеспечивая повышение общей эффективности очистки и увеличение срока службы основных пылеуловителей.
Пылеосадительные камеры просты по конструкции, но имеют значительные габаритные размеры. Эффективность улавливания пыли в них размером менее 5 мкм практически близка к нулю.
Широкое применение для сухой очистки получили циклоны различных типов, принцип действия которых основан на использовании центробежной силы (табл. 29.9).
Таблица 29.9
Основные размеры цилиндрических и конических циклонов НИИОГаза (в долях от диаметра циклона D)
|
Размеры |
ЦН-11 |
ЦН-15 |
ЦН-15у |
ЦН-24 |
СДК УН-33 |
СК-ЦН-35 |
|
Внутренний диаметр циклона D, м |
1 |
1 |
1 |
1 |
1 |
1 |
|
Высота: выходного патрубка hо |
0,48 |
0,66 |
0,66 |
1,11 |
0,535 |
0,515 |
|
цилиндрической части Нц |
2,06 |
2,26 |
1,51 |
2,11 |
0,535 |
0,515 |
|
конической части Нк |
2,0 |
2,0 |
1,5 |
1,75 |
3,0 |
2,11 |
|
внешней части выхлопной трубы hв |
0,3 |
0,3 |
0,3 |
0,4 |
0,2-0,3 |
0,2-0,3 |
|
Внутренний диаметр: выхлопной трубы Dвых |
0,59 |
0,334 |
0,34 |
|||
|
пылевыпускного отверстия циклона Dвып |
0,3-0,4 |
0,334 |
0,229 |
|||
|
Ширина входного патрубка b |
0,26 |
0,264 |
0,214 |
|||
|
Производитель |
НИИОГаз |
|||||
Газовый поток вводится в циклон через патрубок по касательной к внутренней поверхности корпуса и совершает вращательное движение вдоль корпуса. Под действием центробежной силы частицы пыли образуют на стенках циклона пылевой слой, который вместе с частью газа попадает в бункер. Отделение частиц пыли от газа, попавшего в бункер, происходит при повороте газового потока в бункере на 180°. Освободившись от пыли, газовый поток образует вихрь и выходит из бункера, давая начало газу, покидающему циклон через выходящую трубу. Для нормальной работы циклона необходима герметичность бункера. Если бункер негерметичен из-за подсоса наружного воздуха, происходит вынос пыли с потоком через выходную трубу.
Циклоны (рис. 29.3) занимают промежуточное положение между аппаратами грубой (предварительной) и тонкой очистки газов. К достоинствам циклонов относят: надежность работы при температуре газов до 500°С; улавливание пыли в сухом виде; эффективность работы при высоких давлениях газов; простота изготовления.

Рис. 29.3. Схема циклона: 1, 2 - коническая и цилиндрическая части циклона; 3 - выхлопная труба; 4 - винтообразная труба; 5 - газоход; 6 - улитка для выхода газа; 7 - входной патрубок; 8-пылевыпускное отверстие; 9 - бункер; 10 - пылевой затвор
При небольших капитальных затратах и эксплуатационных расходах степень очистки в циклоне от частиц пыли более 10 мкм составляет 80-90 %. Недостатки циклонов: высокое гидравлическое сопротивление, равное 1200-1500 Па; невозможность использования для очистки газов от мелких частиц; недостаточно эффективное улавливание частиц размером менее 5 мкм.
Наибольшее применение в нашей стране нашли циклоны конструкции НИИОГаза: цилиндрические (ЦН-11, ЦН-15У, ЦН-2У) и конические (СДК-ЦН-33, СК-ЦН-34). Конические циклоны НИИОГаза отличаются от цилиндрических циклонов серии ЦН значительно большим сопротивлением и существенно большей эффективностью. С целью повышения эффективности пылеочистки с помощью циклонов их очень часто объединяют в группы по несколько штук. При этом поток отходящих газов направляют в соответствующие параллельные группы циклонов. Перед циклонами или после них устанавливают вентилятор-дымосос. Достоинством дымососов-пылеуловителей является постоянство коэффициента очистки газов при всех нагрузках, малые аэродинамические потери при улавливании частиц, минимальные металлоемкость и удельные капитальные затраты. Главный недостаток - абразивный износ рабочего колеса и деталей привода.
С целью повышения эффективности очистки газов иногда применяются батарейные циклоны или мультициклоны. Они отличаются исключительной компактностью, высокой производительностью, низкой удельной емкостью и вполне удовлетворительным газораспределением. По размерам батарейные циклоны значительно меньше групповых, но для обеспечения той же производительности требуется большее их количество.
Водные пылеуловители для мокрой очистки работают по принципу осаждения частиц пыли на поверхность либо капель жидкости, либо пленки.
Среди аппаратов мокрой очистки на практике наиболее применимы циклоны «СИОТ», барботажно-вихревые пылеуловители и скрубберы Вентури.
Циклон-прерыватель «СИОТ» улавливает пыль вследствие ее осаждения на смачиваемые стенки уклона под действием центробежных сил. Вода в циклоне подается непосредственно во входной патрубок и на водораспределитель, расположенный в верхней части циклона. Питание циклона водой осуществляется через водонапорный бак с шаровым клапаном. На сливной трубе устанавливается гидравлический затвор для предупреждения подсоса воздуха.
Широкое распространение получили мокрые барботажно-вихревые пылеуловители (рис. 29.4), принцип действия которых основан на пропуске запыленных газов через слой воды.

Рис. 29.4. Барботажно-вихревой пылеуловитель: 1 - шламовая ванна; 2 - внешние завихряющие лопасти; 3 - водомерное устройство; 4 - внутренние завихряющие лопасти; 5 - патрубок для подачи воды; 6 - брызгоотделительные козырьки; 7 - корпус; 8 - внутренний дымовой канал; 9 - дымовая труба; 10 - переходный патрубок; 11 - входной патрубок; 12 - уровень шлама; 13 - скребковый конвейер; 14 - кран; 15 - водяной затвор; 16 - редуктор
Поток запыленных дымовых газов подается вентилятором-дымососом через входной патрубок 11 во внутренний дымовой канал 8. Дымовые газы, частично подхватывая воду, поступают в пространство (импеллеры), образованное внутренними 4 и внешними 2 завихряющими лопастями, в котором осуществляется барботажно-вихревой процесс смачивания пыли с водой. Увлекаемая газовым потоком вода перемещается сначала по внешней завихряющей лопасти 2, затем отбрасывается к внутренней завихряющей лопасти 4 и при выходе из дымового канала возвращается в шламовую ванну 1, падая в виде водяной завесы. Очищенные газы выходят в атмосферу через дымовую трубу 9. Осевший шлам удаляется скребковым конвейером 13, привод которого осуществляют с помощью электродвигателя и редуктора 16 через клиноременную и цепную передачи. Во время работы барботажно-вихревого пылеуловителя уровень воды во входной камере внутреннего дымового канала понижается, а в выходной камере, образованной корпусом 7 пылеуловителя и внутренним дымовым каналом, повышается. Для устойчивой работы устройства уровень воды в выходной камере должен быть постоянным. Уровень воды контролируют визуально через водомерное устройство 3. Потери воды из-за ее уноса вместе со шламом и в результате испарения восполняются через патрубок 5. Из шламовой ванны вода сливается через кран 14.
Эффективность очистки заполненных газов барботажно-вихревыми пылеуловителями составляет 90 % для мелких частиц размером менее 1 мкм и 99,5 % для частиц размером более 1 мкм. Для обеспечения большего смачивания частиц пыли водой к ней добавляют гашеную известь, которая уменьшает поверхностное натяжение.

Рис. 29.5. Водный пылеуловитель типа «Ротоклон»
За
рубежом широкое распространение получили водные пылеуловители «Ротоклоны» (рис.
29.5). Нижняя часть корпуса 4 этих аппаратов представляет собой резервуар,
заполненный водой. Остальное внутреннее пространство разделено перегородкой 3,
нижний край которой погружен в воду. Перегородка
образует две камеры: входную камеру запыленных газов и выходную 1
очищенных газов. Обе камеры по всей длине аппарата связаны газоочистительным
аппаратом (импеллером) 5. Потоки запыленных газов проходя через импеллер,
подхватывают и несут с собой часть воды из резервуара.
При соответствующей скорости газов увлекаемая вода движется сначала по нижней направляющей импеллера, затем отбрасывается к его верхней направляющей и при выходе из импеллера возвращается в резервуар, падая водяной завесой. Циркуляция воды происходит только вследствие движения воздушного потока, и для этого не требуется дополнительных устройств. Газы от пыли очищаются в результате совместного действия центробежной силы на частицы пыли и перемешивания запыленных газов с водой. Уловленная водой пыль попадает в резервуар, из которого она затем удаляется при помощи пластинчатых и винтовых конвейеров.
Скрубберы Вентури - наиболее эффективные аппараты мокрой очистки газов. Они имеют различные варианты конструктивного исполнения. Принцип действия скрубберов Вентури основан на совместном действии газового потока, движущегося с высокой скоростью (40-150 м/с), и потока орошающей его жидкости, что и способствует осаждению частиц пыли на каплях жидкости.
Основная часть скруббера Вентури (рис. 29.6) - сопло Вентури 2, в конфузорную часть которого подводится запыленный поток газа и через центробежные форсунки 1 жидкость на орошение. В конфузорной части сопла происходит разгон газа от входной скорости (15-20 м/с) до скорости в узком сечении сопла 30-200 м/с и более.

Рис 29,6. Основная часть скруббера Вентури: 1 - центробежная форсунка; 2 - сопло Вентури; 3 - каплеуловитель
Основные преимущества мокрых пылеуловителей - это сравнительно небольшая стоимость и более высокая эффективность улавливания частиц по сравнению с циклонами. Их можно применить для очистки газов от частиц размером до 0,1 мкм. Однако, мокрые пылеуловители обладают рядом недостатков, ограничивающих область их применения: образование в процессе очистки шламов, требующих создания специальных систем для их переработки; вынос влаги в атмосферу и вероятность забивания газоотходов и оборудования пылью; значительные потери жидкости вследствие брызгоуноса; большой расход воды и необходимость создания оборотных систем подачи воды в пылеуловитель.
Тканевые фильтры. С ужесточением требований к очистке газов на АБЗ все шире используют тканевые фильтры (табл. 29.10).
Таблица 29.10
Техническая характеристика тканевых фильтров
|
Показатели |
Тканевые фильтры |
||||
|
СА-100У |
РС 65 |
РС 65.4 |
ДС 1857 |
КДМ-2047 |
|
|
Площадь фильтрования, м2 |
330 |
65 |
260 |
245 |
510 |
|
Производительность, м3/ч |
30000 |
5850 |
23400 |
20000 |
45000 |
|
Количество рукавов, шт. |
300 |
36 |
144 |
120 |
240 |
|
Концентрация пыли в газе, г/м3: |
|
|
|
|
|
|
на входе в фильтр |
200-400 |
150 |
150 |
100 |
100 |
|
на выходе из фильтра |
0,02-0,04 |
0,05 |
0,05 |
0,02 |
0,02 |
|
Температура газа, °С |
110 |
220 |
220 |
140 |
140 |
|
Масса (без электрооборудования) |
н/д |
1600 |
6400 |
15000 |
31200 |
|
Габаритные размеры, мм длина |
33000 |
2100 |
2500 |
17700 |
20800 |
|
ширина |
26500 |
2500 |
2500 |
21800 |
16000 |
|
высота |
12000 |
5300 |
5300 |
15 000 |
18700 |
|
Изготовитель |
ОАО «Саста» (Россия) |
ОАО «Строймашина» (Россия) |
ОАО «Кредмаш» (Украина) |
||
Применение тканевых фильтров обеспечивает более высокую степень очистки газов от взвешенных частиц, чем в газоочистных аппаратах других типов; возможность улавливания частиц при любом давлении газов; использование химически стойких материалов; возможность полного улавливания частиц всех размеров, включая субмикронные.
К недостаткам тканевых фильтров следует отнести необходимость периодической замены некоторых фильтрующих перегородок и сравнительно высокий расход энергии при использовании отдельных видов пористых фильтров. Степень очистки газов на АБЗ матерчатыми фильтрами составляет 99,9 %. В некоторых асфальтобетонных установках фирм «Бернарди» (Италия) и «Вибау» (Германия) тканевый фильтр является единственным устройством, обеспечивающим очистку газов от пыли сушильного барабана на АБЗ.
Процесс фильтрования состоит в задержании частиц примесей на пористых перегородках при движении через них дисперсных сред. Фильтр (рис. 29.7) представляет собой корпус, разделенный пористой перегородкой (фильтроэлементом) на две полости. В фильтр поступают загрязненные газы, которые очищаются при прохождении через фильтроэлемент. Частицы примесей оседают на входной части пористой перегородки и задерживаются в порах, образуя на поверхности слой из частиц. Таким образом осевшие частицы становятся для вновь поступающих частиц частью фильтровой перегородки, что увеличивает эффективность очистки фильтра и перепад давления на фильтроэлементе.

Рис. 29.7. Схема тканевого фильтра: 1 - корпус; 2 - фильтроэлемент; 3 - слой частиц
Электрофильтры обладают высокой степенью очистки (до 99,9 %), улавливают твердые и жидкие частицы в широком диапазоне размеров (от 0,1 до 100 мкм), имеют невысокое гидравлическое сопротивление (150-200 Па) и энергозатраты, могут быть полностью автоматизированы.
Электрическая очистка - один из наиболее современных видов очистки газов от взвешенных в них пыли и тумана. Процесс очистки основан на ударной ионизации газа в зоне коронирующего разряда, передаче заряда ионов частицам примесей и осаждения последних на осадительных и коронирующих электродах.
В электрическом фильтре (рис. 29.8) взвешенные в газовом потоке частицы пыли осаждаются электрическими силами. Запыленные газы проходят через электрическое поле высокой напряженности, которое создается между заземленными осадительными электродами с положительной полярностью и коронарными электродами с отрицательной полярностью. Частицы пыли накапливаются слоями на осадительных электродах до тех пор, пока механизм встряхивания не оторвет их и не разрушит слой пыли на крупные конгломераты, которые достаточно тяжелы и могут выпадать из газового потока, не притягиваясь снова к электроду.

Рис. 29.8. Схема электрического фильтра: 1 - частицы пыли; 2 - электрическое поле; 3 - заземленные осадительные электроды с положительной полярностью; 4 - коронарные электроды с отрицательной полярностью
Эффективность электрических фильтров составляет около 99,99 %. Мощность, требуемая для работы фильтра, равна 0,1-1,0 кВт на 1000 м3 запыленного воздуха. Несмотря на высокую эффективность очистки выбросов, применение электрофильтров для специфических условий АБЗ ограничено по следующим причинам: сложность в работе при изменении подачи и температуры газов в течение рабочего цикла; наличие в газах сернистых соединений; большие габариты; высокая стоимость изготовления, монтажа и эксплуатации; потребность специально обученного квалифицированного персонала.
Мероприятия по охране окружающей среды на АБЗ. Мероприятия по снижению вредных выбросов производственными предприятиями дорожного хозяйства должны предусматриваться уже на стадии составления проекта организации строительства автомобильной дороги, а также при проектировании генеральных планов предприятий.
Проектирование генеральных планов АБЗ с точки зрения соблюдения санитарно-гигиенических требований предусматривает расположение предприятий по отношению к жилым районам, сельскохозяйственным угодьям и другим, экологически чувствительным зонам с учетом преобладающего движения воздушных масс (розы ветров), то есть с подветренной стороны.
Размеры санитарно-защитных зон непосредственно от источника загрязнения на АБЗ до границ жилой застройки принимаются на основании требований нормативных документов и составляют: для АБЗ стационарного типа - 300 м (III класс по санитарной классификации); для инвентарного 500 м (II класс по санитарной классификации). Территория санитарно-защитных зон должна быть благоустроена газоустойчивыми породами деревьев и кустарников по проектам благоустройства. При этом следует иметь в виду, что запыленность березы в 2,5 раза, а запыленность хвойных пород в 30 раз больше запыленности осины. Деревья с шероховатыми листьями задерживают пыль лучше. На листовой поверхности таких деревьев осаждается до 70 % пыли из атмосферного воздуха.
Высокие и постоянно растущие экологические требования, предъявляемые к АБЗ, предопределяют расширение внедрения организационных, технических и технологических мероприятий, направленных на снижение вредных воздействий на окружающую природную среду.
К числу этих мероприятий в первую очередь относят:
совершенствование контроля за соблюдением технологических режимов и правил;
строительство новых и повышение эффективности существующих очистных установок;
совершенствование технологических процессов приготовления асфальтобетонных смесей.
К первому направлению относится постоянный контроль за агрегатами и узлами АБЗ, являющимися источниками выброса загрязняющих веществ, и регулярное проведение технического обслуживания очистных устройств. Особое наблюдение должно быть установлено:
за состоянием уплотнения между обечайкой вращающихся сушильных барабанов и торцами неподвижно закрепленных загрузочных и разгрузочных коробок асфальтосмесительных установок;
за пыленепроницаемостью кожухов горячих элеваторов, грохотов и смесителей и наличием отсоса воздуха из-под кожухов с целью исключения выделения вредных выбросов при работе оборудования;
за герметичностью газоотводов;
за бесперебойной работой всех пылегазоочистных систем;
за соблюдением температурных режимов.
Одним из наиболее простых методов уменьшения токсичных компонентов в выходных газах является замена сжигаемого в сушильных барабанах жидкого нефтяного топлива (в основном мазута) на газообразное. Использование природного газа позволяет отказаться от дорогостоящих систем хранения, подготовки и сжигания топлива, что предопределяет возможность сокращения капитальных затрат на АБЗ.
Специалисты Германии считают, что наиболее экономичным в перспективе может стать уголь. В настоящее время в США на некоторых АБЗ установлены горелки, работающие на порошкообразном топливе. По мнению американских ученых, при сжигании угля атмосфера загрязняется меньше. В ближайшем будущем предусматривается расширение использования угля в качестве топлива на АБЗ США.
Важным направлением является работа по совершенствованию структуры парка асфальтосмесительных установок с целью улучшения экологической обстановки на АБЗ и сокращения вредных выбросов.
В настоящее время наметилась тенденция к улучшению структуры парка асфальтосмесительных установок за счет замены их на более производительные с улучшенными экологическими характеристиками, в том числе и зарубежного производства. На объекты дорожного хозяйства продолжается поставка асфальтосмесительных установок ОАО «Кредмаш» (Украина) ДС-185 и ДС-168 производительностью 50 и 130 т/час соответственно. В них предусмотрена замена мокрого пылеуловителя барботажного типа на более эффективный скруббер Вентури. Часть установок данного типа может поставляться и с тканевыми рукавными фильтрами в модификации для эксплуатации на природном газе.
Продолжается и оснащение дорожных организаций моделями с улучшенными экологическими показателями асфальтосмесительных установок фирм «Амман» и «Бенинхофен» (Германия), Бернарди (Италия), Калоткине (Финляндия) и др.
Сушка и нагрев каменных материалов в сушильном барабане является одной из главных технологических операций в производстве асфальтобетонных смесей. Однако мировой опыт показывает, что наиболее эффективно тепло- и массообменный процесс (сушка и нагрев) сыпучих материалов осуществляется в виброкипящем слое. В смежных областях (химическая, литейная промышленность и др.) сушилки виброкипящего слоя вытесняют барабанные аппараты для сушки и термообработки сыпучих сред. При этом экономия топлива достигает 30 % и более. Целесообразность и перспективность применения сушильного барабана в виброкипящем слое в асфальтосмесительной установке за рубежом не вызывает сомнений.
С ужесточением требований к очистке газов целесообразно более широкое внедрение тканевых фильтров вместо мокрой очистки: циклонов «Сиот», барботажно-вихревых пылеуловителей, скрубберов «Вентури» и др. Однако стоимость подобных устройств (в частности, при использовании тканевого фильтра) достигает 15-20 % стоимости всего технологического оборудования АБЗ. Эти причины привели к необходимости дальнейших разработок по третьему направлению (совершенствованию технологических процессов приготовления асфальтобетонных смесей), которое, в частности, включает:
применение герметичных бункеров и силосов для минерального порошка, а также пневмотранспорта для его перемещения к асфальтобетонной установке;
использование минеральных заполнителей, отвечающих требованиям соответствующих государственных стандартов по содержанию в них пылевидных и глинистых частиц;
применение совершенных топочных устройств, установку газоанализаторов и кислородомеров для подбора оптимального режима сжигания топлива;
оснащение асфальтобетонных установок устройствами для непрерывного контроля эффективности пылеулавливания;
разработка новых технологичных способов приготовления асфальтобетонных смесей, отличающихся от принятой технологии меньшим пылеобразованием.
Последнее направление заключается в том, что влажный каменный материал вначале обрабатывается вяжущим, а затем уже полученная смесь нагревается до рабочей температуры.
В Москве эксплуатируются уже несколько лет две установки фирмы «Машинери» (Финляндия), реализующие указанную технологию (рис. 29.9). Технология приготовления смесей включает: дозирование холодного и влажного крупного и мелкого щебня, песка, а также минерального порошка в смеситель; дозирование туда же горячего битума; перемешивание 10-15 сек; выгрузку в промежуточный бункер и подачу в сушильно-смесительный барабан специальной конструкции, в котором происходит разогрев, просушивание и перемешивание смеси.

Рис. 29.9. Технологическая схема асфальтобетонной установки по экологически чистой технологии:
1 - агрегат питания, 2 - весовой бункер дозатора; 3 - шнек-питатель; 4 - силос минерального порошка; 5 - роторный питатель; 6 - дозатор битума; 7 - система газоочистки; 8 - приемный бункер; 9 - сушильный барабан-смеситель; 10 - ленточный транспортер; 11 - ленточный питатель; 12 - приемный бункер
Технология относится к экологически чистой за счет того, что в сушильно-смесительном барабане битум, расплавляясь уже при температуре 70-80°С, связывает мелкие частицы в притопочной зоне барабана, уменьшая вынос пыли. При этом концентрация твердых частиц в отходящих из барабана газах оказывается меньше, чем в газах обычных асфальтосмесительных установок после очистки их в циклонах.
С учетом опыта эксплуатации зарубежного оборудования в России разработана асфальтосмесительная установка БАС-30 производительностью 30 т/ч.
В целях обеспечения экологических требований на АБЗ в мировой и отечественной практике все большее распространение получает приготовление холодных смесей. Эти смеси содержат минеральный материал подобранного гранулометрического состава и жидкое органическое вяжущее. Приготовление холодных смесей производится в асфальтосмесительных установках, дооборудованных системой подачи и дозирования воды (рис. 29.10).

Рис. 29.10. Технологическая схема приготовления холодных асфальтобетонных смесей: 1, 2 - последовательность подачи
Предварительно отдозированные минеральный порошок, щебень и песок без подогрева и высушивания подаются в смеситель (мешалку). Одновременно с минеральными материалами в смеситель подается вода. В качестве жидких органических вяжущих используются гудроны, жидкие или разжиженные битумы.
Технология производства холодной смеси отличается простотой, обеспечивает экологическую чистоту (исключается операция по просушке минерального материала) и может быть реализована как при положительной, так и при отрицательной температуре (до -10°С). Приготовленную смесь можно хранить в штабеле до 6-12 месяцев.
На асфальтобетонных заводах в обязательном порядке должны осуществляться организационно-хозяйственные мероприятия для обеспечения условий и требований, предусмотренных в разрешениях на выброс вредных веществ.
Котельные, имеющиеся на предприятиях и работающие на жидком или твердом топливе, должны иметь исправные устройства для улавливания твердых частиц (сажи) в отводящих газах, обеспеченные современными установками по очистке выбросов в атмосферу.
Предприятие должно иметь специальные участки для мойки подвижного состава, узлов и деталей, исключающие сток неочищенных вод в поверхностные водоемы, почву.
Моечные установки должны иметь очистные устройства, обеспечивающие соблюдение нормативов предельно-допустимых стоков (ПДС).
Предприятия, имеющие свои емкости для хранения и заправки транспортных средств топливо-смазочными материалами (ТСМ), должны организовать приемку и выдачу ТСМ так, чтобы исключить возможность их попадания в канализацию, водоемы и почву.
Места проведения смазочных работ должны быть оснащены емкостями для сбора отработанных масел и фильтров и оборудованы устройствами, исключающими возможность загрязнения ТСМ почв и поверхностных вод.
Хранение органических вяжущих (битума, гудрона, дегтя и др.) следует осуществлять в специальных крытых битумохранилищах с надежным отводом поверхностных вод или в специальных обогреваемых цистернах. Хранение органических вяжущих в открытых ямах и емкостях должно быть исключено.
Разогрев вяжущих в битумохранилищах должен производиться электронагревателями или с помощью пароподогрева.
Выгрузку, складирование и внутризаводское транспортирование пылевидных материалов необходимо производить механизированно. При ручных работах с этими материалами должны быть предусмотрены мероприятия против распыления.
Каменные материалы должны очищаться от пылеватых частиц в установках для обогащения материалов. Для изоляции мест пылеобразования дробильно-сортировочное оборудование снабжается системами пылеочистки. Транспортные средства для подачи каменных материалов (транспортеры, питатели, элеваторы и т.д.) должны быть оборудованы укрытиями.
При хранении каменных материалов для уменьшения пылеобразования на складах материалов должны быть предусмотрены мероприятия по предотвращению их размыва дождевыми и талыми водами и выноса материала в водотоки. Для уменьшения пылеобразования необходимо предусматривать пылеподавление увлажнением.
Пылеулавливание на ЦБЗ. Пылеобразование на ЦБЗ происходит при дроблении и сортировке каменных материалов, в узлах их пересыпки с транспортера на транспортер, при транспортировке цемента и т.д. Существенным до 40 % является также «вторичное» пылеобразование, получаемое при раздувании осевшей пыли движущимися шкивами, маховиками и транспортерами.
Наиболее простым и эффектным способом борьбы с запыленностью воздуха на ЦБЗ является гидрообеспыливание каменных материалов. Обеспыливание грохотов производится с помощью укрытий ситами, обеспыливание транспортеров - путем устройства укрытий бортов транспортеров.
На ЦБЗ аспирирование (Аспирация - отсос воздуха от места образования пыли. Отсос производится от местных аспирационных укрытий - пылеприемников, составляющих неотъемлемую часть технологического оборудования) укрытиями производится при обеспыливании элеваторов, с помощью которых транспортируется цемент. Аспирируется верхняя и нижняя часть элеватора, а также бункеры.
Для очистки пыли, отсасываемой из укрытий, разработаны пылеулавливающие аппараты, имеющие различный принцип действия и разную эффективность обеспыливания (табл. 29.11).
Таблица 29.11
Характеристика основных пылеулавливающих аппаратов на ЦБЗ
|
Пулеуловители |
Скорость газов, |
Темпе- |
Запыленность газов, г/м3 |
Осаждение частиц больше, |
Эффектив- |
Область применения |
|
|
на входе |
на выходе |
||||||
|
Пылеосадительные камеры |
Не ограничена |
До 1000 |
Не ограничена |
50 |
30 |
5-15 |
Все пылевыделяющие агрегаты |
|
Циклоны |
2,5-4,5 |
До 400 |
До 1000 |
20-50 |
10 |
50-90 |
Тоже |
|
Мокрые пылеуловители: ротоклоны |
До 6 |
До 400 |
До 20 |
0,1-1 |
1 |
90-99 |
Все пылевыделяющие агрегаты |
|
турбулентно-скоростные аппараты |
До 400 |
До 20 |
0,1-1 |
0,5 |
95-99,9 |
||
|
Фильтры рукавные |
0,6-0,8 |
До 300 |
20-100 |
0,1-0,5 |
0,5 |
98-99,9 |
Конвейеры и др. |
Для повышения эффективности очистки больших объемов загрязненного воздуха используется объединение циклонов в группе по 2, 4, 6, 8 и более элементов. Более эффективно также использование батарейных циклонов, которые объединяются в одном корпусе в виде батарей, работают параллельно, но имеют общие раздающие и собирающие камеры. На ЦБЗ наиболее широкое применение нашли циклоны СИОТ ЦН-15, так как они приспособлены для сбора пыли, склонной к налипанию.
Для обеспыливания силосов цемента применяются тканевые рукавные противоточные фильтры или рукавные фильтры с автогенерацией. Они имеют рукава из гладкой гидрофобизированной стеклоткани, которая наряду с пульсацией транспортируемого потока воздуха обеспечивает периодический срыв и падение в силосы накопившейся в рукавах цементной пыли без воздействия каких-либо механизмов.
Для обеспыливания каменных материалов эффективно применяется высокократная воздушно-механическая пена, получаемая пеногенераторами с помощью ПАВ ПО-1, ДС-РАС, НЧК и др. Пена вводится вместе с каменными материалами на грохоты и транспортеры, причем ее применение не увеличивает влажность каменных материалов и не ухудшает свойства цементобетона, полученного на их основе.
Так как транспортеры и элеваторы являются сильно пылящими транспортными системами, для обеспыливания которых необходимо устройство сложных укрытий, в последнее время их все чаще заменяют системами пневмотранспорта (пнёвмовинтовые питатели, пневмоподъемники и др.), которые практически исключают выделение пыли в атмосферу.
Цели и задачи. Организацией строительства автомобильной дороги считается комплекс работ и мероприятий, необходимых для оценки эффективности подготовки и осуществления строительных, монтажных и других работ по возведению объекта (автомобильной дороги).
Организацию строительства автомобильной дороги можно условно разделить на два основных последовательно выполняемых этапа - этап проектирования организации строительства и этап непосредственного строительства.
На этапе проектирования организации строительства выполняется, по существу, проектное вариантное моделирование будущего процесса строительства с целью определения наиболее рационального и эффективного варианта его осуществления.
На этапе проектирования организации строительства участка автомобильной дороги решаются следующие задачи:
определение общей продолжительности строительства объекта, а также сроков, продолжительности и последовательности выполнения отдельных видов работ входящих в его состав;
определение источников получения основных дорожно-строительных материалов, изделий, конструкций и полуфабрикатов и способов их доставки к местам производства работ;
определение количественного и качественного состава объектов производственной базы строительства, а также оптимального их размещения;
определение потребности строительства в трудовых ресурсах, а также решение вопросов по размещению рабочих и созданию для них хороших социально-бытовых условий на период строительства;
определение потребности строительства в основных дорожно-строительных машинах, оборудовании и транспортных средствах;
определение потребности строительства в основных дорожно-строительных материалах, изделиях, конструкциях и полуфабрикатах;
решение вопросов по обеспечению строительства энергоресурсами;
решение вопросов по безопасному ведению работ и охране окружающей среды при осуществлении строительства, включая вопросы восстановления (рекультивации) нарушенных в период строительства временно отводимых земель;
составление ведомости объемов основных строительных, монтажных и специальных работ с установлением всех необходимых данных для определения сметной стоимости намечаемого строительства;
определение основных технико-экономических показателей строительства.
Вышеуказанные задачи, решаемые на стадии проектирования, отражаются в проекте организации строительства (ПОС), подробная информация о котором содержится в главе «Проектирование организации строительства и производства дорожно-строительных работ».
На этапе непосредственного строительства на основе разработанного ПОС осуществляется собственно выполнение строительно-монтажных работ, а также выполнение сопутствующих работ по планированию, учету, контролю и управлению этими работами. Этап строительства можно условно разделить на три периода: подготовительный, основной и период завершения строительства.
Основной задачей организации строительства в период его подготовки является создание инфраструктуры строящегося объекта. При выполнении этой задачи необходимо осуществить работы по размещению всех объектов производственной базы и обеспечению их работоспособности. В числе указанных работ осуществляется:
создание временной транспортной сети, обеспечивающей бесперебойную доставку материалов, изделий, конструкций и полуфабрикатов от мест их получения или изготовления на производственной базе строительства к местам производства работ, а также от мест получения материалов, прибывающих от внешних источников для строительства, к производственным базам строящегося объекта (включая подъездные автодороги, разгрузочные железнодорожные тупики, причалы и т.д.);
строительство объектов производственной базы, включая асфальто- и цементобетонные заводы, прирельсовые сооружения для разгрузки материалов и их хранения, камнедробильные установки для получения щебня, установки для укрепления грунтов и т.д.;
строительство временных жилых поселков строителей с необходимыми санитарно-бытовыми условиями работы и отдыха;
обеспечение объектов производственной базы и жилых поселков строителей энергоресурсами для их функционирования (электроэнергией, водоснабжением, теплоснабжением и т.д.) за счет подключения к существующим сетям, строительства собственных вспомогательных установок или использования передвижных источников энергоресурсов;
комплектование строительных подразделений необходимыми кадрами строителей, а также дорожно-строительной техникой, оборудованием и транспортными средствами;
создание диспетчерской связи между строительными организациями и их структурными подразделениями, в том числе на местах производства работ, обеспечивающей необходимое административно-техническое управление строительством, а также взаимодействие подразделений в цепи технологической последовательности ведения работ и соблюдения необходимого качества.
В период основного строительства для четкого функционирования всего строительного комплекса по выполнению работ в установленные сроки осуществляется:
обеспечение строительства привозными строительными материалами, изделиями и конструкциями по договорам поставок и контроль за их выполнением;
обеспечение ритмичной работы производственной базы по снабжению строительства материалами и полуфабрикатами, приготавливаемыми собственными силами;
обеспечение строительства энергоресурсами и горюче-смазочными материалами;
функционирование устойчивой диспетчерской связи и управление производством;
техническое обслуживание и ремонт дорожно-строительной техники;
обеспечение охраны труда и техники безопасности при выполнении всего комплекса дорожно-строительных работ;
выполнение мероприятий по охране окружающей среды при производстве дорожно-строительных работ.
Задачами периода завершения строительства является демонтаж всех временных сооружений, передислокация дорожно-строительной техники и рабочих, рекультивация временно занимаемых земель, находящихся под временными сооружениями и сдача законченного строительством объекта заказчику.
Технико-экономические показатели строительства автомобильной дороги. Намечаемое строительство участка автомобильной дороги характеризуется рядом технико-экономических показателей, в число которых входят продолжительность строительства, сметная стоимость и трудоемкость строительства, численность работающих, включая административно-управленческий персонал (АУП), рабочий персонал (рабочих, водителей машин и механизмов, механиков, мотористов и т.д.), инженерно-технических работников (ИТР), младший обслуживающий персонал (МОП), включая работников охраны.
Кроме вышеуказанных технико-экономических показателей строительство автомобильной дороги может характеризоваться еще следующими показателями:
уровень механизации работ в целом по строительству (или уровень механизации строительства), определяемый в процентах отношением стоимости механизированных работ к обшей стоимости всех работ;
уровень механизации вида работ, определяемый в процентах отношением физических объемов работ, выполненных с использованием машин и механизмов, к общему объему этого вида работ;
уровень автоматизации строительства и уровень автоматизации вида работ, определяемые аналогично вышеуказанным показателям, но с использованием соответствующих данных для автоматизированных работ;
удельная трудоемкость строительства, определяемая отношением обшей трудоемкости строительства (в человеко-днях) к протяжению построенного участка автомобильной дороги (в километрах);
производительность труда одного рабочего в целом по строительству (или выработка), определяемая отношением общей стоимости работ, выполняемых за год (в млн. руб), к числу рабочих, занятых на этих работах;
выработка на одного работающего, определяемая аналогично вышеуказанному показателю, но отношением к числу работающих (то есть включая все категории - рабочих, ИТР, МОП и охрану);
производительность труда при выполнении вида работ, определяемая отношением физического объема выполненного вида работ к количеству трудозатрат рабочих (в человеко-днях);
механовооруженность строительства, определяемая в процентах отношением суммарной балансовой стоимости всех машин и оборудования к общей стоимости строительно-монтажных работ;
механовооруженность рабочих, определяемая аналогично вышеуказанному показателю, но отношением к числу рабочих на строительстве (измеряется в млн.руб. на одного рабочего);
энерговооруженность строительства, определяемая отношением суммарной мощности всех двигателей машин и оборудования (в кВт), задействованных на строительстве, к обшей стоимости строительно-монтажных работ (в млн. руб);
энерговооруженность рабочих, определяемая аналогично вышеуказанному показателю, но отношением к числу рабочих на строительстве (измеряется в кВт на одного рабочего);
Организационно-техническая подготовка к строительству автомобильной дороги. Организационно-техническая подготовка к строительству включает:
обеспечение стройки проектно-сметной документацией;
отвод в натуре трассы для строительства;
оформление финансирования строительства;
заключение договоров подряда и субподряда на строительство;
оформление разрешений и допусков на производство работ;
решение вопросов о переселении лиц и организаций, размешенных в подлежащих сносу зданиях;
обеспечение строительства подъездными путями, электро-, водо- и теплоснабжением, системой связи и помещениями бытового обслуживания кадров строителей;
организацию поставки на строительство оборудования, конструкций, материалов, полуфабрикатов и изделий.
Кроме того, подготовка к строительству каждого объекта предусматривает изучение инженерно-техническим персоналом проектно-сметной документации, детальное ознакомление с условиями строительства, разработку проектов производства работ на вне- и внутриплощадочные подготовительные работы, основные строительно-монтажные работы, а также выполнение самих работ подготовительного периода с учетом природоохранных требований и требований по безопасности труда.
Внеплощадочные подготовительные работы должны включать строительство подъездных путей и причалов, линий электропередачи с трансформаторными подстанциями, сетей водоснабжения с водозаборными сооружениями, канализационных коллекторов с очистными сооружениями, жилых поселков для строителей, необходимых сооружений по развитию производственной базы строительной организации, а также сооружений и устройств связи для управления строительством.
Внутриплощадочные подготовительные работы должны предусматривать сдачу-приемку геодезической, разбивочной основы для строительства и геодезические разбивочные работы для прокладки инженерных сетей, дорог и возведения зданий и сооружений, освобождение строительной площадки для производства строительно-монтажных работ (расчистка территории, снос строений и др.), планировку территории, искусственное понижение (в необходимых случаях) уровня грунтовых вод, перекладку существующих и прокладку новых инженерных сетей, устройство временных подъездных дорог, размещение мобильных (инвентарных) зданий и сооружений производственного, складского, вспомогательного, бытового и общественного назначения, устройство складских площадок и помещений для материалов, конструкций и оборудования, организацию связи для оперативно-диспетчерского управления производством работ, обеспечение строительной площадки противопожарным водоснабжением и инвентарем, освещением и средствами сигнализации.
Кроме того, в необходимых случаях в период организационно-технической подготовки к строительству должны быть выполнены работы по организации режимных наблюдений (сейсмических, гидрогеологических, геофизических, метеорологических и др.) по специальным программам, а также создание испытательных полигонов, метрологических пунктов и измерительных станций. Программы исследовательских работ, испытаний конструкций и элементов сооружений, а также режимных наблюдений должны разрабатываться заказчиком и генеральной проектной организацией одновременно с разработкой проектов организации строительства и проектов производства работ.
Продолжительность подготовительного периода для строительства автомобильных дорог составляет 5-12 % от общей продолжительности строительства объекта (СНиП 1.04.03-85. Нормы продолжительности строительства и задела в строительстве предприятий, зданий и сооружений (с изменениями 1- 4) / Госстрой СССР. - М.: Стройиздат, 1987. - 552с). Работы подготовительного периода выполняются генподрядчиком при участии заказчика с привлечением субподрядных организаций для выполнения ряда специальных работ.
Производство основных строительно-монтажных работ разрешается начинать после завершения в необходимом объеме работ по организационно-технической подготовке к строительству.
Определение оптимального парка дорожно-строительных машин. Задача определения оптимального парка дорожно-строительных машин и транспортных средств решается на стадии разработки проектно-сметной документации на строительство участка автомобильной дороги при составлении проекта организации строительства. Указанная задача является многофакторной, и ее решение основано на анализе и сопоставлении ряда показателей и критериев, в число которых входит минимальная стоимость работы, выполняемой конкретной машиной, достаточная производительность, целесообразность и возможность применения (обусловленная технологическими особенностями работы), наличие данной машины у подрядчика, максимальное по времени использование ее в течение всего периода строительства.
Одним из основных критериев оптимального выбора дорожно-строительной машины является минимальная стоимость выполнения рассматриваемой работы. Например, при определении оптимальной машины для разработки грунта из выемки с перемещением в насыпь на расстояние от 50 м до 200 м альтернативными машинами могут служить бульдозеры различной мощности и скреперы с различными емкостями ковшей, а также различного технического исполнения - прицепные с трактором или самоходные. При сравнении стоимости разработки грунта определенной группы по трудности разработки с перемещением на расстояние 50 м, 60 м, 70 м и т.д. до 200 м определяется расстояние транспортировки грунта, при котором стоимость разработки грунта бульдозером и скрепером практически равны. Таким образом находятся оптимальные диапазоны расстояний транспортировки грунта сравниваемыми машинами.
При сравнении по стоимости разработки следует учитывать фактор возможного или целесообразного технологического применения машины, который имеет два аспекта.
Первый аспект - это возможность разработки вида грунта рассматриваемой машиной. Например, гравийно-галечный грунт при размере частиц до 80 мм (классификация по ГЭСН 81-02-01-2001 «Сборник элементных сметных норм на строительные работы. Сборник 1. Земляные работы», табл. 1.1) является грунтом 2-й группы по трудности разработки для бульдозера и скрепера. А грунт гравийно-галечный при размере частиц свыше 80 мм - является грунтом 3-й группы по трудности разработки для бульдозера и в то же время не подлежит разработке скрепером.
Второй аспект - это целесообразность применения данной машины или механизма. Известно, что стоимость разработки единицы объема грунта, например, экскаваторами с различной вместимостью ковша уменьшается с увеличением его емкости. Таким образом, оптимальной по стоимости машиной для разработки грунта в резерве для последующей его транспортировки в насыпь автомобилями-самосвалами, на первый взгляд, должны служить экскаваторы с большей вместимостью ковша. Однако при незначительной мощности слоя разрабатываемого грунта, при которой не обеспечивается минимальная высота забоя для наполнения ковша за один прием, более рационально применение экскаватора с меньшей емкостью ковша, для которого данная высота забоя обеспечивает его оптимальное заполнение.
Критерий максимальной производительности должен учитываться при выборе всех машин с учетом установленной нормативной продолжительности строительства и объемов строительно-монтажных работ.
При определении оптимального парка дорожно-строительных машин учитывается возможность использования данной машины на различных работах, выполняемых на протяжении периода строительства. Например, применение бульдозера определенной мощности на подготовительных работах, земляных работах, работах по устройству искусственных сооружений, устройству дорожной одежды и т.д.
Конкретные рекомендации по выбору оптимальных типов дорожно-строительных машин и их технических характеристик с указанием рекомендуемых составов отрядов для выполнения различных дорожно-строительных работ в зависимости от видов, объемов и темпов выполнения приведены в гл. 32.
Обеспечение линейных работ и производственной базы дорожного строительства электроэнергией, сжатым воздухом, паром, водой и технологической связью. Особенностью дорожного строительства является линейный характер работ на трассе будущей дороги, которые невозможно обеспечить стационарными источниками энергоресурсов. Поэтому основные виды энергоснабжения (электроэнергия, сжатый воздух) осуществляются от передвижных источников, представляющих собой специализированные автономные передвижные агрегаты и машины. Получение электроэнергии на трассе для работы электроинструментов обеспечивается от передвижных электростанций. Передвижная электростанция представляет собой агрегат, смонтированный, как правило, на двухосной раме на пневмоходу (в виде прицепа) и состоящий из двигателя внутреннего сгорания и генератора. Перемещение прицепных электростанций по трассе осуществляется любым транспортным средством.
Основные технические характеристики современных отечественных и зарубежных передвижных электростанций, которые могут быть применены в дорожном строительстве, приведены в табл. 30.1.
Таблица 30.1
Техническая характеристика передвижных электростанций
|
Марки передвижных электростанций |
Основные показатели |
||||
|
мощность, кВт |
емкость бака, л |
расход топлива, л/час |
масса, кг |
варианты исполнения |
|
|
Отечественные |
|||||
|
АД-30С-1 |
30 |
78 |
10 |
1700 |
Одноосный прицеп |
|
Зарубежные |
|||||
|
L-20 |
16 |
45 |
5,2 |
500 |
на шасси, в контейнере |
|
LH-22 |
17 |
45 |
5,9 |
378 |
|
|
LH-30 |
24 |
45 |
7,8 |
428 |
|
|
LH-40 |
32 |
45 |
10,9 |
458 |
|
|
Р 50 Е1 |
40 |
176 |
13,1 |
820 |
|
|
Р 75 Р1 |
60 |
176 |
17,7 |
925 |
|
|
Р 100 Е |
80 |
230 |
23,7 |
1190 |
|
|
Р 135 |
108 |
290 |
28,3 |
1400 |
|
Получение сжатого воздуха для работы пневмоинструментов осуществляется от передвижных компрессоров. Передвижной компрессор представляет собой агрегат, схожий с передвижной электростанцией, но имеющий взамен генератора компрессионный агрегат. Передвижные компрессоры могут выполняться в виде прицепов на пневмоходу, а также в виде агрегатов, которые для транспортировки помещаются на стандартные автомобильные прицепы.
Основные технические характеристики современных отечественных и зарубежных передвижных компрессорных станций, которые могут быть применены в дорожном строительстве, приведены в табл. 30.2.
Таблица 30.2
Техническая характеристика передвижных компрессорных станций
|
Марки |
Основные показатели |
||||
|
рабочее |
производи- |
мощность |
масса, кг |
варианты |
|
|
Отечественные |
|||||
|
ПКСД-3,5 А |
0,7 |
3,5 |
60 |
1420 |
Одноосный прицеп |
|
ПКС-5,25 А |
0,7 |
5,25 |
50 |
1250 |
|
|
ЗИФ-ПВ-5 М |
0,7 |
5,4 |
60 |
1410 |
|
|
ПВ-10/8 М 1 |
0,7 |
11,2 |
179 |
3080 |
Двухосный прицеп |
|
ПР-10/8 М 2 |
0,8 |
11 |
130 |
2880 |
|
|
ПР-12/8 |
0,8 |
12 |
155 |
2790 |
|
|
Зарубежные |
|||||
|
XAS 56 Dd |
0,7 |
3,0 |
30,6 |
748 |
Одноосный прицеп |
|
P 110 S/WD |
0,7 |
3,2 |
37,4 |
750 |
|
|
XAS 66 Dd |
0,7 |
3,7 |
41,2 |
835 |
|
|
Р 180 S/WD |
0,7 |
5,0 |
57 |
950 |
|
|
Р 260 S/WD |
0,7 |
7,1 |
73,4 |
1375 |
|
|
XAS 175 Dd |
0,7 |
10,4 |
114,2 |
1690 |
|
|
XAS 230 Dd |
0,7 |
13,4 |
141,4 |
2300 |
|
|
XAS 405 Md |
0,7 |
23,4 |
201,2 |
3860 |
Двухосный прицеп |
|
XAS 495 Md |
0,7 |
28,8 |
280,1 |
4300 |
|
|
XAMS 615 Md |
0,86 |
34,2 |
444 |
5500 |
|
Потребность в паре для линейных дорожно-строительных работ значительно меньше, чем потребность в электроэнергии и сжатом воздухе. При выполнении линейных работ пар может применяться для подогрева материалов, например, разогрева битума, а также для обеспечения необходимой положительной температуры осуществления технологических процессов при их производстве в зимних условиях или при пониженных температурах. Для обеспечения паром линейных работ применяются передвижные паровые котлы или парогенераторы.
Вода при производстве линейных работ необходима для увлажнения грунтов при возведении земляного полотна для обеспечения их оптимальной влажности при укатке, для увлажнения материалов при устройстве отдельных слоев дорожной одежды, для ухода за бетоном и приготовления цементобетонной смеси на месте производства работ и т.д.
Обеспечение линейных дорожно-строительных работ водой осуществляется, как правило, путем доставки воды к местам производства работ поливомоечными машинами или автомобильными цистернами от ближайших открытых источников или раздаточных узлов существующей водопроводной сети. В случае отсутствия открытых источников водоснабжения или централизованных водопроводных сетей для обеспечения линейных работ водой в качестве источников могут использоваться артезианские скважины. Одним из возможных способов обеспечения линейных работ водой может служить временный водопровод, прокладываемый открытым способом от местного открытого источника воды к трассе дороги и вдоль дороги, с использованием центробежных насосов, устанавливаемых у источника.
Для управления производством в целом и координации действий при выполнении отдельных технологических процессов необходима организация технологической связи между всеми участниками строительного процесса, например, связи блока устройства асфальтобетонного покрытия с асфальтобетонным заводом и т.д. До недавнего времени обеспечение технологической связи представляло существенную проблему из-за слабого технического оснащения дорожной отрасли средствами связи. В этот период применялись радиостанции и переговорные устройства различной дальности. В настоящее время с появлением мобильных телефонов проблема обеспечения технологической связи практически перестала существовать и решается путем их широкого применения.
Организация работ при реконструкции автомобильных дорог имеет следующие основные особенности:
необходимость обеспечения на период реконструкции удовлетворительных условий движения транспорта общего пользования в ряде случаев значительной интенсивности;
неудобство (иногда даже невозможность) использования на некоторых работах обычных, серийно выпускаемых средств механизации;
необходимость разработки и применения индивидуальных (нетиповых) технологических решений;
зачастую повышенная энергоемкость и, как следствие, повышенная себестоимость единицы строительной продукции.
Перечисленные особенности и степень учета их при разработке организационных решений оказывают значительное влияние на себестоимость производства работ, на их календарную продолжительность, а также на экономику народного хозяйства в районах, обслуживаемых реконструируемой дорогой.
Возможно несколько основных вариантов организации работ:
1. Дорожно-строительная организация, обладающая необходимыми ресурсами, выполняет работы (обычно на подрядных началах) по реконструкции всей дороги одним потоком. Скорость и направление потока определяются его технической целесообразностью и экономической эффективностью для строительной организации.
Мероприятия по дорожному обеспечению существующего автомобильного движения сохраняются за эксплуатационными организациями, обслуживающими дорогу. Исключением являются только объезды мест производства работ, которые устраивают и содержат строители. В большинстве случаев этот вариант наиболее целесообразен при относительно небольшой протяженности дороги и сроке реконструкции, не превышающем 2-3 лет.
2. При реконструкции магистрали большой протяженности и выполнении работ также одной подрядной дорожно-строительной организацией, но в течение нескольких лет, целесообразно разделять дорогу на участки с различной очередностью производства работ. К участкам, подлежащим реконструкции в первую очередь, относят те, на которых народное хозяйство несет наибольшие потери в результате несоответствия дорожных условий требованиям движения.
Участки с различной очередностью реконструкции обычно расположены по дороге в случайном порядке, что препятствует организации единого строительного потока. Рассредоточение по дороге материально-технических и трудовых ресурсов снижает эффективность их использования, а дополнительные передислокации их с одного участка на другой требуют дополнительных затрат времени, материальных и денежных средств. Однако эти дополнительные затраты обычно окупаются выгодами, получаемыми в транспортной сфере благодаря первоочередной реконструкции наиболее неблагоприятных (опасных и убыточных для транспорта) мест. Поэтому на магистралях большой протяженности в большинстве случаев ориентируются на поэтапное (по участкам очередности) производство работ по реконструкции.
3. Возможно также стадийное улучшение транспортно-эксплуатационных качеств дороги, выполняемое непрерывно силами эксплуатационных организаций с относительно небольшими ежегодными затратами. Такой вариант может быть оправдан при малых объемах финансирования и недостаточности материально-технических ресурсов. Реконструируют в первую очередь только наиболее неблагоприятные для движения места.
Недостатки подобной организации реконструкции заключаются в том, что, во-первых, на дороге все время (в течение многих лет) производят работы, а это ухудшает условия движения и, во-вторых, на дороге все время имеются смежные участки с различными техническими параметрами и отличающимися условиями движения. Последнее также снижает безопасность движения.
Выбор организационного решения реконструкции в конечном счете определяют расчетами экономической эффективности возможных вариантов с учетом транспортно-эксплуатационной характеристики дороги, конкретных условий производства работ, а также объемов финансирования, наличия производственной базы и других материально-технических ресурсов.
При реконструкции автомобильных дорог большой протяженности и длительном (несколько лет) сроке производства работ организация единого потока на всей дороге не всегда будет оправдана. Целесообразно разбивать дорогу на отдельные участки с примерно равными (внутри участка) транспортно-эксплуатационными характеристиками и устанавливать очередность реконструкции их по годам. При этом поточность производства работ внутри каждого отдельного участка сохраняется, а общая поточность реконструкции всей дороги может быть нарушена.
Для определения очередности реконструкции участков дороги наряду с экономическими критериями рассматривается совокупность ряда показателей, включая количество и характер дорожно-транспортных происшествий на участке; средние скорости движения автомобилей на участке; интенсивность и состав движения; виды и объемы работ по реконструкции участка; виды и объемы работ для обеспечения пропуска движения по дороге на период производства работ.
В проектах организации работ учитываются как потребности транспорта, так и необходимость создания благоприятных условий для производства работ дорожно-строительными организациями. Во всех вариантах организации работ предусматривается обеспечение планового снижения себестоимости и повышения производительности труда. Это требование вступает в некоторое противоречие с выполнением реконструкции не по потоку, а в порядке очередности на различных участках.
Передислокация материально-технических и трудовых ресурсов (дорожно-строительных машин, баз снабжения материалами и полуфабрикатами, производственных предприятий, рабочих кадров) с одного участка на другой всегда требует затрат времени, денег, топлива и других ресурсов. Все эти затраты не повышают выпуск строительной продукции, а являются дополнительными расходами, увеличивающими ее себестоимость.
Особенно нежелательными являются непроизводительные затраты времени на передислокацию и на подготовку и развертывание работ на новом участке. Такие затраты времени сокращают, причем иногда весьма значительно, количество рабочих дней в строительном сезоне и в конечном итоге приводят к уменьшению годовых объемов дорожно-строительных работ.
В целях снижения неблагоприятного влияния передислокаций на общий ход строительства обычно рекомендуется:
подбирать участки реконструкции таким образом, чтобы объемы работ на каждом из них обеспечивали полную производственную загрузку дорожно-строительной организации на один год;
передислокацию основных видов ресурсов производить в наиболее неблагоприятный для производства работ период года - зимой;
подготовку фронта для развертывания основных работ по реконструкции на новом участке начинать заблаговременно в конце предыдущего летнего строительного сезона. При такой организации работ суммарные потери всех видов от передислокаций строительных подразделений будут минимальными.
Однако не везде можно полностью соблюдать подобную схему организации работ. Возможны случаи, когда на относительно благополучных участках дороги имеются отдельные места с очень плохими транспортно-эксплуатационными показателями. Эти места требуют немедленной перестройки, несмотря на то, что весь участок значительной протяженности может быть реконструирован во вторую или даже в третью очередь, то есть на несколько лет позже. Подобного рода задача организационно может быть решена двумя путями.
Необходимые работы по перестройке короткого участка дороги с неудовлетворительными условиями движения могут выполнить дорожные эксплуатационные организации в порядке капитального ремонта. Перестройку следует осуществлять в соответствии с общим проектом реконструкции дороги таким образом, чтобы в последующем на этом участке никаких работ больше производить уже не требовалось.
По другому варианту перестройку производит специальное подразделение генеральной подрядной дорожно-строительной организации, выполняющей все работы по реконструкции. При этом значительно возрастают удельные затраты на передислокации и увеличиваются потери рабочего времени. Тем не менее этот вариант предпочтительнее, так как он гарантирует быстрое и радикальное устранение причин, порождающих дорожно-транспортные происшествия.
При выборе окончательной схемы организации работ по реконструкции всей дороги следует сопоставлять расходы строительной организации, вызванные дополнительными передислокациями с экономическим эффектом, получаемым народным хозяйством благодаря ускоренной реконструкции наиболее неудовлетворительных участков дороги.
При определении суммы расходов на дополнительные передислокации учитывают только те перебазирования дорожно-строительных машин, оборудования, предприятий, которые не были бы осуществлены при реконструкции дороги единым комплексным потоком. В расходы включают также оплату рабочих, инженерно-технического персонала и служащих за время переезда и обустройства на новом участке. Положительный экономический эффект от соблюдения поучастковой очередности реконструкции определяют как разницу между экономическим эффектом, получаемым за период производства работ по реконструкции при организации единого комплексного потока и при работе по участкам.
Методика проведения расчета показана на следующем примере. Срок реконструкции дороги протяженностью 200 км между городами N и М установлен 4 года. Начало дороги - выезд из областного центра N. На 130 км расположен крупный промышленный комбинат. Наибольшая интенсивность движения, значительное количество дорожно-транспортных происшествий и в то же время наихудшие транспортно-эксплуатационные показатели зафиксированы на начальном участке дороги и на участках, прилегающих к комбинату. Соответственно на этих участках и может быть получен в результате реконструкции наибольший экономический эффект.
Рассмотрены два варианта организации работ: разбивка всей дороги на пять участков по различной экономической эффективности реконструкции (см. рис. 30.1, а); разбивка дороги на четыре годовых участка в соответствии с объемами работ, которые может выполнить в течение года строительная организация (см. рис. 30.1, б). В принятой организации работ сохранена разбивка на четыре годовых участка, но очередность работ в основном увязана с эпюрой эффективности реконструкции (см. рис. 30.1, г). При этом возникает необходимость производить дополнительную передислокацию всего комплексного потока на расстояние в 100 км дважды - в конце первого года строительства и в конце третьего.

Рис. 30.1. Варианты организации комплексного потока, учитывающие и не учитывающие экономическую эффективность реконструкции дороги:
а - эпюра экономической эффективности реконструкции (в условных единицах); б - разбивка на участки пропорционально годовым объемам работ; в - схема комплексного потока, действующего в одном направлении (вариант 1); г - схема комплексного потока, направление которого определяется экономической эффективностью реконструкции отдельных участков (вариант 2); 1 - направление действующего потока; 2 - направление передислокации дорожно-строительных подразделений
Экономический эффект от повышения скорости движения, снижения себестоимости перевозок и уменьшения количества дорожно-транспортных происшествий за период реконструкции будет различным при различных схемах организации производства работ. При выполнении работ одним потоком (см. рис. 30.1, в) от города N к городу М на первом по порядку участке выгоды реконструкции реализуются в течение 3 лет, на втором - в течение 2 лет и на третьем - в течение 1 года. По варианту 2 выгоды реконструкции реализуются на втором участке в течение 1 года, на третьем в течение 2 лет.
Экономический эффект для экономики, выражающийся в снижении себестоимости перевозок, уменьшении количества дорожно-транспортных происшествий и прочее благодаря принятию более рациональной схемы организации реконструкции дороги с перестройкой в первую очередь участков с наиболее неудовлетворительными транспортно-эксплуатационными показателями, будет равен:
где (30.1)
и
- суммарный
экономический эффект для экономики за период производства работ благодаря
ежегодному вводу в эксплуатацию законченных участков дороги соответственно для
1-го и 2-го вариантов организации реконструкции.
Передислокация будет экономически оправдана, если
где (30.2)
- сумма всех расходов на передислокацию
комплексного потока.
При окончательном решении необходимо анализировать структуру сумм получаемой экономии. В общем случае ее величина, вычисленная по основным показателям, равна:
где (30.3)
ЭU - экономический эффект от снижения себестоимости перевозок грузов в результате повышения скорости движения;
Эп - экономический эффект от уменьшения количества дорожно-транспортных происшествий.
В общей схеме организации реконструкции дорог существенное значение имеет организация движения автомобилей на участках производства работ. В ряде случаев, особенно на дорогах со значительной интенсивностью движения, мероприятия по обеспечению движения являются решающими для оценки различных вариантов организации работ по реконструкции в целом.
По техническим правилам ремонта и содержания автомобильных порог объезд должен быть таким, чтобы обеспечивать движение со скоростью не менее 30 км/ч.
В районах с густой сетью существующих дорог обычно удается часть движения переключить на параллельные дороги. Это в значительной степени разгружает объезды и соответственно снижает требования к ним. Использование существующих дорог при малой плотности дорожной сети, приводит к значительным перепробегам автомобилей.
Однако полностью обойтись без объездов, устраиваемых в непосредственной близости к реконструируемой дороге, нельзя. Нужно обеспечить, во-первых, возможность движения строительного транспорта, доставляющего материалы на дорогу и, во-вторых, проезд сложившегося транспортного потока.
В большинстве случаев на объездах устраивают земляное полотно с дорожными одеждами простейших типов - гравийными, шлаковыми, грунтовыми, улучшенными крупноскелетными добавками и т.д. При этом фактическая интенсивность движения на объездах превышает допустимую по нормативам для подобных типов покрытия. Однако учитывая короткий срок службы объездов, это обстоятельство не может служить причиной для обязательного перехода к более капитальным и, следовательно, более дорогим конструкциям дорожных одежд. Для того чтобы поддерживать удовлетворительную проезжаемость на объездах со слабыми дорожными одеждами, их необходимо систематически ремонтировать. Ремонт и содержание объездов целесообразно поручать специальным бригадам. Примерное оснащение такой бригады: 1 автогрейдер с кирковщиком, 1 бульдозер, 1 каток, 2-4 автомобиля-самосвала.
При значительном движении (1000-2000 и более автомобилей в сут) дорожные одежды простейших типов не обеспечивают бесперебойное движение даже при усиленном содержании и ремонте. В этом случае неизбежен переход к более капитальным типам покрытия. В целях экономии при относительно небольшой протяженности используемых объездов (несколько километров) целесообразно устраивать колейные сборно-разборные покрытия, допускающие многократное повторное использование. Наиболее часто применяются для устройства различных временных дорог сборно-разборные покрытия из железобетонных плит (рис. 30.2). Устройство сборно-разборных покрытий в меньшей степени, чем другие конструкции, зависит от погодных и климатических условий. Вывозка плит к местам работ может быть осуществлена заблаговременно, что позволяет лучше организовать использование строительной техники и автомобилей. Дальность возки ограничивается только экономическими соображениями. В современной практике устройства сборных покрытий имеются случаи доставки плит за 1000 км и более.

Рис. 30.2. Типы поперечных профилей временных объездов:
а - гравийное покрытие серповидного профиля; б - однопутное бетонное сборное колейное покрытие; в - то же, двухпутное
При высокой интенсивности движения на объездах могут быть устроены сплошные покрытия. При этом целесообразно рассматривать вопрос о замене реконструкции строительством новой дороги» параллельной существующей. В этом случае существующая дорога на период строительства новой будет играть роль объездного пути.
Аналогично может быть решен вопрос пропуска движения при перестройке дорог II и III категорий в дорогу I категории. В этом случае целесообразно строить вначале новое земляное полотно и проезжую часть, используя существующую дорогу для движения, затем переводить движение на новое покрытие и приступать к перестройке старого. Однако опыт показывает, что полностью обойтись без объездов и в этом случае не удается. В местах значительной перестройки земляного полотна все же приходится устраивать небольшие дополнительные объезды.
Во всех случаях наибольшие трудности с устройством объездов встречаются при пересечении водотоков или других подобного рода препятствий (железных дорог, каналов и т.д.). В этих местах предпочтительно максимально использовать существующие искусственные сооружения. Однако иногда приходится строить временные, чаще всего деревянные мосты.
В горных условиях на суходолах возможно устройство мощеных бродов.
В качестве варианта могут быть рассмотрены три основных примера пропуска движения при реконструкции дороги:
1. Устройство объезда параллельно реконструируемой дороге. При благоприятных грунтовых и гидрогеологических условиях можно ограничиться устройством профилированной грунтовой дороги. Дорожные одежды простейших типов (гравийные, грунтощебеночные) строят только в пониженных местах.
Независимо от длины участка, занятого производством работ в каждый отдельно взятый период времени, объезд необходимо строить вдоль всей реконструируемой дороги. Объезд поддерживают в проезжем состоянии специальные подвижные ремонтные подразделения. Однако несмотря на эти меры, движение автомобилей по объездам в сухую погоду происходит с пониженной скоростью, а в дождливую затруднено или даже полностью прекращается. В дождливую погоду на объездах должны дежурить тракторы для оказания помощи автотранспорту.
2. Устройство вдоль всей реконструируемой дороги профилированного земляного полотна, на которое параллельно участкам производства работ укладывают сборно-разборные покрытия (железобетонные или металлические). Эти покрытия обеспечивают пропуск движения по объезду без перерывов и с меньшим снижением скорости. Объезд со сборно-разборным покрытием делят на три участка (рис. 30.3).
На первом производят разборку использованного покрытия, на втором (основном) идет движение автомобилей, третий участок готовят к пропуску движения, укладывая на нем покрытие из элементов, подвозимых с первого участка, то есть комплект элементов сборно-разборных покрытий должен обеспечивать укладку покрытия на двух участках.

Рис. 30.3. Схема устройства объезда со сборно-разборным покрытием:
а - общая схема; б - деталь примыкания съезда со сборно-разборным покрытием к основной дороге; 1 - реконструируемая дорога; 2 - участок производства работ по реконструкции; 3 - участок разбираемого сборного покрытия; 4 - участок эксплуатируемого объезда со сборно-разборным покрытием; 5 - укладка сборного покрытия на последующем участке; 6 - транспортирование плит покрытия
Длительность эксплуатации уложенного покрытия на одном месте зависит от скорости потока основных работ на реконструируемой дороге и частоты расположения съездов с нее. Обычно этот период составляет 3-7 дней, но могут быть и значительные отклонения, например на участках сосредоточенных работ. Для съездов используют пересечения с другими дорогами или же устраивают специальные временные съезды.
Удельные (на 1 км) строительные затраты по второму варианту снижаются с увеличением протяженности дороги. Во всех случаях снижаются дополнительные расходы в сфере транспорта.
Обычно этот вариант оказывается предпочтительным при значительной интенсивности движения, а также при неблагоприятных грунтовых условиях и повышенном увлажнении.
3. Производство работ по реконструкции поочередно на половине ширины дороги при пропуске движения по другой половине (см. рис. 30.4). Этот вариант характерен для организации работ в тех случаях, когда местные условия (значительная заболоченность, горный рельеф, застройка придорожной полосы или ценные угодья) не позволяют устраивать объезды рядом с реконструируемой дорогой. В этом случае полностью исключаются затраты на строительство объездов, но появляются другие дополнительные расходы, вызываемые удорожанием производства строительных работ в стесненных условиях, а также затратами на ограждение мест работ и регулирование движения. Возникают убытки в сфере транспорта за счет периодических простоев автомобилей при челночном способе пропуска движения (поочередном одностороннем движении); возможно некоторое снижение средней скорости движения при следовании автомобилей колонной по половине ширины проезжей части без возможности обгона. Но, так как это снижение невелико во времени на относительно небольшом участке дороги, им обычно пренебрегают.

Рис. 30.4. Схема регулирования при челночном движении автомобилей на одной половине ширины проезжей части дороги:
1 - светофор: 2 - счетчик автомобилей; 3 - полоса производства работ; 4 - полоса для движения автомобилей
В пунктах перехода от двухполосного к однополосному движению устанавливаются переносные светофоры и счетчики автомобилей (рис. 30.4). При зеленом сигнале светофора в п. 1 включается счетчик автомобилей, и данные о их количестве, прошедшем мимо счетчика, передаются на аналогичный счетчик, установленный в п. 2.
При включении красного сигнала светофора в п. 1 движение встречного потока из п. 2 начинается после включения в этом пункте зеленого сигнала светофора, который загорится в том случае, когда на счетчике автомобилей в п. 2 будет зафиксировано то количество автомобилей, которое проследовало мимо счетчика в п. 1 в направлении п. 2. Для питания счетчиков и светофоров обычно используют передвижные электростанции небольшой мощности. При отсутствии необходимого оборудования в начале и конце однопутного участка выставляют посты регулировщиков, связанные друг с другом переносной телефонной связью.
Рассмотренные примеры не охватывают всего многообразия вариантов по пропуску движения, возможных в конкретных условиях каждого объекта. На различных участках одной реконструируемой дороги может оказаться целесообразным применение различных способов обеспечения движения. Правильное сочетание их позволяет наиболее эффективно использовать местные условия.
При
проектировании организации работ обычно рассматривают и сравнивают несколько
общих схем пропуска движения. Критерием выбора оптимальной схемы считается
минимум суммарных затрат и убытков, определенных для народного хозяйства, то
есть такая организация пропуска движения в период реконструкции, при которой
. Необходимо также определять суммы расходов строительной
организации по обеспечению пропуска движения
. Эти расходы должны быть предусмотрены в смете на
реконструкцию дороги.
Особенностью организации работ по реконструкции автомобильной дороги, которая влияет на принятие проектных решений по конструкциям отдельных элементов дороги, является трудноустранимое противоречие между экономической целесообразностью использования высокопроизводительной дорожной техники и работ, выполняемых с применением средств малой механизации и практической возможностью ее применения на всех работах. Ограниченность применения высокопроизводительной дорожной техники при реконструкции обусловливается ее специфическими конструктивными особенностями, а точнее, ее геометрическими размерами. В основном указанные проблемы возникают при незначительном уширении дорожной одежды или земляного полотна, размеры которого составляют, как правило, 0,5-1,5 м.
С целью упрощения производства указанных работ в проектах иногда принимаются решения об одностороннем уширении дорожной одежды со смещением оси дороги после реконструкции.
Невозможность применения высокопроизводительной дорожной техники, а также выполнение работ в стесненных условиях на малых захватках обусловливает ещё одну особенность при реконструкции автомобильных дорог - повышенную стоимость единицы отдельных видов дорожно-строительных работ по сравнению с условиями нового строительства.
Работы по реконструкции автомобильной дороги, как правило, осуществляются специализированными строительными организациями на подрядных началах, так же как и новое строительство.
Выбор технологических схем организации производства работ и последовательности их проведения на участках реконструируемой автодороги определяется расчетами экономической эффективности каждого из вариантов с учетом транспортно-эксплуатационных характеристик участков дороги, конкретных условий производства работ, объемов финансирования, наличия производственных баз и материально-технических ресурсов.
При строительстве и реконструкции, ремонте и содержании автомобильных дорог на всех стадиях производства работ необходимо руководствоваться требованиями к охране природной среды, изложенными в Инструкции по охране природной среды при строительстве, ремонте и содержании автомобильных дорог: ВСН 8-89 / Минавтодор РСФСР. - М.: ЦБНТИ Минавтодора РСФСР, 1989. - 84с).
Запрещается выполнение воздействующих на элементы природной среды работ, не предусмотренных проектной документацией, согласованной и утвержденной в установленном порядке; применение в конструкциях автомобильных дорог материалов, оказывающих отрицательное воздействие на окружающую среду, а также производство работ, добыча природных материалов на неразведанных месторождениях за пределами площадей, оформленных в пользование постоянным или временным отводом.
При выполнении работ по строительству, реконструкции, ремонту и содержанию автомобильных дорог обеспечивают следующие направления охраны природной среды и рационального расходования природных ресурсов:
сокращение земельных площадей, отводимых в соответствии с действующими нормативами для постоянного временного и разового использования, максимальное сбережение сельскохозяйственных угодий, особенно пашни, пойм и лесных водоохранных полос вдоль рек, земель, непосредственно прилегающих к рыбохозяйственным водоемам;
уменьшение объема использования в сооружениях природных ресурсов, особенно добываемых в придорожной полосе (грунт, минеральные материалы, лес, почва и т.п.);
сохранение плодородного слоя почвы на землях, отводимых для временного и разового использования, осуществляют рекультивацию нарушенных земель, восстановление условий коренного обитания и воспроизводства животного и растительного мира;
предотвращение загрязнения поверхности земли, водоемов, атмосферы отходами, побочными продуктами и технологическими воздействиями (пыль, отработанные газы двигателей, продукты испарения летучих веществ и газов, твердые выбросы, противогололедные, обеспыливающие и другие химические вещества и реактивы, шум, вибрация и т.п.); недопущение превышения установленных предельно допустимых уровней концентрации загрязняющих веществ;
предотвращение возможности возникновения по причине выполнения работ отрицательных гео- и гидродинамических явлений, изменяющих природные условия (эрозия, осушение, заболачивание, оползни, осыпи и т п) а также изменения гидрологического и биологического режимов естественных водоемов;
предупреждение непосредственного повреждения или ухудшения условий существования людей, животного и растительного мира вследствие выполнения работ (изменение ландшафтов, расчленение угодий, засыпка русел рек, заливов, стариц, нарушение сложившихся связей, путей сообщения и т.п.);
предупреждение эстетического ущерба вследствие резкого изменения визуально воспринимаемых ландшафтов, внедрения в них чужеродных элементов, а также вследствие уничтожения или изменения форм объектов индивидуального зрительного восприятия (отдельные постройки, старинные сооружения, геологические образования, крупные деревья или их группы и т.п.).
Указанные направления охраны природной среды реализуются на двух этапах строительства автомобильной дороги - этапе разработки проектно-сметной документации и этапе непосредственного строительства.
На этапе строительства автомобильной дороги обеспечивается выполнение всех решений по охране окружающей среды, предусмотренных в проектной документации, а также выполняется ряд мероприятий, снижающих или исключающих вредное воздействие процесса производства строительных работ на окружающую среду.
Расчистку дорожной полосы и площадей для дорожных сооружении требуется выполнять строго в отведенных границах. Складирование леса, порубочных остатков, материалов, оставшихся после разборки сооружений по краям полосы отвода, допускается только на период выполнения расчистки, до вывоза в специально отведенные проектом места.
Расчистка дорожной полосы от леса и кустарника должна выполняться отдельными участками в порядке очередности возведения на них земляного полотна или выполнения других работ. В залесенной местности расчистка, как правило, производится в зимнее время. Опережение расчистки дорожной полосы от леса и кустарника не должно превышать возможностей поточного строительства и объема работ в предстоящем сезоне.
При вырубке леса трелевочные волоки и лесосечные склады должны размешаться в пределах отведенной для дороги полосы, а в случае невозможности - в местах, определенных проектом, с соответствующим оформлением временного отвода.
Вывозка древесины и отходов производится по временным дорогам, проложенным в пределах полосы отвода или по установленным проектом маршрутам с использованием сети местных дорог или автозимников, а также по специально прокладываемым временным дорогам, предусмотренным проектом.
Деловая древесина и отходы расчистки, включая выкорчеванные пни, должны быть полностью вывезены в установленные места до начала земляных работ. Оставление отходов очистки на границе полосы отвода не допускается.
При невозможности использования порубочных остатков и неделовой древесины по согласованию с органами лесного надзора допускается их ликвидация путем захоронения или сжигания в специально отведенных местах.
На болотах порубочные остатки могут использоваться в виде хворостяной выстилки в основании насыпи.
При расчистке дорожной полосы от леса допускается оставлять пни высотой не более 10 см в основании насыпей высотой не менее 1,5 м от среза пня.
Сплошная валка леса и удаление кустарника бульдозерами или кусторезами и перемещение их вместе с корнями и почвой на границу дорожной полосы не допускается.
Пересадка деревьев ценных пород производится в соответствии с установленными дендрологическими правилами.
При подготовке к разработке грунтовых резервов и карьеров следует выполнять следующие природоохранные работы:
расчистить от леса и кустарника отведенную территорию с соблюдением вышеуказанных правил;
снять с площади, предназначенной для разработки и отвалов, плодородный слой почвы и складировать его в штабель в установленном проектом месте;
выкопать (начиная с устья) установленные проектом нагорные и водоотводные канавы;
снять и уложить в установленном месте грунт вскрышного слоя.
Водоотводные канавы в целях предупреждения загрязнения прилегающей территории должны окружать не только разрабатываемые площади, но и места отвалов почвы и вскрыши.
При выявлении в период строительства выхода родников в пределах отведенной полосы при положительной оценке местными органами санинспекции качества воды необходимо оборудовать эти родники для придорожного водозабора.
Особое внимание к охране окружающей среды следует обращать при возведении земляного полотна.
При снятии плодородного слоя почвы должны быть приняты меры по защите её от загрязнения смешиванием с минеральным грунтом, засорения водной и ветровой эрозией.
В целях предупреждения эрозии очищенных от дернового покрова грунтовых поверхностей и выноса смытых частиц грунта на поверхность почвы и в водоемы до начала работ по возведению насыпей, разработке выемок и притрассовых резервов должен быть обеспечен строительный водоотвод.
При выполнении земляных работ предупреждение эрозии должно обеспечиваться путем быстрейшего включения в работу сооружений водоотвода, водопропускных устройств, быстротоков, а также укрепления откосов.
При пересечении склона, а также при прохождении дороги у его подножья в период строительства должна быть проведена визуальная оценка оползневой устойчивости склона. К оползнеопасным относятся склоны с внешними проявлениями смещений (разрывы, наплывы грунта, искривленные стволы деревьев и т.п.), склоны с выходами грунтовых вод на поверхность, а также склоны, подрабатываемые естественными либо техническими процессами.
При наличии на откосах и склонах проявлений потери местной устойчивости (оплывины, сплывы и т.п., как правило, захватывающие толщу не более глубины промерзания) должны быть приняты неотложные меры по их локализации и устранению.
Явления потери местной устойчивости устраняются уполаживанием крутизны, укреплением сборными бетонными конструкциями, глубинным закреплением инъецированием, посадкой многолетних растений и т.п.
При обнаружении с одной стороны насыпи подпора поверхностных вод в период снеготаяния, явлений заболачивания вследствие переувлажнения верхних слоев грунта необходимо устройство или углубление существующих боковых водоотводных канав, отводящих воду в места организованного или естественного стока. В случае невозможности отвода воды вдоль земляного полотна необходимо устройство водопропускной трубы.
Не менее важно соблюдать требования по охране окружающей среды и при выполнении работ по устройству дорожной одежды.
Так, при планировке поверхности земляного полотна перед вывозкой и распределением материала для дополнительного слоя основания в сухую погоду необходимо производить обеспыливание путем розлива (распределения) обеспыливающих веществ или воды с использованием поливомоечных машин, цистерн, оборудованных распределительными устройствами или специальными распределителями сыпучих материалов.
При устройстве теплоизолирующих слоев из плиточных материалов, гидроизолирующих слоев из рулонных материалов, дренирующих и капилляропрерываюших слоев из нетканых синтетических материалов необходимо предупредить засорение полосы отвода дороги кусками, обрывками этих материалов.
При устройстве морозозащитных и дренирующих слоев из крупнозернистого материала (гравий, щебень, песок) следует предотвращать ветровой вынос пыли и мелких частиц за пределы земляного полотна при погрузке, выгрузке и распределении. Для этой цели в необходимых случаях применяют увлажнение материала в месте погрузки либо при выгрузке.
Доставка укрепленных смесей, приготовленных в смесительных установках, на место производства работ должна осуществляться в автобетономешалках, автобетоновозах или приспособленных автосамосвалах с плотно закрывающимися бортами.
При уходе за основанием или покрытием из материалов, укрепленных цементом, во избежание загрязнения окружающей среды испаряющимися токсичными растворителями, входящими в состав пленкообразующих материалов, предпочтение отдается пленкообразующим материалам на водной основе, например, осветленной битумной эмульсии или использованию слоя песка толщиной 4-6 см с поливкой водой.
При устройстве оснований и покрытий из материалов, укрепленных органическими вяжущими, следует отдавать предпочтение битумным эмульсиям и вязким битумам, вызывающим наименьшее загрязнение природной среды.
На всех стадиях производства органических вяжущих материалов должна быть обеспечена изоляция технологических линий, емкостей сбора и транспортировки готовой продукции. В цехах, связанных с производством и хранением готовой продукции, устраивается приточно-вытяжная вентиляция. Хранение готового продукта должно осуществляться в специально отведенных местах в закрытых емкостях.
Выгрузка асфальтобетонных смесей должна производиться в приемные бункеры асфальтоукладчиков или специальные расходные емкости или на подготовленное основание. Выгрузка асфальтобетонных смесей на землю запрещается.
Очистку и промывку кузовов бетоновозов и автосамосвалов, используемых для доставки цементобетонных смесей, производят в специально отведенных местах. Вода после промывки должна отводиться в специальные отстойники, откуда она может быть использована повторно. Сброс этих вод в поверхностные водоемы запрещается.
При приготовлении, разогревании и транспортировании резино-битумных, битумно-полимерных мастик, тиоколовых герметиков и грунтовок, применяемых для заполнения деформационных швов в бетоне, необходимо принимать меры, исключающие возможность попадания этих материалов на почву и растительность.
Кроме выше указанных технических и технологических мероприятий по охране окружающей среды в период производства работ необходимо выполнение ряда условий и мероприятий по охране окружающей среды от непосредственного воздействия на нее дорожно-строительных машин и оборудования.
Дорожные машины и оборудование должны находиться на объекте только на протяжении периода производства соответствующих работ. Не допускается хранение на приобъектных площадках временного отвода неиспользуемых, списанных или подлежащих ремонту в стационарных условиях машин или их частей и агрегатов.
Уровни загрязнения от дорожных машин, механизмов и транспортных средств не должны превышать установленных предельно допустимых концентраций вредных веществ для атмосферного воздуха, воды по видам водопользования, почв, предельных уровней шумового воздействия для зданий и территорий различного хозяйственного назначения, а также санитарных нормативов и требований безопасности при производстве работ.
Параметры применяемых машин, оборудования, транспортных средств в части состава отработанных газов, шума, вибрации и др. воздействий на окружающую среду в процессе эксплуатации должны соответствовать установленным стандартам и техническим условиям предприятия-изготовителя, согласованным с санитарными органами.
При работе дорожных машин необходимо обеспечивать допустимый уровень шума в населенных пунктах, на территориях жилой застройки, в помещениях жилых и общественных зданий. При выполнении механизированных работ в населенных пунктах или около них следует соблюдать установленные нормы по уровням вибрации в жилых помещениях и зданиях.
Заправка автомобилей, тракторов и других самоходных машин топливом и маслами должна производиться на стационарных или передвижных заправочных пунктах в специально отведенных местах, удаленных от водных объектов. Заправка стационарных машин и машин с ограниченной подвижностью (экскаваторы и др.) производится автозаправщиками. Заправка во всех случаях должна производиться только с помощью шлангов, имеющих затворы у выпускного отверстия. Применение для заправки ведер и другой открытой посуды не допускается.
На каждом объекте работы машин должен быть организован сбор отработанных и заменяемых масел с последующей отправкой их на регенерацию. Слив масла на растительный, почвенный покров или в водные объекты запрещается.
Выполнение всех вышеуказанных организационно-технических мероприятий по охране окружающей среды является непременным условием и неотъемлемой частью комплекса работ по строительству (реконструкции) автомобильной дороги.
Ограждение мест производства дорожно-строительных работ и организация движения построечного транспорта. Организация работы по обеспечению охраны труда и техники безопасности при строительстве и реконструкции автомобильных дорог должна осуществляться при соблюдении требований СНиП 12-03-2001. Безопасность труда в строительстве. Часть 1. Общие требования, СНиП 12-04-2002. Безопасность труда в строительстве. Часть 2. Строительное производство и других общероссийских и отраслевых нормативных документов (см. гл. 29, разд. 29.1).
При строительстве объектов должны быть приняты меры по предупреждению воздействия на работников опасных и вредных производственных факторов. Организация мест производства дорожно-строительных работ является необходимым условием обеспечивающим безопасность как работающих на дороге, так и всех участников производственного процесса. Поэтому до начала ведения работ генподрядная (подрядная) организация должна выполнить подготовительные работы на всех объектах строительства.
Одним из важных объектов повышенного внимания в дорожном строительстве является построечный транспорт. Организация движения построечного транспорта должна обеспечивать как безопасность ведения дорожно-строительных работ, так и безопасность движения самого построечного транспорта и существующего движения транспортных средств (в случае его наличия).
Движение построечного транспорта по существующей сети автомобильных дорог и территории городов и населенных пунктов осуществляется в соответствии с Правилами дорожного движения Российской Федерации.
При движении построечного транспорта по территории строительства необходимо соблюдение следующих основных правил:
движение автомобилей-самосвалов задним ходом к месту погрузки и выгрузки разрешается на расстояние не более 50 м и должно сопровождаться звуковым сигналом;
при выгрузке грунта или материалов из автомобиля-самосвала в насыпь расстояние от оси его заднего колеса до бровки естественного откоса насыпи должно быть не менее 2 м, а расстояние от бровки до внешнего колеса машины, движущейся по насыпи, - не менее 1 м;
при работе автомобиля-самосвала в карьере запрещается:
движение с поднятым кузовом, а также задним ходом к месту погрузки на расстояние более 30 м (за исключением случаев прокладки траншей),
переезд через кабели, проложенные по почве без специальных предохранительных укрытий,
перевозка посторонних лиц в кабине автомобиля,
остановка автомобиля на уклонах и подъемах,
запуск двигателя за счет движения автомобиля под уклон.
На территориях производственных баз, строящихся комплексов дорожной и автотранспортной служб у въезда на строительную площадку необходимо устанавливать схему внутрипостроечных дорог и подъездов с указанием мест складирования материалов и конструкций, мест разворота транспортных средств, объектов пожарного водоснабжения и пр.
Внутрипостроечные дороги должны быть оборудованы соответствующими стандартными дорожными знаками, регламентирующими порядок движения транспортных средств и строительных машин в соответствии с правилами дорожного движения Российской Федерации.
При движении построечного транспорта по готовому или отсыпаемому земляному полотну следует осуществлять регулирование движения (изменение местоположения полос движения последовательно по всей поверхности земляного полотна) с целью обеспечения равномерного доуплотнения земляного полотна и предотвращения образования колейности.
Повышенное внимание требуется также при производстве работ в населенных пунктах или на территории производственных баз, где строительные площадки должны иметь ограждения, исключающие доступ посторонних лиц к местам производства дорожно-строительных работ. При этом высота ограждений участков работ должна быть не менее 1,2 м, а ограждения, примыкающие к местам массового прохода людей, должны иметь высоту не менее 2 м и быть оборудованы сплошным защитным козырьком. Козырек должен выдерживать действие снеговой нагрузки, а также нагрузки от падения одиночных мелких предметов. Ограждения не должны иметь проемов, кроме ворот и калиток, контролируемых в течение рабочего времени и запираемых после его окончания.
Строительные площадки, участки работ и рабочие места, проезды и подходы к ним в темное время суток должны быть освещены в соответствии с требованиями ГОСТ 12.1.046-85.
Вопросы ограждения мест производства дорожно-строительных работ и организации движения на участках строительства или реконструкции дорог регламентирует Инструкция по организации движения и ограждению мест производства дорожных работ: (ВСН 37-84).
Инструкцией определено, что при организации движения и ограждении мест производства работ основными задачами являются:
заблаговременное предупреждение водителей транспортных средств и пешеходов об опасности, вызванной дорожными работами;
четкое обозначение направления объезда имеющихся на проезжей части препятствий, а при устройстве объезда ремонтируемого участка - его маршрута;
создание безопасного ведения дорожно-строительных работ и режима существующего движения транспортных средств и пешеходов как на подходах, так и на самих участках проведения дорожных работ.
Основными средствами организации движения в местах производства дорожных работ являются временные дорожные знаки, разметка проезжей части, ограждающие и направляющие устройства и другие технические средства.
При отсутствии стационарного освещения для обеспечения видимости ограждающие и направляющие устройства в темное время суток должны быть снабжены световозвращающими элементами размером 5×5 см, а на автомагистралях размером 10×10 см, закрепленными на верхней перекладине ограждающих устройств через 0,5 м. В случае проведения дорожных работ в застроенной местности место работ должно быть обозначено сигнальными фонарями и иметь освещение в соответствии с нормативными документами. На автомагистралях, оборудованных осветительными установками, зона дорожных работ должна быть обозначена сигнальными фонарями, установленными на переносных барьерах или щитах. Их размещают из расчета 1 фонарь на 1 м длины барьера или щита, установленного поперек дороги. Если инвентарные щиты устанавливают вдоль дороги, то фонари размещают на них через 15 м, при этом барьеры и щиты должны быть оборудованы устройствами для крепления фонарей.
Цвет сигнальных огней или световозвращающих элементов, применяемых совместно с ограждающими устройствами, должен быть красным.
Сигнальные фонари устанавливают на высоте 1,5-2 м над уровнем проезжей части. Мощность ламп в светильниках не должна превышать 15-25 Вт. Расстояние их видимости при нормальной прозрачности атмосферы должно равняться 150-300 м. Они не должны вызывать ослепления участников движения. Сигнальные фонари включают с наступлением вечерних сумерек, выключают с окончанием утренних сумерек. В дневное время фонари включают при наличии дымной мглы или тумана. Допускается установка мигающих сигнальных фонарей с частотой мигания 50-80 в минуту.
Особо опасные места (траншеи, котлованы, ямы, устраиваемое при укреплении обочин корыто глубиной 0,1 м и более) необходимо ограждать, применяя сигнальные шнуры или направляющие конусы, а также инвентарные щиты или барьеры, которые устанавливают на всем протяжении зоны работ через 15 м и оборудуют сигнальными фонарями. При отсутствии электрического освещения такие места в темное время суток должны быть обозначены факелами. В населенных пунктах ограждающие щиты или барьеры оборудуют сигнальными фонарями, которые зажигают с наступлением сумерек.
Для разделения встречных потоков транспортных средств в местах проведения дорожных работ, ограждения мест проведения работ, обозначение рядности и безопасной траектории движения применяют обычно переносные направляющие конусы, вехи и стойки. Этой же цели служит и нанесенная на проезжую часть временная разметка.
При значительной интенсивности существующего движения транспортных средств и длительном периоде производства дорожных работ участки работ ограждаются бетонными блоками или современными переносными ограждениями наливного типа (как правило, пластмассовыми ограждениями барьерного типа, заполняемыми водой).
Основные мероприятия по охране труда и технике безопасности. Охрана труда и техника безопасности при строительстве автомобильных дорог должна соответствовать нормативным требованиям.
Генеральный подрядчик обязан при выполнении работ на производственных территориях с привлечением субподрядчиков разработать совместно с ними план мероприятий, обеспечивающих безопасные условия работы, обязательные для всех организаций и лиц, осуществляющих работы на данной территории, а также при заключении договоров подряда предусматривать ответственность сторон за выполнение указанных мероприятий по обеспечению безопасных условий труда.
Перед началом производства строительно-монтажных работ необходимо определить опасные для людей зоны, в которых постоянно действуют или могут действовать опасные факторы, связанные или не связанные с характером выполняемых работ. К зонам постоянно действующих опасных производственных факторов относятся:
места вблизи от неизолированных токоведущих частей электроустановок;
места вблизи от неогражденных перепадов по высоте 1,3 м и более;
места, где возможно превышение предельно допустимых концентраций вредных веществ в воздухе рабочей зоны.
К зонам потенциально опасных производственных факторов относят:
зоны перемещения машин, оборудования или их частей, рабочих органов;
места, над которыми происходит перемещение грузов кранами;
участки территории вблизи строящегося здания (сооружения).
На границах зон постоянно действующих опасных производственных факторов должны устанавливаться предохранительные защитные ограждения, а зон потенциально опасных производственных факторов - сигнальные ограждения и знаки безопасности.
На выполнение работ в зонах действия опасных производственных факторов, возникновение которых не связано с характером выполняемых работ, должен быть выдан наряд-допуск по установленной форме. Кроме того, должен быть составлен перечень мест производства и видов работ, где выполнение работ допускается осуществлять только по наряду-допуску. Указанный перечень должен быть утвержден руководителем организации.
Наряд-допуск выдается непосредственному руководителю работ (мастеру, бригадиру и т.п.) лицом, уполномоченным приказом руководителя организации. Перед началом работ руководитель работы обязан ознакомить работников с мероприятиями по безопасности производства работ и провести инструктаж с записью в наряде-допуске.
При выполнении работ в охранных зонах сооружений или коммуникаций наряд-допуск может быть выдан только при наличии письменного разрешения организации - владельца этого сооружения или коммуникации.
Наряд-допуск выдается на срок, необходимый для выполнения заданного объема работ. В случаях возникновения в процессе производства работ опасных и вредных производственных факторов, не предусмотренных нарядом-допуском, работы должны быть прекращены, а наряд-допуск должен быть аннулирован. Возобновление работ может быть осуществлено только после выдачи нового наряда-допуска, учитывающего новые условия. Контроль за выполнением мероприятий, предусмотренных нарядом-допуском, должно осуществлять лицо, его выдавшее.
К работникам, выполняющим работы в условиях действия опасных производственных факторов, связанных с характером работы, предъявляются дополнительные требования безопасности. К таким профессиям при строительстве автомобильных дорог относятся асфальтобетонщики (асфальтировщики, варильщики), взрывники (при производстве земляных работ в скальных грунтах с применением буровзрывного метода), газосварщики, копровщики, маляры (занятые покраской конструкций нитрокрасками и другими материалами с токсичными свойствами), машинисты строительных машин и производственного оборудования, термоизолировщики (при работе с теплоизоляционными материалами из минеральной ваты, стекловолокна, асбеста и полиуретана), рабочие, занятые на погрузочно-разгрузочных работах с применением транспортных и грузоподъемных средств, работах с применением этилированного бензина, пропитки древесины антисептическими и огнезащитными составами, разработке и применении грунта в выемках глубиной более 2 м, а также электросварщики и электромонтеры.
К выполнению указанных работ допускаются лица не моложе 18 лет, прошедшие медицинский осмотр и признанные годными, и имеющие профессиональные навыки после прохождения обучения безопасным методам и приемам работ и получения соответствующего удостоверения.
Производство строительно-монтажных работ на открытом воздухе, а также перевозку людей в неотапливаемых транспортных средствах следует осуществлять в диапазонах температур, не превышающих предельные их значения (при которых необходимо приостановить работы на открытом воздухе и перевозку людей в неотапливаемых транспортных средствах), устанавливаемые органами исполнительной власти субъектов Российской Федерации в каждом регионе.
В соответствии с действующим законодательством обязанности по обеспечению охраны труда в организации возлагаются на работодателя. Общее руководство по обеспечению охраны труда возлагается на руководителя организации или лицо, им уполномоченное. Как правило, таким лицом является главный инженер организации или заместитель руководителя.
При выполнении своих должностных обязанностей работники должны выполнять обязанности по охране труда, определенные их должностными инструкциями или инструкциями по охране труда, которые утверждаются работодателем. Должностные инструкции доводятся до сведения работника под расписку при приеме на работу или назначении на новую должность.
Приказами по организации назначаются лица, ответственные за обеспечение охраны труда в пределах порученных им участков работ, в том числе в целом по организации, в структурных подразделениях, на производственных территориях, при эксплуатации машин и оборудования, а также при выполнении конкретных работ и на рабочих местах.
В организации должно быть организовано проведение проверок, контроля и оценки состояния охраны и условий безопасности труда, включающие следующие уровни и формы проведения контроля:
постоянный контроль работниками исправности оборудования, приспособлений, инструмента, проверка наличия и целостности ограждений, защитного заземления и других средств защиты до начала работ и в процессе работы на рабочих местах согласно инструкции по охране труда;
периодический оперативный контроль, проводимый руководителями работ и подразделений в соответствии с должностными инструкциями;
выборочный контроль состояния условий и охраны труда в подразделениях организации, проводимый службой охраны труда в соответствии с утвержденными планами.
На работах с вредными и (или) опасными условиями труда, а также на работах, связанных с загрязнением, должна быть обеспечена выдача работникам сертифицированных средств индивидуальной защиты, спецодежды и спецобуви.
Работники, занятые на строительстве, должны быть обеспечены санитарно-бытовыми помещениями (гардеробными, сушилками для одежды и обуви, душевыми, помещениями для приема пищи, отдыха и обогрева и т.д.). Причем в составе санитарно-бытовых помещений должны быть выделены и укомплектованы места для размещения аптечек с медикаментами, носилок, фиксирующих шин и других средств для оказания первой помощи пострадавшим.
Участки работ и рабочие места должны быть обеспечены необходимыми средствами коллективной зашиты или индивидуальной защиты работающих, первичными средствами пожаротушения, а также средствами связи, сигнализации и другими техническими средствами обеспечения безопасных условий труда в соответствии с требованиями действующих нормативных документов и условиями соглашений.
Строительные машины, транспортные средства, оборудование, приспособления и инструмент, применяемые при производстве строительно-монтажных работ, должны соответствовать требованиям государственных стандартов по безопасности труда. Запрещается эксплуатация средств механизации без предусмотренных их конструкцией ограждающих устройств, блокировок, систем сигнализации и других средств коллективной защиты работающих.
Подробные требования по безопасности труда в строительстве при производстве отдельных видов работ отражены в указанных выше нормативных документах.
Подрядные организации, выполняющие работы по генеральным и субподрядным договорам, и организации-заказчики должны обеспечивать объекты строительства всеми видами материально-технических ресурсов в строгом соответствии с технической последовательностью производства строительно-монтажных работ в сроки, установленные календарными планами и графиками строительства. Организация транспортирования, складирования и хранения материалов, конструкций и оборудования должна соответствовать требованиям стандартов и технических условий и исключать возможность их повреждения, порчи и потерь.
Общую проблему материально-технического обеспечения дорожного строительства можно условно разделить на три составляющие части:
обеспечение строительства материалами, изделиями, конструкциями и полуфабрикатами;
обеспечение строительства дорожно-строительной техникой, оборудованием, транспортными средствами (а также обеспечение содержания и ремонта указанной техники) и горюче-смазочными материалами для их работы;
обеспечение строительства (линейных работ, временных жилых поселков строителей, производственных и ремонтных баз) необходимыми энергоресурсами.
Так как уровень технического прогресса в дорожном строительстве, как и в других отраслях строительства, определяется прежде всего степенью индустриализации производства, при производстве дорожно-строительных работ предусматривается, как правило, обеспечение всех участков и мест производства работ готовыми материалами, изделиями, конструкциями и полуфабрикатами. Приготовление полуфабрикатов (асфальтобетонная и цементобетонная смеси, строительный раствор, цементо-грунтовая смесь и т.д.) осуществляется на специальных передвижных (или стационарных) производственных базах, имеющих современное высокопроизводительное оборудование, обеспечивающее надлежащее качество приготавливаемых полуфабрикатов, а получение местных дорожно-строительных материалов (песок, гравийно-песчаная смесь, гравий и т.д.) осуществляется путем разработки местных карьеров указанных материалов силами подрядчика или субподрядчиков.
Возможность снабжения строительства автомобильной дороги материалами во многом зависит от наличия в районе строительства местных строительных материалов и наличия разрешения на их использование. В случае отсутствия местных дорожно-строительных материалов их получение осуществляется путем доставки от ближайших действующих предприятий и карьеров по железной дороге, морским, речным, автомобильным транспортом или различными их сочетаниями.
Аналогично с доставкой от ближайших поставщиков, как правило, осуществляется обеспечение дорожного строительства готовыми материалами, изделиями и конструкциями промышленного производства, в числе которых металлоконструкции для обстановки дороги (дорожные знаки, стойки, ограждения и гл.), бетонные и железобетонные конструкции (для водопропускных труб, мостов и путепроводов, зданий дорожной и автотранспортной служб), кирпич, битум, цемент и т.д. При строительстве автомобильных дорог значительной протяженности возможна также и организация в составе производственной базы строительства временных полигонов по изготовлению бетонных и железобетонных конструкций.
Не менее важной составляющей в общей задаче организации материально-технического обеспечения дорожного строительства является его обеспечение строительной техникой, оборудованием и транспортными средствами, а также поддержание работоспособности указанной техники, включая ее ремонт (а при необходимости - замену) и снабжение горюче-смазочными материалами.
Решение задачи по содержанию и ремонту техники осуществляется путем организации в составе производственной базы строительства баз механизации, дорожно-ремонтных мастерских, а также использования передвижных мастерских, смонтированных на автомобилях, для обслуживания техники непосредственно на местах производства работ. Обеспечение техники горюче-смазочными материалами осуществляется путем их оптового получения от ближайших поставщиков с доставкой к местам производства работ автомобильными заправщиками.
Обеспечение строительства необходимой дорожно-строительной техникой, оборудованием и транспортными средствами осуществляется за счет использования парка собственной техники подрядчика и субподрядчиков, аренды недостающих видов техники на период строительства или приобретения новых машин, оборудования или транспортных средств.
Основными задачами организации складского хозяйства на дорожном строительстве, как и на других видах строительства, являются приемка от поставщиков, хранение и выдача материалов, изделий и конструкций, обеспечивающие бесперебойное ведение строительно-монтажных работ в установленные проектом сроки.
Для бесперебойного производства дорожно-строительных работ необходимо создание определенных запасов материалов, изделий и конструкций. Существуют текущий, подготовительный, гарантийный и сезонный запасы.
Текущим запасом называется запас материалов, изделий и конструкций в объеме, достаточном для бесперебойного ведения работ в период между двумя смежными поставками.
Подготовительным запасом называется запас материалов, изделий и конструкций в объеме, достаточном для обеспечения начала работ и периода приемки очередной поставки (разгрузка, сортировка, развозка, лабораторный анализ).
Гарантийным (или страховым) запасом называется запас материалов, изделий и конструкций, создаваемый в размере до 50 % от текущего запаса для обеспечения бесперебойной работы в случае возможного нарушения договорных сроков поставок.
Сезонным запасом называется запас материалов, изделий и конструкций, создаваемый в объеме, необходимом для обеспечения бесперебойной работы в течение определенного строительного сезона, и обусловливаемый возможностью доставки этих материалов, изделий и конструкций только в течение определенного периода времени (например, доставка материалов только в зимнее время по зимним дорогам или только в летнее время в период судоходства по речным путям и т.д.).
Грузы, прибывающие на строительство автомобильной дороги, можно условно разделить на две группы - материалы для приготовления полуфабрикатов и материалы, изделия и конструкции для производства работ, не требующие дополнительной переработки.
Складирование материалов, необходимых для приготовления полуфабрикатов (щебень, песок, минеральный порошок, цемент, битум и т.д.) осуществляется, как правило, на территории производственной базы (АБЗ, ЦБЗ). Конструкции складов для указанных материалов учитывают специфические свойства каждого материала и главное - необходимость сохранения требуемых свойств материала до его применения, а также возможность и технологичность его использования для приготовления полуфабриката.
Наиболее специфическими дорожными материалами, требующими для своего складирования и хранения применения специальных конструкций складов, являются битум или другие органические вяжущие, минеральный порошок и цемент.
Хранение органических вяжущих осуществляется, как правило, во временных или постоянных ямных битумохранилищах только закрытого типа или хранилищах в виде цистерн вместимостью по 30-50 т каждая. Для организации слива органические вяжущие обычно подогреваются до состояния текучести паром или электроподогревом.
Закрытые битумохранилища ямного типа надежно защищают от доступа влаги как наружной, так и подземной путем устройства специальных защитных конструкций (навесов, дренажей и т.д.).
Битумохранилища оборудуют системой подогрева и битумными насосами. Подогрев битума осуществляется парозмеевиками, газовыми жаровыми трубами или электронагревателями, укрепляемыми по дну и к стенкам хранилища, или подвесными электроспиралями и ТЭНами серийного производства. Заборное устройство, связанное с насосной установкой, как правило, монтируется внутри батареи или пакета нагревателей.
Битумные коммуникации, краны и насосы подогревают обычно теми же способами и видами энергии, что и основное оборудование базы или цеха. Для забора битума из битумохранилища устраиваются приямки сбоку в торце хранилища с уклоном для стока в сторону приямка или в центре хранилища с уклоном дна к середине хранилища. Забор битума осуществляется соответственно неподвижной втопленной навесной установкой в нижней части бокового приямка или подвесным заборным оборудованием, перемещающимся по стенкам хранилища по его длине, с забором битума из средней части, куда битум стекает по уклону дна хранилища.
Так как цемент и минеральный порошок обладают способностью слёживаться, пылить, а также являются гигроскопичными материалами, конструкция и оборудование их складов должны защищать эти материалы от влаги, обеспечивать возможность периодической принудительной аэрации и перемешивания, предохранять от распыления и, кроме того, обеспечивать необходимые санитарные условия для работающих.
Склады цемента и минерального порошка бывают силосного (башенного) или бункерного типа.
В складах силосного типа хранение материала осуществляется в специальных силосах, изготавливаемых, как правило, из листовой стали в виде цилиндров (банок) и объединенных между собой в «батарею». Емкость одного силоса может быть различной: от 5-10 т для небольших передвижных складов до 300 т и более для крупных стационарных складов. Склады оборудуются необходимыми пневматическими устройствами для приема и выдачи материала, а также для перекачки материала из одного силоса в другой.
Склады бункерного типа устраиваются в виде нескольких однотипных секций (бункеров), располагаемых в одну линию вдоль разгрузочного железнодорожного тупика. Объединение бункеров осуществляется за счет галереи с винтовыми или ленточными транспортерами, располагаемой под бункерами. В складах указанного типа возможно также применение пневмотраспортеров для перемещения материала.
Склады песка и каменных материалов устраиваются открытыми в виде штабелей, причем при использовании щебня различных фракций их хранение организуется в отдельных штабелях. В случае поступления песка и каменных материалов по железной дороге их приемка производится приемными устройствами, а формирование штабеля - различными штабелирующими устройствами, в основном транспортерами или элеваторами. В случае доставки материалов автомобилями-самосвалами формирование штабелей обычно осуществляется бульдозерами.
В целях уменьшения площадей, занятых открытыми складами песка и каменных материалов, их складирование осуществляют по возможности штабелями большой высоты (до 5-7 м).
Готовые железобетонные конструкции, кирпич, лесоматериалы, металлоконструкции и т.д., прибывающие на строительство автомобильной дороги, складируются и хранятся также в основном на открытых площадках. Особое внимание уделяется процессу погрузочно-разгрузочных работ и недопущению повреждения конструкций и материалов во время его проведения. Погрузочно-разгрузочные работы осуществляют с использованием кранов различной грузоподъемности. Конструкции и материалы размещают на выровненных площадках, принимая меры против самопроизвольного смещения, просадки, осыпания и раскатывания складируемых материалов. Складские площадки защищают от поверхностных вод.
В целях соблюдения безопасности труда материалы, изделия и конструкции при складировании на площадках должны укладываться следующим образом:
кирпич в пакетах на поддонах - не более чем в два яруса, в контейнерах - в один ярус, без контейнеров - высотой не более 1,7 м;
фундаментные блоки - в штабель высотой не более 2,6 м на подкладках и с прокладками;
плиты перекрытий - в штабель высотой не более 2,5 м на подкладках и с прокладками;
круглый лес - в штабель высотой не более 1,5 м с прокладками между рядами и установкой упоров против раскатывания (ширина штабеля менее его высоты не допускается);
пиломатериалы - в штабель, высота которого при рядовой укладке составляет не более половины ширины штабеля, а при укладке в клети - не более ширины штабеля;
мелкосортный металл - в стеллаж высотой не более 1,5 м;
крупногабаритное и тяжеловесное оборудование и его части - в один ярус на подкладках;
стекло в ящиках и рулонные материалы - вертикально в 1 ряд на подкладках;
черные прокатные металлы (листовая сталь, швеллеры, двутавровые балки, сортовая сталь) - в штабель высотой до 1,5 м на подкладках и с прокладками;
трубы диаметром до 300 мм - в штабель высотой до 3 м на подкладках и с концевыми упорами;
трубы диаметром более 300 мм - в штабель высотой до 3 м в седло без прокладок с концевыми упорами.
На площадках со складируемыми материалами, изделиями и конструкциями предусматриваются проходы шириной не менее 1 м и проезды, ширина которых зависит от габаритов транспортных средств и погрузочно-разгрузочных механизмов, обслуживающих склад.
Расположение самих площадок складируемых материалов, изделий и конструкций, не требующих дополнительной переработки перед укладкой в дело, может быть разнообразным и зависит от конкретных условий строительства. Например, материалы, изделия и конструкции для строительства комплексов дорожной и автотранспортной служб или строительства моста чаще всего складируются и хранятся непосредственно на стройплощадке каждого комплекса или моста, а материалы и изделия для строительства водопропускных труб или обстановки дороги чаще хранятся на производственных базах подрядчика или субподрядчиков и доставляются к местам производства работ непосредственно перед использованием.
Достаточно важной составляющей обеспечения нормальной работы складского хозяйства на дорожном строительстве является правильная и четкая организация учета, хранения и выдачи материалов, изделий и конструкций, а также учета производства и отпуска приготавливаемых полуфабрикатов.
Материальные ресурсы выдаются со склада в пределах, определенных нормами расхода этих ресурсов на единицу измерения вида работ с учетом намеченного к выполнению объема работ.
Расходование материальных ресурсов контролируется путем сопоставления фактического их расхода на выполненный объем работ с нормативной потребностью, определенной расчетами на основании соответствующих нормативов и норм расхода материалов по каждому виду работ.
Контроль за расходованием материальных ресурсов осуществляется, как правило, аппаратом главного инженера строительной организации, которым также утверждаются отчеты по списанию этих ресурсов.
Организация технического обслуживания и ремонта дорожно-строительных машин и транспортных средств является одной из составляющих обшей задачи материально-технического обеспечения строительства.
Техническим обслуживанием принято называть комплекс работ по содержанию машин в постоянной технической готовности и предупреждению преждевременного износа деталей и узлов машин за счет своевременного проведения смазки, контрольно-регулировочных и контрольно-крепежных работ, а также работ по опережающему выявлению возможных дефектов (и причин их возникновения) с устранением этих дефектов и причин.
Техническое обслуживание состоит из ежедневного (ежемесячного) и периодического. Ежедневное техническое обслуживание включает очистку машин от пыли и грязи, проверку уровней масла в двигателе, а также уровней тормозной жидкости, жидкости в системе сцепления и т.д., восстановление этих уровней при необходимости до нормальной отметки, заправку топливом.
Периодическое техническое обслуживание, выполняемое после определенного периода работы машины или определенного пробега транспортных средств, устанавливаемого инструкцией по эксплуатации машины, включает, как правило, замену масла и различных фильтров, проверку натяжения ремней и при необходимости их замену, регулировочные и контрольно-крепежные работы и т.д. Состав работ, входящих в периодическое обслуживание машин, определен также инструкцией по ее эксплуатации.
Текущим ремонтом называются работы по устранению отдельных неисправностей, выявленных, но не устраненных при техническом обслуживании или выявленных непосредственно при проведении текущего ремонта со снятием или без снятия агрегатов, частичной разборкой машин с заменой отдельных деталей, а иногда узлов агрегатов.
Текущий ремонт не планируется. Он осуществляется по необходимости, то есть в случае возникновения дефекта или неисправности машины. Наиболее рациональным способом текущего ремонта является агрегатный, предусматривающий замену дефектного узла или агрегата на заранее отремонтированный, хранящийся на складе.
Капитальным ремонтом называются работы по замене одного или нескольких изношенных основных узлов машины на новые или восстановлению работоспособности этих узлов за счет их снятия, разборки, замены отдельных деталей, проведения слесарно-токарных работ и т.д. Так как основные узлы машины имеют определенные ресурсные пределы (временные или зависящие от пробега) работоспособности, время проведения капитального ремонта можно планировать. Однако не исключены случаи проведения капитальных ремонтов (до ожидаемых сроков) по необходимости, так же как и текущего ремонта.
Техническое обслуживание и текущий ремонт машин, как правило, выполняются на местах производства работ. Полевые парки (стоянки) дорожно-строительных машин и транспортных средств в связи с частыми передислокациями не имеют стационарных мастерских и, как правило, комплектуются передвижными ремонтными мастерскими на автомобилях или прицепах. Доставка горючего осуществляется в основном специализированными автомобилями-топливозаправщиками, а доставка смазочных материалов - в бочках или другой заводской таре бортовыми автомобилями.
Для проведения основных ремонтных работ дорожно-строительной техники и транспортных средств на строительстве автомобильной дороги организуются центральная ремонтная база или мастерские (база механизации), оснащенные соответствующим оборудованием и инструментом для ремонта техники, включая токарные и фрезерные станки, подъемное оборудование и т.д., имеющие склады топлива, масла, запасных частей и т.д., а также располагающие специальными транспортными средствами и прицепами для перевозки дорожно-строительных машин. Указанные ремонтные базы имеют на своей территории контрольно-пропускной пункт, заправочную станцию, пункт мойки машин, пункты технического обслуживания и ремонта машин, технический склад и места для стоянки техники.
Принимая во внимание в основном сезонный характер дорожно-строительных работ, при котором основной их объем выполняется в теплое время года, работы по капитальному ремонту техники, целесообразно планировать и производить в зимний период.
Однако такое планирование капитальных ремонтов должно сочетаться с высоким качеством технического обслуживания и проведения текущего ремонта машин во время производства работ в теплое время года, позволяющих технике полностью вырабатывать средний нормативный ресурс работы или даже его превышать.
Тем не менее при появлении объективных признаков ухудшения работы машины, свидетельствующих о необходимости проведения капитального ремонта, его следует осуществлять невзирая на плановые сроки и время года.
Для нормального функционирования объектов производственной базы дорожного строительства (в числе которых асфальтобетонные и цементобетонные заводы, временные жилые поселки строителей с необходимыми социально-бытовыми предприятиями, ремонтные базы, прирельсовые разгрузочные базы и т.д.) необходимо их обеспечение энерго- и технологическими ресурсами, а также технологической связью.
Наиболее потребляемым видом энергоресурсов в дорожном строительстве является электрическая энергия. Она используется для питания разнообразных электродвигателей, освещения строительных площадок, жилых, бытовых и административных зданий, а также для питания электрических нагревательных приборов, применяемых для подогрева или прогревания материалов и изделий и т.д. Суммарная потребляемая мощность всех электропотребителей на строительстве участка автомобильной дороги может колебаться в широких пределах в зависимости от объемов работ и их конструктивных особенностей, технологии производства, применяемого оборудования и инструмента, а также климатических условий района строительства.
Наиболее энергоемкими потребителями электрической энергии являются асфальтобетонные и цементобетонные заводы, а также прирельсовые битумохранилища, потребляющие электроэнергию для разогрева битума при его перекачке. Например, установленная мощность электродвигателей и электронагревателей на асфальтобетонном заводе производительностью 100 т смеси в час достигает 500-600 кВт, а на цементобетонном заводе производительностью 240 м3 смеси в час 300-400 кВт.
Получение электроэнергии для обеспечения функционирования производственных баз дорожного строительства осуществляется, как правило, от централизованной электросети района строительства путем подключения к согласованным с соответствующими заинтересованными организациями источникам. Чаще всего подключение сопряжено с необходимостью строительства различных трансформаторных подстанций, прокладкой линий электропередачи и рядом других работ, определяемых техническими условиями на подключение. Несмотря на это получение электроэнергии от централизованных источников является наиболее экономичным и надежным.
В случае невозможности использования централизованных источников электроэнергии ее получение может быть осуществлено от передвижных электростанций, работающих на жидком топливе. Стоимость электроэнергии, получаемой таким способом, как правило, выше, чем электроэнергии, получаемой от сетей общего пользования.
Сжатый воздух на производственных базах дорожного строительства используется для управления технологическими процессами смесительно-дозировочных установок и пневматического транспортирования цемента на цементобетонных заводах, распыления жидкого топлива в форсунках смесителей и битумоплавильных агрегатов асфальтобетонных заводов, для пневматического бурового и другого инструмента, используемого при разработке каменных карьеров с применением буровзрывного метода рыхления породы.
Получение сжатого воздуха для указанных целей осуществляется в основном от передвижных компрессорных станций с различным рабочим давлением и различной производительностью.
Пар в дорожном строительстве применяют для подогрева битума в битумохранилищах и битумопроводах, для пропаривания бетонных изделий в пропарочных камерах, распыления топлива в форсунках, а также в некоторых случаях для подогрева материалов на цементобетонных заводах.
Источниками получения пара служат парообразователи и парогенераторы различных типов, которые выбираются в зависимости от конкретных условий строительства по производительности, экономичности эксплуатации и удобству монтажа и демонтажа. В качестве стационарных источников получения пара на производственных базах дорожного строительства возможно применение стационарных паровых котлов, а в качестве передвижных - мобильных парообразователей. В настоящее время на рынке строительного оборудования представлены также зарубежные парогенераторы различной производительности (от 80 кг/час до 1800 кг/час), способные удовлетворить любую потребность в паре производственной базы дорожного строительства.
Вода на производственных базах дорожного строительства расходуется при заготовке и переработке материалов и приготовлении полуфабрикатов, мойке дорожно-строительной техники и транспортных средств и их техническом обслуживании, а также для питьевых и хозяйственных целей при обслуживании жилых поселков строителей.
Получение воды для производственных баз по возможности осуществляется путем подключения к существующим водопроводным сетям. В случае их отсутствия или невозможности подключения источниками воды могут служить собственные артезианские скважины или скважины мелкого заложения. Возможным источником получения воды для технических целей могут служить также ближайшие открытые водоемы. При этом доставка воды может быть осуществлена путем устройства временного водопровода или с помощью транспортировки воды автомобильными цистернами или поливочными машинами.
При устройстве временных водопроводов из открытых источников для перекачки воды возможно применение центробежных или диафрагменных насосов различной производительности в зависимости от дальности подачи воды и требуемого объема ее потребления. Для обеспечения постоянного напора, создания определенного запаса воды и равномерного поступления воды к потребителям на производственных предприятиях при использовании артезианских скважин или открытых источников строятся водонапорные башни, которые периодически (несколько раз в сутки) заполняются водой из указанных источников. При этом поступление воды к потребителям осуществляется самотеком за счет напора, создаваемого водонапорной башней.
При использовании воды для питьевых и технических целей необходима проверка ее качества. Заключение о пригодности воды для технических целей выдается лабораторией строительства, а заключение о пригодности воды для питьевых целей - территориальной санитарно-эпидемиологической станцией (СЭС).
Организация технологической связи на производственных базах дорожного строительства необходима для координации работы отдельных производственных объектов, их подразделений и специалистов в целях обеспечения согласованных практических действий по приготовлению полуфабрикатов, приемке и отпуску строительных материалов и изделий, проведению контроля за качеством работ и т.д.
Технологическая связь может быть обеспечена за счет подключения к существующей телефонной сети района строительства с установкой на базах дополнительных АТС для увеличения количества абонентов, находящихся на территории базы. Телефонная связь обеспечивает взаимодействие как отдельных производственных объектов (АБЗ, ЦБЗ, ремонтные мастерские и т.д.) с прирельсовыми базами разгрузки и получения материалов, так и взаимодействие структурных подразделений внутри каждого объекта, а также с руководством управления строительством и внешними поставщиками материалов, изделий и конструкций. Технологическая связь может также осуществляться с применением современных мобильных радиотелефонов, а внутри производственной базы между отдельными рабочими и специалистами, находящимися вне помещений, - по радиопереговорным устройствам с небольшими зонами действия. Технологическая связь между отдельными производственными базами в малообжитых районах в случае невозможности применения мобильных радиотелефонов может осуществляться за счет применения радиостанций с различными зонами действия.
Наиболее прогрессивным способом (методом) ведения дорожно-строительных работ является комплексно-механизированный поточный метод.
Условием, определяющим возможность применения комплексно-механизированного поточного способа работ, является наличие разнотипных работ (элементов, составляющих строительство объекта в целом), которые достаточно равномерно распределены на линейно-протяженном объекте.
Под поточным способом производства работ понимают такой способ его ведения, при котором осуществляется непрерывное (по технологии) и последовательное (по протяжению) выполнение работ специализированным отрядом машин.
Характерным примером поточного способа выполнения дорожно-строительных работ является комплекс работ по устройству дорожной одежды автомобильной дороги, при котором специализированный отряд дорожных машин выполняет последовательно и непрерывно устройство отдельных конструктивных слоев дорожной одежды таким образом, что после завершения работы последней машины отряда выходит готовая продукция в виде законченного элемента автодороги - дорожной одежды.
Так как автомобильная дорога является комплексом различных элементов и работ (водопропускные трубы, земляное полотно, дорожная одежда, обстановка дороги и т.д.), то выполнение всех этих работ может быть осуществлено комплексом разнообразных специализированных машин и механизмов, образующих комплексно-механизированный поток.
Основным показателем работы специализированного потока (или отряда, выполняющего работы по строительству отдельного элемента дороги, например, дорожной одежды) является скорость потока.
Скоростью (или темпом работы) специализированного комплексного строительного потока принято называть величину, исчисляемую протяжением готового участка дороги, построенного этим потоком за единицу времени (смену, месяц, год).
Скорость потока в общем виде может быть выражена следующей функциональной зависимостью:
Vп = f(К, М, О, П), где
К - конструктивные особенности дороги и объемы дорожно-строительных работ;
М - техническая производительность и количество ведущих строительных машин, задействованных в потоке;
О - техническая производительность вспомогательных производств, обслуживающих строительство материалами, изделиями и полуфабрикатами, а также производительность их доставки на места производства работ;
П - погодно-климатические условия района строительства.
Кроме вышеуказанного показателя - скорости потока, организация работ поточным методом характеризуется следующими основными показателями:
Фронт работ (или длина потока) - длина участка дороги, на котором одновременно осуществляется работа всех специализированных отрядов комплексного потока.
Участок работы потока - длина участка дороги, которая будет построена этим потоком.
Полное время действия потока - продолжительность выполнения строительных работ одним потоком.
Время развертывания потока - время от начала работы первого специализированного отряда до начала работы последнего отряда.
Время свертывания потока - время от завершения работы первого специализированного отряда до завершения работы последнего отряда.
Направление движения потока - направление, в котором осуществляется выполнение работ.
При строительстве автомобильных дорог большой протяженности возникает необходимость применения нескольких одновременно работающих потоков в целях обеспечения нормативной или директивно установленной продолжительности строительства объекта. Расчетное количество комплексных потоков в таких случаях может быть определено по формуле:
где (32.1)
L - протяжение намеченного к строительству участка дороги (км);
Vп - скорость потока (км/год);
Т - нормативная (или директивная) продолжительность строительства (годы).
Метод организации дорожно-строительных работ, при котором работы осуществляются комплексными строительными потоками одновременно на нескольких различных участках дороги с одновременным завершением работ и вводом всей дороги в эксплуатацию, называется параллельно-поточным (или параллельным).
Еще одной разновидностью поточного метода является некомплексный поточный метод, при котором общий комплексный поток дорожно-строительных машин не работает как единое целое, а разделяется на специализированные отряды, выполняющие строительство отдельных элементов дороги, хотя и поточным способом, но со значительным разрывом во времени.
Характерным примером этого метода является строительство участка автомобильной дороги, когда подготовительные работы, строительство искусственных сооружений и возведение земляного полотна осуществляется в первый год строительства, а работы по устройству дорожной одежды и обстановка дороги - во второй год строительства.
Поточный метод строительства имеет следующие положительные особенности:
специализированные отряды (звенья), выполняя одну операцию (или некоторое количество операций), на протяжении значительного времени обеспечивают требуемое качество работ за счет высокой квалификации рабочих и правильно подобранного технического оснащения, а также высокую производительность труда;
обеспечивается возможность индустриализации строительства;
обеспечивается минимальная потребность в дорожно-строительных машинах и оборудовании при максимальном коэффициенте их загрузки;
облегчается осуществление технического контроля и руководство работами, обслуживание машин и оборудования, ведение оперативного учета выполнения работ;
сокращаются непроизводительные расходы (складские, административно-хозяйственные и др.).
Так как строительство участка автомобильной дороги представляет сочетание не только линейных, но и сосредоточенных (площадочных) работ, практическое дорожное строительство невозможно осуществить только комплексным поточным методом в чистом виде. Сосредоточенными работами принято называть работы со значительными объемами, выполняемыми на незначительном протяжении. К сосредоточенным работам в дорожном строительстве относятся строительство искусственных сооружений - мостов, путепроводов, эстакад, тоннелей и т.д., комплексов дорожной и автотранспортной служб, разработка крупных выемок или устройство больших насыпей, устройство транспортных развязок в разных уровнях, работы по переустройству пересекаемых строящейся автодорогой сложных и крупных коммуникаций и т.д.
Выполнение сосредоточенных работ возможно осуществить методом раздельного строительства каждого сосредоточенного объекта от начала до конца специализированным отрядом (специализированной строительно-монтажной организацией) или методом циклового последовательного выполнения комплексов отдельных однотипных работ специализированным отрядом поочередно на нескольких аналогичных сосредоточенных объектах. Для возможности применения метода циклового последовательного выполнения работ (иногда его называют цикловым поточным методом) необходимо наличие на строящемся участке автомобильной дороги нескольких однотипных сосредоточенных объектов, а также возможность осуществления их последовательного строительства без задержки общего срока ввода участка автомобильной дороги в эксплуатацию. Метод раздельного (параллельного) строительства позволяет выполнять работы в более короткие сроки, чем цикловой последовательный метод, так как при этом методе имеется возможность осуществить одновременную значительную концентрацию строительной техники в целом на дороге, но рассредоточение на каждом площадочном объекте. Недостатком указанного метода считается снижение эффективности работы строительных машин (из-за невозможности обеспечить их равномерную загрузку на протяжении всей продолжительности выполнения работ на сосредоточенном объекте), а также снижение квалификации рабочих (из-за необходимости осуществления разнообразных работ небольшим по численности составом).
Цикловое последовательное выполнение работ не содержит указанные выше недостатки параллельного метода, однако зачастую приводит к перерывам в работе специализированных отрядов (звеньев), что обусловливает частичное удорожание и увеличение продолжительности работ.
Наряду со всеми вышеуказанными критериями по определению оптимального парка дорожно-строительных машин следует учитывать наличие сравниваемых по технико-экономическим показателям дорожно-строительных машин у подрядной организации, а также возможность дополнительного комплектования парка машин подрядчиком.
Конкретные рекомендации по выбору оптимальных типов дорожно-строительных машин и их технических характеристик с указанием рекомендуемых составов отрядов для выполнения различных дорожно-строительных работ в зависимости от их видов, объемов и темпов выполнения приведены в главах 13 и 33.
Нормативным документом рекомендательного характера, устанавливающим для добровольного применения общие правила ведения строительства, сложившиеся в практике и обусловленные действующим законодательством, является СНиП 12-01-2004. Организация строительства.
Нормативные положения данного документа содержат требования по подготовке строительного производства; определяют функции застройщика (заказчика) и подрядчика (генподрядчика); порядок передачи исполнителю работ утвержденной проектной документации, в том числе проекта организации строительства (ПОС); определяют порядок приемки законченного строительством объекта, а также перечень контрольных процедур оценки соответствия законченного строительством объекта требованиям действующего законодательства, проектной и нормативной документации.
Требования СНиП 12-01-2004 приобретают статус обязательных, если в договоре строительного подряда, заключаемого участниками строительства в соответствии с Гражданским кодексом Российской Федерации, имеется ссылка на применение настоящих строительных норм и правил при строительстве конкретного объекта.
Проект организации строительства разрабатывается на основе принятых проектных решений с учетом требований СНиП 12-01-2004, ведомостных нормативных документов, технических и технологических регламентов. Исходными материалами для разработки проекта организации строительства служат:
технико-экономические обоснования строительства или расчеты, обосновывающие хозяйственную необходимость и экономическую целесообразность строительства данного объекта и задание на его проектирование;
материалы инженерных изысканий (при реконструкции объектов - материалы их предпроектного технического обследования) и данные режимных наблюдений на территориях, подверженных неблагоприятным природным явлениям и геологическим процессам;
рекомендованные генеральной подрядной и субподрядной организациями решения по применению материалов и конструкций, средств механизации строительно-монтажных работ; порядок обеспечения строительства энергетическими ресурсами, водой, временными инженерными сетями, а также местными строительными материалами;
сведения об условиях поставки и транспортирования с предприятий-поставщиков строительных конструкций, готовых изделий, материалов и оборудования;
специальные требования к строительству сложных и уникальных объектов;
сведения об условиях производства строительно-монтажных работ на реконструируемых объектах;
объемно-планировочные и конструктивные решения зданий и сооружений и принципиальные технологические схемы объекта (его очереди), подлежащего строительству, с разбивкой на пусковые комплексы и узлы;
сведения об условиях обеспечения кадрами строителей;
сведения об условиях обеспечения строительства транспортом, в том числе для доставки строителей от места проживания к месту работы;
данные о дислокации и мощностях общестроительных и специализированных организаций и условиях их перебазирования;
данные о наличии производственной базы строительной индустрии и возможностях ее использования;
сведения об условиях обеспечения строителей питанием, жилыми и культурно-бытовыми помещениями;
мероприятия по защите территории строительства от неблагоприятных природных явлений и геологических процессов и этапы их выполнения;
сведения об условиях строительства, предусмотренных контрактами с иностранными фирмами.
В развитие проекта организации строительства разрабатывается, как правило, подрядными организациями-исполнителями строительных работ проект производства работ (ППР), детализирующий технологические методы и средства их выполнения.
При разработке ПОС и ППР руководствуются Перечнем действующих в дорожном хозяйстве руководящих, нормативных и рекомендательных документов, который разрабатывается и переиздается ФГУП «ИНФОРМАВТОДОР» каждые два года с учетом изменений и дополнений за соответствующий период. В табл. 33.1. в качестве примера приводятся отдельные документы, требования которых необходимо учитывать при разработке ПОС и ППР
Таблица 33.1
Перечень некоторых нормативных документов, используемых при разработке ПОС и ППР
|
Номер документа, его название |
Вопросы, регламентируемые документами |
|
СНиП 12-01-2004 Организация строительства |
Устанавливает базовые функции застройщика в соответствии с действующим законодательством |
|
СНиП 1.04.03-85* Нормы продолжительности строительства и задела в строительстве предприятий, задний и сооружений (с изменениями № 1-4) |
Продолжительность строительства объекта, нормативы задела в строительстве по срокам его осуществления |
|
СНиП 3.06.03-85 Автомобильные дороги |
Организация дорожно-строительных работ, контроль качества и приемка выполненных работ |
|
СНиП 3.02.01-87 Земляные сооружения, основания и фундаменты |
Правила производства и приемки работ по возведению земляных сооружений, оснований и фундаментов |
|
СНиП 3.06.04-91 Мосты и трубы |
Правила производства и приемки работ по строительству мостов и водопропускных труб |
|
СНиП 12-03-2001 Безопасность труда в строительстве. Часть I. Общие требования |
Организация работы по обеспечению охраны труда в строительном производстве. Перечень нормативных документов и информационных материалов взаимосвязанных с настоящими нормами и правилами |
|
СНиП 12-04-2002 Безопасность труда в строительстве. Часть II. Строительное производство. |
Порядок производства работ в технологической последовательности с организацией безопасности труда на рабочих местах. Перечень нормативных документов и информационных материалов взаимосвязанных с настоящими нормами и правилами |
|
ВСН 8-89 Инструкция по охране природной среды при строительстве, ремонте и содержании автомобильных дорог |
Правила и мероприятия по охране природной среды при строительстве, ремонте и содержании автомобильных дорог |
|
Методические рекомендации по охране окружающей природной среды при строительстве и реконструкции автомобильных дорог, 1999 |
Экологические требования и мероприятия по обеспечению экологической безопасности при выполнении технологических процессов дорожного строительства |
|
ОДН 218.5.016.-2002 Показатели и нормы экологической безопасности автомобильной дороги |
Нормативные требования при оценке экологического состояния автомобильных дорог в процессах их проектирования, строительства, реконструкции, эксплуатации, содержания и ремонта |
|
ВСН 37-84 Инструкция по организации движения и ограждению мест производства дорожных работ |
Правила и схемы организации движения автомобильного транспорта и ограждения мест производства дорожных работ |
|
ВСН 139-80 Инструкция по строительству цементобетонных покрытий автомобильных дорог |
Правила устройства цементобетонных покрытий автомобильных дорог |
|
ВСН 123-77 Инструкция по устройству покрытий и оснований из щебеночных, гравийных и песчаных материалов, обработанных органическими вяжущими |
Правила устройства покрытий и оснований из щебеночных, гравийных и песчаных материалов, обработанных органическими вяжущими |
|
ОДМД. Руководство по грунтам и материалам, укрепленным органическими вяжущими, 2003 |
Содержит детализацию отдельных положений СНиП 3.06.03-85 и СНиП 32-03-96 по данному вопросу, а также ГОСТ 30491-97 в части требований к укрепленным грунтам и конкретизации области их применения |
|
ОДМД. Методические рекомендации по устройству покрытий и оснований из щебеночных, гравийных и песчаных материалов, обработанных неорганическими вяжущими, 2003 |
Излагается комплекс вопросов по требованиям к исходным материалам, смесям для устройства слоев дорожной одежды и технологии ведения работ в развитие ГОСТ 23558-94 и СНиП 3.06.03-85 |
|
Руководство по сооружению земляного полотна автомобильных дорог, 1982 |
Правила сооружения земляного полотна автомобильных дорог |
|
Методические рекомендации по восстановлению асфальтобетонных покрытий и оснований автомобильных дорог способами холодной регенерации, 2002 |
Области применения технологии холодной регенерации, свойства асфальтобетонного гранулята, подбор состава, оценка свойств и методы испытаний асфальтогранулобетона |
|
Методические рекомендации по ремонту цементобетонных покрытий автомобильных дорог, 2003 |
Определены требования к качеству отремонтированных покрытий, включая замену разрушенных участков плит, выравнивание поверхности покрытий, устранение усадочных трещин и укрепление поверхностного слоя бетона специальными составами |
|
Методические рекомендации по рекультивации земель, нарушаемых при транспортном строительстве |
Правила рекультивации земель, нарушаемых при транспортном строительстве |
|
ВСН 84-89. Изыскания, проектирование и строительство автомобильных дорог в районах распространения вечной мерзлоты |
Правила и нормы проектирования и строительства автомобильных дорог в районах распространения вечной мерзлоты |
|
ВСН 199-84. Проектирование и строительство временных поселков транспортных строителей |
Правила проектирования и строительства временных поселков транспортных строителей |
Проект организации строительства объекта разрабатывается на полный объем строительных работ, предусмотренный проектом и должен содержать:
1. Календарный план строительства, в котором определяются сроки и очередность строительства основных и вспомогательных зданий и сооружений, технологических узлов и этапов работ, пусковых комплексов и объемов строительно-монтажных работ по периодам строительства. Календарный план на подготовительный период составляется отдельно (с распределением объемов работ по месяцам);
2. Строительные генеральные планы для подготовительного и основного периодов строительства с расположением постоянных зданий и сооружений, указанием мест временных, в том числе мобильных (инвентарных) зданий и сооружении, постоянных и временных железных и автомобильных дорог и других путей сообщения для транспортирования оборудования, конструкций, материалов и изделий; путей для перемещения кранов большой грузоподъемности; инженерных сетей, мест подключения временных инженерных коммуникаций (сетей) к действующим сетям с указанием источников обеспечения стройплощадки электроэнергией, водой, теплом, паром; складских площадок; основных монтажных кранов и других строительных машин, механизированных установок; существующих и подлежащих сносу строений, мест для знаков закрепления разбивочных осей зданий и сооружений.
В случаях, когда организационными и техническими решениями охватывается территория за пределами площадки строительства, кроме строительного генерального плана разрабатывается также ситуационный план строительства с расположением предприятий материально-технической базы и карьеров, жилых поселков, внешних путей и дорог (с указанием их длины и пропускной способности), станций примыкания к путям МПС, речных и морских причалов, линий связи и электропередачи, с транспортными схемами поставки строительных материалов, конструкций, деталей и оборудования, с нанесением границ территории возводимого объекта и примыкающих к ней участков существующих зданий и сооружений, вырубки леса, участков, временно отводимых для нужд строительства;
3. Организационно-технологические схемы, определяющие оптимальную последовательность возведения зданий и сооружений с указанием технологической последовательности работ;
4. Ведомость объемов основных строительных, монтажных и специальных строительных работ, определенных проектно-сметной документацией, с выделением работ по основным зданиям и сооружениям, пусковым комплексам и периодам строительства;
5. Ведомость потребности в строительных конструкциях, изделиях, материалах и оборудовании с распределением по календарным периодам строительства, составляемая на объект строительства в целом и на основные здания и сооружения исходя из объемов работ и действующих норм расхода строительных материалов;
6. График потребности в основных строительных машинах и транспортных средствах по строительству в целом, составленный на основе физических объемов работ, объемов грузоперевозок и норм выработки строительных машин и средств транспорта;
7. График потребности в кадрах строителей по основным категориям;
8. Пояснительную записку, включающую:
характеристику условий и сложности строительства;
обоснование методов производства и возможность совмещения строительных, монтажных и специальных строительных работ, в том числе выполняемых в зимних условиях, с указанием сроков выполнения работ сезонного характера, а также технические решения по возведению сложных зданий и сооружений;
при необходимости данные о сроках выполнения, объемах геодезических работ и потребности в материальных и трудовых ресурсах для их выполнения, отражаемых в документах, предусмотренных п.п. 1, 3, 6 и 7;
указания о методах осуществления инструментального контроля за качеством сооружений;
мероприятия по технике безопасности и охране труда;
перечень условий сохранения окружающей природной среды;
обоснование потребности в основных строительных машинах, механизмах, транспортных средствах, электрической энергии, паре, воде, кислороде, ацетилене, сжатом воздухе, а также во временных зданиях и сооружениях с решением по набору мобильных (инвентарных) зданий и сооружений и указанием принятых типовых проектов;
перечень основных строительных организаций с характеристикой их производственной мощности;
обоснование размеров и оснащения площадок для складирования материалов, конструкций и оборудования, а также решения по перемещению тяжеловесного негабаритного оборудования и крупных строительных конструкций;
перечень специальных вспомогательных сооружений, приспособлений, устройств и установок, а также сложных временных сооружений и сетей, рабочие чертежи которых должны разрабатываться проектными организациями в составе рабочих чертежей для строительства объекта;
требования, которые должны быть учтены в рабочих чертежах в связи с принятыми в проекте организации строительства методами возведения строительных конструкций, оборудования и монтажа;
обоснование потребности в строительных кадрах, жилье и социально-бытовом обслуживании строителей;
обоснование принятой продолжительности строительства объекта в соответствии со СНиП 1.04.03-85.
Обоснования всех потребностей и затрат должны содержать решения по источникам их покрытия. Кроме того, в проекте организации строительства должны быть приведены следующие технико-экономические показатели:
общая продолжительность строительства, в том числе подготовительного периода мес.;
максимальная численность работающих, чел.;
затраты труда на выполнение строительно-монтажных работ, чел.-дни.
С учетом того, что автомобильная дорога является линейным сооружением, в составе проектов организации строительства дополнительно к вышеуказанному необходимо:
приводить объемы и трудоемкость основных строительно-монтажных работ по участкам трассы; указывать места обхода или преодоления специальными средствами естественных препятствий и преград, переправ на реках;
приводить перечень привлекаемых мобильных строительных организаций с характеристикой их производственной мощности и оснащения;
определять размещение баз материально-технического снабжения, производственных предприятий и объектов энергетического обеспечения, обслуживающих строительство на отдельных участках трассы, а также жилых поселков для строителей;
отражать транспортную схему доставки материально-технических ресурсов с расположением станций и пристаней разгрузки, промежуточных складов и временных подъездных дорог, в том числе временной дороги вдоль трассы сооружения;
предусматривать решения по возможному использованию отдельных участков вновь строящихся железных и автомобильных дорог, линий связи и электропередачи для нужд строительства;
устанавливать в зависимости от территориального размещения строительных организаций распределение их мобильных подразделений по участкам трассы в увязке с графиком работ.
Кроме того, в случаях намечаемого строительства автомобильной дороги в суровых природно-климатических условиях в проекте организации строительства дополнительно к указанным выше требованиям необходимо учитывать возможность воздействия на подготовку, организацию и осуществление строительства следующих физических, географических и экономических факторов:
а) для северной строительно-климатической зоны:
продолжительность периодов времени года с низкими температурами воздуха, сильными ветрами и снежными заносами, а также малой естественной освещенностью территории; наличие вечномерзлых грунтов;
отдаленность объектов строительства от промышленно развитых центров и баз централизованного материально-технического снабжения;
зависимость доставки материально-технических ресурсов от навигационных (сезонных) режимов на внутренних водных путях и морских каботажных линиях;
ограниченность местных источников энергии, необходимость применения специальных видов транспорта;
повышенную подверженность экологических систем воздействию хозяйственной деятельности и их трудную восстанавливаемость, а также необходимость ликвидации отходов, не утилизируемых в производстве, утилизацию элементов, содержащихся в сточных водах и выбросах в атмосферу, их очистки, обеззараживания и улавливания;
сложность организации строительной площадки в заболоченных и подтопляемых районах;
сложность организации санитарно-бытового обеспечения работников;
б) для горных и высокогорных районов:
пониженное барометрическое давление, требующее соблюдения специальных адаптационных режимов работы строителей;
шквалистые ветры и повышенная молниеопасность;
лавинные, селевые, обвальные и оползневые явления;
труднодоступность территории (большие уклоны, перепады отметок);
в) для пустынных и полупустынных районов и районов с особо жарким климатом:
высокие дневные температуры наружного воздуха;
отсутствие на больших территориях местных источников водоснабжения и необходимость выполнения в связи с этим специальных мер по очистке, опреснению, транспортированию, охлаждению и хранению воды;
необходимость соблюдения мероприятий по сохранению растительного покрова слабоустойчивых песчаных грунтов.
При намечаемом строительстве автомобильных дорог в районе с опасными геологическими процессами в проекте организации строительства дополнительно должны учитываться следующие требования:
при осуществлении строительства объектов, возводимых на грунтах с особыми свойствами (просадочные, набухающие и т.п.), следует обеспечивать первоочередное выполнение специальных мероприятий по организации водоотвода, устройству и эксплуатации систем временного водоснабжения, предупреждающих неорганизованное переувлажнение грунтов, а также по систематическому контролю за просадками и их предупреждению;
при осуществлении строительства объектов, расположенных в районах многолетнемерзлых грунтов, следует предусматривать решения о порядке, сроках и технологии выполнения работ с учетом прогноза изменения температурных, мерзлотно-грунтовых и гидрогеологических условий в процессе разработки грунта, выполнения строительно-монтажных работ и эксплуатации сооружений.
При намечаемом строительстве автомобильной дороги в особых природных условиях проект организации строительства дополнительно должен содержать дополнительные решения.
Раздел для противооползневых и противообвальных защитных сооружений:
прогноз активности (интенсивности) оползневых и обвальных процессов на период строительства;
мероприятия по обеспечению устойчивости склонов и откосов на период строительства защитных сооружений;
календарный план строительства, составленный с учетом строгой очередности и сроков выполнения всех работ в зависимости от необходимости окончания или временного прекращения земляных работ до наступления дождливых периодов года;
решения по размещению грунта и его складированию, не допуская отвалов в оползневой зоне;
решение по организации водоотвода, водопонижения и специальным способам закрепления грунтов.
Раздел для противоселевых защитных сооружений:
решение по пропуску в необходимых случаях паводков и селевых потоков через недостроенные сооружения с обеспечением их сохранности;
решения по обоснованной сезонности выполнения отдельных видов работ с учетом местных условий;
указания в календарном плане строительства о сроках возможного образования селевого потока по прогнозам данных изысканий;
материалы по размещению пунктов службы наблюдения за образованием селевых потоков и обеспечению их устойчивой радиосвязью с диспетчерским пунктом строительства;
материалы по размещению в безопасной зоне объектов производственной базы, жилых поселков, и подъездных путей, а также возможных путей эвакуации людей и строительной техники;
требования к режиму производства работ в селеопасный период.
В результате многолетней практики проектирования автомобильных дорог с сооружениями на них были выработаны стандартные формы документов, входящих в проект организации строительства участка автомобильной дороги. Приведенные ниже формы документов отражают специфику линейного автодорожного строительства.
Одним из основных документов ПОС автомобильной дороги является «Строительный план», отражающий решения по размещению производственных баз строительства, включая мобильные здания и сооружения, постоянных и временных железных и автомобильных дорог, проектируемого объекта, его сооружений и т.д.
На рис. 33.1 приведен пример «Строительного генерального плана» участка автомобильной дороги, а в табл. 33.2 - принятые условные обозначения.

Рис. 33.1. Генеральный план участка автомобильной дороги
Таблица 33.2
Условные обозначения генерального плана строительства участка автомобильной дороги

Не менее важными документами проекта организации строительства являются «Календарный план строительства» и «Календарный график строительства», которые определяют продолжительность, сроки и последовательность выполнения отдельных видов работ (или отдельных сооружений, входящих в комплекс строительных работ участка автомобильной дороги), а также содержат распределение объемов строительно-монтажных работ и капитальных вложений по видам работ и периодам строительства.
Виды календарных графиков строительства автомобильной дороги представлены в разд. 33.3.
В табл. 33.3 и 33.4 представлены примеры «Календарного плана строительства» и «Календарного плана подготовительного периода строительства». В табл. 33.5-33.8 приведены объемы основных видов работ, потребность в материально-технических и трудовых ресурсах.
Таблица 33.3
Календарный план строительства с распределением объемов основных работ по срокам строительства
|
№ п/п |
Наименование |
Сметная стоимость, тыс. руб. |
Распределение капитальных вложений и объемов строительно-монтажных работ |
|||||
|
всего |
в том |
пусковые комплексы |
годы строительства |
|||||
|
№1 |
№2 |
1 |
2 |
3 |
||||
|
1 |
Подготовка террито- |
1785,85 |
1213,27 |
390,33 607,24 |
895,02 606,03 |
730,53 500,12 |
1005,32 713,15 |
- |
|
2 |
Земляное полотно |
5818,53 |
5818,53 |
2909,13 2909,13 |
2909,40 2909,40 |
2123,21 2123,21 |
3695,32 3695,32 |
- |
|
3 |
Дорожная одежда |
6900,69 |
6900,69 |
3450,30 3450,30 |
3450,39 3450,39 |
- |
3450,30 3450,30 |
3450,39 3450,39 |
|
4 |
Искусственное сооружение |
5725,88 |
5725,88 |
2855,85 2855,85 |
2870,03 2870,03 |
3734,50 3734,50 |
1991,38 1991,38 |
- |
|
|
и т.д. |
|
|
|
|
|
|
|
Примечание. Распределение объемов строительно-монтажных работ приведено в виде дроби:
в числителе - объем капитальных вложений,
в знаменателе - объем строительно-монтажных работ
Главный инженер проекта____________ И.О. Фамилия
(подпись)
Согласовано:
Заказчик ____________ И.О. Фамилия
(подпись)
Таблица 33.4
Календарный план подготовительного периода строительства
|
№ п.п. |
Наименование работ |
Сметная стои- |
Распределение капитальных вложений и объемов строительно-монтажных работ |
||||||||||||||||||
|
всего |
в том |
годы строительства |
|||||||||||||||||||
|
1 |
2 |
||||||||||||||||||||
|
месяцы |
|||||||||||||||||||||
|
I |
II |
III |
IV |
V |
VI |
VII |
VIII |
IX |
X |
XI |
XII |
I |
II |
III |
IV |
V |
VI |
||||
|
1 |
2 |
3 |
4 |
5 |
6 |
7 |
8 |
9 |
10 |
11 |
12 |
13 |
14 |
15 |
16 |
17 |
18 |
19 |
20 |
21 |
22 |
|
1 |
Оформление полосы отводов |
100,00 |
28,08 |
30 80 |
20 8 |
- |
- |
- |
- |
- |
- |
- |
- |
- |
- |
20 6,00 |
20 6,08 |
- |
- |
- |
- |
|
2 |
Рубка леса, кустарника и корчевка пней |
75,00 |
39,42 |
|
15 8 |
|
|
- |
- |
- |
- |
- |
- |
- |
- |
- |
10 5 |
10 5 |
10 5 |
- |
- |
|
|
и т.д. |
|
|
|
|
|
|
|
|
|
|
|
|
|
|
|
|
|
|
|
|
Примечание. Распределение объемов строительно-монтажных работ приведено в виде дроби:
в числителе - объем капитальных вложений,
в знаменателе - объем строительно-монтажных работ
Главный инженер проекта____________ И.О. Фамилия
(подпись)
Согласовано:
Заказчик ____________ И.О. Фамилия
(подпись)
Таблица 33.5
Ведомость потребности строительства в основных дорожно-строительных материалах, конструкциях и полуфабрикатах
|
Наименование |
Ед. изм. |
Всего |
В том числе по основным показателям |
В том числе по календарным периодам строительства |
||||||
|
основная |
трансп. |
комплексы дорожно-эксплуата- |
мосты и путе- |
подъ- |
1 |
2 |
3 |
|||
|
Изделия и конструкции |
|
|||||||||
|
Железобетон сборный |
тыс. м3 |
22,50 |
14,00 |
1,00 |
1,00 |
6,00 |
0,50 |
12,50 |
5,00 |
5,00 |
|
Бетон сборный |
тыс. м3 |
24,50 |
15,00 |
2,00 |
1,00 |
6,00 |
0,50 |
12,50 |
5,00 |
5,00 |
|
Стальные конструкции |
тыс. т |
18,00 |
10,00 |
- |
8,00 |
- |
- |
10,00 |
4,00 |
4,00 |
|
и т.д. |
|
|
|
|
|
|
|
|
|
|
|
Полуфабрикаты |
|
|||||||||
|
Асфальтобетон |
тыс. т |
102,00 |
92,00 |
7,00 |
- |
1,00 |
2,00 |
- |
80,00 |
22,00 |
|
Бетон товарный |
тыс. м3 |
382,00 |
317,00 |
40,00 |
1,00 |
9,00 |
4,00 |
32,00 |
250,00 |
102,00 |
|
и т.д. |
|
|
|
|
|
|
|
|
|
|
|
Материалы |
|
|||||||||
|
Битум жидкий |
тыс.т |
2,10 |
1,00 |
0,50 |
- |
0,10 |
0,50 |
1,50 |
0,30 |
0,30 |
|
Битум вязкий |
тыс.т |
6,50 |
5,00 |
1,00 |
- |
- |
0,50 |
2,00 |
3,50 |
1,00 |
|
Цемент |
|
149,00 |
118,00 |
22,00 |
1,00 |
- |
8,00 |
60,00 |
60,00 |
29,00 |
|
и т.д. |
|
|
|
|
|
|
|
|
|
|
|
Щебень |
тыс. м3 |
411,00 |
350,00 |
40,00 |
1,00 |
5,00 |
15,00 |
100,00 |
280,00 |
31,00 |
|
и т.д. |
|
|
|
|
|
|
|
|
|
|
|
Горюче-смазочные материалы |
|
|||||||||
|
Бензин |
тыс.т |
1,70 |
1,50 |
0,10 |
0,04 |
0,01 |
0,05 |
0,40 |
0,80 |
0,50 |
|
Дизельное топливо |
тыс.т |
3,82 |
3,60 |
0,10 |
0,02 |
0,05 |
0,05 |
1,20 |
1,60 |
1,02 |
|
и т.д. |
|
|
|
|
|
|
|
|
|
|
Примечание. Материалы на приготовление полуфабрикатов в соответствующем разделе настоящей ведомости
Главный инженер проекта____________ И.О. Фамилия
(подпись)
Согласовано:
Заказчик ____________ И.О. Фамилия
(подпись)
Таблица 33.6
Ведомость объемов основных строительных, монтажных и специальных строительных работ
|
№ п/п |
Наименование работ |
Измерит. |
Всего |
В том числе пусковые комплексы |
Распределение по годам строительства |
|||
|
№1 км-км |
№2 км-км |
1 |
2 |
3 |
||||
|
I |
Освоение трассы и подготовительные работы |
|
|
|
|
|
|
|
|
Восстановление трассы Оформление отвода земель под строительство дороги: |
км. дор. |
72,5 |
36,5 |
36,3 |
72,5 |
- |
- |
|
|
а) полосы отвода дороги |
км |
72,5 |
36,5 |
36,3 |
72,5 |
- |
- |
|
|
б) полосы отвода транспортных развязок |
км |
23,2 |
11,2 |
11,6 |
23,2 |
- |
- |
|
|
в) полосы временных дорог и т.д. |
км |
167,3 |
83,6 |
83,7 |
167,3 |
- |
- |
|
|
II |
Земляное полотно |
|
|
|
|
|
|
|
|
|
Профильный объем земляных работ, в том числе: |
тыс. м3 |
2714,25 |
1357,12 |
1357,13 |
913,08 |
1093,12 |
708,05 |
|
а) выемка |
тыс. м3 |
472,13 |
236,08 |
236,05 |
157,03 |
171,07 |
144,03 |
|
|
б) насыпь |
тыс. м3 |
2242,12 |
1121,04 |
1121,08 |
756,05 |
922,05 |
564,02 |
|
|
Объем оплачиваемых земляных работ, из них |
тыс. м3 |
2466,28 |
1233,15 |
1233,14 |
832,00 |
1014,50 |
619,78 |
|
|
|
Механизированные работы: |
|||||||
|
Бульдозерные с разработкой грунта I группы (снятие дерна) с перемещением на 50 м Экскаваторные с разработкой грунта I группы с объемным весом 1,6 т/ м3 экскаватором с прямой лопатой емкостью ковша 0,65 м3 с погрузкой в автомобили-самосвалы и транспортировкой на расстояние (с содержанием временных землевозных дорог): |
тыс. м3 |
481,96 |
241,05 |
240,91 |
160,03 |
181,02 |
140,91 | |
|
|
1 км |
тыс. м3 |
250,68 |
125,31 |
125,37 |
90,03 |
110,05 |
50,60 |
|
|
2 км |
тыс. м3 |
566,89 |
283,45 |
283,44 |
190,12 |
250,25 |
126,52 |
|
|
3 км |
тыс. м3 |
470,28 |
235,10 |
235,14 |
157,07 |
180,03 |
133,18 |
|
|
4 км |
тыс. м3 |
458,86 |
229,43 |
229,43 |
153,21 |
175,15 |
130,50 |
|
|
То же, грунта II группы с объемным весом 1,75 т/ м3 на расстояние (с содержанием временных землевозных дорог): |
|
|
|
|
|
|
|
|
|
4 км |
тыс. м3 |
49,60 |
24,80 |
24,80 |
17,00 |
28,00 |
4,60 |
|
|
5 км |
тыс. м3 |
177,90 |
88,90 |
89,00 |
61,00 |
85,00 |
31,90 |
|
|
|
Немеханизированные работы: |
|
|
|
|
|
|
|
|
Ручная разработка грунта II группы с объемным ве- сом 1,75 т/ м3 с погрузкой в автосамосвалы и транспортировкой на расстояние 1 км (с содержанием временных землевозных дорог) |
тыс. м3 |
4,98 |
2,44 |
2,54 |
2,31 |
2,5 |
0,17 |
|
|
То же, грунта III группы с объемным весом 1,95 т/ м3 и т.д. |
тыс. м3 |
5,56 |
2,73 |
2,83 |
2,13 |
3,27 |
0,167 |
|
Примечания: 1. Ведомость составляется по главам сводной сметы к проекту;
2. По главам 2 и 3 «Земляное полотно» и «Дорожная одежда» ведомость составляется подробно в объеме, позволяющем определить сметную стоимость работ по единичным расценкам; по остальным главам объемы работ приводятся укрупненно, а подробные данные содержатся в частных сметах на указанные виды работ;
3. Для работ по строительству искусственных сооружений, устройству дорожной одежды и др., где это необходимо, приводятся два измерителя, как например, трубы - шт./м; дорожная одежда - км/м2;
4. Для временных сооружений, в тех случаях когда объем строительства определяется по набору сооружений, приводятся итоговые объемы работ по их назначению и типам сооружений
Главный инженер проекта____________ И.О. Фамилия
(подпись)
Согласовано:
Заказчик ____________ И.О. Фамилия
(подпись)
Таблица 33.7
Ведомость потребности строительства в основных строительных машинах, механизмах, оборудовании и транспортных средствах
|
п/п |
Наименование |
Марка |
Потребность по проекту, шт. |
В том числе по годам |
||
|
1 |
2 |
3 |
||||
|
1 |
Автосамосвалы |
ММЗ, ЗИЛ-55 |
70 |
50 |
70 |
70 |
|
2 |
Автогрейдеры |
ДЗ-31-1 |
5 |
2 |
5 |
5 |
|
3 |
Катки моторные |
ДУ-50 |
3 |
2 |
3 |
3 |
|
4 |
Катки прицепные |
ДУ-29-А |
2 |
2 |
2 |
2 |
|
5 |
Скреперы |
ДЗ-13 |
6 |
6 |
6 |
6 |
|
6 |
Экскаваторы |
Э-652 |
2 |
2 |
2 |
2 |
|
|
и т.д. |
|
|
|
|
|
Главный инженер проекта____________ И.О. Фамилия
(подпись)
Согласовано:
Заказчик ____________ И.О. Фамилия
(подпись)
Таблица 33.8
График потребности в кадрах строителей
|
No п/п |
Наименование |
Единица измерения |
Кол-во |
В том числе по годам строительства |
||
|
1 |
2 |
3 |
||||
|
|
Общая потребность в кадрах строителей, в том числе: |
тыс. чел./дней чел. |
1470,80 1620 |
390,20 830 |
640,30 1620 |
440,30 940 |
|
1 |
Рабочие |
То же |
1135,10 1240 |
272,03 750 |
590,05 1240 |
273,02 750 |
|
2 |
ИТР |
То же |
145,30 160 |
40,05 80 |
65,15 160 |
40,10 80 |
|
3 |
Служащие |
То же |
145,30 160 |
40,05 80 |
65,15 160 |
40,10 50 |
|
4 |
Прочие (МОП, охрана и другие) |
То же |
45,10 60 |
15,05 40 |
20,05 60 |
10,00 30 |
Главный инженер проекта____________ И.О. Фамилия
(подпись)
Согласовано:
Заказчик ____________ И.О. Фамилия
(подпись)
В состав проекта производства работ (ППР) на строительство участка автомобильной дороги включаются:
календарный план производства работ по объекту или комплексный сетевой график, в которых устанавливаются последовательность и сроки выполнения работ с максимально возможным их совмещением;
строительный генеральный план с указанием границ строительной площадки и видов ее ограждений, действующих и временных подземных, наземных и воздушных сетей и коммуникаций, постоянных и временных дорог, схем движения средств транспорта и механизмов, мест установки строительных и грузоподъемных машин, путей их перемещения и зон действия, размещения постоянных, строящихся и временных зданий и сооружений, мест расположения знаков геодезической разбивочной основы, размещения источников и средств энергообеспечения и освещения строительной площадки, расположения заземляющих контуров, мест расположения устройств для удаления строительного мусора, площадок и помещений складирования материалов и конструкций, площадок укрупнительной сборки конструкций, расположения помещений для санитарно-бытового обслуживания строителей, питьевых установок и мест отдыха, а также зон выполнения работ повышенной опасности. На строительной площадке, организованной на просадочных грунтах, водоразборные пункты, временные сооружения и механизированные установки с применением мокрых процессов должны быть размещены с низовой по рельефу местности стороны от зданий и сооружений, а площадки вокруг них должны быть спланированы с организованным быстрым отводом воды;
графики поступления на объект строительных конструкций, изделий, материалов и оборудования с данными о поступлении этих ресурсов по каждой подрядной бригаде и с приложением комплектовочных ведомостей (при наличии службы производственно-технологической комплектации - унифицированной документации по технологической комплектации);
графики движения рабочих кадров и основных строительных машин по объекту (графики движения основных строительных машин разрабатывают с учетом своевременного выполнения каждой бригадой поручаемого ей комплекса работ);
технологические карты (схемы) (с использованием соответствующей типовой документации) на выполнение отдельных видов работ с включением схем операционного контроля качества, описанием методов производства работ, указанием трудозатрат и потребности в материалах, машинах, оснастке, приспособлениях и средствах защиты работающих, а также последовательности демонтажных работ при реконструкции предприятий, зданий и сооружений;
решения по производству геодезических работ, включающие схемы размещения знаков для выполнения геодезических построений и измерений, указания о необходимой точности и технических средствах геодезического контроля выполнения строительно-монтажных работ, а также перечень исполнительной геодезической документации;
решения по технике безопасности в составе, определенном СНиП 12-03-2001 и СНиП 12-04-2002;
мероприятия по выполнению в случае необходимости работ вахтовым методом, включающие графики работы, режима труда и отдыха и составы технологических комплектов оснащения бригад;
решения по прокладке временных сетей водо-, тепло- и энергоснабжения и освещения (в том числе аварийного) строительной площадки и рабочих мест с разработкой, при необходимости, рабочих чертежей подводки сетей от источников питания;
перечни технологического инвентаря и монтажной оснастки, а также схемы строповки грузов;
пояснительная записка, содержащая:
обоснование решений по производству работ, в том числе выполняемых в зимнее время;
потребность в энергетических ресурсах и решения по ее покрытию;
перечень мобильных (инвентарных) зданий и сооружений и устройств с расчетом потребности и обоснованием условий привязки их к участкам строительной площадки;
мероприятия, направленные на обеспечение сохранности и исключение хищения материалов, изделий, конструкций и оборудования на строительной площадке, в зданиях и сооружениях;
мероприятия по защите действующих зданий и сооружений от повреждений, а также природоохранные мероприятия;
технико-экономические показатели, включая объемы и продолжительность выполнения строительно-монтажных работ, а также их себестоимость в сопоставлении со сметной, уровень механизации и затраты труда на 1 м3 объема, 1 м2 площади здания, на единицу физических объемов работ или иной показатель, принятый для определения производительности труда.
Особенность организации работ по устройству дорожной одежды обусловлена ее основными конструктивными показателями - многослойностью, причем, как правило, слои дорожной одежды состоят из различных материалов или полуфабрикатов.
Организацию работ по устройству дорожной одежды планируют с учетом:
поточного ведения работ для каждого конструктивного слоя дорожной одежды;
рациональной технологии, позволяющей использовать высокопроизводительные машины и механизмы;
возможных календарных сроков производства каждого вида работ, обусловленных погодно-температурными условиями района строительства.
Кроме вышеуказанных факторов, так же как и для всех других работ по строительству автомобильной дороги, при проектировании организации работ по устройству дорожной одежды необходимо обеспечивать взаимную увязку сроков их выполнения с выполнением предшествующих работ по возведению земляного полотна и последующих работ по устройству обстановки дороги.
В отличие от земляных работ, где разработку грунта возможно осуществить различными типами машин (автогрейдер, бульдозер, скрепер, экскаватор и т.д.) и оптимальный выбор которых обусловлен конкретными условиями проложения трассы, объемами работ, конструктивными элементами земляного полотна, оптимальным распределением земляных масс и расположением резервов грунта, определение оптимального состава отряда при выполнении работ по устройству каждого конструктивного слоя дорожной одежды в основном предопределено конструкцией этого слоя.
В табл. 33.9-33.16 приведены составы специализированных отрядов для устройства различных наиболее распространенных конструктивных слоев дорожной одежды с указанием толщины слоев и скорости потока в смену.
Таблица 33.9
Состав специализированных отрядов для устройства песчаного слоя
|
Наименование |
Толщина слоя, см |
|||
|
однослойных |
двухслойных |
|||
|
Скорость потока в смену, м |
||||
|
100-150 |
200-250 |
100-150 |
200-250 |
|
|
Личный состав, чел |
||||
|
Дорожные рабочие Водители дорожных машин и мотористы |
4 3 |
4 3 |
4 3 |
4 3 |
|
Дорожные машины, шт. |
||||
|
Автогрейдеры ДЗ-31-1 Катки на пневмошинах прицепные весом 25 т (с трактором) Электровибраторы С-414 Электростанции передвижные |
1 1 1 1 |
1 1 2 1 |
1 1 2 1 |
1 2 2 1 |
|
Поливомоечные машины |
Потребность определяется расчетом |
|||
|
Автомобили-самосвалы |
Потребность определяется расчетом в зависимости |
|||
Таблица 33.10
Состав специализированных отрядов для устройства дополнительных слоев основания из гравийно-песчаных или других аналогичных материалов
|
Наименование |
Толщина слоя, см |
|||||||
|
однослойных до 18 |
двухслойных до 36 |
|||||||
|
Скорость потока в смену, м |
||||||||
|
100 |
150 |
200 |
250 |
100 |
150 |
200 |
250 |
|
|
Личный состав, чел |
||||||||
|
Дорожные рабочие Водители дорожных машин и мотористы |
2 3 |
2 3 |
2 3 |
3 3 |
2 3 |
2 3 |
2 3 |
2 3 |
|
Дорожные машины, шт. |
||||||||
|
Автогрейдеры ДЗ-31-1 Катки на пневмошинах прицепные весом 25 т (с трактором) Катки моторные ДУ-8В |
1 1 1 |
1 1 1 |
1 1 1 |
1 1 1 |
1 1 1 |
1 1 1 |
1 1 1 |
1 1 1 |
|
Поливомоечные машины |
Потребность определяется расчетом |
|||||||
|
Автомобили-самосвалы |
Потребность определяется расчетом в зависимости |
|||||||
Таблица 33.11
Состав специализированных отрядов для устройства дополнительных слоев основания из щебеночного материала
|
Наименование |
Толщина слоя, см |
|||||||
|
однослойных до 16 |
двухслойных до 32 |
|||||||
|
Скорость потока в смену, м |
||||||||
|
100 |
150 |
200 |
250 |
100 |
150 |
200 |
250 |
|
|
Личный состав, чел |
||||||||
|
Дорожные рабочие Водители дорожных машин и мотористы |
2 4 |
2 4 |
2 5 |
3 7 |
2 5 |
3 7 |
3 9 |
4 12 |
|
Дорожные машины, шт. |
||||||||
|
Распределители щебня ДС-54 (Д-724) |
1 |
1 |
1 |
2 |
1 |
2 |
2 |
3 |
|
Катки моторные: |
|
|
|
|
|
|
|
|
|
ДУ-50 |
1 |
1 |
1 |
1 |
1 |
1 |
2 |
2 |
|
ДУ-8В |
2 |
2 |
3 |
4 |
3 |
4 |
5 |
7 |
|
Поливомоечные машины |
Потребность определяется расчетом в зависимости |
|||||||
|
Автомобили-самосвалы |
Потребность определяется расчетом
в зависимости |
|||||||
Таблица 33.12
Состав специализированных отрядов для устройства оснований из фракционного щебня
|
Наименование |
Толщина слоя, см |
|||||||
|
однослойных до 16 |
двухслойных до 32 |
|||||||
|
Скорость потока в смену, м |
||||||||
|
100 |
150 |
200 |
250 |
100 |
150 |
200 |
250 |
|
|
Личный состав, чел |
||||||||
|
Дорожные рабочие Водители дорожных машин и мотористы |
2 4 |
2 4 |
2 4 |
3 5 |
2 4 |
3 6 |
3 7 |
3 7 |
|
Дорожные машины, шт. |
||||||||
|
Распределители щебня ДС-54 (Д-724) |
1 |
1 |
1 |
2 |
1 |
2 |
2 |
2 |
|
Катки моторные: |
|
|
|
|
|
|
|
|
|
ДУ-50 |
1 |
1 |
1 |
1 |
1 |
1 |
2 |
2 |
|
ДУ-8В (399 В) |
2 |
2 |
2 |
2 |
2 |
3 |
3 |
3 |
|
Поливомоечные машины |
Потребность определяется расчетом в зависимости |
|||||||
|
Автомобили-самосвалы |
Потребность определяется расчетом в зависимости |
|||||||
Таблица 33.13
Состав специализированных отрядов для устройства цементно-бетонных покрытий
|
Наименование |
Марки смесителей |
||||||
|
С-780 (СБ-75) |
СБ-78 |
СБ-109 |
СБ-118 |
||||
|
одно- |
двух- |
одно- |
двух- |
одно- |
двух- |
однослойных |
|
|
Личный состав, чел |
|||||||
|
Дорожные рабочие при устройстве оснований толщиной, см: |
|
|
|
|
|
|
Комплект ма- |
|
16 |
32 |
- |
32 |
- |
50 |
- |
|
|
18 |
30 |
- |
30 |
- |
48 |
- |
|
|
20 |
28 |
- |
28 |
- |
46 |
- |
|
|
22 |
26 |
28 |
26 |
28 |
44 |
45 |
|
|
24 |
24 |
26 |
24 |
26 |
42 |
42 |
|
|
Водители дорожных машин |
11 |
11 |
12 |
12 |
14 |
14 |
|
|
Дорожные машины, шт. |
|||||||
|
Бетонораспределители ДС-503 А/Б |
1 |
1 |
1 |
1 |
2 |
2 |
Комплект ма- |
|
Бетоноотделочные машины ДС-504 А/Б |
1 |
1 |
1 |
1 |
1 |
1 |
|
|
Профилировщики основания ДС-502 А/Б |
1 |
1 |
1 |
1 |
2 |
2 |
|
|
Нарезчики температурных швов ДС-510 |
1 |
1 |
1 |
1 |
1 |
1 |
|
|
Заливщики швов мастикой ДС-57 |
1 |
1 |
1 |
1 |
1 |
1 |
|
|
Машины для розлива пленкообразующих |
1 |
1 |
1 |
1 |
1 |
1 |
|
|
Приспособление с вибратором для погружения штырей в температурных швах |
1 |
1 |
1 |
1 |
1 |
1 |
|
|
Глубинные вибраторы |
2 |
2 |
2 |
2 |
2 |
2 |
|
|
Поверхностные вибраторы |
4 |
4 |
4 |
4 |
4 |
4 |
|
|
Автокраны КС-2561 Д |
1 |
1 |
1 |
1 |
1 |
1 |
|
|
Бульдозеры (на тракторе 110-170 л.с.) |
1 |
1 |
1 |
1 |
1 |
1 |
|
|
Тракторы (95- 110 л.с.) |
- |
- |
1 |
1 |
1 |
1 |
|
|
Электростанции передвижные (6-9 кВт) |
1 |
1 |
1 |
1 |
1 |
1 |
|
|
Передвижные разгрузочные мостики |
1 |
1 |
1 |
1 |
2 |
2 |
|
|
Звенья рельс-форм Д-280-4М с креплениями и штырями при толщине покрытия, см: |
|
|
|
|
|
|
|
|
16 |
245 |
- |
245 |
- |
480 |
- |
|
|
18 |
215 |
- |
215 |
- |
|
|
|
|
20 |
195 |
- |
195 |
- |
415 |
- |
|
|
22 |
175 |
175 |
175 |
175 |
370 |
265 |
|
|
24 |
160 |
1 |
160 |
160 |
340 |
235 |
|
|
Передвижные битумные котлы |
1 |
1 |
1 |
1 |
1 |
1 |
|
|
Автомобили грузовые бортовые ЗИЛ-130 |
1 |
1 |
1 |
1 |
1 |
1 |
|
|
Поливомоечные машины |
Потребность определяется расчетом в зависимости от дальности возки воды или цементобетонной смеси |
||||||
|
Автомобили-самосвалы |
|||||||
Таблица 33.14
Состав специализированных отрядов для устройства оснований из фракционного щебня, обработанного битумом способом пропитки при толщине слоя 6-8 см
|
Наименование |
Скорость потока в смену, м |
|||
|
100 |
150 |
200 |
250 |
|
|
Личный состав, чел |
||||
|
Дорожные рабочие |
3 |
3 |
3 |
3 |
|
Водители дорожных машин и мотористы |
3 |
3 |
3 |
5 |
|
Дорожные машины, шт. |
||||
|
Распределители щебня ДС-54 |
1 |
1 |
1 |
2 |
|
Катки моторные: |
|
|
|
|
|
ДУ-11 |
1 |
1 |
1 |
1 |
|
ДУ-8А |
1 |
1 |
1 |
1 |
|
Автогудронаторы ДС-39А (Д 640А) |
Потребность определяется расчетом в зависимости от дальности возки битума |
|||
|
Автомобили-самосвалы |
Потребность определяется расчетом в зависимости от дальности возки щебня |
|||
Таблица 33.15
Состав специализированных отрядов для устройства дорожных одежд капитального типа с применением комплекта высокопроизводительных машин ДС-100 или ДС-110
|
Наименование |
Скорость потока
за рабочий |
||||
|
500 |
600 |
700 |
800 |
1000 |
|
|
Личный состав, чел |
|||||
|
Дорожные рабочие |
40 21 |
42 23 |
42 23 |
42 24 |
44 24 |
|
Водители дорожных машин и мотористы |
|||||
|
Дорожные машины, шт. |
|||||
|
Автогудронатор |
Потребность
определяется расчетом в зависимости |
||||
|
Автогрейдеры ДЗ-14А (Д 395) |
1 1 1 4 1 1 1 4 1 |
1 1 1 5 1 1 1 4 1 |
1 1 1 5 1 2 1 4 1 |
1 1 1 5 1 2 1 4 1 |
1 1 1 5 1 2 1 4 1 |
|
Асфальтоукладчик ДС-1 (Д-150 Б) |
|||||
|
Бетоноукладчик ДС-101 |
|||||
|
Катки на пневмошинах ДУ-31А (Д-627А) или ДУ-16 (Д-551 Б) |
|||||
|
Машина для нанесения пленкообразующих ДС-105 |
|||||
|
Нарезчик поперечных швов ДС-112 |
|||||
|
Нарезчик продольных швов ДС-115 |
|||||
|
Натяжные барабаны |
|||||
|
Универсальный профилировщик |
|||||
|
Поливомоечная машина |
Потребность
определяется расчетом в зависимости |
||||
|
Автомобили-самосвалы |
|||||
|
Погружатель арматуры ДС-102 |
1 1 1 |
1 1 1 |
1 1 1 |
1 1 1 |
1 1 1 |
|
Распределитель материалов ДС-99 |
|||||
|
Трубчатый финишер ДС-104 |
|||||
Примечания: В состав работ, выполняемых указанным отрядом, входят:
1 - установка копирных струн;
2 - планировка поверхности земляного полотна универсальным профилировщиком;
3 - доставка автомобильным транспортом и разгрузка на место укладки смесей или материалов для устройства основания;
4 - устройство основания универсальным профилировщиком;
5 - доставка автомобильным транспортом черного песка с разгрузкой в бункер асфальтоукладчика и устройство прослойки из черного песка асфальтоукладчиком;
6 - доставка и укладка арматурной сетки;
7 - доставка автомобильным транспортом бетонной смеси с разгрузкой в бункер распределителя бетона или на место укладки;
8 - устройство цементобетонного покрытия бетоноукладочной машиной со скользящими формами;
9 - окончательная отделка поверхности бетонного покрытия трубчатым финишером;
10 - создание шероховатости и уход за бетоном путем розлива пленкообразующих материалов;
11 - нарезка температурных швов в затвердевшем покрытии самоходными нарезчиками швов;
12 - устройство бетонных укрепительных полос;
13 - прочистка и заливка температурных швов.
Таблица 33.16
Состав специализированных отрядов для устройства асфальтобетонных покрытий с изготовлением смеси в асфальтосмесителе и укладкой смеси асфальтоукладчиком
|
Наименование |
Толщина слоя, см |
|||||||
|
однослойных до 8 |
двухслойных до 12 |
|||||||
|
Скорость потока в смену, м |
||||||||
|
100 |
150 |
200 |
250 |
100 |
150 |
200 |
250 |
|
|
Личный состав, чел |
||||||||
|
Дорожные рабочие Водители дорожных машин |
5 6 |
5 6 |
5 6 |
5 6 |
5 6 |
5 6 |
5 8 |
5 8 |
|
Дорожные машины, шт. |
||||||||
|
Смесительные установки ДС-50 |
1 |
1 |
1 |
1 |
1 |
1 |
1 |
1 |
|
Асфальтоукладчики ДС-1 |
1 |
1 |
1 |
1 |
1 |
1 |
1 |
1 |
|
Катки моторные: |
|
|
|
|
|
|
|
|
|
ДУ-50 |
1 |
1 |
1 |
1 |
1 |
1 |
2 |
2 |
|
ДУ-8В |
1 |
1 |
1 |
1 |
1 |
1 |
2 |
2 |
|
ДУ-9 |
1 |
1 |
1 |
1 |
1 |
1 |
1 |
1 |
|
Автогудронаторы ДС-40 |
Потребность определяется расчетом в зависимости |
|||||||
|
Поливомоечные машины |
Потребность определяется расчетом в зависимости |
|||||||
|
Автомобили-самосвалы |
Потребность определяется расчетом в зависимости |
|||||||
В приведенных составах отрядов указаны марки машин и механизмов отечественного производства. В процессе комплектования отрядов возможна замена рекомендованных марок машин на аналогичные машины других марок как отечественного, так и зарубежного производства.
В состав работ, выполняемых указанными специализированными отрядами, включены:
доставка автомобильным транспортом на место укладки в дело или в приемный бункер укладчика материала или полуфабриката;
укладка в дело материала или полуфабриката в соответствии с требуемой технологией;
придание укладываемому слою проектного поперечного профиля и необходимой ровности;
уплотнение укладываемого слоя;
необходимые исправления и отделочные работы.
Составление календарного графика. Календарным графиком строительства участка автомобильной дороги принято считать документ, отражающий объемы, последовательность, направление и сроки выполнения дорожно-строительных работ.
Набольшее распространение в практике проектирования организации строительства автомобильных дорог получил линейный календарный график, вид которого приведен на рис. 33.2. График позволяет осуществлять детализацию поточного производства до любой степени, начиная от изображения работы комплексного потока одной линией и кончая семейством линий, отражающих работу специализированных отрядов и даже, при необходимости, - работу бригад или звеньев.

Рис. 33.1 Линейный календарный график
Составление любого календарного графика строительства автомобильной дороги, в том числе и линейного графика, начинается с определения одного из наиболее важных показателей организации строительства - продолжительности строительства. Этот показатель определяется в соответствии со СНиП 1.04.03-85. Нормы продолжительности строительства и задела в строительстве предприятий, зданий и сооружений, который регламентирует продолжительность строительства автомобильных дорог общей сети II-V технических категорий различной протяженности с различными типами дорожных покрытий. Продолжительность строительства автомобильных дорог устанавливается проектом организации строительства в случаях:
строительства дороги I категории;
строительства в I дорожно-климатической зоне;
проложения трассы дороги в сильнопересеченной и горной местности, где средний объем земляных работ по возведению 1 км земляного полотна дороги превышает для дорог: II категории - 70 тыс. м3, III категории - 50 тыс. м3, IV категории - 40 тыс. м3, V категории - 30 тыс. м3;
проложения трассы дороги по болотам на протяжении более 25 % общей протяженности дороги;
строительства участков городских автомобильных дорог (улиц), продолжительность строительства которых устанавливается в комплексе с объектами застройки прилегающей территории.
После установления нормативной продолжительности строительства участка автомобильной дороги можно определить составы специализированных отрядов, количество отрядов и направлений их движения.
Процесс построения линейного календарного графика строительства автомобильной дороги (после определения нормативной продолжительности строительства) можно представить в виде последовательного выполнения следующих этапов (расчетов, операций):
1. Определение возможных сроков устройства дорожной одежды исходя из календарной продолжительности летнего строительного сезона, требований нормативных документов по правилам производства и приемки работ, обеспечения резерва времени на выполнение работ по обстановке дороги после устройства дорожной одежды.
2. Определение возможных сроков возведения земляного полотна исходя из календарной продолжительности летнего строительного сезона (или возможности круглогодичного ведения работ по климатическим условиям или по условиям наличия соответствующих грунтов для возведения земляного полотна), требований нормативных документов по правилам производства и приемки работ, необходимости завершения возведения земляного полотна до начала работ по устройству дорожной одежды, обеспечения резерва времени для выполнения предшествующих работ по строительству искусственных сооружений и подготовительных работ.
3. На основе взаимной увязки возможных сроков устройства дорожной одежды, возведения земляного полотна, строительства искусственных сооружений и выполнения подготовительных работ определение рационального темпа устройства дорожной одежды и календарных сроков его выполнения, а также календарных сроков работ по обстановке дороги (с направлениями специализированных отрядов и их составом).
4. Определение календарных сроков возведения земляного полотна, типов и количества основных машин, направлений движения отрядов исходя из объемов работ и взаимной увязки с завершением работ по строительству искусственных сооружений и началом работ по устройству дорожной одежды.
5. Определение календарных сроков и последовательности строительства искусственных сооружений, составов и количества специализированных отрядов исходя из взаимной увязки с началом работ по возведению земляного полотна и завершением подготовительных работ.
6. Определение календарных сроков и последовательности выполнения подготовительных работ, составов и количества специализированных отрядов исходя из взаимной увязки с началом работ по строительству искусственных сооружений.
Разновидностью календарного графика является ленточный календарный график (иногда называемый графиком или диаграммой Ганта), вид которого представлен на рис. 33.3.

Примечание. В период с мая по сентябрь работы выполняются в две смены
Рис. 33.3. Ленточный календарный график
Такой график отличается от линейного отсутствием привязки выполняемых работ к линейным участкам трассы и тем самым не имеет возможности графически иллюстрировать календарные сроки выполнения работ в каждой точке трассы, а также направление движения дорожно-строительных потоков.
Ленточный график, как и линейный, строится в масштабе времени, которое обычно располагается по горизонтальной оси. Одним из достоинств ленточного графика является сравнительная простота графического изображения процесса строительства, обеспечивающая тем самым и простоту зрительного восприятия.
С помощью обоих описанных графиков возможно осуществить оптимизацию строительных процессов по различным параметрам, например, трудозатратам, потребности в строительных машинах, транспортных средствах, а также равномерности поступления на строительство материалов, изделий и полуфабрикатов.
Самым значительным недостатком представленных выше календарных графиков при использовании на конкретном объекте является практическая невозможность их многократного уточнения и корректировок в соответствии с изменяющимися условиями строительства.
Составление сетевого графика строительства автомобильной дороги. Сетевым графиком строительства объекта называется логико-математическая модель строительного процесса, отражающая последовательность и продолжительность выполнения работ, а также их технологические и организационные взаимосвязи.
По сравнению с линейными календарными сетевые графики имеют ряд преимуществ, в числе которых:
возможность выявления и отражения всех взаимосвязей работ по строительству объекта с любой степенью точности;
отражение динамики хода работ с учетом изменений, происшедших в результате фактического их выполнения;
отражение наиболее напряженных работ, от которых в первую очередь зависит общая продолжительность строительства объекта или продолжительность выполнения комплекса работ;
возможность расчета и оптимизации графика по различным параметрам с использованием персональных компьютеров или электронно-вычислительной техники.
Недостатком сетевых графиков по сравнению с линейным календарным графиком является достаточно сложное зрительное восприятие самой сетевой модели, а точнее, сложное ассоциативное совмещение сетевой модели процесса с непосредственным выполнением линейных строительных работ.
Практика дорожного строительства показывает, что на стадии составления проектно-сметной документации, как правило, разрабатываются линейные календарные графики строительства объекта, а непосредственно в ходе строительства и управления производством чаще применяются сетевые графики, которые могут составляться для отдельных строительных процессов, групп строительных работ с последующим их объединением в общий график строительства объекта.
При построении и расчете сетевых графиков применяют следующие основные понятия и условные обозначения.
Работа - процесс, требующий для своего выполнения времени и ресурсов (изображается сплошной, как правило, прямой линией);
ожидание - процесс, требующий только затрат времени;
зависимость (фиктивная работа) - логическая связь, отражающая взаимосвязь между работами и не требующая затрат времени и ресурсов (изображается, как правило, прямой линией);
событие - факт окончания (или начала) одной или нескольких работ. Однако событие может являться фактом окончания одной или нескольких работ и одновременно фактом начала одной или нескольких работ. При этом считается, что факт завершения предшествующей или предшествующих работ является необходимым и достаточным для начала последующей или последующих работ (изображается в виде круга);
начальное событие работы - факт начала работы;
конечное событие работы - факт окончания работы;
предшествующие работы - работы, выполнение которых предшествовало началу данной работы и является необходимым для начала выполнения данной работы;
последующие работы - работы, выполнение которых начинается после завершения данной работы и для начала которых необходимо выполнение данной работы;
исходные работы - работы, не требующие наличия предшествующих работ;
исходное событие - начальное событие исходных работ;
продолжительность работы - время выполнения данной работы. Время выполнения всех работ сетевого графика должно измеряться одним показателем. Время выполнения работы определяется по соответствующим нормативам с учетом объема и вида работы;
путь - любая непрерывная последовательность работ и зависимостей. Продолжительность пути равна сумме продолжительностей составляющих его работ;
полный путь - путь от исходного до завершающего события сетевого графика;
критический путь - полный путь с наибольшей продолжительностью (работы и зависимости, находящиеся на критическом пути, как правило, выделяются дополнительным графическим изображением - утолщением линий, изменением цвета, дополнительной линией и т.д.);
раннее начало работы - самый ранний из возможных сроков начала работы, который обусловливается необходимостью выполнения всех предшествующих работ и их продолжительностью;
раннее окончание работы - самый ранний из возможных сроков окончания работы, который обусловливается ранним началом работы и ее продолжительностью;
позднее начало работы - самый поздний срок начала работы, при котором не изменяется планируемый срок завершения строительства объекта;
позднее окончание работы- самый поздний срок окончания работы, при котором не изменяется планируемый срок завершения строительства объекта;
общий резерв времени работы - максимальное количество времени, на которое можно задержать окончание данной работы за счет увеличения ее продолжительности или задержки ее начала, не изменяя продолжительность критического пути;
частный резерв времени работы - максимальное количество времени, на которое можно задержать окончание данной работы за счет увеличения ее продолжительности или задержки ее начала, не изменяя при этом срока начала последующих работ.
При построении сетевых графиков необходимо соблюдать следующие основные правила:
1. Построение графика осуществлять слева направо в порядке выполнения работ и соблюдения технологических процессов, исключая по возможности графическое пересечение работ.
2. На графике не должно быть работ, имеющих одинаковый код. Для обозначения параллельных работ следует вводить дополнительные события и зависимости.
3. При изображении взаимосвязей последующих работ, зависящих от различного количества предыдущих работ, необходимо вводить дополнительные события и зависимости.
4. Если какие-либо последующие работы могут быть начаты до полного завершения данной работы на всем протяжении строящегося участка автодороги, то последнюю следует разделять на несколько однородных работ, выполняемых на более мелких участках (вплоть до сменных захваток), окончание которых необходимо и достаточно для начала последующих работ.
5. В графике не должно быть замкнутых контуров, то есть ни одна последовательность работ не может начинаться и заканчиваться одним событием,
6. При необходимости сетевой график можно укрупнять, заменяя группы работ, имеющие одно общее для них начальное и конечное событие, одной работой. При этом продолжительность этой работы должна быть равна максимальной продолжительности пути от начального до конечного события в группе работ.
7. Расчет сетевых графиков осуществляют в табличной форме или непосредственно на графике. Для формализации расчета обычно применяется условная расчетная схема, состоящая из четырех событий и трех работ, заключенных между ними: предшествующей работы h-i, данной работы i-j и последующей j-k.

С учетом принятых и описанных выше основных показателей сетевого графика их расчет можно представить в виде следующих формул.
Раннее начало работы:
(33.1)
Раннее окончание работы:
(33.2)
Длина (продолжительность) критического пути:
(33.3)
Позднее начало работы:
(33.4)
Позднее окончание работы:
(33.5)
Общий резерв времени работы (любая из следующих формул):
(33.6)
(33.7)
(33.8)
Частный резерв времени работы (любая из следующих формул):
(33.9)
(33.10)
В случае расчета сетевого графика в табличной форме последнюю принято изображать в виде представленном таблицей 33.17.
Таблица 33.17
Табличная форма сетевого графика
|
Код работы |
Т |
Tр.н. |
Тр.о. |
Тп.н. |
Тп.о. |
R |
r |
Календарные даты раннего начала |
|
1-2 |
10 |
0 |
10 |
0 |
10 |
0 |
0 |
15.IV |
|
2-3 |
10 |
10 |
20 |
35 |
45 |
25 |
0 |
29.IV |
|
2-4 |
5 |
10 |
15 |
10 |
15 |
0 |
0 |
29.IV |
|
3-5 |
0 |
20 |
20 |
27 |
27 |
7 |
0 |
- |
|
3-7 |
15 |
20 |
35 |
45 |
60 |
25 |
0 |
16.IV |
|
4-5 |
0 |
15 |
15 |
27 |
27 |
12 |
5 |
10.IV |
|
4-8 |
22 |
15 |
37 |
15 |
37 |
0 |
0 |
10.IV |
|
5-6 |
10 |
20 |
30 |
27 |
37 |
7 |
0 |
16.IV |
|
6-7 |
0 |
30 |
30 |
60 |
60 |
30 |
5 |
- |
|
6-9 |
0 |
30 |
30 |
37 |
37 |
7 |
7 |
- |
|
7-11 |
5 |
35 |
40 |
60 |
65 |
25 |
25 |
6.IV |
|
8-9 |
0 |
37 |
37 |
37 |
37 |
0 |
0 |
- |
|
8-12 |
10 |
37 |
47 |
75 |
85 |
38 |
0 |
10.IV |
|
9-10 |
28 |
37 |
65 |
37 |
65 |
0 |
0 |
10.IV |
|
10-11 |
0 |
65 |
65 |
65 |
65 |
0 |
0 |
- |
|
10-13 |
0 |
65 |
65 |
85 |
85 |
20 |
0 |
- |
|
11-15 |
30 |
65 |
95 |
65 |
95 |
0 |
0 |
19.IV |
|
12-13 |
0 |
47 |
47 |
85 |
85 |
38 |
18 |
- |
|
12-16 |
5 |
47 |
52 |
96 |
101 |
49 |
0 |
25.IV |
|
13-14 |
10 |
65 |
75 |
85 |
95 |
20 |
0 |
19.IV |
|
14-15 |
0 |
75 |
75 |
95 |
95 |
20 |
25 |
- |
|
14-17 |
0 |
75 |
75 |
101 |
101 |
26 |
0 |
- |
|
15-19 |
10 |
95 |
105 |
95 |
105 |
0 |
0 |
30.IV |
|
17-18 |
4 |
75 |
79 |
101 |
105 |
26 |
0 |
2.IV |
|
18-19 |
0 |
79 |
79 |
105 |
105 |
26 |
26 |
- |
|
19-20 |
4 |
105 |
109 |
105 |
109 |
0 |
0 |
13.IV |
Примечания: 1. Продолжительность принята в рабочих днях.
2. Календарные даты рассчитаны применительно к конкретному году (2002 г.) с учетом общевыходных и праздничных дней
В случае расчета сетевого графика на самом графике возможно применение следующей системы обозначений:

В случае необходимости на графике дополнительно к вышеуказанным величинам можно указывать и другие данные, например, значения общего и частного резервов времени для каждой работы, календарные даты начала и (или) окончания всех или наиболее важных работ и т.д.
Общий вид упрощенного сетевого графика строительства участка автомобильной дороги (условно разделенной на три участка производства работ) приведен на рис. 33.4.

Рис. 33.4. Сетевой график строительства автомобильной дороги
Составление почасовых графиков. Почасовой график производства работ является, по существу, разновидностью ленточного календарного графика. Отличие его заключается в том, что разбивка времени на горизонтальной оси графика осуществляется не по месяцам или дням, как это принято для общих календарных графиков строительства объекта, а по часам рабочей смены. Пример почасового графика типового производственного процесса по устройству цементогрунтового основания профилировщиком ДС-97 приведен на рис. 33.5.

Примечания. 1. В графике цифры указывают: над линиями - число рабочих, под линиями - продолжительность операций в минутах. 2. В трудоемкость работ включено время на отдых рабочих в течение смены. 3. В графике не учтена трудоемкость работ по доставке цементогрунтовой смеси, воды для дополнительного ее увлажнения, пленкообраующих материалов. Затраты труда на эти работы определяют с учетом действительных объемов и условий доставки.
Рис. 33.5. Почасовой график производственного процесса по устройству цементогрунтового основания профилировщиком ДС-97: сменная захватка 600 м шириной 9,6 м
Составление почасовых графиков, как правило, осуществляется при разработке технологических карт на производство отдельных видов дорожно-строительных работ на стадии проекта производства работ или типовых технологических карт на наиболее распространенные виды дорожно-строительных работ. Кроме того, при необходимости возможно построение почасовых графиков не только на виды работ, но и на сопутствующие выполнению работ процессы, например, заблаговременному поступлению на объект материалов, изделий или конструкций для выполнения какого-либо вида работ и т.д. Такая необходимость может возникнуть при ограниченных площадях для складирования материалов и невозможности осуществить выполнение работы с применением этого материала прямо «с колес», то есть путем непосредственного поступления материала от поставщика с укладкой в дело.
Процесс построения почасового графика состоит из следующих основных этапов разработки:
1. Нанесение на график наименований работ (или операций) с указанием их объемов.
2. Определение необходимых типов машин и оборудования, обеспечивающих возможность выполнения работы (или операции).
3. Определение потребного количества необходимых типов машин, оборудования, а также трудовых ресурсов для обеспечения соответствующего (проектного) типа работ исходя из производительности машин и оборудования, последовательности и объемов выполнения производственных процессов с учетом технологических перерывов.
4. Графическое отображение времени (начало, конец), продолжительность и последовательность выполнения производственных операций и соблюдение необходимых технологических перерывов.
Технологические карты производства дорожно-строительных работ. Технологической картой на выполнение вида работ (строительного процесса) считается документ, определяющий организацию и технологию производства этого вида работ, методы операционного контроля и оценки качества при его осуществлении, а также материально-технические ресурсы, необходимые для его выполнения. В зависимости от способов организации и технологии производства работ, применяемых строительных машин и оборудования, природно-климатических, геологических и других особенностей района строительства для одного и того же строительного процесса может быть составлено несколько вариантов технологических карт с различными технико-экономическими показателями.
В практике дорожного строительства, как и в других отраслях народного хозяйства, широкое применение получили типовые технологические карты, составленные на выполнение наиболее часто встречающихся дорожно-строительных процессов. Разработка типовых технологических карт осуществляется, как правило, специализированными проектно-технологическими организациями.
Составление технологических карт и особенно типовых технологических карт должно осуществляться на основе изучения и обобщения передового опыта производства работ, отвечающего современному уровню планирования, организации, управления и технологии строительного производства и предусматривает:
применение технологических операций, обеспечивающих требуемый нормативными документами уровень качества работ;
максимальное использование формата работ и возможное совмещение строительных операций:
применение комплексной механизации работ с максимальным использованием наиболее производительных машин, а также в необходимых случаях применение средств малой механизации;
необходимую поставку материалов, конструкций, изделий и полуфабрикатов для обеспечения устанавливаемого темпа работ;
соблюдение правил производственной санитарии, охраны труда, техники безопасности, а также требований взрыво- и пожаробезопасности.
Технологическая карта содержит разделы:
Область применения, где приводятся:
характеристика конструктивного элемента (или его части) автомобильной дороги или сооружения на ней, для возведения которого необходимо применение данной карты;
номенклатура видов работ, содержащихся в карте;
характеристика условий и особенностей производства работ, принятых в карте.
Организация и технология строительного процесса в составе:
раздела по подготовке объекта и требования к готовности предшествующих работ, которые обеспечивают необходимый и достаточный фронт работ для выполнения строительного процесса, предусмотренного картой;
плана или схемы организации строительной площадки, на которой будет осуществляться выполнение предусмотренных картой операций;
расчета о запасе материалов, изделий и полуфабрикатов в рабочей зоне строительной площадки;
методов и последовательности производства работ, разбивки зон производства работ на захватки, способов транспортировки материалов, изделий и полуфабрикатов к местам производства работ, типов применяемых машин и механизмов;
численного состава бригад и звеньев с учетом возможного совмещения профессий;
графика выполнения работ и калькуляции трудовых затрат;
указания по осуществлению контроля и оценки качества работ (операционный контроль) в соответствии с требованиями соответствующих глав СНиП на производство и приемку работ;
требований по охране труда и технике безопасности.
Технико-экономические показатели, где отражаются:
затраты труда на принятую единицу измерения и на весь объем работ в чел.-днях;
затраты машино-смен на строительные работы и прочих машин на весь объем;
выработка на одного работающего в смену в физическом выражении;
себестоимость строительно-монтажных работ.
Материально-технические ресурсы, где рассчитывается потребность в материалах, изделиях и полуфабрикатах, а также в машинах, оборудовании, инструменте и инвентаре, необходимых для выполнения предусмотренного технологического картой процесса.
Одним из важных элементов проектирования организации строительства и производства дорожно-строительных работ является определение потребности строительства в материально-технических и трудовых ресурсах. Указанную потребность возможно разделить на следующие основные виды:
потребность строительства в материалах, изделиях, конструкциях и полуфабрикатах, необходимых для непосредственного выполнения дорожно-строительных работ (песок, щебень, битум, цемент, асфальтобетонная, цементобетонная смеси и т.д.);
потребность строительства в дорожно-строительных машинах, оборудовании и транспортных средствах;
потребность строительства во вспомогательных ресурсах, к которым относятся горюче-смазочные материалы, а также энергетические ресурсы - электроэнергия, сжатый газ, воздух, пар и т.д., необходимые для эксплуатации машин, механизмов и оборудования, а также временных или постоянных производственных баз (асфальтобетонных и цементобетонных заводов, полигонов железобетонных конструкций и т.д.);
потребность строительства в трудовых ресурсах, включающую не только водителей, машинистов и рабочих, занятых непосредственно на производстве работ, но и инженерно-технических работников, младший обслуживающий персонал и охрану.
Потребность строительства в материально-технических ресурсах рассчитывается на основании принятых проектных решений по конструкциям элементов дороги (искусственные сооружения, земляное полотно, дорожная одежда, обстановка дороги и т.д.) и их физических объемов.
Потребность строительства в дорожно-строительных машинах, оборудовании и транспортных средствах рассчитывается при составлении календарного графика строительства объекта и определении составов специализированных отрядов для выполнения строительных работ в зависимости от видов и объемов работ, условий их осуществления и необходимой продолжительности их выполнения (разд. 13.2; 13.3; 32.2; 32.3).
В составах специализированных отрядов содержатся типы и количество основных и вспомогательных машин, определяющие темп выполнения работ, однако определение количества некоторых машин, производительность которых зависит от конкретной дальности транспортировки доставляемых или материалов, полуфабрикатов, требуют дополнительных расчетов, основные из которых изложены ниже.
Необходимое количество типа машин определяется по формуле
шт., где (33.11)
W - сменный объем работ, выполняемый машинами этого типа в натуральных показателях - м3; т и т.д.;
Р - сменная производительность машин данного типа с конкретными характеристиками - м3/смена; т/смена и т.д.
Сменная производительность типа машин может определяться по формулам:
Автомобилей-самосвалов:
т/смена, где (33.12)
Т - продолжительность рабочей смены, час;
К - коэффициент внутрисменной загрузки;
q - грузоподъемность, т;
V - средняя скорость движения, км/час;
t - время простоя под погрузкой и разгрузкой, час;
L - расстояние транспортировки материала, км.
Поливомоечных машин:
т/смена, где (33.13)
Т - продолжительность рабочей смены, час;
К - коэффициент внутрисменной загрузки;
q - грузоподъемность, т;
V - средняя скорость движения, км/час;
t1 - время заполнения цистерны водой, час;
t2 - время слива воды с учетом технологического темпа работы отряда, час.
Автогудронаторов:
т/смена, где (33.14)
Т - продолжительность рабочей смены, час;
К - коэффициент внутрисменной загрузки;
q - грузоподъемность, т;
V - средняя скорость движения, км/час;
t1 - время маневрирования на базе за 1 час, час;
t2 - время заполнения цистерны битумом, час;
t3 - время подготовки к розливу и розлив битума с учетом технологического темпа работы отряда, час.
Автоцементовозов (при работе с распределителем цемента):
т/смена,
где (33.15)
Т - продолжительность рабочей смены, час;
К - коэффициент внутрисменной загрузки;
q - грузоподъемность, г,
V - средняя скорость движения, км/час;
t1 - подготовка к загрузке автоцементовоза цементом с учетом времени на маневрирование, час;
t2 - продолжительность загрузки автоцементовоза и подготовка к перегрузке цемента на месте производства работ, час;
t3 - продолжительность перегрузки цемента, час;
t4 - время на ожидание автоцементовозом в период введения в грунт цемента из бункера распределителя, час.
Потребность строительства во вспомогательных ресурсах определяется отдельно по каждому типу ресурса по формуле
где (33.16)
h - суммарное количество машино-смен работы конкретного типа машин (оборудования), смен;
ρ - нормированный показатель сменного ресурса для данного типа машин (литр/смена, м3/смена, кВт×час/смена и т.д.).
Потребность в горюче-смазочных материалах для автомобильного транспорта определяется по формуле:
где (33.17)
L - суммарный пробег данного типа автомобиля, км;
ρ - нормированный показатель расхода горюче-смазочных материалов для данного типа автомобиля на 100 км пробега, литр.
Потребность строительства в трудовых ресурсах (рабочих, водителей, механизаторов, мотористов и т.д.) осуществляется исходя из принятых в проекте составов специализированных отрядов с учетом последовательности (или параллельности) выполнения работ и возможного совмещения (или замещения) профессий. Потребность в инженерно-технических работниках, младшем обслуживающем персонале и охране определяется в соответствии с нормативами численности этих категорий для дорожной отрасли в строительстве.
Управление строительным процессом в зависимости от его сложности осуществляется посредством использования диспетчерской службы или применения отраслевого и производственного автоматизированного управления.
Под диспетчерским управлением строительным процессом понимают централизованное управление и контроль за ходом строительно-монтажных работ, осуществляемых в течение всего рабочего времени на протяжении всей продолжительности строительства объекта. Диспетчерское управление является обязательным элементом автоматизированной системы управления.
Оперативно-диспетчерское управление реализуется через диспетчерскую службу, которая осуществляет:
сбор, передачу, обработку и анализ оперативной информации о ходе выполнения строительно-монтажных работ, поступающей от организаций и подразделений, а также информации о допущенных отклонениях от проекта производства работ;
контроль за соблюдением технологической последовательности и регулирование хода строительно-монтажных работ в соответствии с утвержденными графиками производства работ, обеспечением строящихся объектов материальными и трудовыми ресурсами, средствами механизации и транспорта;
обеспечение постоянного взаимодействия специализированных и других организаций и подразделений, участвующих в производственном процессе;
передачу информации руководству строительной организации или в диспетчерский пункт вышестоящей организации по установленным форме и объему;
передачу оперативных распоряжений руководства исполнителям и контроль за их выполнением.
Состав диспетчерской службы в трестах, строительно-монтажных управлениях, производственных предприятиях определяется в зависимости от мощности организации, территориального размещения строящихся объектов и сменности работ.
Система диспетчерского управления строительством должна охватывать и координировать действия всех элементов и звеньев производства. В практике дорожного строительства, как правило, предусматриваются следующие должности диспетчерского персонала:
главный диспетчер в аппарате управления (или приравненной к нему организации) с соответствующим числом сменных дежурных диспетчеров;
старшие и сменные диспетчеры в строительно-монтажных предприятиях.
Распоряжения диспетчеров являются обязательными к исполнению для всех работников соответствующих подразделений, а также для производственного персонала субподрядных организаций, задействованных на строительстве данного объекта. Распоряжения диспетчеров должны основываться на утвержденных планах, графиках работ и проектной документации, а также на соответствующих указаниях и распоряжениях руководства организации. Не допускается изменять указанные планы, графики и проектную документацию, а также давать указания о замене одного материала другим без согласования с главным инженером или руководителями организации.
Основным, как правило, документом диспетчерского управления является месячный или недельно-суточный график производства строительно-монтажных работ и его материально-техническое обеспечение, на основании которого диспетчеры предприятия (управления) выполняют оперативное руководство производственным процессом.
Главный (старший) диспетчер организации в своей деятельности по решению оперативных вопросов производства является координатором и подчиняется руководителю или главному инженеру организации.
Управление строительной организацией является достаточно сложным динамичным процессом требующим отслеживания и координации многих факторов, а также обработки большого объема информации. Поэтому в целях повышения качества управления, внедрения в практику методов оптимального планирования и управления, повышения оперативности управления, устранения дублирования при выполнении управленческих работ и сокращения видов учетной документации в практике дорожною строительства, как и в других отраслях строительства, применяется автоматизированная система управления строительством (АСУС).
Автоматизированной системой управления строительством принято называть систему управления, основанную на широком использовании в планировании, учете, технико-экономическом анализе и оперативном руководстве комплекса прогрессивных экономико-математических моделей, современных персональных компьютеров и других средств вычислительной техники, а также современник методов хранения и передачи информации.
До недавнего времени технической базой автоматизированной системы управления являлся вычислительный центр, включающий наряду с комплексом вычислительных машин еще и периферийные средства сбора и передачи информации, размножения, хранения и поиска документации. С появлением мощных персональных компьютеров последние стали быстро вытеснять громоздкие стационарные вычислительные машины и с успехом применяться в системах АСУС. Автоматизированную систему управления можно условно разделить на два блока (или подсистемы) - функциональный и обеспечивающий.
Функциональные системы моделируют и обеспечивают процесс управления производством, включающим управление технической и технологической подготовкой производства, технико-экономическое управление, управление производством работ, управление финансовой деятельностью, трудом, заработной платой, кадрами и т.д.
Обеспечивающие подсистемы включают в себя элементы, дающие возможность эффективно организовать работу функциональных подсистем, например, подсистемы информационного, математического, программного, технического, организационного и правового обеспечения.
Разработка и внедрение автоматизированных систем управления дорожными организациями, начавшиеся в 1970-1980 гг. и до настоящего времени, являются одним из основных направлений совершенствования управления производством и повышения эффективности его функционирования.
Система управления качеством предполагает скоординированную деятельность по руководству и управлению предприятием применительно к качеству выполняемых работ и выпускаемой продукции и включает совокупность мер направленных на системный подход:
организационную структуру, обеспечивающую управление качеством с привлечением к работе всего персонала и закрепляющую ответственность лиц на каждом этапе (главный инженер, главный технолог, руководители геодезической и лабораторной служб, дорожный мастер и т.д.);
комплект руководящих, нормативных, методических и других документов, необходимых для осуществления общего руководства качеством (Положения: о главном инженере производственного подразделения, о службах геодезического и лабораторного контроля, о заказчике при строительстве объектов; нормативно-технические документы: СНиП 12-01-2004, СНиП 3.06.03-85, ГОСТ 15467-79, стандарты серий ИСО 9000-9004, которые сформировали концепцию управления качеством, в том числе на основе сертификации и др.);
привлечение поставщиков дорожно-строительных материалов и конструкций, подтверждающих соответствие качества в форме добровольной сертификации (распоряжение Минтранса России от 30.09.2003 № ИС-862-р «Об обеспечении качества материалов и конструкций, применяемых в дорожном хозяйстве»);
обеспечение качества посредством модернизации производства;
активное использование статистических методов;
усиление взаимосвязи между структурными подразделениями и т.п.
Необходимо отметить, что международные стандарты серий ИСО 9000-9004, введенные в национальные стандарты Российской Федерации, полноценного внедрения в системе дорожного хозяйства еще не получили и используются фрагментарно в рамках управления качеством посредством прямого контроля, управления и обеспечения. Новая версия ГОСТ Р ИСО 9001-01 «Системы менеджмента качества. Требования» предусматривает системный подход и сертификацию систем менеджмента качества.
В настоящее время система обеспечения качества (управление и контроль) дорожно-строительных работ базируется на СНиП 12-01-2004 «Организация строительства» (разд. 6), СНиП 3.06.03-85 «Автомобильные дороги», других государственных и отраслевых нормативных документах и направлена на обеспечение потребительских (транспортно-эксплуатационных) свойств, надежности и долговечности автомобильных дорог в процессе их эксплуатации и включает комплекс технических и организационных мер на всех стадиях строительства.
Производственный контроль качества строительства выполняется исполнителем работ и включает в себя:
входной контроль проектной документации предоставленной Заказчиком;
приемку вынесенной в натуру геодезической разбивочной основы;
входной контроль качества строительных материалов, конструкций и изделий;
операционный (в процессе строительства) контроль качества приготавливаемых дорожно-строительных материалов и качества дорожно-строительных работ;
приемку в процессе строительства скрытых работ и отдельных конструктивных элементов;
приемку по завершении строительства выполненных работ и законченных строительством дорожных объектов (дороги, участки дорог, мосты, путепроводы, тоннели и т.п.);
организационные меры предупреждения недостатков и поощрения высокого качества работ и объектов в целом;
организационные и технические меры устранения недостатков, выявленных при контроле и приемке материалов, работ и объектов;
инспекционный контроль качества на всех стадиях строительства.
Указанные меры направлены на соблюдение соответствия:
качества применяемых материалов, изделий и конструкций требованиям проекта, технических условий, стандартов и других нормативных документов;
качества всех видов работ (включая скрытые) требованиям проектно-сметной и нормативно-технической документации;
объемов и сроков выполненных работ (включая скрытые) требованиям проектно-сметной, исполнительной и нормативно-технической документации;
потребительских качеств дорожного объекта (дорожно-строительных работ) требованиям проекта и нормативно-технических документов.
Контроль качества включает:
непосредственное измерение установленных проектом и нормативно-техническими документами параметров (показателей, свойств) материалов, изделий, конструктивных элементов (слоев, полос и конструкций) дорог;
установление соответствия полученных при измерениях результатов требованиям проекта и нормативных документов.
Перечень контролируемых параметров, методы и средства контроля, допускаемые отклонения и объем контроля определены соответствующими главами СНиП и ГОСТов.
Приемка и ввод в эксплуатацию законченных строительством объектов и выполненных работ регламентируются:
СНиП 12-01-2004 «Организация строительства», разд. 7;
СНиП 3.01.04-87 «Приемка в эксплуатацию законченных строительством объектов. Основные положения»;
ВСН 19-89 «Правила приемки работ при строительстве и ремонте автомобильных дорог» (Минавтодор РСФСР, 14.07.89);
Правилами приемки в эксплуатацию законченных строительством федеральных автомобильных дорог (Минтранс России, 27.07.94, № 59).
ВСН 19-89 устанавливает порядок приемки работ при строительстве, реконструкции и ремонте автомобильных дорог, а также организации технического надзора и оценки качества выполненных работ и включает приемку скрытых работ и промежуточную приемку ответственных конструкций, работ по ремонту автомобильных дорог и сооружений на них, организацию технического надзора и ответственность работников технического надзора.
В приложениях даются:
формы актов приемки законченных работ участка автомобильной дороги, освидетельствования скрытых работ и промежуточной приемки ответственных конструкций, об окончании внеплощадочных и внутриплощадочных подготовительных работ и готовности объекта;
формы общего журнала работ, исполнительной производственно-технической документации;
примерные перечни скрытых работ и ответственных конструкций.
Правила приемки в эксплуатацию законченных строительством федеральных автомобильных дорог включают порядок назначения заказчиком рабочей комиссии, состав приемочной комиссии, подготовку к приемке в эксплуатацию федеральной автомобильной дороги, порядок работы и ответственность членов комиссии, а также меры воздействия на подрядчика за некачественное ведение работ.
К Правилам приложено извлечение из «Временного положения по приемке законченных строительством объектов» (Госстрой России от 09.07.93 г. № БЕ-19-11/13), где зафиксировано определяющее участие органов Госархстройнадзора и других органов надзора в приемке объектов и ответственность за нарушение требований законодательства по охране труда и технике безопасности, строительных, санитарных, экологических и других норм.
Управление качеством дорожно-строительных работ на уровне предприятия, как правило, осуществляется подрядными дорожно-строительными организациями.
Входной контроль качества строительных материалов, конструкций и изделий и операционный (в процессе строительства), контроль качества приготавливаемых дорожно-строительных материалов осуществляется специальными службами (лабораториями) подрядной строительной организации и (или) специализированными дорожными организациями или профильными лабораториями научно-исследовательских и учебных институтов по договору с подрядными организациями.
При входном контроле материалов, конструкций и изделий внешним осмотром и испытанием проб проверяется их соответствие требованиям нормативных документов и проекта, а также наличие и содержание паспортов, накладных, сертификатов и других сопроводительных документов.
Операционный контроль качества дорожно-строительных работ осуществляется техническим персоналом (мастер, прораб) строительной организации с участием лаборатории и геодезической службы и (или) другими специализированными организациями по договору с подрядными организациями.
При операционном контроле качества приготавливаемых дорожно-строительных материалов и качества дорожно-строительных работ проверяется соблюдение технологии выполнения работ по технологическим картам, соответствие материалов и конструктивных элементов проекту и требованиям схем операционного контроля. Схемы операционного контроля должны содержать перечни замеряемых (определяемых) параметров с указанием их количества и периодичности замеров, сведения о способах и средствах контроля и формы, заполняемые при контроле. Результаты (обобщаемые за смену) операционного контроля фиксируются в журнале производства работ.
Выборочный контроль при приемке скрытых работ и отдельных конструктивных элементов, приемке выполненных работ и законченных строительством дорожных объектов осуществляется специальными службами совместно с техническим персоналом строительной организации с участием представителей заказчика и проектной организации и приемочными комиссиями.
Инспекционный контроль качества материалов, конструкций, изделий, работ и объектов на всех стадиях строительства осуществляется:
специалистами служб технического надзора (контроля), организуемыми заказчиком, и (или) специализированными организациями по договору с заказчиком, а также представителями проектных организаций в соответствии со СНиП 1.06.04-85;
специалистами территориальных органов инспекции Госархстройнадзора, Российской транспортной инспекции и Государственной инспекции безопасности дорожного движения.
Органы государственного контроля (надзора) выполняют оценку соответствия процесса строительства требованиям законодательства, технических регламентов, проектной и нормативной документации, назначенным из условия обеспечения безопасности объекта в процессе строительства и после ввода его в эксплуатацию в соответствии с действующим законодательством. (Федеральный Закон «О техническом регулировании» от 27.12.2002 № 184-ФЗ, ст. 33, часть 1).
При выявлении несоответствий органы государственного контроля применяют санкции, предусмотренные вышеназванным законом, ст. 34.
При приемочном контроле на уровне рабочих комиссий, назначаемых решением заказчика, проверяется выборочно (в соответствии с требованиями СНиП на отдельные элементы (конструкции объекта) соответствие выполненных работ, проектным решениям, стандартам, строительным нормам и правилам с проведением в необходимых случаях контрольных испытаний сложных (не типовых) конструкций, а также мероприятий по обеспечению безопасности дорожного движения, охране окружающей природной среды и др.
По завершении работ, предусмотренных проектно-сметной документацией, а также договором строительного подряда, приемочная комиссия в составе представителей заказчика, участников строительства, органов власти, органов государственного контроля (надзора) осуществляет завершающую оценку соответствия законченного строительством объекта в форме приемки и ввода его в эксплуатацию. Состав участников и процедуры оценки соответствия обязательным требованиям определяются соответствующими техническими регламентами, а до их принятия - строительными нормами и правилами, ведомственными нормативными документами. Проектная организация принимает участие в приёмке, если при строительстве объекта осуществляется авторский надзор.
При приемке объектов приемочными комиссиями проверяется устранение недостатков, выявленных рабочими комиссиями, готовность объекта к эксплуатации, законченность и соответствие объекта объемам и сметной стоимости, предусмотренных проектом.
Оценка соответствия в форме приемки в эксплуатацию законченного строительством объекта завершается составлением акта приемки по установленной форме.
Для обработки и накопления результатов контроля качества при строительстве и реконструкции автомобильных дорог Союздорнии разработан программный комплекс для работы на ПЭВМ PC/AT. Он позволяет сформировать систему классификации и кодирования информации, нормативную базу (требования по допускам на параметры дорог согласно нормативным документам), условно-постоянную информацию, используемую для автоматизированного формирования баз данных, осуществлять обработку результатов измерений параметров автомобильных дорог и запоминать результаты обработки в банке данных, осуществлять анализ результатов измерения элементов автомобильных дорог по различным параметрам и методам измерений и выводить информацию на печать.
Общие положения. До начала работ по сооружению земляного полотна на данном участке должны быть полностью выполнены все подготовительные работы: геодезическая разбивочная основа; перенос и переустройство линий коммуникаций, снос и перенос зданий и сооружений, восстановление и закрепление трассы дороги, расчистка дорожной полосы и др.
Окончание подготовительных работ подтверждается актом освидетельствования скрытых работ по соответствующей форме.
В процессе сооружения земляного полотна должна выполняться поэтапная оценка выполняемых работ, результаты которых впрямую влияют на безопасность объекта в целом, но становятся недоступными для контроля после начала выполнения последующих работ.
После окончания работ по устройству земляного полотна, как правило, проводится его промежуточная приёмка с оформлением соответствующего акта.
Производственный контроль качества включает следующие этапы: входной, операционный и приёмочный. Данные контроля на всех этапах фиксируются в журналах производства работ и обобщаются в специальных ведомостях. Результаты каждого вида контроля предъявляются при сдаче-приёмке законченного земляного полотна, а также используются для непосредственной оценки работы исполнителей в целях материального и морального стимулирования и разработки мероприятий по обеспечению качества сооружения земляного полотна и его конструктивных элементов.
Кроме производственного контроля, в строительных организациях осуществляется проверка качества строительства объекта со стороны государственных и ведомственных органов контроля и надзора, а также авторского надзора со стороны проектной организации. Порядок и содержание контроля специальными органами определяется действующим законодательством.
В строительных организациях должны разрабатываться организационные, технические и экономические мероприятия, направленные на повышение уровня системы контроля качества строительства за счёт улучшения работы исполнителей, повышения их квалификации, совершенствования полевого и лабораторного оборудования и инструмента, улучшения работы лабораторных и геодезических служб.
Номенклатура контролируемых параметров земляного полотна включает:
его геометрические размеры, качество конусов на участках сопряжения с мостами и путепроводами;
параметры водопропускных труб (основания, железобетонные конструкции, оголовки, входные и выходные отверстия, поперечные уклоны, укрепительные сооружения);
параметры водоотводных, сбросных и дренажных сооружений всех видов; защитных и специальных конструкций при строительстве в сложных инженерно-геологических условиях; морозозащитных и дренирующих слоев.
Приёмка земляного полотна. Земляное полотно, представляющее собой ответственную конструкцию, как правило, подлежит промежуточной приёмке с участием представителей технического надзора заказчика и авторского надзора проектной организации (при его осуществлении) с оформлением акта по установленной форме. Работы по устройству вышележащих слоев дорожной одежды без приёмки земляного полотна не допускаются.
Земляное полотно предъявляется к сдаче в полностью готовом виде, включая укрепление откосов. Отсыпка и уплотнение присыпных обочин осуществляются по мере устройства дорожной одежды. Перенос сдачи укрепительных работ на последующие этапы допускается лишь при соответствующем техническом обосновании (продолжение осадки насыпи, отсутствие фронта работ в горных условиях и т.п.). Промежуточная приёмка водоотвода, дренажей, подпорных стенок, противооползневых, противоналедных сооружений должна быть проведена до сдачи земляного полотна.
При выполнении земляных работ специализированными подразделениями одновременно с земляным полотном должны быть предъявлены к сдаче в рекультивированном виде резервы, грунтовые карьеры и отвалы. Приёмка земляного полотна и входящих в его комплекс сооружений производится на основе визуального освидетельствования в натуре, контрольных замеров, исполнительных чертежей, актов освидетельствования скрытых работ, документации производственного контроля, общего журнала работ и специальных журналов наблюдений и лабораторных испытаний. При выполнении ответственных работ дополнительно представляются ведомости участков неустойчивого земляного полотна на слабых грунтах, ведомости оползневых участков, ведомости наблюдений за осадкой и т.п.
Приёмка земляного полотна производится до начала последующих работ по устройству одежды. Дефекты и нарушения, выявившиеся во время технологических перерывов, независимо от их причин к моменту сдачи должны быть устранены.
Работы по устройству дренажей принимают по мере готовности отдельных элементов как скрытые работы. Продольный дренаж подлежит отдельной промежуточной приёмке. В акте приёмки дренажных устройств в целом должно быть отмечено состояние отдельных элементов и дана характеристика труб и заполнителя. К акту прикладываются инженерно-геологические разрезы, схема вертикальных отметок по лоткам, план дренажной системы с указанием выпусков, колодцев и мест расположения опознавательных знаков.
Положение земляного полотна в плане проверяют, измеряя отдельные углы поворота и прямые между ними, а также делают контрольную проверку разбивки кривых. Отметки продольного профиля земляного полотна проверяют нивелированием на всех пикетах и в точках изменения проектных уклонов. При этом проверяют отметки оси дороги, бровок и дна кюветов, определяют поперечные уклоны поверхности.
Ширину земляного полотна и крутизну откосов проверяют не менее чем в 3-х местах на каждом километре дороги, а также в местах, вызывающих сомнение при осмотре. Одновременно осматривают поверхность земляного полотна, которая должна быть спланирована, и убеждаются в отсутствии местных просадок грунта, колей, переувлажнённых участков.
Расстояние между осью и бровкой полотна в плане не должно иметь отклонений от проектных размеров более чем на 10 см. Крутизна откосов должна быть соблюдена с допустимыми отклонениями не более 10 %. Неровности откоса и отклонения от проектной линии (образующей) более 10 см не допускаются.
При приёмке готового земляного полотна качество уложенного в насыпь грунта и степень его уплотнения проверяют по документации выполненных этапов входного и операционного контроля и данным лабораторных испытаний. Особое внимание при этом уделяется местам засыпки труб и подходам к мостам.
Контрольную проверку производят не менее чем в 3 местах на каждом километре дороги и дополнительно над трубами и конусами мостов не менее чем на 1/3 от общего их числа, путём отбора из специальных буровых скважин или шурфов по три образца с глубины 1,0-1,5 м. Отбор образцов производится режущими кольцами. Определение вида, плотности и влажности грунта выполняется в лаборатории стандартными методами. При изменении вида грунта по высоте насыпи может быть назначен дополнительный отбор проб с соответствующей глубины.
При приёмке насыпей на болотах проверка толщины насыпного слоя и величины достигнутой фактической осадки выполняется динамическим зондированием. В приёмочном акте должна быть зафиксирована осадка насыпи в осевом сечении, замеренная по 3 датам, предшествующим приёмке не менее чем с 10-дневными интервалами, в 3 различных точках наиболее мощной толщи сжимаемого слоя.
Основания с вертикальными дренами, грунтовыми сваями, дренажными прорезями, а также с полным или частичным удалением торфа подлежат отдельной промежуточной приёмке с выполнением натурных замеров и зондированием для проверки не менее чем по 3 поперечникам на 1 км (или на каждый переход через болото). Отклонения расстояний между сваями (дренами) не должны быть больше 1/2 диаметра (ширины). Глубина дрен не должна отличаться от проектной более чем на 10 % длины. При полном выторфовывании наличие прослоек торфа в основании под средней частью насыпи (в границах проезжей части) не допускается.
При приёмке водоотводных сооружений, входящих в комплекс земляного полотна (кюветы, нагорные и отводные канавы, быстротоки, резервы, защитные банкеты), должны быть проверены продольные и поперечные уклоны, размеры поперечных сечений. Измерения проводятся с привязкой к оси или бровке земляного полотна на двух-трёх поперечниках на каждый километр длины, а также во всех местах изменения конструктивных сечений.
Все водоотводные сооружения должны обязательно иметь постоянные или временные (как исключение) выпуски для бесперебойного стока воды в установленные проектом места.
Укрепление откосов земляного полотна и рекультивация притрассовых резервов и других выработок принимаются в составе комплекса земляного полотна с проверкой следующих показателей:
вида и толщины почвенного слоя, подготовленного под засев;
количества внесённых семян и удобрений (по данным документации производственного контроля);
прорастания семян на 1 м2;
качества посадки древесных и кустарниковых насаждений.
При укреплении сборными плитами или решетчатыми конструкциями проверяют прочность основания, ровность укладки, качество заделки швов. Качество материала монолитных укрепительных слоев проверяют в соответствии с требованиями, предъявляемыми к этим материалам. При приёмке обочин проверяют плотность верхнего слоя грунта, качество применённых для укрепления составов и смесей, соответствие их проекту, ровность, соблюдение поперечных уклонов.
При сдаче земляного полотна должна быть закончена рекультивация всех притрассовых резервов и карьеров, ликвидация временных дорог и съездов (за исключением действующих после сооружения земляного полотна). Места с повреждённой растительностью или нарушенным почвенным покровом как на полосе отвода, так и вне её должны быть спланированы, закрыты почвой и засеяны травой.
Карьеры, не входящие в состав комплекса земляного полотна, рекультивируются и сдаются по общему календарному плану строительства.
Составление актов освидетельствования скрытых работ надлежит производить после выполнения следующих работ:
снятия плодородного слоя почвы, мохового или дернового слоя;
выторфовывания;
устройства уступов на косогорах; замены грунтов или осушения основания;
устройства свайных или иных типов оснований под насыпями;
устройства гидро- и теплоизоляционных слоев;
укладки армирующих элементов, слоев геотекстильных материалов;
устройства водоотвода и дренажей; укрепления русел у водоотводных сооружений;
возведения и уплотнения земляного полотна и подготовки его поверхности для устройства дорожной одежды;
засева трав или выполнения других работ биологической зашиты откосов;
возобновления плодородного слоя почвы и другие работы по рекультивации нарушенных площадей.
Приёмку скрытых работ и составление актов освидетельствования в случаях, когда последующие работы предстоит начать после длительного перерыва (сверх предусмотренного графиком поточного строительства), следует осуществлять непосредственно перед последующими работами.
Результаты контроля качества оформляют в виде таблиц, формы которых приводятся в соответствующих нормативных документах.
Контроль качества материалов и конструктивных элементов. До начала работ по сооружению земляного полотна должно быть проверено соответствие принятых в проекте фактических показателей состава и состояния грунтов в карьерах, резервах, выемках, естественных основаниях, наличие паспортов на трубы, сборные железобетонные элементы для укрепительных работ, наличие технических условий и сертификатов для используемых геосинтетических материалов.
Особое значение имеет контроль наличия инженерно-геологических паспортов выемок, карьеров, резервов и других источников получения грунта, в том числе и песков для устройства морозозащитных и дренирующих слоев, обратных засыпок, дренажных сооружений, конусов, котлованов, замены слабых грунтов. В паспорте должно быть представлено: геологическое строение разрабатываемого массива, продольные и поперечные разрезы, колонки скважин, эксплуатационные запасы грунта (песка), результаты лабораторных определений показателей физико-механических свойств грунтов, пояснительная записка.
При входном контроле проверяют правильность определения объёмов резервов с учётом фактической ситуации в плане, состав грунта по наименованию вида и разновидности (в том числе особых разновидностей), наличию крупных включений, влажности, коэффициента фильтрации, гранулометрического состава (по строительным ситам) для песков. Устанавливают коэффициент относительного уплотнения. Указанные параметры должны соответствовать данным инженерно-геологического паспорта, который согласовывается или выдаётся проектной организацией в комплекте проекта или рабочей документации.
Проверка резервов (карьеров, выемок) производится путём бурения или шурфования с отбором проб. Количество скважин или шурфов устанавливают в зависимости от сложности геологического разреза, но не менее двух на каждый километр притрассовых резервов или каждые 10 тыс. м3 сосредоточенных резервов (карьеров, выемок). При установлении наличия слоев грунта разных видов число скважин или шурфов соответственно увеличивается. Глубина отбора проб должна быть не менее проектной глубины выработки. При однородных грунтах допустимо отбирать одну пробу, при изменении состава или влажности - не менее 3 по глубине.
Состав (вид, разновидность) и влажность проб определяют в производственных лабораториях по действующим ГОСТам. Данные входного контроля резервов оформляются ведомостью или заносятся в журнал лабораторных работ.
В процессе разработки резервов (карьеров, выемок) проводятся систематические наблюдения за изменением влажности грунтов в зависимости от условий увлажнения и просыхания. Отбор проб на влажность должен производиться не менее 2 на каждый километр притрассового резерва или каждые 10 тыс. м3 выемки или карьера с периодичностью 1 раз в неделю при устойчивой погоде и ежедневно после дождей интенсивностью более 5 мм/сут. Результаты измерения влажности заносятся в общий журнал работ.
Прогнозирование изменения влажности грунта в резерве при составлении проекта производства работ ведётся по данным ближайших метеостанций с расчётной обеспеченностью 90 %.
При обнаружении расхождений фактических показателей вида грунта, влажности или других характеристик с проектными данными в случаях, если эти расхождения могут оказать влияние на качество сооружения или на технологию производства работ, Заказчик обязан внести в рабочую документацию соответствующие изменения.
На этапе входного контроля строительной организацией выполняется настройка основных технологических процессов на пионерных участках. Настройка технологического процесса уплотнения грунтов осуществляется методом «пробного уплотнения». Результаты пробного уплотнения фиксируются в специальном журнале.
При наличии в зоне земляных работ косогоров, склонов круче 1:3, оползней, слабых и обводнённых грунтов, водных источников, марей, наледей до начала работ следует проверить полноту учёта в проекте требований безопасности, касающихся обеспечения устойчивости как во время строительства, так и в период эксплуатации сооружения, предупреждения обвалов, оползней, затопления и других видов потенциально опасных явлений.
При наличии в зоне производства работ недопустимых для предусмотренных по принятой технологии машин уклонов, неровностей, мест с ограниченной несущей способностью в ППР должны быть включены соответствующие мероприятия.
До начала земляных работ обязательной проверке подлежит соответствие технологических схем условиям безопасного ведения работ по фактическому положению проводов и кабелей энергопередачи, трубопроводов и других пересекаемых и смежных сооружений.
Строительные конструкции, изделия, материалы и инженерное оборудование, поступающее на стройку, должны иметь паспорт, подтверждающий соответствие предусмотренным проектом показателям качества (или предусмотренным стандартам, техническим условиям и т.п.). Строительная организация обязана производить выборочную проверку соответствия фактических показателей паспортным данным.
Общие требования. Операционный контроль проводится в ходе производственных процессов с целью установления соответствия выполняемых работ нормативным требованиям, проектной документации и соблюдения заданной технологии. Операционный контроль должен охватывать полный объём всех видов работ за всё время их выполнения.
Отклонения от заданной технологии (ППР, технологических карт) фиксируются по всем в дальнейшем контролируемым показателям, изменение которых может оказать влияние на качество: погодные условия, состав машин, применяемое оборудование, очерёдность и длительность операций и т.п. Отклонения от заданной технологии фиксируются в общем журнале работ. К постоянно контролируемым показателям качества сооружения земляного полотна относятся:
правильность осевой линии поверхности земляного полотна в плане и профиле;
плотность естественного основания (перед устройством вышележащих слоев земляного полотна или одежды);
однородность грунта в слоях насыпи;
плотность грунта в слоях насыпи;
ровность поверхности, соблюдение поперечных уклонов;
ширина земляного полотна, крутизна откосов, возвышение насыпи на величину осадки;
правильность выполнения водоотводных и дренажных сооружений, укрепления откосов.
В особых условиях в индивидуальном проекте могут быть предусмотрены специальные виды работ, которые также подлежат постоянному контролю с фиксацией возможных отклонений (насыпи на слабых основаниях, разработка неустойчивых склонов и т.п.).
Организация и методы операционного контроля должны позволять регулировать технологию непосредственно по мере изменения условий работы, технического обеспечения, сроков производства работ. Поэтому для операционного контроля предпочтительно применять ускоренные методы, упрощённые схемы измерений, обеспечивающие немедленное получение результатов.
Состав работ при выполнении операционного контроля. При операционном контроле качества сооружения земляного полотна проверяют:
правильность размещения осевой линии поверхности земляного полотна в плане и высотные отметки;
толщину снимаемого плодородного слоя грунта;
плотность грунта в основании земляного полотна;
влажность используемого грунта для послойной отсыпки земляного полотна;
толщину отсыпаемых слоев;
однородность грунта в слоях насыпи;
плотность грунта в слоях насыпи;
ровность поверхности;
поперечный профиль земляного полотна (расстояние между осью и бровкой, поперечный уклон, крутизну откосов);
правильность выполнения водоотводных и дренажных сооружений, специальных прослоек;
качество укрепления откосов и обочин.
При операционном контроле качества земляных работ в зимних условиях дополнительно следует контролировать размер и содержание мёрзлых комьев, а также качество очистки поверхности от снега и льда на каждой захватке.
При операционном контроле качества сооружения земляного полотна на болотах дополнительно следует контролировать: полноту выторфовывания, режим отсыпки, величину осадки, геометрические размеры вертикальных прорезей, дрен и коэффициент фильтрации песка в них.
При операционном контроле качества земляных работ в районах вечной мерзлоты дополнительно контролируют глубину промерзания слоя сезонного оттаивания грунта и сохранность мохорастительного покрова.
Контроль геометрических параметров при операционном контроле. В рамках операционного контроля прежде всего выполняют контроль геометрических параметров земляного полотна и его конструктивных элементов. Особое значение приобретает контроль геометрических параметров верхней части земляного полотна (рабочего слоя), морозозащитных и дренирующих слоев.
Проверку правильности размещения оси земляного полотна, высотных отметок, поперечных профилей земляного полотна, обочин, водоотводных и дренажных сооружений и толщины слоев следует производить не реже чем через 100 м (в трёх точках на поперечнике), как правило, в местах размещения знаков рабочей разбивки с помощью геодезических инструментов и шаблонов. Правильность размещения земляного полотна в плане и профиле обеспечивается полнотой и точностью разбивочных работ, выполняемых по знакам выноски проекта на местность и реперам. Выноска отметок и границ земляного полотна в плане производится с помощью геодезических инструментов, установление крутизны откоса - шаблонами.
Контроль рабочей разбивки осуществляется повторными выносками и измерениями (как правило, по новым ходам и направлениям). Обнаруженные отклонения исправляются немедленно.
В процессе операционного контроля проверяются следующие геометрические параметры: высотные отметки продольного профиля, расстояние между осью и бровкой земляного полотна, поперечные уклоны, уменьшение или увеличение крутизны откосов, изменение поперечных размеров кюветов, нагорных и других канав (по дну), глубина нагорных и других канав, поперечные размеры дренажей, продольные уклоны дренажей, ширина насыпных берм, ширина присыпных обочин, поперечные уклоны обочин, толщина плакировки, геометрические параметры конструкций укрепления конусов, откосов, регуляционных сооружений. Для верхней части земляного полотна (рабочего слоя), а также при устройстве подстилающих слоев осуществляется контроль ширины отсыпаемых слоев и высотных отметок.
Операционный контроль качества грунтов и степени их уплотнения. Однородность грунта в слоях насыпи по составу и состоянию контролируется на стадиях разработки и перемещения. Контроль осуществляют визуально по цвету, структуре (степени агрегированности), липкости. В необходимых случаях применяют экспресс-методы определения свойств на месте (раскатывание, пенетрация, прокаливание и др.).
При обнаружении отклонений, превышающих технологические допуски, указанные в ППР или технологических картах, производится соответствующее регулирование производственного процесса (изменение толщины слоя, порядка и числа проходов катка, доувлажнение и др.).
Ввиду недопустимости смешивания в одном слое разных грунтов переход от одного вида грунта к другому выполняют по типу выклинивания по всей ширине насыпи. Качество уплотнения грунтов контролируется при устройстве насыпей и оснований рабочего и морозозащитного слоев, под дорожные конструкции в выемках, нулевых местах и в других случаях, когда строительными нормами или проектом предусмотрены определённые требования к плотности. Если обнаружено недоуплотнение или несущественная неоднородность плотности, производят дополнительное уплотнение, достаточность которого определяют повторными замерами.
В целях регулирования качества в процессе уплотнения применяют средства измерения, позволяющие немедленно получать результаты и регулировать технологию сокращением или увеличением числа проходов катка: гамма-плотномеры, плотномеры пенетрационные статического или динамического действия, штампы, приспособления для измерения осадки под колесом автомобиля.
Плотность грунта необходимо контролировать в каждом технологическом слое отсыпки по оси земляного полотна и на расстоянии 1,5-2,0 м от бровки, а при ширине слоя более 20 м - также в промежутках между ними. Контроль плотности грунта производят на каждой сменной захватке работы уплотняющих машин, но не реже чем через 200 м при высоте насыпи до 3 м и не реже чем через 50 м при высоте насыпи более 3 м.
Контроль плотности рабочего и морозозащитно-дренирующих слоев земляного полотна производят не реже чем через 50 м. Дополнительный контроль плотности необходимо производить в каждом слое засыпки пазух труб, над трубами, в конусах и в местах сопряжения с мостами. Контроль плотности следует производить на глубине, равной 1/3 толщины уплотняемого слоя, но не менее 8 см.
Отклонения от требуемого значения коэффициента уплотнения в сторону уменьшения допускается не более чем на 10 % определений от их общего числа и не более чем на 0,04.
Измерение плотности проводится не реже одного раза в рабочую смену при объёме отсыпки до 1 тыс. м3 не менее чем в трёх местах по ширине насыпи. При объёме отсыпки более 1 тыс. м3 в смену на каждую тысячу добавляется одна-две проверки. Число измерений в каждом месте определяется технической характеристикой (погрешностью) метода.
Места измерений размещаются по оси и в 1-2 м от бровки насыпи со смещением в продольном направлении не менее чем на 10 м.
При значительных объемах работ и скоростном строительстве текущий операционный контроль допускается осуществлять по отклонению процесса от данных пробного уплотнения. При этом фиксируется соответствие вида и влажности грунта, толщины уплотняемого слоя, измеряемой не менее чем в трёх точках поперечников через 50 м по длине трассы.
Заданную технологию можно считать выполненной, если число проходов катка по одному следу не меньше установленных при пробном уплотнении, вид грунта идентичен, толщина слоя отличается от пробного уплотнения не более чем на 10 %.
Поверхность каждого слоя земляного полотна должна быть спланирована во избежание избыточного увлажнения при атмосферных осадках. Ровность поверхности определяется визуально исходя из требования обеспечения поверхностного стока. Наличие ям, колей, местных возвышений, выходов скальных пород более чем на 50 мм от отметки поверхности в данной точке не допускается.
При разработке грунтов необходимо следить, чтобы дно и откосы резервов и выемок имели уклоны, обеспечивающие сток воды от земляного полотна и рабочего забоя с обязательным выпуском её к ближайшему искусственному сооружению или в сторону от дороги. Если дно резерва имеет значительный продольный уклон, во избежание размыва дна стекающей водой необходимо проследить за тем, чтобы резерв был разделён на отдельные участки с допустимыми для данных грунтов уклонами.
Методика пробного уплотнения грунтов укаткой. Пробное уплотнение грунтов укаткой проводят с целью уточнения оптимальных толщин слоев, а также для определения количества проходов катка по одному следу, необходимого для получения требуемой степени уплотнения.
Оборудование для пробного уплотнения грунтов укаткой подразделяется на технологическое (землеройно-транспортные и уплотняющие машины), геодезическое, оборудование для контроля плотности грунтов.
Состав технологического оборудования при пробном уплотнении надлежит назначать в соответствии с проектом производства работ. Геодезическое оборудование должно включать жёсткий метр, измерительную металлическую рулетку, геодезические вешки, разбивочные и реперные колышки. Состав оборудования для контроля плотности грунтов назначают в соответствии с ГОСТ 5180-84, а при использовании экспресс-методов - в соответствии с инструкцией по применяемому экспресс-методу.
Пробное уплотнение при строительстве дорог должно проводиться по программе, которую составляют с учётом:
грунтовых условий объекта, принятых в проекте по результатам инженерно-геологических изысканий;
рельефа местности и климатических условий;
требований ППР по возведению земляного полотна;
объёмов земляных работ и сроков их исполнения;
распределения и перемещения грунта в соответствии с графиком распределения земляных масс.
В программе пробного уплотнения грунтов должны быть также предусмотрены участки испытаний; способ разработки, перемещения и уплотнения грунта с указанием типов машин и их марок; величины требуемых коэффициентов уплотнения грунта в теле земляного полотна.
Пробное уплотнение грунтов укаткой производят перед началом и в процессе основных работ по возведению земляного полотна для всех разновидностей грунтов, предусмотренных проектом для отсыпки в насыпи и замены в выемках, а также всех типов катков и их сочетаний, намеченных для послойного уплотнения грунтов ППР или технологическими картами.
Пробное уплотнение надлежит проводить на участках естественного основания, типичных для конкретного объекта с точки зрения состава и состояния слагающих их грунтов. При этом коэффициент уплотнения грунтов естественного основания на площадке, отведённой для пробного уплотнения, в пределах 30 см по глубине должен быть не ниже требуемого коэффициента уплотнения грунта пробного слоя.
Площадку для пробного уплотнения необходимо располагать в пределах основания или ранее отсыпанных и уплотнённых до требуемой плотности слоев возводимой насыпи, а при невозможности - в специально отведённом месте. Минимальные размеры площадки для пробного уплотнения должны составлять: ширина - 3 Ву, м; длина - 20 м, где Ву - ширина уплотняемой полосы, принимаемая по технической характеристике уплотняющей машины. Разбивка площадки для пробного уплотнения производится в соответствии со схемой. При этом высотные отметки толщины слоя в состоянии начального уплотнения должны устанавливаться с использованием жёсткого метра.
После разбивочных работ производят контроль плотности грунта естественного основания на глубине 10-15 см от его поверхности по ГОСТ 5180-84. Количество испытаний должно составлять не менее 6. Если коэффициент уплотнения грунтов естественного основания ниже требуемого, то их следует доуплотнять катками на пневматических шинах, решетчатыми катками или трамбующей плитой.
Грунт пробного уплотнения следует отсыпать на всю ширину площадки и на полную толщину, принимаемую в соответствии с табл. 35.1, с использованием способов разработки, перемещения и разравнивания грунта, обоснованных и принятых в ППР. Ориентировочное количество проходов катка по одному следу при пробном уплотнении назначают по с табл. 35.1.
Таблица 35.1
|
Тип уплотняющей машины |
Толщина слоя грунта в плотном
теле Нсл, см |
|
|
связных |
несвязных |
|
|
каток кулачковый массой 9-18 т |
25 (24) |
- |
|
каток решетчатый массой 25 т |
40 (20) |
- |
|
каток на пневматических шинах прицепной и полуприцепной массой, т: |
|
|
|
12-15 |
30 (24) |
40 (16) |
|
25-30 |
45 (20) |
60 (16) |
|
45-50 |
60 (20) |
80 (16) |
|
каток вибрационный прицепной массой, т: |
|
|
|
3 |
- |
60 (12) |
|
6-8 |
- |
80 (20) |
|
10-12 и более |
- |
100 (16) |
Примечания. 1. При пробном уплотнении связных грунтов в зимних условиях и использовании катков на пневматических шинах ориентировочные значения толщины слоев грунта и количество проходов по одному следу необходимо сократить вдвое.
2. При пробном уплотнении с использованием зарубежных уплотняющих машин ориентировочную толщину уплотняемого слоя и количество проходов следует назначать в соответствии с техническим паспортом машин
Толщину слоя грунта необходимо определять с учётом начального уплотнения землеройно-транспортными машинами:
где (35.1)
Нсл - толщина слоя грунта в плотном теле, см;
Ктр - требуемая величина коэффициента уплотнения;
К1 - коэффициент начального уплотнения:
грейдер 0,75-0,80;
бульдозеры 0,80-0,85;
автомобили-самосвалы 0,85-0,90;
скреперы 0,90-0,92.
После разравнивания грунта в пробном слое производят планировку его поверхности автогрейдером с контролем толщины слоя не менее чем в 6 точках с использованием установленных высотных отметок. При этом допускаемые отклонения по толщине слоя могут составлять ±10 %.
Грунты, предназначенные для пробного уплотнения, должны иметь влажность, близкую к оптимальной Wопт. При этом нижний предел естественной влажности песчаных грунтов должен быть не ниже 0,8 Wопт, а глинистых - не ниже 0,9 Wопт. При несоблюдении этого условия необходимо предусматривать искусственное увлажнение грунтов или принимать меры по его просушиванию (рыхление, перевалка бульдозером, автогрейдером), чтобы получить значения влажности грунта в указанных пределах.
При пробном уплотнении в зимнее время величина естественной влажности глинистых грунтов не должна превышать величину оптимальной влажности Wопт. Линейные размеры мёрзлых комьев не должны превышать 0,2 м. Максимальная влажность грунта, при которой будет обеспечена требуемая плотность, определяется выражением
Wдоп = Kувл×Wопт, где (35.2)
Кувл - коэффициент увлажнения (табл. 35.2).
Таблица 35.2
|
Грунты |
Кувл при требуемом коэффициенте уплотнения грунта в теле |
|
|
Ктр ³ 0,98 |
Ктр = 0,95 |
|
|
Пески пылеватые, супеси лёгкие, крупные |
1,35 |
1,60 |
|
Супеси лёгкие и пылеватые |
1,25 |
1.35 |
|
Супеси тяжёлые и пылеватые, суглинки лёгкие и лёгкие пылеватые |
1,15 |
1,30 |
|
Суглинки тяжёлые и тяжёлые пылеватые |
1,05 |
1,20 |
Срок выполнения работ по пробному уплотнению в зимний период, отсчитываемый от момента выемки грунта в карьере или резерве, зависит от температуры воздуха:
|
Температура воздуха, °С |
> -10 |
-10...-20 |
< -20 |
|
Срок выполнения работ, ч |
2-3 |
1-2 |
1 |
Запрещается пробное уплотнение в зимний период при ветре более 8 м/сек.
Уплотнение отсыпанного слоя грунта на площадке для пробного уплотнения выполняют круговыми проходами катков, начиная с краевых полос. Величина перекрытия следов должна составлять 0,3 м.
При пробном уплотнении связных грунтов тяжёлыми катками на пневматических шинах необходимо предусматривать прикатку катками лёгкого типа с нагрузкой на колесо, в 2 раза меньшей нагрузки на колесо основного катка. Количество проходов катка по одному следу при прикатке должно составлять 2-4, а скорость его движения не должна превышать 2 км/час. При пробном уплотнении несвязных грунтов, а также при отсыпке связных грунтов в пробный слой автомобилями-самосвалами или скреперами при условии равномерного распределения их проходов по ширине уплотняемого слоя предварительного уплотнения (прикатки) не требуется. Пробное уплотнение грунтов катками на пневматических шинах следует производить при следующем скоростном режиме: скорость двух первых проходов не более 2 км/час, а скорость промежуточных проходов до 12-15 км/час. Скорость движения кулачковых, решетчатых и вибрационных катков не должна превышать 2 км/час.
Давление воздуха в пневматических шинах катков при пробном уплотнении должно составлять для песков 0,2 МПа, для супесчаных грунтов - 0,3-0,4 МПа, для глинистых 0,6-0,8 МПа.
Контроль плотности грунта в процессе пробного уплотнения производят перед началом работы основной уплотняющей машины (после разравнивания или прикатки), а затем через 4, 8 и N проходов по одному следу (см. табл. 35.1). Контроль плотности грунта при пробном уплотнении производится в зоне однородного уплотнения в соответствии с диаграммой проходов уплотняющей машины по ширине опытной площадки. Глубина контроля плотности грунта при толщине пробного слоя до 30 см должна составлять 10-15 см. При толщине слоя, превышающей 30 см, контроль плотности производят не менее чем в 3 уровнях (верхняя, средняя и нижняя части слоя). Место расположения каждого уровня отбора проб от поверхности слоя определяют путём измерения жёстким метром с точностью ±1 см. Минимальное количество измерений при контроле плотности (объём выборки) с использованием только метода «режущего кольца» для каждого периода уплотнения и каждого уровня по толщине слоя должно составлять 6. Затем места отбора проб должны быть засыпаны грунтом и уплотнены.
Плотность сухого грунта при контроле плотности определяют в соответствии с ГОСТ 5180-84. Допускается использовать приборы для ускоренного определения указанной величины (плотномер-влагомер Н.П. Ковалёва, радиометрические, пенетрационные плотномеры и др.).
Степень уплотнения грунта, достигнутая после каждой серии проходов уплотняющей машины по одному следу, характеризуется среднеарифметической величиной коэффициента уплотнения
где (35.3)
- максимальная величина плотности сухого
грунта, определённая при стандартном уплотнении по ГОСТ
22733-2002;
- среднеарифметическое значение величины
плотности сухого грунта, достигнутой в процессе уплотнения.
Перед определением среднеарифметического значения величины плотности сухого грунта необходимо произвести статистическую проверку на исключение грубых ошибок из ряда частных определений по ГОСТ 20522-96.
Пробное
уплотнение считается законченным, если достигнуты требуемые
среднеарифметические значения плотности сухого грунта
:
|
Kтр |
0,90 |
0,92 |
0,95 |
1,00 |
|
|
0,93 |
0,95 |
0,98 |
1,03 |
Результаты пробного уплотнения оформляются в виде:
графиков зависимости
среднеарифметической величины плотности сухого грунта от количества проходов
катка по одному следу
= f(N) при толщине пробного слоя в плотном теле до 30 см;
графика зависимости плотности
скелета грунта по толщине пробного слоя от количества проходов катка по одному
следу
= f(Hсл,N);
графика зависимости плотности
сухого грунта от количества проходов катка по одному следу
= f(N) для различных значений толщины слоя в
интервале (hmin, hmax) при толщине пробного слоя в плотном теле
более 30 см.
Оптимальной толщине уплотняемого слоя грунта должна соответствовать максимальная техническая производительность катка:
где (35.4)
hi - толщина слоя грунта в плотном теле, определяемая по графику
= f(N)×hi, м;
Ву - ширина уплотняемой полосы, м;
n1 и n2 - количество проходов катка по одному следу при скоростях движения v1 и v2 - соответственно скорость движения катка при первых двух и промежуточных проходах, км/час;
b = 0,3 м - перекрытие полосы предыдущего прохода;
h = 0,8 - коэффициент, учитывающий потери.
При обосновании оптимальной толщины слоя грунта при уплотнении необходимо учитывать технологические данные по режиму отсыпки грунта в насыпь. Определённое по графикам количество проходов катка по одному следу следует округлить до ближайшего целого значения в большую сторону. При использовании катков на пневматических шинах к полученному количеству проходов необходимо добавить 2 прохода, совершаемых при скорости движения 2 км/час.
При контроле качества в процессе строительства (операционный контроль) применяют в основном ручные методы контроля. Контроль качества по завершении строительства (приемочный контроль) открывает широкие перспективы применения скоростных лабораторий на базе автомобилей с записью регистрируемых параметров в памяти компьютера.
Для оценки прочности нежестких дорожных одежд предназначена передвижная лаборатория КП-502МП, разработанная МАДИ совместно с Гипродорнии. За основу лаборатории КП-502МП принята установка динамического нагружения УДН-НК.
В установке динамического нагружения груз сбрасывается с определенной высоты на амортизационное устройство (два спаренных колеса). При этом создается кратковременное (0,2-0,4 с) динамическое нагружение, близкое к нагрузке от движущегося автомобиля. В камерах нагружаемых колес поддерживают давление воздуха 0,55 МПа, что позволяет обеспечивать при измерениях площадь отпечатков колес расчетного автомобиля. Измерительные механизмы производят непосредственное измерение прогибов. Измерения возможны как в движении, так и при остановке.
Модуль упругости дорожной одежды, определенный в результате испытаний установками динамического нагружения, является динамическим Ед, и при оценке прочности дорожной одежды его следует сопоставлять с общим расчетным модулем Етр.р, вычисленным исходя из требуемого динамического модуля упругости Eтр.д.
Последнее усовершенствования установки УДН-НК, связанное с оснащением её компьютерной системой, позволяет выводить на монитор компьютера значение модуля упругости с привязкой контрольных точек к пройденному пути, а также вводить оператором данные о визуальной оценке состояния покрытия.
Саратовский научно-производственный центр «СНПЦ Росдортех» выпускает для контроля параметров дорожной одежды при приемке и диагностике состояния автомобильной дороги передвижную лабораторию КП-514 МП, которая монтируется на базе автобуса КАВЗ-3976 и имеет в своем составе: компьютер, оборудованный платой аналого-цифрового преобразователя; комплекс гироскопических датчиков; измеритель пройденного пути УИПП-3; прицеп ПКРС-2У для измерения ровности и коэффициента сцепления; установку Дина-3М на прицепе УАЗ-8109 для оценки прочности дорожной одежды с нежестким покрытием методом динамического нагружения; печатающее устройство.
Указанное оборудование обеспечивает измерение:
высотных отметок покрытия; углов поворота трассы в плане;
радиусов кривых в плане и продольном профиле;
продольного и поперечного уклонов покрытия;
ровности покрытия; коэффициента сцепления колеса с покрытием;
прочности покрытия методом динамического нагружения.
С использованием программы «Автоматизированный банк дорожных данных» (АБДД) полученные результаты измерений накапливаются, обрабатываются и могут быть перенесены в стационарный компьютерный банк данных. Данные, полученные лабораторией КП-514 МП при приемочном контроле участка дороги, служат начальным (исходным) массивом банка данных дороги, который затем в процессе повторных измерений дополняется и позволяет обнаружить изменения в состоянии дороги и делать прогноз ее дальнейшей работоспособности.
Для контроля ровности дорожной одежды используются также недорогие и потому доступные приборы - толчкомеры. Метод толчкомера заключается в измерении сжатия рессор подвески автомобиля или специального прицепа, их суммировании и регистрации. Суммарное сжатие рессор, получаемое на участке длиной 1 км, выражается величиной см/км при скорости 50 км/ч. Толчкомер ИВП-1М (измеритель вертикальных перемещений) выпускается НПО Росдорнии.
Для контроля и регистрации продольного профиля автомобильной дороги можно применять «Динамический преобразователь продольного профиля МАДИ» (ДПП) (Расчетные и экспериментальные исследования вибронагруженности и прочности элементов конструкции автотранспортных средств: Сб. науч. тр. / МАДИ. - М., 2002. - 171 с), который был разработан на кафедре теоретической механики МАДИ в 1964 г. и получил в том же году золотую медаль на ВДНХ СССР. Прибор предназначен для записи микропрофилей автомобильных дорог и взлетно-посадочных полос аэродромов. Принцип действия ДПП заключается в выработке электрического сигнала в аналоговой форме, являющегося линейным преобразованием ординат микропрофиля дорожной поверхности под колесом прибора.
Позднее, в 1968-1969 г.г. Центральной Лабораторией Мостов и Дорог (LCPC) Франции с использованием научных трудов д-ра техн. наук, проф. А.А. Хачатурова (МАДИ) были разработаны приборы APL-25 и APL-75 (анализаторы продольного профиля), основанные на фиксации колебаний маятника (груза) на специальном прицепе, реагирующим на изменения продольного уклона и вертикальные толчки от неровностей покрытия и являющиеся полными аналогами прибора ДПП.
В настоящее время программное обеспечение, разработанное на кафедре теоретической механики МАДИ (ГТУ) под руководством проф. В.П.Жигарева, позволяет обрабатывать данные, зарегистрированные ДПП, и вычислять следующие критерии ровности:
спектральную плотность дисперсии (СПД) ординат микропрофиля - оценочный показатель, принятый в международной классификации ИСО (ИСО 8608: 1995 «Вибрация. Профили дорожных поверхностей. Представление результатов измерений»);
вероятностные характеристики просветов под 3 метровой рейкой: функцию распределения и вероятности превышения (непревышения) определенных (нормативных) значений просветов (СНиП 3.06.03-85 «Автомобильные дороги», ГОСТ 50597-93 «Автомобильные дороги и улицы. Требования к эксплуатационному состоянию, допустимому по условиям обеспечения безопасности движения», ГОСТ 30412-96 «Дороги автомобильные и аэродромы. Методы измерений неровностей оснований и покрытий»), математическое ожидание, дисперсию, центральные моменты третьего и более высоких порядков;
вероятностные характеристики разностей вертикальных отметок ординат микропрофиля при шагах замера 5 м, 10 м, 20 м: функции распределения и вероятности превышения (непревышения) определенных нормативных значений (СНиП 3.06.03-85, ГОСТ 30412-96), математические ожидания, дисперсии, центральные моменты третьего и более высоких порядков;
международный индекс ровности (International Roughness Index - IRI).
ФГУП «Союздорнии» и МГТУ им. Баумана разработана и выпускается по заказам мобильная диагностическая лаборатория с лазерно-гироскопической системой для измерения геометрических характеристик поверхности покрытия автомобильных дорог и аэродромов: продольной и поперечной ровности, уклонов и радиусов кривизны.
Состав лазерно-гироскопической системы, смонтированной на автомобиле Фольксваген Мультивэн: курсовой прибор; блок электроники; компьютер со специальным программным обеспечением; навесной на передний бампер блок, включающий гировертикаль, акселерометр и 6 лазерных датчиков.
Скорость, при которой производятся измерения, от 0 до 100 км/ч; диапазон измеряемых длин волн неровностей 0,5-60 м, диапазон измеряемых продольных уклонов 0-15 %, диапазон измеряемых поперечных уклонов 0-15 %.
Средства контроля, допустимые отклонения и объем измерений при операционном и приемочном контроле для каждого контролируемого параметра для отдельных элементов автомобильной дороги приведены в табл. 35.3.
Таблица 35.3
Перечень конструктивных элементов и контролируемых параметров автомобильных дорог при освидетельствовании качества выполняемых работ
|
Конструктивный элемент, вид работ, контролируемый параметр |
Допустимое отклонение, нормативный документ |
Метод контроля |
Количество измерений при контроле |
||||
|
операционном |
приемочном |
||||||
|
1 |
2 |
3 |
4 |
5 |
|||
|
Земляное полотно |
|||||||
|
Размещение оси в плане |
±20 см СНиП 3.02.01-87 |
Геодезический |
На прямой через 100 м, на кривой через 50 м |
На прямой через 500 м, на кривой через 250 м |
|||
|
Высотные отметки |
±5 см (±1 см); не более 10 % измерений до ±10 см (±2 см) |
Геодезический. В 3 точках: по оси и бровкам |
На прямой через 100 м, на кривой через 50 м |
На прямой через 500 м, на кривой через 250 м |
|||
|
Толщина снятия плодородного слоя грунта и отсыпки в слои насыпи |
±20 %, не более 10 % измерений до ± 40 % |
Линейкой при срезке и отсыпке |
3 точки на поперечник через 100 м |
3 точки на поперечник через 500 м |
|||
|
Коэффициент уплотнения грунта в основании, каждом слое насыпи и на обочинах |
Не ниже проектной, не более 10 % измерений до -0,04 |
Лабораторный. На глубине не менее 8 см от поверхности, на расстоянии 1,5-2,0 м от бровки |
3 точки на поперечник через 200 м при высоте насыпи до 3 м. Через 50 м при высоте насыпи более 3 м и в верхнем слое |
3 точки на поперечник через 1000 м при высоте насыпи до 3 м. Через 250 м при высоте насыпи более 3 м и в верхнем слое |
|||
|
Расстояние между осью и бровкой насыпи |
±10 см, не более 10 % измерений до ±20 см. |
Рулеткой |
Через 100 м |
Через 500 м |
|||
|
Поперечный уклон поверхности земляного полотна и обочин |
±0,01 (±0,005)*, не более 10 % измерений от -0,015 до +0,030 (от -0,01 до +0,015)*. |
Рулеткой с уровнем. Отсутствие застоя воды |
Через 100 м |
Через 500 м |
|||
|
Крутизна откосов насыпей и выемок |
до -10 %, не более 10 % измерений до -20 %. |
Геодезический или рейкой с уровнем |
Через 100 м |
Через 500 м |
|||
|
Влажность грунта в основании насыпи и отсыпаемого в слои насыпи и на обочинах: |
При коэффициенте уплотнения |
Лабораторный. ГОСТ 5180-84 или с использованием полевых экспресс-методов и приборов |
Один раз в смену в месте его разработки |
- |
|||
|
1-0,98 |
0,95 |
0,9 |
|||||
|
пески пылеватые, супеси легкие, крупные |
Не более 1,35 |
Не более 1,6 |
Не нормируют |
||||
|
супеси легкие и пылеватые |
0,8-1,25 |
0,75-1,35 |
0,7-1,6 |
||||
|
супеси тяжелые и суглинки легкие |
0,85-1,15 |
0,8-1,2 |
0,75-1,4 |
||||
|
суглинки тяжелые, глины |
0,95-1,05 |
0,9-1,1 |
0,85-1,2 |
||||
|
|
|||||||
|
Однородность грунта, отсыпаемого в слои насыпи и на обочинах |
По согласованию с проектной организацией. |
Визуально. При изменении однородности определять тип, вид и разновидность по ГОСТ 25100-95. |
Постоянно |
- |
|||
|
Дополнительно зимой |
|||||||
|
Размер и содержание мерзлых комьев в отсыпаемом грунте: |
Размер |
Содержание |
Линейкой. Отбор мерзлых комьев из одного автомобиля |
1 раз в смену |
- |
||
|
при трамбовании и укатке решетчатым катком |
До 30 см |
До 30 % |
|||||
|
при укатке пневмо- и виброкатком |
До 15 см |
До 20 % |
|||||
|
|
|||||||
Продолжение таблицы 35.3
|
1 |
2 |
3 |
4 |
5 |
|
|
Качество очистки нижележащего слоя от снега и льда |
Допускаются только следы снега и льда. СНиП 3.06.03-85 |
Визуально |
Постоянно |
- |
|
|
Дополнительно на болоте |
|||||
|
Полнота выторфовывания |
Не менее проектной, не более 10 % измерений до 10 см. СНиП 3.06.03-85 |
Буром |
Через 50 м |
Через 250 м |
|
|
Толщина отсыпки грунта в насыпь на торфяное основание |
Не менее проектной, не более 10 % измерений до-10 см. СНиП 3.06.03-85 |
Геодезический |
Через 50 м |
Через 250 м |
|
|
Осадка насыпи на торфяном основании |
Не менее проектной, не более 10 % измерений до -10 см. |
Геодезический |
Через 50 м |
Через 250 м |
|
|
Дренажи и водоотвод |
|||||
|
Поперечные размеры дна канав и кюветов |
± 5 см, не более 10 % измерений до ±10 см. |
Рулеткой |
Через 100 м |
Через 500 м |
|
|
Глубина канав и кюветов |
± 5 см, не более 10 % измерений до ±10 см. |
Геодезический |
Через 100 м |
Через 500 м |
|
|
Поперечные размеры дренажей |
± 5 см, не более 10 % измерений до ±10 см. |
Рулеткой |
Через 100 м |
Через 500 м |
|
|
Продольные уклоны дренажей |
±0,001, не более 10 % измерений до ±0,002 см. |
Геодезический |
Через 100 м |
Через 500 м |
|
|
Ширина берм |
± 15 см, не более 10 % измерений до ±30 см. |
Рулеткой |
Через 100 м |
Через 500 м |
|
|
Коэффициент фильтрации песка для дренажей |
По проекту |
Лабораторный. |
Один раз в смену. 3 пробы |
- |
|
|
Песчаные слои (дренирующие, морозозащитные др.) |
|||||
|
Коэффициент уплотнения песчаного слоя |
По проекту. Не более 10 % измерений до -0,04. |
Лабораторный. ГОСТ 5180-84, на глубине не менее 8 см от поверхности, 3 точки на поперечник |
Через 100 м |
Через 500 м |
|
|
Ширина песчаного слоя |
±10 см, не более 10 % измерений до ±20 см. |
Рулеткой |
Через 100 м |
Через 500 м |
|
|
Толщина песчаного слоя |
±2 см, не более 10 % измерений до ±4 см. |
Линейкой |
Через 100 м |
Через 500 м |
|
|
Поперечный уклон песчаного слоя |
±0,001 (±0,005), не более 10 % измерений от -0,015 до +0,03 (от -0,01 до +0,015)*. |
Рейкой с уровнем |
Через 100 м |
Через 500 м |
|
|
Коэффициент фильтрации грунтов: непучинистых |
По проекту. |
Лабораторный. |
на 500 м 3 пробы |
- |
|
|
слабопучинистых |
10 проб |
||||
|
Влажность песчаного грунта при уплотнении: |
При коэффициенте уплотнения: |
Лабораторный. ГОСТ 5180-84 и с использованием полевых экспресс методов и приборов |
Один раз в смену в месте его разработки |
- |
|
|
1-0,98 |
0,95 |
||||
|
пески пылеватые |
Не более 1,35 |
Не более 1,6 |
|||
|
супеси легкие |
0,8-1,25 |
0,75-1,35 |
|||
|
|
|||||
Продолжение таблицы 35.3
|
1 |
2 |
3 |
4 |
5 |
|
Прослойки из нетканых геотекстилей и пленочных материалов |
||||
|
Ширина прослойки |
±10 см, не более 10 % измерений до ±20 см. |
Рулеткой |
Через 100 м |
Через 500 м |
|
Нахлест полотнищ |
Не менее 0,5 м без сшивки. Не менее 0,1 м при сшивке. |
Линейкой |
Через 100 м |
Через 500 м |
|
Крупность зерен в слоях под и над прослойкой: из изола |
До 40 мм |
Линейкой |
Постоянно |
- |
|
из полиэтилена |
До 20 мм |
|||
|
Основания и покрытия из грунтов, укрепленных вяжущими |
||||
|
Высотные отметки по оси дороги |
± 5 см (± 1 см)*, не более 10 % измерений до ±10 см (±2 см)*. |
Геодезический |
Через 100 м |
Через 500 м |
|
Ширина слоя |
± 10 см, не более 10 % измерений от - 15 см до +20 см. |
Рулеткой |
Через 100 м |
Через 500 м |
|
Толщина слоя |
± 1,5 см (±1 см)*, не более 10 % измерений от -2,2 см (1,5 см)* до +3 см (2 см)*. |
Линейкой |
Через 100 м |
Через 500 м. По кернам |
|
Ровность поверхности для дорог |
Просвет-зазор: |
Под рейкой длиной 3 м в пяти точках, на расстоянии 0,5 м от концов и друг от друга. На расстоянии 0,5-1 м от кромки слоя и края полосы движения. |
Через 10м |
На 10 % длины участка. Длина захватки 300-400 м. 100-130 измерений на захватке |
|
I, II и III категорий |
7 мм (5 мм)*, не более 5 % измерений до 14 мм (10 мм)* |
|||
|
IV и V категорий |
10 мм, не более 5 % измерений до 20 мм |
|||
|
Iс, IIс и IIIс категорий |
15 мм, не более 5 % измерений до 30 мм |
|||
|
Поперечный уклон |
±0,01 (±0,005)*, не более 10 % измерений от -0,015 до +0,03 (от -0,01 до +0,015)* |
Рейкой с уровнем |
Через 10 м |
На 10% длины участка. Длина захватки 300-400 м. 80-100 измерений на захватке |
|
Ровность поверхности для дорог I, II и III категорий: |
Алгебраическая разность высотных отметок через 5 м, 10 м, 20 м |
Геодезический с шагом нивелирования 5 м. На расстоянии 0,5-1 м от кромки слоя и края полосы движения. Расчетный через 5, 10 и 20 м между тремя смежными точками Н1, Н2, Н3: 1/2(H1 + H3) - H2 |
- |
На 10% длины участка. Длина захватки 300-400 м. 50-60 измерений в одну линию |
|
без применения автоматики задания отметок |
7 мм; 12 мм; 24 мм |
|||
|
с применением автоматики задания отметок |
5 мм; 8 мм; 16 мм |
|||
|
для дорог других категорий |
10 мм; 16 мм Не более 10 % измерений до величины в 1,5 раза больше указанной. |
|||
|
Гранулометрический состав крупнообломочного грунта |
Не более 40 мм - в смесителе. Не более 25 мм - на полотне дороги. |
Лабораторный. |
1 раз в смену |
- |
|
Число пластичности глинистых грунтов |
Не более 12. |
Лабораторный. |
1 раз в смену |
- |
Продолжение таблицы 35.3
|
1 |
2 |
3 |
4 |
5 |
|
Степень размельчения глинистых грунтов |
Свыше 5 мм - не более 25 % массы. Свыше 10 мм - не более 10 % массы. |
Рассев проб на ситах с отверстиями 5 и 10 мм |
1 раз в смену |
- |
|
Качество смеси по прочности образцов на сжатие: |
По проекту |
Лабораторный. |
3 образца на 250 м3 смеси |
3 образца керна на 7000 м2 |
|
из смеси, приготовленной в смесителе |
±8 % |
|||
|
из смеси, приготовленной однопроходной машиной |
±15 % |
|||
|
из смеси, приготовленной фрезой |
±25 % |
|||
|
Коэффициент уплотнения смеси |
Не менее 0,98 максимальной. СНиП 3.06.03-85 |
Лабораторный. ГОСТ 5180-84 и СНиП 3.06.03-85. В 3 точках на поперечник: по оси и на расстоянии 0,5 м от кромки |
Через 200 м |
Через 100 м в 3 точках на поперечник |
|
Влажность обрабатываемого грунта: |
От оптимальной |
Лабораторный. ГОСТ 5180-84. В 3 точках на поперечник: по оси и на расстоянии 0,5 м от кромки |
Через 200 м |
- |
|
для песков |
Не более 1,35 |
|||
|
для легких супесей |
Не более 1,25 |
|||
|
для супесей пылеватых, легких суглинков |
Не более 1,15 |
|||
|
для тяжелых суглинков и глин |
Не более 1,1 |
|||
|
Влажность смеси перед уплотнением: |
От оптимальной |
Лабораторный. ГОСТ 5180-84. В 3 точках на поперечник: по оси и на расстоянии 0,5 м от кромки. |
Через 200 м |
- |
|
всухую погоду |
Не более 1,03 |
|||
|
в сырую погоду |
Не менее 0,98 |
|||
|
Содержание легкорастворимых солей в засоленных грунтах |
Не более 1 %. ГОСТ 30491-97. Не более 2 % сульфатных, не более 4 % хлористых. |
Лабораторный. ГОСТ 26423-85, ГОСТ 26425-85 (хлористых), ГОСТ 26426-85 (сульфатных) |
1 раз в 5 смен |
- |
|
Гранулометрический состав зол и золошлаковых смесей |
Мельче 0,071 мм - не менее 60 %. Крупнее 2 мм - не более 5 %. |
Рассевом на ситах 2 и 0,071 мм |
1 раз в 5 смен |
- |
|
Соответствие вяжущего |
По проекту. |
По документам |
В каждом автомобиле |
- |
|
Температура органического вяжущего |
По проекту. |
Термометром |
В каждом автомобиле |
- |
|
Однородность битумной эмульсии |
Отсутствие расслоения. |
Визуально |
В каждом автомобиле |
- |
|
Соблюдение требований по уходу при укреплении цементом |
Обработка поверхности эмульсией. |
Визуально |
Постоянно |
- |
|
Основания и покрытия из необработанных каменных материалов |
||||
|
Высотные отметки по оси дороги |
± 5 см (± 1 см)*, не более 10 % измерений до ±10 см (±2 см)*. |
Геодезический |
Через 100 м |
Через 500 м |
Продолжение таблицы 35.3
|
1 |
2 |
3 |
4 |
5 |
|
Ширина слоя |
± 10 см, не более 10 % измерений от -15 см до +20 см. |
Рулеткой |
Через 100 м |
Через 500 м |
|
Толщина слоя |
± 1,5 см (± 1 см)*, не более 10 % измерений от -2,2 см до +3 см (от -1,5 см до +2 см)*. |
Линейкой |
Через 100 м |
Через 500 м |
|
Ровность поверхности для дорог |
Просвет-зазор: |
Под рейкой длиной 3 м в пяти точках, на расстоянии 0,5 м от концов и друг от друга. На расстоянии 0,5-1 м от кромки слоя и края полосы движения. |
Через 10 м |
На 10 % длины участка. Длина захватки 300-400 м. 100-130 измерений на захватке |
|
I, II и III категорий |
10 мм (5 мм)*, не более 5 % измерений до 20 мм (10 мм)* |
|||
|
IV и V категорий |
15 мм, не более 5 % измерений до 30 мм |
|||
|
1с, IIс и IIIс категорий |
20 мм, не более 5 % измерений до 40 мм |
|||
|
Поперечный уклон |
±0,01 (±0,005)*, не более 10 % измерений от -0,015 до +0,03 (от -0,01 до +0,015)*. |
Рейкой с уровнем |
Через 10 м |
На 10 % длины участка. Длина захватки 300-400 м. 80-100 измерений на захватке |
|
Ровность поверхности для дорог I, II и III категорий: |
Алгебраическая разность высотных отметок через 5 м; 10 м; 20 м |
Геодезический с шагом нивелирования 5 м. На расстоянии 0,5-1 м от кромки слоя и края полосы движения. Расчетный через 5, 10 и 20 м между тремя смежными точками 1, Н2, Н3: 1/2(H1 + H3) - H2 |
- |
На 10 % длины участка. Длина захватки 300-400 м. 50-60 измерений в одну линию |
|
без применения автоматики задания отметок |
7 мм; 12 мм; 24 мм |
|||
|
с применением автоматики задания отметок |
5 мм; 8 мм; 16 мм |
|||
|
Для дорог других категорий |
10 мм; 16 мм. Не более 10 % измерений до величин, в 1,5 раза больших. |
|||
|
Влажность щебня и песчано-щебеночной смеси |
±10 % от оптимальной. |
Лабораторный. |
1 раз в смену |
- |
|
Влажность пескоцементной смеси |
+2-3 % от оптимальной. |
Лабораторный. |
1 раз в смену |
- |
|
Прочность пескоцемента |
±8 % от проектной. |
Лабораторный. ГОСТ 23558-94 |
1 раз в смену |
- |
|
Качество уплотнения слоя |
Отсутствие следов и волны перед катком массой 10-13 т. |
Визуальный |
Постоянно |
- |
|
Основания и покрытия из черного щебня, эмульсионно-минеральных смесей, щебеночных смесей по способу пропитки органическим вяжущим и смешением их на дороге |
||||
|
Высотные отметки по оси дороги |
±5 см (± 1 см)*, не более 10 % измерений до ±10 см (±2 см)*. |
Геодезический |
Через 100 м |
Через 500 м |
|
Ширина слоя |
± 10 см, не более 10 % измерений от -15 см до +20 см. |
Рулеткой |
Через 100 м |
Через 500 м |
|
Толщина слоя |
±1,5 см (±1,0 см)*, не более 10 % измерений от -2,2 см до +3 см (от -1,5 см до +2 см)*. |
Линейкой |
Через 100 м |
Через 500 м |
Продолжение таблицы 35.3
|
1 |
2 |
3 |
4 |
5 |
|
|
Поперечный уклон |
±0,01 (±0,005)*, не более 10 % измерений от -0,015 до +0,03 (от -0,01 до +0,015)*. |
Рейкой с уровнем |
Через 10 м |
На 10 % длины участка. Длина захватки 300-400 м. 80-100 измерений |
|
|
Ровность поверхности для дорог: |
Просвет-зазор: |
Под рейкой длиной 3 м в пяти точках, на расстоянии 0,5 м от концов и друг от друга. На расстоянии 0,5- 1 м от кромки слоя и края полосы движения. |
Через 10 м |
На 10 % длины участка. Длина захватки 300-400 м. 100-130 измерений |
|
|
I, II и III категорий |
7 мм (5 мм)*, не более 5 % измерений до 14 мм (10 мм)* |
||||
|
IV и V категорий |
10 мм, не более 5 % измерений до 20 мм |
||||
|
Iс, IIс и IIIс категорий |
15 мм, не более 5 % измерений до 30 мм |
||||
|
Ровность поверхности для дорог I, II и III категорий: |
Алгебраическая разность высотных отметок через 5 м; 10 м; 20 м |
Геодезический с шагом нивелирования 5 м. На расстоянии 0,5-1 м от кромки слоя и края полосы движения. Расчетный через 5, 10 и 20 м между тремя смежными точками Н1, Н2, Н3: 1/2(H1 + H3) - H2 |
- |
На 10% длины участка. Длина захватки 300-400 м. 50-60 измерений в одну линию |
|
|
без применения автоматики задания отметок |
7 мм; 12 мм; 24 мм |
||||
|
с применением автоматики задания отметок |
5 мм; 8 мм; 16 мм |
||||
|
Для дорог других категорий |
10 мм; 16 мм, не более 10 % измерений до величин, в 1,5 раза больших. |
||||
|
Температура битума при приготовлении эмульсии: |
В пределах: |
Термометром |
Постоянно |
- |
|
|
на битумах вязкостью 40/60 |
130-140°С |
||||
|
на битумах вязкостью 60/90 и 90/130 |
120-130°С |
||||
|
на битумах вязкостью 130/200 |
100-120°С |
||||
|
на битумах вязкостью 200/300 |
90-100°С |
||||
|
Температура водного раствора эмульгатора |
Не выше 80°С. Сумма температур битума и раствора не выше 200°С. |
Термометром |
Постоянно |
- |
|
|
Качество эмульсии |
Лабораторный. |
1 раз в смену |
- |
||
|
Качество битума |
По проекту СНиП 3.06.03-85 |
Лабораторный. |
1 проба на партию |
- |
|
|
Температура черного щебня при приготовлении: |
В пределах |
Термометром |
В каждом автомобиле |
- |
|
|
Без ПАВ |
С ПАВ |
||||
|
на битумах БН и БНД вязкостью 40/60,60/90, 90/130 |
140-160°С |
120-140°С |
|||
|
на битумах БН и БНД вязкостью 130/200 и 200/300 |
110-130°С |
100-120°С |
|||
|
на битумах СГ, МГ и БГ |
80-110°С |
80-100°С |
|||
|
|
|||||
|
Качество уплотнения черного щебня, смесей, обработанных эмульсиями в смесителе, слоев по способу пропитки |
Отсутствие следа и волны при проходе катка. |
Контрольным проходом катка массой 10-13 т |
Постоянно |
- |
|
Продолжение таблицы 35.3
|
1 |
2 |
3 |
4 |
5 |
|
|
Температура черного щебня при укладке: |
Не ниже: |
Термометром |
В каждом автомобиле |
- |
|
|
Без ПАВ |
С ПАВ |
||||
|
на битумах БН и БНД вязкостью 40/60, 60/90, 90/130 |
120°С |
100°С |
|||
|
на битумах БН и БНД вязкостью 130/200 и 200/300 |
80°С |
80°С |
|||
|
на битумах СГ, МГ и БГ |
70°С |
70°С |
|||
|
|
|||||
|
Качество черного щебня и эмульсионно-минеральных смесей при приготовлении и на укладке |
По проекту. |
Лабораторный. |
3 пробы на 1 км |
3 пробы на 1 км |
|
|
Температура вяжущего при строительстве по способу пропитки и смешением на дороге |
По проекту. |
Термометром |
При каждом разливе |
- |
|
|
Влажность минеральных материалов, смешиваемых на дороге |
Не более 4 %. |
Лабораторный. |
1 раз в смену при выпадении осадков |
- |
|
|
Качество смесей, полученных смешением на дороге |
По проекту. |
Лабораторный. |
2 пробы на 1 км |
3 керна (вырубки) на 1 км |
|
|
Коэффициент уплотнения смесей, полученных смешением на дороге |
По проекту. |
Лабораторный. ГОСТ 2801-98 |
3 керна (вырубки) на 1 км |
3 керна (вырубки) на 1 км |
|
|
Асфальтобетонные основания и покрытия |
|||||
|
Высотные отметки по оси дороги |
±5 см (±1 см)*, не более 10 % измерений до 10 см (±2 см)*. |
Геодезический |
Через 100 м |
Через 500 м |
|
|
Ширина слоя |
±10 см, не более 10 % измерений от -15 см до +20 см. |
Рулеткой |
Через 100 м |
Через 500 м |
|
|
Толщина слоя |
±1 см, не более 10 % измерений от -1,5 см до +2,0 см (от -1,5 см до +2 см)*. |
Линейкой |
Через 100 м |
Через 500 м |
|
|
Ровность поверхности |
Просвет-зазор: 5 мм (3 мм)*, не более 5 % измерений до 10 мм (6 мм)*. |
Под рейкой длиной 3 м в пяти точках, на расстоянии 0,5 м от концов и друг от друга. На расстоянии 0,5-1 м от кромки слоя и края полосы движения. |
Через 10 м |
На 10 % длины участка. Длина захватки 300-400 м. 100-130 измерений |
|
|
Ровность поверхности для дорог I, II и III категорий: |
Алгебраическая разность высотных отметок через 5 м; 10 м; 20 м |
Геодезический с шагом нивелирования 5 м. На расстоянии 0,5-1 м от кромки слоя и края полосы движения. Расчетный через 5, 10 и 20 м между тремя смежными точками Н1, Н2, Н3: 1/2(H1 + H3) - H2 |
- |
На 10 % длины участка. Длина захватки 300-400 м. 50-60 измерений в одну линию |
|
|
без применения автоматики задания отметок |
7 мм; 12 мм; 24 мм |
||||
|
с применением автоматики задания отметок |
5 мм; 8 мм; 16 мм |
||||
|
для дорог других категорий |
10 мм; 16 мм |
||||
Продолжение таблицы 35.3
|
1 |
2 |
3 |
4 |
5 |
|
|
Поперечный уклон |
±0,01 (±0,005)*, не более 10 % измерений от -0,015 до +0,03 (от -0,01 до +0,015)*. |
Рейкой с уровнем |
Через 10 м |
На 10 % длины участка. Длина захватки 300-400 м. 80-100 измерений в одну линию |
|
|
Температура битума, минеральных материалов и готовой смеси на АБЗ |
По проекту. |
Термометром |
Постоянно |
- |
|
|
Качество смеси на АБЗ |
По проекту. |
Лабораторный. |
1 раз в смену |
- |
|
|
Качество битума на АБЗ |
По проекту. |
Лабораторный. |
1 раз в смену |
- |
|
|
Качество щебня, песка и минерального порошка |
По проекту. |
Лабораторный. |
1 раз в 10 смен |
- |
|
|
Температура смеси на месте укладки |
По проекту. |
Термометром |
В каждом автомобиле |
- |
|
|
Качество асфальтобетона в слое |
По проекту. |
Лабораторный. |
По трем кернам на 7000 м2 |
- |
|
|
Качество сопряжения (поперечных и продольных) слоев |
Однородность |
Визуально |
Постоянно |
- |
|
|
Прочность сцепления слоев |
Соединением слоев в кернах |
При отборе кернов |
По трем кернам на 7000 м2 |
- |
|
|
Коэффициент уплотнения смеси в слое: для плотного асфальтобетона из горячих и теплых смесей типов А и Б |
Не ниже: 0,99 |
Лабораторный. |
По трем кернам на 7000 м2 |
- |
|
|
для плотного асфальтобетона из горячих и теплых смесей типов В, Г и Д, пористого и высокопористого асфальтобетона |
0,98 |
||||
|
для асфальтобетона из холодных смесей |
0,96 |
||||
|
Сцепление шины автомобиля с поверхностью покрытия (факультативно) |
По проекту. |
Прибором типа ПКРС |
- |
5 измерений на 1 км полосы движения |
|
|
Ровность поверхности покрытия (факультативно) |
По проекту. |
Прибором типа ПКРС |
- |
25-30 % длины участка. Длина захваток 300-400 м |
|
|
Шероховатость поверхности покрытия |
Минимальная средняя глубина впадин при коэффициенте сцепления: |
Прибором «Песчаное пятно» |
25 измерений на 1 км полосы движения |
5 измерений на 1 км полосы движения |
|
|
0,28-0,3 |
0,35 |
||||
|
1 мм |
1,8 мм |
||||
|
Монолитные цементобетонные покрытия и основания |
|||||
|
Высотные отметки по оси дороги |
±5 см (±1 см)*, не более 10 % измерений до ±10 см (±2 см)*. |
Геодезический |
Через 100 м |
Через 500 м |
|
|
Ширина слоя |
± 5 см, не более 10 % измерений от -7,5 см до +10 см. |
Рулеткой |
Через 100 м |
Через 500 м |
|
Продолжение таблицы 35.3
|
1 |
2 |
3 |
4 |
5 |
|
Толщина слоя |
±1,5 см (±1 см)*, не более 10 % измерений от -2,2 см (1,5)* до +3 см (2,0 см)*. |
Линейкой |
Через 100 м |
Через 500 м |
|
Ровность поверхности |
Просвет-зазор 5 мм (3 мм)*, не более 5 % измерений до 10 мм (6 мм)*. |
Под рейкой длиной 3 м в пяти точках, на расстоянии 0,5 м от концов и друг от друга. На расстоянии 0,5-1 м от кромки слоя и края полосы движения. |
Через 10 м |
На 10 % длины участка. Длина захватки 300-400 м. 100-130 измерений |
|
Ровность поверхности для дорог I, II и III категорий: |
Алгебраическая разность высотных отметок через 5 м; 10 м; 20 м |
Геодезический с шагом нивелирования 5 м. На расстоянии 0,5-1 м от кромки слоя и края полосы движения. Расчетный через 5, 10 и 20 м между тремя смежными точками Н1, Н2, Н3: 1/2(H1 + H3) - H2 |
- |
На 10% длины участка. Длина захватки 300-400 м. 50-60 измерений в одну линию |
|
без применения автоматики задания отметок |
7 мм; 12 мм; 24 мм |
|||
|
с применением автоматики задания отметок |
5 мм; 8 мм; 16 мм |
|||
|
для дорог других категорий |
10 мм; 16 мм СНиП 3.06.03-85 |
|||
|
Поперечный уклон |
±0,01 (±0,005)*, не более 10 % измерений от -0,015 до +0,03 (от -0,01 до +0,015)*. |
Рейкой с уровнем |
Через 10 м |
На 10 % длины участка. Длина захватки 300-400 м. 80-100 измерений в одну линию |
|
Разница в уровне поверхности в швах |
До 3 мм (2 мм)*, не более 20 % измерений до 10 мм (7 мм)*. |
Зазор-просвет под рейкой. На расстоянии 0,5 м от кромки края покрытия и полосы движения |
На всех швах |
На 10 % швов. Длина захватки 300-400 м |
|
Режим приготовления смеси |
По паспорту завода-изготовителя. |
Визуально на пульте управления |
Постоянно |
- |
|
Показатель удобоукладываемости смеси и объем вовлеченного воздуха |
По проекту. |
Лабораторный |
1 раз в смену |
- |
|
Концентрация растворов химических добавок |
По подбору состава смеси. |
По приборам |
1 раз в смену |
- |
|
Прочность бетона на ЦБЗ |
По проекту. |
Лабораторный |
1раз в смену по 3 образцам-баночкам |
- |
|
Влажность заполнителей на ЦБЗ |
Для корректировки подачи воды. |
Лабораторный |
При выпадении осадков |
- |
|
Качество смеси, песка и гравия |
При изменении качества смеси. |
Лабораторный |
При изменении качества смеси |
- |
|
Морозостойкость бетона |
Контрольный. |
Лабораторный ГОСТ 10060.1-95 |
1 раз в квартал |
- |
|
Правильность установки копирных струн и рельс-форм |
±1 см, не более 10 % измерений до ±2 см |
Геодезический |
Через 10 м |
- |
|
Правильность установки арматуры и прокладок |
По проекту. |
Рулетка, линейка |
На всех швах |
- |
Продолжение таблицы 35.3
|
1 |
2 |
3 |
4 |
5 |
||
|
Соблюдение режимов бетонирования, устойчивость боковых кромок, нарезки и герметизации швов, оплошность поверхности, качество ухода за бетоном |
По технологической карте. |
Визуально |
Постоянно |
- |
||
|
Прочность, удобоукладываемость и морозостойкость бетона |
По проекту. |
Лабораторный. ГОСТ 10060.8-95 |
1 раз в смену по 3 образцам-балочкам |
- |
||
|
Ровность поверхности покрытия с использованием скоростных приборов |
По проекту. |
Прибор типа ПКРС |
- |
25-30 % длины участка. Длина захваток 300-400 м |
||
|
Шероховатость поверхности покрытия |
Минимальная средняя глубина впадин (мм) при коэффициенте сцепления: |
Прибором «песчаное пятно». |
25 измерений на 1 км полосы движения |
5 измерений на 1 км полосы движения |
||
|
0.28-0,3 |
0,35 |
|
||||
|
0,5 мм |
1 мм |
|||||
|
Слои износа покрытия (поверхностная обработка, укладка литых эмульсионно-минеральных смесей) |
||||||
|
Шероховатость поверхности слоя износа |
Минимальная средняя глубина впадин (мм) при коэффициенте сцепления: |
Прибором «песчаное пятно». |
25 измерений на 1 км полосы движения |
5 измерений на 1 км полосы движения |
||
|
0,28-0,3 |
0,35 |
|
||||
|
1 мм |
1,8 мм |
|||||
|
Сцепление шины автомобиля с поверхностью поверхностной обработки |
По проекту. |
Прибором типа ПКРС |
- |
5 измерений на 1 км |
||
|
Температура битума: |
В пределах |
Термометром |
В каждом автомобиле |
- |
||
|
при вязкости 60/90, 90/130 |
130-160°С |
|
||||
|
при вязкости 130/200 |
100-130°С |
|||||
|
|
||||||
|
Температура эмульсии при температуре воздуха |
|
Термометром |
В каждом автомобиле |
- |
||
|
ниже 20°С |
В пределах 40-50°С |
|
||||
|
выше 20°С |
без подогрева
|
|||||
|
|
||||||
|
Состав эмульсионно-минеральных смесей и шламов |
По проекту. |
Лабораторный. |
1 раз в смену |
- |
||
|
Норма распределения щебня: |
В пределах (м3/100 м2) |
Взвешиванием с площадки 0,25 м2 |
1 раз в смену |
- |
||
|
при одиночной обработке и размере щебня, мм: |
|
|
||||
|
5-10 |
0,9-1,1 |
|||||
|
10-15 |
1,1-1,2 |
|||||
|
15-20 |
1,2-1,4 |
|||||
|
при двойной обработке и размере щебня, мм: |
|
|||||
|
15-20 |
1,1-1,3 |
|||||
|
5-10 |
0,7-1,0 |
|||||
|
|
||||||
|
Норма распределения битума: |
В пределах (л/м2) |
Взвешиванием с площадки 0,25 м2 |
1 раз в смену |
- |
||
|
при одиночной обработке и размере щебня, мм: |
|
|
||||
|
5-10 |
0,7-1,0 |
|||||
|
10-15 |
0,9-1,0 |
|||||
|
15-20 |
1,0-1,3 |
|||||
Продолжение таблицы 35.3
|
1 |
2 |
3 |
4 |
5 |
|
|
при двойной обработке и размере щебня, мм: |
|
|
|
|
|
|
15-20 |
0,9-1,1 |
||||
|
5-10 |
0,7-1,0 |
||||
|
|
|||||
|
Норма распределения эмульсии: при одиночной обработке и размере щебня, мм: |
В пределах (л/м2) при содержании битума |
Взвешиванием с площадки 0,25 м2 |
1 раз в смену |
- |
|
|
60 % |
50% |
||||
|
5-10 |
1,3-1,5 |
1,5-1,8 |
|||
|
10-15 |
1,5-1,7 |
1,8-2,0 |
|||
|
15-20 |
17-2,0 |
2,0-2,4 |
|||
|
при двойной обработке и размере щебня, мм: |
|
|
|||
|
15-20 |
1,5-1,8 |
1,8-2,2 |
|||
|
5-10 |
1,3-1,5 |
1,5-1,8 |
|||
|
|
|||||
|
Сцепление вяжущего с поверхностью зерен щебня |
По проекту. |
Лабораторный. |
1 раз в смену |
- |
|
|
Качество битума |
По проекту. |
Лабораторный. |
В каждой партии |
- |
|
|
Качество щебня (зерновой состав и содержание пыли и глины) |
По проекту. |
Лабораторный. |
1 раз в смену |
- |
|
|
Равномерность распределения щебня и вяжущего по поверхности |
По проекту. |
Лабораторный. Взвешиванием количества щебня и вяжущего на геотекстильной подкладке 0,25 м2 |
1 раз в месяц и при настройке |
- |
|
|
Обстановка и разметка дороги |
|||||
|
Точность установки стен и столбиков в плане |
±3 см |
Линейкой по шнуру |
Постоянно |
На 20 % длины участка |
|
|
Глубина ям под стойки и столбики |
±2 см |
Шаблоном |
Постоянно |
- |
|
|
Высота установки ограждений и знаков |
±1 см |
Шаблоном |
Постоянно |
На 20 % длины участка |
|
|
Волнистость ограждения в плане |
±3 см на длине 10 м |
Линейкой по шнуру |
10 % длины |
2 % длины |
|
|
Точность нанесения линий разметки в плане |
±3 см |
Мерной лентой |
10 % длины |
2 % длины |
|
|
Ширина линий разметки |
±3 мм |
Линейкой |
10 % длины |
2 % длины |
|
|
Прямолинейность линий разметки |
5 мм на длине 0,5 м |
Линейкой |
10 % длины |
2 % длины |
|
|
Водопропускные трубы, подземные переходы и скотопрогоны |
|||||
|
Ширина прогалин в насыпи |
Не менее 10 м и не менее 4 м от трубы до подошвы откоса. |
Рулеткой |
На каждом сооружении |
- |
|
|
Высотные отметки основания |
±5 см |
Геодезический по оси сооружения с учетом строительного подъема |
На каждом сооружении |
На каждом пятом сооружении |
|
|
Продольный уклон основания |
±0,0005 |
Геодезический по оси сооружения на входе и выходе |
На каждом сооружении |
На каждом пятом сооружении |
|
Окончание таблицы 35.3
|
1 |
2 |
3 |
4 |
5 |
|
Коэффициент уплотнения грунта в основании и в пазухах |
Не менее 0,95. |
Лабораторный в каждом слое засыпки по оси трубы и на расстоянии 0,6 и 1,0 м от стенок сооружения. |
На каждом сооружении |
На каждом пятом сооружении |
|
Влажность грунта в основании и используемого для засыпки: |
В пределах: |
Лабораторный. |
1 раз в смену |
- |
|
пески, супеси легкие |
0,7-1,4 |
|||
|
супеси пылеватые |
0,7-1,25 |
|||
|
супеси тяжелые |
0,85-1,15 |
|||
|
суглинки |
0,95-1,05 |
|||
|
Толщина слоев в засыпке при уплотнении: |
В пределах: |
Линейкой |
На каждом слое 1 проба |
- |
|
ручными виброплитами |
0,1-0,15 м |
|||
|
пневмокатками |
0,2-0,3 м |
|||
|
виброкатками |
0,4-0,45 м |
|||
|
Коэффициент уплотнения грунта в слое до 2 м над сооружением: |
Не менее |
Лабораторный |
На каждом слое 1 проба |
В верхнем слое 1 проба |
|
при высоте насыпи над сооружением, 8 м и более |
0,90 |
|||
|
при высоте насыпи над сооружением до 8 м |
0,95 |
|||
|
Толщина песчаной или песчано-цементной подушки |
Не менее 5 см. |
Линейкой |
Постоянно |
- |
|
Длина и ширина секций фундамента |
± 1 см |
Рулеткой |
На каждой трубе 3 секции |
- |
|
Уступы в рядах секций фундамента по высоте |
Не более 10 мм |
Линейкой |
50 % стыков |
- |
|
Относительное смещение смежных бетонных элементов в плане |
Не более 10 мм. |
Линейкой |
50 % стыков |
- |
|
Зазор между секциями фундамента и звеньями |
±5 мм |
Линейкой |
50 % стыков |
- |
|
Положение оси трубы в плане и по вертикали |
±30 мм |
Геодезический |
На каждом сооружении |
20 % труб |
|
Прочность цементно-песчаного раствора |
По проекту. |
Лабораторный. |
В каждом автомобиле |
- |
|
Подвижность цементно-песчаного раствора: |
Осадка конуса |
Лабораторный |
В каждом автомобиле |
- |
|
под фундамент и для горизонтальных швов |
6-8 см |
|||
|
для вертикальных швов |
11-13 см |
|||
|
для расшивки наружных швов |
2-3 см |
|||
|
|
Примечание. Цифры в графе 2 в скобках ()* - это допустимые отклонения при использовании машин, оснащенных автоматической системой задания вертикальных отметок поверхности слоя
Памяти коллеги,
д.т.н., проф. В.А. Семёнова
Д. Мепуришвили
Наиболее надежным при производстве дорожно-строительных работ является сплошной контроль качества, выполняемый исполнителем работ (самоконтроль), но такой контроль требует большого количества испытаний, и в реальных производственных условиях он практически не реализуем.
Учитывая данное обстоятельство на практике более широко применяется выборочный контроль. И хотя этот вид контроля был в достаточной степени регламентирован нормативно-техническими документами, он обладает рядом недостатков и не обеспечивает надлежащей надежности оценки качества.
Так, рост объемов строительства, увеличение протяженности эксплуатируемой дорожной сети, повышение требований к дорогам, расширение номенклатуры применяемых материалов, усложнение технологических процессов и другие причины требуют увеличения объема контроля. В то же время, осуществляя традиционный контроль, вынуждены увеличивать численность контролеров, что экономически нецелесообразно. Поэтому на практике весь контроль сводится к измерению нескольких параметров, данные по которым можно получить с минимальными трудозатратами.
Кроме того, существующие методы контроля не всегда дают достаточно достоверные результаты. В большинстве нормативных документов требуемое число измерений отдельных параметров при контроле качества равняется трем. Используя статистические данные по точности контроля отдельных параметров и их фактическую однородность, можно определить достоверность существующих методов контроля. Расчеты показали, что указанная достоверность находится в пределах 35-64 % для разных контролируемых показателей. Таким образом, в 65-36 % случаев контроль является недостоверным, что приводит к неверной оценке качества производимых работ.
Нормативные документы по контролю качества требуют измерения большого количества параметров. Так, например, при контроле качества земляного полотна необходимо контролировать порядка 20-ти параметров, слоя щебня - 10-ти, при строительстве асфальтобетонных покрытий - 19-42 параметра, при подборе составов и приготовлении смеси на АБЗ - 11-22 параметра. Учитывая необходимость ежедневного контроля, а также неоднократность измерений в течение смены всех параметров, объем проводимых измерений оказывается громадным и практически неосуществимым.
Анализ многочисленных отечественных и зарубежных исследований последних лет показал наличие значительной неоднородности измеряемых параметров в дорожном строительстве. Так, коэффициент вариации параметров, характеризующий их неоднородность, по модулям упругости доходил до следующих величин: дорожной одежды 0,17-0,94; слоя щебня - 0,30-0,94; слоя песка - 0,24-0,49; земляного полотна - 0,23-0,69; по толщине слоев асфальтобетона - 0,17-0,65; щебня - 0,10-0,46; песка - 0,31-0,40. Значительная неоднородность измеряемых параметров приводит к недостоверности результатов при существующих методах контроля. Так, если считать закон распределения измеряемой величины нормальным, а коэффициент вариации (Cv) принять равным только 0,2, то измеряемая величина (X) может находиться в следующих пределах:
Xmax = Xср (1+3Сv) = Xср (1+3×0,2) = 1,6Xср (36.1)
Xmin = Xср (1-3Cv) = Xср (1-3×0,2) = 0,4Xср
При традиционном контроле три измерения могут попасть или в зону малых значений измеряемой величины или в зону больших значений, в любом случае оценка качества будет неточной.
Многие официальные допуски по качеству не могут быть выполнены при современном уровне строительства. Для примера приведем данные по контролю качества толщины слоев. Согласно СНиП 3.06.03-85 [87], допустимые колебания толщины составляют ±10 %. Определим значение коэффициента вариации толщины, при котором будут выдержаны указанные требования. Используя формулу (36.1), получим
1,1×Хср = Хср (1+3Сv), где Сv = 0,033. (36.2)
По литературным данным, минимальное значение коэффициента вариации толщины слоя равняется 0,078, следовательно выдержать эти допуски не представляется возможным.
Неоперативность существующих методов контроля не всегда позволяет производить своевременно и быстро коррекции производственных процессов. Основные причины этого связаны с отсутствием или недостаточным количеством современных приборов, часто громоздкостью оборудования, длительным временем обработки результатов контроля и пр. После такого контроля обычно фиксируется брак, а сроки для принятия оперативных решений бывают уже упущенными.
Не имеется достаточно проработанных теоретических основ существующей оценки качества, отсутствуют единые критерии оценки, а также единый математический аппарат и пр. Так, согласно СНиП 3.06.03-85 дефектность для различных параметров принимается различной: 2, 5, 10 и 20 %. Аналогично максимальные отклонения параметров от допустимых также приняты различными: в 1,5; 2,0; 3,3 раза больше средних значений.
Одинаковые допуски для дорог 1-III категории обеспечивают разную доверительную вероятность контроля качества, что безусловно неверно. То же можно сказать о дорогах IV-V категорий. В допусках не оговорена требуемая однородность параметров, тогда как при разной однородности процент брака будет различным. В качестве примера определим процент брака для ровности асфальтобетонного покрытия при среднем значении просвета под рейкой - 2 мм и допустимом значении - 5 мм: при коэффициенте вариации Сv = 0,6 - дефектность составит 2,5 %, при Сv = 0,8 - 6 %; при Сv = 1,0 - 9 %; при Сv = 1,2 - 11 %. СНиП 3.06.03-85 оговаривает лишь 5 % дефектности.
В заключение приведем простой пример, показывающий некорректность существующей оценки ровности (аналогичные примеры можно привести и по другим параметрам).
Пусть произведены замеры ровности на двух участках. Участок 1 имел просветы под рейкой, равные: 0 мм в 20 случаях, 1 мм - в 22; 2 мм - в 15; 3 мм - в 10; 4 мм - в 5; 5 мм - в 4; 7 мм - в 3 и 10 мм в одном случае (дефектность 5 %).
Участок 2 имел просветы под рейкой равные: 0 мм в 5 случаях; 1 мм - в 7; 2 мм - в 3; 3 мм - в 15; 4 мм - в 20; 5 мм - в 26; 7 мм - в 3 и 10 мм в одном случае (дефектность 5 %).
Согласно СНиП 3.06.03-85 эти два участка имеют одинаковую оценку, хотя совершенно очевидно, что ровность первого участка лучше.
Действующие нормативно-технические документы заранее определяют места проведения испытаний, что заставляет исполнителей работ уделять усиленное внимание именно тем местам, которые будут подвергаться контролю, а не всей дороге. Так, контроль плотности по полосе наката (1,5 м от кромки) часто приводит к недостаточному уплотнению кромок и центра покрытия.
При использовании традиционного контроля отсутствует четкая специализация между отдельными службами. Как известно производственный контроль в дорожном строительстве подразделяется на три вида: входной, операционный и приемочный. Входной контроль, как правило, возлагается на службу производственно-технической комплектации. Операционный контроль должны выполнять лаборанты, производители работ и мастера, а также исполнители работ в форме самоконтроля. Приемочный контроль выполняется заказчиками и приемочными комиссиями.
Наиболее ответственным и трудоемким видом контроля является операционный. Именно от того как четко будет организован контроль на стадии производства работ, зависит будущее качество дороги. Специализация различных служб при проведении операционного контроля позволит существенно сократить его объем, высвободить значительное количество контролеров и при этом обеспечить повышение качества выполняемых работ. Возможность такой специализации будет рассмотрена в разделе 36.6.
Существенной помехой в организации контроля качества является различная квалификация персонала, осуществляющего контроль. Результаты испытания одного и того же материала в определенной мере зависят от профессионального уровня контролеров. В этой ситуации, видимо, необходимо проводить систематическое повышение квалификации персонала лабораторных служб и обеспечить периодическую аттестацию их знаний.
Перечисленные выше факторы указывают на необходимость перехода на новые методы контроля - более достоверные и менее трудоемкие. К таким методам относятся статистические методы контроля качества. При этом следует помнить, что несмотря на кажущуюся сложность, статистические методы являются в достаточной степени простыми, надежными, экономически выгодными и, что самое главное, не приводят к увеличению объема контроля, а наоборот часто значительно его сокращают, чем разумеется облегчают работу лабораторий и расширяют охват контролем. Эти методы создают условия для более объективной оценки качества и совершенствования организации службы контроля качества.
Контроль качества в дорожном строительстве имеет значительное отличие от контроля качества в других областях применения. Основные отличия связаны с линейностью объектов, разнообразием номенклатуры измеряемых параметров, значительной изменчивостью показателей во времени и по координатам, трудностью измерения большинства параметров.
В этой связи одной из актуальнейших проблем контроля качества в дорожном строительстве является разработка единого математического аппарата для контроля всего многообразия параметров, характеризующих качество автомобильной дороги. В настоящем разделе дается обоснование и развивается теоретический аппарат метода статистического контроля качества, применимого для контроля любого параметра дороги и ее конструктивных элементов.
В результате многолетних работ по контролю качества дорожного строительства в различных регионах России был сделан важный вывод, связанный с определением неоднородности контролируемых параметров, а также оценена неоднородность различных параметров дорожной одежды и земляного полотна. Результаты оценки показали, что неоднородность параметров в дорожном строительстве в несколько раз выше, чем в других отраслях. Так, неоднородность стали редко доходит до значений коэффициента вариации 0,05, в то же время для автомобильных дорог эти значения колеблются в пределах 0,01-2,2, то есть могут быть выше до 44 раз. Наибольшие значения коэффициентов вариации соответствуют механическим свойствам материалов, а также их геометрическим размерам. В значительно меньшей степени неоднородность присуща физическим свойствам материалов.
Ниже приведены опытные данные по коэффициентам вариации (табл. 36.1-36.3).
Таблица 36.1
Распределение коэффициентов вариации различных параметров
|
Измеряемый параметр |
Коэффициенты вариации |
||||||||
|
0,0-0,1 |
0,1-0,2 |
0,2-0,3 |
0,3-0,4 |
0,4-0,5 |
0,5-0,6 |
0,6-0,7 |
0,7-0,8 |
0,8-0,9 |
|
|
Частота появления различных значений коэффициентов вариации, % |
|||||||||
|
Упругая деформация асфальто- |
1,8 |
17,8 |
33,9 |
28,6 |
12,5 |
1,8 |
1,8 |
1,8 |
- |
|
Толщина асфальтобетонного слоя |
2,7 |
46,0 |
29,7 |
13,5 |
5,4 |
2,7 |
- |
- |
- |
|
Упругая деформация слоя |
0 |
14,3 |
14,3 |
14,3 |
28,6 |
28,5 |
- |
- |
- |
|
Ровность слоя щебня, обработанного битумом |
- |
- |
- |
11,1 |
11,1 |
22,2 |
55,6 |
- |
- |
|
Толщина слоя щебня, обработанного битумом |
20,0 |
20,0 |
60,0 |
- |
- |
- |
- |
- |
- |
|
Упругая деформация слоя щебня |
- |
- |
28,6 |
21,4 |
28,6 |
14,3 |
- |
- |
7,1 |
|
Толщина слоя щебня |
- |
33,3 |
11,1 |
44,4 |
11,2 |
- |
- |
- |
- |
|
Упругая деформация слоя песка |
- |
- |
66,7 |
33,3 |
- |
- |
- |
- |
- |
|
Толщина слоя песка |
- |
12,5 |
25,0 |
25,0 |
12,5 |
12,5 |
12,5 |
- |
- |
|
Упругая деформация грунта |
- |
6,2 |
18,8 |
18,8 |
24,9 |
12,5 |
18,8 |
- |
- |
|
Температура асфальтобетонной смеси |
30,0 |
60,0 |
8,3 |
1,7 |
- |
- |
- |
- |
- |
|
Толщина слоя песчано-гравийной смеси |
10,3 |
48,3 |
27,6 |
13,8 |
- |
- |
- |
- |
- |
Таблица 36.2
Распределение коэффициентов вариации плотности и ширины слоев
|
Измеряемый параметр |
Коэффициенты вариации |
||||||
|
0,01-0,02 |
0,02-0,03 |
0,03-0,04 |
0,04-0,05 |
0,05-0,06 |
0,06-0,07 |
0,08-0,09 |
|
|
Частота появления различных значений коэффициентов вариации, % |
|||||||
|
Ширина полосы асфальтобетона |
11,1 |
55,6 |
11,1 |
11,1 |
11,1 |
- |
- |
|
Ширина проезжей части |
35,3 |
41,1 |
5,9 |
5,9 |
0 |
5,9 |
5,9 |
|
Плотность асфальтобетона |
5,8 |
6,7 |
8,3 |
16,7 |
24,9 |
29,2 |
8,4 |
Таблица 36.3
Распределение коэффициентов вариации ровности
|
Измеряемый параметр |
Коэффициенты вариации |
|||||
|
0,4-0,6 |
0,6-0,8 |
0,8-1,0 |
1,0-1,2 |
1,2-1,4 |
1,4-2,0 |
|
|
Частота появления различных значений коэффициентов вариации, % |
||||||
|
Ровность слоя асфальтобетона |
8,9 |
28,9 |
35,6 |
13,3 |
8,9 |
4,4 |
|
Ровность поверхности земляного полотна |
12,5 |
37,5 |
37,5 |
12,5 |
- |
- |
Обработка экспериментальных данных по контролю качества конструктивных слоев дорожной одежды дала следующие значения коэффициентов вариации различных параметров (табл. 36.4).
Из табл. 36.1-36.4 видно, что коэффициенты вариации различных параметров колеблются в широких пределах от 0,0 до 2,0. Даже для одного параметра колебания коэффициентов вариации доходят до 5-10 раз. Следовательно, неучет однородности параметров может привести к принципиальным ошибкам в оценке качества строительства.
Таблица 36.4
Сводные данные по однородности измеряемых параметров
|
Наименование слоя и контролируемые параметры |
Значения коэффициентов вариации |
||
|
минимальные |
средние |
максимальные |
|
|
Верхний слой асфальтобетона |
|
|
|
|
прогибы |
0,173 |
0,383 |
0,030 |
|
ровность |
0,535 |
0,844 |
1,671 |
|
толщина |
0,171 |
0,276 |
0,649 |
|
ширина |
0,020 |
0,029 |
0,049 |
|
температура укладки |
0,540 |
0,083 |
0,095 |
|
Нижний слой асфальтобетона |
|
|
|
|
прогибы |
0,216 |
0,314 |
0,511 |
|
ровность |
0,537 |
0,767 |
0,971 |
|
толщина |
0,174 |
0,241 |
0,317 |
|
ширина |
0,010 |
0,035 |
0,055 |
|
Щебень |
|
|
|
|
прогибы |
0,296 |
0,512 |
0,942 |
|
ровность |
0,426 |
0,595 |
0,704 |
|
толщина |
0,105 |
0,233 |
0,463 |
|
Песок |
|
|
|
|
прогибы |
0,237 |
0,395 |
0,488 |
|
толщина |
0,314 |
0,345 |
0,400 |
|
Грунтовое основание |
|
|
|
|
прогибы |
0,230 |
0,463 |
0,688 |
|
ровность |
0,760 |
0,844 |
0,914 |
По результатам контроля качества получены осредненные значения коэффициентов вариации различных параметров, необходимые для расчета требуемого количества измерений.
Принципиальное значение для обоснования математического аппарата контроля качества имеет закон распределения случайной величины (значений толщины, ширины, ровности и т.п.). Все классические методы контроля качества базируются на законе нормального распределения, то есть симметричного закона. Однако даже беглый анализ данных контроля (см. табл. 36.1-36.3) говорит о том, что распределение многих параметров дороги не может подчиняться этому закону.
В частности, исследования показали, что для упругих деформаций дорожных одежд при значительных коэффициентах вариации (более 0,33) лучшие результаты дает закон Вейбулла. При меньших значениях коэффициентов вариации несколько лучшие результаты дает нормальный закон, хотя закон Вейбулла в 38 случаях из 100 также дает лучшие результаты.
Аналогичное сопоставление было проведено и для других параметров дорожной одежды и земляного полотна. Результаты обработки экспериментальных данных (рис. 36.1) показывают, что распределение толщин слоев, ровности, упругих деформаций во многих случаях несимметричное, поэтому не может быть описано нормальным законом распределения.
Было предложено использовать в контроле качества дорожного строительства закон распределения Вейбулла с переменными параметрами. Математическая запись этого закона при двух параметрах имеет вид
где (36.3)
f(x) - плотность распределения случайной величины X;
λ0 - параметр масштаба;
k - параметр формы.
Для определения параметров распределения можно использовать формулы
(36.4)
где (36.5)
и М(Х) -
коэффициент вариации и математическое ожидание (среднее значение) измеряемой
величины;
Г - гамма-функция.
По
найденным при измерении значениям
и М(Х) нетрудно
рассчитать величины параметров k, λ0.
Анализ формул (36.3-36.5) показал, что законом Вейбулла с переменными параметрами можно описать любые экспериментальные данные, так как при К = 1 этот закон превращается в экспоненциальный, которым можно аппроксимировать данные контроля, например, ровности, при К ³ 4 он превращается в нормальный закон, что позволяет использовать его для описания законов распределения плотности, толщин слоев, упругих деформаций, ширины и т.п.

Рис. 36.1. Аппроксимация экспериментальных данных теоретическими законами распределения случайных величин:
а - упругие деформации при высокой однородности; б - то же при низкой однородности; в - ровность при значении коэффициента вариации 1; г - то же при значении коэффициента вариации 0,8; д - толщина слоя асфальтобетона; е - толщина слоя щебня
Следовательно, появилась возможность разработать единый расчетный аппарат для любых параметров дороги.
Экстремальные (крайние) значения контролируемых параметров могут быть рассчитаны по следующим формулам
(36.6)
где (36.7)
Р - доверительная вероятность;
k - коэффициент формы;
z1, z2 - коэффициент перехода от среднего к экстремальным значениям;
Хcр - среднее значение параметра.
По полученным формулам построена расчетная номограмма (рис. 36.2), по которой можно определить экстремальные значения контролируемой величины при определенной доверительной вероятности.
Для определения количества выходов измеряемой величины за какой-либо допуск находится показатель дефектности - Д
где (36.8)
m - число измерений, выходящих за пределы допуска;
n - общее число измерений при контроле.

Рис 36.2. Номограмма для определения значений z1 и z2 (римскими цифрами на кривых обозначены категории дорог):
а - для малых значений Cv; б - для больших значений Cv.
Чтобы определить показатель дефектности для закона Вейбулла с переменными параметрами можно воспользоваться схемой, изображенной на рис. 36.3.

Рис. 36.3.. Схема определения показателя дефектности для закона Вейбулла
При ограничении величины справа (по максимальному значению) показатель дефектности находится следующим образом
(36.9)
Используя формулу (36.5), преобразуем выражение (36.9)
где (36.10)
(36.11)
[X] - допустимое значение контролируемого параметра, определяемое по нормативным документам;
М(Х) - математическое ожидание контролируемого параметра.
Аналогично находится дефектность при ограничении слева (по минимальному значению).
По полученным формулам построена расчетная номограмма (рис. 36.4), с помощью которой можно определить дефектность контролируемого параметра.
(36.12)
(36.13)

Рис. 36.4. Номограмма для определения значения показателя дефектности и оценки качества для контролируемого параметра
Имеется много разных способов упрощенного подсчета статистических характеристик. Достаточной точностью обладает способ их определения по медиане и размаху. С этой целью измеренные величины выстраиваются в ранжированный ряд по возрастающим значениям. Крайние члены проверяют на принадлежность ряду. Для этого находят критерии τ для минимальных и максимальных значений параметра в ряду и сравнивают их с табличными значениями критерия τкр (табл. 36.5).
(36.14)
Если значение τ больше τкрит , то крайний член ряда отбрасывают и получают улучшенный ряд. При необходимости проверяют крайние члены полученного улучшенного ряда до тех пор, пока фактические значения критерия τ не станут меньше τкрит.
Для еще большего упрощения улучшение ряда производят простым отбрасыванием минимального и максимального значений ряда. В этом случае имеется, хотя и небольшая, вероятность сохранения в ряду «сомнительного» значения измеряемого параметра.
По упрощенной методике математическое ожидание измеряемой величины находится как медиана улучшенного ряда. Так, если в ряду осталось 13 членов, то медианным значением будет седьмой член ряда. Если число членов ряда четное (например 14), то медиана находится как полусумма 7 и 8 членов ряда.
Таблица 36.5
Критические значения критерия τ
|
Число членов ряда |
τкрит |
Число членов ряда |
τкрит |
Число членов ряда |
τкрит |
|
4 |
0,9555 |
11 |
0,45 |
24 |
0,309 |
|
5 |
0,807 |
12 |
0,428 |
26 |
0,299 |
|
6 |
0,689 |
14 |
0,395 |
28 |
0,291 |
|
7 |
0,61 |
16 |
0,369 |
30 |
0,283 |
|
8 |
0,554 |
18 |
0,349 |
40 |
0,279 |
|
9 |
0,512 |
20 |
0,334 |
50 |
0,276 |
|
10 |
0,477 |
22 |
0,320 |
70 |
0,274 |
Коэффициент вариации по упрощенной методике находится как:
где (36.15)
t - коэффициент нормированного отклонения (табл. 36.6), принимаемый в зависимости от доверительной вероятности или категории дороги, числа испытаний и вида ограничений.
Приведенная формула
действительна для параметров с малыми значениями коэффициентов вариации - до
0,2 (таких как плотность, ширина, толщина слоев и т.п.). Для параметров с
коэффициентами вариации более 0,2 (таких как ровность, водонасыщение, модуль
упругости и т.п.) значение
целесообразно определять по рис. 36.2. С
этой целью находится величина коэффициента z2 по формуле
z2 = Xmax/Xср, (36.16)
а затем по рис. 36.2 для соответствующей категории дороги находится коэффициент вариации. По номограмме на рис. 36.2 можно определять и малые значения коэффициентов вариации. При использовании данных из табл. 36.6 следует иметь в виду, что одностороннее ограничение накладывается на измерение плотности упругих деформаций, ровности и др., двустороннее ограничение - на толщину и ширину слоев и др.
При составлении табл. 36.6 приняты следующие значения доверительной вероятности, установленные в результате обобщения опубликованных данных: для дорог I-II технических категорий - 0,95, для III-IV - 0,90, для V - 0,85.
Данный метод учитывает специфику дорожного строительства и является общим для измерения любых параметров дороги.
Таблица 36.6
Значение нормируемого отклонения t
|
Число членов улучшенного ряда |
Значение t при одностороннем ограничении параметра для категорий дороги |
|||
|
|
- |
I-II |
III-IV |
V |
|
4 |
4,54 |
3,18 |
2,35 |
1,64 |
|
6 |
3,36 |
2,57 |
2,01 |
1,48 |
|
8 |
3,00 |
2,37 |
1,90 |
1,41 |
|
10 |
2,82 |
2,26 |
1,83 |
1,38 |
|
12 |
2,72 |
2,20 |
1,80 |
1,36 |
|
14 |
2,65 |
2,16 |
1,77 |
1,35 |
|
16 |
2,60 |
2,13 |
1,75 |
1,34 |
|
18 |
2,57 |
2,11 |
1,74 |
1,33 |
|
20 |
2,54 |
2,09 |
1,73 |
1,32 |
|
26 |
2,49 |
2,06 |
1,71 |
1,32 |
|
30 |
2,46 |
2,04 |
1,70 |
1,31 |
|
40 |
2,42 |
2,02 |
1,68 |
1,30 |
|
60 |
2,39 |
2,00 |
1,67 |
1,30 |
|
- |
I-II |
III-IV |
V |
- |
|
Значение t при двустороннем ограничении параметра для категории дороги |
||||
Одним из недостатков традиционных методов контроля качества является отсутствие единого критерия оценки качества СНиП 3.06.03-85. В описываемой методике таким единым критерием является показатель дефектности. Он выражает главную цель контроля - определяет размер брака в продукции. Данный критерий широко используется в других отраслях, а также в зарубежных странах.
Определить этот критерий для любого параметра дорожной одежды легко по расчетной номограмме (рис. 36.4).
Однако при балльной оценке качества возникает вопрос о проценте брака, соответствующем той или иной оценке. Эта задача сугубо технико-экономическая, однако величина показателя дефектности может пересматриваться при изменении требований к дорогам или условий ее строительства, что вносит определенную гибкость в указанный критерий.
В первом приближении предлагается использовать балльную оценку качества выполнения отдельного параметра в зависимости от показателя дефектности по данному параметру, которая применяется в промышленно-гражданском строительстве. Указанная зависимость представлена в табл. 36.7 п. 1.
Таблица 36.7
Балльная оценка качества работ
|
№ п/п |
Показатели |
Оценка качества |
||
|
отлично |
хорошо |
удовлетворительно |
||
|
1. |
Показатель дефектности |
0,000-0,050 |
0,051-0,100 |
0,101-0,180 |
|
2. |
Комплексный показатель Р |
5,00-4,51 |
4,50-3,51 |
3,50-3,00 |
|
3. |
Комплексный показатель Рад |
5,00-4,51 |
4,50-3,76 |
3,75-3,00 |
Предлагаемая балльная оценка является достаточно жесткой, но вполне выполнимой в современных производственных условиях. Так, оценка качества строительства дорог по предложенной методике в 11 областях Российской Федерации в 16 % дала отличные результаты, в 35 % - хорошие, что в целом соответствует сложившемуся в дорожном строительстве уровню качества.
При балльной оценке конструктивных элементов дороги возникает вопрос о совместимости различных оценок по отдельным параметрам. Так, при оценке качества слоя земляного полотна наибольшую значимость (важность) имеет его плотность, тогда как геометрические параметры слоя являются менее значительными. Данное обстоятельство учитывается в СНиП 3.06.03-85 (приложение 2: «Оценка качества строительно-монтажных работ при строительстве автомобильных дорог»).
Согласно этому документу, выводя общую оценку по каждому слою или элементу дорожной конструкции, балльную оценку отдельных параметров необходимо приводить к единому комплексному показателю. Из литературы известно несколько способов нахождения комплексных показателей, но общепринятым в дорожном строительстве является осреднение балльных оценок с учетом каждого элемента или параметра по формуле
где (36.17)
Р - количественный показатель качества работ;
Оi - оценка качества устройства i-того конструктивного элемента или параметра;
αi - коэффициент значимости;
n - количество учитываемых элементов или параметров.
Значение коэффициентов значимости конструктивных элементов дорожных одежд и характерных дорожно-строительных работ были определены путем экспертного опроса и статистической обработки этих данных, проведенных в среде научных работников и опытных работников производства.
Вместе с тем, анализ данного положения привел к следующему выводу: введение коэффициентов значимости по каждому контролируемому параметру при всей их обоснованности, существенно загромождает подсчет комплексных показателей. Это в свою очередь приводит к некорректному отношению к данному расчету со стороны лиц, занимающихся контролем, что безусловно сказывается на точности самой оценки.
Учитывая, что коэффициенты значимости собственно наиболее дорогих конструктивных элементов дорожной одежды мало отличаются (находятся в пределах 0,9-1,0), комплексные показатели качества отдельных видов работ, слоев и конструктивных элементов можно рассчитывать как среднее арифметическое от балльных оценок соответствующих параметров, то есть по формуле
(36.18)
При этом сопоставительный расчет по формулам (36.17) и (36.18) показал, что точность расчета оценки во втором случае снижается очень незначительно, тогда как объем расчетов уменьшается существенно.
В обоих случаях оценку качества в зависимости от значения комплексного показателя качества устанавливают по табл. 36.7 п. 2.
В расчетах формулу (36.18) можно заменять на формулу
где (36.19)
N5, N4, N3 - количество видов работ или параметров, получивших оценки соответственно 5, 4 и 3.
При приемке и оценке качества законченного конструктивного элемента дороги приходится иметь дело в основном с многослойными конструкциями (основания, покрытия), отдельные слои которых были оценены ранее на стадии приемки скрытых работ. В этом случае оценку качества устройства многослойных оснований и покрытий устанавливают по значению комплексного показателя качества, который рассчитывается по формуле
где (36.20)
С1, С2,...,Сn - сметная стоимость устройства каждого слоя многослойных оснований и покрытий;
S1, S2,..., Sn - оценка качества устройства каждого слоя в баллах;
n - количество слоев.
При этом оценку качества в баллах определяют из табл. 36.7 п. 2.
Среднюю оценку качества устройства оснований или покрытий, состоящих из отдельных участков, построенных в разное время или в разных местах устанавливают по значению комплексного показателя качества, рассчитываемого по формуле
где (36.21)
L5, L4, L3 - протяженность принятых участков оснований или покрытий, получивших соответственно оценки «отлично», «хорошо», «удовлетворительно».
При этом оценку качества в баллах определяют также из табл. 36.7 п. 2.
Оценку качества законченной строительством автомобильной дороги или ее участка устанавливают по значению комплексного показателя качества, который рассчитывается по формуле
где (36.22)
S1, S2, S3, S4, S5, S6, S7 - соответственно средняя оценка качества в баллах подготовительных работ, устройства земляного полотна, основания дорожной одежды, покрытия дорожной одежды, искусственных сооружений, обстановки дороги, зданий и сооружений, входящих в комплекс автомобильной дороги;
α1, α2, α3, α4, α5, α6, α7, - соответствующие коэффициенты значимости, определенные в табл. 36.8;
РЭ - показатель эстетичности (его значение устанавливается приемочной комиссией в зависимости от качества отделочных работ и внешнего вида дороги в интервале от 0,1 до 0,3).
Зависимость оценки от значения РАД в этом случае устанавливается из табл. 36.7 п. 3.
Виды работ, конструктивные элементы и коэффициенты значимости, используемые при оценке качества работ по законченной строительством автомобильной дороге (участка), представлены в табл. 36.8.
Таблица 36.8
|
Виды работ и конструктивные элементы |
Коэффициент значимости |
|
Подготовительные работы |
0,5 |
|
Земляное полотно |
1,0 |
|
Основания дорожных одежд |
0,9 |
|
Покрытия дорожных одежд |
1,0 |
|
Искусственные сооружения |
0,9 |
|
Обстановка дороги |
0,7 |
|
Здания и сооружения, входящие в комплекс дороги |
0,6 |
Параметры по каждому конструктивному элементу и виду работ, используемые при оценке качества строительно-монтажных работ при строительстве автомобильных дорог, и условия их оценки представлены в табл. 36.12, размещенной в конце настоящей главы.
При наличии в составе принимаемого участка автомобильной дороги нескольких искусственных сооружений или зданий и сооружений, входящих в комплекс автомобильной дороги, среднюю оценку соответственно по группе однотипных сооружений определяют по значению комплексного показателя качества, рассчитываемого по формуле
где (39.23)
C1, C2,...,Cm - сметная стоимость строительства или ремонта каждого сооружения;
S1, S2,...,Sm - оценка качества соответствующего сооружения;
m - количество сооружений на принимаемом участке.
При этом оценку качества в баллах определяют по табл. 36.7 п. 3.
Как указывалось в разделе 36.1, при традиционных методах контроля необходимо производить большой объем измерений при четком предписании мест их проведения. Существенным отличием рассматриваемого способа определения объема контроля является независимость этого объема от охваченной контролем площади при достаточно высокой достоверности получаемых результатов. Размеры выборки (объема контроля) обосновываются на основании методов теории вероятностей, для чего используется формула Чебышева, имеющая после преобразований следующий вид
где (36.24)
n - необходимое число испытаний в выборке;
Сv - коэффициент вариации измеряемого параметра;
ρ - показатель точности измерения параметра;
t - нормируемое отклонение, которое определяется по табл. 36.6.
Анализ формулы (36.24) показал, что с увеличением неоднородности параметра (Cv) объем контроля резко возрастает. Это объясняется тем, что для разных категорий дорог должна иметь место разная степень достоверности контроля, а следовательно и размер выборки, то есть с повышением категории дороги увеличивается требуемое число испытаний.
Показатель точности измерения определяется по формуле
где (36.25)
∆ - допустимое отклонение среднего значения параметра или абсолютная ошибка метода измерения;
Хср - среднее значение измеряемой величины.
Чем меньше допуски по отклонению, тем больше становится размер выборки. Кроме того, показатель точности зависит как от метода измерения, так и применяемых приборов, поэтому в каждом конкретном случае этот показатель желательно устанавливать индивидуально, но, учитывая сложность этой работы, можно воспользоваться полученными в результате обобщения накопленных данных лабораторного контроля ориентировочными значениями ρ и Сv, представленными в табл. 36.9.
Таблица 36.9
Ориентировочные значения коэффициентов вариации и показателей точности оценки среднего значения параметров
|
Наименование показателя |
Коэффициент вариации Сv |
Показатель точности ρ |
|
Плотность грунта |
0,03 |
0,015 |
|
Плотность асфальтобетона |
0,03 |
0,010 |
|
Модуль упругости грунта |
0,30 |
0,100 |
|
Модуль упругости слоев дорожной одежды |
0,25 |
0,100 |
|
Толщина слоев дорожной одежды |
0,20 |
0,080 |
|
Ширина слоев |
0,10 |
0,050 |
|
Просвет под трехметровой рейкой |
0,80 |
0,200 |
|
Прочность при сжатии асфальтобетонных образцов |
0,10 |
0,050 |
|
Прочность при сжатии цементогрунтовых образцов |
0,15 |
0,050 |
|
Влажность грунта |
0,10 |
0,050 |
|
Сцепление и угол внутреннего трения в грунте |
0,10 |
0,050 |
|
Температура асфальтобетона |
0,18 |
0,030 |
Следует отметить, что при переходе на статистические методы контроля необходимо пересмотреть допуски на отдельные виды работ, что потребует значительных по объему исследований. В первом приближении возможно оставить существующие допуски по СНиП 3.06.03-85, несколько их преобразуя. Для примера рассмотрим установление допусков по толщине слоя. Как известно, современные нормы допускают отклонение толщины на ±10 %. Следовательно, при переходе на статистический метод контроля нужно поставить двухстороннее ограничение: слева - [X] = 0,9 Хср, справа - [X] = 1,1 Xср. При измерении ровности СНиП 3.06.03-85 ставит ограничение, например, для асфальтобетона 5 мм, причем дополнительно оговариваются два условия: просветов более 5 мм должно быть не более 5 % всех измерений и максимальный просвет не должен превосходить двойной величины допускаемого просвета, то есть 10 мм. Переходя на статистические ограничения возможно записать их в следующем виде. Допустимой принимается ровность, оцениваемая просветом под рейкой в 5 мм, определяется показатель дефектности для каждого измерения (например, он оказался равным 0,07) и сравнивается с допустимым выходом по СНиП 3.06.03-85 (0,07 и 0,05, то есть на 2 % выход больше допустимого). Кроме того, по рис. 36.2 определяется максимальное значение просвета под рейкой, которое сравнивается с ограничением Rmax £ 10 мм.
Приведенные примеры показывают порядок использования существующих допусков для статистического контроля качества.
Однако в дальнейшем необходимо уточнить допуски, так как некоторые из них не могут быть выполнены, или они не совсем корректны.
Так, опытные данные убедительно говорят, что допуски по толщине слоя не могут быть постоянными, как это принято сейчас, для всех толщин слоев. Для более тонких слоев необходимо ослабить допуск, для более толстых наоборот увеличить. Аналогично для толстых слоев материала можно ослабить требования к ровности нижележащего слоя, но увеличить их для более тонких слоев.
Некоторые нормативные требования могут быть использованы без изменения, так как уже сейчас они имеют статистические ограничения. К примеру, в СНиП 2.05.02-85 [86] для плотности грунтов установлены допуски не ниже определенного коэффициента уплотнения, что подразумевает естественный статистический разброс плотности.
Вторым важным аспектом подготовки контроля является планирование мест проведения измерений. Согласно положениям теории вероятностей, необходимая достоверность контроля будет достигнута лишь при случайном их выборе. То есть, при использовании статистических методов намечать точки контроля следует только произвольным образом, исключая при этом какой-либо порядок.
Для соблюдения принципа случайности можно использовать таблицу случайных чисел (табл. 36.10), с помощью которой ликвидируется всякая возможность проявления некорректности при назначении мест проведения испытаний.
Таблица 36.10
Случайные числа
|
86 |
51 |
59 |
07 |
95 |
66 |
15 |
56 |
55 |
81 |
23 |
32 |
94 |
37 |
75 |
78 |
02 |
64 |
34 |
56 |
|
69 |
18 |
60 |
33 |
93 |
42 |
50 |
29 |
92 |
24 |
88 |
95 |
55 |
37 |
58 |
91 |
64 |
11 |
88 |
67 |
|
41 |
68 |
64 |
21 |
63 |
85 |
18 |
13 |
89 |
76 |
33 |
18 |
17 |
26 |
64 |
53 |
80 |
70 |
06 |
07 |
|
86 |
52 |
24 |
71 |
71 |
88 |
05 |
98 |
93 |
42 |
67 |
24 |
80 |
90 |
82 |
12 |
31 |
19 |
03 |
60 |
|
72 |
58 |
79 |
30 |
00 |
89 |
68 |
87 |
84 |
16 |
27 |
55 |
99 |
95 |
28 |
14 |
48 |
05 |
09 |
61 |
|
52 |
45 |
24 |
24 |
99 |
33 |
34 |
68 |
39 |
35 |
79 |
13 |
09 |
04 |
10 |
45 |
42 |
07 |
77 |
57 |
|
76 |
77 |
39 |
75 |
26 |
27 |
15 |
66 |
64 |
47 |
25 |
73 |
13 |
75 |
25 |
16 |
28 |
76 |
61 |
81 |
|
04 |
82 |
58 |
21 |
34 |
80 |
31 |
77 |
51 |
20 |
45 |
80 |
47 |
50 |
01 |
70 |
49 |
21 |
02 |
74 |
|
87 |
13 |
38 |
47 |
78 |
45 |
86 |
32 |
45 |
20 |
19 |
92 |
50 |
49 |
25 |
07 |
82 |
47 |
60 |
44 |
|
84 |
75 |
45 |
46 |
17 |
38 |
13 |
26 |
42 |
94 |
15 |
21 |
84 |
92 |
86 |
89 |
57 |
14 |
29 |
03 |
При выборе мест проведения измерений с помощью табл. 36.10 можно руководствоваться следующим порядком:
1. Контролируемый участок разбивают на сто зон в зависимости от протяженности таким образом.
При протяженности контролируемого участка до 200-300 м независимо от ширины его разбивают на 20 равных участков по длине, каждый из которых делится на 5 частей в поперечном направлении.
При протяженности контролируемого участка более 300 м:
при ширине дороги до 7 м контролируемый участок разбивают на 100 равных участков по длине;
при ширине дороги от 7 до 14 м контролируемый участок разбивают на 50 равных участков по длине, каждый из которых делится пополам в поперечном сечении;
при ширине дороги более 14 м контролируемый участок разбивают на 33 равных участка по длине, каждый из которых делится на три участка в поперечном направлении.
2. Полученные зоны нумеруют двухзначными числами от 00 до 99 (для удобства это может быть выполнено на листе бумаги в клетку).
3. По таблице случайных чисел (табл. 36.10) произвольно выбирают первую пару чисел, а затем последовательно по ряду или столбцу берут следующие пары чисел, которые обозначают номера секций для измерений. Если некоторые выбранные пары (номера секций) совпадают, то их учитывают один раз, выбирая дополнительно еще одну пару чисел. Общее количество выбранных пар (секций) должно соответствовать необходимому числу измерений (для удобства выбранные секции отмечаются на подготовленном на бумаге плане, по которому составляется приблизительный маршрут контроля).
Пример назначения мест измерений с помощью таблицы случайных чисел
Предположим, что рассчитанный по формуле (36.24) объем контроля составляет n = 13. Произвольно по табл. 36.10 выбираем первую пару цифр, например, 13 (12-й столбец слева, 6-й ряд сверху). Далее по строке выбираем еще 12 пар: 09, 04, 10, 45, 42, 07, 77, 57, 76, 77, 39, 75. Имеется одно повторение, следовательно, берем еще одну пару цифр - 26, а одно число 77 исключаем. На плане контроля отмечаем зоны, номера которых соответствуют выбранным парам. В намеченных зонах будет проводиться контроль качества.
Контроль качества по отдельному параметру осуществляют в любой точке каждой из намеченных зон. Результаты испытаний, как правило, фиксируют в заранее заготовленных ведомостях контроля, а затем подвергают статистической обработке. Формы ведомостей практически для всех контролируемых параметров, предусмотренных СНиП 3.06.03-85, приведены в приложениях «Правил приемки работ при строительстве и ремонте автомобильных дорог» (ВСН 19-89 / Минавтодор РСФСР. - М.: Транспорт, 1990. - 40 с).
Результаты контроля по каждому в отдельности контролируемому параметру (плотности, ровности, ширине и т.п.) обрабатывают следующим образом.
Полученные результаты контроля располагают по степени их возрастания в ранжированный ряд (начиная с меньшего).
Проверяют сомнительные крайние значения ранжированного ряда на принадлежность к ряду, то есть выясняют не являются ли эти значения случайными выбросами относительно совокупности случайных результатов.
Для этого по формулам (36.14) рассчитывают значения критерия τф для минимального и максимального «сомнительных» значений и затем сравнивают их с критическим значением критерия τкрит, которое определяют по табл. 36.5 в зависимости от числа членов ряда, то есть объема выборки, рассчитанного по формуле (36.24). Если τф > τкрит, то «сомнительное» значение измеряемого параметра отбрасывают, получают улучшенный ряд.
Как указывалось в разделе 2 допускается более простой способ улучшения ряда - простое отбрасывание максимального и минимального значений ряда.
После этого определяют среднее арифметическое улучшенного ряда либо по точной формуле (36.12), либо приближенное, как медиану ряда, то есть выбирается значение, соответствующее среднему члену ряда при нечетном числе членов ряда или среднему арифметическому двух средних членов ряда при четном числе членов ряда.
Затем определяют коэффициент
вариации либо по точной формуле (36.13), либо упрощенным способом: для
параметров с малыми значениями коэффициента вариации до 0,2 (табл. 36.9) - по
формуле (36.15), а для параметров с большими значениями (табл. 36.9)
коэффициента вариации (более 0,2), по формуле (36.16) определяют значение Z2, а затем, используя рис. 36.2, по значению Z2 для данной категории дороги определяют значение
.
Далее определяют относительный показатель допуска по формуле (36.11).
По полученным значениям R и
по номограмме (рис.
36.4) с учетом ограничений по контролируемому параметру определяют значение
показателя дефектности или оценку качества в баллах, зависимость между которыми
представлена в табл. 36.7 п. 1.
Если оценка качества по данному параметру оказалась «неудовлетворительно» (показатель дефектности больше 0,180), проконтролированный участок делят на три равных по длине части, которые подвергаются аналогичному контролю. При этом учитываются результаты измерений ранее проконтролированных точек, оказавшихся в границах новых участков. Такое деление участков, получивших неудовлетворительную оценку, производится до тех пор, пока не будет локализован участок неудовлетворительного качества, подлежащий переделке или исправлению.
Итак, получив балльные оценки качества выполнения работ по каждому параметру, приступают к оценке качества отдельных слоев конструктивных элементов дорожной одежды, участков дороги и, в итоге, дороги в целом, в соответствии с методикой, изложенной в разделе 36.3. Разумеется, контроль и оценка производятся на всех этапах сдачи и приемки работ: при сдаче и приемке выполненных работ от бригады к бригаде, при приемке скрытых работ и ответственных конструкций, при сдаче работ заказчику и, наконец, при приемке объекта в эксплуатацию государственной приемочной комиссией. Таким образом, получаемые на каждом этапе оценки фиксируются в соответствующих документах, а затем используются в расчетах оценок последующих этапов приемки. Безусловно эти оценки могут проверяться комиссиями на любом этапе.
Как было отмечено в разделе 36.1 важным фактором в организации контроля является его специализация. Опыт использования статистических методов контроля за рубежом указывает на целесообразность разделения операционного контроля на два этапа: настройку технологического процесса и текущий контроль.
Соответственно изменяется цель контроля. Так, при настройке технологического процесса основной целью является отработка оптимальных режимов работы механизмов и параметров технологического процесса на небольшом участке (так называемом эталонном участке). Цель текущего контроля - обеспечение точного соответствия в процессе производства работ параметров технологического режима, принятых при настройке.
В соответствии с выбранными целями определяется номенклатура контролируемых параметров, степень обеспечения приборами, частота контроля, уровень контролеров и т.п.
Настройку технологического процесса следует проводить тем же контролерам, которые будут осуществлять приемочный контроль, то есть контролерам, независимым от строительной организации - сотрудникам центральной лаборатории. Они должны быть оснащены всеми необходимыми приборами и оборудованием. Номенклатура измеренных при этом параметров должна соответствовать номенклатуре, установленной действующими нормативными документами, то есть являться довольно большой. Но частота проведения такого контроля, разумеется, не очень велика.
Текущий контроль должен производиться постоянно силами непосредственных исполнителей работ, реже лабораториями строительных организаций. Номенклатура контролируемых параметров при этом должна быть сведена к необходимому минимуму. Аналогично должны быть до предела упрощены методы контроля и сокращено использование различных приборов и оборудования.
Такое разделение функций позволяет существенно упростить контроль, сделав его одновременно более надежным.
Учитывая, что основными операциями технологических процессов являются уплотнение и обеспечение необходимых геометрических параметров, следует считать целесообразным на стадии текущего контроля измерять только эти параметры. Такая постановка вопроса позволит строителям обходиться простыми и надежными приспособлениями: часами, линейкой, рейками, нивелиром и без труда проводить контроль качества.
При настройке процесса номенклатура измерений должна быть такой, чтобы обеспечить соответствие получаемого конструктивного слоя требованиям нормативных документов.
Проведенный с учетом высказанных соображений анализ опытных и опубликованных данных позволил сформулировать номенклатуру основных параметров земляного полотна и дорожной одежды, необходимую для контроля на этапах настройки и текущего контроля (табл. 36.11).
Таблица 36.11
Номенклатура контролируемых параметров при операционном контроле
|
Наименование контролируемого параметра |
Наименование контролируемых параметров при операционном контроле |
|
|
настройка |
текущий контроль |
|
|
Земляное полотно |
h, γ, W, n, V, T |
h, V, T, R |
|
Песчаный слой |
h, γ, n, V, T |
h, V, T, R |
|
Щебеночные и гравийные слои |
h, γ, n, V, T |
h, V, T, R |
|
Грунтовые и каменные материалы, укрепленные вяжущими |
Q, h, γ, n, V, T |
Q, h, V, T, R |
|
Асфальтобетон |
h, γ, t, n, V, T |
h, t, V, T, R |
|
Цементобетон |
h, γ, tв, Ок,T |
h, tв, T, R |
где
Т - время уплотнения, мин;
h - толщина слоя, м;
Q - содержание компонентов, %;
t - температура материала, °С;
γ - плотность, г/см3;
W - влажность, %;
n - число проходов катка;
V - скорость катка, км/ч;
tв - температура воздуха, °С;
Ок - осадка конуса, см;
R - ровность, мм.
Для увеличения достоверности результатов контроля при настройке и в процессе проведения работ в этом случае также целесообразно использовать статистический метод, описанный в предыдущих разделах, в части планирования объема измерений, методики проведения контроля и статистической обработки его результатов.
При организации работ по настройке технологических процессов необходимо выполнить следующие работы подготовительного этапа:
выбрать эталонный участок, на котором будет производиться настройка;
подготовить необходимое оборудование и приборы;
определить количество измерений и наметить точки или места проведения контроля на эталонном участке в процессе настройки;
подготовить необходимые формы производственно-технической документации, в которые будут заноситься результаты контроля при настройке.
Эталонным участком называют слои земляного полотна, дорожной одежды или всей конструкции, на которых отрабатывают и тщательно устанавливают параметры технологических режимов производства работ, обеспечивающих соблюдение требований нормативно-технической и проектной документации.
При настройке используют следующие измерительные средства, приборы и оборудование:
секундомер для контроля времени работы уплотняющих машин и механизмов;
линейку длиной 50 см для контроля толщины слоев земляного полотна, оснований и покрытий;
штангельциркуль для контроля толщины асфальтобетонных покрытий;
термометр ртутный с диапазоном температур от 100° до 200°С для контроля температуры асфальтобетонной смеси;
термометр ртутный или спиртовой с диапазоном температур от -10° до +50°С для измерения температуры воздуха;
радиоизотопный гамма-плотномер для контроля плотности грунта в земляном полотне и асфальтобетона в покрытии;
прибор Ковалева (и при наличии радиоизотопный плотномер-влагомер) - для контроля плотности и влажности грунта в земляном полотне, а также плотности и содержания битума в асфальтобетоне при устройстве асфальтобетонного покрытия;
3-х метровая рейка для контроля ровности;
конус для контроля пластичности (жесткости) бетонной смеси;
рулетка на 20 м РЗ-20 для линейного контроля и другие приборы.
Количество и местоположение точек или мест проведения контроля целесообразно устанавливать в соответствии с рекомендациями раздела 36.4.
Процесс настройки представляет собой пробный технологический процесс, смоделированный на эталонном участке, в результате которого путем подбора переменных параметров и постоянного контроля показателей назначения (плотности, прочности и т.п.) устанавливают параметры технологического процесса, обеспечивающие соблюдение требований нормативно-технической и проектной документации относительно параметров назначения при имеющихся в наличии средств механизации.
Настройку технологических процессов устройства земляного полотна, оснований и покрытий производят в основном по показателям назначения, характеризующим прочностные свойства указанных конструкций (прочности, плотности и т.п.). Окончанием настройки служит момент, когда данные показатели достигают требований нормативно-технической и проектной документации.
Переменными параметрами при настройке являются такие, изменение которых влечет за собой изменение показателей назначения. К числу таких параметров относятся толщина отсыпаемого (укладываемого) слоя, время работы уплотняющих машин, скорость их движения, количество проходов по одному следу, температура смесей и т.п.
Установленные в процессе настройки параметры технологического процесса фиксируются в акте настройки, который подписывается лицами, производившими настройку, и передается исполнителю работ.
При настройке соблюдается следующий порядок:
на выбранном эталонном участке отсыпается или укладывается слой соответствующего конструктивного элемента (земляного полотна, основания, покрытия) заданной толщины. В целях ускорения процесса настройки на эталонном участке можно устроить несколько более мелких участков с разными толщинами слоев. Например, при устройстве эталонного участка слоя земляного полотна на нем можно устроить три участка с толщинами отсыпки 20, 25 и 30 см, которые затем одновременно будут уплотняться проходами одних и тех же уплотняющих машин;
производится уплотнение эталонного участка имеющимся составом уплотняющих машин. При этом контролируется количество проходов машин по одному следу и фиксируется скорость движения;
сначала через четыре, а затем через каждые два прохода осуществляется контроль показателей назначения (плотности, прочности и т.п.). При стабилизации значений этих показателей, то есть когда в результате двух последовательных циклов измерения получаются одинаковые или мало отличающиеся значения контролируемых параметров, уплотняющая машина заменяется более тяжелой. Если в результате контроля получено, что значение контролируемого параметра достигло требований СНиП, то процесс уплотнения прекращают;
полученные числа и скорости проходов, порядок смены уплотняющих машин, а также результаты контроля фиксируются;
по полученным числам и скоростям проходов рассчитывают время непрерывной работы уплотняющих машин
где (36.26)
В - ширина уплотняемого эталонного участка, м;
k - число изменений скорости при укатке;
L - длина уплотняемого эталонного участка или длина уплотняемого слоя постоянной толщины, м;
в - ширина уплотняемой полосы, м;
∆ - величина перекрытия, м (для пневмокатков - 0,5 м; для вальцовых катков - 0,25 м);
tр - время разворота реверса уплотняющей машины, ч (для самоходных катков - 0.01 ч, для прицепных - 0,02-0,09);
V - скорость движения уплотняющих машин, км/ч;
n - число проходов уплотняющей машины по одному следу;
Р - вероятность прохода по одному следу (принимается равной 0,8).
Затем составляют акт настройки технологического процесса.
Чтобы глубже уяснить существо метода статистического контроля и оценки качества рассмотрим несколько примеров, иллюстрирующих всю последовательность подготовки и проведения контроля, обработки результатов контроля и оценки качества, настройки технологических процессов.
Пример 1. Необходимо оценить качество уплотнения верхнего слоя земляного полотна на участке 300 м строящейся дороги III технической категории.
Сначала определяют необходимый объем контроля. Для этого используют формулу (36.24) и табл. 36.6 и 36.9. Принимают ориентировочно n = 10, тогда для дороги III технической категории при одностороннем ограничении (ограничивают только минимальные значения плотности) по табл. 36.6 получают t = 1,83. По табл. 36.9 для плотности грунта Сv = 0,3; ρ = 0,015. Эти значения t, Cv и ρ подставляют в формулу (36.24)

Полученное значение n = 13,4 не соответствует принятому n = 10, поэтому принимают новое целое значение n, ближайшее к полученному - п = 13. По табл. 36.6 определяют новое значение t = 1,78 и подставляют его в формулу (36.24):

Окончательно принимают п = 13, то есть чтобы оценить качество уплотнения с достаточной достоверностью необходимо провести 13 измерений в разных точках контролируемого участка.
Согласно примеру, приведенному в конце раздела 4 намечают точки контроля, выбирают по таблице случайных чисел (табл. 36.10) следующие пары цифр 13, 09, 04, 10, 45, 42, 07, 77, 57, 76, 39, 75, 26. В соответствии с рекомендациями, приведенными в разделе 4, контролируемый участок разбивают на 20 равных участков по длине, каждый из которых делят на 5 частей в поперечном направлении. Для удобства на листе бумаги в клетку составляют план контролируемого участка, нумеруют зоны двузначными числами от 00 до 99 и затем отмечают те зоны, номера которых совпали с выбранными по табл. 36.10 парами (рис. 36.5).
|
00 |
05 |
10 |
15 |
20 |
25 |
30 |
35 |
40 |
45 |
50 |
55 |
60 |
65 |
70 |
75 |
80 |
85 |
90 |
95 |
|
01 |
06 |
11 |
16 |
21 |
26 |
31 |
36 |
41 |
46 |
51 |
56 |
61 |
66 |
71 |
76 |
81 |
86 |
91 |
96 |
|
02 |
07 |
12 |
17 |
22 |
27 |
32 |
37 |
42 |
47 |
52 |
57 |
62 |
67 |
72 |
77 |
82 |
87 |
92 |
97 |
|
03 |
08 |
13 |
18 |
23 |
28 |
33 |
38 |
43 |
48 |
53 |
58 |
63 |
68 |
73 |
78 |
83 |
88 |
93 |
98 |
|
04 |
09 |
14 |
19 |
24 |
29 |
34 |
39 |
44 |
49 |
54 |
59 |
64 |
69 |
74 |
79 |
84 |
89 |
94 |
99 |
Рис. 36.5. Пример составления плана контроля
В любой точке каждой намеченной зоны осуществляется контроль плотности. В результате контроля получены следующие значения плотностей: 1,88; 1,82; 1,84; 1,90; 1,85; 1,88; 1,87; 1,93; 1,83; 1,80; 1,88; 1,89; 1,89 г/см3.
Полученные результаты контроля расставляют по возрастающим значениям (в ранжированный ряд): 1,80; 1,82; 1,83; 1,84; 1,85; 1,87; 1,88; 1,88; 1,88; 1,89; 1,89; 1,90; 1,93 г/см3.
Улучшить ряд можно двумя способами. По упрощенному способу отбрасывают минимальное и максимальное значения ряда и получают улучшенный ряд: 1,82; 1,83; 1,84; 1,85; 1,87; 1,88; 1,88; 1,88; 1,89; 1,89; 190 г/см3.
2 способ.
Согласно второму способу проверяют крайние члены на принадлежность ряду по формулам (36.14). По табл. 36.5 для n = 13 определяют τкрит = 0,411
![]()
![]()
Таким образом, крайние члены принадлежат имеющемуся ряду и их не следует отбрасывать. Но в дальнейших расчетах будем использовать улучшенный ряд, полученный первым способом.
Затем определяют среднее арифметическое улучшенного ряда приближенно как медиану ряда, то есть берут средний член улучшенного ряда (6-й член). Таким образом Хср = 1,82 г/см3, Xср можно определить по точной формуле (36.12).
Потом определяют коэффициент вариации приближенным способом. Из табл. 36.10 видно, что плотность грунта является параметром, обладающим малым коэффициентом вариации 0,03, значительно меньшим 0,2. Следовательно используем формулу (36.15)
![]()
По табл. 36.6 для числа членов улучшенного ряда n' = 11, дороги III технической категории, при одностороннем ограничении параметра (так как по плотности ограничиваются только минимальные значения) получаем t = 1,82.
Тогда
![]()
можно определить также по точной формуле
(36.13).
Далее определяют относительный показатель допуска. Максимальная плотность для использованного на данном участке грунта, полученная в приборе стандартного уплотнения составляет 1,89 г/см3. Тогда, при минимально допустимом коэффициенте уплотнения верхнего слоя земляного полотна (по СНиП 3.06.03-85) 0,98 минимальное допустимое значение плотности составляет [X] = 1,89×0,98 = 1,85 (г/см3). Следовательно, по формуле (36.11) получают
![]()
По номограмме рис. 36.4
определяют значение показателя дефектности и оценку в баллах. Для этого
выбирают на номограмме кривую, соответствующую R = 0,98. По горизонтальной оси откладывают
значение
= 0,0116 и проводят вертикальную прямую до
пересечения с выбранной кривой. Из точки пересечения проводят горизонтальную
прямую до пересечения с левой вертикальной осью, по которой определяется дефектность при ограничении минимальных
значений. Таким образом, получают Д = 0,071 (7,1 %), что соответствует
оценке «хорошо».
Итак, статистический контроль плотности верхнего слоя земляного полотна на участке 300 м дороги III технической категории показал, что уплотнительные работы выполнены на оценку «хорошо». Данная оценка заносится в акт на скрытые работы.
Пример 2. Необходимо оценить качество земляного полотна при приемке. Согласно СНиП 3.06.03-85 при контроле качества земляного полотна проверяют: высотные отметки продольного профиля, ширину земляного полотна, поперечные уклоны, крутизну откосов, поперечные размеры кюветов, нагорных и других канав (по дну), глубину кюветов при условии обеспечения стока, поперечные размеры дренажей, продольные уклоны дренажей, ширину насыпных берм, толщину слоя растительного грунта на откосах, плотность грунта естественного основания и слоев насыпи.
Методом статистического контроля ранее по перечисленным параметрам были получены следующие оценки: по высотным отметкам продольного профиля 5; по ширине земляного полотна 5; по поперечным уклонам 4; по крутизне откосов 4; по поперечным размерам кюветов (по дну) 3; по глубине кюветов (сток обеспечен) 3; по поперечным размерам дренажей 3; по продольным уклонам дренажей 4; по ширине насыпных берм 4; по толщине слоя растительного грунта на откосах 3; по плотности грунта естественного основания 5; по плотности грунта в слоях насыпи 4.
По формуле (36.19) определяют значение комплексного показателя качества устройства земляного полотна.
![]()
По табл. 36.7 п. 2 по значению Р, равному 3,91 устанавливаем оценку качества устройства земляного полотна: 3,51 < 3,9 1< 4,5, что соответствует оценке «хорошо».
Пример 3. Необходимо оценить качество двухслойного основания. Нижний слой основания выполнен из пескоцемента (сметная стоимость 121 ед.), верхний слой - из гравийно-песчаной смеси, укрепленной цементом (сметная стоимость 145 ед.). При приемке по нижнему слою была выставлена оценка «хорошо», по верхнему - «отлично».
По формуле (36.20) определяют значение комплексного показателя качества
![]()
По табл. 36.7 п. 2 по значению Р, устанавливаем оценку качества устройства основания: 4,54 > 4,5, что соответствует оценке «отлично».
Пример 4. Необходимо установить среднюю оценку качества покрытия, состоящего из трех одинаковых по конструкции участков, каждый из которых был принят ранее. Участок протяженностью 400 м был принят с оценкой «отлично», участок протяженностью 200 м - с оценкой «отлично», участок протяженностью 700 м - с оценкой «хорошо».
По формуле (36.21) рассчитывают
![]()
По табл. 36.7 п. 2 устанавливают среднюю оценку качества покрытия: 3,5 < 4,46 < 4,5, что соответствует оценке «хорошо».
Пример 5. Необходимо установить среднюю оценку по четырем путепроводам и мостам, входящим в состав принимаемой автомобильной дороги. Путепровод сметной стоимостью 143 ед. был принят с оценкой «удовлетворительно», два моста сметной стоимостью 215 ед. и 244 ед. приняты с оценкой «хорошо» и путепровод сметной стоимостью 158 ед. - с оценкой «отлично».
По формуле (36.23) рассчитывают
![]()
По табл. 36.7 п. 3 устанавливают среднюю оценку качества по путепроводам и мостам: 3,76 < 4,01 < 4,5, что соответствует оценке «хорошо».
Пример 6. Необходимо выставить оценку по законченной строительством автомобильной дороге. Ранее по отдельным видам работ и конструктивным элементам дороги были установлены следующие оценки: по подготовительным работам 3; по земляному полотну 4; по основанию 5; по покрытию 4; по искусственным сооружениям 4; по обстановке дороги 5; по зданиям и сооружениям, входящим в комплекс дороги 4.
При приемке комиссия сочла необходимым снизить результат оценки на 0,1 балла за недостаточную эстетичность сдаваемого объекта.
По формуле (36.22) с учетом коэффициентов значимости, приведенных в табл. 36.8, рассчитывают комплексный показатель качества
![]()
По табл. 36.7 п. 3 устанавливают оценку качества по законченной строительством автомобильной дороге: 3,76 < 4,09 < 4,5, что соответствует оценке «хорошо».
Пример 7. Необходимо подобрать оптимальный режим уплотнения слоя земляного полотна, то есть осуществить настройку технологического процесса уплотнения.
Исходные данные.
Необходимо произвести настройку технологического процесса устройства слоя земляного полотна из легкого суглинка при укатке его катком на пневматических шинах типа Д-551 (В = 3,6 м). Рекомендуемая СНиП 3.06.03-85 толщина слоя - 30 см, максимальная плотность в приборе стандартного уплотнения - 1,87 г/см3, оптимальная влажность - 14,2 %. Скорость движения катка на двух первых и двух последних проходах - 5 км/ч. Эталонный участок длиной 40 м и шириной 10 м устраивают на дороге III технической категории. Требуемый по СНиП 2.05.02-85 [86] коэффициент уплотнения грунта - 0,98.
Необходимый объем и местоположение точек контроля определяются аналогично примеру 1 (n = 13).
Контроль плотности грунта в уплотняемом слое земляного полотна.
После 8 проходов катка производят контроль плотности грунта в намеченных выше точках контроля. Получили следующие значения плотности: 1,82; 1,77; 1,82; 1,85; 1,76; 1,86; 1,82; 1,83; 1,76; 1,75; 1,83; 1,76; 1,78 г/см3.
Статистическая обработка результатов контроля включает следующие операции.
Полученные результаты контроля расставляют по возрастающим значениям: 1,75; 1,76; 1,76; 1,77; 1,78; 1,79; 1,82; 1,82; 1,82; 1,82; 1,83; 1,85; 1,86 г/см3.
Отбрасывают крайние члены ранжированного ряда: минимальный - 1,75 г/см3, максимальный - 1,86 г/см3. Получают улучшенный ряд: 1,76; 1,76; 1,77; 1,78; 1,79; 1,82; 1,82; 1,82; 1,82; 1,83; 1,85 г/см3.
Потом определяют среднее арифметическое улучшенного ряда приближенно к медиану ряда. Средним членом улучшенного ряда является 7-й член - 1,82 г/см3. Таким образом Хср = 1,82 г/см3.
Коэффициент вариации определяют по формуле (36.15)
![]()
Относительный показатель допуска определяют по формуле (36.11). Нормативное значение плотности по СНиП составляет 1,87 г/см3. Допустимое значение коэффициента уплотнения согласно исходным данным составляет 0,98. Таким образом, [X] = 0,98×1,87 = 1,83 г/см3. Следовательно
![]()
На номограмме рис. 36.4
выбирают кривую, соответствующую R = 1,005. На абсциссе (горизонтальной оси) номограммы откладывают
значение
= 0,0139 и проводят вертикальную линию до
пересечения с выбранной на номограмме кривой. Из точки пересечения проводят
горизонтальную линию до пересечения с ординатой (вертикальной осью). Так как
при уплотнении ограничиваются минимальные значения плотностей, то определяют
дефектность (или оценку) качества по левой ординате. Получилось Д ≈ 0,6,
что соответствует оценке «неудовлетворительно».
В связи с этим принимают решение о проведении дополнительной укатки на четыре прохода по одному следу, а затем производят контроль плотности и вновь обрабатывают результаты контроля.
Полученный ряд: 1,80; 1,82; 1,83; 1,84; 1,85; 1,87; 1,87; 1,88; 1,88; 1,88; 1,89; 1,90; 1,93 улучшают исключением максимального и минимального значения: 1,82; 1,83; 1,84; 1,85; 1,87; 1,88; 1,88; 1,88; 1,89; 1,89; 1,90. Находят Xср = 1,88 г/см3;
![]()
![]()
По номограмме Д ≈ 0,04, что соответствует оценке «отлично».
Следовательно, для обеспечения высокого качества устройства земляного полотна необходимо произвести уплотнение грунта 12 проходами катка по одному следу.
В заключение определяют необходимое время работы катка на захватке длиной 250 м при заданном режиме уплотнения по формуле (36.26)

По результатам настройки составляется акт настройки технологического процесса.
Метод настройки технологических процессов создает все условия для выполнения требований СНиП к конечной продукции - автомобильной дороге - при имеющемся в распоряжении строителей механизированном парке и арсенале технологических средств. Тогда как порядок работ, предписанный действующими нормативными документами, часто бывает невыполним из-за отсутствия необходимых механизмов, что приводит к низкому качеству результатов работы.
Метод статистического приемочного контроля позволяет при значительном сокращении объема контроля с достаточной достоверностью и точностью оценить результаты работ.
Основными особенностями рассмотренных в настоящей главе статистических методов контроля и регулирования качества в дорожном строительстве, характеризующими их преимущество, являются:
разделение операционного контроля на два этапа - настройку технологического процесса и текущий контроль;
сокращение объема операционного контроля при повышении достоверности его результатов;
повышение качества операционного контроля за счет проведения наиболее ответственной части операционного контроля (настройки) силами центральных лабораторий, располагающих квалифицированными кадрами и оснащенных современными средствами измерения;
сокращение необходимого количества средств измерения для проведения производственного контроля, за счет сокращения инструментального текущего контроля, проводимого непосредственными исполнителями дорожно-строительных работ;
сокращение номенклатуры контролируемых показателей при текущем контроле;
многоступенчатость контроля, предусматривающая постепенный переход ответственности за качество работ от исполнителя к исполнителю по мере выполнения отдельных видов работ;
использование математического аппарата, основанного на законе распределения Вейбулла с переменными параметрами, который позволяет производить оценку качества на единой методической основе для всех видов дорожно-строительных работ, отличающихся значительными колебаниями однородности;
дифференцирование оценок качества в зависимости от технической категории дорог;
применение в качестве критерия качества дорожно-строительных работ показателя дефектности, позволившее создать единую балльную систему оценок;
сокращение технической документации при проведении операционного контроля.
Методы статистического контроля позволяют оптимально спланировать контроль, перейти от контроля констатирующего к контролю управляющему или регулирующему и с высокой достоверностью оценить качество готовой продукции [44, 45].
Таблица 36.12
Параметры, используемые при оценке качества работ, и условия их оценки
|
Конструктивный элемент, вид работ и контролируемый параметр |
Условия оценки качества работ |
|||
|
«удовлетворительно» |
«хорошо» |
«отлично» |
||
|
Соответствует требованиям СНиП 3.06.03-85 с отклонениями по ГОСТ 15467-79, согласованными с проектными организациями и заказчиком, k = 0,7 |
Соответствует основным требованиям СНиП 3.06.03-85, k =1,0 |
Соответствует перспективным (повышенным) требованиям СНиП 3.06.03-85, k =1,25 |
||
|
1 |
2 |
3 |
4 |
5 |
|
1. Земляное полотно |
||||
|
1.1. Подготовка основания земляного полотна |
||||
|
1.1.1. |
Толщина снимаемого плодородного слоя грунта |
Допускается малозначительное отклонение параметра, подлежащего оценке по данному виду работ по ГОСТ 15467-79, причем количество отклонений результатов определений от проектных значений не должно превышать 50 % |
Не более 10 % результатов определений могут иметь отклонения от проектных значений в пределах до ±40 %, остальные - до ±20 % |
Не более 5 % результатов определений могут иметь отклонения от проектных значений в пределах до ±40 %, остальные - до ±20 % |
|
1.1.2. |
Снижение плотности естественного основания |
То же |
Не более 10 % результатов определений могут иметь отклонения от проектных значений в пределах до 4 %, остальные должны быть не ниже проектных значений |
Не более 10 % результатов определений могут иметь отклонения от проектных значений в пределах до 2 %, остальные должны быть не ниже проектных значений |
|
1.2. Возведение насыпей и разработка выемок |
||||
|
1.2.1 |
Снижение плотности слоев земляного полотна* |
То же |
То же |
|
Продолжение таблицы 36.12
|
1 |
2 |
3 |
4 |
5 |
|
1.2.2 |
Высотные отметки продольного профиля |
То же |
Не более 10 % результатов определении могут иметь отклонения от проектных значений в пределах до ±100 (±20) мм**, остальные - до ±50 (±10) мм |
Не более 5 % результатов определений могут иметь отклонения от проектных значений в пределах до ±100 (±20) мм, остальные - до ±50 (±10) мм |
|
1.2.3. |
Расстояние между осью и бровкой земляного полотна |
То же |
Не более 10 % результатов определений могут иметь отклонения от проектных значений в пределах до ±20 см, остальные - до ± 10 см |
Не более 5 % результатов определений могут иметь отклонения от проектных значений в пределах до ±20 см, остальные - до ±10 см |
|
1.2.4 |
Поперечные уклоны |
То же |
Не более 10 % результатов определений могут иметь отклонения от проектных значений в пределах от -0,015 (-0,010) до +0,030 (+0,015), остальные - до ±0,010 (±0,005) |
Не более 5 % результатов определений могут иметь отклонения от проектных значений в пределах от -0,015 (-0,010) до +0,030 (+0,015), остальные - до ±0,010 (±0,005) |
|
1.2.5. |
Уменьшение крутизны откосов |
То же |
Не более 10 % результатов определений могут иметь отклонения от проектных значений в пределах до 20 %, остальные - до 10 % |
Не более 5 % результатов определений могут иметь отклонения от проектных значений в пределах до 20 %, остальные - до 10 % |
|
Примечания: *При отсыпке земляного полотна из скальных (крупнообломочных) грунтов этот показатель для оценки качества не используется. ** Здесь и далее данные в скобках относятся к работам, выполняемым с применением машин с автоматической системой задания вертикальных отметок |
||||
|
1.3. Устройство водоотвода |
||||
|
1.3.1. |
Увеличение поперечных размеров кюветов, нагорных и других канав (по дну) |
Допускается малозначительное отклонение параметра, подлежащего оценке по данному виду работ по ГОСТ 15467-79, причем количество отклонений результатов определений от проектных значений не должно превышать 50 % |
Не более 10 % результатов определений могут иметь отклонения от проектных значений в пределах до 10 см, остальные - до 5 см |
Не более 5 % результатов определений могут иметь отклонения от проектных значений в пределах до 10 см, остальные - до 5 см |
|
1.3.2. |
Глубина кюветов, нагорных и других канав (при условии обеспечения стока) |
То же |
То же |
То же |
|
1.3.3. |
Поперечные размеры дренажей |
То же |
То же |
То же |
|
1.3.4. |
Продольные уклоны дренажей |
То же |
Не более 10 % результатов определений могут иметь отклонения от проектных значений в пределах до ±0,002, остальные - до ±0,001 |
Не более 5 % результатов определений могут иметь отклонения от проектных значений в пределах до ±0,002, остальные - до ±0,001 |
|
1.3.5. |
Ширина насыпных берм |
То же |
Не более 10 % результатов могут иметь отклонения от проектных значений в пределах до ±30 см, остальные-до ±15 см |
Не более 5 % результатов могут
иметь отклонения от |
|
1.4. Устройство присыпных обочин |
||||
|
1.4.1 |
Снижение плотности грунта в обочинах |
Допускается малозначительное отклонение параметра, подлежащего оценке по данному виду работ по ГОСТ 15467-79, причем количество отклонений результатов определений от проектных значений не должно превышать 50 % |
Не более 10 % результатов определений могут иметь отклонения от проектных значений в пределах до 4 %, остальные должны быть не ниже проектных значений |
Не более 10 % результатов определений могут иметь отклонения от проектных значений в пределах до 2 %, остальные должны быть не ниже проектных значений |
Продолжение таблицы 36.12
|
1 |
2 |
3 |
4 |
5 |
|
1.4.2. |
Толщина укрепления |
То же |
Не более 10 % результатов определении могут иметь отклонения от проектных значений в пределах от -22 до +30 мм, остальные - до ±15 мм |
Не более 5 % результатов определений могут иметь отклонения от проектных значений в пределах от -22 до +30, остальные - до ±15 мм |
|
1.4.3. |
Поперечные уклоны обочин |
Допускается малозначительное отклонение параметра, подлежащего оценке по данному виду работ ГОСТ 15467-79, причем количество отклонений результатов определений от проектных значений не должно превышать 50 % |
Не более 10 % результатов определений могут иметь отклонения от проектных значении в пределах от -0,015 (-0,010) до +0,030 (+0,015), остальные - до ±0,01С (±0,005) |
Не более 5 % результатов определений могут иметь отклонения от проектных значений в пределах от -0,015 (-0,010) до +0,030 (+0,015),остальные - до ±0,01С (±0,005) |
|
2. Основания и покрытия дорожных одежд |
||||
|
2.1. |
Высотные отметки по оси |
Допускается малозначительное отклонение параметра, подлежащего оценке по данному виду работ по ГОСТ 15467-79, причем количество отклонений результатов определений от проектных значений не должно превышать 50% |
Не более 10 % результатов определений могут иметь отклонения от проектных значений в пределах до ±100 (±20) мм, остальные - до ±50 (±10 мм) |
Не более 5 % результатов определений могут иметь отклонения от проектных значений в пределах до ±100 (±20) мм, остальные - до ±50 (±10) мм |
|
2.2. Ширина слоя |
||||
|
2.2.1. |
Цементо-бетонные основания и покрытия, мостовые |
То же |
Не более 10 % результатов определений могут иметь отклонения от проектных значений в пределах от -7,5 до +10 см, остальные - до ±5 см |
Не более 5 % результатов определений могут иметь отклонения от проектных значений в пределах от -7,5 до +10 см, остальные - до ±5 см |
|
2.2.2. |
Все остальные типы оснований и покрытий |
То же |
Не более 10 % результатов определений могут иметь отклонения от проектных значений в пределах от -15 до +20 см, остальные - до ±10 см |
Не более 5 % результатов определений могут иметь отклонения от проектных значений в пределах от -15 до +20 см, остальные - до ±10 см |
|
2.3. Толщина слоя |
||||
|
2.3.1. |
Асфальтобетонные основания и покрытия |
То же |
Не более 10 % результатов определений могут иметь отклонения от проектных значений в пределах от -10 до +20 мм, остальные - от -5 до +10 мм |
Не более 5 % результатов определений могут иметь отклонения от проектных значений в пределах от -10 до +20 мм, остальные - от -5 до +10 мм |
|
2.3.2. |
Все остальные типы оснований и покрытий |
То же |
Не более 10 % результатов определений могут иметь отклонения от проектных значений в пределах от -20 (-15) до +30 (+20) мм, остальные - до ±15 (±10) мм |
Не более 5 % результатов определений могут иметь отклонения от проектных значений в пределах от -20 (-15) до +30 (+20) мм, остальные - до ±15 (±10) мм |
|
2.4. |
Поперечные уклоны |
То же |
Не более 10 % результатов определений могут иметь отклонения от проектных значений в пределах от -0,015 (-0,010) до +0,030 (+0,015), остальные - до ±0,010 (±0,005) |
Не более 5 % результатов определений могут иметь отклонения от проектных значений в пределах от -0,015 (-0,010) до +0,030 (+0,015), остальные - до ±0,010 (±0,005) |
Продолжение таблицы 36.12
|
1 |
2 |
3 |
4 |
5 |
|
2.5. Ровность (просветы под рейкой длиной 3 м) |
||||
|
2.5.1. |
Основания и покрытия из крупнообломочных, песчаных и глинистых грунтов и отходов промышленности, укрепленных неорганическими и органическими вяжущими материалами: |
Допускается малозначительное отклонение параметра, подлежащего оценке по данному виду работ по ГОСТ 15467-79, причем количество отклонений результатов определений от проектных значений не должно превышать 50 % |
|
|
|
|
для дорог I, II и III категорий |
То же |
Не более 5 % результатов определений могут иметь значения просветов в пределах до 14 (10) мм, остальные - до 7 (5) мм |
Не более 2 % результатов определений могут иметь значения просветов в пределах до 14 (10) мм, остальные - до 7 (5) мм |
|
|
для дорог IV и V категорий |
То же |
Не более 5 % результатов определений могут иметь значения просветов в пределах до 20 мм, остальные - до 10 мм |
Не более 2 % результатов определений могут иметь значения просветов в пределах до 20 мм, остальные - до 10 мм |
|
2.5.2. |
Щебеночные, гравийные и шлаковые основания и покрытия из щебеночных, гравийных и песчаных материалов, обработанных неорганическими вяжущими материалами: |
То же |
|
|
|
|
для дорог I, II и III категорий |
То же |
Не более 5 % результатов определений могут иметь значения просветов в пределах до 20 (10) мм, остальные - до 10 (5) мм |
Не более 2 % результатов определений могут иметь значения просветов в пределах до 20 (10) мм, остальные - до 10 (5) мм |
|
|
для дорог IV и V категорий |
То же |
Не более 5 % результатов определений могут иметь значения просветов в пределах до 30 мм, остальные - до 15 мм |
Не более 2 % результатов определений могут иметь значения просветов в пределах до 30 мм, остальные - до 15 мм |
|
2.5.3 |
Основания и покрытия из дегтебетонных смесей, черного щебня и щебеночных смесей по способу пропитки органическими вяжущими и способом смешения на дороге: |
Допускается малозначительное отклонение параметра, подлежащего оценке по данному виду работ по ГОСТ 15467-79, причем количество отклонений результатов определений от проектных значений не должно превышать 50 % |
|
|
|
2.5.3 |
для дорог I, II и III категорий |
То же |
Не более 5 % результатов определений могут иметь значения просветов в пределах 14 (10) мм, остальные - до 7 (5) мм |
Не более 2 % результатов определений могут иметь значения просветов в пределах до 14 (10) мм, остальные - до 7 (5) мм |
|
|
для дорог IV и V категорий |
То же |
Не более 5 % результатов определений могут иметь значения просветов в пределах до 20 мм, остальные - до 10 мм |
Не более 2 % результатов определений могут иметь значения просветов в пределах до 20 мм, остальные - до 10 мм |
Окончание таблицы 36.12
|
1 |
2 |
3 |
4 |
5 |
|
2.5.4. |
Асфальтобетонные и монолитные цементобетонные основания и покрытия |
То же |
Не более 5 % результатов определении могут иметь значения просветов в пределах до 10 (6) мм, остальные - до 5 (3) мм |
Не более 2 % результатов определений могут иметь значения просветов в пределах до 10 (6) мм, остальные - до 5 (3) мм |
|
2.6. |
Разница в уровне поверхности в швах монолитных цементобетонных оснований и покрытий |
То же |
Не более 20 % результатов определений могут иметь значения в пределах до 10 (7) мм, остальные - до 3 (2) мм |
Не более 10 % результатов определений могут иметь значения в пределах до 10 (7) мм, остальные - до 3 (2) мм |
|
2.7. |
Превышение граней смежных плит сборных цементобетонных покрытий: |
Допускается малозначительное отклонение параметра, подлежащего оценке по данному виду работ по ГОСТ 15467-79, причем количество отклонений результатов определений от проектных значений не должно превышать 50 % |
|
|
|
|
для дорог I, II и III категорий |
То же |
Не более 20 % результатов определений могут иметь значения в пределах до 10 мм, остальные - до 5 мм |
Не более 10 % результатов определений могут иметь значения в пределах до 10 мм - остальные - до 5 мм |
|
|
для дорог IV и V категорий |
То же |
Не более 20 % результатов определений могут иметь значения в пределах до 14 мм, остальные - до 7 мм |
Не более 10 % результатов определений могут иметь значения в пределах до 14 мм, остальные - до 7 мм |
Дорожно-строительные машины отличаются от машин других отраслей экономики очень большим многообразием типов. Только минимальное количество типов машин для строительства и реконструкции автомобильных дорог равно 98. Это многообразие связано с тем, что:
во-первых, дорожно-строительные машины выполняют различные работы, связанные с приготовлением, транспортированием, укладкой, планировкой, уплотнением и распределением многообразных дорожно-строительных материалов: грунта, песка, щебня, грунтово-песчаных, песчано-гравийных и щебеночных смесей (необработанных и обработанных вяжущими), цементобетона, асфальтобетона, битума, битумных эмульсий и полимерно-битумных композиций, лакокрасочных и пластических материалов для разметки и др.;
во-вторых, современная дорожно-строительная техника применяется не только на автомобильных дорогах федерального значения. В настоящее время ее значение велико на дорогах областной и ведомственной сети, городских и внутрихозяйственных дорогах;
в-третьих, дорожно-строительная техника, так же как и техника других отраслей экономики, имеет типоразмеры различной производительности;
в-четвертых, у потребителя дорожной техники (строителя-подрядчика) очевидно проявление желания иметь в составе парка дорожно-строительных машин технику с использованием однотипных комплектующих (двигателей, силовых приводов, движителей ходовой части и других агрегатов и узлов).
Именно эти особенности дорожно-строительной техники привели в условиях рыночной экономики, когда «спрос рождает предложение» и машиностроитель целиком зависит только от рынка спроса техники, к появлению (в 80-е годы XX века) и постоянному усилению (в XXI веке) следующих тенденций развития дорожно-строительных машин:
1. Увеличение количества типоразмеров каждого типа машин, то есть создание машин различной производительности.
2. Выбор для каждого типоразмера машин унифицированных основных комплектующих агрегатов: двигателей, гидроприводов и других взаимозаменяемых форм и модификаций.
3. Повышение надежности (увеличение наработки машины на отказ) и долговечности (увеличение срока службы машины) как ответа на желание покупателя техники снизить затраты на единицу продукции с целью повышения эффективности ее работы и сократить расходы на ее эксплуатацию.
4. Обеспечение повышенных требований техники безопасности, экологии (снижение воздействий на окружающую среду отрицательных факторов) и эргономики (создание комфортных условий работы машинистов-операторов) с обязательной сертификацией машин по этим показателям.
5. Повышение технических качеств работы машин, выражающееся в максимальной механизации и автоматизации выполнения технологических операций с высоким качеством и точностью исполнения за счет использования современных автоматических систем управления.
6. Повышение мобильности и быстроходности машин и не только линейных (работающих непосредственно на полосе строительства дороги), но и машин для приготовления дорожно-строительных материалов (бетоносмесителей, асфальтосмесителей, дробильно-сортировочных установок и др.).
7. Быстрая унификация или сближение конструкций и основных параметров всех типов машин и оборудования (у различных производителей), чему способствует открытая торговля, многочисленные выставки новой техники и обязательное следование производителей техники рыночному принципу «отстал - догоняй и обгоняй», а также возможность использования однотипных или очень близких по параметрам комплектующих.
8. Развитие многофункциональных дорожных машин за счет расширения их технологических возможностей и использования смежных рабочих органов, что позволяет значительно снизить стоимость парка техники дорожных организаций.
Основные параметры машин и оборудования, называемые производственно-технологическими, во всем мире подразделяют на
технологические, то есть характеризующие технологические возможности машин и оборудования;
технические, то есть характеризующие комплектацию и основные измеряемые параметры машин и оборудования;
эксплуатационные, то есть характеризующие возможные условия работы машин, их надежность и долговечность, соответствие требованиям техники безопасности, экологии и эргономики, условиям хранения и транспортировки.
Указанные выше тенденции развития дорожно-строительных машин направлены на расширение выбора машин:
с требуемыми технологическими параметрами (тенденция 1), обеспечение качества работы машин (тенденция 5), сближение (по расстоянию и времени) технологических переделов материалов (тенденция 6) и расширение технологических процессов, выполняемых машинами (тенденция 8);
с высокими и регулируемыми техническими параметрами благодаря обеспечению выбора комплектующих (тенденция 2), сближению конструкций и основных параметров машин (тенденция 7);
с высокими эксплуатационными параметрами благодаря повышению надежности и долговечности машин (тенденция 3) и обеспечению безопасных, экологически защищенных и эргономически обоснованных условий работы машинистов и рабочих при машинах (тенденция 4).
Основные технические параметры машин (мощность, скорость, частота вращения и движения рабочих органов, габариты и др.), а также основные комплектующие: двигатель, приводы, движители, система управления - приводятся в технической характеристике и эксплуатационных документах, с которыми потребитель может познакомиться заранее. В этих документах даны и отдельные эксплуатационные параметры: климатические условия работы, сертификат соответствия или одобрение транспортного средства.
В технической документации на машину отсутствуют следующие эксплуатационные параметры:
наработка на отказ (надежность);
полный срок службы (долговечность).
Косвенными показателями этих параметров являются: величина гарантийного срока службы (измеряемого обычно величиной от 12 до 24 месяцев), в течение которого производитель устраняет неисправности и заменяет дефектные агрегаты, узлы и детали, а также предлагаемый производителем покупателю список приобретаемых вместе с машиной запасных частей.
Основным технологическим параметром всех машин и оборудования, который необходимо знать при определении соответствия их условиям работ и определении необходимого их количества, является часовая техническая производительность.
В технических характеристиках этот показатель приводится только для машин и комплектов оборудования для приготовления дорожно-строительных материалов (асфальтосмесителей, бетоносмесителей, карьерных смесителей, дробильно-сортировочных установок, эмульсионных установок) и отдельных линейных машин: подборщиков, перегружателей, канавокопателей и других машин непрерывного действия. Для остальных машин необходимо определять их производительность на основе составления (определения) условий их работы. Однако, только зная производительность, невозможно определить, подойдет ли машина или комплект оборудования, так как она должна удовлетворять и другим технологическим требованиям, то есть иметь дополнительные определенные параметры.
Общий парк дорожно-строительных машин и комплектов оборудования, с целью упрощения определения их соответствия технологическим требованиям разделен на 6 условных групп, в которых дополнительные параметры обобщены и унифицированы.
1 группа - машины и комплекты оборудования для приготовления и подачи дорожно-строительных материалов: асфальтосмесители, бетоносмесители, карьерные смесители, дробильно-сортировочные установки, эмульсионные установки, нагреватели и насосы битумные, дозаторы минеральных материалов, цемента и органических вяжущих материалов.
Производительность указывается как основной технический параметр.
При необходимости проверки производительность определяется:
для машин циклического действия
где (37.1)
П - производительность, т/ч или м3/ч;
tц - длительность цикла смесителя, включающая время заполнения смесителя, перемешивания, выгрузки готовой смеси и закрытия днища (возврата смесителя в положение для приема компонентов), мин.;
q - вместимость смесителя, т или м3;
для машин непрерывного действия
где (37.2)
П - производительность, т/ч или м3/ч;
t - время прохождения смеси через смеситель, мин.;
q - вместимость смесителя, т или м3.
Дополнительные параметры:
количество фракций исходного или получаемого минерального материала;
вес замеса или объем мешалки;
установленная (суммарная) мощность электродвигателей;
производительность или геометрические параметры сушильного барабана;
вместимость бункера-накопителя смеси;
мобильность комплекта оборудования.
2 группа - линейные машины непрерывного действия для строительства слоев дорожной одежды и земляного полотна: асфальтоукладчики, бетоноукладчики, укладчики барьера безопасности, колесоотбойного бруса и бордюра, уширители (укладчики полос уширения и краевых полос) дорожной одежды, линейные грунтосмесители, самоходные и прицепные распределители щебня, ресайклеры, ремиксеры, дорожные фрезы, профилировщики, перегружатели и подборщики смеси, канавокопатели, машины ударного действия для разрушения бетонного покрытия, нарезчики швов.
Производительность указывается как основной технический параметр.
При необходимости проверки определяется производительность пластинчатых, шнековых или других питателей и механизмов поперечного распределения материалов: шнеков, отвалов и др. Однако реализация этой производительности очень затруднена, так как зависит от подачи к машине необходимых материалов: смесей, вяжущих, воды и других материалов.
Для асфальто- и бетоноукладчиков, где от непрерывности их движения зависит ровность укладываемого слоя дорожной одежды, для обеспечения быстрой выгрузки смеси из транспортных средств применяют кроме основной схемы выгрузки (самосвал - приемный бункер укладчика) и две другие: с выгрузкой смеси в промежуточную машину (накопитель-перегружатель у асфальтоукладчика и распределитель смеси у бетоноукладчика) и с выгрузкой смеси на основание (в валик при укладке асфальтобетонной смеси и на определенном расстоянии подлине и ширине основания при укладке бетонной смеси).
При проверке необходимая техническая производительность определяется:
для укладки асфальтобетона, грунтовых смесей и при обработке слоев на полотне дороги:
П = Всл×hсл×Vр×ρo, где (37.3)
П - производительность, т/ч;
Всл - ширина слоя, м;
hсл - толщина слоя, м;
Vр - рабочая скорость (темп укладки, обработки), м/ч;
ρо - объемный вес смеси в уплотненном состоянии, т/м3;
для укладки бетона и щебня:
П = Всл hсл Vр, где (37.4)
П - производительность, м3/ч;
Всл - ширина слоя, м;
hсл - толщина слоя, м;
Vр - рабочая скорость (темп укладки, обработки), м/ч;
Дополнительные параметры:
ширина полос укладки, обработки, фрезерования, профилирования, разрушения, копания-резания;
толщина укладываемого слоя, глубина обработки, фрезерования, профилирования, разрушения, копания;
мощность двигателя;
рабочая скорость машины;
вместимость бункера смеси и других материалов;
масса.
3 группа - различные машины с длительным циклом действия: бульдозеры, рыхлители, автогрейдеры.
Производительность в технических характеристиках не указывается.
Производительность определяется:
при объемных перемещениях грунта:
где (37.5)
П - производительность, м3/ч;
b - ширина отвала, м;
h - высота отвала, м;
lпр - длина прохода при перемещении, м;
tц - длительность цикла при перемещении грунта, включающая время набора грунта перед отвалом, перемещения на заданное расстояние и возврат машины на исходную позицию или соседнюю с исходной, мин;
при планировочных и рыхлительных работах:
где (37.6)
П - производительность, м2/ч;
b - ширина отвала, м;
lпр - длина прохода при планировании (рыхлении), м;
tц - длительность цикла при планировке или рыхлении, включающая время движения вперед и возврат назад, мин.
Дополнительные параметры:
мощность двигателя;
тип ходовой части и трансмиссии;
ширина и тип отвала;
количество стоек рыхлителя;
масса.
4 группа - различные машины с кратким циклом действия: экскаваторы, экскаваторы-планировщики, погрузчики.
Производительность в технических характеристиках указывается редко. Производительность определяется:
где (37.7)
П - производительность, м3/ч;
q - объем ковша, м3;
tц - длительность цикла, включающая время набора грунта (копания), подъема ковша с одновременным поворотом платформы для разгрузки, непосредственно разгрузки, обратного поворота платформы с одновременным опусканием ковша в забой, мин.
Дополнительные параметры:
мощность двигателя;
емкость ковша;
ширина ковша планировочного;
глубина копания (планировки);
высота выгрузки;
масса.
5 группа - транспортно-строительные машины и транспортные средства для дорожно-строительных материалов: навесные распределители щебня, битумо- (эмульсие-) щебнераспределители, автогудронаторы, скреперы, смесители-укладчики литых эмульсионно-минеральных смесей (ЭМС), асфальтовозы, бетоновозы, асфальтобетоносмесители, битумовозы, цементовозы, землевозы, автомобили-самосвалы.
Производительность в технических характеристиках не указывается.
Производительность определяется:
где (37.8)
П - производительность, т/ч или м3/ч;
q - вместимость бункера, кузова, т или м3;
tц - длительность цикла, включая время загрузки машины, транспортирования к месту производства работ, распределения (выгрузки) доставленного материала, транспортирования к месту загрузки, очистки бункера, кузова или емкости, мин.
Дополнительные параметры:
базовое шасси или мощность двигателя;
грузоподъемность;
система загрузки;
масса.
6 группа - уплотняющие средства: катки и виброплиты.
Производительность или не указывается или указывается для применения на определенном уплотняемом материале. В последние годы ряд фирм приводят обобщенные данные производительности для ряда материалов.
Производительность определяется для конкретного материала с учетом толщины уплотняемого слоя:
где (37.9)
П - производительность, т/ч или м3/ч;
bу - ширина уплотняемого слоя, м;
hу - толщина уплотняемого слоя, м;
lу -длина уплотняемого участка в 10-20 м;
tц - длительность цикла уплотнения, включающая время одного двойного прохода на первых (низкая скорость) и последующих (высокая скорость) проходах, умноженное на количество проходов по ширине и количество проходов по одному месту, мин.
Дополнительные параметры:
мощность двигателя;
глубина уплотнения;
ширина вальца и виброплиты;
линейная нагрузка на см ширины вальца;
частота вибрации;
направление вибрации;
масса.
Однако, как отмечено в разд. 37.1, одной из важнейших тенденций развития дорожной техники является унификация или сближение их конструкций и основных параметров, что позволяет расширить возможности использования однотипных или очень близких по параметрам комплектующих. В табл. 37.1 представлены такие технические параметры по ряду машин.
Таблица 37.1
Единичные технические параметры машин
|
Наименование типа машины |
Единичные технические параметры |
|
|
основной |
дополнительный |
|
|
Автогрейдер |
Мощность, кВт |
- |
|
Автогудронатор |
Вместимость, т |
Ширина распределения, м |
|
Асфальтосмеситель |
Производительность, т/ч |
- |
|
Асфальтоукладчик |
Ширина укладки, м |
- |
|
Бетоносмеситель |
Производительность, м/ч |
- |
|
Бетоноукладчик |
Ширина укладки, м |
- |
|
Битумовоз |
Вместимость, т |
- |
|
Битумощебнераспределитель |
Вместимость (по щебню), м3 |
- |
|
Бульдозер гусеничный |
Мощность, кВт |
Ширина отвала, м |
|
Бульдозер пневмоколесный |
Мощность, кВт |
Ширина отвала, м |
|
Виброкаток для асфальта |
Масса, т |
- |
|
Виброкаток для грунта |
Масса, т |
- |
|
Виброплита одноходная |
Масса, кг |
- |
|
Виброплита реверсивная |
Масса, кг |
- |
|
Грунтосмеситель линейный |
Мощность, кВт |
Ширина обработки, м |
|
Дробильно-сортировочная установка |
Производительность, м3/ч |
Количество фракций, ед. |
|
Заливщик швов |
Вместимость, л |
- |
|
Каток комбинированный |
Масса, т |
- |
|
Каток пневмоколесный |
Масса, т |
- |
|
Каток статический |
Масса, т |
- |
|
Машина для разметки |
Вместимость, л |
Тип разметочного материала |
|
Нарезчик швов |
Мощность, кВт |
- |
|
Погрузчик фронтальный пневмоколесный |
Емкость ковша, м3 |
- |
|
Профилировщик |
Ширина профилирования, м |
Мощность, кВт |
|
Ремиксер |
Мощность, кВт |
Ширина обработки, м |
|
Ресайклер |
Мощность, кВт |
Ширина обработки, м |
|
Смеситель холодный (карьерный) |
Производительность, т/ч |
- |
|
Смеситель-укладчик ЭМС |
Вместимость по мат., м3 |
Ширина обработки, м |
|
Фреза для асфальтобетона |
Ширина фрезерования, м |
- |
|
Цементовоз |
Вместимость, т |
- |
|
Экскаватор на гусеничном ходу |
Емкость ковша, м3 |
Мощность, кВт |
|
Экскаватор на колесном ходу |
Емкость ковша, м3 |
Мощность, кВт |
|
Экскаватор- планировщик |
Емкость ковша, м3 |
Мощность, кВт |
До начала земляных работ с дорожной полосы и других отведенных для строительства дороги территорий должны быть удалены лес, кустарник, пни, валуны, строительный мусор. В районах вечной мерзлоты при строительстве дорог с сохранением грунтов в основании насыпи в мерзлом состоянии расчистка дорожной полосы от леса и кустарника должна производиться на ширину основания насыпи и только в зимний период. При использовании в основании насыпи оттаявших грунтов расчистка полосы производится круглогодично. До начала разработки выемок и возведения насыпи земляного полотна производят:
снятие и складирование плодородного слоя грунта;
устройство водоотводных сооружений (канав) для перехвата поверхностных вод до начала основных работ;
выравнивание и уплотнение основания под насыпи с освобождением его от растительных остатков, пней, валунов (диаметр которых превышает 2/3 толщины технологического слоя насыпи).
Срезку леса и кустарника производят с использованием мотоинструмента (бензиновых цепных пил и кусторезов). Удаление пней и валунов производят с использованием бульдозеров-рыхлителей на гусеничном ходу (рис. 38.1). Снятие и складирование плодородного слоя грунта производят с использованием бульдозеров на гусеничном ходу и бульдозеров на колесном ходу (рис. 38.2). Устройство водоотводных канал производят с использованием прицепных канавокопателей к гусеничному трактору или бульдозеру.

Рис. 38.1. Бульдозер-рыхлитель на гусеничном ходу

Рис. 38.2. Бульдозер на колесном ходу
Бензиновые цепные пилы и кусторезы различаются по двум взаимосвязанным параметрам: техническому - мощности двигателя и технологическому - диаметру срезаемого дерева и кустарника.
Бульдозеры различаются по типу ходовой части (гусеничные и пневмоколесные), по типу отвала (прямой и поворотный) и по мощности двигателя.
Основными производителями бульдозеров в России являются: ОАО «Промтрактор» и ОАО «Челябинский тракторный завод». Наиболее известные производители бульдозеров в мире: Caterpillar (США). Komatsu (Япония). Hitachi (Япония). Liebnerr (Германия) и Dressta (Польша) (см. табл. 38.1).

Рис. 38.3. Экскаватор обратная лопата

Рис. 38.4. Экскаватор прямая лопата

Рис. 38.5. Скрепер самоходный
Для строительства водоотводных и водоперехватывающих канав и кюветов (боковых канав) используются роторные, цепные и баровые канавокопатели (траншеекопатели) (см. табл. 38.2).
К началу XXI века основные объемы земляных работ на строительстве автомобильных дорог стали выполняться с использованием экскаваторов с ковшом обратная лопата емкостью 0,5-2,0 м3 (рис. 38.3). то есть с разработкой грунтовых карьеров. Экскаваторы с ковшом прямая лопата (рис. 38.4) применяются исключительно при разработке выемок. При разработке выемок нередко применяются и скреперы самоходные (рис. 38.5).
Таблица 38.1.
Бульдозеры-рыхлители
|
Производитель, страна |
Индекс машины |
Мощность |
Тип ходовой |
Ширина и тип |
Количество |
Масса, т |
|
ОАО «Промтрактор», Россия |
Т-15.01 |
175 |
гус.-ГМ |
4180-прямой |
1-3 |
28,5 |
|
Т-20.01 |
206 |
гус.-ГМ |
4950-прямой |
1-3 |
36,0 |
|
|
Т-25.01 |
279 |
гус.-ГМ |
4320-прямой |
1-3 |
47,7 |
|
|
ТМ-25.01 |
279 |
гус.-ГМ |
5110-прямой |
1-3 |
51,0 |
|
|
Т-330 |
250 |
гус.-ГМ |
4860-прямой |
1-3 |
54,9 |
|
|
Т-35.01 |
353 |
гус.-ГМ |
5200-прямой |
1-3 |
61,6 |
|
|
Т-500 |
353 |
гус.-ГМ |
4800-прямой |
1-3 |
60,5 |
|
|
ОАО «Челябинский тракторный завод»,Россия |
Б 10.02ЕН |
132 |
гус.-ГМ |
3310-прямой 4100-поворотный |
1-3 |
19,5 |
|
Б170М1Б.01ВЧ |
103 |
гус.-М |
4260-поворотный |
1 |
19,6 |
|
|
Б170М1.03ЕН |
132 |
гус.-М |
3310 и 3420-прямой 4100-поворотный |
1 и 3 |
18,8 |
|
|
ДЭТ-250М2Б |
238 |
гус-ЭМ |
4250-прямой |
1-3 |
41,3 |
|
|
ДЭТ-350Б1 |
257 |
гус-ЭМ |
4250-прямой |
1-3 |
44,4 |
|
|
ЗАО «Челябстрой- |
ДЗ-171 |
125 |
гус.-М |
3310-прямой 4100-поворотный |
1-3 |
16,7-17,0 |
|
ДЗ-240С |
240 |
гус-ЭМ |
4250-прямой |
1-3 |
41,4 |
|
|
ЗАО «Петербургский |
К-702МБ-01-БКУ |
172 |
кол.-ГМ |
3650-поворотный |
- |
18,5 |
|
К-702МВЛ-УДМ2 |
173 |
кол.-ГМ |
3660-поворотный |
- |
23,0 |
|
|
ОАО «Харьковский |
Т-150Д-05 |
110 |
гус.-ГМ |
2520-прямой |
- |
8,8 |
|
Т-150КД-05 |
120 |
кол.-ГМ |
2520-поворотный |
- |
9,0 |
|
|
УРП «Могилевский автомобильный завод», Беларусь |
МоАЗ-40489 |
220 |
кол.-ГМ |
4208-прямой |
- |
30,4 |
|
МоАЗ-40486 |
300 |
кол.-ГМ |
3940-прямой |
- |
40,0 |
|
|
ПО «Белорусский автомобильный завод», Беларусь |
БелАЗ-78231 |
366 |
кол.-ГМ |
4900-прямой |
- |
51,0 |
|
ОАО «Алтайский трактор», Россия |
ТТ-4М-07 |
95,5 |
гус.-М |
2860-прямой |
- |
15,7 |
|
Caterpillar, США |
D 6 M |
104 |
гус.-ГМ |
3170-полууниверс. |
3 |
15,0-16,5 |
|
D 6 R |
123,130, 138 |
гус.-ГМ |
3350-прямой 4160-поворотный |
3 |
18,0-19,8 |
|
|
D 7 R |
171, 179 |
гус.-ГМ |
3320 и 3360-прямой 4270 и 4500-поворот. |
3 |
20,1-27,0 |
|
|
D 8 R |
228 |
гус.-ГМ |
4920-поворотный |
1 и 3 |
38,0 |
|
|
D 9 R |
302 |
гус.-ГМ |
4650-универсал. |
1 и 3 |
48,3 |
|
|
814 F |
164 |
кол.-ГМ |
3700-прямой |
- |
21,0 |
|
|
824 G |
235 |
кол.-ГМ |
4500-прямой |
- |
31,0 |
|
|
834 В |
359 |
кол.-ГМ |
4600-прямой |
- |
46,0 |
|
|
Komatsu, Япония |
D 85F-21 |
168,0 |
гус.-ГМ |
4360-прямой |
1 и 3 |
26,9 |
|
D 155A-1 (3) |
235 и 222 |
гус.-ГМ |
4260-прямой |
1 и 3 |
41,3 |
|
|
D 275A-2 |
297,8 |
гус.-ГМ |
4600-прямой |
1 и 3 |
48,8 |
|
|
D 335А-3 |
301,5 |
гус.-ГМ |
4700-прямой |
1 и 3 |
53,2 |
|
|
D 375A-2 |
386,0 |
гус.-ГМ |
4690-прямой |
1 и 3 |
66,0 |
|
|
WD 420 |
167,0 |
кол.-ГМ |
н/д |
- |
20,0 |
|
|
WD 500 |
235,0 |
кол.-ГМ |
н/д |
- |
26,9 |
|
|
WD 600 |
338,0 |
кол.-ГМ |
4700-прямой |
- |
41,0 |
|
|
Dressta, Польша |
TD-12C |
93 |
гус.-ГМ |
н/д |
3 |
12,9-14,8 |
|
TD-15C |
104 |
гус.-ГМ |
н/д |
3 |
14,96 |
|
|
TD-15E |
130 |
гус.-ГМ |
н/д |
1 и 3 |
17,5-18,6 |
|
|
TD-15H |
168 |
гус.-ГМ |
н/д |
1 и 3 |
18,5-19,4 |
|
|
TD-20H |
168 |
гус.-ГМ |
н/д |
3 |
22,8-23,8 |
|
|
TD-25H |
238 |
гус.-ГМ |
4950-прямой |
1 и 3 |
35,5 |
Экскаваторы различаются по типу ходовой части (гусеничные и колесные), типу и емкости ковша, мощности двигателя, а также глубине копания и высоте выгрузки (табл. 38.3).
Таблица 38.2
Канавокопатели
|
Производитель, страна |
Индекс машины, тип |
Мощность |
Ширина |
Глубина |
Масса, |
Производительность, |
|
ОАО «Радицкий машиностроительный завод», Россия |
ЭТР-224А - экскаватор роторный гусеничный |
125 |
0,8-1,75 |
2,2 |
31,0 |
600 |
|
ЭТР-223А - экскаватор роторный гусеничный |
125 |
1,5-2,40 |
2,2 |
33,5 |
650 |
|
|
ОАО «Челябинский тракторный завод», Россия |
ЭТЦ-20.01.03 - экскаватор цепной на Т-170 |
125-132 |
0,8 |
2,0 |
27,5 |
120 |
|
ОАО «Михневский ремонтно-механический завод», Россия |
БР - траншеекопатель баровый |
125-132 |
0,84 |
2,0 |
20,24 |
105 |
Основными производителями экскаваторов в России являются: ОАО «Тверской экскаваторный завод», ОАО «Кранэкс», ОАО «Ковровец» и ГУП ПО «Уралвагонзавод». Ведущие производители экскаваторов в мире: Caterpillar (США), Komatsu (Япония), Hitachi (Япония), Liebnerr (Германия), Case-Poclain (Франция и США), IСВ (Англия), Volvo (Швеция), Hyundai (Южная Корея).
Таблица 38.3
Экскаваторы
|
Производитель, |
Индекс машины, тип хода |
Мощность двигателя, |
Емкость ковша, м , тип |
Глубина копания, |
Высота выгрузки, |
Масса, т |
|
1 |
1 |
3 |
4 |
5 |
6 |
7 |
|
ОАО «Тверской экскаваторный завод», Россия |
ЕК-12 кол. |
60 |
0,32-0,5 - обр. лоп. |
5,0 |
6,5 |
12,5 |
|
ЭО-3323А кол. |
60 |
0,4-0,65 - обр. лоп. |
4,7 |
5,63 |
12,4 |
|
|
ЕК-14 кол. |
77 |
0,32-0,8 - обр. лоп. |
4,89 |
5,72 |
13,4 |
|
|
ЕК-18 кол. |
105 |
0,4-1,0 - обр. лоп. |
6,97 |
6,75 |
18,0 |
|
|
ET-14 гус. |
60 |
0,4-0,8 - обр. лоп. |
5,0 |
5,42 |
14,8 |
|
|
ET-16гус. |
77 |
0,4-0,8 - обр. лоп. |
4,95 |
5,52 |
16,0 |
|
|
ЕТ-18 гус. |
77 |
0,5-1,0 -обр. лоп. |
7,2 |
6,54 |
19,0 |
|
|
ЕТ-25 гус. |
114 |
1,4 - обр. лоп. |
7,39 |
7,69 |
27,0 |
|
|
ГУП ПО «Уралвагонзавод», Россия |
ЭО-33211 кол. |
110 |
0,85-1,05 - обр. лоп. |
5,8 |
6,5 |
18,0 |
|
Э-30 гус. |
132 |
1,25 - обр. лоп. |
6,25 |
5,9 |
29,0 |
|
|
ЭО-5126 гус. |
125 |
1,25-1,65 - обр. лоп. |
6,25 |
5,9 |
32,0 |
|
|
ОАО «Ковровец», Россия |
ЭО-4326 кол |
147 |
0,6-1,42 - обр. лоп. |
8,5 |
8,7 |
24,0 |
|
ЭО-4225 гус. |
125 |
0,6-1,42 - обр. лоп. |
6,0 |
5,15 |
25,8 |
|
|
ЭО-4228 гус |
169 |
1,25 - обр. лоп. |
6,5 |
6,95 |
27,3 |
|
|
ОАО«Кранэкс», Россия |
ЕК-270 гус. |
132 |
0,4-1,25 - обр. лоп. |
7,7 |
8,1 |
27,0 |
|
ЕК-400 гус. |
220 |
1,8 - обр. лоп. |
7,3 |
7,4 |
42,0 |
|
|
ОАО «Вэкс», Россия |
ВЭКС-40 L гус. |
220 |
1,05-2,0 - обр. лоп. |
6,66 |
5,2 |
38,2 |
|
ВЭКС-30 L гус. |
185 |
1,25 - обр. лоп. |
6,8 |
7,2 |
29,0 |
|
|
ОАО «Донецкий экскаватор», Украина |
ЭО-4112А-1 гус. |
66 |
0,75 - прям. лоп. 0,65-0,8 - обр. лоп. |
1,5 6,8 |
7,2 5,3 |
23,9 23,7 |
|
ОАО «Тяжекс», Россия |
ЭО-5124 |
125 |
1,55 - обр. лоп. |
6,5 |
5,8 |
38,7 |
|
ЭО-5221 |
125 |
1,55 - обр. лоп. |
6,5 |
5,8 |
42,0 |
|
|
ОАО «Экско», Россия |
ЭО-5116-1 гус. |
132 |
1,25-1,8 - прям. лоп. 1,2-1,5 - обр. лоп. |
1,8 6,9 |
7,4 8,6 |
33,2 36,0 |
|
АО «Атек», Украина |
Атек-881 кол |
73,6 |
1,0 - обр. лоп. |
6,0 |
5,5 |
19,5 |
|
Атек-7612 гус. |
74 |
0,75-1,3 - обр. лоп. |
6,5 |
5,2 |
19,5 |
|
|
Caterpillar, США |
312 CL гус. |
71 |
0,24-0,75 - обр. лоп. |
5,15-6,05 |
5,83-6,31 |
15,3 |
|
315 CL гус. |
80 |
0,35-0,86 - обр. лоп. |
5,31-6,56 |
5,93-6,41 |
18,0 |
|
|
318 CL гус. |
86 |
0,41 - 1,35 - обр. лоп. |
5,31-6,86 |
5,93-6,86 |
20,9 |
|
|
320 CL гус. |
103 |
0,41-1,4 - обр. лоп. |
7,58-5,73 |
6,93-5,86 |
22,7 |
|
|
322 CL гус. |
121 |
0,8-1,3 - обр. лоп. |
5,91 |
5,98 |
24,2 |
|
|
329 CL гус. |
141 |
0,6-1,9 - обр. лоп. |
6,01 |
6,1 |
29,0 |
|
|
330 С L гус |
184 |
0,7-2,2 - обр. лоп. |
6,59 |
6,68 |
35,0 |
|
|
345 ВL гус. |
239 |
1,6-2,4 - обр. лоп. |
7,1 |
6,94 |
49,0 |
|
|
365 В L гус. |
287 |
1,5-5,3 - обр. лоп. |
7,26 |
6,96 |
68,0 |
|
|
М 312 кол. |
85 |
0,24-0,86 - обр. лоп. |
2,52-9,82 |
5,64-6,20 |
15,1 |
|
|
М 315 С кол. |
100 |
0,24-0,86 - обр. лоп. |
4,65-6,05 |
5,94-6,59 |
16,7 |
|
|
М 318 С кол. |
111 |
0,4-1,05 - обр. лоп. |
5,09-7,38 |
6,08-6,73 |
18,1 |
|
|
М 322 С кол. |
119 |
0.4-1,05 - обр. лоп. |
5,19-7,47 |
6,06-6,84 |
20,9 |
Окончание таблицы 38.3
|
1 |
2 |
3 |
4 |
5 |
6 |
7 |
|
Komatsu, Япония |
PW 130 ES-6 кол. |
78 |
0,2-1,14 - обр. лоп. |
5,41 |
6,93 |
13,6 |
|
PW I50 ES-6 кол. |
80 |
0,2-1,14 - обр. лоп. |
5,62 |
6,93 |
14,9 |
|
|
PW 170 ES-6 кол. |
92 |
0,27-1,14 - обр. лоп. |
5,72 |
6,73 |
16,9 |
|
|
PC 130-6 гус. |
64 |
0,24-0,84 - обр. лоп. |
6,0 |
8,97 |
13,05 |
|
|
PC 150-6 гус. |
64 |
0,24-0,84 - обр. лоп. |
5,69 |
9,12 |
16,1 |
|
|
PC 160-6 гус. |
80 |
0,27-0,95 - обр. лоп. |
6,29 |
9,06 |
16,3 |
|
|
PC 180-6 гус. |
80 |
0,27-1,14 - обр. лоп. |
6,25 |
9,06 |
18,4 |
|
|
PC 200-7 гус. |
107 |
0,5-1,19 - обр. лоп. |
6,62 |
9.06 |
19,3-19,9 |
|
|
PC 220-7 гус. |
125 |
0,72-1,26 - обр. лоп. |
6,92 |
9,7 |
22,8 |
|
|
PC 240-7 гус. |
125 |
0,55-1,9 - обр. лоп. |
7,32 |
9,66 |
24,2 |
|
|
PC 300-7 гус. |
180 |
0,6-2,0 - обр. лоп. |
6,9 |
9,9 |
30,8 |
|
|
PC 340-7 гус. |
180 |
0,6-2,38 - обр. лоп. |
8,18 |
10,55 |
33,3 |
|
|
PC 380-6 гус. |
173 |
1,12-2,54 - обр. лоп. |
8,05 |
10,35 |
40,3 |
|
|
PC 450-6 гус. |
228 |
1,3-2,7 - обр. лоп. |
9,2 |
11,5 |
43,0 |
|
|
Case, Франция |
CX 130 гус. |
69,6 |
0,15-0,77 - обр. лоп. |
6,1 |
9.45 |
12,6 |
|
CX 160 гус. |
78,5 |
0,27-0,95 - обр. лоп. |
6,45 |
9,5 |
16,7 |
|
|
CX 210 гус. |
104,4 |
0,41 - 1,25 - обр. лоп. |
6,7 |
9,65 |
20,4 |
|
|
CX 240 гус. |
124,7 |
0,46-1,45 - обр. лоп. |
7,4 |
10,0 |
23,5 |
|
|
CX 290 гус. |
139,3 |
0,475-1,7 - обр. лоп. |
7,6 |
10,4 |
28,4 |
|
|
CX 350 гус. |
185,7 |
0,74-2,01 - обр. лоп. |
7,4 |
10,7 |
36,0 |
|
|
WX 90 кол. |
57 |
0,05-0,29 - обр. лоп. |
4,1 |
8,2 |
9,0 |
|
|
WX 120 кол. |
75 |
0,20-0,59 - обр. лоп. |
4,95 |
8,9 |
12,0 |
|
|
788 P2 AL |
81,5 |
0,37-0,9 - обр. лоп. |
5,5 |
6,5 |
16,1 |
|
|
988 P2 AL |
93,3 |
0,42-1,00 - обр. лоп. |
6,35 |
7,45 |
18,5 |
|
|
1188 P2 AL |
120,0 |
0,46- 1,2 - обр. лоп. |
6,80 |
7,3 |
21,0 |
Таблица 38.4
Скреперы
|
Производитель, страна |
Индекс машины, тип |
Мощность двигателя, кВт |
Вместимость, т |
Система загрузки, тип |
Масса, т |
|
УРП «Могилевский автомобильный завод», Беларусь |
МоАЗ-6014 самоходный |
165,4 |
12 (8 м3) |
Резанием |
20,0 |
|
МоАЗ-60071 самоходный |
240,0 |
16 (11 м3) |
Резанием |
30,0 |
|
|
Caterpillar, США |
611 самоходный |
197 |
11,0 |
Элеватор |
28,0 |
|
613 самоходный |
131 |
8,4 |
Элеватор |
15,3 |
|
|
615 самоходный |
197 |
13,0 |
Элеватор |
25,6 |
|
|
216 самоходный |
246-272 |
15,3 |
Резанием |
28,0 |
|
|
623 G самоходный |
246-272 |
17,6 |
Резанием |
35,3 |
|
|
627 G самоходный |
246-168 |
15,3 |
Резанием |
42,2 |
|
|
631 G самоходный |
336-365 |
23,7 |
Резанием |
46,0 |
|
|
637 G самоходный |
336-186 |
23,7 |
Резанием |
54,5 |
|
|
651 Е самоходный |
410-452 |
33,6 |
Резанием |
46,0 |
|
|
657 Е самоходный |
410-298 |
33,6 |
Резанием |
76,0 |
Таблица 38.5
Землевозы
|
Производитель, страна |
Индекс машины, тип |
Базовое шасси, тип |
Мощность двигателя, кВт |
Вместимость, т |
Система выгрузки |
Масса, т |
|
ЗАО «Челябстройдормаш», Россия |
ВДС шарнирн. |
2-осн. |
176 |
16 |
Опрокид. |
22,0 |
|
ПО « Белорусский автозавод», Беларусь |
7540 карьерн. |
2-осн. |
312,5 |
30 |
Опрокид. |
22,5 |
|
7548 карьерн. |
2-осн. |
405 |
42 |
Опрокид. |
30,0 |
|
|
УРП «Могилевский автозавод», Беларусь |
МоАЗ-7505 карьерн. |
2-осн. |
165,4 |
23 |
Опрокид. |
20,0 |
|
Caterpillar, США |
769 D карьерн. |
2-осн. |
362 |
38 |
Опрокид. |
31.3 |
|
771 D карьерн. |
2-осн. |
362 |
40 |
Опрокид. |
34,0 |
|
|
D 25 D карьерн. |
2-осн. |
194 |
22,0 |
Опрокид. |
19,5 |
|
|
D 30 D шарнирн. |
2-осн. |
223 |
27,5 |
Опрокид. |
21,7 |
|
|
D 250 Е шарнирн. |
3-осн. |
194 |
22,5 |
Опрокид. |
20,1 |
|
|
D 300 Е шарнирн. |
3-осн. |
213 |
27,5 |
Опрокид. |
22,0 |
|
|
D 350 Е шарнирн. |
3-осн. |
253 |
32,0 |
Опрокид. |
27,9 |
|
|
D 400 Е шарнирн. |
3-осн. |
302 |
36,0 |
Опрокид. |
29,3 |
Самоходные скреперы различаются по мощности двигателя, вместимости ковша и системе его загрузки (табл. 38.4).
Для транспортировки грунта к месту строительства используют обычные автомобили-самосвалы грузоподъемностью от 8 до 20 т, обеспечивающей прием грунта 3-6 ковшей экскаваторов, и специальные землевозы (карьерные или с шарнирно-сочлененной рамой), вместимостью (грузоподъемностью) 8-35 т (табл. 38.5).
В табл. 38.3 приведены технические характеристики экскаваторов с ковшом обратная лопата.
Для предварительного разравнивания грунта при его отсыпке в земляное полотно используются гусеничные и пневмоколесные бульдозеры с поворотным и прямым отвалом. Для чистовой планировки земляного полотна перед и в процессе уплотнения используются автогрейдеры (рис. 38.6) с мощностью двигателя 100-200 кВт (табл. 38.6).
Таблица 38.6
Автогрейдеры
|
Производитель, страна |
Индекс машины |
Мощность двигателя, кВт |
Ширина отвала, м |
Высота отвала, м |
Боковой вынос отвала, м |
Масса, т |
|
ОАО «Брянский Арсенал», Россия |
ГС-10.01 |
58,7 |
3,04 |
0,47 |
0,6 |
7,5 |
|
ГС-10.02 |
77 |
2,73 |
0,47 |
0,6 |
9,5 |
|
|
ДЗ-180А |
99 |
3,74 |
0,62 |
0,8 |
12,5 |
|
|
ГС-14.02 |
99 |
3,74 |
0,62 |
0,8 |
13,5 |
|
|
ДЗ-198 |
147 |
3,74 |
0,61 |
- |
16,0 |
|
|
ЗАО «ОПК-Дормаш», Россия |
ДЗ-122Б |
100 |
3,74 |
0,63 |
0,8 |
14,6 |
|
ГС-1410 |
100 |
3,74 |
0,63 |
0,8 |
14,7 |
|
|
ОАО « Радицкий маш. завод», Россия |
ГС-1803 |
132 |
3,74 |
0,62 |
0,7 |
18,0 |
|
ЗАО «Челябстройдормаш», Россия |
А-120.1 |
132 |
3,75 |
0,70 |
1,10 |
16,0 |
|
ДЗ-98В |
147 |
4,27 |
0,70 |
2,35 |
20,5 |
|
|
Caterpillar, США |
120 Н |
93-104 |
3,66 |
0,6 |
1,84 |
12,5 |
|
135 Н |
101, 138, 153 |
3,66 |
0,6 |
1,84 |
12,95 |
|
|
140 Н |
123-138 |
3,66 |
0,6 |
1,85 |
15,17 |
|
|
143 Н |
123-138 |
3,66 |
0,6 |
1,97 |
15,0 |
|
|
160 Н |
134, 149, 164 |
4,27 |
0,69 |
1,85 |
16,0 |
|
|
163 Н |
134-149 |
4,27 |
0,69 |
1,96 |
16,6 |
|
|
Komatsu, Япония |
GD 510 R |
93 |
3,00 |
0,5 |
0,7 |
8,0 |
|
GD 511 A |
101 |
3,66 |
0,65 |
2,0 |
10,5 |
|
|
GD 521 A |
101 |
3,71 |
0,645 |
2,0 |
10,8 |
|
|
GD 530 A |
107 |
3,66 |
0,6 |
2,0 |
12,6 |
|
|
GD 611 A |
116 |
3,66 |
0,65 |
2,0 |
21,1 |
|
|
GD 621 R |
116 |
3,66 |
0,65 |
2,0 |
12,5 |
|
|
GD 623 R |
116 |
3,71 |
0,65 |
2,0 |
12,7 |
|
|
GD 630 A |
124 |
3,66 |
0,66 |
2,0 |
13,7 |
|
|
GD 661 A |
133 |
3,66 |
0,66 |
2,0 |
13,9 |
|
|
GD 670 A |
152 |
3,66 |
0,66 |
1,9 |
14,7 |
|
|
GD 705 А |
149 |
4,32 |
0,70 |
2,32 |
17,6 |
|
|
GD 825 A |
209 |
4,88 |
0,85 |
2,40 |
26,35 |
|
|
Volvo, Швеция |
G 710 |
81 |
3,66 |
0,6 |
1,98 |
13,8 |
|
G 720 |
145 |
3,66 |
0,63 |
2,02 |
14,8 |
|
|
G 730 |
149 |
3,66 |
0,63 |
1,36 |
15,8 |
|
|
G 740 |
175 |
3,66 |
0,73 |
1,36 |
16,2 |
|
|
G 780 |
175 |
4,27 |
0,79 |
2,13 |
19,4 |
Основные производители автогрейдеров в России: ОАО «Брянский Арсенал», ЗАО «ОПК-Дормаш», ОАО «Радицкий машиностроительный завод» и ЗАО «Челябстройдормаш». Основные производители автогрейдеров в мире: Caterpillar (США), Komatsu (Япония), Volvo (Швеция).
Автогрейдеры различаются по мощности двигателя, типу рамы (сплошная и шарнирная), ширине захвата отвала.
Для чистовой планировки (профилирования после уплотнения) верха земляного полотна и слоев основания используют фрезерные профилировщики (рис. 38.7) с шириной захвата 3-5 м и 4-12 м (табл. 38.7). Основные производители фрезерных профилировщиков в мире: Gomaco (США), CMI (США).
Для чистовой планировки откосов насыпи и выемок с длиной откоса более 2,5 м используют экскаваторы-планировщики (рис. 38.8), которые различаются по емкости ковша, мощности двигателя, длине планировки откоса (табл. 38.8).

Рис. 38.6. Автогрейдер

Рис. 38.7. Профилировщик фрезерный

Рис. 38.8. Экскаватор-планировщик
Таблица 38.7
Профилировщики
|
Производитель, страна |
Индекс машины, тип |
Мощность двигателя, кВт |
Ширина профилирования, м |
Высота погрузки, м |
Система задания отметок, тип |
Масса, т |
|
Gomaco, США |
8500 В 2-гусен. |
160 |
3,05; 3,06; 4,27 |
4,11 |
Электрогидравлический |
13,6 |
|
9500 2-гусен. |
253,6 |
3,9; 4,5; 5,1 |
3,7 |
Электрогидравлический |
21,86 |
|
|
CMI Corporation, США |
TR-450 4-гусен. |
242 |
4,3-12,2 |
Выдача в сторону |
Гидравлический |
54,0 |
|
TR-6004 4-гусен. |
242 |
4,3-12,2 |
Выдача в сторону |
Гидравлический |
54,0 |
|
|
ОАО «Брянский Арсенал», Россия |
ДС-108 по заказу |
368 |
8,5 |
4,2 |
Электрогидравлический |
40,0 |
Основной производитель экскаваторов-планировщиков в России: ОАО «Мотовилихинские заводы». Основные производители экскаваторов-планировщиков в мире: Gradall (США) и CSM-Tisovec (Словакия и Чехия).
За последние 15-20 лет в технологии уплотнения грунтов произошли кардинальные изменения, вызванные насущным желанием производителей работ интенсифицировать этот процесс. Ушли в прошлое статические гладковальцовые и кулачковые как самоходные, так и прицепные катки, а также прицепные пневмоколесные катки, которые сегодня выпускает только республика Беларусь. Сегодня для уплотнения грунтов в основном применяют вибрационные самоходные одновальцовые катки (рис. 38.9) и реже вибрационные прицепные одновальцовые катки, которые требуют разворота в обоих концах участка уплотнения.
В основном применяют гладковальцовые вибрационные катки и только для уплотнения связных грунтов (тяжелых суглинков и глин) применяют кулачковые вибрационные катки. Как правило, кулачковые катки - это те же гладковальцовые катки, на которые устанавливается дополнительный кольцевой бандаж с кулачками. Изменилась форма и размер кулачков. Раньше кулачки были высокие (до 40 см) и узкие с целью увеличения удельного давления. Сегодня кулачки на виброкатках невысокие (до 20 см) и широкие. Первое время после их появления они носили название «бобышки». Очень редко используют при уплотнении грунтов решетчатые прицепные статические и вибрационные катки, которые внешне напоминают гладковальцовые, но с обечайкой вальца, выполненной из металлической решетки, изготовленной из круглых прутков диаметром 30-50 мм. Благодаря высоким нагрузкам, передаваемым решеткой на грунт, такие катки производительны на связных грунтах и грунтах с каменными включениями.
Для уплотнения грунтов в узких местах: в траншеях, у труб, на подходах к мостам и путепроводам, а также у бровки земляного полотна используют реверсивные виброплиты (рис. 38.10).
Вибрационные самоходные одновальцовые катки различаются по мощности двигателя, ширине и диаметру вальца, линейной нагрузке и массе (табл. 38.10). Частоты (25-40 Гц) и амплитуды (0,6-2,0 мм) очень близки.
Основной производитель катков для уплотнения грунтов в России: ЗАО «Раскат». Основные производители катков для уплотнения грунтов в мире: Bomag (Германия), Hamm (Германия), Vibromax (Германия), Caterpillar (США), Ingersoll-Rand (США), Metso Minerals (Dynapac) Швеция и многие другие фирмы.
Таблица 38.8
Экскаваторы-планировщики
|
Производитель, страна |
Индекс машины, тип хода |
Мощность двигателя, кВт |
Емкость ковша, м3 |
Глубина копания, м |
Длина и ширина планировки, м |
Масса, т |
|
ОАО «Мотовилихинские заводы», Россия |
ЭО-43212 (ЗТМ-220) на КамАЗ-53228 |
55 |
0,5 |
До 5,8 |
3,7×2,4 |
19,5 |
|
ЭО-43213 (ЗТМ-221) на Урал-4320 |
55 |
0,5 |
До 5,7 |
3,7×2,4 |
20,7 |
|
|
ГУП ПО «Уралвагонзавод», Россия |
ЭТ-1 на ЭО-33211 |
99 |
0,4-1,3 |
До 5,9 |
4,0×2,5 |
22,0 |
|
МП «Святовит», Беларусь и Литва |
EW-25M 1.000 на МАЗ-6338 |
74 |
0,63-0,95 |
До 6,9 |
4,15×2,4 |
13,1 |
|
EW-25M 1.010 на МАЗ-6338 |
74 |
0,63-0,95 |
До 6,9 |
4,15×2,4 |
13,1 |
|
|
EW-25M 1.100 на КамАЗ-53228 |
74 |
0,4-0,95 |
До 6,9 |
4,15×2,4 |
22,8 |
|
|
EW-25M 1.100 на МЗКТ-8007 |
74 |
0,63 |
До 6,9 |
4,15×2,4 |
н/д |
|
|
ОАО «Кохановский экскаваторный завод», Беларусь |
ЭО-3533 М на МАЗ-5337 |
55 |
0,4-0,5 |
До 4,5 |
3,2×2,4 |
16,0 |
|
CSM-Tisovec, Словакия и Чехия |
UDS-114 а на Tatra 815-2 |
84,5 |
0,5-0,63 |
До 6,6 |
4,5×2,4 |
21,8 |
|
UDS-214.11 на Tatra 815-2 |
115 |
0,5-0,63 |
До 6,6 |
4,5×2,4 |
21,1 |
|
|
UDS-232 кол. шасси |
115 |
0,5-0,63 |
До 6,9 |
4,5×2,4 |
18,0 |
|
|
UDS-211 гус. |
84,5 |
0,5-0,63 |
До 6,9 |
4,5×2,4 |
18,0 |
|
|
UDS-112 кол. шасси |
74 |
0,4 |
До 4,2 |
4,5×2,4 |
13,18 |
|
|
Gradall, США |
XL-2300 кол. |
82 |
0,15-0,38 |
До 4,6 |
2,9 |
12,6 |
|
XL-3100 кол. |
142 |
0,29-0,52 |
До 5,9 |
3,3 |
15,8-16,7 |
|
|
XL-3300 кол. |
110 |
0,29-0,52 |
До 5,9 |
3,3 |
16,8 |
|
|
ХL-4100 кол. |
112 |
0,31-0,76 |
До 6,8 |
3,8 |
20,5-21,3 |
|
|
ХL-5100 кол. |
130 |
0,19-0,96 |
До 7,7 |
4,3 |
25,1-25,9 |
|
|
XL-2200 гус |
71 |
0,15-0,38 |
До 5,0 |
2,9 |
12,07 |
|
|
XL-3200 гус. |
103 |
0,29-0,52 |
До 6,1 |
3,4 |
18,4 |
|
|
XL-4200 гус. |
112 |
0,31-0,76 |
До 7,1 |
3,8 |
19,6 |
|
|
XL-5200 гус. |
130 |
0,19-0,96 |
До 7,9 |
4,3 |
23,9 |

Рис. 38.9. Каток вибрационный одновальцовый самоходный

Рис. 38.10. Виброплита реверсивная
Прицепные вибрационные катки для уплотнения грунтов различаются по мощности двигателя, ширине и диаметру вальца и массе (табл. 38.9).
Таблица 38.9
Виброкатки прицепные для уплотнения грунтов
|
Производитель, |
Индекс машины |
Мощность двигателя, |
Ширина |
Диаметр, |
Часто- |
Мас- |
|
ЗАО «Раскат», |
ДУ-70 ДУ-94 |
Гидропривод от тягача 44 |
2,0 2,0 |
1,6 1,6 |
25 25 |
5,9 7,5 |
|
ОАО «Волгодон- |
СД-801 к Т-150 СД-130 к Т-130, Т-170 |
Гидропривод от тягача То же |
2,0 2,31 |
1,6 1,6 |
25 25 |
7,0 10,0 |
|
АО «Коростень- |
ДУ-37Б к Т-150 ДУ-16Д к МоАЗ-6442 |
То же То же |
2,6 2,6 |
0,8 0,9 |
25 25 |
17,4 30,0 |
Реверсивные виброплиты различаются по мощности двигателя, ширине плиты (ширина уплотнения) и массе (табл. 38.11). Основные производители реверсивных виброплит в мире: Bomag (Германия), Weber (Германия), Vibromax (Германия), Ingersoll-Rand (США), Metso Minerals (Dynapac) Швеция и многие другие фирмы.
Таблица 38.10
Катки вибрационные самоходные для уплотнения грунтов
|
Производитель, страна |
Индекс, гладковальцовый/кулачковый |
Мощность |
Ширина |
Линейная |
Частота |
Масса, |
|
ЗАО «Раскат», Россия |
ДУ-111/- |
57 |
1,7 |
28,0 |
25 и 35 |
7,3/- |
|
ДУ-74/ДУ-74.1 |
57 |
1,7 |
28,0 |
40 и 25 |
8,5/9,0 |
|
|
ДУ-85/ДУ-85.1 |
129 |
2,0 |
32,0 |
25 |
13,0/13,5 |
|
|
ОАО «ЧТЗ-Уралтрак» |
ВК-24.01.01/ВК-24.01.02 |
170 |
2995 |
43,0 |
0-30 |
23,0/26,0 |
|
ОАО «Амкодор», Беларусь |
Амкодор 6715/- |
73,5 |
2100 |
50,0 |
30 |
10,5/- |
|
ВГ-1202/- |
73,5 |
2250 |
53,0 |
30 |
12,0/- |
|
|
Bomag, Германия |
BW 156 D-3/BW 156 PD-3 |
54 |
1,46 |
21,2 |
30 и 41 |
6,15/6,40 |
|
BW 177 D-3/BW 177 PD-3 |
54 |
1,69 |
24,0 |
30 и 38 |
7,36/7,55 |
|
|
BW 178 D-3/BW 178 PD-3 |
80 |
1,69 |
26,6 |
30 и 38 |
8,16/8,34 |
|
|
BW 179 D-3/BW 179 PD-3 |
80 |
1,69 |
30,2 |
30 и 38 |
8,77/8,25 |
|
|
BW 211 D-3/BW 211 PD-3 |
108 |
2,13 |
32,2 |
30 и 36 |
10,62/11,6 |
|
|
BW 212 D-3/BW 212 PD-3 |
92 |
2,13 |
32,2 |
30 и 36 |
11,08/11,48 |
|
|
BW 213 D-3/BW 213 PD-3 |
92 |
2,13 |
32,2 |
30 и 36 |
11,06/12,0 |
|
|
BW 214 DH-3/BW 214 PDH-3 |
92 |
2,13 |
38,1 |
30 и 36 |
13,78/14,23 |
|
|
BW 216 D-3/BW 216 PD-3 |
132 |
2,13 |
47,7 |
30 и 36 |
16,1/16,6 |
|
|
BW 219 DH-3/BW 219 PDH-3 |
118 |
2,13 |
55,6 |
29 и 35 |
19,12/19,47 |
|
|
BW 225 D-3/BW 225 PD-3 |
132 |
2,13 |
80,0 |
26 и 35 |
25,22/24,82 |
|
|
Hamm, Германия |
2220 D/2222 DS |
40 |
1,38 |
21,7 |
30 и 42 |
4,85/5,10 |
|
2420 D/2422 DS |
100 |
2,14 |
29,2 |
30 и 42 |
11,3 |
|
|
2520 D/2522 DS |
138 |
2,22 |
48,2 |
27 и 30 |
17,3 |
|
|
2620 D/2622 DS |
138 |
2,22 |
56,1 |
27 и 30 |
19,55/18,35 |
|
|
3205/3205 Р |
42,1 |
1,38 |
24,7 |
30 и 42 |
5,35/5,73 |
|
|
3307/3307 Р |
61 |
2,14 |
23,5 |
30 и 42 |
7,05 |
|
|
3412/3412 Р |
95 |
2,14 |
31,3 |
30 и 42 |
12,19/12,29 |
|
|
3516/3516 Р |
145 |
2,14 |
43,5 |
27 и 30 |
14,23/14,3 |
|
|
3518/3518 Р |
145 |
2,22 |
48,5 |
27 и 30 |
17,82/17,92 |
|
|
3520/3520 Р |
145 |
2,22 |
56,2 |
27 и 30 |
19,8/19,9 |
|
|
3625/- |
174 |
2,22 |
72,8 |
27 и 30 |
24,96/- |
|
|
Caterpillar, США |
CS-431C/- |
80 |
1,68 |
18,4 |
32 |
6,5/- |
|
CS-433C/CP-433C |
80 |
1,68 |
21,1 |
32 |
6,8/7,1 |
|
|
CS-531D/- |
108 |
2,13 |
24,0 |
32 |
10,83/- |
|
|
CS-533D/CP-533D |
108 |
2,13 |
25,0 |
32 |
11,03/11,39 |
|
|
CS-563D/CP-563D |
108 |
2,13 |
27,0 |
30 |
11,16/11,56 |
|
|
CS-583D/- |
108 |
2,13 |
26,0 |
30 |
15,2/- |
|
|
CS-663E/CP-663E |
134 |
2,13 |
н/д |
30 |
17,1/16,8 |
|
|
CS-683E/- |
134 |
2,13 |
н/д |
30 |
18,8/- |
|
|
Metro Minerals |
CA-121D/CA-121 PD |
32 |
1,36 |
13,0 |
30 |
4,0/4,35 |
|
CA-141D/CA-141 PD |
40 |
1,52 |
15,0 |
32,5 |
4,77/4,91 |
|
|
CA-152D/CA-152 PD |
71 |
1,67 |
21,4 |
29 |
7,3/7,7 |
|
|
CA-250D/CA-250 PD |
89 |
2,13 |
24,6 |
30 и 33 |
9,85/10,45 |
|
|
CA-252D/CA-252 PD |
89 |
2,13 |
24,0 |
30 и 33 |
9,85/10,45 |
|
|
CA-262D/CA-262 PD |
106 |
2.13 |
26,0 |
30 и 33 |
10,5/11,9 |
|
|
CA-302D/CA-302 PD |
89 |
2.13 |
38,0 |
30 и 33 |
12,6/12,5 |
|
|
CA-362D/CA-362 PD |
106 |
2.13 |
38,0 |
30 и 33 |
13,05/12,95 |
|
|
CA-402D/- |
89 |
2.13 |
38,0 |
30 и 33 |
13,8/- |
|
|
CA-512D/CA-512 PD |
120 |
2,13 |
49,3 |
27 и 31 |
15,6/15,8 |
|
|
CA-602D/CA-602 PD |
120 |
2,13 |
59,6 |
27 и 31 |
18,6/18,5 |
В табл. 38.12 приведены технологические параметры (экономически оправданная толщина уплотнения и производительность) вибрационных одновальцовых катков при уплотнении песка, супеси и суглинка.
Техническая производительность прицепных вибрационных катков меньше производительности самоходных катков на 20-25 % соответственно при длине участка уплотнения 20-100 м при массе прицепных катков, равной половине массы самоходных катков.
В табл. 38.13 приведены технологические параметры реверсивных виброплит.
Таблица 38.11
Виброплиты реверсивные
|
Производитель, стра- |
Индекс машины |
Мощность двигателя, |
Ширина уплот- |
Частота вибра- |
Масса, кг |
|
АО «СММ», |
AT-12 AT-15 |
3,2 диз. 3,6 диз. |
0,325-0,425 0,35-0,55 |
75 75 |
120-130 180-192 |
|
Vibromax, |
АТ-8 |
2,9 диз. |
0,325-0,425 |
100 |
80 |
|
AT-12 |
3,2 диз. |
0,325-0,425 |
75 |
120-130 |
|
|
AT-15 |
3,6 диз |
0,35-0,55 |
75 |
180-192 |
|
|
AT-25Y, AT-25H |
4,5 и 4,6 диз. |
0,40-0,60 |
75 |
215-227 |
|
|
AT-35Y, AT-25H |
6,6 и 5,8 диз. |
0,45-0,70 |
55 |
320-362 |
|
|
AT-45 |
10,5 диз. |
0,55-0,85 |
50 |
510-550 |
|
|
AT-60 |
10,3 диз. |
0,71-0,90 |
43 |
620-680 |
|
|
ATS-6002 |
8,9 диз. |
0,68-1,10 |
30,5 |
789-913 |
|
|
Metro Minerals |
LG-140 |
4,1 и 2,8 бенз. и диз. |
0,33 |
65 |
154, 166 |
|
LG-160 |
4,1 и 2,8 бенз. и диз. |
0,45 |
82 |
158, 171 |
|
|
LG-200 |
4,8 и 3,1 бенз. и диз. |
0,50 |
65 |
222, 233 |
|
|
LH-300 |
5,0 и 6,6 бенз. и диз. |
0,45-0,70 |
68 |
322, 327 |
|
|
LG-450 |
6,6 диз. |
0,75 |
60 |
464 |
|
|
LG-500 |
7,5 диз. |
0,55-0,75 |
60 |
475-547 |
|
|
LG-550 |
7,5 диз. |
0,75 |
60 |
554 |
|
|
LG-700 |
11,5 диз. |
0,66-0,96 |
53 |
768 |
|
|
Ingersoll-Rand, |
RX-55 |
2,5 бенз. |
0,33 |
90 |
55 |
|
RX-65 |
3,0 и 2,1 бенз. и диз. |
0,33 |
90 |
65 |
|
|
RX-75 |
3,1 диз. |
0,33 |
90 |
80 |
|
|
SX-75 |
4,6 диз. |
0,48 |
74 |
240 |
|
|
DX-60 |
5,0 диз. |
0,60 |
57 |
600 |
|
|
DX-70 |
6,1 диз. |
0,65 |
53 |
700 |
|
|
Bomag, |
BPR 25/40 |
4,0 и 3,4 бенз. и диз. |
0,40 |
78 |
124, 141 |
|
BPR 30/38 |
4,0 и 3,4 бенз. и диз. |
0,58 |
75 |
187, 207 |
|
|
BPR 35/38 |
4,0 и 3,4 бенз. и диз. |
0,58 |
75 |
187, 207 |
|
|
BPR 40/45D |
4,4 и 4,6 диз. |
0,45-0,75 |
68 и 65 |
308-369 |
|
|
BPR 50/52 D |
5,8 и 6,6 диз. |
0,52-0,82 |
62 |
408-455 |
|
|
BPR 75/60 D |
10,5 диз. |
0,58-0,90 |
57 и 33 |
644-753 |
|
|
BPR 80/60 D |
10,5 диз. |
0,58-0,90 |
72 |
643-693 |
|
|
BPR 80/65 D |
11,5 диз. |
0,80 |
72 |
740 |
Таблица 38.12
Технологические параметры виброкатков
|
Виброкатки |
Толщина уплотняемого слоя, м |
Производительность, м3/ч |
||||
|
песок |
супесь |
суглинок |
песок |
супесь |
суглинок |
|
|
С гладким вальцом 6-9 |
0,4-0,5 |
0,3-0,4 |
0,15-0,20 |
300-400 |
200-300 |
75-150 |
|
10-13 |
0,5-0,6 |
0,4-0,45 |
0,20-0,25 |
450-600 |
300-400 |
100-200 |
|
14-16 |
0,7-0,8 |
0,5-0,6 |
0,25-0,30 |
600-800 |
400-600 |
200-300 |
|
18-20 |
0,9-1,1 |
0,7-0,8 |
0,30-0,35 |
850-1200 |
600-800 |
300-400 |
|
С кулачковым вальцом 6-9 |
0,4-0,5 |
0,3-0,4 |
0,2-0,25 |
200-400 |
150-250 |
100-200 |
|
10-13 |
0,5-0,6 |
0,4-0,45 |
0,25-0,3 |
450-600 |
300-400 |
200-300 |
|
14-16 |
0,7-0,8 |
0,5-0,6 |
0,3-0,35 |
650-800 |
450-600 |
300-400 |
|
18-20 |
1,0-1,2 |
0,7-0,8 |
0,4-0,45 |
850-1200 |
650-800 |
450-600 |
Таблица 38.13
Технологические параметры виброплит реверсивных
|
Виброплиты |
Толщина уплотняемого слоя, м |
Производительность, м3/ч |
||||
|
песок |
супесь |
суглинок |
песок |
супесь |
суглинок |
|
|
120-150 |
0,2-0,25 |
0,15-0,2 |
0,10-0,15 |
10-20 |
8-15 |
5-10 |
|
180-250 |
0,3-0,35 |
0,25-0,3 |
0,15-0,20 |
15-30 |
12-25 |
8-15 |
|
300-450 |
0,4-0,45 |
0,35-0,4 |
0,2-0,25 |
25-50 |
20-40 |
12-25 |
|
500-750 |
0,5-0,6 |
0,45-0,5 |
0,3-0,35 |
40-80 |
30-60 |
20-40 |
Строительство слоев основания из грунтов и минеральных материалов, обработанных (укрепленных) органическими и неорганическими вяжущими, ведут двумя способами:
с использованием линейных грунтосмесительных машин непосредственно на полотне дороги;
с использованием карьерных (холодных, то есть без разогрева материалов) смесителей для приготовления смесей и укладочных машин, в качестве которых используются автогрейдеры, профилировщики и универсальные укладчики-асфальтоукладчики с рабочими органами повышенной износостойкости.
Линейные грунтосмесители (рис. 39.1) представляют собой мощные пневмоколесные тягачи со скоростным фрезерным рабочим органом и системой ввода воды и жидких вяжущих материалов. Для введения сыпучих вяжущих материалов (цемента) используют специальные распределители или машины для приготовления цементно-водной суспензии, пропускаемой через систему ввода воды.

Рис. 39.1. Грунтосмеситель линейный
Грунтосмесители различаются в основном по мощности двигателя и типу ходовой части (табл. 39.1). Основными производителями линейных грунтосмесителей в мире являются: Caterpillar (США), Wirtgen (Германия), Hamm (Германия), Kamatsu (Япония), CMI (США).
Распределители сыпучих вяжущих различаются в основном по вместимости бункера (табл. 39.2). Машину для приготовления цементно-водной суспензии выпускает Wirtgen (Германия), табл. 39.3.
Таблица 39.1
Линейные грунтосмесители
|
Производитель, страна |
Индекс машины |
Мощность двигателя, кВт |
Ширина обработки, м |
Глубина обработки, см |
Масса, т |
|
Caterpillar, США |
SS-250B SM-350 |
250 321 |
2,44 2,44 |
45,7 50,8 |
14,3 18,4 |
|
Wirtgen, Германия |
WR-2500 WR-2500K |
455 455 |
2,44 2,44 |
50,0 50,0 |
33,0 39,0 |
|
Hamm, Германия |
Raco 350 |
370 |
2,4 |
45,0 |
21,35 |
Таблица 39.2
Распределение сыпучих вяжущих
|
Производитель, страна |
Индекс машины |
Ширина распределения, м |
Вместимость бункера, м3 |
Норма дозирования кг/м2 |
Масса, т |
|
Panien, Германия |
Р12-Т |
2,4 |
12 |
30-120 |
5,5 |
|
Р17-Т |
2,4 |
17 |
30-120 |
10,3 |
|
|
Р15 |
2,4 |
15 |
30-120 |
4,45 |
Таблица 39.3
Машина для приготовления цементно-водной суспензии
|
Производитель, страна |
Индекс машины |
Вместимость бункера, м3 |
Вместимость водного бака, м3 |
Производитель- |
Масса, т |
|
Wirtgen, Германия |
WM-1000 |
25 |
11 |
1000 |
25,45 |
Для подачи минеральных материалов (щебня, песка и грунта) в приемные бункеры карьерных смесителей (а также бетоносмесителей и асфальтосмесителей) используют фронтальные пневмоколесные погрузчики с ковшом емкостью 1,2-4,0 м3. Фронтальные пневмоколесные погрузчики различают по емкости ковша, мощности двигателя и высоте разгрузки (табл. 39.4).
Таблица 39.4
Погрузчики фронтальные пневмоколесные
|
Производитель, |
Индекс |
Вместимость |
Грузоподъ- |
Высота раз- |
Мощность |
Масса, |
|
ОАО «Погрузчик», |
ПК-27-02-00 (ПК-27-02-01) |
1,35 |
3,3 |
2,8 |
55 |
7,85 |
|
ПК-27-03-00 (ПК-27-03-01) |
1,35 |
3,3 |
2,8 |
57,4 |
7,85 |
|
|
ПК-33-01-00 (ПК-33-01-01) ПК-33-02-00 (ПК-33-02-01) |
1,6 |
4,0 |
2,87 |
77 |
9,2 |
|
|
1,6 |
4,0 |
2,87 |
76,3 |
9,25 |
||
|
ПК-40-02-00 (ПК-40-02-01) |
1,95 |
5,0 |
2,88 |
80,9 |
9,93 |
|
|
ПК-6001 |
3,0 |
7,0 |
2,9 |
176 |
16,2 |
|
|
ЗАО «Челябстрой- |
В-138С |
2,1 |
3,8 |
3,2 |
132 |
14,6 |
|
Т-40 |
4,0 |
7,3 |
3,25 |
243 |
27,3 |
|
|
ОАО «Донецкий экс- |
ЗТМ-216 |
1,7-2,0 |
3,5 |
2,7 |
77 |
9,2 |
|
ОАО «Амкодор», |
322 |
1,24 |
2,2 |
2,75 |
59,5 |
9,0 |
|
333 (ТО-18Б2) |
1,6 |
3,3 |
2,8 |
95,5 |
10,2 |
|
|
342 (ТО-28А) |
2,2 |
4,0 |
3,07 |
109 |
12,3 |
|
|
382 (ТО-27) |
3,65-4,2 |
8,0 |
3,4 |
246 |
28,8 |
|
|
Caterpillar, США |
914G |
1,3-1,4 |
н/д |
2,6-2,68 |
67 |
7,15-7,32 |
|
924 G |
1,7-2,1 |
н/д |
2,67-2,85 |
82 |
10,2-10,45 |
|
|
928 G |
1,6-1,9 |
н/д |
2,73-2,88 |
93 |
11,66-11,84 |
|
|
938 G 950 G |
2,3-2,8 2,7-3,5 |
н/д н/д |
2,61-2,83 2,78-2,98 |
119 134 |
13,1-13,3 17,7-17,88 |
|
|
962 G |
2,9-3,8 |
н/д |
2,9-3,1 |
149 |
18,4-18,6 |
|
|
966 G |
3,3-3,8 |
н/д |
2,9-3,17 |
175 |
22,7-22,9 |
|
|
972 G |
3,8-4,3 |
н/д |
3,1-3,3 |
198 |
24,8-25,1 |
|
|
Komatsu, Япония |
WA-180-3 |
1,7 |
2,7 |
2,66 |
82 |
8,63 |
|
WA-250-1 |
1,9 |
3,0 |
2,7 |
107 |
10,5 |
|
|
WA-320 WA-380 |
2,5 3,1 |
3,7 4,6 |
2,7 2,8 |
112 135 |
12,9 16,9 |
|
|
WA-420 |
3,7 |
5,9 |
2,9 |
162 |
18,3 |
|
|
WA-470 |
4,2 |
6,2 |
3,0 |
194 |
21,14 |
|
|
Volvo, Швеция |
L 50 C |
1,5 |
2,4 |
2,8 |
74,5 |
8,14 |
|
L 70 C |
1,8 |
2,8 |
2,8 |
96 |
10,78 |
|
|
L 90 C |
2,5 |
3,75 |
2,8 |
118 |
14,5 |
|
|
L 150 C |
3,8 |
5,7 |
2,96 |
189 |
22,7 |
|
|
L 180 C |
4,8 |
7,2 |
3,07 |
209 |
25,9 |
Таблица 39.5
Битумовозы
|
Производитель, |
Индекс машины, тип |
Базовая |
Вмести- |
Ско- |
Наличие |
Масса, |
|
ОАО «Кургандор- |
ДС-138Б-01 на автошасси АЦБ-12-05 полуприцеп ДС-164 полуприцеп ДС-39Б-05 раздатчик |
КамАЗ-53213 КамАЗ-5410 КамАЗ-54112 ЗИЛ-433362 |
10 12 18 4 |
10 10 10 10 |
+ + + + |
9,6 14,2 14,4 5,8 |
|
ЗАО «Бецема», |
ППЦ-21 полуприцеп БЦМ-96042 полуприцеп |
МАЗ-54323 МАЗ-54323 |
21 25 |
12 12 |
- + |
8,2 без тягача 12,7 без тягача |
|
ОАО «Грабовский |
ППЦБ-12,3 полуприцеп |
КамАЗ-5410 |
12,3 |
н/д |
+ |
4,6 без тягача |
|
ОАО «Нефтекам- |
9638 полуприцеп |
КамАЗ-54112 |
18,5 |
5 |
- |
7,5 без тягача |
|
ОАО «Иркутский |
Б 62 М20-3 полуприцеп Б 62 М20-4 полуприцеп |
КамАЗ-54112 КамАЗ-54112 |
15,0 20,0 |
10 10 |
- - |
12,26 14,5 |
|
ОАО «Кредмаш», |
АБ-30,5 полуприцеп |
МАЗ-64229 |
30,5 |
н/д |
- |
20,8 |
Таблица 39.6
Цементовозы
|
Производи- |
Индекс машины, тип |
Базовая |
Вмести- |
Производи- |
Производи- |
Масса, т |
|
ЗАО |
ТЦ-26 полуприцеп |
ЗИЛ-441510, ЗИЛ-442100 |
7,5(10,9) |
600 |
1000 |
3,3 без тягача |
|
ТЦ-15 полуприцеп |
МАЗ-5433 |
12,3(14,0) |
600 |
1000 |
4,1 без тягача |
|
|
ТЦ-25 полуприцеп ТЦ-12 полуприцеп |
КамАЗ-5410 КамАЗ-54112 |
13,1(15,0) 16,0 (20,0) |
- - |
1000 1000 |
5,1 без тягача 6,0 без тягача |
|
|
ТЦ-21 полуприцеп |
МАЗ-54329 |
24,4 (28,0) |
- |
1000 |
7,0 без тягача |
Основные производители фронтальных пневмоколесных погрузчиков в мире: Caterpillar (США), Коmatsu и Hitachi (Япония), Volvo (Швеция), Case (Франция и США), ICB (Англия), Hyundai (Южная Корея) и многие другие фирмы. В России и странах СНГ основные производители: ОАО «Погрузчик», ЗАО «Челябстройдормаш», ОАО «Донецкий экскаватор» (Украина) и ОАО «Амкодор» (завод «Ударник»), Беларусь.
Для подачи к линейным грунтосмесителям, карьерным смесителям и асфальтосмесителям органических вяжущих (битума и битумной эмульсии) используют битумовозы, а для подачи к линейным грунтосмесителям, карьерным смесителям и бетоносмесителям цемента используют цементовозы.
Битумовозы и цементовозы различаются по вместимости цистерны, марке бакового автошасси (табл. 39.5 и 39.6).
Битумовозы выпускают несколько заводов России. Цементовозы в России в основном выпускает ЗАО «Бецема».
Слои основания из щебня и гравия строят с использованием подобранных смесей или методом заклинки. Для распределения каменных материалов используют бульдозеры (первые проходы) и автогрейдеры (чистовая планировка). Для чистовой планировки используют также профилировщики. Распределение щебня выполняют также асфальтоукладчиками.
Для распределения второго и третьего слоя (фракции) при использовании метода заклинки используют самоходные и прицепные распределители щебня (рис. 39.2) и реже навесные на самосвал распределители щебня (рис. 39.3).

Рис. 39.2, Распределитель щебня прицепной

Рис. 39.3. Распределитель щебня навесной
Таблица 39.7
Распределители щебня
|
Производитель, |
Индекс машины |
Привод распреде- |
Емкость бун- |
Ширина рас- |
Производи- |
Масса, |
|
ЗАО «Бецема», |
БЦМ-70 прицеп |
От колеса |
1,5 |
0,25-3,0 |
90 |
1,5 |
|
ОАО «Дробмаш», |
ДРО-645 прицеп |
То же |
1,3 |
0,25-3,05 |
139 |
2,5 |
|
ОАО НПО «Росдор- |
Т-224 к трактору МТЗ-80/82 |
Гидравлич. |
3,0 |
3,0 |
60 |
2,8 |
|
Arrow, Англия |
SD. 4100 самоходн. 133 кВт |
То же |
4 + 2,5 |
0,35-4,1 |
- |
11.3 |
|
Savalco, Швеция |
HS 305 HS 355 HS 380 HS 420 прицеп к самосвалу |
От колеса То же То же То же |
1,3 1,6 1,7 1,9 |
3,05 3,55 3,80 4,20 |
- - - - |
1,225 1,300 1,339 1,390 |
Различаются распределители щебня по емкости бункера и ширине распределения щебня (табл. 39.7 и 39.8). Распределители щебня (особенно прицепные и навесные) являются простейшими машинами и выпускаются в России и в мире многими фирмами.
Таблица 39.8
Распределители щебня навесные
|
Производитель, страна |
Индекс оборудования |
Привод распределителя, тип |
Ширина распределения, м |
Базовая машина, тип |
Емкость бункера, м3 |
Масса, т |
|
ОАО «Дробмаш», Россия |
ДРО-644 к самосвалу |
От колеса самосвала |
0,25-2,0 |
Самосвал |
1,0 |
0,27 |
|
Weisig Maschinenbau, Германия |
Sinus 900 к самосвалу |
То же |
0,25-3,1 |
Самосвал |
1,0 |
0,3 |
|
Rincheval, Франция |
Sinus G.T.I. |
То же |
3,6-4,5 через 0,25 |
Самосвал |
1,0 |
0,3 |
Для строительства асфальтобетонных покрытий используется целый ряд машин:
асфальтоукладчики для укладки (распределения и предварительного уплотнения) асфальтобетонных смесей;
автогудронаторы при распределении битума или битумной эмульсии (грунтовки) для обеспечения совместной работы слоев основания и покрытия;
подборщики и перегружатели для создания (увеличения) запаса асфальтобетонной смеси между транспортными средствами и асфальтоукладчиком и обеспечения непрерывной работы асфальтоукладчика при различных темпах укладки;
катки различного типа и размера для уплотнения асфальтобетонных смесей.
Асфальтоукладчики (рис. 39.4) являются главными ведущими машинами при строительстве асфальтобетонных покрытий. Различают асфальтоукладчики по ширине укладки, производительности, вместимости приемного бункера и типу ходовой части (гусеничные и колесные), табл. 39.9.
Основные производители асфальтоукладчиков в России: ОАО «Радицкий машинный завод», ОАО «Брянский Арсенал», а в странах СНГ - ОАО «Дормашина» (Украина).
Основными производителями асфальтоукладчиков в мире являются: Vogele, ABG (Ingersoll-Rand), Demag (Metso Minerals) - Германия, Bitelli и Marini (Италия), Caterpillar, Roadtec (США), Blaw-Knox (США и Англия), а также ряд других фирм.
Автогудронаторы (рис. 39.5) различаются по грузоподъемности, ширине распределения и типу базового автошасси (табл. 39.10). Производят автогудронаторы многие фирмы России и мира.

Рис. 39.4. Асфальтоукладчик

Рис. 39. 5. Автогудронатор

Рис. 39.6. Подборщик смеси
Подборщики (рис. 39.6) и перегружатели (рис. 39.7), как сказано выше, служат для увеличения скорости укладки при обеспечении безостановочной работы асфальтоукладчиков. Подборщики смеси из валика различают по производительности, а перегружатели по производительности, вместимости бункера-накопителя и мощности двигателя (табл. 39.11).
Основные производители подборщиков и перегружателей - американские фирмы, а также Vogele (Германия) и Metso Minerals (Швеция).

Рис. 39.7. Перегружатель смеси
Основные показатели (максимальный темп укладки и часовая потребность в асфальтобетонной смеси) для различных схем подачи асфальтобетонной смеси в бункер асфальтоукладчика и ширине укладки 8-9 м приведены в табл. 39.12.
Таблица 39.9
Асфальтоукладчики
|
Производитель, |
Индекс машины, |
Ширина уклад- |
Произво- |
Вмести- |
Мощность дви- |
Масса, |
|
ОАО «Радицкий ма- |
ДС 191.504 кол. |
3,0-4,5 (7,5) |
500 |
14,0 |
74 |
18,0 |
|
ДС 191.506 кол. |
3,0-5,2 (6,2) |
500 |
14,0 |
74 |
20,0 |
|
|
АСФ-К-2-02 кол. |
2,2-3,75 |
390 |
8,0 |
57,4 |
13,0 |
|
|
АСФ-К-3-03 кол. |
2,5-4,5 (6,5) |
500 |
12,0 |
90,4 |
18,5 |
|
|
АСФ-Г-4-01 гус. |
2,5-6,5 (9,0) |
600 |
14,0 |
90,4 |
22,0 |
|
|
ОАО «Брянский Ар- |
ДС-181 кол. |
3,0-4,5 (7,5) |
450 |
10,0 |
77,0 |
20,0 |
|
Асф К-2 кол. |
2,5-4,7 |
350 |
8,0 |
77,0 |
13,4 |
|
|
ОАО «Дороги России», Россия |
СД-404 Б кол. |
3,0-7,0 |
450 |
12,0 |
77,0 |
17,3 |
|
ОАО «Дормашина», Украина |
ДС-189 гус. |
3,0-4,5 |
210 |
10,0 |
44 |
13,5 |
|
ДС-195 гус. ДС-199 гус. |
3,0-4,5 3,0-4,5 |
210 210 |
10,0 10,0 |
44 44 |
13,5 13,5 |
|
|
ДС-200 кол. |
2,5-4,5 |
210 |
12,0 |
44 |
13,5 |
|
|
ДН-406 гус |
3,0-9,0 |
500 |
12,0 |
103 |
18,0 |
|
|
Vogele, |
Super Boy гус. |
1,1-2,6 |
50 |
3,5 |
31 |
4,8 |
|
Super 1400 гус. |
2,0-4,75 |
300 |
8,0 |
51,5 |
10,9 |
|
|
Super 1600 гус. |
2,5-8,0 |
390 |
13,0 |
84 |
17,2 |
|
|
Super 1800 гус. |
2,5-10,0 |
600 |
13,0 |
121 |
20,7 |
|
|
Super 1900 гус. |
2,5-10,0 |
700 |
13,0 |
129 |
22,3 |
|
|
Super 2100 гус. |
2,5-12,5 |
900 |
14,0 |
160 |
24,7 |
|
|
Super 2500 гус. |
3,0-16,0 |
1100 |
17,5 |
209 |
31,5 |
|
|
Super 1203 гус. |
1,7-4,0 |
150 |
10,0 |
57 |
9,5 |
|
|
Super 1402 кол. |
2,0-4,75 |
300 |
8,0 |
51,5 |
11,2 |
|
|
Super 1603 кол. |
2,5-8,0 |
390 |
13,0 |
84 |
16,4 |
|
|
Super 1804 кол. |
2,5-8,0 |
600 |
13,0 |
121 |
18,5 |
|
|
Super 1903 кол. |
2,5-8,5 |
700 |
13,0 |
111 |
19,5 |
|
|
Caterpillar, |
АР-650 В гус. |
1,8-6,1 |
1300 |
10,0 |
70 |
13,16 |
|
АР-800 С кол. |
1,8-6,1 |
1801 |
11,0 |
80 |
13,58 |
|
|
АР-900 В кол. |
2,44-9,15 |
2134 |
12,2 |
115 |
17,13 |
|
|
АР-100 В кол. |
2,44-9,15 |
2177 |
12,2 |
130 |
19,46 |
|
|
АР-1050 В гус. |
2,44-9,15 |
2177 |
12,2 |
130 |
19,01 |
|
|
АР-1055 В гус. |
2,44-9,15 |
2177 |
12,2 |
130 |
19,36 |
|
|
BG-210 В кол. |
1 1,8-4,9 |
1222 |
9,6 |
80 |
11,78 |
|
|
BG-230 В кол. |
1,8-6,1 |
1801 |
11,0 |
80 |
15,19 |
|
|
BG-240 С кол. |
2,44-7,3 |
2134 |
12,2 |
115 |
18,10 |
|
|
BG-260 С кол. |
2,44-7,9 |
2177 |
12,2 |
130 |
19,46 |
|
|
BG-225 С гус. |
1,8-6,1 |
1300 |
10,0 |
90 |
13,16 |
|
|
BG-245 С гус. |
2,44-9,15 |
2177 |
12,2 |
130 |
19,01 |
|
|
BG-2455 C гyс. |
2,44-9,15 |
2177 |
12,2 |
130 |
19,36 |
|
|
ABG-Ingersoll |
Titan 111 гус. |
1,5-4,0 |
300 |
8,0 |
42 |
8,4 |
|
Titan 135 гус. |
1,75-4,0 |
200 |
7,5 |
43 |
7,0 |
|
|
Titan 223 гус. |
2,5-7,0 |
600 |
13,5 |
79 |
15,9 |
|
|
Titan 225 гус. |
2,5-7,5 |
600 |
13,5 |
100 |
17,4 |
|
|
Titan 323 гус. Titan 324 гус. |
2,5-9,0 2,5-8,5 |
600 600 |
13,5 13,5 |
106 106 |
20,0 25,0 |
|
|
Titan 325 гус. |
2,5-10,0 |
600 |
13,5 |
126 |
18,1 |
|
|
Titan 423 гус. |
2,5-12,0 |
800 |
14,0 |
126 |
25,6 |
|
|
Titan 511 гус |
2,0-12,5 |
1200 |
15,0 |
167 |
33,0 |
|
|
Titan 273 кол. |
2,5-7,0 |
500 |
12,0 |
87 |
15,9 |
|
|
Titan 455 кол. |
2,5-9,0 |
600 |
12,0 |
79 |
17,8 |
Таблица 39.10
Автогудронаторы
|
Производитель, страна |
Индекс машины |
Базовое шасси |
Грузоподъ- |
Ширина рас- |
Норма распреде- |
Масса, т |
|
ОАО «Кургандормаш», Россия |
ДС-39 Б ДС-142 Б |
ЗИЛ-433362 КамАЗ-53213 |
4 7,5 |
До 4,8 До 4,8 |
0,5-2,5 0,3-2,5 |
9,88 17,85 |
|
ОАО «Дороги России», Россия |
ДС-2 ДС-3 |
ЗИЛ-433362 КамАЗ-53213 |
4 7 |
До 4,0 До 4,0 |
0,5-3,0 0,5-3,0 |
11,0 17,3 |
|
ЗАО «Бецема», Россия |
БЦМ-65 |
КамАЗ-53213 |
8 |
2,5-4,0 |
0,2-0,3 |
н/д |
|
ОАО «Иркутскдор- |
СДК-100 СД-203 |
КамАЗ-5410 КамАЗ-5410 |
12 10 |
До 4,5 До 4 |
0,1-4,0 0,3-3,0 |
26,0 26,1 |
Таблица 39.11
Подборщики и перегружатели
|
Производитель, |
Индекс машины, |
Производи- |
Вместимость |
Мощность двига- |
Прием смеси, |
Масса, |
|
Vogele, Германия |
МТ-1000 загрузчик |
700 |
20 |
108 |
Из самосвала |
16 |
|
Metso Minerals, |
MF-250 загрузчик |
1440 |
14 |
123 |
То же |
14,7 |
|
Roadtec, США |
SB-l500 перeгрyж. SB-2500 перегруж. |
544 544 |
13,6 22,7 |
137 206 |
То же То же |
27,2 34,5 |
|
Blaw-Knox, США |
МС-330 конвейер-перегр. |
544 |
27,2 |
137 |
Тоже |
25,5 |
|
Caterpillar, США |
BG-650 подбор. |
1829 |
- |
80 |
Из валика |
7,98 |
|
Cedarapids, США |
CR MS-1 подбор. CR MS-2 подбор. CR MS-3 подбор. |
900 900 900 |
- - - |
75 57 67 |
То же То же То же |
6,81 6,13 8,53 |
Таблица 39.12
Основные показатели схем укладки
|
Схемы подачи |
Максимальный темп укладки без
ос- |
Потребность в асфальтобетонной |
||
|
6 |
12 |
6 |
12 |
|
|
Самосвал - бункер асфальтоукладчика |
1200 пог. м/смену |
600 пог. м/смену |
186,3 т/ч |
186,3 т/ч |
|
Самосвал - накопитель - бункер
асфальто- |
3500 пог. м/смену |
1750 пог. м/смену |
543,4 т/ч |
543,4 т/ч |
|
Самосвал - валик смеси на
основании - |
10000 пог. м/смену |
5000 пог. м/смену |
1552,5 т/ч |
1552,5 т/ч |
Для строительства цементобетонных покрытий и оснований также используется целый ряд машин:
бетоноукладчики для укладки (распределения, уплотнения, отделки поверхности бетонного слоя) бетонных смесей;
оборудование для распределения пленкообразующих материалов для ухода за бетоном;
нарезчики швов для нарезки пазов продольных и поперечных швов сжатия;
заливщики швов для прочистки, просушки и заполнения герметизирующей мастикой пазов продольных и поперечных швов.
Бетоноукладчики (рис. 39.8) в настоящее время применяют только со скользящими формами. Различают бетоноукладчики по ширине укладки и мощности двигателя (табл. 39.13). Основные производители бетоноукладчиков - фирмы Германии и США.
Нарезчики швов (рис. 39.9) различают по мощности двигателя и максимальной глубине и ширине нарезаемого паза шва (табл. 39.14). Основные производители нарезчиков швов - фирмы Германии и США. В последние годы в России выпуск нарезчиков швов освоили несколько фирм.

Рис. 39.8. Бетоноукладчик

Рис. 39.9. Нарезчик швов
Таблица 39.13
Бетоноукладчики
|
Производитель, страна |
Индекс машины |
Ширина укладки, м |
Толщина покрытия, см |
Мощность двигателя, кВт |
Скорость рабочая, м/мин. |
Масса, т |
|
Gomaco, |
GP-2600 |
3,66-9,75 |
48,3 |
171,6 |
0-21,2/16,1 |
33,6/39,6 |
|
GHP-2800 |
3,66-9,75 |
48,3 |
223,6 |
0-37,2/21,2 |
31,8/36,3 |
|
|
GP-4000 |
3,66-15,24 |
48,3 |
0-11,2/11,2 |
39,9/52,2 |
39,9/52,2 |
|
|
CMI, США |
SF-3002 |
3,5-9,75 |
45,7 |
194,0 |
0-18,3 |
19,3/24,3 |
|
SF-4002 |
3,5-11,6 |
45,7 |
243,0 |
0-26,5 |
24,6/29,1 |
|
|
SF-5002 |
3,5-11,6 |
45,7 |
243,0 |
0-26,5 |
36,2/47,1 |
|
|
SF-6004 |
3,5-13,6 |
61,0 |
243,0 |
0-18,3 |
57,2 |
|
|
SF-7004 |
3,5-15,25 |
61,0 |
294,0 |
0-18,3 |
61,2 |
|
|
Wirtgen, |
SP-500 |
2,0-6,0 |
39,0 |
133,0 |
0-15,0 |
12-39 |
|
SP-850 |
2,5-9,5 |
45,0 |
186,0 |
0-20,0 |
29-44 |
|
|
SP-850 Vario |
3,0-8,5 |
45,0 |
186,0 |
0-20,0 |
29-44 |
|
|
SP-1500 |
5,0-15,25 |
45,0 |
272,0 |
0-20,0 |
49-78 |
|
|
SP-1500L |
5,0-15,25 |
45,0 |
272,0 |
0-20,0 |
107 |
|
|
SP-1600 |
5,0-16,0 |
45,0 |
317,0 |
0-20,0 |
57-135 |
|
|
Massenza, |
CSP-5000 |
2,0-5,0 |
35,0 |
78,0 |
0-8,0 |
12,0 |
|
CSP-7500 |
2,7-7,5 |
39,0 |
112,0 |
0-8,0 |
14,0 |
|
|
CSP-12500 |
До 12,5 |
45,0 |
235,0 |
0-8,0 |
34,0 |
|
|
CSP-15000 |
До 15,0 |
50,0 |
294,0 |
0-8,0 |
54,0 |
Заливщики швов (рис. 39.10) различают по емкости (вместимости) бака для мастики и типу обогрева (наиболее безопасный для мастики - масляный), а также наличию или отсутствию в его составе компрессора для привода теплового копья (газовой горелки) для прогрева паза шва перед заливкой (табл. 39.15). Основные производители заливщиков - фирмы Германии и США.

Рис. 39.10. Заливщик швов
Слои износа (защитные слои) покрытия устраивают методами поверхностной обработки и укладки литых эмульсионно-минеральных смесей (ЛЭМС). Для реализации метода поверхностной обработки используют:
автогудронаторы и распределители щебня (разд. 39.2, 39.3);
битумо (эмульсия),-щебнераспределители, выполняющие распределение органического вяжущего и мелкого щебня одновременно и синхронно.
Таблица 39.14
Нарезчики швов
|
Производитель, страна |
Индекс машины, тип |
Мощность двигателя, кВт |
Диаметр диска, мм |
Глубина резания, мм |
Ширина паза, мм |
Масса, кг |
|
ОАО «Мотокран», Россия |
РШ-120-01 |
4,8 |
350 |
120 |
10 |
72 |
|
РШ-190 |
9,6 |
500 |
190 |
12 |
165 |
|
|
ФГУП СНПЦ «Росдортех», Россия |
КП-158А |
3,0 |
390 |
80 |
10 |
70 |
|
КП-158 |
4,8 |
390 |
80 |
10 |
70 |
|
|
ООО «Партнер», Россия |
К 650 А |
3,5 |
300 |
100 |
10 |
93 |
|
К 700 А |
3,5 |
350 |
120 |
12 |
99 |
|
|
К 950-14 А |
4,5 |
350 |
120 |
12 |
103 |
|
|
К 950-16 А |
4,5 |
390 |
145 |
12 |
112 |
|
|
К 1250-16 А |
5,8 |
390 |
145 |
12 |
143 |
|
|
ООО «Сплитстоун», Россия |
CS-1813 бензин. |
9,4 |
350-450 |
120-150 |
12 |
135 |
|
CS-189 бензин. |
6,5 |
350-450 |
120-150 |
10 |
125 |
|
|
CS-146 бензин. |
4,5 |
300-350 |
120 |
6 |
45 |
|
|
Cedima, Германия |
CF-12.3 бензин. |
9,6 и 13,0 |
390 |
145 |
12 |
98 |
|
CF-12.2 дизель |
4,6 и 6,3 |
390 |
145 |
10 |
103 |
|
|
CF-15.2 дизель |
6,6 и 9,0 |
450 |
170 |
12 |
116 |
|
|
С F-2011 дизель |
11,0 и 15,0 |
650 |
239 |
18 |
330 |
|
|
Lissmac, Германия |
FS 13/28 бензин. |
9,6 |
450 |
150 |
12 |
78 |
|
FS 15 бензин. |
9,6 |
450 |
160 |
12 |
98 |
|
|
FS 15 дизель |
7,5 |
450 |
160 |
12 |
118 |
|
|
FS 20 бензин. |
15,0 |
600 |
220 |
18 |
195 |
|
|
FS 20 дизель |
11,8 |
600 |
220 |
18 |
250 |
|
|
FS 22 дизель |
16,0 |
700 |
270 |
24 |
350 |
|
|
Weber, Германия |
DSM 35 R |
6,3 |
300 |
120 |
12 |
90 |
|
DSM 40 R |
8,2 |
400 |
145 |
12 |
116 |
|
|
DSM 45 Н |
9,7 |
450 |
165 |
12 |
128 |
|
|
SM 57-2 |
6,3 |
350 |
120 |
18 |
70 |
|
|
SM 62-2 |
8,2 |
400 |
145 |
18 |
84 |
|
|
SM 82-2 |
10,0 |
450 |
165 |
18 |
128 |
|
|
SM 102 В |
12,0 |
450 |
165 |
24 |
239 |
|
|
SM 122 В |
12,0 |
450 |
165 |
24 |
322 |
Битумощебнераспределители (рис. 39.11) различают по ширине обработки, емкости (вместимости) бака для вяжущего и бункера для щебня, методу загрузки (на базе или на полотне дороги), а также по типу базового автошасси (табл. 39.16).
Основные производители битумощебнераспределителей в России: ОАО «Кургандормаш», ОАО «Дороги России», ОАО «Самарский завод «Строммашина» совместно с Breining (Германия), ОАО НПО «Росдормаш» совместно с Secmair (Франция). Основные производители битумощебнераспределителей в мире - фирмы Германии, Франции и Швеции.

Рис. 39.11. Битумощебнераспределитель

Рис 39.12. Смеситель-укладчик ЛЭМС
Таблица 39.15
Заливщики швов
|
Производитель, страна |
Индекс машины |
Мощность двигателя, Вт |
Вместимость бака, л |
Тип машины |
Тип подогрева |
Масса, т |
|
ОАО НПО «Росдормаш», Россия |
ЭД-135.1 |
8,3 |
460 |
Прицеп |
Масляный |
1,86 |
|
Breining, Германия |
MONO-90A |
н/д |
90 |
Прицеп |
Масляный |
0,39 |
|
MONO-250 |
н/д |
250 |
Прицеп |
Масляный |
0,98 |
|
|
MONO-500 |
н/д |
500 |
Прицеп |
Масляный |
1,15 |
|
|
MONO-800 |
н/д |
800 |
Прицеп |
Масляный |
1,52 |
|
|
DUO-1000 |
н/д |
1000 |
Прицеп |
Масляный |
1,98 |
|
|
DUO-1600 |
н/д |
1600 |
Прицеп |
Масляный |
3,00 |
|
|
Sheffer, Германия |
LS-100 |
н/д |
120 |
Прицеп |
Масляный |
0,34 |
|
LS-250/200 |
н/д |
250 |
Прицеп |
Масляный |
0,98 |
|
|
LS-450/350 |
н/д |
450 |
Прицеп |
Масляный |
1,25 |
|
|
LS-600/500 |
н/д |
600 |
Прицеп |
Масляный |
1,45 |
|
|
LS-1000 |
н/д |
1000 |
Прицеп |
Масляный |
1,70 |
|
|
LS-2000 |
н/д |
2000 |
Прицеп |
Масляный |
3.39 |
|
|
Crafco, США |
SS 60 |
10,3 газ. |
220 |
Прицеп 1-осн. |
Масляный |
0,68 |
|
SS 125 P |
10,3 газ. |
473 |
Прицеп 1-осн. |
Масляный |
1,27 |
|
|
SS 125 D |
17,0 дизель |
473 |
Прицеп 1-осн. |
Масляный |
1,27 |
|
|
SS 125 DC |
27,4 дизель |
473 |
Прицеп 1-осн. |
Масляный |
1,82 |
|
|
SS 250 D |
10,0 дизель |
946 |
Прицеп 1-осн. |
Масляный |
2,2 |
|
|
EZ 50 |
3,0 газ. |
190 |
Прицеп 2-осн. |
Масляный |
0,68 |
|
|
EZ 100 P |
6,0 газ. |
380 |
Прицеп 2-осн. |
Масляный |
1,32 |
|
|
EZ 100 D |
10,0 дизель |
380 |
Прицеп 2-осн. |
Масляный |
1,32 |
|
|
EZ 200 P |
14,8 газ. |
760 |
Прицеп 2-осн. |
Масляный |
1,59 |
|
|
EZ 200 D |
24,4 дизель |
760 |
Прицеп 2-осн. |
Масляный |
1,82 |
|
|
EZ 400 D |
18,8 дизель |
1514 |
Прицеп 2-осн. |
Масляный |
2,54 |
|
|
Strabmayer, Австрия |
RWK 120/100 H |
н/д |
120 |
Прицеп |
Масляный |
0,34 |
|
RWK 190/150 |
н/д |
190 |
Прицеп |
Масляный |
0,75 |
|
|
RWK 250/200 |
н/д |
250 |
Прицеп |
Масляный |
0,98 |
|
|
RWK 450/350 |
н/д |
450 |
Прицеп |
Масляный |
1,25 |
|
|
RWK 600/500 |
н/д |
600 |
Прицеп |
Масляный |
1,45 |
|
|
RWK 900/800 |
н/д |
900 |
Прицеп |
Масляный |
1,60 |
|
|
RWK 1800/1600 |
н/д |
1800 |
Прицеп |
Масляный |
3,00 |
Смесители-укладчики ЛЭМС (рис. 39.12) различают по ширине обработки, емкости бака для эмульсии и бункера для минеральных материалов, методу загрузки (на базе и на полотне дороги), а также по производительности мешалки (табл. 39.17).
Основные производители смесителей-укладчиков ЛЭМС - фирмы США, Германии, Италии и Франции. В России такие машины не производятся. Начато их производство на Украине.
Для уплотнения слоев основания и покрытия используются:
из грунтов и минеральных материалов, обработанных вяжущими, из щебня и гравия и из укатываемых бетонных смесей - вибрационные и комбинированные двухосные катки, а при их отсутствии вибрационные одноосные катки для уплотнения грунтов при минимальной амплитуде вибрации;
из асфальтобетонных смесей - вибрационные двухосные, комбинированные двухосные, пневмоколесные двухосные и статические двухосные катки.
Пневмоколесные катки применяют на начальной (1-2 прохода) и завершающей стадии уплотнения, так как в последнем случае они не вызывают «переуплотнения» с дроблением зерен щебня; статические катки применяют для уплотнения краевой части укладываемой полосы, так как они в значительно меньшей степени вызывают оплывание (течение) края слоя (рис. 39.15).
Основными уплотняемыми средствами для слоев основания и покрытия являются двухосные вибрационные и комбинированные катки (рис. 39.13 и рис. 39.14). Двухосные вибрационные и комбинированные катки различают по массе (основной показатель), ширине и диаметру вальца, мощности двигателя (значительно реже) и частоте вибрации (табл. 39.18).
Основные производители двухосных катков в России: ЗАО «Раскат» и ОАО «Саста». В мире двухосные вибрационные и комбинированные катки производят очень много фирм. Наиболее прогрессивные модели таких катков производят фирмы Германии и США.
Таблица 39.16
Битумощебнераспределители
|
Производитель, |
Индекс машины, тип |
Базовое шасси |
Ширина обработки, м |
Емко- |
Емко- |
Загрузка щебня |
|
ОАО «Кургандор |
ДС-180 полуприцеп |
КамАЗ-54112 |
2.66 по вяж. 2.50 по щебню |
4,0 |
7,0 |
Из самосвала сзади |
|
ОАО «Самарский |
БШР-375 прицеп |
Битумовоз ДС-138 |
3,75 |
- |
7,5 |
То же |
|
ОАО «Дороги России», Россия |
РД-701 прицеп |
Трактор Т-150 К |
3,5 |
6,0 |
6,0 |
То же |
|
ПКМП «Белдортехника», Беларусь |
БД-131 прицеп |
Автогудронатор АРБ-7 |
3,5 |
3,0 |
7,0 |
То же |
|
ДП «Новая техни- |
ДН-008 полуприцеп ДН-014 самоходный |
КрАЗ-6443 Автогудронатор |
2,5-3,0 2,5-3,0 |
6,0 11,0 |
7,0 10,0 |
То же То же |
|
ФГУП СНПЦ «Росдортех», Россия совместно с Secmair, |
Chipsealer-19 на шасси Chipsealer-26полуприцеп Chipsealer-40 полуприцеп |
МАЗ-5551 СЗАП-9905 Седельный тягач |
1,5 3.13,5 3,6 |
2,5 6,0 6,0 |
4,0 8,0 12,0 |
Погрузчиком То же Самозагрузка грейдером |
|
Secmair, Франция |
Chipsealer-32 на шасси |
Автошасси |
3,1 |
6,0 |
8,0 |
То же |
|
Schafer, |
PZA 4000 PZA 8000 PZA 1400 |
Битумовоз То же Сед. тягач |
3,0 2,4 3,0 |
- 8,0 14,0 |
4,5 7,0 7,0 |
Из самосвала сзади То же То же |
|
Rincheval, |
Twinsealer полупр. Videosedler полупр. |
То же То же |
3,1 3,1 |
6,0 6,0 |
8,0 8,0 |
Погрузчиком То же |
|
Metso Minerals |
НР-27 на шасси |
Автомобиль-самосвал |
2,7 |
1,1-2,5 |
6-8 |
То же |
Таблица 39.17
Смесители-укладчики ЛЭМС
|
Производитель, страна |
Индекс машины, тип |
Базовая ма- |
Ширина |
Емкость |
Емкость |
Производи- |
|
ОАО «Дормаши- |
ДН-009 полуприцеп ДН-012 полуприцеп |
КрАЗ-6443 То же |
2,5-3,75 2,5-3,75 |
2,3 + 2,3 4,5 + 4,5 |
10 13,0 |
2,0 2,0 |
|
Vally Slarry Seal, |
Минимак, циклич. Маккропейвер, циклич. |
Автошасси То же |
2,0-2,5 2,5-3,6 |
1,1 2,6-3,2 |
2,7 7,7-9,2 |
1,0 2,7-3,6 |
|
Breining, Германия |
Минисларриматик, цикл. Сларриматик С-Н 6000, цикл. С-Н 8000, циклич. С-Н 1000, циклич. Сларриматик С-Н 10000, непр. С-Н 12000 непр. С-Н 15000 непр. |
То же То же То же То же Спец.Шасси То же То же |
2,0-2,5 2,5-3,5 2,5-3,5 2,5-3,5 3,0-4,0 3,0-4,0 3,0-4,0 |
1,2 2,3 2,5 2,75 3,5 4,0 5,0 |
2,5 6,0 8,0 10,0 10,0 12,0 15,0 |
1,0 2,7 3,5 4,0 4,0 4,0 4,0 |
|
Akzo-Nobel, |
HD-10, циклич. СБ-504, циклич. СБ-804, циклич. СБ-1000, циклич. ЦРМ-500, непр. |
Автошасси То же То же То же Спец.Шасси |
2,5-3,0 2,5-3,5 2,5-3,5 2,5-3,5 2,5-3,5 |
1,2 2,0 2,5 3,0 2,0 |
2,5 3,8 5,7 7,0 2,7 |
1,0 2,5 2,5 2,5 2,5 |
|
L.M., |
Спандиматик 100, цикл. Спандиматик 200, непр. Спандиматик 4000, непр. |
Автошасси Спец.Шасси То же |
2,5-3,0 2,5-3,5 2,5-3,5 |
1,2 5,0 10,0 |
2,5 3,0 4,0 |
1,2 2,5 4,0 |
Таблица 39.18
Катки вибрационные и комбинированные
|
Производитель, страна |
Индекс машины |
Мощность двигателя, кВт |
Ширина вальца, м |
Диаметр вальца, м |
Частота вибрации, Гц |
Масса, т |
|
ЗАО «Раскат», |
ДУ-82, вибр. |
28 |
1,3 |
0,8 |
50/60 |
3,5 |
|
ДУ-47, вибр. |
44 |
1,4 |
1,2 |
50 |
7,5 |
|
|
ДУ-96 ДУ-97 |
44 |
1,5 |
1,07 |
39/50 |
8,5 7,6 |
|
|
ДУ-98 ДУ-99 |
57,4 |
1,7 |
1,2 |
39/50 |
11,5 10,5 |
|
|
ДУ-84 комб. |
110 |
2,0 |
1,6 |
31/25 |
14,0 |
|
|
ОАО «Саста», |
W-854.2 W-854 К |
54 |
1,6 |
1,2 |
33/50 |
9,7 9,25 |
|
Bomag, |
BW-125 ADH BW-125 ACH |
29 |
1,2 |
0,8 |
50/60 |
3,4 3,2 |
|
BW-135 AD BW-135 AC |
29 |
1,3 |
0,8 |
50/60 |
3,6 3,4 |
|
|
BW-138 AD BW-138 AC |
29,8 |
1,39 |
0,8 |
46/52 |
4,2 4,1 |
|
|
BW-144 AD-2 BW-144 AC-2 |
51,5 |
1,5 |
1,2 |
39/50 |
7,5 7,0 |
|
|
BW-151 AD-2 BW-151 АС-2 |
51,5 |
1,68 |
1,2 |
39/50 |
7,2 7,0 |
|
|
BW-154 AD-2 BW-154 АС-2 |
51,5 |
1,68 |
1,2 |
39/50 |
7,9 7,25 |
|
|
BW-161 AD-2 BW-161 АС-2 |
70 |
1,68 |
1,22 |
30/45 |
9,7 9,3 |
|
|
BW-164 AD-2 BW-164 АС-2 |
70 |
1,68 |
1,22 |
39/50 |
9,8 9,7 |
|
|
BW-180 AD |
76 |
1,68 |
1,2 |
42/60 |
10,85 |
|
|
BW-184 AD |
76 |
1,68 |
1,2 |
42/60 |
11,8 |
|
|
BW-202 AD-2 |
70 |
2,13 |
1,22 |
30/45 |
10,6 |
|
|
Hamm, |
HD 13 HD 13 K |
18.5 21,0 |
1,3 |
0,7 |
55 |
3,4 3,4 |
|
HD 70 HD 70 K |
56,2 |
1,5 |
1,14 |
48/58 |
7,2 6,9 |
|
|
HD 75 HD 75 K |
61,0 |
1,68 |
1,14 |
48/58 |
7,6 7,3 |
|
|
HD 90 HD 90 K |
95 |
1,68 |
1,2 |
42/50 |
9,3 8,65 |
|
|
HD 110 HD 110 K |
95 |
1,68 |
1,2 |
42/50 |
10,6 9,3 |
|
|
HD 130 вибр. |
95 |
2,14 |
1,3 |
42/50 |
14,2 |
|
|
HD 070 V вибр. |
56,2 |
1,5 |
1,14 |
48/58 гориз. |
7,7 |
|
|
HD 075 V вибр. |
56,2 |
1,68 |
1,14 |
48/58 гориз. |
8,2 |
|
|
HD 090 V вибр. |
86 |
1,68 |
1,2 |
42/50 гориз. |
9,7 |
|
|
DV 3.22 DV 3K |
29 |
1,1 |
0,8 |
50 |
3,6 3,7 |
|
|
DV 6 S DV 6 KS |
51,5 |
1,4 |
1,1 |
42/50 |
7,3 6,7 |
|
|
DV 8 S DV 8 KS |
6511,68 |
1,2 |
1,1 |
42/50 |
9,6 8,4 |
|
|
DV 06 VS вибр. |
51,5 |
1,4 |
1,1 |
42/50 гориз. |
7,4 |
|
|
DV 08 VS вибр |
65 |
1,68 |
1,2 |
42/50 гориз. |
9,3 |
|
|
Ingersoll - Rand, |
DD-32 CR-32 |
32 |
1,32 |
0,75 |
67 |
3,2 2,8 |
|
DD-70 вибр. |
60 |
1,45 |
1,05 |
55 |
6,74 |
|
|
DD-74 вибр. |
48 |
1,5 |
1,2 |
33/55 |
7,2 |
|
|
CR-80 комб. |
52,2 |
1,65 |
1,2 |
33/55 |
7,9 |
|
|
DD-90 вибр. |
1 82 |
1,68 |
1,22 |
31/42 |
9,64 |
|
|
DD-90 HF вибр. |
82 |
1,68 |
1,22 |
47/63 |
9,84 |
|
|
DD-110 вибр. |
93 |
1,98 |
1,37 |
31/42 |
11,4 |
|
|
DD-130 вибр. |
129,8 |
2,13 |
1,4 |
42/71 |
12,9 |
|
|
CR-94 комб. |
59 |
1,7 |
1,3 |
33/50 |
9,4 |
Пневмоколесные катки различаются по массе (без пригруза и с пригрузом), ширине укатки, количеству шин и мощности двигателя (табл. 39.19).

Рис. 39.13. Каток вибрационный двухосный

Рис. 39.14. Каток комбинированный двухосный

Рис. 39.15. Каток пневмоколесный самоходный
Таблица 39.19
Катки статические пневмоколесные
|
Производитель, страна |
Индекс машины |
Мощность двигателя, кВт |
Ширина уплотнения, м |
Размер шин |
Количество шин, шт. |
Масса, т |
|
ЗАО «Раскат», Россия |
ДУ-100 |
57,4 |
2,0 |
320-508 |
8 |
14 |
|
ДУ-101 |
110,0 |
2,0 |
320-508 |
8 |
16 |
|
|
Caterpillar, США |
PS-150B |
60 |
1,73 |
7,5 х 15 |
11 |
4,9-12,94 |
|
PS-200 В |
80 |
1,73 |
7,5 х 15 |
9 |
4,1-18,15 |
|
|
PS-360 В PF-300 В (PS-300B) |
77,5 80 |
2,28 2,42 |
14,7×20 13,8×20 |
7 7 |
8,5-25,0 14,0-23,3 |
|
|
PS-500 |
112 |
2,42 |
15,00 R 24 |
7 |
19,0-35,0 |
|
|
Hamm, Германия |
GRW 10 |
86 |
1,99 |
11,00×20 |
8 |
8,8-20,0 |
|
GRW 15 |
86 |
1,99 |
11,00×20 |
8 |
11,5-24,0 |
|
|
GRW 18 |
86 |
1,99 |
11,00×20 |
8 |
14,5-28,0 |
Таблица 39.20
Катки статические с гладким вальцом
|
Производитель, страна |
Индекс машины |
Мощность двигателя, кВт |
Ширина уплотнения, м |
Диаметр вальца, м |
Линейное давление. Н/см |
Масса, т |
|
ЗАО «Раскат», Россия |
ДУ-93-1 ДУ-98-1 |
44 44 |
1,4 1,7 |
1,2 1,2 |
290 250 |
8,5 8,5 |
|
Hamm, Германия |
HW 90 B/8 HW 90 B/10 HW 90 B/12 |
51,5 51,5 51,5 |
1,55 1,55 1,55 |
1,1 1,1 1,1 |
291 и 445 364 и 555 436 и 664 |
8,6 10,6 12,6 |
Таблица 39.21
Производительность катков при уплотнении асфальтобетона
|
Масса катков, т |
Производительность катка (т/ч) при толщине слоя, см |
|||
|
4 |
6 |
9 |
14 |
|
|
Вибрационные 2-вальцовые |
|
|
|
|
|
3-4 |
30-39 |
45-60 |
70-90 |
100-120 |
|
6-8 |
60-80 |
90-120 |
139-180 |
200-239 |
|
9-10 |
90-110 |
130-150 |
200-220 |
300-320 |
|
11-12 |
120-150 |
160-180 |
239-260 |
360-390 |
|
Комбинированные 2-осные |
|
|
|
|
|
3-4 |
25-35 |
39-50 |
60-80 |
80-110 |
|
6-8 |
50-70 |
80-100 |
120-160 |
160-220 |
|
9-10 |
75-90 |
120-130 |
180-200 |
239-300 |
|
11-12 |
90-110 |
139-160 |
220-239 |
300-360 |
|
Пневмоколесные 2-осные |
|
|
|
|
|
14-16 |
80-90 |
120-130 |
200-270 |
300-390 |
|
18-20 |
110-120 |
160-180 |
270-330 |
390-500 |
|
24-25 |
150-180 |
210-239 |
300-390 |
500-600 |
|
Статические 2-осные |
|
|
|
|
|
8-10 |
45-50 |
60-70 |
80-90 |
100-120 |
|
11-12 |
50-60 |
70-80 |
100-110 |
130-160 |
Основные производители пневмоколесных катков - фирмы Германии и США. В России их производит ЗАО «Раскат».
Статические катки с гладкими вальцами различаются по массе, ширине уплотнения и мощности (табл. 39.20). Основные производители - фирмы Германии.
Поскольку рассчитать производительность катков очень сложно, так как она зависит от очень многих факторов (состава смеси, температуры смеси и ее снижения в период укатки, от перекрытия следов, толщины слоя), то в табл. 39.21 приведены ориентировочные данные по производительности катков разного типа и размера для различных толщин уплотняемого слоя.
В табл. 39.22 приведены расчетные данные по потребности в вибрационных и комбинированных катках при различных темпах и ширине укатываемого слоя. Пневмоколесные и статические катки добавляются по одному в каждое звено катков.
Таблица 39.22
Потребность в катках
|
Катки вибраци- |
Необходимое количество катков вибрационных (В) и комбинированных (К) при темпе укладки (пог. м/смену) и ширине укладки (м) |
||||||||
|
500 пог. м/смену |
1000 пог. м/смену |
1500 пог. м/смену |
|||||||
|
4 м |
8 м |
12 м |
4 м |
8 м |
12 м |
4 м |
8 м |
12 м |
|
|
3-4 |
1 (К) |
2 (1В + 1К) |
3 (1В + 2К) |
2 (1В + 1К) |
4 |
6 |
3 (1В + 2К) |
6 |
9 |
|
6-8 |
1 (К) |
1 (К) |
2 (В + К) |
1 (К) |
2 (В + К) |
1 (1В + 2К) |
2 (В + К) |
3 (1В + 2К) |
5 |
|
9-10 |
1 (К) |
1 (К) |
1 (К) |
1 (К) |
2 (В + К) |
2 (В + К) |
2 (В + К) |
2 (В + К) |
3 (В +2 К) |
|
11-12 |
1 (К) |
1 (К) |
1 (К) |
1 (К) |
1 (К) |
2 (В + К) |
1 (К) |
2 (В + К) |
3 (В + 2К) |
Примечания: 1. При темпах укладки до 500 пог. м/смену и ширине укладки до 4 м целесообразно применять каток 3-4 т; ширине укладки от 8 до 12 м - целесообразно применять катки 6-8 т или 9-10 т.
2. При темпах укладки 500-1000 пог. м/смену и ширине укладки от 4 до 12 м целесообразно применять катки 6-8 т или 9-10 т.
3. При темпах укладки свыше 1000 пог. м/смену и ширине укладки от 4 до 12 м целесообразно применять катки 9-10 т или 11-12 т.
Для строительства цементобетонных монолитных барьеров безопасности используют специальные укладчики, которые различаются по ширине и толщине сооружаемого барьера (табл. 39.23). Основные производители этих укладчиков - фирмы США, Германии, Италии.
Для строительства цементобетонных монолитных бордюров используют бордюроукладчики, которые различаются по ширине и высоте сооружаемого бордюра (табл. 39.24). Основные производители - фирмы США.
Для разметки дорожного покрытия используют специальные машины, которые различаются по типу материала разметки (краска, холодный пластик и термопластик), емкости бака для краски и пластика, ширине линий и мощности двигателя. Ряд машин может наносить сразу несколько (2-3 и даже 4) линий разметки (табл. 39.25).
Машины для разметки производятся во всех странах. В России основные производители: ОАО ФЦДТ «Союз», Моск. обл.; ОАО «Стройдормаш», г. Калининград; ФГУП «СНПЦ Росдортех»; ОАО «НПО Росдормаш»; ООО «Дорожник», г. Тула.
Таблица 39.23
Укладчики барьера безопасности
|
Производитель, |
Индекс |
Ширина |
Высота |
Мощность двига- |
Скорость |
Масса, |
|
Gomaco, США |
GT-3300 |
1,5 |
60,0 |
68,6 |
0-12,2 |
8,43 |
|
GT-3600 |
2,5 |
150,0 |
68,8 |
0-12,2 |
9,53 |
|
|
GT-6000 |
2,1 |
107,0 |
68,6 |
0-13,7 |
5,67 |
|
|
Commander II |
1,5 |
81,0 |
68,6 |
0-9,4 |
9,1 |
|
|
Commander III |
6,0 |
230,0 |
104,4 |
0-8,5 |
13,4 |
|
|
CMI, США |
MP-1003 |
1,5 |
60,0 |
68,6 |
0-13,7 |
5,82 |
|
MP-1203 |
2,44 |
107,0 |
105,9 |
0-18,3 |
7,9 |
|
|
MP-1603 |
3,66 |
107,0 |
121,3 |
0-18,3 |
11,5 |
|
|
Power Curbers, |
3500 |
1,0 |
45,0 |
20,0 |
0-12,8 |
2,2 |
|
5500 |
1,2 |
60,0 |
34,5 |
0-10,1 |
5,5 |
|
|
5700 |
1,5 |
105,0 |
56,0 |
0-9,2 |
7,0 |
|
|
8700 |
5,0 |
180,0 |
112,0 |
0-7,6 |
18,0 |
|
|
Wirtgen, |
SP-250 |
2,5 |
130,0 |
79,0 |
0-8,0 |
12,0 |
|
SP-500 |
6,0 |
190,0 |
123,0 |
0-5,0 |
16,0 |
|
|
Massenza, |
MP-1000-3 |
2,0 |
80,0 |
62,5 |
0-12,0 |
7,0 |
|
MP-2000-3 |
2,5 |
120,0 |
78,0 |
0-8,0 |
9.0 |
Таблица 39.24
Бордюроукладчики
|
Производитель, страна |
Индекс машины |
Ширина укладки, см |
Высота бордюра, см |
Мощность двигателя, кВт |
Радиус поворота, м |
Масса, т |
|
Gomaco, США |
Curb Cadet |
30,5 |
35,6 |
16,0 |
0,6 |
1,1 |
|
Power Curbers, США |
440 XL 150 |
45,7 22,8 |
30,5 16,5 |
13,2 10,4 |
1,8 1,2 |
0,54 0,39 |
|
Massenza, Италия |
MD 6/10 |
40,0 |
25,0 |
8,8 |
1,0 |
0,38 |
Таблица 39.25
Машины для разметки покрытия
|
Производитель, страна |
Индекс машины |
Мощность двигателя, кВт |
Емкость бака для краски, л |
Емкость бака для термопластика, л |
Ширина линий, см |
Масса, т |
|
ОАО ФЦДТ «Союз», Россия |
ЭД 82 Полидор |
25 |
250 |
400 |
10-40 |
3,9 |
|
ОАО «Стройдормаш», Россия |
ДЭ-21М-01 |
85 (ГАЗ-3307) |
- |
900 |
10-25 |
5,7 |
|
ДЭ-21М-02 |
85 (ГАЗ-3307) |
800 |
- |
10-25 |
5,7 |
|
|
ФГУП«НПЦ Росдортех», Россия |
РДТ-210-02 |
136 (ЗИЛ-433100) |
1200 + 300 |
- |
10-25 |
н/д |
|
Line Lazer II |
4,0 |
н/д |
- |
10-25 |
0,07; 0,09; 0,105 |
|
|
ОАО«НПО Росдормаш», Россия |
ЭД-502 |
18,4 (Т-16 МГ) |
300 |
40 |
5-50 |
3,1 |
|
Hofmann, Германия |
RP 100 Н |
3,4 |
- |
115 |
10-30 |
н/д |
|
2 К 25 |
3,7 |
- |
30 холодный |
10-30 |
- |
|
|
2 К 50 А |
3,7 |
- |
50 холодный |
10-50 |
- |
|
|
Н 5-1 |
3,7 |
24 |
- |
10-30 |
- |
|
|
Н 8-1 |
5,2 |
48 |
- |
10-30 |
- |
|
|
RM 50 H Н 11 H 16-2U |
4,4 12,5 25,0 |
48 120 225 |
- - 200 |
10-30 10-50 10-50 |
- - - |
|
|
Н 18 |
32,7 |
450 |
300 |
10-75 |
- |
|
|
H 26-2U |
53,0 |
695 |
300 |
10-100 |
- |
|
|
H 33-2U |
53,0 |
950 |
400 |
10-100 |
- |
|
|
Н 35 |
76,0 |
640 |
450 холодный |
10-100 |
- |
|
|
LKW на автошасси |
- |
2×800 |
600-3000 |
10-100 |
- |
|
|
SAR, Франция |
Trassar 131 A |
16,2 |
2×800 и 2×170 |
- |
10-100 |
0,84 |
|
Trassar 251A |
35,0 |
2×210 |
- |
10-100 |
2,30 |
|
|
Bagera |
47,0 |
2×500 |
- |
10-100 |
3,39 |
|
|
Borum, Дания |
ВМ С-250 |
21,0 |
440 |
- |
10-50 |
1,5 |
|
ВМ SP-250 |
21,0 |
- |
200 холодный |
10-50 |
2,3 |
|
|
ВМ Т-250- |
21,0 |
- |
250 горячий |
10-50 |
2,1 |
|
|
ВМ SP-250 P |
55,0 |
- |
350 холодный |
10-50 |
3,6 |
|
|
ВМ Т-350 |
55,0 |
- |
350 горячий |
10-50 |
3,6 |
|
|
Zindel, Германия |
Minizet-1 |
2,9 |
24 |
- |
10-100 |
0,09 |
|
Variozet-3 |
9,6 |
2×52 |
- |
10-100 |
0,36 |
|
|
Hidrozet-10 |
26,0 |
220 и 300 |
- |
10-100 |
1,05 |
|
|
Hidrozet-18 |
48,0 |
2×250 |
- |
10-100 |
3,50 |
Машины и оборудование для уширения земляного полотна и слоев дорожных одежд. При реконструкции дорог, когда используется существующая насыпь земляного полотна, почвенный слой с откосов существующей насыпи снимается, а поверхность откосов разрыхляется. На откосах насыпи из недренирующих грунтов высотой более 2 м устраивают уступы высотой в 1 м для лучшего соединения присыпаемой части насыпи со старой.
Снятие с откосов существующей насыпи почвенного слоя производят с использованием: при высоте насыпи до 3 м - автогрейдеров; при высоте насыпи свыше 3 м - экскаваторов-планировщиков.
Устройство уступов производят с использованием бульдозеров с прямым и поворотным отвалом.
При реконструкции дорог, когда существующая дорожная одежда входит в состав новой, уширение дорожной одежды производится на полную ее толщину, начиная с земляного полотна, обеспечивая плотное и ровное сопряжение укладываемых слоев со слоями существующей дорожной одежды.
Удаление слоя материала обочины производят с использованием: рыхлителей на базе колесного бульдозера или автогрейдера (рыхление материала); отвала прямого или поворотного бульдозера на колесном ходу (выемки материала); отвала автогрейдера (выемка материала).
Подача щебня на обочину при уширении дорожной одежды производится с использованием оборудования для этих целей, а также с выгрузкой на покрытие и сдвигом в выемку на обочине с использованием автогрейдера.
Для подачи щебня на полосу уширения применяют навесное оборудование, монтируемое на тракторе или автосамосвале (табл. 39.26).
Таблица 39.26
Оборудование для подачи щебня на полосу уширения
|
Производитель, страна |
Индекс машины |
Тип привода |
Производительность, м3/ч |
Высота отсыпки, м |
Ширина распределения, м |
Масса, т |
|
ЗАО «Бецема», Россия |
БЦМ-73 на ТО-18, ТО-30, ПК-6 |
Гидравлический |
300-450 |
±0,3 |
До 2,5 |
2,8 |
|
Svenson, США |
б/и на самосвале |
Гидравлический |
100-500 |
±0,5 |
До 2,5 |
0,3-0,45 |
Подача и укладка асфальтобетонной смеси на обочину выполняется с использованием: уширителей, движущихся по существующему покрытию (табл. 39.27, рис. 39.16); асфальтоукладчиков, имеющих малую ширину укладки (1,1-2,5 м) и движущихся по основанию на полосе уширения.
Таблица 39.27
Уширитель асфальтобетонного покрытия
|
Производитель, страна |
Индекс машины |
Мощность двигателя, кВт |
Производительность, т/ч |
Ширина укладки, м |
Емкость бункера, м3 |
Масса, т |
|
Blaw-Knox, США |
RW-100A RW-195D |
78 129 |
300 400 |
0,3-3,05 0,6-4,2 |
2 3 |
11,1 14,97 |

Рис. 39.16. Уширитель покрытия
Машины для разрушения, снятия слоев дорожной одежды и их переработки. Для разрушения цементобетонного покрытия и дробления плит цементобетонного покрытия на крупные блоки при устройстве по нему асфальтобетонного покрытия используют специальную ударную машину (рис. 39.17., табл. 39.28).
Основные производители таких машин - фирмы Германии и США.
Для снятия слоев старого асфальтобетонного покрытия используют специальные дорожные фрезы (рис. 39.18). Дорожные фрезы различаются по ширине фрезерования, глубине фрезерования, мощности двигателя (табл. 39.29). Основные производители фрез - фирмы США, Германии и Италии.
Для переработки блоков цементобетонного покрытия используют щековые камнедробилки с большим (0,5 м×1,0 м) размером приемной щели. Полученный при дроблении цементобетона щебень используется в основании дорожных одежд и в составе новой цементобетонной смеси.

Рис. 39.17. Машина ударная

Рис. 39.18. Фреза дорожная
Таблица 39.28
Ударные машины для разрушения бетонного покрытия
|
Производитель, страна |
Индекс машины |
Ширина ударной части, мм |
Масса груза, кг |
Высота падения, м |
Мощность двигателя, кВт |
Масса, т |
|
Wirtgen, Германия |
Arrow D 500 |
150 |
616 |
2,7 |
59,7 |
5,2 |
Таблица 39.29
Фрезы дорожные
|
Производитель, страна |
Индекс машины, тип |
Ширина фрезерования, м |
Глубина фрезерования, см |
Мощность двигателя, кВт |
Рабочая скорость, м/мин |
Масса, т |
|
ОАО «Брянский Арсенал», Россия |
ДС-197 самоходная |
До 1,0 |
0-8,0 |
114,0 |
0-10,0 |
15,2 |
|
ОАО «Дмитровский экскаваторный завод», Россия |
ФДН-500 навесная |
До 0,5 |
0-10,0 |
56,6 МТЗ-80/82 |
- |
6,5 |
|
Wirtgen, Германия |
W 350 самоходн. |
До 0,35 |
0-10,0 |
35,0 |
0-25,0 |
4,4 |
|
W 500 самоходн. |
До 0,5 |
0-16,0 |
79,0 |
0-20,0 |
7,4 |
|
|
W 600 DC caмox. |
До 0,5 |
0-30,0 |
123,0 |
0-32,0 |
12,0 |
|
|
W 100L caмох. |
До 1,0 |
0-25,0 |
123,0 |
0-32,0 |
13,8 |
|
|
W 1000 самоход. |
До 1,0 |
0-25,0 |
149,0 |
0-25,0 |
16,4 |
|
|
W 1500 самоход. |
До 1,5 |
0-30,0 |
320,0 |
0-29,5 |
22,9 |
|
|
W 2000 самоход. |
До 2,0 |
0-32,0 |
392,0 |
0-84,0 |
29,0 |
|
|
W 2200 самоход. |
До 2,2 |
0-35,0 |
596,5 |
0-84,0 |
44,4 |
|
|
Bitelli, Италия |
SF 60 самоход. |
До 0,5 |
0-15,0 |
68,0 |
0-30,0 |
6,8 |
|
SF 60 Т3 самоход. |
До 0,6 |
0-34,0 |
107,0 |
0-34,0 |
11,0 |
|
|
SF 101 T4 caмох. |
До 1,0 |
0-25,0 |
148,0 |
0-28,0 |
13,5 |
|
|
SF 101 самоход. |
До 1,0 |
0-27,0 |
150,0 |
0-30,0 |
14,4 |
|
|
SF 102 С самоход. |
До 1,0 |
0-32,0 |
160,0 |
0-24,0 |
15,3 |
|
|
SF 150 самоход. |
До 1,5 |
0-33,0 |
370,0 |
0-30,0 |
26,0 |
|
|
SF 200 L самоход. |
До 2,0 |
0-32,0 |
370,0 |
0-30,0 |
28,7 |
|
|
SF 202 самоход. |
До 2,0 |
0-33,0 |
515,0 |
0-25,0 |
42,0 |
|
|
SF 210 самоход. |
До 2,12 |
0-20,0 |
340,0 |
0-29,0 |
30,5 |
|
|
Roadtec, США |
RX 20 самоход. |
До 1,0 |
0-20,3 |
174,0 |
0-50,0 |
12,8 |
|
RX 45 самоход. |
До 2,0 |
0-30,5 |
343,0 |
0-32,0 |
34,0 |
|
|
RX 70 самоход. |
До 3,8 |
0-25,4 |
515,0 |
0-32,0 |
41,7 |
|
|
RX 100 самоход. |
До 3,8 |
0-30,5 |
772,0 |
0-53,4 |
52,1 |
|
|
CMI, США |
PRT-225 самох. |
До 1,0 |
0-20,3 |
163,0 |
0-56,4 |
12,5 |
|
PRT-525 самох. |
До 1,9 |
0-30,5 |
390,0 |
0-56,4 |
26,4 |
|
|
PR-500 С самох. |
До 2,18 |
0-30,5 |
390,0 |
0-24,3 |
37,0 |
|
|
PR-800 самоход. |
До 3,8 |
0-30,5 |
596,0 |
0-76,0 |
37,7 |
|
|
PR-1200 самох. |
До 4,58 |
0-39,1 |
882,0 |
0-31,2 |
64,6 |
Полученный при снятии старого асфальтобетонного покрытия с использованием дорожных фрез материал (фрезаж) используют при приготовлении новой асфальтобетонной смеси. При использовании фрезажа с нагревом содержание его в смеси может достигать 50-70 %, а без нагрева не более 20 %, так как основной каменный материал и песок в этом случае необходимо нагревать до более высоких температур.
Машины для холодной и горячей регенерации дорожной одежды. Для холодной регенерации старого покрытия на большую толщину (15-50 см) используют специальные машины - ресайклеры (рис. 39.19) (холодные регенераторы), которые: измельчают старое покрытие на заданную толщину; дозируют и распыляют органическое вяжущее в виде вспененного битума или распыленной битумной эмульсии; перемешивают измельченный материал старой дорожной одежды с органическим вяжущим; укладывают полученную смесь по заданным отметкам.
По конструкции ресайклеры незначительно отличаются от линейных грунтосмесителей.
Ресайклеры отличаются по ширине обработки, толщине обработки (регенерации) и мощности двигателя (табл. 39.30).
Для горячей регенерации старого асфальтобетонного покрытия на малую толщину (4-9 см) используют специальные машины ремиксеры (горячие регенераторы) с инфракрасными газовыми нагревателями (рис. 39.20).
Основные параметры ремиксера и нагревателя фирмы Wirtgen (Германия) приведены в табл. 39.31 и 39.32.

Рис. 39.19. Ресайклер (холодный регенератор).

Рис. 39.20. Ремиксер (горячий регенератор)
Таблица 39.30
Ресайклеры
|
Производитель, страна |
Индекс машины |
Ширина обработки, м |
Глубина обработки, см |
Мощность двигателя, кВт |
Рабочая скорость, м/мин |
Масса, т |
|
Wirtgen, Германия |
WR 2500 2200 CR |
2,44 2,20 |
0-50 0-25 |
448 448 |
0-80 0-84 |
33,0 49,7 |
|
Hamm, Германия |
Raco 350 |
2,40 |
0-40 |
370 |
0-117 |
21,4 |
|
Caterpillar, США |
RM-250 В RM-350 В |
2,44 2,44 |
0-33 0-38 |
250 373 |
0-48 0-50 |
19,3 24,0 |
|
Roadtec, США |
RX-110 RX-120 |
3,80 4,50 |
0-15 0-15 |
746 783 |
0-24,5 0-24,5 |
59,0 67,0 |
|
CMI, США |
RS-500 В RS-650 |
2,44 2,44 |
0-40,6 0-40,6 |
390 485 |
0-76 0-78 |
27,2 29,5 |
Таблица 39.31
Ремиксеры
|
Производитель, страна |
Индекс машины, тип |
Ширина обработки, м |
Глубина обработки, см |
Мощность двигателя, кВт |
Рабочая скорость, м/мин |
Масса, т |
|
Wirtgen, Германия |
Remixer 4500 |
3-4,5 |
0-6 |
220 |
0-25,0 |
48,8 |
Таблица 39.32
Нагреватели покрытия
|
Производитель, страна |
Индекс машины |
Ширина обработки, м |
Площадь нагрева, м2 |
Мощность двигателя, кВт |
Рабочая скорость, км/ч |
Масса, т |
|
Wirtgen, Германия |
НМ 4500 |
До 4,68 |
39,31 |
37 |
(Прицепной) |
19,96 |
1. Автомобильные дороги России на рубеже веков. Цифры и факты: Справ.-ил. материал/Гос. служба дор. хоз-ва (Росавтодор) Минтранса России. - М., 2001.
3. Васильев А. П., Шамбар П. Поверхностная обработка с синхронным распределением материалов. Опыт дорожников Франции. - М.: ООО «Трансдорнаука», 1999. - 80 с.
6. Временные рекомендации по применению полимерно-дисперсного армирования асфальтобетонов с использованием резинового термоэластопласта (РТЭП)/Минтранс России, Гос. служба дор. хоз-ва (Росавтодор). - М.: ГП «Информавтодор», 2002. - 24 с.
7. ГОСТ 8267-93. Щебень и гравий из плотных горных пород для строительных работ. Технические условия. - Взамен ГОСТ 8267-82, ГОСТ 8268-82, ГОСТ 10260-82, ГОСТ 23254-78, ГОСТ 26873-86; Введ. 01.01.95. - М.: Изд-во стандартов, 1995. - 15 с.
8. ГОСТ 8269.0-97. Щебень и гравий из плотных горных пород и отходов производства для строительных работ. Методы физико-механических испытаний. - Взамен ГОСТ 3344-83, ГОСТ 7392-85 (в части методов физ.-мех. испытаний), ГОСТ 8269-87; Введ. 01.07.98. - М.: ГУП ЦПП, 1998. - 99 с.
9. ГОСТ 3344-83. Щебень и песок шлаковые для дорожного строительства. Технические условия. - Взамен ГОСТ 3344-73, ГОСТ 23756-79; Введ. 01.01.85. - М.: Изд-во стандартов, 1986. - 17 с.
10. ГОСТ 8736-93. Песок для строительных работ. Технические условия. - Взамен ГОСТ 8736-85, ГОСТ 26193-84; Введ. 01.07.95. - М.: ИПК Изд-во стандартов, 1995. - 7 с.
11. ГОСТ 9128-97. Смеси асфальтобетонные, дорожные, аэродромные и асфальтобетон. Технические условия. - Взамен ГОСТ 9128-84; Введ. 01.01.99. - М.: ГУП ЦПП, 1998. - 24 с.
12. ГОСТ 10178-85. Портландцемент и шлакопортландцемент. Технические условия. - Взамен ГОСТ 10178-76; Введ. 01.01.87. - М.: Изд-во стандартов, 1986. - 6 с.
13. ГОСТ 22732-79. Вода. Технические условия.
14. ГОСТ 2874-73. Вода. Технические условия.
15. ГОСТ 17608-91. Плиты бетонные тротуарные. Технические условия. - Взамен ГОСТ 17608-81; Введ. 01.01.92. - М.: Изд-во стандартов, 1991. - 32 с.
16. ГОСТ 23668-79. Камень брусчатый для дорожных покрытий. Технические условия. - Введ. 01.07.80. - М.: Изд-во стандартов, 1979. - 6 с.
17. ГОСТ 25607-94. Смеси щебеночно-гравийно-песчаные для покрытий и оснований автомобильных дорог и аэродромов. Технические условия. - Взамен ГОСТ 25607-83; Введ. 01.01.95. - М.: Изд-во стандартов, 1995. - 13 с.
18. ГОСТ 23558-94. Смеси щебеночно-гравийно-песчаные и грунты, обработанные неорганическими вяжущими материалами, для дорожного и аэродромного строительства. Технические условия. - Взамен ГОСТ 23558-79; Введ. 01.01.95. - М.: Изд-во стандартов, 1995. - 15 с.
19. ГОСТ 30491-97. Смеси органоминеральные и грунты, укрепленные органическими вяжущими, для дорожного и аэродромного строительства. Технические условия. - Введ. 01.09.97; Введ. впервые. - М.: ГУП ЦПП, 1997.-21 с.
20. ГОСТ 31015-2002. Смеси асфальтобетонные и асфальтобетон щебеночно-мастичные. Технические условия. - Введ. 01.05.2003; Введ. впервые. - М.: ГУП ЦПП, 2003. - 21 с.
21. ГОСТ Р 52056-2003. Вяжущие полимерно-битумные дорожные на основе блоксополимеров типа стирол-бутадиен-стирол. Технические условия. - Введ. 01.01.2004; Введ. впервые. - М.: Изд-во стандартов, 2003. - 5 с.
22. ГОСТ Р 52128-2003. Эмульсии битумные дорожные. Технические условия. - Взамен ГОСТ 18659-81; Введ. 01.10.2003 - М.: ФГУП ЦПП, 2004. - 26 с.
23. ГОСТ Р 52129-2003. Порошок минеральный для асфальтобетонных и органоминеральных смесей. Технические условия. - Взамен ГОСТ 16557-78 и ГОСТ 12784-78; Введ. 01.10.2003. - М.: ФГУП ЦПП, 2004. - 33 с.
25. Полимерно-битумные вяжущие материалы на основе СБС для дорожного строительства / Л. М. Гохман, Е. М. Гурарий, А. Р. Давыдова, К. И. Давыдова. - М., 2002. - 112 с. - (Автомоб. дороги: Обзорн. информ./ГП «Информавтодор»; Вып. 4).
26. Донской А. В., Клубникин B. C. Электроплазменные процессы и установки в машиностроении. - Л.: Машиностроение, 1979. - 221 с.
28. Дорожно-строительные материалы/И. М. Грушко, И. В. Королев, И. М. Борщ, Г. М. Мищенко. - М.: Транспорт, 1991. - 357 с.
29. Дорожно-строительные машины и комплексы/В. И. Баловнев, А. Б. Ермилов, А. И. Новиков и др.; Под ред. В. И. Баловнева. - М.: Машиностроение, 1998. - 384 с.
30. Дорожные одежды с основанием из укрепленных материалов/Ю. М. Васильев, В. П. Агафонцева, B. C. Исаев и др. - М.: Транспорт, 1989. - 191 с.
31. Дорожные одежды с использованием шлаков/А. Я. Тулаев, И. В. Королев, B. C. Исаев и др. - М.: Транспорт, 1986. - 271 с.
32. Дорожная техника: Кат.-справ. - М.: Радор, 2002.
33. Дорожные эмульсии. Евразийская Ассоциация дорожных эмульсий: Энциклопедия. В 3 т.; Под общей редакцией И. Н. Петухова. - Минск, 1998.
36. Жуков М. Ф., Смоляков В. Я., Урюков Б. А. Электродуговые подогреватели газа (плазмотроны). - М.: Наука, 1973. - 230 с.
38. Инструкция по строительству цементобетонных покрытий автомобильных дорог: ВСН 139-80 / Минтрансстрой СССР. - М., 1980. - 105 с.
39. Методические рекомендации по проектированию жестких дорожных одежд: ОДМД. - Взамен ВСН 197-91. Введ. 01.01.2004/Минтранс России, Гос. служба дор. хоз-ва (Росавтодор). - М.: ФГУП «Информавтодор», 2004. -135 с.
40. Инструкция по организации движения и ограждению мест производства дорожных работ: ВСН 37-84 / Минавтодор РСФСР. - М.: Транспорт, 1985. - 40 с.
41. Инструкция по устройству и ремонту дорожных покрытий с применением литого асфальтобетона: ВСН 60-97. - М., 1997.
42. Инструкция по применению литых бетонных смесей в дорожном строительстве: ВСН 7-98.
44. Отраслевая система управления качеством продукции Министерства автомобильных дорог РСФСР. Основные положения: РСТ РСФСР 713-84/Минавтодор РСФСР. - М.: Госплан РСФСР, 1985. - 24 с.
45. В. А. Семенов, Д. Г. Мепуришвили. Опыт применения статистических методов контроля в строительстве и ремонте автомобильных дорог. - М.: Транспорт, 1988. - 47 с.
48. Коганзон М. С., Яковлев Ю. М. Оценка и обеспечение прочности дорожных одежд нежесткого типа. - М.: МАДИ, 1990. - 52 с.
50. Конструирование и расчет нежестких дорожных одежд; Под ред. Н.Н. Иванова. - М.: Транспорт, 1973. - 328 с.
51. Королев И. В., Финашин В. Н., Феднер Л. А. Дорожно-строительные материалы. - М.: Транспорт, 1988. - 304 с.
53. Львович Ю. М. Геосинтетические и геопластиковые материалы в дорожном строительстве. - М., 2002. - 116 с. - (Автомоб. дороги: Обзорн. информ./ГП «Информавтодор»; Вып. 7).
54. Марышев Б. С., Петрушин А. К., Шейнин А. М. Скоростное строительство дорожных одежд с цементобетонным покрытием. - М.: Транспорт, 1978. - 216 с.
55. Материалы и изделия для строительства дорог: Справ./Н. В. Горелышев, И. Л. Гурячков, Э. Р. Пинус и др.; Под ред. Н. В. Горелышева. - М.: Транспорт, 1986. - 288 с.
56. Методические рекомендации по проектированию и устройству термоизоляционных слоев дорожной одежды из пенополистирольных плит «Пеноплэкс»/Минтранс России, Гос. служба дор. хоз-ва (Росавтодор). - М.: ГП «Информавтодор», 2001. - 49 с.
57. Методические рекомендации по применению технологии армирования асфальтобетонных покрытий рулонными базальтоволокнистыми материалами при строительстве и ремонте автомобильных дорог/Минтранс России, Гос. служба дор. хоз-ва (Росавтодор). - М.: ГП «Информавтодор», 2001. - 25 с.
59. Методические рекомендации по восстановлению асфальтобетонных покрытий и оснований автомобильных дорог способами холодной регенерации: ОДМД/Минтранс России, Гос. служба дор. хоз-ва (Росавтодор). - М.: ГП «Информавтодор», 2002. - 56 с.
60. Методические рекомендации по ремонту цементобетонных покрытий автомобильных дорог. ОДМД/Минтранс России, Гос. служба дор. хоз-ва (Росавтодор). - М.: ГП «Информавтодор», 2003. - 32 с.
61. Методические рекомендации по использованию стабилизаторов при устройстве дорожных оснований/Союздорнии. - М., 1992.
62. Методические рекомендации по применению фосфогипса в дорожных основаниях/Союздорнии. - М., 1989.
63. Методические рекомендации по устройству щебеночных оснований, обработанных пескоцементной смесью/Союздорнии. - М., 1985.
64. Миротин Л. Б., Силкин В. В., Бубес В. Я. Производственные предприятия дорожного строительства. - М.: Транспорт, 1986. - 191 с.
65. Проектирование нежестких дорожных одежд: ОДН 218.046-01. - Взамен ВСН 46-83. Введ. 01.01.2001/Минтранс России, Гос. служба дор. хоз-ва (Росавтодор). - М.: ГП «Информавтодор», 2001. - 145 с.
66. Ольховиков В. М. Строительство дорожных одежд низкой стоимости с основаниями из укрепленных грунтов и тонкослойными покрытиями. - М., 2003. - 85 с. (Автомоб. дороги и мосты: Обзорн. информ./ГП «Информавтодор»; Вып. 1).
67. Пособие по приготовлению и применению битумных дорожных эмульсий (к СНиП 3.06.03-85)/Союздорнии. - М., 1989. - 55 с.
68. Пособие по строительству покрытий и оснований автомобильных дорог и аэродромов из грунтов, укрепленных вяжущими материалами (к СНиП 3.06.03-85 и СНиП 3.06.06-88)/Минтранс СССР, Союздорнии. - М., 1990. - 203 с.
69. Пособие по строительству асфальтобетонных покрытий и оснований автомобильных дорог и аэродромов (СНиП 3.06.06-88, СНиП 3.06.03-85)/Союздорнии. - М., 1991. - 162 с.
70. Развитие сети автомобильных дорог общего пользования в Российской Федерации 1995-2000 годы (цифры и факты). - [Б.м.], [б.г.]. - 193 с.
71. Развитие сети автомобильных дорог Российской Федерации на 2001-2010 годы «Дороги России XXI века». - [Б.м.], [б.г. ]. - 36 с.
72. Региональные и отраслевые нормы межремонтных сроков службы нежестких дорожных одежд и покрытий: ВСН 41-88 / Минавтодор РСФСР. - М.: ЦБНТИ Минавтодора РСФСР, 1988. - 8 с.
73. Рекомендации по применению влажных органоминеральных смесей для устройства конструктивных слоев дорожных одежд/Минавтодор РСФСР, Гипродорнии. - М., 1986. - 45 с.
75. Рекомендации по строительству макрошероховатых дорожных покрытий из открытых битумоминеральных смесей/Рос. гос. концерн «Росавтодор». - М., 1992. - 33 с.
76. Рекомендации по обработке щебня гидрофобизаторами/Союздорнии. - М., 1990.
77. Рекомендации по выявлению и устранению колей на нежестких дорожных одеждах/Минтранс России, Гос. служба дор. хоз-ва (Росавтодор). - М.: ГП «Информавтодор», 2002. - 179 с.
79. Руденский А. В. Дорожные асфальтобетонные покрытия. - М.: Транспорт, 1992. - 254 с.
80. Руководство по обеспечению равнопрочности дорожной конструкции при уширении автомобильных дорог: Рукопись/Росдорнии. - М., 1996.
81. Руководство по подбору и приготовлению нерудных материалов и грунтов, обработанных неорганическими вяжущими, для дорожного строительства/Союздорнии. - М., 1991. - 183 с.
82. Руководство по строительству оснований и покрытий автомобильных дорог из щебеночных и гравийных материалов/Союздорнии. - М., 1999. - 88 с.
84. Синтетические текстильные материалы в транспортном строительстве/Под. ред. проф. В. Д. Казарновского. - М.: Транспорт, 1984.
85. ТУ 218 РСФСР 601-83. Смеси битумоминеральные открытые для устройства макрошероховатых слоев дорожных покрытий. Технические условия. - Введ. 01.05.89. - М., 1989. - 27 с.
86. СНиП 2.05.02-85. Автомобильные дороги. Нормы проектирования/Госстрой СССР. - М.: ЦИТП Госстроя СССР, 1986. - 56 с.
87. СНиП 3.06.03-85. Автомобильные дороги/Госстрой России: Взамен СНиП III-40-78; Введ. 01.01.86. - М.: ГУП ЦПП, 2001. - 112 с.
88. СНиП 12-01-2004. Организация строительства/Госстрой России: Взамен СНиП 3.01.01-85; Введ. 01.01.2005. - М.: Рострой, 2004. - 24 с.
89. ГЭСН-2001. Сборники Государственных элементных сметных норм на общестроительные работы: ГЭСН 81-02-27-2001. Сб. 27. Автомобильные дороги. - Введ. 15.07.2001/Госстрой России. - М., 2001.
90. Соколов Ю. В., Шестаков В. Н. Битумные эмульсии в дорожном строительстве. - Омск: ГУИПП «Омский дом печати», 2000. - 256 с.
91. Соловьев Б. Н., Силкин В. В. Елисеев В. Е. Асфальтобетонные заводы. - М.: Транспорт, 1993. - 208 с.
92. СТП 007-97. Метод испытания асфальтобетона на устойчивость к колееобразованию/Корпорация «Трансстрой». - М., 1998.
93. Строительные материалы: Справочник/А. С. Болдырев, П. П. Золотое, А. Н. Люсов и др.; Под ред. А. С. Болдырева, П. П. Золотова. - М.: Стройиздат, 1989. - 567 с.
95. Укрепление обочин автомобильных дорог (взамен ВСН 39-79): ОДН 218.3.039-2003/Минтранс России, Гос. служба дор. хоз-ва (Росавтодор). - М.: ГП «Информавтодор», 2003. - 44 с.
96. Технические указания по устройству дорожных покрытий с шероховатой поверхностью. - М.: Транспорт, 1990. - 45 с.
98. Технология и механизация укрепления грунтов в дорожном строительстве/В. М. Безрук, Е. Ф. Левицкий, B. C. Исаев и др. - М.: Транспорт, 1976. - 232 с.
99. Шестаков В. Н., Пермяков В. Б., Ворожейкин В. М. Технологическое обеспечение качества строительства асфальтобетонных покрытий: Метод. рекомендации. - Омск: СибАДИ, 1999. - 240 с.
101. Типовые решения по восстановлению несущей способности земляного полотна и обеспечению прочности и морозоустойчивости дорожной одежды на пучинистых участках автомобильных дорог/Рос. дор. агентство (Росавтодор). - М., 2000.
102. ТУ 5718-001-00011168-00. Смеси асфальтобетонные щебнемастичные и асфальтобетон (ЩМА). Технические условия. - М., 2000. - 14 с.
103. ТУ 5718-001-53737504-00. Смеси эмульсионно-минеральные для устройства слоев износа. Введ 01.01.2001. - М.,. 2000.-27 с.
104. ТУ 218 РСФСР 601-83. Смеси битумоминеральные открытые для устройства макрошероховатых слоев дорожных покрытий. Технические условия. - Введ. 01.05.89. - М., 1989. - 27 с.
106. ТУ 13-0281036-05-89. Лигносульфонаты технические. Технические условия (Взамен ОСТ 13-183-83). - Введ. 01.11.89. - М., 1989. - 31 с.
107. ТУ 48-0113-16-88. Шлам отвальный бокситовый для дорожного строительства/Ленавтодор. - Л., 1988.
108. ТУ 48-0114-39-87. Шлам нефелиновый (белитовый) глиноземного производства. - Ачинск, 1987.
110. Указания по строительству, ремонту и содержанию гравийных покрытий. - М.: Транспорт, 1990. - 33 с.
111. Шейнин А. М. Цементобетон для дорожных и аэродромных покрытий. - М.: Транспорт, 1991.- 151 с.
112. Юмашев В. М., Басурманова И. В. Повышение трещиностойкости асфальтобетонных покрытий на жестких основаниях (Зарубежный опыт). - М., 1998. - 68 с. - (Автомоб. дороги: Обзорн. информ./ГП «Информавтодор»; Вып. 1).
|
_________________________________________________________ |