ОАО «СоюздорНИИ»
ОАО КГЦ «Металлоконструкция»

Ограждения дорожные и мостовые удерживающие для автомобилей, боковые, первого типа, металлические.
Технические условия
ТУ 5216-063-01393697-2006
Срок действия с 01.05.2006 г

Балашиха, 2006 г.
Настоящие технические условия распространяются на ограждения дорожные и мостовые удерживающие для автомобилей боковые, первого типа одностороннего и двустороннего исполнения с 1 и 2-х ярусными балками, металлические с уровнем удерживающей способности от 130 до 600 кДж, предназначенные для применения на городских магистральных улицах (дорогах) и внегородских дорогах общего пользования Российской Федерации.
Использование настоящих технических условий третьими лицами без письменного согласия ОАО КТЦ «Металлоконструкция» не допускается.
|
Обозначение документа |
Номер пункта ТУ |
|
4.1; 5.2; 7.1; |
|
|
ГОСТ 25129-70* |
|
|
4.1;5.5; |
|
ГОСТ 8282-83* |
|
|
ГОСТ Р 50971-96 |
|
|
5.1; |
|
|
4.1; 5.2; 7.1; |
|
|
ГОСТ 22353-78 |
5.5; |
|
ГОСТ Р 51163-98 |
|
|
ТУ 14-101-406-88 |
|
|
ТУ 1630-016-71915393 |
1.3.19; 5.2; 7.1; |
|
ЕН 1317-2-85 |
|
|
ЕН 1317-1-85 |
|
Перечень принятых терминов и определений к ним
Балка - элемент ограждения: главная функция балки - восприятие, распределение и передача ударной нагрузки на другие элементы ограждения.
Безопасность ограждения:
- для людей (находящихся в удерживаемом транспортном средстве) - свойства ограждения, уменьшающие перегрузки транспортного средства и исключающие возможность нарушения жизненного пространства его кузова (кабины);
- для других участников дорожного движения - свойства, обеспечивающие выбег удержанного транспортного средства в определенных границах.
Выбег - движение удержанного транспортного средства с момента прекращения его контакта с ограждением.
Габарит высоты - расстояние по вертикали между поверхностью покрытия дороги и верхней кромки ограждения.
Габарит ограждения динамический - расстояние по горизонтали между вертикальными плоскостями, касательными к лицевой стороне недеформированного ограждения и задней стороне ограждения при динамическом прогибе.
Динамический прогиб ограждения - наибольшее горизонтальное смещение продольной оси балки ограждения в поперечном направлении относительно оси недеформируемого ограждения при наезде транспортного средства на ограждение.
Индекс тяжести травм - величина корня квадратного из суммы квадратов отношений средних фактических к допустимым величинам перегрузок, действующих в центре масс транспортного средства по главным осям.
Консоль - элемент ограждения: главная функция консоли - предотвращение непосредственного контакта автомобиля со стойками ограждения.
Коррекция - поворот транспортного средства в положение параллельное линии ограждения во время первого удара.
Ограждение боковое (барьер) - ограждение, расположенное вдоль проезжей части дороги.
Перегрузка - отношение величины действующего ускорения (замедления) к величине ускорения свободного падения.
Прогиб ограждения поперечный - расстояние по горизонтали между положением оси балки в поперечном сечении недеформированного и деформированного ограждения на высоте оси колеса расчетного транспортного средства.
Рабочая ширина - максимальное динамическое смещение кузова транспортного средства, находящегося в нем груза или фрагмента ограждения (в зависимости от места установки ограждения) относительно лицевой поверхности балки недеформируемого ограждения.
Скорость наезда - скорость транспортного средства в момент возникновения контакта с ограждением.
Стойка - элемент ограждения: главная функция - передача нагрузки от ограждения земляному или мостовому полотну дороги.
Угол выбега - угол между проекциями продольной оси транспортного средства и передней кромки лицевой поверхности секции балки недеформированного ограждения на поверхность дороги в момент начала выбега транспортного средства.
Угол наезда - угол между проекциями продольной оси транспортного средства и передней кромки лицевой поверхности секции балки ограждения на поверхность дороги в момент возникновения контакта транспортного средства и ограждения.
Удар боковой - удар, при котором линия удара пересекает боковую кромку контура транспортного средства в плане.
Удар боковой скользящий - удар боковой, характеризующийся поступательным движением транспортного средства вдоль ограждения.
Удар первый - первая часть процесса взаимодействия транспортного средства и ограждения, определяемая моментами возникновения их контакта и завершения коррекции.
Удерживающая способность ограждения - энергия бокового удара, выдерживаемого рабочим участком ограждения при заданной величине динамического прогиба.
Участок ограждения:
- начальный (конечный) - вспомогательная часть бокового ограждения: главная функция - удержание начала (конца) балки рабочего участка;
- рабочий - основная часть бокового ограждения: главная функция удержание транспортного средства;
- сопрягающий - участок, последовательно соединяющий ограждения с неодинаковой величиной динамического прогиба;
- переходный - участок перехода двустороннего ограждения к двум односторонним.
Шаг стоек - расстояние между точками пересечения продольных осей соседних стоек с поверхностью дороги.
Цоколь - элемент мостового сооружения.
Энергия удара бокового - часть кинетической энергии транспортного средства в момент его наезда на ограждение, определяемая величиной угла наезда.
Ярусы балки - секции балки, расположенные на разной высоте по горизонтали.
В настоящих технических условиях приняты следующие обозначения:
- класс ограждения - обозначен цифрой 1 (ограждение боковое);
- тип ограждения - обозначен цифрой 1 (балка опирается на стойки).
Группы ограждений обозначены буквами:
Д - для установки на земляном полотне дороги;
М - для установки на мостовом сооружении.
Исполнение ограждения обозначено буквами:
О - ограждение одностороннее;
Д - ограждение двустороннее.
Модификация ограждения:
Ц - для установки на цоколе;
Профиль стойки:
Ш - швеллер;
Д - двутавр.
Обозначение участков ограждения:
Н - начальный участок;
К - конечный участок.
Шаг стоек - в метрах (м).
Величина удерживающей способности - в килоджоулях (кДж).
Величина динамического прогиба - в метрах (м).
Рабочая ширина - в метрах (м)
Расположение обозначений в марке ограждения.

Пример условного обозначения марки ограждения.
Рабочий участок группы ДО:
- ограждение боковое, первого типа, группы ДО, одностороннее с габаритом высоты 0,75 м с профилем стойки в виде швеллера (Ш№12) с шагом стоек 3,0 м с удерживающей способностью 130 кДж, при динамическом прогибе 1,08 м, изготовленное по настоящим техническим условиям.
11ДД-0,75/3,0-130/1,08
ТУ 5216-063-01393697-2006
Рабочий участок группы ДД:
- ограждение боковое, первого типа, группы ДД, двустороннее с габаритом высоты 0,75 м с профилем стойки в виде швеллера (Ш№12) с шагом стоек 3,0 м с удерживающей способностью 130 кДж, при динамическом прогибе 1,08 м, изготовленное по настоящим техническим условиям.
11 ДД-0,75/3,0-130/1,08
ТУ 5216-063-01393697-2006
Рабочий участок группы МО:
- ограждение боковое, первого типа, группы МО, одностороннее с габаритом высоты 1,1 м, с профилем стойки в виде двутавра (Д№14), с шагом стоек 2,5 м, с удерживающей способностью 300 кДж, при динамическом прогибе 0,83 м, изготовленное по настоящий техническим условиям.
11 МО-1,1/2,5-300/0.83
ТУ 5216-063-01393697-2006
Рабочий участок группы МД:
- ограждение боковое, первого типа, группы МД, двустороннее с габаритом высоты 1,1 с профилем стойки в виде двутавра (Д№14) с шагом стоек 2,5 м с удерживающей способностью 300 кДж, при динамическом прогибе 0,83 м, изготовленное по настоящим техническим условиям.
11 МД-1,1/2,5-300/0.83
ТУ 5216-063-01393697-2006
Участок начальный (конечный):
- предназначен для удержания начала и конца балки рабочего участка ограждения для одностороннего (двустороннего) исполнения:
11 ДО (ДД)-Н (К)
ТУ 5216-063-01393697-2006
1.1 Основные параметры, размеры и характеристики:
1.1.1 Ограждения должны соответствовать данным параметрам и размерам:
- удерживающая способность и соответствующий ей динамический прогиб и рабочая ширина ограждения;
- безопасность ограждений для людей, находящихся в удерживаемом транспортном средстве и для других участников дорожного движения;
- высота осей балок нижнего и верхнего ярусы рабочего участка ограждения над поверхностью проезжей части дороги;
- шаг стоек рабочего участка ограждения.
1.2 Основные части и элементы ограждений:
1.2.1 Основные части ограждений приведены в приложении Б:
- на рисунках 1-6; 15-20 групп ДО и ДД
- на рисунках 7-10; 21-26 групп МО и МД
- на рисунках 11-14; 27-32 групп МОЦ и МДЦ (на цоколе).
1.2.2 Основные элементы секций балок рабочего участка:
СБ - нижнего и верхнего уровней;
СБР-1 - радиусная балка выпуклая;
СБР-2 - радиусная балка вогнутая;
СБУП - угловая правая;
СБУЛ - угловая левая;
СБПП - переходная правая;
СБПЛ - переходная левая;
СБУУ - угловая универсальная.
ЭК - концевой элемент.
Основные параметры секций балок приведены в таблице 1
Таблица 1
|
Марка секции балки |
Размеры, мм |
|||
|
длина |
ширина |
высота |
толщина |
|
|
СБ-0(3) |
2320 |
312 |
83 |
3 |
|
СБ-0(4) |
2320 |
312 |
83 |
4 |
|
СБ-1(3) |
4320 |
312 |
83 |
3 |
|
СБ-1(4) |
4320 |
312 |
83 |
4 |
|
СБ-2(3) |
6320 |
312 |
83 |
3 |
|
СБ-2(4) |
6320 |
312 |
83 |
4 |
|
СБ-3(3) |
8320 |
312 |
83 |
3 |
|
СБ-3(4) |
8320 |
312 |
83 |
4 |
|
СБ-4(3) |
9320 |
312 |
83 |
3 |
|
СБ-4(4) |
9320 |
312 |
83 |
4 |
|
СБУЛ(3)* |
4320 |
312 |
83 |
3 |
|
СБУЛ(4)* |
4320 |
312 |
83 |
4 |
|
СБУП(3)* |
4320 |
312 |
83 |
3 |
|
СБУП(4)* |
4320 |
312 |
83 |
4 |
|
СБР-1(3) |
4320 |
312 |
83 |
3 |
|
СБР-1(4) |
4320 |
312 |
83 |
4 |
|
СБР-2(3) |
4320 |
312 |
83 |
3 |
|
СБР-2(4) |
4320 |
312 |
83 |
4 |
|
СБПП(3) |
2320 |
312 |
83 |
3 |
|
СБПЛ(3) |
2320 |
312 |
83 |
3 |
|
СБПП(4) |
2320 |
312 |
83 |
4 |
|
СБПЛ(4) |
2320 |
312 |
83 |
4 |
|
СБУУ(3) |
800 |
312 |
83 |
3 |
|
СБУУ(4) |
800 |
312 |
83 |
4 |
|
Примечание: секции балок СБ могут быть изготовлены длиной кратной шагу стоек (по заявке заказчика) * длина углов балок СБУП (СБУЛ) может соответствовать длинам балок СБ-1; СБ-2; СБ-3; 1320 мм и 2320 мм. секции балок СБР-1; СБР-2 могут иметь длину, указанную заказчиком; радиус балки - не менее 2000 мм ; |
||||
1.2.3 Стойки:
СД - дорожные стойки;
СМ - мостовые стойки;
СМЦ - мостовые стойки на цоколе;
Основные параметры стоек приведены в таблице 2
Таблица 2
|
Марка стойки |
Профиль |
Размеры, мм, длина |
|
СД-1,8Ш12 |
Швеллер № 12 |
1800 |
|
СД-2,34Д12 |
Двутавр № 12 |
2340 |
|
СД-2,6Д12 |
Двутавр № 12 |
2680 |
|
СМ-0,75Д12 |
Двутавр № 12 |
750 |
|
СМ-1,1Д14 |
Двутавр № 14 |
1100 |
|
СМ-1,1Д16 |
Двутавр № 16 |
1100 |
|
СМ-1,5Д16 |
Двутавр № 16 |
1500 |
|
СМЦ-0,6Д12 |
Двутавр № 12 |
600 |
|
СМЦ-0,95Д14 |
Двутавр № 14 |
950 |
|
СМЦ-0,86Д16 |
Двутавр № 16 |
860 |
|
СМЦ-1,35Д16 |
Двутавр № 16 |
1350 |
|
СМЦ-1,26Д16 |
Двутавр № 16 |
1260 |
1.2.4 Консоли:
КН - консоль-амортизатор нижний;
КВ - консоль-амортизатор верхний;
Основные параметры консолей приведены в таблице 3
Таблица 3
|
Марка консоль-амортизатора |
Размеры, мм |
||
|
длина |
ширина |
высота |
|
|
КН |
290 |
280 |
70 |
|
КВ |
190 |
280 |
70 |
ЭС - элемент световозвращающий (КД-1 по ГОСТ Р 50971).
1.3 Основные характеристики ограждений
1.3.1 Ограждения следует изготавливать по рабочим чертежам, соответствующим настоящим техническим условиям утвержденным в установленном порядке.
1.3.2 Величины удерживающей способности, динамического прогиба, указанные в марке ограждения, должны соответствовать фактическим величинам, указанным в протоколе испытания ограждения, проведенных с соблюдением требований раздела 4 настоящих технических условий.
1.3.3 Величины удерживающей способности, динамического прогиба ограждения должны соответствовать приведенным в таблицах 4 и 5.
Таблица 4
|
Уровень удерживающей способности |
Энергия удара, кДж |
Высота ограждения, м |
Количество балок, шт. |
Толщина балки, мм |
Шаг стоек, м |
Профиль стойки |
Динамический прогиб ограждения, м |
|
Характеристики и конструктивные особенности дорожных ограждений |
|||||||
|
У1 |
130 |
0,75 |
1 |
3 |
3,0* |
Швеллер №12 |
1,08 |
|
У2 |
190 |
2,0* |
|||||
|
У3 |
250 |
1,0* |
|||||
|
У4 |
300 |
1,10 |
2 |
2,0 |
Двутавр №12 |
1,25 |
|
|
У5 |
350 |
1,5 |
|||||
|
У6 |
400 |
4 |
1,5** |
1,23 |
|||
|
У7 |
450 |
1,0** |
|||||
|
Примечание: * - стойка с пластиной 4×300×300 ** - стойка с пластиной 3×200×300 |
|||||||
Таблица 5
|
Уровень удерживающей способности |
Энергия удара, кДж |
Высота ограждения, м |
Количество балок, шт. |
Толщина балки, мм |
Шаг стоек, м |
Профиль стойки |
Динамический прогиб ограждения, м |
|
Характеристики и конструктивные особенности мостовых ограждений |
|||||||
|
У1 |
130 |
0,75 |
1 |
4 |
2,5 |
Двутавр № 12 |
0,48 |
|
У2 |
190 |
1,5 |
|||||
|
У3 |
250 |
1,0 |
|||||
|
У4 |
300 |
1,10 |
2 |
2,5 |
Двутавр № 14 |
0,83 |
|
|
У5 |
350 |
2,0 |
|||||
|
У6 |
400 |
1,5 |
|||||
|
У7 |
450 |
1,0 |
|||||
|
У8 |
500 |
1,10 (1,50) |
1,5 |
Двутавр № 16 |
0,59 |
||
|
У9 |
550 |
1,33 |
|||||
|
У10 |
600 |
1,0 |
|||||
|
Примечание: высота ограждения мостового сооружения может быть отлична от настоящих технических условий и быть не менее указанной в таблице 18 ГОСТ Р 52289. |
|||||||
1.3.4 Безопасность ограждения для людей, находящихся в удерживаемом транспортном средстве, должна соответствовать уровню, определяемому индексом тяжести травм ASJ ≤ 1,0 (п.11.9)
1.3.5 Безопасность выбега удержанного транспортного средства должна соответствовать условию его нахождения в пределах контрольной площадки (п.11.10).
1.3.6 Высота осей балок нижнего и верхнего ярусов рабочего участка ограждения над поверхностью проезжей части дороги должна быть: нижнего уровня - 0,59 м, верхнего уровня - 0,94 м.
1.3.7 Участки ограждения должны иметь длину, указанную в таблице 6
Таблица 6
|
Участок ограждения |
||
|
Наименование |
Марка |
Длина, м |
|
Начальный |
11ДО-Н (К) |
8-12 |
|
11ДД-Н |
||
|
Рабочий |
11ДО-2,0 |
≥ 12,0 |
|
11МО-2,0 |
М |
|
|
11МД-2,0 |
М |
|
|
Сопрягающий |
11ДО-С |
≤ 8,0 |
|
Переходный |
11ДО-П |
≤ 4,0 |
|
Примечание: М - суммарная длина пролетного строения и переходных плит мостового сооружения, м. |
||
1.3.8 Секция балки: СБ; СБР; СБУП; СБУЛ; СБПП; СБПЛ; СБУУ и концевые элементы следует изготавливать из стального гнутого профиля с размерами 312×83×4 (3) мм по ТУ 14-101-406. Марка стали ВСт3сп, ВСт3пс, ВСт3кп по ГОСТ 380.
1.3.9 Стойки СД для одностороннего ограждения следует изготавливать из швеллера № 12 по ГОСТ 8240 или из двутавра № 12 по ГОСТ 8239, а также из С - образного гнутого профиля размером 120×55×18×5 мм по ГОСТ 8282. Марка стали ВСт3пс, ВСт3сп, ВСт3кп по ГОСТ 380.
1.3.10 Стойки СД для двустороннего ограждения следует изготавливать из швеллера № 12 по ГОСТ 8240 или из двутавра № 12 по ГОСТ 8239, а также из С - образного гнутого профиля размером 120×55×18×5 мм по ГОСТ 8282. Марка стали ВСт3пс, ВСт3сп, ВСт3кп по ГОСТ 380.
1.3.11 Стойки мостовых ограждений следует изготавливать из двутавра № 12 (№ 14; № 16) по ГОСТ 8239. Фланцы стоек следует изготовлять из листовой стали толщиной 20 мм по ГОСТ 14637. Марка стали ВСт3сп, ВСт3пс, ВСт3кп по ГОСТ 380.
1.3.12 Консоли-амортизаторы КН и КВ следует изготавливать из стали листовой, толщиной 4,0 мм по ГОСТ 19903. Марка стали ВСт3пс, ВСт3сп, ВСт3кп по ГОСТ 380.
1.3.13 Все сварные соединения в мостовых стойках и секциях угловых балок следует выполнять согласно ГОСТ 14771 в соответствии с требованиями СНиП Ш-18.
1.3.14 Световозвращающие элементы должны соответствовать требованиям ГОСТ Р 50971.
1.3.15 Все основные и вспомогательные элементы ограждения должны быть защищены от коррозии в соответствии со СН и ПП-2.03-11.В качестве антикоррозийного покрытия следует применять горячее цинкование толщиной 80…120 мкм, покрытие грунтом типа ГФ-021 по ГОСТ 25129 или другое по требованию заказчика.
1.3.16 Предельные отклонения размеров деталей ограждений:
по ГОСТ
25347.
1.3.18 Отклонения секций балки СБ от прямолинейности не должно превышать 3 мм на длине 1000 мм.
1.3.19 Для соединения секций балок между собой и консолями следует применять болты М 16×45 с полукруглой головкой и квадратным подголовником по ГОСТ 7802 или болты М16×35 по ТУ 1630-016-71915393-2005.
1.3.20 В зоне сопряжения ограждений дорожной группы 11ДОУ1-У3 с группой 11ДОУ4-У7 следует применять секцию балки переходную правую (левую) СБПП (СБПЛ) или концевой элемент ЭК.
1.3.21 Соединение секций балок в зоне деформационных швов мостовых сооружений должно осуществляться при помощи телескопических вставок, в том числе сконструированных в индивидуальном порядке.
1.3.22 Свободные торцы балок должны быть отогнаны к уровню обочины (покрытия) дороги по ГОСТ 52289.
1.3.23 При установке ограждений на кривых в плане малого радиуса допускается надрезка, гибка, сварка секций балок. Места сварки должны быть защищены и обработаны защитными покрытиями.
1.3.24 В местах сопряжения барьерного ограждения по основной дороге и съездов транспортных развязок применять радиусные балки СБР-1 (СБР-2).
1.3.25 При сопряжении дорожного ограждения изготовленного по настоящему техническому условию с ограждением других изготовителей, узел сопряжения разрабатывается в индивидуальном порядке.
2.1 Комплект ограждения, подготовленный к отправке потребителю, должен содержать:
- комплекты участков ограждения, составленные в соответствии с данными таблиц;
- крепежные элементы в количестве, необходимом для установки ограждения на дороге;
- паспорт ограждения со свидетельством ОТК предприятия - изготовителя о приемке комплектов участков ограждения;
- копию Сертификата соответствия показателей ограждения требованиям настоящих технических условий.
2.2 Составы комплектов основных элементов участка ограждений приведены в таблицах 7 - 64
Примечание: при сопряжении ограждений группы 11ДОУ4-У5, 11ДОУ6-У7 с группой 11ДОУ1-У3 применяется секция балки переходная правая - СБПП; секция балки переходная левая - СБПЛ, или элемент концевой ЭК.
Таблица 7 Состав комплекта участка начального (конечного) 11ДО-Н1(К1) для У1-У3
|
Элемент участка |
Наименование |
Количество элементов в комплекте участка, шт. |
|
Секция балки |
СБ-1(3) |
1 |
|
Стойка L = 1000 мм |
СД-1,0Ш12 |
1 |
|
Стойка L = 1200 мм |
СД-1,2Ш12 |
1 |
|
Стойка L = 1400 мм |
СД-1,4Ш12 |
1 |
|
Стойка L = 1600 мм |
СД-1,6Ш12 |
1 |
|
Консоль-амортизатор нижний |
КН |
4 |
|
Секция балки угловая правая (левая) |
СБУП (3) |
1 |
|
Элемент световозвращающий |
ЭС |
2 |
Таблица 8 Состав комплекта участка начального (конечного) 11ДО-Н1(К1) для У4-У5
|
Элемент участка |
Наименование |
Количество элементов в комплекте участка, шт. |
|
Секция балки |
СБ-1(3) |
3 |
|
Стойка L = 1200 мм |
СД-1,2Д12 |
1 |
|
Стойка L = 1400 мм |
СД-1,4Д12 |
1 |
|
Стойка L = 1590 мм |
СД-1,5Д12 |
1 |
|
Стойка L = 1800 мм |
СД-1.8Д12 |
1 |
|
Стойка L = 2000 мм |
СД-2.0Д12 |
1 |
|
Стойка L = 2100 мм |
СД-2,1Д12 |
1 |
|
Консоль-амортизатор нижний |
КН |
4 |
|
Консоль-амортизатор верхний |
КВ |
6 |
|
Секция балки угловая правая (левая) |
СБУП (3) |
2 |
|
Элемент световозвращающий |
ЭС |
3 |
Таблица 9 Состав комплекта участка начального (конечного) 11ДО-Н1(К1) для У6-У7
|
Элемент участка |
Наименование |
Количество элементов в комплекте участка, шт. |
|
Секция балки |
СБ-1(4) |
3 |
|
Стойка L = 1600 мм |
СД-1,6Д12 |
1 |
|
Стойка L = 1700 мм |
СД-1,7Д12 |
1 |
|
Стойка L = 1900 мм |
СД-1,9Д12 |
1 |
|
Стойка L = 2100 мм |
СД-2,1Д12 |
1 |
|
Стойка L = 2300 мм |
СД-2,3Д12 |
1 |
|
Стойка L = 2500 мм |
СД-2,5Д12 |
1 |
|
Консоль-амортизатор нижний |
КН |
4 |
|
Консоль-амортизатор верхний |
КВ |
6 |
|
Секция балки угловая правая (левая) |
СБУП (4) |
2 |
|
Элемент световозвращающий |
ЭС |
3 |
Таблица 10 Состав комплекта участка рабочего 11ДО У 1/3,0-130
|
Элемент участка |
Наименование |
Количество элементов в комплекте участка, шт. |
|
Секция балки |
СБ-1(3);СБ-2(3) |
L/4; (L/6) |
|
Стойка дорожная |
СД-1,8Ш12* |
L/3+1; |
|
Консоль-амортизатор нижний |
КН |
L/3+1; |
|
Элемент световозвращающий |
ЭС |
L/4 |
Таблица 11 Состав комплекта участка рабочего 11ДО У2/2,0-190
|
Элемент участка |
Наименование |
Количество элементов в комплекте участка, шт. |
|
Секция балки |
СБ-1(3); СБ-2(3) |
L/4; (L/6) |
|
Стойка дорожная |
СД-1,8Ш12* |
L/2+1; |
|
Консоль-амортизатор нижний |
КН |
L/2+1; |
|
Элемент световозвращающий |
ЭС |
L/4 |
Таблица 12 Состав комплекта участка рабочего 11ДО У3/1,0-250
|
Элемент участка |
Наименование |
Количество элементов в комплекте участка, шт. |
|
Секция балки |
СБ-1(3);СБ-2(3) |
L/4; (L/6) |
|
Стойка дорожная |
СД-1,8Ш12* |
L+1; |
|
Консоль-амортизатор нижний |
КН |
L+1; |
|
Элемент световозвращающий |
ЭС |
L/4 |
Таблица 13 Состав комплекта участка рабочего 11ДО У4/2,0-300
|
Элемент участка |
Наименование |
Количество элементов в комплекте участка, шт. |
|
Секция балки |
СБ-1(3);СБ-2(3) |
L/2;(L/3) |
|
Стойка дорожная |
СД-2,34Д12 |
L/2+1; |
|
Консоль-амортизатор нижний |
КН |
L/2+1; |
|
Консоль амортизатор верхний |
КВ |
L/2+1 |
|
Элемент световозвращающий |
ЭС |
L/4 |
Таблица 14 Состав комплекта участка рабочего 11ДО У5/1,5-350
|
Элемент участка |
Наименование |
Количество элементов в комплекте участка, шт. |
|
Секция балки |
СБ-1(3);СБ-2(3) |
L/2; (L/3); |
|
Стойка дорожная |
СД-2,34Д12 |
L/1,5+1; |
|
Консоль-амортизатор нижний |
КН |
L/1,5+1; |
|
Консоль-амортизатор верхний |
КВ |
L/1,5+1; |
|
Элемент световозвращающий |
ЭС |
L/4 |
Таблица 15 Состав комплекта участка рабочего 11ДО У6/1,5-400
|
Элемент участка |
Наименование |
Количество элементов в комплекте участка, шт. |
|
Секция балки |
СБ-1(4);СБ-2(4) |
L/2; (L/3) |
|
Стойка дорожная |
СД-2,6Д12** |
L/1,5+1 |
|
Консоль-амортизатор нижний |
КН |
L/1,5+1 |
|
Консоль-амортизатор верхний |
КВ |
L/1,5+1 |
|
Элемент световозвращающий |
ЭС |
L/4 |
Таблица 16 Состав комплекта участка рабочего 11ДО У7/1,0-450
|
Элемент участка |
Наименование |
Количество элементов в комплекте участка, шт. |
|
Секция балки |
СБ-1(4);СБ-2(4) |
L/2; (L/3) |
|
Стойка дорожная |
СД-2,6Д12** |
L+1 |
|
Консоль-амортизатор нижний |
КН |
L+1 |
|
Консоль-амортизатор верхний |
КВ |
L+1 |
|
Элемент световозвращающий |
ЭС |
L /4 |
Таблица 17 Состав комплекта участка рабочего 11ДД У1/3,0-130
|
Элемент участка |
Наименование |
Количество элементов в комплекте участка, шт. |
|
Секция балки |
СБ-1(3);СБ-2(3) |
L/2; (L/3) |
|
Стойка дорожная |
СД-1,8Ш12* |
L/3+1; |
|
Консоль-амортизатор нижний |
КН |
2L/3 +2; |
|
Элемент световозвращающий |
ЭС |
L/2 |
Таблица 18 Состав комплекта участка рабочего 11ДД У2/2,0-190
|
Элемент участка |
Наименование |
Количество элементов в комплекте участка, шт. |
|
Секция балки |
СБ-1(3);СБ-2(3) |
L/2; (L/3) |
|
Стойка дорожная |
СД-1,8 Ш12* |
L/2+1; |
|
Консоль-амортизатор нижний |
КН |
L+2; |
|
Элемент световозвращающий |
ЭС |
L/2 |
Таблица 19 Состав комплекта участка рабочего 11ДД У3/1,0-250
|
Элемент участка |
Наименование |
Количество элементов в комплекте участка, шт. |
|
Секция балки |
СБ-1(3);СБ-2(3) |
L/2; (L/3) |
|
Стойка дорожная |
СД-1,8Ш12* |
L+1; |
|
Консоль-амортизатор нижний |
КН |
2L+2; |
|
Элемент световозвращающий |
ЭС |
L/2 |
Таблица 20 Состав комплекта участка рабочего 11ДД У4/2,0-300
|
Элемент участка |
Наименование |
Количество элементов в комплекте участка, шт. |
|
Секция балки |
СБ-1(3);СБ-2(3) |
L;(2L/3) |
|
Стойка дорожная |
СД-2,34Д12 |
L/2+1; |
|
Консоль-амортизатор нижний |
КН |
L+2; |
|
Консоль-амортизатор верхний |
КВ |
L+2; |
|
Элемент световозвращающий |
ЭС |
L/2 |
Таблица 21 Состав комплекта участка рабочего 11ДД У5/1,5-350
|
Элемент участка |
Наименование |
Количество элементов в комплекте участка, шт. |
|
Секция балки |
СБ-1(3);СБ-2(3) |
L; (2L/3) |
|
Стойка дорожная |
СД-2,34Д12 |
L/1,5+1; |
|
Консоль-амортизатор нижний |
КН |
2L/1,5+2; |
|
Консоль-амортизатор верхний |
КВ |
2L/1,5+2; |
|
Элемент световозвращающий |
ЭС |
L/2 |
Таблица 22 Состав комплекта участка рабочего 11ДД У6/1,5-400
|
Элемент участка |
Наименование |
Количество элементов в комплекте участка, шт. |
|
Секция балки |
СБ-1(4); СБ-2(4) |
L; (2L/3) |
|
Стойка дорожная |
СД-2,6Д12** |
L/1,5+1 |
|
Консоль-амортизатор нижний |
КН |
2L/1,5+2 |
|
Консоль-амортизатор верхний |
КВ |
2L/1,5+2 |
|
Элемент световозвращающий |
ЭС |
L/2 |
Таблица 23 Состав комплекта участка рабочего 11ДД У7/1,0-450
|
Элемент участка |
Наименование |
Количество элементов в комплекте участка, шт. |
|
Секция балки |
СБ-1(4);СБ-2(4) |
L; (2L/3) |
|
Стойка дорожная |
СД-2,6Д12** |
L+1 |
|
Консоль-амортизатор нижний |
КН |
2L+2 |
|
Консоль-амортизатор верхний |
КВ |
2L+2 |
|
Элемент световозвращающий |
ЭС |
L/2 |
Примечание: * - стойка с пластиной 4×300×300
** - стойка с пластиной 3×200×300
Таблица 24 Состав комплекта участка рабочего 11МО У1/2,5-130
|
Элемент участка |
Наименование |
Количество элементов в комплекте участка, шт. |
|
Секция балки |
СБ-1(4); СБ-2(4) |
L/4; (L/6) |
|
Стойка мостовая |
СМ-0,75Д12 |
L/2,5+1 |
|
Консоль-амортизатор нижний |
КН |
L/2,5+1 |
|
Элемент световозвращающий |
ЭС |
L/4 |
Таблица 25 Состав комплекта участка рабочего 11МО У2/1,5-190
|
Элемент участка |
Наименование |
Количество элементов в комплекте участка, шт. |
|
Секция балки |
СБ-1(4); СБ-2(4) |
L/4; (L/6) |
|
Стойка мостовая |
СМ-0,75Д12 |
L/1,5+1 |
|
Консоль-амортизатор нижний |
КН |
L/1,5+1 |
|
Элемент световозвращающий |
ЭС |
L/4 |
Таблица 26 Состав комплекта участка рабочего 11МО У3/1,0-250
|
Элемент участка |
Наименование |
Количество элементов в комплекте участка, шт. |
|
Секция балки |
СБ-1(4);СБ-2(4) |
L/4; (L/6) |
|
Стойка мостовая |
СМ-0,75Д12 |
L+1 |
|
Консоль-амортизатор нижний |
КН |
L+1 |
|
Элемент световозвращающий |
ЭС |
L/4 |
Таблица 27 Состав комплекта участка рабочего 11МО У4/2,5-300
|
Элемент участка |
Наименование |
Количество элементов в комплекте участка, шт. |
|
Секция балки |
СБ-1(4) |
L/2 |
|
Стойка мостовая |
СМ-1,1Д14 |
L/2,5+1 |
|
Консоль-амортизатор нижний |
КН |
L/2,5+1 |
|
Консоль-амортизатор верхний |
КВ |
L/2,5+1 |
|
Элемент световозвращающий |
ЭС |
L/4 |
Таблица 28 Состав комплекта участка рабочего 11МО У5/2,0-350
|
Элемент участка |
Наименование |
Количество элементов в комплекте участка, шт. |
|
Секция балки |
СБ-1(4); СБ-2(4) |
L/2; (L/3) |
|
Стойка мостовая |
СМ-1,1Д14 |
L/2+1 |
|
Консоль-амортизатор нижний |
КН |
L/2+1 |
|
Консоль-амортизатор верхний |
КВ |
L/2+1 |
|
Элемент световозвращающий |
ЭС |
L/4 |
Таблица 29 Состав комплекта участка рабочего 11МО У6/1,5-400
|
Элемент участка |
Наименование |
Количество элементов в комплекте участка, шт. |
|
Секция балки |
СБ-1(4);СБ-2(4) |
L/2; (L/3) |
|
Стойка мостовая |
СМ-1,1Д14 |
L/1,5+1 |
|
Консоль-амортизатор нижний |
КН |
L/1,5+1 |
|
Консоль-амортизатор верхний |
КВ |
L/1,5+1 |
|
Элемент световозвращающий |
ЭС |
L/4 |
Таблица 30 Состав комплекта участка рабочего 11МО У7/1,0-450
|
Элемент участка |
Наименование |
Количество элементов в комплекте участка, шт. |
|
Секция балки |
СБ-1(4);СБ-2(4) |
L/2; (L/3) |
|
Стойка мостовая |
СМ-1,1Д14 |
L+1 |
|
Консоль-амортизатор нижний |
КН |
L+1 |
|
Консоль-амортизатор верхний |
КВ |
L+1 |
|
Элемент световозвращающий |
ЭС |
L/4 |
Таблица 31 Состав комплекта участка рабочего 11МО У8/1,5-500
|
Элемент участка |
Наименование |
Количество элементов в комплекте участка, шт. |
|
Секция балки |
СБ-1(4);СБ-2(4) |
L/2; (L/3) |
|
Стойка мостовая |
СМ-1,1Д16 |
L/1,5+1 |
|
Консоль-амортизатор нижний |
КН |
L/1,5+1 |
|
Консоль-амортизатор верхний |
КВ |
L/1,5+1 |
|
Элемент световозвращающий |
ЭС |
L/4 |
Таблица 33 Состав комплекта участка рабочего 11МО У9/1,33-550
|
Элемент участка |
Наименование |
Количество элементов в комплекте участка, шт. |
|
Секция балки |
СБ-1(4) |
L/2 |
|
Стойка мостовая |
СМ-1,1Д16 |
L/1,33+1 |
|
Консоль-амортизатор нижний |
КН |
L/1,33+1 |
|
Консоль-амортизатор верхний |
КВ |
L/1,33+1 |
|
Элемент световозвращающий |
ЭС |
L/4 |
Таблица 34 Состав комплекта участка рабочего 11МО У10/1,0-600
|
Элемент участка |
Наименование |
Количество элементов в комплекте участка, шт. |
|
Секция балки |
СБ-1(4);СБ-2(4) |
L/2; (L/3) |
|
Стойка мостовая |
СМ-1,1Д16 |
L+1 |
|
Консоль-амортизатор нижний |
КН |
L+1 |
|
Консоль-амортизатор верхний |
КВ |
L+1 |
|
Элемент световозвращающий |
ЭС |
L/4 |
Таблица 35 Состав комплекта участка рабочего 11МД У 1/2,5-130
|
Элемент участка |
Наименование |
Количество элементов в комплекте участка, шт. |
|
Секция балки |
СБ-1(4); |
L/2; |
|
Стойка мостовая |
СМ-0,75Д12 |
L/2,5+1 |
|
Консоль-амортизатор нижний |
КН |
2L/2,5+2 |
|
Элемент световозвращающий |
ЭС |
L/2 |
Таблица 36 Состав комплекта участка рабочего 11МД У3/1,5-190
|
Элемент участка |
Наименование |
Количество элементов в комплекте участка, шт. |
|
Секция балки |
СБ-1(4);СБ-2(4) |
L/2; (L/3) |
|
Стойка мостовая |
СМ-0,75Д12 |
L/1,5+1 |
|
Консоль-амортизатор нижний |
КН |
2L/1,5+2 |
|
Элемент световозвращающий |
ЭС |
L/2 |
Таблица 37 Состав комплекта участка рабочего 11МД У3/1,0-250
|
Элемент участка |
Наименование |
Количество элементов в комплекте участка, шт. |
|
Секция балки |
СБ-1(4);СБ2-(4) |
L/2; (L/3) |
|
Стойка мостовая |
СМ-0,75Д12 |
L+1 |
|
Консоль-амортизатор нижний |
КН |
2L+2 |
|
Элемент световозвращающий |
ЭС |
L/2 |
Таблица 38 Состав комплекта участка рабочего 11МД У4/2,5-300
|
Элемент участка |
Наименование |
Количество элементов в комплекте участка, шт. |
|
Секция балки |
СБ-1(4) |
L |
|
Стойка мостовая |
СМ-1,1Д14 |
L/2,5+1 |
|
Консоль-амортизатор нижний |
КН |
L/2,5+2 |
|
Консоль-амортизатор верхний |
КВ |
L/2,5+2 |
|
Элемент световозвращающий |
ЭС |
L/2 |
Таблица 39 Состав комплекта участка рабочего 11МД У5/2,0-350
|
Элемент участка |
Наименование |
Количество элементов в комплекте участка, шт. |
|
Секция балки |
СБ-1(4);СБ-2(4) |
L; (2L/3) |
|
Стойка мостовая |
СМ-1,1Д14 |
L/2+1 |
|
Консоль-амортизатор нижний |
КН |
L+2 |
|
Консоль-амортизатор верхний |
КВ |
L+2 |
Таблица 40 Состав комплекта участка рабочего 11МД У6/1,5-400
|
Элемент участка |
Наименование |
Количество элементов в комплекте участка, шт. |
|
Секция балки |
СБ-1(4);СБ-2(4) |
L; (2L/3) |
|
Стойка мостовая |
СМ-1,1Д14 |
L/1,5+1 |
|
Консоль-амортизатор нижний |
КН |
2L/1,5+2 |
|
Консоль-амортизатор верхний |
КВ |
2L/1,5+2 |
|
Элемент световозвращающий |
ЭС |
L/2 |
Таблица 41 Состав комплекта участка рабочего 11МД У7/1,0-450
|
Элемент участка |
Наименование |
Количество элементов в комплекте участка, шт. |
|
Секция балки |
СБ-1(4);СБ-2(4) |
L; (2L/3) |
|
Стойка мостовая |
СМ-1,1Д14 |
L+1 |
|
Консоль-амортизатор нижний |
КН |
2L+2 |
|
Консоль-амортизатор верхний |
КВ |
2L+2 |
|
Элемент световозвращающий |
ЭС |
L/2 |
Таблица 42 Состав комплекта участка рабочего 11МД У8/1,5-500
|
Элемент участка |
Наименование |
Количество элементов в комплекте участка, шт. |
|
Секция балки |
СБ-1(4);СБ2(4) |
L; (2L/3) |
|
Стойка мостовая |
СМ-1,1Д16 |
L/1,5+1 |
|
Консоль-амортизатор нижний |
КН |
2L/1,5+2 |
|
Консоль-амортизатор верхний |
КВ |
2L/1,5+2 |
|
Элемент световозвращающий |
ЭС |
L/2 |
Таблица 43 Состав комплекта участка рабочего 11МД У9/1,33-550
|
Элемент участка |
Наименование |
Количество элементов в комплекте участка, шт. |
|
Секция балки |
СБ-1(4) |
L |
|
Стойка мостовая |
СМ-1,1Д16 |
L/1,33+1 |
|
Консоль-амортизатор нижний |
КН |
2L/1,33+2 |
|
Консоль-амортизатор верхний |
КВ |
2L/1,33+2 |
|
Элемент световозвращающий |
ЭС |
L/2 |
Таблица 44 Состав комплекта участка рабочего 11МД У10/1,0-600
|
Элемент участка |
Наименование |
Количество элементов в комплекте участка, шт. |
|
Секция балки |
СБ-1(4);СБ-2(4) |
L, (2L/3) |
|
Стойка мостовая |
СМ-1,1Д16 |
L+1 |
|
Консоль-амортизатор нижний |
КН |
2L+2 |
|
Консоль-амортизатор верхний |
КВ |
2L+2 |
|
Элемент световозвращающий |
ЭС |
L/2 |
Таблица 45 Состав комплекта участка рабочего 11МДЦ У1/2,5-130
|
Элемент участка |
Наименование |
Количество элементов в комплекте участка, шт. |
|
Секция балки |
СБ-1(4) |
L/2 |
|
Стойка мостовая |
СМЦ-0,6Д12 |
L/1,5+1 |
|
Консоль-амортизатор нижний |
КН |
2L/1,5+2 |
|
Элемент световозвращающий |
ЭС |
L/2 |
Таблица 46 Состав комплекта участка рабочего 11МДЦ У2/1,5-190
|
Элемент участка |
Наименование |
Количество элементов в комплекте участка, шт. |
|
Секция балки |
СБ-1(4);СБ-2(4) |
L/2; (L/3) |
|
Стойка мостовая |
СМЦ-0,6Д12 |
L/2,5+1 |
|
Консоль-амортизатор нижний |
КН |
2L/2,5+2 |
|
Элемент световозвращающий |
ЭС |
L/2 |
Таблица 47 Состав комплекта участка рабочего 11МДЦ У3/1,0-250
|
Элемент участка |
Наименование |
Количество элементов в комплекте участка, шт. |
|
Секция балки |
СБ-1(4); СБ-2(4) |
L/2; (L/3) |
|
Стойка мостовая |
СМЦ-0,6Д14 |
L+1 |
|
Консоль-амортизатор нижний |
КН |
2L+2 |
|
Элемент световозвращающий |
ЭС |
L/2 |
Таблица 48 Состав комплекта участка рабочего 11МДЦ У4/2,5-300
|
Элемент участка |
Наименование |
Количество элементов в комплекте участка, шт. |
|
Секция балки |
СБ-1(4) |
L |
|
Стойка мостовая |
СМЦ-0,95Д14 |
L/2,5+1 |
|
Консоль-амортизатор нижний |
КН |
2L2,5+2 |
|
Консоль-амортизатор верхний |
КВ |
2L2,5+2 |
|
Элемент световозвращающий |
ЭС |
L/2 |
Таблица 49 Состав комплекта участка рабочего 11МДЦ У5/2,0-350
|
Элемент участка |
Наименование |
Количество элементов в комплекте участка, шт. |
|
Секция балки |
СБ-1(4); СБ-2(4) |
L; (2L/3) |
|
Стойка мостовая |
СМЦ-0,95Д14 |
L/2+1 |
|
Консоль-амортизатор нижний |
КН |
L+2 |
|
Консоль-амортизатор верхний |
КВ |
L+2 |
|
Элемент световозвращающий |
ЭС |
L/2 |
Таблица 50 Состав комплекта участка рабочего 11МДЦ У6/1,5-400
|
Элемент участка |
Наименование |
Количество элементов в комплекте участка, шт. |
|
Секция балки |
СБ-1(4);СБ-2(4) |
L, (2L/3) |
|
Стойка мостовая |
СМЦ-0,95Д14 |
L/1,5+1 |
|
Консоль-амортизатор нижний |
КН |
2L/1,5+2 |
|
Консоль-амортизатор верхний |
КВ |
2L/1,5+2 |
|
Элемент световозвращающий |
ЭС |
L/2 |
Таблица 51 Состав комплекта участка рабочего 11МДЦ У7/1,0-450
|
Элемент участка |
Наименование |
Количество элементов в комплекте участка, шт. |
|
Секция балки |
СБ-1(4); СБ-2(4) |
L; (2L/3) |
|
Стойка мостовая |
СМЦ-0,95Д14 |
L+1 |
|
Консоль-амортизатор нижний |
КН |
2L+2 |
|
Консоль-амортизатор верхний |
КВ |
2L+2 |
|
Элемент световозвращающий |
ЭС |
L/2 |
Таблица 52 Состав комплекта участка рабочего 11МДЦ У8/1,50-500
|
Элемент участка |
Наименование |
Количество элементов в комплекте участка, шт. |
|
Секция балки |
СБ-1(4);СБ-2(4) |
L; (2L/3) |
|
Стойка мостовая |
СМЦ-0,86Д16 |
L/1,5+1 |
|
Консоль-амортизатор нижний |
КН |
2L/1,5+2 |
|
Консоль-амортизатор верхний |
КВ |
2L/1,5+2 |
|
Элемент световозвращающий |
ЭС |
L/2 |
Таблица 53 Состав комплекта участка рабочего 11МДЦ У9/1,33-550
|
Элемент участка |
Наименование |
Количество элементов в комплекте участка, шт. |
|
Секция балки |
СБ-1(4) |
L |
|
Стойка мостовая |
СМЦ-0,86Д16 |
L/1,33+1 |
|
Консоль-амортизатор нижний |
КН |
2L/1,33+2 |
|
Консоль-амортизатор верхний |
КВ |
2L/1,33+2 |
|
Элемент световозвращающий |
ЭС |
L/2 |
Таблица 54 Состав комплекта участка рабочего 11МДЦ У10/1,0-600
|
Элемент участка |
Наименование |
Количество элементов в комплекте участка, шт. |
|
Секция балки |
СБ-1(4); СБ-2(4) |
L; (2L/3) |
|
Стойка мостовая |
СМЦ-0,86Д16 |
L+1 |
|
Консоль-амортизатор нижний |
КН |
2L+2 |
|
Консоль-амортизатор верхний |
КВ |
2L+2 |
|
Элемент световозвращающий |
ЭС |
L/2 |
Таблица 55 Состав комплекта участка рабочего 11МОЦ У1/2,5-130
|
Элемент участка |
Наименование |
Количество элементов в комплекте участка, шт. |
|
Секция балки |
СБ-1(4) |
L/4 |
|
Стойка мостовая |
СМЦ-0,6Д12 |
L/2,5+1 |
|
Консоль-амортизатор нижний |
КН |
L/2,5+1 |
|
Элемент световозвращающий |
ЭС |
L/4 |
Таблица 56 Состав комплекта участка рабочего 11МОЦ У2/1,5-190
|
Элемент участка |
Наименование |
Количество элементов в комплекте участка, шт. |
|
Секция балки |
СБ-1(4); СБ-2(4) |
L/4; (L/6) |
|
Стойка мостовая |
СМЦ-0,6Д12 |
L/1,5+1 |
|
Консоль-амортизатор нижний |
КН |
L/1,5+1 |
|
Элемент световозвращающий |
ЭС |
L/4 |
Таблица 57 Состав комплекта участка рабочего 11МОЦ У3/1,0-250
|
Элемент участка |
Наименование |
Количество элементов в комплекте участка, шт. |
|
Секция балки |
СБ-1(4); СБ-2(4) |
L/4 ; (L/6) |
|
Стойка мостовая |
СМЦ-0,6Д14 |
L+1 |
|
Консоль-амортизатор нижний |
КН |
L+1 |
|
Элемент световозвращающий |
ЭС |
L/4 |
Таблица 58 Состав комплекта участка рабочего 11МОЦ У4/2,5-300
|
Элемент участка |
Наименование |
Количество элементов в комплекте участка, шт. |
|
Секция балки |
СБ-1(4) |
L/2 |
|
Стойка мостовая |
СМЦ-0,95Д14 |
L/2,5+1 |
|
Консоль-амортизатор нижний |
КН |
L/2,5+1 |
|
Консоль-амортизатор верхний |
КВ |
L/2,5+1 |
|
Элемент световозвращающий |
ЭС |
L/4 |
Таблица 59 Состав комплекта участка рабочего 11МОЦ У5/2,0-350
|
Элемент участка |
Наименование |
Количество элементов в комплекте участка, шт. |
|
Секция балки |
СБ-1(4); СБ-2(4) |
L/2; (L/3) |
|
Стойка мостовая |
СМЦ-0,95Д14 |
L/2+1 |
|
Консоль-амортизатор нижний |
КН |
L/2+1 |
|
Консоль-амортизатор верхний |
КВ |
L/2+1 |
|
Элемент световозвращающий |
ЭС |
L/4 |
Таблица 60 Состав комплекта участка рабочего 11МОЦ У6/1,5-400
|
Элемент участка |
Наименование |
Количество элементов в комплекте участка, шт. |
|
Секция балки |
СБ-1(4); СБ-2(4) |
L/2, (L/3) |
|
Стойка мостовая |
СМЦ-0,95Д14 |
L/1,5+1 |
|
Консоль-амортизатор нижний |
КН |
L/1,5+1 |
|
Консоль-амортизатор верхний |
КВ |
L/1,5+1 |
|
Элемент световозвращающий |
ЭС |
L/4 |
Таблица 61 Состав комплекта участка рабочего 11МОЦ У7/1,0-450
|
Элемент участка |
Наименование |
Количество элементов в комплекте участка, шт. |
|
Секция балки |
СБ-1(4);СБ-2(4) |
L/2; (L/3) |
|
Стойка мостовая |
СМЦ-0,95Д14 |
L+1 |
|
Консоль-амортизатор нижний |
КН |
L+1 |
|
Консоль-амортизатор верхний |
КВ |
L+1 |
|
Элемент световозвращающий |
ЭС |
L/4 |
Таблица 62 Состав комплекта участка рабочего 11МОЦ У8/1,5-500
|
Элемент участка |
Наименование |
Количество элементов в комплекте участка, шт. |
|
Секция балки |
СБ-1(4); СБ-2(4) |
L/2; (L/3) |
|
Стойка мостовая |
СМЦ-0,86Д16 |
L/1,5+1 |
|
Консоль-амортизатор нижний |
КН |
L/1,5+1 |
|
Консоль-амортизатор верхний |
КВ |
L/1,5+1 |
|
Элемент световозвращающий |
ЭС |
L/4 |
Таблица 63 Состав комплекта участка рабочего 11МОЦ У9/1,33-550
|
Элемент участка |
Наименование |
Количество элементов в комплекте участка, шт. |
|
Секция балки |
СБ-1(4) |
L/2 |
|
Стойка мостовая |
СМЦ-0,86Д16 |
L/1,33+1 |
|
Консоль-амортизатор нижний |
КН |
L/1,33+1 |
|
Консоль-амортизатор верхний |
КВ |
L/1,33+1 |
|
Элемент световозвращающий |
ЭС |
L/4 |
Таблица 64 Состав комплекта участка рабочего 11МОЦ У10/1,0-600
|
Элемент участка |
Наименование |
Количество элементов в комплекте участка, шт. |
|
Секция балки |
СБ-1(4); СБ-2(4) |
L/2; (L/3) |
|
Стойка мостовая |
СМЦ-0,86Д16 |
L+1 |
|
Консоль-амортизатор нижний |
КН |
L+1 |
|
Консоль-амортизатор верхний |
КВ |
L+1 |
|
Элемент световозвращающий |
ЭС |
L/4 |
3.1 Правила приемки:
3.1.2 Комплекты ограждений должны приниматься отделом технического контроля предприятия - изготовителя партиями. Партией следует считать комплекты ограждений одной марки, изготовленные по одной технологии.
3.1.3 Для контроля размеров и внешнего вида элементов ограждений и качества их антикоррозионного покрытия из каждой партии отбирают не менее 5 комплектов начального (конечного) и рабочего участков.
3.1.4 При получении неудовлетворительных результатов контроля хотя бы по одному из показателей, устанавливаемых настоящими техническими условиями, по этому показателю проводят повторный контроль на удвоенном числе комплектов, отобранных из той же партии. Если при повторной проверке окажется хотя бы один комплект, не удовлетворяющий требованиям настоящих технических условий, всю партию подвергают поштучной проверке.
3.1.5 Потребитель имеет право проводить контрольную проверку соответствия элементов ограждений требованиям настоящих технических условий, соблюдая при этом указанный выше порядок отбора элементов и применяя методы контроля, установленные настоящими техническими условиями.
3.1.6 Элементы, не соответствующие требованиям настоящих технических условий, подлежат выбраковке.
3.1.7 Правильность и полнота состава комплекта каждого участка ограждения, отгруженного потребителю, должна быть подтверждена свидетельством ОТК предприятия- изготовителя.
3.2 Методы контроля
3.2.1 Качество стали и сварочных материалов должно быть удостоверено сертификатами предприятий-изготовителей или данными входного контроля предприятия-изготовителя ограждений.
3.2.2 Соответствие формы и размеров профиля поперечного сечения балки следует проверять специальным поверенным шаблоном.
3.2.3 Измерение длины секций балки и стоек следует выполнять посредством поверенной металлической рулетки.
3.2.4 Измерение криволинейности и волнистости секций балки следует выполнять посредством натянутой струны (лески) и металлической поверенной линейки.
3.2.5 Правильность взаимного расположения и размеров отверстий в секциях балки и концевых элементах следует проверять специальными поверенными шаблонами.
3.2.6 Профиль поперечного сечения секций балки на расстоянии от 320 мм от торцов следует проверять специальными поверенными шаблонами.
3.2.7 Кривизну секций балки СБР следует проверять специальными поверенными шаблонами.
3.2.8 Контроль качества защитных антикоррозийных покрытий следует определять методами, указанными в СНиП 3.04.03-85.
3.2.9 Контроль качества сварных швов и их размеров следует проводить в соответствие со СНиП III-18-75.
4.3 Объект испытания
4.3.1 Объект испытания - ограждение данной марки, должно быть отобрано Комиссией предприятия-изготовителя.
4.3.2 Установку ограждения на испытательной площадке полигона следует выполнить в соответствии с требованиями «Инструкции по установке ограждения» (приложение А).
4.3.3 Количество элементов устанавливаемого ограждения должно быть достаточным для того, чтобы длина рабочего участка ограждения была не менее 48 м, а полная длина ограждения - не менее 72 м.
Примечание: Для замены элементов, поврежденных при испытании наездом легковым автомобилем, количество деталей в комплекте рабочего участка ограждения должно быть увеличено на 30 %.
4.3.4 Рабочий участок ограждения должен быть расположен таким образом, чтобы место возникновения его контакта с испытательным автомобилем находилось от начала этого участка на расстоянии равном, примерно, одной трети полной длины рабочего участка.
4.4 Испытательные сооружения и оборудование полигона.
4.4.1 Полигон для испытаний ограждений наездами автомобилей должен иметь испытательную площадку, в составе которой должны быть:
- грунтовая полоса для установки на ней ограждений группы Д;
- железобетонная монолитная плита для установки на ней ограждений группы М;
- полоса для разгона испытательных автомобилей.
4.4.2 Положение и размеры грунтовой полосы должны обеспечивать возможность установки на ней прямолинейных участков ограждений длиной до 80 м, под углом 20 градусов, по отношению к продольной оси полосы разгона.
4.4.3 Физико-механические свойства и плотность грунта грунтовой полосы должны соответствовать требованиям, предъявляемым к грунту верхнего слоя земляного полотна автомобильных дорог.
4.4.4 Размеры поверхности железобетонной монолитной плиты должны быть достаточны для установки на ней рабочих участков ограждений мостовой группы. К обоим концам железобетонной монолитной плиты должны примыкать участки грунтовой полосы длиной не менее 12 м каждый.
4.4.5 Полоса для разгона испытательных автомобилей должна быть прямолинейной, иметь твердое и ровное покрытие шириной не менее 3,5 м. На поверхности покрытия по оси полосы разгона должен быть положен монорельс с подвижной кареткой.
Назначение монорельса - наведение испытательного автомобиля на заданную (точку возникновения контакта автомобиля с ограждением).
Назначение каретки - передача тягового усилия разгоняемому автомобилю и обеспечение отделения автомобиля от тягового устройства в момент, непосредственно предшествующий возникновению контакта автомобиля с ограждением.
4.4.6 Вблизи каждого конца грунтовой полосы должна быть площадка для установки скоростной кинокамеры.
Ширина площадки должна быть достаточна для направления скоростной кинокамеры по оси ограждения, установленного под углом 15 и 20 градусов относительно монорельса полосы разгона. Позади грунтовой полосы должна быть площадка для консольного автолифта, необходимого для установки скоростной кинокамеры, выполняющей съемку процесса соударения испытательного автомобиля с ограждением сверху.
4.5 Испытательные автомобили.
4.5.2. Испытательные автомобили должны иметь все основные агрегаты. Техническое состояние ходовой части и кузова испытательного автомобиля должно быть исправным.
4.5.3 Автомобили должны быть чистыми, в том числе и со стороны нижней части днища кузова и колесных шин.
4.5.4 На наружной поверхности кузова автомобиля должен быть нанесен номер испытания.
У легкового автомобиля номер испытания должен находиться на капоте, крышке багажника и одной двери каждого борта; у автобуса - на передней, задней, обеих боковых панелях кузова и на его крыше; у грузового - на капоте и обеих дверях кабины.
4.5.5 Балластировка автобуса должна состоять в размещении части балласта, соответствующей массе сидящих пассажиров, на сидениях в салоне и остальной части балласта - на полу салона, равномерно по его длине. Балласт, находящийся на полу, должен быть закреплен.
4.5.6 Подготовка автобуса к испытанию должна включать отсоединение привода стояночного тормоза.
4.5.7 Общая величина и распределение массы автомобиля по его осям после его загрузки балластом должно быть удостоверено специальным протоколом. Там же должна быть указана высота центра масс автомобиля над поверхностью дороги.
4.6 Измерительные устройства и регистрирующая аппаратура.
4.6.1 Измерительные устройства должны обеспечивать получение данных о скорости наезда автомобиля на ограждение и ускорениях в центре масс автомобиля по его трем главным осям в процессе взаимодействия автомобиля с ограждением, а также о скорости и величине угла выбега автомобиля в момент прекращения его контакта с ограждением.
4.6.2 Для измерения скорости наезда следует использовать стационарное устройство, находящееся рядом с полосой разгона и обеспечивающее измерение скорости автомобиля в момент его нахождения на расстоянии не более 6,0 м от точки возникновения контакта с ограждением. Для измерения фактической величины угла наезда следует использовать данные скоростной киносъемки, выполненной сверху. Для измерения ускорений в центре масс автомобиля по его главным трем осям, следует использовать блок датчиков соответствующих ускорений, установленный в центре масс автомобиля.
4.6.3 Для определения фактических величин скорости и угла выбега автомобиля следует использовать данные скоростной киносъемки, выполняемой сверху и навстречу движению автомобиля.
4.6.4 Обязательную скоростную киносъемку процесса взаимодействия автомобиля с ограждением следует выполнять одновременно тремя кинокамерами. При этом две кинокамеры должны быть расположены соосно с балкой ограждения и направлены одна навстречу другой, а третья - над участком взаимодействия автомобиля с ограждением.
4.6.5 Для определения величины динамического прогиба ограждения, а также скорости движения автомобиля в процессе его взаимодействия с ограждением, на поверхность испытательной площади на всю длину и ширину рабочего участка ограждения перед проведением испытания должна быть нанесена координатная сетка с квадратными ячейками, имеющим размер сторон 1.0 м.
Разметка сетки должна ярко выделяться на фоне поверхности испытательной площадки. Продольные линии разметки должны быть параллельны начальному положению балки ограждения.
4.6.6 Регистрацию сигналов датчиков ускорений, находящихся в центре масс автомобиля, следует выполнять приборами, находящимися в автомобиле сопровождения.
4.7 Режимы испытаний.
4.7.2 Режим испытания наездом автобуса или грузового автомобиля должен соответствовать уровню удерживающей способности ограждения, указанной в марке ограждения.
4.8 Погрешности и допуски измерений скорости и угла наезда
4.8.1 Погрешность измерения скорости должна быть не более плюс-минус 1 % от величины ее допустимого отклонения. Допустимое отклонение фактической величины скорости наезда от заданной режимом испытаний должно быть не более + 7 %.
4.8.2 Погрешность измерения угла наезда не должна быть более плюс-минус 0.5 град, а допустимое отклонение угла наезда от заданной величины должно быть в пределах от минус 1,0 до плюс 1,5 град.
4.9 Определение безопасности людей, находящихся в удерживаемом автомобиле.
4.9.1 Для определения безопасности людей, находящихся в удерживаемом автомобиле следует использовать обобщенный показатель инерционной перегрузки в центре масс автомобиля, рассчитываемой по формуле:
АSJ = [(Nх/12)2 + (Nу/9)2 + (Nz/10)2]0,5:
где Nх, Nу и Nz - средние величины инерционных перегрузок в центре масс автомобиля, действующих по его главным осям.
Критерий безопасности людей - выполнение условий АSJ ≤ 1,0
4.10 Определение безопасности ограждения для других участников дорожного движения
Ограждение следует считать безопасным для других участников дорожного движения, если удерживаемый автомобиль в момент прекращения соударения с ограждением находится в пределах прямоугольной площадки, примыкающей к проекции балки недеформируемого ограждения на поверхность дороги и имеющей: ширину, равную сумме величин А габаритной ширины автомобиля и 16 % его габаритной длины, величины параметров А и В приведены в таблице 65.
Таблица 65
Тип автомобиля |
А, (м) |
В, (м) |
|
Легковой |
2,2 |
10,0 |
|
Грузовой или автобус |
4,4 |
20,0 |
4.11 Протокол испытаний
Протокол испытаний должен содержать:
- подробную техническую характеристику объекта испытаний со схемами его конструкции и расположения на испытательной площадке полигона с соответствующими фотографиями объекта, сделанными перед его испытанием;
- характеристики испытательных автомобилей, включающие их основные параметры и размеры, схему размещения балласта и координаты центра автомобиля в продольном направлении и по высоте, а также фотографии автомобилей, сделанные до и после испытаний;
- методику проведения испытания с указанием способа разгона испытательного автомобиля, измерения скорости и угла наезда;
- номер и дату проведения испытания;
- данные испытания, указывающие местонахождение места возникновения контакта автомобиля и ограждения;
величину динамического прогиба и рабочую ширину ограждения, продолжительность контакта автомобиля с ограждением, характер
- деформацию ограждения (с соответствующими схемами и фотографиями), фактические величины скорости и угла наезда, скорости и угла выбега, положение автомобиля в момент окончания его соударения с ограждением, траекторию выбега, характера повреждения автомобиля (с соответствующими схемами и фотографиями), а также записи сигналов датчиков ускорений автомобиля в его центре масс и вычисленные величины показателя инерционной перегрузки;
- заключение о соответствии (или несоответствии) фактических показателей удерживающей способности и безопасности ограждения величинам этих показателей, указанных в настоящих технических условиях;
- приложения, поясняющие соответствующие разделы отчета.
Световозвращающие элементы, крепежные изделия, паспорт ограждения со свидетельством о приемке и копию Сертификата соответствия ограждения данной марки требованиям настоящих технических условий следует отправлять в специальной упаковке, изготовленной по чертежам предприятия - изготовителя ограждения.
Маркировка, наносимая на металлический, пластмассовый или деревянный ярлык, прикрепляемый к связке (упаковке), должна содержать:
- наименование или товарный знак предприятия-изготовителя;
- марку ограждения;
- число элементов в связке (упаковке);
- массу связки (упаковки);
- номер связки (упаковки);
- клеймо (штамп) отдела технического контроля предприятия-изготовителя.
Секции балки должны храниться по маркам в связках, уложенных в штабеля с опорой на деревянные прокладки и подкладки.
Подкладки под нижними связками должны иметь толщину не менее 50 мм, ширину не менее 200 мм и быть уложены по ровному основанию через 1,0 м.
Прокладки между связками должны быть толщиной не менее 20 мм и шириной не менее 200 мм.
При транспортировании связок секций балок необходимо обеспечивать их укладку с опорой на деревянные подкладки и прокладки.
Условия транспортирования ограждений при воздействии климатических факторов - 7, условий хранения - 4 по ГОСТ 15150.
6.1 Изготовитель гарантирует сохранение показателей основных параметров ограждения требованиям настоящих технических условий в течение не менее 15 лет (на ограждения с горячим цинкованием) с момента установки ограждения на дороге при условии выполнения требований раздела «Инструкции по установке ограждений» и отсутствии каких-либо механических повреждений ограждения в течение указанного срока.
Указание: при установке дорожных ограждений следует руководствоваться СНиП 3.06.03.
1 Предварительные условия
1.1 Работы по устройству ограждений на дорогах следует выполнять после окончания работ по планировке и укреплению обочин и откосов земляного полотна, устройства присыпных берм, пролетных строений и переходных плит мостовых сооружений.
2 Определение координат положения осей стоек
2.1 Работы по установке стоек ограждения группы Д следует начинать с разбивочных работ.
- расстояние от кромки проезжей части дороги до лицевой поверхности ограждения должно быть не менее 1.0 м;
- расстоянии от бровки земляного полотна до стойки ограждения должно быть 0,5 - 0,85 м.
2.2 Положение стоек ограждения группы М определяется расположением мест крепления, имеющихся в пролетном строении мостового сооружения.
2.3 На разделительной полосе, ограждения должны быть расположены по ее оси, а при наличии опасных препятствий - вдоль оси разделительной полосы на расстоянии не менее 1.0 м от кромки проезжей части.
2.4 В пределах переходных плит в местах сопряжения пролетных строений мостовых сооружений с земляным полотном устанавливают такие же ограждения, как и на мостовом сооружении.
2.5 Шаг стоек перед и за переходными плитами мостовых сооружений на земляном полотне дороги должен быть равным 1.0 м (или в соответствии с проектом на дорогу) на протяжении 8.0 м с обеих сторон.
3 Установка стоек:
3.1 Стойки СД следует устанавливать в цилиндрические шурфы диаметром не более 150 - 200 мм, предварительно выбуренные в земляном полотне дороги.
Примечание: при наличии специальных механизмов (сваебойных установок, вибраторов и др.) стойки следует заглублять в ненарушенное земляное полотно.
3.2 Глубина пробуренного шурфа должна быть на 150 - 200 мм меньше длины заглубляемой части стойки.
3.3 Установку стойки в вертикальное положение и ее верхнего торца до проектной отметки следует выполнять одновременно с обратной засыпкой гравийно-песчаной смесью с послойным уплотнением грунта в шурфе.
3.4 Допуск:
- величина отклонения глубины шурфа ±20 мм;
- величина отклонения шага стоек ±20 мм;
- величина возвышения дорожных стоек ±10 мм;
- величина отклонения стоек относительно продольной оси ограждения стоек ±10 мм.
4 Установка консолей:
4.1 Консоли-амортизаторы КН и КВ следует устанавливать на стойки СД, СМ и СМЦ. Крепление консолей КН и КВ к стойкам в ограждениях как односторонних, так и двусторонних следует выполнять посредством 2-х болтов М16×30 по ГОСТ 7798, гаек М16 по ГОСТ 5915 и шайб 16 по ГОСТ 11371.
4.2 Консоли-амортизаторы КН и КВ следует устанавливать на стойки так, чтобы наружная (выпуклая) сторона консоли была обращена навстречу направлению движения.
5 Установка секций балки:
5.1 Установку секций балки СБ, СБР, СБУП, СБУЛ, СБПП, СБПЛ следует вести в направлении, противоположном направлению движения.
Начало каждой секции следует располагать на наружной поверхности конца предыдущей секции, отклонение оси балки от ее проектного положения в плане не превышало 1:1000 от длины стыкуемых балок.
5.2 Соединение секций балок между собой следует выполнять 8-ми болтами М16×45 с полукруглой головкой и квадратным подголовником по ГОСТ 7802 или М16×35 по ТУ 1630-016-71915393-2005 с гайкой М 16 по ГОСТ 5915 и шайбой 20 по ГОСТ 11371.
5.3 Соединение соседних секций балок начального (конечного) и рабочего участков односторонних и двусторонних ограждений следует выполнять посредством секции балки СБУП (угловая правая) и СБУЛ (угловая левая).
5.4 Сопряжение конца балок начальных участков двух рядом расположенных односторонних ограждений следует выполнять посредством радиусной секции балки СБР-1 (СБР-2).Эта секция должна быть установлена на наружной стороне сопрягаемых участков.
5.5 Для крепления стоек мостовых ограждений следует применять болты М20×70 по ГОСТ 7798; М24×70 по ГОСТ 22353.
5.6 Величины отклонений высоты ограждения по верхней кромки балки должны быть:
+10 мм при длине секции балки 4320 мм;
+15 мм при длине секции балки 6320 мм;
+20 мм при длине секции балки 8320 мм;
+23,5 мм при длине секции балки 9320 мм;
5.7 Моменты затяжки болтовых соединений:
- М16-60 Нм- крепление световозвращателей;
- М16-90… 100 Нм-крепление основных элементов;
- М16-100… 120 Нм-крепление секций балок
6 Установка начальных и концевых участков:
6.1 Начальный и конечный участки дорожного ограждения, устанавливаемые на обочине, устраивают с отгоном 1:20 к бровке земляного полотна. При этом секции балки дорожных ограждений начальных и концевых участков понижают до поверхности дороги на длине 8 (12) м с уклоном 1:10.
6.2 На начальных и концевых участках секции балки одно- и двусторонних барьерных ограждений, устанавливаемых на разделительной полосе, понижают до уровня поверхности обочины земляного полотна с уклоном 1:15 на длине 8(12) м.
6.3 Односторонние ограждения сближают к оси разделительной полосы в соответствии с ГОСТ 52289.
6.4 Переходные участки ограждения устанавливают для соединения мостовых и дорожных ограждений, а также для соединения металлических ограждений и парапетных (железобетонных) ограждений.
7 Установка элементов световозвращающих:
7.1 Элемент световозвращающий следует крепить к секции балки ограждения болтом М16×45 по ГОСТ 7802 ( болт М16×30; М16×35 по ТУ 1630-016-71915393) с полукруглой головкой и квадратным подголовником, с гайкой М16 по ГОСТ 5915 и с шайбой 20 по ГОСТ 11371, в углублении в средней части поперечного волнистого профиля балки (при наличии нескольких рядов балок - в углублении средней части поперечного профиля нижней балки). При этом угловая часть кронштейна световозвращателя должна быть расположена следом за местом крепления кронштейна к секции балки и светоотражатель красного цвета должен быть обращен навстречу направлению движения.
7.2 Световозвращатели устанавливают по всей длине ограждения с интервалом 4,0 м (в т.ч. на участках отгона и понижения).
Примечание - сборку элементов дорожных и мостовых ограждений следует проводить в соответствии с рисунками приложения Б.

1 - Балка СБ-1(3);
2 - Стойка дорожная СД-1.8Ш12;
3 - Консоль-амортизатор нижний КН;
4 - Элемент световозвращающий ЭС;
S - Шаг стойки, мм;
L - Длина рабочего участка, мм;
Рисунок Б.1
Ограждение группы 11ДО
(У1-У3)

1 - Балка СБ-1(3);
2 - Стойка дорожная СД-2,34Д12;
3 - Консоль-амортизатор верхний KB;
4 - Консоль-амортизатор нижний КН;
5 - Элемент световозвращающий ЭС;
S - Шаг стойки, мм;
L - Длина рабочего участка, мм;
Рисунок Б.2
Ограждение группы 11ДО (У4-У5)

1 - Балка СБ-1(4);
2 - Стойка дорожная СД-2,6Д12;
3 - Консоль-амортизатор верхний KB;
4 - Консоль-амортизатор нижний КН;
5 - Элемент световозвращающий ЭС;
S - Шаг стойки, мм;
L - Длина рабочего участка, мм;
Рисунок Б3
Ограждение группы 11ДО (У6-У7)

1 - Балка СБ-1(3);
2 - Стойка дорожная СД-1,8Ш12;
3 - Консоль-амортизатор нижний КН;
4 - Элемент световозвращающий ЭС,
S - Шаг стойки, мм;
L - Длина рабочего участка, мм;
Рисунок Б.4
Ограждение группы 11ДД
(У1-У3)

1 - Балка СБ-1(3);
2 - Стойка дорожная СД-2,34Д12;
3 - Консоль-амортизатор верхний KB;
4 - Консоль-амортизатор нижний КН;
5 - Элемент световозвращающий ЭС;
S - Шаг стойки, мм;
L - Длина рабочего участка, мм;
Рисунок Б.5
Ограждение группы 11ДД
(У4-У5)

1 - Балка СБ-1(4);
2 - Стойка дорожная СД-2,6Д12,
3 - Консоль-амортизатор верхний KB;
4 - Консоль-амортизатор нижний КН;
5 - Элемент световозвращающий ЭС;
S - Шаг стойки, мм;
L - Длина рабочего участка, мм;
Рисунок Б.6
Ограждение группы 11ДД
(У6-У7)

1 - Балка СБ-1(4);
2 - Стоика мостовая, СМ-0,75Д12;
3 - Консоль-амортизатор верхний KB;
4 - Элемент световозвращающий ЭС;
5 - Консоль-амортизатор нижний КН;
6 - Строение пролетное;
7 - Шов деформационный;
S - Шаг стойки, мм;
Н - Высота ограждения, мм;
L - Длина рабочего участка, мм;
Рисунок Б.7
Ограждение группы 11МО
(У1-У3)

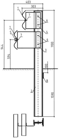
1 - Балка СБ-1(4);
2 - Стойка мостовая: СМ-1.1Д14 для У4-У7; СМ-1.1Д16; СМ-1.5Д16 для У8-У10;
3 - Консоль-амортизатор верхний KB;
4 - Элемент световозвращающий ЭС,
5 - Консоль-амортизатор нижний КН;
6 - Строение пролетное;
7 - Шов деформационный;
S - Шаг стойки, мм;
Н - Высота ограждения, мм;
L - Длина рабочего участка, мм;
Рисунок Б.8
Ограждение группы 11МО
(У4-У10)

1 - Балка СБ-1(4);
2 - Стойка мостовая СМ-0,75Д12;
3 - Консоль-амортизатор верхний KB,
4 - Элемент световозвращающий ЭС;
5 - Консоль-амортизатор нижний КН;
6 - Строение пролетное;
7 - Шов информационный;
S - Шаг стойки, мм;
Н - Высота ограждения, мм
L - Длина рабочего участка мм,
Рисунок Б.9
Ограждение группы 11МД
(У1-У3)

1 - Балка СБ-1(4);
2 - Стойка мостовая: СМ-1.1Д14 для У4-У7; СМ-1.1Д16; СМ-1.5Д16 для У8-У10;
3 - Консоль-амортизатор верхний KB,
4 - Элемент световозвращающий ЭС;
5 - Консоль-амортизатор нижний КН,
6 - Строение пролетное,
7 - Шов информационный;
S - Шаг стойки, мм;
Н - Высота ограждения, мм
L - Длина рабочего участка мм;
Рисунок Б.10
Ограждение группы 11МД
(У4-У10)

1 - Балка СБ-1(4);
2 - Стойка мостовая СМ-0,6Д12;
3 - Консоль-амортизатор верхний KB;
4 - Элемент световозвращающий ЭС;
5 - Консоль-амортизатор нижний КН;
6 - Строение пролетное;
7 - Шов деформационный;
8 - Цоколь ЦМ;
S - Шаг стойки, мм;
Н - Высота ограждения, мм;
L - Длина рабочего участка, мм;
Рисунок Б.11
Ограждение группы 11МОЦ
(У1-У3)

1 - Балка СБ-1(4);
2 - Стойка мостовая: СМ-0,95Д14 для У4-У7; СМ-0.86Д16, СМ-1.26Д16 для У8-У10;
3 - Консоль-амортизатор верхний KB,
4 - Элемент световозвращающий ЭС;
5 - Консоль-амортизатор нижний КН;
6 - Строение пролетное;
7 - Шов деформационный,
8 - Цоколь ЦМ;
S - Шаг стайки, мм;
Н - Высота ограждения, мм,
L - Длина рабочего участка, мм,
Рисунок Б.12
Ограждение группы 11МОЦ (У4-У10)

1 - Балка СБ-1(4);
2 - Стойка мостовая СМ-0,6Д12,
3 - Консоль-амортизатор верхний KB,
4 - Элемент световозвращающий ЭС;
5 - Консоль-амортизатор нижний КН;
6 - Строение пролетное;
7 - Шов деформационный;
8 - Цоколь;
S - Шаг стойки, мм;
Н - Высота ограждения, мм;
L - Длина рабочего участка, мм;
Рисунок Б.13
Ограждение группы 11МДЦ (У1-У3)

1 - Балка СБ-1(4);
2 - Стойка мостовая СМ-0,95Д14 для У4-У7; СМ-86Д16; СМ-1.26Д16 для У8-У10;
3 - Консоль-амортизатор верхний KB;
4 - Элемент световозвращающий ЭС;
5 - Консоль-амортизатор нижний КН;
6 - Строение пролетное;
7 - Шов деформационный;
8 - Цоколь;
S - Шаг стойки, мм;
Н - Высота ограждения, мм;
L - Длина рабочего участка, мм,
Рисунок Б.14
Ограждение группы 11МДЦ (У4-У10)

1 - Балка СБ-1(З);
2 - Стойка дорожная СД-1,8Ш12;
3 - Консоль-амортизатор нижний КН;
4 - Элемент световозвращающий ЭС;
5 - Болт М16×30 ГОСТ 7798. Гайка М16 ГОСТ 5915.Шайба 16 ГОСТ 11371;
6 - Болт М16×45 ГОСТ 7802 Гайка М16 ГОСТ 5915. Шайба 20 ГОСТ 11371 (Болт М 16×35 ТУ1630-016-71915393-2005);
7 - Пластина 4×300×300;
Рисунок Б.15
Дорожные ограждения 11ДО (У1-У3).

1 - Балка СБ-1(3);
2 - Стойка дорожная СД-1.8Ш12;
3 - Консоль-амортизатор нижний КН;
4 - Элемент световозвращающий ЭС;
5 - Болт М16×30 ГОСТ 7798. Гайка М16 ГОСТ 5915. Шайба 16 ГОСТ 11371;
6 - Болт М16×45 ГОСТ 7802. Гайка М16 ГОСТ 5915. Шайба 20 ГОСТ 11371.(Болт М 16×35 ТУ 1630-016-71915393-2005);
Рисунок Б.15.А
Дорожные ограждения 11ДО
(У1-У3).

1 - Балка СБ-1(3);
2 - Стойка дорожная СД-2,34Д12;
3 - Консоль-амортизатор нижний КН;
4 - Консоль-амортизатор верхний KB;
5 - Элемент световозвращающий ЭС;
6 - Болт М16×30 ГОСТ 7798 Гайка М16 ГОСТ 5915 Шайба 16 ГОСТ 11371;
7 - Болт М16×45 ГОСТ 7802. Гайка М16 ГОСТ 5915. Шайба 20 ГОСТ 11371 (Болт М16×35 ТУ1630-016-71915393-2005};
Рисунок Б.16
Ограждение дорожное 11ДО
(У4-У5)

1 - Балка СБ-1(4);
2 - Стойка дорожная СД-2.6Д12;
3 - Консоль-амортизатор нижний КН;
4 - Консоль-амортизатор верхний КВ;
5 - Элемент световозвращающий ЭС;
6 - Болт М16×30 ГОСТ 7798 Гайка М16 ГОСТ 5915.Шайба 16 ГОСТ 11371;
7 - Болт М16×45 ГОСТ 7802. Гайка М16 ГОСТ 5915. Шайба 20 ГОСТ 11371 (Болт М 16×35 ТУ 1630-016-71915393-2005);
8 - Пластина 3×200×300;
Рисунок Б.17
Ограждение дорожное 11ДО (У6-У7)

1 - Балка СБ-1(3);
2 - Стойка дорожная СД-1,8Ш12;
3 - Консоль-амортизатор нижний КН;
4 - Элемент световозвращающий ЭС;
5 - Консоль-амортизатор верхний КВ;
6 - Болт М16×30 ГОСТ 7798. Гайка М16 ГОСТ 5915.Шайба 16 ГОСТ 11371;
7 - Болт М16×45 ГОСТ 7802. Гайка М16 ГОСТ 5915 Шайба 20 ГОСТ 11371.(Болт М16×35 ТУ 1630-016-71915393-2005);
8 - Пластина 4×300×300.
Рисунок Б.18
Ограждение дорожное 11ДД
(У1-У3)

1 - Балка СБ-1(3);
2 - Стойка дорожная СД-1,8Ш12;
3 - Консоль-амортизатор нижний КН;
4 - Элемент световозвращающий ЭС;
5 - Консоль-амортизатор верхний KB;
6 - Болт М16×30 ГОСТ 7798. Гайка М16 ГОСТ 5915,Шай5а 16 ГОСТ 11371;
7 - Болт M16×45 ГОСТ 7802. Гайка М16 ГОСТ 5915. Шайба 20 ГОСТ 11371.(Болт М16×35 ТУ 1630-016-71915393-2005);
Рисунок Б.18.А
Ограждение дорожное 11ДД
(У1-У3)

1 - Балка СБ-1(3);
2 - Стойка СД-2,34Д12;
3 - Консоль-амортизатор нижний КН;
4 - Консоль-амортизатор верхний KB;
5 - Элемент световозвращающий ЭС;
6 - Болт М16×30 ГОСТ 7798. Гайка М16 ГОСТ 5915.Шайба 16 ГОСТ 11371;
7 - Болт М16×45 ГОСТ 7802. Гайка М16 ГОСТ 5915. Шайба 20 ГОСТ 11371. (Болт М 16×35 ТУ 1630-016-71915393-2005);
Рисунок Б.19
Ограждение дорожное 11ДД
(У4-У5)

1 - Балка СБ-1(4);
2 - Стойка СД-2.6Д12;
3 - Консоль-амортизатор нижний КН;
4 - Консоль-амортизатор верхний KB;
5 -Элемент световозвращающий ЭС;
6 - Болт М16×30 ГОСТ 7798. Гайка М16 ГОСТ 5915; Шайба 16 ГОСТ 11371;
7 - Болт М16×45 ГОСТ 7802 Гайка М16 ГОСТ 5915. Шайба 20 ГОСТ 11371. (Болт М16×35 ТУ 1630-016-71915393-2005);
8 - Пластина 3×200×300;
Рисунок Б.20
Ограждение дорожное 11ДД
(У6-У7)

1 - Балка СБ-1(4);
2 - Стойка мостовая СМ-0,75Д12;
3 - Консоль-амортизатор нижний КН;
4 -Элемент световозвращающий ЭС;
5 - Болт М16×30 ГОСТ 7798. Гайка М16 ГОСТ 5915. Шайба 16 ГОСТ 11371;
6 - Болт М16×45 ГОСТ 7802. Гайка М16 ГОСТ 5915. Шайба 20 ГОСТ 11371. (Болт М16×35 ТУ 1630-016-71915393-2005);
Рисунок Б.21
Ограждение мостовое 11МО (У1-У3)

1 - Балка СБ-1(4);
2 - Стойка СМ-1,1Д14;
3 - Консоль-амортизатор нижний КН;
4 - Консоль-амортизатор верхний KB;
5 -Элемент световозвращающий ЭС;
6 - Болт М16×30 ГОСТ 7798. Гайка М16 ГОСТ 5915; Шайба 16 ГОСТ 11371;
7 - Болт М16×45 ГОСТ 7802 Гайка М16 ГОСТ 5915. Шайба 20 ГОСТ 11371. (Болт М16×35 ТУ 1630-016-71915393-2005);
8 - Пластина 3×200×300;
Рисунок Б.22
Ограждение мостовое 11МО (У4-У7)

1 - Балка СБ-1(4);
2 - Стойка СМ-1,1Д16; (СМ-1,5Д16);
3 - Консоль-амортизатор нижний КН;
4 - Консоль-амортизатор верхний KB;
5 -Элемент световозвращающий ЭС;
6 - Болт М16×30 ГОСТ 7798. Гайка М16 ГОСТ 5915; Шайба 16 ГОСТ 11371;
7 - Болт М16×45 ГОСТ 7802 Гайка М16 ГОСТ 5915. Шайба 20 ГОСТ 11371. (Болт М16×35 ТУ 1630-016-71915393-2005);
Рисунок Б.23
Ограждение мостовое 11MО (У8-У10)

1 - Балка СБ-1(4);
2 - Стойка мостовая СМ-0,75Д12;
3 - Консоль-амортизатор нижний КН;
4 -Элемент световозвращающий ЭС;
5 - Болт М16×30 ГОСТ 7798. Гайка М16 ГОСТ 5915; Шайба 16 ГОСТ 11371;
6 - Болт М16×45 ГОСТ 7802 Гайка М16 ГОСТ 5915. Шайба 20 ГОСТ 11371. (Болт М16×35 ТУ 1630-016-71915393-2005);
Рисунок Б.24
Ограждение мостовое 11МД
(У1-У3)

1 - Балка СБ-1(4);
2 - Стойка мостовая СМ-1,1Д14;
3 - Консоль-амортизатор нижний КН;
4 - Консоль-амортизатор верхний KB;
5 -Элемент световозвращающий ЭС;
6 - Болт М16×30 ГОСТ 7798. Гайка М16 ГОСТ 5915; Шайба 16 ГОСТ 11371;
7 - Болт М16×45 ГОСТ 7802 Гайка М16 ГОСТ 5915. Шайба 20 ГОСТ 11371. (Болт М16×35 ТУ 1630-016-71915393-2005);
Рисунок Б.25
Ограждение мостовое 11МД
(У4-У7)

1 - Балка СБ-1(4);
2 - Стойка мостовая СМ-1,1Д16; (СМ-1,5Д16);
3 - Консоль-амортизатор нижний КН;
4 - Консоль-амортизатор верхний KB;
5 -Элемент световозвращающий ЭС;
6 - Болт М16×30 ГОСТ 7798. Гайка М16 ГОСТ 5915. Шайба 16 ГОСТ 11371;
7 - Болт М16×45 ГОСТ 7802 Гайка М16 ГОСТ 5915. Шайба 20 ГОСТ 11371. (Болт М16×35 ТУ 1630-016-71915393-2005);
Рисунок Б.26
Ограждение мостовое 11МД
(У8-У10)

1 - Балка СБ-1(4);
2 - Стойка мостовая СМЦ-0,6Д12;
3 - Консоль-амортизатор нижний КН;
4 -Элемент световозвращающий ЭС;
5 - Болт М16×30 ГОСТ 7798. Гайка М16 ГОСТ 5915; Шайба 16 ГОСТ 11371;
6 - Болт М16×45 ГОСТ 7802 Гайка М16 ГОСТ 5915. Шайба 20 ГОСТ 11371. (Болт М16×35 ТУ 1630-016-71915393-2005);
7 - Цоколь ЦМ;
Рисунок Б.27
Ограждение мостовое на цоколе 11М0Ц
(У1-У3)

1 - Балка СБ-1(4);
2 - Стойка мостовая СМЦ -0,95Д14;
3 - Консоль-амортизатор нижний КН;
4 - Консоль-амортизатор верхний KB;
5 -Элемент световозвращающий ЭС;
6 - Болт М16×30 ГОСТ 7798. Гайка М16 ГОСТ 5915; Шайба 16 ГОСТ 11371;
7 - Болт М16×45 ГОСТ 7802 Гайка М16 ГОСТ 5915. Шайба 20 ГОСТ 11371. (Болт М16×35 ТУ 1630-016-71915393-2005);
8 - Цоколь ЦМ;
Рисунок Б.28
Ограждение мостовое на цоколе 11М0Ц
(У4-У7)

1 - Балка СБ-1(4);
2 - Стойка СМЦ-0,86Д16; (СМЦ-1,26Д16);
3 - Консоль-амортизатор нижний КН;
4 - Консоль-амортизатор верхний KB;
5 -Элемент световозвращающий ЭС;
6 - Болт М16×30 ГОСТ 7798. Гайка М16 ГОСТ 5915; Шайба 16 ГОСТ 11371;
7 - Болт М16×45 ГОСТ 7802 Гайка М16 ГОСТ 5915. Шайба 20 ГОСТ 11371. (Болт М16×35 ТУ 1630-016-71915393-2005);
8 - Цоколь ЦМ;
Рисунок Б.29
Ограждение мостовое 11МОЦ (У8-У10)

1 - Балка СБ-1(4);
2 - Стойка мостовая СМЦ-0,6Д12;
3 - Консоль-амортизатор нижний КН;
4 -Элемент световозвращающий ЭС;
5 - Болт М16×30 ГОСТ 7798. Гайка М16 ГОСТ 5915; Шайба 16 ГОСТ 11371;
6 - Болт М16×45 ГОСТ 7802 Гайка М16 ГОСТ 5915. Шайба 20 ГОСТ 11371. (Болт М16×35 ТУ 1630-016-71915393-2005);
7 - Цоколь ЦМ;
Рисунок Б.30
Ограждение мостовое на цоколе 11МДЦ (У1-У3)

1 - Балка СБ-1(4);
2 - Стойка мостовая СМЦ-0,95Д14;
3 - Консоль-амортизатор нижний КН;
4 - Консоль-амортизатор верхний KB;
5 -Элемент световозвращающий ЭС;
6 - Болт М16×30 ГОСТ 7798. Гайка М16 ГОСТ 5915; Шайба 16 ГОСТ 11371;
7 - Болт М16×45 ГОСТ 7802 Гайка М16 ГОСТ 5915. Шайба 20 ГОСТ 11371. (Болт М16×35 ТУ 1630-016-71915393-2005);
8 - Цоколь ЦМ;
Рисунок Б.31
Ограждение мостовое на цоколе 11МДЦ
(У4-У7)

1 - Балка СБ-1(4);
2 - Стойка СМЦ-0,86Д16; (СМЦ-1,26Д16);
3 - Консоль-амортизатор нижний КН;
4 - Консоль-амортизатор верхний KB;
5 -Элемент световозвращающий ЭС;
6 - Болт М16×30 ГОСТ 7798. Гайка М16 ГОСТ 5915; Шайба 16 ГОСТ 11371;
7 - Болт М16×45 ГОСТ 7802 Гайка М16 ГОСТ 5915. Шайба 20 ГОСТ 11371. (Болт М16×35 ТУ 1630-016-71915393-2005);
8 - Цоколь ЦМ;
Рисунок Б.32
Ограждение мостовое 11МДЦ (У8-У10)

1 - Балка СБ-1(3), СБ-1(4);
2 - Стойка СД-2,34Д12; (СД-2,6Д12);
3 - Стойка СД-1,8Ш12;
4 - Консоль-амортизатор верхний KB;
5 - Консоль-амортизатор нижний КН;
6 -Элемент световозвращающий ЭС;
7 - Балка переходная СБПЛ (СБПП);
S - Шаг стойки, мм;
Рисунок Б.33
Сопряжение ограждений дорожной группы 11ДО
(У1-У3) с группой 11ДО
(У4-У7)

1 - Балка СБ-1(3), СБ-1(4);
2 - Стойка СД-2,34Д12; (СД-2,6Д12);
3 - Стойка СД-1,8Ш12;
4 - Консоль-амортизатор верхний KB;
5 - Консоль-амортизатор нижний КН;
6 -Элемент световозвращающий ЭС;
7 - Элемент концевой ЭК;
S - Шаг стойки, мм;
Рисунок Б.34
Сопряжение ограждений дорожной группы 11ДО
(У1-У3) с группой 11ДО
(У4-У7)

1 - Стоика мостовая СМ1,1Д14; (СМ1,1Д16);
2 - Стойка дорожная СД-2,6Д12, (СД-2,34Д12 без пластины);
3 - Консоль-амортизатор нижний КН;
4 - Консоль-амортизатор верхний KB;
5 - Секция балки СБ-1(3), (СБ-1(4);
6 - Болт М16×30 ГОСТ 7798; Гайка М16 ГОСТ 5915,Шайба 16 ГОСТ 11371;
7 - Болт М16×45 ГОСТ 7802; Гайка М16 ГОСТ 5915;Шайба 20 ГОСТ 11371 (Болт М16×35 ТУ 1630-016-71915393-2005);
8 - Пластина 3×200×300;
9 - Пролетное строение;
S - Шаг стойки мм;
Рисунок Б.35
Сопряжение мостовой группы 11МО
(У4-У10) с
дорожной группой 11ДО (У4-У7);

1 - Стоика мостовая СМ1,1Д14; (СМ1,1Д16);
2 - Стойка дорожная СД-2,6Д12, (СД-2,34Д12 без пластины);
3 - Консоль-амортизатор нижний КН;
4 - Консоль-амортизатор верхний KB;
5 - Секция балки СБ-1(3), (СБ-1(4);
6 - Элемент концевой ЭК;
7 - Болт М16×30 ГОСТ 7798; Гайка М16 ГОСТ 5915,Шайба 16 ГОСТ 11371;
8 - Болт М16×45 ГОСТ 780; Гайка М16 ГОСТ 5915;Шайба 20 ГОСТ 11371 (Болт М16×35 ТУ 1630-016-71915393-2005);
9 - Пластина 3×200×300;
10 - Пролетное строение;
S - Шаг стойки мм;
Рисунок Б.36
Сопряжение мостовой группы 11МО
(У4-У10) с
дорожной группой 11ДО (У1-У3);

1 - Стойка мостовая СМ1,1Д14; (СМ1,1Д16);
2 - Стойка дорожная СД-2,6Д12, (СД-2,34Д12 без пластины);
3 - Консоль-амортизатор нижний КН;
4 - Консоль-амортизатор верхний KB;
5 - Секция балки СБ-1(3), (СБ-1(4);
6 - Болт М16×30 ГОСТ 7798; Гайка М16 ГОСТ 5915,Шайба 16 ГОСТ 11371;
7 - Болт М16×45 ГОСТ 7802; Гайка М16 ГОСТ 5915;Шайба 20 ГОСТ 11371 (Болт М16×35 ТУ 1630-016-71915393-2005);
8 - Пластина 3×200×300;
9 - Пролетное строение;
10 - Секция балки переходная правая СБПП (левая СБПЛ);
Рисунок Б.37 Сопряжение мостовой группы 11МО (У4-У10) с дорожной группой 11ДО (У1-У3);
|
_________________________________________________________ |