ОАО "Моспроект"
Технический отдел
В помощь проектировщику
ПОСОБИЕ ПО ПРОЕКТИРОВАНИЮ
ПРИНЦИПИАЛЬНЫХ СХЕМ СИСТЕМ ВЕНТИЛЯЦИИ
И ПРОТИВОДЫМНОЙ ВЕНТИЛЯЦИИ
В ЖИЛЫХ, ОБЩЕСТВЕННЫХ ЗДАНИЯХ И СТОЯНКАХ
АВТОМОБИЛЕЙ: ПРИМЕРЫ СХЕМ И РЕШЕНИЙ. ОГНЕСТОЙКИЕ ВОЗДУХОВОДЫ. ПРОТИВОПОЖАРНЫЕ КЛАПАНЫ И ДЫМОВЫЕ КЛАПАНЫ
ШИФР ТО-06-17640
Москва-2007
Данное пособие разработано для зданий высотой до 75 м (в части, относящейся к жилым зданиям) и для зданий высотой до 50 м (в части, относящейся к общественным зданиям)
Пособие является рекомендательным документом, составленным на основе обобщения опыта проектирования зданий различного назначения
Содержание
В СНиПе 41-01-2003 не приводятся схемы прокладки воздуховодов вентиляционных систем в зданиях различного назначения и нет соответствующего «Свода правил».
В связи с этим, при проектировании вентиляционных систем возникают сложности, многие требования раздела 7.11 «Воздуховоды» СНиП 41-01-2003 и соответствующие требования СНиП и МГСН по проектированию зданий и помещений различного назначения бывает сложно (или невозможно) выполнить.
Возникают также проблемы и разногласия при согласовании московских проектов в Мосгосэкспертизе или в соответствующих организациях в других регионах.
Данное пособие по проектированию разработано специалистами ОАО «Моспроект» Стомахиной Г.И. и Эпштейном Ю.А. с целью оказать помощь проектировщикам систем вентиляции, кондиционирования воздуха и дымозащиты в правильности выбора вентиляционных систем и схем прокладки воздуховодов систем вентиляции и дымозащиты, установки противопожарных клапанов с требуемым пределом огнестойкости и в решении ряда других задач.
В данном пособии приводятся описания систем вентиляции и противодымной вентиляции и примеры схем к этим системам жилых зданий, общественных зданий и стоянок автомобилей.
Следует иметь в виду, что выполнение требований пожарной безопасности зданий при проектировании является обязательным (статья 46 Закона «О техническом регулировании»).
Выполняя каждое требование СНиП, МГСН, НПБ и других нормативных документов по пожарной безопасности, необходимо тщательно проанализировать условия проектирования инженерных систем (вентиляции, кондиционирования воздуха, дымозащиты), в каждом конкретном случае принять технические решения, обеспечивающие необходимые меры по предупреждению распространения пожаров, по обеспечению безопасных путей эвакуации для людей, безопасную работу пожарных.
Воздуховоды систем вентиляции, кондиционирования воздуха воздушного отопления и дымозащиты (далее в сборнике - «вентиляции») следует проектировать в соответствии с разделами: 7.11 «Воздуховоды» СНиП 41-01-2003, раздел 8 «Противодымная защита при пожаре», а также по соответствующим требованиям нормативных документов по проектированию зданий и помещений различного назначения.
К мерам и средствам выполнения требований пожарной безопасности здания относятся:
а) размещение воздуховодов и вентоборудования систем вентиляции в пределах одного противопожарного отсека;
б) по возможности, проектирование автономных систем вентиляции для помещений различной степени взрывопожарной безопасности;
в) применение огнестойких воздуховодов;
г) применение воздушных затворов в воздуховодах;
д) применение противопожарных и обратных клапанов;
е) применение жаростойкого оборудования и противодымных клапанов в системах противодымной вентиляции (дымозащиты)
ж) огнезащита воздуховодов при их совместной прокладке в одной шахте
Извлечения из СНиП 41-01-2003 по тематике «пособия»
В соответствии с п. 7.2.6 СНиПа 41-01-2003 системы вентиляции, кондиционирования и воздушного отопления следует предусматривать отдельными для групп помещений, размещенных в пределах одного пожарного отсека.
Помещения одной категории по взрывопожарной опасности, не разделенные противопожарными преградами, а также имеющие открытые проемы общей площадью более 1 м2 в другие помещения, допускается рассматривать как одно помещение.
В соответствии с п. 7.2.7 СНиП 41-01-2003 для рассматриваемых в данном пособии зданий системы вентиляции следует предусматривать, как правило, общими для следующих групп помещений, размещенных в пределах одного пожарного отсека:
а) жилых;
б) общественных, административно-бытовых и производственных категории Д (в любых сочетаниях);
г) производственных одной из категорий В1-В4, Д или складов категории В4;
д) складов и кладовых одной из категорий А, Б, В1, В2 или В3, размещенных не более чем на трех (раздельно или последовательно расположенных) этажах;
е) категорий А, Б, В1, В2 и В3 в любых сочетаниях и складов категорий А, Б, В1, В2 и В3 в любых сочетаниях общей площадью не более 1100 м2, если помещения размещены в отдельном одноэтажном здании и имеют двери только непосредственно наружу;
ж) категорий В4, Г и Д и складов категорий В4 и Д при условии установки противопожарных клапанов на воздуховодах, обслуживающих помещения категории В4.
7.2.8 В пределах одного пожарного отсека допускается объединять в одну систему вентиляции следующие группы помещений, присоединяя к основной группе помещений помещения другой группы:
а) жилые и административно-бытовые или общественные (с учетом требований соответствующих нормативных документов);
б) производственные категорий Г, Д и административно-бытовые или общественные (кроме помещений с массовым пребыванием людей);
в) производственные категорий А, Б, В1, В2 или В3 и производственные любых категорий (в том числе склады и кладовые любых категорий) или помещения административно-бытовые или общественные (кроме помещений с массовым пребыванием людей).
Группы помещений по а), б), в) допускается объединять в одну систему при условии установки противопожарного клапана на сборном воздуховоде присоединяемой группы помещений другого назначения.
К основной группе помещений следует относить группы помещений, общая площадь которых больше общей площади присоединяемых помещений. Общая площадь присоединяемых помещений должна быть не более 200 м2.
7.2.9 Для лабораторных помещений общие приточные системы допускается тактировать для групп помещений, расположенных не более чем на 11 этажах (включая технические и подвальные), категорий В1-В4, Г и Д и административно-бытовых, а также с присоединением к ним не более двух (на разных этажах) типовых категории А (каждая площадью не более 36 м2) для хранения оперативного запаса исследуемых веществ. На воздуховодах этих кладовых следует устанавливать противопожарные клапаны с пределом огнестойкости EI 30.
7.2.10 Системы местных отсосов вредных веществ или взрывопожароопасных смесей следует проектировать отдельными от системы общеобменной вентиляции.
К круглосуточно работающей системе общеобменной вытяжной вентиляции, оборудованной резервным вентилятором, допускается присоединять местные отсосы вредных веществ, если не требуется очистка воздуха от них.
Общую вытяжную систему общеобменной вентиляции и местных отсосов допускается проектировать:
- для одного лабораторного помещения научно-исследовательского и производственного назначения категорий В1-В4, Г и Д, если в оборудовании, снабженном местными отсосами, не образуются взрывоопасные смеси;
- для кладовой категории оперативного хранения исследуемых веществ.
При проектировании в жилых и общественных зданиях систем естественной и механической вентиляции с вертикальными каналами (или воздуховодами) необходимо выбрать требуемую конструкцию каналов, грамотно рассчитать систему, чтобы обеспечить нормативный расход воздуха; необходимо также обеспечить невозможность перетекания воздуха с одних этажей на другие, исключить опрокидывание движения воздуха.
В соответствии со СНиП системы вентиляции встраиваемых помещений общественного назначения должны быть автономными. Разрешается присоединять к системе жилого дома вытяжную вентиляцию из нежилых помещений, перечисленных в п. 4.14 СНиП 31-01-2003:
4.14 В жилых этажах допускается размещать помещения общественного назначения для индивидуальной деятельности (в пределах площади квартир). В составе квартир с двухсторонней ориентацией допускается предусматривать дополнительные помещения:
- для семейного детского сада на группу не более 10 чел.;
- кабинеты приема на одного или двух врачей (по согласованию с органами санитарно-эпидемиологической службы); кабинет массажа на одного специалиста.
Семейный детский сад допускается размещать в квартирах с двухсторонней ориентацией, расположенных не выше 2-го этажа в зданиях не ниже II степени огнестойкости, при обеспечении этих квартир аварийным выходом согласно пп. 6.20 а) или б) СНиП 21-01-97, и при наличии возможности устройства игровых площадок на придомовой территории.
В соответствии с п. 5.26 МГСН 3.01-01 вентиляция встраиваемых помещений общественного назначения при площади более 108 м2 должна быть автономной. При меньшей площади и при условии отсутствия пожаровзрывоопасных веществ и вредных выделений, допускается присоединение к общей вытяжной системе жилого дома.
Пояснительная записка
Системы вентиляции жилых зданий
Нормативные документы, которыми необходимо руководствоваться при проектировании жилых зданий со встроено-пристроенными нежилыми помещениями: СНиП 41-01-2003, СНиП 31-01-2003, СНиП 21-01-97*, СНиП 2.03.02-89*, МГСН 3.01-01, СНиП 3.05.01-85, СНиПы и МГСНы по проектированию зданий и помещений различного назначения.
В соответствии с СНиП 31-01-2003 «Здания жилые многоквартирные» вентиляция в жилых зданиях может быть:
- с естественным притоком и удалением воздуха;
- с механическим побуждением притока и удаления воздуха, в том числе совмещенная с воздушным отоплением;
- комбинированная с естественным притоком и удалением воздуха с частичным использованием механического побуждения.
Традиционными системами приточно-вытяжной вентиляции в массовом жилищном строительстве России являются естественные. Приточный воздух поступает неорганизованно через неплотности в оконных переплетах, а также через открывающиеся фрамуги, форточки, створки окон и приточные клапаны.
Для удаления воздуха применяются сборные вертикальные каналы с подключаемыми к ним индивидуальными каналами-спутниками, в которых устанавливаются вытяжные решетки. Для зданий с числом этажей до 6 - 7 возможно устройство вытяжной вентиляции с поэтажными клапанами.
В соответствии с СНиП 31-01-2003 удаление воздуха следует предусматривать из кухонь, уборных, ванных комнат, и при необходимости, из других помещении квартир. При этом следует предусматривать установку на вытяжных каналах и воздуховодах регулируемых вентиляционных решеток и клапанов (в случае применения механической вентиляции). Вентиляционные каналы кухонных узлов должны быть отдельными.
Для двух последних этажей проектируются самостоятельные вытяжные каналы (схема I), в которых, как правило, (для улучшения воздухообмена) устанавливаются бытовые вентиляторы (схема II).
В связи с установкой в последние годы (по первому и второму этапам энергоэффективности) плотных окон (стеклопакетов), коэффициент воздухопроницаемости которых очень мал, появилась необходимость в установке различных приточных клапанов. Они устанавливаются непосредственно в окнах или (реже) в наружной стене.
Опыт применения приточных клапанов в домах с естественной вытяжной вентиляцией показал, что в переходный и летний периоды в большинстве районов Москвы и других городов с учетом того, что сопротивление клапанов значительное, вентиляция помещений недостаточна, часто (особенно на верхних этажах зданий) ниже требуемой или расчетной величины.
В значительной степени спасает положение установка в вытяжных системах дефлекторов. При этом все вентблоки (или вентканалы) выводятся напрямую через кровлю, т.е. происходит отказ от «теплых чердаков».
Хорошо себя проявили дефлекторы повышенной эффективности типа «Astato», производство которых осуществляет российская фирма ООО «Вентстроймонтаж».
Еще одна мера, улучшающая в такой системе воздухообмен, - устройство в общей вытяжной шахте эжектора низкого давления с помощью установки осевого вентилятора. При этом система вентиляции - естественно-механическая. В основном она работает как естественная. При определенной наружной температуре включается осевой вентилятор, увеличивая недостаточный воздухообмен.
Данная система предложена и применена в реальном проектировании М.А. Малаховым - главным инженером проектов «Моспроекта-2» (она описана в журналах АВОК №3 за 2003 г. и №7 за 2006 г.).
Применение систем механической вытяжной вентиляции предлагает фирма "Gebhardt Ventilatoren" (Германия). Приток - естественный с помощью клапана в окне. В системе механической вытяжной вентиляции осуществляется поквартирное регулирование расхода воздуха. В кухнях, ванных комнатах и туалетах устанавливаются вытяжные регулируемые клапаны с автоматическим изменением размера проходного сечения по сигналам датчиков влажности или света. При большем открытии клапана по сигналу датчика давления вентилятор увеличивает частоту вращения и расход воздуха увеличивается, обеспечивая необходимый воздухообмен.
В этой системе применяется крышный вентилятор или вентиляторный блок (с ц/б вентилятором), подключенный к магистральному вентиляционному каналу.
Фирма «АЭРЭКО» (Франция) предлагает систему «Гигро». Принцип действия системы - организация воздухообмена с учетом относительной влажности воздуха. Система является комбинированной: приточный воздух поступает через оконные или стеновые клапаны, удаление воздуха из кухни, ванной комнаты и санузла осуществляется общей системой механической вытяжки, в которой устанавливаются вентиляторы производительностью до 6000 м3/час.
Интересной является система с гибридным вентилятором VBV 315. В этой системе гибридный вентилятор установлен в канале естественной вентиляции. Когда же блок управления, установленный на кровле здания, показывает, что вентиляция помещений стала ниже расчетной величины, автоматически включается гибридный вентилятор.
К сожалению, гибридный вентилятор выпускается производительностью - 400 м3/час, т.е. его можно применять для зданий высотой 6-7 этажей (во Франции, Германии и др. странах Европы строят именно такие здания).
В наших условиях можно применить такую систему: для здания высотой 17-25 этажей для 11-19-ти этажей выполнить систему естественной Вентиляции, а для верхних 6-ти этажей выполнить свой канал с установкой в нем гибридного вентилятора. См. схему V.
В будущем, возможно, при достаточном количестве заказов фирма АРЭКО (или другие фирмы) будут выпускать гибридные вентиляторы большей производительности, и такую «умную» вентиляцию можно будет проектировать для всех этажей здания.
Неэффективная работа систем естественной вентиляции в условиях современного жилищного строительства обязывает проектировщиков применять различные системы механической вентиляции (чаще вытяжной).
От работы систем вентиляции в здании зависит здоровье людей.
В зданиях с требованиями повышенного комфорта применяется схема с ироническим притоком. При этом возможны различные варианты:
1) Общая приточная система или СКВ на здание или секцию с вертикальным коллектором и поэтажным подключением через воздушный затвор. Приточная установка при этом имеет воздухонагреватель с теплоносителем водой и воздушный фильтр. В приточной установке ставится резервный вентилятор.
2) Приточные установки (СКВ) располагаются на жилом этаже. При этом они могут быть общими для 3-6 квартир или размещаться в холле каждой квартиры (подвесного типа). В этом случае нерационально осуществлять водяной нагрев воздуха, а следует применять электронагрев. При расходе воздуха на квартиру 200-250 м3/час мощность нагревателя составляет порядка 4 квт, что при современных удельных электронагрузках на квартиру вполне приемлемо.
В жилых зданиях с механическими системами вентиляции следует предусматривать резервирование оборудования.
Жилые здания проектируются со встроено-пристроенными нежилыми помещениями общественного назначения и с подземными стоянками автомобилей. Системы вентиляции для таких помещений должны быть автономными.
Вопрос об устройстве систем вентиляции в жилых зданиях с естественным или механическим побуждением для нежилых помещений 1-ого (или 1÷2) этажей следует решать конкретно в соответствии с заданием на проектирование, утвержденным Заказчиком.
В практике московского строительства, как правило, нежилые помещения проектируются без определения владельцев и назначений (БКТ - без конкретной технологии). В этом случае для определения расходов тепла и электроэнергии применяется следующий подход:
1) определяется полезная площадь
Fпол = 0,8Fобщ
2) определяется количество работающих
Na = Fпол/6
3) определяется в/обмен
L = 40×Na м3/час
4) определяется количество тепла
Qnp = 0,288 × LΔt ккал/час
Резервная мощность для сплит-систем
Nохл = Fпол × 120 Ватт, При этом Nэлектр ≈ Nохл /3
(удельная холодильная нагрузка - 120 вт/м2).
В проекте следует предусмотреть вытяжной канал для квартир (в ЛЛУ) для нежилых помещений и вооздухозаборные отверстия для притока.
1 - воздушный затвор - вертикальный (по согласованию с соответствующей инстанцией Госпожнадзора) участок воздуховода, присоединенный к сборному вертикальному коллектору под потолком вышележащего этажа); 2 - транзитный воздуховод с нормируемым зрелом огнестойкости; 3 - поэтажный сборный воздуховод; 4 - вертикальный коллектор нормируемым пределом огнестойкости; 5 - центральная вытяжная шахта; 6 - воздухоприемные устройства; 7- обслуживаемые помещения.
Длина вертикального участка воздуховода (воздушного затвора) - не менее 2м.
При выбросе воздуха в теплый чердак (в основном в типовых зданиях) удаление воздуха из чердака предусматривается через вытяжные шахты (высотой не менее 4,5 м от перекрытия над последним этажом), по одной на каждую секцию дома.
Область применения схем с «теплым чердаком» - жилые здания высотой 10 и более этажей. При меньшей высоте данная схема неэффективна.

Покрытие огнезащитным составом следует производить в случае прокладки вертикального коллектора из металла.
Предел огнестойкости транзитных воздуховодов и коллекторов - EI 30.
1 - воздушный затвор (вертикальный участок воздуховода, присоединяемый к сборному вертикальному коллектору под потолком вышележащего этажа); 2 - транзитный воздуховод с нормируемым пределом огнестойкости; 3 - поэтажный сборный воздуховод; 4 - вертикальный коллектор с нормируемым пределом огнестойкости; 5 - центральная вытяжная шахта; 6 - воздухоприемные устройства; 7 - обслуживаемые помещения; 8 - осевые вентиляторы (бытовые).
Длина вертикального участка воздуховода (воздушного затвора) - не менее 2 м.
При выбросе воздуха в теплый чердак удаление воздуха из чердака предусматривается через вытяжные шахты (высотой не менее 4,5 м от перекрытия над последним этажом) по одной на каждую секцию дома.
Покрытие огнезащитным составом следует производить в случае прокладки вертикального коллектора из металла (по согласованию с соответствующей инстанцией Госпожнадзора).

Предел огнестойкости транзитных воздуховодов и коллекторов данной схемы – EI 30.
1 - воздушный затвор (вертикальный участок воздуховода, присоединяемый к сборному вертикальному коллектору под потолком вышележащего этажа); 2 - воздуховод с нормируемым пределом огнестойкости; 3 - поэтажный сборный воздуховод; 4 - вертикальный коллектор с нормируемым пределом огнестойкости; 5 - центральная вытяжная шахта; 6 - воздухоприемные устройства; 7 - обслуживаемое помещение; 8 - горизонтальный объединяющий участок.
Здания без теплого чердака - 7-9-этажные, индивидуальные жилые здания высотой до 25 этажей, в которых вместо теплого чердака проектируются различные помещения общественного назначения (иногда жилые помещения).
Из систем естественной вытяжной вентиляции воздух выбрасывается на кровлю напрямую (с зонтами) или через дефлектор (устанавливается на каждой шахте).

Варианты применения современных дефлекторов см. в «Общей пояснительной записке». Конструктивные решения объединения различных каналов в общую шахту с дефлектором могут быть различными. Следует, по возможности, избегать прокладки горизонтальных участков более 5-6 м.
Предел огнестойкости транзитных воздуховодов и коллекторов - EI 30.

1 - воздушный затвор (вертикальный участок воздуховода, присоединяемый к сборному вертикальному коллектору под потолком вышележащего этажа); 2 - транзитный воздуховод с нормируемым пределом огнестойкости; 3 - поэтажный сборный воздуховод; 4 -вертикальный коллектор с нормируемым пределом огнестойкости; 5 - центральная вытяжная шахта; 6 - воздухоприемные устройства; 7 - обслуживаемое помещение; 8 -осевые вентиляторы; 9 - горизонтальный объединяющий участок.
См. описание схемы III.
Длина вертикального участка воздуховода (воздушного затвора) – не менее 2 м. Из систем естественной вытяжной вентиляции воздух выбрасывается напрямую (с зонтами) или через дефлектор (устанавливается на каждой шахте).
Количество дефлекторов уточняется в каждом конкретном случае совместно с разделом АС.
Предел огнестойкости транзитных воздуховодов и коллекторов - EI 30.


1 - воздушный затвор (вертикальный участок воздуховода, присоединяемый к сборному вертикальному коллектору под потолком вышележащего этажа); 2 - транзитный воздуховод с нормируемым пределом огнестойкости; 3 - поэтажный сборный воздуховод; 4 - вертикальный коллектор с нормируемым пределом огнестойкости; 5 – воздухоприемные устройства; 6 - обслуживаемое помещение; 7 - вытяжной вентилятор*; 8 – гибридный вентилятор; 9 - обратный клапан у вентилятора; 10 - воздушный клапан с эл. приводом (по площади живого сечения ≥ Σ площадей вытяжных каналов); 11 - помещение для вентиляционного оборудования
* - Как правило, вентилятор канального типа.
В современных зданиях, в которых устанавливаются плотные пластиковые или деревянные окна, и для обеспечения работы приточной вентиляции в окнах или в стене устанавливаются приточные клапаны, естественная приточная вентиляция работает плохо, особенно на верхних этажах. Поэтому предпочтительнее проектировать механическую вытяжную вентиляцию или естественную вентиляцию для нижних этажей здания и «гибридную» - для верхних (см. «Пояснительную записку»). Для нормальной работы данной системы следует предусмотреть необходимую автоматику.
Общие системы механической вентиляции могут применяться для помещений с установкой вытяжных решеток непосредственно в канале или при использовании поквартирной разводки и присоединения поэтажного сборного воздуховода к вертикальному коллектору и общей шахте.
Предел огнестойкости транзитных воздуховодов и коллекторов – EI 30.

1 - столовая; 2 - гостиная; 3 - спальня; 4 - кабинет; 5 - детская; 6 - гардеробная; 7 - кухня; - уборная; 9 - ванная; 10 - коридоры; 11 - межквартирный коридор; 12 - приточная установка подвесного типа; 13 - приточный вентилятор; 14 - вытяжной вентилятор; 15 -местный отсос от плиты; 16 - приточный воздухораспределитель (решетка); 17 - вытяжной воздухораспределитель (решетка); 18 - приточный воздуховод; 19 - вытяжной воздуховод; 20 - транзитный воздуховод (шахта) с нормируемым пределом огнестойкости.
В лестничной лифтовом узле могут быть установлены под потолком 2-3 приточных установки (кондиционера) для одной, двух, трех квартир. Приточные установки могут быть установлены и в самой квартире под потолком коридора. Разводка воздуховодов - в коридорах и в комнатах в подшивном потолке. Во все жилые помещения подается приточный воздух; из кухни, гардеробной, уборной и ванной осуществляется вытяжка; в случае применения приточной установки в помещениях могут быть дополнительно установлены сплит-системы. Для ванной и уборной могут быть установлены самостоятельные вентиляторы.
Предел огнестойкости транзитных воздуховодов - EI 30.
Пояснительная записка
Системы противодымной вентиляции жилых зданий
При проектировании жилых зданий объемно-планировочные, конструктивные, инженерные решения должны обеспечивать при возникновении пожара безопасную и быструю эвакуацию людей из здания, безопасную работу пожарных подразделений; обеспечивать нераспространение дыма из горящего помещения в другие помещения и на другие этажи, сохранение материальных ценностей.
Количество выделяемого при каждом пожаре дыма различно и изменяется на разных стадиях горения. Общее количество выделяющегося дыма зависит от размеров пожара и здания, в котором происходит пожар. Влияют на количество выделяющегося дыма количества и свойства горящих материалов и изделий.
Важными характеристиками дыма являются плотность и токсичность некоторых веществ, выделяющихся при пожаре. При горении различных материалов в здании могут выделяться токсичные газы или пары углекислый, угарный газ, оксиды азота, цианистый водород, альдегиды, бензол и др.
Противодымная защита зданий должна выполняться в соответствии СНиП 41-01-2003. Она выполняется в зданиях высотой более 28 м. При этом высота здания определяется разностью отметок поверхности проезда для пожарных машин и нижней отметки открывающегося окна. В жилых зданиях проектируются:
- система дымоудаления из лестнично-лифтового холла и система подпора воздуха в шахты лифтов и в незадымляемые лестничные клетки типа
- в тамбуры-шлюзы незадымляемых лестничных клеток типа Н3;
- системы дымоудаления из глухих коридоров и холлов встроено-пристроенных помещений, из помещений категории «В» и глухих коридоров подвалов;
- дымоудаление из подземных стоянок автомобилей (см. соответствующий раздел);
- системы подпора воздуха в тамбур-шлюзы.
Величина 28 м - размер пожарных лестниц, которыми обеспечены пожарные подразделения, т.е. с этой высоты можно «снять» людей из окон горящих помещений. При большей высоте обеспечивать безопасную эвакуацию людей должны системы противодымной защиты зданий.
В жилых зданиях эвакуация людей при пожаре происходит по незадымляемым лестничным клеткам. В соответствии СНиП 21-01-97 незадымляемые лестничные клетки бывают следующих типов:
Н1 - с выходом в лестничную клетку с этажа через наружную, воздушную зону по открытым переходам. В такую лестничную клетку система подпора воздуха не проектируется.
Н2 - с подпором воздуха в лестничную клетку при пожаре.
Н3 - со входом в лестничную клетку с этажа через тамбур-шлюз с подпором воздуха.
В лестнично-лифтовых холлах на каждом этаже проектируются шахты дымоудаления с механической вытяжкой (общие для всех этажей жилой части здания в пределах одного пожарного отсека). Под потолком межквартирного коридора на каждом этаже в шахте устанавливается клапан, который при пожаре открывается автоматически от датчика дыма: пройдя через дымовой клапан, дым поступает в дымовую шахту, из которой по воздуховодам подается к вентилятору дымоудаления. Предел огнестойкости шахт дымоудаления - не менее EI 60. См. схему VI.
Материал для каналов дымоудаления - негорючий: монолитный бетон или металл с огнестойким покрытием и соединением класса «П»; толщина стали под огнестойкое покрытие должна быть не менее 0,8 мм, предел огнестойкости поп. 8.10 СНиП 41-01-2003.
Лестничные клетки типа Н2 разделяются на отсеки (зоны) путем устройства на высоту этажа сплошной стенки из негорючих материалов, имеющей предел огнестойкости не менее EI 45. Воздух от систем подпора воздуха (приточной противодымной вентиляции) следует подавать в верхнюю часть каждого отсека. См схемы VIII-Х.
Системы приточной противодымной вентиляции должны быть рассчитаны таким образом, чтобы избыточное давление в нижней части отсека было не менее 20 Па и в верхней части отсека - не более 150 Па.
Выход из незадымляемой лестничной клетки типа Н2 в вестибюль следует устраивать через тамбур-шлюз с подпором воздуха.
В зданиях с лестничными клетками Н1 системы подпора воздуха проектируются только в шахты лифтов.
![]()
В зданиях высотой более 50 м один из лифтов служит для подъема
пожарных подразделений; в соответствии с НПБ 250 система подпора воздуха
таких лифтов должна быть автономной. См. схемы VIII-X.
Системы дымоудаления помещений 1-го нежилого этажа и подвала (например, из глухих коридоров и холлов, из отдельных глухих помещений, из стоянок автомобилей) должны быть автономными.
В лестнично-лифтовом холле следует предусматривать каналы для дымоудаления из глухих коридоров первых нежилых этажей, а также для дымоудаления из подземных стоянок автомобилей (как правило).
В случае размещения подземной автостоянки в пределах габаритов жилого здания размещать вентилятор дымоудаления следует в верхней части здания, т.е. система должна быть безнапорной.
Предел огнестойкости шахт и каналов дымоудаления из перечисленных помещений, проходящих в лестнично-лифтовом холле жилой части здания должен быть не менее EI 90. См. схему VII.
В системах дымоудаления жилых зданий устанавливаются жаростойкие вентиляторы, выдерживающие температуру удаляемых газов 400°С в течении 1 часа. Это вентиляторы из углеродистой стали, в которых установлена крыльчатка для обдува электродвигателя.
Выброс дыма производится на высоте 2 м над кровлей из горючих материалов. Допускается осуществлять выброс дыма на меньшей высоте, если вокруг шахты радиусом не менее 2 м выполнена кровля из негорючего материала.
Вентиляторы систем дымоудаления следует размещать в отдельных помещениях, выгороженных противопожарными перегородками 1-го типа (предел огнестойкости EI 45), предусматривая вентиляцию, обеспечивающую при пожаре температуру воздуха, не превышающую 60°С в теплый период года (параметры Б) или соответствующую техническим данным изготовителей вентиляторов.
Системы дымоудаления также можно проектировать с применением современных вентиляторов крышного типа с размещением последних на кровле здания.
Расчет систем противодымной вентиляции производится в соответствии та СНиП 2.04.05-91* и разработанным к ним ГПК НИИ СантехНИИпроект
Рекомендациям по противодымной защите при пожаре МДС 41-1.99, т.к. пока не существует методики расчета к СНиП 41-01-2003.
Приведение в действие систем противодымной защиты должно осуществляться автоматически или дистанционно от кнопок ручного пуска, устанавливаемых на лестничных площадках на этажах, в лифтовых холлах и тамбур-шлюзах.

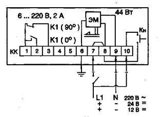
1 - шахта дымоудаления; 2 - дымовой клапан; 3 - декоративная решетка; 4 - воздуховод с нормируемым пределом огнестойкости; 5 - помещение для вентиляционного оборудования; 6 - стена с нормируемым пределом огнестойкости; 7 - противопожарный нормально закрытый клапан; 8 - вентилятор дымоудаления (центробежный); 9 - воздуховод - над кровлей 2 м; 10 - помещение без естественного освещения или «глухой» коридор 1-го нежилого этажа, самостоятельный пожарный отсек; 11 - самостоятельная шахта дымоудаления; 12 - крышный вентилятор дымоудаления; 13 - стакан для установки крышного вентилятора дымоудаления; 14 - обратный клапан у вентилятора
Размер шахты: при установке клапана дымоудаления КДП-5А - не менее 550×550. При установке клапанов КДМ-2, КДФ и др. ширина канала на 100 мм шире устанавливаемого клапана.
Радиальный вентилятор дымоудаления устанавливается в отдельной венткамере или на кровле. Вентиляторы дымоудаления (радиальные, крышные, осевые) должны иметь предел опнестойкости не менее 1 час при температуре перемещаемых газов 400 °С. Стаканы для установки крышных вентиляторов выполняются бетонными или кирпичными (маленькие номера вентиляторов могут устанавливаться на металлические стаканы). Высота выброса продуктов горения 2 м или меньше при выполнении в радиусе 2 м негорючей кровли. Противопожарный клапан 7 устанавливается при расположении венткамеры в другом пожарном отсеке, предел огнестойкости клапана не менее EI 30.
Предел огнестойкости шахты 1 - не менее EI 30, воздуховода 4 – EI 30, шахты 11-EI 150.

1 - шахты лифтов; 2 - шахта лифта (в противопожарном исполнении) для подъема пожарных подразделений; 3. - клапан на воздухозаборе (при расчетных наружных температурах близких к - 30°С и ниже - морозостойкий, то же при повышенной влажности); 4 - вентилятор (чаще осевой) для подпора воздуха; 5 - транзитный воздуховод с нормируемым пределом огнестойкости.
Подача наружного воздуха при пожаре производится приточной противодымной вентиляцией:
- в лифтовые шахты;
- автономной системой - в лифтовые шахты, имеющие режим «перевозка пожарных подразделений» в жилых зданиях выше 50 м.
В данной схеме клапан на воздухозаборе - с эл. приводом. Возможно установить обратный клапан у вентилятора, а на воздухозаборе наружную решетку.
Предел огнестойкости транзитных воздуховодов – EI 30.
Примечание: Осевой вентилятор часто устанавливается непосредственно в стене лестницы или шахты лифтов (опыт ДСК). В этом случае клапан 3 не устанавливается.

1 - верхняя зона лестничной клетки; 2 - нижняя зона лестничной клетки; 3 - рассечка; 4 - шахты лифтов; 5 - шахта лифта (в противопожарном исполнении) для подъема пожарных подразделений; 6 - клапан на воздухозаборе (при расчетных наружных температурах воздуха близких к - 30°С и ниже - морозостойкий; то же при повышенной влажности); 7 - вентилятор (чаще осевой) для подпора воздуха; 8 - воздуховод с нормируемым пределом огнестойкости
Подача наружного воздуха при пожаре производится приточной противодымной вентиляцией:
- в незадымляемую лестничную клетку типа Н 2 (в две зоны);
- в лифтовые шахты:
автономной системой в лифтовые шахты, имеющие режим «перевозка пожарных подразделений» в жилых зданиях выше 50м.
В данной схеме клапан на воздухозаборе - с эл. приводом. Возможно установить обратный клапан у вентилятора, а на воздухозаборе наружную решетку.
Предел огнестойкости транзитных воздуховодов – EI 30.
Примечание: Осевой вентилятор часто устанавливается непосредственно в стене лестницы или шахты лифтов (опыт ДСК). В этом случае клапан 6 не устанавливается
1 - верхняя зона лестничной клетки; 2 - нижняя зона лестничной клетки; 3 - рассечка; 4 -шахта лифта; 5 - шахта лифта (в противопожарном исполнении) для подъема пожарных подразделений; 6 - клапан на воздухозаборе (при расчетных наружных температурах воздуха близких к -30 °С и ниже - морозостойкий, то же при повышенной влажности; 7 -вентилятор (чаще осевой) для подпора воздуха; 8 - воздуховод с нормируемым пределом огнестойкости.
Подача наружного воздуха при пожаре производится приточной противодымной вентиляцией:
- в лифтовые шахты;
- автономной системой - в лифтовые шахты, имеющие режим «перевозка пожарных подразделений» в жилых зданиях выше 50 м.
В данной схеме клапан на воздухозаборе - с эл. приводом возможно установить обратный клапан у вентилятора, а на воздухозаборе наружную решетку.
Предел огнестойкости огнестойких воздуховодов – EI 30.
Примечание: Осевой вентилятор часто устанавливается непосредственно в стене лестницы или шахты лифтов (опыт ДСК). В этом случае клапан 6 не устанавливается.
Пояснительная записка Системы вентиляции общественных зданий
Проектирование систем вентиляции и дымозащиты в общественных зданиях производится с учетом требований СНиП 44-01-2003, СНиП 2.08.02-89*, СНиП 31-05-2003, СНиП 21-01-97*, СНиП 2.09.04-87*, МГСН по проектированию различных зданий общественного назначения. При этом решения и схемы должны быть согласованы с заказчиком и изложены в достаточно подробном виде в техническом задании на проектирование. Это же относится к параметрам наружного и внутреннего воздуха.
Общественные здания отличаются большим разнообразием архитектурно-планировочных решений и принципиальных схем систем вентиляции. В некоторых помещениях проектируется только приточная вентиляция, в некоторых - только вытяжная, в некоторых - и приточная и вытяжная вентиляция.
Так например, в зданиях административных учреждений, проектных и научно-исследовательских организаций, приточный воздух может подаваться непосредственно в конференц-залы, обеденные залы, кухни, вестибюли и др. подобные помещения; самостоятельные вытяжные системы проектируются для помещений санузлов и курительных, служебных помещений, кабинетов площадью 35 м2 и более, холлов и коридоров, помещений предприятий общественного питания, аккумуляторных, кинопроекционных, от вытяжных шкафов, укрытий и других местных отсосов.
Удалять воздух из помещений (кабинетов, служебных помещений) площадью 35 м2 и менее можно за счет перетекания воздуха в коридор; из помещений большей площади - непосредственно из помещений.
Применение рециркуляции в общественных зданиях ограничено, что отражено в соответствующих требованиях СНиП по проектированию зданий различного назначения.
Приточный воздух, как правило, подается в помещения, в которых постоянно работают или находятся люди. Часть приточного воздуха (в объеме до 50%) можно подавать в коридоры или смежные помещения. Приточный воздух рекомендуется подавать через воздухораспределители, расположенные в верхней зоне.
Для больших общественных зданий (особенно, многофункциональных) в основном применяются системы с центральными кондиционерами с расходом наружного воздуха в соответствии с санитарными нормами, и местными доводчиками-охладителями (или нагревателями) - фэнкойлами.
В небольших помещениях (например, магазинах) можно применить систему с центральным кондиционером также с минимальным (по санитарной норме) расходом наружного воздуха, а избытки тепла при значительных тепловыделениях в летнее время снимать с помощью установки Split-систем.
Вместо систем с фэнкойлами в общественных зданиях могут применяться системы с эжекционными доводчиками, охлаждаемыми балками или потолками, моноблоками с водяным охлаждением.
В последнее время также находят широкое применение мультизональные системы кондиционирования воздуха VRF (Variable Refrigerant Flow) (фреоно-воздушная система) также с переменным расходом хладагента (фреона). Производители оборудования этих систем - фирмы Daikin, Mitsubishi, Sanio, Hitachi, Centatsu и др.
Эти системы могут применяться для элитного жилья, для офисных и административных зданий, гостиниц, зданий санаторно-курортных комплексов, спортивных комплексов и др.
Широкое применение получили в последнее время VRV-системы (Variable Refrigerant Volume - переменный расход хладагента) с воздушным охлаждением наружных блоков и VRV-системы с водяным охлаждением наружных блоков. Производитель оборудования этих систем - фирма Daikin.
Система охлаждения - энергоэффективна, в ней кондиционируемый воздух охлаждается непосредственно в испарителе хладагентом, а тепло от холодильной машины отводится в конденсаторе в окружающий воздух.
В системе VRV могут сочетаться режимы охлаждения и нагрева, в том числе и с рекуперацией тепла.
Максимальное количество внутренних блоков, подключенных к одной системе - 64 (при трех модулях) и 20 (при одном модуле). В системе с воздушным охлаждением наружные блоки, в которых расположены фреоновые агрегаты с воздушным конденсатором, устанавливаются выше внутренних блоков, как правило, на кровле здания.
В системе с водяным охлаждением наружных блоков на кровле устанавливается воздушный охладитель воды (Dry Cooler) или закрытая орошаемая градирня.
В VRF и VRV системах не требуется установки внешних источников холода, регулирующих балансировочных клапанов и отключающей арматуры; при этом протяженность фреоновых трубопроводов до самого отдаленного может достигать 165 м.
В системах VRV и VRF часто применяется принцип позонного регулирования мощности систем кондиционирования воздуха: в каждом помещении осуществляяется индивидуальное регулирование температуры внутреннего воздуха, регулирование холодопроизводительности в зависимости от теплоизбытков в данный период времени.
В зданиях гостиниц в большинстве случаев применяются системы «чиллер-фэнкойл».
В гостиницах кроме жилых номеров имеется большое количество помещений различного функционального назначения: различные мастерские, прачечная, химчистка, магазины, буфеты, рестораны, кондитерский и др. цехи, а также подземные автостоянки, развлекательные центры, боулинги, бильярдные.
При проектировании систем кондиционирования воздуха помещений гостиниц следует применять различные схемы утилизации тепла (при технико-экономическом обосновании).
Традиционная система (двухтрубная) «чиллер-фэнкойлы» работает следующим образом: в летнее время чиллер охлаждает воду, которая подается к центральным кондиционерам и к фэнкойлам для охлаждения воздуха. При понижении температуры наружного воздуха чиллер отключается, фэнкойлы также отключаются, центральные кондиционеры переходят в режим работы нагрева приточного воздуха.
Может применяться также четырехтрубная система (две трубы для теплоносителя, две трубы для хладоносителя). Система может работать как «на охлаждение», так и «на нагрев».
При наличии воздухо-воздушных теплообменников (рекуператоров или регенераторов) в установках осуществляется утилизация тепла, удаляемого из ряда помещений здания воздуха (горячих цехов ресторанов, кафе, кондитерских, прачечных и др.).
Экономически целесообразным является применение в гостиницах тепловых насосов. Летом тепловые насосы работают в режиме охлаждения помещений; градирня работает на полную мощность, удаляет избытки тепла из гостиницы. Зимой большая часть тепловых насосов работает в режиме обогрева помещений.
Эффективными и надежными в использовании являются системы с моноблоками - автономными кондиционерами, которые устанавливаются непосредственно в обслуживаемом помещении. Моноблок - это как бы напольный фэнкойл со встроенным компрессором, испарителем, конденсатором с водяным охлаждением, с элементами управления и автоматики.
Систем вентиляции, применяемых в общественных зданиях - огромное множество, также как и самих типов общественных зданий. Выше описаны только некоторые примеры систем в общественных зданиях определенного назначения. Схемы воздуховодов могут быть вертикальными - см. схемы №№ XI-XIII, вертикальными с подсоединением к горизонтальным коллекторам (описаны выше) – см. схемы XIV-XV, могут быть горизонтальными - см. схемы XVII, XIX, комбинированными - см. схемы XVIII, XXI.
Транзитные воздуховоды всех вентиляционных систем общественных зданий должны иметь нормируемый предел огнестойкости.
Для каждого противопожарного отсека проектируются самостоятельные системы вентиляции. В местах пересечения вентиляционными системами противопожарных преград устанавливаются противопожарные нормально открытые клапаны.
Поэтажные воздуховоды присоединяются к вертикальным или горизонтальном сборным коллекторам. При этом:
- в местах присоединения к вертикальному сборному коллектору следует устанавливать противопожарные нормально открытые клапаны;
- к каждому горизонтальному коллектору следует присоединять не более 5 поэтажных воздуховодов с последовательно расположенных этажей;
- в многоэтажных зданиях (более 5 этажей) можно присоединять более 5 поэтажных воздуховодов при условии установки противопожарных клапанов в местах присоединения их к общему коллектору на каждом поэтажном воздуховоде (сверх 5);
- группу горизонтальных коллекторов к общему коллектору, размещенному на техническом этаже или чердаке, при условии установки противопожарных клапанов в местах присоединения к общему коллектору.
Воздуховоды для помещений категорий Г и Д из разных этажей зданий различных степеней огнестойкости не допускается объединять вертикальными коллекторами.
Помещения для вентиляционного оборудования проектируются в соответствии с требованиями СНиП 41-01-2003.
Воздухообмену в помещениях общественного назначения для систем общеобменной вентиляции определяются по избыткам полного тепла, явного тепла, влаговыделениям, выделениям вредных газов и паров для теплого, переходного и холодного периодов года; при проектировании систем кондиционирования воздуха - только для теплого и холодного.
При проектировании современных общественных зданий предъявляются достаточно высокие требования по архитектурно-эстетическим решениям, интерьеру, дизайну, применяемому оборудованию.
Системы вентиляции и кондиционирования воздуха должны проектироваться высокого качества с применением новейшего вентиляционного оборудования надежного в работе, простого в эксплуатации и удовлетворяющего требованиям ремонтопригодности.
Проектные решения по вентиляции и кондиционированию воздуха должны приниматься в тесной увязке с архитектурно-планировочными и конструктивными решениями.
Следует также проводить анализ принимаемых технических решений, проектируемых систем и требуемых для них капитальных вложений и последующих эксплуатационных затрат.
При проектировании систем вентиляции и кондиционирования воздуха следует иметь в виду, что работоспособность людей и ощущение комфорта в значительной степени зависят от таких параметров микроклимата как температура воздуха в помещении, его чистота, влажность, скорость движения (подвижность).
В общественных зданиях для поддержания требуемых параметров воздуха в помещениях хорошо проявляют себя комбинированные системы кондиционирования воздуха: чистота воздуха поддерживается центральными кондиционерами или приточными установками, а тепловую и влажностную нагрузку несут местные кондиционеры доводчики (фэнкойлы, внутренние блоки VRF или VRV).
Здания повышенной этажности в большой степени подвержены воздействию наружного климата, поэтому создание оптимального микроклимата в помещениях таких зданий при минимальных затратах энергии требуют глубокого знания процессов формирования воздушного и теплового режимов, а также повышает требования к воздухоприготовительным установкам, тепловым пунктам, к средствам автоматизации проектируемых систем, а также автоматизации отпуска тепла.
Экономия тепловой энергии приобрела в настоящее время большую актуальность в связи с общим энергетическим дефицитом. Применение в общественных зданиях различных энергоэкономичных систем (с тепловыми насосами, утилизаторами с промежуточным теплоносителем, в некоторых случаях, при экономическом обосновании, регенераторов и рекуператоров) позволяют решить задачу энергоэффективности.
1- оборудование приточных систем; 2 - воздушный затвор; 3 - вертикальный коллектор для систем с искусственным побуждением и нормируемым пределом огнестойкости; 4 - транзитный воздуховод с нормируемым пределом огнестойкости; 5 - сборный воздуховод; 6 - воздухораспределители; 7 - обслуживаемое помещение; 8 - воздухозаборные решетки; 9 -горизонтальный коллектор; 10- стена в противопожарном исполнении; 11 - противопожарный нормально открытый клапан; 12 - помещение для вентиляционного оборудования; 13- клапан повышенного сопротивления.
Длина вертикального участка воздуховода (воздушного затвора) - не менее 2м. Подсоединение к вертикальному коллектору над полом обслуживаемого этажа или под потолком предыдущего. При необходимости обеспечения бесперебойной работы систем устанавливаются резервные установки.
Расположение приточной установки на верхнем техническом этаже или чердаке возможно только при низкотемпературном теплоносителе. При проектировании зданий большой этажности для устойчивой работы систем на ответвлениях воздуховодов следует устанавливать клапаны повышенного сопротивления.
При размещении помещений венткамер в другом пожарном отсеке следует у стены (или в стене) ставить противопожарный нормально открытый клапан.
Предел огнестойкости воздуховодов данной схемы – EI 30.
Предел огнестойкости противопожарных клапанов не менее EI 30.
1 - оборудование приточных систем; 2 - оборудование вытяжных систем; 3 - вертикальный коллектор для систем с искусственным побуждением; 4 - сборный воздуховод; 5 - противопожарный клапан; 6 - транзитный воздуховод с нормируемым пределом огнестойкости; 7 -воздухораспределители; 8 - обслуживаемое помещение; 9 - обратный клапан у вентилятора; 10- помещение для вентиляционного оборудования.
Данные схемы применяются в зданиях гостиниц и офисов.
Конструкция клапанов должна обеспечивать возможность местного, автоматического и дистанционного управления.
В гостиницах категорий **** и ***** следует предусматривать обеспечение работы инженерных систем не менее чем от двух раздельных источников.
При размещении помещений венткамер в другом пожарном отсеке следует у стены (или в стене) ставить противопожарный нормально открытый клапан с пределом огнестойкости не менее EI 30.
Предел огнестойкости транзитных воздуховодов – EI 30.
Предел огнестойкости противопожарных клапанов – EI 30.
1 - оборудование приточных систем; 2 - вертикальный коллектор для систем с механической вентиляцией с нормируемым пределом огнестойкости; 3 - эжекционный доводчик или фэнкойл; 4 - транзитный сборный воздуховод с нормируемым пределом огнестойкости; 5 -сборный воздуховод; 6 - участок ответвления воздуховода с нормируемым пределом огнестойкости; 7 - ответвление воздуховода; 8- нормально открытый противопожарный клапан; 9 - помещение для вентиляционного оборудования.
Данная схема может применяться в офисных зданиях, банках, гостиницах.
Для зданий лечебно-профилактического назначения такая схема недопустима; следует применять схемы с горизонтальными коллекторами.
При необходимости обеспечения бесперебойной работы систем устанавливаются резервные установки.
При размещении помещений венткамеры в другом пожарном отсеке следует у стены (или в стене) ставить противопожарный нормально открытый клапан с пределом огнестойкости не менее EI 30.
Предел огнестойкости транзитного воздуховода 4 – EI 30.
Предел огнестойкости коллектора – EI 30 (в пределах одного пожарного отсека).
Предел огнестойкости противопожарных клапанов – EI 30.
1 - горизонтальный коллектор с нормируемым пределом огнестойкости; 2 - транзитный воздуховод с нормируемым пределом огнестойкости; 3- сборная шахта системы естественной вентиляции; 4 - вытяжной воздуховод, прокладываемый в обслуживающем помещении или в коридоре; 5. Противопожарный нормально открытый клапан; 6. Вытяжной вентилятор; 7. Помещение для вентиляционного оборудования.
Данные схемы могут применяться в малоэтажных общественных зданиях.
К каждому горизонтальному коллектору следует присоединять не более 5 поэтажных воздуховодов с последовательно расположенных этажей.
В многоэтажных (более 5 этажей) зданиях допускается присоединять:
- горизонтальному коллектору - более 5 поэтажных воздуховодов при условии установки противопожарных (нормально открытых) клапанов на каждом поэтажном (сверх 5) воздуховоде;
- группу горизонтальных коллекторов к общему коллектору, размещаемому на чердаке или техническом этаже, при условии установки противопожарных клапанов с местах присоединения их к общему коллектору (из п. 7.11.16).
При размещении венткамеры в другом пожарном отсеке следует у стены (или в стене) ставить противопожарный нормально открытый клапан с пределом огнестойкости не менее EI 30.
Предел огнестойкости воздуховодов и коллекторов – EI 30.
1 - воздушный затвор; 2 - горизонтальный коллектор; 3 - воздуховод в пределах обслуживаемого помещения; 4 - транзитный воздуховод, пересекающий стены с ненормируемым пределом огнестойкости; 5 - транзитный воздуховод, пересекающий стену с нормируемым пределом огнестойкости; 6 - вытяжной вентилятор; 7 - огнестойкое междуэтажное перекрытие; 8 - стена или перегородка с ненормируемым пределом огнестойкости; 9 - стена или перегородка с нормируемым пределом огнестойкости; 10 - воздухоприемное устройство; 11 -противопожарный клапан (на группу помещений общей площадью не более 200 м2); 12 - обратный клапан у вентилятора; 13 - помещение для вентиляционного оборудования.
Данная схема может применяться в общественных зданиях различного назначения.
Схема применяется в случаях недостатка площадей для прохода инженерных коммуникаций.
Схема допускает ограниченное применение противопожарных клапанов.
Противопожарные требования выполняются за счет покрытия воздуховодов огнезащитным составом.
При расположении венткамеры в другом пожарном отсеке следует у стены (или в стене) ставить противопожарный нормально открытый клапан с пределом огнестойкости не менее EI 30.
Предел огнестойкости транзитных воздуховодов с нормируемым пределом огнестойкости – EI 30.
Предел огнестойкости противопожарного клапана – EI 30.
1 - обслуживаемые помещения; 2 - вытяжной воздуховод с нормируемым пределом огнестойкости; 3 - сборный горизонтальный коллектор с нормируемым пределом огнестойкости; 4 - воздухозаборная решетка; 5- вытяжной вентилятор; 6 - обратный клапан у вентилятора; 7- помещение для вентиляционного оборудования.
К одному горизонтальному коллектору можно присоединять по 5 поэтажных воздуховодов с последовательно расположенных этажей.
Допускается присоединять более 5 поэтажных воздуховодов при условии установки противопожарных нормально открытых клапанов на каждом поэтажном (сверх 5) воздуховоде.
При размещении венткамеры в другом пожарном отсеке следует у стены (или в стене) ставить противопожарные нормально открытые клапаны с пределом огнестойкости не менее EI 30.
Предел огнестойкости транзитных воздуховодов – EI 30.
Предел огнестойкости противопожарных клапанов – EI 30.
1 - приточная вентиляционная камера (кондиционер); 2 - обратный клапан у вентилятора; 3 - помещения категории Г или Д; 4 - помещения категории В1÷В4; 5 - противопожарные нормально открытые клапаны; б - вытяжной вентилятор; 7 - приточный воздуховод с нормируемым пределом огнестойкости; 8 - вытяжной воздуховод; 9 - приточные решетки; 10 -вытяжные решетки; 11 - воздухозаборная решетка; 12 - помещения для вентиляционного оборудования.
При расположении помещения венткамеры в другом пожарном отсеке в стене (или у стены) венткамеры устанавливается противопожарный нормально открытый клапан с пределом огнестойкости не менее EI 30.
Предел огнестойкости транзитных воздуховодов.- EI 30;
предел огнестойкости противопожарных клапанов – EI 30.
1 - торговый зал магазина, выставочный зал и т.п.; 2 - приточные установки; 3 - вытяжные вентиляторы; 4 - воздухозаборная решетка; 5 - приточные воздуховоды; 6 - вытяжные воздуховоды; 7 - воздуховоды с нормируемым пределом огнестойкости; 8 - приточные воздухораспределители; 9 - вытяжные воздухораспределители; 10 - противопожарные нормально открытые клапаны; 11 - заслонки с электроприводом; 12 - помещения для вентиляционного оборудования.
Данная схема - системы с рециркуляцией воздуха. Системы вентиляции помещений большой площади могут применяться с теплоутилизатором с промежуточным теплоносителем или, при возможности установки приточной и вытяжной венткамер рядом (и при экономическом обосновании) - с регенеративным или рекуперативным теплообменником. Противопожарные клапаны в венткамерах ставятся в случае их расположения в другом пожарном отсеке.
Предел огнестойкости транзитных воздуховодов - EI 30; предел огнестойкости противопожарных нормально открытых клапанов - EI 60.
1 - атриум; 2 - приточная установка; 3 - приточный и вытяжной вентиляторы; 4 - воздухозаборная решетка; 5 - противопожарный нормально открытый клапан; 6 - приточный воздуховод; 7 - вытяжной воздуховод (прокладывается как можно выше); 8 - приточные воздухораспределители (решетки); 9 - вытяжные воздухораспределители (решетки); 10 - воздуховод с нормируемым пределом огнестойкости; 11 - помещения для вентиляционного оборудования; 12- воздуховод для обдува стекла.
По периметру атриума могут располагаться различные помещения (в зависимости от функционального назначения здания): офисы, торговые ряды, больничные палаты и т.д.
Атриум отдельно или с блоком примыкающих к нему помещений является самостоятельным пожарным отсеком.
В помещениях атриумов могут применяться системы как с механическим притоком и с механической вытяжкой, так и с естественной вытяжкой. При этом следует учитывать характер и назначение атриумов: нижняя часть в качестве вестибюля или помещение типа кафе, клуба и т.д.
Воздухообмен следует определять по расчету.
Предел огнестойкости транзитных воздуховодов (в другом пожарном отсеке) – EI 150. Предел огнестойкости противопожарных нормально открытых клапанов - EI 90.
1 - воздуховод в помещении (вытяжной или приточный); 2 - воздухораспределители (вытяжные или приточные); 3 - воздуховод с нормируемым пределом огнестойкости; 4 - противопожарный нормально открытый клапан; 5 - шахта в противопожарном исполнении (кирпич, бетон)
При прокладке горизонтальных воздуховодов в коридорах (т.е. транзитных воздуховодов) предел огнестойкости их нормируется.
Схема 1 является традиционной (наиболее часто встречающейся). Если нам ясно, что через несколько лет восстановить «отскочившее» огнезащитное покрытие в шахте прокладки воздуховодов будет невозможно, лучше применять схему 2.
Предел огнестойкости горизонтальных воздуховодов и вертикальных в шахте в пределах одного пожарного отсека - EI 30.
Предел огнестойкости вертикальных воздуховодов из других пожарных отсеков-EI 150.
Пояснительная записка
Системы противодымной вентиляции общественных зданий
В общественных зданиях проектируются системы вытяжной и приточной противодымной вентиляции. Задача этих систем - обеспечить безопасную эвакуацию людей при пожаре: осуществить удаление дыма из лестнично-лифтовых холлов (на путях эвакуации), из помещений, в которых возник пожар, и подачу приточного воздуха для создания избыточного давления в лестничных клетках, лифтовых шахтах, тамбур-шлюзах, не позволяющего дыму распространиться в защищаемом объеме.
При расчете параметров противодымной защиты открытыми считаются двери по ходу эвакуации людей из помещения, в котором возник пожар, до выхода наружу.
Системы вытяжной противодымной вентиляции проектируются:
- из коридоров и холлов зданий высотой более 28 м;
- из коридоров подвальных и цокольных этажей без естественного освещения при выходе в эти коридоры из помещений с постоянным пребыванием людей;
- из коридоров длиной более 15 м без естественного освещения общественных и многофункциональных зданий;
- из атриумов и зданий высотой более 28 м, из атриумов высотой более 15 м и пассажей с дверными проемами или балконами, выходящими в пространство атриумов или пассажей;
- из каждого помещения без естественного освещения;
- из общественных помещений, предназначенных для массового пребывания людей;
- из помещений площадью 50 м2 и более с постоянными рабочими местами, предназначенных для хранения или использования горючих веществ и материалов;
- из торговых залов (без естественного освещения);
- из гардеробных площадью 200 м2 и более;
- из архивов и кладовых площадью более 36 м2; при отсутствии окон следует предусматривать вытяжные каналы площадью сечения не менее 0,2 % площади помещения, снабженные на каждом этаже клапанами с автоматическим и дистанционным приводом.
Приточная противодымная вентиляция проектируется:
- в незадымляемые лестничные клетки 2-го типа и в тамбур-шлюзы при незадымляемых лестничных клетках 3-го типа;
- в лифтовые шахты зданий высотой 28,0 м и более;
- в лифтовые шахты подвальных и цокольных этажей при числе этажей более 2;
- в лифтовые шахты, соединяющие подземную и наземную части здания;
- в тамбур-шлюзы при переходах между зданиями;
- в незадымляемые лестничные клетки 2-го типа для зданий выше 2-х этажей при нарушении путей эвакуации.
Зонирование незадымляемых лестничных клеток типа Н2 осуществляется согласно расчету при избыточном давлении в верхней части каждой зоны лестничной клетки не более 150 Па.
Подача воздуха в тамбур-шлюзы при незадымляемой клетке типа НЗ (ширина лестничного марша меньше нормируемой, наличие одной лестничной клетки вместо двух) должна обеспечиваться на этаже пожара. Допускается для подачи воздуха в тамбур-шлюзы использовать ответвление воздуховодов от системы подачи воздуха в лифтовые шахты с установкой клапанов у стены тамбур-шлюза.
Для противодымной вентиляции общественных зданий следует применять вентиляторы, способные перемещать газы с температурой 400°С в течение часа или 2-х часов; для многофункциональных зданий следует применять вентиляторы, способные перемещать газы с температурой 600°С в течение часа или 400 °С в течение 2-х часов.
Вентиляторы, перемещающие газы с температурой 400°С в течение часа, выполняются из обычной углеродистой стали. В них устанавливается крыльчатка для обдува электродвигателя.
Вентиляторы, способные перемещать газы с температурой 600°С в течение часа или 400°С в течение 2-х часов выполняются из нержавеющей стали (они значительно дороже вентиляторов из углеродистой стали).
Для зданий значительных объемов, имеющих в своем составе помещения большой площади различного назначения, следует привлекать к разработке решений по противодымной защите комплекса (в т.ч. противодымной вентиляции) специализированные организации, имеющие лицензию МЧС РФ.
1 - «глухой» коридор; 2 - шахта дымоудаления; 3 - дымовые клапаны; 4 - крышный вентилятор дымоудаления; 5 - обратный клапан у вентилятора; 6 - «глухой» коридор помещений 1-го этажа, назначение которых отличается от назначения помещений верхних этажей; 7 - противопожарное перекрытие; 8 - шахта дымоудаления с 1-го этажа (другой пожарный отсек); 9 -противопожарный нормально закрытый клапан.
Дымоприемные устройства размещаются на шахтах под потолком коридора, но не ниже верхнего уровня дверного проема. Длина коридора, обслуживаемого одним дымоприемным устройством, должна быть не более 30 м (в СНиП 41-01-2003 - 45 м). Количество клапанов дымоудаления не более 2-х на одном этаже.
Вентиляторы дымоудаления могут быть центробежными.
Материал шахт дымоудаления - бетон или сталь с огнезащитным покрытием.
Предел огнестойкости шахты дымоудаления 2 – EI 30. Предел огнестойкости шахты дымоудаления 8 - ЕI 150. Предел огнестойкости противопожарного клапана 9- EI 90.
Если противопожарная преграда 7 имеет предел огнестойкости REI 150 (и более), то предел огнестойкости шахты дымоудаления 8 – EI 60 (при условии установки противопожарного клапана 9).

1 - торговые помещения, выставочные залы и т.п.; 2 - тамбур-шлюз; 3 - дымовой клапан; 4 - горизонтальный воздуховод с нормируемым пределом огнестойкости; 5 - вертикальный воздуховод с нормируемым пределом огнестойкости; 6 - стакан для крышного вентилятора; 7 - крышный вентилятор дымоудаления; 8 - обратный клапан у вентилятора; 9 - система подпора воздуха в тамбур-шлюз.
Помещения крупных магазинов, выставочных залов, различных многофункциональных комплексов разделяются на отдельные пожарные отсеки с учетом площадей помещений и их функционального назначения.
Для каждого пожарного отсека проектируются самостоятельные системы противодымной вентиляции.
Вентиляторы (крышные или центробежные) системы противодымной вентиляции должны быть способны перемещать газо-воздушную среду с температурой 400°С в течение 2-х часов или с температурой 600°С в течение 1 часа.
Предел огнестойкости воздуховодов 4 – EI 30, воздуховодов 5 – EI 60; транзитных воздуховодов, которые прокладываются через другой пожарный отсек - ЕI 150. Предел огнестойкости дымовых клапанов – EI 60.

1 - коридоры без естественного освещения; 2 - горизонтальный воздуховод с нормируемым пределом огнестойкости; 3 - воздухозаборное отверстие (решетка); 4 - дымовой клапан; 5 -вертикальный сборный воздуховод с нормируемым пределом огнестойкости 6 - стакан для крышного вентилятора; 7- крышный вентилятор дымоудаления; 8- обратный клапан у вентилятора.
Системы вытяжной противодымной вентиляции проектируются из коридоров более 15 м без естественного освещения.
Расход продуктов горения, удаляемых одной системой, определяется для коридора длиной не более 45 м.
Длина коридора, обслуживаемого одним дымоприемным устройством, должна быть не более 30 м.
Системы дымоудаления из коридоров должны быть отдельными от системы дымоудаления из помещений.
Предел огнестойкости горизонтальных воздуховодов 2 – EI 30, вертикального сборного воздуховода 5 – EI 60. Предел огнестойкости дымовых клапанов –EI 60.

1- верхняя зона лестничной клетки; 2 - нижняя зона лестничной клетки; 3 - рассечка; 4 -шахта лифта; 5 - шахта лифта (в противопожарном исполнении) для подъема пожарных подразделений; 6- клапан на воздухозаборе (при наружных температурах воздуха близких к -30°С и ниже - морозостойкий, то же при повышенной влажности); 7 - вентилятор (чаще осевой) для подпора воздуха; 8 - транзитный воздуховод с нормируемым пределом огнестойкости.
Подача воздуха в лестницу и шахты лифтов в обычном исполнении может осуществляться общим вентилятором. При этом следует обращать внимание на расчетные количества воздуха. При значительных величинах L (м3/час) следует избегать применения крупных агрегатов и проектировать раздельные системы. Подача воздуха в шахту лифтов в противопожарном исполнении, выполняющим функцию «перевозка пожарных подразделений» в соответствии с НПБ-250 - автономной системой.
Зонирование незадымляемых лестничных клеток 2-го типа осуществляется согласно расчету при избыточном давлении в верхней части каждой зоны лестничной клетки - не более 150 Па.
Предел огнестойкости транзитных воздуховодов – EI 30.

1 - верхняя зона лестничной клетки; 2 - нижняя зона лестничной клетки; 3 - рассечка; 4 - шахты лифтов; 5 - шахта лифта (в противопожарном исполнении) для подъема пожарных подразделений; 6 - клапан на воздухозаборе (при наружных температурах воздуха близких к -30°С и ниже морозостойкий, то же при повышенной влажности; 7 -вентилятор (чаще осевой) для подпора воздуха; 8 - транзитный воздуховод с нормируемым пределом огнестойкости
Подача наружного воздуха при пожаре производится в зданиях высотой более 28 м, а также в зданиях многофункциональных комплексов, крупных магазинов и т.п. в зданиях меньшей высоты:
- в незадымляемую лестничную клетку (в две зоны);
- в лифтовые шахты; автономной системой в лифтовые шахты, имеющие режим, «перевозка пожарных подразделений» в соответствии с НПБ-250.
При нарушении путей эвакуации, например, вместо 2-х лестниц, положенных по расчету, из-за стесненных условий (или в реконструируемом здании) запроектирована одна, или, если лестничные марши имеют меньшую ширину и не соответствуют нормируемым путям эвакуации, проектируется система подпора воздуха в незадымляемую лестничную клетку в малоэтажных зданиях (по предписанию соответствующих служб Госпожнадзора).
Предел огнестойкости транзитных воздуховодов –EI 30.

1 - атриум; 2 - крышный (или центробежный) вентилятор дымоудаления; 3 - кровля; 4 -стакан для установки крышного вентилятора; 5 - нормально закрытый противопожарный клапан на вытяжке или дымовой клапан и приемная решетка; 6 - приточная установка подачи вытесняющего воздуха; 7- центробежный или осевой вентилятор приточной установки; 8 -приточный воздуховод; 9 - приточная решетка; 10- вытяжной воздуховод; 11 - воздуховод с нормируемым пределом огнестойкости; 12 -помещение венткамеры.
В соответствии со СНиП 41-01-2003 осуществляется дымоудаление из атриумов зданий высотой более 28м; из атриумов высотой более 15 м и пассажей с дверными проемами и балконами, выходящими в пространство атриумов и пассажей.
Расход вытяжного воздуха с дымом определяется по расчету. Компенсирующий воздух должен подаваться с небольшой скоростью. Воздух должен равномерно распределяться по всему атриуму. При проектировании систем противодымной вентиляции атриумов следует обращаться в специализированные организации.
Расход вытесняющего воздуха должен быть меньше, чем расход вытяжки (составляет не более 80% от вытяжки) для поддержания в атриуме отрицательного давления относительно давления воздуха в соседних помещениях.
Дымоудаление из атриумов может быть естественным, при этом компенсирующий приток воздуха - механическим или естественным через открываемые дверные проемы.
Предел огнестойкости огнезащитных воздуховодов – EI 60. Предел огнестойкости противопожарных клапанов –EI 60.
Пояснительная записка
Системы вентиляции стоянок автомобилей
В последние годы в нашей стране (и особенно в Москве) проектируется и строится большое количество наземных и подземных стоянок автомобилей. Практически под каждым многоэтажным жилым и общественным зданием строятся подземные стоянки автомобилей. Иногда автостоянки размещаются в цокольных или первых нежилых этажах.
Отопление, вентиляция и противодымная защита автостоянок проектируются с учетом требований СНиП 21-01-97*, СНиП 41-01-2003*, СНиП 21-02-99, ОНТП 01-91 и МГСН 5.01-01*. При наличии в автостоянках помещений сервисного обслуживания автомобилей (постов ТО, ТР, диагностирования и регулировочных работ, мойки и т.п.) отопление и вентиляцию этих помещений следует проектировать с учетом требований ВСН 01-01.
Инженерные системы автостоянок, встроенных в жилые и общественные здания или пристроенных к ним, должны быть автономными.
При проектировании инженерных систем в помещениях стоянок автомобилей необходимо выполнять санитарные и противопожарные требования действующих нормативных документов.
Отопление (воздушное или водяное)
Расчетная отопительная температура в помещениях стоянок автомобилей +5°С.
Для определения тепловой нагрузки системы отопления (водяной или воздушной) нужно рассчитать:
- теплопотери (в подземных автостоянках они невелики);
- определить расход тепла на нагрев въезжающего автотранспорта;
- определить расход тепла на нагрев воздуха, врывающегося через ворота (за счет того, что величина вытяжного воздуха на 20% больше приточного).
СНиП 41-01-2003 (разработчик ФГУП СантехНИИпроект), рекомендует отдавать предпочтение для стоянок автомобилей системам воздушного отопления. Такие же рекомендации даны в статье «Подземные автостоянки» в 5-ом номере журнала АВОК (автор Т.Н. Садовская, главный специалист ФГУП «СантехНИИпроект»).
Опыт проектирования большого количества автостоянок в ОАО "Моспроект" показал, что гораздо надежнее применять системы водяного отопления. Следует стремиться к сокращению времени работы вентиляции, что особенно актуально для жилых зданий.
Дело в том, что системы вентиляции (вытяжные системы и, соответственно, сблокированные с ними приточные системы) включаются по повышенной концентрации СО, т.е. какое-то время (особенно в ночное) помещение оказывается вообще без отопления. При этом есть опасность, что может замерзнуть спринклерная система. Кроме того, в некоторых зданиях, в основном в общественных, планировка помещения бывает сложной для равномерного размещения приточных воздуховодов и соответствующего хорошего воздухораспределения и некоторые зоны помещения плохо отапливаются системой воздушного отопления.
При проектировании воздушного отопления включение системы следует предусматривать по датчику температуры. При использовании воздушного отопления происходит перерасход тепла.
Вентиляция
В стоянках автомобилей закрытого типа следует предусматривать приточно-вытяжную вентиляцию для разбавления и удаления вредных газовыделений.
В неотапливаемых надземных автостоянках закрытого типа приточную вентиляцию с механическим побуждением следует предусматривать только для зон, удаленных от проемов в наружных ограждениях более чем на 20 м.
Исходными данными для проектирования систем вентиляции стоянок автомобилей являются:
- техническое задание на проектирование;
- архитектурные чертежи с указанием типа размещения (манежного или боксового) автомобилей, их класс и тип; разбивка на пожарные отсеки;
- продолжительность среднего цикла въезда и выезда автомобилей;
- технологическое задание: в случае отсутствия по каким-либо причинам технологического задания следует определять воздухообмен по расчету в соответствии с ОНТП 01-91;
- условия эксплуатации стоянки автомобилей, время пребывания в ней людей (необходимо для определения предельно допустимой концентрации окиси углерода в помещении).
Для определения количества выбросов загрязняющих веществ при проектировании вентиляционных систем применяется расчетный метод в ОНТП 01-91 с использованием удельных показателей, т.е. выбросов загрязняющих веществ, приведенных к единице времени работы одного двигателя.
Количество выделяющегося СО в г/с определяется по формуле ОНТП-01-91:
(23.1)
где n - количество типов автомобилей (бензиновых, дизельных), выделяющих i-oe загрязняющее вещество (мы уже определили, что расчет ведем по СО);
qi- удельный выброс СО, г/м3 одним автомобилем (г/км, табл. 4 приложения 5 ОНТП-01 -91);
L- условный пробег одного автомобиля, км за цикл по помещению гаража-стоянки с учетом затрат времени на запуск двигателя и движение (табл. 5, приложение 5 ОНТП 01-91);
Аэi - эксплуатационное количество автомобилей, шт. в гараже-стоянке с учетом коэффициента выпуска (дается в технологическом задании);
Кс - безразмерный коэффициент, учитывающий влияние режима движения (скорости) автомобиля (табл. 6, приложение 5 ОНТП 01-91);
tв - время выезда или въезда автомобилей (устанавливается технологической частью проекта). Обычно tв принимается равное 1 ч.
Количество вытяжного вентиляционного воздуха L, м3/час для ассимиляции СО рассчитывается по формуле:
L=3,610-6Мi/Св-Сn
где Мi(со) - количество выделяющегося вещества, которое мы определили по формуле 23.1 ОНТП 01-91.
Св, Сп - концентрации окиси углерода соответственно в вытяжном и приточном воздухе мг/м3;
Как правило, по технологическому заданию Спдк (предельно допустимая концентрация окиси углерода в воздухе) согласно ГОСТ 12.1.005-88 для стоянок автомобилей, расположенных в нежилых этажах жилого здания, составляет 20 мг/м3, общественного здания - 50 мг/м3. Эти величины соответствуют условиям эксплуатации данных стоянок автомобилей.
Концентрация СО в наружном воздухе соответствует фоновому загрязнению в месте расположения здания; при отсутствии этой величины в расчете принимается Сн = 0,3 Спдк. Для Москвы - это 5 мг/м3.
Расход вытяжного воздуха принимается по расчету, но в соответствии с МГСН 5.01-01 не менее 150 м3/час на одно машиноместо.
После проведения расчета следует также проверить воздухообмен по кратности (согласно СНиП 41-01-2003 он должен быть не менее 2-х крат). Принимаем из двух величин большую, часто это бывает 2-кратный воздухообмен.*
Вентиляция в помещениях стоянок автомобилей осуществляется следующим образом:
- приточный воздух подается в автостоянку вдоль проездов в верхнюю зону помещения сосредоточенными струями;
- удаление воздуха из помещения осуществляется из верхней и нижней зон поровну.
В рампах закрытого типа также принимается 2-кратный воздухообмен.*
* Мнение авторов: Считаем, что полученная величина бывает часто завышенной.
На площади автостоянок размещаются различные вспомогательные помещения: технического ремонта, мойки автомобилей, кладовые, санузлы, помещения охраны и др.
Иногда на площади автостоянки размещаются помещения, относящиеся к основному жилому или общественному зданию (венткамеры, ЦТП, трансформаторные подстанции и др. технические помещения). Они выгорожены противопожарными стенами. В них проектируются тамбуры-шлюзы с подпором воздуха.
Согласно СНиП 21-02-99, который рекомендует проектировать инженерные системы в соответствии с требованиями СНиП «Отопление и вентиляция», системы вентиляции стоянок автомобилей, расположенных на разных этажах, могут быть общими для помещений, расположенных не более, чем на трех этажах, при этом, на воздуховодах, обслуживающих помещения разных этажей, следует устанавливать противопожарные нормально открытые клапаны.
Согласно МГСН 5.01-01 п. 3.15 общие системы приточно-вытяжной вентиляции допускается предусматривать только для надземных автостоянок.
В местах пересечения воздуховодов с противопожарными преградами, а также в местах присоединения горизонтальных воздуховодов к вертикальными коллекторам или шахтам должны устанавливаться противопожарные нормально открытые клапаны с пределом огнестойкости EI 60.
Транзитные воздуховоды для помещений, находящихся в пределах одного пожарного отсека должны иметь предел огнестойкости не менее EI 60, а за пределами пожарного отсека - ЕI 150 (требование МГСН 5.01-01), EI 45 - требование СНиП 21-02-99.
Наружные ворота стоянок автомобилей следует оборудовать воздушно-тепловыми завесами в соответствии с ВСН 01-01 в районах со средней расчетной температурой воздуха -15°С и ниже при хранении в помещении 50 и более легковых автомобилей, принадлежащих гражданам.
Включение и выключение воздушно-тепловых завес должно осуществляться автоматически. Возможно применение завес без нагрева по типу «Климатвентмаш».
При проектировании встроенных автостоянок в жилые здания вытяжные вентиляторы автостоянок следует размещать в верхней части здания, при этом вертикальный ствол должен быть безнапорным.
Особые требования предъявляются к размещению вытяжных вентиляционных шахт стоянок автомобилей:
- для автостоянок вместимостью до 100 машиномест шахты располагают на расстоянии более 15 м от многоквартирных жилых домов, участков детских дошкольных, лечебных учреждений, спальных корпусов домов-интернатов. Высота шахт должна быть более 2 м над уровнем земли;
- для автостоянок вместимостью более 100 машиномест расстояние от вытяжных вентиляционных шахт до перечисленных зданий и высота над уровнем земли определяется расчетами рассеивания вредных выбросов в атмосферу и уровня шума на территории, непосредственно примыкающей к автостоянкам или жилым и общественным зданиям, в которых имеется подземная автостоянка.
Акустические расчеты вентиляционных систем стоянок автомобилей производятся с учетом работы вентиляции в ночное время.

1 - помещение автостоянки (первого и второго этажей); 2 - спринклерная и другие помещения, требующие приточной и вытяжной вентиляции; 3 - технические помещения, эл. щитовая - помещения, требующие только вытяжную вентиляцию; 4 - приточные установки; 5 -вытяжной вентилятор; 6 - обратный клапан у вентилятора; 7 - транзитный воздуховод с нормируемым пределом огнестойкости; 8 - воздуховод в пределах одного помещения; 9 -стена в противопожарном исполнении; 10 - противопожарный клапан; 11 - помещения для вентиляционного оборудования.
В надземных автостоянках системы приточной и вытяжной вентиляции могут быть общими для 2-х и более этажей, при этом в местах прохода воздуховодов через перекрытие устанавливаются противопожарные нормально открытые клапаны.
Установка противопожарных клапанов в венткамерах нужна только в случае их расположения в другом пожарном отсеке.
Предел огнестойкости транзитных воздуховодов - EI 60.
Предел огнестойкости противопожарных клапанов - EI 60 и не менее EI 30 в венткамерах.

1 - помещение автостоянки (первого и второго этажей); 2 - спринклерная, ИТП и другие помещения, требующие приточной и вытяжной вентиляции; 3 - технические помещения, эл. щитовая - помещения, требующие только вытяжную вентиляцию; 4 - приточные установки; 5 - вытяжные вентиляторы; 6 - обратный клапан у вентилятора; 7 - транзитный воздуховод с нормируемым пределом огнестойкости; 8 - воздуховод в пределах одного помещения; 9 -противопожарный клапан; 10- помещения для вентиляционного оборудования
В соответствии с МГСН 5.01.01 для каждого этажа должна проектироваться самостоятельная система. Противопожарные клапаны в венткамерах устанавливаются только в случае их расположения в другом пожарном отсеке. Для вытяжных систем следует предусматривать резервные установки; для приточных - резервные вентиляторы или электродвигатели, а также воздухронагреватели.
Предел огнестойкости транзитных воздуховодов, проходящих в одном пожарном отсеке - EI 60; в другом пожарном отсеке - EI 150; в стене венткамеры - EI 45. Предел огнестойкости противопожарных клапанов в помещениях венткамер – EI 60.

1 - рампа; 2 - приточная установка; 3 -приточный и вытяжной вентиляторы; 4 -приточный воздуховод; 5 - вытяжной воздуховод; 6 - транзитный воздуховод с нормируемым пределом огнестойкости; 7 -приточный воздухораспределитель (решетка); 8 - вытяжной воздухораспределитель; 9 - воздухозаборная решетка; 10 - обратный клапан у вентилятора; 11 - помещения для вентиляционного оборудования.
В рампе проектируются приточная и вытяжная системы механической вентиляции.
Следует предусматривать резервные электродвигатели как для приточной, так и для вытяжной системы. Об этом должна быть запись в техническом задании на проектирование.
На схеме показаны помещения венткамер в одном пожарном отсеке с рампой; если венткамера расположена в другом пожарном отсеке, необходимо в системе у выхода из венткамеры установить противопожарный нормально открытый клапан. Если в одной венткамере размещены вентиляционные установки, обслуживающие помещения стоянок автомобилей и рампы, в каждой системе также должны быть установлены противопожарные нормально открытые клапаны.
Предел огнестойкости транзитных воздуховодов - EI 60. Предел огнестойкости противопожарных клапанов - EI 60.

1 - рампа; 2 - стоянка автомобилей; 3 - ворота (открытые); 4 - приточная установка; 5 -вытяжной вентилятор; 6 - приточный воздуховод; 7 - вытяжной воздуховод; 8 - транзитный воздуховод с нормируемым пределом огнестойкости; 9 - приточный воздухораспределитель (решетка); 10 - вытяжной воздухораспределитель; 11 - воздухозаборная шахта; 12 - воздухозаборная решетка; 13 - обратный клапан у вентилятора; 14 - помещения для вентиляционного оборудования.
В рампе проектируется самостоятельная вытяжная система механической вентиляции.
В случае, когда между помещением автостоянки и рампой нет тамбура-шлюза, а ворота между ними постоянно открыты, приток можно подавать через открытые ворота автостоянки. При этом, соответственно, производительность приточной системы в автостоянку должна быть рассчитана на общую производительность автостоянки и рампы.
При размещении помещений венткамер в другом пожарном отсеке следует у стены (или в стене) венткамеры установить противопожарный нормально открытый клапан.
Предел огнестойкости транзитных воздуховодов - EI 60. Предел огнестойкости противопожарных клапанов - EI 60.
Примечание: для ворот проектируется противопожарная воздушная завеса.
Пояснительная записка
Системы противодымной вентиляции стоянок автомобилей
В надземных автостоянках закрытого типа и в подземных автостоянках необходимо предусматривать системы приточно-вытяжной противодымной вентиляции, предназначенные для безопасной эвакуации людей.
Включение систем противодымной вентиляции происходит от датчиков пожарных извещателей при сигнале «пожар» и системы спринклерного пожаротушения.
Системы вытяжной противодымной вентиляции предусматриваются для удаления продуктов горения с этажа (яруса) пожара:
а) из помещений стоянки автомобилей;
б) из изолированных рамп;
в) из коридоров без естественного освещения;
г) из помещений вспомогательного назначения (ТО, ТР, мойки и др.).
Для каждого пожарного отсека системы противодымной защиты должны проектироваться автономными. Пожарный отсек-это помещения, выделенные противопожарными стенами.
В автостоянках открытого типа предусматривается естественное дымоудаление за счет проветривания.
Удаление продуктов горения в закрытых автостоянках осуществляется через отверстия в воздуховоде, расположенном под потолком помещения, затем продукты горения попадают в шахту через нормально закрытый противопожарный клапан с ручным (в месте установки), автоматическим и дистанционным управлением. Из шахты дым удаляется с помощью центробежных или крышных вентиляторов.
Пожарная опасность стоянки автомобилей отнесена к категории Bi; средний удельный вес дыма (в соответствии со СНиП) принят γ = 5 н/м3, температура дыма t = 450°С.
В соответствии со СНиП 21-02-99 и МГСН 5.01-01 в подземных автостоянках к одной дымовой шахте допускается присоединять дымовые зоны не более 3000 м2 на каждом подземном этаже, т.е. площадь пожарного отсека.
В настоящее время расход дыма на этаже, удаляемого при пожаре, определяется по приложению 22 СНиП 2.04.05-91* (предыдущая редакция СНиП отопление, вентиляция и кондиционирование), в котором дымовая зона – до 1600 м2 (п.3.18 МГСН5.01-01). Исходя из положений последних нормативов, следует принимать расход дымовой смеси для пожарного отсека порядка 45000 м3/час, что примерно соответствует разработкам ВНИИПО МЧС РФ.
Для всех многоэтажных автостоянок шахты дымоудаления в пределах пожарного отсека следует проектировать общими, обеспечивая предел огнестойкости равный пределу огнестойкости пересекаемых перекрытий.
В подземных многоэтажных автостоянках следует проектировать шахты для естественного поступления наружного воздуха, при этом использовать общий вертикальный ствол, с поэтажными противопожарными клапанами.
Иногда бывает возможно запроектировать общую систему вытяжной общеобменной вентиляции и противодымной вентиляции - в случае не очень большой разницы в расчетных расходах воздуха (дыма) этих систем. При этом должны применяться вентиляторы с двухскоростными двигателями, способными регулировать изменение параметров (производительности и давления). В вытяжных воздуховодах - нижнем и верхнем в каждом этаже стоянки - устанавливаются нормально открытые противопожарные клапаны. При работе системы в режиме «дымоудаление» клапан воздуховода нижней зоны автоматически закрывается.
Дымоудаление из изолированных рамп может быть механическим с удалением из верхней зоны или естественным, иногда с помощью дефлектора (при этом необходимо подать приточный воздух в нижнюю зону рампы или через открывающиеся при пожаре ворота). В одноэтажных автостоянках для дымоудаления из рамп можно использовать открывающиеся при пожаре ворота.
Системы дымоудаления рассчитываются при температуре горения 450°С; вентиляторы дымоудаления подбираются с пределом огнестойкости 600°С в течение одного часа.
Для вытяжной противодымной вентиляции необходимо применять каналы (воздуховоды, коллекторы, шахты) класса «П» по СНиП 41-01-2003 с пределами огнестойкости EI 60, установленными согласно НПБ 240-97.
Пределы огнестойкости воздуховодов и противопожарных клапанов указаны в схемах XXXI - XXXIV.
Системы приточной противодымной вентиляции предусматриваются для подачи наружного воздуха:
а) в лестничные клетки;
б) в шахты лифтов;
в) в тамбур-шлюзы.
Для систем приточной противодымной вентиляции применяются также каналы марки «П», вентиляторы подбираются в обычном исполнении.
В системе подпора избыточное давление должно составлять не менее 20 Па. Величины перепада давлений на закрытых дверях не должны превышать 150 Па при совместной работе приточных и вытяжных систем противодымной вентиляции.
При размещении автостоянок на двух и более этажах предусматриваются не менее двух грузовых лифтов, в шахтах которых при пожаре создается подпор воздуха. В подземных автостоянках, имеющих более двух этажей, в соответствии с НПБ 250-97 следует предусматривать в каждом пожарном отсеке не менее одного лифта с режимом работы «перевозка пожарных подразделений». Система подпора воздуха в шахту такого лифта должна быть автономной.
В подземных автостоянках при двух и более подземных этажах выходы из подземных этажей в лестничные клетки и выходы из лифтовых шахт должны предусматриваться через поэтажные тамбур-шлюзы с подпором воздуха при пожаре.
Если в автостоянке есть подземные и надземные этажи, в которых имеются общие лестничные клетки и лифты, проектируется подпор воздуха в тамбур-шлюзы при них. Подпор воздуха необходимо обеспечить также в тамбур-шлюзы лестничных клеток и лифтов, общих для автостоянки и надземных этажей здания другого назначения.
Конструкции и оборудование противодымной защиты (вентиляторы дымоудаления, противопожарные клапаны, огнезащитные покрытия воздуховодов, ограждающие конструкции шахт) должны быть сертифицированы в установленном порядке на соответствие системе противопожарного нормирования РФ.
Фирма "Gebhardt Venhlatoren" (Германия), имеющая представительство в Москве, предлагает эффективную нетрадиционную систему дымоудаления для подземных стоянок.
Это - система «струевой вентиляции» (jetfan systems). Под потолком помещения устанавливаются струевые вентиляторы. Их задача - отвести дым из зоны возгорания к шахте дымоудаления, наверху которой установлен вентилятор. При этом система воздуховодов не нужна, экономится место, затраты на монтаж систем и на электроэнергию (существенно уменьшается сопротивление сети).
Такую же систему фирма предлагает для общеобменной вентиляции. Система позволяет осуществить частичную вентиляцию (дымоудаление) в той зоне, где это необходимо. Применение подобных систем должно быть согласовано с органами Госпожнадзора в установленном порядке. Устанавливаемые струевые вентиляторы должны иметь требуемые сертификаты.

1 - помещения автостоянок (первого, второго, третьего этажей); 2 - крышный вентилятор дымоудаления; 3 - стакан для установки крышного вентилятора; 4 - обратный клапан у вентилятора; 5 - шахта дымоудаления; 6 - поэтажный воздуховод с нормируемым пределом огнестойкости; 7-дымоприемные отверстия; 8 - противопожарный или дымовой клапан.
Системы противодымной вентиляции отдельные для каждого пожарного отсека здания.
Системы дымоудаления стоянок автомобилей могут проектироваться отдельными для каждого этажа и общими для 2-5 этажей (что предпочтительнее, т.к. используется один вентилятор в каждом пожарном отсеке). При этом на каждом этаже устанавливается противопожарный нормально закрытый клапан или дымовой клапан
Системы дымоудаления должны иметь автоматическое, дистанционное и ручное управление.
Предел огнестойкости поэтажных воздуховодов и шахт дымоудаления - EI 60.
Предел огнестойкости противопожарных нормально закрытых клапанов – EI 60.

1 - помещения автостоянок (первого, второго, третьего этажей); 2 - вентилятор дымоудаления; 3 - обратный клапан у вентилятора; 4 - воздуховод с нормируемым пределом огнестойкости; 5 - дымоприемное отверстие; 6 - горизонтальный коллектор с нормируемым пределом огнестойкости; 7 - противопожарный клапан; 8 - помещение для вентиляционного оборудования; 9 - шахта для естественного поступления наружного воздуха (только для подземной автостоянки).
В подземных многоэтажных автостоянках с целью обеспечения эффективной работы систем дымоудаления следует проектировать шахты для естественного поступления наружного воздуха на этаж пожара.
Объем удаляемого дыма (до выхода соответствующего свода правил к СНиП 41-01-2003) следует определять по СНиП 2.04.05-91 (приложение 22) для дымовой зоны площадью не более 1600 кв.м.
При размещении венткамеры в другом пожарном отсеке следует у стены (или в стене) венткамеры установить противопожарный нормально закрытый клапан.
Предел огнестойкости горизонтальных и вертикальных воздуховодов, горизонтального коллектора и шахты -EI 60. Предел огнестойкости противопожарных клапанов - EI 60.

1 - рампа; 2 - этажи стоянок автомобилей; 3 - тамбуры-шлюзы; 4 - вентилятор дымоудаления; 5 - вентилятор подпора; 6 - воздуховод вытяжной системы противодымной вентилями; 7 - воздуховод приточной системы противодымной вентиляции; 8 - воздуховод с нормируемым пределом огнестойкости; 9 - дымовой клапан; 10 - противопожарный клапан; 11 - морозостойкий клапан; 12 - помещение для вентиляционного оборудования.
Системы вытяжной противодымной вентиляции рамп могут быть естественными (при этом в нижнюю зону рампы необходимо подать компенсирующий приток) и механическими.
Дымоудаление может осуществляться из верхней зоны или из каждого яруса (этажа) рампы с установкой на каждом уровне противопожарных нормально закрытых клапанов, которые открываются только на этаже пожара.
В тамбур-шлюзы, отделяющие рампу от помещения стоянок автомобилей, подается подпор воздуха общей системой также с установкой на каждом этаже противопожарных нормально закрытых клапанов.
При отсутствии тамбур-шлюзов проектируются противопожарные воздушные завесы над воротами со скоростью выхода не менее 10 м/сек.

1 - лифтовая шахта; 2 - тамбуры-шлюзы; 3 - лестница; 4 - стоянка автомобилей; 5 - вентилятор системы подпора воздуха; 6 - клапан на воздухозаборе (при расчетных наружных температурах воздуха близких к - 30°С и ниже - морозостойкий; то же при повышенной влажности); 7- транзитный воздуховод с нормируемым пределом огнестойкости; 8- противопожарный клапан.
Системы подпора воздуха, обслуживающие тамбуры-шлюзы, расположенные на разных этажах, могут быть общими, но перед каждым устанавливается нормально закрытый противопожарный клапан.
На воздухозаборе приточных противодымных систем желательно ставить морозостойкий приточный клапан (лопатки которого не примерзают при низких температурах и повышенной влажности) (изготовители - фирмы Сигма Вент и ВИНГС-М).
Предел огнестойкости транзитных воздуховодов - EI 60; предел огнестойкости нормально закрытых противопожарных клапанов - EI 60.
Пояснительная записка
Огнестойкие воздуховоды и их применение
Для предотвращения распространения пожара за пределы аварийного помещения вентиляционная система должна обладать определенной огнестойкостью, причем важно отметить, что при включенной вентиляции она является путем распространения пожара, так как продукты горения могут поступать внутрь воздуховода через воздухораспределительные устройства и неплотности в его конструкции.
Требования пожарной безопасности к вентиляционным системам изложены в СНиП 41-01-2003 раздел 7.11 «Воздуховоды» и раздел 8 «Противодымная защита при пожаре».
Во многих случаях в зданиях различного назначения необходимо проектировать воздуховоды из негорючих материалов - огнестойкие воздуховоды с различными пределами огнестойкости.
Огнестойкие воздуховоды - плотные воздуховоды из стали толщиной не менее 0,8 мм, имеющие нормируемый предел огнестойкости.
В соответствии с требованиями СНиП 41-01-2003 огнестойкие воздуховоды должны проектироваться :
- для участков воздуховодов с нормируемым пределом огнестойкости;
- для транзитных участков или коллекторов систем вентиляции, кондиционирования воздуха и воздушного отопления;
- для прокладки в пределах помещений для вентиляционного оборудования, а также в технических этажах, чердаках, подвалах и подпольях;
- для помещений кладовых категорий А, Б и В-В4;
- для систем вытяжной противодымной вентиляции;
- для систем приточной вентиляции.
В соответствии с требованиями НПБ 239-97 под огнестойкостью конструкции воздуховода понимается время, за которое конструкция или ее узел достигает хотя бы одного из двух предельных состояний: потери теплоизолирующей способности (1) или потери плотности (Е).
Потерей теплоизолирующей способности считается повышение температуры контрольных участков необогреваемых поверхностей воздуховода и его заделки в среднем на 160°С, локально - на 190°С.
Потеря плотности характеризуется образованием в узлах уплотнения зазоров в местах прохода воздуховодов через ограждения печи или в конструкциях воздуховодов с необогреваемой стороны визуально обнаруживаемых сквозных трещин или отверстий, через которые проникают продукты горения или пламя.
Обозначение предела огнестойкости конструкций воздуховода состоит из условных обозначений нормируемых предельных состояний и цифры, соответствующей времени достижения одного из этих состояний (первого по времени), в минутах. Например, предел огнестойкости 60 минут по признаку теплоизолирующей способности или потери плотности, независимо от того, какой из двух признаков достигается ранее, -EI 60.
Для обеспечения огнестойкости воздуховодов необходимо использовать те огнезащитные материалы, с применением которых конструкции воздуховода должны соответствовать требованиям НПБ 239-97, требованиям СНиП 41-01-2003 (пп. 7.11.3; 7.11.4; 7.11.7-7.11.12; 7.11.15; 8.10; 8.16), что должно быть подтверждено сертификатом пожарной безопасности и сертификатом соответствия в системе сертификации ГОСТ Р.
Огнезащитные материалы должны иметь заключение о соответствии государственным санитарно-эпидемиологическим правилам и нормативам (гигиенический сертификат).
Проектировать огнестойкие воздуховоды следует таким образом, чтобы был обеспечен доступ и возможность выполнить ремонт в тех местах, где по прошествии времени произошло нарушение конструкции огнестойкого покрытия.
Огнезащитные материалы для снижения пожарной опасности вентиляционных систем
С целью защиты любого здания и сооружения от пожара необходимо предотвратить его распространение за пределы аварийного помещения путем придания определенной степени огнестойкости строительным конструкциям.
Для предотвращения распространения пожара за пределы аварийного помещения вентсистема также должна обладать определенной огнестойкостью, причем важно отметить, что при включенной вентиляции она является путем распространения пожара, поскольку продукты горения могут поступать внутрь воздуховода через воздухораспределительные устройства и неплотности в его конструкции.
Под огнестойкостью конструкции воздуховода понимается время, за которое конструкция или ее узел достигает хотя бы одного из двух предельных состояний: потери теплоизолирующей способности (1) или потери плотности (Е).
Потерей теплоизолирующей способности считается повышение температуры контрольных участков необогреваемых поверхностей воздуховода и его заделки в среднем на 160°С, локально на 190°С.
Потеря плотности характеризуется образованием в узлах уплотнения зазоров в местах прохода воздуховодов через ограждения печи или в конструкциях воздуховодов необогреваемой стороны, визуально обнаруживаемых сквозных трещин или отверстий, через которые проникают продукты горения или пламя.
В современных зданиях и сооружениях воздуховоды в пространстве с ограниченной высотой конструктивно выполняются в виде сборок, открыто прокладываемых вдоль стен и потолка, а также скрыто в специальных шахтах. Прокладки сборок могут выполняться между перекрытием и подвесным потолком. Возможно близкое расположение коммуникаций.
Для крепления воздуховодов, как правило, применяется стальная арматура, которая должна иметь предел огнестойкости не ниже, чем у самих воздуховодов.
Огнестойкость конструкций воздуховодов оценивается по показателям EI согласно НПБ 239-97. Конструкция воздуховода с огнезащитным покрытием О3С-МВ испытана во ВНИИПО МЧС России по показателям: EI 60, EI 90, EI 50.
Огнестойкость крепежа оценивается по показателю несущая способность (R) согласно НПБ 236 (огнезащитный состав О3С-МВ испытан во ВНИИПО МЧС России по показателям: R 45, R 60, R 120, R 150).
В соответствии с требованиями СНиП 21-01-97 здание должно быть разделено на пожарные отсеки с целью ограничения развития возможного пожара за пределами объема помещения.
Материалы, с применением которых возможно обеспечить пожарную безопасность, их технические характеристики, а также технология выполнения работ по огнезащите вентиляционных воздуховодов представлены ниже.
Каким образом снизить пожарную опасность вентиляционных систем, применив огнезащитные материалы, хорошо видно на схемах узлов пересечения вентиляционных конструкций.
На схемах №1 и №2 представлены узлы пересечения вентиляционных воздуховодов с ограждающей конструкцией без установки противопожарных клапанов (№1) и с установкой клапанов (№2).
Схема №1
Конструкция узла пересечения ограждающей конструкции огнестойким воздуховодом

А - металлический воздуховод; В - огнезащитное покрытие О3С-МВ толщиной σ (3 < σ <11.5 мм); С - ограждающая конструкция толщиной L3; D - сварная рама (изготовлена из металлического уголка с размером полки, соответствующим размеру фланца); Е - заливочный пеноматериал «Пенокс» (огнестойкость конструкции 150 минут. При требовании к огнестойкости ограждающей конструкции не более 90 минут для заделки проема применяются подушки ППВ, ППУ, рисунок, информация - ниже).
Схема №2
Конструкции узлов прохода воздуховодов через стены при установках клапанов

А - обслуживаемое помещение; Б - помещение смежное с обслуживаемым; 1 - строительная конструкция с нормируемым пределом огнестойкости; 2 - воздуховод с огнезащитным покрытием О3С-МВ; 3 - наружная защита с О3С-МВ+МПВО пределом огнестойкости строительной конструкции; 4 - корпус клапана; 5 - ось заслонки; 6 - материал Пенокс или подушки ППВ, ППУ.
Огнезащитный состав О3С-МВ
Состав однокомпонентный О3С-МВ предназначен для создания огнезащитного покрытия на поверхности вентиляционных систем с огнестойкостью EI 60, EI 90, EI 150 (по НПБ 239-97), а также - на поверхности стальных конструкций с огнестойкостью R 45, R 60, R 120, R 150 (по НПБ 236), включая стальную арматуру крепежа воздуховодов к строительным конструкциям.
Внешний вид покрытия О3С-МВ представлен на рис.1-2.
Огнезащитный состав следует применять для защиты стальных строительных конструкций и воздуховодов, эксплуатируемых внутри помещений, зданий и сооружений промышленного и гражданского назначения с относительной влажностью воздуха не более 80%. При эксплуатации воздуховодов, а также крепежных элементов в помещениях с повышенной влажностью или участках воздуховодов и конструкций, проходящих по улице, поверх покрытия О3С-МВ наносится гидрофобное покрытие МПВО толщиной 200 микрон или покрытия ЭП-525, ЭП-5285, Полак-21, ХВ-785, ПФ-115 толщиной не более100 микрон.
При эксплуатации на АЭС на О3С-МВ наносится дезактивируемое покрытие ЭП-525п или ЭП-5285. Испытанные системы покрытий соответствуют требованиям ГОСТ 51102-97 и рекомендованы по критериям «дезактивируемость и радстойкость» к применению на объектах атомной энергетики и атомной промышленности.
При необходимости нанесения на покрытие О3С-МВ других лакокрасочных материалов необходимо проконсультироваться с производителем-разработчиком состава.
Работы по созданию огнезащитного покрытия О3С-МВ возможно вести как на уже смонтированных вентиляционных системах, так и в заводских условиях при изготовлении элементов конструкций воздуховодов. Нанесение состава проводится как на оцинкованные так и на неоцинкованные металлические поверхности. Подготовка поверхности воздуховодов включает очистку от грязи, битумных и жировых пятен.
При нанесении состава на огрунтованную металлическую поверхность необходимо проверить качество нанесенного грунта. Возможно нанесение состава на поверхности, загрунтованные грунтами типа ГФ-021 или эпоксидными типа ЭП-027, ЭП-00-10, Полак-21. При нанесении состава температура окружающего воздуха должна быть не ниже 0°С, влажность воздуха не выше 80%, кроме того, в условиях строительной площадки конструкции должны быть защищены от атмосферных осадков. Поставленный на площадку состав перед нанесением необходимо перемешать.
Нанесение состава на воздуховоды возможно как механизировано пневмораспылением, так и вручную шпателем. Для нанесения состава механическим способом используют штукатурно-смесительные агрегаты типа СО-150 (СО-150А, СО-154). На страницах 113-119 представлена последовательность механизированного нанесения состава на воздуховоды.
Огнестойкие воздуховоды должны крепиться к строительным конструкциям огнестойкими креплениями (хомутами, подвесками). Для увеличения огнестойкости креплений применяется состав О3С-МВ. Нанесение состава ОЗС-МВ на крепления проводится как вручную, так и механизировано.
Минимальный слой огнезащитного покрытия О3С-МВ составляет 3,0 мм, что обеспечивает предел огнестойкости конструкции воздуховода не менее EI 30. Количество слоев покрытия зависит от требуемой огнестойкости воздуховодов.
В таблице представлены расход состава и толщина покрытия в зависимости от огнестойкости воздуховода:
|
Прокладка воздуховодов |
Толщина покрытия О3С-МВ, мм |
Расход состава на 1 м2 воздуховода, кг |
Предел огнестойкости воздуховода |
Подтверждающий документ |
|
Внутри помещений с относительной влажностью не более80% - |
3 |
6 |
EI 30 (0,5 ч) |
Сертификат пож. Безопасности CCПB.RU. УП001.В04753 от 16.05.2005г. Сертиф. Соответствия РОСС. RU. ББ02.1102732 от 16.05.2005г |
|
4 |
7 |
EI 60 (1,0 ч) |
||
|
6 |
11 |
EI 90 (1,5 ч) |
||
|
11.5 |
18 |
EI 150 (2,5 ч) |
||
|
В помещениях с повышенной влажностью и на открытом воздухе |
О3С-МВ+МПВО |
|
|
|
|
3+0,2 |
6+0,2 |
EI 30 (0,5 ч) |
||
|
4+0,2 |
7+0,2 |
EI 60 (1,0 ч) |
||
|
6+0,2 |
11+0,2 |
EI 90 (1,5 ч) |
||
|
11,5+0,2 |
18+0,2 |
EI 150 (2,5 ч) |
![]()
![]()
Для защиты крепежа огнестойких воздуховодов (хомутов и подвесок) также
применяется состав О3С-МВ (сертификат пожарной безопасности CCПB.RU.УП001.H00306 от 27.01.2004 г.).
Нанесение состава О3С-МВ на крепежные элементы проводится аналогично нанесению состава на воздуховоды (возможно - на загрунтованные указанными выше фунтами).
Для крепежных элементов армирование сеткой не обязательно.
Состав О3С-МВ и покрытие на его основе пожаровзрывобезопасны и соответствуют требованиям Государственной санитарно-эпидемиологической службы РФ, что подтверждено Санитарно-эпидемиологическим заключением № 77.01.03.577.П.27333.08.8т от 11.08.2004 г.
Гарантийный срок эксплуатации покрытия составит 15 лет.
Пенокс - негорючий пеноматериал
Материал предназначен:
- для заполнения зазоров, обеспечивающих дымогазонепроницаемость мест прохода воздуховодов, кабелей, трубопроводов через ограждающие конструкции с нормируемыми пределами огнестойкости, обеспечивая предел огнестойкости пересекаемой ограждающей конструкции до 2,5 ч;
- для создания дымогазонепроницаемых перегородок (например, отделить пространство над подвесными потолками от примыкающих холлов, тамбуров, лестничных клеток и инженерных коммуникаций);
- для устройства огнепреградительных поясов, проемов узлов пересечения ограждающей конструкции;
- для огнезащиты деревянной конструкции перекрытия;
Внешний вид пеноматериала представлен на рис. 3-5.
Проведены сертификационные испытания огнестойкого воздуховода с покрытием О3С-МВ при заделке узла пересечения воздуховодом ограждающей конструкции пеноматериалом Пенокс на соответствие НПБ 239-97 [EI 150 (2,5 ч)].
Композиция Пенокс двухкомпонентная. Нанесение композиции на поверхность, заливка в опалубку или какие либо пустоты, формы и проемы возможна как механизированным способом, так и вручную.
Вспенивание и отверждение композиции не требует подогрева. Для заполнения необходимого объема возможна заливка композиции порциями, послойно. Гарантийный срок хранения пеноматериала Пенокс не лимитируется.
Подушки противопожарные ППВ и ППУ пожаровзрывобезопасные негорючие
Подушки предназначены:
- для заполнения зазоров, обеспечивающих дымогазонепронецаемость мест прохода воздуховодов, кабелей, трубопроводов через ограждающие конструкции с нормируемыми пределами огнестойкости, обеспечивая предел огнестойкости пересекаемой ограждающей конструкции до 1,5 ч;
- для создания дымогазонепроницаемых перегородок (например, отделить пространство над подвесными потолками от примыкающих холлов, тамбуров, лестничных клеток и инженерных коммуникаций);
- для заделки и уплотнения кабельных проемов, создания огнепреградительных поясов и разделения кабельных каналов на самостоятельные участки, защиты смежных и сопредельных помещений от распространения огня и выделяющихся при горении дыма и газов;
Подушки ППУ и ППВ обеспечивают:
- многократность использования в кабельных проходках в процессе строительно-монтажных или ремонтных работ;
- дымогазонепроницаемость;
- постоянную глубину заделки.
Подушки противопожарные уплотнительные ППУ ТУ 3400-010-17297211-2000 представляют собой стеклотканевые чехлы, наполненные минеральным волокном с термостойкостью до 1000°С.
Подушки противопожарные вспучивающиеся ППВ ТУ 3400-011-17297211-2000 представляют собой стеклотканевые чехлы, наполненные порошкообразными материалами с различными температурами вспучивания и спекания от 150°С до 900°С.
На рис. 6-7 представлены внешний вид подушек и схемы заполнения ими проема.
Заполнение проема считается полным, если отсутствуют просветы в проеме, средняя толщина подушки в выполненном слое составляет 15÷25 мм.
Мастика герметизирующая МГКП
Мастика герметизирующая МГКП - пластичная, легкодеформируемая, предназначена для заделки трубчатых кабельных проемов с целью создания огнепреградительных поясов огнестойкостью до 1,5 ч, а также для герметизации щелей.
Мастика однокомпонентная.
Обеспечивает многократность уплотнения и разуплотнения проходов во время монтажных работ и в процессе строительства.
Обеспечивает дымогазонепроницаемость без дополнительных технологических приемов.
Обеспечивает постоянную глубину заделки. Внешний вид мастики и заделка в стеновом проеме мастикой представлены на рис. 8-9.
Покрытие вспучивающееся огнезащитное МПВО
Огнезащитное вспучивающееся покрытие МПВО ТУ 5775-007-17297211-2002 на основе каучуков предназначено для защиты древесины и всех видов электрических кабелей, а также наносится как гидрофобный слой поверх огнезащитного покрытия О3С-МВ для защиты от атмосферных осадков и нефтяных масел.
Покрытие используется для конструкций и оборудования, эксплуатируемых как на открытом воздухе, так и внутри жилых, общественных и производственных помещений.
Состав МПВО однокомпонентный. Покрытие МПВО наносится кистью, валиком, шпателем или методом безвоздушного распыления.
Для разбавления состава МПВО до рабочей вязкости используется сольвент.
Внешний вид покрытия представлен на рис. 10-11.
Краска огнезащитная вспучивающаяся О3К-45
Огнезащитная краска О3К-45 ТУ 2316-018-17297211-01 предназначена для противопожарной защиты стальных строительных конструкций и электрических кабелей, как в закрытых помещениях, так и на улице под навесом без прямого попадания воды. Для эксплуатации покрытия в условия повышенной влажности (более 80%) рекомендуется нанесение защитного слоя эмали.
Огнезащитная краска О3К-45 - воднодисперсионная однокомпонентная краска. Под действием пламени краска ОЗК-45 резко увеличивается в объеме с образованием пены. Слой пены изолирует очаг пожара и препятствует образованию огня.
Металлоконструкции с покрытием ОЗК-45 испытаны во ВНИИПО МЧС России согласно НПБ 236 на показатель огнестойкости R 45, R 6, R 90.
Огнезащитная краска ОЗК-45 рекомендована для покраски кабелей в коллекторах г. Москвы, а по критериям «дезактивируемость и радстойкость» - к применению на АЭС.
Цвет краски - белый, по согласованию с производителем возможны другие цвета.
Внешний вид покрытия О3К-45 представлен на рис. 12-13.
|
|
|
|
|
|
|
|
Рис. 1 |
|
Рис. 2 |
Рис. 3 |
|
Рис. 5 |
Рис. 4 |
|
|
|
|
Рис. 7 |
Рис. 8 |
|
Рис. 9 |
Рис. 10 |
|
|
Рис. 13
|
|
Рис. 12
|
|
Пояснительная записка
Противопожарные клапаны и их применение
В системах вентиляции и в системах противодымной вентиляции в соответствии с требованиями СНиП 41-01-2003, СНиП 21-01-97*, СНиП 21-02-99, МГСН 5.01.01 и других нормативных документов для предотвращения распространения пожара устанавливаются противопожарные клапаны: в системах вентиляции - противопожарные нормально открытые; в системах противодымной вентиляции - противопожарные нормально закрытые и дымовые клапаны.
Дымовые и противопожарные нормально закрытые клапаны, устанавливаемые системах противодымной защиты, должны иметь автоматическое, дистанционное и ручное (в местах установки) управление.
Основные элементы конструкции клапанов:
- корпус клапана - неподвижный элемент конструкции клапана, устанавливаемый в проеме с креплением к ограждающим строительным конструкциям;
- заслонка клапана - подвижный элемент конструкции клапана, устанавливаемый в корпусе и перекрывающий его проходное сечение;
- привод клапана - механизм для перемещения заслонки в положение, соответствующее закрытому или открытому клапану.
Системы приточной и вытяжной общеобменной вентиляции при пожаре отключаются, кроме систем подачи воздуха в тамбур-шлюзы помещении категорий А и Б, противопожарные нормально открытые клапаны, установленные в этих системах, закрываются.
Системы противодымной вентиляции при пожаре включаются, противопожарные нормально закрытые и дымовые клапаны, установленные в этих системах, открываются.
В соответствии с п. 7.11.13 СНиП 41-01-2003 противопожарные нормально открытые клапаны, устанавливаемые в отверстиях и воздуховодах, пересекающих противопожарные преграды, следует предусматривать с учетом требований 12.4 с пределами огнестойкости:
EI 90 - при нормируемом пределе огнестойкости противопожарной преграды REI 150 и более;
EI 60 - при нормируемом пределе огнестойкости противопожарной преграды REI 60;
EI 30 - при нормируемом пределе огнестойкости противопожарной преграды REI 45 (EI 45);
ЕI 15 - при нормируемом пределе огнестойкости противопожарной преграды REI 15 (EI 15).
В других случаях противопожарные нормально открытые клапаны следует предусматривать с пределами огнестойкости не ниже нормируемых для воздуховодов, на которых они устанавливаются, но не менее EI 15. Пожарно-технические характеристики противопожарных клапанов всех типов должны соответствовать НПБ 241-97.
Противопожарные клапаны должны иметь российские сертификаты: соответствия и пожарной безопасности.
Есть несколько отечественных фирм, которые производят различные противопожарные клапаны: ВИНГС-М, ВИНГС, Воздухотехника, ВЕЗА, Сигма-Вент.
В данной работе приводятся информационно-технические материалы фирм ВИНГС-М и Сигма-Вент.
Приводятся: номенклатура выпускаемых клапанов различных модификаций, данные по пределу огнестойкости, данные для расчета и подбора, схемы конструкций клапанов, установочные чертежи, схемы кассет из клапанов и другие данные.
При выполнении проектных расчетов систем противодымной вентиляции необходимо учитывать подсосы воздуха через неплотности закрытых дымовых клапанов (по данным заводов-изготовителей), но не более чем по формуле (5) СНиП 41-01-2003 (для определения производительности системы) и потери давления в клапане для определения давления вентилятора.
При установке противопожарных (дымовых) клапанов в коридорах зданий перед ними в стенах устанавливаются декоративные решетки. Потери давления в них должны учитываться при проведении аэродинамического расчета.
Общие положения
Предприятием изготавливаются противопожарные клапаны различного функционального назначения в соответствии со СНиП 41-01-2003: противопожарные нормально открытые (НО) («огнезадерживающие» по НПБ 241-97 и СНиП 2.04.05-91*); дымовые; противопожарные нормально закрытые (НЗ). Клапаны изготавливаются «стенового» и «канального» типов. Клапаны «стенового» типа КДМ-2 и КЛОП-3 имеют один присоединительный фланец, их удобно устанавливать в проемах стен, перегородок, воздуховодов, подвесных потолков, ограждающих конструкций шахт и т.п. Клапаны «канального» типа КДМ-2, КЛОП-1 (обычного и взрывозащищенного исполнения), КЛОП-2, КЛОП-3 и КОМ-1 имеют два фланца для присоединения к воздуховодам с одной или с двух сторон.
Вид климатического исполнения всех противопожарных клапанов У3 (клапанов КЛОП-1 «морского» исполнения М2) по ГОСТ 15150-69. Клапаны могут устанавливаться внутри помещений с температурой среды от -30 °С до +40 °С при отсутствии прямого воздействия атмосферных осадков и конденсации влаги на заслонке. Окружающая среда не должна содержать агрессивных паров и газов в концентрациях, разрушающих металлы, лакокрасочные покрытия и электроизоляцию.
Отличительными особенностями противопожарных клапанов «ВИНГС-М» и самого предприятия являются:
- высокая надежность и качество изготавливаемых изделий, обусловленные специализацией предприятия на производстве противопожарных клапанов широкой номенклатуры и различного функционального назначения, выпускаемых более 10 лет и удовлетворяющих всем нормативным требованиям;
- высокие пожарно-технические и аэродинамические характеристики клапанов, достигаемые путем проведения большого количества огневых, аэродинамических и климатических испытаний изделий на собственных специально созданных установках;
- наличие сертификатов на клапаны взрывозащищенного исполнения, подтверждающих их соответствие требованиям взрывобезопасности;
- наличие сертификата о типовом одобрении Российского морского регистра судоходства на клапаны морского исполнения;
- для всех изготавливаемых клапанов в каталогах представлены коэффициенты местного сопротивления, полученные на аэродинамическом стенде предприятия в условиях, максимально приближенных к реальным условиям эксплуатации клапанов в системах вентиляции и противодымной защиты;
- разработанная на основе результатов аэродинамических испытаний жалюзийная декоративная решетка РКДМ для клапанов КДМ-2 имеет пониженное аэродинамическое сопротивление, что позволяет ее использовать в высокоскоростных системах противодымной вентиляции;
- специалисты предприятия, имеющие ученую степень по специальности «Пожарная безопасность» и стаж работы в этой области более 25 лет, проводят консультации и семинары по всем вопросам применения противопожарных клапанов и нормативным требованиям пожарной безопасности к вентиляционным системам.
Противопожарные нормально открытые клапаны
Противопожарные НО (огнезадерживающие) клапаны КЛОП-1, КЛОП-2, КЛОП-3 и КОМ-1 предназначены для предотвращения распространения пожара и продуктов горения по воздуховодам, шахтам и каналам систем вентиляции и кондиционирования воздуха зданий и сооружений различного назначения. В соответствии с п. 5.14 СНиП 21-01-97* противопожарные НО клапаны являются заполнением проемов в противопожарных преградах с нормированным пределом огнестойкости (противопожарных стенах, перегородках и перекрытиях). Эти клапаны в нормальных условиях (без пожара) открыты, а при пожаре должны закрываться, обеспечивая неразрывность противопожарной преграды. Величину предела огнестойкости НО клапанов рекомендуется выбирать с учетом требуемого предела огнестойкости строительных конструкций, регламентируемого п. 5.18 СНиП 21-01-97* и СНиП 41-01-2003. Противопожарные НО клапаны КОМ-1 с электроприводом, обеспечивающим дистанционное открытие заслонки клапана после ликвидации пожара установками газового или порошкового пожаротушения, могут использоваться в качестве противопожарных клапанов двойного действия в системах основной вентиляции защищаемых этими установками помещений, при использовании указанных систем вентиляции для удаления дыма и газа после пожара.
Дымовые клапаны
Дымовые клапаны КДМ-2, КЛОП-1, КЛОП-2, КЛОП-3 и КОМ-1 предназначены для систем вытяжной противодымной вентиляции. Дымовые клапаны в нормальных условиях закрыты. При пожаре эти клапаны должны открыться для удаления дыма из зоны задымления, а в остальных зонах, например, на других этажах здания, должны оставаться закрытыми для обеспечения нормативных требований по подсосу воздуха в канал дымоудаления.
Противопожарные нормально закрытые клапаны
Противопожарные Н3 клапаны КДМ-2, КЛОП-1, КЛОП-2, КЛОП-3 и КОМ-1 предназначены для систем приточной противодымной вентиляции, а также для "систем удаления дыма и газа после пожара в помещениях, защищаемых установками газового или порошкового пожаротушения. В нормальных условиях эти клапаны закрыты. При пожаре Н3 клапаны открываются для обеспечения подачи воздуха в защищаемые объемы, например, тамбур-шлюзы, незадымляемые лестничные клетки типа Н2, шахты лифтов, а также для удаления дыма и газа после тушения пожара газовыми или порошковыми установками.
Клапаны КДМ-2 предназначены для применения в системах противодымной вентиляции зданий и сооружений различного назначения в качестве дымовых и нормально закрытых противопожарных клапанов. Применение клапанов осуществляется в соответствии со СНиП 41-01-2003 и территориальными строительными нормами. Клапаны не подлежат установке в помещениях категорий А и Б по взрывопожароопасности.
Предел огнестойкости клапана: в режиме дымового клапана - EI 90/E 90; в режиме противопожарного нормально закрытого клапана - EI 30.
Клапаны сертифицированы ВНИИПО МЧС России, Республиканским центром сертификации МЧС Республики Беларусь, Государственным центром сертификации МЧС Украины. Клапаны изготавливаются «стенового» и «канального» типов.
Клапаны КДМ-2 «стенового» типа
|
с электромагнитным приводом |
приводом BELIMO |
Схема конструкции КДМ-2 с электромагнитным приводом

1 - корпус клапана; 2-заслонка; - электромагнит; - сердечник электромагнита; 5-скоба; 6 - ось поворота заслонки; 7 - микропереключатель; 8 - рычаг; 9 - коробка соединительная
Схема конструкции КДМ-2 с приводом BELIMO

1 - корпус клапана; 2-заслонка; 3 - электромеханический или реверсивный привод; 4 - ось поворота заслонки; 5 - коробка соединительная
А, В - установочные размеры клапана (размеры части клапана, устанавливаемой в проем строительной конструкции или воздуховода).
Площадь проходного сечения «стеновых» клапанов КДМ-2 рассчитывается по формуле:
Fкл = (A - 30)(В-50)/106, м2.
Типоразмерный ряд и значения площади проходного сечения КДМ-2 «стенового» типа с электромагнитным приводом и кассет из этих клапнов в зависимости от установочных размеров клапанов (кассет), м2
|
A,AK/B,Bk |
250 |
300 |
350 |
400 |
450 |
500 |
550 |
600 |
650 |
700 |
750 |
800 |
850 |
900 |
950 |
1000 |
1050 |
1100 |
1150 |
1200 |
1250 |
1300 |
1350 |
1400 |
1450 |
1500 |
1600 |
1700 |
1800 |
1900 |
2000 |
|||||||
|
250 |
0,04 |
0,05 |
0,06 |
0,07 |
0,08 |
0,09 |
0,10 |
0,11 |
0,12 |
0,13 |
0,14 |
0,15 |
0,16 |
0,17 |
0,18 |
0,19 |
0,20 |
0,21 |
0,22 |
0,23 |
0,24 |
0,25 |
0,26 |
0,27 |
0,28 |
0,29 |
0,31 |
0,33 |
0,35 |
0,37 |
0,39 |
|||||||
|
300 |
|
0,07 |
0,08 |
0,09 |
0,11 |
0,12 |
0,13 |
0,14 |
0,16 |
0,17 |
0,18 |
0,18 |
0,19 |
0,22 |
0,23 |
0,24 |
0,26 |
0,27 |
0,28 |
0,29 |
0,30 |
0,31 |
0,32 |
0,34 |
0,35 |
0,36 |
0,39 |
0,41 |
0,44 |
0,46 |
0,49 |
|||||||
|
350 |
|
|
0,10 |
0,11 |
0,13 |
0,14 |
0,16 |
0,17 |
1 |
0,20 |
0,22 |
0,23 |
0,25 |
0,26 |
0,28 |
0,29 |
0,31 |
0,32 |
0,34 |
0,35 |
0,36 |
0,37 |
0,39 |
0,40 |
0,42 |
0,43 |
0,46 |
0,49 |
0,52 |
0,55 |
0,58 |
|||||||
|
400 |
|
|
|
0,13 |
0,15 |
0,16 |
0,18 |
0,20 |
0,22 |
0,23 |
0,25 |
0,27 |
0,29 |
0,30 |
0,32 |
0,34 |
0,36 |
0,37 |
0,39 |
0,40 |
0,42 |
0,43 |
0,45 |
0,47 |
2 |
0,50 |
0,54 |
0,57 |
0,61 |
0,64 |
0,68 |
|||||||
|
450 |
|
|
|
|
0,17 |
0,19 |
0,21 |
0,23 |
0,25 |
0,27 |
0,29 |
0,31 |
0,33 |
0,35 |
0,37 |
0,39 |
0,40 |
0,42 |
0,44 |
0,46 |
0,48 |
0,50 |
0,52 |
0,54 |
0,56 |
0,58 |
0,62 |
0,66 |
0,70 |
0,74 |
0,78 |
|||||||
|
500 |
|
|
|
|
|
0,21 |
0,23 |
0,26 |
0,28 |
0,30' |
0,32 |
0,35 |
0,37 |
0,39 |
0,41 |
0,44 |
0,45 |
0,47 |
0,49 |
0,51 |
0,54 |
0,56 |
0,58 |
0,60 |
0,63 |
0,65 |
0,69 |
0,74 |
0,78 |
0,83 |
0,87 |
|||||||
|
550 |
|
|
|
|
|
|
0,26 |
0,29 |
0,31 |
0,34 |
0,36 |
0,39 |
0,41 |
0,44 |
0,44 |
0,47 |
0,49 |
0,52 |
0,55 |
0,57 |
0,60 |
0,62 |
0,65 |
0,67 |
0,70 |
0,72 |
0,77 |
0,82 |
0,87 |
5 |
0,96 |
|||||||
|
600 |
|
|
|
|
|
|
|
0,31 |
0,34 |
0,37 |
0,40 |
0,42 |
0,45 |
0,46 |
0,48 |
0,51 |
0,54 |
0,57 |
0,60 |
0,63 |
0,65 |
0,68 |
0,71 |
0,74 |
0,76 |
0,79 |
0,85 |
0,90 |
0,94 |
1,00 |
4,05 |
|||||||
|
650 |
|
|
|
|
|
|
|
|
0,37 |
0,40 |
0,43 |
0,43 |
0,47 |
0,50 |
0,53 |
0,56 |
0,59 |
0,62 |
0,65 |
0,68 |
0,71 |
0,74 |
0,77 |
0,80 |
0,83 |
0,86 |
0,90 |
0,96 |
1,02 |
1,09 |
1,15 |
|||||||
|
700 |
|
|
|
|
|
|
|
|
|
0,44 |
0,44 |
0,47 |
0,50 |
0,54 |
3 |
0,60 |
0,64 |
0,67 |
0,70 |
0,74 |
0,77 |
0,80 |
0,84 |
0,87 |
0,87 |
0,90 |
0,97 |
1,04 |
1,11 |
1,17 |
1,24 |
|||||||
|
750 |
|
|
|
|
|
|
|
|
|
|
0,47 |
0,50 |
0,54 |
0,58 |
0,61 |
0,65 |
0,68 |
0,72 |
0,76 |
0,79 |
0,83 |
0,86 |
0,86 |
0,90 |
0,94 |
0,97 |
1,04 |
1,12 |
1,19 |
1,26 |
1,30 |
|||||||
|
800 |
|
|
|
|
|
|
|
|
|
|
|
0,54 |
0,58 |
0,62 |
0,65 |
0,69 |
0,73 |
0,77 |
0,81 |
0,85 |
0,85 |
0,89 |
0,92 |
0,96 |
1,00 |
1,04 |
1,12 |
1,19 |
1,27 |
1,31 |
1,39 |
|||||||
|
850 |
|
|
|
|
|
|
|
|
|
|
|
|
0,62 |
0,66 |
0,70 |
0,74 |
0,78 |
0,82 |
0,86 |
0,90 |
0,90 |
0,94 |
0,98 |
1,03 |
1,07 |
1,11 |
1,19 |
1,27 |
1,35 |
1,39 |
1,48 |
|||||||
|
900 |
|
|
|
|
|
|
|
|
|
|
|
|
|
0,70 |
0,74 |
0,78 |
0,83 |
0,87 |
0,87 |
0,91 |
0,96 |
1,00 |
4 |
1,09 |
1,13 |
1,17 |
1,26 |
1,31 |
6 |
1,48 |
1,57 |
|||||||
|
950 |
|
|
|
|
|
|
|
|
|
|
|
|
|
|
0,78 |
0,83 |
0,83 |
0,87 |
0,92 |
0,97 |
1,01 |
1,06 |
1,10 |
1,15 |
1,20 |
1,24 |
1,29 |
1,38 |
1,47 |
4,56 |
1,66 |
|||||||
|
1000 |
|
|
|
|
|
|
|
|
|
|
|
|
|
|
|
0,87 |
0,87 |
0,92 |
0,97 |
1,02 |
1,07 |
1,12 |
1,16 |
1,21 |
1,26 |
1,31 |
1,36 |
1,46 |
1,55 |
1,65 |
1,75 |
|||||||
|
1100 |
|
|
|
|
|
|
|
|
|
|
|
|
|
|
|
|
|
1,02 |
1,07 |
1,12 |
1,19 |
1,24 |
1,29 |
1,28 |
1,34 |
1,39 |
1,50 |
1,64 |
1,74 |
|
|
|||||||
|
1200 |
|
|
|
|
|
|
|
|
|
|
|
|
|
|
|
|
|
|
|
1,25 |
1,31 |
1,36 |
7 |
1,47 |
1,53 |
1,58 |
1,69 |
1,80 |
|
|
|
|||||||
|
1300 |
|
|
|
|
|
|
|
|
|
|
|
|
|
|
|
|
|
|
|
|
|
1,49 |
1,55 |
1,61 |
1,67 |
1,73 |
|
|
|
|
|
|||||||
|
1400 |
|
|
|
|
|
|
|
|
|
|
|
|
|
|
|
|
|
|
|
|
|
|
|
1,74 |
|
|
|
|
|
|
|
|||||||
1- клапан с одной заслонкой и одним приводом;
2 - кассета из 2-х клапанов, исполнение 1;
3 - кассета из 2-х клапанов, исполнение 2;
4 - кассета из 3-х клапанов, исполнение 3
5 - кассета из 3-х клапанов, исполнение 4;
6 - кассета из 4-х клапанов, исполнение 5;
7 - кассета из 4-х клапанов, исполнение 6.
Типоразмерный ряд и значения площади проходного сечения клапанов КДМ-2 «стенового» типа с электромеханическим или реверсивным приводом и кассет * из этих клапанов в зависимости от установочных размеров клапанов (кассет), м2
|
A,AK/B,Bk |
300 |
350 |
400 |
450 |
500 |
550 |
600 |
650 |
700 |
750 |
800 |
850 |
900 |
950 |
1000 |
1050 |
1100 |
1150 |
1200 |
1250 |
1300 |
1350 |
1400 |
1450 |
1500 |
1550 |
1600 |
1650 |
1700 |
1800 |
2000 |
||
|
300 |
0,07 |
0,08 |
0,09 |
0,11 |
0,12 |
0,13 |
0,14 |
0,16 |
0,17 |
0,18 |
0,19 |
0,21 |
0,22 |
0,23 |
0,24 |
0,26 |
0,27 |
0,28 |
0,29 |
0,30 |
0,31 |
0,32 |
0,34 |
0,35 |
0,36 |
0,37 |
0,38 |
0,40 |
0,41 |
0,43 |
0,48 |
||
|
350 |
|
5 |
0,11 |
0,13 |
0,14 |
0,16 |
0,17 |
0,19 |
0,20 |
0,22 |
0,23 |
0,25 |
0,26 |
0,28 |
0,29 |
0,31 |
0,32 |
0,34 |
0,35 |
0,36 |
0,37 |
0,39 |
0,40 |
0,42 |
0,43 |
0,45 |
0,46 |
0,48 |
0,49 |
0,52 |
0,58 |
||
|
400 |
|
|
0,13 |
0,15 |
0,16 |
0,18 |
0,20 |
0,22 |
0,23 |
0,25 |
0,27 |
0,29 |
0,30 |
0,32 |
0,34 |
0,36 |
0,37 |
0,39 |
0,40 |
0,42 |
0,44 |
0,46 |
0,47 |
0,49 |
0,51 |
0,52 |
0,54 |
0,56 |
0,57 |
0,61 |
0,68 |
||
|
450 |
|
|
|
0,17 |
0,19 |
0,21 |
0,23 |
0,25 |
0,27 |
0,29 |
0,31 |
0,33 |
0,35 |
0,37 |
0,39 |
0,40 |
0,42 |
0,44 |
0,46 |
0,48 |
0,50 |
0,52 |
0,54 |
0,56 |
0,58 |
0,60 |
0,62 |
2 |
0,66 |
0,70 |
0,78 |
||
|
500 |
|
|
|
|
0,21 |
0,23 |
0,26 |
0,28 |
0,30 |
0,32 |
0,35 |
1 |
0,39 |
0,41 |
0,44 |
0,45 |
0,48 |
0,50 |
0,52 |
0,54 |
0,57 |
0,59 |
0,61 |
0,63 |
0,65 |
0,б7 |
0,70 |
0,72 |
0,74 |
0,78 |
0,87 |
||
|
550 |
|
|
|
|
|
0,26 |
0,29 |
0,31 |
0,34 |
0,36 |
0,39 |
0,41 |
0,44 |
0,46 |
0,48 |
0,50 |
0,53 |
0,55 |
0,58 |
0,60 |
0,63 |
0,65 |
0,68 |
0,70 |
0,72 |
0,75 |
0,77 |
0,80 |
0,82 |
0,87 |
0,97 |
||
|
600 |
|
|
|
|
|
|
0,31 |
0,34 |
0,37 |
0,40 |
0,42 |
0,45 |
0,47 |
0,50 |
0,53 |
0,56 |
0,58 |
0,61 |
0,64 |
0,66 |
0,69 |
0,72 |
0,75 |
0,77 |
0,80 |
0,82 |
0,85 |
0,88 |
0,91 |
0,96 |
1,07 |
||
|
650 |
|
|
|
|
|
|
|
0,37 |
0,40 |
0,43 |
0,46 |
0,49 |
0,52 |
0,55 |
0,58 |
0,61 |
0,64 |
0,67 |
0,70 |
0,73 |
0,76 |
0,79 |
0,80 |
0,83 |
0,86 |
0,89 |
0,92 |
0,95 |
0,98 |
1,04 |
1,16 |
||
|
700 |
|
|
|
|
|
|
|
|
0,44 |
0,46 |
0,50 |
0,53 |
0,56 |
0,59 |
0,63 |
0,66 |
0,69 |
0,72 |
0,75 |
0,79 |
0,82 |
0,84 |
0,87 |
0,90 |
0,93 |
0,97 |
1,00 |
4 |
1,06 |
1,13 |
1,26 |
||
|
750 |
|
|
|
|
|
|
|
|
|
0,50 |
0,54 |
0,57 |
0,60 |
0,64 |
0,67 |
0,71 |
0,74 |
0,78 |
0,81 |
0,85 |
0,87 |
0,91 |
0,94 |
0,98 |
1,01 |
1,04 |
1,08 |
1,11 |
1,15 |
1,21 |
1,35 |
||
|
800 |
|
|
|
|
|
|
|
|
|
|
0,57 |
0,61 |
0,65 |
0,69 |
0,72 |
0,76 |
0,80 |
0,83 |
0,87 |
0,90 |
0,94 |
3 |
1,01 |
1,05 |
1,09 |
1,12 |
1,15 |
1,19 |
1,23 |
1,30 |
1,45 |
||
|
850 |
|
|
|
|
|
|
|
|
|
|
|
0,65 |
0,69 |
0,73 |
0,77 |
0,81 |
0,85 |
0,89 |
0,92 |
0,96 |
1,00, |
1,04 |
1,08 |
1,12 |
1,16 |
1,20 |
1,24 |
1,27 |
1,31 |
1,39 |
1,55 |
||
|
900 |
|
|
|
|
|
|
|
|
|
|
|
|
0,74 |
0,78 |
0,82 |
0,86 |
0,90 |
0,94 |
0,98 |
1,02 |
1,06 |
4,10 |
1,15 |
1,19 |
1,23 |
1,27 |
1,32, |
1,33 |
1,37 |
1,46 |
1,62 |
||
|
950 |
|
|
|
|
|
|
|
|
|
|
|
|
|
0,82 |
0,87 |
0,91 |
0,94 |
0,99 |
1,03 |
1,08 |
1,12 |
1,17 |
1,21 |
1,26 |
1,30 |
1,32 |
1,37 |
1,41 |
1,46 |
1,54 |
1,72 |
||
|
1000 |
|
|
|
|
|
|
|
|
|
|
|
|
|
|
0,92 |
0,95 |
1,00 |
1,04 |
1,09 |
1,14 |
1,19 |
1,23 |
1,28 |
1,33 |
1,38 |
1,40 |
1,45 |
5 |
.1,54 |
1,63 |
1,82 |
||
|
1100 |
|
|
|
|
|
|
|
|
|
|
|
|
|
|
|
|
1,10 |
1,15 |
1,211 |
1,24 |
1,29 |
1,34 |
1,40 |
1,45 |
1,50 |
1,55 |
1,60 |
1,65 |
4,70 |
1,81 |
2,01 |
||
|
1200 |
|
|
|
|
|
|
|
|
|
|
|
|
|
|
|
|
|
|
1,30 |
1,36 |
1,42 |
1,47 |
1,53 |
1,59 |
1,64 |
1,70 |
1,76 |
1,81 |
1,87 |
1,98 |
2,21 |
||
|
1300 |
|
|
|
|
|
|
|
|
|
|
|
|
|
|
|
|
|
|
|
|
1,54 |
1,60 |
1,67 |
1,73 |
1,79 |
|
|
|
|
|
|
||
|
1400 |
|
|
|
|
|
|
|
|
|
|
|
|
|
|
|
|
|
|
|
|
|
|
1,80 |
|
|
|
|
|
|
|
|
1 - клапан с одной заслонкой и одним приводом;
2 - кассета из 2-х клапанов, исполнение 1;
3 - кассета из 2-х клапанов, исполнение 2;
4 - кассета из 3-х клапанов, исполнение 3;
5 - кассета из 4-х клапанов, исполнение 4;
- По индивидуальным заказам изготавливаются клапаны промежуточных размеров.
- Типовые клапаны «стенового» типа размером 700×500 мм (0,3 м2) и 550×440 мм (0,2 м2) всегда имеются на складе.
- Реверсивные электроприводы устанавливаются на клапанах с размером В ≥ 350 мм.
- Вопрос об изготовлении клапанов больших размеров, предназначенных для установки в горизонтальной плоскости (исполнение «Г» в структуре обозначения в заказе), должен быть предварительно согласован со специалистами предприятия.
Схемы конструкции кассет из «стеновых» клапанов КДМ-2:
|
с электромагнитным приводом Исполнение 1 |
Исполнение 2 |
|
|
|
|
Исполнение 3
|
Исполнение 4
|
|
Исполнение 5
|
Исполнение 6
|
|
С приводом Belimo |
|
|
Исполнение 1
|
Исполнение 2
|
|
Исполнение 3
|
Исполнение 4
|
|
1 - корпус клапана; 2 - заслонка; 3-привод; 4 - ось заслонки; 5 – соединительная коробка. Aк, Вк - установочные размеры кассеты, мм. |
|
Решетка декоративная РКДМ с пониженным аэродинамическим сопротивлением
Отличительной особенностью функционирования систем противодымной вентиляции является высокая скорость движения газа в клапанах этих систем, которая часто достигает 15-17 м/с. Использование общевентиляционных решеток в этих условиях приводит к большим потерям давления на начальном участке сети вытяжной противодымной вентиляции.
Применение декоративных откидных панелей на дымовых клапанах, устанавливаемых на стенах коридоров в соответствии с требованиями п. 8.7 СНиП 41-01-2003, представляет опасность для людей независимо от способа открывания «вниз» или «вверх» и является недопустимым в соответствии с п.п. 6.16 и 6.26 СНиП 21-01-97*.
Для решения указанных проблем специалистами ЗАО «ВИНГС-М» разработана декоративная решетка РКДМ с пониженным аэродинамическим сопротивлением для «стеновых» клапанов КДМ-2 и КЛОП-3. Снижение аэродинамического сопротивления решетки РКДМ достигнуто за счет специальной формы профиля и угла наклона жалюзи. Внутренние «посадочные» размеры решетки больше габаритных размеров фланцев «стенового» клапана (см. рис.). Решетка крепится к стене.
Решетка РКДМ может устанавливаться также и на «канальных» клапанах КЛОП-1, КЛОП-2, КЛОП-3 и КОМ-1 при условии соблюдения габаритных размеров решетки и фланцев клапана, а также с учетом вылета заслонки, что должно оговариваться в заказе.
Схема решетки РКДМ для «стенового» клапана КДМ-2


1 – решетка РКДМ; 2 - стена; 3 - крепление решетки; 4 - фланец клапана; 5 - крепление клапана; 6- цементнопесчаный раствор или бетон; 7-корпус клапана
Указанные в таблице значения коэффициентов местного сопротивления ζКл и ζв (коэффициент отнесен к скорости в воздуховоде или шахте) учитывают все местные сопротивления начального участка сети дымоудаления, обусловленные сужением потока газа при входе в сеть, изменением направления потока в декоративной решетке РКДМ (при ее наличии), сужением и особенностями потока внутри клапана КДМ-2, расширением потока в воздуховоде (шахте) и поворотом потока при боковом входе в воздуховод (шахту). Общие потери давления, Па, на начальном участке сети дымоудаления для всех рассмотренных в таблице случаев могут быть рассчитаны по формуле
Р1=ζклρ(Vкл)2/2 (2)
где ρ - плотность дыма, кг/м3;
ζкл - коэффициент местного сопротивления начального участка сети дымоудаления, отнесенный к скорости в проходном сечении клапана.
Vкл – скорость дыма в проходном сечении клапана, м/с.
Учитывая тот факт, что потери давления на начальном участке зависят от большого количества факторов, например, от ориентации клапана и декоративной решетки, типа установленного внутри клапана привода и т.п., для упрощения аэродинамического расчета системы противодымной вентиляции табличные значения ζкл и ζв представлены с некоторым запасом.
Таблица
Значения коэффициентов местного сопротивления начального участка сети дымоудаления (для «стеновых» клапанов)
|
Характеристика входного элемента сети дымоудаления |
Значения коэффициентов местного сопротивления начального участка |
||||||||||||||||
|
Боковой вход в воздуховод (шахту) через клапан КДМ-2 без декоративной решетки
|
ζкл = 1,92 |
||||||||||||||||
|
Боковой вход в воздуховод (шахту) через клапан КДМ-2 с декоративной решеткой РКДМ
|
ζкл = 3,95 |
||||||||||||||||
|
Торцевой вход в воздуховод через клапан КДМ-2 без декоративной решетки
|
|
||||||||||||||||
|
Торцевой вход в воздуховод через клапан КДМ-2 с декоративной решеткой
|
|
Подсос воздуха, кг/ч, через неплотности закрытого клапана КДМ-2, установленного в системе дымоудаления, может быть рассчитан по формуле:
Gкл = 34,7FклΔP0,5, при ΔР ≤ 1100Па (3)
где Fк - площадь проходного сечения клапана, м2;
ΔР - разность давлений по обе стороны клапана, Па.
Примеры схем установки клапанов «стенового» типа
|
Горизонтальная ориентация наибольшего размера клапана |
Вертикальная ориентация наибольшего размера клапана |
|
|
|
|
При горизонтальной ориентации размера А электромагнитный привод должен быть расположен сверху, а электромеханический - слева. |
|
|
Установка клапана в перекрытии или подвесном потолке |
Установка клапана в торце воздуховода |
|
|
|
Установочные размеры клапана должны быть меньше соответствующих внутренних размеров воздуховода. Клапан может устанавливаться также в боковой или нижней поверхности воздуховода с учетом вылета заслонки.
«Вылет» заслонки клапана за его габариты составляет:
X1 = В- 165 мм при В > 440 мм; X1 = В- 80 мм при В < 440 мм.
Расстояние от фланца клапана до края открытой заслонки равно (X1+165), мм.
Размеры монтажного проема рекомендуется принимать равными
L = A+10...20 мм; H = В+10...20 мм.
Клапаны КДМ-2 «канального» типа
Схема конструкции КДМ-2 с электромагнитным приводом

1 - корпус клапана; 2-заслонка; 2 - электромагнит; 3 - сердечник электромагнита; 5-скоба; 6 - ось поворота заслонки; 7-микропереключатель; 8-рычаг; 9 - коробка соединительная
Схема конструкции КДМ-2 с приводом BELIMO

1 - корпус клапана; 2-заслонка; 3 - электромеханический привод; 4 - защитный кожух; 5 - ось поворота заслонки; 6 - коробка соединительная
А, В- размеры внутреннего сечения воздуховода, мм.
При А и В < 600 мм А1 = А+40 мм, В1 = В+40 мм.
При А или В ≥ 600 мм А1 = А+60 мм, В1 = В+60 мм.
Типоразмерный ряд клапанов КДМ-2 «канального» типа в зависимости от размеров внутреннего поперечного сечения воздуховода А×В, мм, аналогичен типоразмерному ряду «стеновых» клапанов. По специальному заказу могут быть изготовлены кассеты из «канальных» клапанов.
При установке «канальных» клапанов КДМ-2 в огнестойких воздуховодах вытяжных и приточных систем противодымной вентиляции поверхность клапана и защитный кожух покрываются огнезащитой, обеспечивающей нормативный предел огнестойкости воздуховода. Люки обслуживания в корпусе «канальных» клапанов КДМ-2 отсутствуют.
Структура обозначения клапана при заказе и в документации

Пример обозначения клапана:
KДM-2-C-700×500-MBR(220)-BH-B-K-P(A) - клапан противодымной вентиляции КДМ-2 «стенового» типа, с установочными размерами 700×500 мм, с реверсивным приводом BELIMO на 220 В внутри клапана, для установки в вертикальной плоскости, с клеммной колодкой, с решеткой РКДМ, жалюзи которой параллельны стороне А.
При заказе кассеты из клапанов КДМ-2 вместо размеров клапана А×В в структуре изделия указываются размеры Ак и Вк кассеты. Проектирование
системы автоматически управления кассетой из клапанов осуществляется с учетом количества
приводов в кассете. При наличии нескольких приводов в кассете должно
быть обеспечено одновременное срабатывание всех клапанов кассеты.
Схемы подключения электроприводов представлены в разделе «Управление клапанами …». Более подробная информация о технических характеристиках клапана КДМ-2 содержится в каталогах ЗАО «ВИНГС-М» или на сайте.
Клапаны КЛОП-1 обычного исполнения
|
|
|
|
|
КЛОП-1 с пружинным приводом, тепловым замком и микропереключателями |
КЛОП-1 с приводом BELIMO |
КЛОП-1 круглого сечения с электромагнитным приводом |
Предел огнестойкости клапанов:
КЛОП-1 (60) - в режиме нормально открытого (огнезадерживающего)
и нормально закрытого - EI 60;
в режиме дымового - EI 60, Е 60.
КЛОП-1 (90) - в режиме нормально открытого (огнезадерживающего)
и нормально закрытого - EI 90;
в режиме дымового - EI 90, Е 90.
Клапаны сертифицированы ВНИИПО МЧС России, Республиканским центром сертификации МЧС Республики Беларусь, Государственным центром сертификации МЧС Украины.
Клапаны КЛОП-1 обычного (не взрывозащищенного) исполнения не подлежат установке в помещениях категорий А и Б по взрывопожароопасности. В указанных помещениях устанавливаются клапаны КЛОП-1. В во взрывозащищенном или взрывобезопасном исполнении (см. далее).
Клапаны КЛОП-1 выпускаются только «канального» типа прямоугольного или круглого поперечного сечения с наружным размещением привода. Клапаны имеют теплоизолированную заслонку.
Нормально открытые (НО) клапаны КЛОП-1 выпускаются в различных модификациях в зависимости от типа привода:
- с электромагнитным приводом в комбинации с тепловым замком на 72 °С (или без него);
- с электромеханическими приводами BELIMO (серии BF или BLF) в комбинации с терморазмыкающим устройством (ТРУ) на 72 °С (или без него);
- с пружинным приводом и тепловым замком на 72 °С или 141 °С, с микропереключателями (или без них).
Клапаны КЛОП-1 дымовые и нормально закрытые (Н3) выпускаются с электромагнитным приводом без теплового замка или электромеханическими приводами BELIMO (серии BF или BLF) без ТРУ. На этих клапанах могут устанавливаться также реверсивные приводы BELIMO типа BE или BR.
Клапаны КЛОП-1 работоспособны в любой пространственной ориентации. При проектировании и установке клапанов в системах вентиляции следует учитывать удобство доступа к приводу клапана и люкам обслуживания устройств, находящихся внутри клапана.
Площадь проходного сечения открытых клапанов КЛОП-1 прямоугольного сечения определяется по формуле:
Fкл = (А-36)(В-63)/106, м2 (4)
где А, В - внутренние размеры поперечного сечения клапана (воздуховода), мм, (А ≥ В).
Схемы конструкции КЛОП-1 прямоугольного сечения
|
С электромагнитным приводом |
С приводом BELIMO |
|
|
|
1 - корпус клапана; 2 - заслонка; 3 - кожух; 4 - привод; 5 - тепловой замок; 6 - люк обслуживания; 7 - ключ; 8 - кольцо фиксатора заслонки; 9 - ТРУ; 10 - клеммная колодка; 11 -указатель положения заслонки; 12 - гнездо под ключ для ручного взвода пружины привода; 13 - рычаг ручного срабатывания привода заслонки.
Тепловой замок и ТРУ устанавливаются только на НО клапанах.
В клапанах с размерами А и В < 600 мм используется шина №20 (А1 = А+40 мм, В1 = В-40 мм). В клапанах с размерами А или В > 600 мм используется шина №30 (А1 = А+60 мм, В1 = В+60 мм).
Значения вылетов заслонки за корпус клапана прямоугольного сечения
|
В, мм |
150 |
200 |
250 |
300 |
350 |
400 |
450 |
500 |
550 |
600 |
650 |
700 |
750 |
800 |
850 |
900 |
950 |
1000 |
|
Х, мм |
0 |
0 |
22 |
47 |
72 |
97 |
122 |
147 |
172 |
197 |
222 |
247 |
272 |
297 |
322 |
347 |
372 |
397 |
|
Х1, мм |
0 |
0 |
0 |
0 |
0 |
0 |
0 |
0 |
12 |
37 |
62 |
87 |
112 |
137 |
162 |
187 |
212 |
237 |
Х - вылет заслонки на входе в клапан, мм;
Х1 - вылет заслонки на выходе из клапана, мм.
Типоразмерный ряд и площадь проходного сечения прямоугольных клапанов КЛОП-1, м2
|
А,мм/В,мм |
150 |
200 |
250 |
300 |
350 |
400 |
450 |
500 |
550 |
600 |
650 |
700 |
750 |
800 |
850 |
900 |
950 |
1000 |
1050 |
1100 |
1150 |
1200 |
1250 |
1300 |
1350 |
1400 |
1450 |
1500 |
|
||
|
150 |
0,010 |
0,014 |
0,019 |
0,023 |
0,027 |
0,032 |
0,036 |
0,040 |
0,045 |
0,049 |
0,053 |
0,058 |
0,062 |
0,066 |
0,071 |
0,075 |
0,080 |
0,084 |
0,088 |
0,093 |
0,097 |
0,101 |
0,106 |
0,110 |
0,114 |
0,119 |
0,123 |
0,127 |
|
||
|
200 |
|
0,022 |
0,029 |
0,036 |
0,043 |
0,050 |
0,057 |
0,064 |
0,070 |
0,077 |
0,084 |
0,091 |
0,098 |
0,105 |
0,112 |
0,118 |
0,125 |
0,132 |
0,139 |
0,146 |
0,153 |
0,159 |
0,166 |
0,173 |
0,180 |
0,187 |
0,194 |
0,201 |
|
||
|
250 |
|
|
0,040 |
0,049 |
0,059 |
0,068 |
0,077 |
0,087 |
0,096 |
0,105 |
0,115 |
0,124 |
0,134 |
0,143 |
0,152 |
0,162 |
0,171 |
0,180 |
0,190 |
0,199 |
0,208 |
0,218 |
0,227 |
0,236 |
0,246 |
0,255 |
0,264 |
0,274 |
|
||
|
300 |
|
|
|
0,063 |
0,074 |
0,086 |
0,098 |
0,110 |
0,122 |
0,134 |
0,146 |
0,157 |
0,169 |
0,181 |
0,193 |
0,205 |
0,217 |
0,228 |
0,240 |
0,252 |
0,264 |
0,276 |
0,288 |
0,300 |
0,311 |
0,323 |
0,335 |
0,347 |
|
||
|
350 |
|
|
|
|
0,090 |
0,104 |
0,119 |
0,133 |
0,148 |
0,162 |
0,176 |
0,191 |
0,205 |
0,219 |
0,234 |
0,248 |
0,262 |
0,277 |
0,291 |
0,305 |
0,320 |
0,334 |
0,348 |
0,363 |
0,377 |
0,391 |
0,406 |
0,420 |
|
||
|
400 |
|
|
|
|
|
0,123 |
0,140 |
0,156 |
0,173 |
10,190 |
0,207 |
1 |
0,241 |
0,257 |
0,274 |
0,291 |
0,308, |
,0,325 |
0,342 |
0,359 |
0,375 |
0,392 |
0,409 |
0,426 |
0,443 |
0,460 |
0,477 |
0,493 |
|
||
|
450 |
|
|
|
|
|
|
0,160 |
0,180 |
0,199 |
0,218 |
0,238 |
0,257 |
0,276 |
0,296 |
0,315 |
0,334 |
0,354lo,373 |
0,392 |
0,412 |
0,431 |
0,450 |
0,470 |
0,489 |
0,509 |
0,528 |
0,547 |
0,567 |
|
|||
|
500 |
|
|
|
|
|
|
|
0,203 |
0,225 |
0,246 |
0,268 |
0,290 |
0,312 |
0,334 |
0,356 |
0,378 |
0,399 |
0,421 |
0,443 |
0,465 |
0,487 |
0,509 |
0,531 |
0,552 |
0,574 |
0,596 |
0,618 |
0,640 |
|
||
|
550 |
|
|
|
|
|
|
|
|
0,250 |
0,275 |
0,299 |
0,323 |
0,348 |
0,372 |
0,396 |
0,421 |
0,445 |
0,469 |
0,494 |
0,518 |
0,543 |
0,567 |
0,591 |
0,616 |
0,640 |
0,664 |
0,689 |
|
|
||
|
600 |
|
|
|
|
|
|
|
|
|
0,303 |
0,330 |
0,357 |
0,383 |
0,410 |
0,437 |
0,464 |
0,491 |
0,518 |
0,545 |
0,571 |
0,598 |
0,625 |
0,652 |
0,679 |
0,706 |
0,732 |
|
|
|
||
|
650 |
|
|
|
|
|
|
|
|
|
|
0,360 |
0,390 |
0,419 |
0,448 |
0,478 |
0,507 |
0,537 |
0,566 |
0,595 |
0,625 |
0,654 |
0,683 |
0,713 |
0,742 |
0,771 |
|
|
3 |
|
||
|
700 |
|
|
|
|
|
|
|
|
|
|
|
0,423 |
0,455 |
0,487 |
0,519 |
0,550 |
0,582 |
0,614 |
0,646 |
0,678 |
0,710 |
0,741 |
0,773 |
0,805 |
|
|
|
|
|
||
|
750 |
|
|
|
|
|
|
|
|
|
|
|
|
0,491 |
0,525 |
0,559 |
0,594 |
0,628 |
0,662 |
0,697 |
0,731 |
0,765 |
0,800 |
0,834 |
|
|
|
|
|
|
||
|
800 |
|
|
|
|
|
|
|
|
|
|
|
|
|
0,563 |
0,600 |
0,637 |
0,674 |
0,710 |
0,747 |
0,784 |
0,821 |
0,858 |
|
|
|
|
|
|
|
||
|
850 |
|
|
|
|
|
|
|
|
|
|
|
|
|
|
0,641 |
0,680 |
0,719 |
0,759 |
0,798 |
0,837 |
0,877 |
|
|
|
|
|
|
|
|
||
|
900 |
|
|
|
|
|
|
|
|
|
|
|
|
|
|
|
0,723 |
0,765 |
0,807 |
0,849 |
0,891 |
|
|
|
|
|
|
|
|
|
||
|
950 |
|
|
|
|
|
|
|
|
|
|
|
|
|
|
|
|
0,811 |
0,855 |
0,899 |
|
|
|
|
|
|
|
|
|
|
||
|
1000 |
|
|
|
|
|
|
|
|
|
|
|
|
|
|
|
|
|
0,903 |
|
|
|
|
|
|
2 |
|
|
|
|
||
|
1050 |
|
|
|
|
|
|
|
|
|
|
|
|
|
|
|
|
|
|
|
|
|
|
|
|
|
|
|
|
|
||
|
1100 |
|
|
|
|
|
|
|
|
|
|
|
|
|
|
|
|
|
|
|
|
|
|
|
|
|
|
|
|
|
||
|
1150 |
|
|
|
|
|
|
|
|
|
|
|
|
|
|
|
|
|
|
|
|
|
|
|
|
|
|
|
|
|
||
|
1200 |
|
|
|
|
|
|
|
|
|
|
|
|
|
|
|
|
|
|
|
|
|
|
|
|
|
|
|
|
|
||
|
1250 |
|
|
|
|
|
|
|
|
|
|
|
|
|
|
|
|
|
|
|
|
|
|
|
|
|
|
|
|
|
||
|
1300 |
|
|
|
|
|
|
|
|
|
|
|
|
|
|
|
|
|
|
|
|
|
|
|
|
|
|
|
|
|
||
1 - клапан с одной заслонкой и одним приводом;
2 - кассета из 2-х клапанов, исполнение 1 (с приводом Belimo);
3 - кассета из 2-х клапанов, исполнение 2.
Схемы кассет из прямоугольных клапанов КЛОП-1
|
Исполнение 1 |
Исполнение 2 |
|
|
|
|
|
|
|
1 - корпус; 2 - заслонка; 3 - кожух: 4 - привод: 5 – люк обслуживания; 6- ТРУ; 7 – клеммная колодка |
Ак, Вк - размеры внутреннего сечения кассеты (воздуховода), мм |
Значения коэффициентов местного сопротивления ζв клапанов КЛОП-1 в зависимости от размеров внутреннего сечения клапана (воздуховода)
|
А,мм/В,мм |
150 |
200 |
250 |
300 |
350 |
400 |
450 |
500 |
550 |
600 |
650 |
700 |
750 |
800 |
850 |
900 |
950 |
1000 |
1050 |
1100 |
1150 |
1200 |
1250 |
1300 |
1350 |
1400 |
1450 |
1500 |
|
|
150 |
5,15 |
4,36 |
3,92 |
3,62 |
3,41 |
3,26 |
3,15 |
3,06 |
2,99 |
2,94 |
2,90 |
2,86 |
2,83 |
2,80 |
2,78 |
2,76 |
2,74 |
2,72 |
2,71 |
2,69 |
2,68 |
2,67 |
2,66 |
2,65 |
2,65 |
2,64 |
2,63 |
2,63 |
|
|
200 |
|
2,39 |
2,14 |
1,96 |
1,83 |
1,73 |
1,66 |
1,61 |
1,56 |
1,53 |
1,50 |
1,47 |
1,45 |
1,44 |
1,42 |
1,41 |
1,40 |
1,38 |
1,37 |
1,37 |
1,36 |
1,35 |
1,35 |
1,34 |
1,33 |
1,33 |
1,32 |
1,32 |
|
|
250 |
|
|
1,22 |
1,11 |
1,04 |
0,98 |
0,93 |
0,90 |
0,8/ |
0,85 |
0,83 |
0,81 |
0,80 |
0,79 |
0,78 |
0,77 |
0,76 |
0,76 |
0,75 |
0,74 |
0,74 |
0,73 |
0,73 |
0,73 |
0,72 |
0,72 |
0,72 |
0,71 |
|
|
300 |
|
|
|
0,77 |
0,72 |
0,67 |
0,64 |
0,61 |
0,59 |
0,57 |
0,56 |
0,55 |
0,54 |
0,53 |
0,52 |
0,51 |
0,51 |
0,50 |
0,50 |
0,49 |
0,49 |
0,49 |
0,48 |
0,48 |
0,48 |
0,48 |
0,47 |
0,47 |
|
|
350 |
|
|
|
|
0,57 |
0,53 |
0,50 |
0,48 |
0,46 |
0,45 |
0,44 |
0,43 |
0,42 |
0,41 |
0,40 |
0,40 |
0,39 |
0,39 |
0,38 |
0,38 |
0,38 |
0,37 |
0,37 |
0,37 |
0,37 |
0,36 |
0,36 |
0,36 |
|
|
400 |
|
|
|
|
|
0,46 |
0,44 |
0,41 |
0,40 |
0,38 |
0,37 |
0,36 |
0,36 |
0,35 |
0,34 |
0,34 |
0,33 |
0,33 |
0,32 |
0,32 |
0,32 |
0,32 |
0,31 |
0,31 |
0,31 |
0,31 |
0,30 |
0,30 |
|
|
450 |
|
|
|
|
|
|
0,40 |
0,38 |
0,36 |
0,35 |
0,34 |
0,33 |
0,32 |
0,32 |
0,31 |
0,30 |
0,30 |
0,30 |
0,29 |
0,29 |
0,29 |
0,28 |
0,28 |
0,28 |
0,28 |
0,27 |
0,27 |
0,27 |
|
|
500 |
|
|
|
|
|
|
|
0,36 |
0,34 |
0,33 |
0,32 |
0,31 |
0,30 |
0,30 |
0,29 |
0,29 |
0,28 |
0,28 |
0,27 |
0,27 |
0,27 |
0,26 |
0,26 |
0,26 |
0,26 |
0,26 |
0,25 |
0,25 |
|
|
550 |
|
|
|
|
|
|
|
|
0,34 |
0,32 |
0,31 |
0,30 |
0,29 |
0,29 |
0,28 |
0,27 |
0,27 |
0,27 |
0,26 |
0,26 |
0,26 |
0,25 |
0,25 |
0,25 |
0,25 |
0,24 |
0,24 |
|
|
|
600 |
|
|
|
|
|
|
|
|
|
0,32 |
0,31 |
0,30 |
0,29 |
0,28 |
0,27 |
0,27 |
0,26 |
0,26 |
0,26 |
0,25 |
0,25 |
0,25 |
0,24 |
0,24 |
0,24 |
0,24 |
|
|
|
|
650 |
|
|
|
|
|
|
|
|
|
|
0,31 |
0,30 |
0,29 |
0,28 |
0,27 |
0,27 |
0,26 |
0,26 |
0,25 |
0,25 |
0,25 |
0,24 |
0,24 |
0,24 |
0,24 |
|
|
|
|
|
700 |
|
|
|
|
|
|
|
|
|
|
|
0,30 |
0,29 |
0,28 |
0,27 |
0,27 |
0,26 |
0,26 |
0,25 |
0,25 |
0,25 |
0,24 |
0,24 |
0,24 |
|
|
|
|
|
|
750 |
|
|
|
|
|
|
|
|
|
|
|
|
0,29 |
0,28 |
0,27 |
0,27 |
0,26 |
0,26 |
0,25 |
0,25 |
0,25 |
0,24 |
0,24 |
|
|
|
|
|
|
|
800 |
|
|
|
|
|
|
|
|
|
|
|
|
|
0,28 |
0,27 |
0,27 |
0,26 |
0,26 |
0,25 |
0,25 |
0,25 |
0,24 |
|
|
|
|
|
|
|
|
850 |
|
|
|
|
|
|
|
|
|
|
|
|
|
|
0,27 |
0,27 |
0,26 |
0,26 |
0,25 |
0,25 |
0,25 |
|
|
|
|
|
|
|
|
|
900 |
|
|
|
|
|
|
|
|
|
|
|
|
|
|
|
0,26 |
0,26 |
0,26 |
0,25 |
0,25 |
|
|
|
|
|
|
|
|
|
|
950 |
|
|
|
|
|
|
|
|
|
|
|
|
|
|
|
|
0,25 |
0,25 |
0,25 |
|
|
|
|
|
|
|
|
|
|
|
1000 |
|
|
|
|
|
|
|
|
|
|
|
|
|
|
|
|
|
0,24 |
|
|
|
|
|
|
|
|
|
|
|

Значения коэффициентов ζв отнесены к скорости газа во внутреннем сечении клапана (воздуховода) FB = А×В, м2.
Схемы конструкции КЛОП-1 круглого сечения
|
с приводом BELIMO |
с электромагнитным приводом |
|
|
|
|
1 - корпус клапана; 2 - заслонка; 3 - кожух; 4 - привод; 5 - люк обслуживания; 6 - ключ; 7 -ТРУ; 8 - кольцо фиксатора заслонки; 9 - тепловой замок; 10 - указатель положения заслонки; 11 - гнездо под ключ для ручного взвода пружины привода; 13 - рычаг ручного срабатывания привода заслонки. |
|
Для фланцевого клапана L = 350 мм, L0 = 93 мм.
Для ниппельного клапана L = 450 мм, L0 = 143 мм.
Значения вылетов заслонки за пределы корпуса клапана круглого сечения
|
D, |
мм |
160 |
200 |
225 |
250 |
280 |
315 |
400 |
450 |
500 |
560 |
630 |
710 |
800 |
|
С фланцевым соединением |
||||||||||||||
|
X, |
мм |
0 |
7 |
19 |
32 |
47 |
64 |
107 |
132 |
157 |
187 |
222 |
262 |
307 |
|
С ниппельным соединением |
||||||||||||||
|
Хf |
мм |
0 |
0 |
0 |
0 |
0 |
14 |
57 |
82 |
107 |
137 |
172 |
212 |
257 |
Типоразмерный ряд клапанов КЛОП-1 круглого сечения и трубчатых переходов, значения коэффициентов местного сопротивления клапанов ζв и клапанов с двумя переходами в и площади проходного сечения клапанов Fкл в зависимости от диаметра внутреннего сечения воздуховода D
|
D, мм |
100* |
125* |
140* |
160* |
160** |
180* |
200 |
225 |
250 |
280 |
315 |
355 |
400 |
450 |
500 |
560 |
630 |
710 |
800 |
|
ζв-, ζв |
1.02* |
0.86* |
0,81* |
0.77* |
1,56 |
0,84* |
1,01 |
0,57 |
0.40 |
0.30 |
0,25 |
0,20 |
0.17 |
0,15 |
0,13 |
0,11 |
0.09 |
0.07 |
0,06 |
|
Fкл |
0,026 |
0.026 |
0,026 |
0,026 |
0,016 |
0,026 |
3.028 |
0,034 |
0.042 |
0.054 |
0,069 |
0,089 |
0,115 |
0,147 |
0,183 |
0.231 |
0,295 |
0,377 |
0,481 |
* Для установки в воздуховодах с диаметром менее 200 мм изготавливаются клапаны диаметром 200 мм с трубчатыми переходами соответствующего диаметра.
** Для установки в воздуховодах диаметром 160 мм изготавливаются клапаны диаметром 160 мм с приводом Belimo.
Значения коэффициентов ζв * и ζв отнесены к скорости воздуха во внутреннем сечении воздуховода FB = ттD2/4.
Потери давления, Па, на открытых клапанах прямоугольного и круглого сечения могут быть рассчитаны по формуле
Ркл = ζвρ(VВ2)/2 (5)
где ρ - плотность воздуха в противопожарном нормально открытом и нормально закрытом клапане или плотность дыма в дымовом клапане, кг/м3;
Vв - скорость воздуха или дыма в воздуховоде, м/с.
Для клапанов круглого сечения с переходами в формулу (5) подставляется начение ζв*.
Примеры схем установки нормально открытых клапанов КЛОП-1
|
в перекрытии |
в вертикальных конструкциях |
|
|
|
|
1 - строительная конструкция с нормируемым пределом огнестойкости; 2 - воздуховод; 3 - наружная огнезащита; 4 - корпус клапана. А - обслуживаемое помещение; Б - смежное помещение. |
|
Зазор между корпусом клапана и строительными конструкциями заполняется цементно-песчаным раствором или бетоном. При установке клапана необходимо обеспечить доступ к приводу и люкам обслуживания клапана.
При установке нормально открытых (огнезадерживающих) клапанов КЛОП-1 за пределами стен (перекрытий) наружная огнезащита должна наноситься до края кожуха, защищающего привод клапана, и в соответствии с требованиями СНиП 41-01-2003 (п. 7.11.1, Примечание 1) должна обеспечивать предел огнестойкости не менее требуемого предела огнестойкости преграды.
В случае размещения клапана со стороны помещения А схема установки изображается зеркально, то есть привод клапана располагается в помещении А
При установке дымовых и нормально закрытых клапанов КЛОП-1 в воздуховодах приточно-вытяжных систем противодымной вентиляции наружная огнезащита наносится на всю поверхность клапана и защитного кожуха.
Пример схемы установки нормально закрытых клапанов КЛОП-1, используемых в качестве приемных устройств наружного воздуха

1 - строительная конструкция; 2 - воздуховод; 3 - тепловая изоляция; 4 - корпус клапана. А - воздухозаборный канал или атмосфера; Б - отапливаемое или неотапливаемое помещение, например, венткамера.
В соответствии с результатами многолетних климатических испытаний клапанов, проводимых ЗАО «ВИНГС-М» для условий их эксплуатации на границе раздела сред с разной температурой и влажностью, данная схема рекомендуется для макроклиматических районов с умеренным климатом. При установке клапанов в наружных ограждающих конструкциях здания дополнительно предусматриваются устройства, исключающие попадание внутрь клапана атмосферных осадков, например, жалюзийные решетки, козырьки и т.п.
Клапаны КЛОП-1 специального исполнения
Клапаны «морского» исполнения
Клапаны изготавливаются для районов с морским климатом из нержавеющей стали или из оцинкованной, имеющей специальную окраску, устойчивую к воздействию морского соляного тумана. Электропривод помещен в оболочку, имеющую степень защиты IP 56. Клапаны удовлетворяют требованиям Российского Морского Регистра Судоходства, о чем свидетельствует Сертификат о типовом одобрении.
Предел огнестойкости клапанов -1 час (А 60).
Вид климатического исполнения - М, категория размещения и хранения - 2 по ГОСТ 15150-69.
Характеристики внешней среды при эксплуатации клапана:
- предельные рабочие значения температуры окружающего воздуха: верхнее значение - плюс 40 °С; нижнее - минус 30 °С при отсутствии прямого воздействия атмосферных осадков и конденсации влаги на заслонке;
- среднемесячное значение относительной влажности воздуха в наиболее тёплый и влажный период - 70% при 22 °С; верхнее значение относительной влажности воздуха -98% при 25 °С.
- тип атмосферы - III по ГОСТ 15150-69.
Клапаны «транспортного» исполнения
Клапаны имеют конструктивные особенности, учитывающие специфику условий эксплуатации на объектах транспорта и могут применяться в системах вентиляции и кондиционирования подвижного состава железнодорожного транспорта. Клапаны прошли испытания на виброустойчивость и удар.
Клапаны для «чистых» помещений
Клапаны изготавливаются из материалов, прошедших гигиеническую оценку и имеющих соответствующие заключения. Корпус клапана может изготавливаться из нержавеющих сталей специального назначения. Клапаны могут применяться на предприятиях пищевой и фармацевтической промышленности.
Основные технические характеристики клапанов специального назначения аналогичны характеристикам клапанов КЛОП-1 прямоугольного сечений.
Структура обозначения клапана при заказе и в документации

Пример обозначения клапана:
КЛОП-1 (90)-НО-МВ(220)-400×400-К - клапан КЛОП-1 с пределом огнестойкости 90 мин, нормально открытый (огнезадерживающий), с электромеханическим приводом BELIMO на 220 В, с размерами внутреннего сечения 400×400 мм, с клеммной солодкой.
Клапаны КЛОП-1 В взрывозащищенного и взрывобезопасного исполнения
|
|
|
|
КЛОП-1 В с электроприводом BELIMO во взрывонепроницаемой оболочке |
КЛОП-1 В с пружинным приводом и тепловым замком |
Клапаны сертифицированы ВНИИПО МЧС России и ЦС взрывозащищенного и рудничного оборудования.
Предел огнестойкости клапанов:
КЛОП-1 (60) - в режиме нормально открытого (огнезадерживающего)
и нормально закрытого - EI 60;
в режиме дымового - EI 60, Е 60.
КЛОП-1 (90) - в режиме нормально открытого (огнезадерживающего)
и нормально закрытого - EI 90;
в режиме дымового - EI 90, Е 90. В зависимости от типа привода клапаны выпускаются в различном исполнении:
взрывозащищенные - с электромеханическим приводом BELIMO (Швейцария)
во взрывонепроницаемой оболочке;
взрывобезопасные - с пружинным приводом и тепловым замком на 72 °С.
Клапаны взрывобезопасные с пружинным приводом и тепловым замком и клапаны взрывозащищенные с электроприводом могут устанавливаться в помещениях, отнесенных к категориям А или Б по взрывопожарной опасности (по НПБ 105-03), а также во взрывоопасных зонах классов В-1, В-1а, В-16 и В-1г (по ПУЭ), где по условиям эксплуатации возможно образование взрывчатых смесей, газов и паров с воздухом, относящихся к категориям IIА, IIВ и IIС по ГОСТ Р 51330.11-99, ГОСТ Р 51330.19-99 и к группам Т1, Т2, ТЗ, Т4, Т5 и Т6 по ГОСТ Р 51330.5-99. Клапаны взрывобезопасные с пружинным приводом и тепловым замком могут устанавливаться во взрывоопасных зонах 0, 1 и 2, а клапаны взрывозащищенные с электроприводом - вазонах 1 и 2 согласно классификации ГОСТ Р 51330.9-99 и в соответствии с маркировкой взрывозащиты. Маркировки взрывозащиты для взрывозащищенных клапанов с электроприводом - 1ExdeIICT6 или 1 ЕхdIICT6 по ГОСТ 12.2.020-76 в зависимости от исполнения вводной коробки.
Типоразмерный ряд, проходное сечение, значения вылетов заслонки, коэффициенты местного сопротивления (КМС) клапана КЛОП-1В аналогичны указанным параметрам клапана КЛОП-1 прямоугольного сечения обычного исполнения. Кассеты из клапанов КЛОП-1В не изготавливаются. Клапаны изготавливаются только прямоугольного сечения.
Схемы установки клапанов КЛОП-1В за пределами конструкций аналогичны схемам установки клапанов КЛОП-1 обычного исполнения. Внутри противопожарной преграды клапаны рекомендуется устанавливать при ее толщине более 120 мм с применением дополнительного отрезка воздуховода, прикрепляемого к клапану до его установки в проем преграды.
Для подключения электропривода и цепей контроля положения заслонки в клапанах используется клеммная колодка фирмы «WAGO», размещаемая во вводной коробке взрывонепроницаемой оболочки с вводом для кабеля d = 8... 15 мм.
Схемы конструкции КЛОП-1В
|
с пружинным приводом и тепловым замком |
с приводом Belimo |
|
|
|
|
|
|
При А и В < 600 мм используется шина №20, при А или В ≥ 600 мм используется шина №30.
Структура обозначения клапана КЛОП-1 В при заказе и в документации

Пример заказа:
КЛОП-1(60)-НО-В-МВ(220)-500×400 - клапан КЛОП-1 с пределом огнестойкости 60 мин, нормально открытый (огнезадерживающий), во взрывозащищенном исполнении, с электромеханическим приводом BELIMO на 220 В, с размерами внутреннего сечения 500×400 мм.
Схемы подключения электроприводов клапанов КЛОП-1 представлены в разделе «Управление клапанами...». Более подробная информация о технических характеристиках клапанов КЛОП-1 различных вариантов исполнения содержится в каталогах ЗАО «ВИНГС-М» или на сайте.
|
|
КЛОП-2 с электромагнитным приводом |
|
|
КЛОП-2 с приводом BELIMO |
|
|
КЛОП-2 с пружинным приводом и тепловым замком |
Клапаны сертифицированы ВНИИПО МЧС России и Государственным центром сертификации МЧС Украины.
Предел огнестойкости клапанов КЛОП-2: в режиме нормально открытого (огнезадерживающего) и нормально закрытого - EI 60;
в режиме дымового - Е 60, EI 60.
Клапаны КЛОП-2 являются аналогами клапана КЛОП-1 (60) как по назначению, так и по своим техническим характеристикам. Отличительными особенностями клапана КЛОП-2 по сравнению с КЛОП-1 являются: возможность его изготовления из оцинкованной стали, уменьшенный почти в 1,5 раза вес изделия, удобство установки теплового замка. Клапаны КЛОП-2 не подлежат установке в помещениях категорий А и Б по взрывопожароопасности. Клапаны КЛОП-2 выпускаются только «канального» типа прямоугольного поперечного сечения с наружным размещением привода.
Схемы конструкции КЛОП-2
|
с электромагнитным приводом |
с приводом BELIMO |
|
|
|
|
|
|
А, В- размеры внутреннего сечения клапана (В ≤ А).
При А и В < 600 мм используется шина №20 (А1 = А + 40 мм, В1 = В + 40 мм).
При А или В ≥ 600 мм используется шина №30 (А1 = А + 60 мм, В1=В + 60 мм). Тепловой замок и ТРУ устанавливаются только на НО клапанах.
Значения вылетов заслонки за корпус клапана
|
В, мм |
150 |
200 |
250 |
300 |
350 |
400 |
450 |
500 |
550 |
600 |
650 |
700 |
750 |
800 |
850 |
900 |
950 |
1000 |
|
Х,мм |
0 |
7 |
32 |
57 |
82 |
107 |
132 |
157 |
182 |
207 |
232 |
257 |
282 |
307 |
332 |
357 |
382 |
407 |
|
Х1,мм |
0 |
0 |
0 |
0 |
0 |
0 |
0 |
0 |
22 |
47 |
72 |
97 |
122 |
147 |
172 |
197 |
222 |
247 |
X - вылет заслонки на входе в клапан, мм;
Х1 - вылет заслонки на выходе из клапана, мм
Типы приводов, устанавливаемых на клапанах КЛОП-2, аналогичны приводам клапанов КЛОП-1.
Площадь проходного сечения открытых клапанов КЛОП-2 определяется по формуле:
Fкл = (А - 20)(В - 47)/106, м2 (6)
где А, В- внутренние размеры поперечного сечения клапана (воздуховода), мм, (А ≥ В).
Типоразмерный ряд и значения коэффициентов местного сопротивления ζВ клапанов КЛОП-2 представлены в таблице. Значения этих коэффициентов отнесены к скорости во внутреннем сечении клапана (воздуховода) FB = А×В, м2. Потери давления на открытых клапанах КЛОП-2 рассчитываются по формуле (5).
Схемы установки клапанов КЛОП-2 различного функционального назначения в системах общеобменной и противодымной вентиляции соответствуют схемам установки клапанов КЛОП-1.
Схемы подключения электроприводов клапанов КЛОП-2 представлены в разделе «Управление клапанами ...».
Более подробная информация о технических характеристиках клапанов КЛОП-2 различных вариантов исполнения представлена в каталогах ЗАО «ВИНГС-М» или на сайте.
Типоразмерный ряд и значения коэффициентов местного сопротивления ζВ клапанов КЛОП-2 в зависимости от размеров внутреннего сечения клапана
|
А,мм/В,мм |
150 |
200 |
250 |
300 |
350 |
400 |
450 |
500 |
550 |
600 |
650 |
700 |
750 |
800 |
850 |
900 |
950 |
1000 |
1050 |
1100 |
1150 |
1200 |
1250 |
1300 |
1350 |
1400 |
1450 |
1500 |
|
150 |
4,31 |
3,65 |
3,28 |
3,03 |
2,85 |
2,73 |
2,63 |
2,56 |
2,51 |
2,46 |
2,42 |
2,39 |
2,36 |
2,34 |
2,32 |
2,31 |
2,29 |
2,28 |
2,27 |
2,25 |
2,25 |
2,24 |
2,23 |
2,22 |
2,21 |
2,21 |
2,20 |
2,20 |
|
200 |
|
2,10 |
1,88 |
1,72 |
1,61 |
1,52 |
1,46 |
1,41 |
1,37 |
1,34 |
1,32 |
1,30 |
1,28 |
1,26 |
1,25 |
1,24 |
1,23 |
1,22 |
1,21 |
1,20 |
1,19 |
1,19 |
1,18 |
1,18 |
1,17 |
1,17 |
1,16 |
1,16 |
|
250 |
|
|
1,41 |
1,29 |
1,20 |
1,13 |
1,08 |
1,04 |
1,01 |
0,98 |
0,96 |
0,94 |
0,93 |
0,92 |
0,90 |
0,89 |
0,88 |
0,88 |
0,87 |
0,86 |
0,86 |
0,85 |
0,85 |
0,84 |
0,84 |
0,83 |
0,83 |
0,83 |
|
300 |
|
|
|
1,01 |
0,94 |
0,88 |
0,84 |
0,80 |
0,78 |
0,75 |
0,73 |
0,72 |
0,70 |
0,69 |
0,68 |
0,67 |
0,67 |
0,66 |
0,65 |
0,65 |
0,64 |
0,64 |
0,63 |
0,63 |
0,63 |
0,62 |
0,62 |
0,62 |
|
350 |
|
|
|
|
0,77 |
0,71 |
0,68 |
0,65 |
0,62 |
0,60 |
0,59 |
0,57 |
0,56 |
0,55 |
0,54 |
0,53 |
0,53 |
0,52 |
0,52 |
0,51 |
0,51 |
0,50 |
0,50 |
0,49 |
0,49 |
0,49 |
0,49 |
0,48 |
|
400 |
|
|
|
|
|
0,60 |
0,57 |
0,54 |
0,52 |
0,50 |
0,49 |
0,47 |
0,46 |
0,45 |
0,45 |
0,44 |
0,43 |
0,43 |
0,42 |
0,42 |
0,41 |
0,41 |
0,41 |
0,41 |
0,40 |
0,40 |
0,40 |
0,40 |
|
450 |
|
|
|
|
|
|
0,49 |
0,47 |
0,45 |
0,43 |
0,42 |
0,41 |
0,40 |
0,39 |
0,38 |
0,37 |
0,37 |
0,36 |
0,36 |
0,36 |
0,35 |
0,35 |
0,35 |
0,34 |
0,34 |
0,34 |
0,34 |
0,33 |
|
500 |
|
|
|
|
|
|
|
0,41 |
0,40 |
0,38 |
0,37 |
0,36 |
0,35 |
0,34 |
0,33 |
0,33 |
0,32 |
0,32 |
0,31 |
0,31 |
0,31 |
0,30 |
0,30 |
0,30 |
0,30 |
0,29 |
0,29 |
0,29 |
|
550 |
|
|
|
|
|
|
|
|
0,36 |
0,34 |
0,33 |
0,32 |
0,31 |
0,31 |
0,30 |
0,29 |
0,29 |
0,28 |
0,28 |
0,28 |
0,27 |
0,27 |
0,27 |
0,26 |
0,26 |
0,26 |
0,26 |
|
|
600 |
|
|
|
|
|
|
|
|
|
0,31 |
0,30 |
0,29 |
0,29 |
0,28 |
0,27 |
0,27 |
0,26 |
0,26 |
0,25 |
0,25 |
0,25 |
0,24 |
0,24 |
0,24 |
0,24 |
0,24 |
|
|
|
650 |
|
|
|
|
|
|
|
|
|
|
0,28 |
0,27 |
0,26 |
0,26 |
0,25 |
0,25 |
0,24 |
0,24 |
0,23 |
0,23 |
0,23 |
0,23 |
0,22 |
0,22 |
0,22 |
|
|
|
|
700 |
|
|
|
|
|
|
|
|
|
|
|
0,26 |
0,25 |
0,24 |
0,24 |
0,23 |
0,23 |
0,22 |
0,22 |
0,22 |
0,21 |
0,21 |
0,21 |
0,21 |
|
|
|
|
|
750 |
|
|
|
|
|
|
|
|
|
|
|
|
0,24 |
0,23 |
0,22 |
0,22 |
0,21 |
0,21 |
0,21 |
0,20 |
0,20 |
0,20 |
0,20 |
|
|
|
|
|
|
800 |
|
|
|
|
|
|
|
|
|
|
|
|
|
0,22 |
0,21 |
0,21 |
0,21 |
0,20 |
0,20 |
0,19 |
0,19 |
0,19 |
|
|
|
|
|
|
|
850 |
|
|
|
|
|
|
|
|
|
|
|
|
|
|
0,21 |
0,20 |
0,20 |
0,19 |
0,19 |
0,19 |
0,18 |
|
|
|
|
|
|
|
|
900 |
|
|
|
|
|
|
|
|
|
|
|
|
|
|
|
0,20 |
0,19 |
0,19 |
0,18 |
0,18 |
|
|
|
|
|
|
|
|
|
950 |
|
|
|
|
|
|
|
|
|
|
|
|
|
|
|
|
0,19 |
0,18 |
0,18 |
|
|
|
|
|
|
|
|
|
|
1000 |
|
|
|
|
|
|
|
|
|
|
|
|
|
|
|
|
|
0,18 |
|
|
|
|
|
|
|
|
|
|
Структура обозначения клапанов КЛОП-2 при заказе и в документации

Пример обозначения клапана:
КЛОП-2(60)-Д-ЭМ(220)-400×400-К - клапан КЛОП-2 с пределом огнестойкости 60 мин, дымовой, с электромагнитным приводом на 220 В, с размерами внутреннего сечения 400×400 мм, с клемм ной колодкой.

«Канальный» огнезадерживающий клапан КЛОП-3 с приводом BELIMO
Клапаны сертифицированы ВНИИПО МЧС России.
Предел огнестойкости клапанов КЛОП-3:
в режиме нормально открытого клапана - EI 90;
в режиме нормально закрытого клапана - EI 120;
в режиме дымового клапана - EI 120, Е 120.
Клапаны изготавливаются «канального» типа (с одной или двумя заслонками) с приводами BELIMO. Предусматривается изготовление «стеновых» клапанов с двумя заслонками. Отличительными особенностями «канальных» клапанов КЛОП-3 от других клапанов, изготавливаемых ЗАО «ВИНГС-М», являются:
- значительно более низкие значения коэффициентов местного сопротивления клапанов небольших размеров (В < 400 мм);
- укороченная длина корпуса клапана;
- наличие двух заслонок у клапанов больших размеров (В ≥ 400 мм);
- предел огнестойкости EI 90 НО клапанов, в отличие от клапанов аналогичной конструкции других фирм-изготовителей, достигается без применения дополнительной секции.
«Канальные» клапаны КЛОП-3 различного функционального назначения изготавливаются с наружным размещением привода.
Схема конструкции «канального» клапана КЛОП-3 с двумя заслонками
L=220 мм

1 - корпус клапана; 2 - заслонки; 3 - привод Belimo;4 -защитный кожух; 5 - ТРУ (для НО клапанов); 6 - клеммная коробка; А, В - размеры внутреннего сечения «канального» клапана (В ≤ А), мм.
Типоразмерный ряд «канальных» клапанов КЛОП-3 аналогичен типоразмер-ному ряду клапанов КЛОП-1 и КЛОП-2.
Площадь проходного сечения открытых «канальных» клапанов КЛОП-3 прямоугольного сечения определяется по формулам:
![]()
![]()
Fкл = (А - 9)(В - 36)/106, м2 при В < 400 мм (7)
Fкл = (А - 9)(В - 63)/106, м2 при В ≥ 400 мм (8)
где А, В- внутренние размеры поперечного сечения клапана (воздуховода), мм; (А ≥ В).
Значения коэффициентов местного сопротивления «канальных» клапанов КЛОП-3 в зависимости от размеров внутреннего сечения
|
А×В, мм |
150×150 |
200×200 |
300×300 |
400×400 |
600×600 |
800×800 |
|
ζВ |
1,57 |
0,59 |
0,28 |
0,72 |
0,29 |
0,20 |
Значения коэффициентов ζВ отнесены к скорости газа во внутреннем сечении клапана (воздуховода) FB = A×B, м2.
Потери давления в клапане могут быть рассчитаны по формуле (5).
Схемы установки клапанов КЛОП-3 различного функционального назначения в системах общеобменной и противодымной вентиляции соответствуют схемам установки клапанов КЛОП-1. Схемы подключения электроприводов клапанов КЛОП-3 представлены в разделе «Управление клапанами ...».
Структура обозначения клапана при заказе и в документации

Пример обозначения клапана:
КЛОП-3-НО-К-700×500-МВ(220)-СН-К - клапан противопожарный КЛОП-3, нормально открытый (огнезадерживающий), «канального» типа, с внутренними размерами поперечного сечения 700×500 мм, с электромеханическим приводом BELIMO на 220 В снаружи клапана, с клеммной колодкой.
Более подробная информация о технических характеристиках клапанов КЛОП-3 различных вариантов исполнения представлена в каталогах ЗАО «ВИНГС-М» или на сайте.
Клапаны сертифицированы ВНИИПО МЧС России, Государственным центром сертификации МЧС Украины.
Предел огнестойкости клапана:
в режиме нормально открытого и нормально закрытого - EI 120;
в режиме дымового - EI 120, Е 120.
Клапаны КОМ-1 не подлежат установке в помещениях категорий А и Б по взрывопожароопасности.
Клапаны КОМ-1 выпускаются только «канального» типа с двумя фланцами и наружным размещением привода. Корпус клапана имеет две секции, изготовленные из оцинкованной стали. Длина корпуса зависит от размеров поперечного сечения. Клапаны не имеют вылета заслонки за габариты корпуса. Типоразмерный ряд клапанов КОМ-1 аналогичен типоразмерному ряду клапанов КЛОП-1 и КЛОП-2. Для установки в круглых воздуховодах изготавливаются клапаны с трубчатыми переходами. Переходы присоединяются к клапанам квадратного сечения соответствующего размера и имеют патрубок длиной 100 мм.
Устанавливаемые на клапанах КОМ-1 приводы аналогичны приводам клапанов КЛОП-1 и КЛОП-2.
Противопожарные НО клапаны КОМ-1 с приводами BELIMO с возвратной пружиной без ТРУ могут использоваться в качестве противопожарных клапанов двойного действия.
Схема конструкции клапана КОМ-1 с приводом BELIMO

1 - корпус клапана; 2 - ось заслонки; 3 - кожух; 4 -привод; 5 - люк обслуживания; 6 - ТРУ (для НО клапанов); 7 - тепловой замок; 8- кнопка ручного срабатывания привода; 9 - рычаг ручного перемещения заслонки в исходное положение; 10 - гнездо под ключ, для ручного взвода пружины привода; 11 - указатель положения заслонки
При А и В < 600 мм используется шина № 20 (А1 = А + 40 мм, В1 = В + 40 мм).
При А или В ≥ 600 мм используется шина № 30 (А1 = А + 60 мм, В1 = В + 60 мм).
L2 = 310 мм при В = 150...700 мм.
L2 = В/2 - 45 мм при В > 700 мм.
L1 = Lкл - L2
Длина клапана КОМ-1 Lкл, мм) в зависимости от размера клапана В, мм
|
В |
150, 200 |
250, 300 |
350, 400 |
450, 500 |
550, 600 |
650, 700 |
750, 800 |
850, 900 |
950, 1000 |
|
Lкл |
460 |
510 |
560 |
610 |
660 |
710 |
810 |
910 |
1010 |
Структура обозначения клапанов КОМ-1 при заказе и в документации

Пример обозначения клапана:
КОМ-1-НО-МВ(220)-600×400-К - клапан КОМ-1, нормально открытый, с электромеханическим приводом BELIMO на 220 В, с размерами внутреннего сечения 600×400 мм, с клеммной колодкой.
Схемы установки клапанов КОМ-1 различного функционального назначения в системах общеобменной и противодымной вентиляции соответствуют схемам установки клапанов КЛОГМ с учетом длины секции L1. Схемы подключения электроприводов клапанов КОМ-1 представлены в разделе «Управление клапанами...».
Более подробная информация о технических характеристиках клапанов КОМ-1 различных вариантов исполнения представлена в каталогах ЗАО «ВИНГС-М» или на сайте www.vings-m.ru.
На противопожарные клапаны устанавливаются электромеханические приводы Belimo специального исполнения типа BLF и BF, предназначенные для работы в условиях повышенных температур окружающей среды. Эти приводы имеют специальное посадочное гнездо для оси заслонки противопожарного клапана и отличающееся от обычных приводов конструктивное исполнение редуктора. Электромеханические приводы позволяют обеспечить автоматическое, дистанционное и местное управление противопожарными клапанами при надлежащем исполнении системы управления.
Управляющим сигналом на срабатывание клапанов с электромеханическими приводами является снятие напряжения с привода, после чего возвратная пружина достаточно быстро (не более 20 с) переводит заслонку из исходного в рабочее (защитное) положение. При подаче напряжения на привод электродвигатель переводит заслонку в исходное положение и удерживает ее в этом положении, потребляя незначительную мощность. Электромеханические приводы могут устанавливаться на всех типах противопожарных клапанов.
Схемы подключения электромеханических приводов клапанов
|
Дымовые и Н3 КДМ-2, КОМИ, КЛОП-1, КЛОП-2 и КЛОП-3 (без напряжения заслонка открыта) |
Нормально открытые КОМИ, КЛОП-1, КЛОП-2 и КЛОП-3 (без напряжения заслонка закрыта) |
|
|
|
|
- закрыта для НО клапанов; - открыта для дымовых и Н3 клапанов |
|
|
|
М- электродвигатель; К1, К2- микропереключатели; ТРУ- терморазмыкающее устройство (для НО клапанов); КК- колодка клеммная. В знаменателе указана мощность, потребляемая двигателем при удержании заслонки в исходном положении, в числителе - при перемещении заслонки в исходное положение после срабатывания клапана. Клеммные колодки устанавливаются по заявке заказчика.
|
Реверсивные электрические приводы
На противопожарные клапаны устанавливаются реверсивные электрические приводы Belimo специального исполнения типа BR и BE, предназначенные для работы в условиях повышенных температур окружающей среды.
Управляющим сигналом на срабатывание клапанов с реверсивными приводами является подача напряжения на соответствующие клеммы цепи питания привода. Преимуществом реверсивных приводов является невозможность перемещения заслонки противопожарных клапанов из исходного положения в рабочее (защитное) при любых вариантах отключения напряжения на объекте, в том числе при тушении пожара подразделениями противопожарной службы. По этой причине противопожарные клапаны с этими приводами могут использоваться в приточно-вытяжных системах противодымной вентиляции, имеющих несколько клапанов с адресным управлением, например, в системах дымоудаления зданий повышенной этажности, в системах приточной вентиляции незадымляемых лестничных клеток типа Н3 и т.п. Время перемещения заслонки в рабочее (защитное) положение не превышает 30 с для приводов типа BR и 60 с для приводов типа BE.
Электрические реверсивные приводы позволяют обеспечить автоматическое, дистанционное и местное управление противопожарными клапанами при надлежащем исполнении системы управления.
Схемы подключения реверсивных приводов дымовых и нормально закрытых клапанов
|
Привод BR24 на клапанах КПМ-2, КОМ-1, КЛОП-1, КЛОП-2 и КЛОП-3 |
Привод BR230 на клапанах КДМ-2, КОМ-1, КЛОП-1, КЛОП-2 и КЛОП-3 |
|
|
|
|
Привод BE на клапанах КДМ-2, КОМ-1, КЛОП-1, КЛОП-2 и КЛОП- |
|
|
|
М- электродвигатель; К1, К2- микропереключатели; КК- колодка клеммная. В знаменателе указана мощность, потребляемая приводом при неподвижной заслонке, находящейся в исходном (конечном) положении, в числителе - при перемещении заслонки в конечные положения. Клеммные колодки устанавливаются по заявке заказчика. |
Электромагнитные приводы
Электромагнитный привод представляет собой пружинный привод с электромагнитной защелкой. Управляющим сигналом на срабатывание клапана служит подача напряжения на электромагнит. После срабатывания клапана напряжение 220 В с электромагнита рекомендуется снимать для обеспечения безопасности людей.
Преимуществом электромагнитного привода является быстрое (не более 2 с) перемещение заслонки клапана в рабочее (защитное) положение, а недостатком - необходимость ручного возврата заслонки в исходное положение после срабатывания клапана.
Электромагнитные приводы позволяют обеспечить автоматическое, дистанционное и местное управление противопожарными клапанами при надлежащем исполнении системы управления.
Схемы подключения электромагнитных приводов дымовых, нормально открытых и нормально закрытых клапанов
|
Клапаны КДМ-2 (без напряжения заслонка закрыта) |
Клапаны КЛОП-1 и КЛОП-2 (без напряжения заслонка: - открыта для НО клапанов; - закрыта для дымовых и Н3 клапанов) |
|
|
|
|
Клапаны КОМ-1 (положение заслонки без напряжения: - открыта для НО клапанов; - закрыта для дымовых и Н3 клапанов) |
|
|
|
ЭМ - электромагнит; М - электродвигатель; К1, К2 - микропереключатели; КК - колодка клеммная; Цвет проводов: ЖЗ - желто-зеленый или черный; С - синий; Ч - черный; К - красный или коричневый |
Примечание: Проектирование системы автоматики управления кассетой из клапанов осуществляется с учетом количества приводов в кассете. При наличии нескольких приводов в кассете должно быть обеспечено одновременное срабатывание всех клапанов кассеты.
О возможности использования противопожарных клапанов в качестве «нормально открытых» («огнезадерживающих»), «дымовых» и «нормально закрытых» должна быть запись в сертификатах на эти клапаны, подтвержденная результатами их испытаний по соответствующему режиму. Предел огнестойкости противопожарных клапанов характеризуется буквами Е (потеря плотности) и I (потеря теплоизолирующей способности), а также временем (в мин) наступления одного из указанных предельных состояний, которое достигается раньше.
Решение о выборе противопожарных клапанов, принятое только на основе сравнения их пределов огнестойкости, нельзя считать в полной мере обоснованным, так как при этом не учитываются аэродинамические характеристики клапанов, являющихся обязательными элементами систем общеобменной вентиляции и противодымной защиты. Оценка потерь давления на этих элементах особенно важна для «канальных» (с двумя присоединительными фланцами) противопожарных нормально открытых (огнезадерживающих) клапанов небольших размеров систем общеобменной вентиляции и всех клапанов «высокоскоростных» систем противодымной вентиляции (см. «Аэродинамические характеристики противопожарных клапанов систем вентиляции» - АВОК, 2005, №3, с. 30-33).
Применение противопожарных нормально открытых (НО) клапанов с пружинным приводом и тепловым замком противоречит некоторым нормативным требованиям. Эти клапаны менее эффективны при пожаре, их не рекомендуется использовать в зданиях с массовым пребыванием людей. Вопрос о возможности применения таких клапанов целесообразно предварительно согласовать с пожарными.
При выборе предела огнестойкости НО клапанов следует ориентироваться на требуемые нормативными документами значения пределов огнестойкости противопожарных преград, а не на фактические их значения, которые, как правило, значительно выше. В случае установки клапанов за пределами противопожарных преград наружная огнезащита для обеспечения максимальной эффективности при пожаре должна наноситься от преграды до закрытой заслонки клапана или до края кожуха, защищающего привод клапана со стороны преграды.
Предельную скорость газа в проходном сечении клапана КДМ-2 рекомендуется принимать не более 20 м/с с точки зрения оптимизации потерь давления в системе противодымной вентиляции.
Противопожарные клапаны, их виды, назначение и области применения
Противопожарные клапаны, их виды, назначение и области применения определяются следующими нормативными документами:
- СНиП 21-01-97* «Пожарная безопасность зданий и сооружений»;
- СНиП 41-01-2003 «Отопление, вентиляция и кондиционирование»;
- НПБ 241-97 «Клапаны противопожарные вентиляционных систем. Методы испытания на огнестойкость».
Данными нормативными документами предусматриваются следующие виды противопожарных клапанов:
- противопожарные нормально открытые клапаны;
- противопожарные нормально закрытые клапаны;
- дымовые клапаны;
- противопожарные клапаны двойного действия.
Клапаны устанавливаются:
- противопожарные нормально открытые - в воздуховодах общеобменной вентиляции, кондиционирования и воздушного отопления в целях предотвращения проникания в помещения продуктов горения (дыма) во время пожара, а также в приточных и вытяжных системах помещений, защищаемых установками газового или порошкового пожаротушения;
- противопожарные нормально закрытые - в системах приточной противодымной вентиляции и в системах для удаления дыма и газа после пожара из помещений, защищаемых установками газового или порошкового пожаротушения;
- дымовые клапаны - в системах вытяжной противодымной вентиляции;
- противопожарные клапаны двойного действия - в системах основной вентиляции, используемые для удаления газов и дыма после пожара из помещений, защищаемых установками газового или порошкового пожаротушения.
Дымовой клапан, в соответствии с требованиями НПБ 241-97, может использоваться как в системах как вытяжной, так и приточной противодымной вентиляции. Противопожарные нормально открытые (огнезадерживающие) клапаны в нормальных условиях открыты, а при пожаре закрываются, выполняя роль заполнения проемов в противопожарных преградах (противопожарных стенах, перегородках и перекрытиях с нормированным пределом огнестойкости) в соответствии с СНиП 21-01-97* «Пожарная безопасность зданий и сооружений». Дымовые и противопожарные нормально т закрытые клапаны в нормальных условиях закрыты, а при пожаре открываются. Противопожарные клапаны двойного действия в нормальных условиях открыты,
при пожаре закрываются, выполняя роль огнезадерживающего клапана, а после пожара открываются для удаления дыма и газа из помещений с газовым или порошковым пожаротушением.
Противопожарные и дымовые клапаны характеризуются пределом огнестойкости, определяемым в соответствии с НПБ 241-97. Обозначение предела огнестойкости включает в себя буквы, соответствующие нормируемым предельным состояниям, и цифры, представляющие собой время (мин) достижения одного из нормируемых предельных состояний. У противопожарных клапанов учитываются два вида предельных состояний:
Е - потеря плотности;
I и потеря теплоизолирующей способности.
Приводы для противопожарных клапанов и их характеристики
На противопожарных клапанах, выпускаемых ООО «Сигма-Вент», устанавливаются следующие виды приводов:
- пружинные приводы с тепловым замком;
- пружинные приводы с электромагнитной защелкой, совмещенной с тепловым замком;
- электромеханические приводы фирмы Belimo (Швейцария) с возвратной пружиной;
- реверсивные электромеханические приводы фирмы Belimo;
- электромеханические приводы фирмы Gruner (Германия).
Пружинный привод с тепловым замком
Пружинный привод с тепловым замком представляет собой пружину растяжения, взведенную в нормально открытом положении заслонки, удерживаемой тепловым замком, который срабатывает при температуре 72°С (стандартно) или при другой температуре, определяемой техническими требованиями заказчика.
По требованию заказчика возможна установка микропереключателя для контроля положения заслонки.
Пружинный привод с тепловым замком может применяется только для противопожарных нормально открытых (огнезадерживающих) клапанов, устанавливаемых в системы общеобменной вентиляции.
Пружинный привод с электромагнитной защелкой, совмещенной с тепловым замком
Данный привод представляет собой пружину растяжения, взведенную в исходном положении заслонку, которая удерживается в открытом положении электромагнитной защелкой, совмещенной с тепловым замком (для противопожарных нормально открытых (огнезадерживающих) клапанов), либо удерживается в закрытом положении без совмещения с тепловым замком (для противопожарных нормально закрытых и дымовых клапанов). В качестве защелки используется электромагниты постоянного тока 12В или 24В, а также с встроенным выпрямителем, работающие от сети переменного тока 50Гц, 24В или 220В.
![]()
Основные технические характеристики электромагнита
|
Номинальное рабочее напряжение, В, переменного тока 50 Гц |
220 |
|
постоянного тока |
12; 24 |
|
Номинальная потребляемая мощность, Вт |
44 |
|
Сопротивление катушки, не более, Ом |
235 |
|
Климатическое исполнение по ГОСТ 15150-69 |
УЗ |
|
Степень защиты по ГОСТ 14255-69 |
IP54 |
|
Относительная продолжительность включения, ПВ, % |
100 |
|
Механическая износостойкость, циклов |
1,6 ×106 |
Приводы оснащаются микропереключателями для контроля положения заслонки.
Предельные значения тока в цепях контроля от 0.1 до 2А при напряжении от 5 до 36В для постоянного тока и при напряжении от 5 до 220В для переменного тока.
Сопротивление электрического контакта микропереключателя 0,05 Ом.
Сигналом на срабатывание клапана служит подача напряжения на магнит.
Данный привод обеспечивает быстрое (не более 2 сек) перемещение заслонки в защитное положение. Взведение заслонки в исходное положение производится вручную.
Электромеханические приводы фирмы «Belimo»
На всех видах противопожарных клапанов, выпускаемых фирмой «Сигма-Вент», могут устанавливаться следующие модели приводов фирмы «Belimo»: BLF24; BF24; BLF230; BF230. По особому требованию заказчика на огнезадерживающие клапаны могут устанавливаться данные приводы с температурным датчиком, устанавливаемым внутри корпуса клапана.
Приводы предназначены для управления заслонкой противопожарных клапанов. Исполнение этих приводов (стальной зубчатый редуктор) обеспечивают возможность их работы при температуре до +75°С в течение 24 час.
Управляющим сигналом на срабатывание клапана является снятие напряжения с привода, после чего возвратная пружина переводит заслонку в защитное положение. При подаче напряжения электродвигатель привода переводит заслонку в исходное положение и удерживает ее. Приводы также имеют ручное управление, которое обеспечивает открытие-закрытие клапана без подачи напряжения. Встроенные микропереключатели обеспечивают сигнализацию положения заслонки.
Технические характеристики приводов фирмы «Belimo»
|
|
BLF24 |
BLF230 |
BF24 |
BF230 |
|
Момент вращения привода, Нм |
4 |
18 |
||
|
Момент вращения пружины, Нм |
4 |
12 |
||
|
Угол поворота, град. |
95 |
|||
|
Номинальное рабочее напряжение (50/60 Гц),В |
=24 24 |
230 |
=24 24 |
230 |
|
Допустимые отклонения рабочего напряжения, В |
= 21,6-28,8 19,2-28,8 |
198-264 |
= 21,6-26,4 19,2-28,8 |
198-264 |
|
Потребляемая мощность при повороте заслонки, Вт |
5,0 |
5,0 |
7,0 |
8,0 |
|
Потребляемая мощность при удержании заслонки, Вт |
2,5 |
3,0 |
2,0 |
3,0 |
|
Расчетная мощность, ВА, не более |
7 (I макс. 5,8 при t=5 мс) |
12,5 |
10 |
12,5 |
|
Время перемещения заслонки в рабочее (защитное) положение, сек |
20при-20...+50°С, макс. 60 при-30°С |
16 (при t окр. среды +20 °С) |
||
|
Время возврата заслонки в исходное положение, сек |
40...75 при нагрузке 0...4 Нм |
140 |
||
|
Индикация положения |
Механический указатель |
|||
|
Вспомогательные переключатели -точки переключения |
2 однополюсных с двойным переключением 6(1,5)А 250В 5 °; 80° |
2 однополюсных с двойным переключением 6(3)А250В 5°; 80° |
||
|
Присоединительный кабель электродвигателя |
1 м, 2×0.75 мм2 |
|||
|
Присоединительный кабель вспомогательных переключателей |
1 м, 6×0.75 мм2 |
|||
|
Класс защиты |
III |
II |
III |
II |
|
Степень защиты |
IP54 |
|||
|
Рабочая температура воздуха при эксплуатации, °С |
-30 ...+50 |
|||
|
Безопасная температура воздуха при эксплуатации, °С |
...+75(гарантия безопасности 24 час) |
|||
|
Температура хранения, °С |
-40...+50 |
-40...+80 |
||
|
Влажность |
EN 60335-1 |
|||
|
Уровень шума |
двигатель макс. 45 дБ, пружина 62 дБ |
|||
|
Техническое обслуживание |
не требуется |
|||
|
Срок службы |
Не менее 60000 циклов |
|||
|
Вес, кг |
1,54 |
1,68 |
2,8 |
3,1 |
Приводы BLF230, BF230 не требуют заземления (класс защиты II), приводы BLF24, BF24 подключаются через безопасный изолированный трансформатор.
Устройства размыкания цепи питания привода необходимо устанавливать на фазном проводе, при этом зазоры между контактами в них должны составлять не менее 3 мм.
К числу преимуществ приводов фирмы «Belimo» относятся:
- возможность дистанционного управления положением заслонки;
- компактность и эргономичность конструкции;
- совместимость с системами автоматики ведущих мировых производителей;
- длительный срок службы;
- надежность и прочность;
- удобство эксплуатации.
На дымовых и противопожарных нормально закрытых клапанах морозостойкого исполнения, а также на морозостойких воздухозаборных клапанах КВП-МС вместо приводов с возвратной пружиной устанавливаются реверсивные приводы ВЕ230, ВЕ24 (ВЕ230-12, ВЕ24-12), если средняя расчетная температура воздуха в зимний период времени составляет ниже -30°С.
Эти приводы перемещают заслонку клапана из исходного положения в рабочее и обратно при помощи электродвигателя в зависимости от схемы подключения привода. Управляющим сигналом на срабатывание привода в данном случае является подача напряжения на соответствующие выводы цепи питания привода.
Технические характеристики реверсивных приводов фирмы «Belimo»
|
|
ВЕ24 |
ВЕ230 |
|
Момент вращения привода, Нм |
40 1 |
|
|
Блокирующий момент, Нм - динамический - статический |
40 50 |
|
|
Угол поворота, град. |
100 |
|
|
Номинальное рабочее напряжение (50/60 Гц), В |
=24 24 |
230 |
|
Допустимые отклонения рабочего напряжения, В |
= 21,6-28,8 19,2-28,8 |
198-264 |
|
Потребляемая мощность при повороте заслонки, Вт |
12,0 |
8,0 |
|
Потребляемая мощность при удержании заслонки, Вт |
0,5 |
|
|
Расчетная мощность, ВА, не более |
18 (I макс. 8,2 при t=5 мс) |
15 (I макс. 7,9 при t=5 мс) |
|
Время перемещения заслонки, сек |
60 при 90°, |
|
|
Индикация положения |
Механический указатель |
|
|
Вспомогательные переключатели -точки переключения |
2 однополюсных с двойным переключением 6(3)А 250В 3°;87° |
|
|
Присоединительный кабель электродвигателя |
1 м, 3×0.75 мм2 |
|
|
Присоединительный кабель вспомогательных переключателей |
1 м, 6×0.75 мм2 |
|
|
Класс защиты |
III |
II |
|
Степень защиты |
IP54 |
|
|
Рабочая температура воздуха при эксплуатации, °С |
-30 ...+50 |
|
|
Температура хранения, °С |
-40... +80 |
|
|
Влажность |
EN 60335-1 |
|
|
Уровень шума |
двигатель макс. 62 дБ |
|
|
Техническое обслуживание |
не требуется |
|
|
Срок службы |
Не менее 10000 циклов |
|
|
Вес, кг |
2,7 |
|
Приводы с возвратной пружиной фирмы «Gruner» (Германия)
По своим функциональным возможностям и способам управления заслонкой аналогичны приводам типа BF фирмы «Belimo».
Технические характеристики приводов с возвратной пружиной фирмы «Gruner» (Германия)
|
|
229-024-0,5-S2 |
229ТА-024-0,5-S2 |
229-230-0,5-S2 |
229ТА-230-0.5-S2 |
239-024-20-S2 |
239T-024-20-S2 |
239ТА-024-20-S2 |
239-230-20-S2 |
239T-230-20-S2 |
239ТА-230-20-S2 |
|
Момент вращения привода, Нм |
5 |
20 |
||||||||
|
Момент вращения пружины, Нм |
4 |
15 |
||||||||
|
Угол поворота, град. |
100 |
|||||||||
|
Ручное управление |
нет |
есть |
||||||||
|
Номинальное рабочее напряжение (50/60Гц), В |
24 |
230 |
24 |
230 |
||||||
|
Допустимые отклонения рабочего напряжения, В |
19,2-28,8 |
195,5-264,5 |
19,2-28,8 |
195,5-264,5 |
||||||
|
Потребляемая мощность при повороте заслонки, Вт |
5,0 |
6,5 |
9,0 |
|||||||
|
Потребляемая мощность при удержании заслонки, Вт |
3,0 |
2,5 |
3,0 |
4,5 |
||||||
|
Расчетная мощность, ВА, не более |
6,5 |
5,5 |
8,5 |
10 |
||||||
|
Время перемещения заслонки в рабочее (защитное) положение пружиной, сек, не более |
20 |
|||||||||
|
Время возврата заслонки в исходное положение электродвигателем, с, не более |
75 |
150 |
||||||||
|
Вспомогательные переключатели |
2(<5º; <80º); 250В/5(2,5)А |
|||||||||
|
Присоединительный кабель электродвигателя |
0,9м, 2×0.75мм2 |
|||||||||
|
Присоединительный кабель вспомогат. переключателей |
0,9м, 6×0.75мм2 |
|||||||||
|
Класс защиты |
III |
II |
III |
II |
||||||
|
Степень защиты |
IP54 |
|||||||||
|
Рабочая температура воздуха при эксплуатации, °С |
-30...+50 |
|||||||||
Клапаны противопожарные для систем вентиляции зданий и сооружений КВП
Клапан вентиляционный противопожарный КВП (ТУ 4854-001-18166385-02).
Предел огнестойкости:
в режиме дымового клапана (исполнение КВП-Д) - Е 120;
в режиме нормально открытого (огнезадерживающего) клапана (исполнение КВП-О) - EI 90.
Сертификат соответствия № РОСС RU.ББ02.H03269 от 09.11.2006 г. Сертификат пожарной безопасности № ССПБ. RU.УП001.B05645 от 09.11.2006 г.
Клапаны КВП-О предназначены для блокирования распространения пожара и продуктов горения по воздуховодам, шахтам и каналам систем вентиляции и кондиционирования зданий и сооружений различного типа. Клапаны КВП-О не подлежат установке в помещениях категорий А и Б по взрывопожароопасности.
Клапаны выпускаются как канального типа (с двумя присоединительными фланцами, с наружным расположением привода), так и стенового (с расположением привода внутри корпуса клапана), предназначенного для установки в шахту канала естественной вытяжной вентиляции.
Для клапанов канального типа используются следующие приводы:
- пружинный привод с тепловым замком;
- пружинный привод с электромагнитной защелкой, совмещенной с тепловым замком;
- электромеханические приводы с возвратной пружиной фирм Belimo
(Швейцария) и Gruner (Германия).
Клапаны КВП-0 работоспособны в любой пространственной ориентации. При проектировании и монтаже следует учитывать необходимость доступа к приводу клапана и кнопке фиксации закрытого положения.
Вид климатического исполнения - УХЛ4 по ГОСТ 15150-69, в морозостойком исполнении Мс вид климатического исполнения и категория размещения - УХЛ2. Температура в месте установки клапана ограничивается рабочей температурой воздуха при эксплуатации привода. Окружающая среда должна быть взрывобезопасной, не содержать агрессивных паров и газов в концентрациях, разрушающих металлы, лакокрасочные покрытия и электроизоляцию.
Площадь проходного сечения клапана КВП (независимо от исполнения), м2:
Fкл = (А-50)×(В-56)/106
где А - внутренний размер поперечного сечения клапана вдоль оси вращения заслонки, мм
В - внутренний размер клапана перпендикулярно оси, мм.
При установке клапана необходимо учитывать размер вылета заслонки за пределы корпуса.
Вылет заслонки за пределы корпуса клапана

|
В, мм |
200 |
250 |
300 |
350 |
400 |
450 |
500 |
550 |
600 |
650 |
700 |
750 |
800 |
850 |
900 |
950 |
1000 |
|
а, мм |
10 |
35 |
60 |
85 |
110 |
135 |
160 |
185 |
210 |
235 |
260 |
285 |
310 |
335 |
360 |
385 |
410 |
|
в, мм |
0 |
0 |
0 |
0 |
0 |
0 |
0 |
25 |
50 |
75 |
100 |
125 |
150 |
175 |
200 |
225 |
250 |
|
. |
Схема конструкции клапана КВП-О с пружинным приводом и тепловым замком

1 - корпус, 2 - заслонка, 3 - тепловой замок, 4 - пружина, 5 - кнопка фиксации заслонки
Схема конструкции клапана КВП-0 с пружинным приводом
и электромагнитной защелкой. комбинированной с тепловым замком

1 - корпус, 2 - заслонка, 3 - тепловой замок, 4 - пружина, 5 - кнопка расфиксации заслонки, 6 - электромагнит, 7-микропереключатель
Схема конструкции клапана КВП-О с электромеханическим приводом («Belimo», «Gruner»)

1 - корпус, 2 - заслонка, 3 - электромеханический привод
Примеры схем установки в перегородках

А - обслуживаемое помещение, Б - помещение смежное с обслуживаемым, 1 - клапан, 2 - ось заслонки, 3 - воздуховод, 4 - строительная конструкция с нормируемым пределом : -нестойкости, 5 - цементно-песчаный раствор, 6 - наружная теплозащита
При установке клапана необходимо обеспечить доступ к приводу и кнопке разблокирования заслонки. Зазор между корпусом клапана и строительной конструкцией заполняется цементно-песчаным раствором.
При установке огнезадерживающих клапанов за пределами стен (перекрытий) участок воздуховода и часть клапана до края крышки привода должны быть покрыты наружной огнезащитой в соответствии с СНиП 41-01-2003 (п. 7.11.1, Примечание 1), обеспечивающей предел огнестойкости преграды.
Примеры схем установки в перекрытиях

А - обслуживаемое помещение, В - помещение смежное с обслуживаемым, 1 - клапан, 2 -ось заслонки, 3 - воздуховод, 4 - строительная конструкция с нормируемым пределом огнестойкости, 5 - цементно-песчаный раствор, 6- наружная огнезащита
Схемы подключения электроприводов
|
|
ЭМ - электромагнитная защелка; МК- микропереключатель (МИЗА); Л1, Л2, Л3 - лампы световой сигнализации; Кд - кнопка дистанционного управления; Км - кнопка местного управления; ППК- прибор приемно-контрольный; РВ - реле времени |
|
|
ЭМП - электромеханический привод; Л1, Л2, Л3 - лампы световой сигнализации; Тд - тумблер дистанционного управления; ТРУ - терморазмыкающее устройство (только для клапанов КВП-О); ППК - прибор приемно-контрольный; Р - реле |
![]()
![]()
Для установки в круглых воздуховодах изготавливаются клапаны с трубчатыми
переходами. Переходы присоединяются к клапанам квадратного сечения
соответствующего типоразмера и имеют патрубок длиной 100 мм.
Типоразмеры клапанов и соответствующий им ряд трубчатых переходов
|
Типоразмер клапана, мм |
150×150 |
200×200 |
250×250 |
300×300 |
350×350 |
400×400 |
450×450 |
500×500 |
600×600 |
750×750 |
800×800 |
|
Длина корпуса клапана, мм |
320 |
330 |
360 |
390 |
420 |
440 |
460 |
500 |
600 |
750 |
800 |
|
Длина клапана с подсоед. переходами, мм |
520 |
530 |
560 |
590 |
620 |
640 |
660 |
700 |
800 |
950 |
1000 |
|
Диаметр воздуховода, мм |
100; 125; 140; 150 |
160; 200 |
225; 250 |
280; 300 |
315; 355 |
400 |
450 |
500 |
560; 600 |
710 |
800 |
Способы управления заслонкой огнезадерживающего клапана
|
Тип привода |
Пружинный с тепловым замком |
Пружинный с электромагнитной защелкой и с теплов. замком |
Электромеханический с возвратной пружиной фирм «Belimo», «Polar Bear», «Gruner» |
|
Управление заслонкой |
|||
|
Способ перевода заслонки из исходного положения в рабочее (защитное)* |
автоматический, при достижении температуры 72°С внутри корпуса клапана; -ручной, при оттяжке механической кнопки на приводе. |
-автоматический, по сигналам пожарной автоматики или при достижении температуры 72°С внутри корпуса клапана; -дистанционный с пульта управления; -ручной от рычага на магните. |
-автоматический, по сигналам пожарной автоматики; -дистанционный с пульта управления; -от тумблера (выключателя) в помещении установки клапана |
|
Способ перевода заслонки из рабочего положения в исходное |
вручную |
вручную |
дистанционный с пульта управления |
|
Механизм перевода заслонки: - в рабочее полож. - в исходное полож. |
Пружина - |
пружина |
пружина электродвигатель |
|
Способ срабатывания привода |
разрыв теплового замка |
-разрыв теплового замка; -подача напряжения на электромагнит |
Отключение питающего напряжения |
* исходное положение заслонки: для НО (огнезадерживающего) клапана - открыта, для Н3 и дымового - закрыта;
* рабочее (защитное) положение заслонки: для НО (огнезадерживающего) клапана -закрыта, для Н3 и дымового - открыта.
Клапаны противодымной вентиляции зданий и сооружений КВП-Д
Клапаны КВП-Д предназначены для применения в системах противодымной вентиляции зданий и сооружений различного назначения. Клапаны не подлежат установке в помещениях А и Б по взрывопожароопасности.
Предел огнестойкости клапана - Е 120
Клапаны могут устанавливаться в вертикальных и горизонтальных проемах приточно-вытяжных каналов противодымной вентиляции, в перекрытиях, подвесных потолках, на ответвлениях воздуховодов и в воздуховодах.
Вид климатического исполнения - УХЛ4 по ГОСТ 15150-69, в морозостойком исполнении Мс вид климатического исполнения и категория размещения - УХЛ2. Температура в месте установки клапана ограничивается рабочей температурой воздуха при эксплуатации привода.
Клапаны выпускаются следующих типов:
- канального типа (с двумя стандартными фланцами, смотровым лючком и приводом снаружи, длина корпуса клапана - 320 мм) для подсоединения воздуховодов с двух сторон;
- канального типа II (с двумя стандартными фланцами, приводом снаружи или внутри, длина корпуса клапана 220 мм) для подсоединения к воздуховоду.
- стенового типа (с одним присоединительным фланцем, приводом внутри, длина корпуса 180 мм) для подсоединения к проему канала противодымной вентиляции.
Схемы конструкций клапанов КВП-Д, КВП-Д(С) с различными видами приводов
Схема конструкции клапана КВП-Д с пружинным приводом и электромагнитной защелкой

1 - корпус; 2 - заслонка; 3 - пружина; 4 - электромагнитная защелка
Схема конструкции клапана КВП-Д с электромеханическим приводом

1 - корпус, 2 - заслонка, 3 - электромеханический привод.
Схема конструкции клапана КВП-Д(С) с пружинным приводом

Схема конструкции клапана КВП-Д(С) с электромеханическим приводом

1 - корпус, 2 - заслонка, 3 - электромеханический привод; 4 - электромагнитная защелка, 5 - пружина
Примеры схем установки клапанов
Вариант установки клапана КВП-Д в воздуховоде

Варианты установки клапана КВП-Д(С) стенового типа в воздуховоде

Вариант установки клапана КВП-Д стенового исполнения

Схемы подключения электроприводов

ЭМ- электромагнитная защелка; МК- микропереключатель (МИЗА); Л1, Л2, Л3 - лампы светов. сигнализации; Кд - кнопка дистанционного управления; Км - кнопка местного управления; ППК- прибор приемно-контрольный; РВ - реле времени

ЭМП - электромеханический привод, Л1, Л2, Л3 - лампы светов. сигнализации; Тд - тумблер дистанционного управления; ППК- прибор приемно-контрольный; Р - реле
![]()
Способы управления заслонкой дымового клапана
|
Тип привода Управление заслонкой |
Пружинный с электромагнитной защелкой |
Электромеханический с возвратной пружиной фирм «Belimo», «Gruner» |
|
Способ перевода заслонки из исходного положения в рабочее (защитное) |
- автоматический, по сигналам пожарной автоматики; - дистанционный с пульта управления; - ручной от рычага на магните. |
- автоматический, по сигналам пожарной автоматики; - дистанционный с пульта управления; - от тумблера (выключателя) в помещении установки клапана |
|
Способ перевода заслонки из рабочего положения в исходное |
вручную |
дистанционный с пульта управления |
|
Механизм перевода заслонки: - в рабочее полож. - в исходное полож. |
пружина |
пружина электродвигатель |
|
Способ срабатывания привода |
-подача напряжения на электромагнит |
отключение питающего напряжения |
Воздухозаборный вентиляционный противопожарный морозостойкий клапан КВП-МС
Воздухозаборные клапаны КВП-МС предназначены для открытия проемов в ограждающих конструкциях приточно-вытяжных каналов систем как общеобменной, так и противодымной вентиляции и могут устанавливаться в проеме наружной стены здания или сооружения. Температура с наружной стороны от -60 С до +50 °С.
Температура в помещении от -30 °С (без дополнительного обогрева привода) до +50 °С, относительная влажность до 90%.
Клапан необходимо защищать от попадания во внутрь воды и снега. Вид климатического исполнения УХЛ2 по ГОСТ 15150-69. Клапан изготавливается по ТУ4854-001-18166385-02. Сертификаты соответствия:
№ РОСС RU.CA81.H00420 ГОССТАНДАРТА РОССИИ
№ РОСС RU.CA81.H00540, выдан Федеральным центром сертификации Госстроя России.
![]()
Схема конструкции клапана КВП-МС с электромеханическим приводом

1 - корпус, 2 - заслонка, 3 - привод, 4 - смотровой лючок
Пример установки морозостойкого клапана
Минимальные размеры проема для установки клапанов основных типоразмеров
|
Типоразмер А×В, мм |
500×600 |
600×800 |
600×1000 |
1200×1000 |
1600×1000 |
1800×1000 |
2400×1000 |
1600×800 |
|
Разм. проема (А+80) × (В+80) |
580×680 |
680×880 |
680×1080 |
1280×1080 |
1680×1080 |
1880×1080 |
2480×1080 |
1680×880 |
Схемы подключения электроприводов
Пример электрической схемы подключения морозостойкого клапана КВП-МС с электромеханическим приводом с возвратной пружиной

Пример электрической схемы подключения морозостойкого клапана КВП-МС с электромеханическим приводом с реверсивным движением

ЭМП - электромеханический привод; Л1, Л2, Л3 - лампы световой сигнализации; Тд - тумблер дистанционного управления; ППК- прибор приемно-контрольный; Р - реле.
Основные типоразмеры, обозначения и схемы исполнения клапана КВП-МС
|
Типоразмер А×В, мм Обозначение исполнения |
Схема исполнения |
Кол-во приводов |
|
500×600 КВП-МС-500×600-BF 230 |
|
1 |
|
600×800 ВП-МС-600×800-BF 230 |
||
|
600×1000 КВП-МС-600× 1000-BF 230 |
||
|
1200×1000 КВП-МС-2 (600×1000)-BF 23 |
|
2 |
|
1600×1000 KBП-MC-2(500×1000)+(600×1000)-BF 230 |
|
3 |
|
1800×1000 КВП-МС-3 (600×1000)-BF 230 |
||
|
2400×1000 КВП-МС-4 (600×1000)-BF 230 |
|
4 |
|
800×1600 КВП-МС-800×1600-2 BF 230 |
|
5 |
Схемы исполнения и обозначения клапанов других типоразмеров определяются
дополнительно с учетом конкретного места установки.
В качестве привода используется 2-х позиционный электропривод реверсивный ВЕ230 (ВЕ24) или с возвратной пружиной BF230 (BF24) производства фирмы BELIMO (Швейцария).
Фланцы клапана изготавливаются из стандартных шин и уголков.
В схеме подключения вентиляции необходимо предусмотреть задержку времени на включение вентилятора 30-40 сек после подачи сигнала на открытие клапана КВП-МС.
Закрытие клапана производить после отключения вентилятора.
Структура обозначения клапана при заказе и документации

Пример обозначения клапана:
КВП-(120)-Д(С)-700×500-ВМ(220)-Р - клапан КВП огнестойкостью 120 мин, дымовой стенового исполнения, посадочный размер 700×500 мм, привод BF-230, с декоративной решеткой.
КВП-60-(120)-Н3-500×500-ЭМ(220) - клапан КВП-60 огнестойкостью 120 мин, нормально закрытый, с пружинным приводом и электромагнитной защелкой 220В, 50Гц.
Определение воздухопроницаемости клапанов КВП в закрытом состоянии
В связи с тем, что клапаны КВП изготавливаются из стального листа, который сам по себе достаточно герметичен, подсос воздуха зависит не от площади проходного сечения клапана, а от длины прилегания заслонки к корпусу, т.е. его периметра. В этом случае важнейшей характеристикой клапана является воздухопроницаемость погонного метра периметра корпуса клапана.
В результате проведенных испытаний клапанов КВП были получены данные по подсосу воздуха G, кг/час, приведенные к 1 п.м. периметра клапана в зависимости от разности давления ΔР, Па на клапане.

Периметр корпуса клапана КВП (кроме КВП-Д(С) - дымового стенового исполнения определяется по формуле:
Lк = 2(A + В)/103
где Lк-периметр корпуса клапана, м;
А В - стороны типоразмера клапана, мм.
Периметр корпуса дымового клапана стенового исполнения определяется по формуле:
Lд(c) = 2(/А + B - 60)/103
где Lд(С) - периметр корпуса клапана, м;
А, В - стороны типоразмера клапана, мм.
Пример:
Определить подсос воздуха через клапан КВП-Д(С)-700×500 при ΔР=300Па.
1. Определяем длину прилегания заслонки к корпусу:
Lд(с) = 2(700 + 500 - 60)/103 = 2,28 м
2. По графику определяем воздухопроницание 1 п.м. при 300 Па, которое составляет 23 кг/час
3. Определяем подсос воздуха через клапан: G = 23×2.28 = 52,44кг/час
Расчет потерь давления на клапанах КВП
Потери давления на клапанах рассчитываются по формуле:
ΔPкл=ζвρV2в/2
где ζв - коэффициент местного сопротивления клапана, отнесенный к скорости в воздуховоде;
р - плотность воздуха, кг/м3;
V2B - скорость воздуха в воздуховоде, м/с
Таблица 1
Коэффициенты местного сопротивления ζв клапанов КВП в зависимости от типоразмера
|
В,мм А,мм |
150 |
200 |
250 |
300 |
350 |
400 |
450 |
500 |
550 |
600 |
650 |
700 |
750 |
800 |
850 |
900 |
1000 |
|
150 |
4.56 |
|
|
|
|
|
|
|
|
|
|
|
|
|
|
|
|
|
200 |
3.99 |
2.15 |
|
|
|
|
|
|
|
|
|
|
|
|
|
|
|
|
250 |
3.65 |
1.98 |
1.54 |
|
|
|
|
|
|
|
|
|
|
|
|
|
|
|
300 |
3.41 |
1.83 |
1.42 |
1.10 |
|
|
|
|
|
|
|
|
|
|
|
|
|
|
350 |
3.24 |
1.72 |
1.34 |
1.03 |
0.81 |
|
|
|
|
|
|
|
|
|
|
|
|
|
400 |
3.10 |
1.65 |
1.27 |
0.97 |
0.77 |
0.63 |
|
|
|
|
|
|
|
|
|
|
|
|
450 |
3.02 |
1.60 |
1.22 |
0.93 |
0.73 |
0.60 |
0.51 |
|
|
|
|
|
|
|
|
|
|
|
500 |
2.95 |
1.55 |
1.18 |
0.90 |
0.70 |
0.57 |
0.48 |
0.42 |
|
|
|
|
|
|
|
|
|
|
550 |
2.89 |
1.51 |
1.15 |
0.87 |
0.68 |
0.55 |
0.46 |
0.40 |
0.37 |
|
|
|
|
|
|
|
|
|
600 |
2.84 |
1.48 |
1.12 |
0.85 |
0.66 |
0.54 |
0.44 |
0.38 |
0.35 |
0.32 |
|
|
|
|
|
|
|
|
650 |
2.80 |
1.56 |
1.10 |
0.83 |
0.64 |
0.53 |
0.43 |
0.37 |
0.34 |
0.30 |
0.29 |
|
|
|
|
|
|
|
700 |
2.76 |
1.44 |
1.08 |
0.81 |
0.62 |
0.52 |
0.42 |
0.36 |
0.33 |
0.29 |
0.28 |
0.27 |
|
|
|
|
|
|
750 |
2.73 |
1.42 |
1.07 |
0.80 |
0.61 |
0.51 |
0.41 |
0.35 |
0.32 |
0.29 |
0.27 |
0.26 |
0.25 |
|
|
|
|
|
800 |
2.71 |
1.40 |
1.06 |
0.79 |
0.60 |
0.50 |
0.40 |
0.34 |
0.32 |
0.28 |
0.26 |
0.26 |
0.24 |
0.24 |
|
|
|
|
850 |
2.69 |
1.39 |
1.05 |
0.78 |
0.59 |
0.49 |
0.39 |
0.33 |
0.31 |
0.28 |
0.26 |
0.25 |
0.24 |
0.23 |
0.23 |
|
|
|
900 |
2.67 |
1.38 |
1.04 |
0.77 |
0.58 |
0.48 |
0.39 |
0.32 |
0.31 |
0.27 |
0.25 |
0.25 |
0.23 |
0.22 |
0.22 |
0.22 |
|
|
950 |
2.66 |
1.37 |
1.03 |
0.76 |
0.57 |
0.48 |
0.38 |
0.32 |
0.30 |
0.27 |
0.25 |
0.24 |
0.23 |
0.22 |
0.22 |
0.22 |
|
|
1000 |
2.65 |
1.36 |
1.02 |
0.75 |
0.56 |
0.47 |
0.38 |
0.31 |
0.30 |
0.26 |
0.24 |
0.24 |
0.23 |
0.22 |
0.22 |
0.22 |
0.20 |
|
1100 |
2.63 |
1.34 |
1.01 |
0.74 |
0.55 |
0.46 |
0.37 |
0.31 |
0.29 |
0.26 |
0.23 |
0.23 |
0.22 |
0.21 |
0.21 |
0.21 |
0.20 |
|
1200 |
2.62 |
1.33 |
1.00 |
0.73 |
0.54 |
0.45 |
0.36 |
0.30 |
0.29 |
0.25 |
0.23 |
0.23 |
0.22 |
0.20 |
0.20 |
0.20 |
0.20 |
|
1300 |
2.61 |
1.32 |
0.99 |
0.72 |
0.53 |
0.45 |
0.36 |
0.30 |
0.28 |
0.25 |
0.22 |
0.22 |
0.21 |
0.20 |
0.20 |
0.20 |
0.19 |
|
1400 |
2.60 |
1.31 |
0.98 |
0.72 |
0.53 |
0.44 |
0.35 |
0.29 |
0.28 |
0.24 |
0.21 |
0.21 |
0.21 |
0.20 |
0.20 |
0.19 |
0.19 |
|
1500 |
2.59 |
1.30 |
0.98 |
0.71 |
0.52 |
0.43 |
0.34 |
0.29 |
0.27 |
0.24 |
0.21 |
0.20 |
0.20 |
0.19 |
0.19 |
0.19 |
0.19 |
Значения коэффициентов ζв отнесены к скорости во внутреннем сечении воздуховода FB, к которому подсоединен клапан. Значения коэффициентов ζкл, отнесенные к скорости в проходном сечении клапана Fкл , рассчитываются по формуле:
ζкл=ζв(Fкл/Fв)2
где Fкл - площадь проходного сечения клапана, м2
FB - площадь проходного сечения воздуховода, м2
Таблица 2
Площадь проходного сечения Fкл клапана КВП в зависимости от типоразмера, кв. м
|
В,мм А,мм |
150 |
200 |
250 |
300 |
300 |
400 |
450 |
500 |
550 |
600 |
650 |
700 |
800 |
900 |
1000 |
|
150 |
0.014 |
|
|
|
|
|
|
|
|
|
|
|
|
|
|
|
200 |
0.020 |
0.028 |
|
|
|
|
|
|
|
|
|
|
|
|
|
|
250 |
0.025 |
0.03/ |
0.048 |
|
|
|
|
|
|
|
|
|
|
|
|
|
300 |
0.031 |
0.045 |
0.059 |
0.172 |
|
|
|
|
|
|
|
|
|
|
|
|
350 |
0.037 |
0.053 |
0.069 |
0.086 |
0.102 |
|
|
|
|
|
|
|
|
|
|
|
400 |
0.043 |
0.061 |
0.080 |
0.099 |
0.118 |
0.136 |
|
|
|
|
|
|
|
|
|
|
450 |
0.048 |
0.070 |
0.091 |
0.112 |
0.133 |
0.155 |
0.176 |
|
|
|
|
|
|
|
|
|
500 |
0.054 |
0.078 |
0.102 |
0.126 |
0.149 |
0.173 |
0.196 |
0.220 |
|
|
|
|
|
|
|
|
650 |
0.060 |
0.086 |
0.112 |
0.139 |
0.165 |
0.191 |
0.217 |
0.244 |
0.270 |
|
|
|
|
|
|
|
600 |
0.066 |
0.094 |
0.123 |
0.152 |
0.181 |
0.209 |
0.238 |
0.267 |
0.296 |
0.324 |
|
|
|
|
|
|
650 |
0.071 |
0.103 |
0.134 |
0.165 |
0.196 |
0.228 |
0.259 |
0.290 |
0.321 |
0.353 |
0.384 |
|
|
|
|
|
700 |
0.077 |
0.113 |
0.145 |
0.179 |
0.212 |
0.246 |
0.280 |
0.313 |
0.347 |
0.381 |
0.415 |
0.448 |
|
|
|
|
750 |
0.083 |
0.119 |
0.155 |
0.192 |
0.228 |
0.264 |
0.300 |
0.337 |
0.373 |
0.409 |
0.445 |
0.482 |
|
|
|
|
800 |
0.089 |
0.127 |
0.166 |
0.205 |
0.244 |
0.282 |
0.321 |
0.360 |
0.399 |
0.437 |
0.476 |
0.515 |
0.592 |
|
|
|
850 |
0.094 |
0.136 |
0.177 |
0.219 |
0.259 |
0.301 |
0.342 |
0.383 |
0.428 |
0.466 |
0.507 |
0.548 |
0.631 |
|
|
|
900 |
0.100 |
0.144 |
0.188 |
0.232 |
0.275 |
0.319 |
0.363 |
0.408 |
0.450 |
0.494 |
0.538 |
0.581 |
0.669 |
0.756 |
|
|
950 |
0.106 |
0.152 |
0.198 |
0.245 |
0.291 |
0.337 |
0.383 |
0.430 |
0.476 |
0.522 |
0.568 |
0.615 |
0.707 |
0.800 |
|
|
1000 |
0.112 |
0.160 |
0.209 |
0.258 |
0.307 |
0.355 |
0.404 |
0.453 |
0.502 |
0.550 |
0.599 |
0.648 |
0.745 |
0.843 |
0.940 |
|
1100 |
0.123 |
0.177 |
0.231 |
0.285 |
0.338 |
0.392 |
0.446 |
0.500 |
0.553 |
0.607 |
0.661 |
0.714 |
0.822 |
0.929 |
1.037 |
|
1200 |
0.135 |
0.193 |
0.252 |
0.311 |
0.370 |
0.428 |
0.487 |
0.546 |
0.605 |
0.663 |
0.722 |
0.781 |
0.898 |
1.016 |
1.133 |
|
1300 |
0.146 |
0.210 |
0.274 |
0.338 |
0.402 |
0.465 |
0.529 |
0.592 |
0.656 |
0.720 |
0.784 |
0.847 |
0.975 |
1.102 |
1.230 |
|
1400 |
0.158 |
0.226 |
0.295 |
0.365 |
0.433 |
0.501 |
0.570 |
0.639 |
0.708 |
0.776 |
0.845 |
0.914 |
1.051 |
1.189 |
1.326 |
|
1500 |
0.169 |
0.243 |
0.317 |
0.390 |
0.464 |
0.538 |
0.612 |
0.685 |
0.759 |
0.833 |
0.907 |
0.980 |
1.128 |
1.275 |
1.423 |
Таблица 3
Площадь проходного сечения клапана КВП-Д(С) (стенового исполнения) и кассет в зависимости от типоразмера, кв. м
|
В,мм А, мм |
300 |
350 |
400 |
450 |
500 |
550 |
600 |
650 |
700 |
750 |
800 |
900 |
1000 |
1200 |
1400 |
1800 |
2000 |
|
300 |
0.06 |
0.07 |
0.08 |
0.09 |
0.10 |
0.11 |
0.12 |
0.13 |
0.14 |
0.15 |
0.16 |
0.18 |
0.20 |
0.26 |
0.30 |
0.38 |
0.42 |
|
350 |
|
0.08 |
0.09 |
0.11 |
0.12 |
0.13 |
0.15 |
0.16 |
0.17 |
0.18 |
0.20 |
0.22 |
0.26 |
0.32 |
0.36 |
0.49 |
0.54 |
|
400 |
|
|
0.11 |
0.12 |
0.14 |
0.16 |
0.17 |
0.19 |
0.20 |
0.21 |
0.23 |
0.26 |
0.31 |
0.37 |
0.43 |
0.57 |
0.64 |
|
450 |
|
|
|
0.14 |
0.16 |
018 |
0.20 |
0.22? |
0.23 |
0.25 |
0.27 |
0.31 |
0.35 |
0.42 |
0.50 |
0.66 |
0.73 |
|
500 |
|
|
|
|
0.18 |
0.20 |
0.22 |
0.24 |
0.26 |
0.28 |
0.31 |
0.35 |
0.40 |
0.48 |
0.56 |
0.75 |
0.83 |
|
550 |
|
|
|
|
|
0.23 |
0.25 |
0.27 |
0.29 |
0.32 |
0.34 |
0.39 |
0.44 |
0.54 |
0.63 |
0.83 |
0.92 |
|
600 |
|
|
|
|
|
|
0.28 |
0.30 |
0.32 |
0.35 |
0.38 |
0.43 |
0.49 |
0.59 |
0.69 |
0.92 |
1.02 |
|
650 |
|
|
|
|
|
|
|
0.33 |
0.36 |
0.39 |
0.41 |
0.47 |
0.54 |
0.65 |
0.76 |
1.00 |
1.12 |
|
700 |
|
|
|
|
|
|
|
|
0.39 |
0.42 |
0.45 |
0.52 |
0.58 |
0.70 |
0.83 |
1.07 |
1.20 |
|
750 |
|
|
|
|
|
|
|
|
|
0.46 |
0.49 |
0.56 |
0.63 |
0.76 |
0.89 |
1.16 |
1.29 |
|
800 |
|
|
|
|
|
|
|
|
|
|
0.53 |
0.60 |
0.67 |
0.82 |
0.96 |
1.25 |
1.39 |
|
850 |
|
|
|
|
|
|
|
|
|
|
|
0.64 |
0.72 |
0.87 |
1.03 |
1.33 |
1.49 |
|
900 |
|
|
|
|
|
|
|
|
|
|
|
0.68 |
0.77 |
0.93 |
1.09 |
1.42 |
1.58 |
|
1000 |
|
|
|
|
|
|
|
|
|
|
|
|
0.86 |
1.04 |
1.23 |
1.59 |
1.78 |
|
1100 |
|
|
|
|
|
|
|
|
|
|
|
|
|
1.16 |
1.36 |
1.77 |
1.97 |
|
1200 |
|
|
|
|
|
|
|
|
|
|
|
|
|
1.27 |
1.49 |
1.94 |
2.16 |
|
1300 |
|
|
|
|
|
|
|
|
|
|
|
|
|
|
1.63 |
2.11 |
2.36 |
|
1400 |
|
|
|
|
|
|
|
|
|
|
|
|
|
|
1.76 |
2.29 |
2.55 |
|
1500 |
|
|
|
|
|
|
|
|
|
|
|
|
|
|
|
2.46 |
2.75 |
Клапаны противопожарные серии КВП-60
Клапаны КВП-60 имеют предел огнестойкости:
- в режиме нормально открытого (огнезадерживающего) - КВП-60-НО - EI60 (1 час);
- в режиме нормально закрытого - КВП-60-Н3 - EI 120 (2часа);
- в режиме дымового - КВП-60-Д. -Е 120, EI 120 (2 часа).
По своим геометрическим параметрам и воздушно-физическим характеристикам аналогичны клапанам серии КВП.
Клапаны сертифицированы ФГУ ВНИИПО МЧС России (ОС "ПОЖТЕСТ").
Сертификат соответствия № РОСС RU.BB02.H03325 от 20.11.2006г.
Сертификат пожарной безопасности № ССПБ. RU.УП001.B05733 от 21.11.2006г.
Клапаны противопожарные серии КВП-120
Клапаны КВП-120 имеют предел огнестойкости:
- в режиме нормально открытого (огнезадерживающего) КВП-120-НО: E1180 (3 час).
По своим геометрическим параметрам (за исключением длины клапана, которая
составляет
Клапаны сертифицированы ФГУ ВНИИПО МЧС России (ОС "ПОЖТЕСТ").
ООО «Сигма-Вент»
Производство противопожарных клапанов для систем вентиляции
Почтовый адрес :
1. СНиП 41-01-2003 «Отопление, вентиляция и кондиционирование»
2. СНиП 21-01-97* «Пожарная безопасность зданий и сооружений»
3. СНиП 31-01-2003 «Здания жилые многоквартирные»
4. СНиП 2.08.02-89* «Общественные здания и сооружения»
5. СНиП 31-05-2003 «Общественные здания административного назначения»
6. СНиП 21-02-99 « Стоянки автомобилей»
7. МГСН 3.01-01 «Жилые здания»
8. МГСН 4.13-91 «Предприятия розничной торговли»
9. МГСН 4.16-98 «Гостиницы»
10. МГСН 5.01-01 «Стоянки легковых автомобилей»
11. МГСН 4.04-94 «Многофункциональные здания»
12. МГСН 4.12-97 «Лечебно-профилактические учреждения»
13. НПБ 239-97 «Воздуховоды. Методы испытаний на огнестойкость»
14. НПБ 241-97 «Клапаны противопожарные вентиляционных систем. Метод испытаний на огнестойкость»
15. НПБ 250-97 «Лифты для транспортирования пожарных подразделений в зданиях и сооружениях. Общие технические требования»
16. НПБ 253-98 «Оборудование противодымной защиты зданий и сооружений»
17. МДС 21-1-98 Пособие к СНиП 21-01-97 «Пожарная безопасность зданий и сооружений. Предотвращение распространения пожара»
18. МДС 41-1.99 «Рекомендации по противодымной защите при пожаре (к СНиП 2.04.05-91*).
19. ВСН 01-89 «Предприятия по обслуживанию автомобилей». М., Минавтотранс РСФСР, 1989
20.
Пособие 7.91 к СНиП 2.04.05-91*,
21. Пособие 15.91 к СНиП 2.04.05-91* «Противодымная защита при пожаре и вентиляция подземных стоянок автомобилей
22. Общесоюзные нормы технологического проектирования предприятий автомобильного транспорта ОНТП 01-91 /Росавтотранс. М., Гипроавтотранс, 1991
24. Отопление, вентиляция и кондиционирование воздуха. Справочное пособие. Жилые здания со встроено-пристроенными помещениями общественного назначения и стоянками автомобилей. Москва. Пантори 2003
25.
Пособие к МГСН 5.01.94* «Стоянки легковых автомобилей»
Указание № 20 от 13 сентября
26. «Вентиляция и кондиционирование воздуха. Кн. 2 «Внутренние санитарно-технические устройства» 4.3.М.: Стройиздат, 1992
27. Журналы : «Вентиляция. Отопление, Кондиционирование. АВОК» за 2003-2006 гг.
28. Проекты (рабочая документация), разработанные ОАО "Моспроект" в 2004-2006 гг:
- индивидуальные жилые здания;
- различные общественные здания;
- надземные и подземные стоянки автомобилей
29. Типовые проекты жилых зданий МНИИТЭП
30. НИ-2054-00 «Вентиляция жилых зданий». МНИИТЭП, 1979
31. Батчел Е., Парнэлл А. «Опасность дыма и дымозащита». Перевод на русский язык, М.: Стройиздат, 1983
32. Каталоги фирм-производителей противопожарных, дымовых, морозостойких клапанов, огнезащитных воздуховодов
|
_________________________________________________________ |