
ГОСУДАРСТВЕННЫЙ СТАНДАРТ СОЮЗА ССР
ЕДИНАЯ СИСТЕМА КОНСТРУКТОРСКОЙ ДОКУМЕНТАЦИИ
ОБОЗНАЧЕНИЯ
УСЛОВНЫЕ
ГРАФИЧЕСКИЕ В СХЕМАХ
ГОСТ 2.730-73
ИЗДАТЕЛЬСТВО СТАНДАРТОВ
Москва
ГОСУДАРСТВЕННЫЙ СТАНДАРТ СОЮЗА ССР
|
Единая система конструкторской документации ОБОЗНАЧЕНИЯ УСЛОВНЫЕ ГРАФИЧЕСКИЕ Unified system for design
documentation. |
ГОСТ |
Дата введения 1974-07-01
1. Настоящий стандарт устанавливает правила построения условных графических обозначений полупроводниковых приборов на схемах, выполняемых вручную или автоматическим способом во всех отраслях промышленности.
(Измененная редакция, Изм. № 3).
2. Обозначения элементов полупроводниковых приборов приведены в табл. 1.
Таблица 1
|
Обозначение |
|
|
1. (Исключен, Изм. № 2). |
|
|
2. Электроды: |
|
|
база с одним выводом |
|
|
база с двумя выводами |
|
|
Р-эмиттер с N-областью |
|
|
N-эмиттер с Р-областью |
|
|
несколько Р-эмиттеров с N -областью |
|
|
несколько N -эмиттеров с Р-областью |
|
|
коллектор с базой |
|
|
несколько коллекторов, например, четыре коллектора на базе |
|
|
3. Области: область между проводниковыми слоями с различной электропроводностью. Переход от Р-области к N-области и наоборот |
|
|
область собственной электропроводности (I-область): l) между областями с электропроводностью разного типа PIN или NIP |
|
|
2) между областями с электропроводностью одного типа PIP или NIN |
|
|
3) между коллектором и областью с противоположной электропроводностью PIN или NIP |
|
|
4) между коллектором и областью с электропроводностью того же типа PIP или NIN |
|
|
4. Канал проводимости для полевых транзисторов: обогащенного типа |
|
|
обедненного типа |
|
|
5. Переход PN |
|
|
6. Переход NP |
|
|
7. Р-канал на подложке N-типа, обогащенный тип |
|
|
8. N -канал на подложке Р-типа, обедненный тип |
|
|
9. Затвор изолированный |
|
|
10. Исток и сток Примечание. Линия истока должна быть изображена на продолжении линии затвора, например: |
|
|
11. Выводы полупроводниковых приборов: |
|
|
электрически, не соединенные с корпусом |
|
|
электрически соединенные с корпусом |
|
|
12. Вывод корпуса внешний. Допускается в месте присоединения к корпусу помещать точку |
|
(Измененная редакция, Изм. № 2, 3).
3, 4. (Исключены, Изм. № 1).
5. Знаки, характеризующие физические свойства полупроводниковых приборов, приведены в табл.4.
Таблица 4
|
Обозначение |
|
|
1. Эффект туннельный |
|
|
а) прямой |
|
|
б) обращенный |
|
|
2. Эффект лавинного пробоя: а) односторонний |
|
|
б) двухсторонний 3-8. (Исключены, Изм. № 2). |
|
|
9. Эффект Шоттки |
|
6. Примеры построения обозначений полупроводниковых диодов приведены в табл. 5.
Таблица 5
|
Обозначение |
|
|
1. Диод |
|
|
Общее обозначение |
|
|
2. Диод туннельный |
|
|
3. Диод обращенный |
|
|
4. Стабилитрон (диод лавинный выпрямительный) |
|
|
а) односторонний |
|
|
б) двухсторонний |
|
|
5. Диод теплоэлектрический |
|
|
6. Варикап (диод емкостный) |
|
|
7. Диод двунаправленный |
|
|
8. Модуль с несколькими (например, тремя) одинаковыми диодами с общим анодным и самостоятельными катодными выводами |
|
|
8a. Модуль с несколькими одинаковыми диодами с общим катодным и самостоятельными анодными выводами |
|
|
9. Диод Шотки |
|
|
10. Диод светоизлучающий |
|
7. Обозначения тиристоров приведены в табл. 6.
Таблица 6
|
Обозначение |
|
|
1. Тиристор диодный, запираемый в обратном направлении |
|
|
2. Тиристор диодный, проводящий в обратном направлении |
|
|
3. Тиристор диодный симметричный |
|
|
4. Тиристор триодный. Общее обозначение |
|
|
5. Тиристор триодный, запираемый в обратном направлении с управлением: по аноду |
|
|
по катоду |
|
|
6. Тиристор триодный выключаемый: общее обозначение |
|
|
запираемый в обратном направлении, с управлением по аноду |
|
|
запираемый в обратном направлении, с управлением по катоду |
|
|
7. Тиристор триодный, проводящий в обратном направлении: |
|
|
общее обозначение |
|
|
с управлением по аноду |
|
|
с управлением по катоду |
|
|
8. Тиристор триодный симметричный (двунаправленный) - триак |
|
|
9. Тиристор тетроидный, запираемый в обратном направлении |
|
Примечание. Допускается обозначение тиристора с управлением по аноду изображать в виде продолжения соответствующей стороны треугольника.
8. Примеры построения обозначений транзисторов с Р-N-переходами приведены в табл. 7.
Таблица 7
|
Обозначение |
|
|
1. Транзистор а) типа PNP |
|
|
б) типа NPN с выводом от внутреннего экрана |
|
|
2. Транзистор типа NPN, коллектор соединен с корпусом |
|
|
3. Транзистор лавинный типа NPN |
|
|
4. Транзистор однопереходный с N-базой |
|
|
5. Транзистор однопереходный с Р-базой |
|
|
6. Транзистор двухбазовый типа NPN |
|
|
7. Транзистор двухбазовый типа PNIP с выводом от i-области |
|
|
8. Транзистор двухразовый типа PNIN с выводом от I-области |
|
|
9. Транзистор многоэмиттерный типа NPN |
|
|
Примечание. При выполнении схем допускается: а) выполнять обозначения транзисторов в зеркальном изображении, например,
б) изображать корпус транзистора. |
|
Таблица 8
|
Наименование |
Обозначение |
|
1. Транзистор полевой с каналом типа N |
|
|
2. Транзистор полевой с каналом типа Р |
|
|
3. Транзистор полевой с изолированным затвором баз вывода от подложки: |
|
|
а) обогащенного типа с Р-каналом |
|
|
б) обогащенного типа с N-каналом |
|
|
в) обедненного типа с Р-каналом |
|
|
г) обедненного типа с N-каналом |
|
|
4. Транзистор полевой с изолированным затвором обогащенного типа с N-каналом, с внутренним соединением истока и подложки |
|
|
5. Транзистор полевой с изолированным затвором с выводом от подложки обогащенного типа с Р-каналом |
|
|
6. Транзистор полевой с двумя изолированными затворами обедненного типа с Р-каналом с выводом от подложки |
|
|
7. Транзистор полевой с затвором Шоттки |
|
|
8. Транзистор полевой с двумя затворами Шоттки |
|
Примечание. Допускается изображать корпус транзисторов.
10. Примеры построений обозначений фоточувствительных и излучающих полупроводниковых приборов приведены в табл. 9.
Таблица 9
|
Обозначение |
|
|
1. Фоторезистор: а) общее обозначение |
|
|
б) дифференциальный |
|
|
2. Фотодиод |
|
|
З. Фототиристор |
|
|
4. Фототранзистор: |
|
|
а) типа PNP |
|
|
б) типа NPN |
|
|
5. Фотоэлемент |
|
|
6. Фотобатарея |
|
Таблица 10
|
Наименование |
Обозначение |
|
1. Оптрон диодный |
|
|
2. Оптрон тиристорный |
|
|
3. Оптрон резисторный |
|
|
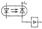
4. Прибор оптоэлектронный с фотодиодом и усилителем: |
|
|
а) совмещенно |
|
|
б) разнесенно |
|
|
5. Прибор оптоэлектронный с фототранзистором: а) с выводом от базы |
|
|
б) без вывода от базы |
|
Примечания:
1. Допускается изображать оптоэлектронные приборы разнесенным способом. При этом знак оптического взаимодействия должен быть заменен знаками оптического излучения и поглощения по ГОСТ 2.721-74,
например:

2. Взаимная ориентация обозначений источника и приемника не устанавливается, а определяется удобством вычерчивания схемы, например:

12. Примеры построения обозначений прочих полупроводниковых приборов приведены в табл. 11.
Таблица 11
|
Обозначение |
|
|
1. Датчик Холла |
|
|
Токовые выводы датчика изображены линиями, отходящими от коротких сторон прямоугольника |
|
|
2. Резистор магниточувствительный |
|
|
3. Магнитный разветвитель |
|
13. Примеры изображения типовых схем на полупроводниковых диодах приведены в табл. 12.
Таблица 12
|
Обозначение |
|
|
1. Однофазная мостовая выпрямительная схема: |
|
|
а) развернутое изображение |
|
|
б) упрощенное изображение (условное графическое обозначение) Примечание. К выводам 1-2 подключается напряжение переменного тока; выводы 3-4 - выпрямленное напряжение; вывод 3 имеет положительную полярность. Цифры 1, 2, 3 и 4 указаны для пояснения. |
|
|
Пример применения условного графического обозначения на схеме |
|
|
2. Трехфазная мостовая выпрямительная схема |
|
|
3. Диодная матрица (фрагмент) |
|
|
Примечание. Если все диоды в узлах матрицы включены идентично, то допускается применять упрощенный способ изображения. При этом на схеме должны быть приведены пояснения о способе включения диодов |
|
14. Условные графические обозначения полупроводниковых приборов для схем, выполнение которых при помощи печатающих устройств ЭВМ предусмотрено стандартами Единой системы конструкторской документации, приведены в табл. 13.
Таблица 13
|
Обозначение |
Отпечатанное обозначение |
|
|
1. Диод |
|
|
|
2. Транзистор типа PNР |
|
|
|
3. Транзистор типа NPN |
|
|
|
4. Транзистор типа PNIP с выводом от I-области |
|
|
|
5. Многоэмиттерный транзистор типа NPN |
|
|
Примечание к пп. 2-5. Звездочкой отмечают вывод базы, знаком «больше» или «меньше» - вывод эмиттера.
15. Размеры (в модульной сетке) основных условных графических обозначений даны в приложении 2.
(Измененная редакция, Изм. № 4).
Приложение 1. (Исключено, Изм. № 4).
|
Наименование |
Обозначение |
|
1. Диод |
|
|
2.. Тиристор диодный |
|
|
3. Тиристор триодный |
|
|
4. Транзистор 5. Транзистор полевой |
|
|
6. Транзистор полевой с изолированным затвором |
|
(Введено дополнительно, Изм. № 3).
ИНФОРМАЦИОННЫЕ ДАННЫЕ
1 РАЗРАБОТАН И ВНЕСЕН Государственным комитетом стандартов Совета Министров СССР
РАЗРАБОТЧИКИ
В. Р. Верченко, Ю. И. Степанов, Э. Я. Акопян, Ю. П. Широкий, В. П. Пармешин, И. К. Виноградова
2 УТВЕРЖДЕН И ВВЕДЕН В ДЕЙСТВИЕ Постановлением Государственного комитета стандартов Совета Министров СССР от 16.08.73 № 2002
3 Соответствует СТ СЭВ 661-88
4 ВЗАМЕН ГОСТ 2.730-68, ГОСТ 2.747-68 в части пп. 33 и 34 таблицы
5 ПЕРЕИЗДАНИЕ (январь 1995 г.) с Изменениями № 1, 2, 3, 4, утвержденными в июле 1980 г., апреле 1987 г., марте 1989 г., июле 1991 г. (ИУС 10-80, 7-87, 6-89, 10-91)
|
_________________________________________________________ |